Техника пожарная. Лестницы пожарные наружные стационарные. Ограждения кровли. Общие технические требования. Методы испытаний. ГОСТ р 53254-2009

(утв. Приказом Ростехрегулирования от 18.02.2009 N 25-СТ)
Редакция от 18.02.2009 — Действует

Утвержден и введен в действие
Приказом Ростехрегулирования
от 18 февраля 2009 г. N 25-ст

НАЦИОНАЛЬНЫЙ СТАНДАРТ РОССИЙСКОЙ ФЕДЕРАЦИИ

ТЕХНИКА ПОЖАРНАЯ. ЛЕСТНИЦЫ ПОЖАРНЫЕ НАРУЖНЫЕ СТАЦИОНАРНЫЕ. ОГРАЖДЕНИЯ КРОВЛИ. ОБЩИЕ ТЕХНИЧЕСКИЕ ТРЕБОВАНИЯ. МЕТОДЫ ИСПЫТАНИЙ

Fire equipment. Ed fire ladders to be installed outside buildings. Buildings roof railings. General technical requirements. Test methods

ГОСТ Р 53254-2009

ОКС 13.220
 
ОКП 48 5485

Дата введения
1 января 2010 года
с правом досрочного применения

Предисловие

Цели и принципы стандартизации в Российской Федерации установлены Федеральным законом от 27 декабря 2002 г. N 184-ФЗ "О техническом регулировании", а правила применения национальных стандартов Российской Федерации - ГОСТ Р 1.0-2004 "Стандартизация в Российской Федерации. Основные положения".

Сведения о стандарте

1. Разработан Федеральным государственным учреждением "Всероссийский ордена "Знак Почета" научно-исследовательский институт противопожарной обороны" Министерства Российской Федерации по делам гражданской обороны, чрезвычайным ситуациям и ликвидации последствий стихийных бедствий (ФГУ ВНИИПО МЧС России).

2. Внесен Техническим комитетом по стандартизации ТК 274 "Пожарная безопасность".

3. Утвержден и введен в действие Приказом Федерального агентства по техническому регулированию и метрологии от 18 февраля 2009 г. N 25-ст.

4. Введен впервые.

Информация об изменениях к настоящему стандарту публикуется в ежегодно издаваемом информационном указателе "Национальные стандарты", а текст изменений и поправок - в ежемесячно издаваемых информационных указателях "Национальные стандарты". В случае пересмотра (замены) или отмены настоящего стандарта соответствующее уведомление будет опубликовано в ежемесячно издаваемом информационном указателе "Национальные стандарты". Соответствующая информация, уведомление и тексты размещаются также в информационной системе общего пользования - на официальном сайте Федерального агентства по техническому регулированию и метрологии в сети Интернет.

1. Область применения

1.1. Настоящий стандарт распространяется на металлические пожарные маршевые и вертикальные лестницы (в том числе - эвакуационные и на аварийных выходах), площадки и ограждения к ним, устанавливаемые стационарно снаружи жилых, промышленных, общественных зданий и сооружений, которые используются пожарными подразделениями для эвакуации людей, подъема на кровли и чердаки личного состава и пожарно-технического вооружения, а также на ограждения кровли зданий для обеспечения безопасности проводимых работ.

1.2. Настоящий стандарт устанавливает типы, основные параметры и размеры, общие технические требования, методы испытаний, правила и порядок оценки качества лестниц и ограждений кровли.

1.3. Требования настоящего стандарта применяются на стадии проектирования, приемки объекта в эксплуатацию и при проведении периодических испытаний наружных пожарных лестниц и ограждений кровли.

2. Нормативные ссылки

В настоящем стандарте использованы нормативные ссылки на следующие стандарты:

ГОСТ 9.032-74. Покрытия лакокрасочные. Группы, технические требования и обозначения

ГОСТ 9.302-88. Покрытия металлические и неметаллические. Методы контроля

ГОСТ 166-89. Штангенциркули. Технические условия

ГОСТ 427-75. Линейки измерительные металлические. Технические условия

ГОСТ 5264-80. Ручная дуговая сварка. Сварные соединения

ГОСТ 7502-89. Рулетки измерительные металлические. Технические условия

ГОСТ 23118-99. Конструкции стальные строительные. Общие технические условия

ГОСТ 25772-83. Ограждения лестниц, балконов и крыш стальные. Общие технические требования.

Примечание. При пользовании настоящим стандартом целесообразно проверить действие ссылочных стандартов в информационной системе пользования - на официальном сайте национального органа Российской Федерации по стандартизации в сети Интернет или по ежегодно издаваемому информационному указателю "Национальные стандарты", который опубликован по состоянию на 1 января текущего года, и по соответствующим ежегодно издаваемым информационным указателям, опубликованным в текущем году. Если ссылочный стандарт заменен (изменен), то при пользовании настоящим стандартом следует руководствоваться замененным (измененным) стандартом. Если ссылочный стандарт отменен без замены, то положение, в котором дана ссылка на него, применяется в части, не затрагивающей эту ссылку.

3. Термины и определения

В настоящем стандарте применяют следующие термины с соответствующими определениями:

3.1. Лестница вертикальная: лестница пожарная (эвакуационная), конструктивно состоящая из двух параллельных вертикальных тетив, жестко соединенных поперечными опорными ступенями.

3.2. Лестница маршевая: лестница пожарная (эвакуационная), конструктивно состоящая из жестко соединенных между собой маршей и площадок.

3.3. Тетива: продольный элемент конструкции лестницы, к которому крепятся опорные ступени.

3.4. Марш: конструкция, состоящая из двух параллельных тетив, жестко соединенных поперечными опорными ступенями, и устанавливаемая наклонно под определенным углом.

3.5. Балка: элемент конструкции лестницы, посредством которого она крепится к опорным колонам или к стене здания.

3.6. Площадка: конструкция, состоящая из основания и жестко закрепленных к нему ограждений.

3.7. Статическая нагрузка: внешнее воздействие, которое не вызывает ускорений деформируемых масс и сил инерции.

3.8. Остаточная деформация: расстояние между контрольной точкой на испытываемом образце, находящемся в исходном состоянии, и этой же точкой на том же образце после снятия нагрузки.

4. Классификация и основные параметры

4.1. В зависимости от условий эксплуатации, исполнения и назначения лестницы, ограждения, настилы площадок и ступени лестничных маршей подразделяются на типы, указанные в таблице 1.

Таблица 1

Наименование Тип
Пожарные наружные лестницы П1 - вертикальная лестница
П2 - маршевая лестница
Вертикальные лестницы П1-1 - без ограждения (высота до 6 м)
П1-2 - с ограждением (высота более 6 м)
Ограждения МН - для лестничных маршей
ПН - для лестничных площадок
ВН - для вертикальных лестниц
КО - для кровли без парапета
КП - для кровли с парапетом
Настилы площадок и ступени лестничных маршей Ф - сплошные из рифленой стали
Решетчатые, исполнений:
Ш - из штампованных элементов
Р - из полос на ребро и круглой стали
С - из полос на ребро в одном направлении
В - из просечно-вытяжной стали

4.2. Основные размеры лестничных маршей, прямоугольных площадок и ограждений к ним, вертикальных лестниц и ограждений к ним, ограждений кровли и размеры между элементами их конструкций должны соответствовать значениям, приведенным в таблицах и на рисунках (Приложения А - Г).

При этом для эвакуационных лестниц должны соблюдаться следующие размеры: ширина ступени - не менее 0,25 м; высота ограждений маршей и площадок - не менее 1,2 м; ширина лестниц - не менее 0,9 м.

4.3. В местах перепада высоты кровли более одного метра следует предусматривать пожарные лестницы.

4.4. Для подъема на высоту от 10 до 20 метров и в местах перепада высоты кровли от 1 до 20 метров следует применять пожарные лестницы типа П1, для подъема на высоту более 20 метров и в местах перепада высоты кровли более 20 метров - пожарные лестницы типа П2.

4.5. Между маршами лестниц и между поручнями ограждений лестничных маршей следует предусматривать зазор шириной не менее 75 мм.

4.6. Для детских дошкольных учреждений настилы площадок должны изготавливаться типа Ф, ступени - типов Ш или В. Расстояние от нижней ступени лестницы до уровня земли должно быть не более шага ступеней в лестничном марше.

4.7. Прямоугольные площадки вертикальных лестниц для выхода на кровлю должны иметь длину не менее 0,8 м.

4.8. Допускается выполнять нижнюю секцию вертикальной лестницы выдвижной с обеспечением надежной фиксации в рабочем положении.

4.9. Ограждения кровли не должны пересекать выход на кровлю с площадок лестниц.

5. Технические требования

5.1. Конструкции вертикальных лестниц, лестничных маршей, площадок, ограждений к ним и ограждений кровли (в дальнейшем - конструкции) должны изготавливаться в соответствии с требованиями настоящего стандарта, ГОСТ 23118, ГОСТ 23120, ГОСТ 25772 и [1] по рабочим чертежам, утвержденным в установленном порядке.

5.2. Основные размеры конструкций должны соответствовать требованиям технической документации на их изготовление.

5.3. Размещение и монтаж конструкций должны производиться в соответствии с требованиями ГОСТ 23118, [1] и [2].

5.4. Сварные швы конструкций должны соответствовать ГОСТ 5264 и [1]. Заводские и монтажные стыки элементов конструкций не должны иметь острых выступов, кромок и заусенцев. На поверхности конструкций не должно быть окалины и ржавчины.

5.5. Конструкции должны быть огрунтованы и окрашены в соответствии с требованиями ГОСТ 9.032 и [3]. Класс покрытия не ниже пятого.

5.6. Элементы конструкций должны быть надежно присоединены друг к другу, а конструкции в целом надежно прикреплены к стене и кровле здания. Наличие трещин в заделке балок в стене и разрывы металла не допускаются.

5.7. Конструкции должны обеспечивать прочность и жесткость при приложении испытательных нагрузок.

5.8. Ступень лестницы должна выдерживать испытательную нагрузку весом 1,8 кН (180 кгс), приложенную к ее середине и направленную вертикально вниз.

5.9. Балка крепления вертикальной лестницы к стене здания должна выдерживать испытательную нагрузку P_бал, определяемую по формуле:

(1)

где H - высота лестницы, м;

X - количество балок, при помощи которых лестница крепится к стене, шт.;

K_1 - коэффициент, численно равный высоте участка лестницы, занимаемого одним человеком (пожарным), принимается равным 2,5 м;

K_2 - максимальная нагрузка, создаваемая одним человеком (пожарным), принимается равной 1,2 кН (120 кгс);

K_3 - коэффициент запаса прочности, принимается равным 1,5.

5.10. Лестничный марш должен выдерживать испытательную нагрузку P_марш, определяемую по формуле:

(2)

где L - длина марша лестницы, м;

K_2 - максимальная нагрузка, создаваемая одним человеком (пожарным), принимается равной 1,2 кН (120 кгс);

K_3 - коэффициент запаса прочности, принимается равным 1,5;

K_4 - коэффициент, численно равный величине проекции человека на горизонталь, м2, принимается равным 0,5;

X - количество балок, при помощи которых марш крепится к стене, шт.;

альфа - угол наклона плоскости лестницы к горизонтали.

5.11. Площадка лестницы должна выдерживать испытательную нагрузку P_площ, определяемую по формуле:

(3)

где S - площадь площадки лестницы, м2;

K_2 - максимальная нагрузка, создаваемая одним человеком (пожарным), принимается равной 1,2 кН (120 кгс);

K_3 - коэффициент запаса прочности, принимается равным 1,5;

K_4 - коэффициент, численно равный величине проекции человека на горизонталь, м2, принимается равным 0,5;

X - количество балок, при помощи которых площадка крепится к стене, шт.

5.12 Ограждения лестниц и кровли зданий должны выдерживать нагрузку величиной 0,54 кН (54 кгс), приложенную горизонтально.

6. Методы испытаний

6.1. Номенклатура показателей

6.1.1. Объем испытаний и проверок наружных стационарных лестниц, их ограждений, а также ограждений кровли зданий представлен в таблице 2.

Таблица 2

Номенклатура испытаний и проверок Необходимость проведения испытаний
на стадии приемки эксплуатационных (не реже одного раза в пять лет)
1. Проверка основных размеров + +
2. Проверка предельных отклонений размеров и форм + +
3. Визуальная проверка целостности конструкций и их креплений + +
4. Проверка качества сварных швов + +
5. Проверка качества защитных покрытий + +
6. Проверка требований к размещению лестниц + +
7. Испытания ступени лестницы на прочность + +
8. Испытания балок крепления лестницы на прочность + +
9. Испытания площадок и маршей лестниц на прочность + +
10. Испытания ограждений лестниц на прочность + +
11. Испытания ограждений кровли зданий на прочность + +

6.1.2. Номенклатура параметров лестниц и ограждений, проверяемых в процессе испытаний, приведена в таблице 3.

Таблица 3

Номенклатура параметров лестниц и ограждений Пункты настоящего стандарта
Технические требования Методы испытаний
1. Высота лестницы H 5.2 6.2.5
2. Длина лестницы L 5.2 6.2.5
3. Ширина лестницы B 5.2 6.2.5
4. Высота ступени 5.2 6.2.5
5. Ширина ступени 5.2 6.2.5
6. Размеры ограждения лестницы 5.2 6.2.5
7. Высота ограждения площадки выхода на кровлю 5.2 6.2.5
8. Визуальная проверка целостности конструкций и их креплений 5.3 6.2.6
9. Проверка требований к размещению лестниц 5.3 6.2.6
10. Проверка качества сварных швов 5.4 6.2.7
11. Проверка качества защитных покрытий 5.5 6.2.8
12. Испытания ступени лестницы на прочность 5.8 6.2.9
13. Испытания балок крепления лестницы на прочность 5.9 6.2.10
14. Испытания площадок и маршей лестниц на прочность 5.10, 5.11 6.2.11, 6.2.12
15. Испытания ограждения лестниц на прочность 5.12 6.2.13, 6.2.14
16. Испытания ограждения кровли зданий на прочность 5.12 6.2.15

6.1.3. Рабочие нагрузки, которые должны выдерживать несущие элементы лестниц и ограждений кровли, указаны в таблице 4.

Таблица 4

Наименование несущего элемента Рабочая нагрузка, кН (кгс)
Ступеньки вертикальных и маршевых лестниц 1,8 (180)
Ограждения лестниц и кровли зданий 0,54 (54)

6.1.4. Наружные пожарные лестницы и ограждения кровли подлежат испытаниям при приемке объекта в эксплуатацию и не реже одного раза в пять лет должны подвергаться периодическим испытаниям. Наружные пожарные лестницы и ограждения кровли зданий и сооружений должны содержаться в исправном состоянии, и не менее одного раза в год необходимо проводить обследование целостности конструкции с составлением акта по результатам проверки. В случае обнаружения нарушений целостности конструкции производится их восстановление (ремонт) с последующим проведением испытаний на прочность.

Испытания и ежегодное обследование должны проводить организации, имеющие обученный персонал, аттестованное испытательное оборудование и измерительный инструмент с результатами его поверок.

6.1.5. Результаты испытаний конструкций лестниц и ограждений кровли, установленных на зданиях и сооружениях, считаются удовлетворительными, если они соответствуют требованиям настоящего документа.

6.1.6. При получении неудовлетворительных результатов по любому из показателей повторные испытания или проверки проводятся только после устранения неисправностей.

6.2. Проведение испытаний

6.2.1. Испытания проводятся в дневное время суток в условиях визуальной видимости испытателями друг друга с соблюдением соответствующих выполняемым работам правил техники безопасности.

6.2.2. Место проведения испытаний должно быть огорожено и обозначено предупреждающими знаками в соответствии с [4].

6.2.3. Прочностные испытания конструкций являются "статическими", величины испытательных нагрузок выбраны из условия возможного максимального нагружения конструкции с определенным запасом прочности, равным 1,5.

6.2.4. Испытательная нагрузка должна создаваться любым способом, исключающим нахождение человека непосредственно под испытываемой конструкцией (например, лебедка с редуктором и электроприводом, насос с гидроцилиндром и т.п.).

6.2.5. Основные размеры конструкций в соответствии с п. 3.2 проверяют визуально с применением мерительного инструмента (рулетка металлическая по ГОСТ 7502, линейка металлическая по ГОСТ 427, штангенциркуль по ГОСТ 166).

Допускается применение современных средств измерений типа лазерного дальномера и т.п.

Предельные отклонения размеров не должны превышать значений, указанных в ГОСТ 25772.

6.2.6. Размещение и монтаж конструкций (п. 3.3) проверяют визуально в соответствии с рабочими чертежами и [2].

6.2.7. Контроль качества швов сварных соединений (п. 3.4) производится визуально в соответствии с ГОСТ 5264 и [1].

6.2.8. Качество защитных покрытий от коррозии (п. 3.5) проверяется визуально в соответствии с ГОСТ 9.032 и ГОСТ 9.302. Грунтовка и окраска конструкций должны соответствовать V классу покрытия.

6.2.9. Прочность ступеней вертикальных и маршевых лестниц проверяется путем прикладывания к середине ступеньки вертикально вниз нагрузки величиной 1,8 кН (180 кгс) (Приложение Д, рис. Д.1).

Нагрузка удерживается в течение 2 мин. После снятия нагрузки остаточной деформации и нарушения целостности конструкции быть не должно.

Испытаниям подлежит каждая пятая ступень лестницы.

6.2.10. Прочность балки крепления вертикальной лестницы к стене здания (Приложение Д, рис. Д.2) проверяется путем прикладывания вертикально вниз нагрузки величиной P_бал, рассчитанной по формуле (1), в месте крепления балки к лестнице. Как правило, балки расположены параллельно, поэтому рекомендуется испытывать их попарно.

Нагрузка удерживается в течение 2 мин. После снятия нагрузки остаточной деформации и нарушения целостности конструкции быть не должно.

6.2.11. Прочность лестничного марша проверяется путем прикладывания нагрузки P_марш, рассчитанной по формуле (2), приложенной вертикально вниз по его середине (Приложение Д, рис. Д.3).

Нагрузка удерживается в течение 2 мин. После снятия нагрузки остаточной деформации и нарушения целостности конструкции быть не должно.

6.2.12. Прочность площадки лестницы проверяется путем прикладывания распределенной нагрузки P_площ (Приложение Д, рис. Д.4), рассчитанной по формуле (3).

Нагрузка удерживается в течение 2 мин. После снятия нагрузки остаточной деформации и нарушения целостности конструкции быть не должно.

6.2.13. Прочность ограждения вертикальной лестницы проверяется путем прикладывания горизонтальной нагрузки 0,54 кН (54 кгс) в точках, расположенных на расстоянии не более 1,5 м друг от друга по всей высоте лестницы.

Нагрузка удерживается в течение 2 мин. После снятия нагрузки остаточной деформации и нарушения целостности конструкции быть не должно.

6.2.14. Прочность ограждений марша и площадки маршевых лестниц проверяется путем прикладывания горизонтальной нагрузки 0,54 кН (54 кгс) к каждому ограждению (Приложение Д, рис. Д.5).

Нагрузка удерживается в течение 2 мин. После снятия нагрузки остаточной деформации и нарушения целостности конструкции быть не должно.

6.2.15. Прочность ограждения кровли зданий проверяется путем прикладывания горизонтальной нагрузки 0,54 кН (54 кгс) в точках, расположенных на расстоянии не более 10 м друг от друга по всему периметру здания.

Нагрузка удерживается в течение 2 мин. После снятия нагрузки остаточной деформации и нарушения целостности конструкции быть не должно.

7. Оформление результатов испытаний

7.1. При испытаниях составляется протокол испытаний (Приложение Е).

7.2. Если в результате испытаний при визуальном осмотре обнаружены трещины или разрыв сварных соединений (швов) и остаточные деформации, то испытываемая конструкция считается не выдержавшей испытания.

7.3. На всех лестницах и ограждениях кровли, подвергнутых испытаниям, должны быть закреплены таблички (бирки) с указанием информации о результатах испытаний. Форма табличек (бирок) и способ нанесения информации, учитывая воздействие климатических факторов, определяются организацией, проводящей испытания.

Информация о неисправных наружных лестницах или ограждениях кровли (не прошедших испытаний) должна быть доведена в обязательном порядке до личного состава пожарной части, в районе выезда которой находится объект.

7.4. По результатам испытаний составляется заключение о соответствии лестницы или ограждения кровли здания требованиям настоящего стандарта.

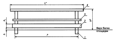
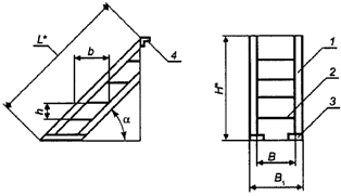
Приложение А
(обязательное)

ЭЛЕМЕНТЫ МАРШЕЙ МАРШЕВЫХ ЛЕСТНИЦ

1 - косоур; 2 - ступень; 3 - опорная планка; 4 - опорный уголок

<*> Настоящим стандартом не регламентируется.

Рисунок А.1. Лестничный марш

Таблица А.1

альфа h, мм, не более b, мм, не менее B, мм, не менее B_1, мм, не менее
45° 200 200 500 600
60° 300 200 500 600
80,5 (уклон 1:6) 300 200 500 600

1 - стойка; 2 - бортовой элемент; 3 - средний ограждающий элемент; 4 - поручень

<*> Настоящим стандартом не регламентируется.

Рисунок А.2. Ограждение лестничного марша

Таблица А.2

альфа H, мм, не менее h, мм, не менее h1, мм, не менее
45° 1000 15 140
60° 1000 15 140
80,5 (уклон 1:6) 1000 15 140

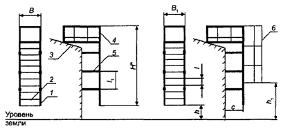
Приложение Б
(обязательное)

ЭЛЕМЕНТЫ ВЕРТИКАЛЬНЫХ ЛЕСТНИЦ

1 - тетива; 2 - ступень; 3 - кровля; 4 - площадка; 5 - балка; 6 - ограждение

<*> Настоящим стандартом не регламентируется.

Рисунок Б.1. Вертикальные лестницы

Таблица Б.1

Тип лестницы l, мм, не более l_1, мм, не более h, мм, не более h_1, мм, не более B, мм, не менее B_1, мм, не менее c, мм, не менее
П1-1 350 3500 1500 - 600 - 300
П1-2 350 3500 1500 2500 - 800 300

1 - вертикальный ограждающий элемент; 2 - горизонтальный ограждающий элемент

<*> Настоящим стандартом не регламентируется.

Рисунок Б.2. Ограждения вертикальных лестниц

Таблица Б.2

l, мм, не более B, мм, не менее R, мм, не более альфа
500 800 400 45° - 60°

Приложение В
(обязательное)

ЭЛЕМЕНТЫ ПЛОЩАДОК МАРШЕВЫХ И ВЕРТИКАЛЬНЫХ ЛЕСТНИЦ

1 - балка; 2- окантовочный элемент; 3 - настил; 4 - ребро

<*> Настоящим стандартом не регламентируется.

Рисунок В.1. Площадка

Таблица В.1

B, мм, не менее 500
B_1, мм, не менее 600

1 - стойка; 2 - бортовой элемент; 3 - средний ограждающий элемент; 4 - поручень

<*> Настоящим стандартом не регламентируется.

Рисунок В.2. Ограждение площадок

Таблица В.2

H, мм, не менее h, мм, не менее h_1, мм, не менее
1000 15 140

Приложение Г
(обязательное)

ЭЛЕМЕНТЫ ОГРАЖДЕНИЙ КРЫШИ

Без парапета

С парапетом

1 - вертикальный ограждающий элемент; 2 - горизонтальный ограждающий элемент

<*> Настоящим стандартом не регламентируется.

Рисунок Г.1. Ограждения кровли

Таблица Г.1

a, мм, не более H, мм, не менее H_1, мм, не менее
300 600 H_1 = 600 - h

Приложение Д
(рекомендуемое)

ТОЧКИ ПРИЛОЖЕНИЯ ИСПЫТАТЕЛЬНЫХ НАГРУЗОК

Рисунок Д.1. Ступени

Рисунок Д.2. Балки

Рисунок Д.3. Лестничный марш

Рисунок Д.4. Площадка

Рисунок Д.5. Ограждения лестниц, маршей площадок и кровли

Приложение Е
(рекомендуемое)

"_____" _______________ 20__ г.

ПРОТОКОЛ ИСПЫТАНИЙ N

1.    
  (наименование испытываемого объекта)
2.    
  (характеристики испытываемого объекта: длина лестницы (м),
     
количество ступеней в лестнице, количество балок крепления лестницы к стене, наличие ограждения лестницы)
     
3. Условия проведения испытаний  
4. Средства испытаний  
5. Визуальный осмотр лестницы  
6. Расчет величины нагрузки на лестницу:  

7. Результаты испытаний

N п/п Наименование испытываемого элемента Количество испытываемых точек Нагрузка, кН (кгс) Результаты испытаний
1 2 3 4 5
         
         
         
         

8. Выводы по результатам испытаний:

Испытания проводили:

БИБЛИОГРАФИЯ

[1] СНиП 3.03.01-87. Несущие и ограждающие конструкции

[2] Проект Свода Правил. Системы противопожарной защиты. Эвакуационные пути и выходы

[3] СНиП 2.03.11-85. Защита строительных конструкций от коррозии

[4] СНиП III-4-80. Правила производства и приемки работ. Часть III.