Приказ Минтранса РФ от 04.03.2011 N 69

"Об утверждении федеральных авиационных правил "Требования к посадочным площадкам, расположенным на участке земли или акватории"
Редакция от 04.03.2011 — Документ не действует

Зарегистрировано в Минюсте РФ 5 апреля 2011 г. N 20420


МИНИСТЕРСТВО ТРАНСПОРТА РОССИЙСКОЙ ФЕДЕРАЦИИ

ПРИКАЗ
от 4 марта 2011 г. N 69

ОБ УТВЕРЖДЕНИИ ФЕДЕРАЛЬНЫХ АВИАЦИОННЫХ ПРАВИЛ "ТРЕБОВАНИЯ К ПОСАДОЧНЫМ ПЛОЩАДКАМ, РАСПОЛОЖЕННЫМ НА УЧАСТКЕ ЗЕМЛИ ИЛИ АКВАТОРИИ"

В соответствии с пунктом 7 статьи 40 Федерального закона от 19 марта 1997 г. N 60-ФЗ "Воздушный кодекс Российской Федерации" (Собрание законодательства Российской Федерации, 1997, N 12, ст. 1383; 1999, N 28, ст. 3483; 2004, N 35, ст. 3607, N 45, ст. 4377; 2005, N 13, ст. 1078; 2006, N 30, ст. 3290, 3291; 2007, N 1 (ч. I), ст. 29, N 27, ст. 3213, N 46, ст. 5554, N 49, ст. 6075, N 50, ст. 6239, 6244, 6245; 2008, N 29 (ч. I), ст. 3418, N 30 (ч. II), ст. 3616; 2009, N 1, ст. 17, N 29, ст. 3616; 2010, N 30, ст. 4014; 2011, N 7, ст. 901) приказываю:

1. Утвердить прилагаемые Федеральные авиационные правила "Требования к посадочным площадкам, расположенным на участке земли или акватории".

2. Установить, что настоящий Приказ вступает в силу через 90 дней со дня официального опубликования.

Министр
И.Е.ЛЕВИТИН

УТВЕРЖДЕНЫ
Приказом Минтранса России
от 4 марта 2011 г. N 69

ФЕДЕРАЛЬНЫЕ АВИАЦИОННЫЕ ПРАВИЛА
"ТРЕБОВАНИЯ К ПОСАДОЧНЫМ ПЛОЩАДКАМ, РАСПОЛОЖЕННЫМ НА УЧАСТКЕ ЗЕМЛИ ИЛИ АКВАТОРИИ"

I. Общие положения

1. Федеральные авиационные правила "Требования к посадочным площадкам, расположенным на участке земли или акватории" (далее - Правила) разработаны в соответствии с пунктом 7 статьи 40 Федерального закона от 19 марта 1997 г. N 60-ФЗ "Воздушный кодекс Российской Федерации" (Собрание законодательства Российской Федерации, 1997, N 12, ст. 1383; 1999, N 28, ст. 3483; 2004, N 35, ст. 3607, N 45, ст. 4377; 2005, N 13, ст. 1078; 2006, N 30, ст. 3290, 3291; 2007, N 1 (ч. I), ст. 29, N 27, ст. 3213, N 46, ст. 5554, N 49, ст. 6075, N 50, ст. 6239, 6244, 6245; 2008, N 29 (ч. I), ст. 3418, N 30 (ч. II), ст. 3616; 2009, N 1, ст. 17, N 29, ст. 3616; 2010, N 30, ст. 4014; 2011, N 7, ст. 901) и устанавливают требования, обязательные для выполнения владельцем посадочной площадки, расположенной на участке земли или акватории.

2. Требования настоящих Правил не применяются к:

посадочным площадкам для выполнения разовой посадки, подобранным с воздуха или осмотренным с земли;

посадочным площадкам, используемым менее 30 дней в течение календарного года.

3. В случаях, если эксплуатационной документацией воздушного судна устанавливаются иные требования к посадочным площадкам, чем установленные настоящими Правилами, то применяются требования эксплуатационной документации воздушного судна.

4. Посадочная площадка, предназначенная для самолетов, может быть использована вертолетами и иными видами воздушных судов при соблюдении требований, указанных в настоящих Правилах.

II. Требования к посадочным площадкам для самолетов

5. Поверхность взлетно-посадочной полосы (далее - ВПП) посадочной площадки должна быть без препятствий, затрудняющих руление, взлет и посадку воздушных судов.

Неровности, определяемые по зазору (просвету) между рейкой длиной в 3 м и поверхностью летного поля в любых направлениях рабочей части, не должны превышать 0,1 м или размера, указанного в эксплуатационной документации воздушных судов, для которых предназначена посадочная площадка.

ВПП должна выдерживать нагрузки, возникающие при движении воздушных судов, для полетов которых она предназначена.

В случае если посадочная площадка не имеет четко выделенной ВПП, то указанным требованиям должно соответствовать летное поле.

Ширина ВПП должна быть не менее:

18 м для посадочных площадок с длиной ВПП до 800 м;

23 м для посадочных площадок с длиной ВПП от 800 м до 1200 м;

30 м для посадочных площадок с длиной ВПП более 1200 м;

45 м для посадочных площадок с длиной ВПП более 1800 м.

Ширина ВПП, оборудованной для точного захода на посадку, должна быть не менее 30 м.

ВПП, имеющая длину более 1200 м или предназначенная для захода на посадку по приборам, оборудуется торцевой зоной безопасности (далее - ТЗБ), которая имеет длину не менее 90 м за торцом ВПП. Ширина ТЗБ должна быть не менее общей ширины ВПП и ее боковых полос безопасности (далее - БПБ).

6. БПБ располагаются симметрично по обе стороны ВПП таким образом, чтобы общая ширина ВПП и ее БПБ составляла не менее:

30 м для посадочных площадок с длиной ВПП до 800 м;

40 м для посадочных площадок с длиной ВПП от 800 м до 1200 м;

75 м для посадочных площадок с длиной ВПП более 1200 м.

7. Ширина ВПП, которая имеет длину менее 400 м и предназначена для сверхлегких воздушных судов, и ее БПБ определяется исходя из летно-технических характеристик воздушных судов, полеты которых планируются с посадочной площадки.

8. Поперечный уклон БПБ не должен превышать 2,5%, ее поверхность, примыкающая к ВПП, должна выдерживать нагрузку, создаваемую при выкатывании воздушного судна за пределы ВПП, не вызывая у него повреждений конструкции.

9. Расположение мест стоянки воздушных судов должно обеспечивать расстояние между концами крыльев самолетов не менее 3 м.

Поверхность мест стоянки должна выдерживать нагрузку от колес воздушного судна при стоянке.

10. Поверхность между ВПП и местами стоянки, предназначенная для руления, должна выдерживать нагрузку от колес воздушного судна. При невозможности обеспечения выполнения требования для всей указанной поверхности, границы зон, предназначенные для руления, или рулежные дорожки (далее - РД) маркируются флажками или дорожными сигнальными конусами.

11. В случаях, установленных настоящими Правилами, элементы посадочных площадок обозначаются маркировочными знаками (далее - маркеры), которые должны быть объектами с массой и конструкцией, представляющими минимальную опасность для воздушного судна в случае столкновения с его частями (далее - ломкие объекты).

12. Маркеры, размещаемые вблизи ВПП или РД, устанавливаются таким образом, чтобы обеспечивать необходимое безопасное расстояние до воздушных винтов и гондол двигателей воздушных судов.

Маркеры должны закрепляться таким образом, чтобы предотвращать их смещение струей воздуха, создаваемой двигателями и воздушными винтами.

13. Входные маркеры ВПП устанавливаются симметрично оси ВПП по краям торцов ВПП таким образом, чтобы длинная сторона маркера была перпендикулярна осевой линии ВПП.

Поверхность входного маркера должна иметь со стороны ВПП чередующиеся вертикальные полосы красного и белого цвета, с противоположной стороны - вертикальные чередующиеся полосы черного и белого цвета. Крайние полосы имеют черный или красный цвет соответственно. Размеры и форма маркеров указаны в приложении N 1 к настоящим Правилам. Входные маркеры устанавливаются на линии начала и конца ВПП на расстоянии от 1 до 5 м от ее боковых границ.

14. На ВПП, не имеющей искусственного покрытия, в качестве входных маркеров, обозначающих начало и конец ВПП, допускается применение трех флажков. Флажки устанавливаются от края ВПП с шагом 2 м на линии, перпендикулярной оси ВПП, их размеры приведены в приложении N 2 к настоящим Правилам.

15. Пограничные знаки в виде усеченного конуса или призмы устанавливают вдоль боковых границ ВПП на расстоянии 100 м друг от друга и 1 м за ее боковыми границами, пограничные знаки в виде флажков, автопокрышек или дорожных сигнальных конусов - на расстоянии 50 м друг от друга. Флажки и автопокрышки могут быть белого, красного или черного цвета при условии обеспечения контраста с фоном местности. При наличии снега на посадочной площадке пограничные знаки могут быть в виде веток деревьев хвойных пород.

Поверхность пограничного знака ВПП окрашивается чередующимися поперечными полосами красного и белого цветов или черного и белого цветов.

16. Посадочная площадка оборудуется не менее чем одним ветроуказателем.

Ветроуказатель располагается таким образом, чтобы он был хорошо виден со всех точек летного поля. Он не должен затеняться зданиями, сооружениями и естественными препятствиями со всех направлений и свободно вращаться вокруг оси мачты.

Ветроуказатель должен иметь размеры не менее размеров, указанных в приложении N 3 к настоящим Правилам.

Ветроуказатель при полетах ночью должен быть освещен.

Цвет ветроуказателя выбирается таким образом, чтобы он контрастировал с окружающей местностью.

В тех случаях, когда для обеспечения необходимой контрастности ветроуказателя необходимо использовать сочетание двух цветов, используются сочетания оранжевого с белым, красного с белым или черного с белым. Цвета располагаются в виде пяти чередующихся полос таким образом, чтобы первая и последняя полосы имели более темный цвет.

17. На посадочной площадке устанавливаются поверхности ограничения препятствий в направлении полосы воздушных подходов, примыкающей к торцу ВПП и расположенной в направлении ее оси, в которой воздушные суда производят набор высоты после взлета и снижение при заходе на посадку (далее - полоса воздушных подходов), а также в стороны от границ БПБ.

Для посадочных площадок, используемых ночью, не предназначенных для захода на посадку по приборам, поверхности ограничения препятствий в плане посадочной площадки имеют форму трапеции, боковые стороны которой образуются линиями, расходящимися от края БПБ под углом 6° к оси ВПП, проходящими от внешней границы ТЗБ, а при ее отсутствии - от торца ВПП. Длина поверхности ограничения препятствий в направлении полосы воздушных подходов составляет 1500 м, начинается от торца ВПП и имеет угол наклона 3° к оси ВПП. Боковая поверхность ограничения препятствий начинается от края БПБ и имеет угол наклона к нему 20° до высоты 50 м, далее горизонтальный участок до расстояния от оси ВПП 120 м.

В случае если препятствия выходят за указанные поверхности ограничения, разрешается использование посадочных площадок днем для захода на посадку без использования приборов при условии, что владелец посадочной площадки включит описание препятствия в аэронавигационный паспорт посадочной площадки.

Для посадочных площадок, предназначенных для захода на посадку по приборам, поверхности ограничения препятствий в плане посадочной площадки имеют форму трапеции, боковые стороны которой образуются линиями, начинающимися на расстоянии 120 м в обе стороны от оси ВПП у ее торца и расходящимися под углом 9° к оси ВПП, проходящими от внешней границы ТЗБ. Длина поверхности ограничения препятствий в направлении полосы воздушных подходов составляет 3000 м, начинается от торца ТЗБ и имеет угол наклона 3° к оси ВПП. Боковая поверхность ограничения препятствий начинается от края БПБ и имеет угол наклона к нему 20° до высоты 50 м, далее горизонтальный участок до расстояния от оси ВПП 120 м.

Для посадочных площадок, оборудованных системами точного захода на посадку, применяются требования, установленные для аэродромов в зависимости от категории точного захода на посадку.

III. Требования к посадочным площадкам для вертолетов

18. На посадочной площадке должна быть предусмотрена зона приземления и отрыва (далее - зона TLOF), зона конечного этапа захода на посадку и взлета (далее - зона FATO) и зона безопасности.

19. Зона FATO может быть расположена на ВПП или РД посадочной площадки, предназначенной для самолетов, либо вблизи них.

20. Зона FATO может быть любой конфигурации и должна иметь размеры, позволяющие:

для вертолетов с максимальной взлетной массой более 3100 кг - поместить круг диаметром не менее диаметра, равному длине вертолета с вращающимися винтами (далее - D), для полетов которого предназначена данная посадочная площадка;

для вертолетов с максимальной взлетной массой 3100 кг и менее - поместить круг диаметром не менее 0,83D самого большого вертолета, для обслуживания которого предназначена данная посадочная площадка.

21. Средний уклон зоны FATO в любом направлении составляет не более 3%. Локальный уклон любой части зоны подхода, измеряемый по размеру колеи вертолета, не превышает 7%.

22. Поверхность зоны FATO должна быть свободной от препятствий и выдерживать воздействие струи несущего винта.

23. На посадочной площадке предусматриваются не менее одной зоны TLOF, которая может располагаться в пределах зоны FATO или вне ее.

Зона TLOF может быть любой конфигурации и должна иметь достаточные размеры, чтобы вместить круг диаметром 0,83D вертолета, для полетов которого рассчитана данная зона.

Уклоны зоны TLOF устанавливаются достаточными для предотвращения скопления воды на поверхности зоны, но не должны превышать 2% в любом направлении, если иное ограничение не указано в эксплуатационной документации на воздушное судно.

Зона TLOF должна выдерживать нагрузку, создаваемую воздушными судами, для посадки которых она рассчитана.

24. Вокруг зоны FATO располагается зона безопасности, поверхность которой не обязательно должна быть твердой.

В зоне безопасности не допускается наличие предметов, которые в силу их функционального назначения не должны располагаться в этой зоне.

Объекты, которые в силу их функционального назначения необходимо размещать в зоне безопасности, должны быть ломкими объектами и не выше 0,25 метров. Если они располагаются вдоль границы зоны FATO, то они не должны выходить за пределы плоскости, берущей начало на высоте 0,25 метров над границей зоны FATO и восходящей в сторону от зоны FATO с градиентом 5%.

Зона безопасности, окружающая зону FATO, предназначенную для использования вертолетами в визуальных метеорологических условиях, простирается за пределы контура зоны FATO на расстояние 0,5D вертолета, для обслуживания которого рассчитана посадочная площадка.

В случае:

если зона FATO имеет форму четырехугольника, каждая внешняя сторона зоны безопасности должна быть не менее 2D;

если зона FATO имеет форму окружности, диаметр зоны безопасности должен быть не менее 2D.

Зона безопасности, окружающая зону FATO, предназначенную для полетов вертолетов в приборных метеорологических условиях, должна иметь размеры в поперечном направлении, не менее 45 м с каждой стороны от осевой линии и в продольном направлении, не менее 60 м от границ зоны FATO.

Восходящий уклон поверхности зоны безопасности, когда она является твердой, в направлении от границы зоны FATO не должен превышать 4%.

25. На посадочной площадке обеспечивается, чтобы препятствия со стороны зоны FATO не были выше боковой поверхности ограничения препятствий, простирающейся с восходящим уклоном 45° от границы зоны безопасности до высоты 10 м.

26. В тех случаях, когда рельеф местности или препятствия делают невозможным осуществление взлета и посадки в двух направлениях, допускается устройство посадочных площадок со стартом в одну сторону. В таких случаях расстояние от торца посадочной площадки, включая зону безопасности, до препятствий, перекрывающих второе направление полосы воздушных подходов, должно быть не менее 2D.

При применении криволинейной траектории набора высоты и снижения зона, свободная от препятствий, должна обеспечивать возможность осуществления начала разворота при взлете и завершения разворота при посадке на высоте не менее 30 м для всех классов летно-технических характеристик вертолетов.

27. Место стоянки вертолета обозначается согласно приложению N 4 к настоящим Правилам и должно иметь размеры, достаточные для того, чтобы поместить круг диаметром, равным величине 1,2D вертолета, для которого планируется использовать место стоянки.

Если место стоянки используется для разворота вертолета:

а) вокруг него располагается защитная зона, которая простирается в стороны на расстояние 0,4D от границы места стоянки;

б) минимальный размер места стоянки и защитной зоны должен быть не менее 2D.

Если на посадочной площадке предусматривается одновременное маневрирование вертолетов над местами стоянок, защитные зоны мест стоянки вертолетов и связанные с ними маршруты руления не перекрываются.

Если предусматривается неодновременное маневрирование вертолетов над местами стоянок, допускается перекрытие защитных зон мест стоянки вертолетов и связанных с ними маршрутов руления.

Если место стоянки вертолета предназначено для руления по земле вертолетов, имеющих шасси с колесами, его размеры должны учитывать минимальный радиус разворота вертолетов, для размещения которых предназначено место стоянки.

Если место стоянки вертолета используется для сквозного руления по земле, то минимальная ширина места стоянки и соответствующей защитной зоны должна быть не менее ширины наземного маршрута руления.

28. Центральная зона места стоянки вертолета должна выдерживать статическую нагрузку и нагрузку, обусловленную движением вертолетов, для обслуживания которых она предназначена и должна иметь:

а) диаметр не менее 0,83D вертолета, для обслуживания которого она предназначена;

б) ширину не менее ширины наземной РД для руления по земле, если место стоянки вертолета предназначено для выполнения сквозного руления по земле.

Допускается совмещение зоны TLOF и места стоянки.

Уклон места стоянки вертолета в любую сторону не должен превышать 2%, если иное не предусмотрено эксплуатационной документацией воздушного судна.

29. Места хранения вертолетов, на которых не будет производиться запуск двигателей, должны иметь размеры, необходимые для безопасного хранения вертолетов.

30. Ширина наземной РД для руления по земле равняется не менее 1,5 размера колеи вертолета, для обслуживания которого предназначена РД.

31. Пространство над РД для руления по земле освобождается от препятствий в каждую сторону от осевой линии на расстояние не менее 0,75D вертолета, для руления которого предназначена РД.

Продольный уклон РД для руления по земле вертолетов не должен превышать 3%, поперечный уклон не более 2%.

На РД для руления по земле вертолетов не допускается наличие каких-либо объектов, за исключением ломких объектов, которые вследствие своего функционального назначения должны там находиться.

РД для руления вертолетов по земле должна быть оборудована таким образом, чтобы исключить воздействие незакрепленных предметов на вертолет.

РД, предназначенные для руления по земле вертолетами и самолетами, должны соответствовать наиболее строгим требованиям к РД для самолетов и к РД для руления по земле вертолетов.

32. Ширина РД для руления по воздуху должна быть не менее 2 размеров колеи наибольшего вертолета, для руления которого предназначена РД.

Пространство над РД для руления по воздуху освобождается от препятствий в каждую сторону от осевой линии РД на расстоянии не менее диаметра несущего винта вертолета, для руления которого предназначена РД, поверхность под указанным пространством должна быть пригодной для аварийной посадки и должна исключать повреждение вертолетов незакрепленными предметами.

Поперечный и продольный уклоны поверхности РД для руления по воздуху для вертолетов не должны превышать 10% и 7% соответственно или не должны превышать ограничений уклонов, установленных в эксплуатационной документации вертолетов, для руления которых рассчитана РД.

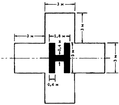
33. Вертолетные посадочные площадки с искусственным покрытием должны иметь опознавательную маркировку - букву "Н" белого цвета. На посадочных площадках при учреждениях здравоохранения наносят букву "Н" красного цвета на фоне белого креста.

Поперечная линия буквы "Н" должна быть расположена под прямым углом к предпочтительному направлению конечного этапа захода на посадку. Размеры опознавательной маркировки должны быть не меньше размеров, указанных в приложении N 5 к настоящим Правилам.

Маркировка зоны FATO прямоугольной формы состоит из трех одинаковых маркировок, расположенных вдоль границы каждой стороны, включая угловые, через равные интервалы согласно приложению N 6 к настоящим Правилам. Если зона FATO имеет форму окружности или любую другую форму, минимальное количество маркировок, расположенных через равные интервалы, равно пяти. Белая линия маркировки границы зоны FATO должна быть шириной не менее 0,3 м.

Маркировка зоны TLOF должна быть обеспечена в том случае, если периметр зоны TLOF не является четко выраженным. Маркировка зоны TLOF состоит из непрерывной белой линии шириной не менее 0,3 м.

Маркировка точки приземления наносится таким образом, чтобы обеспечить нахождение вертолета на безопасном расстоянии от любого препятствия, если кресло пилота вертолета находится над маркировкой и представляет собой окружность желтого цвета с шириной линии не менее 0,5 м и внутренним диаметром равным 0,5D вертолета, для посадки которого предназначена зона приземления.

34. Вертолетные посадочные площадки без искусственного покрытия обозначаются согласно приложению N 7 к настоящим Правилам.

Знаки посадочной площадки без искусственного покрытия могут представлять собой дорожные сигнальные конусы или автопокрышки, окрашенные в контрастный цвет, или флажки.

В зимний период дорожные сигнальные конусы, автопокрышки и флажки могут быть заменены ветками деревьев хвойных пород.

35. На месте стоянки вертолетов с искусственным покрытием маркируется граница центральной зоны желтой или оранжевой линией шириной не менее 0,15 м.

Места стоянки, не имеющие искусственного покрытия, обозначаются четырьмя дорожными сигнальными конусами, автопокрышками или флажками, расположенными по углам квадрата, в который может быть вписан круг, размером 1,2D вертолета, для которого предназначена данная стоянка.

36. На искусственном покрытии осевые линии РД для руления по земле и РД для руления по воздуху маркируются пунктирной линией желтого или оранжевого цвета шириной 0,15 м и длиной 1,5 м с разрывами 3,0 м.

Маркировка маршрутов руления по воздуху над поверхностями без искусственного покрытия может быть выполнена флажками или дорожными сигнальными конусами или покрышками.

37. Посадочные площадки для вертолетов оборудуются ветроуказателем. Ветроуказатель должен иметь размеры не менее размеров, указанных в приложении N 3 к настоящим Правилам.

Цвет, расположение и конструкция ветроуказателя должны соответствовать требованиям пункта 16 настоящих Правил.

IV. Требования к посадочным площадкам, расположенным в акватории

38. Посадочные площадки, расположенные в акватории, оборудуются не менее, чем одним ветроуказателем, соответствующим требованиям пункта 16 настоящих Правил.

39. Участок акватории, предназначенный для взлета, должен иметь:

длину на 20% больше дистанции для взлета гидросамолета, установленной в руководстве по летной эксплуатации, для штиля;

ширину и глубину согласно руководству по летной эксплуатации воздушного судна.

40. В случае, если на посадочной площадке определено направление полосы воздушных подходов, акватория оборудуется оранжевыми или белыми буями.

41. На посадочной площадке необходимо иметь лодку со спасательными кругами для оказания помощи экипажам воздушных судов и их пассажирам.

42. На берегу в непосредственной близости от посадочной площадки, расположенной в акватории, должны быть оборудованы стоянки воздушных судов, причал для швартовки воздушных судов.

При стоянке воздушных судов на суше должны обеспечиваться подъем на берег и спуск на воду воздушного судна.

43. Для маркировки посадочной площадки на поверхности воды используются плавающие маркеры, удерживаемые на месте цепями или тросами (далее - буи) и маркеры, устанавливаемые на малой глубине на столбе.

44. Левая часть канала при движении к берегу, а также препятствия, которые следует обходить справа при движении к берегу, маркируются черными или зелеными буями.

Правая часть канала при движении к берегу, а также препятствия, которые следует обходить слева при движении к берегу, маркируются красными буями.

45. Для обозначения центра фарватера или канала используются полосатые черно-белые буи.

46. Для использования ночью наиболее важные буи освещаются или на них устанавливаются светоотражатели цвета, соответствующего окраске буя, за исключением черных буев, на которых используется огонь или светоотражатель белого или зеленого цвета.

Приложение N 1
к Правилам (пункт 13)

Рисунок. Входной маркер

Приложение N 2
к Правилам (пункт 14)

Рисунок. Пограничные знаки:
1 - усеченный конус; 2 - призма; 3 - флажок;
4 - дорожный сигнальный конус

Приложение N 3
к Правилам (пункты 16, 37)

Рисунок. Размеры ветроуказателя

Назначение посадочной площадкиа(м)б(м)в(м)
Для самолетов3,60,90,4
Для вертолетов2,40,60,3
Для сверхлегких воздушных судов1,00,30,15

Приложение N 4
к Правилам (пункт 27)

Рисунок. Маркировка места стоянки. Форма и размеры (м) цифр и буквы маркировки

Приложение N 5
к Правилам (пункт 33)

Рисунок. Опознавательная маркировка посадочной площадки при учреждении здравоохранения

Приложение N 6
к Правилам (пункт 33)

Рисунок. Схема маркировки посадочной площадки с искусственным покрытием

Приложение N 7
к Правилам (пункт 34)

Рисунок. Обозначение рабочей площади вертолетной посадочной площадки без искусственного покрытия:
1 - рабочая площадь посадочной площадки;
2 - усеченный конус или призма;
3 - флажки-ориентиры или дорожный сигнальный конус или автопокрышки