Единая система конструкторской документации. Текстовые документы. ГОСТ 2.106-96

(утв. Постановлением Госстандарта РФ от 13.11.96 N 620)
Редакция от 13.11.1996 — Документ не действует
Показать изменения

МЕЖГОСУДАРСТВЕННЫЙ СТАНДАРТ

ЕДИНАЯ СИСТЕМА КОНСТРУКТОРСКОЙ ДОКУМЕНТАЦИИ

ТЕКСТОВЫЕ ДОКУМЕНТЫ

Unified system for design documentation. Textual documents

ГОСТ 2.106-96

Дата введения 1997-07-01

Предисловие

1 РАЗРАБОТАН Всероссийским научно-исследовательским институтом стандартизации и сертификации в машиностроении (ВНИИНМАШ) Госстандарта России

ВНЕСЕН Госстандартом Российской Федерации

2 ПРИНЯТ Межгосударственным Советом по стандартизации, метрологии и сертификации (12 апреля 1996 г. N 9-96)

За принятие проголосовали:

Наименование государства Наименование национального органа по стандартизации
Азербайджанская Республика Азгосстандарт
Республика Армения Армгосстандарт
Республика Казахстан Госстандарт Республики Казахстан
Киргизская Республика Киргизстандарт
Республика Молдова Молдовастандарт
Российская Федерация Госстандарт России
Республика Таджикистан Таджикский государственный центр по стандартизации, метрологии и сертификации
Туркменистан Туркменглавгосинспекция
Украина Госстандарт Украины

3 Постановлением Комитета Российской Федерации по стандартизации, метрологии и сертификации от 13 ноября 1996 г. N 620 межгосударственный стандарт ГОСТ 2.106-96 введен в действие в качестве государственного стандарта Российской Федерации с 1 июля 1997 г.

4 ВЗАМЕН ГОСТ 2.106-68, ГОСТ 2.108-68, ГОСТ 2.112-70

1 ОБЛАСТЬ ПРИМЕНЕНИЯ

Настоящий стандарт устанавливает формы и правила выполнения следующих конструкторских документов изделий машиностроения и приборостроения:

- спецификации;

- ведомости спецификации (ВС);

- ведомости ссылочных документов (ВД);

- ведомости покупных изделий (ВП);

- ведомости разрешения применения покупных изделий (ВИ);

- ведомости держателей подлинников (ДП);

- ведомости технического предложения (ПТ);

- ведомости эскизного проекта (ЭП);

- ведомости технического проекта (ТП);

- пояснительной записки (ПЗ);

- программы и методики испытаний (ПМ);

- таблиц (ТБ);

- расчетов (РР);

- инструкций (И);

- документов прочих (Д).

Примечание - Вышеуказанные документы, содержащие данные о двух и более изделиях, могут быть выполнены групповым или базовым способами по ГОСТ 2 113.

2 НОРМАТИВНЫЕ ССЫЛКИ

В настоящем стандарте использованы ссылки на следующие стандарты:

ГОСТ 2.004-88 ЕСКД. Общие требования к выполнению конструкторских и технологических документов на печатающих и графических устройствах ЭВМ

ГОСТ 2.102-68 ЕСКД. Виды и комплектность конструкторских документов

ГОСТ 2.104-68 ЕСКД. Основные надписи

В связи с утратой силы ГОСТ 2.104-68, следует руководствоваться принятым взамен ГОСТ 2.104-2006

ГОСТ 2.113-75 ЕСКД. Групповые и базовые конструкторские документы

ГОСТ 2.124-85 ЕСКД. Порядок применения покупных изделий

ГОСТ 2.301-68 ЕСКД. Форматы

ГОСТ 2.601-95 ЕСКД. Эксплуатационные документы

ГОСТ 2.602-95 ЕСКД. Ремонтные документы

ГОСТ 3.1201-85 ЕСТД. Система обозначения технологической документации

3 СПЕЦИФИКАЦИЯ

3.1 Спецификацию составляют на отдельных листах на каждую сборочную единицу, комплекс и комплект на формах 1 и 1а приложения А.

3.2 В спецификацию вносят составные части, входящие в специфицируемое изделие, а также конструкторские документы, относящиеся к этому изделию и к его неспецифицируемым составным частям.

3.3 Спецификация в общем случае состоит из разделов, которые располагают в следующей последовательности:

- документация;

- комплексы;

- сборочные единицы;

- детали;

- стандартные изделия;

- прочие изделия;

- материалы;

- комплекты.

Наличие тех или иных разделов определяется составом специфицируемого изделия. Наименование каждого раздела указывают в виде заголовка в графе "Наименование" и подчеркивают.

Допускается объединять разделы "Стандартные изделия" и "Прочие изделия" под наименованием "Прочие изделия". Запись изделий в этом случае производят в соответствии с требованиями 3.7.

3.4 В раздел "Документация" вносят документы, составляющие основной комплект конструкторских документов специфицируемого изделия, кроме его спецификации, ведомости эксплуатационных документов и ведомости документов для ремонта, а также документы основного комплекта записываемых в спецификацию неспецифицируемых составных частей (деталей), кроме их рабочих чертежей.

Документы внутри раздела записывают в следующей последовательности:

- документы на специфицируемое изделие;

-документы на неспецифицируемые составные части.

Документы в каждой части раздела записывают в порядке, изложенном в 3.5, а в пределах обозначения изделия - в последовательности, в которой они перечислены в ГОСТ 2.102 (таблица 3).

Эксплуатационные и ремонтные документы записывают в той последовательности, в которой они перечислены в ГОСТ 2.601 и ГОСТ 2.602.

Листы утверждения (при их наличии) записывают после документа, к которому они разработаны.

3.5 В разделы "Комплексы", "Сборочные единицы" и "Детали" вносят комплексы, сборочные единицы и детали, непосредственно входящие в специфицируемое изделие. Запись указанных изделий рекомендуется производить в алфавитном порядке сочетания букв кодов организаций-разработчиков.

В пределах этих кодов - в порядке возрастания классификационной характеристики, при одинаковой классификационной характеристике - по возрастанию порядкового регистрационного номера.

3.6 В разделе "Стандартные изделия" записывают изделия, примененные по стандартам:

- межгосударственным;

- государственным;

- отраслевым;

- предприятий (для вспомогательного производства, инициативных разработок или если их применение установлено договором на разработку изделия.

В пределах каждой категории стандартов запись рекомендуется производить по группам изделий, объединенных по их функциональному назначению (например подшипники, крепежные изделия, электротехнические изделия и т. п.), в пределах каждой группы - в алфавитном порядке наименований изделий, в пределах каждого наименования - в порядке возрастания обозначений стандартов, а в пределах каждого обозначения стандарта - в порядке возрастания основных параметров или размеров изделия.

3.7 В раздел "Прочие изделия" вносят изделия, примененные по техническим условиям. Запись изделий рекомендуется производить по группам, объединенным по их функциональному назначению; в пределах каждой группы - в алфавитном порядке наименований изделий, а в пределах каждого наименования - в порядке возрастания основных параметров или размеров изделия.

3.8 В раздел "Материалы" вносят все материалы, непосредственно входящие в специфицируемое изделие.

Материалы рекомендуется записывать по видам в следующей последовательности:

- металлы черные;

- металлы магнитоэлектрические и ферромагнитные;

- металлы цветные, благородные и редкие;

- кабели, провода и шнуры;

- пластмассы и пресс-материалы;

- бумажные и текстильные материалы;

- лесоматериалы;

- резиновые и кожевенные материалы;

- минеральные, керамические и стеклянные материалы;

- лаки, краски, нефтепродукты и химикаты;

- прочие материалы.

В пределах каждого вида материала рекомендуется записывать в алфавитном порядке наименований, а в пределах каждого наименования - по возрастанию размеров или других технических параметров.

В раздел "Материалы" не записывают материалы, необходимое количество которых не может быть определено конструктором по размерам элементов изделия и вследствие этого устанавливается технологом. К таким материалам относят, например: лаки, краски, клей, смазки, замазки, припои, электроды. Указание о применении таких материалов дают в технических требованиях на поле чертежа.

3.9 В раздел "Комплекты" вносят ведомость эксплуатационных документов, ведомость документов для ремонта и применяемые по конструкторским документам комплекты, которые непосредственно входят в специфицируемое изделие и поставляются вместе с ним, а также упаковку, предназначенную для изделия, и записывают их в следующей последовательности:

- ведомость эксплуатационных документов;

- ведомость документов для ремонта;

- комплект монтажных частей;

- комплект сменных частей;

- комплект запасных частей;

- комплект инструмента и принадлежностей;

- комплект укладочных средств;

- прочие комплекты (за присвоенными им наименованиями);

- упаковка.

Если комплектов одного и того же наименования несколько, то их записывают в пределах одного наименования в порядке возрастания обозначений.

Если в состав комплекта входит не более трех наименований, то спецификацию комплекта можно не составлять, а изделия, входящие в комплект, должны быть записаны непосредственно в спецификацию соответствующего изделия в разделе "Комплекты". При этом наименование комплекта, к которому относятся вносимые в спецификацию изделия, записывают в графу "Наименование" в виде заголовка и не подчеркивают.

3.10 Спецификацию комплекта монтажных частей составляют на комплект монтажных частей изделий и материалов, предназначенных для связи составных частей комплекса между собой и монтажа комплекса или сборочной единицы на месте эксплуатации.

3.11 В спецификацию комплекта сменных частей вносят изделия, предусматриваемые для переналадки изделия в эксплуатации (сменные зубчатые колеса, объективы, шунты к амперметру и т. п.).

3.12 В спецификацию комплекта запасных частей вносят изделия и материалы, необходимые для замены пришедших в негодность соответствующих составных частей изделия при эксплуатации.

3.13 В спецификацию комплекта инструмента и принадлежностей вносят инструмент, принадлежности, приспособления и материалы, используемые при эксплуатации изделия.

Запись по разделам можно производить в следующей последовательности:

- инструмент;

- принадлежности;

- приспособления;

- материалы.

В пределах каждого раздела, кроме раздела "Материалы", запись производят в порядке, указанном в 3.5, 3.6 (для стандартного инструмента) в разделе "Материалы" - в порядке, указанном в 3.8.

3.14 В спецификацию комплекта укладочных средств вносят изделия (шкафы, ящики, сумки, чехлы, футляры, папки, переплеты), предназначенные для использования при эксплуатации изделия.

3.15 В спецификацию упаковки вносят изделия и материалы, необходимые для упаковывания изделия.

3.16 Если комплекты поставляют отдельно от изделия, для которого они предназначены, то в спецификацию изделия их не записывают. При необходимости в конце спецификации изделия помещают примечание, в котором приводят обозначения всех спецификаций комплектов, которые предназначены для эксплуатации и ремонта соответствующего количества экземпляров (групп) данного изделия, но поставляемых отдельно от него.

3.17 Графы спецификации заполняют следующим образом:

- в графе "Формат" указывают форматы документов, обозначения которых записывают в графе "Обозначение". Если документ выполнен на нескольких листах различных форматов, то в графе "Формат" проставляют "звездочку" со скобкой, а в графе "Примечание" перечисляют все форматы в порядке их увеличения.

Для документов, записанных в разделе "Стандартные изделия", "Прочие изделия" и "Материалы", графу "Формат" не заполняют.

Для деталей, на которые не выпущены чертежи, в графе "Формат" указывают БЧ.

Для документов, изданных типографским, литографским и подобными способами на форматах, предусмотренных соответствующими государственными стандартами для типографских изданий, в графе "Формат" ставят прочерк;

- в графе "Зона" указывают обозначение зоны, в которой находится номер позиции записываемой составной части (при разбивке поля чертежа на зоны по ГОСТ 2.104).

Если имеются повторяющиеся номера позиций, то в спецификации в графе "Зона" проставляют "звездочку" со скобкой, а в графе "Примечание" указывают все зоны;

- в графе "Поз." указывают порядковые номера составных частей, непосредственно входящих в специфицируемое изделие, в последовательности записи их в спецификации. Для разделов "Документация", "Комплекты" графу "Поз." не заполняют;

- в графе "Обозначение" указывают:

в разделе "Документация" - обозначение записываемых документов;

в разделе "Комплексы", "Сборочные единицы", "Детали", "Комплекты" - обозначение основных конструкторских документов на записываемые в эти разделы изделия. Для деталей, на которые не выпущены чертежи,- присвоенное им обозначение.

В разделах "Стандартные изделия", "Прочие изделия" и "Материалы" графу "Обозначение" не заполняют. Если для изготовления стандартного изделия выпущена конструкторская документация, в графе "Обозначение" указывают обозначение выпущенного основного конструкторского документа:

- в графе "Наименование" указывают:

в разделе "Документация" для документов, входящих в основной комплект документов специфицируемого изделия и составляемых на данное изделие,- только наименование документов, например:

"Сборочный чертеж", "Габаритный чертеж", "Технические условия". Для документов на неспецифицированные составные части - наименование изделия и наименование документа;

в разделах спецификации "Комплексы", "Сборочные единицы", "Детали", "Комплекты" - наименования изделий в соответствии с основной надписью на основных конструкторских документах этих изделий. Для деталей, на которые не выпущены чертежи, указывают наименование, материал и другие данные, необходимые для изготовления;

в разделе "Стандартные изделия" - наименования и обозначения изделий в соответствии со стандартами на эти изделия;

в разделе "Прочие изделия" - наименования и условные обозначения изделий в соответствии с документами на их поставку с указанием обозначений этих документов.

Если изделие применено по документу, содержащему ссылку на другой (общий) документ (например на общие технические условия), то в графе "Наименование" записывают только обозначение первого документа (общий документ не указывают);

в разделе "Материалы" - обозначения материалов, установленные в стандартах или технических условиях на эти материалы.

Для записи ряда изделий и материалов, отличающихся размерами и другими данными и примененных по одному и тому же документу (и записываемых в спецификацию за обозначением этого же документа), допускается общую часть наименования этих изделий или материалов с обозначением указанного документа записывать на каждом листе спецификации один раз в виде общего наименования (заголовка). Под общим наименованием записывают для каждого из указанных изделий и материалов только их параметры и размеры.

Примечание - Указанным упрощением не допускается пользоваться, если основные параметры или размеры изделия обозначают только одним числом или буквой. Для подобных случаев запись производят следующим образом.

Шайбы ГОСТ 18123

Шайба 3

Шайба 4

и т. д.;

- в графе "Кол." указывают:

для составных частей изделия, записываемых в спецификацию, количество их на одно специфицируемое изделие;

в разделе "Материалы" - общее количество материалов на одно специфицируемое изделие с указанием единиц измерения. Допускается единицы измерения записывать в графе "Примечание" в непосредственной близости от графы "Кол.".

В разделе "Документация" графу не заполняют;

- в графе "Примечание" указывают дополнительные сведения для планирования и организации производства, а также другие сведения, относящиеся к записанным в спецификацию изделиям, материалам и документам, например, для деталей, на которые не выпущены чертежи,- массу.

Для документов, выпущенных на двух и более листах различных форматов, указывают обозначение форматов, перед перечислением которых проставляют знак "звездочки", например, *) А4, A3.

3.18 После каждого раздела спецификации допускается оставлять несколько свободных строк для дополнительных записей (в зависимости от стадии разработки, объема записей и т. п.). Допускается резервировать и номера позиций, которые проставляют в спецификацию при заполнении резервных строк.

3.19 Допускается совмещение спецификации со сборочным чертежом при условии их размещения на листе формата А4 (ГОСТ 2.301). При этом ее располагают над основной надписью и заполняют в том же порядке и по той же форме, что и спецификацию, выполненную на отдельных листах.

Для изделий вспомогательного производства и единичного производства разового изготовления допускается совмещение спецификации со сборочным чертежом на листах любого формата, установленного ГОСТ 2.301. Правила выполнения и обращения таких совмещенных документов устанавливают в отраслевых стандартах. Совмещенному документу присваивают обозначение основного конструкторского документа. Основную надпись выполняют по ГОСТ 2.104 (форма 1).

Для изделий, разрабатываемых по заказам Министерства обороны, совмещение спецификации со сборочным чертежом на любых форматах, кроме А4, не допускается.

Примечание - Допущение о совмещении спецификации со сборочным чертежом (кроме выполненных на формате А4) принимается разработчиком по согласованию с заказчиком (при его наличии).

3.20 Спецификацию изделий при плазовом методе производства составляют по формам 2 и 2а приложения А.

Графы "Формат", "Зона", "Поз.", "Обозначение", "Кол." и "Примечание" заполняют по правилам, указанным для формы 1.

В графе "Наименование" в разделе "Детали" для деталей, на которые не выпущены чертежи, указывают только наименование деталей. В остальных разделах графу заполняют аналогично правилам, указанным для формы 1.

Графы "Масса" и "Материал" заполняют следующим образом:

- в графе "Масса" указывают:

для деталей, на которые не выпущены чертежи,- массу одной детали;

для материалов - массу материала на данное специфицируемое изделие;

- в графе "Материал" для деталей, на которые не выпущены чертежи, указывают обозначения материалов, установленные в стандартах и технических условиях на эти материалы.

Примечание - Для деталей, на которые выпущены чертежи, графы "Масса" и "Материал" заполнять не допускается.

4 ВЕДОМОСТЬ СПЕЦИФИКАЦИЙ

4.1 ВС составляют на формах 3 и 3а приложения А.

В ВС записывают:

- спецификацию изделия;

- спецификации составных частей изделия;

- спецификации комплектов.

В ВС не перечисляют спецификации составных частей изделия, на которые имеются свои ВС. В этом случае в конце ВС изделия дают ссылку на ВС входящих составных частей.

4.2 Заполняют ВС по разделам в следующей последовательности:

- сборочные единицы;

- комплекты.

В раздел "Сборочные единицы" записывают спецификации сборочных единиц, входящих в состав изделия, на которое составляют ВС.

В раздел "Комплекты" записывают спецификации комплектов (монтажных частей, сменных частей, запасных частей, инструмента и принадлежностей, укладок, тары и пр.).

Наименование разделов не указывают. Порядок записи спецификаций в разделы "Сборочные единицы" и "Комплекты" аналогичен установленному в разделе 3.

4.3 Графы ВС заполняют следующим образом:

- в графе "Обозначение" указывают обозначения спецификаций;

- в графе "Наименование" указывают наименования изделий в соответствии со спецификациями;

- в графе "Куда входит обозначение" указывают обозначения спецификаций, в которые непосредственно записана составная часть изделия.

Порядок записи спецификаций аналогичен установленному в разделе 3:

- в графе "Куда входит, кол." указывают количество составных частей изделия, входящих в каждую спецификацию, записанную в графе "Куда входит, обозначение".

Если составная часть непосредственно входит в изделие, на которое составляют ВС, то графы "Куда входит, обозначение" и "Куда входит, кол." допускается не заполнять;

- в графе "Общее кол." указывают общее количество составных частей, входящих в изделие, на которое составляют ведомость спецификаций, по каждой спецификации, записанной в графе "Куда входит, обозначение".

Если записываемая составная часть входит в изделие, на которое составляют ВС, и (или) в его составные части, то в этой графе указывают (под итоговой чертой) общее количество составных частей, входящих в изделие;

- в графе "Примечание" указывают дополнительные сведения.

5 ВЕДОМОСТЬ ССЫЛОЧНЫХ ДОКУМЕНТОВ

5.1 ВД составляют на формах 4 и 4а приложения А. В ВД перечисляют документы, на которые имеются ссылки в конструкторских документах изделия, например:

- отраслевые стандарты и стандарты предприятий;

- технические условия на покупные изделия и материалы;

- технологические инструкции, устанавливающие отдельные требования к изделию (к покрытию, термообработке, сварке, гравировке и т. п.).

Примечание - Документы, обозначения которых записаны в графу "Обозначение" спецификаций и ведомости эксплуатационных документов, к ссылочным документам не относятся.

5.2 Запись ссылочных документов в ВД производят по разделам в следующей последовательности:

- документы предприятий;

- отраслевые документы;

- государственные документы;

- межгосударственные документы.

Примечание - Государственные стандарты в разделы "Государственные документы" и "Межгосударственные документы" записывают при условии, что полный комплект конструкторских документов изделия подлежит отправке за границу.

Наименование разделов записывают в виде заголовков в графе "Наименование" и подчеркивают. В каждом разделе документы рекомендуется группировать по видам в следующей последовательности;

- стандарты;

- технические условия на покупные изделия и материалы;

- инструкции и т. п.

Документы одного вида рекомендуется записывать в порядке возрастания обозначений.

5.3 Графы ВД заполняют следующим образом;

- в графе "Обозначение" указывают обозначение документа;

- в графе "Наименование" указывают наименование документа.

5.4 В ВД комплекса не перечисляют ссылочные документы составных частей комплекса, на которые имеются свои ВД. В этом случае в конце ведомости дают ссылку на ВД входящих составных частей.

6 ВЕДОМОСТЬ ПОКУПНЫХ ИЗДЕЛИЙ

6.1 ВП составляют на основании всех спецификаций данного изделия на формах 5 и 5а приложения А. Запись покупных изделий производят по разделам. Наименование разделов устанавливают в зависимости от характера покупных изделий, вносимых в ведомость, записывают в виде заголовков в графе "Наименование" и подчеркивают, например: "Подшипник". "Резисторы".

6.2 В каждом разделе ВП рекомендуется записывать изделия по однородным группам, в пределах групп - в алфавитном порядке их наименований, в пределах каждого наименования - по типам и видам, в пределах типов и видов - в порядке возрастания размеров или других параметров.

6.3 Графы ВП записывают следующим образом:

- в графе "Наименование" указывают наименование и типоразмер изделия в соответствии с обозначением, установленным в документе на поставку.

При записи изделий одинакового наименования, отличающихся размерами или другими данными, допускается наименование этих изделий записывать на каждом листе ведомости покупных изделий один раз.

- в графе "Код продукции" указывают код продукции по классификатору продукции страны - разработчика конструкторской документации <*>;

<*> "Коды покупных изделий по классификаторам продукции других стран не указывают"

- в графе "Обозначение документа на поставку" указывают номер документа на поставку (стандарта, технических условий на изделия или другому документу, по которому поставляется изделие).

При записи нескольких изделий, поставляемых по одному документу, допускается обозначение документа записывать на каждом листе ведомости покупных изделий один раз;

- в графе "Поставщик" указывают наименование (адрес) предприятия -поставщика.

Графу заполняют по усмотрению разработчика;

- в графе "Куда входит (обозначение)" указывают обозначение спецификации изделия или его составных частей, в которые непосредственно входит записанное в ВП покупное изделие.

Эту графу допускается не заполнять.

Для изделий, входящих непосредственно в изделие, на которое составляют ВП, графу "Куда входит (обозначение)" допускается не заполнять, если ее заполняют для всех изделий, входящих в специфицированные составные части;

- в графе "Количество на изделие" указывают количество записанных в ВП покупных изделий, входящих в одно изделие, а также в состав набора подборных частей.

- в графе "Количество в комплекты" указывают количество покупных изделий, входящих в комплекты (монтажных частей, сменных частей, запасных частей, инструмента и принадлежностей, укладок, тары и пр.) или записанных в спецификациях изделия и его составных частей в разделе "Комплекты".

Количество покупных изделий, входящих в комплекты, записывают отдельной строкой для каждого комплекта при наличии в комплекте документов самостоятельных спецификаций на комплекты.

Когда ВП составляют на комплект запасных частей, инструмента и принадлежностей (ЗИП), поставляемый отдельно от изделия, для которого он предназначен, графу "Количество в комплекты" не заполняют, а количество покупных изделий указывают в графе "Количество на изделие" и повторяют в графе "Количество, всего";

- в графе "Количество на регулир." указывают количество изделий, которое амортизируется при регулировке и испытании одного изделия, записанного в графе "Куда входит (обозначение)". Количество изделий, как правило, выражают десятичной дробью, например, 0,2, которая обозначает, что требуется два изделия, записанных в ведомость покупных изделий, для регулировки 10 изделий, на которые составляют ведомость;

- в графе "Количество, всего" указывают общее количество изделий, записанных в графе "Количество на изделие", "Количество в комплекты" и "Количество на регулир.".

Если записанное в ВП покупное изделие входит в изделие и в одну или несколько составных частей изделия, то в графе "Количество, всего" указывают (под итоговой чертой) общее количество покупных изделий;

- в графе "Примечание" указывают дополнительные данные, например, единицы измерения (если записываемые изделия измеряются не в штуках).

6.4 При большом количестве разделов ВП допускается в начале первого (заглавного) листа в графе "Наименование" приводит перечень разделов данной ведомости с указанием в графе "Обозначение документа на поставку" номеров листов, на которых помещены эти разделы, например:

N строки Наименование Обозначение документа на поставку
1
2 Подшипники Листы 1-4
3
4 Резисторы Листы 4-10
5 и т. п
6

6.5 В ВП комплекса не перечисляют покупные изделия составных частей, на которые имеются свои ВП. В этом случае в конце ведомости дают ссылку на ВП входящих составных частей.

7 ВЕДОМОСТЬ РАЗРЕШЕНИЯ ПРИМЕНЕНИЯ ПОКУПНЫХ ИЗДЕЛИЙ

7.1 ВИ составляют по формам 6 и 6а приложения А на основании протокола разрешения применения покупных изделий. Протоколы разрешения к ВИ не прилагают.

7.2 В ВИ включают только те изделия, на которые оформлены "Протоколы разрешения применения покупных изделий" по ГОСТ 2.124.

7.3 Графы ВИ заполняют следующим образом:

- в графе "Наименование" указывают наименование, а также код или условное обозначение разрешенного к применению покупного изделия. Запись производят в порядке, установленном для "Ведомости покупных изделий";

- в графе "Обозначение документа" указывают обозначение технического документа, по которому поставляется изделие;

- в графе "Организация, выдавшая разрешение" указывают наименование предприятия (организации) изготовителя или держателя подлинника, от которого получено разрешение на применение покупного изделия;

- в графе "N протокола разрешения и дата" указывают номер и дату протокола разрешения, которым разрешено применение покупного изделия;

- в графе "Куда входит (обозначение)" указывают обозначение чертежа (схемы) изделия, а также при необходимости позицию или позиционное обозначение покупного изделия;

- в графе "Примечание" указывают дополнительные данные, относящиеся к записываемым покупным изделиям.

Примечание - Допускается не разрабатывать ведомость разрешения применения покупных изделий, в этом случае в ведомость покупных изделий (ВП) в графе "Примечание" приводят запись: "Протокол N … от …".

8 ВЕДОМОСТЬ ДЕРЖАТЕЛЕЙ ПОДЛИННИКОВ

8.1 ДП составляют на основании всех спецификаций и ведомостей ссылочных документов изделия по формам 7 и 7а.

8.2 В начале ведомости записывают комплект конструкторских и ссылочных документов, подлинники которых хранят на предприятии - держателе подлинника спецификации изделия, на которое составляется ДП.

Далее записывают документы, подлинники которых хранят на других предприятиях. Запись производят по разделам в следующей последовательности:

- документы на составные части изделия;

- документы ссылочные.

Наименование разделов записывают в виде заголовков в графе "Наименование" и подчеркивают.

В конце ДП указывают местонахождение подлинника ведомости технологических документов изделия (по ГОСТ 3.1201) головного предприятия изготовителя.

8.3 Комплект подлинников конструкторских и ссылочных документов, хранящихся на предприятии - держателе подлинника, записывают за обозначением основного конструкторского документа изделия, без перечисления входящих в него конструкторских и ссылочных документов.

8.4 В разделе "Документы на составные части изделия" указывают основные конструкторские документы составных частей изделия без перечисления входящих в них конструкторских и ссылочных документов.

Документы внутри раздела рекомендуется записывать в алфавитном порядке сочетания начальных букв кодов организаций-разработчиков, в пределах этих кодов - в порядке возрастания классификационной характеристики, при одинаковой классификационной характеристике - по возрастанию порядкового регистрационного номера.

8.5 В раздел "Документы ссылочные" записывают ссылочные документы, группируя их на подразделы: "Документы на покупные изделия" и "Документы ссылочные прочие".

В подразделе "Документы на покупные изделия" указывают документы, записанные в разделы "Стандартные изделия" и "Прочие изделия" спецификации, за исключением изделий, имеющих широкое потребление (крепежных изделий, красок, лаков, лопат и т. д.).

8.6 Графы ДП заполняют следующим образом:

- в графе "Обозначение" указывают обозначение документа;

- в графе "Наименование":

для комплекта конструкторских и ссылочных документов изделия, на которое составляют ДП, делают запись: "Распределитель РСТ-8. Комплект документов, за исключением записанных ниже;

для документов на составные части изделия приводят наименование изделия в соответствии с наименованием, указанным в основной надписи основного конструкторского документа;

для документов ссылочных приводят полное наименование ссылочных документов, например: "Покрытие керамической эмалью. Инструкция", "Переключатель типа ПТ. Технические условия";

- в графе "Кол. листов" указывают количество физических листов в комплекте документа на день составления ДП. Дату составления документа указывают в заголовке графы. Графу заполняют только для документов, подлинники которых хранят на предприятии - держателе подлинников основного конструкторского документа изделия, на которое составлено ДП. Последующие изменения количества листов ДП не вносят;

- в графе "Держатель подлинника" указывают наименование предприятия (организации) - держателя подлинника;

-в графе "Примечание" указывают, при необходимости, дополнительные сведения.

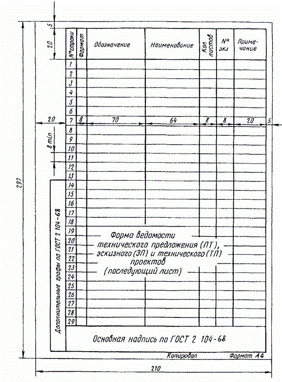
9 ВЕДОМОСТИ ТЕХНИЧЕСКОГО ПРЕДЛОЖЕНИЯ, ЭСКИЗНОГО И ТЕХНИЧЕСКОГО ПРОЕКТОВ

9.1 ПТ, ЭП и ТП составляют на формах 8 и 8а приложения А.

В ПТ, ЭП и ТП записывают все конструкторские документы, вновь разработанные для данного технического предложения, эскизного и технического проекта и примененные из других проектов и рабочей документации на ранее разработанные изделия. При этом записывают только те документы, которые являются необходимыми и достаточными для рассмотрения и утверждения данного проекта.

9.2 Запись документов в ПТ, ЭП и ТП производят по разделам в следующей последовательности:

- документация общая;

- документация по сборочным единицам.

Каждый раздел должен состоять из подразделов:

- вновь разработанная;

- примененная.

Наименования разделов и подразделов записывают в графе "Наименование" в виде заголовков. Наименования разделов подчеркивают.

9.3 В раздел "Документация общая" записывают документы, относящиеся к основному комплекту документов изделия.

В раздел "Документация по сборочным единицам" записывают документы, относящиеся к составным частям проектируемого изделия.

При наличии в техническом проекте деталей их записывают после сборочных единиц. Перед перечислением деталей помещают заголовок "Документация по деталям".

В подраздел "Вновь разработанная" записывают документы, разработанные для проектируемого изделия.

В подраздел "Примененные" записывают документы, примененные из других проектов и из рабочей документации других изделий.

Документы в каждом подразделе записывают в порядке, аналогичном установленному в разделе 3.

9.4 Документы технического предложения, эскизного и технического проектов комплектуют в папки, книги или альбомы.

9.5 Графы ПТ, ЭП, ТП заполняют следующим образом:

- в графе "формат" указывают формат, на котором выполнен документ. Если документ выполнен на нескольких листах различных форматов, то в графе проставляют "звездочку со скобкой", а в графе "Примечание" перечисляют все форматы в порядке их увеличения;

- в графе "Обозначение" указывают обозначение документа;

- в графе "Наименование" указывают:

- в разделе "Документация общая" наименование документов, например: "Чертеж общего вида", "Габаритный чертеж", "Пояснительная записка";

- в разделе "Документация по сборочным единицам" - наименование изделия и документа в соответствии с основной надписью, например "Гидроцилиндр. Чертеж общего вида", "Пульт управления. Габаритный чертеж", "Механизм подачи. Схема электрическая принципиальная";

- в графе "Кол. листов" указывают количество листов, на которых выполнен данный документ;

- в графе "N экз." указывают номер экземпляра копии данного документа. При отсутствии номеров экземпляров графу прочеркивают;

- в графе "Примечание" указывают дополнительные сведения.

10 ПОЯСНИТЕЛЬНАЯ ЗАПИСКА

10.1 ПЗ составляют на формах 9 и 9а приложения А, а необходимые схемы, таблицы и чертежи допускается выполнять на листах любых форматов, установленных ГОСТ 2.301, при этом основную надпись и дополнительные графы к ней выполняют в соответствии с требованиями ГОСТ 2.104 (форма 2а).

10.2 ПЗ в общем случае должна состоять из следующих разделов:

- введение (с указанием, на основании каких документов разработан проект);

- наименование и область применения проектируемого изделия;

- техническая характеристика;

- описание и обоснование выбранной конструкции с указанием, какие части заимствованы из ранее разработанных изделий;

- расчеты, подтверждающие работоспособность и надежность конструкции;

- описание организации работ с применением разрабатываемого изделия;

- ожидаемые технико-экономические показатели;

В зависимости от особенностей изделия отдельные разделы допускается объединять или исключать, а также вводить новые разделы.

11 ПРОГРАММА И МЕТОДИКА ИСПЫТАНИЙ

11.1 ПМ выполняют на формах 9 и 9а, необходимые схемы, таблицы и чертежи допускается выполнять на форматах A3 по ГОСТ 7301, при этом основную надпись и дополнительные графы к ней выполняют в соответствии с ГОСТ 2.104 (форма 1а).

11.2 ПМ может разрабатываться как на изделие в целом, так и на его составные части.

11.3 Содержание ПМ обеспечивает объективную оценку качества изделия.

11.4 ПМ в общем случае должна состоять из следующих разделов:

- общие положения;

- общие требования к условиям, обеспечению и проведению испытаний;

- требования безопасности;

- определяемые показатели (характеристики) и точность их измерения;

- режимы испытаний изделия;

- методы испытаний и (или) измерений;

- отчетность.

Примечание - В зависимости от особенностей изделия и специфики его испытаний допускается объединять или исключать отдельные разделы, а также включать в нее дополнительные разделы.

11.5 В разделе "Общие положения" помещают:

- наименование и обозначение изделия в соответствии с основным конструкторским документом;

- цель испытаний;

- вид (виды) испытаний, которым подвергается изделие;

- условия предъявления изделия на испытания (порядок отбора, количество, комплектность, документальное сопровождение при предъявлении);

- порядок взаимодействия предъявителя изделия с представителем заказчика и другими предприятиями, участвующими в испытаниях.

11.6 В разделе "Общие требования к условиям, обеспечению и проведению испытаний" помещают требованиям:

- к месту проведения испытаний (цех, лаборатория, полигон и т. п.);

- к средствам проведения испытаний (приспособлениям, стендам, измерительной и вычислительной технике и т. п.);

- к условиям проведения испытаний (состояние окружающей, искусственно создаваемой или моделируемой среды и т. п.);

- к основным и дублирующим видам топлива, масел, охлаждающей жидкости, газов и т. п.;

- к подготовке изделия к испытаниям;

- к порядку работы на изделии по завершении испытаний;

- к персоналу, осуществляющему подготовку к испытанию и испытание.

11.7 В разделе "Требования безопасности" помещают:

- требования безопасности при подготовке изделия к испытаниям;

- требования безопасности при проведении испытаний;

- требования безопасности при выполнении работ по завершению испытаний.

11.8 В разделе "Определяемые показатели (характеристики) и точность их измерений" помещают:

- перечень определяемых показателей (характеристик) с указанием наименования, обозначения (при наличии), единицы измерения;

- номинальные значения показателей (характеристик) и предельные отклонения от номинальной величины или пределы изменения;

- указания, на каких видах и на каких этапах видов испытаний определяются показатели (характеристики);

- перечень оборудования, материалов и реактивов (стенды, приборы, приспособления, оснастку, инструмент и др.) для определения каждого показателя;

- класс точности измерительного оборудования;

-допускаемую погрешность измерения (расчета) определяемых показателей;

- указания, по какой методике, инструкции или нормативному документу следует определять (измерять) показатель (характеристику);

- правила регулировки (настройки) в процессе подготовки изделия к испытаниям и (или) при испытаниях;

- формулы расчета для определения показателей (характеристик), которые не могут быть определены прямым или косвенным измерением.

11.9 В разделе "Режимы испытаний изделия" помещают:

- режимы испытаний изделия;

- ограничения и другие указания, которые необходимо выполнять на всех или на отдельных режимах испытаний;

- условия аннулирования и возобновления испытаний на всех или на отдельных режимах.

11.10 В разделе "Методы испытаний и (или) измерений показателей (характеристик)" помещают:

- схемы испытаний (измерений);

- описание метода испытаний (измерений);

- формулы расчета;

- номограммы, диаграммы, графики зависимости отдельных параметров изделия от состояния внешней среды, других параметров, необходимые для определения показателей (характеристик) изделия.

11.11 В разделе "Отчетность" помещают:

- перечень документов, в которых фиксируют результаты испытаний, измерений и анализов в процессе испытаний и по их завершению;

- правила оформления таких документов;

- правила хранения и рассылки отчетных документов.

11.12 Допускается выполнять ПМ испытаний отдельными частями, например:

ПМ - программа испытаний, в которой излагают содержание следующих разделов ПМ:

- общие положения;

- общие требования к условиям, обеспечению и проведению испытаний;

- отчетность.

ПМ1 - методика испытаний, в которой излагают содержание следующих разделов ПМ:

- определяемые показатели (характеристики) и точность их измерений;

- режимы испытаний изделий;

- методы испытаний и (или) измерений.

12 ТАБЛИЦЫ

12.1 Таблицы выполняют на формах 9 и 9а приложения А, допускается применять форматы A3 по ГОСТ 2.301, при этом основную надпись и дополнительные графы к ней выполняют в соответствии с требованиями ГОСТ 2.104 (формы 2 и 2а).

13 РАСЧЕТЫ

13.1 Расчеты выполняют на формах 9 и 9а приложения А, допускается применять форматы A3 по ГОСТ 2.301, при этом основную надпись и дополнительные графы к ней выполняют в соответствии с требованиями ГОСТ 2.104 (формы 2 и 2а).

13.2 Порядок изложения расчетов определяется характером рассчитываемых величин.

Расчеты в общем случае должны содержать:

- эскиз или схему рассчитываемого изделия;

- задачу расчета (с указанием, что требуется определить при расчете);

- данные для расчета;

- условия расчета;

- расчет;

- заключение.

Эскиз или схему допускается вычерчивать в произвольном масштабе, обеспечивающем четкое представление о рассчитываемом изделии.

14 ИНСТРУКЦИИ

14.1 Инструкции выполняют на формах 9 и 9а приложения А, допускается применять форматы A3 по ГОСТ 2.301, при этом основную надпись и дополнительные графы к ней выполняют в соответствии с требованиями ГОСТ 2.104 (формы 2 и 2а).

14.2 Порядок изложения инструкций определяется характером излагаемых требований.

15 ДОКУМЕНТЫ ПРОЧИЕ

15.1 Документы прочие выполняют на формах 9 и 9а приложения А, допускается применять формат A3 по ГОСТ 2.301, при этом основную надпись и дополнительные графы к ней выполняют в соответствии с требованиями ГОСТ 2.104 (формы 2 и 2а).

15.2 Порядок изложения документов прочих определяется характером излагаемых требований.

Примеры заполнения текстовых документов приведены в приложении Б (примеры выполнены на ЭВМ). Обозначения в примерах указаны условно.

ПРИЛОЖЕНИЕ А
(обязательное)

ФОРМЫ ТЕКСТОВЫХ ДОКУМЕНТОВ И ОСОБЕННОСТИ ИХ ВЫПОЛНЕНИЯ

Форма 1

Форма 1а

Форма 2

Форма 2а

Форма 3

Форма 3а

Форма 4

Форма 4 а

Форма 5

Форма 5а

Форма 6

Форма 6а

Форма 7

Форма 7а

Форма 8

Форма 8а

Форма 9

Форма 9а

ОСОБЕННОСТИ ВЫПОЛНЕНИЯ ФОРМ ТЕКСТОВЫХ ДОКУМЕНТОВ

1 Размеры граф по усмотрению разработчика, при необходимости, могут быть изменены, кроме размеров граф основных надписей и дополнительных граф к ним.

2 По усмотрению разработчика графа "Зона" в форме спецификации может быть исключена, если не затрудняется поиск составных частей на сборочном чертеже.

3 При заполнении форм текстовых документов машинописным способом горизонтальные строки не проводят.

4 При выполнении текстовых документов на ЭВМ следует руководствоваться требованиями ГОСТ 2.004.

ПРИЛОЖЕНИЕ Б
(информационное)

ПРИМЕРЫ ЗАПОЛНЕНИЯ ТЕКСТОВЫХ ДОКУМЕНТОВ

Пример заполнения спецификации

Форма 1

Форма 3

Пример заполнения ведомости ссылочных документов

Форма 4

Пример заполнения ведомости покупных изделий

Форма 5

Пример заполнения ведомости держателей подлинников

Форма 7

Пример заполнения ведомости эскизного проекта

Форма 8