Свод правил. Деревянные конструкции. Актуализированная редакция СНиП II-25-80. СП 64.13330.2011

(утв. Приказом Минрегиона РФ от 28.12.2010 N 826)
Редакция от 28.12.2010 — Документ не действует

Данный документ фактически утратил силу в связи с признанием утратившим силу Постановления Правительства РФ от 26.12.2014 N 1521.


СВОД ПРАВИЛ

ДЕРЕВЯННЫЕ КОНСТРУКЦИИ

TIMBER STRUCTURES

АКТУАЛИЗИРОВАННАЯ РЕДАКЦИЯ СНиП II-25-80

СП 64.13330.2011

Дата введения 2011-05-20

Предисловие

Цели и принципы стандартизации в Российской Федерации установлены Федеральным законом от 27 декабря 2002 г. N 184-ФЗ "О техническом регулировании", а правила разработки - постановлением Правительства Российской Федерации от 19 ноября 2008 г. N 858 "О порядке разработки и утверждения сводов правил".

Сведения о своде правил

1 ИСПОЛНИТЕЛИ - ЦНИИСК им. В.А.Кучеренко - институт ОАО "НИЦ "Строительство".

2 ВНЕСЕН Техническим комитетом по стандартизации ТК 465 "Строительство".

3 ПОДГОТОВЛЕН к утверждению Департаментом архитектуры, строительства и градостроительной политики.

4 УТВЕРЖДЕН приказом Министерства регионального развития Российской Федерации (Минрегион России) от 28 декабря 2010 г. N 826 и введен в действие с 20 мая 2011 г.

5 ЗАРЕГИСТРИРОВАН Федеральным агентством по техническому регулированию и метрологии (Росстандарт). Пересмотр СП 64.13330.2010.

Информация об изменениях к настоящему своду правил публикуется в ежегодно издаваемом информационном указателе "Национальные стандарты", а текст изменений и поправок - в ежемесячно издаваемых информационных указателях "Национальные стандарты". В случае пересмотра (замены) или отмены настоящего свода правил соответствующее уведомление будет опубликовано в ежемесячно издаваемом информационном указателе "Национальные стандарты". Соответствующая информация, уведомление и тексты размещаются также в информационной системе общего пользования - на официальном сайте разработчика (Минрегион России) в сети Интернет.

Введение

Настоящий свод правил составлен с целью повышения уровня безопасности в зданиях и сооружениях людей и сохранности материальных ценностей в соответствии с Федеральным законом от 30 декабря 2009 г. N 384-ФЗ "Технический регламент о безопасности зданий и сооружений", выполнения требований Федерального закона от 23 ноября 2009 г. N 261-ФЗ "Об энергосбережении и о повышении энергетической эффективности и о внесении изменений в отдельные законодательные акты Российской Федерации", повышения уровня гармонизации нормативных требований с европейскими и международными нормативными документами, применения единых методов определения эксплуатационных характеристик и методов оценки. Учитывались также требования Федерального закона от 22 июля 2008 г. N 123-ФЗ "Технический регламент о требованиях пожарной безопасности" и сводов правил системы противопожарной защиты.

Работа выполнена: лабораторией деревянных конструкций ЦНИИСК им. В.А.Кучеренко - института ОАО "НИЦ Строительство": канд. техн. наук А.А.Погорельцев (руководитель разработки), засл. деят. науки и техники РФ, д-р техн. наук, проф. Л.М.Ковальчук, д-р техн. наук С.Б.Турковский, кандидаты техн. наук И.П.Преображенская, Ю.Ю.Славик, А.Д.Ломакин, В.Н.Зигерн-Корн, инженеры М.А.Филимонов, П.Н.Смирнов, Д.С.Солоницын, А.В.Федченко, при участии д-ра техн. наук, проф. Д.К.Арленинова (МГСУ), д-ра техн. наук, проф. Е.Н.Серова (СПбГАСУ), д-ра техн. наук, проф. А.Я.Найчука ("Институт БелНИИС" - НТЦ).

1. Область применения

1.1. Настоящий свод правил распространяется на методы проектирования и расчета конструкций из цельной и клееной древесины (далее - ДК), применяемых в общественной, жилищной, промышленной и других отраслях строительства.

1.2. Нормы не распространяются на проектирование ДК гидротехнических сооружений, мостов, фундаментов и свай.

1.3. При проектировании деревянных конструкций следует предусматривать защиту их от увлажнения, биоповреждения, от коррозии (для конструкций, эксплуатируемых в условиях агрессивных сред) в соответствии с нормами по проектированию защиты строительных конструкций от коррозии и от воздействия огня в случае пожара.

1.4. Деревянные конструкции должны удовлетворять требованиям расчета по несущей способности (первая группа предельных состояний) и по деформациям, не препятствующим нормальной эксплуатации (вторая группа предельных состояний), с учетом характера и длительности действия нагрузок.

1.5. ДК следует проектировать с учетом особенностей изготовления, а также условий их эксплуатации, транспортирования и монтажа.

1.6. Долговечность ДК должна обеспечиваться конструктивными мерами в соответствии с указаниями раздела 8 настоящих норм и, в необходимых случаях, защитной обработкой, предусматривающей предохранение их от увлажнения, биоповреждения и возгорания. Декоративная отделка и огнезащитная обработка ДК должны выполняться, как правило, после устройства кровли.

1.7. ДК в условиях постоянного или периодического длительного нагрева допускается применять, если температура окружающего воздуха не превышает 50 °С. Для конструкций из клееной древесины температура выше 35 °С допускается при влажности не менее 50%.

2. Нормативные ссылки

В настоящем СП использованы ссылки на нормативные документы, перечень которых приведен в приложении А.

Примечание - При пользовании настоящим сводом правил целесообразно проверить действие ссылочных стандартов и классификаторов в информационной системе общего пользования - на официальном сайте национального органа Российской Федерации по стандартизации в сети Интернет или по ежегодно издаваемому указателю "Национальные стандарты", который опубликован по состоянию на 1 января текущего года, и по соответствующим ежемесячно издаваемым информационным указателям, опубликованным в текущем году. Если ссылочный документ заменен (изменен), то при пользовании настоящим сводом правил следует руководствоваться замененным (измененным) документом. Если ссылочный документ отменен без замены, то положение, в котором дана ссылка на него, применяется в части, не затрагивающей эту ссылку.

3. Термины и определения

В настоящем СП применены термины и определения по ГОСТ 8486 и другим нормативным документам, на которые даны ссылки в тексте.

4. Материалы

4.1. Для изготовления деревянных конструкций следует применять древесину преимущественно хвойных пород. Древесину твердых лиственных пород следует использовать для нагелей, подушек и других деталей.

Примечание - Для конструкций деревянных опор воздушных линий электропередачи следует применять древесину сосны и лиственницы, а для конструкций опор линий электропередачи напряжением 35 кВ и ниже, за исключением элементов стоек и приставок, заглубленных в грунт, и траверс, допускается применять древесину ели и пихты.

4.2. Качество древесины, используемой для элементов несущих ДК, должно соответствовать требованиям ГОСТ 8486, ГОСТ 2695, ГОСТ 9462, ГОСТ 9463, а также дополнительным требованиям, указанным в приложении Б.

Прочность древесины соответствующих сортов (классов) должна быть не ниже нормативных сопротивлений, приведенных в приложении В.

4.3. В зависимости от температурно-влажностных условий эксплуатации (классов) должны предъявляться требования к максимальным значениям эксплуатационной влажности древесины и учитываться зависимость ее прочности от этих значений.

Классификация условий эксплуатации приведена в таблице 1, а особенности ее учета при проектировании и изготовлении конструкций - в приложении Г, таблица Г.2.

Таблица 1

Классы условий эксплуатации Эксплуатационная влажность древесины, % Максимальная влажность воздуха при температуре 20 °С, %
до 8 40
1 8-12 65
2 до 15 75
3 до 20 8
4 более 20 более 85

Примечания.

1. Допускается в качестве "эксплуатационной" принимать "равновесную" влажность древесины (рисунок Г1).

2. Допускается кратковременное превышение максимальной влажности в течение 2-3 недель в году.

4.4. Клееные деревянные конструкции должны соответствовать ГОСТ 20850. Не допускается применение клееных деревянных конструкций для класса эксплуатации 1А (относительная влажность воздуха ниже 45% при температуре до 35 °С).

4.5. В конструкциях из цельной древесины, эксплуатируемых в условиях классов эксплуатации 2, 3 и 4, когда усушка древесины не вызывает расстройства или увеличения податливости соединений, допускается применять древесину с влажностью до 40% при условии ее защиты от гниения.

4.6. Древесина нагелей, вкладышей и других деталей должна быть прямослойной, без сучков и других пороков, влажность древесины не должна превышать 12%. Такие детали из древесины малостойких в отношении загнивания пород (береза, бук) должны подвергаться антисептированию.

4.7. Величину сбега круглых лесоматериалов при расчете элементов конструкций следует принимать равной 0,8 см на 1 м длины, а для лиственницы - 1 см на 1 м длины.

4.8. Древесина слоистая из клееного шпона (LVL) используется в строительстве для несущих конструкций в основном из однонаправленного шпона и для несущих ограждающих конструкций - когда часть слоев шпона в перпендикулярном направлении.

4.9. Для клееных фанерных конструкций следует применять фанеру марки ФСФ по ГОСТ 3916.1 и ГОСТ 3916.2, а также фанеру бакелизированную марки ФБС по ГОСТ 11539.

4.10. Плотность древесины, включая клееную, фанеры и материала из однонаправленного шпона для определения собственного веса конструкций при расчете следует принимать по приложению Д.

4.11. Клеи для склеивания древесины, LVL и фанеры в клееных деревянных конструкциях должны назначаться в соответствии с таблицей 2. Клеи для вклеивания арматурных стержней см. в разделе 7 настоящих правил.

Таблица 2

Тип клея Склеиваемые материалы Класс эксплуатации (табл.1) Класс ответственности (Г.2 прил.Г) Вид клея
1 Древесина, древесные плитные материалы 1-3 1-4 На основе резорцина и меламина с предварительным перемешиванием компонентов
2 1-3 3, 4 На основе меламина с раздельным нанесением компонентов на склеиваемые поверхности
3 1 4 На основе карбомида, двухкомпонентные клеи повышенной водостойкости на основе поливинилацитата
4 Древесина с металлом 1, 2, 3 1-4 На основе эпоксидных смол

Другие клеи, не перечисленные в таблице, допускается использовать при условии, что их свойства и долговечность будут не ниже указанных в таблице 2.

4.12. Для стальных элементов деревянных конструкций следует применять стали в соответствии со сводом правил по проектированию стальных конструкций и арматурные стали в соответствии с нормами по проектированию бетонных и железобетонных конструкций.

4.13. В соединениях элементов конструкций, эксплуатируемых в условиях агрессивной по отношению к стали среды, следует использовать коррозионно-стойкие стали, алюминиевые сплавы, стеклопластики, древесно-слоистые пластики ДСПБ (ГОСТ 13913), а также древесину твердых лиственных пород.

4.14. Для конструкций на вклеенных стержнях следует использовать стержни периодического профиля класса А300-А600 и круглые стержни из стали, алюминиевых сплавов, арматуру класса А240 с резьбой на всю глубину вклеивания.

4.15. В композитных конструкциях из клееной древесины и бетона используются: клееная древесина с характеристиками по таблице В.1 приложения В; бетон тяжелый классов В20 и выше; вклеенные арматурные стержни - в соответствии с положениями раздела 7.

4.16. Для защитной обработки ДК материалы следует выбирать в соответствии с положениями СНиП 2.03.11.

5. Расчетные характеристики материалов

5.1. Расчетные сопротивления древесины сосны, ели и лиственницы европейской влажностью 12% для основного сочетания нагрузок (режим В согласно таблице В.1) в сооружениях нормального (2-го согласно приложению Г) уровня ответственности при сроке эксплуатации до 50 лет приведены в таблице 3. Расчетные сопротивления для других пород древесины устанавливают путем умножения величин, приведенных в таблице 3, на переходные коэффициенты , указанные в таблице 5. Расчетные сопротивления LVL из однонаправленного шпона приведены в таблице 4.

Таблица 3

Напряженное состояние и характеристика элементов Расчетные сопротивления, МПа, для сортов (классов) древесины
обозначение 1/К26 2/К24 3/К16
1 Изгиб, сжатие и смятие вдоль волокон
а) элементы прямоугольного сечения (за исключением указанных в подпунктах "б", "в") высотой до 50 см. При высоте сечения более 50 см см. 5.2, д R_и, R_с, R_см 14 13 8,5
б) элементы прямоугольного сечения шириной свыше 11 до 13 см при высоте сечения свыше 11 до 50 см R_и, R_с, R_см 15 14 10
в) элементы прямоугольного сечения шириной свыше 13 см при высоте сечения свыше 13 до 50 см R_и, R_с, R_см 16 15 11
г) элементы из круглых лесоматериалов без врезок в расчетном сечении R_и, R_с, R_см - 16 10
2 Растяжение вдоль волокон:
а) элементы из цельной древесины R_p 10 7 -
б) клееные элементы R_p 12 9 -
3 Сжатие и смятие по всей площади поперек волокон R_с90, R_см90 1,8 1,8 1,8
4 Смятие поперек волокон местное:
а) в опорных частях конструкций, лобовых врубках и узловых примыканиях элементов R_см90 3 3 3
б) под шайбами при углах смятия от 90 до 60° R_см90 4 4 4
5 Скалывание вдоль волокон:
а) при изгибе элементов из цельной древесины R_ск 1,8 1,6 1,6
б) при изгибе клееных элементов R_ск 1,6 1,5 1,5
в) в лобовых врубках для максимального напряжения R_ск 2,4 2,1 2,1
г) местное в клеевых соединениях для максимального напряжения R_ск 2,1 2,1 2,1
6 Скалывание поперек волокон:
а) в соединениях элементов из цельной древесины R_ск90 1 0,8 0,6
б) в соединениях клееных элементов R_ск90 0,7 0,7 0,6
7 Растяжение поперек волокон элементов из клееной древесины R_р90 0,15 0,1 0,08

Примечания.

1. Расчетное сопротивление древесины местному смятию поперек волокон на части длины (при длине незагруженных участков не менее длины площадки смятия и толщины элементов), за исключением случаев, оговоренных в поз.4 данной таблицы, определяется по формуле

R_см90 = R_с90 (1 + 8 ), (1)
l_см + 1,2

где:

R_с90 - расчетное сопротивление древесины сжатию и смятию по всей поверхности поперек волокон (поз.3 данной таблицы);

l_см - длина площадки смятия вдоль волокон древесины, см.

2. Расчетное сопротивление древесины смятию под углом к направлению волокон определяется по формуле

R_см = R_с90 (1 + R_см . (2)
1 + ( R_см - 1) sin(3)
R_см90  

3. Расчетное сопротивление древесины скалыванию под углом к направлению волокон определяется по формуле

R_ск = R_с90 (1 + R_ск . (3)
1 + ( R_ск - 1) sin(3)
R_ск90  

4. В конструкциях построечного изготовления величины расчетных сопротивлений на растяжение, принятые по поз.2, а данной таблицы, следует снижать на 30%.

5. Расчетное сопротивление изгибу для элементов настила и обрешетки под кровлю из древесины 3-го сорта следует принимать равным 13 МПа.

Таблица 4

N п.п. Напряженное состояние Расчетные сопротивления, МПа, для сортов/классов прочности LVL
обозначение 1/К45 2/К40 3/К35
1 Изгиб R_и 26 22,5 20
2 Сжатие в плоскости листа вдоль волокон R_c, R_см 21 20 18
3 Сжатие в плоскости листа поперек волокон R_c90, R_см90 3,2 3,1 3,0
4 Сжатие из плоскости листа поперек волокон R'_c90, R'_см90 1,6 1,5 1,5
5 Смятие местное в плоскости листа поперек волокон в опорных частях конструкций и узловых примыканиях R_см90 5,0 4,9 4,8
6 Растяжение вдоль волокон R_p 20,5 18 16
7 Растяжение поперек волокон в плоскости листа R_p90 0,3 0,3 0,3
8 Скалывание вдоль волокон поперек плоскости листа R'_cк 2,7 2,6 2,6
9 Скалывание вдоль волокон в плоскости листа R_cк 2,1 2,0 1,9
10 Скалывание поперек волокон в плоскости листа R_cк90 1,0 1,0 1,0

Таблица 5

Древесные породы Коэффициент m_п для расчетных сопротивлений
растяжению, изгибу, сжатию и смятию вдоль волокон R_p, R_и, R_c, R_см сжатию и смятию поперек волокон R_c90, R_см90 скалыванию R_cк
Хвойные
1 Лиственница, кроме европейской 1,2 1,2 1
2 Кедр сибирский, кроме кедра Красноярского края 0,9 0,9 0,9
3 Кедр Красноярского края 0,65 0,65 0,65
4 Пихта 0,8 0,8 0,8
Твердые лиственные
5 Дуб 1,3 2 1,3
6 Ясень, клен, граб 1,3 2 1,6
7 Акация 1,5 2,2 1,8
8 Береза, бук 1,1 1,6 1,3
9 Вяз, ильм 1 1,6 1
Мягкие лиственные
10 Ольха, липа, осина, тополь 0,8 1 0,8

Примечание - Коэффициенты m_п, указанные в таблице, для конструкций опор воздушных линий электропередачи, изготавливаемых из не пропитанной антисептиками лиственницы (при влажности 25%), умножаются на коэффициент 0,85.

5.2. Расчетные сопротивления, приведенные в таблицах 3, 4 и 6, в соответствующих случаях следует умножать на коэффициенты условий работы:

а) для различных условий эксплуатации конструкций - на коэффициент m_в, указанный в таблице 7;

б) для конструкций, эксплуатируемых при установившейся температуре воздуха до +35 °С, - на коэффициент m_т = 1; при температуре +50 °С - на коэффициент m_т = 0,8. Для промежуточных значений температуры коэффициент принимается по интерполяции;

в) для конструкций, в которых напряжения в элементах, возникающие от постоянных и временных длительных нагрузок, превышают 80% суммарного напряжения от всех нагрузок, - на коэффициент m_д = 0,8;

г) для конструкций, рассчитываемых с учетом воздействия кратковременных (ветровой, монтажной или гололедной) нагрузок, а также нагрузок от тяжения и обрыва проводов воздушных ЛЭП и сейсмической, - на коэффициент m_и, указанный в таблице 8;

д) для изгибаемых, внецентренно-сжатых, сжато-изгибаемых и сжатых клееных элементов прямоугольного сечения высотой более 50 см значения расчетных сопротивлений изгибу и сжатию вдоль волокон - на коэффициент m_б, указанный в таблице 9;

е) для растянутых элементов с ослаблением в расчетном сечении и изгибаемых элементов из круглых лесоматериалов с подрезкой в расчетном сечении - на коэффициент m_о = 0,8;

ж) для элементов, подвергнутых глубокой пропитке антипиренами под давлением, - на коэффициент m_а = 0,9;

и) для изгибаемых, внецентренно-сжатых, сжато-изгибаемых и сжатых клееных элементов, в зависимости от толщины слоев, значения расчетных сопротивлений изгибу, скалыванию и сжатию вдоль волокон - на коэффициент, m_сл, указанный в таблице 10;

к) для гнутых элементов конструкций значения расчетных сопротивлений растяжению, сжатию и изгибу - на коэффициент m_гн, указанный в таблице 11.

Таблица 6

Вид фанеры Расчетные сопротивления, МПа
растяжению в плоскости листа R_ф.р сжатию в плоскости листа R_ф.с изгибу из плоскости листа R_ф.и скалыванию в плоскости листа R_ф.ск срезу перпендикулярно плоскости листа R_ф.ср
1 Фанера клееная березовая марки ФСФ сортов В/ВВ, В/С, ВВ/С:
а) семислойная толщиной 8 мм и более:
вдоль волокон 14 12 16 0,8 6
поперек волокон наружных слоев   8,5 6,5 0,8 6
под углом 45° к волокнам 4,5 7 - 0,8 9
б) пятислойная толщиной 5-7 мм:
вдоль волокон наружных слоев 14 13 18 0,8 5
поперек волокон наружных слоев 6 7 3 0,8 6
под углом 45° к волокнам 4 6 - 0,8 9
2 Фанера клееная из древесины лиственницы марки ФСФ сортов В/ВВ и ВВ/С семислойная толщиной 8 мм и более:
вдоль волокон наружных слоев 9 17 18 0,6 5
поперек волокон наружных слоев 7,5 13 11 0,5 5
под углом 45° к волокнам 3 5 - 0,7 7,5
3 Фанера бакелизированная марки ФСБ толщиной 7 мм и более:
вдоль волокон наружных слоев 32 28 33 1,8 11
поперек волокон наружных слоев 24 23 25 1,8 12
под углом 45° к волокнам 16,5 21 - 1,8 16

Примечание - Расчетные сопротивления смятию и сжатию перпендикулярно плоскости листа для березовой фанеры марки ФСФ R_ф.с90 = R_ф.см90 = 4 МПа и марки ФБС R_ф.с90 = R_ф.см90 = 8 MПa.

Таблица 7

Условия эксплуатации (по таблице 1) 1А и 1 2 3 4
Коэффициент m_в 1 0,9 0,85 0,75

Таблица 8

Нагрузка Коэффициент m_н
для всех видов сопротивлений, кроме смятия поперек волокон для смятия поперек волокон
1 Ветровая, монтажная, кроме указанной в поз.3 1,2 1,4
2 Сейсмическая 1,4 1,6
Для опор воздушных линий электропередачи
3 Гололедная, монтажная, ветровая при гололеде, от тяжения проводов при температуре ниже среднегодовой 1,45 1.6
4 При обрыве проводов и тросов 1,9 2,2

Таблица 9

Высота сечения, см 50 и менее 60 70 80 100 120 и более
Коэффициент m_в 1 0,96 0,93 0,90 0,85 0,8

Таблица 10

Толщина слоя, мм 19 и менее 26 33 42
Коэффициент m_сл 1,1 1,05 1,0 0,95

Таблица 11

Напряженное состояние Обозначение расчетных сопротивлений Коэффициент m_гн при отношении r_k / a
150 200 250 500 и более
Сжатие и изгиб R_c, R_и 0,8 0,9 1 1
Растяжение R_p 0,6 0,7 0,8 1

Примечание - r_k - радиус кривизны гнутой доски или бруска; a - толщина гнутой доски или бруска в радиальном направлении.

Расчетные сопротивления, приведенные в таблицах 3, 4 и 6, следует разделить на коэффициенты надежности по сроку службы _н(сс) (таблица 12).

Таблица 12

Срок службы сооружения До 50 лет 50-100 лет Более 100 лет
Коэффициент надежности по сроку службы _н(сс) 1,0 0,9 0,8

5.3 Модуль упругости древесины и LVL при расчете по предельным состояниям второй группы следует принимать равным: вдоль волокон Е = 10000 МПа; поперек волокон Е_90 = 400 МПа. Модуль сдвига древесины относительно осей, направленных вдоль и поперек волокон, следует принимать равным G_90 = 500 МПа. Коэффициент Пуассона древесины поперек волокон при напряжениях, направленных вдоль волокон, следует принимать равным _90.0 = 0,45, а вдоль волокон при напряжениях, направленных поперек волокон, _0.90 = 0,018.

Упругие характеристики LVL при расчете по предельным состояниям второй группы вдоль волокон следует принимать по таблице 13.

Таблица 13

N п.п. Упругая характеристика Обозначение Значение, МПа, для сортов/классов прочности LVL
1/К45 2/К40 3/К35
1 Модуль упругости вдоль волокон Е_0 12000 11000 10000
2 Модуль упругости поперек волокон в плоскости листа вдоль волокон Е_90 500 450 400
3 Модуль сдвига в плоскости листа G 700 600 500
4 Коэффициент Пуассона поперек волокон при напряжениях, направленных вдоль волокон _90.0 0,45 0,45 0,45
5 Коэффициент Пуассона вдоль волокон при напряжениях, направленных поперек волокон _0.90 0,018 0,018 0,018

Величины модулей упругости и сдвига строительной фанеры в плоскости листа Е_ф и С_ф и коэффициенты Пуассона _ф при расчете по второй группе предельных состояний следует принимать по таблице 14.

Таблица 14

Вид фанеры Модуль упругости Е_ф, МПа Модуль сдвига G_ф, МПа Коэффициент Пуассона
1 Фанера клееная березовая марки ФСФ сортов В/ВВ, В/С, ВВ/С семислойная и пятислойная:
вдоль волокон наружных слоев 9000 750 0,085
поперек волокон наружных слоев 6000 750 0,065
под углом 45° к волокнам 2500 3000 0,6
2 Фанера клееная из древесины лиственницы марки ФСФ сортов В/ВВ и ВВ/С семислойная:
вдоль волокон наружных слоев 7000 800 0,07
поперек волокон наружных слоев 5500 800 0,06
под углом 45° к волокнам 2000 2200 0,6
3 Фанера бакелизированная марки ФБС:
вдоль волокон наружных слоев 12000 1000 0,085
поперек волокон наружных слоев 8500 1000 0,065
под углом 45° к волокнам 3500 4000 0,7

Примечание - Коэффициент Пуассона _ф указан для направления перпендикулярно оси, вдоль которой определен модуль упругости Е_ф.

5.4. При расчете по предельным состояниям первой группы по деформированной схеме модули упругости и сдвига следует принимать согласно 5.3 с умножением на коэффициент m_дс, равный 0,75 - для древесины и 0,8 - для LVL.

5.5. Модули упругости древесины, LVL и фанеры для конструкций, находящихся в различных условиях эксплуатации, подвергающихся воздействию повышенной температуры, совместному воздействию постоянной и временной длительной нагрузок, следует определять умножением указанных выше величин E и G на коэффициент m_в (таблица 7) и коэффициенты m_т и m_д, приведенные в 5.2, б и 5.2, в настоящих правил.

5.6. Модуль упругости древесины, LVL и фанеры в расчетах конструкций (кроме опор ЛЭП) на устойчивость следует принимать равным для древесины Е(1) = 300R_с (R_c - расчетное сопротивление сжатию вдоль волокон, принимаемое по таблице 3), а модуль сдвига относительно осей, направленных вдоль и поперек волокон, - G(I)_0,90 + 0,05Е(I);

для фанеры - Е(I)_ф = 250R_ф.с; G(I)_ф = Е(I)_ф (E_ф, G_ф принимаются по таблице 14).
Е_ф

6. Расчет элементов деревянных конструкций

Расчет элементов деревянных конструкций по предельным состояниям первой группы

Центрально-растянутые и центрально-сжатые элементы

6.1. Расчет центрально-растянутых элементов следует производить по формуле

N R_p (или R(p)_д.ш), (4)
F_нт

где:

N - расчетная продольная сила;

R_p - расчетное сопротивление древесины растяжению вдоль волокон;

R(p)_д.ш - то же, для древесины из однонаправленного шпона (5.7);

F_нт - площадь поперечного сечения элемента нетто.

При определении F_нт ослабления, расположенные на участке длиной до 200 мм, следует принимать совмещенными в одном сечении.

6.2. Расчет центрально-сжатых элементов постоянного цельного сечения следует производить по формулам:

а) на прочность

N R_с (или R(с)_д.ш), (5)
F_нт

б) на устойчивость

N R_с (или R(с)_д.ш), (6)
F_рас

где:

R_с - расчетное сопротивление древесины сжатию вдоль волокон;

R(с)_д.ш - то же, для древесины из однонаправленного шпона;

- коэффициент продольного изгиба, определяемый согласно 6.3;

F_нт - площадь нетто поперечного сечения элемента;

F_рас - расчетная площадь поперечного сечения элемента, принимаемая равной:

при отсутствии ослаблений или ослаблениях в опасных сечениях, не выходящих на кромки (рисунок 1, а), если площадь ослаблений не превышает 25% F_бр, F_расч = F_бр, где F_бр - площадь сечения брутто; при ослаблениях, не выходящих на кромки, если площадь ослабления превышает 25% F_бр, F_рас = 4 / 3F_нт; при симметричных ослаблениях, выходящих на кромки (рисунок 1, б), F_рас = F_нт.

а - не выходящие на кромку; б - выходящие на кромку

Рисунок 1 - Ослабление сжатых элементов

6.3. Коэффициент продольного изгиба следует определять по формулам:

при гибкости элемента 70

= 1 - а ( )^2; (7)
100

при гибкости элемента > 70

= A , (8)
^2

где коэффициент a = 0,8 для древесины и a = 1,0 для фанеры;

коэффициент А = 3000 для древесины и А = 2500 для фанеры и древесины из однонаправленного шпона.

6.4. Гибкость элементов цельного сечения определяют по формуле

= l_0 , (9)
r

где:

l_0 - расчетная длина элемента;

r - радиус инерции сечения элемента с максимальными размерами брутто относительно осей X и Y.

6.5. Расчетную длину элемента l_0 следует определять умножением его свободной длины l на коэффициент _0

l_0 = l _0 (10)

согласно 6.21.

6.6. Составные элементы на податливых соединениях, опертые всем сечением, следует рассчитывать на прочность и устойчивость по формулам (8) и (9), при этом F_нт и F_рас определять как суммарные площади всех ветвей. Гибкость составных элементов следует определять с учетом податливости соединений по формуле

где:

_y - гибкость всего элемента относительно оси y (рисунок 2), вычисленная по расчетной длине элемента l_0 без учета податливости;

_1 <*> - гибкость отдельной ветви относительно оси I-I (см. рисунок 2), вычисленная по расчетной длине ветви l_1; при l_1 меньше семи толщин (h_1) ветви принимаются с _1 = 0;

_y - коэффициент приведения гибкости, определяемый по формуле

где:

b и h - ширина и высота поперечного сечения элемента, см;

n_ш - расчетное число швов в элементе, определяемое числом швов, по которым суммируется взаимный сдвиг элементов (на рисунке 2, а - 4 шва, на рисунке 2, б - 5 швов);

l_0 - расчетная длина элемента, м;

n_c - расчетное число срезов связей в одном шве на 1 м элемента (при нескольких швах с различным числом срезов следует принимать среднее для всех швов число срезов);

k_c - коэффициент податливости соединений, который следует определять по формулам таблицы 15.

а - с прокладками, б - без прокладок

Рисунок 2 - Составные элементы

Таблица 15

Вид связей Коэффициент k_c при
  центральном сжатии сжатии с изгибом
1 Гвозди, шурупы   1   1  
10d^2 5d^2
2 Стальные цилиндрические нагели
а) диаметром 1/7 толщины соединяемых элементов   1   1  
5d^2 2,5d^2
             
б) диаметром > 1/7 толщины соединяемых элементов   1,5     3  
ad ad
             
3 Вклеенные стержни из арматуры А240-А500   1   1  
10d^2 5d^2
             
4 Дубовые цилиндрические нагели   1   1,5  
d^2 d^2
             
5 Дубовые пластинчатые нагели   -     1,4  
b_пл
6 Клей   0     0  

Примечание - Диаметры гвоздей, шурупов, нагелей и вклеенных стержней d, толщину элементов a, ширину b_пл и толщину пластинчатых нагелей следует принимать в см.

При определении k_c диаметр гвоздей следует принимать не более 0,1 толщины соединяемых элементов. Если размер защемленных концов гвоздей менее 4d, то срезы в примыкающих к ним швах в расчете не учитывают. Значение k_c соединений на стальных цилиндрических нагелях следует определять по толщине а более тонкого из соединяемых элементов.

При определении k_c диаметр дубовых цилиндрических нагелей следует принимать не более 0,25 толщины более тонкого из соединяемых элементов.

Связи в швах следует расставлять равномерно по длине элемента. В шарнирно-опертых прямолинейных элементах допускается в средних четвертях длины ставить связи в половинном количестве, вводя в расчет по формуле (12) величину n_c, принятую для крайних четвертей длины элемента.

Гибкость составного элемента, вычисленную по формуле (11), следует принимать не более гибкости отдельных ветвей, определяемой по формуле

где:

I_iбр - сумма моментов инерции брутто поперечных сечений отдельных ветвей относительно собственных осей, параллельных ocи y (см. рисунок 2);

F_бр - площадь сечения брутто элемента;

l_0 - расчетная длина элемента.

Гибкость составного элемента относительно оси, проходящей через центры тяжести сечений всех ветвей (ось x на рисунке 2), следует определять как для цельного элемента, т.е. без учета податливости связей, если ветви нагружены равномерно. В случае неравномерно нагруженных ветвей следует руководствоваться 6.7.

Если ветви составного элемента имеют различное сечение, то расчетную гибкость _1 ветви в формуле (11) следует принимать равной

определение l_1 приведено на рисунке 2.

6.7. Составные элементы на податливых соединениях, часть ветвей которых не оперта по концам, допускается рассчитывать на прочность и устойчивость по формулам (5), (6) при соблюдении следующих условий:

а) площади поперечного сечения элемента F_нт и F_рас следует определять по сечению опертых ветвей;

б) гибкость элемента относительно оси y (см. рисунок 2) определяется по формуле (11); при этом момент инерции принимается с учетом всех ветвей, а площадь - только опертых;

в) при определении гибкости относительно оси x (см. рисунок 2) момент инерции следует определять по формуле

I = I_о + 0,5I_но, (15)

где:

I_o и I_но - моменты инерции поперечных сечений соответственно опертых и неопертых ветвей.

6.8. Расчет на устойчивость центрально-сжатых элементов переменного по высоте сечения следует выполнять по формуле

N R_с (или R(с)_д.ш), (16)
F_макс k_жN

где:

F_макс - площадь поперечного сечения брутто с максимальными размерами;

k_жN - коэффициент, учитывающий переменность высоты сечения, определяемый по таблице Е.1 приложения Е (для элементов постоянного сечения k_жN = 1);

- коэффициент продольного изгиба, определяемый по 6.3 для гибкости, соответствующей сечению с максимальными размерами.

Изгибаемые элементы

6.9. Расчет изгибаемых элементов, обеспеченных от потери устойчивости плоской формы деформирования (см. 6.14 и 6.15), на прочность по нормальным напряжениям следует производить по формуле

M R_и (или R(и)_д.ш), (17)
W_расч

где:

М - расчетный изгибающий момент;

R_и - расчетное сопротивление изгибу;

R(и)_д.ш - расчетное сопротивление изгибу древесины из однонаправленного шпона;

W_расч - расчетный момент сопротивления поперечного сечения элемента; для цельных элементов W_расч = W_нт.

Для изгибаемых составных элементов на податливых соединениях расчетный момент сопротивления следует принимать равным моменту сопротивления нетто W_нт, умноженному на коэффициент k_w; значения k_w для элементов, составленных из одинаковых слоев, приведены в таблице 16. При определении W_нт ослабления сечений, расположенные на участке элемента длиной до 200 мм, принимают совмещенными в одном сечении.

Таблица 16

Коэффициент Число слоев в элементе Значение коэффициента для расчета изгибаемых составных элементов при пролетах, м
2 4 6 9 и более
k_w 2 0,7 0,85 0,9 0,9
  3 0,6 0,8 0,85 0,9
  10 0,4 0,7 0,8 0,85
k_ж 2 0,45 0,65 0,75 0,8
  3 0,25 0,5 0,6 0,7
  10 0,07 0,2 0,3 0,4

Примечания

1. Для промежуточных значений величины пролета и числа слоев коэффициенты определяются интерполяцией.

2. Для составных балок на наклонно вклеенных связях при числе слоев не более 4, независимо от пролета, следует принимать k_w = 0,95, k_ж = 0,9.

6.10. Расчет изгибаемых элементов на прочность по скалыванию следует выполнять по формуле

QS'_бр R_ск (или < R(ск)_д.ш), (18)
I_бр b_рас

где:

Q - расчетная поперечная сила;

S'_бр - статический момент брутто сдвигаемой части поперечного сечения элемента относительно нейтральной оси;

I_бр - момент инерции брутто поперечного сечения элемента относительно нейтральной оси;

b_рас - расчетная ширина сечения элемента;

R_ск - расчетное сопротивление скалыванию при изгибе;

R(ск)_д.ш - расчетное сопротивление скалыванию при изгибе древесины из однонаправленного шпона.

6.11. Число срезов связей n_c, равномерно расставленных в каждом шве составного элемента на участке с однозначной эпюрой поперечных сил, должно удовлетворять условию

n_c 1,5 (M_B - M_A) S_бр , (19)
ТI_бр

где:

Т - расчетная несущая способность связи в данном шве;

М_А, М_В - изгибающие моменты в начальном А и конечном В сечениях рассматриваемого участка.

Примечание - При наличии в шве связей разной несущей способности, но одинаковых по характеру работы (например, нагелей и гвоздей), несущие способности их следует суммировать

6.12. Расчет элементов цельного сечения на прочность при косом изгибе следует производить по формуле

М_х + M_y R_и (или R(и)_д.ш), (20)
W_x W_y

где:

М_х и M_y - составляющие расчетного изгибающего момента для главных осей сечения x и y;

W_x и W_y - моменты сопротивлений поперечного сечения нетто относительно главных осей сечения x и y.

6.13. Криволинейные (гнутые) участки (рисунок 3) клееных деревянных конструкций, изгибаемые моментом M, уменьшающим их кривизну, следует рассчитывать по формулам кривых брусьев:

а) по тангенциальным нормальным напряжениям на внутренней и внешней кромках бруса:

_,н = М (r_0 - r_1) / (F_y_0 r_1) R_и; (21)

_,в = М (r_2 - r_0) / (F_y_0 r_2) R_и; (22)

где:

_,н, _,в - соответственно тангенциальные нормальные напряжения на внутренней и внешней кромках бруса;

М - расчетный изгибающий момент;

r_0, r_1 и r_2 - соответственно радиусы кривизны нейтрального слоя, нижней (ближней к центру кривизны) и верхней кромок бруса;

F - площадь поперечного сечения кривого бруса;

y_0 = l / (Ar) - смещение нейтрального слоя от геометрической оси криволинейного участка;

R_и - расчетное сопротивление древесины изгибу;

б) по максимальным радиальным нормальным напряжениям

_r, max = M (r_0 / r_1 - ln (r_0 / r_1)_(-1) / (Fy_0) R_p90, (23)

где:

R_p90 - расчетное сопротивление клееной древесины растяжению поперек волокон (поз.7 таблицы 3).

Рисунок 3 - Расчетная схема кривого бруса при чистом изгибе

6.14. Расчет на устойчивость плоской формы деформирования изгибаемых элементов прямоугольного постоянного сечения следует производить по формуле

M R_и (или R(и)_д.ш), (24)
_M W_бр

где:

М - максимальный изгибающий момент на рассматриваемом участке l_p;

W_бр - максимальный момент сопротивления брутто на рассматриваемом участке l_p.

Коэффициент _M для изгибаемых элементов прямоугольного постоянного поперечного сечения, шарнирно закрепленных от смещения из плоскости изгиба и закрепленных от поворота вокруг продольной оси в опорных сечениях, следует определять по формуле

_M = 140 b^2 k_ф, (25)
l_p h

где:

l_p - расстояние между опорными сечениями элемента, а при закреплении сжатой кромки элемента в промежуточных точках от смещения из плоскости изгиба - расстояние между этими точками;

b - ширина поперечного сечения;

h - максимальная высота поперечного сечения на участке l_p;

k_ф - коэффициент, зависящий от формы эпюры изгибающих моментов на участке l_p, определяемый по таблице Е.2 приложения Е настоящих норм.

При расчете изгибаемых элементов с линейно меняющейся по длине высотой и постоянной шириной поперечного сечения, не имеющих закреплений из плоскости по растянутой от момента М кромке, или при m < 4 коэффициент _M по формуле (25) следует умножать на дополнительный коэффициент k_жМ. Значения k_жМ приведены в таблице Е.2 приложения Е. При m 4 k_жМ = 1.

При подкреплении из плоскости изгиба в промежуточных точках растянутой кромки элемента на участке l_p коэффициент _M, определенный по формуле (25), следует умножать на коэффициент k_пМ

k_пМ = 1 + [0,142 l_p + 1,76 h + 1,4 _p - 1] m^2 , (26)
h l_p m^2 + 1

где:

_p - центральный угол в радианах, определяющий участок l_p элемента кругового очертания (для прямолинейных элементов _p = 0);

m - число подкрепленных (с одинаковым шагом) точек растянутой кромки на участке l_p (при m 4 величину m^2
m^2 + 1

следует принимать равной 1).

6.15. Проверку устойчивости плоской формы деформирования изгибаемых элементов постоянного двутаврового или коробчатого поперечного сечений следует производить в тех случаях, когда

l_p 7b, (27)

где:

b - ширина сжатого пояса поперечного сечения.

Расчет следует производить по формуле

M R_c (или R(c)_д.ш), (28)
W_бр

где:

- коэффициент продольного изгиба из плоскости изгиба сжатого пояса элемента, определяемый по 6.3;

R_c - расчетное сопротивление сжатию;

R(c)_д.ш - расчетное сопротивление сжатию древесины из однонаправленного шпона LVL;

W_бр - момент сопротивления брутто поперечного сечения; в случае фанерных стенок - приведенный момент сопротивления в плоскости изгиба элемента.

Элементы, подверженные действию осевой силы с изгибом

6.16. Расчет внецентренно-растянутых и растянуто-изгибаемых элементов по нормальным напряжениям следует производить по формуле

N + M R_p R_p, (29)
F_расч W_расч R_и

где:

W_расч - расчетный момент сопротивления поперечного сечения (см. 6.9);

F_расч - площадь расчетного сечения нетто.

Для древесины из однонаправленного шпона в формуле (24) следует использовать соответствующие значения расчетных сопротивлений.

6.17. Расчет на прочность внецентренно-сжатых и сжато-изгибаемых элементов следует по нормальным напряжениям производить по формуле

N + M R_с (или R(c)_д.ш), (30)
F_расч W_расч

где:

М_д - изгибающий момент от действия поперечных и продольных нагрузок, определяемый из расчета по деформированной схеме.

Примечания

1. Для шарнирно-опертых элементов при симметричных эпюрах изгибающих моментов синусоидального, параболического, полигонального и близких к ним очертаний, а также для консольных элементов М_д допускается определять по формуле

М_д = М , (31)

где:

- коэффициент, изменяющийся от 1 до 0, учитывающий дополнительный момент от продольной силы вследствие прогиба элемента, определяемый по формуле

= 1 - N , (32)
R_c F_бр

для древесины из однонаправленного шпона

= 1 - N ,
R(p)_д.ш F_бр

М - изгибающий момент в расчетном сечении без учета дополнительного момента от продольной силы;

- коэффициент, определяемый по формуле (8) 6.3.

2. В случаях когда в шарнирно-опертых элементах эпюры изгибающих моментов имеют треугольное или прямоугольное очертание, коэффициент по формуле (30) следует умножать на поправочный коэффициент k_н.

k_н = _н + (1 - _н), (33)

где:

_н - коэффициент, который следует принимать равным 1,22 при эпюрах изгибающих моментов треугольного очертания (от сосредоточенной силы) и 0,81 - при эпюрах прямоугольного очертания (от постоянного изгибающего момента).

3. При несимметричном загружении шарнирно-опертых элементов величину изгибающего момента М_д следует определять по формуле

М_д = М_с + М_к , (34)

где:

М_с и М_к - изгибающие моменты в расчетном сечении элемента от симметричной и кососимметричной составляющих нагрузки;

_с и _к - коэффициенты, определяемые по формуле (27) при величине гибкости, соответствующей симметричной и кососимметричной формам продольного изгиба.

4. Для элементов, переменных по высоте сечения, площадь F_бр в формуле (27) следует принимать для максимального по высоте сечения, а коэффициент следует умножать на коэффициент k_жN, принимаемый по таблице Е.1 приложения Е.

5. При отношении напряжений от изгиба к напряжениям от сжатия менее 0,1, сжато-изгибаемые элементы следует проверять также на устойчивость по формуле (6) без учета изгибающего момента.

6.18. Расчет внецентренно-сжатых и сжато-изгибаемых элементов на прочность по скалыванию следует выполнять по формуле

QS'_бр + R_ск (или R(ск)_д.ш), (35)
I_бр b_рас

где:

= 0,75 Ne ;
bh^2

Q - расчетная поперечная сила;

N - расчетная продольная сила;

S'_бр - статический момент брутто сдвигаемой части поперечного сечения элемента относительно нейтральной оси;

I_бр - момент инерции брутто поперечного сечения элемента относительно нейтральной оси;

b_рас и h_рас - расчетные ширина и высота сечения элемента;

e - эксцентриситет передачи усилия N;

R_ск - расчетное сопротивление скалыванию при изгибе;

R(ск)_д.ш - расчетное сопротивление скалыванию при изгибе древесины из однонаправленного шпона.

6.19. Криволинейные (гнутые) участки сжато-изгибаемых клееных деревянных конструкций следует рассчитывать по формулам кривых брусьев (см. 6.13):

а) на сжатой кромке

N / F + M (r_0 - r_1) / Fy_0 r_1;(36)

б) на растянутой кромке

- N / F + M (r_2 - r_0) / Fy_0 r_2;(37)

6.20. Расчет на устойчивость плоской формы деформирования сжато-изгибаемых элементов следует производить по формуле

где:

F_бр - площадь брутто с максимальными размерами сечения элемента на участке l_p;

W_бр - см. 6.14;

n = 2 - для элементов без закрепления растянутой зоны из плоскости деформирования и n = 1 для элементов, имеющих такие закрепления;

- коэффициент продольного изгиба, определяемый по формуле (8) для гибкости участка элемента с расчетной длиной l_p из плоскости деформирования;

_M - коэффициент, определяемый по формуле (25).

Для древесины из однонаправленного шпона следует принимать соответствующие значения расчетных сопротивлений по 5.7.

При наличии в элементе на участке l_p закреплений из плоскости деформирования со стороны растянутой от момента M кромки, коэффициент _M следует умножать на коэффициент K_пМ, определяемый по формуле (24), а коэффициент - на коэффициент K_пN по формуле

где:

_p, l_p, h, m - см. 6.14.

При расчете элементов переменного по высоте сечения, не имеющих закреплений из плоскости по растянутой от момента M кромке, или при m < 4 коэффициенты и _M, определяемые по формулам (8) и (25), следует дополнительно умножать, соответственно, на коэффициенты k_жN и k_жM, приведенные в таблицах Е.1 и Е.2 приложения Е.

При m 4 k_жN = k_жM = 1.

6.21. В составных сжато-изгибаемых элементах следует проверять устойчивость наиболее напряженной ветви, если расчетная длина ее превышает семикратную толщину ветви, по формуле

N + M _1 R_c , (40)
F_бр W_бр

где:

_1 - коэффициент продольного изгиба для отдельной ветви, вычисленный по ее расчетной длине l_0 (см. 6.6);

F_бр, W_бр - площадь и момент сопротивления брутто поперечного сечения элемента.

Устойчивость сжато-изгибаемого составного элемента из плоскости изгиба следует проверять по формуле (6) без учета изгибающего момента.

6.22. Число срезов связей n_c, равномерно расставленных в каждом шве сжато-изгибаемого составного элемента на участке с однозначной эпюрой поперечных сил, при приложении сжимающей силы по всему сечению, должно удовлетворять условию

n_c 1,5 M_д S_бр , (41)
T I_бр

где:

S_бр - статический момент брутто сдвигаемой части поперечного сечения относительно нейтральной оси;

I_бр - момент инерции брутто поперечного сечения элемента;

Т - расчетная несущая способность одной связи в данном шве;

М_д - изгибающий момент, определяемый по 6.17.

Расчетные длины и предельные гибкости элементов деревянных конструкций

6.23. Для определения расчетной длины прямолинейных элементов, загруженных продольными силами по концам, коэффициент _0 следует принимать равным:

при шарнирно-закрепленных концах, а также при шарнирном закреплении в промежуточных точках элемента - 1;

при одном шарнирно-закрепленном и другом защемленном конце - 0,8;

при одном защемленном и другом свободном нагруженном конце - 2,2;

при обоих защемленных концах - 0,65.

В случае равномерно распределенной по длине элемента продольной нагрузки коэффициент _0 следует принимать равным:

при обоих шарнирно-закрепленных концах - 0,73;

при одном защемленном и другом свободном конце - 1,2.

Расчетную длину пересекающихся элементов, соединенных между собой в месте пересечения, следует принимать равной:

при проверке устойчивости в плоскости конструкций - расстоянию от центра узла до точки пересечения элементов;

при проверке устойчивости из плоскости конструкции:

а) в случае пересечения двух сжатых элементов - полной длине элемента;

б) в случае пересечения сжатого элемента с неработающим - величине l_1 , умноженной на коэффициент _0

где:

l_1, _1, F_1 - полная длина, гибкость и площадь поперечного сечения сжатого элемента;

l_2, _2, F_2 - длина, гибкость и площадь поперечного сечения неработающего элемента.

Величину _0 следует принимать не менее 0,5;

в) в случае пересечения сжатого элемента с элементом, растянутым равной по величине силой, - наибольшей длине сжатого элемента, измеряемой от центра узла до точки пересечения элементов.

Если пересекающиеся элементы имеют составное сечение, то в формулу (42) следует подставлять соответствующие значения гибкости, определяемые по формуле (11).

6.24. Гибкость элементов и их отдельных ветвей в деревянных конструкциях не должна превышать значений, указанных в таблице 17.

Таблица 17

Наименование элементов конструкций Предельная гибкость _макс
1 Сжатые пояса, опорные раскосы и опорные стойки ферм, колонны 120
2 Прочие сжатые элементы ферм и других сквозных конструкций 150
3 Сжатые элементы связей 200
4 Растянутые пояса ферм в вертикальной плоскости 150
5 Прочие растянутые элементы ферм и других сквозных конструкций 200
Для опор воздушных линий электропередачи
6 Основные элементы (стойки, приставки, опорные раскосы) 150
7 Прочие элементы 175
8 Связи 200

Примечание - Для сжатых элементов переменного сечения величина предельной гибкости _макс умножается на , где коэффициент k_жN принимается по таблице Е.1 приложения Е.

Особенности расчета клееных элементов из фанеры с древесиной

6.25. Расчет клееных элементов из фанеры с древесиной следует выполнять по методу приведенного поперечного сечения.

6.26. Прочность растянутой фанерной обшивки плит (рисунок 4) и панелей следует проверять по формуле

М m_ф R_ф.р , (43)
W_пр

где:

М - расчетный изгибающий момент;

R_ф.р - расчетное сопротивление фанеры растяжению;

m_ф - коэффициент, учитывающий снижение расчетного сопротивления в стыках фанерной обшивки, принимаемый равным при усовом соединении или с двусторонними накладками: m_ф = 0,6 для фанеры обычной и m_ф = 0,4 для фанеры бакелизированной; при отсутствии стыков m_ф = 1;

W_пр - момент сопротивления поперечного сечения, приведенного к фанере, который следует определять в соответствии с указаниями 6.25.

1 - продольные ребра; 2 - обшивка

Рисунок 4 - Поперечное сечение клееных плит из фанеры и древесины

6.27. Приведенный момент сопротивления поперечного сечения клееных элементов из фанеры с древесиной следует определять по формуле

W_пр = I_пр , (44)
y_0

где:

y_0 - расстояние от центра тяжести приведенного сечения до нижней грани обшивки;

I_пр - момент инерции сечения, приведенного к фанере

I_пр = I_ф + I Е , (45)
Е_ф

где:

I_ф - момент инерции поперечного сечения фанерных обшивок;

I - момент инерции поперечного сечения деревянных ребер каркаса;

Е / Е_ф - отношение модулей упругости древесины и фанеры.

При определении приведенных моментов инерции и приведенных моментов сопротивления расчетную ширину фанерных обшивок следует принимать равной b_рас = 0,9b при l 6a и b_рас = 0,15a^(-1)b при l < 6a (b - полная ширина сечения плиты, l - пролет плиты, a - расстояние между продольными ребрами по осям).

6.28. Устойчивость сжатой обшивки плит и панелей следует проверять по формуле

М R_ф.с , (46)
_ф W_пр

где:

_ф = 1250 при a 50;
(а / )^2
_ф = 1 - (а / )^2 при a > 50
5000

(a - расстояние между ребрами в свету; - толщина фанеры).

Верхнюю обшивку плит дополнительно следует проверять на местный изгиб от сосредоточенного груза P = 1 кН (с коэффициентом перегрузки n = 1,2) как заделанную в местах приклеивания к ребрам пластинку.

6.29. Проверку на скалывание ребер каркаса плит и панелей или обшивки по шву в месте примыкания ее к ребрам следует производить по формуле

QS_пр R_ск, (47)
I_пр b_рас

где:

Q - расчетная поперечная сила;

S_пр - статический момент сдвигаемой части приведенного сечения относительно нейтральной оси;

R_ск - расчетное сопротивление скалыванию древесины вдоль волокон или фанеры вдоль волокон наружных слоев;

b_рас - расчетная ширина сечения, которую следует принимать равной суммарной ширине ребер каркаса.

6.30. Расчет на прочность поясов изгибаемых элементов двутаврового и коробчатого сечений с фанерными стенками (рисунок 5) следует производить по формуле (17), принимая W_рас = W_пр, при этом напряжения в растянутом поясе не должны превышать R_p, а в сжатом - R_c ( - коэффициент продольного изгиба из плоскости изгиба).

а - двутаврового сечения; б - коробчатого сечения

Рисунок 5 - Поперечные сечения клееных балок с плоской фанерной стенкой

6.31. При проверке стенки на срез по нейтральной оси в формуле (47) значение R_cк принимается равным R_ф.ср, а расчетная ширина b_рас равна

b_рас = _ст, (48)

где:

_ст - суммарная толщина стенок.

При проверке скалывания по швам между поясами и стенкой, в формуле (47) R_ск = R_ф.ск, а расчетную ширину сечения следует принимать равной

b_рас = nh_п, (49)

где:

h_п - высота поясов;

n - число вертикальных швов.

6.32. Прочность стенки в опасном сечении на действие главных растягивающих напряжений в изгибаемых элементах двутаврового и коробчатого сечений следует проверять по формуле

где:

R_ф.р. - расчетное сопротивление фанеры растяжению под углом , определяемое по графику рисунка Ж.1 приложения Ж;

_ст - нормальное напряжение в стенке от изгиба на уровне внутренней кромки поясов;

_ст - касательные напряжения в стенке на уровне внутренней кромки поясов;

- угол, определяемый из зависимости

tg 2 = 2_ст , (51)
_ст

Устойчивость стенки с продольным по отношению к оси элемента расположением волокон наружных слоев следует проверять на действие касательных и нормальных напряжений при условии

h_ст > 50, (52)

где:

h_ст - высота стенки между внутренними гранями полок;

- толщина стенки.

Расчет следует производить по формуле

_ст + _ст 1, (53)
k_и ( 100 )^2 k_( 100 )^2
h_ст   h_рас  

где:

k_и и k_ - коэффициенты, определяемые по графикам рисунков Ж.2 и Ж.3 приложения Ж;

h_рас - расчетная высота стенки, которую следует принимать равной h_ст при расстоянии между ребрами a h_ст и равной а при а < ст.

При поперечном по отношению к оси элемента расположении наружных волокон фанерной стенки проверку устойчивости следует производить по формуле (53) на действие только касательных напряжений в тех случаях, когда

h_ст > 80, (54)

Расчет элементов деревянных конструкций по предельным состояниям второй группы

6.33. Деформации деревянных конструкций или их отдельных элементов следует определять с учетом сдвига и податливости соединений. Величину деформаций податливого соединения при полном использовании его несущей способности следует принимать по таблице 18, а при неполном - пропорциональной действующему на соединение усилию.

Таблица 18

Вид соединения Деформация соединения, мм
На лобовых врубках и торец в торец 1,5
В примыканиях поперек волокон 3
На нагелях всех видов 2
На МЗП 1,5
На стержнях, вклеенных перпендикулярно плоскости сплачивания 1,5
На наклонно вклеенных стержнях 0,5
В клеевых соединениях 0

Величину деформаций податливого соединения следует делить на коэффициенты условия работы m_в, m_д, m_н и умножать на _н(сс) коэффициент надежности, учитывающий срок службы сооружения (таблица 12).

6.34. Прогибы и перемещения элементов конструкций не должны превышать предельных, установленных таблицей 19.

Таблица 19

Элементы конструкций Предельные прогибы в долях пролета, не более
1 Балки междуэтажных перекрытий 1/250
2 Балки чердачных перекрытий 1/200
3 Покрытия (кроме ендов):  
а) прогоны, стропильные ноги 1/200
б) балки консольные 1/150
в) фермы, клееные балки (кроме консольных) 1/300
г) плиты 1/250
д) обрешетки, настилы 1/150
4 Несущие элементы ендов 1/400
5 Панели и элементы фахверха 1/250

Примечания

1. При наличии штукатурки прогиб элементов перекрытий только от длительной временной нагрузки не должен превышать 1/350 пролета

2. При наличии строительного подъема предельный прогиб клееных балок допускается увеличивать до 1/200 пролета.

6.35. Прогиб изгибаемых элементов следует определять по моменту инерции поперечного сечения брутто. Для составных сечений момент инерции умножается на коэффициент k_ж, учитывающий сдвиг податливых соединений и приведенный в таблице Е.2 приложения Е.

Наибольший прогиб шарнирно-опертых и консольных изгибаемых элементов постоянного и переменного сечений f следует определять по формуле

f = f_0 [l + c ( h )^2] , (55)
k l

где:

f_0 - прогиб балки постоянного сечения высотой h без учета деформаций сдвига;

h - наибольшая высота сечения;

l - пролет балки;

k - коэффициент, учитывающий влияние переменности высоты сечения, принимаемый равным 1 для балок постоянного сечения;

c - коэффициент, учитывающий влияние деформаций сдвига от поперечной силы.

Значения коэффициентов k и c для основных расчетных схем балок приведены в таблице Е.3 приложения Е.

6.36. Прогиб клееных элементов из фанеры с древесиной следует определять, принимая жесткость сечения равной 0,7EI_пр. Расчетная ширина обшивок плит и панелей при определении прогиба принимается в соответствии с указаниями 6.27.

Прогиб сжато-изгибаемых шарнирно-опертых симметрично нагруженных элементов и консольных элементов следует определять по формуле

f_N = f , (56)

где:

f - прогиб, определяемый по формуле (55);

- коэффициент, определяемый по формуле (32).

7. Расчет соединений элементов деревянных конструкций

Общие указания

7.1. Действующее на соединение (связь) усилие не должно превышать расчетной несущей способности соединения (связи) T.

7.2. Расчетную несущую способность соединений, работающих на смятие и скалывание, следует определять по формулам:

а) из условия смятия древесины

T = R_cм F_см; (57)

б) из условия скалывания древесины

T = R(ср)_ск F_ск, (58)

где:

F_см - расчетная площадь смятия;

F_ - расчетная площадь скалывания;

F_см - расчетное сопротивление древесины или LVL смятию под углом к направлению волокон;

R(ср)_ск - расчетное среднее по площадке скалывания сопротивление древесины или LVL скалыванию вдоль волокон, определяемое в 7.3.

7.3. Среднее по площадке скалывания расчетное сопротивление древесины или LVL скалыванию следует определять по формуле

R(ср)_ск = R_ск , (59)
1 + l_ск
  е  

где:

R_ск - расчетное сопротивление скалыванию вдоль волокон (при расчете по максимальному напряжению);

l_ск - расчетная длина плоскости скалывания, принимаемая не более 10-кратной глубины врезки в элемент;

е - плечо сил скалывания, принимаемое равным 0,5h при расчете элементов с несимметричной врезкой в соединениях без зазора между элементами (рисунок 6, а) и 0,25h при расчете симметрично загруженных элементов с симметричной врезкой (рисунок 6, б); (h - полная высота поперечного сечения элемента);

- коэффициент, принимаемый равным 0,25 при расчете соединений, работающих по схеме, показанной на рисунке 5, г <*> и = 0,125 при расчете соединений, работающих по схеме согласно рисунку 5, в <*>, если обеспечено обжатие по плоскостям скалывания.

<*> Нумерация рисунков соответствует оригиналу. - Примечание изготовителя базы данных.

а - несимметричная; б - симметричная; в, г - схемы скалывания в соединениях

Рисунок 6 - Врезки в элементах соединений

Отношение l_ск / е должно быть не менее 3.

Клеевые соединения

7.4. При расчете конструкций клеевые соединения следует рассматривать как неподатливые соединения.

7.5 Клеевые соединения следует использовать:

а) для стыкования отдельных слоев на зубчатом соединении (рисунок 7, а);

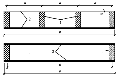
б) для образования сплошного сечения (пакетов) путем сплачивания слоев по высоте и ширине сечения. При этом по ширине пакета швы склеиваемых кромок в соседних слоях следует сдвигать не менее чем на толщину слоя 5 по отношению друг к другу (рисунок 7, б). По длине пакета зубчатые шипы в соседних слоях следует сдвигать не менее чем на 5-кратную толщину слоя. При этом в одном сечении пакета не должно совпадать более 25% слоев с зубчатыми шипами, кроме крайних слоев растянутой зоны изгибаемых элементов, где допускается совпадение не более двух слоев.

а - при стыковании отдельных слоев по длине зубчатым шипом, выходящим на пласть; б - при образовании пакетов и сплачивании по пласти и кромке

Рисунок 7 - Клеевые соединения

7.6. Применение усового соединения допускается для фанеры вдоль волокон наружных слоев. Длину усового соединения следует принимать не менее 10-кратной толщины стыкуемых элементов.

7.7. Толщину склеиваемых слоев в элементах, как правило, следует принимать не более 33 мм. В прямолинейных элементах допускается толщина слоев до 42 мм при условии устройства в них продольных компенсационных прорезей.

7.8. В клееных элементах из фанеры с древесиной не следует применять доски шириной более 100 мм при склеивании их с фанерой и более 150 мм - в примыканиях элементов под углом от 30 до 45°.

Примечание - Соединения на вклеенных стержнях рассмотрены в 7.30-7.45.

Соединения на врубках

7.9. Узловые соединения элементов из брусьев и круглого леса на лобовых врубках следует выполнять с одним зубом (рисунок 8).

Рисунок 8 - Лобовая врубка с одним зубом

Рабочая плоскость смятия во врубках при соединении элементов, не испытывающих поперечного изгиба, должна располагаться перпендикулярно оси примыкающего сжатого элемента. Если примыкающий элемент, помимо сжатия, испытывает поперечный изгиб, рабочую плоскость смятия во врубках следует располагать перпендикулярно равнодействующей осевой и поперечной сил.

Элементы, соединяемые на лобовых врубках, должны быть стянуты болтами.

7.10. Лобовые врубки следует рассчитывать на скалывание, согласно указаниям 7.2 и 7.3, принимая расчетное сопротивление скалыванию по поз.5 таблицы 3.

7.11. Длину плоскости скалывания лобовых врубок следует принимать не менее 1,5h, где h - полная высота сечения скалываемого элемента.

Глубину врубки следует принимать не более 1/4h в промежуточных узлах сквозных конструкций и не более 1/3h в остальных случаях, при этом глубина врубок h_1 в брусьях должна быть не менее 2 см, а в круглых лесоматериалах - не менее 3 см.

7.12. Расчет на смятие лобовых врубок с одним зубом следует производить по плоскости смятия (см. рисунок 8). Угол смятия древесины следует принимать равным углу между направлениями сминающего усилия и волокон сминаемого элемента.

Расчетное сопротивление древесины смятию под углом к волокнам для лобовых врубок следует определять по формуле (2) примечания 2 к таблице 3, независимо от размеров площади смятия.

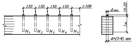
Соединения на цилиндрических нагелях

7.13. Цилиндрическими нагелями называются болты, шпильки, нагели, гвозди, шурупы, глухари, саморезы и т.п., в соединениях, работающих на сдвиг.

Расчетную несущую способность цилиндрического нагеля на один шов сплачивания в соединениях элементов из сосны и ели, в том числе клееных, и древесины из однонаправленного шпона (рисунок 9) при направлении усилий, передаваемых нагелями вдоль волокон, гвоздями под любым углом и стальными нагелями, установленными в торец клееных деревянных элементов, следует определять по таблице 20. В необходимых случаях расчетную несущую способность цилиндрического нагеля, определенную по таблице 20, следует устанавливать с учетом указаний 7.15.

а - симметричные; б - несимметричные

Рисунок 9 - Нагельные соединения

Таблица 20

Схемы соединений Напряженное состояние соединения Расчетная несущая способность T на один шов сплачивания (условный срез), кН
гвоздя, стального, алюминиевого, стеклопластикового нагеля дубового нагеля
1 Симметричные соединения (рисунок 9, а) а) смятие в средних элементах 0,5cd 0,3cd
б) смятие в крайних элементах 0,8ad 0,5ad
2 Несимметричные соединения (рисунок 9, б) а) смятие во всех элементах равной толщины, а также в более толстых элементах односрезных соединений 0,35cd 0,2cd
б) смятие в более толстых средних элементах двухсрезных соединений при a 0,5c 0,25cd 0,14cd
в) смятие в более тонких крайних элементах при a 0,35c 0,8ad 0,5ad
г) смятие в более тонких элементах односрезных соединений и в крайних элементах при c > a > 0,35c k_н ad k_н ad
3 Симметричные и несимметричные соединения а) изгиб гвоздя 2,5d^2 +0,01a^2, но не более 4d^2 -
б) изгиб нагеля из стали А240 1,8d^2 +0,02a^2, но не более 2,5d^2 -
в) изгиб нагеля из алюминиевого сплава Д16-Т 1,6d^2 +0,02a^2, но не более 2,2d^2 -
г) изгиб нагеля из стеклопластика АГ-4С 1,45d^2 +0,02a^2, но не более 1,8d^2 -
д) изгиб нагеля из древесно-слоистого пластика ДСПБ 0,8d^2 +0,02a^2, но не более 1d^2 -
е) изгиб дубового нагеля - 0,45d^2+0,02a^2, но не более 0,65d^2
4 Соединения на нагелях в торец с металлической накладкой (рисунок 10, в, г) изгиб нагеля из стали С235 и арматуры А240 160d^2 -

Примечания.

1. В таблице: c - толщина средних элементов, а также равных по толщине или более толстых элементов односрезных соединений, a - толщина крайних элементов, а также более тонких элементов односрезных соединений; d - диаметр нагеля; все размеры в см.

2. Расчетную несущую способность нагеля в двухсрезных несимметричных соединениях при неодинаковой толщине элементов следует определять с учетом следующего:

а) расчетную несущую способность нагеля из условия смятия в среднем элементе толщиной с при промежуточных значениях ф между с и 0,5с следует определять интерполяцией между значениями по поз.2а и 2б таблицы;

б) при толщине крайних элементов a > c расчетную несущую способность нагеля следует определять из условия смятия в крайних элементах по поз.2а таблицы с заменой c на a;

в) при определении расчетной несущей способности из условий изгиба нагеля толщину крайнего элемента a в поз.3 таблицы следует принимать не более 0,6c.

3. Значения коэффициента k_н для определения расчетной несущей способности при смятии в более тонких элементах односрезных соединений при с a 0,35c приведены в таблице 22.

4. Расчетную несущую способность нагеля в рассматриваемом шве следует принимать равной меньшему из всех значений, полученных по формулам таблиц.

5. Расчет нагельных соединений на скалывание производить не следует, если выполняются условия расстановки нагелей в соответствии с 5.18 и 5.22.

6. Диаметр нагеля d следует назначать из условия наиболее полного использования его несущей способности по изгибу.

7. Число нагелей n_н в соединении, кроме гвоздевого, следует определять по формуле

n_н = N 2, (60)
T n_ш

где:

N - расчетное усилие;

T - наименьшая расчетная несущая способность, найденная по формулам таблицы 21;

n_ш - число расчетных швов одного нагеля.

8. В соединениях число нагелей должно быть не менее 2. Исключение могут составлять нагели, устанавливаемые конструктивно (например, на период сборки и монтажа).

Таблица 21

Угол, град Коэффициент k_
для стальных, алюминиевых и стеклопластиковых нагелей диаметром, мм для дубовых нагелей
12 16 20 24
30 0,95 0,9 0,9 0,9 1
60 0,75 0,7 0,65 0,6 0,8
90 0,7 0,65 0,55 0,5 0,7

Примечания.

1. Значение k_ для промежуточных углов определяется интерполяцией.

2. При расчете односрезных соединений для более толстых элементов, работающих на смятие под углом, значение k_ следует умножать на дополнительный коэффициент 0,9 при c / a < 1,5 и на 0,75 при c / a > 1,5.

Таблица 22

Вид нагеля Значения коэффициента k_н для односрезных соединений при a / c
0,35 0,5 0,6 0,7 0,8 0,9 1
Гвоздь, стальной, алюминиевый и стеклопластиковый нагель 0,8 0,58 0,48 0,43 0,39 0,37 0,35
Дубовый нагель 0,5 0,5 0,44 0,38 0,32 0,26 0,2

7.14. Расчетную несущую способность цилиндрических нагелей, кроме нагелей в торец, при направлении передаваемого нагелем усилия под углом к волокнам следует определять согласно 7.13 с умножением:

а) на коэффициент k_ (таблица 21) при расчете на смятие древесины в нагельном гнезде;

б) на величину при расчете нагеля на изгиб; угол следует принимать равным большему из углов смятия нагелем элементов, прилегающих к рассматриваемому шву.

7.15. Расчетную несущую способность нагелей в соединениях элементов конструкций из древесины других пород, в различных условиях эксплуатации, в условиях повышенной температуры, при действии только постоянных и длительных временных нагрузок следует определять согласно 7.13 и 7.14 с учетом 5.4:

а) при расчете нагельного соединения из условия смятия древесины в нагельном гнезде умножением на коэффициенты m_в, m_т, m_д, m_н, m_а и делением на _н(о) и _н(сс);

б) при расчете нагельного соединения из условия изгиба нагеля умножением или делением на корни квадратные из этих коэффициентов.

7.16. Нагельное соединение со стальными накладками и прокладками на болтах или глухих цилиндрических нагелях (рисунок 9) допускается применять в тех случаях, когда обеспечена необходимая плотность постановки нагелей.

Глухие стальные цилиндрические нагели должны иметь заглубление в древесину не менее 5 диаметров нагеля и не менее 12,5 диаметров нагеля при установке в торец. В последнем случае диаметр отверстия должен быть на 0,5 мм меньше диаметра нагеля.

Нагельные соединения со стальными накладками и прокладками следует рассчитывать согласно указаниям 7.13-7.15, причем в расчете из условия изгиба (поз.3 таблицы 20) следует принимать наибольшее значение несущей способности нагеля.

Стальные накладки и прокладки следует проверять на растяжение по ослабленному сечению и на смятие под нагелем в соответствии с указаниями СП 16.13330.

7.17. Несущую способность соединения на цилиндрических нагелях из одного материала, но разных диаметров следует определять как сумму несущих способностей всех нагелей, за исключением растянутых стыков, для которых вводится снижающий коэффициент 0,9.

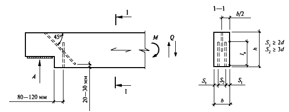
7.18. Расстояние между осями цилиндрических нагелей вдоль волокон древесины S_1, поперек волокон S_2 и от кромки элемента S_3 (рисунок 10) следует принимать не менее:

для стальных нагелей S_1 = 7d; S_2 = 3,5d; S_3 = 3d;

для алюминиевых и стеклопластиковых нагелей S_1 = 6d; S_2 = 3,5d; S_3 = 3d;

для дубовых нагелей S_1 = 5d; S_2 = 3d; S_3 = 2,5d.

а - на болтах и шпильках; б - на глухих цилиндрических нагелях; в - на глухих цилиндрических нагелях, установленных в торец клееного элемента; г - то же, с усилением поперечным армированием

Рисунок 10 - Нагельные соединения со стальными накладками

При толщине пакета b меньше 10d (см. рисунок 10) и для клееных элементов, включая LVL, с расположением нагелей перпендикулярно клеевым швам следует принимать:

для стальных, алюминиевых и стеклопластиковых нагелей S_1 = 6d; S_2 = 3d; S_3 = 2,5d;

для дубовых нагелей S_1 = 4d; S_2 = S_3 = 2,5d.

Для стальных нагелей, установленных в торец, расстановку нагелей принимать по рисунку 11, в и г.

а - прямая, б - в шахматном порядке; в - установленных в торец без армирования; г - то же, с усилением армированием

Рисунок 11 - Расстановка нагелей

7.19. Нагели в растянутых стыках следует располагать в два или четыре продольных ряда; в конструкциях из круглых лесоматериалов допускается шахматное расположение нагелей в два ряда с расстоянием между осями нагелей вдоль волокон 2S_1, а поперек волокон - S_2 = 2,5d.

7.20. При определении расчетной длины защемления конца гвоздя не следует учитывать заостренную часть гвоздя длиной 1,5d; кроме того, из длины гвоздя следует вычитать по 2 мм на каждый шов между соединяемыми элементами.

Если расчетная длина защемления конца гвоздя получается меньше 4d, его работу в примыкающем к нему шве учитывать не следует.

При свободном выходе гвоздя из пакета расчетную толщину последнего элемента следует уменьшать на 1,5d (рисунок 12).

Рисунок 12 - Определение расчетной длины защемления конца гвоздя

Диаметр гвоздей следует принимать не более 0,25 толщины пробиваемых элементов.

7.21. Расстояние между осями гвоздей вдоль волокон древесины следует принимать не менее:

S_1 = 15d при толщине пробиваемого элемента c 10d;

S_1 = 25d при толщине пробиваемого элемента c = 4d.

Для промежуточных значений толщины c наименьшее расстояние следует определять по интерполяции.

Для элементов, не пробиваемых гвоздями насквозь, независимо от их толщины, расстояние между осями гвоздей следует принимать равным S_1 15d.

Расстояние вдоль волокон древесины от гвоздя до торца элемента во всех случаях следует принимать не менее S_1 = 15d.

Расстояние между осями гвоздей поперек волокон древесины при прямой расстановке гвоздей следует принимать не менее S_2 = 4d; при шахматной расстановке или расстановке их косыми рядами под углом a 45° (рисунок 13) расстояние может быть уменьшено до 3d.

Рисунок 13 - Расстановка гвоздей косыми рядами

7.22. При использовании шурупов, саморезов и глухарей в качестве нагелей, работающих на сдвиг, расстояния между их осями следует принимать по указаниям 7.18 как для стальных цилиндрических нагелей.

7.23. Несущую способность шурупов и глухарей, при расстоянии от плоскости сплачивания до конца ненарезанной части более чем два диаметра, следует определять по правилам для стальных цилиндрических нагелей. В других случаях расчет на сдвиг следует вести по внутреннему диаметру ослабленного резьбой сечения.

Соединения на гвоздях и шурупах, работающих на выдергивание

7.24. Сопротивление гвоздей выдергиванию допускается учитывать во второстепенных элементах (настилы, подшивка потолков и т.д.) или в конструкциях, где выдергивание гвоздей сопровождается одновременной работой их как нагелей.

Не допускается учитывать работу на выдергивание гвоздей, забитых в заранее просверленные отверстия, забитых в торец (вдоль волокон), а также при динамических воздействиях на конструкцию.

7.25. Расчетную несущую способность на выдергивание одного гвоздя, МН, забитого в древесину, в том числе в древесину из однонаправленного шпона, поперек волокон, следует определять по формуле

T_В.Г = R_В.Г dl_1, (61)

где:

R_В.Г - расчетное сопротивление выдергиванию на единицу поверхности соприкасания гвоздя с древесиной, которое следует принимать для воздушно-сухой древесины равным 0,3 МПа, а для сырой, высыхающей в конструкции, - 0,1 МПа;

d - диаметр гвоздя, м (см);

l_1 - расчетная длина защемленной, сопротивляющейся выдергиванию части гвоздя, м (см), определяемая согласно 7.20.

Расстояние S_3 от крайнего ряда гвоздей до продольной кромки элемента следует принимать не менее 4d.

Примечания.

1. Расстояние между гвоздями вдоль волокон древесины в элементах из осины, ольхи и тополя следует увеличивать на 50% по сравнению с указанными выше.

2. В условиях повышенной влажности или температуры, а также при расчете на действие кратковременной или постоянной и длительной временной нагрузок расчетное сопротивление выдергиванию для воздушно-сухой древесины следует умножать на коэффициенты, приведенные в таблицах 5, 7 настоящего СП.

3. При диаметре гвоздей более 5 мм в расчет вводят диаметр, равный 5 мм.

7.26. Длина защемленной части гвоздя должна быть не менее двух толщин пробиваемого деревянного элемента и не менее 10d.

Расстановку гвоздей, работающих на выдергивание, следует производить по правилам расстановки гвоздей, работающих на сдвиг (см. 7.21). При наклонной забивке расстояние до нагруженной кромки должно быть не менее 10d (рисунок 14).

Рисунок 14 - Наклонная забивка гвоздей

7.27. Расчетную несущую способность на выдергивание одного шурупа или глухаря, МН, завинченного в древесину, в том числе в древесину из однонаправленного шпона, поперек волокон, следует определять по формуле

T_В.Ш = R_В.Ш dl_1, (62)

где:

R_В.Ш - расчетное сопротивление выдергиванию шурупа или глухаря на единицу поверхности соприкасания нарезной части шурупа с древесиной, которое следует принимать для воздушно-сухой древесины равным 1 МПа;

расчетное сопротивление выдергиванию следует умножать в соответствующих случаях на коэффициенты, приведенные в 5.2;

d - наружный диаметр нарезной части шурупа, м (см);

l_1 - длина нарезной части шурупа, сопротивляющаяся выдергиванию, м (см).

Расстояние между осями шурупов должно быть не менее: S_1 = 5d; S_2 = S_3 = 4d (см. рисунок 11).

Соединения на пластинчатых нагелях

7.28. Применение дубовых или березовых пластинчатых нагелей (пластинок) допускается для сплачивания брусьев в составных элементах со строительным подъемом, работающих на изгиб и на сжатие с изгибом. Размеры пластинок и гнезд для них, а также расстановку их в сплачиваемых элементах следует принимать по рисунку 15. Направление волокон в пластинках должно быть перпендикулярно плоскости сплачивания элементов.

а - со сквозными пластинками; б - с глухими пластинками

Рисунок 15 - Соединение на пластинчатых нагелях

Сплачивание по высоте сечения более трех элементов, а также применение элементов, срощенных по длине, не допускается.

7.29. Расчетную несущую способность, кН, дубового или березового пластинчатого нагеля размерами по рисунку 13 в соединениях элементов из сосны и ели следует определять по формуле

T = 0,75b_пл, (63)

где:

b_пл - ширина пластинчатого нагеля, см, которую следует принимать равной ширине сплачиваемых элементов b_пл = b при сквозных пластинках и b_пл = 0,5b при глухих.

В случаях применения для сплачивания элементов из других древесных пород следует вводить поправочный коэффициент по таблице 4 (для скалывающих напряжений).

Для конструкций в условиях повышенной влажности или температуры, рассчитываемых на действие кратковременных или постоянной и длительной временной нагрузок, расчетную несущую способность пластинчатого нагеля следует умножать на поправочные коэффициенты по таблицам 6, 7 и 5.2, б, в.

Соединения на вклеенных стержнях

Общие требования к соединениям на вклеенных стержнях

7.30. Соединения на вклеенных стержнях являются универсальным видом соединений. Вклеенные стержни могут использоваться:

- для устройства узловых сопряжений элементов плоских и пространственных конструкций (опорных узлов, поясов и решетки в фермах, ключевых шарниров в арках, рамах и т.п.);

- для устройства жестких равнопрочных стыков сборных изгибаемых, растянутых, сжато-изгибаемых, растянуто-изгибаемых элементов (балок, арок, ферм, рам, защемленных стоек, жестких нитей, куполов, сводов и т.п.);

- для анкеровки закладных деталей, воспринимающих усилия разных направлений;

- для восприятия нормальных сжимающих усилий поперек и под углом к волокнам в опорных зонах и местах приложения сосредоточенных нагрузок;

- для узловых соединений, воспринимающих сдвиг;

- для локализации главных растягивающих напряжений в приопорных зонах клееных деревянных конструкций и в окрестностях больших сосредоточенных нагрузок;

- для увеличения несущей способности участков конструкций, в которых действуют нормальные растягивающие напряжения поперек волокон и касательные напряжения (в приопорных зонах высоких балок, в зонах глубоких подрезок или ослаблений врезками, в изгибаемых элементах с криволинейной осью и др.);

- для сплачивания КДК, поперечное сечение которых состоит из двух и более элементов;

- в виде наклонно вклеенных стержней в качестве связей сдвига составных ДК, в том числе для комбинированных конструкций с деревянными балками в виде ребер и монолитной железобетонной плитой;

- для поперечного и наклонного армирования КДК с целью повышения их сдвиговой прочности и надежности, в том числе при переменном температурно-влажностном режиме эксплуатации;

- для наклонного армирования с целью повышения сдвиговой выносливости.

Принципиальные конструктивные схемы соединений в узлах и стыках элементов для различных напряженно-деформированных состояний приведены на рисунке 16.

А - опорная реакция от расчетной нагрузки; а - в виде связей составных элементов; б - для повышения сдвиговой прочности клееной балки; в - для анкеровки закладных деталей; г, д - в опорных и других узлах конструкций; е - схема симметричного универсального жесткого стыка элементов сечением < 500 и > 600; ж - для растянутых элементов; з - для сжатых стыков с полимербетоном; и - для полигональных элементов, несимметричная схема (карниз рамы); к - для узла защемления стоек

Рисунок 16 - Используемые в проектировании соединения на наклонно вклеенных стержнях

7.31. Влажность древесины при вклеивании стержней должна быть в интервале 8-14% (в зависимости от условий эксплуатации конструкций - см. приложение Г). Не допускается использование вклеенных стержней для клееных пакетов с компенсационными прорезями (см. 7.7).

7.32. Для вклеивания используют эпоксидные клеи на базе смол ЭД20 с наполнителем - молотым песком (маршалитом) в количестве до 200 весовых частей веса смолы. При температуре окружающего воздуха выше 35 °С или необходимости обеспечения повышенной огнестойкости соединения, необходимо применение эпоксидных клеев специального состава с температурой стеклования 60 °С и выше. Вклеивание стержней и контроль качества следует производить в соответствии с приложением И.

7.33. Диаметр отверстия в древесине должен превышать диаметр вклеиваемого стержня на 4-6 мм для арматуры классов А300-А600 и на 2 мм для арматуры класса А240, круглой стали и стеклопластиковых стержней. Сверление отверстий под вклеиваемые стержни производится с помощью сверл для древесины.

Допускается использование сверл для металла, нарощенных до требуемой длины.

7.34. Стержни, вклеенные под углом к волокнам менее чем 20°, рассматриваются как вклеенные вдоль волокон, при большем угле - как вклеенные под углом к волокнам. Вклеенные поперек волокон стержни являются частным случаем стержней, вклеенных под углом к волокнам.

Соединения на стержнях, вклеенных вдоль волокон

7.35. Соединения на стержнях, вклеенных вдоль волокон древесины, допускаются только в комбинации с поперечно или наклонно вклеенными стержнями. Стержни вклеиваются в круглые отверстия или прямоугольные пазы на боковых гранях, заглубленных на 2 диаметра стержня d, но не менее чем на 25 мм (рисунок 17).

а - в цилиндрические отверстия; б - в профрезерованные пазы

Рисунок 17 - Соединения на стержнях из арматуры периодического профиля, вклеенных вдоль волокон

7.36. Расчетную несущую способность, МН, вклеиваемого стержня на выдергивание или продавливание вдоль и поперек волокон в растянутых и сжатых стыках элементов деревянных конструкций из сосны и ели следует определять по формуле

T = R_ск d_1l k_c, (64)

где:

d_1 - диаметр отверстия, м;

l - длина заделываемой части стержня, м (см), которую следует принимать по расчету, но не менее 10d и не более 30d;

k_c - коэффициент, учитывающий неравномерность распределения напряжений сдвига в зависимости от длины заделываемой части стержня, который следует определять по формуле

k_c = 1,2 - 0,02 1 ; (65)
d

R_ск - расчетное сопротивление древесины скалыванию, МПа, определяемое по поз.5, г таблицы 3.

7.37. Расстояние между осями вклеенных стержней, работающих на выдергивание или продавливание вдоль волокон, следует принимать не менее S_2 = 3d, а до наружных граней - не менее S_3 = 2d.

Соединения на стержнях, вклеенных под углом к волокнам

7.38. Расчетную несущую способность, МН, вклеиваемого под углом к волокнам стержня на выдергивание или продавливание в стыках клееных деревянных конструкций следует определять по формуле

T = Rd_1 l_p k_c k_ m_d F_a R_a, (66)

где:

R - расчетное сопротивление древесины выдергиванию или продавливанию вклеенного стержня, МПа, принимаемое по равным 4,0 МПа;

d_1 - диаметр отверстия, м;

l_p - расчетная длина стержня, м

l_p = l - l_0 25d; (67)

l - длина заделываемой части;

l_0 = 3d - глубина возможного снижения прочности клеевой прослойки при сварке; для стержней без сварки l_0 = 0;

d - диаметр вклеиваемого стержня, м;

k_c - коэффициент, учитывающий неравномерность распределения напряжений сдвига в зависимости от длины заделываемой части стержня, который следует определять по формуле

k_c = 1,2 - 0,02 l_p ; (68)
d

k_ - коэффициент, зависящий от знака нормальных напряжений вдоль волокон в зоне установки стержней;

m_d - коэффициент, учитывающий зависимость расчетного сопротивления от диаметра стержня

m_d = 1,12 - 10d (m_d = 1,12 - 0,1d); (69)

F_a - площадь сечения стержня;

R_a - расчетное сопротивление материала стержня.

Для стержней, работающих на выдергивание в зоне растягивающих напряжений, действующих вдоль волокон древесины элемента конструкции, значения коэффициента k_ следует определять по формуле

k_ = 1 - 0,01 (k_ = 1 - 0,001), (70)

где:

- максимальные растягивающие напряжения, МПа.

При работе в сжатой зоне, а также для стержней, работающих на продавливание, k_ = 1.

7.39. Минимальное расстояние от боковых граней пакета до оси стержня принимается не менее 2d и не менее 30 мм; между осями стержней по ширине пакета расстояние должно быть не менее 2d; от торца пакета вдоль волокон до оси стержня - не менее 100 мм; между стержнями вдоль волокон при угле наклона стержней к направлению волокон до 30° не менее 14d, при от 30° до 60° - 10d, при более 60° - 7,5d.

7.40. При устройстве жестких стыков в конструкциях используют два типа соединений на наклонно вклеенных стержнях.

Универсальными являются анкеры V-образной формы, которые представляют собой комбинацию как минимум из двух стержней, вклеенных наклонно по отношению к направлению волокон древесины и образующих между собой внутренний угол.

В растянутых стыках или в растянутых зонах стыков допускается применять соединения на стержнях, наклонно вклеенных в одном направлении, работающих на выдергивание и присоединенных на сварке к стальным пластинам, передающим на древесину усилия сжатия, возникающие от разложения усилий растяжения в наклонных стержнях. Работа стержней на продавливание (сжатие) в таких узлах не допускается.

7.41. Расчетная несущая способность V-образного анкера определяется исходя из расчетной несущей способности вклеенных стержней анкера, определенной по формуле (60). Усилия в каждой ветви анкера определяются путем разложения усилий от внешней нагрузки по направлениям ветвей. Внутренний угол между ветвями анкера принимается от 45° до 120°.

7.42. Проверка на прочность анкеров, сварных швов, соединительных пластин и других стальных элементов выполняется по нормам проектирования металлоконструкций.

7.43. В соединении, работающем на сдвиг, несущая способность наклонно вклеенной связи T_c, работающей на выдергивание (растяжение), кроме случая, указанного в п. 7.44, определяется по формуле

T_c = cos , (71)

где:

T - несущая способность стержня, работающего на выдергивание (7.38);

- угол наклона вклеенной связи к плоскости сдвига.

7.44. В соединении, работающем на сдвиг, несущая способность наклонно вклеенной связи T_c, работающей на продавливание (сжатие) при отсутствии рядом вклеенной связи, работающей на выдергивание (растяжение), проверяется по формуле

(N_p / T_a)^2 + Q / T_н 1, (72)

где:

N_p = T_c cos - составляющая расчетного усилия на один стержень T_c, МН, вызывающая в наклонных стержнях напряжения растяжения;

Q = T_c sin - составляющая того же усилия T_c, вызывающая в наклонных стержнях напряжения изгиба;

T_a = F_a R_a - расчетная несущая способность одного стержня по условию прочности на растяжение, МН;

F_a - площадь сечения стержня, м2;

R_a - расчетное сопротивление растяжению арматурной стали для А300 R_a = 285 МПа и для А400 R_a = 375 МПа;

T_н - расчетная несущая способность стержня на один шов из условия его работы на изгиб, МН, принимается:

а) при жестком (сварном) соединении вклеенного стержня со стальной накладкой или анкерной полосой:

T_н = 55d^2 - для арматуры А300;

T_н = 70d^2 - для арматуры А400;

б) при нежестком болтовом соединении вклеенного стержня со стальной накладкой:

T_н = 40d^2 - для арматуры A300;

T_н = 50d^2 - для арматуры А400;

d - номинальный диаметр стержня, м.

7.45. При определении числа вклеенных стержней или анкеров необходимо учитывать коэффициент их совместной работы k_с.р:

-при одном анкере или одном наклонном стержне с одной стороны стыка и на одной грани k_с.р = 1;

- при двух анкерах или двух наклонных стержнях k_с.р = 0,9;

- при большем количестве анкеров или стержней k_с.р = 0,75.

7.46. При проектировании стыков или узлов конструкций необходимо учитывать особенности конструктивной схемы. Принципиально различаются конструктивные варианты сжатой и растянутой зон стыков сжато-изгибаемых элементов ломаного сечения, например в карнизных узлах рам и т.д.

7.47. Наклонно вклеенные стержни располагаются в соединениях таким образом, чтобы в них возникали (в основном) растягивающие усилия. Возникающие при этом (от разложения сил) сжимающие усилия должны передаваться на древесину соединительными жесткими пластинами или специально вклеенными стержнями с соответствующей проверкой расчетом.

7.48. Податливость соединений на наклонно вклеенных стержнях составляет 0,001 мм/кН.

7.49. Стыки и узлы сжато-, растянуто-изгибаемых, изгибаемых и растянутых элементов сборных конструкций должны проверяться расчетом и обеспечивать восприятие перерезывающих сил, а также усилий, возникающих при сборке, кантовке, перевозке, складировании и монтаже. Для сжатых стыков большепролетных конструкций, выполненных с заполнением полимербетоном, необходимо предусматривать специальные конструктивные решения стыков на наклонно вклеенных стержнях, способные воспринимать упомянутые монтажные нагрузки и перерезывающие силы.

Соединения на вклеенных стальных нагелях

7.50. Расчетную несущую способность на сдвиг T_н, кН, вклеенного в древесину цилиндрического нагеля из стальной арматуры периодического профиля (рисунок 18) на один шов соединения элементов из сосны и ели при глубине заделки l_н 6d в направлении усилий вдоль волокон следует определять по таблице 23 с учетом 7.15. Максимальным значениям T_н соответствует l_н 8d, где номинальный диаметр стержня d и глубина заделки l, см.

а - шахматная расстановка; б - двухрядная расстановка

Рисунок 18 - Соединение на вклеенных стальных нагелях

Таблица 23

Схемы соединений Напряженное состояние соединения Расчетная несущая способность T на один шов сплачивания (условный срез), кН
1 Симметричные соединения а) смятие в средних элементах 0,5cd_0
б) смятие в крайних элементах 0,8ad_0
2 Несимметричные соединения а) смятие во всех элементах равной толщины, а также в более толстых элементах односрезных соединений 0,35cd_0
б) смятие в более толстых средних элементах двухсрезных соединений при a 0,5c 0,25cd_0
в) смятие в более тонких крайних элементах при a 0,35c 0,8ad_0
г) смятие в более тонких элементах односрезных соединений и в крайних элементах при c > a > 0,35c k_н ad_0
3 Симметричные и несимметричные соединения а) изгиб нагеля из арматуры А300 2,0d^2 +0,02(l_н)^2, но не более 3,2d^2
б) изгиб нагеля из арматуры А400 2,5d^2+0,02(l_н)^2, но не более 3,7d^2

Примечания.

1. В таблице: c - толщина средних элементов, а также равных по толщине или более толстых элементов односрезных соединений; a - толщина крайних элементов, а также более тонких элементов односрезных соединений; d - номинальный диаметр вклеенного нагеля; d_0 - диаметр отверстия; все размеры в см.

2. Смотри примечания 2-4, 7 и 8 к таблице 20.

3. Расчет нагельных соединений на скалывание производить не следует, если выполняются условия расстановки нагелей в соответствии с 7.52.

7.51 В соединениях элементов под углом к волокнам древесины несущая способность вклеенных нагелей T_н определяется в соответствии с 7.14.

7.52 Расстояния между осями вклеенных нагелей при их расстановке следует принимать вдоль волокон древесины S_1 не менее 8d_0, поперек волокон S_2 не менее 3d_0 и от кромки элемента S_3 не менее 3d_0. При шахматной расстановке нагелей минимальные расстояния S_2 = S_3 3d_0.

8. Указания по проектированию деревянных конструкций

Общие указания

8.1. При проектировании деревянных конструкций следует:

а) учитывать производственные возможности предприятий - изготовителей деревянных конструкций;

б) учитывать возможности транспортных и монтажных средств и требования дорожных служб;

в) использовать древесину с наименьшими отходами и потерями;

г) предусматривать меры по обеспечению пространственной жесткости, устойчивости и неизменяемости отдельных конструкций и всего здания или сооружения в целом в процессе монтажа и эксплуатации;

д) предусматривать мероприятия по обеспечению долговечности и требуемых показателей огнестойкости и пожарной опасности (приложение К).

8.2. Напряжения и деформации в деревянных конструкциях от изменения температуры древесины, а также от усушки или разбухания древесины вдоль волокон учитывать не следует.

8.3. При пролетах деревянных безраспорных конструкций более 30 м одна из опор должна быть подвижной, в том числе с использованием антифрикционных прокладок из фторопласта с коэффициентом трения "фторопласт - нержавеющая сталь" - 0,065.

8.4. Действие сил трения при расчете деревянных конструкций следует учитывать:

а) если равновесие системы обеспечивается только трением при условии постоянного прижатия элемента и отсутствии динамической нагрузки; при этом коэффициент трения дерева по дереву следует принимать равным:

торца по боковой поверхности - 0,3;

боковых поверхностей - 0,2;

б) если трение ухудшает условия работы конструкций и соединений, то коэффициент трения следует принимать равным 0,6.

8.5. Расчет элементов из круглых лесоматериалов на устойчивость следует производить по сечению, расположенному в середине расчетной длины элемента, а на прочность - по сечению с максимальным изгибающим моментом.

8.6. Пространственную жесткость и устойчивость деревянных конструкций следует обеспечивать постановкой горизонтальных и вертикальных связей. Расстояние между связевыми блоками следует назначать до 30 м включительно. Расстояние более 30 м должно быть обосновано расчетом.

По длине здания поперечные связи следует располагать в плоскости верхнего пояса или по верху несущих конструкций.

В качестве поясов связевых ферм следует использовать верхние пояса или все сечение несущих конструкций.

Использование профнастила, уложенного непосредственно по верху несущих конструкций, в качестве распорок и связей допускается только при специальном креплении и дополнительном обосновании в зданиях, где отсутствует химически агрессивная среда.

При использовании косого дощатого настила непосредственно по конструкциям и прогонам или двойного перекрёстного дощатого настила постановка связей жесткости в пространственном покрытии не требуется.

8.7. Размер опорной части плит покрытий должен быть не менее 5,5 см. Плиты покрытий следует прикреплять к несущей конструкции с каждой стороны соединениями, воспринимающими усилия сдвига и отрыва.

8.8. Стыки деревянных растянутых элементов следует осуществлять совмещенными в одном сечении, перекрывая их накладками на стальных цилиндрических нагелях или иных соединениях.

Конструкция стыков растянутых элементов должна обеспечивать осевую передачу растягивающего усилия.

8.9. Не следует применять узлы и стыки с соединениями на связях различной податливости, а также стыки, в которых часть деревянных элементов соединена непосредственно, а часть - через промежуточные элементы и соединения.

8.10. Элементы деревянных конструкций следует центрировать в узлах, стыках и на опорах, за исключением случаев, когда эксцентричное соединение элементов уменьшает действующий в расчетном сечении изгибающий момент. При наличии эксцентриситета, последний должен учитываться расчетом.

8.11. Элементы конструкций должны быть стянуты болтами или шпильками в узлах и стыках, а составные элементы на податливых соединениях должны быть стянуты и между узлами или соединены с помощью вклеенных стержней. Число болтов или шпилек определяется расчетом, но не менее двух в узле или стыке.

В соединениях на цилиндрических нагелях должно быть поставлено не менее трех стяжных болтов с каждой стороны стыка.

Диаметр стяжных болтов d_б следует принимать по расчету, но не менее 12 мм. Шайбы стяжных болтов должны иметь размер сторон или диаметр не менее 3d_б и толщину не менее 0,25d_б.

8.12. Площадь поперечного сечения нетто деревянных элементов сквозных несущих конструкций должна быть не менее 50 см2, а также не менее 0,5 полной площади сечения брутто при симметричном ослаблении.

8.13. Расчет деревянных конструкций на сейсмические нагрузки следует производить в соответствии со СП 14.13330.

В каркасах одноэтажных большепролетных зданий (при пролетах более 24 м) следует использовать преимущественно статически определимые конструкции.

В шарнирных узлах необходимо обеспечивать возможность их поворота без появления дополнительных внутренних усилий.

При проектировании клееных деревянных конструкций следует предусматривать мероприятия, предотвращающие скалывание древесины (например, армирование древесины вклеенными стержнями).

8.14. Для клееных конструкций переменного сечения на скошенных кромках под углом к направлению волокон следует учитывать дополнительные напряжения на площадках, параллельных волокнам древесины:

= _х tg ; (73)

_p90 = _0 = _0 tg^2 , (74)

где:

_0 - напряжения, действующие вдоль волокон древесины;

- угол между линией скоса и направлением волокон древесины.

Прогоны, обрешетки и настилы

8.15. Прогоны, обрешетки, настилы и другие изгибаемые элементы следует рассчитывать по двум предельным состояниям на прочность и прогиб. Значения максимальных прогибов должны быть не выше указанных в таблице 19. Для междуэтажных перекрытий необходимо дополнительно выполнять расчет на зыбкость.

8.16. Настилы и обрешетки под кровлю следует рассчитывать на следующие сочетания нагрузок:

а) постоянная и временная от снега (расчет на прочность и прогиб);

б) постоянная и временная от сосредоточенного груза 1 кН с умножением последнего на коэффициент перегрузки n = 1,2 и учетом коэффициента условия работы m_н согласно поз.1 таблицы 8 (расчет только на прочность).

При сплошном настиле или при разреженном настиле с расстоянием между осями досок или брусков не более 150 мм нагрузку от сосредоточенного груза следует передавать на две доски или два бруска, а при расстоянии более 150 мм - на одну доску или брусок. При двойном настиле (рабочем и защитном, направленном под углом к рабочему) сосредоточенный груз следует распределять на ширину 500 мм рабочего настила.

Составные балки

8.17. Составным балкам на податливых связях следует придавать строительный подъем путем выгиба элементов до постановки связей. Величину строительного подъема (без учета последующего распрямления балки) следует принимать увеличенной в полтора раза, по сравнению с прогибом составной балки под расчетной нагрузкой.

8.18. Брусчатые и клееные деревянные составные балки следует сплачивать не более чем из трех брусьев с помощью пластинчатых нагелей, МЗП или наклонно вклеенных стержней.

Составные балки из досок следует сплачивать с помощью гвоздей, шурупов, МЗП и др.

8.19. Расчет на прочность составных балок следует вести, руководствуясь положениями 6.9 и 6.11.

8.20. Прогиб составных балок как со строительным подъемом, так и без него следует определять по правилам строительной механики как для цельных балок такого же сечения, но с введением коэффициента k_ж к моменту инерции поперечного сечения балки, учитывающего податливость того или иного вида соединения (таблица 16).

8.21. В составных балках на наклонно вклеенных стержнях последние должны устанавливаться так, чтобы в них возникали растягивающие усилия. Стержни следует вклеивать под углом _с, равным 25°-50° к плоскости сплачивания.

Несущая способность наклонно вклеенного стержня как связи сдвига T_cc определяется по формуле

T_cc = T cos _с, (75)

где:

T - несущая способность стержня, определённая в соответствии с 7.37.

Расстояние (шаг) между вклеенными стержнями s_cc должно удовлетворять условию

M_s T_cc I_бр / S'_бр, (76)

где:

M_s - расчетная разница изгибающих моментов в начале и в конце участка s_cc между вклеенными связями;

S'_бр - статический момент брутто ветви составного элемента относительно нейтральной оси;

I_бр - момент инерции брутто поперечного сечения элемента относительно нейтральной оси.

Балки из цельной и клееной древесины

8.22. Балки следует рассчитывать по двум предельным состояниям на прочность, устойчивость плоской формы деформирования и прогиб.

8.23. Подрезка на опоре в растянутой зоне деревянных изгибаемых элементов глубиной a 0,25h допускается при условии:

A < 0,4МПа, (77)
bh

где:

A - опорная реакция от расчетной нагрузки;

b и h - ширина и высота поперечного сечения элемента без подрезки.

Длина опорной площадки подрезки c должна быть не больше высоты сечения h, a длина скошенной части подрезки c_1 - не менее двух глубин a (рисунок 19).

Рисунок 19 - Скошенная подрезка конца балки

В случае если невозможно выполнить скошенную подрезку или глубина ее превышает 0,25h, необходимо усиление зоны подрезки. Усиление производится вклеиванием поперечных (перпендикулярно волокнам) и наклонных (под углом 45° к волокнам) стержней (рисунок 20).

Рисунок 20 - Усиление подрезки на конце балки

Длина поперечных стержней должна удовлетворять условию

2a_p l_a 0,7h, (78)

где:

l_a - расчетная длина стержня;

a_p = a - 30 мм (глубина подрезки минус 30 мм на непроклей).

Расчет стержней производится с учетом того, что все растягивающее усилие воспринимается поперечно вклеенными стержнями. Наклонные стержни воспринимают сдвигающие усилия в зоне трещины и снижают касательные напряжения на приопорном участке.

Расстояние от торца подрезки должно быть 80-120 мм (120 мм для конструкций, эксплуатируемых на открытом воздухе).

Для двух поперечно вклеенных стержней должно выполняться условие

T 0,7Aa / h, (79)

где:

T - несущая способность поперечно вклеенного стержня, определенная по 7.38 при l_p = a_p;

A - опорная реакция;

h - высота сечения без учета подрезки;

a - глубина подрезки.

Для наклонно вклеенного стержня должно выполняться условие

T 25Aa^2 (h - a) / h^4, (80)

где:

T - несущая способность поперечно вклеенного стержня, определенная по 7.38, условно принимая уровень площадки опирания за местоположение шва сплачивания.

8.24. Клееным балкам с шарнирным опиранием и прямолинейной нижней гранью следует придавать строительный подъем, равный 1/200 пролета. В клееных балках допускается сочетать древесину двух сортов, используя в крайних зонах на 0,17 высоты поперечного сечения более высокий сорт, по которому назначают расчетные сопротивления (R_и).

8.25. Гнутоклееные балки с постоянной или переменной высотой поперечного сечения могут быть как двускатными, так и с верхней гранью положительной и отрицательной кривизны от 10% до 20%.

Одна из опор в таких балках, независимо от пролета, должна быть подвижной во избежание возникновения распора.

При расчете гнутоклееных балок на прочность, кроме проверки краевых тангенциальных нормальных напряжений, необходима проверка максимальных радиальных растягивающих напряжений r_max, действующих поперек волокон древесины, в соответствии с требованиями 6.13.

8.26. Двускатные гнутоклееные балки рекомендуются к применению при уклонах до 20%. В односкатных и двускатных балках переменного сечения следует учитывать влияние ската на напряжения изгиба параллельно поверхности.

В случае когда волокна древесины параллельны одной из поверхностей балки и угол ската 10° (рисунок 21), напряжения изгиба в крайних волокнах, параллельных поверхности, следует определять по формуле

_p = (1 + tg^2 ) M / W_расч R_и, (81)

а на скатной поверхности - по формуле

_с, = (1 - 4tg^2 ) M / W_расч R_с,, (82)

где R_с, - расчетное сопротивление древесины сжатию под углом к направлению волокон, определяемое по формуле (5).

Рисунок 21 - Односкатная балка

8.27. Пояса клееных балок с плоской фанерной стенкой следует выполнять из вертикально поставленных слоев (досок). В поясах балок коробчатого сечения допускается применять горизонтальное расположение слоев. Если высота поясов превышает 100 мм, в них следует предусматривать горизонтальные пропилы со стороны стенок.

Для стенок балок должны применяться водостойкая фанера или LVL толщиной не менее 8 мм.

Балки композитного сечения

8.28. Балки композитного сечения являются составными и включают деревянные ребра с вклеенными анкерами и монолитную железобетонную плиту (рисунок 22).

а - общий вид; б - поперечное сечение; в - геометрические характеристики поперечного сечения; г - опорная зона балки

Рисунок 22 - Балка композитного сечения

8.29. Изгибающие моменты, усилия и напряжения в элементах композитной балки следует, в общем случае, определять суммированием силовых факторов, возникающих на различных стадиях и этапах работы, соответствующих условиям возведения и загружения конструкции.

Для нахождения изгибающих моментов, сдвигающих и отрывающих усилий между железобетоном и деревом, внутренних напряжений, а также при определении общих деформаций работа бетона принимается, как правило, упругой, независимо от величины и знака напряжений в бетоне. При этом, в необходимых случаях учитывается ползучесть бетона.

8.30. В расчетах композитных балок, выполняемых в предположении упругой работы бетона, следует использовать коэффициенты приведения m к древесине геометрические характеристики поперечных сечений этих балок

m = E_b1 , (83)
E_д

где:

E_b1 - модуль деформации сжатого бетона;

E_д - модуль упругости древесины вдоль волокон.

Высота деревянного ребра принимается равной:

(1/15-1/25) l - для разрезных балок;

(1/20-1/30) l - для неразрезных балок, где l - пролет балок.

Толщина железобетонной плиты принимается равной 80-150 мм. Угол наклона вклеенных анкеров = 30-45°.

Расстояния между осями вклеенных анкеров вдоль волокон (см. рисунок 22) следует принимать не менее:

S_1 = 14d при = 30°;

S_1 = 10d при = 45°.

Расстояние от оси анкера до торца по направлению волокон следует принимать не менее 5d.

Расстояния в направлении поперек волокон следует принимать:

S_2 3d - между осями анкеров;

S_3 2d, но не менее 30 мм - от оси анкера до кромки.

8.31 Расчет ведется в две стадии:

1-я стадия - расчет деревянного ребра на вес железобетонной плиты;

2-я стадия - расчет на постоянные и временные нагрузки.

8.32. Напряжения по нижней грани деревянного ребра проверяют по формуле

_др = _др1 + _др2 R_p, (84)

где:

_др1 = М_1 - напряжение в ребре на первой стадии;
W_др
_др2 = М_2 - напряжение в ребре на второй стадии;
W_пр

М_1 - изгибающий момент от веса железобетонной плиты;

М_2 - изгибающий момент от расчетной нагрузки (кроме веса железобетонной плиты);

W_др - момент сопротивления деревянного ребра;

W_пр = I_пр - момент сопротивления композитного сечения, приведенного к древесине;
y

y - расстояние от нейтральной оси приведенного сечения по нижней грани балки.

8.33. Напряжения по верхней грани железобетонной плиты проверяют по формуле

b = M_2 / W_b.пр R_b, (85)

где:

W_b.пр - момент сопротивления композитного сечения, приведенного к бетону;

R_b - расчетное сопротивление бетона осевому сжатию.

8.34. Расчетная ширина железобетонной плиты принимается равной расстоянию между ребрами, но не более 1/6 пролета. При толщине плиты менее 1/10 высоты композитной балки, расчетная ширина свеса принимается не более 6-кратной толщины плиты.

8.35. Требуемое число анкеров определяется из расчета на сдвиг по плоскости скалывания плиты и ребер.

Несущая способность одного анкера на сдвиг определяется по формуле

где:

F_a - площадь поперечного сечения анкера;

R_a - расчетное сопротивление материала анкера на растяжение;

d - номинальный диаметр анкера;

R_b - расчетное сопротивление бетона на осевое сжатие (призменная прочность).

Фермы

8.36. Расчет ферм с разрезными и неразрезными поясами следует производить по деформированной схеме с учетом податливости узловых соединений. В фермах с неразрезными поясами осевые усилия в элементах и перемещения допускается определять в предположении шарнирных узлов.

Фермы следует проектировать со строительным подъемом не менее 1/200 пролета, осуществляемым в клееных конструкциях путем выгиба по верхнему и нижнему поясам.

8.37. Расчетную длину сжатых элементов ферм при расчете их на устойчивость в плоскости фермы следует принимать равной расстоянию между центрами узлов, а из плоскости - между точками закрепления их из плоскости.

8.38. Элементы решетки ферм следует центрировать в узлах. В случае нецентрированных узлов ферм следует учитывать возникающие в элементах изгибающие моменты. Стыки сжатых поясов ферм следует располагать в узлах или вблизи узлов, закрепленных от выхода из плоскости ферм.

Особенности проектирования линзообразных ферм на вклеенных связях

8.39. Фермы могут быть сборными из клееной древесины или металлодеревянными с нижним поясом и деталями решетки из стали. Фермы различают по виду сопряжения верхнего и нижнего поясов. На рисунке 23 показана схема с жестким узлом сопряжения.

Рисунок 23 - Схемы линзообразных ферм

Высота фермы в середине пролета: (1/9)L < H < (1/6)L.

Рекомендуемые пролеты таких ферм составляют 18-100 м.

8.40. Элементы решетки следует располагать под углом 30°-60° к вертикали. Крепление решетки к поясам следует осуществлять при помощи нагелей или на вклеенных стержнях. Расчет и конструирование следует выполнять согласно 7.30-7.46.

8.41. Опорные узлы линзообразных ферм являются наиболее нагруженными и ответственными. При жестком сопряжении поясов их следует проектировать на наклонно вклеенных стержнях (рисунок 24).

Рисунок 24 - Схема опорного узла линзообразной фермы

Число вклеенных стержней n_c определяется по формуле

n_c = N_c / Tk_с.р cos , (87)

где:

N_c - усилие сдвига по плоскости сплачивания верхнего и нижнего поясов;

T - несущая способность вклеенного стержня (см. 7.38);

- угол наклона стержней к плоскости сплачивания, назначаемый в пределах 30°-50°;

k_с.р - коэффициент совместности работы вклеенных связей.

При равномерной расстановке связей k_с.р = 0,75, при расстановке не менее 30% крайних к опоре связей в виде двух вклеенных стержней по ширине сечения k_с.р = 0,85.

8.42. Площадку сплачивания верхнего и нижнего поясов следует проверять на смятие под углом к волокнам по формуле

_см, = V cos / (bl_c) + N_c tg / (n_c b s_1 k_с.р) R_см,, (88)

где:

V - вертикальная опорная реакция;

- угол наклона плоскости сплачивания верхнего и нижнего поясов к горизонту;

b - ширина сечения фермы;

s_1 - шаг вклеенных связей;

R_см, - расчетное сопротивление древесины смятию под углом к волокнам, определяемое по формуле (2);

- больший из углов наклона плоскости сплачивания к волокнам верхнего и нижнего поясов.

Если условие не выполняется, следует увеличить шаг связей или усилить древесину стержнями, вклеенными перпендикулярно плоскости сплачивания.

Шаг вклеенных стержней усиления s_1y следует определять по формуле

s_1y = T / (b (_см, - R_см,)), (89)

где T - несущая способность вклеенного стержня усиления (см. 7.38).

8.43. Сборные фермы могут состоять из нескольких отправочных марок. Расположение укрупнительных узлов следует определять транспортными и технологическими требованиями. В нижнем поясе следует располагать минимально возможное количество стыков.

8.44. Стыки верхнего пояса следует конструировать с передачей осевых усилий на торцы элементов посредством полимербетона, обеспечивающего равномерное распределение напряжений по высоте поперечного сечения.

8.45. Растянутые и сжатые стыки поясов должны быть рассчитаны на монтажные усилия при кантовке и подъеме ферм. Они должны обладать достаточной жесткостью из плоскости и воспринимать усилия обратного знака.

8.46. Расчет фермы необходимо осуществлять с учетом следующих особенностей:

а) усилия в поясах следует определять из условия их неразрезности; следует учитывать изгибающие моменты, возникающие в опорных узлах, выполненных на наклонно вклеенных связях;

б) усилия в решетке допускается определять из условия шарнирных узлов сопряжения ее элементов с поясами.

Особенности проектирования дощатых ферм с соединениями в узлах на МЗП

8.47. Дощатые фермы с соединениями в узлах на металлических зубчатых пластинах (МЗП) применяют в зданиях II и III классов ответственности (см. приложение Г) V степени огнестойкости. Фермы изготавливают из древесины хвойных пород шириной от 100 до 200 мм, толщиной от 40 до 70 мм.

8.48. Расчетная схема ферм предполагает шарнирное закрепление элементов решетки к неразрезным поясам. Стыкование досок поясов по длине - шарнирное, вне зоны узлов крепления решетки.

8.49. Высоту ферм рекомендуется принимать не менее 1/5 пролета. При меньшей высоте ферм расчет необходимо производить с учетом линейной податливости стержней в узлах. При этом в расчете следует учитывать, что при усилиях, соответствующих расчетной несущей способности соединений, деформации стержней в узлах составляют 1,5 мм.

8.50. Пояса ферм рассчитывают как сжато-изгибаемые и растянуто-изгибаемые элементы. Элементы решетки допускается рассматривать как центрально-сжатые и центрально-растянутые. Ослабление сечения гнездами от зубьев МЗП не учитывается.

8.51. Расчетная несущая способность соединений на МЗП зависит от типа пластин с заданной геометрией зубьев. Высота зубьев рекомендуется не более 12-кратной толщины пластины. Толщина стальной пластины составляет от 1 до 2 мм. Расчетная несущая способность соединений R определяется по результатам испытаний образцов с конкретными типами МЗП на 1 см2 поверхности пластины, в зависимости от угла наклона оси пластины к действующему усилию и от угла наклона оси пластины к направлению волокон древесины .

Вследствие различной перфорации пластин при выштамповке зубьев разной формы расчетные характеристики МЗП при растяжении R_p и срезе R_ср при различном направлении усилия к оси пластин определяются по результатам испытаний образцов.

8.52. Условие прочности соединений

N < R2F, (90)

где:

N - нормальное усилие в стержне;

R - расчетная несущая способность соединения на 1 см2;

F - расчетная площадь поверхности МЗП с одной стороны стыка, определяемая за вычетом площадей участков пластин в виде полос шириной 10 мм, примыкающих к линиям сопряжения элементов фермы.

8.53. Условие прочности МЗП при растяжении

N_p = 2R_p b, (91)

где:

b - размер пластины в направлении, перпендикулярном направлению усилия, без учета перфорации;

R_p - расчетная несущая способность пластины на растяжение.

8.54. Условие прочности МЗП при срезе

Q =2R_ср l_ср ,(92)

где:

l_ср - длина среза сечения пластины без учета перфорации;

R_ср - расчетная несущая способность пластины на срез;

Q - сдвигающее усилие в узле.

8.55. При совместном действии на пластину усилий среза и растяжения должно выполняться условие

( N )^2 + ( Q )^2 1. (93)
2R_p b 2R_ср l_ср

Арки и своды

8.56 Арки и своды следует рассчитывать на прочность в соответствии с указаниями 6.17 и на устойчивость в плоскости кривизны по формуле (3) с учетом 6.17, причем расчетную длину элементов l_0 следует принимать:

а) при расчете на прочность по деформированной схеме:

для двухшарнирных арок и сводов при симметричной нагрузке l_0 = 0,35S;

для трехшарнирных арок и сводов при симметричной нагрузке l_0 = 0,58S;

для двух- и трехшарнирных арок и сводов при кососимметричной нагрузке - по формуле

где:

- центральный угол полуарки, рад;

S - полная длина дуги арки или свода.

Для трехшарнирных стрельчатых арок с углом перелома в ключе более 10° при всех видах нагрузки l_0 = 0,5S.

При расчете трехшарнирных арок на несимметричную нагрузку расчетную длину допускается принимать равной l_0 =0,58S;

б) при расчете на устойчивость в плоскости кривизны для двух- и трехшарнирных арок и сводов l_0 =0,58S.

Расчет трехшарнирных арок на устойчивость плоской формы деформирования следует производить по 6.18.

8.57. При расчете арок на прочность по деформированной схеме и на устойчивость плоской формы деформирования величины N и M_д следует принимать в сечении с максимальным моментом (для проверяемого случая нагружения), а коэффициенты или _c и _k следует определять по формуле (27) с подстановкой в нее значения сжимающей силы N_0 в ключевом сечении арки; расчет арок на устойчивость в плоскости кривизны следует производить по формуле (3) на ту же сжимающую силу N_0.

Рамы

8.58. Расчет на прочность элементов трехшарнирных рам в их плоскости допускается выполнять по правилам расчета сжато-изгибаемых элементов с расчетной длиной, равной длине полурамы по осевой линии.

8.59. Устойчивость плоской формы деформирования трехшарнирных рам, закрепленных по внешнему контуру, допускается проверять по формулам 6.18. При этом для рам из прямолинейных элементов, если угол между осями ригеля и стойки более 130°, и для гнуто-клееных рам расчетную длину элемента следует принимать равной длине осевой линии полурамы. При угле между стойкой и ригелем меньше 130° расчетную длину ригеля и стойки следует принимать равной длинам их внешних подкрепленных кромок.

Опоры воздушных линий электропередачи

8.60. Для элементов деревянных опор воздушных линий электропередачи допускается применять круглый лес, пиломатериалы и клееную древесину.

8.61. Для основных элементов опор (стоек, приставок, траверс) диаметр бревна в верхнем отрубе должен быть не менее 18 см для ЛЭП напряжением 110 кВ и выше и не менее 16 см для ЛЭП напряжением 35 кВ и ниже.

Диаметр приставок (пасынков, свай) опор ЛЭП напряжением 35 кВ и выше должен быть не менее 18 см. Для вспомогательных элементов опор диаметр бревен в верхнем отрубе должен быть не менее 14 см.

8.62. Сопряжение элементов опор ЛЭП следует, как правило, выполнять без врубок.

8.63. Диаметр болтов должен быть не менее 16 мм и не более 27 мм.

Конструкционные требования по обеспечению надежности деревянных конструкций

8.64. Конструкционные меры, обеспечивающие просыхание элементов деревянных конструкций и их защиту от увлажнения, обязательны независимо от срока службы здания или сооружения, а также от того, производится химическая защита древесины или нет.

В тех случаях когда древесина имеет повышенную начальную влажность и быстрое просыхание ее в конструкции затруднено, а также в случаях когда конструкционными мерами нельзя устранить постоянное или периодическое увлажнение древесины, следует применять химические меры защиты (консервирование, антисептирование, гидрофобизацию, влагозащитные покрытия и др.). Сказанное относится также к конструкциям из фанеры и древесно-плитных материалов.

8.65. Конструкционные меры должны предусматривать:

а) предохранение древесины конструкций от непосредственного увлажнения атмосферными осадками, грунтовыми и талыми водами (за исключением опор воздушных линий электропередачи), эксплутационными и производственными водами;

б) предохранение древесины конструкций, капиллярного и конденсационного увлажнения;

в) систематическую просушку древесины конструкций путем создания осушающего температурно-влажностного режима (естественная и принудительная вентиляция помещения, устройство в конструкциях и частях зданий осушающих продухов, аэраторов).

8.66. Несущие деревянные конструкции (фермы, арки, балки и др.) должны быть открытыми, хорошо проветриваемыми, по возможности доступными во всех частях для осмотра, а также для проведения профилактического ремонта, включающего работы по химической защите элементов конструкций.

8.67. В отапливаемых зданиях и сооружениях несущие конструкции следует располагать так, чтобы они целиком находились либо в пределах отапливаемого помещения, либо вне его.

Допускается при соответствующем обосновании располагать несущие деревянные клееные конструкции (балки, рамы, арки) частично внутри отапливаемого помещения, а частично снаружи. При этом конструкции должны иметь прямоугольное сплошное сечение и усиленную защиту в местах пересечений ограждающих конструкций (стен, перекрытий, покрытий) от увлажнения и биоразрушения.

8.68. Не допускается заделка поясов, опорных и промежуточных узлов, концов элементов решетки ферм в толщу стен, совмещенных покрытий или чердачных перекрытий.

Опорные части несущих конструкций (ферм, арок, балок) при размещении их в гнездах каменных стен должны быть открыты. Запрещается заделывать наглухо зазоры между стенками гнезд и опорными частями конструкций кирпичом, раствором, герметизирующими материалами и т.п.

В наружных каменных стенах отапливаемых зданий и сооружений, а также во внутренних стенах, разделяющих отапливаемые и неотапливаемые помещения, задние стенки гнезд следует утеплять во избежание их промерзания, в соответствии с теплотехническим расчетом.

8.69. Для несущих конструкций, имеющих на опорах металлические башмаки (фермы, арки и др.), опирание на наружные каменные стены отапливаемых зданий и сооружений с выделкой гнезд не допускается из-за опасности выпадения конденсата на металле. Такие конструкции следует опирать на железобетонные опоры (колонны), пилястры стен и другие опоры, выступающие внутрь помещения.

8.70. В местах опирания несущих конструкций на фундамент, каменные стены, пилястры, железобетонные колонны между древесиной конструкций и более теплопроводным материалом опоры следует вводить гидроизоляционные прокладки.

В том случае если опорная часть несущих конструкций устанавливается на деревянные подкладки (подушки), последние также следует отделять от более теплопроводного материала опоры гидроизоляционными прокладками. Подкладки (подушки) должны изготавливаться из древесины твердых лиственных пород и консервироваться невымываемыми или трудновымываемыми биозащитными составами.

8.71. При эксплуатации конструкций в условиях, где возможно выпадение конденсата на металлических поверхностях, следует принимать меры по предохранению древесины от увлажнения в местах контакта с металлическими крепежными элементами (накладки, уголки, шайбы под болты и пр.). Для этого между древесиной и металлическим элементом следует вводить гидроизоляционный слой (мастику, прокладки из рулонных гидроизоляционных материалов, эластичные прокладки или уплотнительные ленты).

8.72. При расположении деревянных рам, арок и стоек (колонн) внутри помещений обрез опоры следует устраивать на такой высоте от уровня пола, чтобы в процессе эксплуатации исключалась возможность увлажнения опорного узла.

В том случае если опорная часть несущей конструкции находится на открытом воздухе, обрез фундамента должен быть устроен так, чтобы обеспечивался быстрый отвод воды, попадающей на него в виде атмосферных осадков, и исключалось затопление опорного узла дождевыми и талыми водами.

8.73. Деревянные покрытия следует проектировать, как правило, с наружным отводом воды.

8.74. В зданиях и сооружениях с повышенной влажностью воздуха (более 85%), а также с сильной и средней химически агрессивной средой несущие деревянные конструкции должны иметь сплошное сечение и минимальное число металлических элементов. Применение металлодеревянных конструкций в таких зданиях и сооружениях следует максимально ограничивать.

В зданиях с химически агрессивной средой следует также ограничивать применение сквозных несущих конструкций из-за наличия большого числа промежуточных узлов и открытых горизонтальных и наклонных граней у деревянных элементов решетки, на которых скапливается химически агрессивная пыль.

По возможности, в этих зданиях следует применять объемно-планировочные решения, предусматривающие вынос несущих конструкций за пределы помещения с агрессивной средой (устройство подвесного потолка, чердачного перекрытия).

8.75. Несущие конструкции, эксплуатируемые на открытом воздухе, должны иметь сплошное массивное сечение и изготавливаться из брусьев, круглого леса или из клееной древесины. Конструкции из брусьев или круглого леса следует проектировать с зазорами между элементами вне зон соединений, которые способствуют более быстрому высыханию древесины в процессе эксплуатации.

В открытых сооружениях необходимо в максимальной степени использовать средства, предохраняющие деревянные элементы конструкций от прямого попадания на них атмосферной влаги.

Для защиты от атмосферных осадков открытые горизонтальные и наклонные грани ответственных несущих конструкций следует защищать досками, консервированными биозащитными составами, козырьками из атмосферо- и коррозиестойкого материала.

8.76. Опорные части и узловые соединения несущих конструкций, эксплуатируемые на открытом воздухе или в зданиях с повышенной влажностью, следует проектировать таким образом, чтобы концы элементов были, по возможности, хорошо проветриваемыми и имели минимальную площадь контакта с металлом. Следует избегать использования глухих металлических башмаков при опирании несущих конструкций на фундамент в коньковых узлах арок, рам и др.

8.77. В зданиях, где возможно образование конденсата на потолочных поверхностях, верхние грани несущих конструкций (ферм, рам, арок и др.), на которые опираются плиты покрытий, следует защищать досками толщиной не менее 30 мм, консервированными невымываемыми или трудновымываемыми биозащитными составами, с последующей укладкой поверху двух слоев рулонного гидроизоляционного материала.

Устройство ендов в совмещенных покрытиях не допускается.

8.78. В ограждающих конструкциях отапливаемых зданий и сооружений должно быть исключено влагонакопление в процессе эксплуатации. В панелях стен и плитах покрытий следует предусматривать вентиляционные продухи, сообщающиеся с наружным воздухом, а в случаях, предусмотренных теплотехническим расчетом, использовать пароизоляционный слой.

8.79. Пароизоляцию ограждающих конструкций следует предусматривать из рулонных и пленочных материалов, окрасочную или обмазочную.

Рулонная и пленочная пароизоляции должны применяться в ограждающих конструкциях, у которых обшивки соединены с каркасом на податливых соединениях (гвозди, шурупы, скобки). При этом пароизоляционный слой должен быть сплошным и непрерывным (рулонные полотнища склеивают, пленки сваривают или склеивают) и укладываться между каркасом и обшивкой.

Окрасочная (обмазочная) пароизоляция должна применяться в ограждающих конструкциях с соединением обшивок на клею. Наносится такая пароизоляция на внутренние поверхности обшивки. Окрасочную пароизоляцию, если она совмещает функцию влагозащитного покрытия, допускается размещать и на наружной поверхности обшивки.

8.80. Вентилирование плит покрытия под рулонную кровлю должно осуществляться через продухи, специально устраиваемые между наружной обшивкой и утеплителем.

В плитах покрытия под кровлю из волнистых листов, профилированного металлического настила такие продухи не устраивают. Карнизный узел должен проектироваться так, чтобы наружный воздух имел свободный доступ под кровельные листы. Не допускается закрывать снаружи подкровельное пространство от задувания снега с помощью гребенок без оставления продухов для вентиляции.

8.81. Стеновые панели с каркасом из древесины, фанеры или древесно-плитных материалов должны устанавливаться на фундамент или цокольную панель таким образом, чтобы наружный воздух мог свободно поступать в них снизу через вентиляционные продухи и выходить у карниза. Не допускается устанавливать панели на фундамент (цокольную стеновую панель) без прокладки гидроизоляционного слоя, герметизации и утепления швов между ними.

Не допускается использовать для наружной обшивки стеновых панелей отапливаемых зданий паронепроницаемые материалы при отсутствии между обшивкой и заполнением вентиляционного продуха.

8.82. В целях предохранения наружных стен от намокания расстояние от отмостки до низа панелей должно быть не менее 40 см, а вынос карниза (свес кровли) при неорганизованном водоотводе - не менее 50 см.

Приложение А
(справочное)

ПЕРЕЧЕНЬ НОРМАТИВНЫХ ДОКУМЕНТОВ

СНиП 2.03.11-85 Защита строительных конструкций от коррозии

СП 20.13330.2011 "СНиП 2.01.07-85* Нагрузки и воздействия"

СНиП 31-06-2009 Общественные здания и сооружения

СП 16.13330.2011 "СНиП II-23-81* Стальные конструкции"

СП 14.13330.2011 "СНиП II-7-81* Строительство в сейсмических районах"

ГОСТ 4.208-79 СПКП. Строительство. Конструкции деревянные клееные. Номенклатура показателей

ГОСТ 2695-83 Пиломатериалы лиственных пород. Технические условия

ГОСТ 3916.1-96* Фанера общего назначения с наружными слоями из шпона лиственных пород. Технические условия

ГОСТ 3916.2-96* Фанера общего назначения с наружными слоями из шпона хвойных пород. Технические условия

ГОСТ 8486-86 Пиломатериалы хвойных пород. Технические условия

ГОСТ 9077-82* Кварц молотый пылевидный. Общие технические условия

ГОСТ 9462-88 Лесоматериалы круглые лиственных пород. Технические условия

ГОСТ 9463-88 Лесоматериалы круглые хвойных пород. Технические условия

ГОСТ 11539-83* Фанера бакелизированная. Технические условия

ГОСТ 13913-78 Пластики древесные слоистые (ДСП). Технические условия

ГОСТ 15613.4-78* Древесина клееная массивная. Методы определения предела прочности зубчатых клеевых соединений при статическом изгибе

ГОСТ 17005-82 Конструкции деревянные клееные. Метод определения водостойкости клеевых соединений

ГОСТ 18321-73* Статистический контроль качества. Методы случайного отбора выборок штучной продукции

ГОСТ 20850 Конструкции деревянные клееные. Общие технические условия

ГОСТ 21554.2-81* Пиломатериалы и заготовки. Метод определения предела прочности при статическом изгибе

ГОСТ 21554.4-78* Пиломатериалы и заготовки. Метод определения предела прочности при продольном сжатии

ГОСТ 21554.5-78* Пиломатериалы и заготовки. Метод определения предела прочности при продольном растяжении

ГОСТ 21554.6-78* Пиломатериалы и заготовки. Метод определения предела прочности при скалывании вдоль волокон

ГОСТ 27751-88 Надежность строительных конструкций и оснований. Основные положения по расчету

ГОСТ 27812-2005 Конструкции деревянные клееные. Методы определения стойкости клеевых соединений к расслаиванию

ГОСТ 30247.0-94 Конструкции строительные. Методы испытаний на огнестойкость. Общие требования

ГОСТ 30247.1-94 Конструкции строительные. Методы испытаний на огнестойкость. Несущие и ограждающие конструкции

ГОСТ 30403-96 Конструкции строительные. Метод определения пожарной опасности

ГОСТ Р 53292-2009 Огнезащитные составы и вещества для древесины и материалов на ее основе. Общие требования. Методы испытаний

Приложение Б
(обязательное)

ДОПОЛНИТЕЛЬНЫЕ ТРЕБОВАНИЯ К КАЧЕСТВУ ДРЕВЕСИНЫ

К древесине элементов цельнодеревянных и слоям клееных конструкций кроме требований ГОСТ 8486 на пиломатериалы хвойных пород и ГОСТ 9463 на круглые лесоматериалы должны предъявляться дополнительные требования:

а) ширина годичных слоев в древесине элементов и слоев классов К26 и К24 должна быть не более 5 мм, а содержание в них поздней древесины - не менее 20%;

б) в слоях клееных изгибаемых элементов классов К26 и К24 для крайней растянутой зоны (на 0,15 высоты сечения) и в цельнодеревянных элементах толщиной 60 мм и менее, работающих на ребро при изгибе или на растяжение, не допускается сердцевина;

в) в конструкциях из клееной древесины с использованием вклеенных стержней в слоях не допускаются компенсационные прорези.

Приложение В
(обязательное)

НОРМАТИВНЫЕ И ВРЕМЕННЫЕ СОПРОТИВЛЕНИЯ ЭЛЕМЕНТОВ ДК ИЗ ДРЕВЕСИНЫ СОСНЫ, ЕЛИ И ДРЕВЕСИНЫ ИЗ ОДНОНАПРАВЛЕННОГО ШПОНА (LVL)

В.1 Величину нормативного сопротивления материалов R(н), МПа, определяют из условия

R(н) = R(вр) (1 - 1,65), (B.1)

где:

- коэффициент вариации показателей прочности по данным испытаний;

R(вр) - величина временной прочности материала (среднее значение распределения), МПа;

1,65 - квантиль в предполагаемой статистической функции распределения с обеспеченностью 0,95, для которой определяется нормативное сопротивление.

Временные и нормативные сопротивления устанавливают испытаниями при режиме нагружения А (таблица В.1) при влажности древесины 12% по ГОСТ на соответствующие виды испытания. Для древесины сосны и ели они приведены в таблице В.2, а для LVL - в таблице В.3.

Таблица В.1

Обозначение режимов нагружения Характеристика режимов нагружения Приведенное расчетное время действия нагрузки, c Значение коэффициента длительной прочности m_дл
А Линейно возрастающая нагрузка при стандартных машинных испытаниях 1-10 1,0
Б Совместное действие постоянной и кратковременной ветровой нагрузок 10^3-10^4 0,8
В Совместное действие постоянной и кратковременной снеговой нагрузок 10^6-10^7 0,66
Г Совместное действие постоянной и длительной временной нагрузок, напряжение от которых превышает 80% от полного напряжения в элементах конструкций от всех нагрузок 10^8-10^9 0,53
Д Совместное действие постоянной и сейсмической нагрузок 10-10^2 0,92
Е Действие импульсивных и ударных нагрузок 10^(-1)-10^(-8) 1,1-1,35
Ж Совместное действие постоянной и кратковременной снеговой нагрузок в условиях пожара 10^(3)-10^(4) 0,8

Таблица В.2

Вид напряженного состояния   R(н) , МПа, элементов классов/сортов   R(н)_ч , МПа, чистой древесины
  R(вр)   R(вр)_ч
К26/1 К24/2 К16/3
1 Изгиб:
а) при нагружении кромки 26
36
24
33
16
22
-
б) при нагружении пласти 30
42
27
37,5
20
28
57
80
2 Сжатие вдоль волокон 25
33
23
31
15
20
33
44
3 Растяжение вдоль волокон 20
34
15
25
- 60
100
4 Скалывание вдоль волокон 3,6
6
3,2
5
3,2
5
4,56
7

Примечания.

1. Размеры поперечных сечений испытываемых образцов пиломатериалов принимаются в соответствии с их толщиной по сортаменту.

2. Временные сопротивления следует определять: для пиломатериалов и заготовок из них цельных и стыкованных на зубчатое соединение - по испытаниям согласно ГОСТ 15613.4; ГОСТ 21554.2; ГОСТ 21554.4; ГОСТ 21554.5; ГОСТ 21554.6; для чистой древесины - по испытаниям малых образцов в соответствии с требованиями ГОСТ 4.208. При выборочных контрольных испытаниях следует руководствоваться ГОСТ 18321.

3. Прочность древесины брусьев и круглых лесоматериалов допускается оценивать визуально по сортообразующим признакам и дополнительным требованиям приложения Г.

4. Прочность слоев клееных конструкций и элементов цельнодеревянных конструкций, срощенных по длине на зубчатый шип, при испытаниях на изгиб и нагружении по пласти должна быть не ниже значений, указанных в поз.16 для соответствующего класса (сорта).

Таблица В.3

N п.п. Напряженное состояние R_н / R_вр, МПа, для сортов/классов прочности LVL
1/К45 2/К40 3/К35
1 Изгиб 45/61 40/53 35/47
2 Сжатие в плоскости листа вдоль волокон 37/49 35/47 32/42
3 Сжатие в плоскости листа поперек волокон 6,0/8,8 5,8/8,5 5,6/8,2
4 Сжатие из плоскости листа поперек волокон 3,0/4,4 2,8/4,1 2,8/4,1
5 Растяжение вдоль волокон 38/51 36/49 34/46
6 Растяжение поперек волокон в плоскости листа 0,9/1,4 0,9/1,4 0,9/1,4
7 Скалывание вдоль волокон поперек плоскости листа 4,9/7,0 4,7/6,8 4,7/6,8
8 Скалывание вдоль волокон в плоскости листа 3,8/5,3 3,6/5,0 3,4/4,7

В.2 Расчетные сопротивления R_p определяют по формуле

R(p) = R(н) m_дл / _m _н(сс)) (B.2)

при обеспеченности 0,99 с учетом коэффициента надежности по материалу _m, определяемому из условия перехода от обеспеченности 0,95 для R(н) к обеспеченности 0,99 для R_p(2,33) по выражению

_m (1 - ) / (1 - _p ) , (В.3)

где:

_н, _p - квантили для обеспеченности 0,95 для R_н(1,65) и обеспеченности 0,99 для R_p(2,33);

- коэффициент вариации;

_н(сс) - коэффициент надежности, учитывающий срок службы конструкций.

Приложение Г
(обязательное)

КЛАССИФИКАЦИЯ ДК

Г.1 ДК подразделяют (классифицируют) по основным признакам:

- функциональному назначению;

- условиям эксплуатации;

- сроку службы.

Г.2 По функциональному назначению ДК подразделяют на классы, исходя из учета уровня ответственности зданий и сооружений, для которых используются конструкции, согласно требованиям раздела 5 ГОСТ 27751 к уровням ответственности зданий и сооружений:

1а - особо высокий уровень ответственности:

- сооружения с пролетами более 100 м;

- объекты жизнеобеспечения городов и населенных пунктов;

1б - высокий уровень ответственности:

- здания основных музеев, государственных архивов, административных органов управления; здания хранилищ национальных и культурных ценностей;

- зрелищные объекты, крупные учреждения здравоохранения и торговые предприятия с массовым нахождением людей;

- сооружения с пролетом более 60 м;

- здания высших и средних учебных заведений, школ, дошкольных учреждений;

- общественные и административные здания высотой более 75 м;

- мачты и башни сооружений связи и телерадиовещания высотой более 100 м.

Примечание - Объекты с высоким уровнем ответственности, при проектировании и строительстве которых используются принципиально новые конструктивные решения, не прошедшие проверку в практике строительства и эксплуатации, должны быть отнесены к особо высокому уровню ответственности 1а.

2 - нормальный уровень ответственности:

- жилые здания и другие объекты массового строительства, не вошедшие в 1а, 1б и 3 классы;

- основные объекты машиностроения, перерабатывающих и других отраслей;

3 - пониженный уровень ответственности:

- теплицы, парники, мобильные здания (сборно-разборные и контейнерного типа);

- склады временного содержания;

- бытовки вахтового персонала и другие подобные сооружения с ограниченными сроками службы и пребыванием в них людей.

Для различных элементов зданий допускается применять различные уровни ответственности.

Г.3 В зависимости от условий эксплуатации, конструкции относят к группам эксплуатации, учитывающим эксплуатационные параметры относительной влажности, температуры воздуха в зоне расположения конструкций, характерные условия эксплуатации (в закрытых или открытых условиях). Определяющим параметром является эксплуатационная влажность древесины, которую условно можно принять равной равновесной влажности древесины (рисунок Г.1). Учет групп условий эксплуатации осуществляется для назначения поправочных коэффициентов к расчетным сопротивлениям древесины, выбора типа клеев и защитных материалов при проектировании конструкций, а также для выбора системы контроля качества при изготовлении конструкций. Группы эксплуатации приведены в таблице Г.2.

Рисунок Г.1 - Диаграмма равновесной влажности древесины

Г.4. Необходимые меры по обеспечению долговечности конструкций зданий и сооружений с учетом конкретных условий эксплуатации проектируемых объектов, а также расчетные сроки их службы должен определять генпроектировщик по согласованию с заказчиком. Примерные сроки службы сооружений приведены в таблице Г.1.

Таблица Г.1

Наименования объектов Примерные сроки службы
Временные здания и сооружения (бытовки строительных рабочих и вахтового персонала, склады временные, летние павильоны и т.п.) До 10 лет
Сооружения, эксплуатируемые в условиях сильноагрессивных сред (сосуды и резервуары, трубопроводы предприятий нефтеперерабатывающей, газовой и химической промышленности, сооружения в условиях морской среды и т.п.) Не менее 25 лет
Здания и сооружения массового строительства в обычных условиях эксплуатации (здания жилищно-гражданского и производственного строительства) Не менее 50 лет
Уникальные здания и сооружения (здания основных музеев, хранилищ национальных и культурных ценностей, произведения монументального искусства, стадионы, театры, здания высотой более 75 м, большепролетные сооружения и т.п.) 100 лет и более

Таблица Г.2 - Учет классов условий эксплуатации при проектировании и изготовлении конструкций

Классы условий эксплуатации Дополнительные характеристики условий эксплуатации конструкций Особенности учета классов при: Примечания
основные подклассы расчете конструкций изготовлении конструкций  
1 2 3 4 5 6
1 1.1 При сухом режиме помещений от 40 до 50% влажности в отопительный сезон Учет влияния влажности на прочность древесины не требуется, т.к. ожидаемая эксплуатационная влажность не превышает значение 12%, для которого установлены нормативные величины прочности Влажность древесины слоев клееных конструкций не должна превышать 9% для подкласса 1.1 и 12% для подкласса 1.2, а элементов из цельной древесины - 18-20% для обоих подклассов. Соответствует требованиям класса I по EN 386 [4]
Клеевые соединения не требуют аттестации по водостойкости, а показатель на расслаивание по ГОСТ 27812 для несущих конструкций не должен превышать 10%.
Защитные меры элементов конструкций должны назначаться согласно требованиям СНиП 2.03.11.
1.2 При нормальном режиме помещений Соответствует требованиям класса I по EN 386 [4]
2 2.1 При влажном режиме отапливаемых помещений При расчете необходимо вводить коэффициент условий работы, т.к. эксплуатационная влажность превысит 12% Влажность древесины слоев клееных конструкций не должна превышать 15%. Соответствует требованиям класса II по EN 386 [4], а также классов 1, 2 по EN 335 [3] и классу D2 по EN 204 [2]
Клеевые соединения должны быть аттестованы не ниже средней степени водостойкости по ГОСТ 17005, а показатель на расслаивание по ГОСТ 27812 для несущих конструкций не должен превышать 5%.
Защитные меры элементов конструкций должны назначаться согласно требованиям СНиП 2.03.11.
2.2 В неотапливаемых помещениях в сухой и нормальных зонах влажности
3 3.1 При мокром режиме эксплуатации помещений или под навесом во влажной зоне влажности То же, в связи с повышением влажности до 20% и более Влажность древесины слоев клееных конструкций не должна превышать 15%. Соответствует требованиям класса III по EN 386 [4], а также классов 3.1, 3.2 по EN 335 [3] и классов D2, D4 по EN 204 [2]
Клеевые соединения должны быть аттестованы не ниже повышенной степени водостойкости по ГОСТ 17005, а показатель на расслаивание по ГОСТ 27812 для несущих конструкций не должен превышать 3%.
Защитные меры элементов конструкций должны назначаться согласно требованиям СНиП 2.03.11.
3.2 При мокром режиме эксплуатации отапливаемых помещений или при искусственных тепловыделениях в неотапливаемых помещениях  
3.3 В открытых атмосферных условиях
4 4.1 При контакте с грунтом То же То же Соответствует требованиям класса 4.1 по EN 335 [3]
4.2 В воде Соответствует требованиям классов 4.2 и 5 по EN 335 [3]

Приложение Д
(обязательное)

ПЛОТНОСТЬ ДРЕВЕСИНЫ, ФАНЕРЫ И LVL

Порода древесины Плотность древесины, кг/м3, в конструкциях для условий эксплуатации по таблице 1
  1А, 1 и 2 3 и 4
Хвойные:
лиственница 650 800
сосна, ель, кедр, пихта 500 600
Твердые лиственные:
дуб, береза, бук, ясень, клен, граб, акация, вяз и ильм 700 800
Мягкие лиственные:
осина, тополь, ольха, липа 500 600

Примечания.

1. Плотность свежесрубленной древесины хвойных и мягких лиственных пород следует принимать равной 850 кг/м3, твердых лиственных пород - 1000 кг/м3.

2. Плотность клееной древесины следует принимать как неклееной.

3. Плотность обычной фанеры следует принимать равной плотности древесины шпонов, а бакелизированной - 1000 кг/м3.

4. Плотность древесины из однонаправленного шпона 500-600 кг/м3, в зависимости от породы древесины шпонов.

Приложение Е
(обязательное)

ДАННЫЕ ДЛЯ РАСЧЕТА СЖАТЫХ, ИЗГИБАЕМЫХ И СЖАТО-ИЗГИБАЕМЫХ ЭЛЕМЕНТОВ

Таблица Е.1 - Значения коэффициента для расчета сжатых и сжато-изгибаемых элементов с переменной высотой и постоянной шириной сечения

Условия опирания элементов k_жN при проверке
элементов прямоугольного сечения элементов двутаврового и коробчатого сечений с постоянной высотой поясов
в плоскости yz в плоскости xz в плоскости yz в плоскости xz
(0,4+0,6) 0,4+0,6 1
0,07+0,93 0,66+0,34 0,35+0,65 1

Таблица Е.2 - Значения коэффициентов k_ф и k_жM для расчетов на устойчивость плоской формы деформирования

Таблица Е.3 - Значения коэффициентов и для вычисления прогибов балок с учетом переменности сечения и деформаций сдвига

Примечание - - отношение площади поясов к площади стенки двутавровой балки (высота стенки принимается между центрами тяжести поясов).

Приложение Ж
(обязательное)

ГРАФИКИ ДЛЯ РАСЧЕТА ФАНЕРНЫХ СТЕНОК БАЛОК И ПЛИТ

а - семислойной; б - пятислойной

Рисунок Ж.1 - Графики для определения расчетных сопротивлений при растяжении под углом к волокнам наружных слоев березовой фанеры марки ФСФ

1 - для бакелизированной фанеры марок ФБС и ФБСВ толщиной 7 мм и более; 2 - для березовой фанеры марки ФСБ толщиной 8 мм и более. В выражении = a / h_ст a - расстояние между ребрами жесткости балки; h_ст - высота стенки между внутренними гранями полок

Рисунок Ж.2 - Графики для определения коэффициента h_и при расположении волокон в наружных слоях фанеры вдоль пролета

1-А - для бакелизированной фанеры марок ФБС и ФБСВ толщиной 7 мм и более при направлении волокон наружных слоев параллельно малой стороне панели; 1-Б - для бакелизированной фанеры марок ФБС и ФБСВ толщиной 7 мм и более при направлении волокон наружных слоев перпендикулярно малой стороне панели; 2-А, 2-Б - то же, для березовой фанеры марки ФСФ толщиной 8 мм и более

Рисунок Ж.3 - Графики для определения k_

Приложение И
(обязательное)

ПРОИЗВОДСТВО РАБОТ ПРИ ВКЛЕИВАНИИ СТЕРЖНЕЙ

Ввиду особой важности и ответственности процесса рекомендации могут применяться только на предприятиях со специально обученным персоналом и непосредственно лицами, допущенными к этой операции приказом по предприятию.

Эти работы оформляются актом на скрытые работы, подписанным ОТК, исполнителем и технологом. Процесс возможен только в заводских условиях, при положительной температуре, при влажности древесины не выше 15% и в защищенных от увлажнения помещениях.

И.1 Материалы

И.1.1 Для вклеивания используется эпоксидный клей на основе смолы ЭД-20. Для примера приведены составы клеев ЭПП-1 и ЭПЦ-1:

Смола ЭД-20 (ГОСТ 20587) 100 в.ч.
Отвердитель - ПЭПА 10-12 в.ч.
Пластификатор - МГФ9 20-30 в.ч.
Наполнитель - кварц молотый для ЭПП-1 (ГОСТ 9077, марка "Б") или портландцемент для ЭПЦ-1 50-100 в.ч.

Возможность использования других составов и марок клея для вклеивания стержней должна быть обоснована соответствующими испытаниями с определением физико-механических характеристик и технологичности.

И.1.2 Для вклеивания используются металлические стержни - из арматуры периодического профиля классов А300, А400, А500 и А600. Если предполагается сварка или гнутье, то термически упрочненная арматура не допускается. Стержни не должны иметь погибь по длине и должны быть без заусенцев, очищены от окалины, ржавчины, грязи, краски, обезжирены. На них на всей вклеиваемой длине должны быть рифы полного профиля. Очистку лучше производить пескоструйным или химическим способами.

Допускается использовать высокопрочную арматуру с винтовой формой профиля и специальными гайками без сварки. Может использоваться и арматура класса А240 (гладкая) либо круглая сталь после нарезки на ней резьбы на вклеиваемой части. Стержни могут быть оцинкованы (кроме холодного цинкования).

Стержни могут быть сварены с закладными деталями перед вклеиванием или после. Допускается комбинированный вариант. При сварке после вклеивания необходимо руководствоваться И.7.4 и И.7.5 настоящего приложения.

И.1.3 Влажность древесины для устройства таких соединений допускается не более 12% при эксплуатации конструкций внутри помещений и не более 15% - для открытых сооружений.

И.2 Сверление отверстий и инструмент

И.2.1 Перед сверлением производится разметка осей стержней и направление их мелом на боковой поверхности.

И.2.2 Определяется порядок сверления, чтобы отверстия, в случае пересечения внутри, не привели к утечке клея или к образованию "сообщающихся сосудов". Лучше сверление производить только с одной грани, затем после вклеивания стержней и выдержки - с противоположной грани.

И.2.3 Наклон отверстий к горизонту не должен быть меньше 20° для удобства заполнения клея самотеком.

И.2.4 Диаметр отверстий должен быть больше наружного диаметра стержней на 3-4 мм.

И.2.5 Минимальное расстояние до боковой плоскости от края отверстия не должно быть меньше 25 мм при глубине отверстия до 700 мм и 30 мм при большей глубине.

И.2.6 При сверлении отверстий должны использоваться шаблоны, конструкция которых разрабатывается заводом-изготовителем совместно с проектировщиками (рисунок И.1)

Рисунок И.1 - Конструктивная схема шаблона для сверления наклонных отверстий и сварки закладных деталей

И.2.7 Отверстия следует сверлить непосредственно перед вклеиванием. Они не должны оставаться свободными дольше одной смены, чтобы исключить возможность попадания в них воды, пыли, грязи и др.

И.2.8 После сверления отверстия желательно продувать сжатым воздухом или прочищать специальным ершом от опилок.

И.2.9 Диаметр и глубину отверстий, а также диаметр и длину соответствующих стержней необходимо контролировать погружением последних в отверстия без клея. При этом нельзя допускать, чтобы короткие стержни "утонули" в отверстии. Глубина сверления отмечается на сверлах краской, цветной изолентой или муфтами-ограничителями.

И.2.10 Для сверления используются специальные длинные сверла для древесины или обычные сверла по металлу.

И.2.11 Длина сверл регулируется путем наращивания арматурными стержнями диаметром 12-14 мм на сварке. При этом центрирование легко достигается проковкой стыка в горячем состоянии. Конус нужного калибра также присоединяется на сварке.

И.2.12 Для сверления используются ручные дрели мощностью не менее 600 Вт, обязательно с двумя ручками.

И.3 Подготовка стержней к вклеиванию

И.3.1 Стержни перед вклеиванием должны быть повторно освидетельствованы и соответствовать проекту по классу стали, количеству, диаметрам, глубине и качеству.

И.3.2 Необходимо убедиться в соответствии марки закладной детали проекту.

И.3.3 Стержни должны свободно, без усилий входить в отверстия и занимать проектное положение. Для этого они должны быть проверены пробным погружением насухо.

И.3.4 Стержни не должны быть загрязнены маслами, не должны быть влажными или покрытыми ржавчиной. Для очистки используют щетки, наждачную бумагу, ацетон или пескоструйный аппарат.

И.3.5 Перед вклеиванием температура стержней не должна быть ниже 18-20 °С; для легкости погружения допускается подогрев стержней до 30-40 °С.

И.4 Приготовление клеев

Перед работой следует убедиться в наличии компонентов в необходимом объеме, в их соответствии наименованиям, срокам годности и спецификациям (в проекте).

И.4.1 Клей можно приготавливать при температуре воздуха в помещении и компонентов клея в пределах 16-25 °С. Следует иметь в виду, что при повышении температуры резко снижается жизнеспособность клея, а при понижении - снижается технологичность. Увеличение температуры может привести к мгновенной реакции и, как следствие, - к проблемам вклеивания, порче закладных деталей и посуды.

И.4.2 Необходимо строго контролировать время с момента смешивания отвердителя и смолы. Оно не должно превышать времени рабочей жизнеспособности клея (т.е. 20-30 мин, в зависимости от температуры).

И.4.3 Для повышения жизнеспособности клей допускается охлаждать в емкости с водой, но при этом нельзя допускать попадания воды в клей или в отверстия.

И.4.4 Для приготовления клея лучше использовать пластмассовую толстостенную посуду.

И.4.5 Одновременно следует приготавливать не более 2,5 кг клея, из-за опасности его разогрева и неуправляемой реакции.

И.4.6 Для взвешивания использовать весы с точностью до 10 г.

И.4.7 Последовательность приготовления композиции: смола - пластификатор, отвердитель, наполнитель.

И.4.8 Время перемешивания клея - 3-4 мин вручную, при механическом перемешивании - 2-3 мин, до однородной массы.

И.4.9 Перед приготовлением клея произвести тестирование качества компонентов путем изготовления контрольных образцов клея в объеме 20-50 г с отверждением при повышенной температуре (до 30°) для активизации процесса.

И.4.10 При определении объема клея для приготовления следует произвести соответствующие расчеты с учетом времени на все операции: заполнения отверстий клеем, погружения стержней и др. Обычно приготавливают не более 1-2 кг клея. Для вклеивания одного стержня длиной 1 м диаметром 20 мм требуется в среднем 350 г клея. Но в каждом случае удельный расход клея уточняется опытным путем, пробным вклеиванием первых стержней, чтобы после погружения стержня из отверстия появлялся небольшой избыток клея (порядка 5-10 г).

И.4.11 Дозировка клея по объему не допускается из-за налипания клея на стенки посуды и др. специфичных особенностей.

И.5 Заполнение клеем отверстий и погружение стержней

Это одна из ответственных операций, которая должна особо контролироваться службой ОТК.

И.5.1 Перед заполнением клеем для контроля глубины и диаметра отверстия необходимо опустить в него стержень насухо.

И.5.2 Заполнение клеем и вклеивание стержня производится последовательно, только в одно-два отверстия, чтобы избежать неконтролируемой полимеризации или "голодного" вклеивания, когда из-за непредвиденных утечек может оказаться недостаток клея или его избыток.

И.5.3 Для заполнения клеем необходимо использовать мерную емкость объемом только на одно отверстие. Это обязательное условие качественного склеивания.

И.5.4 Не допускается заполнение нескольких отверстий из общей емкости без контроля объема. Это неизбежно приведет к браку соединений. При этом исключается возможность контроля полноты заполнения.

И.5.5 В отдельных случаях (для крупногабаритных конструкций) допускается заполнение клеем через дополнительные отверстия под давлением (рисунок И.2) с использованием специальных туб типа шприцев или пневмоустановок. Ввиду важности такие операции должны производиться под контролем представителя проектной организации. После появления избытка клея сверху над стержнем дополнительные отверстия должны забиваться специальными пробками.

Рисунок И.2 - Схема подачи клея под давлением

И.5.6 Одновременно с заполнением отверстий должны изготавливаться контрольные образцы для испытаний на продавливание (см. раздел И.6).

И.5.7 Сразу после заполнения отверстия клеем в него погружается стержень. Погружение производится вдавливанием с вращением. Операция упрощается и качество возрастает, если погружение производится вибратором (вибробулавой со специальной насадкой). Если после погружения из отверстия избыток клея не появился, то стержень необходимо приподнять и установить величину и причину недостатка в клее. Если отверстие оказалось незаполненным до верху на 2-3 диаметра, то допускается недостачу компенсировать подливкой, если же следов клея не будет обнаружено более чем на 1/3 длины стержня, то его надлежит вытащить полностью, произвести заполнение отверстия дополнительным объемом и произвести повторное погружение. При этом необходимо обязательно выявить и устранить причину "голодного" вклеивания. Причина может состоять в ошибках при дозировке клея либо в утечке клея в трещины или в соседние отверстия.

И.5.8 Соединения, в которых обнаружены утечки клея, должны актироваться или браковаться с заменой их новыми по предложениям авторов проекта.

И.5.9 Одновременно с вклеиванием стержней производится изготовление контрольных образцов для испытаний на продавливание, по одному образцу на каждый замес клея.

И.6 Выдержка соединений после вклеивания и контроль качества

И.6.1 После вклеивания соединения должны находиться в состоянии покоя при температуре +18 °С не менее 10-12 ч для достижения соединением разборной прочности.

И.6.2 После 12 ч выдержки соединения могут перемещаться, кантоваться, но не допускается их нагружение.

И.6.3 Нагружать соединение усилием в 70% расчетной нагрузки допускается после трех суток отверждения клея.

И.6.4 Испытания контрольных соединений производят не ранее чем через 3 суток отверждения при температуре воздуха +18 °С.

И.6.5 Контроль качества соединений включает следующее:

- контроль влажности древесины в отверстии;

- правильность разметки;

- соответствие параметров соединений проекту;

- соответствие класса арматуры проекту;

- соответствие качества поверхности стержней;

- контроль качества компонентов клея;

- контроль жизнеспособности клея при заданной температуре в зоне производства работ;

- контроль условий производства работ (наличие подмостей, расположение оси отверстий по отношению к горизонту, наличие инструментов, наличие контрольных образцов и маркировки на них, готовность технологической карты и т.п.);

- контроль последовательности сверления отверстий и вклеивания;

- наличие емкостей объемом на одно соединение для заполнения отверстий клеем.

И.6.6 Контроль полноты заполнения отверстий клеем при погружении стержней.

И.6.7 Актирование соединений с "голодным" вклеиванием и меры по устранению его причин.

И.6.8 Отметки в журналах работ по технологическому процессу.

И.6.9 Проведение испытаний контрольных образцов на продавливание (рисунок И.3). Результаты не должны быть ниже 6 МПа.

Рисунок И.3 - Схема образцов для испытаний

Прочность на продавливание определяется отношением разрушающей нагрузки к боковой поверхности отверстия

= P_разр / d_отв l_вкл.

И.6.10 Оформление результатов испытаний в журнале. При этом отмечаются наименование объекта, марка конструкций, дата вклеивания.

И.6.11 В случае низких результатов совместно с авторами проекта принимается решение об усилении конструкций или испытаниях большего количества соединений.

И.6.12 На каждую партию конструкций составляется акт скрытых работ по устройству соединений на вклеенных стержнях. Партией считаются конструкции в количестве не более 10 элементов или 10 узлов, принадлежащих к одному объекту и изготовленных в одну смену.

И.7 Техника безопасности

И.7.1 Помещение, где производится приготовление клея, должно быть оборудовано общей и местной принудительной и естественной вентиляцией, горячей и холодной водой.

И.7.2 При работе с клеем обязательно использовать резиновые или полиэтиленовые перчатки.

И.7.3 Попавший на руки клей можно удалять ацетоном и водой с мылом.

И.7.4 При сварке вклеенных деталей необходим местный отсос продуктов горения и соблюдение противопожарных мероприятий. Защита древесины от копоти, обугливания и воспламенения производится с помощью экранов из стали, асбеста и проч.

И.7.5 Сварку вести шпоночными швами по захваткам, чтобы исключить перегрев и воспламенение древесины. Продолжительность непрерывной сварки одного шва не должна превышать 1 минуту.

Приложение К
(обязательное)

ПОЖАРНО-ТЕХНИЧЕСКИЕ ТРЕБОВАНИЯ К КОНСТРУКЦИЯМ ИЗ ДРЕВЕСИНЫ

К.1 В случаях, предусмотренных противопожарными требованиями действующих нормативных документов, деревянные конструкции должны быть запроектированы и выполнены с пределом огнестойкости и показателем пожарной опасности, регламентируемыми этими требованиями.

Предел огнестойкости

К.2 Предел огнестойкости определяется по методам, установленным ГОСТ 30247.0 и ГОСТ 30247.1.

К.3 Допускается предел огнестойкости деревянных элементов конструкций устанавливать расчетным путем на основе закономерностей обугливания и прогрева их сечений в условиях стандартного теплового воздействия, регламентируемого ГОСТ 30247.0, и с учетом предельных состояний по огнестойкости, регламентируемых ГОСТ 30247.1.

К.4 Основными закономерностями, необходимыми для расчета пределов огнестойкости деревянных конструкций, являются:

- температура начала обугливания древесины составляет 270 °С;

- эта температура достигается на поверхности древесины через 4 мин после начала стандартного теплового воздействия пожара;

- условная скорость обугливания (скорость перемещения фронта обугливания), включающая влияние угловых закруглений, для древесины хвойных пород следует принимать постоянной, равной 0,7 мм/мин;

- за фронтом обугливания температура древесины снижается по гиперболическому закону.

К.5 При расчете на огнестойкость следует учитывать только постоянные и временные длительные нагрузки.

К.6 Вследствие неравномерного распределения температур по сечению древесины за фронтом обугливания, при определении геометрических размеров сечения в любой момент времени огневого воздействия следует исключить слой перегретой выше 100 °С древесины с учетом угловых закруглений толщиной 7 мм.

К.7 Расчетное сопротивление древесины в условиях пожара определяется по формуле

R_п = R_н m_дл / _m,

где m_дл = 0,8 - учитывает время пожара 15-120 мин.

К.8 Расчет на прочность в условиях пожара ведется по методу эффективного сечения, уменьшенного с учетом обугливания, включая влияние угловых закруглений, и перегретого слоя древесины (К.6).

К.9 Предел огнестойкости узлов соединения элементов и опорных узлов деревянных конструкций, в том числе с применением металлических и неметаллических деталей и элементов, должен быть не ниже требуемого предела огнестойкости конструкции в целом.

При необходимости, предел огнестойкости деревянных элементов конструкции и узлов их соединения может быть повышен путем увеличения размеров их сечения, применения средств огнезащиты или теплоизолирующих материалов и облицовок, в том числе из пиломатериалов.

К.10 Обеспечение требуемой огнестойкости металлических элементов конструкции и узлов соединения элементов конструкции, выполненных с применением металлических закладных деталей, может быть достигнуто средствами, аналогичными указанным в К.7. При этом температура металла в местах соприкосновения с древесиной, во избежание ее возгорания к моменту времени, соответствующему требуемому пределу огнестойкости, не должна превышать 270 °С.

К.11 При определении огнестойкости соединений на вклеенных стержнях, вследствие неравномерного распределения температур, расстояние от границы обугливания до клеевого шва между древесиной и вклеенным стержнем к моменту времени, соответствующему требуемому пределу огнестойкости, должно быть не менее 20 мм.

К.12 В конструкциях составного или коробчатого сечения открытые (незамкнутые) зазоры между цельными элементами сечения не должны превышать 7 мм, а зазоры более 7 мм должны быть замкнуты продольными диафрагмами толщиной, обеспечивающей нераспространение огня в зазор в течение времени требуемого предела огнестойкости.

Пожарная опасность конструкций

К.13 Показателем пожарной опасности конструкций является класс их пожарной опасности.

Класс пожарной опасности конструкций следует определять по ГОСТ 30403.

К.14 Древесина является горючим материалом. Поэтому класс пожарной опасности элементов конструкции из незащищенной древесины будет К3, независимо от времени воздействия огня и требуемого предела их огнестойкости.

К.15 Снижение пожарной опасности (повышение класса пожарной опасности до К0, К1, или К2) элементов конструкции из древесины возможно только путем применения средств огнезащиты. Некоторые из таких средств огнезащиты, особенно конструктивные, могут увеличивать предел огнестойкости конструкций.

К.16 В качестве огнезащиты для древесины рекомендуется применять огнезащитные составы (далее - ОС) I и II групп огнезащитной эффективности, которая определяется путем маломасштабных лабораторных испытаний в соответствии с ГОСТ Р 53292.

Это позволяет сравнивать между собой различные неконструктивные средства огнезащиты, но не позволяет прогнозировать класс пожарной опасности защищаемой конструкции или ее элемента.

Поэтому реальный класс пожарной опасности конструкции или ее элемента может быть установлен только путем проведения огневых испытаний по ГОСТ 30403.

К.17 Данные для определения показателей пожарной опасности конструкций при использовании конкретных средств огнезащиты должны предоставлять поставщики средств огнезащиты. При отсутствии таких данных класс пожарной опасности конструкции или ее элемента может быть установлен только путем проведения огневых испытаний по ГОСТ 30403.

К.18 Применение клееных деревянных конструкций во многих случаях связано с высокими требованиями к их внешнему виду, поэтому огнезащитные составы в этих случаях должны сохранять естественную текстуру древесины.

К.19 При выборе огнезащитных составов следует учитывать данные о необходимости их периодической замены или восстановления, а также о недопустимости их применении в местах, исключающих выполнение этих операций; следует также учитывать требования об их соответствии нормам применения отделочных материалов.

Огнезащитные составы

К.20 В зависимости от состава и свойств ОС подразделяются на следующие виды:

- лаки огнезащитные, образуют на защищаемой поверхности тонкую прозрачную пленку;

- краски огнезащитные, образуют на защищаемой поверхности тонкую непрозрачную пленку;

- пасты, обмазки огнезащитные, образуют на защищаемой поверхности слой покрытия большей толщины, чем лаки и краски;

- составы пропиточные, в том числе огнебиозащитные;

- составы комбинированные огнезащитные, представляющие собой комплекс из двух или более видов ОС, нанесение каждого из которых на защищаемую поверхность осуществляется последовательно.

К.21 В зависимости от условий эксплуатации ОС по предназначению подразделяются на следующие:

- для эксплуатации на открытом воздухе или под навесом;

- для эксплуатации в закрытом неотапливаемом помещении;

- для эксплуатации в закрытом отапливаемом помещении;

- для эксплуатации в иных специально оговоренных условиях.

К.22 ОС, в зависимости от устойчивости к воздействию агрессивных факторов, подразделяются на стойкие и нестойкие в агрессивной среде.

К.23 Пропиточные ОС подразделяются на составы, предназначенные для поверхностной и глубокой пропитки.

К.24 К применению допускаются ОС, которые прошли в установленном порядке сертификацию и полностью соответствуют требованиям технической документации.

К.25 Нанесение ОС осуществляется на подготовленную поверхность объектов огнезащиты с соблюдением указанной технологии и условий нанесения. Нанесение ОС на поверхности, ранее обработанные пропиточными, лакокрасочными и другими составами, в том числе ОС других марок, допускается при положительных результатах исследований на их совместимость.

К.26 ОС допускается применять с материалами (дополнительными покрытиями), обеспечивающими придание декоративного вида или атмосфероустойчивости огнезащитному слою. В этом случае огнезащитные характеристики должны быть определены для системы (огнезащитный слой плюс поверхностный слой), а рекомендуемый поверхностный материал указан в технической документации на средство огнезащиты.

К.27 ОС, срок службы огнезащитной обработки которыми установлен более одного года, должны выдерживать испытания на устойчивость к старению. Контроль качества выполненных работ включает проверку состояния огнезащищенной поверхности (наличие дефектов и повреждений), проверку соблюдения технологии нанесения, качественную оценку огнезащитной обработки.

Приложение Л
(обязательное)

ОСНОВНЫЕ БУКВЕННЫЕ ОБОЗНАЧЕНИЯ

Обозначение СП Обозначение Еврокода Наименование
Усилия от внешних нагрузок и воздействий в поперечном сечении элемента
M M изгибающий момент
N N продольная сила
Q V поперечная сила
Характеристики материалов
R_и f_m,d расчетное сопротивление древесины изгибу вдоль волокон
R_c f_c,0,d расчетное сопротивление древесины сжатию вдоль волокон
R_p f_t,0,d расчетное сопротивление древесины растяжению вдоль волокон
R_см f_c1,0,d расчетное сопротивление древесины смятию вдоль волокон
R_ск f_,0,d расчетное сопротивление древесины сдвигу вдоль волокон
R_c90 f_c,90,d расчетное сопротивление древесины сжатию поперек волокон
R_p90 f_t,90,d расчетное сопротивление древесины растяжению поперек волокон
R_см90 f_c1,90,d расчетное сопротивление древесины смятию поперек волокон
R(cp)_ск - расчетное сопротивление древесины скалыванию вдоль волокон
R_ск90 f_,90,d расчетное сопротивление древесины сдвигу поперек волокон
R_см f_c1,,d расчетное сопротивление древесины смятию под углом к волокнам
R_ск f_,,d расчетное сопротивление древесины сдвигу под углом к волокнам
R_ф.р f_t,0,d расчетное сопротивление фанеры растяжению в плоскости листа
f_t,90,d
f_t,45,d
R_ф.с f_c,0,d расчетное сопротивление фанеры сжатию в плоскости листа
f_c,90,d
f_c,45,d
R_ф.и f_m,0,d расчетное сопротивление фанеры изгибу в плоскости листа
f_m,90,d
R_ф.ск f_,0,d расчетное сопротивление фанеры скалыванию в плоскости листа
R_ф.ср f_r,d расчетное сопротивление фанеры срезу перпендикулярно плоскости листа
f_r,45,d
R_ф.с90 f_c1,90,d расчетное сопротивление фанеры сжатию перпендикулярно плоскости листа
R_ф.см90 f_c1,90,d расчетное сопротивление фанеры смятию перпендикулярно плоскости листа
R(и)_д.ш - расчетное сопротивление древесины однонаправленного шпона изгибу вдоль волокон
R(с)_д.ш - расчетное сопротивление древесины однонаправленного шпона сжатию вдоль волокон
R(р)_д.ш - расчетное сопротивление древесины однонаправленного шпона растяжению вдоль волокон
R(см)_д.ш - расчетное сопротивление древесины однонаправленного шпона смятию вдоль волокон
R(ск)_д.ш - расчетное сопротивление древесины однонаправленного шпона сдвигу вдоль волокон
Е Е_0 модуль упругости древесины и фанеры вдоль волокон
Е_90 Е_90 модуль упругости древесины и фанеры поперек волокон
Е_ф - модуль упругости фанеры
Е(I) Е_0,05 модуль упругости древесины в расчетах несущих конструкций (кроме опор ЛЭП) на устойчивость и по деформированной схеме
Е(I)_ф - модуль упругости фанеры в расчетах несущих конструкций (кроме опор ЛЭП) на устойчивость и по деформированной схеме
G_0,09 G_0,09 модуль сдвига древесины относительно осей, направленных вдоль и поперек волокон
G_ф - модуль сдвига фанеры
G(I)_ф - модуль сдвига фанеры в расчетах несущих конструкций (кроме опор ЛЭП) на устойчивость и по деформированной схеме
_90.0 _90.0 коэффициент Пуассона древесины поперек волокон при напряжениях, направленных вдоль волокон
_90.0 _90.0 коэффициент Пуассона древесины вдоль волокон при напряжениях, направленных поперек волокон
- коэффициент Пуассона фанеры
m - коэффициент приведения к древесине
m_n k_s коэффициент перехода для расчетных сопротивлений сосны к соответствующим величинам других пород древесины
m_в k_sc коэффициент условий эксплуатации конструкций
m_т k_t коэффициент температурных условий
m_д k_sl коэффициент, учитывающий длительную нагрузку
m_н k_dl коэффициент, учитывающий время длительности нагрузки
m_б k_h коэффициент, учитывающий высоту сечения
m_сл k_lam коэффициент, учитывающий толщину слоя
m_гн k_r коэффициент, учитывающий радиус кривизны
m_o k_n коэффициент, учитывающий ослабления сечения растянутых и изгибаемых элементов
m_a k_i коэффициент, учитывающий влияние пропитки антипиренами
T R_d,f расчетная несущая способность связи
Геометрические характеристики
F A площадь поперечного сечения элемента
F_расч A_d расчетная площадь поперечного сечения элемента
F_нт A_net площадь поперечного сечения элемента нетто
F_бр A_br площадь поперечного сечения элемента брутто
F_см - расчетная площадь смятия
F_ск - расчетная площадь скалывания
b b ширина поперечного сечения
d d номинальный диаметр стержней арматурной стали, анкеров, болтов, гвоздей, шурупов и др.
h h высота поперечного сечения
I I момент инерции поперечного сечения элемента
I_нт I_net момент инерции поперечного сечения элемента нетто
I_бр I_br момент инерции поперечного сечения элемента брутто
I_пр - приведенный момент инерции поперечного сечения элемента
l l пролет, длина элемента
l_0 l_d расчетная длина элемента
l_см l_cl длина площадки смятия
r r радиус инерции сечения
S S статический момент поперечного сечения элемента
S_бр S_br статический момент брутто сдвигаемой части поперечного сечения элемента
W W момент сопротивления поперечного сечения элемента
W_расч W_d расчетный момент сопротивления поперечного сечения элемента
W_пр - приведенный момент сопротивления поперечного сечения элемента
Прочие основные характеристики
коэффициент, учитывающий дополнительный момент от продольной силы вследствие прогиба элемента
коэффициент продольного изгиба
гибкость элемента
f - прогиб элемента
n_ш n_gl расчетное число швов в элементе
k_c k_c коэффициент податливости соединений
Подстрочные индексы
Подстрочный индекс Наименование
бр br брутто
с c сжатие
см cl смятие
кр или крит cr или crit критический
расч d расчетный
д def деформационный
др - деревянное ребро
расч ef расчетный
н k нормативный
и m изгиб
max max максимальный
ср mean средний, наиболее вероятный
min min минимальный
пр mod приведенный
нт net нетто
- nom номинальный
р t растяжение
ск скалывание, сдвиг
x, y, z x, y, z оси прямоугольной (Декартовой) системы координат
угол между силой, напряжением и направлением волокон древесины
0; 45; 90 0; 45; 90 соответствующий угол к направлению волокон в градусах
- 0,05 значение фрактиля для нормативной величины

Примечание - Основные буквенные обозначения, встречающиеся по тексту норм, даны также в варианте Еврокода 5.

БИБЛИОГРАФИЯ

[1] СП 53-102-2004 Общие правила проектирования стальных конструкций

[2] EN 204 Классификация термопластичных клеев для древесины малоответственных конструкций

[3] EN 335 Долговечность древесины и материалов на основе древесины. Определения классов риска при воздействии биологических организмов

Часть 1: Общие положения

Часть 2: Цельная древесина

Часть 3: Древесные плиты

[4] EN 386 Клееный брус и столярная плита. Требования к виду и минимальные требования к изготовлению