Знак соответствия при обязательной сертификации. Форма, размеры и технические требования. ГОСТ р 50460-92

(утв. Постановлением Госстандарта РФ от 28.12.92 N 1570)
Редакция от 01.06.2001 — Действует

ГОСУДАРСТВЕННЫЙ СТАНДАРТ РОССИЙСКОЙ ФЕДЕРАЦИИ

ЗНАК СООТВЕТСТВИЯ ПРИ ОБЯЗАТЕЛЬНОЙ СЕРТИФИКАЦИИ
ФОРМА, РАЗМЕРЫ И ТЕХНИЧЕСКИЕ ТРЕБОВАНИЯ

Mark of conformity for mandatory certification. Form, dimensions and technical requirements

ГОСТ Р 50460-92

(в ред. Изменений NN 1, 2, 3)

Дата введения 1993-07-01

Предисловие

1 РАЗРАБОТАН Всероссийским научно-исследовательским институтом сертификации (ВНИИС) Госстандарта России и Всероссийским научно-исследовательским институтом комплексной информации по стандартизации и качеству (ВНИИКИ) Госстандарта России

ВНЕСЕН Главным управлением технической политики в области сертификации Госстандарта России

2 УТВЕРЖДЕН И ВВЕДЕН В ДЕЙСТВИЕ Постановлением Госстандарта России от 28 декабря 1992 г. N 1570

3 ВВЕДЕН ВПЕРВЫЕ

4 ИЗДАНИЕ (июль 2001 г.) с Изменениями N 1, 2, 3, принятыми в ноябре 1999 г., сентябре 2000 г., июне 2001 г. (ИУС 12-99, 12-2000, 9-2001)

1 Настоящий стандарт устанавливает форму, размеры и технические требования к знаку соответствия (в том числе к знаку соответствия, защищенному от подделок), применяемому в Системе сертификации ГОСТ Р для указания соответствия маркированной им продукции, работ и услуг требованиям, предусмотренным для обязательного подтверждения соответствия (рисунки 1-4). (в ред. Изменения N 2)

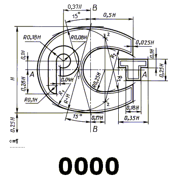
2 Размеры знака соответствия определяет предприятие (организация, учреждение), получившее право на его применение, установлением базового размера Н (рисунок 5). Базовый размер Н должен быть не менее 4 мм.

Размеры знака соответствия должны гарантировать четкость и различимость его элементов невооруженным глазом.

Код органа по сертификации, выдавшего сертификат соответствия, наносят на расстоянии 0,25 Н под, графическим изображением знака соответствия по рисунку 5, симметрично относительно вертикальной оси В знака шрифтом, приведенным на рисунке 6, высотой 0,2 Н.

При применении знака соответствия для продукции, соответствие которой подтверждено декларацией о соответствии, код органа по сертификации, зарегистрировавшего декларацию о соответствии, под графическим изображением знака соответствия не наносится. (в ред. Изменения N 1)

3 Изображение знака соответствия должно быть четко отличимым от поверхности изделия.

4 Знак соответствия выполняют различными технологическими способами, обеспечивающими его четкое и ясное изображение в течение всего срока службы изделия.

5 Знак соответствия, защищенный от подделок, представляет собой предназначенную для наклейки на поверхность маркирования тонкую многослойную основу, внутри которой находится ограниченный окружностью диаметром 12 мм рельеф, создающий изображение, наблюдаемое визуально.

В центре окружности в зависимости от угла зрения должно просматриваться графическое изображение знака соответствия, выполненное согласно рисункам 1 и 5 без кода органа по сертификации, и меняющий свою форму характерный узор из тонких линий.

В верхней части круга, содержащего знак соответствия, защищенный от подделок, имеется трехразрядное буквенное обозначение серии, а в нижней - шестизначный порядковый номер данного экземпляра знака соответствия.

При попытке термического или механического воздействия на основу знака соответствия, защищенного от подделок, она должна разрушаться. (в ред. Изменений NN 2, 3)

Рисунок 1

Рисунок 2

Рисунок 3

Рисунок 4

Рисунок 5

Рисунок 6