Щебень и гравий из плотных горных пород и отходов промышленного производства для строительных работ. Методы физико-механических испытаний. ГОСТ 8269.0-97

(утв. Постановлением Госстроя РФ от 06.01.98 N 18-1)
Редакция от 02.04.2009 — Действует с 01.09.2009

Данный документ приведен с учетом Поправок, введенных в действие с 28.11.2002, 20.01.2003, 10.10.2003, 12.09.2019.


МЕЖГОСУДАРСТВЕННЫЙ СТАНДАРТ

ЩЕБЕНЬ И ГРАВИЙ ИЗ ПЛОТНЫХ ГОРНЫХ ПОРОД И ОТХОДОВ ПРОМЫШЛЕННОГО ПРОИЗВОДСТВА ДЛЯ СТРОИТЕЛЬНЫХ РАБОТ

МЕТОДЫ ФИЗИКО-МЕХАНИЧЕСКИХ ИСПЫТАНИЙ

MAUNTAINOUS ROCK ROAD-METAL AND GRAVEL, INDUSTRIAL WASTE PRODUCTS FOR CONSTRUCTION WORKS. METHODS OF PHYSICAL AND MECHANICAL TESTS

ГОСТ 8269.0-97

(в ред. Изменений N 1, N 2)

Дата введения 1998-07-01

ПРЕДИСЛОВИЕ

1 РАЗРАБОТАН институтом ВНИПИстромсырье с участием институтов Союздорнии, НИИЖБ, АО "ЦНИИС", АО "НИИЭС" Российской Федерации

ВНЕСЕН Госстроем России

2 ПРИНЯТ Межгосударственной научно-технической комиссией по стандартизации, техническому нормированию и сертификации в строительстве (МНТКС) 10 декабря 1997 г.

За принятие проголосовали

Наименование государства Наименование органа государственного управления строительством
Азербайджанская Республика Госстрой Азербайджанской Республики
Республика Армения Министерство градостроительства Республики Армения
Республика Беларусь Минстройархитектуры Республики Беларусь
Республика Казахстан Агентство строительства и архитектурно-градостроительного контроля Министерства экономики и торговли Республики Казахстан
Кыргызская Республика Минархстрой Кыргызской Республики
Республика Молдова Министерство территориального развития, строительства и коммунального хозяйства Республики Молдова
Российская Федерация Госстрой России
Республика Таджикистан Госстрой Республики Таджикистан
Украина Госкомградостроительства Украины

3 ВЗАМЕН ГОСТ 3344-83, ГОСТ 7392-85 в части методов физико-механических испытаний, ГОСТ 8269-87

4 ВВЕДЕН в действие с 1 июля 1998 г. в качестве государственного стандарта Российской Федерации постановлением Госстроя России от 6 января 1998 г. N 18-1

Введение

При разработке настоящего стандарта использованы международные стандарты: ИСО 6274-82 "Бетон - Ситовой анализ заполнителей", ИСО 6782-82 "Заполнители для бетона - Определение насыпной плотности", ИСО 6783-82 "Заполнители крупнозернистые для бетона - Определение плотности частиц и поглощения воды - Метод гидростатического взвешивания".

В подразделе 4.3 использованы положения ИСО 6274-82 в части требований к набору сит и методике испытания при определении зернового состава; в подразделах 4.16, 4.18 - ИСО 6783-82 в части требований к методике испытания при определении средней плотности зерен щебня (гравия) и водопоглощения; в подразделе 4.17 - ИСО 6782-82 в части требований к методике испытания при определении насыпной плотности.

1. Область применения

Настоящий стандарт распространяется на щебень и гравий [(далее - щебень (гравий)] из плотных горных пород (в том числе попутно добываемых вскрышных и вмещающих пород и некондиционных отходов горных предприятий) и отходов промышленного производства (в том числе из шлаков черной и цветной металлургии и тепловых электростанций) со средней плотностью зерен от 2,0 до 3,0 г/см3, применяемых в качестве заполнителей для тяжелого бетона, а также дорожных и других видов строительных работ, и устанавливает порядок выполнения физико-механических испытаний.

Область применения физико-механических испытаний приведена в приложении А.

2. Нормативные ссылки

Используемые в настоящем стандарте ссылки на нормативные документы приведены в приложении Б.

3. Термины и определения

В настоящем стандарте применены следующие термины с соответствующими определениями.

Проба - определенное количество материала, отобранное для испытаний от партии горной породы, щебня (гравия).

Точечная проба - проба материала, взятая единовременно из установленных нормативными документами мест партии.

Объединенная проба - проба материала, состоящая из точечных проб и характеризующая партию в целом.

Лабораторная проба - проба материала, приготовленная из объединенной пробы и предназначенная для всех лабораторных испытаний, предусмотренных для данного вида горной породы, щебня (гравия).

Аналитическая проба - проба материала, приготовленная из лабораторной пробы и предназначенная для нескольких видов испытаний. Из аналитической пробы отбирают отдельные навески в соответствии с методикой испытаний. Допускается использование одной аналитической пробы для проведения нескольких видов испытаний, если в процессе предшествующих испытаний другие свойства материала не подвергаются изменению.

4. Методы физико-механических испытаний

4.1. Общие положения

4.1.1 Пробы взвешивают с погрешностью до 0,1% массы, если в стандарте на щебень (гравий) не даны другие указания.

4.1.2 Пробы, образцы и навески в воздушно-сухом состоянии (состоянии естественной влажности) высушивают до постоянной массы в сушильном шкафу при температуре (105 ± 5) °С до тех пор, пока разница между результатами двух последовательных взвешиваний будет не более 0,1% массы навески. Каждое последующее взвешивание проводят после высушивания в течение не менее 1 ч и охлаждения не менее 45 мин.

4.1.3 Образцы горной породы для испытаний изготавливают цилиндрической или кубической формы. Линейные размеры образцов измеряют штангенциркулем с погрешностью до 0,1 мм.

Площадь каждого из оснований образца цилиндрической формы вычисляют по среднеарифметическому значению двух взаимно перпендикулярных диаметров.

Для определения площади нижней и верхней граней образца кубической формы определяют среднеарифметические значения длины каждой пары параллельных ребер данной грани.

Высоту образца цилиндрической формы определяют как среднеарифметическое значение результатов измерений четырех образующих цилиндра, расположенных в четвертях его окружности.

Высоту образца кубической формы определяют как среднеарифметическое значение результатов измерений четырех вертикальных ребер.

Площадь поперечного сечения образца определяют как среднеарифметическое значение площадей нижнего и верхнего оснований.

Объем образца определяют как произведение площади поперечного сечения на высоту.

Грани образцов, к которым прикладывают нагрузку пресса, обрабатывают на шлифовальном станке (круге), при этом должна быть обеспечена их параллельность. Правильность формы образцов проверяют стальным угольником, измеряя линейкой или щупом образовавшийся просвет, величина которого не должна превышать 2 мм на 100 мм грани образца.

4.1.4 Результаты испытаний рассчитывают с точностью до второго знака после запятой, если не даны другие указания относительно точности вычисления.

4.1.5 В качестве норм точности результатов испытаний используют ошибку повторяемости , характеризующую возможные расхождения между результатами испытаний одного материала одним методом в одной лаборатории.

Для вычисления ошибки повторяемости используют не менее 20 пар результатов испытаний в данной лаборатории за последнее время.

Среднеквадратическую (стандартную) ошибку повторяемости определяют по формуле

, (1)

где - средний размах по всем парам параллельных результатов испытаний.

Средний размах определяют по формуле

, (2)

где - абсолютное значение разности между результатами параллельных испытаний i-той пары (размах);

n - общее число пар результатов испытаний (n 20).

Размах определяют по формуле

, (3)

где и - соответственно первый и второй результаты испытаний в i-й паре.

Правильность определения единичных результатов испытаний оценивают по расхождению между двумя параллельными результатами испытаний при доверительной вероятности 95%, которое определяют по формуле

, (4)

Значения и для соответствующего метода испытаний зависят от конкретной величины результатов испытаний. При попадании результатов испытаний в смежные интервалы для данного метода испытаний принимают как среднеарифметическое значение величин расхождений.

4.1.6 Для определения зернового состава отдельных фракций щебня (гравия) должны применяться сита с круглыми или квадратными отверстиями на круглых или квадратных обечайках с диаметром или стороной не менее 300 мм. Стандартный набор сит для щебня (гравия) КСИ должен включать сито с квадратными отверстиями размером 1,25 мм по ГОСТ 6613 и сита с круглыми отверстиями диаметрами 2,5; 5(3); 7,5; 10; 12,5; 15; 17,5; 20; 22,5; 25; 30; 40; 50; 60; 70 (80) мм.

Для определения размера зерен крупнее 70(80) мм следует применять проволочные кольца-калибры различного диаметра в зависимости от ожидаемой крупности щебня (гравия): 90; 100; 110; 120 мм и более.

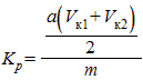
4.1.7 При определении показателя качества смеси фракций испытывают отдельно каждую фракцию и определяют средневзвешенное значение X определяемого показателя в соответствии с содержанием фракции в смеси по формуле

, (5)

где - значения определяемого показателя;

- содержание данной фракции, %.

4.1.8 Испытания на сжатие образцов горной породы или щебня (гравия) на дробимость в цилиндре должны проводиться на гидравлических прессах по ГОСТ 28840.

Предельная нагрузка пресса должна быть такой, чтобы ожидаемое значение максимального усилия в процессе испытания укладывалось на шкале пресса от 0,3 до 0,8 .

4.1.9 Температура помещения, в котором проводят испытания, должна быть (20 ± 5) °С. Перед началом испытания горная порода, щебень (гравий) и вода должны иметь температуру, соответствующую температуре воздуха в помещении.

4.1.10 Воду для проведения испытаний применяют по ГОСТ 23732, если в стандарте не даны указания по использованию дистиллированной воды или других жидкостей.

4.1.11 При использовании в качестве реактивов опасных (едких, токсичных) веществ следует руководствоваться требованиями безопасности, изложенными в нормативных и технических документах на эти реактивы.

4.1.12 Для испытаний (измерений) допускается использование аналогичного импортного оборудования.

Применяемые для испытаний средства измерений и испытательное оборудование, в том числе импортного производства, должны быть поверены, откалиброваны и аттестованы по ГОСТ 8.513, ГОСТ 8.326, ГОСТ 24555.

Нестандартные средства контроля должны пройти метрологическую аттестацию в соответствии с требованиями ГОСТ 8.326.

4.2. Отбор проб

4.2.1 Пробы отбирают с целью проведения приемочного контроля на предприятии (карьере)-изготовителе, входного контроля на предприятии-потребителе, а также для определения свойств горных пород и получаемых из них щебня и гравия при геологической разведке.

4.2.2 Если в правилах приемки конкретного вида продукции не предусмотрен иной порядок отбора проб, то при приемочном контроле на предприятии-изготовителе отбирают точечные пробы, из которых путем смешивания получают одну объединенную пробу от сменной продукции каждой технологической линии.

4.2.3 Отбор точечных проб с технологических линий, транспортирующих продукцию на склад или непосредственно в транспортные средства, осуществляют путем пресечения потока материала на ленточном конвейере или в местах перепада потока материала с помощью пробоотборника или вручную.

При ручном способе пробы отбирают на перепаде потока материала с помощью ручного пробоотборника или с ленты конвейера совком или совковой лопатой при его остановке.

Места отбора проб выбирают для каждого предприятия в зависимости от условий технологического процесса и соблюдения требований техники безопасности.

4.2.4 Точечные пробы отбирают через каждый час. Интервал отбора точечных проб при ручном отборе может быть увеличен, если предприятие-изготовитель выпускает продукцию стабильного качества.

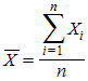
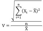
Для установления допустимого интервала отбора проб ежеквартально определяют коэффициент вариации показателей зернового состава и содержания пылевидных и глинистых частиц в течение смены. Для этого отбирают через каждые 15 мин в течение смены точечные пробы массой не менее указанной в 4.2.5. Определяют зерновой состав (полный остаток на контрольном сите с отверстиями диаметром D и содержание зерен размером менее d, равное разности между 100% и полным остатком на контрольном сите с отверстиями диаметром d), содержание пылевидных и глинистых частиц и определяют среднеарифметическое значение показателя и коэффициента вариации V каждого показателя по формулам:

, (6)
, (7)

где - результат испытания точечной пробы;

- среднеарифметическое значение показателя;

n - число испытаний.

В зависимости от полученного значения коэффициента вариации устанавливают следующие интервалы отбора точечных проб в течение смены:

2 ч - для коэффициента вариации св. 10 до 15%;

3 ч - " " " до 10%.

4.2.5 Масса точечной пробы должна быть не менее:

2,5 кг - для щебня (гравия) с наибольшим номинальным размером зерен 10 мм и менее;

5,0 кг - для щебня (гравия) с наибольшим номинальным размером зерен 20 мм и более.

Примечания

1 Если при использовании для отбора проб механического пробоотборника масса точечной пробы окажется меньше указанного значения, то необходимо увеличить число отбираемых проб.

2 При увеличении интервала отбора проб, указанного в 4.2.4, масса отбираемой точечной пробы должна быть увеличена:

при интервале 2 ч - в два раза;

при интервале 3 ч - в четыре раза.

При ручном отборе проб точечную пробу массой не более 10 кг отбирают частями с интервалом не более 1 мин.

4.2.6 После отбора точечные пробы объединяют, тщательно перемешивают и перед отправкой в лабораторию сокращают методом квартования. Для квартования пробы (после ее перемешивания) конус материала разравнивают и делят взаимно перпендикулярными линиями, проходящими через центр, на четыре части. Две любые противоположные четверти берут в пробу. Последовательным квартованием сокращают пробу в два, четыре раза и т.д. до получения такой массы пробы, которая была бы представительной для усредненного качества всей партии, но не менее указанной в таблице 1.

4.2.7 Масса лабораторной пробы при приемочном контроле на предприятии (карьере)-изготовителе должна быть не менее указанной в таблице 1.

Таблица 1

Наибольший номинальный размер зерен Д, мм Масса пробы, кг
10 5,0
20 10,0
40 20,0
Св. 40 40,0

Указанную пробу используют для всех испытаний, предусмотренных при приемочном контроле.

4.2.8 При входном контроле точечные пробы щебня (гравия) отбирают от проверяемой партии при разгрузке железнодорожных вагонов, судов или автомобилей в соответствии с требованиями ГОСТ 8267.

4.2.9 При арбитражной проверке качества щебня (гравия) на складах точечные пробы отбирают с помощью совка или совковой лопатой в местах, расположенных по всей поверхности склада, со дна выкопанных лунок глубиной 0,2 - 0,4 м. Лунки должны размещаться в шахматном порядке. Расстояние между лунками не должно превышать 10 м.

4.2.10 При проведении ведомственного контроля и государственного надзора за качеством продукции на проверяемых технологических линиях отбирают в течение смены точечные пробы и получают объединенную пробу в соответствии с 4.2.4 - 4.2.6.

При неудовлетворительных результатах испытаний этой пробы отбирают таким же способом вторую объединенную пробу. При неудовлетворительных результатах испытаний второй пробы партия бракуется.

При удовлетворительных результатах испытаний второй пробы отбирают и испытывают третью пробу, результаты испытаний которой являются окончательными. Оценку качества щебня (гравия) проводят по двум положительным результатам, полученным последовательно.

4.2.11 При проведении периодических испытаний, предусмотренных приемочным контролем, а также при входном контроле и при определении свойств горных пород и получаемых из них щебня и гравия при геологической разведке масса лабораторной пробы должна обеспечивать проведение всех предусмотренных стандартом испытаний, при этом масса лабораторной пробы должна быть не менее чем в два раза больше суммарной массы, необходимой для проведения испытаний.

4.2.12 Для каждого испытания из лабораторной пробы квартованием готовят аналитическую пробу. Из аналитической пробы отбирают навески в соответствии с методикой испытаний.

4.2.13 На каждую лабораторную пробу, предназначенную для периодических испытаний, в центральной лаборатории объединения или в специализированной лаборатории, а также для контрольных испытаний у потребителя составляют акт отбора проб, включающий наименование и обозначение материала, место и дату отбора пробы, наименование и обозначение предприятия-изготовителя, обозначение пробы и подпись ответственного за отбор пробы лица.

Отобранные пробы упаковывают таким образом, чтобы масса и свойства материалов не изменялись до проведения испытаний.

Каждую пробу снабжают двумя этикетками с обозначением пробы. Одну этикетку помещают внутрь упаковки, другую - на видном месте упаковки.

При транспортировании должна быть обеспечена сохранность упаковки от механического повреждения и намокания.

4.3. Определение зернового состава

4.3.1 Зерновой состав щебня (гравия) определяют путем рассева пробы на стандартном наборе сит.

4.3.2 Средства контроля и вспомогательное оборудование

Весы настольные циферблатные по ГОСТ 29329 или лабораторные по ГОСТ 24104.

Шкаф сушильный.

Сита и проволочные круглые калибры с отверстиями, соответствующими номинальным размерам зерен данной фракции: 1,25Д; Д; 0,5 (Д+d); d, а также 2,5 и 1,25 мм.

4.3.3 Порядок подготовки и проведения испытания

Для испытания используют лабораторную пробу без ее сокращения по таблице 1, высушенную до постоянной массы.

Пробу просеивают ручным или механическим способом через сита с отверстиями указанных выше размеров, собранные последовательно в колонку, начиная снизу с сита с отверстиями наименьшего размера, при этом толщина слоя щебня (гравия) на каждом из сит не должна превышать наибольшего размера зерен щебня (гравия).

Продолжительность просеивания должна быть такой, чтобы при контрольном интенсивном ручном встряхивании каждого сита в течение 1 мин через него проходило не более 0,1% общей массы просеиваемой пробы. При механическом просеивании его продолжительность для применяемого прибора устанавливают в соответствии с указанным выше условием.

При ручном просеивании допускается определять окончание просеивания следующим способом: каждое сито интенсивно трясут над листом бумаги. Просеивание считают законченным, если при этом не наблюдается падение зерен щебня (гравия).

4.3.4 Обработка результатов испытания

По результатам просеивания определяют частный остаток на каждом сите , %, по формуле

, (8)

где - масса остатка на данном сите, г;

m - масса пробы, г.

Определяют полные остатки на каждом сите в процентах массы пробы, равные сумме частных остатков на данном сите и всех ситах с большими размерами отверстий.

Примечание - После рассева пробу вновь объединяют и используют для приготовления аналитических проб для проведения остальных испытаний.

Рассев несортированного щебня (гравия), а также песчано-гравийной смеси производят с применением полного набора стандартных сит в соответствии с 4.1.6 в порядке, установленном в 4.3.3.

При испытании гравия, загрязненного глиной, рассев производят после предварительной промывки с определением содержания пылевидных и глинистых частиц по 4.5. Содержание пылевидных и глинистых частиц включают при расчете результатов рассева в массу частиц, проходящих через сито с размером отверстий 1,25 мм.

4.4 Определение содержания дробленых зерен в щебне из гравия

Содержание дробленых зерен в щебне из гравия оценивают количеством зерен, поверхность которых околота более чем наполовину.

4.4.1 Средства контроля

Весы настольные циферблатные по ГОСТ 29329.

Лупа минералогическая по ГОСТ 25706.

4.4.2 Порядок подготовки и проведения испытания

Из лабораторной пробы от каждой фракции испытываемого щебня берут аналитические пробы массой не менее:

0,25 кг - для щебня размером фракции от 5(3) до 10 мм;
1,0 кг - то же св.10 до 20 мм;
5,0 кг - " св.20 до 40 мм;
10,0 кг - " св.40 мм.

Пробу в воздушно-сухом состоянии просеивают через сита с отверстиями размерами, равными D и d, и взвешивают остаток на сите с отверстиями, равными d.

Визуальным осмотром (применяя в необходимых случаях лупу) определяют дробленые зерна, поверхность которых околота более чем наполовину.

4.4.3 Обработка результатов испытания

Дробленые зерна взвешивают и определяют их содержание Щ, %, с точностью до 1% по формуле

, (9)

где - масса дробленых зерен, г;

m - масса остатка на сите с отверстиями, равными d, г.

4.5. Определение содержания пылевидных и глинистых частиц

4.5.1 Метод отмучивания

Содержание пылевидных и глинистых частиц в щебне (гравии) определяют по изменению массы пробы после отмучивания пылевидных и глинистых частиц (размер частиц менее 0,05 мм).

4.5.1.1 Средства контроля и вспомогательное оборудование

Весы настольные циферблатные по ГОСТ 29329 или лабораторные по ГОСТ 24104.

Шкаф сушильный.

Сосуд для отмучивания (рисунок 1) или цилиндрическое ведро высотой не менее 300 мм с сифоном.

Рисунок 1 - Сосуд для отмучивания

4.5.1.2 Порядок подготовки и проведения испытания

Берут аналитическую пробу щебня (гравия) массой не менее 5 кг, высушенную до постоянной массы. При этом для испытания щебня (гравия) фракции от 5(3) до 10 мм используют целиком пробу, применяемую при определении зернового состава.

Пробу щебня (гравия) помещают в сосуд для отмучивания или ведро, заливают водой несколько выше уровня щебня и оставляют в таком состоянии до полного размокания глинистой пленки (определяется визуально) на зернах щебня (гравия) или комков глины, если они имеются в пробе.

После этого в сосуд или ведро со щебнем (гравием) доливают воду в таком количестве, чтобы высота слоя воды над щебнем была 200 мм; содержимое сосуда перемешивают деревянной мешалкой и оставляют в покое на 2 мин. Через 2 мин сливают полученную суспензию. При сливе суспензии необходимо оставлять слой ее над щебнем (гравием) высотой не менее 30 мм.

Затем щебень (гравий) вновь заливают водой до указанного выше уровня. Промывку щебня (гравия) в указанной последовательности повторяют до тех пор, пока вода после промывки не будет оставаться прозрачной.

Воду в сосуд для отмучивания щебня (гравия) наливают до верхнего сливного отверстия. Суспензию сливают через два нижних отверстия.

Из ведра суспензию сливают с помощью сифона, конец которого должен быть на расстоянии не менее 30 мм от поверхности щебня (гравия).

После окончания отмучивания промытую пробу высушивают до постоянной массы.

4.5.1.3 Обработка результатов испытания

Содержание в щебне (гравии) пылевидных и глинистых частиц П, % по массе, определяют с точностью до 0,1% по формуле

, (10)

где m - первоначальная масса пробы, г;

- масса пробы после отмучивания, г.

4.5.2 Пипеточный метод

Содержание пылевидных и глинистых частиц определяют путем выпаривания отобранной пипеткой пробы суспензии, полученной при промывке щебня (гравия), и взвешивания остатка.

4.5.2.1 Средства контроля и вспомогательное оборудование

Весы настольные циферблатные по ГОСТ 29329 или лабораторные по ГОСТ 24104.

Сосуд цилиндрический с двумя метками (поясами) на внутренней стенке, соответствующими объему 5 и 10 л.

Сосуд цилиндрический без меток.

Шкаф сушильный.

Сита с отверстиями размером 3 или 5 и 0,315 мм.

Цилиндры металлические вместимостью до 1000 мл со смотровым окном (рисунок 2) - 2 шт.

Пипетка мерная металлическая вместимостью 50 мл (рисунок 2).

Чашка или стакан для выпаривания по ГОСТ 9147.

Пикнометр по ГОСТ 22524.

1 - цилиндр; 2 -пипетка; 3 - метка на цилиндре (1000 мл), 4 - уровень суспензии в цилиндре; 5 - опорная крышка пипетки

Рисунок 2 - Металлический цилиндр и мерная пипетка

4.5.2.2 Порядок подготовки и проведения испытания

Аналитическую пробу щебня (гравия) массой не менее 5 кг, высушенную до постоянной массы, взвешивают, помещают в сосуд без меток и заливают 4,5 л воды, оставляя около 500 мл воды для последующего ополаскивания ведра.

Залитый водой щебень (гравий) выдерживают в воде 10-15 мин, перемешивая несколько раз деревянной мешалкой, после чего тщательно отмывают его в той же воде от приставших к зернам глинистых частиц. Затем содержимое сосуда осторожно выливают на два сита: верхнее - с отверстиями диаметром 3 или 5 мм, нижнее - с сеткой N 0315, поставленные на второе ведро с метками. Суспензии в сосуде с метками дают отстояться и осторожно сливают осветленную воду в первый сосуд. Слитой водой вторично промывают щебень (гравий) на ситах над сосудом с метками, после чего первое ведро ополаскивают оставленной водой и эту воду сливают также во второй сосуд. При этом используют такое количество оставленной воды, чтобы уровень суспензии во втором сосуде не превышал метки 5 л.

Если объем суспензии меньше 5 л, то в нее добавляют воду, доводя объем точно до 5 л (до отметки).

После этого суспензию тщательно перемешивают в сосуде и немедленно наполняют ею два металлических цилиндра вместимостью до 1000 мл. Уровень суспензии в каждом цилиндре должен соответствовать метке на смотровом окне.

Суспензию в каждом цилиндре перемешивают стеклянной или металлической палочкой и несколько раз опрокидывают их, закрывая крышкой, для лучшего перемешивания.

После перемешивания оставляют цилиндр в покое на 1,5 мин. За 5 - 10 с до окончания этого срока в цилиндр опускают мерную пипетку так, чтобы опорная крышка пипетки опиралась на верхний обод цилиндра, при этом низ воронки пипетки будет находиться на уровне отбора суспензии - 190 мм от поверхности. По истечении 5-10 с открывают трубку пипетки и после ее заполнения закрывают трубку пальцем, извлекают пипетку из цилиндра и, открыв трубку, выливают содержимое пипетки в предварительно взвешенные чашку или стакан. Наполнение пипетки контролируют по изменению уровня суспензии в смотровом окне.

Суспензию в чашке (стакане) выпаривают в сушильном шкафу при температуре (105 ± 5) °С. Чашку (стакан) с остатком порошка взвешивают с погрешностью до 0,1 г. Аналогично отбирают и обрабатывают пробу из второго цилиндра.

4.5.2.3 Обработка результатов испытания

Содержание пылевидных и глинистых частиц П, % по массе, вычисляют с точностью до 0,1% по формуле

, (11)

где m - масса аналитической пробы щебня (гравия), г;

- масса чашки или стакана для выпаривания суспензии, г;

- масса чашки или стакана с остатком порошка после выпаривания суспензии, г.

Примечания

1 В случае испытания сильно загрязненного пылевидными и глинистыми частицами щебня (гравия) объем воды для промывки берут равным 10 л. Соответственно увеличивают до 10 л объем суспензии в ведре с метками. При этом П определяют по формуле

, (12)

2 Вместо металлических цилиндров со смотровым окном и специальной пипетки допускается применять стеклянные мерные цилиндры вместимостью 1 л по ГОСТ 1770 и стеклянную пипетку вместимостью 50 мл по ГОСТ 29227 или ГОСТ 29228, которую опускают в цилиндр на глубину 190 мм.

3 Допускается массу остатка порошка после выпаривания суспензии определять по плотности суспензии по формуле

, (13)

где - масса пикнометра с суспензией, г;

- масса пикнометра с водой, г;

- плотность суспензии, г/см3 (принимается равной 2,65 г/см3).

Результаты определения массы остатка порошка после выпаривания суспензии вносят в формулу (11) или (12).

4.5.3 Метод мокрого просеивания

Содержание пылевидных и глинистых частиц в щебне (гравии) определяют процеживанием через сито суспензии, полученной при промывке щебня (гравия), и вычислением разности в массе пробы до и после испытания.

4.5.3.1 Средства контроля и вспомогательное оборудование

Весы настольные циферблатные по ГОСТ 29329 или лабораторные по ГОСТ 24104.

Сосуд для получения суспензии или цилиндрическое ведро высотой не менее 300 мм с сифоном.

Противень.

Шкаф сушильный.

Сита с сетками N 1,25 и 0,05 по ГОСТ 6613.

4.5.3.2 Порядок подготовки и проведения испытания

Подготовку к испытанию проводят по 4.5.1.2.

Высушенную до постоянной массы пробу щебня (гравия) помещают в сосуд и заливают водой так, чтобы она покрывала пробу. Содержимое сосуда интенсивно перемешивают для того, чтобы пылевидные и глинистые частицы образовали суспензию.

Полученную суспензию осторожно сливают с помощью сифона на набор сит. Щебень (гравий), оставшийся в сосуде, промывают водой и образовавшуюся суспензию также сливают на набор сит. Процесс повторяют до тех пор, пока вода не станет прозрачной. После этого щебень (гравий), находящийся в сосуде для промывки, соединяют с частицами, оставшимися на обоих ситах, и высушивают на противне в сушильном шкафу до постоянной массы.

4.5.3.3 Обработка результатов испытания

Содержание в щебне (гравии) пылевидных и глинистых частиц П, % по массе, определяют с точностью до 0,1% по формуле

, (14)

где m - масса пробы до промывки, г;

- масса пробы после промывки, г.

4.5.4 Ускоренный фотоэлектрический метод

Метод основан на сравнении степени прозрачности чистой воды и суспензии, полученной при промывке щебня (гравия).

4.5.4.1 Средства контроля и вспомогательное оборудование

Прибор фотоэлектрический типа КЗМ (КЗМ-4нм, КЗМ-7) с относительной погрешностью измерения не более 10% (изготавливается опытным заводом института "Гипрожелдорстрой").

Весы настольные циферблатные по ГОСТ 29329 и лабораторные по ГОСТ 24104.

Сосуд без меток.

Шкаф сушильный.

Чашка или стакан по ГОСТ 9147.

Секундомер.

4.5.4.2 Порядок подготовки и проведения испытания

До проведения измерений прибор типа КЗМ должен быть откалиброван по воде, используемой для испытания, в соответствии с инструкцией по его эксплуатации.

Суспензию приготавливают по 4.5.2.2 или по следующей ускоренной методике. От аналитической пробы щебня (гравия) массой не менее 5 кг, высушенной до постоянной массы, после ее усреднения отбирают две навески массой по 1 кг каждая. Навеску помещают в сосуд и заливают 5 л воды температурой (20 ± 5) °С. Залитый водой щебень (гравий) непрерывно перемешивают деревянной мешалкой в течение 2 мин или оставляют для размокания пылевидных и глинистых частиц на 40 мин.

По истечении 40 мин крупные фракции щебня (гравия) извлекают с помощью совка с отверстиями, входящего в комплект КЗМ, дополнительно промывая материал в верхних слоях суспензии.

Полученную суспензию перемешивают в течение 1 мин и через 30 с после окончания перемешивания отбирают пробу суспензии пипеткой, входящей в комплект КЗМ. Для этого трубку пипетки закрывают пальцем, погружают пипетку до верхней поверхности ее крышки (глубина погружения 60 мм) в суспензию и открывают трубку пипетки. Через 5 - 6 с снова закрывают пальцем трубку пипетки и выливают содержимое пипетки в измерительную кювету прибора. Фотоэлектрическое измерение проводят согласно инструкции по эксплуатации прибора КЗМ.

Отбор пробы суспензии и фотоэлектрическое измерение повторяют еще раз, перемешивая суспензию в течение 10 с перед отбором пробы.

4.5.4.3 Обработка результатов испытания

Содержание пылевидных и глинистых частиц в щебне (гравии) П, % по массе, определяют по формуле

, (15)

где K - переводной коэффициент, определяемый по 4.5.4.4;

- среднеарифметическое значение фотоэлектрических измерений для двух проб.

4.5.4.4 Определение переводного коэффициента K

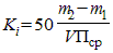
Значение переводного коэффициента устанавливают экспериментально для щебня (гравия) каждого предприятия (карьера)-изготовителя и проверяют при изменении свойств горной породы, но не реже одного раза в год.

Для установления значения переводного коэффициента К испытывают две пробы щебня (гравия). Суспензию, полученную промывкой каждой пробы щебня (гравия), испытывают на приборе КЗМ, проведя 10 измерений по 4.5.4.2. После каждого измерения суспензию из кюветы прибора КЗМ сливают в лоток, входящий в комплект прибора КЗМ. Содержание пылевидных и глинистых частиц определяют выпариванием в лотке суспензии, полученной после десяти фотоэлектрических измерений.

Значение переводного коэффициента для каждой испытываемой пробы щебня (гравия) определяют по формуле

, (16)

где - масса лотка для выпаривания суспензии, г;

- масса лотка с осадком после выпаривания суспензии, г;

V - вместимость пипетки, указанная в паспорте прибора КЗМ, мл;

- среднеарифметическое значение десяти фотоэлектрических измерений содержания пылевидных и глинистых частиц.

Если для двух параллельных проб щебня (гравия) отношение значения большего переводного коэффициента к меньшему , то значение переводного коэффициента определяют по формуле

, (17)
где - сумма последних (десятых) показаний прибора КЗМ по каждой из двух испытываемых проб щебня (гравия),
- сумма первых показаний прибора КЗМ по каждой из двух испытываемых проб щебня (гравия),

, - переводные коэффициенты для левой и второй проб, определенные по формуле (16).

Если отношение более 1,2 для двух проб щебня (гравия), определение содержания пылевидных и глинистых частиц фотоэлектрическим методом

не допускается.

Если отношение находится в пределах от 1,10 до 1,15, то проводят испытание третьей пробы.
Если отношение находится в пределах св.1,15 до 1,20, то проводят испытание четвертой пробы. Значение переводного коэффициента K для каждой

испытываемой пробы определяют по формуле

, (18)

4.5.5 Определение содержания глинистых частиц в щебне (гравии) по расходу красителя (факультативный метод)

Метод основан на определении расхода красителя, адсорбирующегося на поверхности глинистых частиц в суспензии, полученной от промывки щебня (гравия). Расход красителя является косвенным показателем содержания глинистых частиц.

4.5.5.1 Средства контроля и вспомогательное оборудование

Весы настольные циферблатные по ГОСТ 29329 или лабораторные по ГОСТ 24104.

Сосуд для отмучивания по 4.5.1.1 (рисунок 1).

Цилиндры стеклянные вместимостью 100 мл по ГОСТ 23932.

Мешалка для перемешивания растворов марки 022 СЗ (изготовитель - Усманский завод).

Секундомер.

Стеклянные палочки диаметром 8 мм, длиной 250-300 мм.

Фильтры бумажные средней зернистости по ГОСТ 12026.

Вода дистиллированная по ГОСТ 6709.

Краситель фиолетовый (основной) по ГОСТ 22698.

4.5.5.2 Порядок подготовки к испытанию

До проведения испытания приготавливают 1%-ный раствор фиолетового красителя. Для этого порошок красителя массой 5 г вводят в 0,5 л дистиллированной воды в одну из стеклянных емкостей механической мешалки. Емкость закрывают резиновой пробкой и вставляют в зажимное устройство. Зажимные винты закручивают до упора, чтобы при вращении мешалки емкость не выпала и не было утечки жидкости. Раствор перемешивают 15 мин, что обеспечивает полное растворение порошка красителя в воде. Полученный раствор переливают в емкость из темного стекла с плотно притертой пробкой. Хранят раствор в темном месте, срок хранения не более 1 месяца.

Суспензию от промывки щебня (гравия), приготовленную по 4.5.2.2 и 4.5.2.3, тщательно перемешивают в ведре и немедленно наполняют ею две мерные колбы вместимостью 0,5 л каждая. Суспензию, не допуская потерь, переливают в стеклянную емкость механической мешалки.

4.5.5.3 Порядок проведения испытания

Мерной пипеткой отбирают 1, 2 и 3 мл раствора фиолетового красителя в зависимости от загрязненности щебня (гравия): при содержании пылевидных и глинистых частиц до 1% - пипеткой вместимостью 1 мл, св. 1 до 3% - 2 мл, св. 3% - 3 мл. Раствор вводят в одну емкость с суспензией, а затем содержимое емкости перемешивают с помощью мешалки. Время перемешивания суспензии с раствором красителя в мешалке: при содержании пылевидных и глинистых частиц до 1% - 5 мин, св. 1 до 3% - 10 мин, св. 3% - 15 мин.

По истечении указанного срока перемешивания емкости вынимают из мешалки, снимают пробу и устанавливают на столе. С помощью стеклянной палочки отбирают 5 контрольных капель - проб суспензии и наносят на фильтровальную бумагу. От каждой капли на фильтровальной бумаге образуется пятно, вид которого зависит от того, поглощается ли вводимый в суспензию краситель полностью глинистыми частицами или, при их насыщении, остается в свободном состоянии. До наступления полного насыщения глинистые частицы, окрашиваясь в фиолетовый цвет, образуют темное пятно с четким контуром: при насыщении глинистых частиц красителем вокруг пятна образуется фиолетовый ореол из свободного красителя. Если пятно имеет четкий контур, в емкость с опробованной суспензией вводят следующую дозу раствора красителя, соответствующую по объему первой, и перемешивают. Введение доз раствора красителя в суспензию, перемешивание в мешалке и отбор проб-капель производят до того момента, когда вокруг контрольных пятен на фильтровальной бумаге проявится контур - ореол фиолетового оттенка.

При опробовании суспензии из второй емкости первоначальный расход красителя рекомендуется назначать в пределах 0,5 от полученного общего расхода красителя по первой пробе, но не более 10 мл, а далее вводить минимальные дозы, зависящие от загрязненности щебня (гравия), до появления контура фиолетового цвета вокруг контрольного пятна.

4.5.5.4 Обработка результатов испытания

Количество 1%-ного раствора красителя Количество 1%-ного раствора красителя , необходимое для полного покрытия молекулами красителя глинистых частиц (предельной адсорбции), в пересчете на 1000 г щебня (гравия) определяют по формуле, необходимое для полного покрытия молекулами красителя глинистых частиц (предельной адсорбции), в пересчете на 1000 г щебня (гравия) определяют по формуле

, (19)

где - предельный расход красителя, мл/кг;

, - расход раствора красителя соответственного для первой и второй стеклянных емкостей мешалки, мл;

m - масса навески щебня (гравия), m = 5 кг;

a - соотношение между полным объемом суспензии (10 л) и объемом, необходимым для испытания (0,5 л), a = 20.

Щебень (гравий) по содержанию глинистых частиц считается пригодным для строительных работ без проведения дополнительных исследований, если расход раствора красителей не превышает значений, приведенных в таблице 2.

Таблица 2

Щебень Расход красителя, мл/кг
Из изверженных и метаморфических горных пород 180
Из осадочных горных пород марок:  
от 600 до 1200 360
от 200 до 400 540
Из гравия и гравий марок:  
от Др 8 Др 16 180
  Др 24 360

4.6. Определение содержания глины в комках

Содержание глины в комках в щебне (гравии) определяют путем отбора из проб каждой фракции частиц, отличающихся пластичностью.

4.6.1 Средства контроля и вспомогательное оборудование

Весы настольные циферблатные по ГОСТ 29329 и лабораторные по ГОСТ 24104.

Шкаф сушильный.

Сита с круглыми отверстиями диаметром 5 (3), 10, 20, 40 и 80 (70) мм.

Лупа.

4.6.2 Порядок подготовки и проведения испытания

Аналитические пробы щебня (гравия) готовят путем рассева лабораторной пробы на ситах стандартного набора или берут из остатков на ситах, полученных рассевом пробы при определении зернового состава. Массу проб принимают по 4.4.2.

Каждую аналитическую пробу щебня (гравия), высушенную до постоянной массы, насыпают тонким слоем на металлический лист и увлажняют с помощью пипетки. Из пробы выделяют комки глины, отличающиеся пластичностью от зерен щебня (гравия), применяя в необходимых случаях лупу.

Выделенные комки глины высушивают до постоянной массы и взвешивают.

4.6.3 Обработка результатов испытания

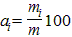
Содержание комков глины в каждой пробе щебня (гравия) , %, определяют по формуле

, (20)

где m - масса аналитической пробы щебня (гравия), кг;

- масса глины в комках, высушенной до постоянной массы, кг.

Содержание комков глины в смеси фракций вычисляют в соответствии с 4.1.7.

4.7. Определение содержания зерен пластинчатой (лещадной) и игловатой форм

4.7.1 Метод визуальной разборки

Содержание в щебне (гравии) зерен пластинчатой (лещадной) и игловатой форм оценивают количеством зерен, толщина которых менее длины в три раза и более.

4.7.1.1 Средства контроля и вспомогательное оборудование

Весы настольные циферблатные по ГОСТ 29329 или лабораторные по ГОСТ 24104.

Шаблон передвижной (рисунок 3) или штангенциркуль по ГОСТ 166.

Сита из стандартного набора по 4.1.6.

Рисунок 3 - Передвижной шаблон

4.7.1.2 Порядок подготовки и проведения испытания

Из лабораторной пробы от каждой фракции испытываемого щебня (гравия) берут аналитические пробы массой по 4.4.2.

Содержание зерен пластинчатой (лещадной) или игловатой формы определяют отдельно для каждой фракции щебня (гравия).

При наличии в испытываемом щебне (гравии) какой-либо фракции в количестве менее 5% по массе содержание зерен пластинчатой (лещадной) и игловатой форм в этой фракции не определяют.

Аналитическую пробу взвешивают и из нее выбирают зерна, толщина которых меньше длины в три раза и более.

Соотношение размеров зерен определяют при помощи передвижного шаблона или штангенциркуля. При использовании шаблона измеряемое зерно вкладывают наибольшим размером между губками, положение шаблона фиксируют стопорным винтом и измеряют размер зерна, затем зерно пропускают наименьшим размером между губками шаблона, установленными на расстоянии в три раза меньшем. Если зерно пройдет между губками, то его относят к зернам пластинчатой или игловатой формы.

Зерна пластинчатой и игловатой форм взвешивают.

4.7.1.3 Обработка результатов испытания

Содержание в каждой фракции щебня (гравия) зерен пластинчатой (лещадной) и игловатой форм , %, определяют по формуле

, (21)

где m - масса аналитической пробы, г;

- масса зерен пластинчатой (лещадной) и игловатой форм, г.

Содержание зерен пластинчатой (лещадной) и игловатой форм в смеси фракций определяют в соответствии с 4.1.7.

4.7.2 Определение на щелевидных ситах

Метод основан на просеивании щебня (гравия) через щелевидные сита.

4.7.2.1 Средства контроля и вспомогательное оборудование

Весы настольные циферблатные по ГОСТ 29329 или лабораторные по ГОСТ 24104.

Набор щелевидных сит, изготовленных из листового проката по ГОСТ 19904, в соответствии с таблицей 3 на круглых или квадратных обечайках с диаметром или стороной не менее 300 мм.

4.7.2.2 Порядок подготовки и проведения испытания

От каждой фракции испытываемого щебня (гравия) берут аналитическую пробу массой по 4.4.2.

Пробу каждой фракции просеивают через щелевидные сита с отверстиями согласно таблице 3.

Таблица 3

В миллиметрах

Номинальные размеры зерен щебня (гравия) Размеры отверстий щелевидных сит
Наим. Наиб. Длина Ширина
5(3) 10 10 2,5
10 20 20 5,0
20 40 40 10,0
40 70 70 20,0
70(80) 120 120 35,0

Зерна, прошедшие через щелевидное сито, относят к пластинчатым и игловатым.

4.7.2.3 Обработка результатов испытания

Содержание в каждой фракции щебня (гравия) пластинчатых и игловатых зерен , %, определяют по формуле (21).

Содержание зерен пластинчатой (лещадной) и игловатой форм в смеси фракций определяют в соответствии с 4.1.7.

4.8. Определение дробимости

Дробимость щебня (гравия) определяют по степени разрушения зерен при сжатии (раздавливании) в цилиндре.

4.8.1 Средства контроля и вспомогательное оборудование

Пресс гидравлический с максимальным усилием до 500 кН по ГОСТ 28840.

Цилиндры стальные с внутренними диаметрами 75 и 150 мм и высотой соответственно 75 и 150 мм со съемным дном и плунжером (рисунок 4).

Дробилка щековая лабораторная марки ДЛЩ 60х100.

Весы настольные циферблатные по ГОСТ 29329 или лабораторные по ГОСТ 24104.

Сита из стандартного набора по 4.1.6.

Сито с сеткой N 2,25 по ГОСТ 6613.

Шкаф сушильный.

Сосуд для насыщения щебня (гравия) водой.

В миллиметрах

D d H
87 75 73 75 70
170 150 148 150 120

Рисунок 4 - Цилиндры стальные

4.8.2 Порядок подготовки к испытанию

При испытании щебня (гравия), состоящего из смеси двух или более смежных фракций, исходный материал рассеивают на стандартные фракции и каждую фракцию испытывают отдельно. Щебень (гравий) фракции от 5 до 10, св. 10 до 20 или св. 20 до 40 мм просеивают через два сита с отверстиями, соответствующими наибольшей (D) и наименьшей (d) крупности испытываемой фракции. От остатков на сите с отверстиями размером, равным d, отбирают две аналитические пробы массой не менее 0,5 кг каждая при испытании в цилиндре диаметром 75 мм и не менее 4 кг - при испытании в цилиндре диаметром 150 мм. Щебень (гравий) крупнее 40 мм предварительно дробят и испытывают фракции св. 10 до 20 мм или св. 20 до 40 мм.

При одинаковом петрографическом составе щебня (гравия) фракции св. 20 до 40 мм и св. 40 до 70 мм прочность последней допускается характеризовать результатами испытаний фракций св. 20 до 40 мм. Щебень (гравий) допускается испытывать как в сухом, так и в насыщенном водой состоянии.

Аналитические пробы для испытания в сухом состоянии высушивают до постоянной массы, а для испытания в насыщенном водой состоянии погружают в воду на 2 ч.

После насыщения водой с поверхности зерен щебня (гравия) удаляют влагу мягкой влажной тканью.

4.8.3 Порядок проведения испытания

При определении марки щебня (гравия) применяют цилиндр диаметром 150 мм. Для приемочного контроля качества щебня (гравия) фракции от 5 до 10 мм и св. 10 до 20 мм допускается применять цилиндр диаметром 75 мм.

Пробу щебня (гравия) насыпают в цилиндр с высоты 50 мм так, чтобы после разравнивания верхний уровень материала примерно на 15 мм не доходил до верхнего края цилиндра. Затем в цилиндр вставляют плунжер так, чтобы плита плунжера была на уровне верхнего края цилиндра. Если верх плиты на плунжере не совпадает с краем цилиндра, то удаляют или добавляют несколько зерен щебня (гравия). После этого цилиндр помещают на нижнюю плиту пресса.

Увеличивая силу нажатия пресса на 1 - 2 кН (100 - 200 кгс) в секунду, доводят ее при испытании щебня (гравия) в цилиндре диаметром 75 мм до 50 кН (5000 кгс), при испытании в цилиндре диаметром 150 мм - до 200 кН (20000 кгс).

После сжатия испытываемую пробу высыпают из цилиндра и взвешивают. Затем ее просеивают в зависимости от размера испытываемой фракции через сито с отверстиями размером:

1,25 мм - для щебня (гравия) размером фракции от 5 до 10 мм;
2,5 мм - то же св. 10 до 20 мм;
5,0 мм - " св. 20 до 40 мм.

Остаток щебня (гравия) на сите после просеивания взвешивают.

При испытании щебня (гравия) в насыщенном водой состоянии навеску на сите тщательно промывают водой и удаляют поверхностную влагу с зерен щебня (гравия) мягкой влажной тканью.

4.8.4 Обработка результатов испытания

Дробимость Др, %, определяют с точностью до 1% по формуле

, (22)

где m - масса испытываемой пробы щебня (гравия), г;

- масса остатка на контрольном сите после просеивания раздробленной в цилиндре пробы щебня (гравия), г.

За результат принимают среднеарифметическое значение двух параллельных испытаний. (в ред. Изменения N 2)

4.8.5 Испытание щебня (гравия) (в ред. Изменения N 2)

При испытании щебня (гравия), состоящего из смеси фракций, дробимость определяют в соответствии с 4.1.7. (в ред. Изменения N 2)

4.8.6 Испытание щебня из валунов (в ред. Изменения N 2)

При испытании щебня из валунов, состоящего из смеси пород различных генетических типов, его подвергают петрографической разборке в соответствии с 4.13 и определяют процентное содержание в нем щебня, сложенного изверженными интрузивными породами, щебня, сложенного изверженными эффузивными породами, и щебня, сложенного смесью осадочных и метаморфических пород. Из щебня, сложенного каждой из этих групп пород, отбирают представительные пробы и испытывают их на дробимость в соответствии с 4.8.2 - 4.8.4. (в ред. Изменения N 2)

По результатам испытаний устанавливают марку по дробимости щебня каждой испытанной пробы по таблицам 3 и 4 ГОСТ 8267 и определяют промежуточную средневзвешенную марку по дробимости щебня из валунов по формуле (в ред. Изменения N 2)

, (22а)

(в ред. Изменения N 2)

где - марка по дробимости щебня изверженных интрузивных пород; (в ред. Изменения N 2)

- марка по дробимости щебня изверженных эффузивных пород; (в ред. Изменения N 2)

марка по дробимости щебня осадочных и метаморфических пород; (в ред. Изменения N 2)

- содержание в щебне из валунов зерен изверженных интрузивных пород, %; (в ред. Изменения N 2)

- содержание в щебне из валунов зерен изверженных эффузивных пород, %; (в ред. Изменения N 2)

- содержание в щебне из валунов зерен осадочных и метаморфических пород, %. (в ред. Изменения N 2)

Марку по дробимости щебня из валунов определяют по значению промежуточной марки по дробимости по таблице 5а ГОСТ 8267. (в ред. Изменения N 2)

4.9. Определение содержания зерен слабых пород в щебне (гравии) и слабых разностей в горной породе

4.9.1 Определение содержания зерен слабых пород

Содержание в щебне (гравии) зерен слабых пород определяют путем их выделения по характерным признакам.

4.9.1.1 Средства контроля и вспомогательное оборудование

Весы настольные циферблатные по ГОСТ 29329 или лабораторные по ГОСТ 24104.

Шкаф сушильный.

Сита из стандартного набора по 4.1.6..

Индикатор прочности камня механический типа Т-3 (рисунок 5).

Лупа минералогическая по ГОСТ 25706.

Игла стальная по ГОСТ 8030 и игла алюминиевая из проволоки по ГОСТ 14838.

Молоток столярный типа МСТ-3 по ГОСТ 11042.

1 - манометр; 2 - гидравлическая мессдоза; 3 - верхнийзуб; 4 - нижний зуб; 5 - диск винтового механизма; 6 - щелевой упор; 7 - корпусприбора

Рисунок 5 - Механический индикаторпрочности камня (Т-3)

4.9.1.2 Порядок подготовки к испытанию

От каждой фракции щебня (гравия) берут аналитическую пробу массой по 4.4.2.

Пробу высушивают до постоянной массы.

Содержание в щебне (гравии) зерен слабых пород определяют отдельно для каждой фракции щебня (гравия).

При наличии в испытываемом щебне (гравии) какой-либо фракции в количестве, меньшем 5% по массе, содержание зерен слабых пород в этой фракции не определяют.

4.9.1.3 Порядок проведения испытания

Проводят разборку пробы каждой фракции щебня (гравия), выделяя зерна слабых пород с пределом прочности при сжатии в насыщенном водой состоянии менее 20 МПа (200 кгс/см2).

При выделении зерен слабых пород руководствуются следующими отличительными признаками: зерна слабых пород легко разламываются руками и разрушаются легкими ударами молотка. При царапании иглой по поверхности зерна остается след (на поверхности зерен изверженных и метаморфических пород оставляет след стальная игла, на поверхности зерен осадочных карбонатных пород - алюминиевая).

Кроме того, слабые зерна карбонатных пород обычно имеют окатанную форму.

В целях уточнения содержания зерен слабых пород в щебне допускается использование механического индикатора прочности камня типа Т-3.

В зависимости от размера испытываемой фракции щебня (гравия) на приборе устанавливают сменный щелевой упор с шириной щели 2,9 мм для зерен фракции св. 10 до 20 мм, 4,2 мм - для более крупных зерен. При этом расстояние между краем ребер щелевого упора и осью, проходящей через острие зубьев прибора, должно быть равно ширине щели.

Каждое выделенное при разборке пробы щебня сомнительное по прочности зерно вставляют клиновидным концом между зубьями прибора до щелевого упора. После этого вращением диска винтового механизма прибора сжимают зубья и "откусывают" кусочек камня. По контрольной стрелке манометра определяют предел прочности камня. Шкала манометра градуирована для случая применения упора со щелью шириной 4,2 мм; при применении упора со щелью 2,9 мм показания манометра удваивают.

Для перехода от показаний прибора к пределу прочности при сжатии предварительно устанавливают переходной коэффициент по данным испытания зерен щебня механическим индикатором Т-3 и определяют прочность образцов породы правильной формы сжатием на прессе.

4.9.1.4 Обработка результатов испытания

Выделенные из пробы зерна слабых пород взвешивают и определяют их содержание , %, по формуле

, (23)

где m - масса аналитической пробы, г;

- масса зерен слабых пород, г.

При испытании щебня (гравия), состоящего из смеси фракций, содержание зерен слабых пород определяют в соответствии с 4.1.7.

4.10. Определение истираемости в полочном барабане

Истираемость (износ) щебня (гравия) определяют по потере массы зерен при испытании пробы в полочном барабане с шарами.

4.10.1 Средства контроля и вспомогательное оборудование

Барабан полочный диаметром 700, длиной 500 мм, снабженный на внутренней поверхности полкой шириной 100 мм (рисунок 6).

1 - станина; 2 - двигатель; 3 - барабан; 4 - полкабарабана

Рисунок 6 - Полочный барабан

Шары стальные или чугунные диаметром 48 мм, массой (405 ± 10) г каждый - 12 шт.

Весы настольные циферблатные по ГОСТ 29329 или лабораторные по ГОСТ 24104.

Шкаф сушильный.

Сита из стандартного набора по 4.1.6.

Сито с сеткой N 1,25 по ГОСТ 6613.

4.10.2 Порядок подготовки к испытанию

Испытываемый щебень (гравий) не должен содержать пылевидных и глинистых частиц более 1% по массе. В противном случае щебень (гравий) предварительно промывают и высушивают.

Щебень (гравий) фракций от 5 до 10, св. 10 до 20 или св. 20 до 40 мм в состоянии естественной влажности просеивают через два сита с отверстиями размерами, соответствующими наибольшему D и наименьшему d номинальным размерам зерен данной фракции. Из остатка на сите с отверстиями размером d отбирают две аналитические пробы по 5 кг с предельной крупностью зерен до 20 мм и две пробы по 10 кг фракции св. 20 до 40 мм.

При испытании щебня (гравия), состоящего из смеси двух или более смежных фракций, аналитические пробы готовят рассеиванием исходного материала на стандартные фракции и каждую фракцию испытывают отдельно. Щебень (гравий) крупнее 40 мм дробят до получения зерен мельче 40 мм и испытывают щебень (гравий) фракции св. 20 до 40 мм.

В случае одинакового петрографического состава фракций щебня (гравия) св. 20 до 40 и св. 40 до 70 мм истираемость последней допускается характеризовать результатами испытаний фракций св. 20 до 40 мм.

4.10.3 Порядок проведения испытания

Подготовленную пробу загружают в полочный барабан вместе с чугунными или стальными шарами, закрепляют крышку барабана и приводят его во вращение со скоростью 30 - 33 об/мин.

Число чугунных или стальных шаров и общее число оборотов барабана в процессе одного испытания щебня (гравия) принимают по таблице 4.

По окончании испытания содержимое барабана просеивают через сито с отверстиями диаметром 5 мм и контрольное сито с сеткой N 1,25. Остатки на ситах соединяют и взвешивают.

Таблица 4

Размер фракции щебня (гравия), мм Число чугунных или стальных шаров, необходимое для испытания пробы, шт. Число оборотов полочного барабана, необходимое для испытания пробы
От 5 до 10 8 500
Св.5 до 15 9 500
Св. 10 до 20 11 500
Св. 20 до 40 12 1000

4.10.4 Обработка результатов испытания

Истираемость щебня И, %, определяют по формуле

, (24)

где m - масса пробы щебня (гравия), г;

- суммарная масса остатков на сите с отверстиями диаметром 5 мм и контрольном сите, г.

За результат испытания принимают среднеарифметическое значение двух параллельных испытаний.

При испытании щебня (гравия), состоящего из смеси двух и более смежных фракций, истираемость определяют в соответствии с 4.1.7.

4.11. Определение сопротивления удару на копре ПМ

Сопротивление щебня (гравия) удару на копре ПМ определяют по степени разрушения зерен, оцениваемой изменением зернового состава пробы.

4.11.1 Средства контроля и вспомогательное оборудование

Копер ПМ (рисунок 7).

Весы настольные циферблатные по ГОСТ 29329 или лабораторные по ГОСТ 24104.

Сита с круглыми отверстиями диаметрами 5(3); 25(20) и 40 мм и с сетками N 0,5 и 1 по ГОСТ 6613.

Рисунок 7- Копер ПМ

4.11.2 Порядок подготовки к испытанию

Испытываемый щебень (гравий) не должен содержать пылевидных и глинистых частиц более 1% по массе, в противном случае щебень (гравий) предварительно промывают и высушивают.

Испытанию на копре ПМ подвергают щебень (гравий) фракции от 25(20) до 40 мм. Пробу щебня (гравия) массой 3 кг, высушенную до постоянной массы, просеивают через сита с отверстиями 40 и 25(20) мм. Зерна крупнее 40 мм предварительно дробят до получения зерен указанных размеров. Из щебня (гравия), оставшегося на сите с отверстиями 25(20) мм, готовят две пробы. Испытываемый щебень (гравий) всыпают в специальный мерный сосуд с внутренним диаметром 105 мм и высотой 58 мм. Лишний щебень (гравий) снимают вровень с краями сосуда. Сосуд с щебнем (гравием) взвешивают. Массу аналитической пробы m, г, определяют по формуле

, (25)

где - масса пробы щебня (гравия) с мерным сосудом, г;

- масса мерного сосуда, г.

4.11.3 Порядок проведения испытания

Каждую пробу щебня (гравия) высыпают из мерного цилиндра в стальную ступку копра ПМ и разравнивают его поверхность для достижения одного уровня расположения зерен в ступке. Пробу подвергают ударам бойка массой 5 кг, падающего с высоты 50 см.

Копер должен быть установлен вертикально на прочном фундаменте. Пластинку с зубьями бойка изготавливают из углеродистой стали и подвергают закалке в масле с последующим отпуском на твердость, равную 57,0 ... 59,0 . Износ по высоте зубьев бойка не должен быть более 1 мм.

После каждого удара бойка ступку с помощью рукоятки поворачивают на 45° и устанавливают по направлению указателей, сделанных на подставке копра ПМ.

После 40 ударов бойка все содержимое ступки просеивают через сита с отверстиями 5; 3; 1 и 0,5 мм, остатки на каждом сите взвешивают и определяют полные остатки на каждом сите.

4.11.4 Обработка результатов испытания

Сопротивление щебня (гравия) удару на копре У определяют по формуле

, (26)

где А - показатель крупности пробы после испытания, определяемый по формуле

, (27)

где , , , - полные остатки на ситах с отверстиями диаметрами 5; 3; 1 и 0,5 мм, г;

m - первоначальная масса пробы, г.

За результат испытания принимают среднеарифметическое значение сопротивления удару двух параллельных определений.

4.12. Определение морозостойкости

4.12.1 Метод замораживания

Морозостойкость щебня (гравия) определяют по потере массы пробы при попеременном замораживании и оттаивании.

4.12.1.1 Средства контроля и вспомогательное оборудование

Камера морозильная, обеспечивающая достижение и поддержание температуры до минус (20 ± 2) °С.

Шкаф сушильный.

Весы настольные циферблатные по ГОСТ 29329 и лабораторные по ГОСТ 24104.

Сита из стандартного набора по 4.1.6.

Ванна для насыщения водой и оттаивания щебня (гравия).

Сосуд металлический.

4.12.1.2 Порядок подготовки к испытанию

Каждую фракцию щебня (гравия) испытывают на морозостойкость отдельно. Фракции, содержащиеся в щебне (гравии) в количестве менее 5% по массе, на морозостойкость не испытывают.

Для испытания берут от каждой фракции две аналитические пробы. Масса каждой пробы должна быть не менее:

1,0 кг - для щебня (гравия) размером фракции от 5 до 10 мм;
1,5 кг - то же св. 10 до 20 мм;
2,5 кг - " св. 20 до 40 мм;
5,0 кг - " св. 40 до 70 (80) мм.

Зерна крупнее 70 (80) мм дробят и испытывают фракцию размером св.40 до 70 (80) мм.

Полученные пробы щебня (гравия) промывают и высушивают до постоянной массы.

4.12.1.3 Порядок проведения испытания

Аналитическую пробу щебня (гравия) данной фракции равномерно насыпают в металлический сосуд и заливают водой, имеющей температуру (20 ± 5) °С. Через 48 ч сливают воду из сосуда, помещают щебень (гравий) в морозильную камеру и доводят температуру в камере до минус (18 ± 2) °С. Продолжительность цикла замораживания щебня (гравия) в камере при установившейся температуре не выше минус 16°С должна составлять 4 ч. После этого сосуд со щебнем (гравием) помещают в ванну с проточной или сменяемой водой с температурой (20 ± 5) °С и выдерживают в ней при этой температуре до полного оттаивания щебня (гравия), но не менее 2 ч. Далее циклы испытания повторяют.

После 15, 25 и каждых последующих 25 циклов попеременного замораживания и оттаивания пробу щебня (гравия) высушивают до постоянной массы, просеивают через контрольное сито, на котором она полностью оставалась перед испытанием.

Зерна щебня (гравия) фракции св. 40 до 70 (80) мм, имеющие свежую поверхность раскола и оставшиеся на сите с размером отверстий 40 мм, относят к неморозостойким. Их массу не включают в массу остатка на контрольном сите.

4.12.1.4 Обработка результатов испытания

Потерю массы пробы , %, определяют по формуле

, (28)

где m - масса пробы до испытания, г;

- масса остатка на сите после соответствующего цикла замораживания и оттаивания, г.

За результат испытания принимают среднеарифметическое значение двух параллельных испытаний.

При испытании щебня (гравия), состоящего из смеси фракций, значение вычисляют в соответствии с 4.1.7.

Если потеря массы при данном числе циклов замораживания и оттаивания не превышает допускаемую по ГОСТ 8267, испытания продолжают в течение последующих 25 циклов.

Если потеря в массе превысила допускаемый предел, испытание прекращают и морозостойкость данной фракции щебня (гравия) характеризуют предыдущим числом циклов замораживания и оттаивания, при котором потеря массы щебня (гравия) не превышает допускаемую.

4.12.2 Ускоренное определение морозостойкости

Морозостойкость щебня (гравия) определяют по потере массы пробы при погружении в насыщенный раствор сульфата натрия и последующем высушивании.

4.12.2.1 Средства контроля и вспомогательное оборудование

Весы настольные циферблатные по ГОСТ 29329 или лабораторные по ГОСТ 24104.

Шкаф сушильный.

Сита из стандартного набора по 4.1.6.

Сосуд металлический для насыщения щебня (гравия) раствором сульфата натрия.

Натрий сернокислый по ГОСТ 4166 (натрия сульфат 10-водный по ГОСТ 4171).

4.12.2.2 Порядок подготовки к испытанию

Каждую фракцию щебня (гравия) испытывают отдельно. Аналитическую пробу готовят по 4.12.1.2.

Раствор сульфата натрия готовят следующим образом. Отвешивают 185 г безводного серно-кислого натрия по ГОСТ 4166 или 420 г кристаллического серно-кислого натрия по ГОСТ 4171 и растворяют в 1 л подогретой до 40°С дистиллированной воды путем постепенного добавления в нее сульфата натрия при тщательном перемешивании до насыщения раствора, охлаждают раствор до комнатной температуры, сливают в бутыль и оставляют на 2 сут. (в ред. Изменения N 1)

4.12.2.3 Порядок проведения испытания

Аналитическую пробу щебня (гравия) насыпают в сосуд в один слой, заливают раствором сульфата натрия так, чтобы щебень (гравий) был погружен полностью в раствор, и выдерживают в нем в течение 20 ч при комнатной температуре.

Затем раствор сливают (используют повторно), а сосуд со щебнем (гравием) помещают на 4 ч в сушильный шкаф, в котором поддерживают температуру (105 ± 5) °С. После этого щебень (гравий) охлаждают до комнатной температуры и вновь заливают раствором.

Последующие циклы испытания включают выдерживание щебня (гравия) в течение 4 ч в растворе сульфата натрия, сушку в течение 4 ч и охлаждение до комнатной температуры.

После 3, 5, 10 и 15 циклов пробу щебня (гравия) промывают горячей водой для удаления сульфата натрия, высушивают до постоянной массы и просеивают через сито с отверстиями размером d.

Зерна щебня (гравия) фракции св. 40 до 70 мм, имеющие свежую поверхность раскола и оставшиеся на сите с отверстиями диаметром 40 мм, относят к неморозостойким. Их массу не включают в массу остатка на контрольном сите.

4.12.2.4 Обработка результатов испытания

Остаток на сите взвешивают и определяют потерю массы щебня (гравия) , %, по формуле

, (29)

где m - масса пробы до испытания, г;

- масса остатка на сите после соответствующего цикла испытания, г.

За результат принимают среднеарифметическое значение двух параллельных испытаний. При испытании щебня (гравия), состоящего из смеси фракции, потерю массы определяют в соответствии с 4.1.7 как средневзвешенное значение результатов испытаний отдельных фракций.

4.13. Определение минералого-петрографического состава

Содержание минералов в щебне (гравии) определяют методами петрографической разборки и минералогического анализа.

4.13.1 Средства контроля и вспомогательное оборудование

Весы настольные циферблатные по ГОСТ 29329 или лабораторные по ГОСТ 24104.

Шкаф сушильный.

Сита из стандартного набора по 4.1.6.

Лупа минералогическая по ГОСТ 25706.

Игла стальная или нож.

Молоток столярный типа МСТ-3 по ГОСТ 11042.

Ступка и чашки фарфоровые по ГОСТ 9147.

Магнит.

4.13.2 Порядок подготовки к испытанию

Щебень (гравий) рассеивают на стандартные фракции и от каждой из них отбирают аналитическую пробу массой по 4.4.2.

При наличии в испытываемом щебне (гравии) какой-либо фракции в количестве, меньшем 5% по массе, минералого-петрографический состав этой фракции не определяют.

Пробу промывают и высушивают до постоянной массы.

4.13.3 Порядок проведения испытания

Петрографическую разборку щебня (гравия) выполняют визуальным осмотром зерен с помощью лупы, используя набор реактивов для минералогического анализа, а также другими, принятыми в петрографии методами (с изготовлением в необходимых случаях прозрачных шлифов).

Зерна пробы каждой фракции разделяют по генетическим типам: изверженные интрузивные - гранит, габбро, диорит и др.; изверженные эффузивные - базальт, андезит, липарит и др.; метаморфические - кварцит, кристаллические сланцы и др.; осадочные - известняк, доломит, песчаник, кремень и др.

Зерна карбонатных пород, подвергшиеся процессам окремнения более чем на 40% своего объема, относят к группе кремния. Зерна кварца выделяют в самостоятельную группу. Кроме этого, выделяют зерна, представленные породами и минералами, наличие которых ограничено нормативными документами на щебень (гравий) или требует проведения специальных исследований возможности применения щебня (гравия) в качестве заполнителя для различных видов бетона и строительных работ.

К указанным породам и минералам относят включения следующих пород и минералов, содержащих: активно растворимый в щелочах кремнезем (халцедон, опал, кремень и др.); серу; сульфиды (пирит, марказит, пирротин и др.); сульфаты (гипс, ангидрит и др.); слоистые силикаты (слюды, гидрослюды, хлориты и др.); магнетит; оксиды железа (гетит и др.); апатит; нефелин; фосфорит; галоидные соединения (галит, сильвин и др.); цеолиты; асбест; графит; уголь, горючие сланцы.

Щебень, изготовленный из одной горной породы, характеризуют петрографическим составом данной горной породы с указанием содержания включений, относимых к вредным примесям пород и минералов, перечисленных выше.

Для характеристики состава щебня, изготовленного из различных горных пород, а также гравия и щебня из гравия производят петрографическую разборку щебня (гравия).

При наличии минералов, содержащих серу, количество сернистых и сернокислых соединений в пересчете на SO3 определяют по 4.7 ГОСТ 8269.1.

При наличии галоидных соединений (галит, сильвин и др., включая водорастворимые хлориды) общее содержание хлоридов и легкорастворимых хлоридов определяют по 4.10 ГОСТ 8269.1.

Содержание растворимого в щелочи аморфного кремнезема определяют по 4.22.2. (в ред. Изменения N 2)

4.13.4 Обработка результатов испытания

Петрографически разобранные по породам (или минералам) зерна щебня (гравия) взвешивают раздельно и определяют их содержание , %, по формуле

, (30)

где - масса зерен данной породы или минерала, г;

m - масса пробы, г.

4.14. Определение наличия органических примесей в гравии (щебне из гравия)

Наличие органических примесей (гумусовых веществ) в гравии (щебне из гравия) определяют сравнением окраски щелочного раствора над пробой с окраской эталона.

4.14.1 Средства контроля и вспомогательное оборудование

Весы настольные циферблатные по ГОСТ 29329 или лабораторные по ГОСТ 24104;

Сито с отверстиями размером 20 мм;

Цилиндры мерные вместимостью 250 мм по ГОСТ 1770;

Баня водяная;

Натрия гидроокись (гидроксид натрия) по ГОСТ 4328, 3%-ный раствор;

Танин, 2%-ный раствор в 1%-ном растворе этанола.

4.14.2 Порядок подготовки к испытанию

Испытывают фракцию гравия (щебня из гравия) с наибольшим номинальным размером зерен 20 мм.

Отбирают аналитическую пробу гравия (щебня из гравия) массой 1 кг, высушенную до постоянной массы и просеянную через сито с отверстиями диаметром 20 мм.

Готовят эталонный раствор, растворяя 2,5 мл 2%-ного раствора танина в 97,5 мл 3%-ного раствора гидроксида натрия. Приготовленный раствор перемешивают и оставляют на 24 ч.

Оптическая плотность раствора танина, определяемая на фотоколориметре или спектрофотометре в области длин волн 450-500 нм, должна составлять 0,60 - 0,68.

4.14.3 Порядок проведения испытания

Гравием (щебнем из гравия) заполняют мерный цилиндр до уровня 130 мм и заливают его 3%-ным раствором гидроксида натрия до уровня 200 мл. Содержимое цилиндра перемешивают и оставляют на 24 ч, повторяя перемешивание через 4 ч после начала испытания. Затем сравнивают окраску жидкости, отстоявшейся над пробой, с цветом эталонного раствора.

Гравий (щебень из гравия) пригоден для использования в бетонах или растворах, если жидкость над пробой бесцветна или окрашена значительно слабее эталонного раствора.

При окраске жидкости незначительно светлее эталонного раствора содержимое сосуда подогревают в течение 2 - 3 ч на водяной бане при температуре 60 - 70°С и, сравнивая цвет жидкости над пробой с цветом эталонного раствора, решают вопрос о пригодности заполнителя для приготовления бетона или раствора.

При окраске жидкости, одинаковой или более темной, чем цвет эталонного раствора, проводят испытания заполнителя в бетонах или растворах в специализированных лабораториях по коррозии бетона.

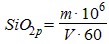
4.15. Определение истинной плотности горной породы и зерен щебня (гравия)

4.15.1 Пикнометрический метод

Истинную плотность горной породы и зерен щебня (гравия) определяют путем измерения массы единицы объема измельченного высушенного материала.

4.15.1.1 Средства контроля и вспомогательное оборудование

Пикнометр вместимостью 100 мл по ГОСТ 22524.

Весы настольные циферблатные по ГОСТ 29329 или лабораторные по ГОСТ 24104.

Стаканчик для взвешивания по ГОСТ 25336 или фарфоровая чашка по ГОСТ 9147.

Ступка чугунная или фарфоровая.

Эксикатор по ГОСТ 25336.

Кислота серная концентрированная по ГОСТ 2184.

Кальций хлористый (хлорид кальция) безводный по ГОСТ 450.

Шкаф сушильный.

Баня песчаная или водяная.

Дробилка щековая лабораторная ДЛЩ 60х100 (ДЛЩ 80х150).

Щетка металлическая.

Сито N 0125 по ГОСТ 6613.

4.15.1.2 Порядок подготовки к испытанию

Для определения истинной плотности горной породы из исходной геологической пробы готовят лабораторную пробу путем дробления горной породы в лабораторной дробилке и дальнейшего рассева продуктов дробления.

Для определения истинной плотности зерен щебня (гравия) отбирают аналитическую пробу массой по 4.12.1.2.

При использовании кусков камня неправильной формы или зерен щебня (гравия) их очищают металлической щеткой от пыли, измельчают на лабораторной дробилке до крупности менее 5 мм, после чего перемешивают и сокращают пробу примерно до 150 г. Полученную пробу вновь измельчают до крупности менее 1,25 мм, после чего перемешивают и сокращают до 30 г. Подготовленную пробу измельчают до порошкообразного состояния (размер зерен менее 0,125 мм) в чугунной или фарфоровой ступке, насыпают в стаканчик для взвешивания или фарфоровую чашку, высушивают до постоянной массы и охлаждают до комнатной температуры в эксикаторе над концентрированной серной кислотой или над безводным хлоридом кальция, после чего отвешивают две навески массой 10 г каждая.

4.15.1.3 Порядок проведения испытания

Каждую навеску всыпают в чистый сухой пикнометр и наливают дистиллированную воду комнатной температуры в таком количестве, чтобы пикнометр был заполнен не более чем на половину своего объема. Пикнометр в слегка наклонном положении ставят на песчаную или водяную баню и кипятят его содержимое в течение 15-20 мин для удаления пузырьков воздуха (пузырьки воздуха могут быть удалены путем выдерживания пикнометра под вакуумом в эксикаторе). После удаления воздуха пикнометр обтирают, охлаждают до комнатной температуры, доливают до метки дистиллированную воду и взвешивают. Затем пикнометр освобождают от содержимого, промывают, наполняют до метки дистиллированной водой комнатной температуры и взвешивают.

4.15.1.4 Обработка результатов испытания

Истинную плотность , г/см3, определяют по формуле

, (31)

где m - масса навески порошка, высушенного до постоянной массы, г;

- плотность воды, принимаемая равной 1 г/см3;

- масса пикнометра с дистиллированной водой, г;

- масса пикнометра с навеской и дистиллированной водой после удаления пузырьков воздуха, г.

Расхождение между результатами двух определений не должно быть более 0,02 г/см3. В случае больших расхождений производят третье определение и принимают для расчета два ближайших значения.

За результат принимают среднеарифметическое значение двух параллельных испытаний.

В случае необходимости определения истинной плотности щебня (гравия), состоящего из смеси фракций, ее значение определяют по 4.1.7.

4.15.2 Ускоренное определение истинной плотности

Истинную плотность горной породы и зерен щебня (гравия) определяют путем измерения массы единицы объема измельченного высушенного материала с использованием прибора Ле Шателье.

4.15.2.1 Средства контроля и вспомогательное оборудование

Прибор Ле Шателье (рисунок 8).

Весы настольные циферблатные по ГОСТ 29329 или лабораторные по ГОСТ 24104.

Стаканчик для взвешивания по ГОСТ 25336 или фарфоровая чашка по ГОСТ 9147.

Эксикатор по ГОСТ 25336.

Шкаф сушильный.

Кислота серная по ГОСТ 2184.

Хлористый кальций (хлорид кальция) безводный по ГОСТ 450.

Сито с размером отверстий 5 мм по ГОСТ 6613.

Щетка металлическая.

Рисунок 8 - Прибор Ле Шателье

4.15.2.2 Порядок подготовки к испытанию

Пробу готовят по 4.15.1.2.

Подготовленную пробу всыпают в стаканчик для взвешивания или в фарфоровую чашку, высушивают до постоянной массы и охлаждают до комнатной температуры в эксикаторе над концентрированной серной кислотой или над безводным хлоридом кальция.

После этого отвешивают две навески массой по 50 г каждая.

4.15.2.3 Порядок проведения испытания

Прибор заполняют водой до нижней отметки, уровень воды определяют по нижнему мениску.

Каждую навеску через воронку прибора всыпают небольшими порциями до тех пор, пока уровень жидкости в приборе, определяемый по нижнему мениску, не поднимется до риски с делением 20 мл или с другим делением в пределах верхней градуированной части прибора.

Для удаления пузырьков воздуха прибор рекомендуется сигма встряхнуть.

4.15.2.4 Обработка результатов испытания

Остаток измельченной пробы щебня (гравия), не вошедший в прибор, взвешивают и определяют плотность порошка , г/см3, по формуле

, (32)

где m - масса высушенной навески порошка, г;

- масса остатка, г;

V - объем воды, вытесненной порошком, определяемый по градуированной шкале, см3.

Расхождение между результатами двух определений плотности не должно быть более 0,02 г/см3. В случае больших расхождений производят третье определение и принимают для расчета два ближайших значения.

За результат принимают среднеарифметическое значение двух параллельных испытаний.

В случае необходимости определения истинной плотности щебня (гравия), состоящего из смеси фракций, ее значение определяют по 4.1.7.

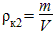
4.16. Определение средней плотности и пористости горной породы и зерен щебня (гравия)

4.16.1 Определение средней плотности

Среднюю плотность горной породы и зерен щебня (гравия) определяют путем измерения массы единицы объема кусков породы или зерен щебня (гравия) с использованием весов для гидростатического взвешивания.

4.16.1.1 Средства контроля и вспомогательное оборудование

Весы настольные циферблатные по ГОСТ 29329.

Весы по ГОСТ 24104 с приспособлением для гидростатического взвешивания (рисунок 9).

1 - сетчатый (перфорированный) стакан; 2 - сосуд со сливом для воды; 3 - стаканчик с дробью для уравновешивания массы сетчатого стакана вводе, 4 - разновесы

Рисунок 9 - Весы для гидростатическоговзвешивания

Шкаф сушильный.

Сосуд для насыщения щебня (гравия) и образцов водой или для парафинирования образцов.

Сита из стандартного набора по 4.16.

Щетка металлическая.

4.16.1.2 Порядок подготовки к испытанию

Для определения средней плотности горной породы отбирают пять образцов правильной формы по 4.1.3 или пять кусков произвольной формы размером св. 40 до 70 (80) мм. Каждый образец очищают металлической щеткой от рыхлых частиц, пыли и высушивают до постоянной массы.

Для определения средней плотности зерен щебня (гравия) фракции с наибольшим номинальным размером до 40 мм берут аналитическую пробу массой не менее 2,5 кг. При испытании щебня (гравия) фракции с наибольшим номинальным размером св. 40 мм берут аналитическую пробу массой около 5 кг, зерна крупнее 40 мм дробят до получения частиц размером не более 40 мм и пробу сокращают вдвое.

Пробу высушивают до постоянной массы, просеивают через сито с размером отверстий, соответствующим наименьшему номинальному размеру зерен данной фракции щебня (гравия), и из остатка на сите отвешивают две пробы по 1000 г каждая.

4.16.1.3 Порядок проведения испытания

Образцы горной породы произвольной формы или навеску щебня (гравия) насыщают водой, погружая их в воду комнатной температуры на 2 ч так, чтобы уровень воды в сосуде был выше поверхности образцов или щебня (гравия) не менее чем на 20 мм.

Насыщенные образцы породы или пробу щебня (гравия) вынимают из воды, удаляют влагу с их поверхности мягкой влажной тканью и сразу же взвешивают на настольных гирных или циферблатных, а затем на гидростатических весах, помещая пробу в сетчатый (перфорированный) стакан, погруженный в воду.

Образцы горной породы произвольной формы с мелкими открытыми порами вместо насыщения допускается покрывать пленкой парафина толщиной около 1 мм. Для этого высушенный до постоянной массы образец погружают в разогретый парафин и охлаждают на воздухе. В случае обнаружения при остывании на парафиновой пленке пузырьков или повреждений их заглаживают с помощью горячей металлической пластинки, ножа или проволоки.

Подготовленный образец взвешивают на настольных циферблатных или лабораторных, а затем на гидростатических весах.

Для определения средней плотности образцов горной породы правильной формы измеряют их размеры, определяют объем по 4.1.3 и среднюю плотность.

4.16.1.4 Обработка результатов испытания

Среднюю плотность образцов горной породы произвольной формы или щебня (гравия) , г/см3, определяют по формуле

, (33)

где m - масса образца или пробы в сухом состоянии, г;

- масса образца или пробы в насыщенном водой состоянии на воздухе, г;

- масса образца или пробы в насыщенном водой состоянии в воде, г;

- плотность воды, принимаемая равной 1 г/см3.

Среднюю плотность запарафинированных образцов горной породы произвольной формы , г/см3, определяют по формуле

, (34)

где m - масса образца в сухом состоянии, г;

- масса запарафинированного образца на воздухе, г;

- масса запарафинированного образца в воде, г;

- плотность воды, принимаемая равной 1 г/см3;

- плотность парафина (может быть принята равной 0,93 г/см3).

Среднюю плотность образцов горной породы правильной формы, г/см3, определяют по формуле

, (35)

где m - масса образца, г;

V - объем образца, см3.

За результат принимают среднеарифметическое значение результатов испытания пяти образцов горной породы или двух параллельных испытаний проб щебня (гравия). При этом расхождение между результатами двух определений средней плотности не должно превышать 0,02 г/см3. При больших расхождениях проводят третье определение и вычисляют среднеарифметическое двух ближайших значений.

4.16.2 Определение пористости

Пористость горной породы или зерен щебня (гравия) определяют расчетным путем на основании предварительно установленных значений истинной и средней плотности.

Пористость горной породы или зерен щебня (гравия) , % по объему, определяют по формуле

, (36)

где - средняя плотность горной породы или зерен щебня (гравия), г/см3 (в соответствии с 4.16.1);

- истинная плотность горной породы или зерен щебня (гравия), г/см3 (в соответствии с 4.15).

4.17. Определение насыпной плотности и пустотности

4.17.1 Определение насыпной плотности

Насыпную плотность щебня (гравия) определяют взвешиванием определенного объема щебня (гравия) данной фракции (или смеси фракций), высушенного до постоянной массы.

4.17.1.1 Средства контроля и вспомогательное оборудование

Весы настольные циферблатные по ГОСТ 29329 или лабораторные по ГОСТ 24104.

Шкаф сушильный.

Цилиндры мерные по таблице 5.

4.17.1.2 Порядок подготовки и проведения испытания

Щебень (гравий) в объеме, обеспечивающем проведение испытания, высушивают до постоянной массы. При определении насыпной плотности смеси фракций рассев смеси на соответствующие фракции не допускается.

Щебень (гравий) насыпают в предварительно взвешенный цилиндр с высоты 10 см до образования конуса, который снимают стальной линейкой вровень с краями (без уплотнения) движением к себе, от себя или от середины влево и вправо, после чего цилиндр со щебнем (гравием) взвешивают.

В зависимости от наибольшего номинального размера щебня (гравия) применяют цилиндры в соответствии с таблицей 5.

Таблица 5

Объем мерного цилиндра, л Внутренние размеры цилиндра, мм Фракции щебня (гравия), мм
диаметр высота
5 185 185 От 5 до 10
10 234 234 Св. 10 до 20
20 294 294 Св. 20 до 40
50 400 400 Св. 40

4.17.1.3 Обработка результатов испытания

Насыпную плотность щебня (гравия) , кг/м3, определяют с точностью до 10 кг/м3 по формуле

, (37)

где m - масса мерного цилиндра, кг;

- масса мерного цилиндра со щебнем (гравием), кг;

V - объем мерного цилиндра, м3.

Насыпную плотность определяют два раза, при этом каждый раз берут новую порцию щебня (гравия).

За результат принимают среднеарифметическое значение двух параллельных испытаний.

4.17.2 Определение насыпной плотности для перевода количества щебня (гравия) из единиц массы в объемные

Насыпную плотность определяют путем взвешивания определенного объема щебня (гравия) в воздушно-сухом состоянии.

4.17.2.1 Средства контроля и вспомогательное оборудование

Весы платформенные или почтовые с пределом взвешивания 50 кг, погрешностью - ± 10 г.

Сосуды мерные (цилиндры или ящик) с размерами в соответствии с таблицей 6.

4.17.2.2 Порядок подготовки и проведения испытания

Щебень (гравий) насыпают с высоты 10 см в предварительно взвешенный мерный сосуд до образования над верхом сосуда конуса, который снимают стальной линейкой вровень с краями сосуда (без уплотнения) движением к себе, от себя или от середины влево и вправо. Сосуд со щебнем (гравием) взвешивают.

В зависимости от наибольшего номинального размера щебня (гравия) применяют мерные сосуды в соответствии с таблицей 6.

Таблица 6

Мерный сосуд Объем, л Внутренние размеры сосуда, мм Фракция щебня (гравия), мм
диаметр сторона основания высота
Цилиндр 10 234 - 234 От 5 до 10
  20 294 - 294 Св. 10 до 20
  50 400 - 400 Св. 20 до 40
Ящик 100 - 465 465 Св. 40

Мерные сосуды как нестандартное оборудование разрешается изготавливать силами предприятий. При этом емкости сосудов допускается тарировать путем заполнения водой и определения ее объема в сосуде.

4.17.2.3 Обработка результатов испытания

Насыпную плотность щебня (гравия) , кг/м3, определяют с точностью до 10 кг/м3 по формуле

, (38)

где m - масса мерного сосуда, кг;

- масса мерного сосуда со щебнем (гравием), кг;

V - объем мерного сосуда, м3.

Насыпную плотность определяют два раза, при этом каждый раз берут новую порцию щебня (гравия).

За результат принимают среднеарифметическое значение двух параллельных испытаний.

Примечания

1 Значение насыпной плотности щебня (гравия) с наибольшим номинальным размером зерен 40 мм и более, определенное указанным выше способом в малых емкостях (мерных сосудах), для расчета насыпной плотности щебня (гравия) в транспортных средствах грузоподъемностью более 10 т должно быть увеличено на 5%.

2 Допускается определять насыпную плотность щебня (гравия) непосредственно в транспортных средствах путем взвешивания в них материала и определения занимаемого им объема.

3 Насыпную плотность песчано-гравийной смеси определяют без предварительного разделения на гравийную и песчаную составляющие, используя мерные сосуды в соответствии с наибольшим номинальным размером гравия.

4.17.3 Определение пустотности

Пустотность щебня (гравия) определяют расчетным путем на основании предварительно установленных значений средней плотности зерен и насыпной плотности щебня (гравия).

Пустотность щебня (гравия) , % по объему, определяют по формуле

, (39)

где - насыпная плотность щебня (гравия), кг/м3 (по 4.17.1);

- средняя плотность зерен щебня (гравия), кг/м3 (по 4.16.1).

Примечание - В зависимости от назначения щебня (гравия) пустотность его можно определить в уплотненном состоянии, подставив в формулу (39) насыпную плотность в уплотненном состоянии.

4.18. Определение водопоглощения горной породы и щебня (гравия)

Водопоглощение определяют путем сравнения массы образцов горной породы или проб щебня (гравия) в насыщенном водой состоянии и после высушивания.

4.18.1 Средства контроля и вспомогательное оборудование

Весы настольные циферблатные по ГОСТ 29329.

Шкаф сушильный.

Сосуд для насыщения образцов водой.

Щетка металлическая.

4.18.2 Порядок подготовки и проведение испытания

Для определения водопоглощения горной породы из геологической пробы отбирают пять образцов правильной формы или пять образцов произвольной формы размером от 40 до 70 (80) мм. Образцы очищают металлической щеткой от рыхлых частиц и пыли и высушивают до постоянной массы.

Для определения водопоглощения щебня (гравия) берут аналитическую пробу в соответствии с 4.12.1.2, которую промывают и высушивают до постоянной массы.

Образцы горной породы или щебня (гравия) укладывают в сосуд с водой комнатной температуры так, чтобы уровень воды в сосуде был выше верха образцов или пробы щебня (гравия) не менее чем на 20 мм. В таком положении образцы или пробу выдерживают в течение 48 ч, после чего их вынимают из сосуда, удаляют влагу с поверхности отжатой влажной мягкой тканью и каждый образец или пробу взвешивают, при этом масса воды, вытекающей из образца или щебня (гравия) на чашку весов, должна включаться в массу образца (пробы).

4.18.3 Обработка результатов испытания

Водопоглощение , % по массе, определяют по формуле

, (40)

где m - масса образца или пробы в сухом состоянии, г;

- масса образца или пробы в насыщенном водой состоянии.

Примечание - В необходимых случаях зависимости от назначения щебня (гравия) образцы выдерживают в воде до насыщения их до постоянной массы.

За результат принимают среднеарифметическое значение пяти параллельных испытаний горной породы и двух параллельных испытаний щебня (гравия).

При испытании щебня (гравия), состоящего из смеси фракций, значение водопоглощения определяют в соответствии с 4.1.7.

4.19. Определение влажности

Влажность щебня (гравия) определяют путем сравнения массы пробы во влажном состоянии и после высушивания.

4.19.1 Средства контроля

Весы настольные циферблатные по ГОСТ 29329 или лабораторные по ГОСТ 24104.

Шкаф сушильный.

4.19.2 Порядок подготовки и проведение испытания

Из щебня (гравия) испытываемой фракции берут аналитическую пробу массой по 4.12.1.2.

Пробу щебня (гравия) насыпают в сосуд и взвешивают, высушивают до постоянной массы и вновь взвешивают.

Примечание - Влажность горной породы определяют на образцах правильной или произвольной формы по 4.18.2.

4.19.3 Обработка результатов испытания

Влажность щебня (гравия) W, % по массе, определяют по формуле

, (41)

где - масса пробы во влажном состоянии, г;

m - масса пробы в сухом состоянии, г.

4.20. Определение предела прочности при сжатии горной породы

Прочность горной породы определяют путем сжатия и доведения до разрушения образцов (кубов или цилиндров) на прессе.

4.20.1 Средства контроля и вспомогательное оборудование

Пресс гидравлический с усилием от 100 до 500 кН по ГОСТ 28840.

Станок сверлильный с алмазным кольцевым сверлом для железобетонных конструкций по ГОСТ 24638 (для изготовления цилиндров).

Станок камнерезный с алмазным отрезным кругом по ГОСТ 10110 (для изготовления кубов).

Штангенциркуль по ГОСТ 166.

Угольник поверочный по ГОСТ 3749.

Сосуд для насыщения образцов водой.

4.20.2 Порядок подготовки к испытанию

Из пробы горной породы, отобранной при геологической разведке и представленной керном или штуфом, при помощи сверлильного или камнерезного станка изготавливают пять образцов в виде цилиндра диаметром и высотой 40 - 50 мм или куба с ребром 40 - 50 мм.

Допускается испытывать керны, полученные в процессе разведочного бурения из одного слоя породы, диаметром от 40 до 110 мм и высотой, равной диаметру, с прошлифованными торцами, если керны не имеют внешних повреждений.

Грани образцов, к которым прикладывают нагрузку пресса, обрабатывают на шлифовальном станке (круге), при этом должна быть обеспечена параллельность указанных граней. Правильность формы образцов проверяют стальным угольником. Отклонение от перпендикулярности смежных граней кубов, а также опорных и боковых поверхностей цилиндров не должно превышать 1 мм на 100 мм длины образца.

Направление приложения нагрузки должно быть нормальным к опорным поверхностям образцов и слоистости породы. В необходимых случаях образцы испытывают при приложении нагрузки параллельно слоистости породы.

Перед определением прочности образцы измеряют штангенциркулем и высушивают до постоянной массы. Допускается испытывать образцы горной породы в насыщенном водой состоянии.

4.20.3 Порядок проведения испытания

Образец устанавливают в центре опорной плиты пресса.

Нагрузка на образец при испытании должна возрастать непрерывно и равномерно со скоростью 0,5 МПа (5 кг/см2) в секунду. Предельная нагрузка пресса должна соответствовать требованиям 4.1.8.

4.20.4 Обработка результатов испытания

Предел прочности при сжатии образца , МПа (5 кгс/см2), определяют с точностью до 1 МПа (10 кгс/см2) по формуле

, (42)

где P - разрушающее усилие, Н (кгс);

F - площадь поперечного сечения образца, см2.

За результат принимают среднеарифметическое значение пяти параллельных испытаний.

Подраздел 4.21 - Исключен. (в ред. Изменения N 1)

4.22. Определение реакционной способности горной породы и щебня (гравия)

Реакционную способность (РС) горной породы, щебня (гравия) характеризуют наличием минералов, содержащих растворимый в щелочах кремнезем.

Реакционную способность (РС) определяют методами:

минералого-петрографическим - на стадии разведки месторождения и для оценки горных пород и щебня для использования их в качестве сырья для производства заполнителей бетонов, при этом определяют наличие потенциально реакционноспособных пород и минералов (ПРС);

химическими - в случае обнаружения наличия ПРС пород и минералов для оценки количественного содержания в них растворимого в щелочах кремнезема;

ускоренным с измерением деформаций бетонов - для определения возможности проявления щелочной коррозии бетонов в случае, когда количественное содержание растворимого в щелочах кремнезема превышает установленные нормативные значения;

непосредственным испытанием образцов бетонов - для определения возможности проявления щелочной коррозии бетона в случае, когда относительные деформации расширения образцов бетона, определенные ускоренным методом, превышают установленные значения.

4.22.1 Минералого-петрографический метод

Метод основан на оценке минералогического состава и определении потенциально реакционноспособных модификаций кремнезема по показателю светопреломления.

4.22.1.1 Средства контроля и вспомогательное оборудование

Лупа бинокулярная.

Микроскоп поляризационный.

4.22.1.2 Порядок проведения испытания

Для исследования горную породу дробят или изготавливают из нее прозрачные шлифы. Гравийные материалы подвергают петрографической разборке с использованием бинокулярной лупы. Зерна потенциально реакционноспособных минералов, выделенные при минералого-петрографической разборке по 4.13, взвешивают и определяют их содержание , % по массе, по формуле

, (44)

В электронном документе нумерация формул соответствует официальному источнику.

где - масса ПРС зерен, г;

m - масса аналитической пробы, взятая в соответствии с 4.4.2, г.

Содержание зерен ПРС минералов в аналитической пробе щебня (гравия) смеси фракций вычисляют по 4.1.7.

Горную породу, щебень (гравий) относят к потенциально реакционноспособным, если при петрографической разборке обнаружено наличие одной или нескольких разновидностей минералов, содержащих реакционноспособный кремнезем в количествах, равных или превышающих значения, указанные в таблице 7.

Таблица 7

Минерал и вид кремнезема Виды потенциально реакционно-способных пород Минимальное содержание минерала, % по массе, при котором возможна щелочная коррозия бетона
Опал Базальты и другие лавы. Известняки, роговики, сланцы опаловидные 0,25
Стекло кислое аморфное Обсидианы, перлиты, липариты, дациты, андезитодациты, андезиты, туфы и аналоги этих пород, имеющие стекловидную основу 3,0
Халцедон криптомикрокристаллический Кремни, известняки, доломиты, песчаники с опалохалцедоновым и халцедонокварцевым цементом, яшмы, роговики 5,0
Кристобалит, тридимит кристаллические Расплавы, состоящие из кремнезема (материалы, полученные плавлением) 1,0
Кварц выветрелый деформированный Кварцевые витрофиры, кварциты, песчаники, вулканические и метаморфические кислые породы 3,0

Оптические и физические характеристики модификаций кремнезема в шлифах, которые необходимо учитывать при минералого-петрографическом анализе, приведены в таблице 8.

Таблица 8

Модификация кремнезема Кристаллическая система Внешние формы Показатель светопреломления Истинная плотность, г/см3
бетта - кварц Тригональная Призмы 1,553 1,544 2,65
альфа - кварц Гексагональная Бипирамиды 1,540 1,530 2,60
y - тридимит Ромбическая Пластинкидвойники 1,473 1,470 2,27
      1,489  
бетта - тридимит Тригональная   1,470 - -
Триклиническая Зерна-двойники 1,487 1,484 2,32
альфа - кристобалит Кубическая Октаэдры 1,466   2,21
Водный кремнезем Отсутствует       1,90
Опал Отсутствует     1,406 2,30
        1,460  
Халцедон Не установлена Кристаллы в виде волокон 1,540 1,532 2,55
      1,530 2,58
Стекло кислое аморфное Отсутствует     1,458 2,20

4.22.2 Химические методы

Методы основаны на определении содержания в горной породе, щебне (гравии) реакционноспособоного кремнезема, растворимого в 1 М раствора гидроксида натрия.

Содержание растворимого в щелочах кремнезема определяют весовым или фотоколориметрическим методом.

Горную породу, щебень (гравий) считают нереакционноспособными по отношению к щелочам и пригодными к использованию в качестве заполнителя для бетонов, если содержание в них растворимого кремнезема не более 50 ммоль/л.

4.22.2.1 Средства контроля и вспомогательное оборудование

Сита стандартные с отверстиями диаметром 5 мм и сеткой N 0315 и 016.

Ступка.

Весы настольные циферблатные по ГОСТ 29329 или лабораторные по ГОСТ 24104.

Весы лабораторные класса точности II по ГОСТ 24104.

Сосуд из нержавеющей стали, фторопласта, винипласта по ГОСТ 9639 или другого коррозионно-стойкого материала (рисунок 10).

1 - корпус; 2 - крышка; 3 - захват;

Рисунок 10 - Сосуд изкоррозионно-стойкого материала

Электропечь с терморегулятором температуры .

Насос водоструйный.

Склянка Бунзена.

Воронки с фильтром Шотта.

Пипетки по ГОСТ 29227 вместимостью 25 мл.

Натрия гидроокись (гидроксид натрия) по ГОСТ 4328, 1 М раствор. (в ред. Изменения N 2)

4.22.2.2 Порядок подготовки к испытанию

Для определения потенциально реакционной способности горной породы, щебня и гравия, в которых обнаружено присутствие одной или нескольких разновидностей реакционноспособных минералов, отбирают пробу массой не менее 300 г, измельчают до крупности от 0,315 до 0,16 мм, после чего ее промывают дистиллированной водой на сите с отверстиями размером 0,16 мм и высушивают до постоянной массы.

4.22.2.3 Порядок проведения испытания

Отвешивают две навески массой по 25 г, каждую из которых высыпают в отдельный сосуд из коррозионно-стойкого материала и добавляют по 25 мл 1 М раствора гидроксида натрия. Сосуды с содержимым несколько раз встряхивают для удаления пузырьков воздуха, плотно закрывают крышками и помещают в электропечь, предварительно нагретую до 80°С. Одновременно ставят глухой опыт, для чего в третий сосуд наливают 25 мл 1 М раствора гидроксида натрия. В течение испытания в электропечи поддерживают температуру (80 ± 2) °С.

Через 24 ч сосуды вынимают из электропечи и охлаждают холодной водой так, чтобы температура их в течение 15 мин снизилась до комнатной.

После охлаждения содержимое каждого сосуда фильтруют в сухую пробирку через сухой фильтр. Сначала в воронку, не встряхивая, сливают по стеклянной палочке раствор, затем шпателем на фильтр переносят твердый остаток. Жидкость фильтруют до тех пор, пока скорость фильтрации не замедлится до 1 капли за 10 с (промывание не допускается). Для фильтрования используют водоструйный насос со склянкой Бунзена и воронкой с фильтром Шотта для каждой пробы (рисунок 11).

1 - водоструйный насос; 2 - резиновая пробка; 3 - воронка с фильтром Шотта; 4- склянка Бунина; 5 - пробирка для сбора фильтрата;

Рисунок 11 - Устройство для сборафильтрата

Фильтрат взбалтывают до получения однородного раствора и используют для определения содержания растворимого кремнезема.

4.22.2.4 Весовой метод определения содержания растворимого кремнезема

Метод основан на выделении растворимого кремнезема из раствора гидроксида натрия и определении его массы.

4.22.2.4.1 Средства контроля и вспомогательное оборудование

Весы лабораторные класса точности II по ГОСТ 24104.

Электропечь с терморегулятором температуры (1000 ± 50) °С.

Шкаф сушильный.

Баня водяная.

Чашки фарфоровые для выпаривания по ГОСТ 9147.

Тигли платиновые по ГОСТ 6563.

Пипетки по ГОСТ 29227 и ГОСТ 29228 на 5 мл.

Фильтры беззольные (белая лента).

Кислота соляная концентрированная плотностью 1,19 г/см3 по ГОСТ 3118.

Серебро азотнокислое (нитрат серебра) по ГОСТ 1277.

Кислота азотная концентрированная по ГОСТ 4461.

Раствор азотнокислого серебра, содержащий в 100 мл 1 г азотнокислого серебра и 1 мл концентрированной азотной кислоты.

Вода дистиллированная по ГОСТ 6709. (в ред. Изменения N 2)

4.22.2.4.2 Порядок проведения испытания

Для определения содержания растворимого кремнезема пипеткой отбирают от 5 до 10 мл фильтрата, полученного по 4.22.2.3, помещают его в фарфоровую чашку, добавляют от 5 до 10 мл концентрированной соляной кислоты и выпаривают на водяной бане до получения сухого остатка.

Остаток в чашке увлажняют 5 мл концентрированной соляной кислоты, выдерживают 5-10 мин, добавляют 100 мл горячей дистиллированной воды, перемешивают, выдерживают 10 мин на водяной бане и фильтруют (фильтр - белая лента), остаток на фильтре промывают горячей водой до исчезновения реакции на хлориды (при добавлении 1 - 2 капель раствора нитрата серебра вода должна оставаться прозрачной).

Фильтр с осадком помещают в тигель. Фильтрат переносят в фарфоровую чашку, выпаривают досуха и выдерживают в течение 30 мин в сушильном шкафу при температуре около 105°С. Сухой остаток увлажняют 5 мл концентрированной соляной кислоты, разбавляют водой и фильтруют. Остаток на фильтре промывают до исчезновения реакции на хлориды. Фильтр с осадком помещают в тигель вместе с первым фильтром, подсушивают, озоляют, прокаливают при температуре до постоянной массы и взвешивают. Масса осадка m в тигле, г, соответствует содержанию кремнезема в 5 мл раствора гидроксида натрия.

4.22.2.4.3 Обработка результатов испытания

Содержание растворимого кремнезема , ммоль/л исходного раствора гидроксида натрия, определяют по формуле

, (45)

где m - масса осадка в тигле, г;

- переводной коэффициент;

V - объем фильтрата, взятого для определения растворимого кремнезема, мл;

60 - молекулярный вес кремниевой кислоты.

За результат принимают среднеарифметическое значение двух параллельных определений.

4.22.2.5 Фотоколориметрический метод определения содержания растворимого кремнезема

Метод основан на определении содержания кремнезема, растворившегося в растворе гидроксида натрия, путем фотометрического измерения оптической плотности окрашенной в синий цвет кремнемолибденовой гетерополикислоты.

4.22.2.5.1 Средства контроля и вспомогательное оборудование

Фотоколориметр или спектрофотометр.

Колбы мерные по ГОСТ 1770 вместимостью 100 мл.

Пипетки по ГОСТ 29227 и ГОСТ 29228 на 1, 2 и 5 мл.

Кислота кремниевая по ГОСТ 4214.

Кислота серная концентрированная по ГОСТ 2184 плотностью 1,84 г/см3.

Кислота винная по ГОСТ 5817, 28%-ный раствор.

Натрий сернистокислый (сульфит натрия) по ГОСТ 195.

Аммоний молибденовокислый (молибдат аммония) по ГОСТ 3765.

Эйконоген.

Калий пиросернокислый по ГОСТ 7172.

Раствор молибдата аммония: 89 г молибдата аммония растворяют в 800 мл дистиллированной воды, затем медленно приливают 62 мл серной кислоты. Раствор охлаждают до 20°С и разбавляют дистиллированной водой до 1 л.

Раствор восстановителя: 2,4 г сульфита натрия и 0,2 г эйконогена растворяют в 70 мл дистиллированной воды, добавляют 14 г метабисульфита калия и разбавляют дистиллированной водой до 100 л.

Стандартные растворы: в пять мерных колб вместимостью 100 мл наливают 0,1; 0,2; 0,4; 0,6 и 0,8 мл раствора кремниевой кислоты, содержащего 5,2 ммоль/л растворимого . В каждую колбу добавляют от 70 до 80 мл дистиллированной воды и 2,5 мл раствора молибдата аммония, тщательно перемешивают, через 10 мин добавляют 2,5 мл 28%-ного раствора винной кислоты, тщательно перемешивают. Выдерживают раствор 5 мин, добавляют 2 мл раствора восстановителя и разбавляют дистиллированной водой до метки 100 мл. Определяют оптическую плотность полученных пяти растворов и строят калибровочную кривую зависимости оптической плотности от содержания в растворе, при этом на оси абсцисс откладывают содержание в ммоль/л, на оси ординат - оптическую плотность растворов.

4.22.2.5.2 Порядок проведения испытания

От фильтрата, полученного по 4.22.2.3, отбирают 0,1 - 0,5 мл, переносят в мерную колбу вместимостью 100 мл. В колбу вливают от 70 до 80 мл дистиллированной воды и 2,5 мл раствора молибдата аммония. Содержимое колбы перемешивают. Через 10 мин в колбу добавляют 2,5 мл 28%-ного раствора винной кислоты и снова тщательно перемешивают. Раствор выдерживают в течение 5 мин, добавляют 2 мл раствора восстановителя и разбавляют дистиллированной водой до метки 100 мл. Через 15 мин измеряют оптическую плотность раствора на фотоколориметре, применяя красный светофильтр, или на спектрофотометре при = 815 нм в кювете толщиной 10 мм.

Содержание растворимого кремнезема в анализируемом растворе определяют по градуировочной кривой, предварительно построенной на основании результатов фотоколориметрирования стандартных растворов, или способом сравнения.

4.22.2.5.3 Обработка результатов испытаний

Содержание растворимого кремнезема , ммоль/л, определяют по формуле

, (46)

где С - концентрация испытываемого раствора, определенная по градуировочной кривой, ммоль/л;

V - объем анализируемого раствора, взятого для фотоколориметрирования, мл. 100 - вместимость колбы, мл.

За результат принимают среднеарифметическое значение двух параллельных определений, если абсолютное допустимое расхождение результатов параллельных определений не превышает значений, указанных в 4.22.2.4.3.

4.22.3 Ускоренный метод с измерением деформаций

Метод основан на определении в установленные сроки (не более 1 мес.) относительных деформаций образцов мелкозернистого бетона, изготовленных на заполнителях, полученных из горной породы или щебня (гравия), содержащих более 50 ммоль/л растворимого кремнезема.

4.22.3.1 Средства контроля и вспомогательное оборудование

Чаша для затворения по ГОСТ 310.3.

Лопатка для перемешивания по ГОСТ 310.3.

Ванна с гидравлическим затвором по ГОСТ 310.3.

Столик встряхивающий и форма-конус по ГОСТ 310.4.

Набор стандартных сит по ГОСТ 8735.

Весы циферблатные по ГОСТ 29329 или лабораторные по ГОСТ 24104.

Электропечи сопротивления лабораторные с регулятором температуры (80 ± 1) °С и (38 ± 1) °С по ГОСТ 28923.

Штыковка размером 10 х 20 х 150 мм из дерева хвойных пород для уплотнения мелкозернистой бетонной смеси.

Штангенциркуль по ГОСТ 166.

Формы для изготовления контрольных образцов бетона типа ФП по ГОСТ 22685 размерами, указанными на рисунке 12, и реперами, изготовленными в соответствии с рисунком 13 из коррозионно-стойкой нержавеющей стали по ГОСТ 5632.

1 - форма; 2 - боковые стенки формы; 3 - торцевая стенкаформы; 4 - репер; 5 - стопорный винт для крепления репера; 6 -держатель репера

Рисунок 12 - Форма для изготовленияобразцов-балочек

Рисунок 13 - Репер для испытаний

Стержень контрольный для измерения деформаций длиной, равной длине образца, из коррозионно-стойкой нержавеющей стали по ГОСТ 5632.

Устройство для измерения деформаций образцов, состоящее из штатива по ГОСТ 10197 и индикатора, обеспечивающего измерение линейных размеров с точностью ± 0,01 мм, по ГОСТ 577.

Емкость с крышкой размером 300 х 200 х 70 мм и два стержня размером 10х10х200 мм, изготовленные из коррозионно-стойкой нержавеющей стали по ГОСТ 5632 или винипласта по ГОСТ 9639.

Вода дистиллированная по ГОСТ 6709.

Натрия гидроокись (гидроксид натрия) по ГОСТ 4328.

4.22.3.2 Порядок подготовки к испытанию

Пробу портландцемента марки не ниже 400 с содержанием минеральных добавок не более 5% по массе (ПЦДО, ПЦД5) отбирают по ГОСТ 30515 и подготавливают к испытанию по ГОСТ 310.1. Портландцемент должен выдерживать испытание на равномерность изменения объема по ГОСТ 310.3.

Пробу горной породы, щебня (гравия) массой не менее 5 кг отбирают в соответствии с требованиями действующих нормативных документов или раздела 4.2 настоящего стандарта. Отобранную пробу породы промывают и высушивают. Из щебня (гравия) высеивают фракцию 5-10 мм, крупные фракции измельчают до фракции 5-10 мм. Методом квартования полученную пробу сокращают до 3 кг и вторично измельчают, просеивают через набор стандартных сит по ГОСТ 8735 и отбирают пробу массой 1000 г, при этом соотношение фракций, % по массе, должно быть:

10 - от 5 до 2,5 мм;

25 - от 2,5 до 1,25 мм;

25 - от 1,25 до 0,63 мм;

25 - от 0,63 до 0,315 мм;

15 - от 0,315 до 0,16 мм.

Испытания проводят на образцах-балочках размером 25х25х254 мм, изготовленных из мелкозернистых бетонных смесей состава - цемент: измельченный заполнитель в соотношении 1:2,25 по массе. Расплыв конуса при испытании на встряхивающем столике по ГОСТ 310.4 должен составить 106-115 мм. Количество воды затворения определяют предварительным подбором.

Взвешивают 440 г цемента и 900 г измельченного заполнителя. В сферическую чашу заливают всю воду затворения, высыпают взвешенный цемент, перемешивают лопаткой цемент с водой в течение 30 с, добавляют взвешенный измельченный заполнитель и перемешивают смесь в течение 60 с.

Смесь оставляют на 90 с в чаше, накрыв чашу стеклом, затем еще раз перемешивают в течение 15 с. Определяют расплыв конуса. Если он меньше указанного, допускается однократное добавление воды.

Внутреннюю поверхность форм для образцов (рисунок 12) смазывают тонким слоем минерального масла, устанавливают реперы (рисунок 13) и закрепляют их стопорными винтами.

По окончании перемешивания заполняют форму с реперами бетонной смесью в два приема и отформовывают три образца. Смесь тщательно штыкуют вокруг реперов деревянной штыковкой, а затем уплотняют на встряхивающем столике 30 ударами и снимают излишки смеси металлической линейкой или ножом.

Форму с образцами закрывают стеклом на резиновых прокладках и помещают над водой в ванну с гидравлическим затвором.

Температура хранения образцов в ванне (20 ± 5) °С. Через (24 ± 1) ч форму извлекают из ванны и расформовывают образцы.

4.22.3.3 Порядок проведения испытания

В емкость для испытаний на расстоянии 200 мм по ширине устанавливают стержни, на которые на расстоянии не менее 15 мм друг от друга укладывают расформованные образцы. В емкость с образцами наливают дистиллированную воду так, чтобы уровень воды в емкости был не менее чем на 20 мм выше верха образцов.

Емкость с образцами и водой закрывают крышкой и на (24 ± 1) ч помещают в электропечь с регулятором поддержания температуры (80 ± 1) °С. Через указанное время емкость с образцами извлекают из электропечи. Образцы вынимают из емкости, помещают каждый образец в полиэтиленовый пакет для охлаждения до температуры (20 ± 5) °С, но не менее чем на 4 ч.

Перед проведением испытания устройство для измерения деформаций необходимо отрегулировать по длине контрольного стержня. Неизменность первоначального отсчета по индикатору проверяют установкой и измерением длины контрольного стержня перед началом, в процессе испытания и после его окончания. Отклонение в отсчете по индикатору не должно превышать ± 0,01 мм. При большем отклонении следует отрегулировать устройство.

Образец, установленный в устройство для измерения деформации, поворачивают вокруг оси на один оборот и снимают начальный отсчет по индикатору. Измерение повторяют три раза. Записывают среднеарифметическое трех измерений.

Из емкости для испытаний после извлечения из нее образцов сливают дистиллированную воду и емкость заливают 1М раствором гидроксида натрия. Для приготовления раствора берут 40 г гидроксида натрия, растворяют в 900 мл дистиллированной воды и доводят объем раствора до 1 л.

Образцы укладывают в емкость для испытаний, уровень раствора гидроксида натрия над образцами должен быть на 20 мм выше верха образцов.

Емкость с образцами закрывают крышкой и на (24 ± 1) ч помещают в электропечь с регулятором поддержания температуры (80 ± 1) °С. По истечении указанного времени образцы извлекают из электропечи и помещают каждый образец в полиэтиленовый пакет для охлаждения до температуры (20 ± 5) °С, но не менее чем на 4 ч. При работе с горячей щелочью используют индивидуальные средства защиты.

Величину деформации образца определяют путем измерения длины контрольного стержня и образца до и после выдержки его в растворе гидроксида натрия.

Измерения проводят ежедневно в одно и то же время суток, при этом необходимо получить одиннадцать измерений деформаций.

4.22.3.4 Обработка результатов испытания

Относительную деформацию каждого образца , %, определяют по формуле

, (47)

где - отсчет по индикатору после испытания в 1М растворе гидроксида натрия на момент испытания тау, мм;

- начальный отсчет по индикатору после испытания в дистиллированной воде, мм;

l - база измерений, равная 254 мм.

Среднее относительное удлинение образцов определяют по формуле

, (48)

где - относительная деформация первого, второго и третьего образцов.

Горная порода, щебень (гравий) считаются нереакционноспособными по отношению к щелочам, если в процессе испытаний величина деформации расширения образцов в растворе гидроксида натрия менее 0,1%, при условии, что последний (одиннадцатый) результат испытания отличается от трех предшествующих результатов измерений не более чем на 15%. Если деформации превышают указанные значения, то горная порода, щебень (гравий) считаются потенциально реакционноспособными со щелочами и возможность использования их в качестве заполнителей для бетона определяются испытанием образцов бетона.

4.22.4 Метод испытаний образцов бетона

Метод основан на определении в установленные сроки (в течение одного года) относительных деформаций образцов бетона, изготовленных на заполнителях, полученных из горной породы или щебня (гравия), содержащих растворимый кремнезем более 50 ммоль/л, портландцементе с заданным составом и природном нереакционноспособном песке с модулем крупности свыше 2,0 до 2,5.

4.22.4.1 Средства контроля и вспомогательное оборудование

Средства контроля и вспомогательное оборудование - по 4.22.3.1 со следующими дополнениями:

формы ФП размером 70 х 70 х 280 мм по ГОСТ 22685;

виброплощадка лабораторная с частотой колебаний (0,5 ± 0,05) колебаний/мин и амплитудой мм;

контейнер герметичный с крышкой для испытания образцов бетона;

сита по 4.3.2;

стержень контрольный длиной (280 ± 1) мм из коррозионно-стойкой стали по ГОСТ 5632.

4.22.4.2 Порядок подготовки к испытанию

Пробу портландцемента марки не ниже 400 с содержанием минеральных добавок не более 5% по массе (ПЦД0, ПЦД5) отбирают по ГОСТ 30515. Содержание прочих добавок допускается в количестве не более 1% по массе. Портландцемент должен выдерживать испытание на равномерность изменения объема по ГОСТ 310.3. Если содержание щелочей в цементе в пересчете на менее 1,5%, то при изготовлении бетонной смеси в воду затворения следует добавлять NaOH в количестве, обеспечивающем общее содержание щелочей 1,5% массы цемента.

Пробы песка и исследуемого крупного заполнителя промывают и высушивают до постоянной массы. Крупный заполнитель измельчают до крупности 20 мм и просеивают. В исследуемом крупном заполнителе содержание фракций, % по массе, должно быть:

40 - для фракции св. 5 до 10 мм;

60 - " " св.10 до 20 мм.

Испытания проводят на образцах-балочках размером 70 х 70 х 280 мм.

Состав бетонной смеси для изготовления образцов-балочек назначается по массе и должен составлять 1:1,4:2,6. Подвижность бетонной смеси, определяемая осадкой конуса, не должна превышать 2 - 4 см. Не допускается введение в воду затворения воздухововлекающих или газообразующих добавок.

Для каждого испытания готовят 3 образца-балочки. Перед укладкой бетонной смеси формы покрывают тонким слоем минерального масла. После смазки устанавливают реперы из нержавеющей стали так, чтобы предупредить попадание масла на поверхность репера, и закрепляют их стопорными винтами.

Для предупреждения вытекания раствора места сопряжения поддона и боковых стенок формы должны быть покрыты смесью парафина и канифоли, взятых в соотношении 3:5 по массе, предварительно подогретой до температуры 110 - 120°С.

Бетонную смесь приготавливают путем перемешивания составляющих в порядке, принятом при изготовлении образцов для определения прочности бетона.

Сразу после окончания перемешивания формы заполняют бетонной смесью в два приема, тщательно укладывая ее в углах формы и вокруг реперов. Затем бетонную смесь уплотняют на виброплощадке, поверхность образца выравнивают со стенками формы, после чего формы немедленно помещают в ванну с гидравлическим затвором.

Через (48 ± 2) ч образцы извлекают из форм и помещают над водой в герметически закрывающийся контейнер. В контейнере образцы устанавливают в вертикальном положении на 2-3 см над водой таким образом, чтобы давление образца не передавалось на репер.

Контейнер с образцами помещают на (32 ± 2) ч в электропечь с регулятором поддержания температуры (38 ± 1) °С.

Первые измерения производят через (96 ± 2) ч после изготовления образцов.

За (16 ± 2) ч до первого замера контейнер переносят из электропечи в помещение для остывания до комнатной температуры.

Последующие замеры проводят ежемесячно в один и тот же день в течение 12 мес. с момента изготовления образцов. Между замерами образцы хранят в контейнере в электропечи с температурой (38 ± 1).

За (16 ± 2) ч до очередного замера контейнер переносят из электропечи в помещение для остывания до комнатной температуры.

4.22.4.3 Обработка результатов испытания

После каждого измерения определяют относительное удлинение , %, каждого образца по формуле

, (49)

где - длина образца, мм;

- длина контрольного стержня (280 ± 1), мм. Среднее относительное удлинение образцов каждого испытания определяют по формуле

, (50)

Если относительное удлинение образцов каждого испытания не превышает 0,04%, испытание проводят в течение года, каждый раз сравнивая полученный результат с предыдущим.

Горная порода, щебень (гравий) относят к нереакционноспособным, если последнее (двенадцатое) значение относительного удлинения не превышает 0,04%.

Если относительное удлинение превышает указанное значение, применение таких заполнителей в бетоне допускается после проведения специальных исследований с учетом условий эксплуатации сооружений и при условии проведения мероприятий, предупреждающих развитие коррозии бетона.

4.23 Определение устойчивости структуры щебня (гравия) против распадов

Устойчивость структуры щебня (гравия) против всех видов распадов определяют путем выдержки щебня (гравия) в дистиллированной воде в течение 30 сут. (сульфидный и железистый распады) и последующего испытания в автоклаве в среде насыщенного пара (силикатный и известковый распады).

4.23.1 Средства контроля и вспомогательное оборудование

Весы лабораторные класса точности II по ГОСТ 24104;

Шкаф сушильный;

Автоклав на 200 кПа (2 ати);

Набор сит с отверстиями диаметром 5, 10, 20 и 40 мм;

Емкость для погружения проб щебня в дистиллированную воду;

Щетка металлическая;

Мешочки из плотной ткани или формы из оцинкованной жести с круглыми отверстиями диаметром не более 3 мм. (в ред. Изменения N 2)

4.23.2 Порядок подготовки к испытанию

Из лабораторных проб щебня (гравия) фракций от 5 до 10 мм, св. 10 до 20 мм и св. 20 до 40 мм отбирают аналитические пробы массой по 5 кг - для первых двух фракций, 7 кг - для третьей фракции. Пробы очищают щеткой от рыхлых частиц и пыли, промывают и высушивают до постоянной массы.

Для проведения испытания отбирают по 2 лабораторные пробы массой по 2 кг каждая для щебня (гравия) фракций от 5 до 10 мм и св. 10 до 20 мм и массой 3 кг - для фракции св. 20 до 40 мм.

4.23.3 Порядок проведения испытания

Подготовленные пробы щебня (гравия) помещают мешочки или формы и погружают в емкость с дистиллированной водой на 30 сут.

По истечении указанного срока пробы высушивают до постоянной массы.

Высушенные пробы помещают в формы (без мешочков) и ставят в автоклав. В течение 30 мин давление в автоклаве постепенно поднимают до 200 кПа (2 ати). При этом давлении щебень (гравий) выдерживают 6 ч, после чего давление в течение 20 мин постепенно снижают до атмосферного.

Пробы щебня (гравия) вынимают из автоклава, каждую в отдельности промывают, высушивают до постоянной массы, просеивают через сито с отверстиями диаметром, соответствующим нижнему размеру испытываемой фракции. Остаток на сите взвешивают.

Испытание в автоклаве может быть заменено пропариванием в сосуде с закрывающейся крышкой. Высушенную пробу помещают в сосуд над слоем воды высотой 20-30 мм. Сосуд закрывают крышкой и ставят на электроплитку. С момента закипания воды в сосуде щебень (гравий) пропаривают в течение 3 ч. Затем щебень (гравий) извлекают из сосуда, помещают на 3 ч в ванну с водой комнатной температуры. Попеременное пропаривание и охлаждение до комнатной температуры повторяют три раза. После окончания испытания пробы щебня (гравия) высушивают до постоянной массы и просеивают через сито с отверстиями диаметром, соответствующим нижнему размеру испытываемой фракции. Остаток на сите взвешивают.

4.23.4 Обработка результатов испытания

Потерю массы данной фракции , %, определяют по формуле

, (51)

где - масса пробы до испытания, г;

- масса пробы после испытания, г.

За результат принимают среднеарифметическое двух параллельных определений.

Потерю массы , %, щебня (гравия), состоящего из смеси нескольких фракций, определяют по формуле

, (52)

где n - число фракций;

- потеря данной фракции, опереденная по формуле (51), % по массе;

x - содержание данной фракции, % по массе.

4.24. Определение содержания свободного волокна асбеста в щебне из отходов асбестосодержащих пород

Содержание свободного волокна асбеста в щебне из отходов асбестосодержащих пород определяют на фракции крупностью от 5 (3) до 200 мм путем отбора из пробы щебня свободных волокон асбеста. (в ред. Изменения N 1)

4.24.1 Средства контроля и вспомогательное оборудование

Весы настольные циферблатные по ГОСТ 29329.

Сита с размером отверстий 5, 3 и 0,5 мм.

Щетка волосяная.

Пинцет.

4.24.2 Порядок проведения испытания (в ред. Изменения N 1)

Пробу щебня массой не менее 25 кг, высушенную до постоянной массы, просеивают через сито с размером отверстий 5 (3) мм. Материал, прошедший через сито, взвешивают () и отбирают из него две навески массой 0,2 кг (). (в ред. Изменения N 1)

Каждую навеску просеивают через сито с размером отверстий 0,5 мм и очищают зерна от гали и пыли волосяной щеткой, вручную с помощью пинцета отбирают волокна асбеста. Выделенное свободное волокно взвешивают с точностью до 0,1 г (). (в ред. Изменения N 1)

4.24.3 Обработка результатов испытания (в ред. Изменения N 1)

Содержание асбеста в щебне, %, определяют по формуле: (в ред. Изменения N 1)

, (53)

(в ред. Изменения N 1)

где - масса волокон асбеста, извлеченных из навески щебня, кг; (в ред. Изменения N 1)

- масса щебня, прошедшего через сито 5 (3) мм, кг; (в ред. Изменения N 1)

- масса навески щебня, кг (0,2 кг); (в ред. Изменения N 1)

m - масса навески щебня (не менее 25,0), кг." (в ред. Изменения N 1)

4.25 Определение содержания слабых зерен и примесей металла в щебне из шлаков черной и цветной металлургии

Сущность метода заключается в выделении из щебня примесей металла и слабых зерен шлака.

4.25.1 Средства контроля и вспомогательное оборудование

Весы лабораторные общего назначения по ГОСТ 24104.

Шкаф сушильный.

Сита с отверстиями диаметром 5, 10, 20, 40 и 70 мм.

Магнит.

Молоток столярный типа МСТ-1 по ГОСТ 11042.

4.25.2 Порядок подготовки и проведения испытания

Щебень рассеивают на ситах на фракции. От каждой фракции отбирают навеску массой, указанной в таблице 9.

Таблица 9

Размер фракции, мм 5 - 10 10 - 20 20 - 40 40 - 70 св.70
Масса навески, кг, не менее 0,5 1,0 5,0 15,0 35,0

Проводят разборку навески каждой фракции, выделяя сначала с помощью магнита включения металла, затем слабые зерна шлакового щебня и примесей (бой огнеупорного кирпича, флюса и др.). К слабым относят зерна, легко разламывающиеся руками и разрушающиеся легким ударом молотка (предел прочности при сжатии в водонасыщенном состоянии менее 20 МПа).

4.25.3 Обработка результатов испытания

Выделенные из пробы слабые зерна и примеси (включения металла) взвешивают и определяют их содержание , %, по формуле

, (54)

где - масса слабых зерен и примесей (включений металла), кг;

m - общая масса навески, кг.

Содержание слабых зерен, примесей и включений металла вычисляют как среднеарифметическое результатов трех определений.

При испытании щебня, состоящего из смеси фракций, содержание слабых зерен и включений металла определяют в соответствии с 4.1.7.

4.26. Определение активности шлаков

Сущность метода заключается в определении активности шлаков по значению предела прочности при сжатии образцов в водонасыщенном состоянии в возрасте 28 сут.

4.26.1 Средства контроля и вспомогательное оборудование

Мельница шаровая лабораторная, вибромельница или барабан с металлическими шарами.

Прибор для определения удельной поверхности типа ПСХ.

Прибор малый Союздорнии для стандартного уплотнения (рисунок 14).

1 - рукоятка; 2 - направляющий стержень; 3 - гиря; 4 -плунжер; 5 - направляющий насадный цилиндр; 6 - разъемныйцилиндр; 7- подстаканник; 8 - закрепляющие винты; 9 -металлическая пластинка

Рисунок 14- Малый прибор Союздорнии для стандартного уплотнения

Пресс гидравлический с усилием от 50 до 500 кН.

Шкаф сушильный.

Мешалка лабораторная для приготовления шлакового теста.

Весы лабораторные общего назначения по ГОСТ 24104 или настольные циферблатные по ГОСТ 29329.

Сито с отверстиями размером 0,071 мм по ГОСТ 6613.

Чаша сферическая фарфоровая или металлическая для затворения.

Ванна с гидравлическим затвором для хранения образцов по ГОСТ 310.3.

Мастерок или лопатка для перемешивания по ГОСТ 310.3.

4.26.2 Порядок подготовки и проведения испытания

Аналитическую пробу шлакового щебня массой 5 кг высушивают до постоянной массы и размалывают в шаровой мельнице, вибромельнице или барабане с металлическими шарами так, чтобы остаток на сите с размером отверстий 0,071 мм был не более 6-10% или удельная поверхность была равна (3000 ± 100) см2/г. Удельная поверхность определяется в приборе ПСХ в соответствии с ГОСТ 310.3. Размолотый шлак выдерживают в воздушно-сухих условиях в течение 1 сут.

Активность шлака определяют на образцах-цилиндрах, изготовленных из шлакового теста максимальной плотности при оптимальном количестве добавляемой воды. Максимальную плотность шлакового теста устанавливают путем подбора.

Навеску размолотого шлака массой 720 - 750 г помещают в чашу, предварительно протертую влажной тканью, добавляют воду в количестве 6-8% массы шлака и тщательно перемешивают мастерком в течение 5 мин. Из приготовленной смеси отбирают контрольную навеску, взвешивают, высушивают до постоянной массы при температуре (110 ± 5) °С, охлаждают и вновь взвешивают, затем по формуле (41) определяют фактическую влажность.

Из приготовленной смеси в малом приборе Союздорнии для стандартного уплотнения формуют 3 образца диаметром и высотой 50 мм. Образцы уплотняют 40 ударами гири массой 2,5 кг, падающей с высоты 30 см. После уплотнения плунжер и насадку осторожно снимают, тщательно срезают ножом излишки шлакового теста. Сразу после изготовления образцы освобождают от формы и взвешивают с погрешностью до 0,1 г. Подготовку шлакового теста, изготовление серии образцов и взвешивание повторяют несколько раз, каждый раз увеличивая количество воды на 2%. Воду прекращают добавлять после получения средней плотности образцов, значение которой закономерно снижается с каждым последующим определением.

Для определения оптимальной влажности и максимальной плотности для каждой серии образцов (различной влажности) определяют среднюю плотность образца , г/см3, по формуле

, (55)

где W - фактическая влажность смеси, % массы сухого молотого шлака;

- средняя плотность образцов, г/см3, определяемая по формуле

, (56)

где n - чило образцов;

- масса образца данной серии при данной влажности, г;

V - объем образцов, см3.

По результатам определений строят график, откладывая по оси ординат значения средней плотности образцов , а по оси абсцисс - фактическую влажность. Наивысшая точка полученной кривой соответствует оптимальной влажности и максимальной плотности образцов.

Для определения прочности образцы изготавливают из шлакового теста с оптимальной влажностью и максимальной плотностью. Для этого в молотый шлак вводят воду в количестве, соответствующем оптимальной влажности и максимальной плотности, перемешивают в течение 2,5 мин в лабораторной мешалке. При отсутствии мешалки шлак с водой перемешивают мастерком или лопаткой в сферической чаше в течение 10 мин.

Из шлаковой смеси (3 кг) изготавливают по указанной выше методике при помощи малого прибора Союздорнии для стандартного уплотнения 10 образцов-цилиндров высотой и диаметром 50 мм. Допускается уплотнять образцы на прессе при давлении 20 МПа (200 кгс/см2), обеспечивающем плотность образца, равную плотности, получаемой на приборе стандартного уплотнения с выдержкой в течение 3 мин. Отклонение фактической влажности смеси от оптимальной допускается до ± 0,5 %.

Образцы хранят 7 сут на воздухе при температуре (18-20)°С, после чего измеряют размеры образцов штангенциркулем, помещают их на 18 сут в камеру с влажностью не менее 95%, затем в течение 2 сут насыщают водой комнатной температуры, при этом уровень воды над образцами должен быть не менее 2 см.

Насыщенные водой образцы испытывают в возрасте 28 сут на гидравлическом прессе, повышая давление на 0,3 - 0,5 МПа (3 - 5 кгс/см2) в секунду до разрушения образцов.

4.26.3. Обработка результатов испытания

Предел прочности образца , МПа, определяют с точностью до 0,1 МПа (1 кгс/см2) по формуле

или , (57)

где Р - разрушающее усилие пресса, Н (кгс);

F - площадь поперечного сечения образца, см2.

За показатель активности шлаков принимают предел прочности при сжатии, вычисленный как среднеарифметическое результатов испытания десяти образцов.

Примечание - Допускается определение активности производить на образцах, изготовленных из смеси в водошлаковыми отношениями 0,12; 0,14 и 0,16. Из каждой смеси готовят 10 образцов.

За показатель активности в этом случае принимают наибольшее значение из трех средних пределов прочности при сжатии 10 образцов.

4.27. Определение электроизоляционных свойств щебня для балластного слоя железнодорожного пути

Электроизоляционные свойства щебня определяют по удельной электрической проводимости насыщенного раствора, получаемого при перемешивании размельченного щебня с дистиллированной водой.

4.27.1 Средства контроля и вспомогательное оборудование

Амперметр переменного тока класса 1,0 со шкалой до 300 мА по ГОСТ 8711.

Вольтметр переменного тока класса 1,0 со шкалой до 50 В по ГОСТ 8711.

Трансформатор лабораторный регулировочный 250 В Х2А (ЛАТР).

Трансформатор разделительный 220/24 В.

Куб измерительный, изготовленный из изолирующего материала (органического стекла) с внутренними размерами сторон 50 х 50 х 50 мм.

Электроды размером 50 х 50 х 1 мм в количестве 2 шт.

Сито с отверстиями размером 3 мм.

Шкаф сушильный.

Весы настольные циферблатные по ГОСТ 29329 или лабораторные по ГОСТ 24104.

Сосуд цилиндрический оцинкованный или пластмассовый без меток объемом 10 л.

Сосуд цилиндрический с двумя метками (поясами) на внутренней стенке, соответствующими объему 3,5 и 4 л.

Сосуд для выпаривания раствора с двумя метками, соответствующими объему 0,2 и 3 л.

Воронка.

Штыковка деревянная. (в ред. Изменения N 1)

4.27.2. Порядок подготовки к испытанию

Пробу щебня массой 6 кг измельчают в лабораторной дробилке и просеивают через сито с отверстиями размером 3 мм.

Прошедшую через сито измельченную пробу засыпают в цилиндрический сосуд до отметки 4 л равномерными слоями, уплотняя деревянной штыковкой каждый слой до постоянного объема.

Отмеренный объем измельченной пробы высыпают в цилиндрический оцинкованный сосуд объемом 10 л, заливают 3,5 л дистиллированной воды и тщательно перемешивают.

Перемешивание и определение электрической проводимости раствора производят в измерительном кубе до тех пор, пока его электрическая проводимость не стабилизируется. Постоянная электрическая проводимость раствора свидетельствует о том, что раствор стал насыщенным.

Насыщенный раствор объемом 2 л наливают в сосуд для выпаривания и выпаривают его до объема 0,2 л. Охлаждают раствор до комнатной температуры, выливают в измерительный куб и определяют электрическую проводимость.

4.27.3 Порядок проведения испытания

Электроды зачищают до блеска и устанавливают на двух противоположных боковых стенках измерительного куба. Куб промывают дистиллированной водой и наливают в него полученный насыщенный раствор, электрическую проводимость которого необходимо определить. Уровень раствора должен совпадать с верхними краями электродов. Выводы электродов подключают к измерительной схеме (рисунок 15).

1 - лабораторный регулировочный трансформатор (ЛАТР); 2 -электрод; 3 - измерительный куб

Рисунок 15 - Измерительная схема

Вращением рукоятки лабораторного регулировочного трансформатора устанавливают напряжение между электродами 5 - 10 В и измеряют ток, протекающий через измерительный куб при одном и том же напряжении между электродами.

4.27.4 Обработка результатов испытаний

Электрическую проводимость S, См, определяют по формуле

, (58)

где I - сила тока при фиксированном напряжении, А;

U - напряжение между электродами, В.

Щебень пригоден для балластного слоя железнодорожного пути, если удельная электрическая проводимость не превышает значений:

0,06 См/м в насыщенном растворе, образующемся от растворения щебня (водная вытяжка) в дистиллированной воде;

0,35 См/м в выпаренном до 0,2 л насыщенном растворе.

За результат принимают среднеарифметическое значение трех параллельных определений.

Если удельная электрическая проводимость не превышает значений 0,06 См/м, щебень обладает электроизоляционными свойствами и пригоден для строительства железнодорожного пути.

За результат принимают среднеарифметическое значение двух параллельных определений. (в ред. Изменения N 1)

Приложение А
(справочное)

ОБЛАСТЬ ПРИМЕНЕНИЯ ФИЗИКО-МЕХАНИЧЕСКИХ ИСПЫТАНИЙ

Таблица А.1

Наименование испытаний Область применения
Приемочный контроль на предприятии (карьере)-изготовителе Определение свойств горных пород и получаемых из них щебня и гравия при геологической разведке Входной контроль на предприятиипотребителе
ежедневный периодический
Определение зернового состава щебня (гравия) + - + +
Определение содержания дробленых зерен в щебне из гравия - + - +
Определение содержания в щебне (гравии) пылевидных и глинистых частиц + - + +
Определение содержания в щебне (гравии) глины в комках + - + +
Определение содержания в щебне (гравии) зерен пластинчатой (лещадной) и игловатой формы - + + +
Определение дробимости щебня (гравия) при сжатии (раздавливании) в цилиндре - + + -
Определение содержания в щебне (гравии) зерен слабых пород - + + -
Определение истираемости щебня (гравия) в полочном барабане - + + -
Определение сопротивления щебня (гравия) удару на копре ПМ - + + -
Определение морозостойкости щебня (гравия) - + + -
Определение минералого-петрографического состава щебня (гравия) - - + -
Определение наличия органических примесей в щебне (гравии) - + + -
Определение истинной плотности горной породы и зерен щебня (гравия) - - + -
Определение средней плотности и пористости горной породы и зерен щебня (гравия) - - + +
Определение насыпной плотности и пустотности щебня (гравия) - + - +
Определение водопоглощения горной породы и щебня (гравия) - + + -
Определение влажности щебня (гравия) - + - +
Определение предела прочности при сжатии горной породы - - + +
Определение показателя снижения прочности горной породы при насыщении водой - - + +
Определение реакционной способности горной породы, щебня и гравия:        
а) минералого-петрографический метод - - + -
б) химический метод - По требованию потребителей + +
в) ускоренный метод - То же - +
г) метод непосредственных испытаний образцов бетона - - + +
Определение устойчивости структуры против распада щебня (гравия) из попутно добываемых пород и отходов промышленного производства - + + -
Определение содержания свободного волокна асбеста в щебне из отходов асбестосодержащих пород - + + -
Определение содержания слабых зерен и примесей металла в щебне из шлаков черной и цветной металлургии - + - +
Определение активности шлаков - + - -
Определение электроизоляционных свойств щебня для балластного слоя железнодорожного пути - + + -
Примечания 1 "+" означает, что испытания проводят; "-" - не проводят. 2 Испытания при входном контроле проводят при наличии требований по этому показателю в технологической документации.

Приложение Б
(информационное)

НОРМАТИВНЫЕ ССЫЛКИ

В настоящем стандарте использованы ссылки на следующие нормативные документы:

ГОСТ 8.326-89 <*> ГСИ. Метрологическая аттестация средств измерений

<*> На территории Российской Федерации действуют ПР 50.2.009-94 "Государственная система обеспечения единства измерений. Порядок проведения испытаний и утверждения типа средств измерений".

ГОСТ 8.513-84 <**> ГСИ. Поверка средств измерений. Организация и порядок проведения

<**> На территории Российской Федерации действуют ПР 50.2.006-94 "Государственная система обеспечения единства измерений. Порядок проведения поверки средств измерений"

ГОСТ 166-89 Штангенциркули. Технические условия

ГОСТ 195-77 Натрий сернистокислый. Технические условия

ГОСТ 310.1-76 Цементы. Методы испытаний. Общие положения

ГОСТ 310.3-76 Цементы. Методы определения нормальной густоты, сроков схватывания и равномерности изменения объема

ГОСТ 310.4-81 Цементы. Методы определения предела прочности при изгибе и сжатии

ГОСТ 450-77 Кальций хлористый технический. Технические условия

ГОСТ 577-68 Индикаторы часового типа с ценой деления 0,01 мм. Технические условия

ГОСТ 1277-75 Серебро азотнокислое. Технические условия

ГОСТ 1770-74 Посуда мерная лабораторная стеклянная. Цилиндры, мензурки, колбы, пробирки. Технические условия

ГОСТ 2184-77 Кислота серная техническая. Технические условия

ГОСТ 3118-77 Кислота соляная. Технические условия

ГОСТ 3749-77 Угольники поверочные 90°С. Технические условия

ГОСТ 3765-78 Аммоний молибденовокислый. Технические условия

ГОСТ 4166-76 Натрий сернокислый. Технические условия

ГОСТ 4171-76 Натрия сульфат 10-водный. Технические условия

ГОСТ 4214-78 Кислота кремниевая водная. Технические условия

ГОСТ 4328-77 Натрия гидроокись. Технические условия

ГОСТ 4461-77 Кислота азотная. Технические условия

ГОСТ 5632-72 Стали высоколегированные и сплавы коррозионно-стойкие, жаростойкие и жаропрочные. Марки

ГОСТ 5817-77 Кислота винная. Технические условия

ГОСТ 6563-75 Изделия технические из благородных металлов и сплавов. Технические условия

ГОСТ 6613-86 Сетки проволочные тканые с квадратными ячейками. Технические условия

ГОСТ 6709-72 Вода дистиллированная. Технические условия

ГОСТ 7172-76 Калий пиросернокислый

ГОСТ 8030-80 Иглы для шитья вручную. Технические условия

ГОСТ 8267-93 Щебень и гравий из плотных горных пород для строительных работ. Технические условия

ГОСТ 8269.1-97 Щебень и гравий из плотных горных пород и отходов промышленного производства для строительных работ. Методы химического анализа

ГОСТ 8711-93 Приборы аналоговые показывающие электроизмерительные прямого действия и вспомогательные части к ним. Часть 2. Особые требования к амперметрам и вольтметрам

ГОСТ 8735-88 Песок для строительных работ. Методы испытаний

ГОСТ 9147-80 Посуда и оборудование лабораторные фарфоровые. Технические условия

ГОСТ 9639-71 Листы из непластифицированного поливинилхлорида (винипласт листовой). Технические условия

ГОСТ 10110-87 Круги алмазные отрезные формы 1А1R. Технические условия

ГОСТ 10197-70 Стойки и штативы для измерительных головок. Технические условия

ГОСТ 11042-90 Молотки стальные строительные. Технические условия

ГОСТ 12026-76 Бумага фильтровальная лабораторная. Технические условия

ГОСТ 14838-78 Проволока из алюминия и алюминиевых сплавов для холодной высадки. Технические условия

ГОСТ 19904-90 Прокат листовой холоднокатаный. Сортамент

ГОСТ 22524-77 Пикнометры стеклянные. Технические условия

ГОСТ 22685-89 Формы для изготовления контрольных образцов бетона. Технические условия

ГОСТ 22698-77 Красители органические. Основной фиолетовый К. Технические условия

ГОСТ 23732-79 Вода для бетонов и растворов. Технические условия

ГОСТ 23932-90 Посуда и оборудование лабораторные стеклянные. Общие технические условия

ГОСТ 24104-2001 Весы лабораторные. Общие технические требования".

ГОСТ 24555-81 Система государственных испытаний продукции. Порядок аттестации испытательного оборудования. Основные положения

ГОСТ 24638-85 Сверла алмазные кольцевые для железобетонных конструкций. Технические условия

ГОСТ 25336-82 Посуда и оборудование лабораторные стеклянные. Типы, основные параметры и размеры

ГОСТ 25706-83 Лупы. Типы, основные параметры. Общие технические требования

ГОСТ 28840-90 Машины для испытания материалов на растяжение, сжатие и изгиб. Общие технические требования

ГОСТ 28923-91 Регуляторы температуры, работающие без постороннего источника энергии. Общие технические требования и методы испытаний

ГОСТ 29227-91 Посуда лабораторная стеклянная. Пипетки градуированные. Часть 1. Общие требования

ГОСТ 29228-91 Посуда лабораторная стеклянная. Пипетки градуированные. Часть 2. Пипетки градуированные без установленного времени ожидания

ГОСТ 29329-92 Весы для статического взвешивания. Общие технические требования

ГОСТ 30515-97 Цементы. Общие технические условия.