Мебель бытовая. Функциональные размеры отделений для хранения. ГОСТ 13025.1-85

(утв. Постановлением Госстандарта СССР от 27.06.85 N 2040)
Редакция от 17.05.2005 — Действует с 17.05.2005
Показать изменения

МЕЖГОСУДАРСТВЕННЫЙ СТАНДАРТ

МЕБЕЛЬ БЫТОВАЯ

Функциональные размеры отделений для хранения

Domestic furniture. Functional dimensions of storage units

ОКП 56 1000

ГОСТ 13025.1-85

(в ред. Изменений N 1, N 2, N 3)

Группа К25

МКС 97.040.10

97.140

Дата введения 1987-01-01

ИНФОРМАЦИОННЫЕ ДАННЫЕ

1. РАЗРАБОТАН И ВНЕСЕН Министерством лесной и деревообрабатывающей промышленности СССР

2. УТВЕРЖДЕН И ВВЕДЕН В ДЕЙСТВИЕ Постановлением Государственного комитета СССР по стандартам от 27.06.85 N 2040

3. ВЗАМЕН ГОСТ 13025.1-71, ГОСТ 13025.2-71, ГОСТ 13025.3-76, ГОСТ 13025.4-81, ГОСТ 13025.14-73, ГОСТ 13025.17-82, ГОСТ 13025.18-82

4. Стандарт полностью соответствует СТ СЭВ 6477-88 и СТ СЭВ 6833-89

5. Ограничение срока действия снято по протоколу N 7-95 Межгосударственного совета по стандартизации, метрологии и сертификации (ИУС 11-95)

6. ИЗДАНИЕ (ноябрь 2005 г.) с Изменениями N 1, 2, 3, утвержденными в ноябре 1989 г., августе 1990 г., мае 2005 г. (ИУС 2-90, 11-90, 8-2005)

1. Настоящий стандарт распространяется на бытовую мебель и устанавливает функциональные размеры отделений для хранения одежды, головных уборов, белья, постельных принадлежностей, книг, посуды, обуви в изделиях всех видов, а также функциональные размеры кухонных шкафов и вешалок.

Стандарт не распространяется на отделения, предназначенные для встраивания бытовой техники. (в ред. Изменений N 1, N 3)

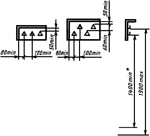
2. Размеры отделений для хранения одежды и головных уборов должны соответствовать указанным на черт.1 и 2.

Черт.1

Черт.2

Примечание. Высота отделения для хранения одежды (пальто, плащей, костюмов, пиджаков и т.д.) измеряется от верхней кромки штанги до нижнего ограничивающего элемента, в вешалках - от рабочей поверхности крючка до нижнего ограничивающего элемента. Глубину шкафа измеряют в зоне установки штанги. (в ред. Изменений N 1, N 3)

2.1. Расстояние между крючками, а также между крючками и ограничивающими элементами вешалок и отделений для хранения одежды должно соответствовать указанным на черт.3.

Черт.3

<*> Расстояние от рабочей поверхности крючка до нижнего ограничивающего элемента.

2.2. Глубина отделений для хранения головных уборов должна быть не менее 240 мм.

2.3. Расстояние от пола верхней кромки штанги или до рабочей поверхности верхнего крючка должно быть не более 1900 мм.

Примечание. Допускается расстояние от пола до верхней кромки штанги более 1900 мм при условии оснащения шкафа для одежды специальными приспособлениями, обеспечивающими удобство пользования изделием (рычаг для опускания и подъема штанги и т.д.).

3. Размеры отделений для хранения белья должны соответствовать указанным на черт.4* и в табл.1. (в ред. Изменения N 3)

Размеры отделений для хранения белья, черт.4 и табл.1

Черт.4

Таблица 1

мм

Назначение отделения Внутренние размеры отделений, не менее
при поперечном расположении белья при продольном расположении белья
L B L B
Для постельного белья 400 460 460 400
Для других видов белья 300 400 400 300

(в ред. Изменения N 1)

Чертеж 5. - Исключен. (в ред. Изменения N 3)

3.1. Расстояние между полками или выдвижными лотками (или между полкой и ограничивающим элементом отделения) должно быть не менее 170 мм. (в ред. Изменения N 3)

3.2. Пункт исключен. (в ред. Изменения N 3)

3.3. Высота заднего борта выдвижных полок и лотков должна быть не менее 30 мм.

4. Полезный объем отделений для хранения одного комплекта постельных принадлежностей в тумбах, шкафах и диванах-кроватях должен быть не менее 0,11 м .

В диванах-кроватях внутренняя высота отделения (ящика) должна быть не менее 120 мм.

5. Размеры отделений для хранения книг должны соответствовать указанным в табл.2.

Таблица 2

мм

Расстояние между полками Глубина отделения
180-390 140-440

Примечание. Допускается расстояние между полками менее 180 мм при всех параметрах глубины для хранения журналов, альбомов и прочих изданий в горизонтальном положении.

6. Размеры отделений для хранения посуды должны соответствовать указанным в табл.3.

Таблица 3

мм

Отделение для хранения посуды Глубина отделения, не менее Расстояние между полками, не менее
Малого размера 150 150
Среднего размера 220 200
Большого размера 280 250

Примечание. Максимальное расстояние между полками 390 мм. (в ред. Изменения N 1)

6.1. Внутренние размеры ящиков для столовых приборов и ящиков и полуящиков для столового белья должны соответствовать указанным на черт.6 и в табл.4.

Внутренние размеры ящиков для столовых приборов и ящиков и полуящиков для столового белья, черт.6 и табл.4

Черт.6

Таблица 4

мм

Назначение ящика Внутренние размеры ящиков (полуящиков), не менее
L B H
Для столовых приборов 260 - 50
Для столового белья 360 260 75

Примечание. За глубину ящика и полуящика принимается расстояние от дна ящика или полуящика до конструктивного элемента, ограничивающего высоту хранящихся предметов.

7. Расстояние от пола до верхней кромки передней стенки верхнего ящика или полуящика, предназначенных для хранения белья, столового белья и столовых приборов должно быть не более 1250 мм.

8. Размеры отделений для хранения обуви должны соответствовать указанным на черт.7 и табл.5.

Размеры отделений для хранения обуви, черт.7 и табл.5

Черт.7

Таблица 5

мм

Вид обуви Размер отделения, не менее
для хранения обуви в горизонтальном и наклонном положении для хранения обуви в вертикальном положении
глубина B высота H глубина B высота H
Ботинки, полуботнки, туфли и т.д. 320 150 150 320
Сапоги 320 400 400 320

8.1. Ширина отделений для хранения пары обуви должна быть не менее 250 мм, а при хранении пары обуви порознь (на прутках, полках, в кассетах и т. д.) - не менее 125 мм.

9. Для закрывающихся отделений глубина измеряется расстоянием от задней стенки до внутренней поверхности дверей.

10. Размеры кухонных шкафов должны соответствовать указанным на черт.8 и 9 и в табл.6.

Размеры кухонных шкафов, черт.8, 9 и табл.6

Черт.8

(в ред. Изменения N 3)

Черт.9

(в ред. Изменения N 3)

Таблица 6

мм

Наименование функциональных размеров кухонных шкафов Размеры
Расстояние от пола до рабочей поверхности шкафа-стола, Н 850 - 900
Расстояние от пола до дополнительной поверхности шкафа-стола, , не менее 620
Высота основания, , не менее 80
Расстояние от задней кромки крышки шкафа-стола до передней кромки крышки, В 600
Внутренний размер шкафа-стола и шкафа хозяйственного , не менее 460
Заглубление основания изделия от фасадной поверхности корпуса, , не менее 50
Внутренний размер настенного шкафа, , не менее 270
Расстояние от пола до рабочей поверхности верхней полки , не более 1900

(в ред. Изменения N 3)

Примечание 1. - Исключено. (в ред. Изменения N 3)

2. Допускается заглубление задней стенки корпуса шкафа-стола, шкафа хозяйственного не более 100 мм с учетом размещения электропроводки, водопроводных и канализационных установок.

3. Глубина напольного шкафа, не входящего в основную рабочую зону, допускается не менее 400 мм. (в ред. Изменения N 3)

4. В зависимости от толщины отбортовок и раскладок допускается отклонение от ширины крышки шкафа-стола ±10 мм.

5. Допускается размещение дополнительных полок выше 1900 мм для хранения редко используемых предметов.