Система проектной документации для строительства. Газоснабжение. Наружные газопроводы. Рабочие чертежи. ГОСТ 21.610-85

(утв. Постановлением Госстроя СССР от 14.11.85 N 195)
Редакция от 14.11.1985 — Документ не действует

МЕЖГОСУДАРСТВЕННЫЙ СТАНДАРТ

СИСТЕМА ПРОЕКТНОЙ ДОКУМЕНТАЦИИ ДЛЯ СТРОИТЕЛЬСТВА

ГАЗОСНАБЖЕНИЕ. НАРУЖНЫЕ ГАЗОПРОВОДЫ

РАБОЧИЕ ЧЕРТЕЖИ

System of building design documents. Gas supply. Outside gas pipe-lines. Working drawings

ГОСТ 21.610-85

Дата введения
1 июля 1986 года

ИНФОРМАЦИОННЫЕ ДАННЫЕ

1. РАЗРАБОТАН Институтом "Мосгазниипроект" Управления топливно-энергетического хозяйства Исполнительного комитета Московского городского Совета народных депутатов

ВНЕСЕН Исполнительным комитетом Московского городского Совета народных депутатов

2. УТВЕРЖДЕН И ВВЕДЕН В ДЕЙСТВИЕ Постановлением Государственного комитета СССР по делам строительства от 14.11.85 N 195

3. Стандарт полностью соответствует СТ СЭВ 5047-85

4. ВВЕДЕН ВПЕРВЫЕ

5. ССЫЛОЧНЫЕ НОРМАТИВНО-ТЕХНИЧЕСКИЕ ДОКУМЕНТЫ

Обозначение НТД, на который дана ссылка Номер пункта, приложения
ГОСТ 2.721-74 Приложение
ГОСТ 2.780-96 "
ГОСТ 2.784-96 "
ГОСТ 2.785-70 "
ГОСТ 21.101-97 2.1
ГОСТ 21.110-95 1.2
ГОСТ 21.204-93 Приложение
ГОСТ 21.205-93 "
ГОСТ 21.206-93 1.3
ГОСТ 21.609-83 1.3

6. ПЕРЕИЗДАНИЕ. Август 2003 г.

Настоящий стандарт распространяется на рабочие чертежи наружных газопроводов (подземные, надземные) для транспортирования природных, попутных нефтяных, искусственных и смешанных газов с избыточным давлением до 1,2 МПа (12 кгс/см2), используемых в качестве топлива и сырья.

Стандарт устанавливает состав и правила оформления рабочих чертежей наружных газопроводов для объектов строительства всех отраслей промышленности и народного хозяйства.

1. ОБЩИЕ ПОЛОЖЕНИЯ

1.1. Рабочие чертежи наружных газопроводов выполняют в соответствии с требованиями настоящего стандарта и других стандартов Системы проектной документации для строительства (СПДС), а также норм проектирования наружных газопроводов.

1.2. В состав рабочих чертежей наружных газопроводов (основной комплект рабочих чертежей марки ГСН) включают:

- общие данные по рабочим чертежам;

- чертежи (планы, продольные профили) газопроводов.

К основному комплекту рабочих чертежей марки ГСН составляют спецификацию оборудования по ГОСТ 21.110, ведомость потребности в материалах по ГОСТ 21.110.

1.3. Газопроводы на чертежах указывают условными графическими обозначениями по ГОСТ 21.206 и буквенно-цифровыми обозначениями по ГОСТ 21.609.

При отсутствии на чертежах видимых участков газопроводов допускается обозначать подземные газопроводы сплошной толстой основной линией с необходимыми пояснениями в общих данных по рабочим чертежам или на соответствующих чертежах.

1.4. Условные графические обозначения оборудования, арматуры, элементов газопроводов, способов прокладки газопроводов принимают по стандартам Единой системы конструкторской документации (ЕСКД) и по стандартам СПДС, приведенным в приложении.

1.5. Диаметр и толщину стенки газопровода указывают на полке линии-выноски.

В случае, когда на полке линии-выноски указывают буквенно-цифровое обозначение газопровода, диаметр и толщину стенки газопровода указывают под полкой линии-выноски.

1.6. Масштабы изображений на чертежах должны соответствовать приведенным в таблице.

Наименование изображения Масштаб
Планы газопроводов 1:200, 1:500, 1:1000, 1:2000
Продольные профили газопроводов:  
- по горизонтали 1:200, 1:500, 1:1000; 1:2000
- по вертикали 1:50, 1:100

2. ОБЩИЕ ДАННЫЕ ПО РАБОЧИМ ЧЕРТЕЖАМ

2.1. Общие данные по рабочим чертежам выполняют по ГОСТ 21.101.

В общих указаниях, входящих в состав общих данных по рабочим чертежам, кроме сведений, предусмотренных ГОСТ 21.101, приводят требования по монтажу, испытаниям, условиям прокладки, окраске и изоляции газопроводов.

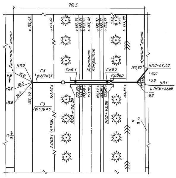
3. ПЛАНЫ ГАЗОПРОВОДОВ

3.1. Для разработки планов газопроводов в качестве подосновы используют рабочие чертежи генеральных планов, автомобильных дорог и железнодорожных путей или топографические планы.

3.2. На планах газопроводов наносят и указывают:

- существующие и проектируемые здания (сооружения) в виде упрощенных контурных очертаний сплошной тонкой линией;

- привязку газопроводов к осям проектируемых зданий (сооружений) или к наружным стенам существующих зданий (сооружений);

- инженерные сети другого назначения, влияющие на прокладку проектируемых газопроводов;

- диаметры и толщины проектируемых газопроводов до и после точек их изменения;

- номера пикетов (ПК);

- сооружения на газопроводах, например, колодцы, конденсатосборники, контрольно-измерительные пункты, электрические перемычки, изолирующие фланцевые соединения и электрические защиты: катодные, протекторные, электродренажные.

На планах газопроводов, при необходимости, указывают привязки элементов газопроводов к ближайшим пикетам.

3.3. Планы газопроводов допускается размещать как на отдельных листах, так и совместно с продольными профилями газопроводов.

Пример оформления плана газопроводов приведен на черт. 1.

Черт. 1

4. ПРОДОЛЬНЫЕ ПРОФИЛИ ГАЗОПРОВОДОВ

4.1. Продольные профили газопроводов изображают в виде разверток по осям газопроводов.

4.2. На продольном профиле газопровода наносят и указывают:

- поверхность земли (проектную - сплошной толстой основной линией, фактическую - сплошной тонкой линией);

- уровень грунтовых вод (штрихпунктирной тонкой линией);

- пересекаемые автомобильные дороги, железнодорожные и трамвайные пути, кюветы, а также другие подземные и надземные сооружения в виде упрощенных контурных очертаний - сплошной тонкой линией, коммуникации, влияющие на прокладку проектируемых газопроводов, с указанием их габаритных размеров и высотных отметок;

- колодцы, коверы, эстакады, отдельно стоящие опоры и другие сооружения и конструкции газопроводов в виде упрощенных контурных очертаний наружных габаритов - сплошной тонкой линией;

- данные о грунтах;

- отметки верха трубы;

- глубину траншеи от проектной и фактической поверхности земли;

- футляры на газопроводах с указанием диаметров, длин и привязок их к оси дорог, сооружениям, влияющим на прокладку проектируемых газопроводов, или к пикетам;

- буровые скважины.

Газопроводы диаметром 150 мм и менее допускается изображать одной линией.

4.3. Под продольным профилем газопровода помещают таблицу по форме 1 для подземной прокладки газопровода и по форме 2 - для надземной прокладки.

Допускается, при необходимости, дополнять таблицы другими строками, например, "Характеристика грунта: просадочность, набухание", "Коррозионность".

4.4. Отметки дна траншеи под газопровод проставляют в характерных точках, например, в местах пересечений с автомобильными дорогами, железнодорожными и трамвайными путями, инженерными коммуникациями и сооружениями, влияющими на прокладку проектируемых газопроводов.

Отметки уровней указывают в метрах с двумя десятичными знаками, длины участков газопроводов - в метрах с одним десятичным знаком, а величины уклонов - в промилле.

4.5. Принятые масштабы продольных профилей указывают над боковиком таблицы.

Пример оформления продольного профиля газопровода приведен на черт. 2.

Черт. 2

Приложение
Справочное

ПЕРЕЧЕНЬ СТАНДАРТОВ НА УСЛОВНЫЕ ОБОЗНАЧЕНИЯ, ПОДЛЕЖАЩИХ УЧЕТУ ПРИ ВЫПОЛНЕНИИ ЧЕРТЕЖЕЙ НАРУЖНЫХ ГАЗОПРОВОДОВ

Обозначение стандарта Наименование стандарта
ГОСТ 2.721-74 Единая система конструкторской документации. Обозначения условные графические в схемах. Обозначения общего применения
ГОСТ 2.780-96 Единая система конструкторской документации. Обозначения условные графические. Элементы гидравлических и пневматических сетей
ГОСТ 2.784-96 Единая система конструкторской документации. Обозначения условные графические. Элементы трубопроводов
ГОСТ 2.785-70 Единая система конструкторской документации. Обозначения условные графические. Арматура трубопроводная
ГОСТ 21.204-93 Система проектной документации для строительства. Условные графические изображения и обозначения на чертежах генеральных планов и транспорта
ГОСТ 21.205-93 Система проектной документации для строительства. Условные обозначения элементов санитарно-технических систем