Электроустановки низковольтные. Часть 1. Основные положения, оценка общих характеристик, термины и определения. ГОСТ 30331.1-2013 (IEC 60364-1:2005)

(утв. Приказом Росстандарта от 23.04.2014 N 399-СТ)
Редакция от 23.04.2014 — Действует с 01.07.2015

Текст данного документа приведен с учетом поправок, опубликованных в "ИУС", N 4, 2015; "ИУС", N 10, 2021; "ИУС", N 1, 2022.


МЕЖГОСУДАРСТВЕННЫЙ СТАНДАРТ

ЭЛЕКТРОУСТАНОВКИ НИЗКОВОЛЬТНЫЕ

ЧАСТЬ 1

ОСНОВНЫЕ ПОЛОЖЕНИЯ, ОЦЕНКА ОБЩИХ ХАРАКТЕРИСТИК, ТЕРМИНЫ И ОПРЕДЕЛЕНИЯ

Low-voltage electrical installations. Part 1: Fundamental principles, assessment of general characteristics, definitions (IEC 60364-1:2005, MOD)

ГОСТ 30331.1-2013
(IEC 60364-1:2005)

Дата введения
1 июля 2015 года

Предисловие

Цели, основные принципы и порядок проведения работ по межгосударственной стандартизации установлены ГОСТ 1.0-92 "Межгосударственная система стандартизации. Основные положения" и ГОСТ 1.2-2009 "Межгосударственная система стандартизации. Стандарты межгосударственные, правила и рекомендации по межгосударственной стандартизации. Правила разработки, принятия, применения, обновления и отмены".

Сведения о стандарте

1. Подготовлен Федеральным государственным унитарным предприятием "Всероссийский научно-исследовательский институт стандартизации и сертификации в машиностроении" (ВНИИНМАШ) на основе собственного аутентичного перевода на русский язык стандарта, указанного в пункте 4.

2. Внесен Федеральным агентством по техническому регулированию и метрологии.

3. Принят Межгосударственным советом по стандартизации, метрологии и сертификации (протокол от 14 ноября 2013 г. N 44).

За принятие стандарта проголосовали:

Краткое наименование страны по МК (ИСО 3166) 004-97 Код страны по МК (ИСО 3166) 004-97 Сокращенное наименование национального органа по стандартизации
Азербайджан AZ Азстандарт
Армения AM ЗАО "Национальный орган по стандартизации и метрологии" Республики Армения
Киргизия KG Кыргызстандарт
Россия RU Росстандарт
Таджикистан TJ Таджикстандарт

4. Приказом Федерального агентства по техническому регулированию и метрологии от 23 апреля 2014 г. N 399-ст межгосударственный стандарт ГОСТ 30331.1-2013 (IEC 60364-1:2005) введен в действие в качестве национального стандарта Российской Федерации с 1 июля 2015 г.

5. Настоящий стандарт модифицирован по отношению к международному стандарту IEC 60364-1:2005 Low-voltage electrical installations. Part 1: Fundamental principles, assessment of general characteristics, definitions (Низковольтные электрические установки. Часть 1. Основополагающие положения, оценка общих характеристик, определения). При этом дополнительные требования, включенные в текст межгосударственного стандарта, выделены курсивом.

Перевод с английского языка (en).

Степень соответствия - модифицированная (MOD).

Международный стандарт разработан Техническим комитетом 64 "Электрические установки и защита от поражения электрическим током" Международной электротехнической комиссии.

6. Введен впервые.

Информация об изменениях к настоящему стандарту публикуется в ежегодном информационном указателе "Национальные стандарты", а текст изменений и поправок - в ежемесячном информационном указателе "Национальные стандарты". В случае пересмотра (замены) или отмены настоящего стандарта соответствующее уведомление будет опубликовано в ежемесячном информационном указателе "Национальные стандарты". Соответствующая информация, уведомление и тексты размещаются также в информационной системе общего пользования - на официальном сайте Федерального агентства по техническому регулированию и метрологии в сети Интернет.

Введение

Настоящий стандарт является основополагающим в комплексе межгосударственных стандартов ГОСТ 30331 на низковольтные электрические установки. Стандарт разработан на основе международного стандарта IEC 60364-1:2005 с учетом требований действующих межгосударственных нормативных документов.

Настоящий стандарт устанавливает основополагающие положения и требования, применение которых при проектировании низковольтных электроустановок в совокупности с требованиями других стандартов, входящих в состав комплекса ГОСТ 30331, обеспечивает безопасность функционирования электроустановок в нормальных условиях и условиях единичного повреждения.

Комплекс межгосударственных стандартов ГОСТ 30331 на низковольтные электроустановки должен применяться в качестве основополагающих нормативных документов во всех областях хозяйственной деятельности, входящих в сферу работ по стандартизации и оценке соответствия, при разработке и пересмотре межгосударственных стандартов, сводов правил и стандартов организаций, включая правила пожарной безопасности, строительные нормы и правила, санитарные правила и нормы и другие нормативные документы, затрагивающие требования безопасности низковольтных электроустановок.

Настоящий стандарт по построению, последовательности изложения требований, нумерации разделов, подразделов, пунктов и подпунктов и приложений полностью соответствует стандарту IEC 60364-1:2005. В ГОСТ 30331 в качестве ссылочных стандартов приведены международные стандарты МЭК в связи с отсутствием соответствующих межгосударственных стандартов.

По сравнению со стандартом IEC 60364-1:2005 настоящий стандарт дополнен уточненными требованиями, обновленными ссылками на международные стандарты и рядом уточненных терминов и определений.

Для удобства пользования настоящим стандартом и в целом комплексом ГОСТ 30331, в раздел 20 "Термины и определения" настоящего стандарта включены термины и их определения из Международного электротехнического словаря (МЭС): части 441 "Коммутационная аппаратура, аппаратура управления и плавкие предохранители"; части 442 "Электрические аксессуары"; части 691 "Тарифы на электроэнергию"; части 826 "Электрические установки", части 903 "Оценка риска", а также термины и их определения, встречающиеся в тексте настоящего стандарта, но отсутствующие в МЭС. После определений заимствованных терминов в квадратных скобках указаны источники заимствования. Например [МЭС 826-13-01] означает: термин заимствован из части 826 МЭС, раздел 13, терминологическая статья 01.

Из Приложения A настоящего стандарта изъята таблица A.1 приложения A стандарта IEC 60364-1:2005, в которой приведена система нумерации, используемая в комплексе стандартов IEC 60364.

Таблица A.2 настоящего стандарта подготовлена на основе уточненной и дополненной таблицы A.2 стандарта IEC 60364-1:2005, а также дополнена справочной информацией о национальных стандартах Российской Федерации, соответствующих ссылочным международным стандартам.

Из настоящего стандарта изъято приложение B стандарта IEC 60364-1:2005, в котором приведены пояснения к некоторым терминам из стандарта IEC 60050-826. Все пояснения к терминам, содержащиеся в приложении B стандарта IEC 60364-1:2005, приведены в виде примечаний к терминам в разделе 20 настоящего стандарта.

Требования в настоящем стандарте набраны прямым шрифтом, примечания набраны мелким прямым шрифтом. Дополнительные требования, а также требования, отличные от требований стандарта IEC 60364-1:2005, набраны курсивом.

11. Область применения

Настоящий стандарт содержит основополагающие правила проектирования, монтажа и проверки электрических установок. Установленные требования и правила предназначены для обеспечения безопасности людей, домашних животных и имущества от опасностей и повреждений, которые могут возникнуть при использовании электрических установок, и обеспечения надлежащего функционирования электроустановок.

11.1. Настоящий стандарт распространяется на проектирование, монтаж и проверку электрических установок следующих объектов:

a) жилых зданий;

b) торговых предприятий;

c) общественных зданий;

d) производственных зданий;

e) сельскохозяйственных и садоводческих строений;

f) сборных зданий;

g) жилых автофургонов, стоянок для них и аналогичных участков;

h) строительных площадок, выставок, ярмарок и других временных сооружений;

i) пристаней для малых судов, используемых на отдыхе;

j) наружного освещения и электроустановок аналогичного назначения (кроме перечисления e) в подразделе 11.3);

k) медицинских учреждений;

i) передвижных или транспортируемых средств;

В электронном документе нумерация пунктов соответствует официальному источнику.

m) фотоэлектрических систем;

n) низковольтных генераторных установок.

Примечание. Под термином "здание", "предприятие", "строение", "сооружение", "учреждение" понимают также земельные участки и все, что на них находится.

11.2. Настоящий стандарт охватывает:

a) электрические цепи номинальным напряжением до 1000 В переменного тока и 1500 В постоянного тока включительно. Для переменного тока предпочтительными частотами являются 50, 60 и 400 Гц. Не исключено применение других частот для специальных цепей;

b) электрические цепи напряжением, превышающим 1000 В, и питаемые от электроустановки напряжением не более 1000 В переменного тока (за исключением внутренней электропроводки электрооборудования), например, газоразрядных ламп, электростатических фильтров;

c) любые электропроводки, требования к которым специально не установлены в стандартах на электрооборудование;

d) все электроустановки потребителей, расположенные вне зданий;

e) стационарные проводки связи, сигнализации, управления и т.п. (за исключением внутренней электропроводки аппаратуры);

f) расширение или реконструкцию электроустановки в целом или ее частей.

Примечание. Требования настоящего стандарта распространяются на электрические установки, эксплуатируемые в нормальных условиях, однако в определенных случаях может возникнуть необходимость о включении дополнительных требований или рекомендаций из других стандартов (например, на электроустановки для эксплуатации во взрывоопасных средах).

11.3. Настоящий стандарт не распространяется на:

a) электрическое тяговое оборудование, в том числе подвижной состав и оборудование сигнализации;

b) электрическое оборудование автомобилей, за исключением указанного в части 7 комплекса стандартов IEC 60364;

c) электрические установки на судах и подвижных или закрепленных морских платформах;

d) электрические установки на самолетах;

e) электрические установки уличного освещения общего назначения, являющиеся частью электрических сетей общего назначения;

f) электрические установки в шахтах и карьерах;

g) электрооборудование для подавления радиопомех, за исключением тех случаев, когда оно влияет на безопасность электроустановки;

h) электрические ограждения;

i) наружные системы молниезащиты зданий;

Примечание. Атмосферные явления рассматриваются в настоящем стандарте только с точки зрения влияния на электрические установки (например, при выборе устройств защиты от импульсных перенапряжений).

j) некоторые вопросы, связанные с электроустановками для лифтов;

k) электрическое оборудование для машин и механизмов.

11.4. Настоящий стандарт не распространяется на:

- системы распределения электроэнергии потребителям;

- системы производства и передачи электроэнергии для таких систем.

Примечания.

1. Требования настоящего стандарта могут быть применены полностью или частично для этих систем.

2. В соответствии со стандартом IEC 61936-1 [1], устанавливающим общие правила проектирования и монтажа электрических установок в системах с номинальными напряжениями свыше 1 кВ переменного тока и номинальной частотой до 60 Гц включительно, низковольтные системы защиты, контроля, управления и сигнализации переменного и постоянного тока, используемые в этих электроустановках, должны отвечать требованиям комплекса стандартов IEC 60364.

11.5. В настоящем стандарте электрическое оборудование рассматривается только с точки зрения его выбора и применения в электроустановках.

Это условие распространяется также на низковольтные комплектные устройства, например, на вводно-распределительные устройства, вводные устройства, главные распределительные щиты, распределительные щитки и т.п., отвечающие требованиям соответствующих стандартов.

12. Нормативные ссылки

В настоящем стандарте использованы ссылки на нижеперечисленные стандарты. Для стандартов с указанной датой действительно указанное издание. Для стандартов без указанной даты действительным является последнее издание стандарта (со всеми поправками и дополнениями).

IEC 60038 (2009) IEC standard voltages (Стандартные напряжения МЭК)

IEC 60050-441 (1984) International Electrotechnical Vocabulary. Part 441: Chapter 441: Switchgear, controlgear and fuses (Международный электротехнический словарь. Часть 441. Коммутационная аппаратура, аппаратура управления и плавкие предохранители)

IEC 60050-442 (1998) International Electrotechnical Vocabulary - Part 442: Electrical accessories (Международный электротехнический словарь. Часть 442. Электрические аксессуары)

IEC 60050-691 (1973) International Electrotechnical Vocabulary. Part 691: Tariffs for electricity (Международный электротехнический словарь. Глава 691. Тарифы на электроэнергию)

IEC 60050-826 (2004) International Electrotechnical Vocabulary - Part 826: Electrical installations (Международный электротехнический словарь. Часть 826. Электрические установки)

IEC 60050-903 (2013) International Electrotechnical Vocabulary - Part 903: Risk assessment (Международный электротехнический словарь. Часть 903. Оценка риска)

IEC 60364-4-41 (2005) Low-voltage electrical installations - Part 4-41: Protection for safety - Protection against electric shock (Низковольтные электрические установки. Часть 4-41. Защита для безопасности. Защита от поражения электрическим током)

IEC 60364-4-42 (2010) Low-voltage electrical installations - Part 4-42: Protection for safety - Protection against thermal effects (Низковольтные электрические установки. Часть 4-42. Защита для безопасности. Защита от тепловых воздействий)

IEC 60364-4-43 (2008) Low-voltage electrical installations - Part 4-43: Protection for safety - Protection against overcurrent (Низковольтные электрические установки. Часть 4-43. Защита для безопасности. Защита от сверхтока)

IEC 60364-4-44 (2007) Low-voltage electrical installations - Part 4-44: Protection for safety - Protection against voltage disturbances and electromagnetic disturbances (Низковольтные электрические установки. Часть 4-44. Защита для безопасности. Защита от резких отклонений напряжения и электромагнитных возмущений)

IEC 60364-5-51 (2005) Electrical installations of buildings - Part 5-51: Selection and erection of electrical equipment - Common rules (Электрические установки зданий. Часть 5-51. Выбор и монтаж электрического оборудования. Общие правила)

IEC 60364-5-52 (2009) Low-voltage electrical installations - Part 5-52: Selection and erection of electrical equipment - Wiring systems (Низковольтные электрические установки. Часть 5-52. Выбор и монтаж электрического оборудования. Системы электропроводок)

IEC 60364-5-53 (2002) Electrical installations of buildings - Part 5-53: Selection and erection of electrical equipment - Isolation, switching and control (Электрические установки зданий. Часть 5-53. Выбор и монтаж электрического оборудования. Разъединение, коммутация и управление)

IEC 60364-5-54 (2011) Low-voltage electrical installations - Part 5-54: Selection and erection of electrical equipment - Earthing arrangements and protective conductors (Низковольтные электрические установки. Часть 5-54. Выбор и монтаж электрического оборудования. Заземляющие устройства и защитные проводники)

IEC 60364-5-55 (2012) Electrical installations of buildings - Part 5-55: Selection and erection of electrical equipment - Other equipment (Электрические установки зданий. Часть 5-55. Выбор и монтаж электрического оборудования. Прочее оборудование)

IEC 60364-5-56 (2009) Low-voltage electrical installations - Part 5-56: Selection and erection of electrical equipment - Safety services (Низковольтные электрические установки. Часть 5-56. Выбор и монтаж электрического оборудования. Системы безопасности)

IEC 60445 (2010) Basic and safety principles for man-machine interface, marking and identification - Identification of equipment terminals, conductor terminations and conductors (Основополагающие принципы и принципы безопасности для интерфейса "человек-машина", выполнение и идентификация. Идентификация выводов оборудования, концов проводников и проводников)

IEC 60721 (all parts) Classification of environmental conditions (Классификация условий окружающей среды)

IEC 61936-1 (2014) Power installations exceeding 1 kV a.c. - Part 1: Common rules (Энергетические установки переменного тока напряжением, превышающим 1 кВ. Часть 1. Общие правила)

IEC 62305 (все части):

IEC 62305-1 (2010) Protection against lightning - Part 1: General principles (Защита от молнии. Часть 1. Общие принципы)

IEC 62305-2 (2010) Protection against lightning - Part 2: Risk management (Защита от молнии. Часть 2. Управление риском)

IEC 62305-3 (2010) Protection against lightning - Part 3: Physical damage to structures and life hazard (Защита от молнии. Часть 3. Физические повреждения конструкций и опасность для жизни)

IEC 62305-4 (2010) Protection against lightning - Part 4: Electrical and electronic systems within structures (Защита от молнии. Часть 4. Электрические и электронные системы внутри конструкций)

Примечание. При пользовании настоящим стандартом целесообразно проверить действие ссылочных стандартов в информационной системе общего пользования - на официальном сайте Федерального агентства по техническому регулированию и метрологии в сети Интернет или по ежегодному информационному указателю "Национальные стандарты", который опубликован по состоянию на 1 января текущего года, и по выпускам ежемесячного информационного указателя "Национальные стандарты" за текущий год. Если ссылочный стандарт заменен (изменен), то при пользовании настоящим стандартом следует руководствоваться заменяющим (измененным) стандартом. Если ссылочный стандарт отменен без замены, то положение, в котором дана ссылка на него, применяется в части, не затрагивающей эту ссылку.

13. Основополагающие положения

Примечание 1. Требования настоящего раздела могут быть использованы для установления обязательных требований по безопасности низковольтных электроустановок для включения их в соответствующие технические регламенты.

Примечание 2. Настоящий раздел содержит основополагающие требования, обеспечивающие безопасность электрических установок на всех стадиях их жизненного цикла. Дополнительные требования приведены в других стандартах комплекса IEC 60364 (см. таблицу A.2).

131. Защита для обеспечения безопасности

131.1. Общие положения

Требования, изложенные в подразделах 131.2 - 131.7, предназначены для обеспечения безопасности людей, домашних животных и имущества от опасности и ущерба при нормальной эксплуатации электрических установок. Требования, предусмотренные для обеспечения безопасности домашних животных, применимы в местах, предназначенных для них.

Примечание. В электрических установках могут возникать опасности следующих видов:

- поражающие электрические токи;

- чрезмерные температуры, способные причинять ожоги, вызывать пожары и другие вредные воздействия;

- воспламенение потенциально взрывоопасной атмосферы;

- пониженные напряжения, перенапряжения и электромагнитные воздействия, способные вызывать повреждения, приводить к травме или ущербу;

- перерывы электроснабжения и (или) нарушение работы систем безопасности;

- образование электрической дуги, способное вызывать ослепление, чрезмерное давление и (или) выделение токсичных газов;

- механическое перемещение электрически включенного оборудования;

- воздействие вредных веществ, вибрации, ударов, шума;

- ионизирующее, радиационное, инфракрасное и ультрафиолетовое излучение;

- повышенные значения электромагнитных и электростатических полей.

131.2. Защита от поражения электрическим током

131.2.1. Основная защита

Люди и домашние животные должны быть защищены от опасности, которая может возникнуть от контакта с частями электроустановки, находящимися под напряжением.

Эту защиту можно осуществлять одним из следующих способов:

- предотвращением протекания электрического тока через тело человека или домашнего животного;

- ограничением электрического тока, который может протекать через тело человека или домашнего животного, до неопасного значения.

131.2.2. Защита при повреждении

Люди и домашние животные должны быть защищены от опасности, которая может возникать при контакте с открытыми проводящими частями электроустановки.

Эту защиту можно осуществлять одним из следующих способов:

- предотвращением протекания электрического тока, возникающего при повреждении, через тело человека или домашнего животного;

- ограничением значения электрического тока, возникающего при повреждении, который может протекать через тело человека или домашнего животного, до неопасного значения;

- ограничением длительности протекания электрического тока, возникающего при повреждении, который может протекать через тело человека или домашнего животного, до неопасного промежутка времени.

131.3. Защита от тепловых воздействий

Электрическая установка должна быть спроектирована и смонтирована так, чтобы была сведена к минимуму опасность воспламенения горючих материалов из-за высокой температуры или возникновения электрической дуги. При нормальном функционировании электрического оборудования должна быть исключена опасность получения ожогов людьми или домашними животными.

Электроустановки зданий, строений и сооружений должны соответствовать классу пожаровзрывоопасной зоны, в которой они установлены, а также категории и группе горючей или взрывоопасной смеси.

131.4. Защита от сверхтока

Люди и домашние животные должны быть защищены от травм, а имущество от повреждения, причиняемого высокими температурами или электромеханическими нагрузками, вызываемыми любыми сверхтоками, которые могут протекать по проводникам.

Эта защита может быть обеспечена посредством ограничения сверхтока до безопасного значения или снижением продолжительности его воздействия.

Примечание. В системах TN значения токов замыкания на землю могут быть сопоставимы с токами коротких замыканий.

131.5. Защита от тока замыкания на землю

Проводники, за исключением проводников, находящихся под напряжением, и любые другие части, по которым может протекать ток замыкания на землю, должны быть рассчитаны на протекание этого тока без появления чрезмерной температуры. Электрическое оборудование, включая проводники, должно иметь защиту от электромеханических нагрузок, вызываемых токами замыкания на землю, чтобы исключить травмирование людей и домашних животных, а также повреждение имущества.

Проводники, находящиеся под напряжением, должны быть защищены от сверхтоков, вызванных замыканиями на землю, методами, указанными в подразделе 131.4.

Примечание. Особое внимание следует уделять токам в защитном и заземляющем проводниках.

131.6. Защита от резких отклонений напряжения и электромагнитных воздействий

131.6.1. Люди и домашние животные должны быть защищены от травм, а имущество должно быть защищено от любых вредных воздействий, являющихся следствием замыкания между частями, находящимися под напряжением, электрических цепей, питающихся разными напряжениями.

131.6.2. Люди и домашние животные должны быть защищены от травм, а имущество должно быть защищено от любых вредных воздействий, являющихся следствием перенапряжений, возникающих от атмосферных явлений или от коммутации.

Примечание. Требования по защите от прямых ударов молний приведены в комплексе стандартов IEC 62305.

131.6.3. Люди и домашние животные должны быть защищены от травм, а имущество должно быть защищено от повреждений, являющихся следствием понижения напряжения и любого последующего восстановления напряжения.

131.6.4. Для обеспечения нормального функционирования в установленных условиях эксплуатации электроустановка должна иметь достаточную степень защиты от электромагнитных помех. Конструкцией электроустановки должны быть учтены предполагаемые электромагнитные излучения, генерируемые ею или установленным в ней электрооборудованием, которые должны быть приемлемыми для электроприемников, присоединенных к электроустановке.

131.7. Защита от перерывов электроснабжения

Если существует опасность травмирования людей и домашних животных или повреждения имущества в случае перерывов электроснабжения, должны быть предприняты соответствующие меры предосторожности в электроустановке или для установленного в ней электрооборудования.

132. Проектирование

132.1. Общие положения

При проектировании электрических установок необходимо обеспечивать:

- защиту людей, домашних животных и имущества в соответствии с разделом 131 настоящего стандарта;

- надлежащее функционирование электрических установок в предусмотренных условиях эксплуатации.

Информация, необходимая в качестве исходных данных для проектирования, приведена в подразделах 132.2 - 132.5. Требования, которым должно отвечать проектирование, установлены в подразделах 132.6 - 132.12.

132.2. Характеристики доступных источников питания

При проектировании электрических установок в соответствии с комплексом стандартов IEC 60364 необходимо знать характеристики источников питания. Для того чтобы спроектировать безопасную электроустановку, соответствующую требованиям комплекса стандартов IEC 60364, необходимо получить соответствующую информацию от оператора распределительной электрической сети. Характеристики источников питания должны быть включены в проектную и эксплуатационную документацию электрических установок. Если оператор электрической сети изменяет характеристики источников питания, это может повлиять на безопасность электроустановки.

132.2.1. Род электрического тока: переменный и (или) постоянный.

132.2.2. Виды проводников, применяемых в электрических цепях электроустановки:

- переменного тока: фазный (линейный) проводник, нейтральный проводник, защитный проводник;

- постоянного тока: полюсный (линейный) проводник, средний проводник, защитный проводник.

Примечание. В одном проводнике, например - в PEN-, PEM- или PEL-проводнике, могут быть объединены функции, выполняемые несколькими проводниками.

132.2.3. Допустимые значения:

- напряжение и допустимые отклонения напряжения;

- потери напряжения, колебания напряжения и падения напряжения;

- частота и допустимые отклонения частоты;

- максимальный допустимый ток;

- полное сопротивление петли замыкания на землю до ввода в электроустановку;

- ожидаемые токи короткого замыкания.

Стандартные значения напряжения и частоты приведены в IEC 60038.

132.2.4. Защитными мерами предосторожности, присущими источнику питания, являются, например, заземление нейтрали в электрической системе переменного тока или заземление средней части, находящейся под напряжением, в электрической системе постоянного тока.

132.2.5. Специальные требования к распределительной электрической сети системы распределения электроэнергии.

132.3. Характеристики нагрузки

Число и типы электрических цепей, требуемых для освещения, отопления, силового электрооборудования, управления, сигнализации, средств информационной технологии и связи и т.п., определяют, исходя из:

- расположения точек потребления электроэнергии;

- ожидаемых нагрузок в различных электрических цепях;

- суточных и годовых колебаний нагрузки;

- коэффициентов одновременности;

- любых специальных условий, таких как гармоники;

- требований, предъявляемых к управлению, сигнализации, средствам информационной технологии и связи и т.п.;

- ожидаемой нагрузки в будущем, если она указана.

132.4. Системы электрического питания для систем безопасности и резервные системы электрического питания

При проектировании электрических установок следует определять:

- источник питания (тип, характеристики);

- электрические цепи, питающиеся от электрического источника питания для систем безопасности или от резервного электрического источника питания.

132.5. Условия окружающей среды

При проектировании электрических установки следует учитывать условия окружающей среды, воздействию которых они будут подвергаться, по комплексу стандартов IEC 60364-5-51 и IEC 60721.

132.6. Площади поперечного сечения проводников

Площади поперечного сечения проводников следует определять как для нормальных условий, так и для условий повреждений исходя из:

a) допустимой максимальной температуры проводников;

b) допустимого падения напряжения в проводниках;

c) электромеханических нагрузок, которые могут вызывать в проводниках токи замыкания на землю и токи короткого замыкания;

d) других механических нагрузок, которым могут подвергаться проводники;

e) максимального полного сопротивления проводников, которое связано с функционированием защиты от токов замыкания на землю и токов короткого замыкания;

f) методов монтажа проводников.

Примечание. Перечисленные выше условия главным образом относятся к безопасности электрических установок. Площади поперечного сечения проводников , чем требуется для обеспечения безопасности, могут быть выбраны, исходя из условий экономичности.

132.7. Тип электропроводки и способы монтажа

При выборе типа электропроводки и способов ее монтажа необходимо учитывать:

- характер помещения, в том числе, по условиям электро-, пожаро- и взрывобезопасности;

- материал стен и других частей здания, на которых монтируют электропроводку;

- доступность электропроводки для людей и домашних животных;

- диапазоны напряжения;

- электромеханические нагрузки в проводниках, которые могут вызывать токи замыкания на землю и токи короткого замыкания;

- электромагнитные помехи;

- прочие нагрузки, которым может подвергаться электропроводка при монтаже или эксплуатации электрических установок.

132.8. Защитное оборудование

Характеристики защитного оборудования следует определять исходя из выполняемых им функций, которые могут предусматривать защиту от:

- сверхтока (тока перегрузки, тока короткого замыкания);

- тока замыкания на землю;

- перенапряжения;

- понижения напряжения или отсутствия напряжения;

- электрической дуги.

Защитные устройства должны срабатывать при значениях электрического тока, напряжения и времени, которые зависят от характеристик электрических цепей и вероятности опасности.

132.9. Аварийное управление (отключение в аварийных условиях)

Если в случае опасности возникает необходимость немедленного отключения питания, то предусматривают отключающее устройство, которое должно быть установлено таким образом, чтобы его можно было легко распознать и быстро и эффективно привести в действие.

132.10. Устройства разъединения

Для выполнения коммутации и (или) разъединения электрической установки, электрических цепей или отдельных элементов аппаратуры, осуществляемых при эксплуатации, обследовании, отыскании повреждений, испытании, техническом обслуживании и ремонте, должны быть предусмотрены устройства разъединения.

132.11. Предотвращение взаимного вредного влияния

Монтаж электрических установок должен быть выполнен таким образом, чтобы избежать возможного вредного влияния между электрическими установками и неэлектрическими установками.

132.12. Доступность электрического оборудования

Электрическое оборудование следует устанавливать таким образом, чтобы, в случае необходимости, обеспечить:

- достаточное пространство для начальной установки и последующей замены отдельных элементов электрического оборудования;

- доступность для его приведения в действие, обследования, отыскания повреждений, испытания, технического обслуживания и ремонта.

132.13. Документация на электрическую установку

Каждая электрическая установка должна быть снабжена соответствующей проектной, исполнительной и эксплуатационной документацией.

132.14. Требования пожаро- и взрывобезопасности

Электроустановки выполняют с учетом требований пожаро- и взрывобезопасности, исходя из значений показателей пожаро- и взрывоопасности веществ и материалов, применяемых в технологическом процессе или хранящихся в помещениях здания.

133. Выбор электрического оборудования

133.1. Общие положения

Все электрическое оборудование, применяемое в электрических установках, должно удовлетворять требованиям соответствующих межгосударственных стандартов. В случае отсутствия межгосударственных стандартов требования к применяемому электрооборудованию должны удовлетворять требованиям соответствующих международных стандартов и быть согласованы между проектной организацией и организацией - заказчиком строительного объекта.

133.2. Характеристики

Применяемое электрическое оборудование должно иметь соответствующие характеристики, исходя из конкретных значений и условий, на основании которых выполнено проектирование электрической установки (см. раздел 132), и должно, в частности, отвечать следующим требованиям.

133.2.1. Напряжение

Электрическое оборудование следует выбирать с учетом максимального установившегося напряжения (среднее квадратичное значение для переменного тока), а также вероятных перенапряжений.

Примечание. Для некоторого электрооборудования иногда необходимо учитывать наименьшее напряжение, которое может быть в месте его установки.

133.2.2. Электрический ток

Все электрическое оборудование следует выбирать с учетом максимального установившегося тока (среднее квадратичное значение для переменного тока), который оно может проводить при нормальном режиме, а также с учетом вероятного тока при аварийном режиме и продолжительности протекания этого тока (например, времени срабатывания защитных устройств, если таковые имеются).

133.2.3. Частота

Если частота влияет на характеристики электрического оборудования, то номинальная частота электрооборудования должна соответствовать возможной частоте электрической цепи.

133.2.4. Коэффициент нагрузки

Все электрическое оборудование, выбираемое на основании характеристик мощности, должно соответствовать режиму, требуемому от этого оборудования, с учетом коэффициента нагрузки при расчетных условиях эксплуатации.

133.3. Условия монтажа

Все электрическое оборудование следует выбирать таким образом, чтобы оно могло надежно выдерживать механические нагрузки и условия окружающей среды (см. 132.5), характерные для места его установки или которым оно может подвергаться. Если какое-то электрооборудование не обладает, исходя из его конструкции, свойствами, соответствующими месту его установки, то его можно применять при условии наличия соответствующей дополнительной защиты, являющейся частью всей электрической установки.

133.4. Предотвращение опасных воздействий

Все электрическое оборудование следует выбирать таким образом, чтобы оно не оказывало опасных воздействий на прочее оборудование и питание при нормальном функционировании, включая коммутационные переключения. При этом необходимо учитывать следующие характеристики:

- коэффициент мощности;

- пусковой ток;

- несимметричную нагрузку;

- гармоники;

- кратковременные перенапряжения, генерируемые электрооборудованием, находящемся в составе электроустановки.

Электрооборудование без средств пожаро- и взрывозащиты не допускается использовать во взрывоопасных, взрывопожароопасных и пожароопасных помещениях зданий, сооружений и строений, не имеющих дополнительных мер защиты, направленных на исключение опасности появления источника зажигания во взрывоопасной и горючей среде.

134. Монтаж и проверка электрических установок

134.1. Монтаж

134.1.1. Монтаж электрической установки должны выполнять лица, имеющие соответствующую квалификацию, из электрооборудования и материалов, соответствующих требованиям нормативных документов. Монтаж электрического оборудования должен осуществляться в соответствии с инструкциями изготовителя этого электрооборудования.

134.1.2. Характеристики электрического оборудования, устанавливаемые в соответствии с разделом 133, не должны ухудшаться в процессе монтажа.

134.1.3. Проводники должны быть идентифицированы в соответствии с требованиями IEC 60445. При необходимости зажимы для подсоединения оборудования должны быть идентифицированы в соответствии с требованиями IEC 60445.

134.1.4. Соединения между проводниками, а также между проводниками и другим электрическим оборудованием следует выполнять таким образом, чтобы обеспечить безопасные и надежные электрические контакты.

134.1.5. Монтаж всего электрического оборудования должен быть осуществлен таким образом, чтобы были обеспечены проектные условия охлаждения.

134.1.6. Электрическое оборудование, работа которого сопровождается возникновением высоких температур или появлением электрической дуги, должно быть установлено или защищено таким образом, чтобы исключить опасность воспламенения горючих материалов. Если температура любых доступных частей электрического оборудования может быть причиной травмирования людей и домашних животных, эти части должны быть расположены или защищены так, чтобы предотвратить случайный контакт с ними.

134.1.7. Если необходимо с точки зрения безопасности, должны быть предусмотрены соответствующие предупредительные знаки и (или) надписи.

134.1.8. Если монтаж электроустановки осуществляют с использованием новых материалов, изобретений или методов, приводящих к отклонению от требований комплекса стандартов IEC 60364, окончательная степень безопасности электроустановки должна быть не ниже той, которая достигается за счет выполнения требований комплекса стандартов IEC К 60364.

134.1.9. В случае внесения дополнений или изменений в существующую электроустановку следует определить, соответствуют ли номинальные характеристики и состояние существующего электрооборудования дополнительным нагрузкам или изменившимся условиям. Кроме того, должно быть выполнено заземление и уравнивание потенциалов, если это необходимо для защитной меры, применяемой для обеспечения безопасности во внесенных дополнениях или изменениях в существующую электроустановку.

134.2. Первичная проверка

Электрические установки должны быть проверены и испытаны в соответствии с IEC 60364-6 [1] перед вводом в эксплуатацию и после внесения любого существенного изменения, чтобы подтвердить соответствие выполненных работ требованиям соответствующих стандартов комплекса стандартов IEC 60364.

134.3. Периодическая проверка

Каждую действующую электрическую установку рекомендуется подвергать периодическим проверкам в соответствии с IEC 60364-6 [1].

20. Термины и определения

В настоящем стандарте применены следующие термины с соответствующими определениями.

Примечание. Пояснения к некоторым терминам из стандарта IEC 60050-826, содержащиеся в приложении B настоящего стандарта, приведены в примечаниях к соответствующим терминам с указанием в квадратных скобках пунктов приложения B стандарта IEC 60364-1, из которых они были заимствованы.

20.1. Аварийный режим электроустановки: режим функционирования электроустановки в условиях единичного или множественных повреждений.

Примечание. В аварийном режиме электроустановки могут быть единичное или множественные повреждения средств защиты от поражения электрическим током, увеличивающие вероятность поражения людей и домашних животных электрическим током.

20.2. Ввод в электрическую установку: точка, в которой электрическую энергию вводят в электрическую установку.

[МЭС 826-10-02]

Примечание. Электрическая установка может иметь несколько вводов.

20.3. Время переключения: промежуток времени от момента прекращения питания от основного источника питания до момента подключения электрической установки или ее части к резервному источнику питания.

20.4. Выравнивание потенциалов: уравнивание потенциалов, выполняемое на поверхности земли или пола, по которой перемещаются люди и животные.

20.5. Главная заземляющая шина: шина, являющаяся частью заземляющего устройства электроустановки и предназначенная для электрического присоединения проводников к заземляющему устройству.

[МЭС 826-13-15, изм.]

20.6. Дифференциальный ток, : среднеквадратическое значение векторной суммы токов, протекающих через главную цепь устройства дифференциального тока.

[МЭС 442-05-19]

Примечание. Определение термина "дифференциальный ток" в МЭС 442-05-19 сформулировано для устройства дифференциального тока.

20.7. Дифференциальный ток: алгебраическая сумма значений электрических токов во всех проводниках, находящихся под напряжением, в одно и то же время в данной точке электрической цепи в электрической установке.

[МЭС 826-11-19]

Примечание. Определение термина "дифференциальный ток" в МЭС 826-11-19 сформулировано для электрической цепи. Через главную цепь устройства дифференциального тока, защищающего электрическую цепь, проходят все ее проводники, находящиеся под напряжением. Поэтому дифференциальный ток электрической цепи равен дифференциальному току, определяемому устройством дифференциального тока.

20.8. Дополнительное уравнивание потенциалов: защитное уравнивание потенциалов, предусматривающее выполнение дополнительного электрического соединения открытых проводящих частей со сторонними проводящими частями или открытых проводящих частей между собой.

20.9. Допустимый длительный ток: максимальное значение электрического тока, который проводник, устройство или аппарат способен проводить в продолжительном режиме без превышения его установившейся температуры определенного значения.

[МЭС 826-11-13]

Примечание. Этот ток обозначают .

20.10. Доступная часть: часть, к которой можно прикоснуться стандартным испытательным пальцем.

Примечание. Посредством стандартного испытательного пальца выполняют проверку возможности прикосновения человека пальцем к какой-либо части. Опасные части электрооборудования, находящиеся под напряжением, и его опасные механические части должны быть помещены в оболочку со степенью защиты, как минимум, IP2X, обеспечивающей защиту от прикосновения пальцем к опасным частям.

20.11. Заземление: выполнение электрического присоединения проводящих частей к локальной земле.

Примечание. Присоединение к локальной земле может быть:

- преднамеренным;

- непреднамеренным или случайным;

- постоянным или временным.

[МЭС 826-13-03, изм.]

20.12. Заземленный линейный проводник (LE): линейный проводник, имеющий электрическое присоединение к локальной земле.

20.13. Заземлитель: проводящая часть или совокупность электрически соединенных между собой проводящих частей, находящихся в электрическом контакте с локальной землей непосредственно или через промежуточную проводящую среду.

[МЭС 826-13-05, изм.]

20.14. Заземляющее устройство: совокупность заземлителя, заземляющих проводников и главной заземляющей шины.

20.15. Заземляющий проводник: защитный проводник, соединяющий заземлитель с главной заземляющей шиной.

[МЭС 826-13-12, изм.]

Примечание. Неизолированные части заземляющих проводников, которые находятся в земле, рассматривают в качестве части заземлителя.

20.16. Замыкание на землю: возникновение случайного проводящего пути между частью, находящейся под напряжением, и Землей или открытой проводящей частью, или сторонней проводящей частью, или защитным проводником.

Примечания.

1. Проводящий путь может проходить через поврежденную изоляцию, через конструкции (например, колонны, леса, краны, лестницы) или через растения (например, деревья, кусты) и может иметь значительное полное сопротивление.

2. Проводящий путь между проводником, который по эксплуатационным причинам может быть не заземлен, и Землей также рассматривают как замыкание на землю.

[МЭС 826-14-13, изм.]

20.17. Защита при повреждении: защита от поражения электрическим током при единичном повреждении.

[МЭС 826-12-06]

20.18. Защита от поражения электрическим током: выполнение мер, понижающих риск поражения электрическим током.

[МЭС 826-12-02]

20.19. Защитная мера предосторожности: элемент меры защиты.

20.20. Защитное заземление: заземление, выполняемое с целью обеспечения электрической безопасности.

[МЭС 826-13-09, изм.]

20.21. Защитное уравнивание потенциалов: уравнивание потенциалов, выполняемое с целью обеспечения электрической безопасности.

[МЭС 826-13-20]

20.22. Защитный заземляющий проводник: защитный проводник, предназначенный для выполнения защитного заземления.

[МЭС 826-13-23, изм.]

20.23. Защитный проводник (PE): проводник, предназначенный для целей электрической безопасности, например, для защиты от поражения электрическим током.

Примечание. В электрических установках буквенную идентификацию "PE" также применяют для обозначения защитного заземляющего проводника.

[МЭС 826-13-22]

20.24. Защитный проводник уравнивания потенциалов: защитный проводник, предназначенный для выполнения защитного уравнивания потенциалов.

20.25. Зона досягаемости рукой: зона доступного прикосновения, простирающаяся от любой точки поверхности, на которой обычно находится или по которой передвигается человек, до границы, которую он может достать рукой в любом направлении без использования вспомогательных средств.

[МЭС 826-12-19, изм.]

Примечание. Это пространство условно ограничено, как приведено на рисунке 20.1.

S - поверхность, на которой может находиться человек

Рисунок 20.1. Зона досягаемости рукой

20.26. Источник питания: электрическое оборудование, предназначенное для производства, аккумулирования электрической энергии или изменения ее характеристик.

20.27. Короткое замыкание: случайный или преднамеренно созданный проводящий путь между двумя или более проводящими частями, вызывающий уменьшение разности электрических потенциалов между этими проводящими частями до нуля или значения, близкого к нулю.

[МЭС 826-14-10]

20.28. Коэффициент нагрузки: отношение, выраженное как числовое значение или как процент потребления в пределах определенного периода (года, месяца, дня, и т.д.), к потреблению, которое следовало бы из непрерывного использования максимума или другой определенной нагрузки, имеющей место в пределах того же самого периода.

Примечание 1. Этот термин не следует применять без определения нагрузки и периода, к которому он имеет отношение.

Примечание 2. Коэффициент конкретной нагрузки также равен отношению времени потребления ко времени в часах в пределах того же самого периода.

[МЭС 691-10-02] [9]

20.29. Линейный проводник (L): проводник, находящийся под напряжением при нормальных условиях и используемый для передачи электрической энергии, но не нейтральный проводник или средний проводник.

[МЭС 826-14-09, изм.]

20.30. (Локальная) земля: часть Земли, находящаяся в электрическом контакте с заземлителем, электрический потенциал которой не обязательно равен нулю.

[МЭС 826-13-02]

Примечание. Вблизи заземлителя потенциал Земли может быть не равен нулю.

20.31. Мера защиты: мера, предназначенная для уменьшения риска поражения электрическим током.

20.32. Местное уравнивание потенциалов: защитное уравнивание потенциалов, предусматривающее выполнение электрического соединения открытых проводящих частей со сторонними проводящими частями, которое не имеет электрического соединения с землей.

20.33. Нейтраль: общая часть многофазной системы переменного тока, соединенной звездой, находящаяся под напряжением, или средняя часть однофазной системы переменного тока, находящаяся под напряжением.

[МЭС 826-14-05, изм.]

20.34. Нейтральный проводник (N): проводник, электрически присоединенный к нейтрали и используемый для передачи электрической энергии.

[МЭС 826-14-07, изм.]

Примечание. В некоторых случаях и при определенных условиях функции нейтрального проводника и защитного проводника могут быть объединены в одном PEN-проводнике.

20.35. Низкое напряжение: напряжение, не превышающее 1000 В переменного тока и 1500 В постоянного тока.

20.36. Номинальное напряжение (электрической установки): значение напряжения, которым обозначают и идентифицируют электрическую установку или часть электрической установки.

[МЭС 826-11-01]

Примечание. Переходные напряжения, вызванные, например, коммутационными переключениями, и временные колебания напряжения из-за ненормальных условий, таких как повреждения в системе питания, не учитываются.

20.37. Нормальные условия: условия, при которых все средства защиты являются неповрежденными.

20.38. Нормальный режим электроустановки: режим функционирования электроустановки в нормальных условиях.

Примечание. В нормальном режиме электроустановки все средства защиты от поражения электрическим током находятся в неповрежденном состоянии, обеспечивая надлежащую защиту от поражения электрическим током.

20.39. Обычное лицо: лицо, не являющееся ни квалифицированным, ни инструктированным лицом.

[МЭС 826-18-03]

20.40. Основная изоляция: изоляция частей, находящихся под напряжением, которая обеспечивает основную защиту.

[МЭС 826-12-14, изм.]

20.41. Основная защита: защита от поражения электрическим током при нормальных условиях.

[МЭС 826-12-05, изм.]

20.42. Основное уравнивание потенциалов: защитное уравнивание потенциалов, предусматривающее выполнение электрического присоединения сторонних проводящих частей и главного защитного проводника к главной заземляющей шине.

20.43. Открытая проводящая часть: доступная прикосновению проводящая часть электрооборудования, которая при нормальных условиях не находится под напряжением, но может оказаться под напряжением при повреждении основной изоляции.

[МЭС 826-12-10, изм.]

20.44. Перегрузка: условия функционирования электрически не поврежденной цепи, которые вызывают сверхток.

[МЭС 441-11-08]

20.45. Передвижное электрооборудование: электрическое оборудование, которое перемещают во время его функционирования или которое может быть легко перемещено из одного места в другое в то время, когда оно подключено к источнику питания.

[МЭС 826-16-04]

20.46. Переносное электрооборудование: электрическое оборудование, предназначенное для удержания руками во время его нормального применения.

[МЭС 826-16-05]

Примечание. Переносное электрооборудование подразумевает электрооборудование, функционирование которого рассчитано на постоянную поддержку или управление руками.

20.47. Полюсный проводник (L): линейный проводник, используемый в электрической цепи постоянного тока.

20.48. Поражение электрическим током: патофизиологическое воздействие, оказываемое электрическим током, протекающим через тело человека или животного.

[МЭС 826-12-01, изм.]

20.49. Проводник: проводящая часть, предназначенная для проведения электрического тока определенного значения.

[МЭС 826-14-06]

20.50. Проводник, находящийся под напряжением: проводник, предназначенный находиться под напряжением при нормальных условиях.

Примечание 1. К проводникам, находящимся под напряжением, относят линейный проводник (L), нейтральный проводник (N) и средний проводник (M). PEN-проводник, PEM-проводник, PEL-проводник и защитный проводник (PE) не являются проводниками, находящимися под напряжением.

Примечание 2. В нормативных документах наряду с термином "проводник, находящийся под напряжением" применяют термин "токоведущий проводник".

20.51. Проводящая часть: часть, способная проводить электрический ток.

[МЭС 826-12-09]

20.52. Разъединение: отделение всей электрической установки или ее обособленной части от любого источника электрической энергии, выполняемое с целью обеспечения электрической безопасности.

[МЭС 826-17-01, изм.]

Примечание. Функция разъединения состоит в том, чтобы обеспечить безопасность персонала при выполнении работ по ремонту, определению места повреждения или замене электрооборудования.

20.53. Распределительная электрическая сеть: низковольтная электрическая сеть, состоящая из источника питания и линии электропередачи и предназначенная для питания электроэнергией электроустановок зданий и других низковольтных электроустановок.

20.54. Расчетный ток (электрической цепи): электрический ток, предназначенный для протекания в электрической цепи при нормальных условиях функционирования.

[МЭС 826-11-10]

Примечание. Расчетный ток определяют с учетом разновременности включения потребителей. Если условия являются переменными, в качестве расчетного тока принимают непрерывный ток, который привел бы компоненты электрической цепи к той же самой температуре. Этот ток обозначают .

20.55. Резервная система электрического питания: система питания, предназначенная для поддержания функционирования электрической установки или ее частей, или части в случае перерыва нормального питания, но в иных целях, чем безопасность.

[МЭС 826-10-07]

Примечание. Системы резервного питания необходимы, например, для того, чтобы избежать прерывания непрерывных производственных процессов или обработки данных.

20.56. Резервный электрический источник питания: электрический источник питания, предназначенный для поддержания питания электрической установки или ее частей, или части в случае перерыва нормального питания, но в иных целях, чем безопасность.

[МЭС 826-10-08]

20.57. Сверхнизкое напряжение (СНН): напряжение, не превышающее 50 В переменного тока и 120 В постоянного тока.

20.58. Сверхток: электрический ток, превышающий номинальный электрический ток.

Примечание. Для проводников номинальный ток считают равным допустимому длительному току.

[МЭС 826-11-14]

Примечание. Сверхток может оказывать или не оказывать вредные воздействия в зависимости от его значения и продолжительности. Сверхтоки могут возникать в результате перегрузок в электроприемниках или при повреждениях, таких как короткие замыкания или замыкания на землю.

20.59. Система безопасного сверхнизкого напряжения (система БСНН): электрическая система, в которой напряжение не может превышать сверхнизкое напряжение:

- при нормальных условиях;

- при условиях единичного повреждения, включая замыкания на землю в других электрических цепях.

[IEC 61140, пункт 3.26.1] [2]

20.60. Система дополнительного уравнивания потенциалов: система защитного уравнивания потенциалов, обеспечивающая дополнительное уравнивание потенциалов.

20.61. Система защитного сверхнизкого напряжения (система ЗСНН): электрическая система, в которой напряжение не может превышать сверхнизкое напряжение:

- при нормальных условиях;

- при условиях единичного повреждения, исключая замыкания на землю в других электрических цепях.

[IEC 61140, пункт 3.26.2] [2]

20.62. Система защитного уравнивания потенциалов: система уравнивания потенциалов, обеспечивающая защитное уравнивание потенциалов.

[МЭС 826-13-31]

20.63. Система местного уравнивания потенциалов: система защитного уравнивания потенциалов, обеспечивающая местное уравнивание потенциалов.

20.64. Система основного уравнивания потенциалов: система защитного уравнивания потенциалов, обеспечивающая основное уравнивание потенциалов.

20.65. Система распределения электроэнергии: низковольтная электрическая система, состоящая из распределительной электрической сети и электроустановки.

Примечание 1. Система распределения электроэнергии как правило включает в себя электроустановку здания, которая подключена к низковольтной распределительной электрической сети, состоящей из понижающей трансформаторной подстанции и воздушной или кабельной линии электропередачи (см. рисунок 20.2).

Примечание 2. Система распределения электроэнергии наименьшего размера включает в себя источник питания и один электроприемник (см. рисунок 20.3).

1 - заземляющее устройство источника питания; 2 - заземляющее устройство электроустановки здания; ПС - трансформаторная подстанция; ВЛ - воздушная линия электропередачи; КЛ - кабельная линия электропередачи

Рисунок 20.2. Общий вид системы распределения электроэнергии

1 - заземляющее устройство источника питания

Рисунок 20.3. Система распределения электроэнергии наименьшего размера

20.66. Система уравнивания потенциалов: совокупность соединений проводящих частей, обеспечивающих уравнивание потенциалов между ними.

[МЭС 826-13-30]

20.67. Система функционального уравнивания потенциалов: система уравнивания потенциалов, обеспечивающая функциональное уравнивание потенциалов.

[МЭС 826-13-32]

20.68. Система электрического питания для систем безопасности: система питания, предназначенная для поддержания работы важнейших электрических установок и оборудования, необходимых:

- для обеспечения здоровья и безопасности людей и домашних животных;

- для предотвращения нанесения ущерба окружающей среде и другому оборудованию в соответствии с национальными правилами.

Примечание. Система питания включает в себя источник питания и электрические цепи вплоть до выводов электрического оборудования. В определенных случаях она может также включать в себя электрооборудование.

[МЭС 826-10-04]

Примечание. Наличие систем безопасности часто является законодательно установленным требованием для общественных зданий, высотных зданий и некоторых производственных зданий.

20.69. Совмещенный защитный заземляющий и линейный проводник (PEL-проводник, PEL): проводник, выполняющий функции защитного заземляющего и линейного проводников.

[МЭС 826-13-27, изм.]

20.70. Совмещенный защитный заземляющий и нейтральный проводник (PEN-проводник, PEN): проводник, выполняющий функции защитного заземляющего и нейтрального проводников.

[МЭС 826-13-25, изм.]

20.71. Совмещенный защитный заземляющий и средний проводник (PEM-проводник, PEM): проводник, выполняющий функции защитного заземляющего и среднего проводников.

[МЭС 826-13-26, изм.]

20.72. Средний проводник (M): проводник, электрически присоединенный к средней части электрической системы постоянного тока, находящейся под напряжением, и используемый для передачи электрической энергии.

[МЭС 826-14-08, изм.]

20.73. Стационарное электрооборудование: неподвижно установленное оборудование или электрическое оборудование, не снабженное рукояткой для его перемещения и имеющее массу, затрудняющую его перемещение.

[МЭС 826-16-06]

Примечание. Например, согласно стандартам МЭК масса 18 кг соответствует массе бытовых электроприборов.

20.74. Сторонняя проводящая часть: проводящая часть, которая не является частью электрической установки и в нормальных условиях находится под электрическим потенциалом локальной земли.

[МЭС 826-12-11, изм.]

Примечание. Сторонними проводящими частями могут быть:

- металлические части конструкции здания;

- металлические трубопроводные системы для газа, воды, отопления и т.д.;

- неизолирующие полы и стены.

20.75. Тип заземления системы: комплексная характеристика системы распределения электроэнергии, устанавливающая наличие или отсутствие заземления частей источника питания, находящихся под напряжением, наличие заземления открытых проводящих частей электроустановки или электрооборудования, наличие и способ выполнения электрического соединения между заземленными частями источника питания, находящимися под напряжением, и указанными открытыми проводящими частями.

Примечание. Термин "тип заземления системы" устанавливает специальные требования ко всем элементам, входящим в состав системы распределения электроэнергии. Для составных частей распределительной электрической сети рассматриваемая характеристика устанавливает следующие требования:

- к источнику питания - наличие или отсутствие заземления его частей, находящихся под напряжением. Если источник питания имеет заземленную часть, находящуюся под напряжением, то в распределительной электрической сети может быть выполнено дополнительное заземление проводников, которые имеют электрическое соединение с заземленной частью источника питания, находящейся под напряжением. Если источник питания имеет изолированные от земли части, находящиеся под напряжением, то проводники распределительной электрической сети, как правило, должны быть изолированы от земли или, как исключение, какой-то проводник может быть заземлен через большое полное сопротивление.

- к линии электропередачи - требования к устройству защитных, нейтральных, средних и заземленных линейных проводников.

Для электроустановок или электрооборудования этой характеристикой устанавливают требования к выполнению заземления открытых проводящих частей, а также к наличию или отсутствию электрического соединения последних с заземленной частью источника питания, находящейся под напряжением.

20.76. Температура окружающей среды: средняя температура воздуха или другой среды вблизи оборудования.

Примечание. В процессе измерения температуры окружающей среды измерительный прибор (зонд) должен быть экранирован от сквозняков и нагрева излучением.

[МЭС 826-10-03]

Примечание. Предполагают, что под температурой окружающей среды понимают воздействующие факторы со стороны всего другого оборудования, установленного в том же помещении. Температура окружающей среды, которую следует учитывать применительно к оборудованию, - это температура в том месте, где оно должно быть установлено, с учетом влияния другого оборудования и источников тепла в том же месте в процессе работы без учета тепла от устанавливаемого оборудования.

20.77. Токопроводящий проводник: проводник, по которому при нормальных условиях протекает электрический ток.

Примечание. К токопроводящим проводникам относят линейный проводник (L), нейтральный проводник (N), средний проводник (M), PEN-проводник, PEM-проводник и PEL-проводник. Защитный проводник (PE) не является токопроводящим проводником.

20.78. Ток замыкания на землю: электрический ток, протекающий в землю, открытые и сторонние проводящие части и защитный проводник при повреждении изоляции части, находящейся под напряжением.

[МЭС 442-01-23, изм.]

20.79. Ток защитного проводника: электрический ток, протекающий в защитном проводнике при нормальных условиях.

[МЭС 826-11-21, изм.]

Примечание 1. При нормальных условиях ток защитного проводника как правило равен суммарному току утечки электрооборудования класса I, открытые проводящие части которого присоединены к защитному проводнику.

Примечание 2. При замыкании на землю в защитном проводнике протекает ток замыкания на землю.

20.80. Ток короткого замыкания: сверхток в электрической цепи при коротком замыкании.

[МЭС 826-11-16, изм.]

20.81. Ток перегрузки: сверхток в электрической цепи при перегрузке.

20.82. Ток прикосновения: электрический ток, протекающий через тело человека и животного, когда они касаются одной или нескольких доступных частей электроустановки или электрооборудования при нормальных условиях.

20.83. Ток утечки: электрический ток, протекающий в землю, открытые, сторонние проводящие части и защитные проводники при нормальных условиях.

20.84. Уравнивание потенциалов: выполнение электрических соединений между проводящими частями для обеспечения эквипотенциальности.

[МЭС 826-13-19]

Примечание. Следует различать:

- (основное) защитное уравнивание потенциалов;

- дополнительное уравнивание потенциалов;

- незаземленное местное уравнивание потенциалов;

- функциональное уравнивание потенциалов.

20.85. Условный ток срабатывания (защитного устройства): определенное значение электрического тока, вызывающего срабатывание защитного устройства в течение определенного времени.

[МЭС 826-11-17]

Примечание. Условный ток срабатывания больше, чем номинальный ток или установленный ток устройства, а условное время изменяется в зависимости от типа и номинального тока защитного устройства. Для плавких предохранителей этот ток называют "условный ток плавления вставки". Для автоматических выключателей этот ток называют "условный ток срабатывания".

20.86. Устройство дифференциального тока (УДТ): контактное коммутационное устройство, предназначенное включать, проводить и отключать токи при нормальных условиях и автоматически отключать электрическую цепь, когда дифференциальный ток достигает заданного значения при определенных условиях.

Примечание. Устройство дифференциального тока может быть комбинацией различных отдельных элементов, предназначенных обнаруживать и оценивать дифференциальный ток, а также включать и отключать электрический ток.

[МЭС 442-05-02, изм.]

Примечание. В нормативных документах наряду с термином "устройство дифференциального тока" применяют термин "устройство защитного отключения".

20.87. Устройство защиты от сверхтока: устройство, предназначенное отключать электрическую цепь в случаях, когда электрические токи в ее проводниках превышают определенные значения в течение установленного времени.

[МЭС 826-14-14, изм.]

20.88. Условия единичного повреждения: условия, при которых имеется единичное повреждение какого-то средства защиты.

20.89. Части, доступные одновременному прикосновению: проводящие части, которых человек или животное могут коснуться одновременно.

[МЭС 826-12-12, изм.]

Примечание. С точки зрения основной защиты часть, находящаяся под напряжением, может быть одновременно доступной:

- с другой частью, находящейся под напряжением;

- с открытой проводящей частью;

- со сторонней проводящей частью;

- с защитным проводником;

- с землей или проводящим полом.

Следующие части могут образовывать одновременно доступные части с точки зрения защиты при повреждении:

- открытые проводящие части;

- сторонние проводящие части;

- защитные проводники;

- земля или проводящий пол.

Согласно определению МЭС 826-12-12 термин "прикосновение" означает любой контакт с любой частью тела (рукой, ногой, головой и т.д.).

20.90. Часть, находящаяся под напряжением: проводящая часть, предназначенная находиться под напряжением при нормальных условиях, включая нейтральный проводник и средний проводник, но, как правило, не PEN-проводник, PEM-проводник или PEL-проводник.

Примечание. Данное понятие необязательно подразумевает риск поражения электрическим током.

[МЭС 826-12-08, изм.]

Примечание. В нормативных документах наряду с термином "часть, находящаяся под напряжением" применяют термин "токоведущая часть".

20.91. Фазный проводник (L): линейный проводник, используемый в электрической цепи переменного тока.

20.92. Фиксированное электрооборудование: электрическое оборудование, прикрепленное к основанию или закрепленное иным способом в определенном месте.

[МЭС 826-16-07]

20.93. Функциональное заземление: заземление, выполняемое по условиям функционирования не в целях электрической безопасности.

[МЭС 826-13-10, изм.]

20.94. Функциональное уравнивание потенциалов: уравнивание потенциалов, выполняемое по условиям функционирования не в целях электрической безопасности.

[МЭС 826-13-21]

20.95. Эквипотенциальность: состояние, при котором проводящие части находятся под практически равными электрическими потенциалами.

[МЭС 826-13-18]

20.96. Электрическая безопасность: отсутствие недопустимого риска, обусловленного электрическим током.

[МЭС 903-01-19, изм.]

20.97. Электрическая установка (электроустановка): совокупность взаимосвязанного электрического оборудования, имеющего согласованные характеристики, предназначенная выполнять определенные цели.

[МЭС 826-10-01]

20.98. (Электрическая) цепь (электрической установки): совокупность электрического оборудования электрической установки, защищенная от сверхтоков одним и тем же защитным устройством (устройствами).

[МЭС 826-14-01]

Примечание. Электрическая цепь состоит из проводников, находящихся под напряжением, защитных проводников (при наличии), защитного устройства и соответствующей коммутационной аппаратуры, аппаратуры управления и вспомогательных устройств. Защитный проводник может быть общим для нескольких электрических цепей.

20.99. (Электрически) квалифицированный персонал: лица, имеющие соответствующее образование и опыт, позволяющие им оценивать риски и избегать опасностей, которые может создавать электричество.

[МЭС 826-18-01]

20.100. (Электрически) инструктированный персонал: лица, соответственно проинструктированные электротехнически квалифицированным персоналом или выполняющие работы под наблюдением квалифицированного персонала, что позволяет им оценивать риски и избегать опасности, которые может создавать электричество.

[МЭС 826-18-02]

20.101. Электрический источник питания для систем безопасности: электрический источник питания, предназначенный для использования в качестве части системы электрического питания для систем безопасности.

[МЭС 826-10-05]

20.102. Электрически независимый заземлитель: заземлитель, расположенный на таком расстоянии от других заземлителей, что электрические токи, протекающие между ними и Землей, не оказывают существенного влияния на электрический потенциал независимого заземлителя.

[МЭС 826-13-07, изм.]

20.103. Электрическое оборудование (электрооборудование): изделие, предназначенное для производства, передачи и изменения характеристик электрической энергии, а также для ее преобразования в энергию другого вида.

[МЭС 826-07-01, изм.]

20.104. Электроприемник: электрическое оборудование, предназначенное для преобразования электрической энергии в другой вид энергии.

[МЭС 826-16-02, изм.]

20.105. Электрооборудование класса 0: электрическое оборудование, в котором основную изоляцию используют в качестве меры предосторожности для основной защиты, а защита при повреждении не предусмотрена.

[IEC 61140, пункт 7.1, изм.] [2]

20.106. Электрооборудование класса I: электрическое оборудование, в котором основную изоляцию используют в качестве меры предосторожности для основной защиты, а присоединение открытой проводящей части к защитному проводнику - в качестве меры предосторожности для защиты при повреждении.

[IEC 61140, п. 7.2, изм.] [2]

20.107. Электрооборудование класса II: электрическое оборудование, в котором основную изоляцию используют в качестве меры предосторожности для основной защиты, а дополнительную изоляцию - в качестве меры предосторожности для защиты при повреждении, или в котором основную защиту и защиту при повреждении обеспечивают усиленной изоляцией.

[IEC 61140, пункт 7.3, изм.] [2]

20.108. Электрооборудование класса III: электрическое оборудование, в котором ограничение напряжения значением сверхнизкого напряжения используют в качестве меры предосторожности для основной защиты, а защита при повреждении не предусмотрена.

[IEC 61140, пункт. 7.4, изм.] [2]

20.109. Электроустановка здания: совокупность взаимосвязанного электрооборудования, установленного в здании и имеющего согласованные характеристики.

20.110. Эталонная земля: часть Земли, проводящая электрический ток и находящаяся вне зоны влияния какого-либо заземляющего устройства, электрический потенциал которой условно принят равным нулю.

Примечание. Понятие "Земля" означает планету со всеми ее физическими свойствами.

[МЭС 826-13-01]

30. Оценка общих характеристик

Электрические установки оценивают по следующим характеристикам:

- назначению электроустановки, ее структуре и источникам питания - по разделам 31, 35 и 36;

- внешним воздействиям, которым она будет подвергаться - по разделу 32;

- совместимости ее электрооборудования - по разделу 33;

- эксплуатационной надежности - по разделу 34.

Эти характеристики следует учитывать при выборе методов защиты с целью обеспечения:

- безопасности в соответствии с требованиями IEC 60364-4-41, IEC 60364-4-42, IEC 60364-4-43, IEC 60364-4-44;

- при выборе и монтаже электрооборудования в соответствии с требованиями IEC 60364-5-51, IEC 60364-5-52, IEC 60364-5-53, IEC 60364-5-54, IEC 60364-5-55, IEC 60364-5-56;

- учету требований к специальным электроустановкам или местам их расположения в соответствии с IEC 60364-7-701 [3], IEC 60364-7-702 [4], IEC 60364-7-703 [5], IEC 60364-7-704 [6], IEC 60364-7-705 [7], IEC 60364-7-706 [8], IEC 60364-7-708 [9], IEC 60364-7-709 [10], IEC 60364-7-710 [11], IEC 60364-7-711 [12], IEC 60364-7-712 [13], IEC 60364-7-713 [14], IEC 60364-7-714 [15], IEC 60364-7-715 [16], IEC 60364-7-717 [17], IEC 60364-7-718 [18], IEC 60364-7-721 [19], IEC 60364-7-729 [20], IEC 60364-7-740 [21], IEC 60364-7-753 [22].

Примечание. Для электроустановок других типов, например, телекоммуникационных установок или электроустановок электронных систем для зданий и т.п., следует учитывать требования соответствующих межгосударственных стандартов в соответствии с предназначением электроустановки. Для телекоммуникационных установок следует учитывать также требования стандартов Международного союза электросвязи.

31. Назначение, источники питания и структура

311. Максимальная нагрузка и разновременность

Для проектирования экономичных и надежных электроустановок в диапазонах допустимых температур и падения напряжения необходима оценка максимальной нагрузки. При определении максимальной нагрузки электроустановки или ее части рекомендуется учитывать разновременность подключения нагрузок.

312. Устройство проводников и заземление системы

Примечание. Под устройством проводников в настоящем стандарте понимают комбинации токопроводящих проводников, которые применяют в электрических системах, сетях, установках и цепях.

Необходимо оценить следующие характеристики:

- устройство токопроводящих проводников при нормальных условиях функционирования;

- типы заземления системы.

312.1. Токопроводящие проводники в соответствии с родом электрического тока

Примечание. Приведенные примеры характеризуют наиболее распространенные варианты устройства проводников в электрических цепях.

В настоящем стандарте рассматривают следующие варианты устройств токопроводящих проводников при нормальных условиях функционирования.

312.1.1. Токопроводящие проводники в цепях переменного тока

<*> Нумерация проводников является произвольной.

Примечание. В однофазной двухпроводной электрической цепи может быть еще один вариант устройства проводников - фазный проводник и PEL-проводник.

Рисунок 1. Однофазная двухпроводная электрическая цепь

Фазовый угол - 0°

<*> Нумерация проводников является произвольной.

Примечание. В однофазной трехпроводной электрической цепи может быть еще один вариант устройства проводников - два фазных проводника и PEN-проводник (см. рисунок 31B3 настоящего стандарта).

Рисунок 2. Однофазная трехпроводная электрическая цепь

<*> Нумерация проводников является произвольной.

Примечание. В двухфазной трехпроводной электрической цепи может быть еще один вариант устройства проводников - два фазных проводника и PEN-проводник.

Рисунок 3. Двухфазные трехпроводные электрические цепи

Примечание. В трехфазной трехпроводной электрической цепи может быть еще один вариант устройства проводников - два фазных проводника и PEL-проводник.

Рисунок 4. Трехфазные трехпроводные электрические цепи

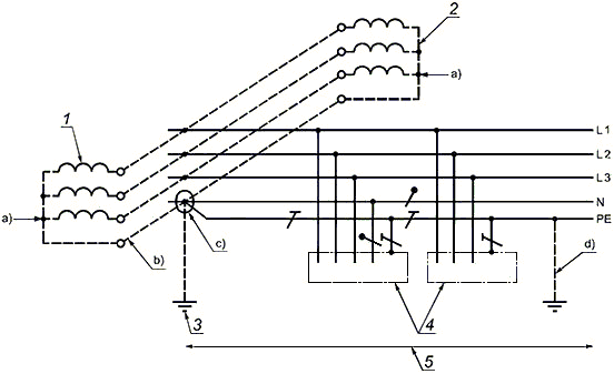
Рисунок 5. Трехфазная четырехпроводная электрическая цепь

Трехфазная четырехпроводная электрическая цепь с нейтральным проводником или PEN-проводником. По определению PEN-проводник не является проводником, находящимся под напряжением, но является проводником, проводящим рабочий ток.

Примечание 1. В случае однофазной двухпроводной электрической цепи, которая является ответвлением от трехфазной четырехпроводной электрической цепи, два проводника представляют собой или два фазных проводника, или фазный проводник и нейтральный проводник, или фазный проводник и PEN-проводник.

Примечание 2. В электроустановках, в которых нагрузки включены между фазами, может отсутствовать необходимость в нейтральном проводнике.

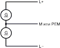
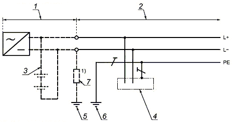
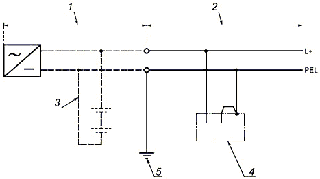
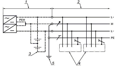
312.1.2. Токопроводящие проводники в цепях постоянного тока

Рисунок 6. Двухпроводная электрическая цепь

Рисунок 7. Трехпроводная электрическая цепь

Примечание. PEL- и PEM-проводники не являются проводниками, находящимися под напряжением, несмотря на то, что они проводят рабочий ток. Поэтому используют названия "двухпроводная цепь" и "трехпроводная цепь".

312.2. Типы заземления системы

В настоящем стандарте рассматривают следующие типы заземления систем для электрических систем переменного и постоянного тока.

Примечания.

1. На рисунках 31A1 - 31B2 и 31C - 31G2 приведены примеры наиболее широко используемых трехфазных систем переменного тока. На рисунке 31B3 приведен пример однофазной системы переменного тока. На рисунках 31H - 31M приведены примеры используемых систем постоянного тока.

2. Пунктирными линиями обозначены части электрической системы, которые не охвачены областью распространения настоящего стандарта, сплошными линиями обозначены части, входящие в область действия стандарта.

3. В частных электрических системах источник питания и (или) распределительную электрическую сеть можно рассматривать в качестве части электроустановки, как это предусмотрено настоящим стандартом. В этом случае рисунки можно полностью показать сплошными линиями.

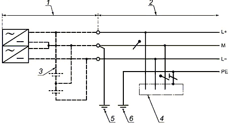
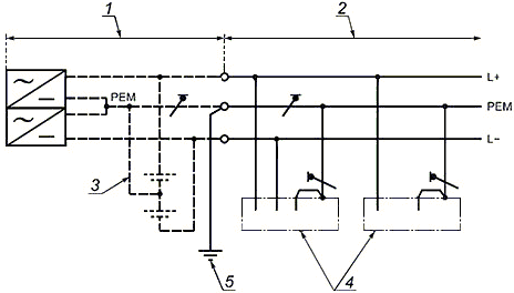
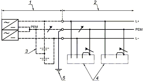
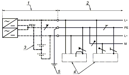
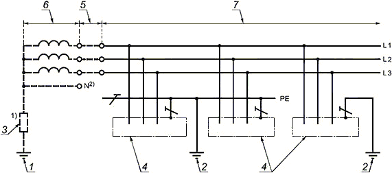
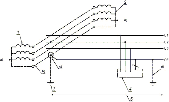
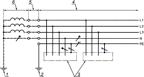
Буквенные обозначения, используемые в обозначениях типов заземления системы, имеют следующий смысл.

Первая буква устанавливает наличие или отсутствие заземления частей источника питания, находящихся под напряжением:

T - одна из частей источника питания, находящихся под напряжением, заземлена.

Примечание. В распределительной электрической сети, если она есть, может быть выполнено дополнительное заземление PEN-, PEM-, PEL-проводников и защитного проводника (PE).

I - все части источника питания, находящиеся под напряжением, изолированы от земли или одна из частей, находящихся под напряжением, заземлена через большое полное сопротивление.

Примечание. Проводники распределительной электрической сети, если она есть, как правило, должны быть изолированы от земли.

Вторая буква указывает на заземление открытых проводящих частей электроустановки или на наличие электрического соединения между открытыми проводящими частями и заземленной частью источника питания, находящейся под напряжением:

T - открытые проводящие части заземлены независимо от наличия или отсутствия заземления какой-либо части источника питания, находящейся под напряжением;

N - открытые проводящие части имеют непосредственное соединение с заземленной частью источника питания, находящейся под напряжением, выполненное с помощью PEN-, PEM-, PEL-проводников или защитных проводников (PE).

Следующие за N буквы определяют, как в системе распределения электроэнергии осуществляют электрическое соединение между заземленной частью источника питания, находящейся под напряжением, и открытыми проводящими частями электроустановки, а также устанавливают особенности устройства проводников, которые в системе распределения электроэнергии выполняют функции защитных проводников (PE) и нейтральных (N), средних (M) или заземленных линейных проводников (LE):

C - во всей системе распределения электроэнергии указанное соединение обеспечивают с помощью PEN-, PEM- или PEL-проводников. Функции защитного проводника и нейтрального, среднего или заземленного линейного проводника обеспечивают во всей системе распределения электроэнергии общим проводником соответственно - PEN-, PEM- или PEL-проводником;

S - во всей системе распределения электроэнергии указанное соединение выполняют с помощью защитных проводников (PE). Функции защитного проводника и нейтрального, среднего или заземленного линейного проводника обеспечивают во всей системе распределения электроэнергии раздельными проводниками - защитным проводником и нейтральным, средним или заземленным линейным проводником;

C-S - в головной части системы распределения электроэнергии (от источника питания) указанное соединение осуществляют с помощью PEN-, PEM- или PEL-проводников, а в остальной части системы - с помощью защитных проводников (PE). В головной части системы распределения электроэнергии функции защитного проводника и нейтрального, среднего или заземленного линейного проводника возлагают соответственно на PEN-, PEM- или PEL-проводник, а в остальной части системы применяют раздельные проводники - защитный проводник и нейтральный, средний или заземленный линейный проводник.

Символы, приведенные на рисунках 31A1 - 31M:

- нейтральный проводник (N), средний проводник (M);

- защитный проводник (PE);

- совмещенный защитный заземляющий и нейтральный проводник (PEN), совмещенный защитный заземляющий и средний проводник (PEM).

312.2.1. Системы TN переменного тока

312.2.1.1. Системы с одним источником питания

Системы питания при типах заземления системы TN имеют одну часть источника питания, находящуюся под напряжением, непосредственно заземленную. Открытые проводящие части электроустановки присоединены к этой части, находящейся под напряжением, посредством защитных проводников. В зависимости от устройства нейтрального или заземленного фазного и защитного проводников различают три типа системы TN:

- система TN-S (система распределения электроэнергии, имеющая тип заземления системы TN-S), в которой во всей системе используют отдельный защитный проводник (см. рисунки 31A1, 31A2 и 31A3);

1 - заземление источника питания; 2 - заземление распределительной электрической сети; 3 - открытые проводящие части; 4 - электроустановка; 5 - распределительная электрическая сеть (при наличии); 6 - источник питания

Примечание. В распределительной электрической сети и в электроустановке допускается дополнительное заземление защитного проводника (PE).

Рисунок 31A1. Система TN-S трехфазная четырехпроводная с разделенными нейтральным проводником и защитным проводником во всей системе

1 - заземление источника питания; 2 - открытая проводящая часть; 3 - электроустановка; 4 - распределительная электрическая сеть (при ее наличии); 5 - источник питания

Примечание. В распределительной электрической сети и в электроустановке допускается дополнительное заземление защитного проводника (PE).

Рисунок 31A2. Система TN-S трехфазная трехпроводная с разделенными заземленным фазным проводником и защитным проводником во всей системе

1 - заземление источника питания; 2 - заземление распределительной электрической сети; 3 - открытая проводящая часть; 4 - электроустановка; 5 - распределительная электрическая сеть (при наличии); 6 - источник питания

Примечание. В распределительной электрической сети и в электроустановке допускается дополнительное заземление защитного проводника (PE).

Рисунок 31A3. Система TN-S трехфазная трехпроводная с защитным проводником и без нейтрального проводника во всей системе

- система TN-C-S (система распределения электроэнергии, имеющая тип заземления системы TN-C-S), в которой в части системы применяют единый проводник, выполняющий функции нейтрального или заземленного фазного и защитного проводников (см. рисунки 31B1, 31B2 и 31B3). В электроустановках жилых и общественных зданий, торговых предприятий, медицинских учреждений запрещено применять PEN- и PEL-проводники. PEN- или PEL-проводник распределительной электрической сети должен быть разделен на нейтральный или заземленный фазный проводник и защитный проводник на вводе электроустановки (см. рисунки 31B2 и 31B3);

1 - заземление источника питания; 2 - заземление распределительной электрической сети; 3 - открытые проводящие части; 4 - электроустановка; 5 - распределительная электрическая сеть (при наличии); 6 - источник питания

Примечание 1. В электроустановке допускается дополнительное заземление PEN-проводника или защитного проводника (PE).

Примечание 2. В распределительной электрической сети допускается дополнительное заземление PEN-проводника.

Примечание 3. Функции нейтрального и защитного проводников объединены в одном проводнике в части системы.

Рисунок 31B1. Система TN-C-S трехфазная четырехпроводная, в которой PEN-проводник разделен на защитный проводник PE и нейтральный проводник N где-то в электроустановке

1 - заземление источника питания; 2 - ввод электроустановки; 3 - открытая проводящая часть; 4 - электроустановка; 5 - распределительная электрическая сеть (при наличии); 6 - источник питания

Примечание 1. В распределительной электрической сети допускается дополнительное заземление PEN-проводника, а в электроустановке -защитного проводника (PE).

Примечание 2. Функции нейтрального и защитного проводников объединены в одном проводнике в части системы.

Рисунок 31B2. Система TN-C-S трехфазная четырехпроводная, в которой PEN-проводник разделен на защитный проводник PE и нейтральный проводник N на вводе электроустановки

1 - заземление источника питания; 2 - ввод электроустановки; 3 - открытая проводящая часть; 4 - электроустановка; 5 - распределительная электрическая сеть (при ее наличии); 6 - источник питания

Примечание 1. В распределительной электрической сети допускается дополнительное заземление PEN-проводника, а в электроустановке - защитного проводника (PE).

Примечание 2. Функции нейтрального и защитного проводников объединены в одном проводнике в части системы.

Рисунок 31B3. Система TN-C-S однофазная двухпроводная, в которой PEN-проводник разделен на защитный проводник PE и нейтральный проводник N на вводе электроустановки

- система TN-C (система распределения электроэнергии, имеющая тип заземления системы TN-C), в которой во всей системе применяют единый проводник, выполняющий функции нейтрального или заземленного фазного и защитного проводников (см. рисунок 31C). Электроустановки жилых и общественных зданий, торговых предприятий, медицинских учреждений запрещено выполнять с типом заземления системы TN-C.

1 - заземление источника питания; 2 - заземление распределительной электрической сети; 3 - открытые проводящие части; 4 - электроустановка; 5 - распределительная электрическая сеть (при ее наличии); 6 - источник питания

Примечание. В распределительной электрической сети и в электроустановке допускается дополнительное заземление PEN-проводника.

Рисунок 31C. Система TN-C трехфазная четырехпроводная, в которой функции нейтрального и защитного проводников объединены в одном проводнике во всей системе

312.2.1.2. Системы с несколькими источниками питания

Примечание 1. Системы с несколькими источниками питания приведены для случая использования систем TN с единственной целью обеспечения электромагнитной совместимости (ЭМС). Системы с несколькими источниками питания не показаны для систем IT и TT, потому что эти системы обычно совместимы в отношении ЭМС.

Примечание 2. Система TT с несколькими источниками питания приведена в пункте 444.4.6.2 IEC 60364-4-44.

При неправильном схемном решении электроустановок, являющихся частями систем TN с несколькими источниками питания, часть рабочих токов может протекать по непредназначенным путям. Эти токи могут вызывать:

- пожар;

- коррозию;

- электромагнитные помехи.

Электрическая система, приведенная на рисунке 31D, является системой, в которой небольшая часть рабочих токов протекает по непредназначенным путям. В перечислениях a) - d) к рисунку 31D приведены основные правила проектирования электроустановки.

1 - источник питания 1; 2 - источник питания 2; 3 - заземление источника питания; 4 - открытые проводящие части; 5 - электроустановка

a) Не допускается прямое присоединение к земле нейтрали трансформатора или генератора, соединенного звездой.

b) Проводник для взаимного соединения нейтралей трансформаторов или генераторов, соединенных звездой, должен быть изолирован. Функция этого проводника аналогична функции PEN-проводника, однако его не следует присоединять к электроприемникам.

c) Должно быть предусмотрено только одно соединение между взаимно соединенными нейтралями источников питания и защитным проводником (PE). Это соединение должно быть выполнено внутри главного распределительного устройства.

d) В электроустановке допускается дополнительное заземление защитного проводника (PE).

Рисунок 31D. Система TN-S с несколькими источниками питания трехфазная четырехпроводная с разделенными защитным проводником и нейтральным проводником для электроприемников

Маркировка защитного проводника (PE) должна соответствовать требованиям IEC 60445.

Любое расширение системы должно проводиться с учетом обеспечения надежного функционирования защитных мер.

В промышленных электроустановках только с двухфазными и трехфазными нагрузками, подключенными между фазными проводниками, нет необходимости предусматривать нейтральный проводник (см. рисунок 31E). В этом случае защитный проводник должен иметь несколько присоединений к земле.

1 - источник питания 1; 2 - источник питания 2; 3 - заземление источника питания; 4 - открытая проводящая часть; 5 - электроустановка

a) Не допускается прямое присоединение к земле нейтрали трансформатора или генератора, соединенного звездой.

b) Проводник для взаимного соединения нейтралей трансформаторов или генераторов, соединенных звездой, должен быть изолирован. Функция этого проводника аналогична функции PEN-проводника, однако его не следует присоединять к электроприемникам.

c) Должно быть предусмотрено только одно соединение между взаимно соединенными нейтралями источников питания и защитным проводником (PE). Это соединение должно быть выполнено внутри главного распределительного устройства.

d) В электроустановке допускается дополнительное заземление защитного проводника (PE).

Рисунок 31E. Система TN-S с несколькими источниками питания трехфазная трехпроводная с защитным проводником и без нейтрального проводника во всей системе для двух- или трехфазной нагрузки

312.2.2. Система TT переменного тока (система распределения электроэнергии, имеющая тип заземления системы TT)

Система питания при типе заземления системы TT имеет одну часть источника питания, находящуюся под напряжением, непосредственно заземленную. Открытые проводящие части электроустановки заземлены посредством присоединения к заземляющему устройству, имеющему заземлитель, электрически независимый от заземлителя заземляющего устройства источника питания (см. рисунки 31F1 и 31F2).

1 - заземление источника питания; 2 - защитное заземление в электроустановке; 3 - открытые проводящие части; 4 - электроустановка; 5 - распределительная электрическая сеть (при ее наличии); 6 - источник питания

Примечание. В электроустановке допускается дополнительное заземление защитного проводника (PE).

Рисунок 31F1. Система TT трехфазная четырехпроводная с заземленным защитным проводником и нейтральным проводником во всей системе

1 - заземление источника питания; 2 - защитное заземление в электроустановке; 3 - открытая проводящая часть; 4 - электроустановка; 5 - распределительная электрическая сеть (при ее наличии); 6 - источник питания

Примечание. В электроустановке допускается дополнительное заземление защитного проводника (PE).

Рисунок 31F2. Система TT трехфазная трехпроводная с заземленным защитным проводником и без нейтрального проводника во всей системе

312.2.3. Система IT переменного тока (система распределения электроэнергии, имеющая тип заземления системы IT)

Система питания при типе заземления системы IT имеет все части, находящиеся под напряжением, изолированные от земли, или одну часть, находящуюся под напряжением, заземленную через полное сопротивление. Открытые проводящие части электрической установки заземлены отдельно или совместно, или через заземление системы в соответствии с требованиями пункта 411.6 IEC 60364-4-41 (см. рисунки 31G1 и 31G2).

1 - заземление источника питания; 2 - защитное заземление системы; 3 - полное сопротивление; 4 - открытые проводящие части; 5 - распределительная электрическая сеть (при ее наличии); 6 - источник питания; 7 - электроустановка; 8 - защитное заземление в электроустановке

<1> Система может быть присоединена к земле через большое полное сопротивление. Это присоединение может быть осуществлено, например, в нейтральной точке, искусственной нейтральной точке или в фазном проводнике.

<2> Нейтральный проводник может быть или может отсутствовать в системе.

Примечание 1. В электроустановке допускается дополнительное заземление защитного проводника (PE).

Примечание 2. Защитное заземление в электроустановке может быть предусмотрено или как альтернатива защитному заземлению системы, или в качестве дополнительной меры предосторожности. Нет необходимости, чтобы это заземление находилось на вводе в электроустановку.

Рисунок 31G1. Система IT трехфазная трехпроводная со всеми открытыми проводящими частями, соединенными защитным проводником и заземленными совместно

1 - заземление источника питания; 2 - защитное заземление в электроустановке; 3 - полное сопротивление; 4 - открытые проводящие части; 5 - распределительная электрическая сеть (при ее наличии); 6 - источник питания; 7 - электроустановка

<1> Система может быть присоединена к земле через большое полное сопротивление.

<2> Нейтральный проводник может быть или может отсутствовать в системе.

Примечание. В электроустановке допускается дополнительное заземление защитного проводника (PE).

Рисунок 31G2. Система IT трехфазная трехпроводная с открытыми проводящими частями, заземленными группами или по отдельности

312.2.4. Системы постоянного тока

Типы заземления системы для систем постоянного тока.

Если на приведенных рисунках 31H - 31M показано заземление конкретного полюса двухпроводной системы питания постоянного тока, решение о заземлении положительного или отрицательного полюса должно быть основано на определенных условиях работы электроустановки или других соображениях, связанных, например, с предотвращением коррозии линейных проводников и заземляющих устройств.

312.2.4.1. Система TN-S (система распределения электроэнергии, имеющая тип заземления системы TN-S)

Заземленный полюсный проводник, например L-, в двухпроводной системе типа a) или заземленный средний проводник M в трехпроводной системе типа b) отделены от защитного проводника во всей электроустановке.

Тип a)

Тип b)

1 - источник питания; 2 - электроустановка; 3 - аккумуляторная батарея, которая не является обязательной; 4 - открытые проводящие части; 5 - заземление системы

Примечание. В электроустановке допускается дополнительное заземление защитного проводника (PE).

Рисунок 31H. Системы TN-S постоянного тока

312.2.4.2. Система TN-C (система распределения электроэнергии, имеющая тип заземления системы TN-C)

Функции заземленного полюсного проводника, например L-, и защитного проводника в двухпроводной системе типа a) объединены в одном PEL-проводнике во всей электроустановке или функции заземленного среднего проводника M и защитного проводника в трехпроводной системе типа b) объединены в одном PEM-проводнике во всей электроустановке. Электроустановки жилых и общественных зданий, торговых предприятий, медицинских учреждений, а также части этих электроустановок запрещено выполнять с типом заземления системы TN-C.

Тип a)

Тип b)

1 - источник питания; 2 - электроустановка; 3 - аккумуляторная батарея, которая не является обязательной; 4 - открытые проводящие части; 5 - заземление системы

Примечание. В электроустановке допускается дополнительное заземление PEL-проводника или PEM-проводника.

Рисунок 31J. Системы TN-C постоянного тока

312.2.4.3. Система TN-C-S (система распределения электроэнергии, имеющая тип заземления системы TN-C-S)

Функции заземленного полюсного проводника, например L-, в двухпроводной системе типа a) и защитного проводника объединены в одном PEL-проводнике в части электроустановки или функции заземленного среднего проводника M в трехпроводной системе типа b) и защитного проводника объединены в одном PEM-проводнике в части электроустановки. В электроустановках жилых и общественных зданий, торговых предприятий, медицинских учреждений запрещено применять PEL- и PEM-проводники.

Тип a)

Тип b)

1 - источник питания; 2 - электроустановка; 3 - аккумуляторная батарея, которая не является обязательной; 4 - открытые проводящие части; 5 - заземление системы

Примечание. В электроустановке допускается дополнительное заземление защитного проводника (PE).

Рисунок 31K. Системы TN-C-S постоянного тока

312.2.4.4. Система TT (система распределения электроэнергии, имеющая тип заземления системы TT)

Одна часть источника питания, находящаяся под напряжением, заземлена. Открытые проводящие части электроустановки заземлены посредством присоединения к заземляющему устройству, имеющему заземлитель, электрически независимый от заземлителя заземляющего устройства источника питания.

Тип a) - двухпроводная система

Тип b) - трехпроводная система

1 - источник питания; 2 - электроустановка; 3 - аккумуляторная батарея, которая не является обязательной; 4 - открытые проводящие части; 5 - заземление системы; 6 - заземление открытых проводящих частей

Примечание. В электроустановке допускается дополнительное заземление защитного проводника (PE).

Рисунок 31L. Системы TT постоянного тока

312.2.4.5. Система IT (система распределения электроэнергии, имеющая тип заземления системы IT)

Все части источника питания, находящиеся под напряжением, изолированы от земли или одна его часть, находящаяся под напряжением, заземлена через полное сопротивление. Открытые проводящие части электроустановки заземлены.

Тип a) - двухпроводная система

Тип b) - трехпроводная система

1 - источник питания; 2 - электроустановка; 3 - аккумуляторная батарея, которая не является обязательной; 4 - открытые проводящие части; 5 - заземление системы; 6 - заземление открытых проводящих частей; 7 - полное сопротивление

<1> Система может быть присоединена к земле через большое полное сопротивление.

Примечание. В электроустановке допускается дополнительное заземление защитного проводника (PE).

Рисунок 31M. Системы IT постоянного тока

313. Источники питания

313.1. Общие положения

313.1.1. Приведенные ниже характеристики любого применяемого источника питания и обычный диапазон этих характеристик, если необходимо, должны быть определены путем расчета, измерения, сбора материала или проверки:

- номинальное(ые) напряжение(ия);

- род тока и его частота;

- ожидаемый ток короткого замыкания на вводе электроустановки;

- полное сопротивление петли замыкания на землю той части электрической системы, которая расположена снаружи электроустановки;

- соответствие требованиям, предъявляемым электроустановкой, включая обеспечение максимальной нагрузки;

- тип и номинальные характеристики устройства защиты от сверхтока, установленного на вводе электроустановки.

Эти характеристики следует оценивать как для внешнего, так и для внутреннего источников питания. Требования распространяются на основные источники питания, на источники питания систем безопасности и резервные источники питания.

313.2. Источники питания для систем безопасности и резервных систем

Если наличие систем безопасности, имеющих отношение к противопожарным мероприятиям и другим условиям аварийной эвакуации из зданий, требуется, например, органами управления и (или) если обеспечение резервного питания требуется административным лицом, устанавливающим технические требования к электроустановке, характеристики источников питания для систем безопасности и (или) резервных систем должны определяться для каждого в отдельности. Такие источники питания должны иметь соответствующую мощность, надежность, номинальные характеристики и соответствующее время переключения для работы указанного вида.

Дополнительные требования к источникам питания для систем безопасности приведены в разделе 35 настоящего стандарта и в IEC 60364-5-56. Для резервных систем настоящий стандарт никаких специальных требований не предусматривает.

314. Разделение электроустановки на электрические цепи

314.1. Каждая электроустановка должна быть разделена на несколько электрических цепей, чтобы в случае необходимости:

- предупредить возможность повреждения и свести к минимуму последствия повреждения;

- облегчить безопасный осмотр, испытание и обслуживание;

- предотвратить опасность, которая может возникнуть вследствие повреждения единственной электрической цепи, например, осветительной цепи;

- уменьшить возможность нежелательного срабатывания устройств дифференциального тока (УДТ) из-за чрезмерных токов защитного проводника, возникших не вследствие повреждения;

- уменьшить воздействие электромагнитных помех;

- исключить подачу напряжения в электрическую цепь, которая должна быть разъединенной.

314.2. Для частей электроустановок, которые нуждаются в раздельном управлении, должны быть предусмотрены разделенные распределительные цепи таким образом, чтобы на эти цепи не влияли повреждения в других электрических цепях.

32. Классификация внешних воздействий

Классификация внешних воздействий по IEC 60364-5-51.

33. Совместимость

33.1. Совместимость характеристик

Следует оценивать любые характеристики электрооборудования, которые могут оказывать вредное воздействие на другое электрическое оборудование или другие системы или приводить к повреждению источника питания. К этим характеристикам относятся, например:

- кратковременные перенапряжения;

- понижение напряжения;

- несимметричные нагрузки;

- быстро изменяющиеся нагрузки;

- пусковые токи;

- токи гармоник;

- обратная связь по постоянному току;

- высокочастотные колебания;

- токи замыкания на землю;

- необходимость дополнительных присоединений к земле;

- избыточные токи защитного проводника не из-за повреждения.

33.2. Электромагнитная совместимость

Все электрическое оборудование должно соответствовать требованиям межгосударственных стандартов по электромагнитной совместимости (ЭМС).

При проектировании и монтаже электрических установок должны быть учтены меры, направленные на снижение воздействия наведенных резких отклонений напряжения и электромагнитных помех. Указанные меры приведены в IEC 60364-4-44.

34. Эксплуатационная надежность

Необходимо оценивать вероятность нарушений при эксплуатации электроустановки в течение предусмотренного срока службы, исходя из периодичности проведения проверок и качества обслуживания.

Если за эксплуатацию электроустановки отвечает орган управления, то с ним следует проконсультироваться. Эти особенности следует принять во внимание при соблюдении требований частей 4 - 6 комплекса стандартов IEC 60364 для того, чтобы с учетом периодичности и качества ожидаемого обслуживания:

- можно было правильно и безопасно выполнять любую периодическую проверку, испытания, обслуживание и ремонт электроустановки в течение предусмотренного срока службы;

- обеспечивать в электроустановке эффективность защитных мер для безопасности в течение предусмотренного срока службы;

- надежность электрооборудования, обеспечивающего надлежащее функционирование электроустановки, соответствовала предусмотренному сроку службы.

35. Системы безопасности

35.1. Общие положения

Примечание 1. Необходимость установки систем безопасности и их характеристики, как правило, регламентируют уполномоченные органы управления, требования которых следует соблюдать.

Примечание 2. Примерами систем безопасности являются: системы обнаружения пожара, оповещения и управления эвакуацией людей при пожаре, аварийного освещения на путях эвакуации людей, аварийной вентиляции и противодымной защиты, внутреннего противопожарного водопровода, установки для пожарных насосов, лифты для пожарных команд, оборудование для отвода дыма и тепла, ответственное медицинское оборудование.

Источниками питания для систем безопасности могут быть:

- аккумуляторные батареи;

- гальванические батареи;

- генераторные установки, независимые от источника питания, применяемого в нормальном режиме;

- отдельная линия электропередачи распределительной электрической сети, фактически независимая от линии электропередачи, используемой в нормальном режиме (см. пункт 560.6.1 IEC 60364-5-56).

35.2. Классификация

Источником питания системы безопасности может быть:

- не автоматический источник питания, запуск которого осуществляется оператором;

- автоматический источник питания, запуск которого осуществляется независимо от оператора.

В зависимости от времени переключения автоматические источники питания классифицируют следующим образом:

- без перерыва питания: автоматический источник питания может обеспечить непрерывное питание при заданных условиях во время переходного периода, например, при изменениях напряжения и частоты;

- с очень коротким перерывом питания: автоматический источник питания может обеспечивать питание в течение 0,15 с;

- с коротким перерывом питания: автоматический источник питания может обеспечивать питание в течение 0,5 с;

- со средним перерывом питания: автоматический источник питания может обеспечивать питание в течение 15 с;

- с продолжительным перерывом питания: автоматический источник питания может обеспечивать питание за промежуток времени, превышающий 15 с.

36. Бесперебойность функционирования

Каждую электрическую цепь следует оценивать с точки зрения бесперебойного функционирования, необходимого в течение предусмотренного срока службы электроустановки. При оценке необходимо учитывать следующие характеристики:

- тип заземления системы;

- защитное устройство с целью обеспечения селективности;

- число электрических цепей;

- наличие нескольких источников питания;

- использование устройств мониторинга.

Приложение A
(справочное)

СТРУКТУРА КОМПЛЕКСА МЕЖДУНАРОДНЫХ СТАНДАРТОВ IEC 60364 "НИЗКОВОЛЬТНЫЕ ЭЛЕКТРИЧЕСКИЕ УСТАНОВКИ" С ИНФОРМАЦИЕЙ О ДЕЙСТВУЮЩИХ НАЦИОНАЛЬНЫХ СТАНДАРТАХ РОССИЙСКОЙ ФЕДЕРАЦИИ, СООТВЕТСТВУЮЩИХ МЕЖДУНАРОДНЫМ СТАНДАРТАМ

Примечание 1. Межгосударственные стандарты, соответствующие международным стандартам комплекса IEC 60364, отсутствуют.

Примечание 2. В таблице A.2 приведены ссылочные международные стандарты, указанные в разделе "Нормативные ссылки" настоящего стандарта, и международные стандарты комплекса IEC 60364, часть 7, перечисленные в разделе 30 "Оценка общих характеристик".

Таблица A.2

Обозначения и наименования международных стандартов, входящих в комплекс стандартов IEC 60364 Обозначение и наименование национальных стандартов Российской Федерации
Часть 1. Основополагающие положения, оценка общих характеристик, определения
IEC 60364-1:2005
Электроустановки низковольтные. Часть 1. Основные положения, оценка общих характеристик, термины и определения
ГОСТ Р 50571.1-2009 (МЭК 60364-1:2005)
Электроустановки низковольтные. Часть 1. Основные положения, оценка общих характеристик, термины и определения
Часть 4. Защита для обеспечения безопасности
IEC 60364-4-41:2005
Низковольтные электрические установки. Часть 4-41. Защита для безопасности. Защита от поражения электрическим током
ГОСТ Р 50571.3-2009 (МЭК 60364-4-41:2005)
Электроустановки низковольтные. Часть 4-41. Требования для обеспечения безопасности. Защита от поражения электрическим током
IEC 60364-4-42:2010
Низковольтные электрические установки. Часть 4-42. Защита для безопасности. Защита от тепловых воздействий
ГОСТ Р 50571.4.42-2012/МЭК 60364-4-42:2010
Электроустановки низковольтные. Часть 4-42. Требования по обеспечению безопасности. Защита от тепловых воздействий
IEC 60364-4-42:2010
Низковольтные электрические установки. Часть 4-42. Защита для безопасности. Защита от тепловых воздействий
ГОСТ Р 50571.4.43-2012/МЭК 60364-4-43:2008
Электроустановки низковольтные. Часть 4-43. Требования по обеспечению безопасности. Защита от сверхтока
IEC 60364-4-44:2007
Низковольтные электрические установки. Часть 4-44. Защита для безопасности. Защита от резких отклонений напряжения и электромагнитных возмущений
ГОСТ Р 50571-4-44-2011 (МЭК 60364-4-44:2007)
Электроустановки низковольтные. Часть 4-44. Требования по обеспечению безопасности. Защита от отклонений напряжения и электромагнитных помех
Часть 5. Выбор и монтаж электрического оборудования
IEC 60364-5-51:2005
Электрические установки зданий. Часть 5-51. Выбор и монтаж электрического оборудования. Общие правила
ГОСТ Р 50571.5.51-2013/МЭК 60364-5-51:2005
Электроустановки низковольтные. Часть 5-51. Выбор и монтаж электрооборудования. Общие требования
IEC 60364-5-52:2009
Низковольтные электрические установки. Часть 5-52. Выбор и монтаж электрического оборудования. Системы электропроводок
ГОСТ Р 50571.5.52-2011/МЭК 60364-5-52:2009
Электроустановки низковольтные. Часть 5-52. Выбор и монтаж электрооборудования. Электропроводки
IEC 60364-5-52:2009
Низковольтные электрические установки. Часть 5-52. Выбор и монтаж электрического оборудования. Системы электропроводок
ГОСТ Р 50571.5.53-2013/МЭК 60364-5-53:2002
Электроустановки низковольтные. Часть 5-53. Выбор и монтаж электрооборудования. Отделение, коммутация и управление
IEC 60364-5-54:2011
Низковольтные электрические установки. Часть 5-54. Выбор и монтаж электрического оборудования. Заземляющие устройства и защитные проводники
ГОСТ Р 50571.5.54-2013/МЭК 60364-5-54:2011
Электроустановки низковольтные. Часть 5-54. Заземляющие устройства, защитные проводники и защитные проводники уравнивания потенциалов
IEC 60364-5-55:2012
Электрические установки зданий. Часть 5-55. Выбор и монтаж электрического оборудования. Прочее оборудование
ГОСТ Р 50571.29-2009 (МЭК 60364-5-55:2008)
Электрические установки зданий. Часть 5-55. Выбор и монтаж электрооборудования. Прочее оборудование
IEC 60364-5-56:2009
Низковольтные электрические установки. Часть 5-56. Выбор и монтаж электрического оборудования. Системы безопасности
ГОСТ Р 50571.5.56-2013/МЭК 60364-5-56:2009
Электрические установки зданий. Часть 5-55. Выбор и монтаж электрооборудования. Системы обеспечения безопасности
Часть 6. Испытания электроустановок
IEC 60364-6:2006
Низковольтные электроустановки. Часть 6. Испытания
ГОСТ Р 50571.16-2007 (МЭК 60364-6:2006)
Электроустановки низковольтные. Часть 6. Испытания
Часть 7. Требования к специальным установкам или к их расположению
IEC 60364-7-701:2006
Электрические установки зданий низковольтные. Часть 7-701. Требования к специальным установкам или помещениям. Глава 701. Помещения для ванных и душевых
ГОСТ Р 50571.7.701-2013/МЭК 60364-7-701:2006
Электроустановки низковольтные. Часть 7. Требования к специальным установкам или местам их размещения. Раздел 701. Помещения для ванных и душевых комнат
IEC 60364-7-702:2010
Низковольтные электрические установки. Часть 7-702. Требования к специальным установкам или расположениям. Бассейны и фонтаны
ГОСТ Р 50571.7.702-2013/МЭК 60364-7-702:2010
Электроустановки низковольтные. Часть 7. Требования к специальным установкам или местам их размещения. Раздел 702. Плавательные бассейны и фонтаны
IEC 60364-7-703:2004
Электрические установки в зданиях. Часть 7-703. Требования к специальным установкам или местам размещения. Помещения и кабины с нагревателями "сауна"
ГОСТ Р 50571.12-96 (МЭК 364-7-703-84)
Электроустановки зданий. Часть 7. Требования к специальным электроустановкам. Раздел 703. Помещения, содержащие нагреватели для саун
IEC 60364-7-704:2005
Электрические низковольтные установки зданий. Часть 7-704. Требования к специальным установкам или помещениям. Установки на местах строительства и сноса зданий
ГОСТ Р 50571.23-2000 (МЭК 60364-7-704-89)
Электроустановки зданий. Часть 7. Требования к специальным электроустановкам. Раздел 704. Электроустановки строительных площадок
IEC 60364-7-705:2006
Низковольтные электроустановки. Часть 7-705. Требования к специальным установкам или размещениям. Сельскохозяйственные и садовые участки
ГОСТ Р 50571.7.705-2012/МЭК 60364-7-705:2006
Электроустановки низковольтные. Часть 7-705. Требования к специальным электроустановкам или местам их расположения. Электроустановки для сельскохозяйственных и садоводческих помещений
IEC 60364-7-706:2005
Электрические низковольтные установки зданий. Часть 7-706: Требования к специальным установкам или местоположениям. Проводящие помещения с ограниченной возможностью передвижения
ГОСТ Р 50571.13-96 (МЭК 364-7-706-83)
Электроустановки зданий. Часть 7. Требования к специальным электроустановкам. Раздел 706. Стесненные помещения с проводящим полом, стенами и потолком
IEC 60364-7-708:2007
Электрические установки низковольтные. Раздел 7-708. Требования к специальным установкам или местам их расположения. Стоянки для жилых прицепов, кемпинги и аналогичные места
 
IEC 60364-7-709:2012
Электрические установки низковольтные. Раздел 7-709. Требования к специальным установкам или местам их расположения. Пристани и аналогичные места
ГОСТ Р 50571.7.709-2013/МЭК 60364-7-709:2007
Электроустановки низковольтные. Часть 7. Требования к специальным установкам или местам их расположения. Раздел 709. Пристани и подобные расположения
IEC 60364-7-710:2002
Электрические установки зданий. Часть 7-710. Требования к специальным установкам и особым помещениям. Медицинские помещения
ГОСТ Р 50571.28-2006 (МЭК 60364-7-710:2002)
Электроустановки зданий. Часть 7-710. Требования к специальным электроустановкам. Электроустановки медицинских помещений
IEC 60364-7-711:1998
Электрические установки зданий. Часть 7-711. Требования к специальным установкам и особым помещениям. Выставки, показы и стенды
 
IEC 60364-7-712:2002
Установки электрические зданий. Часть 712. Требования к специальным установкам или расположению. Системы питания с использованием фотоэлектрических солнечных батарей
ГОСТ Р 50571.7.712-2013/МЭК 60364-7-712:2002
Электроустановки низковольтные. Часть 7-712. Требования к специальным электроустановкам или местам их расположения. Системы питания с использованием фотоэлектрических (ФЭ) солнечных батарей
IEC 60364-7-713:2013
Электроустановки низковольтные. Часть 7-713. Требования к специальным установкам или местам их расположения. Мебель
ГОСТ Р 50571.7.713-2011/МЭК 60364-7-713:1996
Электроустановки низковольтные. Часть 7-713. Требования к специальным установкам или местам их расположения. Мебель
IEC 60364-7-714:2011
Электрические установки зданий. Часть 7-714. Требования к специальным установкам или местам. Наружные осветительные установки
ГОСТ Р 50571.7.714-2014/МЭК 60364-7-714:2011
Электроустановки низковольтные. Часть 7-714. Требования к специальным электроустановкам или местам их расположения. Установки наружного освещения
IEC 60364-7-715:2011
Электрические установки зданий. Часть 7-715. Требования к специальным установкам и особым помещениям. Осветительные установки сверхнизкого напряжения
ГОСТ Р 50571.7.715-2014/МЭК 60364-7-715:2011
Электроустановки низковольтные. Часть 7-715. Требования к специальным электроустановкам или местам их расположения. Осветительные установки сверхнизкого напряжения
IEC 60364-7-717:2009
Электрические установки зданий. Часть 7-717. Требования к специальным установкам или особым помещениям. Подвижные или транспортируемые агрегаты
ГОСТ Р 50571.7.717-2011/МЭК 60364-7-717:2009
Электроустановки низковольтные. Часть 7-717. Требования к специальным установкам или местам их расположения. Мобильные или транспортируемые модули
IEC 60364-7-718:2011
Электрические установки зданий. Часть 7-718. Требования к специальным установкам или особым помещениям. Места общественного пользования и рабочие места
 
IEC 60364-7-721:2007
Электрические установки низковольтные. Раздел 7-721. Требования к специальным установкам или местам их расположения. Электрические установки в жилых прицепах и автоприцепах
 
IEC 60364-7-729:2007
Электрические низковольтные установки. Часть 7-729. Требования к специальным установкам или помещениям. Проходы для проведения работ и техобслуживания
 
IEC 60364-7-740:2000
Установки электрические зданий. Часть 7-740. Требования к специальным установкам или особым помещениям. Временные электрические установки для конструкций, средств развлечения и палаток на ярмарочных площадках, в парках с аттракционами и цирках
ГОСТ Р 50571.27-2003
Электрические установки зданий. Часть 7. Требования к специальным установкам или местам их расположения. Раздел 740. Временные электроустановки для сооружений, устройств для развлечений и павильонов на ярмарках, в парках развлечений и цирках
IEC 60364-7-753:2005
Установки электрические низковольтные. Часть 7-753. Требования к специальным установкам или местам их расположения. Нагревательные кабели и встроенные системы отопления
ГОСТ Р 50571.7.753-2013/МЭК 60364-7-753:2005
Электроустановки низковольтные. Часть 7-753. Требования к специальным установкам или местам их расположения. Электроустановки с нагреваемыми полами и потолочными поверхностями
ГОСТ Р 50571.25-2001
Электроустановки зданий. Часть 7. Требования к специальным электроустановкам. Электроустановки зданий и сооружений с электрообогреваемыми полами и поверхностями

Приложение ДА
(справочное)

СВЕДЕНИЯ О СООТВЕТСТВИИ МЕЖГОСУДАРСТВЕННЫХ СТАНДАРТОВ ССЫЛОЧНЫМ МЕЖДУНАРОДНЫМ СТАНДАРТАМ

Таблица ДА

Сведения о соответствии межгосударственных стандартов ссылочным международным стандартам

Примечание. Сведения об отсутствии межгосударственных стандартов относительно комплекса международных стандартов IEC 60364 (части 4, 5 и 6) приведены в Приложении A.

Обозначение и наименование международного стандарта Степень соответствия Обозначение и наименование межгосударственного стандарта
IEC 60038:2009
Стандартные напряжения по МЭК
  ГОСТ 29322-92 (МЭК 60038-83) Стандартные напряжения
IEC 60050-826:2004 <**>
Международный электротехнический словарь. Часть 826. Электрические установки
  <*>
IEC 60050-441:1984
Международный электротехнический словарь. Часть 441. Коммутационная аппаратура, аппаратура управления и плавкие предохранители
  <*>
IEC 60050-442:1998
Международный электротехнический словарь. Часть 442. Электрические аксессуары
  <*>
IEC 60050-691:1973
Международный электротехнический словарь. Глава 691. Тарифы на электроэнергию
  <*>
IEC 60050-903
Международный электротехнический словарь. Глава 903. Оценка риска
  <*>
IEC 60445:2010 <***>
Основополагающие принципы и принципы безопасности для интерфейса "человек-машина", выполнение и идентификация. Идентификация выводов оборудования, концов проводников и проводников
  <*>
IEC 60721
Классификация условий окружающей среды
  <*>
IEC 62305-1:2010 <**>
Защита от молнии. Часть 1. Общие принципы
  <*>
IEC 62305-2:2010 <**>
Защита от молнии. Часть 2. Управление риском
  <*>
IEC 62305-3:2010
Защита от молнии. Часть 3. Физические повреждения конструкций и опасность для жизни
  <*>
IEC 62305-4:2010
Защита от молнии. Часть 4. Электрические и электронные системы внутри конструкций
  <*>
<*> Межгосударственные стандарты отсутствуют.
<**> В Российской Федерации действуют соответственно:
ГОСТ Р МЭК 60050-826-2009 Установки электрические. Термины и определения
ГОСТ Р МЭК 62305-1-2010 Менеджмент риска. Защита от молнии. Часть 1. Общие принципы
ГОСТ Р МЭК 62305-2-2010 Менеджмент риска. Защита от молнии. Часть 2. Оценка риска.
<***> В части идентификации проводников посредством цветовых и буквенно-цифровых обозначений проводников в Российской Федерации действует ГОСТ Р 50462-2009 (МЭК 60446:2007) Базовые принципы и принципы безопасности для интерфейса "человек-машина", выполнение и идентификация. Идентификация проводников посредством цветов и буквенно-цифровых обозначений.

БИБЛИОГРАФИЯ

[1] IEC 60364-6:2006 Low-voltage electrical installations. Part 6. Verification (Электроустановки низковольтные. Часть 6. Испытания)
[2] IEC 61140:2009 Protection against electric shock. Common aspect for installation and equipment (Защита от поражения электрическим током. Общие аспекты, связанные с электроустановками и электрооборудованием)
[3] IEC 60364-7-701:2006 Low-voltage electrical installations - Part 7-701: Requirements for special installations or locations - Locations containing a bath or shower (Электроустановки низковольтные. Часть 7. Требования к специальным установкам или местам их размещения. Раздел 701. Помещения для ванных и душевых комнат)
[4] IEC 60364-7-702:2010 Low-voltage electrical installations - Part 7-702: Requirements for special installations or locations - Swimming pools and fountains (Электроустановки низковольтные. Часть 7. Требования к специальным установкам или местам их размещения. Раздел 702. Плавательные бассейны и фонтаны)
[5] IEC 60364-7-703:2004 Electrical installations of buildings - Part 7-703: Requirements for special installations or locations - Rooms and cabins containing sauna heaters (Электроустановки зданий. Часть 7. Требования к специальным электроустановкам. Раздел 703. Помещения, содержащие нагреватели для саун)
[6] IEC 60364-7-704:2005 Electrical installations of buildings - Part 7-704: Requirements for special installations or locations - Construction and demolition site installations (Электроустановки зданий. Часть 7. Требования к специальным электроустановкам. Раздел 704. Электроустановки строительных площадок)
[7] IEC 60364-7-705:2006 Low-voltage electrical installations - Part 7-705: Requirements for special installations or locations - Agricultural and horticultural premises (Электроустановки низковольтные. Часть 7-705. Требования к специальным электроустановкам или местам их расположения. Электроустановки для сельскохозяйственных и садоводческих помещений)
[8] IEC 60364-7-706:2005 Low-voltage electrical installations - Part 7-705: Requirements for special installations or locations - Conducting locations with restricted movement (Электрические низковольтные установки зданий. Часть 7-706: Требования к специальным установкам или местоположениям. Проводящие помещения с ограниченной возможностью передвижения)
[9] IEC 60364-7-708:2007 Low-voltage electrical installations - Part 7-708: Requirements for special installations or locations - Caravan parks, camping parks and similar locations (Электроустановки низковольтные. Часть 7-708. Требования к специальным электроустановкам или местам их расположения. Электроустановки стоянок жилых прицепов и кемпингов)
[10] IEC 60364-7-709:2012 Low-voltage electrical installations - Part 7-709: Requirements for special installations or locations - Marinas and similar locations (Электроустановки низковольтные. Часть 7-709. Требования к специальным электроустановкам или местам их расположения. Пристани и подобные расположения)
[11] IEC 60364-7-710:2002 Electrical installations of buildings - Part 7-710: Requirements for special installations or locations - Medical locations (Электроустановки зданий. Часть 7-710. Требования к специальным электроустановкам. Электроустановки медицинских помещений)
[12] IEC 60364-7-711:1998 Electrical installations of buildings - Part 7-711: Requirements for special installations or locations - Exhibitions, shows and stands (Электроустановки зданий. Часть 7-711. Требования к специальным электроустановкам. Электроустановки на выставках и выставочных стендах)
[13] IEC 60364-7-712:2002 Electrical installations of buildings - Part 7-712: Requirements for special installations or locations - Solar photovoltaic (PV) power supply systems (Электроустановки зданий. Часть 7-712. Требования к специальным электроустановкам или местам их расположения. Системы питания с использованием фотоэлектрических (ФЭ) солнечных батарей)
[14] IEC 60364-7-713:2013 Low-voltage electrical installations - Part 7-713: Requirements for special installations or locations. Furniture (Электроустановки низковольтные. Часть 7-713. Требования к специальным электроустановкам или местам их расположения. Мебель)
[15] IEC 60364-7-714:2011 Low-voltage electrical installations - Part 7-714: Requirements for special installations or locations. Extrernal lighting installations (Электроустановки низковольтные. Часть 7-714. Требования к специальным электроустановкам или местам их расположения. Установки наружного освещения)
[16] IEC 60364-7-715:2011 Low-voltage electrical installations - Part 7-715: Requirements for special installations or locations. Extra-low-voltage lighting installations (Электроустановки низковольтные. Часть 7-715. Требования к специальным электроустановкам или местам их расположения. Осветительные установки сверхнизкого напряжения)
[17] IEC 60364-7-717:2009 Low-voltage electrical installations - Part 7-717: Requirements for special installations or locations. Mobile or transportable units (Электроустановки низковольтные. Часть 7-717. Требования к специальным электроустановкам или местам их расположения. Мобильные или транспортируемые модули)
[18] IEC 60364-7-718:2011 Low-voltage electrical installations - Part 7-718: Requirements for special installations or locations. Communal facilities and workplaces (Электроустановки низковольтные. Часть 7-718. Требования к специальным электроустановкам или местам их расположения. Электроустановки мест общественного пользования и рабочих мест)
[19] IEC 60364-7-721:2007 Low-voltage electrical installations - Part 7-721: Requirements for special installations or locations. Electrical installations in caravans and motor caravans (Электроустановки низковольтные. Часть 7-721. Требования к специальным электроустановкам или местам их расположения. Электроустановки в жилых прицепах и автоприцепах)
[20] IEC 60364-7-729:2007 Low-voltage electrical installations - Part 7-729: Requirements for special installations or locations. Operating or maintenance gangways (Электроустановки низковольтные. Часть 7-729. Требования к специальным электроустановкам или местам их расположения. Проходы для проведения работ и техобслуживания)
[21] IEC 60364-7-740:2000 Electrical installations of buildings - Part 7-740: Requirements for special installations or locations - Temporary electrical installations for structures, amusement devices and booths at fairgrounds, amusement parks and circuses (Электрические установки зданий. Часть 7. Требования к специальным установкам или местам их расположения. Раздел 740. Временные электроустановки для сооружений, устройств для развлечений и павильонов на ярмарках, в парках развлечений и цирках)
[22] IEC 60364-7-753:2005 Low-voltage electrical installations - Part 7-753: Requirements for special installations or locations - Floor and ceiling heating systems (Электроустановки низковольтные. Часть 7-753. Требования к специальным установкам или местам их расположения. Электроустановки с нагреваемыми полами и потолочными поверхностями)