Изделия бумажные медицинского назначения. Подгузники для взрослых. Общие технические условия. ГОСТ р 55082-2012

(утв. Приказом Росстандарта от 14.11.2012 N 780-СТ)
Редакция от 14.11.2012 — Действует с 01.01.2014

НАЦИОНАЛЬНЫЙ СТАНДАРТ РОССИЙСКОЙ ФЕДЕРАЦИИ

ИЗДЕЛИЯ БУМАЖНЫЕ МЕДИЦИНСКОГО НАЗНАЧЕНИЯ. ПОДГУЗНИКИ ДЛЯ ВЗРОСЛЫХ

ОБЩИЕ ТЕХНИЧЕСКИЕ УСЛОВИЯ

Articles of paper for medical purposes. Diapers for adults. General specifications

ГОСТ Р 55082-2012

Дата введения - 2014-01-01

Предисловие

1 РАЗРАБОТАН Открытым акционерным обществом "Центральный научно-исследовательский институт бумаги" (ОАО "ЦНИИБ")

2 ВНЕСЕН Техническим комитетом по стандартизации ТК157 "Древесная масса. Бумага, картон и изделия из них"

3 УТВЕРЖДЕН И ВВЕДЕН В ДЕЙСТВИЕ Приказом Федерального агентства по техническому регулированию и метрологии от 14 ноября 2012 г. N 780-ст

4 ВВЕДЕН ВПЕРВЫЕ

Правила применения настоящего стандарта установлены в ГОСТ Р 1.0-2012 (раздел 8). Информация об изменениях к настоящему стандарту публикуется в ежегодном (по состоянию на 1 января текущего года) информационном указателе "Национальные стандарты", а официальный текст изменений и поправок - в ежемесячном информационном указателе "Национальные стандарты". В случае пересмотра (замены) или отмены настоящего стандарта соответствующее уведомление будет опубликовано в ближайшем выпуске ежемесячного информационного указателя "Национальные стандарты". Соответствующая информация, уведомление и тексты размещаются также в информационной системе общего пользования - на официальном сайте Федерального агентства по техническому регулированию и метрологии в сети Интернет (gost.ru)

1 Область применения

Настоящий стандарт распространяется на бумажные подгузники (далее-подгузники), предназначенные для впитывания и удерживания мочи (далее - жидкости), используемые для ухода за больными, страдающими недержанием мочи средней и тяжелой степени, лежачими больными, а также в других случаях, и устанавливает требования к их качеству.

2 Нормативные ссылки

В настоящем стандарте использованы нормативные ссылки на следующие стандарты:

ГОСТ 15.009-91 Система разработки и постановки продукции на производство. Непродовольственные товары народного потребления

ГОСТ 427-75 Линейки измерительные металлические. Технические условия ГОСТ 1770-74 (ISO 1042-83, ISO 4788-80) Посуда мерная лабораторная стеклянная. Цилиндры, мензурки, колбы, пробирки. Общие технические условия

ГОСТ 4233-77 Реактивы. Натрий хлористый. Технические условия

ГОСТ 6658-75 Изделия из бумаги и картона. Упаковка, маркировка, транспортирование и хранение

ГОСТ 6709-72 Вода дистиллированная. Технические условия

ГОСТ 9412-93 Марля медицинская. Общие технические условия

ГОСТ 10700-97 Макулатура бумажная и картонная. Технические условия

ГОСТ 12026-76 Бумага фильтровальная лабораторная. Технические условия

ГОСТ 12301-2006 Коробки из картона, бумаги и комбинированных материалов. Общие технические условия

ГОСТ 12303-80 Пачки из картона, бумаги и комбинированных материалов. Общие технические условия

ГОСТ 14192-96 Маркировка грузов

ГОСТ 15150-69 Машины, приборы и другие технические изделия. Исполнения для различных климатических районов. Категории, условия эксплуатации, хранения и транспортирования в части воздействия климатических факторов внешней среды

ГОСТ 28498-90 Термометры жидкостные стеклянные. Общие технические требования. Методы испытаний

ГОСТ 31396-2009 Классификация типовых фигур женщин по ростам, размерам, полнотным группам для проектирования одежды

ГОСТ 31399-2009 Классификация типовых фигур мужчин по ростам, размерам и полнотным группам для проектирования одежды

ГОСТ Р 53228-2008 Весы неавтоматического действия. Часть 1. Метрологические и технические требования. Испытания

Примечание - При пользовании настоящим стандартом целесообразно проверить действие ссылочных стандартов в информационной системе общего пользования - на официальном сайте Федерального агентства по техническому регулированию и метрологии в сети Интернет или по ежегодному информационному указателю "Национальные стандарты", который опубликован по состоянию на 1 января текущего года, и по выпускам ежемесячного информационного указателя "Национальные стандарты" за текущий год. Если заменен ссылочный стандарт, на который дана недатированная ссылка, то рекомендуется использовать действующую версию этого стандарта с учетом всех внесенных в данную версию изменений. Если заменен ссылочный стандарт, на который дана датированная ссылка, то рекомендуется использовать версию этого стандарта с указанным выше годом утверждения (принятия). Если после утверждения настоящего стандарта в ссылочный стандарт, на который дана датированная ссылка, внесено изменение, затрагивающее положение, на которое дана ссылка, то это положение рекомендуется применять без учета данного изменения. Если ссылочный стандарт отменен без замены, то положение, в котором дана ссылка на него, рекомендуется применять в части, не затрагивающей эту ссылку.

3 Термины и определения

В настоящем стандарте применены следующие термины с соответствующими определениями:

3.1 бумажный подгузник для взрослых: Многослойное впитывающее изделие разового использования с абсорбирующим слоем из волокнистых полуфабрикатов преимущественно древесного происхождения, содержащим гелеобразующие влагопоглощающие вещества (суперабсорбенты).

Примечание - Допускается использовать термины - "одноразовые бумажные трусы для взрослых (подгузники)" и "одноразовые бумажные прокладки-вкладыши для взрослых (подгузники)".

3.2 недержание мочи: Непроизвольное выделение мочи человеком.

3.3 средняя степень недержания: Непроизвольное выделение мочи в количестве от 400 до 600 мл за 8 ч.

3.4 тяжелая степень недержания: Непроизвольное выделение мочи и/или жидкого кала в количестве более 600 мл за 8 ч.

3.5 верхний покровный слой: Слой, который непосредственно соприкасается с кожей человека и пропускает жидкость внутрь подгузника.

3.6 распределительный слой: Слой, который расположен за верхним покровным слоем подгузника и способствует равномерному распределению жидкости внутри подгузника.

3.7 абсорбирующий слой: Внутренний основной слой подгузника, расположенный за распределительным слоем, который поглощает и удерживает впитываемую жидкость внутри подгузника.

3.8 защитный слой: Слой, который расположен непосредственно за абсорбирующим слоем подгузника и предотвращает проникновение жидкости наружу.

3.9 нижний покровный слой: Слой, который расположен за защитным слоем подгузника и соприкасается с одеждой человека или простыней.

3.10 барьерные элементы: Барьеры и боковые оборки в виде дуги через пах со стягивающими их резинками, предотвращающие проникновение жидкости на кожу человека.

3.11 фиксирующие элементы: Детали подгузника на его передней и задней частях для фиксации его в нужном положении и закрепления на талии человека (застежки-"липучки", эластичный пояс и др.).

3.12 индикатор наполнения подгузника: Сигналы в виде цветных полос (или одной полосы) на нижнем покровном слое, а при его отсутствии - на защитном слое, фиксирующие полное наполнение подгузника впитываемой жидкостью.

3.13 суперабсорбент: Химическое влагопоглощающее вещество в виде гранул со способностью к гелеобразованию под влиянием впитываемой жидкости.

3.14 полное влагопоглощение: Максимальное количество жидкости, которое может впитать подгузник без приложения внешней нагрузки.

3.15 сорбционная способность подгузника после центрифугирования: Количество жидкости, удерживаемое подгузником после центрифугирования в условиях испытания по настоящему стандарту.

3.16 скорость впитывания: Количество жидкости, впитываемое подгузником за 1 с.

3.17 обратная сорбция: Количество жидкости, выделяемое из подгузника под воздействием внешней нагрузки (давления).

4 Классификация

4.1 В зависимости от обхвата талии/бедер человека изготовляют подгузники указанных в таблице 1 групп.

Таблица 1

Группа подгузников Размерный ряд по обхвату талии/бедер, см
Сверхмалые До 60
Малые До 90
Средние До 120
Большие До 150
Сверхбольшие До 175

Примечания

1 Классификация подгузников по группам и условные обозначения групп соответствуют условным обозначениям, принятым в международной практике. В условные обозначения могут быть включены номера подгузников в соответствии с национальной и/или международной практикой.

2 Допускаются другие варианты размерного ряда в каждой группе подгузников, устанавливаемые изготовителем.

4.2 В зависимости от количества впитываемой жидкости изготовляют подгузники следующих видов:

- для людей со средней степенью недержания (далее - подгузник для средней степени недержания);

- для людей с тяжелой степенью недержания (далее - подгузник для тяжелой степени недержания).

5 Технические требования

5.1 Подгузники изготовляют в соответствии с требованиями настоящего стандарта по технической документации (технологический регламент, техническое описание и т. п.) на конкретный подгузник и/или группу подгузников. При необходимости на подгузники утверждают образец-эталон по ГОСТ 15.009.

5.2 Требования к конструкции подгузников

5.2.1 Конструкция подгузников включает в себя (начиная со слоя, контактирующего с кожей человека):

- верхний покровный слой;

- распределительный слой;

- абсорбирующий слой, состоящий из одного или двух впитывающих слоев;

-защитный слой;

- нижний покровный слой;

- барьерные элементы;

- фиксирующие элементы;

- индикатор наполнения подгузника (при наличии).

Допускается изготовлять подгузники без распределительного и нижнего покровного слоев.

При отсутствии нижнего покровного слоя его функцию выполняет защитный слой.

5.3 Техническое исполнение подгузников

Подгузники изготовляют в виде готовых трусов или раскроя трусов с фиксирующими элементами, или прокладок-вкладышей.

Подгузники могут быть изготовлены со специальными ингредиентами на верхнем покровном слое, нанесенными на всю поверхность или в виде полосок, обеспечивающими дополнительную защиту кожи человека от раздражения при соприкосновении с мочой и калом (вазелин, лосьон и др.).

Допускаются другие виды технического исполнения подгузников.

5.4 Декоративное исполнение подгузников

Нижний покровный слой или фиксирующие элементы подгузников изготовляют без отделки или с отделкой с помощью рисунка, нанесенного различными способами (печатью, тиснением и др.), или с отделкой другими способами.

5.5 Требования к внешнему виду

5.5.1 В подгузниках не допускаются внешние дефекты - механические повреждения (разрыв краев, разрезы, повреждения фиксирующих элементов и т. п.), пятна различного происхождения, посторонние включения, видимые невооруженным глазом.

5.5.2 Печатное изображение на подгузниках должно быть четким, без искажений и пробелов. Не допускаются следы выщипывания волокон с поверхности подгузника и отмарывание краски.

5.6 Конструкцию, линейные размеры подгузников (включая обхват талии/бедер, с учетом размерных признаков женских и мужских фигур по ГОСТ 31396 и 31399) и конструктивных элементов подгузников, в том числе длину, ширину (в середине и по краям) первого и второго (при наличии) впитывающих слоев, количество стягивающих резинок на боковых оборках в виде дуги через пах и барьерах, техническое и декоративное исполнение указывают в технической документации на конкретные подгузники или группу подгузников.

5.7 Для изготовления подгузников применяют следующие материалы:

- для верхнего и нижнего покровных слоев, барьерных элементов: нетканый материал или другие материалы с показателями качества, обеспечивающими изготовление подгузников в соответствии с требованиями настоящего стандарта;

- для распределительного слоя: нетканый материал или бумагу бытового и санитарно-гигиенического назначения массой бумаги (материала) площадью 1 м2 не более 25,0 г из целлюлозы и древесной массы. Не допускается использование бумаги для изделий бытового и санитарно-гигиенического назначения, изготовленной из бумажной и картонной макулатуры по ГОСТ 10700;

- для абсорбирующего слоя: волокнистые полуфабрикаты преимущественно древесного происхождения (целлюлозные волокна, целлюлозная вата, целлюлозное полотно с добавлением химических волокон или без них) и суперабсорбент на основе полимеров акриловой кислоты;

- для защитного слоя: полимерную пленку толщиной не более 30 мкм.

Допускается использование других материалов, разрешенных к применению органами Федеральной службы по надзору в сфере защиты прав потребителей и благополучия человека (Роспотребнадзора) и обеспечивающих безопасность и функциональное назначение подгузников.

5.8 Слои подгузников скрепляют с помощью термообработки или клеем горячего расплава, или иным способом, обеспечивающим прочность склейки слоев (швов) подгузника. Швы должны быть непрерывными.

5.9 Сырье и материалы для изготовления подгузников указывают в технической документации на конкретные подгузники или группу подгузников.

5.10 Показатели качества подгузников

5.10.1 Гигиенические показатели подгузников, обеспечивающие их безопасность для здоровья человека, должны соответствовать нормативам, установленным в [1].

5.10.2 Показатели, обеспечивающие функциональное назначение подгузников, должны соответствовать требованиям, указанным в таблице 2.

Таблица 2

Наименование показателя Значение показателя для подгузников видов и групп Метод испытаний
для средней степени недержания для тяжелой степени недержания
Сверхмалые, малые Средние Большие, сверхбольшие Сверх малые Малые Средние Большие Сверх большие
1 Полное влагопоглощение, г, не менее 1000 1300 1450 1200 1400 1800 2000 2800 По 7.3 настоящего стандарта
2 Сорбционная способность после центрифугирования, г, не менее 120 220 330 240 300 440 500 560 По 7.4 настоящего стандарта
3 Обратная сорбция, г, не более 4,4 По 7.5 настоящего стандарта
4 Скорость впитывания, см3/с, не менее 2,3 По 7.6 настоящего стандарта

5.11 Маркировка

5.11.1 Маркировка должна быть достоверной, проверяемой и читаемой. Маркировку наносят на упаковку или на этикетку (ярлык), прикрепленную к упаковке. Маркировку наносят любым способом (печатью, тиснением, штампом), обеспечивающим ее ясность, четкость и читаемость. При использовании печатного способа нанесения маркировки отмарывание краски не допускается.

5.11.2 Маркировка на потребительской упаковке подгузников должна содержать:

- наименование страны-изготовителя;

- наименование и местонахождение изготовителя (продавца, поставщика), товарный знак (при наличии);

- наименование подгузника, товарную марку (при наличии), вид подгузника в зависимости от назначения (степени недержания мочи), группу и размеры подгузника (по обхвату талии/бедер), номер подгузника (при наличии);

- правила по применению подгузника (в виде рисунков или текста);

- указания по утилизации подгузника: слова "Не бросать в канализацию" и/или рисунок, понятно отображающий эти указания;

- информацию о наличии специальных ингредиентов;

- отличительные характеристики подгузника в соответствии с техническим исполнением (в виде рисунков и/или текста);

- номер артикула (при наличии);

- количество подгузников в упаковке;

- дату (месяц, год) изготовления;

- срок годности, устанавливаемый изготовителем;

- обозначение настоящего стандарта;

- штриховой код (при наличии).

Допускается дополнять маркировку другими сведениями, например сведениями о поставщиках (потребительских союзах, ассоциациях), наносить графические символы и рисунки, поясняющие потребительские свойства подгузников и их применение, и др.

5.11.3 Допускается дополнительно наносить основную информацию о подгузнике (товарную марку, обозначение группы и др.) на нижний покровный слой, а при его отсутствии - на защитный слой подгузника.

5.11.4 Не допускается наносить информацию о специальных свойствах подгузника, например "защищает кожу от раздражения", "поглощает запах", "воздухопроницаемый", "экологически чистый" ит. п., без соответствующего документального подтверждения.

5.11.5 Маркировка должна быть нанесена на русском языке. Маркировка продукции, поставляемой на экспорт, может быть нанесена на иностранном языке заказчика (поставщика, продавца и т. д.)

5.11.6 Маркировка грузовых мест (транспортной тары) - по ГОСТ 14192 с нанесением манипуляционного знака "Беречь от влаги".

Маркировка, характеризующая упакованную продукцию, - по ГОСТ 6658 с указанием номера партии, наименования группы подгузников. Артикул при его отсутствии не указывают.

5.12 Упаковка

5.12.1 Подгузники в количестве, определяемом производителем, упаковывают в пакеты из полимерной пленки или пачки по ГОСТ 12303, или коробки по ГОСТ 12301, или другую потребительскую упаковку, обеспечивающую сохранность подгузников при транспортировании и хранении.

Швы в пакетах из полимерной пленки должны быть заварены.

В один пакет, пачку или коробку упаковывают подгузники одной группы, вида, варианта размерного ряда, конструкции, технического и декоративного исполнений, изготовленные из одних материалов, с одинаковыми показателями качества, с одной датой изготовления (месяц, год).

Не допускается механическое повреждение упаковки, открывающее доступ к поверхности подгузника.

5.12.2 Транспортная упаковка

Подгузники, упакованные в потребительскую упаковку, упаковывают в кипу, ящик по ГОСТ 6658.

Масса брутто кипы, ящика при ручной погрузке и разгрузке - в соответствии с руководством [2].

В один ящик, кипу упаковывают подгузники одной группы, вида, варианта размерного ряда, конструкции, технического и декоративного исполнений, с одной датой изготовления (месяц, год).

6 Правила приемки

6.1 Подгузники предъявляют к приемке партиями.

За партию принимают определенное количество подгузников одной группы, вида, варианта размерного ряда, конструкции, технического и декоративного исполнений, изготовленное из одних материалов и оформленное одним документом о качестве.

6.2 Партия должна сопровождаться документом о качестве, который должен содержать:

- наименование страны-изготовителя, предприятия-изготовителя, товарный знак изготовителя (при наличии);

- наименование группы, вида, размеры по обхвату талии/бедер подгузника, номер подгузника (при наличии), декоративное и техническое исполнения;

- номер артикула (при наличии);

- номер партии;

- количество подгузников в партии;

- дату изготовления (месяц, год);

- обозначение настоящего стандарта;

- срок годности подгузников, установленный изготовителем;

- результаты проведенных испытаний или подтверждение соответствия подгузников требованиям настоящего стандарта.

6.3 Подгузники подвергают приемо-сдаточным испытаниям.

6.4 Для проведения испытаний подгузников случайным образом от партии отбирают 1 % единиц продукции (кипу, ящик), но не менее двух единиц продукции, от которых отбирают подгузники не менее чем от трех потребительских упаковок в количестве, необходимом для проведения испытаний, но не менее 21 подгузника.

6.5 Приемо-сдаточные испытания каждой партии на соответствие подгузников требованиям настоящего стандарта проводят по 5.2-5.5; 5.8; 5.10.2 (таблица 2); 5.11, 5.12 (в части отсутствия повреждения упаковки).

6.6 Проверку подгузников на соответствие по 5.10.1 проводят при постановке продукции на производство, изменении сырья и материалов для их изготовления, при сертификационных испытаниях, в случае разногласий между потребителем и изготовителем, по требованию Роспотребнадзора, а также в других ситуациях. Проверку и оценку показателей проводят уполномоченные организации Роспотребнадзора на партии, прошедшей приемо-сдаточные испытания.

6.7 При получении неудовлетворительных результатов испытаний хотя бы по одному показателю по нему проводят повторные испытания на удвоенной выборке, взятой от той же партии.

Результаты повторных испытаний являются окончательными и распространяются на всю партию.

7 Методы контроля

7.1 Проверку подгузников по 5.2 - 5.5, 5.8, 5.11.1, 5.11.2, 5.12 проводят визуально путем просмотра подгузников, отобранных по 6.4.

7.2 Оценку гигиенических показателей по 5.10.1 проводят в соответствии с нормативными и методическими документами Роспотребнадзора, утвержденными в установленном порядке.

7.3 Метод определения полного влагопоглощения подгузников

Метод основан на определении массы 0,9 %-ного раствора хлористого натрия, впитываемого подгузником при полном погружении его в раствор в течение определенного времени.

7.3.1 Применяемые аппаратура, посуда и материалы

Устройство для определения полного влагопоглощения (рисунок 1), состоящее из:

- металлической рамы с сетчатым дном на ножках (далее - рамы). Размер сетчатого дна - 105 х 105 мм с предельными отклонениями не более ±5 мм; количество ячеек - 14-16 шт. на 1 см2;

- емкости, в которую погружают раму. Высота стенок емкости - не менее 130 мм, размеры дна емкости - не менее 150 х 150 мм.

Рисунок 1 - Устройство для определения полного влагопоглощения подгузника

Секундомер.

Весы лабораторные по ГОСТ Р 53228 с погрешностью взвешивания не более ±0,01 г.

Термометр по ГОСТ 28498 с ценой деления 1 °С.

Марля медицинская по ГОСТ 9412.

Вода дистиллированная по ГОСТ 6709.

Пинцет.

Колба по ГОСТ 1770 исполнения 1, вместимостью 1000 см3.

Линейка измерительная по ГОСТ 427 с ценой деления 1 мм.

Ножницы.

Плита из органического стекла размером 100 х 100 мм с предельными отклонениями не более +5 мм.

Натрий хлористый по ГОСТ 4233.

Фильтры обезволенные "красная лента".

Маркер с тонким стержнем.

Скальпель.

7.3.2 Приготовление 0,9 %-ного раствора хлористого натрия (далее - раствор)

Для приготовления 1 дм3 раствора берут навеску хлористого натрия в количестве (9,0 ± 0,1) г, переносят в колбу и добавляют в нее дистиллированную воду до отметки 1 дм3.

7.3.3 Подготовка образцов для испытаний

Из пробы, отобранной по 6.4, отбирают шесть подгузников для испытаний (по два подгузника из трех потребительских упаковок). Если подгузники изготовлены в форме трусов, то боковые швы разрезают.

Определяют массу каждого подгузника в сухом состоянии Р(г) при взвешивании с погрешностью не более ±0,01 г. Затем отрезают стягивающие резинки боковых оборок и барьеров подгузников.

Подгузник раскладывают на горизонтальной поверхности верхним покровным слоем вверх. Далее определяют центр абсорбирующего слоя подгузника следующим образом:

- в подгузнике с одним впитывающим слоем определяют наиболее узкую (прямоугольную) часть впитывающего слоя и отмечают середину ее длины и ширины. Точка пересечения длины и ширины наиболее узкой (прямоугольной) части впитывающего слоя является центром абсорбирующего слоя подгузника (рисунок 2);

Рисунок 2 - Определение центра абсорбирующего слоя подгузника с одним впитывающим слоем

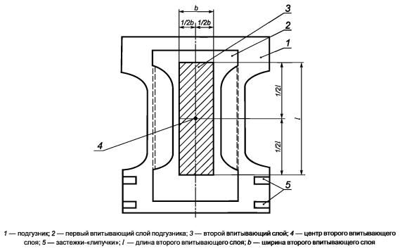
- в подгузнике с двумя впитывающими слоями отмечают середину длины и ширины второго впитывающего слоя. Точка пересечения длины и ширины второго впитывающего слоя является центром абсорбирующего слоя подгузника (рисунок3).

Рисунок 3 - Определение центра абсорбирующего слоя подгузника с двумя впитывающими слоями

Центр абсорбирующего слоя отмечают маркером.

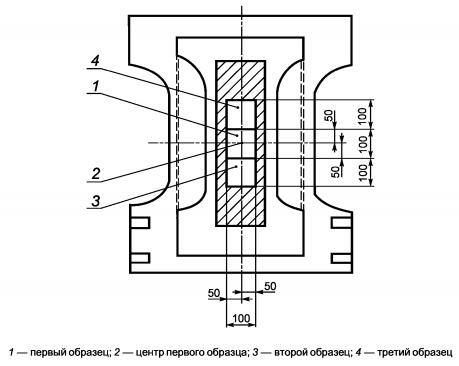
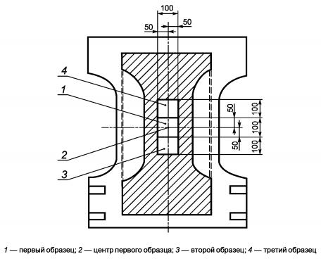
Из центральной части абсорбирующего слоя каждого из шести подгузников вырезают по три образца размером 100 ± 100 мм с предельными отклонениями ±2 мм.

Первый образец вырезают из центра абсорбирующего слоя, два других - справа и слева от первого образца (рисунки 4,5). Центр первого образца должен совпадать с центром абсорбирующего слоя, который отмечен маркером.

При ширине центральной части абсорбирующего слоя менее 120 мм из центральной части абсорбирующего слоя таким же образом вырезают три образца размером 75 х 75 мм с предельными отклонениями+2 мм.

Образцы нумеруют и взвешивают с погрешностью не более ±0,01 г. Из медицинской марли вырезают квадраты размером не менее 100 х 100 мм.

7.3.4 Проведение испытаний

Раму опускают в емкость. В емкость наливают раствор, приготовленный по 7.3.2, так, чтобы сетчатое дно рамы было покрыто раствором на высоту примерно 50 мм. Температура раствора должна быть (23 + 2) °С. Затем раму вынимают из емкости. Верхний покровный слой образца выстилают марлей. Затем образец переносят на сетчатое дно рамы таким образом, чтобы марля и верхний покровный слой находились на сетчатом дне рамы. Раму с образцом опускают в емкость. В начале намокания для удаления воздушных пузырьков образец придерживают, чтобы он не всплывал. По мере намокания образца в емкость добавляют раствор и следят за тем, чтобы образец был полностью покрыт раствором. Образец выдерживают в растворе в течение (30,0 + 0,1) мин.

Далее раму с образцом вынимают из емкости и дают раствору стечь, наклоняя по очереди основание рамы с четырех сторон в течение (40 + 2) с с каждой стороны таким образом, чтобы ребро рамы находилось примерно под углом 45° к горизонтальной поверхности. Обеззоленным фильтром осторожно промокают нижний покровный слой, а при его отсутствии - защитный слой так, чтобы на нем не оставалось капелек раствора.

Образец из рамы переносят на плиту из органического стекла, при помощи пинцета удаляют марлю. Если на марле или стенках рамы остался суперабсорбент, то его снимают скальпелем и переносят на образец.

Рисунок 4 - Расположение образцов, вырезаемых из подгузника с одним впитывающим слоем

Рисунок 5 - Расположение образцов, вырезаемых из подгузника с двумя впитывающими слоями

Образец взвешивают с погрешностью не более +0,01 г. Аналогично испытывают два других образца.

7.3.5 Обработка результатов

Полное влагопоглощение подгузника В, г, вычисляют по формуле

, (1)

где , , - удельное влагопоглощение первого, второго и третьего образцов;

Р - масса подгузника в сухом состоянии, г.

Удельное влагопоглощение первого образца вычисляют по формуле

, (2)

где - масса первого образца в сухом состоянии, г;

- масса первого образца во влажном состоянии, г.

Также вычисляют удельное влагопоглощение , двух других образцов.

За результат испытания полного влагопоглощения принимают среднеарифметическое значение шести полученных определений показателя.

Результат округляют до целого числа. Относительная погрешность определения не превышает +5 % при доверительной вероятности 0,95.

7.4 Метод определения сорбционной способности подгузников после центрифугирования

Метод основан на определении массы 0,9 %-ного раствора хлористого натрия, впитанного подгузником при полном погружении его в раствор, с последующим центрифугированием втечение определенного времени.

7.4.1 Применяемые аппаратура, посуда и материалы

Центрифуга бытовая со скоростью вращения 2200 об/мин, вместимостью не менее 10000 см3.

Секундомер.

Весы лабораторные по ГОСТ Р 53228 с погрешностью взвешивания не более ±0,01 г.

Термометр по ГОСТ 28498 с ценой деления 1 °С.

Мешки из медицинской марли по ГОСТ 9412 размером не менее 30 х 40 см.

Вода дистиллированная по ГОСТ 6709.

Колба по ГОСТ 1770 исполнения 1, вместимостью 1000 см3.

Цилиндр по ГОСТ 1770 исполнения 1, вместимостью 1000 см3.

Линейка измерительная металлическая по ГОСТ 427 с ценой деления 1 мм.

Ножницы.

Маркер с тонким стержнем.

Емкость с диаметром дна не менее 350 мм, вместимостью не менее 10000 см3.

Натрий хлористый по ГОСТ 4233.

Два груза массой (2000 ± 50) г.

7.4.2 Приготовление 0,9 %-ного раствора хлористого натрия - по 7.3.2.

7.4.3 Подготовка образцов для испытаний

Из пробы, отобранной по 6.4, отбирают шесть подгузников для испытаний (по два из трех потребительских упаковок). Если подгузники изготовлены в форме трусов, то боковые швы разрезают.

Определяют массу подгузника в сухом состоянии Р (г) при взвешивании с погрешностью не более +0,01 г.

Подгузник раскладывают на горизонтальной поверхности верхним покровным слоем вверх. Подгузник вручную растягивают по длине до тех пор, пока он не распрямится. На оба края подгузника в растянутом состоянии помещают грузы массой (2000 ± 50) г и определяют центр абсорбирующего слоя по 7.3.3.

Из центральной части по всей ширине каждого подгузника вырезают образец длиной (200 ± 5) мм (рисунки 6, 7). Полученный образец должен сохранять все элементы конструкции (кроме фиксирующих элементов) целого подгузника. Определяют массу образца в сухом состоянии (г) при взвешивании с погрешностью не более ±0,01 г.

Рисунок 6 - Расположение образца, вырезаемого из подгузника с одним впитывающим слоем

Рисунок 7 - Расположение образца, вырезаемого из подгузника с двумя впитывающими слоями

7.4.4 Проведение испытаний

В емкость наливают (5000 + 50) см3 раствора. Температура раствора должна быть (23 ± 2) °С. Мешки из марли (два) опускают в раствор до полного намокания, поочередно вынимают и отжимают вручную. Из шести образцов подгузников, подготовленных по 7.4.3, отбирают два образца. Каждый образец помещают в отдельный мешок и оба мешка опускают одновременно в емкость с раствором таким образом, чтобы верхний покровный слой подгузника был внизу (на дне емкости). Мешки с образцами должны быть покрыты раствором полностью.

Время впитывания раствора должно быть (30,0 + 0,5) мин. После окончания процесса впитывания мешки с образцами переносят в центрифугу и равномерно укладывают на дно центрифуги таким образом, чтобы верхний покровный слой подгузника был обращен к стенкам центрифуги. Время центрифугирования должно быть (180 + 3) с. После отключения центрифуги каждый мешок с образцом взвешивают и определяют массу (г)с погрешностью не более +0,01 г. Затем мешок освобождают от образца подгузника и определяют массу влажного мешка (г) с погрешностью не более +0,01 г.

Аналогично испытывают четыре других образца подгузников, подготовленных по 7.4.3.

7.4.5 Обработка результатов

Сорбционную способность подгузника после центрифугирования С, г, вычисляют по формуле

, (3)

где У - удельная сорбционная способность подгузника;

Р - масса подгузника в сухом состоянии, г.

Удельную сорбционную способность подгузника У вычисляют по формуле

, (4)

где - масса влажного мешка с образцом, г;

- масса влажного мешка, г;

- масса образца в сухом состоянии, г.

За результат испытания сорбционной способности после центрифугирования принимают среднеарифметическое значение шести полученных определений показателя.

Результат округляют до целого числа. Относительная погрешность определения не превышает ±5 % при доверительной вероятности 0,95.

7.5 Метод определения обратной сорбции подгузников

Метод основан на определении массы 0,9 %-ного раствора хлористого натрия, выделяемого из подгузника после приложения нагрузки со стороны верхнего покровного слоя.

7.5.1 Применяемые аппаратура, посуда и материалы

Устройство (рисунок 8), состоящее из:

- прозрачной пластины (далее - пластины) из органического стекла толщиной (9 ± 1) мм. Размер пластины должен быть 300 х 130 мм. Предельные отклонения размеров - не более ±5 мм. В центре пластины находится отверстие диаметром (39 ± 2) мм. В отверстие пластины вставляют трубку из прозрачного кварцевого или органического стекла (далее - трубку) высотой (220 ± 5) мм, внутренним диаметром (37 ± 1) мм. Общая масса пластины с трубкой должна быть (500 ± 20) г;

- воронки из прозрачного кварцевого стекла или полипропилена (далее - воронки) наружным диаметром на входе (90 ± 5) мм и внутренним диаметром на выходе (13 ± 1) мм;

- конической пробки из резины высотой (35 ± 2) мм, верхним диаметром (40 ± 2) мм, нижним диаметром (32 ± 2) мм;

- двух грузов массой (2000 ± 50) г каждый. Грузы должны иметь размер сечения 100 х 100 мм или диаметр 100 мм. Предельные отклонения размеров не должны быть более ±10 мм.

Ножницы.

Колба поГОСТ 1770 исполнения 1, вместимостью 1000 см3.

Цилиндр поГОСТ 1770 исполнения 1, вместимостью 100 и250 см3.

Линейка измерительная металлическая по ГОСТ 427 с ценой деления 1 мм.

Секундомер.

Весы лабораторные по ГОСТ Р 53228 с погрешностью взвешивания не более ±0,01 г.

Термометр по ГОСТ 28498 с ценой деления 1 °С.

Вода дистиллированная по ГОСТ 6709.

Натрий хлористый по ГОСТ 4233.

Грузы массой (5000 ± 25), (1000 ± 25) и два груза массой по (2000 ± 25) г каждый. Размер сечения грузов должен быть 100 х 100 мм или диаметр 100 мм. Предельные отклонения размеров не должны быть более ±10 мм.

Фильтры обеззоленные "красная лента" диаметром 150-180 мм.

Маркер с тонким стержнем.

7.5.2 Приготовление 0,9 %-ного раствора хлористого натрия - по 7.3.2.

Раствор подкрашивают в слабый красный, фиолетовый или любой другой цвет, хорошо различимый невооруженным глазом.

Рисунок 8 - Устройство для определения обратной сорбции подгузника

7.5.3 Подготовка образцов для испытаний

Из пробы, отобранной по 6.4, отбирают шесть подгузников для испытаний (по два из трех потребительских упаковок). Если подгузники изготовлены в форме трусов, то боковые швы разрезают.

Из фильтров вырезают квадраты размером 100 х 100 мм, предельные отклонения должны быть не более +2 мм. Фильтры в определенном количестве (но не менее десяти) складывают в стопу. Стопу взвешивают с погрешностью не более +0,01 г и определяют массу стопы фильтров до испытания W1 (г). Количество фильтров в стопе устанавливают при предварительном определении обратной сорбции. В результате предварительных испытаний на верхнем фильтре в стопе должны отсутствовать следы раствора. При промокании верхнего фильтра количество фильтров в стопе увеличивают.

Подгузник раскладывают на горизонтальной поверхности верхним покровным слоем вверх. Подгузник вручную растягивают по длине до тех пор, пока он не распрямится. На оба края подгузника в растянутом состоянии помещают грузы массой (2000 + 50) г. Определяют центр абсорбирующего слоя по 7.3.3.

Центр абсорбирующего слоя является точкой подачи раствора. Затем на подгузник, на верхний покровный слой, устанавливают устройство (рисунок 8) таким образом, чтобы точка подачи раствора совпадала с центром отверстия пластины. На оба края пластины кладут по одному грузу массой (2000 ± 50) г каждый, снимая их с краев подгузника. Расстояние между трубкой и грузом должно быть от 35 до 40 мм.

7.5.4 Проведение испытаний

Из цилиндра через конус воронки в трубку на подгузник в точку подачи раствора поочередно подают определенное количество раствора в соответствии с таблицей 3. Температура раствора должна быть (23 ± 2) °С. Скорость подачи раствора должна быть не менее 25 см3/с. Достижение указанной скорости подачи раствора обеспечивают путем проведения предварительных испытаний холостых проб.

Таблица 3

Испытание Значение для подгузников видов
для средней степени недержания для тяжелой степени недержания
Номин. Пред. откл. Номин. Пред. откл.
1-я порция
Количество 0,9 %-ного раствора хлористого натрия, см3
50 ±1 100 ±1
Пауза, с 600 ±10 600 ±10
2-я порция
Количество 0,9 %-ного раствора хлористого натрия, см3
50 ±1 100 ±1
Пауза, с 600 ±10 600 ±10

В момент, когда очередная порция раствора впиталась подгузником (в отверстии пластины исчезло "зеркало" раствора), включают секундомер. Этот момент считают началом паузы. Размер и количество пауз указаны в таблице 3. После окончания паузы секундомер выключают и подают вторую порцию раствора.

После окончания второй паузы с подгузника снимают устройство с грузами. Далее на подгузник в точке подачи раствора кладут стопу фильтров и прикладывают грузы суммарной массой (10000 ± 100) г. Подгузник с фильтрами выдерживают под грузом в течение (60 + 2) с. Стопу из фильтров снимают с подгузника, взвешивают с погрешностью не более ±0,01 г и определяют массу стопы фильтров после испытания (г).

7.5.5 Обработка результатов

Обратную сорбцию подгузника ОС, г, вычисляют по формуле

, (5)

где - масса стопы фильтров после испытания, г;

- масса стопы фильтров до испытания, г.

За результат испытания принимают среднеарифметическое значение шести полученных определений показателя.

Результат округляют до первого десятичного знака при обратной сорбции менее 5,0 г и до целого числа - при обратной сорбции более 5,0 г.

Относительная погрешность определения не превышает +15 % при доверительной вероятности 0,95.

7.6 Метод определения скорости впитывания подгузников

Метод основан на определении количества 0,9 %-ного раствора хлористого натрия, которое подгузник полностью впитает в единицу времени.

7.6.1 Применяемые аппаратура, посуда и материалы

Устройство по 7.5.1.

Колба по ГОСТ 1770 исполнения 1, вместимостью 1000 см3.

Цилиндр по ГОСТ 1770 исполнения 1, вместимостью 100 и 250 см3.

Линейка измерительная металлическая по ГОСТ 427 с ценой деления 1 мм.

Ножницы.

Секундомер.

Весы лабораторные по ГОСТ Р 53228 с погрешностью взвешивания не более +0,01 г.

Термометр по ГОСТ 28498 с ценой деления 1 °С.

Вода дистиллированная по ГОСТ 6709.

Натрий хлористый по ГОСТ 4233.

Два груза массой (2000 + 50) г каждый. Размер сечения грузов должен быть 100 х 100 мм или диаметр - 100 мм. Предельные отклонения размеров не должны быть более ±10 мм.

Маркер с тонким стержнем.

7.6.2 Приготовление 0,9 %-ного раствора хлористого натрия - по 7.3.2.

Раствор подкрашивают в слабый красный, фиолетовый или любой другой цвет, хорошо различимый невооруженным глазом.

7.6.3 Подготовка образцов для испытаний

Из пробы, отобранной по 6.4, отбирают шесть подгузников (по два из трех потребительских упаковок). Если подгузники изготовлены в форме трусов, то боковые швы разрезают.

Подгузник раскладывают на горизонтальной поверхности верхним покровным слоем вверх. Подгузник вручную растягивают по длине до тех пор, пока он не распрямится. На оба края подгузника в растянутом состоянии помещают грузы массой (2000 + 50) г, определяют центр абсорбирующего слоя по 7.3.3.

Центр абсорбирующего слоя подгузника является точкой подачи раствора. Затем на подгузник со стороны верхнего покровного слоя устанавливают устройство (рисунок 8) таким образом, чтобы точка подачи раствора совпадала с центром отверстия пластины. На оба края пластины кладут по одному грузу массой (2000 + 50) г каждый, снимая их с краев подгузника. Расстояние между трубкой и грузом должно быть от 35 до 40 мм.

7.6.4 Проведение испытаний

Из цилиндра через конус воронки в трубку на подгузник в точку подачи раствора поочередно подают определенное количество раствора в соответствии с таблицей 4.

Таблица 4

Испытание Значение для подгузников видов
для средней степени недержания для тяжелой степени недержания
Номин. Пред. откл. Номин. Пред. откл.
Количество 0,9 %-ного раствора хлористого натрия, см3 50 ±1 100 ±1

Температура раствора должна быть (23 ± 2) °С. Скорость подачи раствора должна быть не менее 25 см3/с. Достижение указанной скорости подачи раствора обеспечивают путем проведения предварительных испытаний холостых проб.

В момент, когда начинают подачу раствора, включают секундомер. Этот момент принимают за начало испытаний. Фиксируют момент полного исчезновения "зеркала" раствора на поверхности подгузника (в отверстии пластины). Этот момент считают временем, в течение которого подгузник впитал определенное количество раствора.

7.6.5 Обработка результатов

Скорость впитывания V, см3/с, вычисляют по формуле

, (6)

где к - количество 0,9 %-ного раствора хлористого натрия, взятого для испытания по таблице 4, см3; t - время, в течение которого впитался раствор, с.

За результат испытаний принимают среднеарифметическое значение шести полученных определений показателя.

Результат округляют до первого десятичного знака. Относительная погрешность определения не превышает +10 % при доверительной вероятности 0,95.

7.7 Метод определения отмарывания краски

Метод основан на визуальном определении следов краски на смоченной в 0,9 %-ном растворе хлористого натрия фильтровальной бумаге после ее соприкосновения с печатным изображением на подгузнике.

7.7.1 Применяемые приборы, посуда и материалы

Колба по ГОСТ 1770 исполнения 1, вместимостью 1000 см3.

Цилиндр по ГОСТ 1770 исполнения 1, вместимостью 100 см3.

Емкость диаметром (200 ± 50) мм, вместимостью не менее 200 см3.

Груз массой (2000 + 50) г, диаметром (100 ±10) мм.

Пинцет.

Плита из органического стекла размером 100х 100 мм с отклонениями по размерам не более ±5 мм,

массой (58,0 + 2,0) г.

Ножницы.

Термометр по ГОСТ 28498 с ценой деления 1 °С.

Линейка измерительная металлическая по ГОСТ 427 с ценой деления 1 мм.

Секундомер.

Вода дистиллированная по ГОСТ 6709.

Бумага фильтровальная по ГОСТ 12026.

Натрий хлористый по ГОСТ 4233.

7.7.2 Приготовление 0,9 %-ного раствора хлористого натрия - по 7.3.2.

7.7.3 Подготовка образцов для испытаний

Из пробы, отобранной по 6.4, отбирают три подгузника (по одному из трех упаковок). Если подгузники изготовлены в форме трусов, то боковые швы разрезают.

Вне зависимости от общего размера печатного изображения из каждого подгузника вырезают по одному образцу с нанесенным печатным изображением размером 100 х 100 мм. Допускаемые отклонения по размерам образца с нанесенным печатным изображением - не более +5 мм. Вырезают шесть листов фильтровальной бумаги размером 100 х 100 мм с отклонениями по размерам не более +5 мм.

7.7.4 Проведение испытаний

В сосуд наливают (100 + 5) см3 раствора. Температура раствора должна быть (23 + 2) °С. В раствор с помощью пинцета погружают два листа фильтровальной бумаги до полного смачивания, затем вынимают. Образец печатного изображения запечатанной стороной помещают на два листа смоченной фильтровальной бумаги. Сверху на образец помещают плиту из органического стекла, а на нее - груз массой (2000 + 50) г.

Через (2,0 + 0,1) ч груз и плиту из органического стекла снимают с образца и определяют наличие следов краски на фильтровальной бумаге.

Подгузник считают выдержавшим испытание, если при испытании каждого из трех образцов не будет обнаружено следов краски на фильтровальной бумаге.

7.8 Проверку маркировки и упаковки подгузников осуществляют визуально путем сравнения ее с требованиями настоящего стандарта.

7.9 Проверку размеров (обхват талии/бедер) проводят по методу, указанному изготовителем в технической документации на изготовление конкретного подгузника и/или группу подгузников.

8 Транспортирование и хранение

8.1 Транспортирование - по ГОСТ 6658 (раздел 3) любым видом крытого транспорта в соответствии с правилами перевозки грузов, действующими на данном виде транспорта. Условия перевозки - по группе 5 ГОСТ 15150.

8.2 Условия хранения подгузников в транспортной упаковке на складах потребителя и изготовителя - по группе 1 ГОСТ 15150.

9 Гарантии изготовителя

Срок годности продукции устанавливает изготовитель в зависимости от применяемого сырья и материалов для изготовления конкретного подгузника и/или группы подгузников.

БИБЛИОГРАФИЯ

[1] Единые санитарно-эпидемиологические и гигиенические требования к товарам, подлежащим санитарно-эпидемиологическому надзору (контролю), глава II, раздел 18, утверждены решением Комиссии Таможенного союза от 28 мая 2010 г. N 299

[2] Руководство 2.2.2006-05 Руководство по гигиенической оценке факторов рабочей среды и трудового процесса, критерии, классификация условий труда. Утверждено Главным государственным санитарным врачом 29 июля 2005 г. Дата введения - 1 ноября 2005 г.