Материалы строительные. Метод определения группы пожарной опасности кровельных материалов. ГОСТ р 56026-2014

(утв. Приказом Росстандарта от 26.05.2014 N 446-СТ)
Редакция от 26.05.2014 — Не действует Перейти в действующую
Показать изменения

НАЦИОНАЛЬНЫЙ СТАНДАРТ РОССИЙСКОЙ ФЕДЕРАЦИИ

МАТЕРИАЛЫ СТРОИТЕЛЬНЫЕ

МЕТОД ОПРЕДЕЛЕНИЯ ГРУППЫ ПОЖАРНОЙ ОПАСНОСТИ КРОВЕЛЬНЫХ МАТЕРИАЛОВ

BUILDING MATERIALS. METHOD FOR DETERMINATION OF THE FIRE DANGER GROUP OF ROOFING MATERIALS ENV 1187:2002 (NEQ)

ГОСТ Р 56026-2014

Дата введения
1 сентября 2014 года

Предисловие

1. Разработан Федеральным государственным бюджетным учреждением "Всероссийский ордена "Знак Почета" научно-исследовательский институт противопожарной обороны" МЧС России (ФГБУ "ВНИИПО" МЧС России).

2. Внесен Техническим комитетом по стандартизации ТК 274 "Пожарная безопасность".

3. Утвержден и введен в действие Приказом Федерального агентства по техническому регулированию и метрологии от 26 мая 2014 г. N 446-ст.

4. Настоящий стандарт разработан с учетом основных нормативных положений международного стандарта ЕНВ 1187:2002 "Методы испытаний кровли путем наружного огневого воздействия. Метод 2. Метод с нагрузкой от источника огневого воздействия и ветра" (ENV 1187:2002 "Test methods for external fire exposure to roofs. Test 2: Method with burning brands and wind", NEQ).

5. Введен впервые.

Правила применения настоящего стандарта установлены в ГОСТ Р 1.0-2012 (раздел 8). Информация об изменениях к настоящему стандарту публикуется в ежегодном (по состоянию на 1 января текущего года) информационном указателе "Национальные стандарты", а официальный текст изменений и поправок - в ежемесячном информационном указателе "Национальные стандарты". В случае пересмотра (замены) или отмены настоящего стандарта соответствующее уведомление будет опубликовано в ближайшем выпуске информационного указателя "Национальные стандарты". Соответствующая информация, уведомление и тексты размещаются также в информационной системе общего пользования - на официальном сайте Федерального агентства по техническому регулированию и метрологии в сети Интернет (gost.ru).

1. Область применения

1.1. Настоящий стандарт устанавливает требования к методу испытания и классификацию по группам пожарной опасности кровельной композиции (далее по тексту - кровля), в т.ч. водоизоляционного ковра кровли, при воздействии источника зажигания (деревянного штабеля) в условиях ветровой нагрузки.

1.2. Настоящий стандарт не распространяется на эксплуатируемые кровли и кровли с расположенным на них инженерным оборудованием.

1.3. Результаты испытания по настоящему стандарту применимы только для оценки свойств материалов в контролируемых лабораторных условиях и не отражают поведение материалов в реальных условиях пожара.

2. Нормативные ссылки

В настоящем стандарте использованы нормативные ссылки на следующие стандарты:

ГОСТ 12.1.005-88 Система стандартов безопасности труда. Общие санитарно-гигиенические требования к воздуху рабочей зоны

ГОСТ Р 12.1.019-2009 Система стандартов безопасности труда. Электробезопасность. Общие требования и номенклатура видов защиты

ГОСТ 16588-91 (ИСО 4470-81) Пилопродукция и деревянные детали. Методы определения влажности

ГОСТ 20448-90 Газы углеводородные сжиженные топливные для коммунально-бытового потребления. Технические условия

ГОСТ 30244-94 Материалы строительные. Методы испытаний на горючесть.

Примечание. При пользовании настоящим стандартом целесообразно проверить действие ссылочных стандартов в информационной системе общего пользования - на официальном сайте Федерального агентства по техническому регулированию и метрологии в сети Интернет или по ежегодному информационному указателю "Национальные стандарты", который опубликован по состоянию на 1 января текущего года, и по выпускам ежемесячного информационного указателя "Национальные стандарты" за текущий год. Если заменен ссылочный стандарт, на который дана недатированная ссылка, то рекомендуется использовать действующую версию этого стандарта с учетом всех внесенных в данную версию изменений. Если заменен ссылочный стандарт, на который дана датированная ссылка, то рекомендуется использовать версию этого стандарта с указанным выше годом утверждения (принятия). Если после утверждения настоящего стандарта в ссылочный стандарт, на который дана датированная ссылка, внесено изменение, затрагивающее положение, на которое дана ссылка, то это положение рекомендуется применять без учета данного изменения. Если ссылочный стандарт отменен без замены, то положение, в котором дана ссылка на него, рекомендуется применять в части, не затрагивающей эту ссылку.

3. Термины и определения

В настоящем стандарте применены следующие термины с соответствующими определениями:

3.1. Водоизоляционный ковер (слой) кровли (основной и (или) дополнительный водоизоляционный ковер): верхний элемент кровли (слой), предохраняющий здание от проникновения атмосферных осадков. Может состоять из одного или нескольких слоев кровельного (водоизоляционного) материала.

3.2. Горящие капли (частицы): горящие и отделяющиеся от образца капли и (или) фрагменты материала, образующиеся в процессе (после) испытания, попадающие на горизонтальную поверхность установки и продолжающие самостоятельное пламенное горение в течение не менее 5 с.

3.3. Кровельная композиция (кровля): верхний элемент покрытия (крыши), предохраняющий здание от проникновения атмосферных осадков. Она включает в себя, как правило, водоизоляционный слой, теплоизоляционный слой, основание под кровлю, пароизоляционный слой и др.

3.4. Образец: подготовленный для испытаний фрагмент кровли.

3.5. Основа под кровлю: несущие элементы кровли.

3.6. Основание под кровлю: поверхность теплоизоляции, несущих плит или стяжек, на которой размещают (закрепляют) слои водоизоляционного ковра (рулонного или мастичного).

3.7. Остаточное пламенное горение (тление): пламенное горение (тление) материала после прекращения действия источника воспламенения (деревянного штабеля).

3.8. Пароизоляционный слой (в составе рулонных и мастичных кровель): слой рулонных материалов или мастик, препятствующий попаданию водяных паров из внутренних помещений здания в кровельную композицию. Пароизоляционный слой располагается, как правило, непосредственно на основе под кровлю.

3.9. Поврежденный материал: материал кровельной композиции, который был поврежден при испытании в результате теплового воздействия. Оплавление, обугливание, спекание, усадка, коробление, образование трещин и сквозных отверстий являются повреждением материала. Осаждение сажи, изменение цвета и шероховатости поверхности образца не являются повреждением материала.

3.10. Прогорание образца: появление в течение (после) испытания образца сквозного отверстия диаметром не менее (20 +/- 5) кв. мм или трещины длиной более (50 +/- 10) мм и шириной более (2,5 +/- 0,5) мм, которые проходят через образец и (или) способствуют провалу кровельной композиции, а также появление на нижней стороне образца кровельной композиции устойчивого пламенного горения, тления, образование горящих частиц или капель расплава. Изменение цвета (потемнение) нижней поверхности образца не расценивается как проникновение пламени.

3.11. Распространение пламени по поверхности: распространение пламенного горения по поверхности образца в результате теплового воздействия источника зажигания и ветровой нагрузки.

3.12. Степень повреждения образца по длине: максимальное расстояние поврежденного материала каждого слоя кровли от места воздействия источника зажигания (точка 0) до края поврежденного участка.

3.13. Теплоизоляционный слой: промежуточный элемент кровли, включающий в себя любые слои теплоизоляции (минераловатные, полимерные и другие энергосберегающие материалы).

3.14. Устойчивое пламенное горение: непрерывное пламенное горение материала в течение не менее 5 с.

3.15. Эксплуатируемая кровля: специально оборудованная защитным слоем (рабочим настилом) кровля, рассчитанная на пребывание на ней людей, размещение оборудования, транспорта и т.п.

3.16. Экспонируемая поверхность: поверхность образца, подвергающаяся тепловому воздействию от источника зажигания при испытании в условиях ветровой нагрузки.

4. Основные положения

В настоящем стандарте использованы принципиальные положения по определению группы пожарной опасности кровли, а также даны описание устройства, принцип действия и другие сведения, необходимые для правильной эксплуатации установки по экспериментальному определению группы пожарной опасности кровли.

Метод испытания предназначен для определения пожарной опасности кровель, расположенных под изменяемым уклоном от 0° до 45° к горизонтальной плоскости, при воздействии источника зажигания (деревянного штабеля) и воздушного потока в двух режимах, имитирующего ветровую нагрузку.

В тех случаях, когда в конкретной технической документации уклон кровли не указан, проводят испытание с уклоном кровли 30°.

5. Классификация по пожарной опасности

По результатам испытаний в зависимости от степени повреждения по длине кровли подразделяют на две группы пожарной опасности: КП0 и КП1.

Классификация кровли по группам пожарной опасности приведена в таблице 1.

Таблица 1

Классификация кровли

Группа пожарной опасностиСтепень повреждения по длине, мм
КП0< 550
КП1>= 550

Примечание. Для кровли группы КП0 не допускаются образование горящих капель расплава при испытании, сквозное прогорание образца и пламенное горение (тление) более 900 с. За степень повреждения по длине принимают максимальное расстояние поврежденного участка любого материала кровельной композиции. Группу пожарной опасности определяют по наихудшему результату, полученному из двух режимов испытаний, имитирующих ветровую нагрузку.

6. Образцы для испытаний

6.1. Для испытаний изготовляют 6 образцов одного вида размерами 1000 x 400 мм.

6.2. Образцы для испытаний (кровля) изготовляют в композиции с основанием под кровлю. Крепление кровли к основанию под кровлю и основание под кровлю должны соответствовать решениям, указанным в технической документации.

6.3. В тех случаях, когда в конкретной технической документации не обеспечены условия для стандартного испытания, основания под кровлю должны удовлетворять следующим условиям:

- горючее (группа горючести Г4 по ГОСТ 30244-94): древесина плотностью (680 +/- 50) кг/куб. м и толщиной (19 +/- 2) мм и (или) материал на основе пенополистирола плотностью (20 +/- 5) кг/куб. м и толщиной (50 +/- 10) мм;

- негорючее (группа горючести НГ по ГОСТ 30244-94): листовой материал (например, асбестоцементный лист и т.д.) плотностью не менее (1900 +/- 100) кг/куб. м и толщиной (10 +/- 2) мм и (или) минеральная вата плотностью (150 +/- 20) кг/куб. м и толщиной (50 +/- 10) мм.

7. Оборудование и материалы для испытания

7.1. Камера сжигания

7.1.1. Конструкция стенок и внутреннее покрытие камеры сжигания должны обеспечивать стабильность температурного режима испытаний согласно 8.3.

7.1.2. Общий вид камеры сжигания - в соответствии с Приложением А, рисунок А.1.

7.1.3. В камере сжигания необходимо применять следующие материалы:

- для наружных поверхностей стенок и покрытия камеры - листовая сталь толщиной 1,5 мм;

- для внутренней отделки поверхностей стенок и покрытия камеры - негорючий листовой материал плотностью (1900 +/- 100) кг/куб. м и толщиной (11 +/- 2) мм.

7.1.4. Камера сжигания должна быть оборудована съемным покрытием со смотровым люком из прозрачного огнетермостойкого стекла.

7.2. Дополнительное оборудование

7.2.1. Система подачи воздуха должна состоять из вентилятора с воздуховодом и заслонкой, установленных в нижней части камеры сжигания, и должна обеспечивать поступление в нижнюю часть камеры сжигания равномерно распределенного по ее сечению потока воздуха, с заданными скоростью и температурой [не менее (20 +/- 5) °C].

7.2.2. Вентиляционная система для удаления продуктов сгорания должна состоять из газоотводной трубы, воздуховодов и вентиляционного насоса. Газоотводная труба является продолжением камеры сжигания.

7.2.3. Устройство для поджига деревянного штабеля (Приложение Б, рисунок Б.1) должно состоять из держателя образца и горелки с пятью вертикально ориентированными форсунками внутренним диаметром 0,3 мм. Горелка с форсунками должна быть расположена на расстоянии (30 +/- 2) мм в одной плоскости с нижней частью штабеля, установленного на держатель. Устройство для поджига должно быть размещено в закрытом от воздушных потоков месте. Расход газа (пропан-бутановая фракция ГОСТ 20448) должен регулироваться и при подвижке штабеля обеспечивать высоту пламени (110 +/- 10) мм.

7.2.4. Сушильный шкаф должен обеспечивать постоянную температуру (105 +/- 2) °C.

7.2.5. Эксикатор должен обеспечивать хранение высушенных деревянных штабелей.

7.2.6. Влагомер должен обеспечивать измерение влажности деревянных штабелей с диапазоном измерения от 4% до 45% и точностью +/- 3%.

7.2.7. Весы с диапазоном измерения от 0 до 1000 г и погрешностью +/- 1,0 г.

7.2.8. Устройство для измерения времени (секундомер) с диапазоном измерения от 0 до 3600 с и погрешностью не более 1 с.

7.2.9. Устройство для измерения скорости воздушного потока (анемометр) с диапазоном измерения от 0,2 до 10,0 м/с и точностью +/- 0,1 м/с.

7.2.10. Прибор, регистрирующий температуру, с диапазоном измерения от 0 °C до 1000 °C и ценой деления 1°C.

7.2.11. Термоэлектрический преобразователь типа ТХА для измерения теплового режима в контрольных точках с диапазоном измерения от 20°C до 1000°C, 2-м классом точности и диаметром термоэлектродов не более 0,5 мм.

7.2.12. Линейка металлическая с диапазоном измерения от 0 до 1000 мм и ценой деления 1 мм.

7.2.13. Штангенциркуль с диапазоном измерения от 0 до 150 мм и ценой деления 0,1 мм.

7.3. Дополнительные материалы

Деревянный штабель (см. Приложение Б, рисунок Б.1) должен состоять из восьми деревянных брусков размерами 10 x 10 x 100 мм, не содержащих сколов и включений, с относительной влажностью не более 15%. Шесть брусков, расположенных через 8 мм, скреплены механически двумя брусками с помощью металлических соединений (гвозди или скрепки). Размеры штабеля составляют 100 x 100 мм, высота - 20 мм.

Примечание. Рекомендуемый сорт древесины - сосна (ГОСТ 16588) или древесина, обеспечивающая тепловой режим в соответствии с 8.3.2.

8. Проведение испытания

8.1. Общие положения

Испытания следует проводить в помещении при температуре от 15°C до 25°C и относительной влажности воздуха от 20% до 75%.

8.2. Подготовка дополнительных материалов и образцов к испытанию

Перед испытанием деревянный штабель должен быть высушен в течение 24 ч в сушильном шкафу при температуре (105 +/- 2) °C до достижения постоянной массы, после чего храниться в эксикаторе при температуре окружающей среды. Масса штабеля должна составлять (40 +/- 5) г. Время горения штабеля должно составлять (300 +/- 30) с.

Перед испытанием образцы кровли кондиционируют при температуре (20 +/- 2) °C и относительной влажности воздуха (50 +/- 5)%.

8.3. Калибровка установки

8.3.1. Калибровку установки проводят периодически, а также при вводе установки в эксплуатацию и замене узлов установки.

Калибровочный образец представляет собой негорючий листовой материал плотностью (1900 +/- 100) кг/куб. м и толщиной (11 +/- 2) мм. Перед калибровкой установки калибровочный образец кондиционируют при температуре (20 +/- 2) °C и относительной влажности воздуха (50 +/- 5)% в течение 48 ч.

На центральной оси калибровочного образца отмечают точку 1 - на расстоянии 100 мм от края образца, которая является геометрическим центром расположения деревянного штабеля.

8.3.2. Калибровка установки по скорости воздушного потока

При наличии калибровочного образца, установленного в держателе, должны обеспечиваться скорости воздушных потоков (2,0 +/- 0,2) м/с и (4,0 +/- 0,2) м/с в точке 1 на поверхности калибровочного образца.

8.3.3. Калибровка установки по тепловому режиму

При наличии калибровочного образца и установленного на нем горящего деревянного штабеля должны обеспечиваться температурные режимы в точке 1 на поверхности калибровочного образца, указанные в таблице 2.

Таблица 2

Температурные режимы

Температура в точке 1, °C, при скорости воздушного потока
(2,0 +/- 0,2) м/с
Время, с0306090120150180210240270300
Значение120 - 165200 - 260365 - 375420 - 625425 - 505370 - 430300 - 310215 - 250110 - 190100 - 12580 - 100
(4,0 +/- 0,2) м/с
Значение300 - 355450 - 500315 - 375100 - 13575 - 85------

8.4. Порядок проведения испытания

8.4.1. Для каждого вида кровли следует проводить по три испытания при скоростях воздушного потока (2,0 +/- 0,2) м/с и (4,0 +/- 0,2) м/с соответственно.

8.4.2. Образец для испытания, кондиционированный в соответствии с 8.2, помещают в камеру сжигания. При этом должен обеспечиваться плотный контакт между нижним краем образца и основанием воздуховода. Допускается закрывать зазоры негорючей минеральной ватой.

На поверхности образца отмечают местоположение деревянного штабеля (точка 0 по центральной оси на расстоянии 50 мм от края образца).

8.4.3. При закрытом покрытии камеры сжигания включают систему подачи воздуха, вентиляционную систему и регулируют скорость воздушного потока на поверхности образца в точке 1.

8.4.4. Перекрывают с помощью заслонки подачу воздуха от вентилятора в камеру сжигания (вентилятор не выключают) и открывают покрытие камеры сжигания.

8.4.5. Помещают деревянный штабель на устройство для поджига (см. Приложение Б, рисунок Б.1), зажигают газовые горелки и воздействуют на штабель пламенем горелок согласно 7.2.3 в течение (30 +/- 2) с. Затем за время не более 5 с снимают деревянный штабель с устройства и помещают его на поверхность образца в точку 0 таким образом, чтобы шесть верхних брусков располагались перпендикулярно центральной оси образца. Включают секундомер и закрывают покрытие камеры.

Положение штабеля должно обеспечивать воздушный поток через шесть верхних брусков.

Через 15 с открывают заслонку подачи воздуха в камеру сжигания и выключают горелки на устройстве для поджига штабеля. Не допускается перемещение штабеля по поверхности образца в процессе всего испытания.

8.4.6. В процессе испытания регистрируют время воспламенения образца, время остаточного пламенного горения (тления), наличие горящих капель расплава и капель расплава.

8.4.7. Испытание прекращают, если выполняется хотя бы одно из следующих условий:

- прекращение горения деревянного штабеля и отсутствие остаточного пламенного горения (тления) образца;

- достижение пламенем верхнего края образца вне зависимости от времени горения деревянного штабеля;

- продолжительность пламенного горения (тления) образца более 900 с.

8.4.8. Испытание считают законченным после остывания образца до температуры окружающей среды.

8.4.9. По окончании испытания прекращают подачу воздуха, отключают вытяжную вентиляцию и извлекают образец из камеры сжигания.

8.4.10. По окончании испытания измеряют степень и площадь повреждения верхнего и нижнего водоизоляционных ковров, теплоизоляционного и пароизоляционного слоев, а также фиксируют наличие (отсутствие) сквозного прогорания кровли и глубину повреждения каждого слоя кровли.

Фиксируют следующие наблюдения: обугливание, оплавление, спекание, осаждение сажи, изменение цвета, усадку, вспучивание, коробление, образование трещин и т.п.

Указывают все особенности испытания, не предусмотренные настоящей методикой, или иные обстоятельства, повлиявшие на результаты испытаний.

9. Оформление протокола испытания

В протоколе испытания приводят следующие сведения:

- ссылку на метод испытания;

- наименование и адрес испытательной лаборатории;

- дату и номер протокола испытания;

- наименование и адрес заказчика;

- цель испытания;

- сведения об отборе образцов;

- наименование изготовителя или продавца продукции;

- наименование и другие идентификационные характеристики материала;

- уклон кровли;

- объемная или поверхностная плотность и толщина материала;

- дата поставки образцов;

- описание образцов;

- кондиционирование образцов;

- дата проведения испытания;

- результаты испытания.

Пример оформления протокола представлен в Приложении В.

К протоколу испытания должны быть приложены протоколы определения теплоты сгорания материалов, применяемых для изготовления кровли.

10. Требования безопасности

Помещение, в котором проводят испытания, должно быть оборудовано приточно-вытяжной вентиляцией.

Рабочее место оператора должно удовлетворять требованиям электробезопасности по ГОСТ 12.1.019 и санитарно-гигиеническим требованиям по ГОСТ 12.1.005-88.

Лица, допущенные в установленном порядке к испытанию, должны быть ознакомлены с техническим описанием и инструкцией по эксплуатации испытательного оборудования.

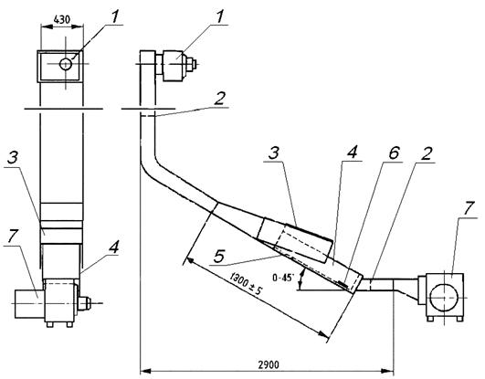
Приложение А
(обязательное)

ОБЩИЙ ВИД УСТАНОВКИ

1 - вентиляционный насос системы удаления продуктов сгорания; 2 - заслонка; 3 - покрытие камеры сжигания со смотровым люком; 4 - камера сжигания; 5 - образец для испытания; 6 - деревянный штабель; 7 - вентилятор системы подачи воздуха

Рисунок А.1. Общий вид установки

Приложение Б
(обязательное)

УСТРОЙСТВО ДЛЯ ПОДЖИГА ДЕРЕВЯННОГО ШТАБЕЛЯ

1 - деревянный штабель; 2 - горелки; 3 - держатель деревянного штабеля

Рисунок Б.1. Устройство для поджига деревянного штабеля

Приложение В
(рекомендуемое)

ПРОТОКОЛ ОПРЕДЕЛЕНИЯ ГРУППЫ ПОЖАРНОЙ ОПАСНОСТИ КРОВЛИ

  
наименование организации, выполняющей испытания
  
ПРОТОКОЛ N ___ определения группы пожарной опасности кровли
  
наименование материала 
 от "___" _________________ г.

1. Дата проведения испытания 
2. Наименование методики (ГОСТ и др.) испытаний 
3. Полное наименование материала (ГОСТ, ТУ, N партии, паспорт качества и т.д.) 
4. Уклон кровли, число слоев, характеристики материалов каждого слоя, конструктивные особенности и т.д. 
5. Заказчик (изготовитель) 
6. Условия проведения испытаний
- Температура в помещении, °C;
- Относительная влажность в помещении, %;
- Атмосферное давление, кПа.
 
7. Результаты проведения испытаний: 

Скорость воздушного потока, м/сПараметры123Среднее значениеГруппа
2Степень повреждения по длине, мм:
- верхнего водоизоляционного слоя
    КП0/КП1
- нижнего водоизоляционного слоя    
- теплоизоляционного слоя    
- пароизоляционного слоя    
Сквозное прогорание (+/-)    
Время горения (тления), с    
4Степень повреждения по длине, мм:
- верхнего водоизоляционного слоя
    КП0/КП1
- нижнего водоизоляционного слоя    
- теплоизоляционного слоя    
- пароизоляционного слоя    
Сквозное прогорание (+/-)    
Время горения (тления), с    

Примечание (наблюдения) 
Вывод: образец кровли относится к группе КП0/КП1 <*>.
Исполнители: 

<*> Ненужное зачеркнуть.