Система проектной документации для строительства. Технология производства. Основные требования к рабочим чертежам. ГОСТ 21.401-88

(утв. Постановлением Госстроя СССР от 28.12.87 N 308)
Редакция от 28.12.1987 — Действует с 01.07.1988

ГОСУДАРСТВЕННЫЙ СТАНДАРТ СОЮЗА ССР

СИСТЕМА ПРОЕКТНОЙ ДОКУМЕНТАЦИИ ДЛЯ СТРОИТЕЛЬСТВА

ТЕХНОЛОГИЯ ПРОИЗВОДСТВА

ОСНОВНЫЕ ТРЕБОВАНИЯ К РАБОЧИМ ЧЕРТЕЖАМ

System of design documents for construction. Production technology. Main requirements for working drawings

ГОСТ 21.401-88

Дата введения
1 июля 1988 года

ИНФОРМАЦИОННЫЕ ДАННЫЕ

1. Разработан Всесоюзным научно-исследовательским институтом по монтажным и специальным строительным работам ("ВНИИМмонтажспецстрой") Государственным институтом по проектированию технологии монтажа предприятий нефтеперерабатывающей и нефтехимической промышленности ("Гипронефтеспецмонтаж") Министерства монтажных и специальных строительных работ СССР Государственным научно-исследовательским и проектным институтом хлорной промышленности ("Госниихлорпроект") Министерства химической промышленности СССР Государственным ордена Трудового Красного Знамени проектным и научно-исследовательским институтом промышленности синтетического каучука ("Гипрокаучук") Министерства нефтеперерабатывающей и нефтехимической промышленности СССР Проектным институтом N 2 Центральным научно-исследовательским и проектно-экспериментальным институтом по методологии, организации, экономике и автоматизации проектирования и инженерных изысканий ("ЦНИИпроект") Государственного строительного комитета СССР.

Исполнители: В.Я. Эйдельман (руководитель темы); Б.В. Поповский, д-р техн. наук; Р.И. Тавастшерна, канд. техн. наук; А.Л. Прудовая; Л.Г. Коновалова; Е.Ю. Исакова; И.С. Гольденберг, канд. техн. наук; Г.Л. Егиянц; Ж.М. Меблеванный; В.П. Шиловский; Ж.А. Куркина; С.Н. Архаров; Ю.П. Русаков; В.П. Абарыков; Л.А. Кашина.

2. Внесен Министерством монтажных и специальных строительных работ СССР.

2. Утвержден и введен в действие Постановлением Государственного строительного комитета СССР от 28.12.87 N 308

3. Введен впервые.

4. Ссылочные нормативно-технические документы.

Обозначение НТД, на который дана ссылка Номер раздела, пункта, приложения
ГОСТ 2.317-69 7
ГОСТ 2.701-84 3.1
ГОСТ 15.001-73 1.2; 2.3
ГОСТ 21.102-79 2.1; 2.2; 2.3
ГОСТ 21.104-79 6.3, 7
ГОСТ 21.109-80 1.3
ГОСТ 21.110-82 1.3
ГОСТ 21.111-84 1.3

Настоящий стандарт устанавливает состав и правила оформления рабочих чертежей технологии производства всех отраслей промышленности и народного хозяйства.

1. ОБЩИЕ ПОЛОЖЕНИЯ

1.1. Рабочие чертежи технологии производства выполняют в соответствии с требованиями настоящего стандарта и стандартов системы проектной документации для строительства (СПДС).

1.2. В состав рабочих чертежей технологии производства включают:

- рабочие чертежи, предназначенные для монтажа оборудования и технологических трубопроводов (основной комплект рабочих чертежей марки ТХ);

- задание на разработку деталировочных чертежей технологических блоков, собираемых организациями, осуществляющими монтаж (далее - задание на разработку технологических блоков);

- чертежи специальных технологических трубопроводов;

- исходные требования к разработке конструкторской документации по оборудованию индивидуального изготовления, составляемые в соответствии с ГОСТ 15.001-73, если эти требования не разработаны в рабочем проекте (проекте).

1.3. В состав основного комплекта рабочих чертежей марки ТХ включают:

- общие данные по рабочим чертежам;

- схему соединений (монтажную);

- чертежи расположения оборудования и трубопроводов;

- ведомость трубопроводов.

К основному комплекту рабочих чертежей марки ТХ составляют:

- ведомость потребности в материалах по ГОСТ 21.109-80;

- спецификацию оборудования по ГОСТ 21.110-82;

- ведомость объемов монтажных работ по ГОСТ 21.111-84.

1.4. Основные комплекты рабочих чертежей выполняют на каждый технологический узел в соответствии с проектом организации строительства с присвоением им обозначений, включающих марку чертежа ТХ и порядковый номер, например ТХ1, ТХ2 и т.д.

1.5. На схемах и чертежах изображают:

- оборудование, трубопроводы и их элементы - в виде упрощенных контурных очертаний в масштабе чертежа или условными графическими изображениями сплошной толстой основной линией. Допускается трубопроводы, диаметр которых в масштабе чертежа превышает 3 мм, изображать двумя линиями;

- блоки на планах в виде прямоугольника, на разрезах - по наружному контуру сплошной основной линией;

- трассы специальных трубопроводов - сплошной толстой основной линией;

- строительные конструкции в виде упрощенных контурных очертаний - сплошной тонкой линией.

Обозначения должны быть одинаковыми во всех текстовых и графических документах основного комплекта.

1.6. Термины, используемые в стандарте, и их пояснения приведены в приложении 1.

2. ОБЩИЕ ДАННЫЕ ПО РАБОЧИМ ЧЕРТЕЖАМ

2.1. В состав общих данных по рабочим чертежам марки ТХ в дополнение к данным, предусмотренным ГОСТ 21.102-79, включают схему расположения технологических узлов.

При наличии ТХ1, ТХ2 и т.д. схему размещают на листах общих данных марки ТХ1.

На схеме указывают:

- границы и номера каждого технологического узла;

- вводы и выводы основных трубопроводов с обозначением трубопроводов и с привязкой их к координационным осям зданий (сооружений). Допускается для групповых вводов и выводов привязку выполнять только к осям крайних трубопроводов или осям подводящих эстакад.

К схеме приводят ведомость технологических узлов по форме 1, графы которой заполняют в соответствии с их наименованием.

Ведомость технологических узлов

Форма 1

Пример оформления схемы и ведомости приведен в приложении 2.

2.2. В общих указаниях в дополнение к сведениям, предусмотренным ГОСТ 21.102-79, приводят:

- характеристику трубопроводов (форма 2);

- указания о хранении оборудования и элементов специальных технологических трубопроводов, требующих укрытия;

- технические указания, соблюдение которых обязательно при монтаже оборудования.

Характеристика трубопроводов

Форма 2

2.2.1. В форме 2 указывают:

- в графе "Обозначение" - обозначение трубопровода по схеме соединений (монтажной), выполняемой в соответствии с разд.3;

- в графе "Наименование транспортируемого продукта" - наименование или номер транспортируемого продукта;

- в графе "Категория трубопровода" - категорию и группу трубопровода в соответствии с действующими нормативными документами;

- в графе "Испытание" - вид (прочность, герметичность) и способ (гидравлический, пневматический) испытания;

- в графе "Дополнительные указания" - дополнительные указания по испытанию (при испытании на герметичность - время испытания и величину падения давления), требования к внутренней поверхности трубопровода после испытания (продувка, очистка и дополнительная обработка).

Остальные графы заполняют в соответствии с их наименованием.

2.3. В ведомость ссылочных и прилагаемых документов (в раздел "Прилагаемые документы") в дополнение к данным, предусмотренным ГОСТ 21.102-79, записывают задания на разработку технологических блоков, чертежи специальных технологических трубопроводов, исходные требования к разработке конструкторской документации по оборудованию индивидуального изготовления, составляемые в соответствии с ГОСТ 15.001-73.

3. СХЕМА СОЕДИНЕНИЙ (монтажная)

3.1. Схему соединений (монтажную) выполняют в соответствии с требованиями настоящего стандарта, а также ГОСТ 2.701-84.

3.2. На схеме указывают:

- оборудование. При трех или более одинаковых машинах или аппаратах с аналогичной обвязкой трубопроводами на схеме указывают только одну машину или аппарат с линиями и обозначением их количества и последовательности соединения;

- блоки без указания составных частей и связей между ними;

- трубопроводы и их элементы;

- позиционное или буквенно-цифровое обозначение оборудования и трубопроводов в соответствии со спецификой к чертежам расположения оборудования и трубопроводов;

- величину условного прохода () и материал труб (кроме углеродистых сталей);

- направление потока продукта;

- наименование транспортируемого продукта и его параметры на вводах и выводах трубопроводов;

- величину давления, на которую должны быть отрегулированы предохранительные клапаны.

Все буквенно-цифровые обозначения оборудования, трубопроводов и их элементов наносят на полках линии-выноски. Допускается:

- обозначения оборудования наносить в контуре упрощенного графического изображения;

- обозначения трубопроводов наносить над линиями либо в разрывах линий трубопроводов.

Пример оформления схемы приведен в приложении 3.

3.3. Схемы допускается выполнять:

- на листах чертежа расположения оборудования и трубопроводов;

- совмещенными со схемами автоматизации технологических процессов производства;

- при сложных трубопроводных системах - раздельно для групп трубопроводов по их назначению;

- без перечня элементов к схеме.

4. ЧЕРТЕЖИ РАСПОЛОЖЕНИЯ ОБОРУДОВАНИЯ И ТРУБОПРОВОДОВ

4.1. Чертежи расположения оборудования и трубопроводов (далее - чертежи расположения) выполняют в соответствии со схемой соединения.

4.2. В состав чертежей расположения включают планы, разрезы, сечения, фрагменты планов и разрезов, узлы, достаточные для подготовки и производства монтажных работ.

4.3. Планы и разрезы чертежей расположения выполняют в масштабе 1:50, 1:100 или 1:200, фрагменты планов и разрезов - в масштабе 1:50, узлы - в масштабе 1:10, 1:25.

4.4. На чертежах расположения указывают и обозначают:

- оборудование;

- блоки;

- трубопроводы и их элементы, опоры трубопроводов и опорные конструкции под них;

- трассы специальных технологических трубопроводов;

- каналы и лотки для прокладки трубопроводов;

- места обслуживания оборудования, при необходимости;

- координационные оси здания (сооружения) и расстояние между ними;

- отметки чистых полов этажей и основных площадок;

- позиционное или буквенно-цифровое обозначение оборудования, участков трубопроводов;

- места подключения трубопроводов к блокам, машинам и аппаратам, соединения трубопроводов между собой, величину и направление уклонов трубопроводов;

- величину предварительного растяжения (сжатия) компенсаторов;

- привязку оборудования, трубопроводов и их элементов к координационным осям или к элементам конструкций зданий (сооружений). Допускается взаимная привязка оборудования и трубопроводов;

- величину условного прохода () и материал труб (кроме углеродистых сталей);

- направление потока продукта на вводах, выводах и разветвлениях;

- допустимые монтажные нагрузки на крановые пути и монорельсы, а также на перекрытия и строительные конструкции, которые могут быть использованы для монтажа оборудования.

4.5. К чертежам расположения выполняют спецификации по форме 1 ГОСТ 21.101. В спецификацию включают оборудование и участки трубопроводов. Состав участков трубопроводов указывают в ведомости трубопроводов.

Графу "Масса ед., кг" не заполняют.

Пример оформления чертежа расположения и спецификации к нему приведен в приложении 4.

5. ВЕДОМОСТЬ ТРУБОПРОВОДОВ

5.1. Ведомость трубопроводов выполняют по форме 3.

На каждый участок трубопровода, обозначенный на чертеже расположения номером позиции, в ведомость записывают все элементы трубопроводов, находящиеся в границе участка.

Ведомость трубопроводов

Форма 3

5.2. В ведомости указывают:

- в графе "Наименование" - наименование элементов трубопроводов и их обозначение в соответствии с нормативно-технической документацией или указанием номера чертежа элемента трубопровода;

- в графе "Всего" - общее количество элементов трубопроводов по всем позициям, указанным в ведомости трубопроводов.

Остальные графы заполняют в соответствии с их наименованием.

Пример оформления ведомости трубопроводов приведен в приложении 5.

5.3. Допускается:

- ведомость трубопроводов, составленную на ЭВМ, выполнять по форме машинно-ориентированных документов;

- совмещать ведомость трубопроводов и характеристики трубопроводов;

- при большом количестве трубопроводов на проектируемом объекте выполнять ведомость трубопроводов в составе рабочей документации в виде отдельного документа (по форме 3 или форме машинно-ориентированного документа) с присвоением ему самостоятельного обозначения, состоящего из обозначения основного комплекта и (через точку) шифра ВТ.

В этом случае ведомость трубопроводов записывают в раздел "Прилагаемые документы" ведомости ссылочных и прилагаемых документов общих данных соответствующего основного комплекта рабочих чертежей.

6. ЗАДАНИЕ НА РАЗРАБОТКУ ТЕХНОЛОГИЧЕСКОГО БЛОКА

6.1. Задание на разработку технологического блока должно содержать чертеж блока и ведомость трубопроводов (разд. 5) в составе блока.

6.2. На чертеже блока приводят и указывают:

- схему соединения (монтажную) блока, выполненную в соответствии с требованиями, приведенными в п.3.2. Наименование транспортируемого продукта и его параметры на вводах и выводах в блок указывают в характеристике трубопроводов. Схему располагают на первом листе чертежа блока;

- машины, аппараты, трубопроводы и их элементы, опорные конструкции;

- составные части блоков, объединенные в поставочные и монтажные узлы на опорных конструкциях;

- планы, разрезы, сечения, необходимые для разработки деталировочных чертежей трубопроводов и опорных конструкций, а также сборки блока;

- характеристику трубопроводов по форме 2;

- позиционное обозначение составных частей блока;

- решения по креплению блока к несущим строительным конструкциям;

- размеры, определяющие положение составных частей блока;

- особые требования, не приведенные в общих данных основного комплекта рабочих чертежей, в части транспортирования и хранения, изготовления, испытания и монтажа блока, другие необходимые требования;

- буквенные обозначения входа и выхода трубопроводов.

Пример оформления чертежа блока приведен в приложении 6.

6.3. На каждый блок составляют спецификацию по форме 1 ГОСТ 21.104-79 с учетом следующих дополнительных требований.

Графу "Масса ед., кг" заполняют для оборудования.

Составные части блока записывают в спецификации в следующем порядке.

1) Документация. В графе "Наименование" указывают наименование документа, а в графе "Обозначение" - его номер.

2) Оборудование. В графе "Наименование" указывают наименование машин или аппарата, а в графе "Обозначение" - нормативно-технический документ или номер чертежа.

3) Опорные конструкции блока. В графе "Наименование" указывают наименование конструкции, а в графе "Обозначение" - номер чертежа или типового проекта.

4) Заимствованные (ранее разработанные) узлы, входящие в состав блока. В графе "Наименование" указывают наименование узла, а в графе "Обозначение" - номер чертежа или типового проекта.

5) Трубопроводы. В графе "Наименование" указывают трубопровод с указанием начальной и конечной точки в границах блока.

Пример оформления спецификации блока приведен в приложении 7.

Пример оформления ведомости трубопроводов на блок приведен в приложении 8.

7. ЧЕРТЕЖИ СПЕЦИАЛЬНЫХ ТЕХНОЛОГИЧЕСКИХ ТРУБОПРОВОДОВ

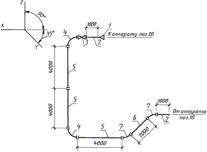
Специальный технологический трубопровод изображают во фронтальной диметрической проекции по ГОСТ 2.317-69.

На чертеже указывают:

- позиции элементов трубопроводов;

- размеры, необходимые для сборки трубопровода.

Спецификацию к чертежу специального технологического трубопровода выполняют по форме 1 ГОСТ 21.104-79.

Графу "Масса ед., кг" не заполняют.

Пример оформления чертежа специального технологического трубопровода приведен в приложении 9.

Приложение 1
(справочное)

ТЕРМИНЫ, ИСПОЛЬЗУЕМЫЕ В СТАНДАРТЕ, И ИХ ПОЯСНЕНИЯ

Термин Пояснение
1. Технологический узел Конструктивно и технологически обособленная часть объекта строительства, техническая готовность которой позволяет автономно, независимо от готовности объекта в целом, производить пуско-наладочные работы, индивидуальные испытания и комплексное опробование этой части объекта. Технологические узлы, как правило, выделяют стадии технологического процесса объекта - подготовку сырья, этапы его переработки, выделения конечного продукта, хранение и т.д.
2. Оборудование Технологические блоки, машины, аппараты, грузоподъемные средства
3. Технологический блок Комплекс или сборочная единица <*> технологического оборудования заданного уровня заводской готовности и производственной технологичности, предназначенные для осуществления основных или вспомогательных технологических процессов. В состав блока включают машины, аппараты, первичные средства контроля и управления, трубопроводы, опорные и обслуживающие конструкции, тепловую изоляцию и химическую защиту. Блоки, как правило, формируют для осуществления теплообменных, массообменных, гидродинамических, химических и биологических процессов. Номенклатура блоков устанавливается ведомственными нормативными документами, согласованными с министерствами, осуществляющими монтажные работы
4. Технологические трубопроводы Трубопроводы, предназначенные для транспортирования различных веществ, необходимых для ведения технологического процесса или эксплуатации оборудования
5. Специальные трубопроводы Технологические трубопроводы стальные с внутренними покрытиями, стальные, работающие под давлением 10 МПа и более, трубопроводы из неметаллических материалов
6. Участок трубопровода Часть технологического трубопровода из одного материала, по которому транспортируют вещество с одним давлением и температурой. При определении участка трубопровода в его границах для одного условного прохода должна быть обеспечена идентичность марок арматуры, фланцев, отводов, тройников и переходов
7. Элементы трубопровода Патрубки (трубы), отводы, переходы, тройники, фланцы, компенсаторы, отключающая, регулирующая, предохранительная арматура, опоры, прокладки и крепежные изделия, устройства, устанавливаемые на трубопроводах для контроля и управления, конденсационные и другие детали и устройства

<*> Определение комплекса и сборочной единицы - ГОСТ 2.101-68.

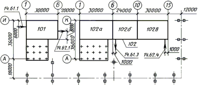
Приложение 2
(справочное)

СХЕМА РАСПОЛОЖЕНИЯ ТЕХНОЛОГИЧЕСКИХ УЗЛОВ

Черт. 1

Ведомость технологических узлов

Номер узла по схеме Наименование технологического узла Категория производства по взрывной, взрывопожарной и пожарной опасности Степень огнестойкости здания Класс помещения и наружных установок по ПУЭ Группа процессов по санитарной характеристике
101 Насосная В II II-II IIIб
  в т.ч. помещение смазки А III - II

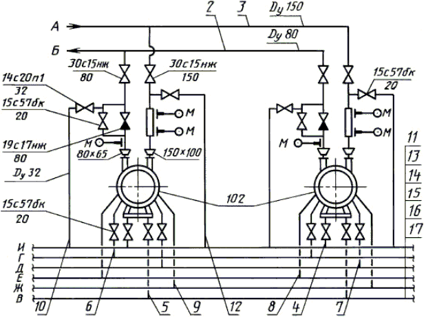
Приложение 3
(справочное)

СХЕМА СОЕДИНЕНИЙ (МОНТАЖНАЯ)

Черт. 2

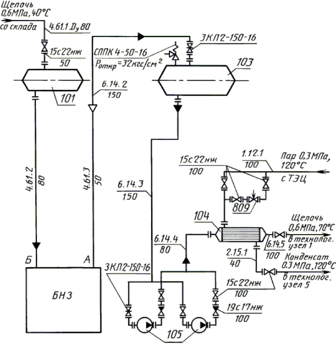
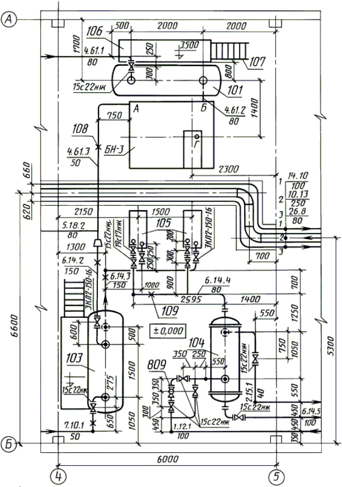
Приложение 4
(справочное)

ПЛАН НА ОТМ. 0.000

Черт. 3

Поз. Обозначение Наименование Кол. Масса ед., кг Примеч.
           
101 ОСТ 26-02-1496-76 Емкость 1-4,0-1200-1,0-1-2-1-0 1    
           
БН3 ХХХ-ХХ ТХ.И-БН-3. ВО Блок нагнетания 1    
           
103 ОСТ 26-02-1496-76 Емкость 1-6,3-1600-1,0-1-2-1-0 1    
           
104 НИ 780 Теплообменник      
    1200 ИТ-2-16 МЛ25 Г4 1    
           
105 ХХХ-ХХ Насос НК 65/35-70 с электродвигателем 2    
    ВАО-81-8, N = 40 кВт,      
    n = 2950      
           
4.61.1   Участок трубопровода 1    
    от границы установки до поз.101      
           
4.61.3   Участок трубопровода 1    
    от поз. БН3 до участка      
    трубопровода 5.18.2      
           
7.10.1   Участок трубопровода 1    
    от поз.103 до границы установки      
           
6.14.2   Участок трубопровода 1    
    от участка трубопровода      
    5.18.2 до поз.103      
           
           

Приложение 5
(справочное)

Наименование Единица изм. Всего Кол. на участок трубопровода
4.61.1 4.61.3 6.14.2 7.10.1        
Труба
ГОСТ 8732-78
                   
ВСт20 ГОСТ 8731-74
159 x 4,5 м 3,0     3,0          
89 x 3,5 м 2,0 2,0              
57 x 3,5 м 6,75   4,25   2,5        
                     
Отвод 90° ГОСТ 17375-83                    
159 x 4,5 шт. 2     2          
89 x 3,5 шт. 2 2              
57 x 3,5 шт. 5   2   3        
                     
Переход ГОСТ 17378-83 шт.                  
159 x 4,5 - 57 x 3,0   1   1            
                     
Задвижка ЗКЛ2-150-16 шт. 1     1          
                     
Вентиль 15с22нж шт.                  
80, 40   1 1              
50, 40   1                
                     
Опора шт.                  
ОПП2-100.159   1     1          
ОПП2-100.57   2   1   1        

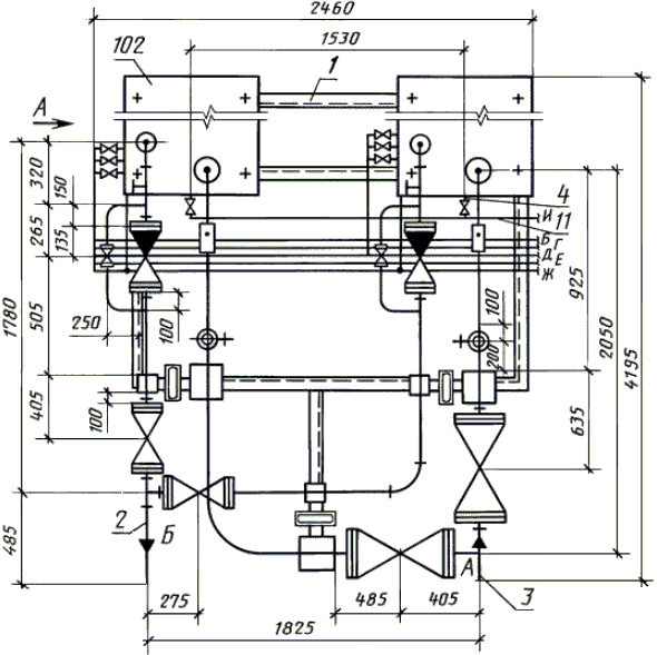
Приложение 6
(справочное)

Черт. 4

Характеристика трубопроводов

Обозначение Наименование транспортируемого продукта Категория трубопровода Рабочие условия трубопровода Испытание Дополнительные указания
Температура, °С Давление, МПа (кгс/см2) Вид Давление МПа (кгс/см2)
3 Кислота III 43 1,0 (10) Прочность 1,3 (13)  
2 Кислота III 43 1,4 (14) Прочность 1,7 (17)  
17 Охлаждающая жидкость V 20 0,3 (3) Прочность 0,5 (5)  
13 Охлаждающая жидкость V 20 0,3 (3) Прочность 0,5 (5)  
14 Уплотняющая жидкость V 40 0,6 (6) Прочность 0,9 (9)  
15 То же V 40 0,6 (6) Прочность 0,9 (9)  
16 Утечки V 20 0,1 (1) Прочность 0,2 (2)  
11 Дренаж кислоты III 43 1,0 (10) Прочность 1,3 (13)  

План на отм. 0.000

Черт. 5

Черт. 6

Приложение 7
(справочное)

Поз. Обозначение Наименование Кол. Масса ед., кг Примеч.
  ХХХ-ХХ-ТХ1.И-БН.ВО Блок нагнетания      
  ХХХ-ХХ-ТХ1.И-БН.ВТ Ведомость трубопроводов      
           
102 ХХХ-ХХ Насос НК 65/35-70 2 500  
    с электродвигателем      
    ВАО-81-2, N = 40 кВт      
           
1 ХХХ-ХХ-БН 00.001 Конструкция опорная 1    
           
2   Трубопровод от штуцера Б до 1    
    границы блока      
3   Трубопровод от штуцера А до 1    
    границы блока      
4   Трубопровод от насоса до 2    
    коллектора И      
5   Трубопровод от насоса до 2    
    коллектора В      
6   Трубопровод от насоса до 2    
    коллектора Г      
7   Трубопровод от насоса до 2    
    коллектора Д      
8   Трубопровод от насоса до 2    
    коллектора Е      
9   Трубопровод от насоса до 2    
    коллектора Ж      
10   Трубопровод от трубопровода поз.2 до 2    
    коллектора И      
           

Приложение 8
(справочное)

Наименование Единица изм. Всего Кол. на участок трубопровода
Поз.2 Поз.3 Поз.4 Поз.10        
                     
Труба
ГОСТ 8732-78
                   
ВСт20 ГОСТ 8731-74                    
                     
159 x 4,5 м 1,9   1,9            
89 x 3,5 м 3,5 3,5              
                     
Труба
ГОСТ 8734-75
                   
ВСт20 ГОСТ 8733-74                    
                     
25 x 1,6 м 5,4     0,9 4,5        
38 x 2                    
                     
Отвод 90° ГОСТ 17375-83                    
159 x 4,5 шт. 3   3            
89 x 3,6 шт. 3 3              
                     
Переход ГОСТ 17378-83:                    
159 x 4,5 -108 x 4 шт. 1   1            
89 x 3,5 -76 x 3,5 шт. 2 2              
                     
Опора                    
ОПП 2-150.159 шт. 3   3            
ОПП 2-80-89 шт. 3 3              
                     
Вентиль 15с27нж125, 16 шт. 6 2   2 2        
                     

Приложение 9
(справочное)

Черт. 7 Спецификация трубопровода

Поз. Обозначение Наименование Кол. Примеч.
1 ТУ 14-3-425-76 Переход ПВП 80 x 50 1  
2 ТУ 14-3-523-76 Труба 6-50 ПВП x 1000 2  
3 ТУ 26-07-123-74 Вентиль диафрагмовый футерованный фланцевый 1  
  Каталог ЦКБА, ч.1, 1981 г. 15ч76п1, 50, 0,6(6)    
4 ТУ 14-3-424-75 Отвод 6 ПВП 50 x 90° 2  
5 ТУ 14-3-523-76 Труба 6-50 ПВП x 4000 3  
6 ТУ 14-3-523-76 Труба 6-50 ПВП x 2000 1  
7 ТУ 14-3-424-75 Отвод 6 ПВП 50 x 45° 2