Система проектной документации для строительства. Правила выполнения рабочей документации архитектурных и конструктивных решений. ГОСТ 21.501-2018

(утв. Приказом Росстандарта от 18.12.2018 N 1121-СТ)
Редакция от 18.12.2018 — Действует с 01.06.2019

МЕЖГОСУДАРСТВЕННЫЙ СТАНДАРТ

СИСТЕМА ПРОЕКТНОЙ ДОКУМЕНТАЦИИ ДЛЯ СТРОИТЕЛЬСТВА

ПРАВИЛА ВЫПОЛНЕНИЯ РАБОЧЕЙ ДОКУМЕНТАЦИИ АРХИТЕКТУРНЫХ И КОНСТРУКТИВНЫХ РЕШЕНИЙ

System of design documentation for construction. Rules for execution of the working documentation of architectural and construction solutions

ГОСТ 21.501-2018

Дата введения
1 июня 2019 года

Предисловие

Цели, основные принципы и основной порядок проведения работ по межгосударственной стандартизации установлены в ГОСТ 1.0-2015 "Межгосударственная система стандартизации. Основные положения" и ГОСТ 1.2-2015 "Межгосударственная система стандартизации. Стандарты межгосударственные, правила и рекомендации по межгосударственной стандартизации. Правила разработки, принятия, обновления и отмены"

Сведения о стандарте

1 РАЗРАБОТАН Акционерным обществом "Центр технического и сметного нормирования в строительстве" (АО "ЦНС")

2 ВНЕСЕН Техническим комитетом по стандартизации ТК 465 "Строительство"

3 ПРИНЯТ Межгосударственным советом по стандартизации, метрологии и сертификации (протокол от 30 августа 2018 г. N 111-П)

За принятие проголосовали:

Краткое наименование страны по МК (ИСО 3166) 004-97 Код страны по МК (ИСО 3166) 004-97 Сокращенное наименование национального органа по стандартизации
Армения AM Минэкономики Республики Армения
Беларусь BY Госстандарт Республики Беларусь
Киргизия KG Кыргызстандарт
Россия RU Росстандарт
Узбекистан UZ Узстандарт

4 Приказом Федерального агентства по техническому регулированию и метрологии от 18 декабря 2018 г. N 1121-ст введен в действие межгосударственный стандарт ГОСТ 21.501-2018 в качестве национального стандарта Российской Федерации с 1 июня 2019 г.

5 ВЗАМЕН ГОСТ 21.501-2011

Информация об изменениях к настоящему стандарту публикуется в ежегодном информационном указателе "Национальные стандарты", а текст изменений и поправок - в ежемесячном информационном указателе "Национальные стандарты". В случае пересмотра (замены) или отмены настоящего стандарта соответствующее уведомление будет опубликовано в ежемесячном информационном указателе "Национальные стандарты". Соответствующая информация, уведомление и тексты размещаются также в информационной системе общего пользования - на официальном сайте Федерального агентства по техническому регулированию и метрологии в сети Интернет (www.gost.ru)

1 Область применения

Настоящий стандарт устанавливает состав и правила оформления рабочей документации архитектурных и конструктивных решений зданий и сооружений различного назначения, а также рабочей документации на строительные изделия.

Состав и правила оформления рабочей документации конструктивных решений металлических строительных конструкций установлены в ГОСТ 21.502, деревянных конструкций - в ГОСТ 21.504.

2 Нормативные ссылки

В настоящем стандарте использованы нормативные ссылки на следующие межгосударственные стандарты:

ГОСТ 2.109-73 Единая система конструкторской документации. Основные требования к чертежам

ГОСТ 2.113-75 Единая система конструкторской документации. Групповые и базовые конструкторские документы

ГОСТ 2.306-68 Единая система конструкторской документации. Обозначения графические материалов и правила их нанесения на чертежах

ГОСТ 21.001-2013 Система проектной документации для строительства. Общие положения

ГОСТ 21.101-97 <*> Система проектной документации для строительства. Основные требования к проектной и рабочей документации

<*> В Российской Федерации действует ГОСТ Р 21.1101-2013.

ГОСТ 21.110-2013 Система проектной документации для строительства. Спецификация оборудования, изделий и материалов

ГОСТ 21.113-88 Система проектной документации для строительства. Обозначения характеристик точности

ГОСТ 21.201-2011 Система проектной документации для строительства. Условные графические изображения элементов зданий, сооружений и конструкций

ГОСТ 21.205-2016 Система проектной документации для строительства. Условные обозначения элементов трубопроводных систем зданий и сооружений

ГОСТ 21.302-2013 Система проектной документации для строительства. Условные графические обозначения в документации по инженерно-геологическим изысканиям

ГОСТ 21.502-2016 Система проектной документации для строительства. Правила выполнения рабочей документации металлических конструкций

ГОСТ 21.504-2016 Система проектной документации для строительства. Правила выполнения рабочей документации деревянных конструкций

ГОСТ 13015-2012 Изделия бетонные и железобетонные для строительства. Общие технические требования. Правила приемки, маркировки, транспортирования и хранения

ГОСТ 14098-2014 Соединения сварные арматуры и закладных изделий железобетонных конструкций. Типы, конструкции и размеры

ГОСТ 21780-2006 Система обеспечения точности геометрических параметров в строительстве. Расчет точности

ГОСТ 23009-2016 Конструкции и изделия бетонные и железобетонные сборные. Условные обозначения (марки)

Примечание - При пользовании настоящим стандартом целесообразно проверить действие ссылочных стандартов в информационной системе общего пользования - на официальном сайте Федерального агентства по техническому регулированию и метрологии в сети Интернет или по ежегодному информационному указателю "Национальные стандарты", который опубликован по состоянию на 1 января текущего года, и по выпускам ежемесячного информационного указателя "Национальные стандарты" за текущий год. Если ссылочный стандарт заменен (изменен), то при пользовании настоящим стандартом следует руководствоваться заменяющим (измененным) стандартом. Если ссылочный стандарт отменен без замены, то положение, в котором дана ссылка на него, применяется в части, не затрагивающей эту ссылку.

3 Термины и определения

В настоящем стандарте применены термины по ГОСТ 21.001, а также следующие термины с соответствующими определениями:

3.1 чертежи архитектурных решений: Чертежи здания или сооружения, отображающие его внешний и внутренний вид комплексным решением пространственных, планировочных, функциональных и эстетических требований к нему, зафиксированный в виде контурного условного изображения несущих и ограждающих конструкций.

3.2 чертежи конструктивных решений: Чертежи, отображающие в виде условных изображений строительные конструкции (железобетонные, каменные, металлические, деревянные, пластмассовые и т.п.), примененные в зданиях или сооружениях, и их взаимное размещение и соединение.

3.3 план: Вид сверху или горизонтальный разрез здания или сооружения.

3.4 фасад: Ортогональная проекция наружной стены здания или сооружения на вертикальную плоскость.

Примечание - Различают фасады главный, боковой, дворовый и др.

3.5 строительная конструкция: Часть здания или сооружения, выполняющая определенные несущие, ограждающие и (или) эстетические функции.

3.6 строительное изделие: Изделие, предназначенное для применения в качестве элемента зданий, сооружений и строительных конструкций.

3.7 элемент строительной конструкции: Составная часть сборной или монолитной конструкции.

3.8 строительный материал: Материал, в т.ч. штучный, предназначенный для изготовления строительных изделий и возведения строительных конструкций зданий и сооружений.

4 Общие положения

4.1 Рабочую документацию архитектурных и конструктивных решений, а также строительных изделий выполняют в соответствии с требованиями ГОСТ 21.101 и настоящего стандарта.

4.2 Рабочая документация на бумажном носителе (в бумажной форме) и в виде электронных документов может быть выполнена на основе информационной модели здания или сооружения.

4.3 Условные графические изображения элементов зданий, сооружений и строительных конструкций принимают по ГОСТ 21.201.

4.4 Графические обозначения материалов в сечениях, разрезах и на фасадах, а также правила их нанесения принимают по ГОСТ 2.306.

4.5 Элементы санитарно-технических систем (ванны, раковины, унитазы и др.) в зависимости от масштаба чертежа изображают упрощенно, учитывая их конструктивные особенности, или условными графическими обозначениями по ГОСТ 21.205.

4.6 Буквенно-цифровые обозначения (марки) элементов и строительных конструкций зданий (сооружений), а также строительных изделий составляют из буквенного обозначения их типа и порядкового номера. Обозначение типа элемента, конструкции и изделия состоит из условного буквенного обозначения их наименования. Буквенные обозначения наименований конструкций и изделий принимают по соответствующим стандартам, например ГОСТ 23009.

Порядковый номер элементу, конструкции и изделию присваивают в пределах обозначения типа, начиная с единицы.

Пример - Б1, Б2, ПР1

Для марок монолитных железобетонных и бетонных конструкций принимают обозначения с дополнительным индексом "м".

Пример - Бм1, ПРм1, ПРм2

4.7 В чертежах архитектурных и конструктивных решений для геометрических параметров зданий, сооружений, конструкций и их элементов, подлежащих контролю точности, указывают характеристики точности по ГОСТ 21.113.

Требования к точности функциональных геометрических параметров зданий, сооружений и конструкций должны быть увязаны с требованиями к точности изготовления изделий (элементов конструкций), разбивки осей и установки элементов конструкций путем расчета точности по ГОСТ 21780.

4.8 В рабочих чертежах (на изображениях фундаментов, стен, перегородок, перекрытий) указывают проемы, борозды, ниши, гнезда и отверстия с необходимыми размерами и привязками.

4.9 Рекомендуемые масштабы изображений на чертежах приведены в таблице 1.

Таблица 1

Наименование изображения Масштаб
1 Архитектурные решения:  
1.1 Планы этажей (кроме технических), разрезы, фасады 1:50; 1:100; 1:200; 1:400; 1:500
1.2 Планы кровли, полов, технических этажей 1:200; 1:500
1.3 Фрагменты планов, фасадов 1:50; 1:100
1.4 Узлы 1:10; 1:20
2 Конструктивные решения:  
2.1 Схемы расположения элементов конструкций 1:100; 1:200; 1:400; 1:500
2.2 Фрагменты и сечения к схемам расположения элементов конструкций 1:50; 1:100
2.3 Узлы к схемам расположения элементов конструкций 1:10; 1:20
2.4 Виды, разрезы и сечения элементов бетонных и железобетонных конструкций, схемы армирования 1:20; 1:50; 1:100
2.5 Узлы конструкций 1:5; 1:10; 1:20; 1:50
3 Чертежи изделий 1:5; 1:10; 1:20
Примечание - Масштаб изображения выбирают из рекомендуемого ряда в зависимости от размеров здания и насыщенности изображений на чертеже.

5 Архитектурные решения

5.1 Общие требования

5.1.1 В состав рабочей документации архитектурных решений включают рабочие чертежи, предназначенные для производства строительных и монтажных работ (основной комплект рабочих чертежей марки АР), а также:

- рабочую документацию на строительные изделия (при необходимости);

- спецификацию оборудования, изделий и материалов;

- опросные листы и габаритные чертежи, выполняемые в соответствии с данными поставщиков оборудования (при необходимости);

- локальную смету (при необходимости).

5.1.2 В состав основного комплекта рабочих чертежей марки АР включают:

- общие данные по рабочим чертежам;

- планы этажей, в т.ч. подвала, технического подполья, технического этажа и чердака;

- разрезы;

- фасады;

- планы полов (при необходимости);

- план кровли (крыши);

- схемы расположения элементов сборных перегородок <*>;

- схемы расположения элементов заполнения оконных и других проемов <*>;

- другие планы и схемы расположения, учитывающие специфику проектируемого здания (сооружения), например схему расположения стеновых сэндвич-панелей, план подвесного потолка (при необходимости);

- выносные элементы (узлы, фрагменты), местные разрезы и сечения;

- спецификации к планам и схемам расположения.

<*> Схемы расположения металлических элементов сборных перегородок и заполнения оконных проемов выполняют в составе рабочих чертежей металлических конструкций. Схемы расположения элементов сборных железобетонных перегородок выполняют, как правило, в составе основного комплекта рабочих чертежей железобетонных конструкций.

5.2 Общие данные по рабочим чертежам

5.2.1 В состав общих данных по рабочим чертежам в дополнение к сведениям, предусмотренным ГОСТ 21.101, включают ведомость отделки помещений по форме 1 (приложение А) - при отсутствии основного комплекта рабочих чертежей интерьеров и если это предусмотрено заданием на проектирование.

5.2.2 В общих указаниях в дополнение к сведениям, предусмотренным ГОСТ 21.101, приводят:

- класс и уровень ответственности сооружения;

- категорию здания (сооружения) по взрывопожарной и пожарной опасности;

- степень огнестойкости здания (сооружения);

- класс конструктивной пожарной опасности здания;

- класс функциональной пожарной опасности здания;

- класс пожарной опасности строительных конструкций;

- расчетный срок службы здания (сооружения);

- характеристику стеновых и изоляционных материалов <**>;

- указания по устройству гидроизоляции и отмостки <**>;

- указания по наружной отделке здания (сооружения) <**>;

- указания о мероприятиях при производстве работ в зимнее время;

- указания о мероприятиях, обеспечивающих защиту помещений от шума, вибрации и других воздействий.

<**> Приводят, если нет соответствующих указаний на чертежах.

5.3 Планы этажей

5.3.1 При выполнении плана этажа положение мнимой горизонтальной секущей плоскости разреза принимают на уровне оконных проемов или на 1/3 высоты изображаемого этажа.

Когда оконные проемы расположены выше секущей плоскости, по периметру плана располагают сечения соответствующих стен на уровне оконных проемов.

5.3.2 На планы этажей наносят:

а) координационные оси здания (сооружения), расстояния между ними и общее расстояние между крайними осями;

б) толщину стен и перегородок и их привязку к координационным осям или к поверхности ближайших конструкций, проемы с необходимыми размерами и привязкой к координационным осям, отметки участков, расположенных на разных уровнях, другие необходимые размеры;

в) линии и обозначения разрезов. Линии разрезов проводят, как правило, с таким расчетом, чтобы в разрез попадали проемы окон, наружных ворот и дверей, лестничные клетки, шахты лифтов, балконы, лоджии и т.п.;

г) номера позиций (марки) элементов здания (сооружения), например перемычек, лестниц, заполнения проемов ворот и дверей (кроме входящих в состав щитовых перегородок) и др. Номера типов заполнения проемов ворот и дверей указывают в окружностях диаметром от 5 до 7 мм;

д) обозначения узлов и фрагментов планов;

е) наименования помещений, их площади, категории по взрывопожарной и пожарной опасности (кроме жилых зданий).

Площадь проставляют в нижнем правом углу помещения и подчеркивают. Категорию помещения по взрывопожарной и пожарной опасности проставляют под его наименованием в прямоугольнике.

Для жилых зданий, при необходимости, на планах указывают тип и площадь квартир, при этом сведения рекомендуется приводить в соответствии с рисунком 1.

Рисунок 1

Примечание - Допускается вместо общей площади квартиры указывать площадь неотапливаемых помещений без понижающих коэффициентов.

Допускается наименования помещений, их площади и категории приводить в экспликации помещений по форме 2 (приложение А). В этом случае на планах вместо наименований помещений проставляют их номера в окружности диаметром от 12 до 15 мм или овале. Для жилых зданий экспликацию помещений, как правило, не выполняют;

ж) границы зон передвижения технологических кранов (при необходимости);

и) расположение санитарно-технического оборудования (при необходимости).

5.3.3 Встроенные помещения и другие участки здания (сооружения), на которые выполняют отдельные чертежи, изображают схематично сплошной тонкой линией с показом несущих конструкций.

5.3.4 Площадки, антресоли, подвесные потолки и другие конструкции, расположенные выше секущей плоскости, изображают схематично тонкой штрихпунктирной линией с двумя точками.

5.3.5 Примеры выполнения планов этажей зданий приведены на рисунках Б.1 и Б.2 (приложение Б).

5.3.6 Для зданий со стенами из кирпича или мелких блоков выполняют, при необходимости, кладочные планы.

На кладочном плане изображают план кладки стен, перегородок, колонн, столбов и других элементов, возводимых из кирпича или мелких блоков, оконные и дверные проемы, отверстия, вентиляционные каналы и дымоходы, ниши, борозды и т.п. Схематично сплошными тонкими линиями изображают лестницы, шахты лифтов, балконы, лоджии.

На кладочном плане указывают сведения в соответствии с перечислениями а) - д) 5.3.2, обозначают участки кладки, армируемые арматурными сетками и стержнями, и приводят указания о размещении сеток и стержней в кладке. В дополнение к кладочному плану выполняют план перемычек <*>, на котором указывают номера позиций (марки) перемычек в местах их укладки.

5.3.7 К планам этажей выполняют:

- ведомость перемычек по форме 3 (приложение А) <*>;

- спецификации элементов заполнения оконных, дверных и других проемов, сборных перегородок, перемычек <*>, замаркированных на планах, разрезах и фасадах, - по форме 7 или 8 ГОСТ 21.101 <**>;

- другие ведомости по усмотрению разработчика (например, ведомость отверстий для инженерных коммуникаций).

Примечание - В графе "Примечание" спецификации элементов заполнения проемов указывают, при необходимости, ширину и высоту проемов.

<*> Допускается план, ведомость и спецификацию перемычек выполнять в составе рабочих чертежей конструктивных решений.

<**> В Российской Федерации соответствуют формам 7 и 8 ГОСТ Р 21.1101-2013.

5.3.8 Примеры выполнения ведомости и спецификации элементов перемычек приведены на рисунках В.1 и В.2 (приложение В).

Пример выполнения спецификации элементов заполнения проемов приведен на рисунке В.3 (приложение В).

5.4 Разрезы и фасады

5.4.1 На разрезах наносят и указывают:

- координационные оси здания (сооружения);

- расстояния между координационными осями и общее расстояние между крайними осями;

- отметки уровней, характеризующие расположение элементов несущих и ограждающих конструкций по высоте (земли, чистого пола этажей и площадок, низа опорной части заделываемых в стены элементов конструкций, верха стен, карнизов, уступов стен, головки рельсов крановых путей и т.п.);

- размеры и привязки по высоте проемов, отверстий, ниш и гнезд в стенах и перегородках;

- толщину стен и их привязку к координационным осям (при необходимости);

- номера позиций (марки) элементов здания (сооружения), не указанные на планах и фасадах;

- обозначения узлов и фрагментов разрезов.

Состав и толщину слоев многослойных стен, кровли, покрытия пола указывают в выносных надписях как для многослойных конструкций.

Линии контуров элементов конструкций в разрезе изображают сплошной толстой основной линией, видимые линии контуров, не попадающие в плоскость сечения, - сплошной тонкой линией.

Из видимых элементов на разрезах изображают только элементы конструкций здания (сооружения), подъемно-транспортное оборудование, открытые лестницы и площадки, находящиеся непосредственно за плоскостью разреза.

Состав и толщину слоев многослойных стен, кровли, покрытия пола указывают в выносных надписях как для многослойных конструкций.

5.4.2 На фасадах наносят и указывают:

- координационные оси здания (сооружения), проходящие в характерных местах фасадов (например, крайние, у деформационных швов, в местах уступов в плане и перепада высот);

- отметки уровней земли, входных площадок, верха стен, низа и верха проемов и расположенных на разных уровнях элементов фасадов (например, козырьков, выносных тамбуров). Допускается отметки низа и верха проемов указывать на разрезах;

- отметки уровней, размеры и привязки проемов и отверстий, не указанные на планах и разрезах;

- типы заполнения оконных проемов <*>, если они не входят в состав элементов сборных конструкций стен. Допускается типы заполнения оконных проемов указывать на планах этажей.

<*> Обозначения типов заполнения оконных проемов составляют из буквенного обозначения ОК и порядкового номера в пределах этого обозначения (например, ОК1, ОК2 и т.д.).

Наружное балконное остекление на фасадах показывают в упрощенном виде, достаточном для разработки его конструкции в отдельной документации;

- виды отделки отдельных участков стен, отличающихся от остальных (преобладающих), - на полках линий-выносок;

- наружные пожарные и эвакуационные лестницы, примыкание галерей;

- обозначения фрагментов и узлов фасадов.

На листе, где изображены фасады, приводят, при необходимости, ведомость отделки фасадов по форме 9 (приложение А). В этом случае за пределами изображения фасада в окружностях диаметром от 6 до 8 мм наносят номера типов отделки фасада и от этих окружностей проводят линии-выноски к соответствующим участкам фасада.

5.4.3 Примеры выполнения разрезов приведены на рисунках Г.1 - Г.3 (приложение Г), фасадов, их фрагментов и частей - на рисунках Д.1, Д.2 (приложение Д).

5.5 Планы полов и кровли (крыши)

5.5.1 На планы полов наносят:

- крайние координационные оси с указанием расстояния между ними, оси в характерных местах полов (у деформационных швов и у границ участков с полами разных типов) с размерными привязками;

- обозначения уклонов полов;

- номера типов полов - в равносторонних треугольниках высотой от 8 до 10 мм;

- отметки уровней в местах перепадов полов.

Стены здания (сооружения) и перегородки на планах полов изображают сплошной толстой основной линией.

На планах полов указывают элементы здания (сооружения) и устройства, влияющие на конструкцию пола (проемы ворот и дверей, деформационные швы, каналы, трапы и др.), границы участков с различной конструкцией пола.

Деформационные швы изображают двумя тонкими сплошными линиями, границы участков пола - пунктирными линиями.

Планы полов допускается совмещать с планами этажей.

5.5.2 К планам полов составляют экспликацию полов по форме 4 (приложение А).

5.5.3 Пример выполнения плана полов приведен на рисунке Е.1 (приложение Е).

5.5.4 На план кровли (крыши) наносят:

- крайние координационные оси с указанием расстояния между ними, оси в характерных местах кровли [у деформационных швов, по краям участков кровли (крыши) с различными конструктивными и другими особенностями] с размерными привязками;

- размеры участков с различной конструкцией и материалом кровли (крыши);

- обозначения местных уклонов;

- отметки уровней кровли у водоприемных воронок и парапетов;

- схематический поперечный профиль кровли (крыши) в виде наложенного сечения с обозначениями уклонов (при необходимости);

- номера позиций (марки) элементов и устройств кровли (крыши).

На плане кровли (крыши) указывают деформационные швы двумя тонкими линиями, парапетные плиты и другие элементы ограждения кровли (крыши), воронки, дефлекторы, вентшахты, пожарные лестницы, прочие элементы и устройства, которые указывать и маркировать на других чертежах нецелесообразно.

5.5.5 К плану кровли (крыши) составляют спецификацию по форме 7 ГОСТ 21.101 <*>, в которую записывают элементы и устройства кровли (крыши).

<*> В Российской Федерации соответствует форме 7 ГОСТ Р 21.1101-2013.

5.5.6 Пример выполнения плана кровли приведен на рисунке Ж.1 (приложение Ж).

5.6 Схемы расположения элементов сборных перегородок, элементов заполнения оконных и других проемов

5.6.1 Схемы расположения, элементов сборных перегородок (кроме панельных железобетонных), элементов заполнения оконных и других проемов выполняют с учетом требований 6.3. Спецификации к схемам расположения составляют по формам 7 или 8 ГОСТ 21.1101 <**>.

Официальный источник электронного документа содержит неточность: имеется в виду ГОСТ 21.101.

<**> В Российской Федерации соответствует формам 7 и 8 ГОСТ Р 21.1101-2013.

5.6.2 Допускается схемы расположения элементов сборных перегородок совмещать с планами этажей.

Пример выполнения схемы расположения элементов сборных перегородок приведен на рисунке И.1 (приложение И).

5.6.3 Схему расположения элементов заполнения оконных проемов составляют на заполнение каждого типа. Сплошное заполнение между двумя смежными координационными осями учитывают как заполнение одного типа.

На схеме указывают:

- элементы заполнения с учетом условных обозначений открывания оконных переплетов по ГОСТ 21.201;

- номера позиций элементов заполнения;

- размеры проема и основные установочные размеры переплетов.

Над схемами расположения элементов заполнения оконных проемов наименования схем указывают сокращенно (например, ОК1, ОК2).

В основной надписи наименования схем указывают со словом "схема(ы)".

Пример - Схемы ОК1 - ОК7.

При комплектной поставке панелей с заполненными проемами схему расположения элементов заполнения не выполняют.

5.6.4 Пример выполнения схемы расположения элементов заполнения оконных проемов приведен на рисунке К.1 (приложение К).

5.7 Спецификация оборудования, изделий и материалов

5.7.1 Спецификацию оборудования, изделий и материалов (далее - спецификация) к основному комплекту рабочих чертежей марки АР выполняют и обозначают по ГОСТ 21.110 с учетом требований настоящего стандарта.

5.7.2 Если в производственном здании предусмотрены пристроенные или встроенные части, в которых размещают вспомогательные помещения, то спецификацию составляют по частям:

- производственная часть;

- вспомогательная часть.

Если в жилом здании предусматривают пристроенные или встроенные части для размещения предприятий и учреждений общественного назначения, то спецификацию также составляют по частям:

- жилая часть;

- вспомогательная часть.

Наименование каждой части записывают в виде заголовка в графе "Наименование и техническая характеристика" и подчеркивают.

5.7.3 При необходимости спецификацию или ее части, указанные в 5.7.2, дополнительно делят на разделы:

- подземная часть здания (сооружения);

- надземная часть здания (сооружения).

Если требуется выделить ресурсы по отдельным конструктивным частям здания, то каждый раздел делят на подразделы:

- стены, перегородки (кроме железобетонных);

- полы;

- кровля (крыша).

При делении разделов спецификации на указанные подразделы, оборудование, предусмотренное основным комплектом рабочих чертежей марки АР, как правило, выделяют в самостоятельный подраздел с наименованием "Оборудование".

5.7.4 Оборудование, элементы здания, сооружения (изделия) и материалы в разделах (подразделах) записывают по группам в такой последовательности:

- оборудование;

- элементы заполнения проемов (ворота, блоки дверные и оконные, в т.ч. с механизмами открывания, решетки жалюзийные и др.);

- элементы перемычек;

- элементы сборных перегородок;

- другие элементы здания (сооружения);

- основные материалы.

В спецификацию не включают отдельные виды изделий и материалов (болты, гайки, шайбы, дюбели, гвозди и др.), номенклатуру и количество которых определяют по действующим технологическим и производственным нормам расхода материалов при выполнении строительно-монтажных работ.

5.7.5 В спецификации принимают следующие единицы измерений:

- оборудование, изделия (элементы здания) - шт.;

- материалы покрытий, защиты (например, рубероид, толь, гипсокартонные <*> листы, гипсоволокнистые <*> листы, линолеум, оконное стекло, ткани, сетки, тонколистовой прокат, керамические плитки, паркет, в т.ч. штучный, паркетные щиты, древесноволокнистые <*> плиты, древесностружечные <*> плиты) - м2;

- материалы изоляционные, заполнители (например, минеральная вата, щебень, гравий, бутовый камень, песок, бетон) - м3;

- другие материалы (например, цемент, асбест, известь строительная, битум, раствор, асфальтобетон) - кг (допускается - т).

<*> При необходимости применяют в качестве изделий с указанием технической характеристики и количества в штуках.

6 Конструктивные решения

6.1 Общие требования

6.1.1 В состав рабочей документации конструктивных решений включают:

- рабочие чертежи, предназначенные для производства строительно-монтажных работ (основной комплект рабочих чертежей конструктивных решений);

- рабочую документацию на строительные изделия;

- локальную смету (при необходимости).

Марки и наименования основных комплектов рабочих чертежей конструктивных решений присваивают по ГОСТ 21.101 в зависимости от вида строительных конструкций.

6.1.2 В состав основного комплекта рабочих чертежей конструктивных решений бетонных и железобетонных конструкций в общем случае включают:

- общие данные по рабочим чертежам;

- схемы расположения элементов сборных конструкций;

- спецификации к схемам расположения элементов сборных конструкций;

- чертежи монолитных бетонных и железобетонных конструкций;

- спецификации монолитных конструкций;

- ведомость расхода стали на монолитную железобетонную конструкцию.

6.2 Общие данные по рабочим чертежам

6.2.1 В состав общих данных по рабочим чертежам конструктивных решений включают сведения, предусмотренные ГОСТ 21.101.

При выполнении в составе основного комплекта чертежей фундаментов в состав общих данных дополнительно включают фрагмент разбивочного плана с нанесенными осями здания или сооружения, положением инженерно-геологических выработок (скважин, шурфов, точек зондирования и др.), линий инженерно-геологических разрезов и др.

6.2.2 В состав общих указаний, приводимых в составе общих данных по рабочим чертежам, в дополнение к сведениям, предусмотренным ГОСТ 21.101, включают:

- сведения о нагрузках и воздействиях, принятых для расчета конструкций здания или сооружения;

- сведения о грунтах (основаниях), уровне и характере грунтовых вод, глубине промерзания <*>;

- указания о мероприятиях по устройству подготовки под фундаменты и об особых условиях производства работ <*>;

- сведения о мероприятиях по антикоррозионной защите конструкций (при отсутствии основного комплекта рабочих чертежей марки А.3);

- указания о мероприятиях при производстве работ в зимнее время.

<*> Приводят при их отсутствии в технических требованиях к схемам расположения элементов фундаментов.

6.3 Схемы расположения элементов сборных конструкций

6.3.1 На схеме расположения элементов сборных конструкций (далее - схема расположения) указывают в виде условных или упрощенных графических изображений элементы конструкций и связи между ними.

6.3.2 Схему расположения выполняют для каждой группы элементов конструкций, связанных условиями и последовательностью производства строительных работ.

Примеры

1 Схема расположения элементов фундаментов и фундаментных балок.

2 Схема расположения блоков стен подвала (развертка блочных стен подвала).

3 Схема расположения колонн, связей по колоннам, подкрановых балок.

4 Схема расположения ферм (балок).

5 Схема расположения панелей стен и перегородок.

6.3.3 Схемы расположения выполняют в виде планов, фасадов или разрезов соответствующих конструкций, с упрощенным изображением элементов.

6.3.4 Схему расположения панелей стен при многоярусном расположении панелей в пределах этажа выполняют в плоскости стен на виде, при однорядном расположении - в плане.

6.3.5 На схеме расположения наносят:

- координационные оси здания (сооружения), расстояния между ними и общее расстояние между крайними осями, размерную привязку осей или поверхностей элементов конструкций к координационным осям здания (сооружения) или к другим элементам конструкций, другие необходимые размеры;

- отметки наиболее характерных уровней элементов конструкций;

- номера позиций (марки) элементов конструкций;

- обозначения узлов и фрагментов;

- данные о допустимых монтажных нагрузках.

На разрезах свайного фундамента здания или сооружения наносят линии инженерно-геологических разрезов, разграничивающие слои грунта с различными геологическими характеристиками, и указывают данные по слоям грунтов (в том числе условными обозначениями по ГОСТ 21.302). Допускается на разрезах указывать только условные номера грунтов в окружностях диаметром от 5 до 7 мм, а данные по слоям грунтов приводить в таблице произвольной формы.

6.3.6 Одинаковые номера позиций (марки) последовательно расположенных элементов конструкций на схеме расположения допускается наносить только по концам ряда с указанием количества элементов в ряду в скобках после номера позиции. Если номер позиции наносят на полке линии-выноски, то количество изделий допускается указывать под полкой линии-выноски без скобок.

6.3.7 В наименовании схемы расположения, при необходимости, приводят сведения, определяющие положение конструкции в здании (сооружении). Допускается схемам расположения присваивать порядковые номера.

Пример - Схема расположения элементов перекрытия на отм. +7,200 между осями 1 - 15, В - Г (схема 1).

6.3.8 На схеме расположения наносят метки для установки в проектное положение элементов конструкций, имеющих несимметричное расположение закладных изделий и другие отличительные признаки.

6.3.9 В технических требованиях к схеме расположения приводят, при необходимости, указания о порядке монтажа, замоноличивания швов, требования к монтажным соединениям.

6.3.10 Примеры выполнения схем расположения элементов сборных конструкций приведены на рисунках Л.1 - Л.6 (приложение Л).

6.4 Чертежи монолитных бетонных и железобетонных конструкций

6.4.1 В состав чертежей монолитной бетонной конструкции (в том числе сталефибробетонной без конструктивного армирования) включают виды, разрезы и сечения (далее - чертежи общего вида).

В состав чертежей монолитной железобетонной конструкции или бетонной конструкции, армированной композитной полимерной арматурой (далее - монолитная конструкция), включают:

- чертежи общего вида (при необходимости);

- схему расположения элементов монолитной конструкции (при необходимости);

- схемы армирования монолитной конструкции или схемы армирования ее элементов.

6.4.2 На чертежах общего вида монолитных конструкций указывают:

- координационные оси здания (сооружения), расстояния между ними и общее расстояние между крайними осями, а также привязку к ним элементов конструкции;

- наружные (опалубочные) размеры элементов конструкции (толщину плиты, высоту ригеля, сечение балки, колонны и т.п.);

- отметки уровней, наиболее характерных для данной конструкции;

- закладные изделия, их номера позиций (марки);

- отверстия, ниши, борозды, а также детали (например, пробки, заделываемые в монолитную конструкцию);

- участки смежных конструкций, служащих для монолитной конструкции опорой (например, кирпичную кладку).

6.4.3 На схемах армирования указывают:

- контуры монолитной конструкции или элемента сборной конструкции - сплошной толстой основной линией;

- размеры, определяющие проектное положение арматурных изделий;

- толщину защитного слоя бетона (от грани элемента до ближайшей поверхности арматурного стержня);

- арматурные изделия условными обозначениями по ГОСТ 21.201 - очень толстой сплошной линией (в полтора-два раза толще сплошной толстой основной линии);

- закладные изделия, привариваемые к арматурному изделию при его изготовлении (без указания их номеров позиций или марок и установочных размеров);

- номера позиций (марки) арматурных изделий;

- фиксаторы для обеспечения проектного положения арматуры (при необходимости);

- указания о способе соединения арматурных стержней.

Допускается не выполнять чертежи общего вида монолитных железобетонных конструкций и бетонных конструкций, армированных композитной полимерной арматурой. В этом случае на схемах армирования дополнительно приводят данные, указанные в 6.4.2.

6.4.4 Если монолитная конструкция состоит из нескольких элементов (балок, плит и др.), на каждый из которых выполняют отдельные схемы армирования, то этим элементам присваивают номера позиций или марки, которые указывают на схеме расположения элементов монолитной конструкции в соответствии с рисунком 2.

Рисунок 2

6.4.5 На схемах армирования применяют, при необходимости, следующие упрощения:

- каркасы и сетки изображают контуром в соответствии с рисунком 3;

Рисунок 3

- для обеспечения правильной установки в проектное положение несимметричных каркасов и сеток указывают только их характерные особенности (диаметр отличающихся по диаметрам стержней и др.) в соответствии с рисунком 4;

Рисунок 4

- если железобетонная конструкция имеет несколько участков с равномерно расположенными одинаковыми арматурными изделиями (каркасами или сетками), то их контуры наносят на одном из участков, указывая номер позиции и количество изделий в скобках после номера позиции. На остальных повторяющихся участках проставляют только номера позиций и количество изделий с этим номером позиции в соответствии с рисунком 5. Если номер позиции наносят на полке линии-выноски, то количество изделий допускается указывать под полкой линии-выноски без скобок;

Рисунок 5

- на участках с отдельными стержнями, расположенными на равных расстояниях, изображают один стержень с указанием на полке линии-выноски номера позиции, а под полкой линии-выноски - шага стержней в соответствии с рисунком 6.

Распределительную арматуру (поз. 6) следует укладывать в пределах поз. 1, 2 поверху, в пределах поз. 3 - 5 - понизу.

Рисунок 6

Если нужно показать границы такого участка, то их указывают сплошной тонкой линией, заканчивающейся засечками, которую соединяют с обозначением стержня кружком [см. рисунок 7 а)]. Допускается вместо засечек границы участка указывать стрелками [см. рисунок 7 б)].

Рисунок 7

Если шаг стержней не нормируется, то на полке линии-выноски после номера позиции стержня указывают в скобках количество стержней в соответствии с рисунком 8;

Рисунок 8

- на изображении каркаса или сетки одинаковые стержни, расположенные на равных расстояниях, наносят только по концам каркаса или сетки, а также в местах изменения шага стержней. При этом под полкой линии-выноски с номером позиции стержня указывают шаг стержней в соответствии с рисунком 9;

Рисунок 9

- арматуру элементов, пересекающих изображаемый элемент, как правило, не указывают (см. рисунок 10);

Рисунок 10

- в сложной схеме армирования допускается указывать номер позиции у обоих концов одного и того же арматурного изделия или отдельного стержня в соответствии с рисунком 10.

6.4.6 Рабочие чертежи арматурных и закладных изделий, разработанные для монолитных железобетонных конструкций в качестве самостоятельных документов, в состав основного комплекта рабочих чертежей не включают, а записывают в разделе "Прилагаемые документы" ведомости ссылочных и прилагаемых документов.

6.4.7 Допускается не выполнять чертежи на простые детали, непосредственно входящие в состав монолитной железобетонной конструкции, а все необходимые данные для их изготовления приводить в спецификации и, при необходимости, помещать изображения этих деталей на свободном поле чертежа монолитной конструкции.

Размеры гнутых стержней указывают по наружным граням, а хомутов - по внутренним граням в соответствии с рисунком 11.

Рисунок 11

При большом количестве деталей данные, необходимые для их изготовления, приводят в ведомости по форме 5 (приложение А). На эскизах в ведомости детали изображают схематически, размеры наносят, в основном, без выносных и размерных линий.

Пример заполнения ведомости деталей приведен на рисунке М.1 (приложение М).

6.5 Спецификации к схемам расположения элементов сборных конструкций. Спецификации монолитных конструкций

6.5.1 Спецификации к схемам расположения элементов сборных конструкций и спецификации монолитных конструкций составляют по формам 7 или 8 ГОСТ 21.101 <*> с учетом дополнительных требований настоящего стандарта.

<*> В Российской Федерации соответствуют формам 7 и 8 ГОСТ Р 21.1101-2013.

6.5.2 Спецификацию к схеме расположения сборных конструкций заполняют по разделам:

- элементы сборных конструкций;

- монолитные участки;

- стальные и другие изделия.

6.5.3 Спецификацию монолитной конструкции, состоящей из нескольких элементов, на каждый из которых выполняют отдельную схему армирования, составляют по разделам на каждый элемент.

6.5.4 В наименование раздела монолитной конструкции включают марку элемента и через тире количество элементов на монолитную конструкцию.

Примеры

1 Балки Бм1 - 2 шт.

2 Плита Пм1 - 1 шт.

6.5.5 Каждый раздел спецификации монолитной конструкции в общем случае состоит из подразделов, которые располагают в такой последовательности:

- сборочные единицы;

- детали;

- стандартные изделия;

- материалы.

В подраздел "Сборочные единицы" записывают элементы, непосредственно входящие в специфицируемую монолитную конструкцию, в такой последовательности:

- пространственные каркасы;

- плоские каркасы;

- сетки;

- закладные изделия.

В подраздел "Материалы" записывают материалы, непосредственно входящие в специфицируемую конструкцию (например, бетон).

6.5.6 Наименование каждого раздела и подраздела спецификации указывают в виде заголовка в графе "Наименование" и подчеркивают.

6.5.7 В графе "Поз." спецификации указывают номера позиций (марки) сборочных единиц, деталей и стандартных изделий. Материалам номера позиций (марки) не присваивают.

В графе "Обозначение" указывают обозначения сборочных единиц и, при необходимости, деталей в соответствии с 7.2.

В графе "Наименование" указывают:

- для сборочных единиц - наименования и марки (например, "Балка Б1");

- деталей, на которые выпущены чертежи, - наименования и, при необходимости, марки;

- деталей, на которые не выпущены чертежи, - наименования и материал проката, другие данные, необходимые для изготовления. При записи ряда деталей, отличающихся размерами и другими данными, допускается общую часть обозначения материала деталей записывать один раз в виде общего заголовка. Под общим заголовком записывают только параметры и размеры указанных деталей;

- стандартных изделий - наименования и обозначения, установленные в стандартах;

- материалов - обозначения, установленные в стандартах или технических условиях.

В графе "Кол." указывают количество элементов. Для материалов указывают их количество с единицей измерения (м2, м3). Допускается количество материалов (в м2, м3) указывать в графе "Примечание", при этом графу "Кол." не заполняют.

Графу "Масса ед. кг" для изделий (сборочных единиц и деталей), на которые выпущены чертежи, не заполняют.

6.6 Ведомость расхода стали

6.6.1 Для элементов монолитных железобетонных конструкций и монолитных элементов (участков) сборных железобетонных конструкций составляют ведомость расхода стали по форме 6 (приложение А).

6.6.2 Пример заполнения ведомости расхода стали приведен на рисунке Н.1 (приложение Н).

7 Рабочая документация на строительные изделия

7.1 Общие требования

7.1.1 В состав рабочей документации на строительное изделие в общем случае включают спецификацию, сборочный чертеж, чертежи деталей и, при необходимости, технические условия.

Рабочие чертежи строительных изделий (далее - изделия) выполняют в соответствии с ГОСТ 2.109, ГОСТ 2.113, ГОСТ 21.101 и настоящим стандартом.

7.1.2 При выполнении группового рабочего документа на изделия в одну группу объединяют изделия одного наименования, единой конфигурации и имеющие общие конструктивные признаки.

7.1.3 Переменные размеры, не одинаковые для всех исполнений, охваченных одним изображением, наносят буквенными обозначениями, количество которых должно быть, как правило, не более трех.

7.1.4 При необходимости к чертежу изделия, армируемого по расчету, приводят расчетную схему, схему испытания или указывают несущую способность.

7.1.5 На сборочном чертеже изделия или на его схематичном изображении указывают, при необходимости, места нанесения маркировочных надписей и изображения монтажных знаков, наносимых на изделие, в соответствии с ГОСТ 13015.

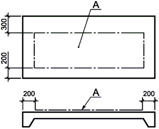
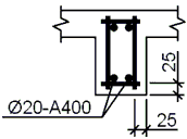
Пример нанесения монтажного знака приведен на рисунке 12.

Рисунок 12

7.1.6 Монтажный знак для указания ориентации изделия в конструкции наносят в соответствии с рисунком 13.

Рисунок 13

7.1.7 В технических требованиях на сборочном чертеже изделия приводят:

- требования к отделке поверхности изделия, в том числе, при необходимости, категорию бетонной поверхности изделия по ГОСТ 13015. Участки поверхности, требующие специальной обработки, отмечают, как показано на рисунке 14, с указанием размеров, определяющих положение этих участков;

Рисунок 14

- другие требования к качеству изделия;

- ссылки на документы, содержащие технические требования, распространяющиеся на данное изделие, но не приведенные на чертеже.

7.1.8 В сборочные чертежи железобетонных изделий в дополнение к видам, разрезам и сечениям включают схемы армирования, выполняемые согласно 6.4.3, 6.4.5.

7.1.9 На чертеже железобетонного изделия приводят ведомость расхода стали по форме 6 (приложение А).

7.1.10 Спецификации на изделия выполняют по форме 7 ГОСТ 21.101 <*> с учетом 6.5.5 - 6.5.7.

<*> В Российской Федерации соответствует форме 7 ГОСТ Р 21.1101-2013.

Групповые спецификации на изделия выполняют по формам 7 или 8 ГОСТ 21.101 <**>, заполняя их аналогично вариантам А или Б ГОСТ 2.113.

<**> В Российской Федерации соответствуют формам 7 и 8 ГОСТ Р 21.1101-2013.

7.1.11 Первый лист спецификации изделия, выполненной в виде отдельного документа, оформляют основной надписью по форме 5 ГОСТ 21.101 <***>, последующие - по форме 6 <*4>, при этом в графе 5 записывают наименование изделия. В этом случае в спецификацию включают раздел "Документация" (перед разделом "Сборочные единицы"), в который записывают обозначение сборочного чертежа.

<***> В Российской Федерации соответствует форме 5 ГОСТ Р 21.1101-2013.

<*4> В Российской Федерации соответствует форме 6 ГОСТ Р 21.1101-2013.

7.1.12 На изделия (арматурные, закладные, соединительные и т.п.), состоящие только из деталей, составляют спецификацию по форме 7 (приложение А), при групповом способе выполнения чертежей таких изделий - по форме 8 (приложение А).

Пример выполнения группового рабочего документа на сетки приведен на рисунке П.1 (приложение П).

7.1.13 Допускается совмещать спецификацию со сборочным чертежом независимо от формата листа.

7.1.14 В составе рабочих чертежей железобетонных конструкций допускается выполнять рабочие чертежи металлических изделий, перечень которых приведен в приложении Р.

7.1.15 Пример выполнения чертежа железобетонного изделия приведен на рисунке С.1 (приложение С).

7.1.16 Каждый чертеж строительного изделия или выпуск чертежей строительных изделий при их комплектации в виде отдельного выпуска записывают в разделе "Прилагаемые документы" ведомости ссылочных и прилагаемых документов, входящей в общие данные по рабочим чертежам соответствующего основного комплекта.

7.1.17 Изменения в чертежи изделий вносят в соответствии с ГОСТ 21.101 с учетом требований настоящего стандарта.

Изменения в чертежи изделий вносят самостоятельно в пределах каждого чертежа изделия независимо от их комплектации.

Сведения об изменениях, вносимых в чертежи изделий, приводят также в графе "Примечание" содержания выпуска чертежей изделий при их комплектации в виде отдельного выпуска "Чертежи строительных изделий".

Таблицу регистрации изменений на титульном листе выпуска не выполняют.

7.2 Обозначение строительных изделий

7.2.1 Обозначение изделия одновременно является обозначением его спецификации.

7.2.2 Деталям, на которые не выполняют отдельные чертежи, обозначения не присваивают.

7.2.3 В обозначение изделия и его спецификации включают обозначение соответствующего основного комплекта рабочих чертежей с добавлением к его марке через точку шифра "И" и его порядкового (позиционного) номера или через дефис марки изделия.

Примеры

1 845-5-АР.И2

2 845-5-КЖ.И-Б1

7.2.4 Изделия многократного применения допускается обозначать без привязки к объекту строительства и марке основного комплекта рабочих чертежей. В этом случае обозначение изделия назначает проектная организация.

7.2.5 В обозначение сборочного чертежа изделия включают обозначение изделия и код "СБ".

Примеры

1 845-5-АР.И2СБ

2 845-5-КЖ.И-Б1СБ

7.2.6 В обозначение технических условий на всю группу изделий включают обозначение соответствующего основного комплекта рабочих чертежей с добавлением через точку шифра "И" и через дефис - кода "ТУ".

Пример - 845-5-КЖ.И-ТУ

Если технические условия разрабатывают на одноименную группу изделий, то перед кодом "ТУ" дополнительно указывают (через точку) марку изделий данной группы.

Пример - 845-5-КЖ.И-Б.ТУ

7.2.7 При выполнении группового рабочего документа на изделия каждому исполнению присваивают самостоятельное обозначение.

В обозначение исполнения включают общее обозначение изделий, оформленных одним групповым рабочим документом, и номер исполнения.

7.2.8 Порядковый номер исполнения устанавливают в пределах общего обозначения начиная с 01 и отделяют от общего обозначения через дефис.

Примеры

1 845-5-КЖ.И-Б2-01

2 845-5-КЖ.И2-01

Исполнению, принятому условно за основное, присваивают только общее обозначение без порядкового номера исполнения в соответствии с 7.2.3.

7.2.9 При выполнении группового рабочего документа на изделия, состоящие только из деталей, на которые не выполняют отдельные чертежи, номер исполнения не присваивают. В этом случае каждому исполнению присваивают отдельную марку, которую записывают в графе "Марка изделия" групповой спецификации по форме 8 (приложение А).

7.2.10 В случае повторного применения чертежей строительных изделий организацией, осуществившей разработку и утверждение этих чертежей, их записывают в разделе "Прилагаемые документы" ведомости ссылочных и прилагаемых документов без изменения обозначения.

7.2.11 При выполнении к соответствующему основному комплекту рабочих чертежей более трех чертежей изделий их рекомендуется комплектовать в виде отдельного выпуска.

Выпуску "Чертежи строительных изделий" присваивают обозначение, состоящее из обозначения соответствующего основного комплекта рабочих чертежей и через точку шифра "И".

Пример - 845-5-КЖ.И

Первым листом выпуска является титульный лист, который выполняют по форме 15 ГОСТ 21.101 <*>.

<*> В Российской Федерации соответствует форме 13 ГОСТ Р 21.1101-2013.

7.2.12 После титульного листа выпуска чертежей строительных изделий помещают содержание, которое выполняют в соответствии с ГОСТ 21.101.

Содержанию присваивают обозначение, состоящее из обозначения выпуска чертежей изделий и через дефис шифра "С".

Пример - 845-5-КЖ.И-С

7.3 Применение рабочих чертежей типовых изделий

7.3.1 Если по условиям применения рабочих чертежей типового изделия в них необходимо внести изменения (например, предусмотреть установку дополнительных закладных изделий, устройство отверстий), то в составе рабочей документации здания (сооружения) на это изделие должна быть выполнена дополнительная рабочая документация с учетом следующих требований:

- типовое изделие изображают упрощенно сплошной тонкой линией;

- на изображении типового изделия указывают только те элементы (сплошной толстой основной линией) и размеры, которые относятся к изменениям. При необходимости наносят другие размеры (например, общую длину и ширину изделия), приведенные в рабочих чертежах типового изделия, которые отмечают знаком "*", а в технических требованиях на чертеже указывают: "* Размеры для справок";

- в спецификацию измененного изделия записывают типовое изделие как сборочную единицу и другие изделия, устанавливаемые при изменении;

- графы "Поз." и "Кол." для типового изделия не заполняют, в графе "Обозначение" указывают обозначение спецификации на типовое изделие, в графе "Наименование" - его наименование и марку.

7.3.2 Измененному изделию присваивают самостоятельную марку, включающую марку типового изделия и дополнительный индекс.

Пример - 1К84-1а,

где 1К84-1 - марка типового изделия;

а - индекс, присвоенный измененному изделию.

7.3.3 Пример выполнения чертежа типового изделия с дополнительными закладными изделиями приведен на рисунке Т.1 (приложение Т).

Приложение А
(рекомендуемое)

ФОРМЫ ВЕДОМОСТЕЙ, ЭКСПЛИКАЦИЙ И СПЕЦИФИКАЦИЙ И УКАЗАНИЯ ПО ИХ ЗАПОЛНЕНИЮ

Форма 1

Ведомость отделки помещений

А.1 В ведомости отделки помещений:

- количество граф определено наличием элементов интерьера, подлежащих отделке;

- площади отделки помещений рассчитывают по соответствующим нормативным документам.

А.2 Размеры граф таблицы устанавливает разработчик.

Форма 2

Экспликация помещений

А.3 В экспликации помещений указывают:

- в графе "Номер помещения" - номер помещения. Для нежилых зданий (административных, бытовых, общественных, производственных), имеющих более одного этажа, нумерацию помещений рекомендуется проводить трехзначными или четырехзначными цифрами, состоящими из номера этажа и порядкового номера помещения в пределах этажа (01 - 99). Для цокольного этажа вместо номера этажа указывают букву "Ц". Для подземных этажей перед номером этажа добавляют букву "П".

Пример - 101, 102, 1111, 1112, Ц02, П102;

- в графе "Наименование" - наименование помещения (технологического участка);

- в графе "Площадь, м2" - площадь помещения;

- в графе "Кат. помещения" - категорию помещения по взрывопожарной и пожарной опасности. Категорию указывают для всех типов помещений производственных зданий и помещений общественных зданий, в которых предусмотрено нахождение горючих веществ и материалов.

А.4 Размеры граф, при необходимости, могут быть изменены по усмотрению разработчика.

Допускается объединять экспликации помещений на разных этажах в одну экспликацию, подразделяя ее номерами этажей, выполненными в виде заголовков в графе "Наименование".

Допускается выполнять экспликацию помещений:

- на отдельных листах в качестве последующих листов чертежей;

- в виде отдельного документа (при оформлении основного комплекта рабочих чертежей отдельными документами).

Форма 3

Ведомость перемычек

А.5 В ведомости перемычек указывают:

- в графе "Марка" - марку перемычки в соответствии с 4.6;

- в графе "Схема сечения" - схематическое изображение сечения перемычки. Схема сечения может быть дополнена отметками низа перемычек и ориентацией расположения перемычек по отношению к координационным осям.

Форма 4

Экспликация полов

А.6 В экспликации полов указывают:

- в графе "Номер помещения" - номер или наименование помещения;

- в графе "Тип пола" - номер типа пола по рабочим чертежам;

- в графе "Данные элементов пола (наименование, толщина, основание и др.), мм" - при применении типовой конструкции пола приводят только дополнительные данные.

Остальные графы экспликации полов заполняют в соответствии с их наименованием.

А.7 Размеры граф, при необходимости, могут быть изменены по усмотрению разработчика.

Допускается объединять экспликации полов на разных этажах в одну экспликацию, подразделяя ее номерами этажей, выполненными в виде заголовков в графе "Наименование".

Допускается выполнять экспликацию полов:

- на отдельных листах в качестве последующих листов чертежей;

- в виде отдельного документа (при оформлении основного комплекта рабочих чертежей отдельными документами).

Форма 5

Ведомость деталей

А.8 В ведомости деталей указывают:

- в графе "Поз." - номер позиции детали;

- в графе "Эскиз" - схематическое изображение детали и ее размеры согласно 6.4.7.

Форма 6

Ведомость расхода стали

Окончание формы 6

А.9 В подзаголовках граф ведомости расхода стали вместо многоточий указывают класс арматуры или марки стали проката и соответствующие стандарты или технические условия. Ниже указывают: для арматурной стали - диаметр, для профильной - условное обозначение профиля.

А.10 В ведомость не включают стандартные изделия - дюбели, болты, шайбы и т.п.

Расход (массу) арматуры и проката указывают в килограммах.

Форма 7

Спецификация на изделие, состоящее только из деталей

Форма 8

Групповая спецификация на изделие, состоящее только из деталей

А.11 В спецификациях указывают:

- в графе "Поз." - номера позиций (марки) элементов конструкций, установок;

- в графе "Марка изделия" - марки изделий. Допускается указывать наименования изделий;

- в графе "Поз. дет." - номера позиций деталей в изделии;

- в графе "Наименование" - параметры, материал и другие данные, необходимые для изготовления деталей.

Для записи ряда деталей, отличающихся размерами и другими данными, общую часть наименования этих изделий или материалов с обозначением указанного документа допускается записывать на каждом листе спецификации один раз в виде общего наименования (заголовка). Под общим наименованием записывают для каждого из указанных изделий и материалов только их параметры и размеры;

- в графе "Кол." - количество деталей в изделии;

- в графах "Масса ед., кг", "Масса 1 дет., кг", "Масса изделия, кг" - массу в килограммах.

А.12 Размеры граф спецификаций, при необходимости, могут быть изменены по усмотрению разработчика.

Форма 9

Ведомость отделки фасада

А.13 В ведомости отделки фасада указывают:

- в графе "Поз. отделки" - порядковый номер типа отделки фасада;

- в графе "Наименование элемента фасада" - соответствующие наименованию графы данные;

- в графе "Наименование материала отделки" - наименование отделочного или лакокрасочного материала, его марку или тип по стандарту либо техническим условиям и обозначение стандарта или технических условий;

- в графе "Наименование и номер эталона цвета или образец колера" - принятое по соответствующему стандарту или техническим условиям наименование цвета отделочного или лакокрасочного материала и его номер по картотеке цветовых эталонов. При отсутствии номера цвета по картотеке цветовых эталонов в стандартах или технических условиях номер цвета в графе не проставляют;

- в графе "Примечание" - дополнительные данные, например ссылка на альбом образцов колеров.

Размеры граф таблицы устанавливает разработчик.

Приложение Б
(справочное)

ПРИМЕРЫ ВЫПОЛНЕНИЯ ПЛАНОВ ЗДАНИЙ

На рисунках Б.1, Б.2 представлены примеры выполнения планов зданий.

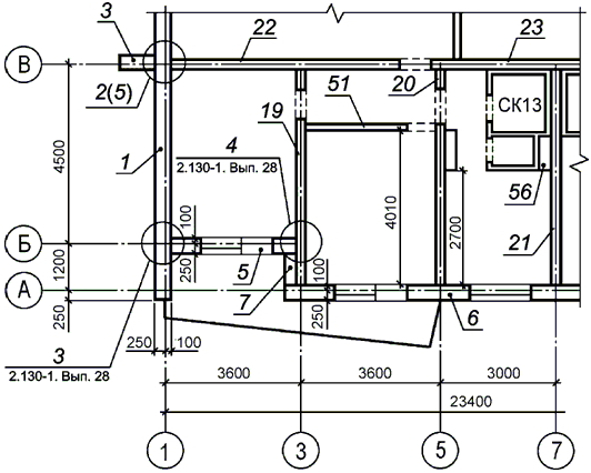
Рисунок Б.1 - Пример выполнения плана одноэтажного производственного здания

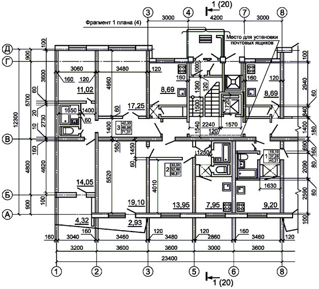
Рисунок Б.2 - Пример выполнения плана этажа жилого дома

Приложение В
(справочное)

ПРИМЕРЫ ВЫПОЛНЕНИЯ ВЕДОМОСТЕЙ И СПЕЦИФИКАЦИЙ ЭЛЕМЕНТОВ

На рисунках В.1 - В.3 представлены примеры выполнения ведомостей и спецификаций элементов.

Ведомость перемычек

Рисунок В.1 - Пример выполнения ведомости перемычек

Поз. Обозначение Наименование Кол. на этаж Масса ед., кг Примечание
1 2 3 Всего
1 ГОСТ ... 2ПБ19-3 16 8 4 28 81  
2 5ПБ18-27 5 2 1 8 250  
3 8ПБ18-8 3 2 1 6 119  

Рисунок В.2 - Пример выполнения спецификации элементов перемычек

Поз. Обозначение Наименование Кол. по фасадам Масса ед., кг Примечание
1-10 10-1 Л-А А-Л Всего
  ГОСТ ... Окна              
ОК1 ОП В2 1800-1200 (4М1-16Аг-К4) 10   9   19 - 1840 x 1240
ОК2 ОП В2 1800-1800 (4М1-16Аг-К4) 10       10 - 1840 x 1840
ОК3 ОП В2 1800-1800 (4М1-16Аг-К4) 10 13 9 13 45 -
ОК4 ОП В2 2400-1800 (4М1-16Аг-К4)   15 9 14 38 - 2440 x 1840
ОК5 ОП В2 2400-1200 (4М1-16Аг-К4) 3       3 - 2440 x 1240
    Дверные блоки              
1 ГОСТ ... ДН 2Рп 21 x 13 О Пр 32 ТЗ Мд4 4 2     6   2070 x 1310
2 ГОСТ ... ДН 2 24 x 15 О ПО В2 Мд4 1       1   2410 x 1550
3 ГОСТ ... ДПВ Км Бпр Оп Пр Р 2400 x 1000 8       8   2410 x 1020
4 ГОСТ ... ДСН Оп Пр Прг Н П2лс М3 О 2400 x 1000 2           2410 x 1010
5 ТУ ... Ворота 3,6 x 3,6 2       2   3600 x 3600

Рисунок В.3 - Пример выполнения спецификации элементов заполнения проемов

Приложение Г
(справочное)

ПРИМЕРЫ ВЫПОЛНЕНИЯ РАЗРЕЗОВ ЗДАНИЙ

На рисунках Г.1 - Г.3 представлены примеры выполнения разрезов зданий.

Разрез 1-1

Рисунок Г.1 - Пример выполнения разреза одноэтажного производственного здания

Разрез 2-2

Рисунок Г.2 - Пример выполнения разреза многоэтажного производственного здания

Разрез 1-1

Рисунок Г.3 - Пример выполнения разреза жилого дома

Приложение Д
(справочное)

ПРИМЕРЫ ВЫПОЛНЕНИЯ ФАСАДОВ ЗДАНИЙ

На рисунках Д.1, Д.2 представлены примеры выполнения фасадов зданий.

Фасад 1-22

Фрагмент 3 фасада

11-11

Рисунок Д.1 - Пример выполнения фасада и фрагмента фасада производственного здания

Фасад 10-5

Рисунок Д.2 - Пример выполнения части фасада жилого дома

Приложение Е
(справочное)

ПРИМЕР ВЫПОЛНЕНИЯ ПЛАНА ПОЛОВ

На рисунке Е.1 приведен пример выполнения плана полов.

Рисунок Е.1

Приложение Ж
(справочное)

ПРИМЕР ВЫПОЛНЕНИЯ ПЛАНА КРОВЛИ

На рисунке Ж.1 приведен пример выполнения плана.

Рисунок Ж.1

<*> Здесь и далее обозначения чертежей типовых изделий и узлов приведены условно.

Приложение И
(справочное)

ПРИМЕР ВЫПОЛНЕНИЯ СХЕМЫ РАСПОЛОЖЕНИЯ ЭЛЕМЕНТОВ СБОРНЫХ ПЕРЕГОРОДОК

На рисунке И.1 представлен пример выполнения схемы расположения элементов сборных перегородок.

Схема ...

Схема ...

Рисунок И.1

Приложение К
(справочное)

ПРИМЕР ВЫПОЛНЕНИЯ СХЕМЫ РАСПОЛОЖЕНИЯ ЭЛЕМЕНТОВ ЗАПОЛНЕНИЯ ОКОННОГО ПРОЕМА

На рисунке К.1 представлен пример выполнения схемы расположения элементов заполнения оконного проема.

ОК 2

Рисунок К.1

Приложение Л
(справочное)

ПРИМЕРЫ ВЫПОЛНЕНИЯ СХЕМ РАСПОЛОЖЕНИЯ ЭЛЕМЕНТОВ СБОРНЫХ КОНСТРУКЦИЙ

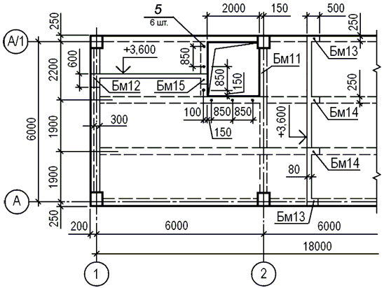
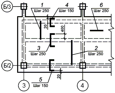
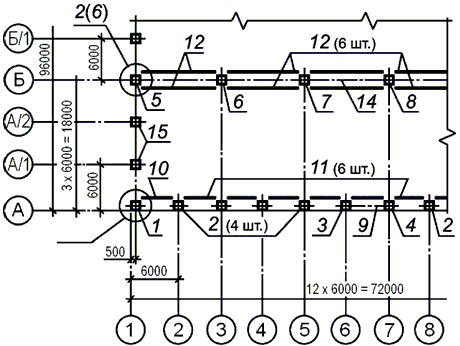
На рисунках Л.1 - Л.6 представлены примеры выполнения схем расположения элементов сборных конструкций.

Рисунок Л.1 - Схема расположения элементов фундаментов и фундаментных балок

Рисунок Л.2 - Схема расположения колонн и подкрановых балок

Рисунок Л.3 - Схема распространения плит покрытия

Рисунок Л.4 - Схема расположения панелей стен

Рисунок Л.5 - Схема расположения панелей стен, перегородок и других элементов жилого дома

Рисунок Л.6 - Схема расположения колонн, ригелей и балок перекрытия на отм. ...

Приложение М
(справочное)

ПРИМЕР ЗАПОЛНЕНИЯ ВЕДОМОСТИ ДЕТАЛЕЙ

На рисунке М.1 представлен пример заполнения ведомости деталей.

Ведомость деталей

Рисунок М.1

Приложение Н
(справочное)

ПРИМЕР ЗАПОЛНЕНИЯ ВЕДОМОСТИ РАСХОДА СТАЛИ

На рисунке Н.1 представлен пример заполнения ведомости расхода стали.

Ведомость расхода стали

Марка элемента Напрягаемая арматура класса Изделия арматурные Изделия закладные
Арматура класса Всего Арматура класса Прокат марки Всего
А600 Итого А400 Вр500 А400 Ст3пс С245
ГОСТ 34028-2016 ГОСТ 34028-2016 ГОСТ 6727-80 ГОСТ 34028-2016 ГОСТ 103-2006 ГОСТ 8510-86
Итого Итого Итого 5 x 14 5 x 16 Итого L75 x 50 x 5 Итого
Фм 1 - - 30,4 30,4 4,7 - 9,3 14,0 4,0 4,0 18,0 25,1 - 25,1 5,5 13,8 19,3 40,3 40,3 84,7
Фм 2 14,8 - - 14,8 - 4,7 2,0 6,7 7,1 7,1 13,8 30,6 15,3 45,9 2,8 - 2,8 45,3 45,3 94,0
Фм 3 - - - - 4,7 - 8,7 13,4 4,0 4,0 17,4 41,2 15,8 57,0 3,2 - 3,2 38,1 38,1 98,3

Рисунок Н.1

Приложение П
(справочное)

ПРИМЕР ВЫПОЛНЕНИЯ ГРУППОВОГО ЧЕРТЕЖА НА СЕТКИ

На рисунке П.1 представлен пример выполнения чертежа на сетки.

Рисунок П.1

Приложение Р
(рекомендуемое)

ПРИМЕРНЫЙ ПЕРЕЧЕНЬ МЕТАЛЛИЧЕСКИХ ИЗДЕЛИЙ, НА КОТОРЫЕ РАБОЧИЕ ЧЕРТЕЖИ ВЫПОЛНЯЮТ В СОСТАВЕ РАБОЧЕЙ ДОКУМЕНТАЦИИ ЖЕЛЕЗОБЕТОННЫХ КОНСТРУКЦИЙ

При разработке рабочей документации железобетонных конструкций в ее состав включают следующие металлические изделия:

1 Наружные металлические лестницы шириной не более 1,0 м.

2 Косоуры лестниц с железобетонными ступенями и площадками.

3 Ограждения на кровле, площадок, проемов, приямков, лестниц (железобетонных, металлических).

4 Щиты над каналами шириной до 1,0 м с нагрузкой не более 20 кПа (2000 кгс/м2).

5 Щиты над проемами (например, монолитными) площадью до 2 м2 с нагрузкой не более 20 кПа (2000 кгс/м2).

6 Конструкции козырьков выносом не более 1,5 м.

7 Металлические элементы железобетонных конструкций (например, отдельные металлические балки, соединительные изделия, анкеры, выпуски между железобетонными плитами, металлическая гидроизоляция стен, профилированный настил, используемый в качестве опалубки).

8 Другие металлические изделия, конструкции, параметры которых аналогичны перечисленным в пунктах 1 - 7.

Приложение С
(справочное)

ПРИМЕР ВЫПОЛНЕНИЯ ЧЕРТЕЖА ЖЕЛЕЗОБЕТОННОГО ИЗДЕЛИЯ

На рисунке С.1 представлен пример выполнения чертежа железобетонного изделия.

Рисунок С.1

Приложение Т
(справочное)

ПРИМЕР ВЫПОЛНЕНИЯ ЧЕРТЕЖА ТИПОВОГО ИЗДЕЛИЯ С ДОПОЛНИТЕЛЬНЫМИ ЗАКЛАДНЫМИ ИЗДЕЛИЯМИ

На рисунке Т.1 представлен пример выполнения чертежа типового изделия с дополнительными закладными изделиями.

Рисунок Т.1