Система проектной документации для строительства. Основные требования к проектной и рабочей документации. ГОСТ р 21.101-2020

(утв. Приказом Росстандарта от 23.06.2020 N 282-СТ)
Редакция от 23.06.2020 — Действует с 01.01.2021

Данный документ приведен с учетом Поправки, введенной в действие с 08.12.2023.


НАЦИОНАЛЬНЫЙ СТАНДАРТ РОССИЙСКОЙ ФЕДЕРАЦИИ

СИСТЕМА ПРОЕКТНОЙ ДОКУМЕНТАЦИИ ДЛЯ СТРОИТЕЛЬСТВА

ОСНОВНЫЕ ТРЕБОВАНИЯ К ПРОЕКТНОЙ И РАБОЧЕЙ ДОКУМЕНТАЦИИ

System of design documentation for construction.
Main requirements for design and working documentation

ГОСТ Р 21.101-2020

Дата введения
1 января 2021 года

Предисловие

1. РАЗРАБОТАН Акционерным обществом "Центр технического и сметного нормирования в строительстве" (АО "ЦНС")

2. ВНЕСЕН Техническим комитетом по стандартизации ТК 465 "Строительство"

3. УТВЕРЖДЕН И ВВЕДЕН В ДЕЙСТВИЕ Приказом Федерального агентства по техническому регулированию и метрологии от 23 июня 2020 г. N 282-ст

4. ВЗАМЕН ГОСТ Р 21.1101-2013

5. В настоящем стандарте реализованы нормы Федерального закона от 29 декабря 2004 г. N 190-ФЗ "Градостроительный кодекс Российской Федерации"

Правила применения настоящего стандарта установлены в статье 26 Федерального закона от 29 июня 2015 г. N 162-ФЗ "О стандартизации в Российской Федерации". Информация об изменениях к настоящему стандарту публикуется в ежегодном (по состоянию на 1 января текущего года) информационном указателе "Национальные стандарты", а официальный текст изменений и поправок - в ежемесячном информационном указателе "Национальные стандарты". В случае пересмотра (замены) или отмены настоящего стандарта соответствующее уведомление будет опубликовано в ближайшем выпуске ежемесячного информационного указателя "Национальные стандарты". Соответствующая информация, уведомление и тексты размещаются также в информационной системе общего пользования - на официальном сайте Федерального агентства по техническому регулированию и метрологии в сети Интернет (www.gost.ru)

1. Область применения

Настоящий стандарт устанавливает основные требования к проектной и рабочей документации для строительства объектов различного назначения.

Примечание - В настоящем стандарте понятие "строительство" включает в себя строительство, реконструкцию, капитальный ремонт и техническое перевооружение объектов капитального строительства.

Общие правила выполнения графической и текстовой документации, установленные в разделе 5, и правила внесения изменений, установленные в разделе 7, распространяются также на отчетную техническую документацию по результатам инженерных изысканий для строительства.

2. Нормативные ссылки

В настоящем стандарте использованы нормативные ссылки на следующие стандарты:

ГОСТ 2.004 Единая система конструкторской документации. Общие требования к выполнению конструкторских и технологических документов на печатающих и графических устройствах вывода ЭВМ

ГОСТ 2.051 Единая система конструкторской документации. Электронные документы. Общие положения

ГОСТ 2.052 Единая система конструкторской документации. Электронная модель изделия. Общие положения

ГОСТ 2.101 Единая система конструкторской документации. Виды изделий

ГОСТ 2.102 Единая система конструкторской документации. Виды и комплектность конструкторских документов

ГОСТ 2.109 Единая система конструкторской документации. Основные требования к чертежам

ГОСТ 2.113 Единая система конструкторской документации. Групповые и базовые конструкторские документы

ГОСТ 2.114 Единая система конструкторской документации. Технические условия

ГОСТ 2.301 Единая система конструкторской документации. Форматы

ГОСТ 2.302 Единая система конструкторской документации. Масштабы

ГОСТ 2.303 Единая система конструкторской документации. Линии

ГОСТ 2.304 Единая система конструкторской документации. Шрифты чертежные

ГОСТ 2.305 Единая система конструкторской документации. Изображения - виды, разрезы, сечения

ГОСТ 2.306 Единая система конструкторской документации. Обозначения графические материалов и правила их нанесения на чертежах

ГОСТ 2.307 Единая система конструкторской документации. Нанесение размеров и предельных отклонений

ГОСТ 2.308 Единая система конструкторской документации. Указания допусков формы и расположения поверхностей

ГОСТ 2.309 Единая система конструкторской документации. Обозначения шероховатости поверхностей

ГОСТ 2.310 Единая система конструкторской документации. Нанесение на чертежах обозначений покрытий, термической и других видов обработки

ГОСТ 2.311 Единая система конструкторской документации. Изображение резьбы

ГОСТ 2.312 Единая система конструкторской документации. Условные изображения и обозначения швов сварных соединений

ГОСТ 2.313 Единая система конструкторской документации. Условные изображения и обозначения неразъемных соединений

ГОСТ 2.314 Единая система конструкторской документации. Указания на чертежах о маркировании и клеймении изделий

ГОСТ 2.315 Единая система конструкторской документации. Изображения упрощенные и условные крепежных деталей

ГОСТ 2.316-2008 Единая система конструкторской документации. Правила нанесения надписей, технических требований и таблиц на графических документах. Общие положения

ГОСТ 2.317 Единая система конструкторской документации. Аксонометрические проекции

ГОСТ 2.501 Единая система конструкторской документации. Правила учета и хранения

ГОСТ 2.511 Единая система конструкторской документации. Правила передачи электронных конструкторских документов. Общие положения

ГОСТ 2.512 Единая система конструкторской документации. Правила выполнения пакета данных для передачи электронных конструкторских документов. Общие положения

ГОСТ 21.001 Система проектной документации для строительства. Общие положения

ГОСТ 21.110 Система проектной документации для строительства. Спецификация оборудования, изделий и материалов

ГОСТ 21.113 Система проектной документации для строительства. Обозначения характеристик точности

ГОСТ 21.114 Система проектной документации для строительства. Правила выполнения эскизных чертежей общих видов нетиповых изделий

ГОСТ 21.201-2011 Система проектной документации для строительства. Условные графические изображения элементов зданий, сооружений и конструкций

ГОСТ 21.301 Система проектной документации для строительства. Основные требования к оформлению отчетной документации по инженерным изысканиям

ГОСТ 21.302-2013 Система проектной документации для строительства. Условные графические обозначения в документации по инженерно-геологическим изысканиям

ГОСТ 21.408-2013 Система проектной документации для строительства. Правила выполнения рабочей документации автоматизации технологических процессов

ГОСТ 21.501 Система проектной документации для строительства. Правила выполнения рабочей документации архитектурных и конструктивных решений

ГОСТ 21.709-2019 Система проектной документации для строительства. Правила выполнения рабочей документации линейных сооружений гидромелиоративных систем

ГОСТ Р 2.105 Единая система конструкторской документации. Общие требования к текстовым документам

ГОСТ Р 7.0.97 Система стандартов по информации, библиотечному и издательскому делу. Организационно-распорядительная документация. Требования к оформлению документов

ГОСТ Р 21.1003-2009 Система проектной документации для строительства. Учет и хранение проектной документации

ГОСТ Р 21.1703-2000 Система проектной документации для строительства. Правила выполнения рабочей документации проводных средств связи

Примечание - При пользовании настоящим стандартом целесообразно проверить действие ссылочных стандартов в информационной системе общего пользования - на официальном сайте Федерального агентства по техническому регулированию и метрологии в сети Интернет или по ежегодному информационному указателю "Национальные стандарты", который опубликован по состоянию на 1 января текущего года, и по выпускам ежемесячного информационного указателя "Национальные стандарты" за текущий год. Если заменен ссылочный стандарт, на который дана недатированная ссылка, то рекомендуется использовать действующую версию этого стандарта с учетом всех внесенных в данную версию изменений. Если заменен ссылочный стандарт, на который дана датированная ссылка, то рекомендуется использовать версию этого стандарта с указанным выше годом утверждения (принятия). Если после утверждения настоящего стандарта в ссылочный стандарт, на который дана датированная ссылка, внесено изменение, затрагивающее положение, на которое дана ссылка, то это положение рекомендуется применять без учета данного изменения. Если ссылочный стандарт отменен без замены, то положение, в котором дана ссылка на него, рекомендуется применять в части, не затрагивающей эту ссылку.

3. Термины, определения и сокращения

3.1. Термины и определения

В настоящем стандарте применены термины по [1], ГОСТ 21.001, ГОСТ 21.501, ГОСТ Р 21.1003, а также следующие термины с соответствующими определениями:

3.1.1.

атрибут документа: Идентифицированная (именованная) характеристика части реквизита.
[ГОСТ 2.104-2006, пункт 3.1.2]

3.1.2.

атрибут XML-документа: Именованная уточняющая характеристика элемента XML, которая состоит из пары "название" = "значение" и указывается при определении элемента XML в открывающем теге.
[ГОСТ Р 53898-2013, пункт 3.1]

3.1.3.

информационная модель объекта строительства (building information model, BIM): Совокупность представленных в электронном виде документов, графических и неграфических данных по объекту строительства, размещаемая в соответствии с установленными правилами в среде общих данных, представляющая собой единый достоверный источник информации по объекту на всех или отдельных стадиях его жизненного цикла.
Примечания
1. Термин адаптирован из ИСО 29481-1:2010, статья 2.3.
2. Информационная модель здания часто используется в качестве синонима BIM.
3. Информационная модель может служить общей основой для принятия решений и предусматриваться договорами в качестве справочного ресурса на одной или нескольких стадиях проекта.
[ГОСТ Р 57563-2017, пункт 3.1]

3.1.4.

координационная ось: Одна из координационных линий, определяющих членение здания или сооружения на модульные шаги и высоты этажей.
[ГОСТ 28984-2011, пункт 3.12]

3.1.5. марка: Буквенный или буквенно-цифровой индекс, входящий в обозначение рабочей документации и определяющий ее отношение к определенному виду строительно-монтажных работ или обозначающий основные отличительные особенности строительных конструкций и их элементов.

3.1.6.

нетиповое изделие: Изделие (конструкция, устройство, монтажный блок) технологических систем, внутренних и наружных систем и сетей инженерно-технического обеспечения зданий и сооружений, впервые разработанное и изготовленное, как правило, на месте монтажа (в заготовительной мастерской монтажной организации).
[ГОСТ 21.114-2013, пункт 3.3]

3.1.7. обозначение: Реквизит документа, представляющий собой его идентификационный (различительный) индекс.

Примечание - Каждому документу присваивают обозначение, которое записывают в установленных местах (в основных надписях, на титульных листах и т.п.).

3.1.8. оборудование: Технологическое оборудование (машины, аппараты, механизмы, грузоподъемные и другие технические средства, обеспечивающие соответствующий технологический процесс), а также инженерное оборудование зданий и сооружений, обеспечивающее безопасные и благоприятные условия для жизнедеятельности людей.

3.1.9. основная надпись: Совокупность сведений о проектном документе, содержащихся в графах таблицы установленной формы, помещаемой на листах проектной и рабочей документации.

3.1.10. основной комплект рабочих чертежей: Графический документ, содержащий необходимую и достаточную информацию в виде чертежей и схем, предназначенный для производства строительных и монтажных работ определенного вида (марки).

3.1.11.

оформление документа: Проставление необходимых реквизитов и атрибутов, установленных правилами документирования.
[ГОСТ 2.104-2006, пункт 3.1.3]

3.1.12.

пакет электронных документов (данных): Совокупность одного или нескольких электронных документов, служащих для перемещения заключенной в нем информации.
[ГОСТ 2.511-2011, пункт 3.1.2]

3.1.13.

подпись: Реквизит, содержащий собственноручную роспись должностного или физического лица.
[ГОСТ Р 7.0.8-2013, статья 58]

Официальный источник электронного документа содержит неточность: имеется в виду пункт 58 ГОСТА Р 7.0.8-2013.

3.1.14. полный комплект рабочей документации: Совокупность основных комплектов рабочих чертежей, необходимых для строительства здания или сооружения, дополненных прилагаемыми и ссылочными документами.

3.1.15. прилагаемый документ: Проектный документ, разработанный или примененный в составе рабочей документации для строительства, необходимый для совместного использования с основным комплектом рабочих чертежей и передаваемой заказчику документации.

3.1.16.

реквизит документа: Элемент оформления документа, содержащий о нем сведения.
Примечание - Как правило, реквизит состоит из атрибутов (составной реквизит).
[ГОСТ 2.104-2006, пункт 3.1.1]

3.1.17.

спецификация оборудования, изделий и материалов: Текстовый проектный документ, определяющий состав оборудования, изделий и материалов и предназначенный для комплектования, подготовки и осуществления строительства.
[ГОСТ 21.110-2013, пункт 3.1]

3.1.18. ссылочный документ: Документ, предназначенный для изготовления строительных конструкций, изделий и узлов, на который дана ссылка в основном комплекте рабочих чертежей и который в соответствии с установленным порядком не передается заказчику.

3.1.19.

электронная подпись: Информация в электронной форме, присоединенная к электронному документу или иным образом связанная с ним и позволяющая идентифицировать лицо, подписавшее электронный документ.
[ГОСТ Р 7.0.8-2013, статья 59]

Официальный источник электронного документа содержит неточность: имеется в виду пункт 59 ГОСТА Р 7.0.8-2013.

3.1.20.

элемент XML-документа: Именованная структурная единица языка XML, ограниченная открывающим и закрывающим тегами; может повторяться, включать другие элементы XML, комментарии и атрибуты XML.
[ГОСТ Р 53898-2013, пункт 3.21]

3.1.21.

эскизный чертеж общего вида нетипового изделия: Проектный документ, определяющий исходную конструкцию нетипового изделия, содержащий упрощенное изображение, основные параметры и технические требования к изделию в объеме исходных данных (задания), необходимых для разработки конструкторской документации.
[ГОСТ 21.114-2013, пункт 3.1]

3.1.22.

язык XML (Extensible Markup Language): Расширяемый язык разметки данных, стандарт на структурированное описание данных, ориентированный, в частности, на обмен информацией между независимыми участниками.
[ГОСТ Р 53898-2013, пункт 3.22]

3.1.23. XML-документ: Текстовый документ, составленный в соответствии со стандартом XML, с заданным составом элементов и их атрибутов.

3.2. Сокращения

В настоящем стандарте применены следующие сокращения:

ДЭ - документ электронный;

ЕСКД - Единая система конструкторской документации;

ПДЭ - пакет электронных данных (документов);

САПР - система (системы) автоматизированного проектирования;

СПДС - Система проектной документации для строительства;

СЭД - система (системы) электронного документооборота;

УЛ - информационно-удостоверяющий лист;

ЭП - электронная подпись.

4. Общие требования к составу и комплектованию проектной и рабочей документации

4.1. Проектная документация

4.1.1. Состав проектной документации объектов капитального строительства и требования к ее содержанию установлены законодательством [1], утвержденным Правительством Российской Федерации Положением [2] и нормативно-правовыми актами федеральных органов исполнительной власти.

Проектную документацию комплектуют по отдельным разделам и подразделам, установленным Положением [2].

4.1.2. Каждому разделу проектной документации присваивают обозначение, в состав которого включают базовое обозначение, устанавливаемое по действующей в проектной организации системе, и через дефис - шифр раздела проектной документации. Шифры разделов проектной документации приведены в таблице Б.1 (приложение Б)* <1>.

<1> Здесь и далее знак "*" означает, что к данному пункту дан комментарий в приложении А.

В базовое обозначение включают, например, номер договора (контракта) и/или код объекта строительства (цифровой, буквенный или буквенно-цифровой). В базовое обозначение допускается включать другие коды, используемые в САПР и СЭД. Буквенные и цифровые коды, включенные в состав базового обозначения, разделяют дефисами и/или точками*.

4.1.3. При необходимости разделы и подразделы делят на части, а части - на книги. Каждую часть и книгу комплектуют отдельно. Всем частям и книгам дают наименования, отражающие содержание частей или книг. Подразделам, частям и книгам присваивают порядковые номера арабскими цифрами в пределах раздела, подраздела или части соответственно.

4.1.3.1. Если раздел проектной документации делят на части, то обозначение части составляют из обозначения раздела, к которому добавляют номер части.

Примеры

1. 2345-ПЗ - Раздел 1. Пояснительная записка.

2. 2345-ПЗУ1 - Раздел 2. Схема планировочной организации земельного участка. Часть 1. Общие сведения.

3. 2345-ПЗУ2 - Раздел 2. Схема планировочной организации земельного участка. Часть 2. Внутренний железнодорожный транспорт.

Если часть делят на книги, то обозначение книги составляют из обозначения части, к которому через точку добавляют номер книги.

4.1.3.2. Обозначение подраздела составляют из обозначения раздела, к которому добавляют номер подраздела.

Если подраздел делят на части, то обозначение части составляют из обозначения подраздела, к которому добавляют через точку номер части. Если часть делят на книги, то обозначение книги (если оно необходимо) составляют из обозначения части, к которому через точку добавляют номер книги.

Примеры

1. 2345-ИОС4.1.1 - Раздел 5. Сведения об инженерном оборудовании, о сетях инженерно-технического обеспечения, перечень инженерно-технических мероприятий, содержание технологических решений. Подраздел 4. Отопление, вентиляция и кондиционирование воздуха, тепловые сети. Часть 1. Отопление, вентиляция и кондиционирование воздуха. Книга 1. Основные решения.

2. 2345-ИОС4.1.2 - Раздел 5. Сведения об инженерном оборудовании, о сетях инженерно-технического обеспечения, перечень инженерно-технических мероприятий, содержание технологических решений. Подраздел 4. Отопление, вентиляция и кондиционирование воздуха, тепловые сети. Часть 1. Отопление, вентиляция и кондиционирование воздуха. Книга 2. Системы автоматизации отопления, вентиляции и кондиционирования воздуха.

3. 2345-ИОС4.2 - Раздел 5. Сведения об инженерном оборудовании, о сетях инженерно-технического обеспечения, перечень инженерно-технических мероприятий, содержание технологических решений. Подраздел 4. Отопление, вентиляция и кондиционирование воздуха, тепловые сети. Часть 2. Тепловые сети.

4.1.3.3. Текстовым и графическим документам разделов и подразделов проектной документации присваивают самостоятельные обозначения, в основе которых должны быть обозначения соответствующих разделов или подразделов.

Обозначения документов указывают на титульных листах и/или в основных надписях документов, а также в колонтитулах на листах текстовых документов, выполняемых без основных надписей.

Правила обозначения текстовых и графических документов проектной документации устанавливают в стандартах организаций, разработанных на основе положений 4.1.2, 4.1.3.1, 4.1.3.2 с учетом особенностей обозначения в зависимости от объема документации, условий документооборота и используемых САПР и СЭД.

4.1.4. Текстовые документы, содержащие в основном сплошной текст (в том числе текстовые части разделов и подразделов проектной документации), выполняют по ГОСТ Р 2.105 с учетом 5.1, 5.2 настоящего стандарта на листах формата A4 по ГОСТ 2.301, а содержащиеся в них таблицы и иллюстрации допускается выполнять на листах других форматов.

Требования к содержанию текстовых частей разделов и подразделов проектной документации приведены в [2], а также в национальных стандартах и сводах правил.

4.1.5. Разрешается выполнять текстовые документы, указанные в 4.1.4, без основных надписей, дополнительных граф к ним и рамок. В этом случае:

- на следующем листе после титульного листа приводят список исполнителей, в котором указывают должности, фамилии и инициалы лиц, принимавших участие в разработке, контроле и согласовании текстового документа, и предусматривают места для подписей и дат подписания. На последующих листах помещают содержание (оглавление), включающее в себя номера (обозначения) и наименования разделов, подразделов и приложений текстового документа с указанием номеров листов (страниц), с которых начинается соответствующий структурный элемент*;

- в верхней части (верхнем колонтитуле) каждого листа (за исключением титульного листа) указывают обозначение документа: в левом углу (при односторонней печати) или правом углу четных страниц и левом углу нечетных страниц (при двухсторонней печати);

- в нижней части (нижнем колонтитуле) каждого листа (за исключением титульного листа) указывают: логотип и краткое наименование организации, подготовившей документ, наименование документа, номер листа (страницы) документа (в нижнем правом углу - при односторонней печати или в левом углу четных страниц и правом углу нечетных страниц - при двухсторонней печати), а также при необходимости номер версии документа, наименование (имя) файла и другие сведения. Допускается логотип и наименование организации приводить в верхнем колонтитуле;

- данные об изменениях указывают в соответствии с 7.3.11, 7.3.14.

4.1.6. Графические части разделов и подразделов (частей разделов и подразделов) выполняют согласно положениям раздела 5 и других стандартов СПДС.

Графическую часть раздела (подраздела) выполняют в виде одного графического документа или в виде нескольких документов*.

Состав графической части, выполненной в виде одного документа, приводят в ведомости графической части по форме 1 (приложение В), которую размещают на первом листе и при необходимости на последующих листах графической части.

Если графическую часть раздела (подраздела) выполняют в виде нескольких документов, то ее состав приводят в ведомости документов графической части по форме 2 (приложение В). При этом каждый документ графической части должен иметь самостоятельное обозначение, в которое включают порядковый номер документа, а первым документом должна быть ведомость документов графической части. Документы обозначают аналогично 4.2.5.

4.1.7. Расчеты конструктивных, технологических и других решений, являющиеся обязательным элементом подготовки проектной документации, в состав проектной документации не включают, кроме случаев, установленных [2]. Их оформляют в соответствии с требованиями к текстовым документам и хранят в архиве проектной организации. Расчеты представляют заказчику или органам экспертизы по их требованию.

4.2. Рабочая документация

4.2.1. В состав рабочей документации, передаваемой заказчику, включают:

- рабочие чертежи, предназначенные для производства строительных и монтажных работ, объединенные в основные комплекты рабочих чертежей по маркам. Марки основных комплектов рабочих чертежей приведены в таблице Г.1 (приложение Г);

- прилагаемые документы, разработанные в дополнение к рабочим чертежам основного комплекта;

- сметную документацию по установленным формам (при необходимости)*.

4.2.2. В состав основных комплектов рабочих чертежей включают общие данные по рабочим чертежам, чертежи и схемы, предусмотренные соответствующими стандартами СПДС*.

4.2.3. Основной комплект рабочих чертежей любой марки может быть разделен на несколько основных комплектов той же марки (с добавлением к ней порядкового номера) в соответствии с процессом организации строительных и монтажных работ*.

Пример - АР1; АР2; КЖ1; КЖ2.

4.2.4. Каждому основному комплекту рабочих чертежей присваивают обозначение, в состав которого включают базовое обозначение, устанавливаемое по действующей в организации системе, и через дефис - марку основного комплекта*.

Пример - 2345-12-АР,

где 2345-12 - базовое обозначение. В базовое обозначение, формируемое согласно 4.1.2, включают также номер здания или сооружения по генеральному плану <1>;

<1> Для рабочих чертежей линейных сооружений, генерального плана, наружных коммуникаций эту часть базового обозначения исключают или заменяют нулями.

АР - марка основного комплекта рабочих чертежей.

4.2.5. Допускается оформление основного комплекта рабочих чертежей отдельными документами с присвоением им обозначения, состоящего из базового обозначения, марки основного комплекта и добавлением через точку порядкового номера документа арабскими цифрами*.

Пример - 2345-12-ЭО.1; 2345-12-ЭО.2; 2345-12-ЭО.11,

где 2345-12 - базовое обозначение;

ЭО - марка основного комплекта рабочих чертежей;

1, 2, 11 - порядковые номера документов основного комплекта рабочих чертежей.

Примечание - Допускается к однозначным порядковым номерам документов добавлять нуль слева, например 01, 02, 03 и т.д.

4.2.6. К прилагаемым документам относят:

- рабочую документацию на строительные изделия, выполняемую в соответствии с ГОСТ 21.501;

- эскизные чертежи общих видов нетиповых изделий, выполняемые в соответствии с ГОСТ 21.114;

- спецификацию оборудования, изделий и материалов, выполняемую в соответствии с ГОСТ 21.110;

- опросные листы и габаритные чертежи, выполняемые в соответствии с данными изготовителей (поставщиков) оборудования*;

- локальную смету*;

- расчеты*;

- другие документы, предусмотренные соответствующими стандартами СПДС.

Конкретный состав прилагаемых документов и необходимость их выполнения устанавливаются соответствующими стандартами СПДС и заданием на проектирование.

Прилагаемые документы проектная организация передает заказчику одновременно с основным комплектом рабочих чертежей в количестве, установленном для рабочих чертежей.

4.2.7. Каждому прилагаемому документу присваивают обозначение основного комплекта с добавлением через точку шифра прилагаемого документа. Шифры прилагаемых документов приведены в соответствующих стандартах СПДС.

Пример - 2345-12-ЭО.СО,

где 2345-12-ЭО - обозначение основного комплекта рабочих чертежей;

СО - шифр спецификации оборудования, изделий и материалов по ГОСТ 21.110.

При наличии нескольких прилагаемых документов одного вида к их обозначению добавляют порядковый номер или через дефис марку изделия (для чертежей изделий).

Пример - 2345-12-ВК.Н1; 2345-12-ВК.Н2; 2345-12-КЖ.И-Б1; 2345-12-КЖ.И-Б2.

4.2.8. В рабочих чертежах допускается применять типовые строительные конструкции, изделия и узлы путем ссылок на документы, содержащие чертежи этих конструкций и изделий. К ссылочным документам относят:

- стандарты (технические условия) на строительные изделия;

- чертежи типовых конструкций, изделий и узлов.

Ссылочные документы в состав рабочей документации, передаваемой заказчику, не входят. Проектная организация при необходимости передает их заказчику по отдельному договору*.

4.2.9. Форму, правила выполнения и обозначения документа, в котором приводится состав всей рабочей документации, выполненной в соответствии с договором, устанавливают в стандартах организации.

4.3. Общие данные по рабочим чертежам

4.3.1. На первых листах каждого основного комплекта рабочих чертежей приводят общие данные по рабочим чертежам, в которые в общем случае включают*:

- ведомость рабочих чертежей основного комплекта, выполняемую по форме 1;

- ведомость ссылочных и прилагаемых документов, выполняемую по форме 2;

- ведомость основных комплектов рабочих чертежей, выполняемую по форме 2;

- ведомость спецификаций, выполняемую по форме 1 (при наличии в основном комплекте рабочих чертежей нескольких спецификаций)*;

- условные обозначения, не установленные национальными стандартами, и значения которых не указаны на других листах основного комплекта рабочих чертежей;

- общие указания;

- другие данные, предусмотренные соответствующими стандартами СПДС.

Формы 1 и 2 с указаниями по их заполнению приведены в приложении В.

4.3.2. Ведомость рабочих чертежей основного комплекта содержит последовательный перечень листов основного комплекта.

При оформлении основного комплекта рабочих чертежей отдельными документами (см. 4.2.5) вместо ведомости рабочих чертежей основного комплекта в состав общих данных включают ведомость документов основного комплекта по форме 2*.

4.3.3. Ведомость ссылочных и прилагаемых документов составляют по разделам:

- ссылочные документы;

- прилагаемые документы.

Наименования разделов записывают в виде заголовка в графе "Наименование" и подчеркивают.

В разделе "Ссылочные документы" указывают документы согласно 4.2.8. При этом в соответствующих графах ведомости указывают обозначение и наименование стандарта или обозначение, наименование и номер выпуска чертежей типовых конструкций, изделий и узлов.

В разделе "Прилагаемые документы" указывают документы согласно 4.2.6.

4.3.4. Ведомость основных комплектов рабочих чертежей приводят на листах общих данных одного из основных комплектов рабочих чертежей здания или сооружения (по усмотрению лица, ответственного за разработку рабочей документации). Ведомость содержит последовательный перечень основных комплектов рабочих чертежей, входящих в состав полного комплекта рабочей документации по зданию или сооружению*.

При наличии нескольких основных комплектов рабочих чертежей одной марки (см. 4.2.3) составляют ведомость комплектов этой марки по форме 2 (приложение В), которую приводят, как правило, в общих данных каждого из этих комплектов.

4.3.5. В общих указаниях приводят:

- сведения о документах, на основании которых принято решение о разработке рабочей документации (например, задание на проектирование, утвержденная проектная документация);

- запись о соответствии рабочей документации заданию на проектирование, выданным техническим условиям, требованиям действующих технических регламентов, стандартов, сводов правил, других документов, содержащих установленные требования;

- перечень нормативных документов (стандартов, сводов правил, технических условий и т.п.), на которые даны ссылки в рабочих чертежах*;

- абсолютную отметку, принятую в рабочих чертежах здания или сооружения условно за нулевую (как правило, приводят на чертежах архитектурных и конструктивных решений);

- запись о результатах проверки на патентоспособность и патентную чистоту впервые применяемых в проектной документации технологических процессов, оборудования, конструкций, изделий и материалов, а также номера патентов и заявок, по которым приняты решения о выдаче патентов на используемые в рабочей документации изобретения (при необходимости);

- перечень видов работ, которые оказывают влияние на безопасность здания или сооружения и для которых необходимо составлять акты освидетельствования скрытых работ, ответственных конструкций и участков сетей инженерно-технического обеспечения*.

- сведения о том, кому принадлежит данная интеллектуальная собственность (при необходимости);

- эксплуатационные требования, предъявляемые к проектируемому зданию или сооружению (при необходимости);

- другие необходимые указания.

В общих указаниях не следует повторять технические требования, помещенные на других листах основного комплекта рабочих чертежей, и давать описание принятых в рабочих чертежах технических решений.

Пункты общих указаний должны иметь сквозную нумерацию. Каждый пункт общих указаний записывают с новой строки.

5. Общие правила выполнения документации

5.1. Общие положения

5.1.1. При выполнении проектной и рабочей документации, а также отчетной технической документации по результатам инженерных изысканий для строительства следует руководствоваться положениями стандартов СПДС и ЕСКД.

Перечень стандартов ЕСКД, подлежащих учету при выполнении графической и текстовой документации для строительства, приведен в таблице Д.1 (приложение Д).

5.1.2. Документацию, как правило, выполняют автоматизированным способом (с использованием специальных программ) на бумажном носителе (в бумажной форме), и/или в виде ДЭ, и/или в форме информационной модели объекта строительства.

Документы одного вида и наименования, независимо от способа выполнения, являются равноправными и взаимозаменяемыми. Взаимное соответствие между документами в электронной и бумажной формах обеспечивает разработчик.

5.1.3. В графических документах изображения и условные обозначения выполняют линиями по ГОСТ 2.303. Допускается применение линий других типов, наименования, начертание, толщина и основные назначения которых устанавливаются в соответствующих стандартах СПДС.

5.1.4. В графических документах условные обозначения следует выполнять в основном черным цветом. Некоторые условные обозначения или их отдельные элементы допускается выполнять другими цветами. Указания о цвете условных обозначений приведены в соответствующих стандартах СПДС. Если цвета условных обозначений, применяемых на чертежах и схемах, не установлены в стандартах, их назначение указывают на чертежах.

В подлинниках, предназначенных для изготовления черно-белых копий, цветные условные обозначения и их элементы следует выполнять черным цветом.

5.1.5. При выполнении графических документов применяют шрифты по ГОСТ 2.304, а также другие шрифты, используемые средствами вычислительной техники, при обеспечении условий доступности этих шрифтов пользователям документов.

5.1.6. Изображения на чертежах выполняют в оптимальных масштабах по ГОСТ 2.302 с учетом их сложности и насыщенности информацией.

Масштабы изображений на чертежах не указывают, за исключением чертежей изделий и других случаев, предусмотренных в соответствующих стандартах СПДС. В этих случаях масштабы указывают в круглых скобках непосредственно после наименований изображений в соответствии с ГОСТ 2.316-2008 (пункт 4.19).

5.1.7. Содержательная и реквизитная части ДЭ должны соответствовать требованиям стандартов СПДС и ЕСКД.

5.1.8. Структура и состав реквизитов ДЭ должны обеспечивать его обращение в рамках программных средств (отображение, внесение изменений, печать, учет и хранение в базах данных, а также передачу в другие автоматизированные системы) с соблюдением при этом нормативных требований по оформлению документов.

5.1.9. На рассмотрение, согласование, экспертизу и утверждение представляют копии документов проектной и рабочей документации, скомплектованные, как указано в разделе 8.

5.1.10. Форма представления документов проектной и рабочей документации (бумажная или электронная), если она не указана в задании на проектирование, определяется разработчиком по согласованию с заказчиком. Допускается включать в состав проектной и рабочей документации документы в различных формах представления.

5.1.11. В графических документах допускается применение сокращений слов, перечни которых приведены в ГОСТ 2.316 и таблице Е.1 (приложение Е).

5.2. Основные надписи

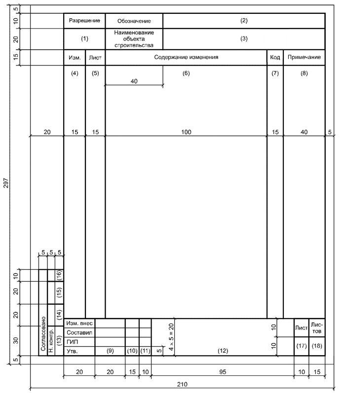
5.2.1. Каждый лист графического и текстового документа проектной и рабочей документации для строительства, а также отчетной технической документации по результатам инженерных изысканий, как правило, оформляют основной надписью и дополнительными графами к ней*. Формы основных надписей и указания по их заполнению (формы 3 - 6) приведены в приложении Ж.

Основную надпись располагают в правом нижнем углу листа.

На листах формата A4 по ГОСТ 2.301 основную надпись располагают вдоль короткой стороны листа. Для документов в табличной форме допускается располагать основную надпись вдоль длинной стороны листа формата A4.

5.2.2. Содержание, расположение и размеры граф основной надписи, дополнительных граф к ней, а также размеры рамок должны соответствовать:

- на листах основных комплектов рабочих чертежей и листах графической части проектной документации - форме 3;

- на первом листе чертежей строительных изделий - форме 4;

- на первых или заглавных листах текстовых документов и первых листах эскизных чертежей общих видов нетиповых изделий, оформляемых в виде выпуска, - форме 5. Допускается оформлять основной надписью по форме 5 первый лист чертежа строительного изделия*;

- на последующих листах чертежей строительных изделий, текстовых документов и эскизных чертежей общих видов - форме 6.

Допускается оформлять основной надписью по форме 6 последующие листы графических документов графической части проектной документации и графических документов основного комплекта рабочих чертежей (при оформлении графической части и основного комплекта рабочих чертежей отдельными документами), если все эти листы имеют одно и то же наименование и изменения в эти документы вносят заменой всех листов документа.

5.2.3. Если некоторые текстовые документы (например, спецификацию оборудования, изделий и материалов) выпускают без титульного листа, то в этом случае первый лист документа оформляют основной надписью по форме 3, последующие - по форме 6.

При оформлении основного комплекта рабочих чертежей отдельными документами документы, содержащие сплошной текст и/или представленные в виде таблиц (например, общие данные, кабельный журнал и т.п.), оформляют как текстовые документы. В этом случае первый лист документа оформляют основной надписью по форме 3, последующие - по форме 6.

5.2.4. Основные надписи по формам 3 - 6 применяют для листов документов отчетной технической документации по результатам инженерных изысканий в соответствии с ГОСТ 21.301.

5.2.5. Основную надпись, дополнительные графы к ней и рамки выполняют сплошными толстыми основными и сплошными тонкими линиями по ГОСТ 2.303.

5.2.6. Таблицу изменений в основной надписи (графы 14 - 19) при необходимости допускается продолжать вверх или влево от основной надписи. При расположении таблицы изменений слева от основной надписи наименования граф 14 - 19 повторяют.

5.2.7. Расположение основной надписи и дополнительных граф к ней, а также размеры рамок на листах приведены в приложении И.

5.2.8. Для целей управления документами в процессах документооборота допускается вводить дополнительные реквизиты для ДЭ, не отображаемые на документах в бумажной форме. Номенклатура таких реквизитов и правила выполнения устанавливаются нормативными документами организации.

5.2.9. Допускается дополнительно идентифицировать проектные документы с применением штрихкода. При этом в качестве реквизитов штрихкода следует использовать обозначение документа, номер версии и обозначение формата документа. Дополнительно могут быть использованы код страны, код организации-разработчика и другие реквизиты*.

5.3. Координационные оси

5.3.1. На изображениях здания (сооружения) указывают координационные оси его несущих конструкций, предназначенные для определения взаимного расположения элементов здания (сооружения) и привязки здания (сооружения) к строительной геодезической сетке или разбивочному базису.

5.3.2. Каждому отдельному зданию или сооружению присваивают самостоятельную систему обозначений координационных осей.

Координационные оси наносят на изображения здания (сооружения) тонкими штрихпунктирными линиями с длинными штрихами, обозначают в кружках диаметром 6 - 12 мм арабскими цифрами и прописными буквами русского алфавита (за исключением букв: Е, З, Й, О, Х, Ц, Ч, Щ, Ъ, Ы, Ь) или при необходимости буквами латинского алфавита (за исключением букв I и O).

Пропуски в цифровых и буквенных (кроме указанных) обозначениях координационных осей не допускаются.

Цифрами обозначают координационные оси по стороне здания (сооружения) с большим количеством осей. Если для обозначения координационных осей не хватает букв алфавита, последующие оси обозначают двумя буквами.

Пример - АА, ББ, ВВ.

5.3.3. Последовательность обозначений координационных осей принимают по плану, как показано на рисунке 1а: цифровые оси - слева направо, буквенные оси - снизу вверх или как показано на рисунках 1б и 1в.

а б в

Рисунок 1

5.3.4. Обозначение координационных осей, как правило, наносят по левой и нижней сторонам плана здания (сооружения).

При несовпадении координационных осей противоположных сторон плана в местах расхождения дополнительно наносят обозначения указанных осей по верхней и/или правой сторонам.

5.3.5. Для отдельных элементов, расположенных между координационными осями основных несущих конструкций, наносят дополнительные оси, которым присваивают обозначение в виде дроби, в числителе которой указывают обозначение предшествующей координационной оси, а в знаменателе - дополнительный порядковый номер в пределах участка между смежными координационными осями в соответствии с рисунком 2.

Рисунок 2

Допускается координационным осям фахверковых колонн присваивать цифровые и буквенные обозначения в продолжение обозначений осей основных колонн без дополнительного номера.

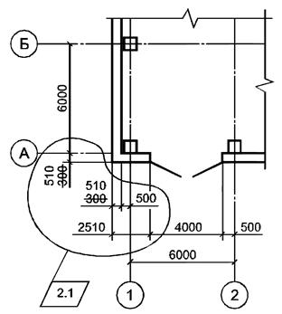
5.3.6. На изображении повторяющегося элемента, привязанного к нескольким координационным осям, координационные оси обозначают в соответствии с рисунком:

3а - при их количестве не более трех;

3б - при их количестве более трех;

3в - при всех буквенных и цифровых координационных осях.

При необходимости ориентацию координационной оси, к которой привязан элемент, по отношению к соседней оси указывают в соответствии с рисунком 3г.

а б в г

Рисунок 3

5.3.7. На планах жилых зданий, скомпонованных из блок-секций, крайним координационным осям блок-секций присваивают обозначения согласно 5.3.1 - 5.3.3, которые указывают в соответствии с рисунком 4а.

Координационным осям блок-секций, в том числе крайним, присваивают самостоятельные обозначения согласно 5.3.1 - 5.3.3 с добавлением индекса "с" (см. рисунок 4б). При необходимости на плане блок-секции указывают обозначения координационных осей здания, скомпонованного из блок-секций.

а б

Рисунок 4

5.3.8. Трехмерную (3D) электронную модель здания или сооружения выполняют в единой планово-высотной системе координат.

Координатную систему трехмерной модели здания или сооружения изображают тремя взаимно перпендикулярными линиями с началом координат, расположенным в точке пересечения осей 1 и А на нулевой отметке этого здания или сооружения в соответствии с рисунком 5.

Рисунок 5

При этом для прямоугольного в плане здания (см. рисунок 1а) за положительное направление принимают: оси X - в сторону увеличения цифровых обозначений координационных осей, оси Y - в сторону увеличения буквенных обозначений координационных осей, оси Z - вертикально вверх от условной нулевой отметки здания.

5.4. Нанесение размеров, уклонов, отметок и надписей

5.4.1. Линейные размеры на чертежах указывают без обозначения единиц длины:

- в метрах с двумя десятичными знаками, отделенными от целого числа запятой, - на чертежах наружных сетей и коммуникаций, генерального плана и транспорта, за исключением случаев, оговоренных в соответствующих стандартах СПДС;

- в миллиметрах - на всех остальных видах чертежей.

5.4.2. Размерную линию на ее пересечении с выносными линиями, линиями контура или осевыми линиями ограничивают засечками длиной 2 - 4 мм, наносимыми с наклоном вправо под углом 45° к размерной линии, при этом размерные линии продолжают за крайние выносные линии, линии контура или осевые линии на 0 - 3 мм.

При нанесении размера диаметра или радиуса внутри окружности, а также углового размера размерную линию ограничивают стрелками. Стрелки применяют также при нанесении размеров радиусов и внутренних скруглений.

При нанесении размеров на аксонометрических схемах технологических трубопроводов и инженерных систем размерные линии допускается ограничивать стрелками.

5.4.3. Отметки уровней (высоты, глубины) элементов конструкций, оборудования, трубопроводов, воздуховодов и др. от уровня отсчета (условной нулевой отметки) указывают в метрах без обозначения единицы длины с тремя десятичными знаками, отделенными от целого числа запятой, за исключением случаев, оговоренных в соответствующих стандартах СПДС.

Отметки уровней на фасадах, разрезах и сечениях помещают на выносных линиях (или на линиях контура) и обозначают знаком "", выполненным сплошными тонкими линиями с длиной штрихов 2 - 4 мм под углом 45° к выносной линии или линии контура в соответствии с рисунком 6; на планах - в прямоугольнике в соответствии с рисунком 7, за исключением случаев, оговоренных в соответствующих стандартах СПДС.

Рисунок 6

Рисунок 7

Нулевую отметку, принимаемую, как правило, для поверхности какого-либо элемента конструкций здания или сооружения, расположенного вблизи планировочной поверхности земли, указывают без знака; относительные отметки выше нулевой указывают со знаком "+", ниже нулевой - со знаком "-"*.

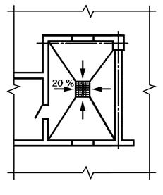
5.4.4. На планах направление уклона плоскостей указывают стрелкой, над которой при необходимости проставляют числовое значение уклона в процентах в соответствии с рисунком 8 или в виде отношения единицы высоты плоскости к соответствующей горизонтальной проекции (например, 1:7)*.

Рисунок 8

Допускается числовое значение уклона указывать в промилле или в виде десятичной дроби с точностью до третьего знака.

На разрезах, сечениях и схемах перед размерным числом, определяющим числовое значение уклона, наносят знак "", острый угол которого должен быть направлен в сторону уклона (кроме крутизны откосов насыпей и выемок). Обозначение уклона наносят непосредственно над линией контура (см. рисунок 9а) или на полке линии-выноски (см. рисунок 9б).

а б

Рисунок 9

5.4.5. Номера позиций или марки элементов наносят на полках линий-выносок, проводимых от изображений элементов конструкций зданий или сооружений, рядом с изображением - без линии-выноски или в пределах контуров изображенных элементов в соответствии с рисунком 10.

Рисунок 10

Линию-выноску, как правило, заканчивают точкой. Если линия-выноска отводится от линии, обозначающей поверхность, то ее заканчивают стрелкой. При мелкомасштабном изображении линии-выноски заканчивают без стрелки и точки.

5.4.6. Выносные надписи к многослойным конструкциям выполняют в соответствии с рисунком 11.

Примечание - Цифрами условно обозначена последовательность расположения слоев конструкций и надписей на полках линий-выносок.

Рисунок 11

5.4.7. Размер шрифта для обозначения координационных осей, позиций (марок), наименований и обозначений изображений должен быть в 1,5 - 2 раза больше размера цифр размерных чисел, применяемых в том же графическом документе.

5.5. Изображения (разрезы, сечения, виды, выносные элементы)

5.5.1. Изображения на чертежах выполняют в соответствии с ГОСТ 2.305 с учетом требований настоящего стандарта и других стандартов СПДС*.

5.5.2. Разрезы здания или сооружения обозначают арабскими цифрами последовательно в пределах графического документа. Сечения обозначают аналогичным образом*.

Допускается самостоятельная нумерация для разрезов и сечений отдельных участков здания, сооружения или установок, все чертежи которых размещены на одном листе или группе листов и если на этих чертежах отсутствуют ссылки на разрезы и сечения, расположенные на других листах графического документа.

Допускается обозначать разрезы прописными буквами русского алфавита, а сечения - прописными или строчными буквами русского алфавита (за исключением букв, указанных в 5.3.2).

Положение секущей плоскости указывают на чертеже линией сечения (разомкнутой линией по ГОСТ 2.303). При сложном разрезе штрихи проводят также у мест пересечения секущих плоскостей между собой. На начальном и конечном штрихах на расстоянии 2 - 3 мм от конца штриха следует ставить стрелки, указывающие направление взгляда (см. рисунок 12).

Рисунок 12

Направление взгляда для разреза по плану здания и сооружения принимают, как правило, снизу вверх и справа налево.

5.5.3. Если отдельные части вида (фасада), плана, разреза требуют более детального изображения, то дополнительно выполняют местные виды и выносные элементы - узлы и фрагменты*.

5.5.4. На изображении (плане, фасаде или разрезе), откуда выносят узел, соответствующее место отмечают замкнутой сплошной тонкой линией (окружностью, овалом или прямоугольником со скругленными углами) с нанесением на полке линии-выноски обозначения узла арабской цифрой в соответствии с рисунками 13а, 13б или прописной буквой русского алфавита в соответствии с рисунком 13в.

При необходимости ссылки на узел, помещенный в другом графическом документе (например, основном комплекте рабочих чертежей), или на рабочие чертежи типового строительного узла под полкой линии-выноски указывают обозначение и номер листа соответствующего документа в соответствии с рисунком 13б или серию рабочих чертежей типовых узлов и номер выпуска в соответствии с рисунком 13в.

а б в

Рисунок 13

При необходимости ссылку на узел в сечении выполняют в соответствии с рисунком 14.

Рисунок 14

Над изображением узла указывают в кружке его обозначение в соответствии с рисунком 15а, если узел изображен на том же листе, откуда он вынесен, или 15б, если он вынесен на другом листе.

Рисунок 15

Узлу, являющемуся полным зеркальным отражением другого (основного) исполнения, присваивают то же обозначение, что и основному исполнению, с добавлением индекса "н".

5.5.5. Местные виды обозначают прописными буквами русского алфавита, которые наносят рядом со стрелкой, указывающей направление взгляда. Эти же обозначения наносят над изображениями видов*.

5.5.6. Для каждого вида изображений (разрезов и сечений, узлов, фрагментов) применяют самостоятельный порядок нумерации или буквенных обозначений.

5.5.7. На изображении (плане, фасаде или разрезе), откуда выносят фрагмент, соответствующее место отмечают, как правило, фигурной скобкой в соответствии с рисунком 16.

Рисунок 16

Наименование и порядковый номер фрагмента наносят под фигурной скобкой или на полке линии-выноски, а также над соответствующим фрагментом.

5.5.8. Изображения до оси симметрии симметричных планов и фасадов зданий и сооружений, схем расположения элементов конструкций, планов расположения технологического, энергетического, санитарно-технического и другого оборудования не допускаются.

5.5.9. Если изображение разреза, сечения, узла, вида или фрагмента помещено на другом листе, то после обозначения изображения указывают в скобках номер этого листа в соответствии с рисунками 12, 13а, 14 и 16.

5.5.10. Дополнительные изображения (местные виды, разрезы, сечения, узлы) допускается поворачивать до положения, соответствующего главному изображению*.

5.5.11. Если изображение (например, план) не помещается на листе принятого формата, то его делят на несколько участков, размещая их на отдельных листах.

В этом случае на каждом листе, где показан участок изображения, приводят схему целого изображения с необходимыми координационными осями и условным обозначением (штриховкой) показанного на данном листе участка изображения в соответствии с рисунком 17.

Примечание - Если чертежи участков изображения помещены в разных основных комплектах рабочих чертежей, то над номером листа указывают полное обозначение соответствующего основного комплекта.

Рисунок 17

5.5.12. В наименованиях планов здания или сооружения указывают слово "План" и отметку чистого пола, или номер этажа, или обозначение соответствующей секущей плоскости (при выполнении двух и более планов на разных уровнях в пределах этажа).

Примеры

1. План на отм. 0,000; План на отм. +3,600; План на отм. -2,800.

2. План 2 этажа.

3. План 3-3.

Повторяющиеся планы здания или сооружения выполняют один раз с приведением в наименовании плана соответствующих номеров этажей.

Примеры

1. План 2 - 9 этажей.

2. План 2, 4, 6, 8, 10 этажей.

При выполнении части плана в наименовании указывают оси, ограничивающие эту часть плана.

Пример - План на отм. 0,000 между осями 21 - 30 и А - Д.

Допускается в наименовании плана этажа указывать назначение помещений, расположенных на этаже.

5.5.13. Если планы этажей многоэтажного здания имеют небольшие отличия друг от друга, то полностью выполняют план одного из этажей, а для других этажей выполняют только те части плана, которые необходимы для показа отличия от плана, изображенного полностью.

Под наименованием частично изображенного плана приводят запись: "Остальное см. план (наименование полностью изображенного плана)".

5.5.14. В наименованиях разрезов здания (сооружения) указывают слово "Разрез" и обозначение соответствующей секущей плоскости по 5.5.2.

Пример - Разрез 1-1.

Примечание - В наименованиях разрезов изделий слово "Разрез" не указывают.

Наименованиями сечений являются цифровые или буквенные обозначения секущих плоскостей.

Пример - 5-5; Б-Б; а-а.

5.5.15. В наименованиях фасадов здания или сооружения указывают слово "Фасад" и обозначения крайних осей, между которыми расположен фасад.

Пример - Фасад 1 - 12; Фасад 12 - 1; Фасад А - Г.

Допускается в наименовании фасада указывать его расположение, например "главный", "дворовый" и т.п.

5.5.16. Наименования изображений на чертежах не подчеркивают.

6. Правила выполнения спецификаций на чертежах

6.1. К схемам расположения элементов сборной конструкции, монолитной железобетонной конструкции, чертежам расположения технологического оборудования и/или трубопроводов, установок (блоков) технологического, санитарно-технического и другого оборудования, а также к другим чертежам составляют спецификации по форме 7 (приложение К).

При выполнении чертежей групповым методом составляют групповые спецификации по форме 8 (приложение К).

6.2. Спецификацию помещают, как правило, на листе чертежей, где изображены схемы, планы расположения оборудования и трубопроводов, планы установок. Допускается выполнять спецификацию на отдельных листах формата A4 в качестве последующих листов чертежей или в виде отдельного документа*.

6.3. Спецификации строительных изделий составляют по ГОСТ 21.501.

6.4. В электронных моделях спецификации и другие таблицы на чертежах допускается выполнять в рабочем пространстве электронной модели. В этом случае их рекомендуется выполнять на отдельном информационном уровне.

7. Правила внесения изменений

7.1. Общие положения

7.1.1. На основании положений настоящего раздела могут быть разработаны стандарты организаций, учитывающие особенности внесения изменений в проектные документы в зависимости от объема документации, условий документооборота и используемых САПР и СЭД.

7.1.2. Изменением документа, ранее переданного заказчику, является любое исправление, исключение или добавление в него каких-либо данных без изменения обозначения этого документа.

Обозначение документа допускается изменять только в случае, когда разным документам ошибочно присвоены одинаковые обозначения или в обозначении документа допущена ошибка.

Внесение изменений в расчеты не допускается*.

7.1.3. Если изменение документа неприемлемо, то должен быть выпущен новый документ с новым обозначением.

7.1.4. Любое изменение в документе, вызывающее какие-либо изменения в других документах, должно одновременно сопровождаться внесением соответствующих изменений во все взаимосвязанные документы.

7.1.5. Изменения вносят в подлинник документа.

7.1.6. Информацию о факте изменения документа указывают:

- в бумажных документах - в основной надписи этих документов и/или в таблицах регистрации изменений*;

- в ДЭ - в реквизитной части этих документов;

- в графе "Примечание" документов и ведомостей, предназначенных для учета документов.

В новой (измененной) версии ДЭ в реквизитной части указывают данные только о последнем изменении.

7.2. Разрешение на внесение изменений

7.2.1. Изменение документа (в том числе его аннулирование) выполняют на основании разрешения на внесение изменений (далее - разрешение). Разрешение выполняют по формам 9 и 9а (приложение Л) на бумажном носителе или как ДЭ*.

Разрешение регистрируют в соответствии с ГОСТ Р 21.1003.

7.2.2. Разрешение утверждает руководитель организации - разработчика документа или другое уполномоченное им должностное лицо.

Разрешение является основанием для получения подлинников документов и внесения в них изменений.

7.2.3. Подлинники разрешений на бумажном носителе хранят в архиве организации.

7.2.4. Изменения в каждый документ (например, основной комплект рабочих чертежей, спецификацию оборудования, изделий и материалов) вносят на основании отдельного разрешения*.

Допускается составлять одно общее разрешение на изменения, вносимые одновременно в несколько документов, если изменения взаимосвязаны или одинаковы для всех изменяемых документов.

7.2.5. При внесении изменений в ДЭ разрешение допускается не оформлять, если в САПР и СЭД ведутся учет и хранение версий документа и обеспечивается контроль доступа, исключающий возможность несанкционированного внесения изменений.

7.3. Внесение изменений

7.3.1. Изменения обозначают порядковыми номерами (1, 2, 3 и т.д.). Один порядковый номер изменения присваивают всем изменениям, которые вносят в документ по одному разрешению. Его указывают для всего документа, независимо от того, на скольких листах он выполнен.

Допускается обозначать изменения (версии) буквенно-цифровыми кодами по правилам, установленным в стандартах организаций.

7.3.2. При внесении изменений в подлинник ДЭ любое изменение индексируется как новая версия этого документа.

7.3.3. Изменения в документы вносят рукописным или автоматизированным способом*.

7.3.4. Изменения в бумажные подлинники документов вносят:

- зачеркиванием;

- подчисткой (смывкой);

- закрашиванием белым цветом;

- введением новых данных;

- заменой листов или всего документа;

- введением новых дополнительных листов и/или документов;

- исключением отдельных листов документа.

При этом учитывают физическое состояние подлинника.

После внесения изменений подлинники должны быть пригодны для изготовления копий документации надлежащего качества способами репрографии.

7.3.5. Рукописным способом изменения вносят в бумажные подлинники документов в соответствии с правилами, приведенными в приложении М.

7.3.6. При внесении изменений заменой листов изготовляют новые листы подлинника с учетом вносимых изменений.

Если заменяют или добавляют один или несколько листов подлинника, то на них сохраняют инвентарный номер, присвоенный подлиннику.

При замене всех листов подлинника ему присваивают новый инвентарный номер*.

7.3.7. Внесение изменений в ДЭ проводят путем выпуска новой версии документа с внесенными изменениями*.

7.3.8. Изменения в сметную документацию осуществляют автоматизированным способом с заменой всего документа.

7.3.9. При добавлении нового листа в бумажный текстовый документ допускается присваивать ему номер предыдущего листа с добавлением очередной строчной буквы русского алфавита или через точку арабской цифры, например 3а или 3.1. При аннулировании листа документа нумерацию его последующих листов сохраняют.

В текстовых документах, содержащих в основном сплошной текст, допускается при добавлении нового пункта (раздела, подраздела, подпункта), таблицы, иллюстрации присваивать им номер предыдущего пункта (раздела, подраздела, подпункта), таблицы, иллюстрации с добавлением очередной строчной буквы русского алфавита; при исключении пункта (раздела, подраздела, подпункта), таблицы, иллюстрации сохраняют номера последующих пунктов (разделов, подразделов, подпунктов), таблиц, иллюстраций.

7.3.10. При изменении общего количества листов документа на его первом листе в основной надписи вносят соответствующие исправления в графу "Листов".

7.3.11. Данные об изменениях, внесенных в подлинник, указывают в таблице изменений, помещенной в основной надписи (при ее наличии) и/или в таблице регистрации изменений по форме 10 (приложение Н).

7.3.12. При внесении изменений в документы таблицу изменений заполняют на листах (листе):

- первом (заглавном) нового подлинника, изготовленном в целом взамен старого;

- измененных;

- выпущенных вместо замененных,

- добавленных вновь.

7.3.13. В таблице изменений указывают:

- в графе "Изм." - порядковый номер изменения документа. При замене подлинника новым очередной порядковый номер проставляют, исходя из последнего номера изменения, указанного в замененном подлиннике;

- в графе "Кол. уч." - количество изменяемых участков изображения на данном листе в пределах очередного изменения. При замене листа в графе ставят прочерк;

- в графе "Лист" на листах, выпущенных вместо замененных, - "Зам.". на листах, добавленных вновь, - "Нов.".

При замене всех листов подлинника: при рукописном внесении изменений на первом (заглавном) листе указывают "Все" (при этом таблицу изменений на других листах этого подлинника не заполняют); при автоматизированном способе внесения изменений таблицу изменений заполняют на каждом листе, при этом в графе "Лист" указывают "Зам.".

В остальных случаях в графе "Лист" ставят прочерк;

- в графе "N док." - обозначение разрешения;

- в графе "Подп." - подпись лица, ответственного за правильность внесения изменения. При замене всех листов бумажного подлинника текстового документа автоматизированным способом подпись проставляют только на первом (заглавном) листе. Подпись нормоконтролера проставляют на поле для подшивки листа (кроме листов, выпущенных вместо замененных и новых);

- в графе "Дата" - дату внесения изменения.

7.3.14. В таблице регистрации изменений по форме 10 рекомендуется приводить данные об изменениях в текстовых документах. Если таблицу регистрации изменений выполняют для текстового документа с основными надписями, таблицы изменений в основных надписях также заполняют.

7.3.15. При замене листов документов, оформленных основными надписями по формам 3 - 5, листы, выпущенные вместо замененных, подписывают в графах 10 - 13 основных надписей в соответствии с порядком, предусмотренным для вновь разработанных листов.

7.3.16. При аннулировании или замене листов документа на всех аннулированных и замененных листах подлинника проставляют штамп "Аннулирован (заменен)" по форме, приведенной в ГОСТ Р 21.1003-2009 (приложение Г), который заполняют согласно указаниям, приведенным там же.

7.4. Особенности внесения изменений в проектную документацию

7.4.1. Изменения в текстовые и графические документы разделов и подразделов проектной документации вносят в соответствии с 7.1 - 7.3 с учетом положений 7.4.2 - 7.4.7.

Изменения в документы вносят самостоятельно в пределах каждого документа независимо от их комплектации.

7.4.2. Изменения в бумажные подлинники проектной документации вносят, как правило, автоматизированным способом, а в проектную документацию, выполненную в виде ДЭ, - в соответствии с 7.3.7.

7.4.3. При проведении экспертизы проектной документации допускается вносить изменения в оперативном порядке на основании журнала изменений (приложение П) с последующим выпуском разрешения.

Возможность применения указанного допущения в каждом конкретном случае определяется по согласованию с органом экспертизы.

7.4.4. При внесении изменений в листы графической части раздела (подраздела) в графе "Примечание" ведомости графической части указывают:

а) для измененных листов при внесении первого изменения - "Изм. 1", последующих изменений - дополнительно очередные номера изменений, отделяя их от предыдущих точкой с запятой.

Пример - Изм. 1; 2;

б) для замененных листов при номере изменения - "(Зам.)".

Пример - Изм. 1; 2 (Зам.);

в) для исключенных (аннулированных) листов при номере изменения - "(Аннул.)".

Пример - Изм. 1 (Аннул.);

г) для дополнительных листов при номере изменения - "(Нов.)".

Пример - Изм. 1 (Нов.).

7.4.5. При внесении изменений в документы графической части вносят исправления в ведомость документов графической части.

7.4.6. Внесение изменений в документы проектной документации должно сопровождаться внесением исправлений в содержание тома, выполняемого согласно 8.1.5.

7.4.7. При выполнении дополнительных томов проектной документации, а также при изменении наименований или аннулировании томов вносят исправления в ведомость "Состав проектной документации".

7.5. Особенности внесения изменений в рабочую документацию

7.5.1. Изменения в рабочую документацию вносят в соответствии с 7.1 - 7.3 с учетом положений 7.5.2 - 7.5.8.

7.5.2. При внесении изменений в листы основного комплекта рабочих чертежей в ведомости рабочих чертежей этого комплекта в графе "Примечание" указывают сведения в соответствии с перечислениями а) - г) 7.4.4.

В случае замены листов общих данных в ведомости рабочих чертежей этого комплекта допускается приводить сведения только о последнем изменении листов основного комплекта.

7.5.3. Если в основной комплект рабочих чертежей включают дополнительные листы, то им присваивают очередные порядковые номера и записывают в продолжение ведомости рабочих чертежей соответствующего основного комплекта.

Если при внесении изменений в бумажный подлинник для записи дополнительных листов в ведомости рабочих чертежей недостаточно места, продолжение ведомости переносят на первый из дополнительных листов основного комплекта. При этом в конце ведомости рабочих чертежей, помещенной в "Общих данных", делают запись: "Продолжение ведомости см. на листе (номер листа)", а над ведомостью на дополнительном листе помещают заголовок: "Ведомость рабочих чертежей основного комплекта (продолжение)".

При изменении наименований листов вносят соответствующие исправления в графу "Наименование".

При внесении изменений рукописным способом номера и наименования аннулированных листов в ведомости рабочих чертежей зачеркивают, автоматизированным способом - графу "Наименование" для аннулированных листов не заполняют.

7.5.4. При внесении изменений в документы основного комплекта, оформленного отдельными документами, вносят соответствующие исправления в ведомость документов основного комплекта рабочих чертежей.

7.5.5. При выполнении дополнительных и аннулировании ранее выполненных прилагаемых документов вносят исправления в раздел "Прилагаемые документы" ведомости ссылочных и прилагаемых документов соответствующего основного комплекта рабочих чертежей*.

При замене в рабочих чертежах ссылочных документов (см. 4.2.8) вносят исправления в соответствующий раздел ведомости ссылочных и прилагаемых документов.

7.5.6. При выполнении дополнительных и аннулировании ранее выполненных основных комплектов рабочих чертежей вносят исправления в ведомость основных комплектов рабочих чертежей*.

7.5.7. В таблицах изменений на листах общих данных исправления, внесенные в ведомости общих данных в связи с внесением изменений в листы основного комплекта и прилагаемые документы, не учитывают как участки изменений в соответствии с М.3 (приложение М).

7.5.8. Копии листов (измененных, дополнительных и выпущенных вместо замененных листов) рабочей документации на бумажном носителе направляют организациям, которым ранее были направлены копии документов, одновременно с копиями общих данных соответствующего основного комплекта рабочих чертежей, уточненных в соответствии с 7.5.2 - 7.5.6*.

В электронном виде организациям направляют новые версии документов с внесенными изменениями (см. 7.3.7).

8. Комплектование документации

8.1. Комплектование бумажной документации

8.1.1. Для хранения в архиве и передачи другим организациям копии текстовых и графических материалов проектной документации на бумажном носителе брошюруют в тома, сложенными на формат A4 (ГОСТ 2.301), как правило, в переплеты с прозрачной пластиковой обложкой.

8.1.2. Текстовые и графические материалы, включаемые в том проектной документации, в общем случае комплектуют в следующем порядке:

- титульный лист*;

- содержание;

- ведомость "Состав проектной документации";

- текстовая часть;

- графическая часть (чертежи и схемы).

Примечание - Допускается не включать ведомость "Состав проектной документации" в состав каждого тома, а комплектовать ее отдельным томом.

8.1.3. Количество листов, включаемых в том, определяют из необходимости обеспечения удобства работы, как правило, не более 300 листов формата A4 или эквивалентного количества листов других форматов.

8.1.4. Для приведения подписей лиц, ответственных за разработку, согласование и утверждение материалов проектной документации, к каждому тому выполняют титульный лист по форме 12 (приложение Р). При большом количестве подписей согласующих лиц допускается выпускать продолжение титульного листа с полями 9 - 11, при этом в верхнем правом углу указывают: "Продолжение титульного листа".

Титульные листы томов и документов проектной документации в полях 9 - 11 оформляют подписями руководителя или главного инженера организации и лица, ответственного за подготовку проектной документации.

Пример выполнения титульного листа приведен на рисунке С.1 (приложение С).

8.1.5. При комплектовании в томе двух и более документов выполняют содержание по форме 2 (приложение В) на листах формата A4. Документы в содержании записывают в последовательности их комплектования в том (включая содержание тома).

В графах содержания указывают:

- в графе "Обозначение" - обозначение документа;

- в графе "Наименование" - наименование документа в полном соответствии с наименованием, указанным в основной надписи или на титульном листе;

- в графе "Примечание" - дополнительные сведения, например количество листов и номер изменения документа, включенного в том*.

В конце содержания приводят общее количество листов документов, включенных в том.

Первый лист содержания тома оформляют основной надписью по форме 5 (приложение Ж), последующие - по форме 6 (приложение Ж). Содержанию присваивают обозначение, состоящее из обозначения тома и через дефис шифра "С".

Пример - 2345-ПЗУ2-С; 2345-ИОС4.1.2-С.

В графе 5 основной надписи указывают "Содержание тома" и далее - номер соответствующего тома.

8.1.6. Состав проектной документации выполняют в виде ведомости по форме 13 (приложение Т) на листах формата A4.

В ведомости приводят последовательный перечень томов проектной документации.

Первый (заглавный) лист ведомости оформляют основной надписью по форме 5 (приложение Ж), последующие - по форме 6 (приложение Ж).

Составу проектной документации присваивают обозначение, состоящее из базового обозначения проектной документации и через дефис шифра "СП".

Пример - 2345-СП.

При комплектовании ведомости в отдельный том ее оформляют титульным листом в соответствии с 8.1.4.

8.1.7. Копии документов рабочей документации в бумажной форме хранят в архиве или передают другим организациям как россыпью (полистно), так и вложенными в папки или сброшюрованными в тома или альбомы.

При хранении или передаче россыпью (полистно) копии складывают на формат A4.

Копии документов рабочей документации помещают в папки полистно, сложенными на формат A4 или A3, как правило, отдельно по основным комплектам рабочих чертежей с учетом 8.1.3 и требований стандартов СПДС к отдельным видам документов рабочей документации.

При необходимости копии документов брошюруют в тома в соответствии с 8.1.1 или в альбомы, сложенными на формат A3.

Каждую папку или том с рабочей документацией оформляют обложкой по форме 14 (приложение У) или этикеткой.

При большом количестве листов документа его разделяют на части и комплектуют в несколько папок (томов, альбомов). На обложках или этикетках папок (томов, альбомов) указывают номер данной части и общее количество частей.

При комплектовании в папке, томе или альбоме двух и более документов выполняют содержание папки (тома, альбома) в соответствии с 8.1.5.

8.2. Комплектование электронной документации

8.2.1. Для передачи проектной и рабочей документации другой организации копии электронных документов комплектуются в ПДЭ.

ПДЭ представляет собой набор папок и файлов, упакованных в zip-архив (пакет) или объединенных в общую папку*.

8.2.2. ПДЭ состоит из:

- реквизитной части с описанием структуры проектной или рабочей документации. Реквизитная часть формируется при необходимости последующей автоматизированной загрузки пакета в СЭД;

- содержательной части в виде структурированного набора папок и файлов, подготовленного в соответствии с 8.2.4.

8.2.3. Реквизитной частью ПДЭ является XML-документ с фиксированным наименованием файла info.xml. Файл info.xml содержит информацию о пакете, структуре содержательной части пакета, атрибутах документов и папок, входящих в пакет.

Описание элементов и атрибутов реквизитной части ПДЭ приведено в таблицах Ф.1 - Ф.9 (приложение Ф).

8.2.4. Каждый документ, добавляемый в ПДЭ, должен иметь глобальный уникальный идентификатор (GUID), с помощью которого можно однозначно идентифицировать документ для отслеживания его изменений при последующей передаче новых версий ПДЭ. Идентификатор назначается автоматизированным способом, с помощью используемой СЭД, в которой ведутся учет и хранение версий документа. Изменение идентификатора для новых версий ДЭ при формировании новых версий ПДЭ не допускается.

8.2.5. Состав содержательной части ПДЭ должен соответствовать составу проектной или рабочей документации. Каждый раздел, подраздел проектной документации или основной комплект рабочих чертежей помещают в отдельную папку. Наименования папок должны соответствовать: для проектной документации - номерам разделов и подразделов, установленным [2], их наименованиям или шифрам; для рабочей документации - маркам и/или наименованиям основных комплектов рабочих чертежей*.

8.2.6. Наименования файлов, включенных в содержательную часть ПДЭ, должны соответствовать обозначению, номеру листа и наименованию ДЭ*.

8.2.7. ДЭ, включенные в состав ПДЭ, подписывают ЭП в соответствии с законодательством Российской Федерации.

8.2.8. Допускается заменять применение ЭП выпуском УЛ - сопроводительного документа на бумажном носителе с собственноручными подписями в нем не обеспеченных ЭП лиц, оформляемого по форме 15 (приложение Х)*.

Приложение А
(рекомендуемое)

КОММЕНТАРИИ К ПУНКТАМ СТАНДАРТА

4.1.2. Подразделам раздела "Иная документация..." присваивают отдельные шифры, приведенные в таблице Б.1 (приложение Б).

В обозначении документов не следует применять в качестве разделительного знака пробел.

4.1.5. После содержания (оглавления), выполняемого по ГОСТ Р 2.105, в текстовом документе могут быть приведены перечни таблиц и рисунков.

4.1.6. В состав документов графической части могут входить как графические, так и текстовые документы (ведомости, спецификации, экспликации и т.п.).

Графические документы могут состоять как из одного, так и из нескольких листов, а в виде ДЭ могут быть простыми и составными (ГОСТ 2.051).

4.2.1. В составе рабочей документации составляются объектные и локальные сметы.

Объектную смету, являющуюся документом, определяющим сметную стоимость строительных и монтажных работ на здание (сооружение) в целом или этапы его строительства, обозначают согласно 4.2.4 с присвоением ей марки "СМ" и записывают в конце ведомости основных комплектов рабочих чертежей.

4.2.2. Состав и содержание рабочих чертежей, входящих в тот или иной основной комплект рабочих чертежей, определяются видом строительных или монтажных работ, для выполнения которого они разработаны.

4.2.3. Деление основного комплекта рабочих чертежей какой-либо марки выполняется вне зависимости от деления других основных комплектов объекта, если их взаимосвязь не определена производством строительных и монтажных работ. Общие данные выполняют к каждому из этих основных комплектов рабочих чертежей.

4.2.4. Нумерация всех листов основного комплекта рабочих чертежей, оформляемого как единый документ, должна быть сквозной.

4.2.5. Нумерация листов каждого документа основного комплекта рабочих чертежей должна быть сквозной в пределах документа.

4.2.6. Опросные листы и габаритные чертежи содержат технические данные для заказа оборудования и изделий, изготовляемых серийно, и разрабатываются при необходимости уточнения отдельных позиций спецификации оборудования, изделий и материалов.

Локальную смету, являющуюся документом, определяющим сметную стоимость строительных и монтажных работ, предусмотренных соответствующим основным комплектом рабочих чертежей, обозначают согласно 4.2.7 с присвоением ей шифра ЛС.

Расчеты в состав рабочей документации, как правило, не включают, если иное не определено в договоре (контракте) и задании на проектирование. Расчеты обозначают согласно 4.2.7 с присвоением им шифра РР.

4.2.8. При необходимости чертежи типовых конструкций, изделий и узлов записывают в разделе "Прилагаемые документы" и передают заказчику в соответствии с 4.2.6.

4.3.1. При оформлении основного комплекта рабочих чертежей отдельными документами общие данные по рабочим чертежам должны быть первым документом основного комплекта.

Над всеми элементами общих данных (ведомостями, общими указаниями и т.д.) помещают соответствующие заголовки. Нумерация элементов общих данных (например, как разделов) не проводится.

В ведомость спецификаций не включают спецификацию оборудования, изделий и материалов, которую выполняют как самостоятельный документ и записывают в ведомость ссылочных и прилагаемых документов, а также спецификации, которые выполняют в составе рабочих чертежей строительных изделий и других прилагаемых документов.

4.3.2. В наименование ведомости документов основного комплекта включают обозначение основного комплекта рабочих чертежей без номера документа согласно 4.2.4, например "Ведомость документов основного комплекта 2345-12-АТХ".

В технических требованиях на первом листе каждого из последующих графических документов основного комплекта допускается приводить ссылку на общие данные по рабочим чертежам, например в следующем виде: "Общие данные по рабочим чертежам см. (обозначение документа)".

4.3.4. В остальных основных комплектах рабочих чертежей здания или сооружения последним пунктом общих указаний приводят ссылку на основной комплект, в который включена ведомость основных комплектов рабочих чертежей.

При наличии нескольких основных комплектов рабочих чертежей одной марки над ведомостью помещают заголовок, в который включают буквенное обозначение этой марки. В графе "Наименование" ведомости приводят полное наименование основного комплекта, включая его часть, которая определяет последовательность выполнения работ.

4.3.5. В перечень нормативных документов не включают документы, записанные в ведомость ссылочных и прилагаемых документов. Форма перечня видов работ (табличная или текстовая) устанавливается в зависимости от объема информации.

5.2.1. Основными надписями не оформляют текстовые документы, выполняемые в соответствии с 4.1.5, а также опросные листы, сметы и т.п.

5.2.2. Для текстовых документов, выполняемых с титульным листом и оформляемых основными надписями, заглавным является следующий лист после титульного листа.

5.2.9. Штрихкод рекомендуется размещать в правом нижнем углу листа над основной надписью. При визуализации электронного документа следует предусматривать автоматизированную обработку штрихкода программными средствами.

5.4.3. В качестве нулевой отметки для зданий принимают, как правило, уровень чистого пола первого этажа.

На чертежах генерального плана, транспортных коммуникаций, наружных сетей инженерно-технического обеспечения, гидромелиоративных линейных сооружений и т.п. абсолютные отметки уровней выше нулевой отметки указывают без знака "+".

5.4.4 На чертежах генерального плана, сооружений транспорта, линейных сооружений гидромелиоративных систем уклоны обозначают в соответствии с установленными правилами выполнения указанных чертежей.

5.5.1. Расположение видов, планов, разрезов, сечений и узлов на листах принимают в последовательности их нумерации (обозначения), начиная с левого верхнего угла листа, слева направо и сверху вниз.

Если на одном листе помещено несколько планов этажей, то их располагают в порядке нумерации этажей снизу вверх или слева направо.

5.5.2. В чертежах проектной и рабочей документации разрезом называют, как правило, вертикальный разрез здания или сооружения, т.е. разрез, выполненный секущей плоскостью, перпендикулярной к горизонтальной плоскости проекций.

5.5.3. Выносной элемент должен содержать подробности, не указанные на изображении, откуда он вынесен, и может отличаться от него по содержанию. Если всю информацию можно показать на основном изображении, выносной элемент приводить не следует.

5.5.5. Допускается направление взгляда для вида указывать двумя стрелками (аналогично указанию положения секущих плоскостей в разрезах). В этом случае в наименовании вида здания (сооружения) указывают слово "Вид" и обозначение соответствующей секущей плоскости, например "Вид 2-2".

5.5.10. Если положение дополнительного изображения определено однозначно, например ориентировано координационными осями и/или высотными отметками, то после наименований изображений на чертежах условное графическое обозначение "повернуто" по ГОСТ 2.305 не добавляют.

6.2. Групповую спецификацию по форме 8 при ее выполнении на отдельных листах или в виде отдельного документа размещают по длинной стороне листа формата A4 (см. приложение И).

7.1.2. При необходимости должны выполняться новые расчеты (с другим обозначением) при сохранении ранее выполненных расчетов с соответствующим указанием об их замене.

7.1.6. Для текстовых документов, выполняемых без основных надписей, информацию о факте изменения документа указывают в нижнем колонтитуле листа.

7.2.1. Под аннулированием документа понимаются отмена документа и изъятие его из обращения во всех сферах его действия.

7.2.4. В документы основного комплекта рабочих чертежей, оформленного отдельными документами, изменения вносят на основании одного общего разрешения.

7.3.3. Под автоматизированным способом понимается внесение изменений в проектный документ (или его отдельные листы) в электронном виде с использованием специальных программ, в том числе с последующим преобразованием в бумажную форму и заменой бумажного подлинника.

Рукописным способом изменения вносят, если нецелесообразно заменять бумажный подлинник документа или отдельные его листы. При этом должны быть внесены изменения в данные, хранящиеся в составе информационного обеспечения САПР и предназначенные для получения изменяемого документа.

7.3.6. При замене всех листов подлинника на всех листах нового подлинника заполняют графу "Взам. инв. N" на поле для подшивки, в которой указывают инвентарный номер замененного подлинника.

7.3.7. Допускается при визуализации на электронном средстве отображения измененные графические изображения или участки текста помечать вертикальной чертой "|" слева от измененного изображения или строки.

7.5.5. В графе "Примечание" ведомости ссылочных и прилагаемых документов приводят номер изменения основного комплекта, при котором в ведомости был записан дополнительный вновь разработанный документ или аннулирован ранее выполненный прилагаемый документ.

7.5.6. В графе "Примечание" ведомости основных комплектов рабочих чертежей приводят номер изменения (версии) основного комплекта (в котором помещена ведомость), при котором в ведомости был записан дополнительный основной комплект или аннулирован ранее выполненный основной комплект.

7.5.8. Заказчик, как правило, информируется о внесенных изменениях в сопроводительном документе по направлению ему измененной документации. В сопроводительном документе целесообразно указать о необходимости аннулирования ранее направленных соответствующих копий.

8.1.2. Если документацию брошюруют в переплет без прозрачной обложки, том дополнительно оформляют обложкой по форме 14 (см. приложение У) или этикеткой.

8.1.5. Номер изменения содержания тома соответствует номеру изменения тома.

8.2.1. Наименование zip-архива или папки должно соответствовать обозначению и/или наименованию объекта строительства.

8.2.5. В наименовании папки в качестве разделителя между номером раздела/подраздела и шифром рекомендуется использовать символ "_". Недопустимые для наименований папок символы также заменяют на символ "_".

Если наименование раздела проектной документации или основного комплекта рабочих чертежей превышает 50 символов, то наименование соответствующей папки сокращают до 49 символов с добавлением символа "~" в конце.

8.2.6. В наименовании файла в качестве разделителя между обозначением, номером листа и его наименованием рекомендуется использовать символ "_". Недопустимые для наименований файлов символы также заменяют на символ "_".

Если наименование файла превышает 50 символов, то его сокращают до 49 символов с добавлением символа "~" в конце.

8.2.8. УЛ сканируют и заверяют усиленной квалифицированной ЭП ответственного лица.

Приложение Б
(рекомендуемое)

ШИФРЫ РАЗДЕЛОВ ПРОЕКТНОЙ ДОКУМЕНТАЦИИ

Таблица Б.1

Наименование раздела проектной документации Шифр раздела
Пояснительная записка ПЗ
Схема планировочной организации земельного участка ПЗУ
Архитектурные решения АР
Конструктивные и объемно-планировочные решения КР
Сведения об инженерном оборудовании, о сетях инженерно-технического обеспечения, перечень инженерно-технических мероприятий, содержание технологических решений ИОС
Проект организации строительства объектов капитального строительства
Проект организации строительства линейного объекта
ПОС
Проект организации работ по сносу объектов капитального строительства
Проект организации работ по сносу линейного объекта
ПОД
Перечень мероприятий по охране окружающей среды ООС
Мероприятия по обеспечению пожарной безопасности ПБ
Мероприятия по обеспечению доступа инвалидов ОДИ
Требования к обеспечению безопасной эксплуатации объекта капитального строительства
Требования к обеспечению безопасной эксплуатации линейного объекта
ТБЭ
Мероприятия по обеспечению соблюдения требований энергетической эффективности и требований оснащенности зданий, строений и сооружений приборами учета используемых энергетических ресурсов ЭЭ
Смета на строительство СМ
Проект полосы отвода ППО
Технологические и конструктивные решения линейного объекта. Искусственные сооружения ТКР
Здания, строения и сооружения, входящие в инфраструктуру линейного объекта ИЛО
Иная документация в случаях, предусмотренных федеральными законами, в том числе:  
Перечень мероприятий по гражданской обороне, мероприятий по предупреждению чрезвычайных ситуаций природного и техногенного характера, мероприятий по противодействию терроризму ГОЧС
Декларация промышленной безопасности опасных производственных объектов ДПБ
Декларация безопасности гидротехнических сооружений ДБГ
Примечания
1. Номера разделов проектной документации присваивают согласно [2].
2. При необходимости шифры разделов проектной документации допускается обозначать буквами латинского алфавита в соответствии с правилами, установленными в стандартах организаций.

Приложение В
(обязательное)

ВЕДОМОСТИ ГРАФИЧЕСКИХ ДОКУМЕНТОВ

В.1. Ведомость графической части раздела (подраздела) проектной документации, ведомость рабочих чертежей основного комплекта и ведомость спецификаций выполняют по форме 1.

Форма 1

В.2. В ведомости графической части и ведомости рабочих чертежей основного комплекта указывают:

- в графе "Лист" - порядковый номер листа графической части, основного комплекта рабочих чертежей;

- в графе "Наименование" - наименование изображений, помещенных на листе, в соответствии с наименованиями, приведенными в основной надписи листа;

- в графе "Примечание" - дополнительные сведения, например об изменениях, вносимых в листы документа.

В.3. В ведомости спецификаций указывают:

- в графе "Лист" - номер листа основного комплекта рабочих чертежей, на котором помещена спецификация;

- в графе "Наименование" - наименование спецификации в точном соответствии с ее наименованием, указанным на чертеже или в основной надписи (в случае, когда спецификацию выполняют на отдельных листах);

- в графе "Примечание" - дополнительные сведения, в том числе об изменениях, вносимых в спецификации.

В.4. Ведомость документов графической части, ведомость документов основного комплекта рабочих чертежей, ведомость ссылочных и прилагаемых документов и ведомость основных комплектов рабочих чертежей выполняют по форме 2.

Форма 2

В.5. В ведомости документов графической части указывают:

- в графе "Обозначение" - обозначение документа;

- в графе "Наименование" - наименование документа в соответствии с наименованием, указанным в основной надписи. Для графических документов, состоящих из нескольких листов, приводят при необходимости номера листов и наименования изображений, помещенных на каждом листе, в соответствии с наименованиями, приведенными в основной надписи листа;

- в графе "Примечание" - дополнительные сведения, например об изменениях в документах графической части. Для документов в электронной форме указывают при необходимости наименование файла (файлов).

В.6. В ведомости документов основного комплекта рабочих чертежей указывают:

- в графе "Обозначение" - обозначение документа;

- в графе "Наименование" - наименование документа в соответствии с наименованием, указанным в основной надписи. Для графических документов, состоящих из нескольких листов, приводят при необходимости номера листов и наименования изображений, помещенных на каждом листе, в соответствии с наименованиями, приведенными в основной надписи листа;

- в графе "Примечание" - дополнительные сведения, например о внесенных изменениях в записанные документы, и при необходимости общее количество листов документа. Для документов в электронной форме указывают при необходимости наименование файла (файлов).

В.7. В ведомости ссылочных и прилагаемых документов указывают:

- в графе "Обозначение" - обозначение документа и при необходимости наименование или различительный индекс организации, выпустившей документ;

- в графе "Наименование" - наименование документа в точном соответствии с наименованием, указанным на титульном листе или в основной надписи;

- в графе "Примечание" - дополнительные сведения, в том числе об изменениях в ведомости согласно 7.5.5. Для документов в электронной форме указывают при необходимости наименование файла (файлов).

В.8. В ведомости основных комплектов рабочих чертежей указывают:

- в графе "Обозначение" - обозначение основного комплекта рабочих чертежей и при необходимости наименование или различительный индекс организации, выпустившей документ;

- в графе "Наименование" - наименование основного комплекта рабочих чертежей;

- в графе "Примечание" - дополнительные сведения, в том числе об изменениях в составе основных комплектов рабочих чертежей согласно 7.5.6.

В.9. Размеры граф ведомостей при необходимости могут быть изменены по усмотрению разработчика.

В.10. Допускается при необходимости включать в ведомости дополнительные графы (колонки), например "Кол. листов" и т.п.

В.11. При заполнении ведомостей автоматизированным способом горизонтальные линии, разграничивающие строки, допускается не проводить.

Приложение Г
(рекомендуемое)

МАРКИ ОСНОВНЫХ КОМПЛЕКТОВ РАБОЧИХ ЧЕРТЕЖЕЙ

Таблица Г.1

Наименование основного комплекта рабочих чертежей Марка Примечание
Генеральный план и сооружения транспорта ГТ При объединении рабочих чертежей генерального плана и сооружений транспорта
Генеральный план ГП -
Автомобильные дороги АД -
Железнодорожные пути ПЖ -
Сооружения транспорта ТР При объединении рабочих чертежей автомобильных, железных и других дорог
Архитектурно-строительные решения АС При объединении рабочих чертежей архитектурных и конструктивных решений (кроме КМ)
Архитектурные решения АР -
Интерьеры АИ Рабочие чертежи могут быть объединены с основным комплектом марки АР или АС
Конструкции железобетонные КЖ -
Конструкции металлические КМ -
Конструкции металлические деталировочные КМД -
Конструкции деревянные КД -
Конструкции деревянные деталировочные КДД -
Гидротехнические решения ГР -
Антикоррозионная защита конструкций зданий, сооружений АЗ -
Электроснабжение ЭС -
Наружное электроосвещение ЭН -
Силовое электрооборудование ЭМ  
Электрическое освещение (внутреннее) ЭО  
Силовое электрооборудование и электрическое освещение (внутреннее) ЭОМ При объединении рабочих чертежей силового электрооборудования и электрического освещения (внутреннего)
Линии электропередачи воздушные ЭВ -
Линии электропередачи кабельные ЭК -
Наружные сети водоснабжения НВ -
Наружные сети канализации НК -
Наружные сети водоснабжения и канализации НВК При объединении рабочих чертежей наружных сетей водоснабжения и канализации
Внутренние системы водоснабжения и канализации ВК -
Пожаротушение ПТ -
Отопление, вентиляция и кондиционирование ОВ -
Воздухоснабжение ВС -
Пылеудаление ПУ -
Холодоснабжение ХС -
Тепломеханические решения ТМ Котельных, ТЭЦ и т.п.
Тепломеханические решения тепловых сетей ТС -
Проводные средства связи <*> - Наименования основных комплектов и обозначения марок принимают по приложению А ГОСТ Р 21.1703-2000
Радиосвязь, радиовещание и телевидение РТ -
Пожарная сигнализация ПС -
Охранная и охранно-пожарная сигнализация ОС -
Наружные газопроводы ГСН -
Газоснабжение (внутренние устройства) ГСВ -
Технология производства ТХ -
Технологические коммуникации ТК При объединении рабочих чертежей всех технологических коммуникаций
Антикоррозионная защита технологических аппаратов, газоходов и трубопроводов АЗО -
Тепловая изоляция оборудования и трубопроводов ТИ -
Автоматизация комплексная АК При объединении рабочих чертежей автоматизации различных технологических процессов и инженерных систем
Автоматизация <*> - Наименования основных комплектов и обозначения марок принимают по приложению А ГОСТ 21.408-2013
Гидромелиоративные линейные сооружения <*> - Наименования основных комплектов и обозначения марок принимают по приложению А ГОСТ 21.709-2019

<*> Приведены общие наименования объектов.

Примечания
1. При необходимости могут быть назначены дополнительные марки основных комплектов рабочих чертежей. При этом в марку рекомендуется включать не более трех прописных букв русского алфавита, соответствующих, как правило, начальным буквам наименования основного комплекта рабочих чертежей.
2. При необходимости марки основных комплектов рабочих чертежей допускается обозначать буквами латинского алфавита или цифровыми кодами в соответствии с правилами, установленными в стандартах организаций.

Приложение Д
(обязательное)

ПЕРЕЧЕНЬ СТАНДАРТОВ ЕСКД, ПОДЛЕЖАЩИХ УЧЕТУ ПРИ ВЫПОЛНЕНИИ ГРАФИЧЕСКОЙ И ТЕКСТОВОЙ ДОКУМЕНТАЦИИ ДЛЯ СТРОИТЕЛЬСТВА

Таблица Д.1

Обозначение и наименование стандарта Условия применения стандарта
ГОСТ 2.004-88 "Единая система конструкторской документации. Общие требования к выполнению конструкторских и технологических документов на печатающих и графических устройствах вывода ЭВМ" -
ГОСТ 2.051-2013 "Единая система конструкторской документации. Электронные документы. Общие положения" -
ГОСТ 2.052-2015 "Единая система конструкторской документации. Электронная модель изделия. Общие положения" -
ГОСТ 2.101-2016 "Единая система конструкторской документации. Виды изделий" -
ГОСТ 2.102-2013 "Единая система конструкторской документации. Виды и комплектность конструкторских документов" С учетом положений ГОСТ 21.501, относящихся к выполнению чертежей строительных изделий
ГОСТ 2.109-73 "Единая система конструкторской документации. Основные требования к чертежам" С учетом положений ГОСТ 21.501.
Положения пунктов 1.1.11, 1.1.12, подраздела 1.3 ГОСТ 2.109-73 и ссылки на ГОСТ 2.106 не учитывают
ГОСТ 2.113-75 "Единая система конструкторской документации. Групповые и базовые конструкторские документы" С учетом положений ГОСТ 21.501
ГОСТ 2.114-2016 "Единая система конструкторской документации. Технические условия" С учетом положений 5.2.1, 5.2.2, 5.2.5 - 5.2.7 и раздела 8 настоящего стандарта.
Пункт 4.6 ГОСТ 2.114-2016 не учитывают
ГОСТ 2.301-68 "Единая система конструкторской документации. Форматы" С учетом требований соответствующих стандартов СПДС
ГОСТ 2.302-68 "Единая система конструкторской документации. Масштабы" С учетом положений 5.1.6 настоящего стандарта и стандартов СПДС классификационных групп 4 - 7
ГОСТ 2.303-68 "Единая система конструкторской документации. Линии" С учетом положений 5.1.3 настоящего стандарта
ГОСТ 2.304-81 "Единая система конструкторской документации. Шрифты чертежные" С учетом положений 5.1.5 настоящего стандарта
ГОСТ 2.305-2008 "Единая система конструкторской документации. Изображения - виды, разрезы, сечения" С учетом положений 5.5 настоящего стандарта
ГОСТ 2.306-68 "Единая система конструкторской документации. Обозначения графические материалов и правила их нанесения на чертежах" С учетом положений ГОСТ 21.201-2011 (таблица 12) и ГОСТ 21.302-2013 (таблицы 4 и 5)
ГОСТ 2.307-2011 "Единая система конструкторской документации. Нанесение размеров и предельных отклонений" С учетом положений 5.4.1 - 5.4.4 настоящего стандарта
ГОСТ 2.308-2011 "Единая система конструкторской документации. Указания допусков формы и расположения поверхностей" С учетом положений ГОСТ 21.113
ГОСТ 2.309-73 "Единая система конструкторской документации. Обозначения шероховатости поверхностей" -
ГОСТ 2.310-68 "Единая система конструкторской документации. Нанесение на чертежах обозначений покрытий, термической и других видов обработки" -
ГОСТ 2.311-68 "Единая система конструкторской документации. Изображение резьбы" -
ГОСТ 2.312-72 "Единая система конструкторской документации. Условные изображения и обозначения швов сварных соединений" -
ГОСТ 2.313-82 "Единая система конструкторской документации. Условные изображения и обозначения неразъемных соединений" -
ГОСТ 2.314-68 "Единая система конструкторской документации. Указания на чертежах о маркировке и клеймении изделий" -
ГОСТ 2.315-68 "Единая система конструкторской документации. Изображения упрощенные и условные крепежных деталей" -
ГОСТ 2.316-2008 "Единая система конструкторской документации. Правила нанесения надписей, технических требований и таблиц на графических документах. Общие положения" С учетом положений 5.4.5 - 5.4.7 настоящего стандарта
ГОСТ 2.317-2011 "Единая система конструкторской документации. Аксонометрические проекции" -
ГОСТ 2.501-2013 "Единая система конструкторской документации. Правила учета и хранения" В части формы инвентарной книги, абонентской карточки и указаний по складыванию чертежей
ГОСТ 2.511-2011 "Единая система конструкторской документации. Правила передачи электронных конструкторских документов. Общие положения" -
ГОСТ 2.512-2011 "Единая система конструкторской документации. Правила выполнения пакета данных для передачи электронных конструкторских документов. Общие положения" -
ГОСТ Р 2.105-2019 "Единая система конструкторской документации. Общие требования к текстовым документам" С учетом положений разделов 4, 5 и 8 настоящего стандарта
Примечание - Условия применения стандартов ЕСКД классификационной группы 7 определены стандартами СПДС, в которых приведены ссылки на эти стандарты.

Приложение Е
(рекомендуемое)

ПЕРЕЧЕНЬ ДОПУСКАЕМЫХ СОКРАЩЕНИЙ СЛОВ, ПРИМЕНЯЕМЫХ В ГРАФИЧЕСКИХ ДОКУМЕНТАХ (ДОПОЛНЕНИЕ К ГОСТ 2.316-2008)

Таблица Е.1

Полное наименование Сокращение Полное наименование Сокращение
Автомобильная дорога а. д. Мастерская (в проектных организациях) Маст. (о)
Альбом Альб. (ц) Материалы мат-лы (т)
Аннулирован Аннул. Монтажный монт.
Антисейсмический шов а. с. ш. (и) Нормативная нагрузка норм. нагр.
Архитектор Арх. (о) Оборудование оборуд.
Асфальтобетон асф.бет. Общий общ.
Бетон, бетонный бет. Отметка отм. (ц)
Вентиляционная камера венткамера Раздел разд. (ц)
Вместимость Вмест. (ц, т) Размер разм. (ц)
Выпуск Вып. (ц) Расчетная нагрузка расч. нагр.
Главный инженер Гл. инж. (о) Санитарно-технический сан. техн.
Главный инженер (архитектор) проекта ГИП (ГАП) (о) Санитарный узел сан. узел
Главный специалист Гл. спец. (о) Сборный сб.
Группа гр. (т, о) Сектор сек. (ц)
Деформационный шов д. ш. (и) Скважина скв. (ц).
Диаметр диам. Снеговой снег.
Директор Дир. (о) Существующий сущ.
Документ док. (т, о) Температурный шов т. ш. (и)
Допускаемый допуск. Технологический технол.
Железная дорога ж. д. Техник Техн. (о)
Железнодорожный ж.-д. Типовой тип.
Железобетон, железобетонный ж.б. Труба тр.
Заведующий Зав. (о) Уровень головки рельса ур. г. р. (и)
Изоляция, изоляционный изол. Уровень грунтовых (подземных) вод УГВ (и)
Институт Ин-т (о) Уровень земли ур. з. (и)
Конструкция констр. Уровень чистого пола УЧП (и)
Коэффициент коэф. Участок уч. (и, ц)
Коэффициент полезного действия КПД Фундаментный фунд.
Лестница, лестничный лестн. Цемент, цементный цем.
Цементобетон цем.бет. Электрический эл.
Часть Ч. (ц) Элемент эл-т (и, т)
Шаг ш. (ц, т) Этаж эт. (ц)
Штукатурка штукат.  
Примечания
1. Сокращения, отмеченные знаком (о), применяют только в основной надписи; (т) - в таблицах; (ц) - с цифрами или шифрами; (и) - на графических изображениях.
2. Сокращения слов, указанные в настоящей таблице и ГОСТ 2.316, допускается использовать в текстовых документах, содержащих текст, разбитый на графы.

Приложение Ж
(обязательное)

ОСНОВНЫЕ НАДПИСИ И ДОПОЛНИТЕЛЬНЫЕ ГРАФЫ К НИМ

Форма 3

Основная надпись и дополнительные графы к ней для листов основных комплектов рабочих чертежей, графических документов проектной документации и графических документов по инженерным изысканиям

Примечание - Для графических документов по инженерным изысканиям запись "Н. контр." ("Нормоконтроль") в основной надписи допускается не выполнять.

Форма 4

Основная надпись и дополнительные графы к ней для чертежей строительных изделий (первый лист)

Форма 5

Основная надпись и дополнительные графы к ней для эскизных чертежей общих видов нетиповых изделий, всех видов текстовых документов (первый или заглавный лист)

Примечание - Основную надпись по форме 5 допускается использовать для графических документов по инженерным изысканиям, не используемых в проектировании в качестве графической основы.

Форма 6

Основная надпись и дополнительные графы к ней для чертежей строительных изделий, эскизных чертежей общих видов нетиповых изделий и всех видов текстовых документов (последующие листы)

Примечание - Основную надпись по форме 6 допускается использовать для последующих листов графических документов по инженерным изысканиям, не используемых в проектировании в качестве графической основы.

В графах основной надписи и дополнительных графах к ней (номера граф указаны в скобках) приводят:

- в графе 1 - обозначение документа, в том числе текстового или графического документа раздела, подраздела проектной документации, основного комплекта рабочих чертежей, чертежа изделия и т.п.;

- в графе 2 - наименование предприятия и при необходимости его части (комплекса); жилищно-гражданского комплекса или другого объекта строительства, в состав которого входит здание (сооружение), или наименование микрорайона, этап строительства - в документации, разрабатываемой для отдельных этапов строительства объекта капитального строительства;

- в графе 3 - наименование здания (сооружения). Для документов, разрабатываемых для осуществления реконструкции, капитального ремонта, сноса, технического перевооружения здания (сооружения) указывают соответствующий вид строительства.

В документах общеплощадочных видов работ графу не заполняют;

- в графе 4 - наименование изображений, помещенных на данном листе, в соответствии с их наименованием на чертеже. Если на листе помещено одно изображение, допускается его наименование приводить только в графе 4.

Наименования спецификаций и других таблиц, а также текстовых указаний, относящихся к изображениям, в графе 4 не указывают (кроме случаев, когда спецификации или таблицы выполнены на отдельных листах).

На листе (листах) общих данных по рабочим чертежам в графе 4 записывают "Общие данные".

В случае, предусмотренном в 5.2.3, в графе 4 приводят наименование документа или нетипового изделия;

- в графе 5 - наименование изделия и/или наименование документа;

- в графе 6 - условное обозначение вида документации: П - для проектной документации, Р - для рабочей документации, И - для отчетной документации по результатам инженерных изысканий.

Для других видов документации графу не заполняют или приводят условные обозначения, установленные в стандартах организации;

- в графе 7 - порядковый номер листа документа. На документах, состоящих из одного листа, графу не заполняют;

- в графе 8 - общее количество листов документа. Графу заполняют только на первом листе;

- в графе 9 - наименование или различительный индекс организации, разработавшей документ;

- в графе 10 - характер работы, выполняемой лицом, подписывающим документ, в соответствии с формами 3 - 5. В свободных строках по усмотрению проектной организации приводят должности специалистов и руководителей, ответственных за разработку и проверку документа. В строке под записью "Разработал" вместо должности допускается приводить запись "Проверил".

В нижней строке приводится должность лица, утвердившего документ, например главного инженера (архитектора) проекта, начальника отдела или другого ответственного за данный документ (лист) должностного лица;

- в графе 11 - фамилии лиц, подписывающих документ;

- в графе 12 - подписи лиц, фамилии которых указаны в графе 11.

Подписи лиц, разработавших данный документ и ответственных за нормоконтроль, являются обязательными.

Подписи лица, ответственного за подготовку проектной или рабочей документации [главного инженера (архитектора) проекта], являются обязательными на листах общих данных по рабочим чертежам, наиболее значимых листах графической части проектной документации и рабочих чертежей.

Если необходимо согласование документа (или листа), то подписи должностных лиц, согласовывающих документ (или конкретный лист), размещают в графах на поле для подшивки листа;

- в графе 13 - дату подписания документа;

- в графах 14 - 19 - сведения об изменениях, которые заполняют в соответствии с 7.3.13;

- в графе 20 - инвентарный номер подлинника;

- в графе 21 - подпись лица, принявшего подлинник на хранение, и дату приемки;

- в графе 22 - инвентарный номер подлинника документа, взамен которого выпущен новый подлинник;

- в графе 23 - обозначение материала детали (графу заполняют только на чертежах деталей);

- в графе 24 - массу изделия, изображенного на чертеже, в килограммах без указания единицы массы. Массу изделия в других единицах массы приводят с указанием единицы массы.

Пример - 2,4 т;

- в графе 25 - масштаб (проставляют в соответствии с ГОСТ 2.302);

- в графе 26 - обозначение формата листа по ГОСТ 2.301. Для электронного документа указывают формат листа, на котором изображение будет соответствовать установленному масштабу;

- в графе 27 - краткое наименование организации-заказчика (застройщика или технического заказчика).

Примечания

1. Все реквизиты основной надписи и дополнительных граф к ней и/или их атрибуты, значением которых является подпись, в ДЭ выполняют в виде ЭП.

2. В графах 13, 19, 21 при указании календарной даты на бумажном носителе год указывают двумя последними цифрами, например 06.02.19.

3. Графы, указанные штриховой линией, вводят при необходимости.

4. Графы "Согласовано" (10 - 13), расположенные на поле для подшивки, приводят на первом листе документа, а также на других листах, требующих отдельного согласования. Если согласующих подписей больше двух, графы продолжают выше.

Приложение И
(справочное)

РАСПОЛОЖЕНИЕ ОСНОВНОЙ НАДПИСИ, ДОПОЛНИТЕЛЬНЫХ ГРАФ К НЕЙ И РАЗМЕРЫ РАМОК НА ЛИСТАХ

а) Для формата А4 при расположении основной надписи по короткой стороне листа б) Для формата больше А4 при расположении основной надписи по длинной стороне листа
в) Для формата А4 при расположении основной надписи по длинной стороне листа б) Для формата больше А4 при расположении основной надписи по короткой стороне листа

1 - внешняя рамка листа; 2 - внутренняя рамка листа, 3 - основная надпись, 4 - дополнительные графы; 5 - рабочее поле листа; 6 - поле для подшивки

Рисунок И.1

Примечание - В скобках указан допускаемый размер нижней рамки.

Приложение К
(обязательное)

СПЕЦИФИКАЦИИ

Форма 7

Спецификация

Форма 8

Групповая спецификация

К.1. В спецификациях указывают:

- в графе "Поз." - позиции (марки) элементов конструкций, установок;

- в графе "Обозначение" - обозначение основных документов на записываемые в спецификацию элементы конструкций, оборудование, изделия: обозначения рабочих чертежей строительных изделий; обозначения стандартов (технических условий) на элементы конструкций и строительные изделия и рабочих чертежей типовых изделий и конструкций, примененных в качестве ссылочных документов;

- в графе "Наименование" - наименование элементов конструкций, оборудования, изделий, материалов и их обозначения (марки), а также при необходимости технические характеристики оборудования и изделий. Допускается на группу одноименных элементов указывать наименование один раз и подчеркивать его.

В спецификацию записывают материалы, непосредственно входящие в специфицируемую конструкцию, изделие и т.п.

При записи материалов указывают их условные обозначения, установленные в стандартах (технических условиях), включая обозначения стандартов (технических условий).

В спецификации, выполненной в электронном виде, горизонтальную черту, входящую в обозначение материалов (проката, труб и т.п.), допускается заменять на косую черту (/);

- в графе "Кол." формы 7 - количество элементов. Для материалов указывают их количество с единицей измерения (м2, м3). Допускается количество материалов (в м2, м3) указывать в графе "Примечание", при этом графу "Кол." не заполняют.

В графе "Кол." формы 8 место многоточия записывают "по схеме", "на этаж" и т.п., а ниже - порядковые номера схем расположения или этажей;

- в графе "Масса ед., кг" - массу в килограммах. Допускается приводить массу в тоннах, но с указанием единицы массы;

- в графе "Примечание" - дополнительные сведения, например единицу массы.

К.2. Размеры граф спецификации по усмотрению разработчика при необходимости могут быть изменены.

К.3. Спецификацию делят на разделы и подразделы согласно требованиям соответствующих стандартов СПДС. Наименование каждого раздела и подраздела указывают в виде заголовка в графе "Наименование" и подчеркивают.

Приложение Л
(рекомендуемое)

РАЗРЕШЕНИЕ НА ВНЕСЕНИЕ ИЗМЕНЕНИЙ

Л.1. Разрешение на внесение изменений выполняют по форме 9 (первый лист) и по форме 9а (последующие листы).

Форма 9

Форма 9а

Примечания

1. Допускается для последующих листов разрешения использовать форму 9.

2. Допускается дополнять форму графами для идентификации разрешения в электронном виде. Расположение и размеры граф организация-разработчик устанавливает самостоятельно.

3. В графах 11, 16 при указании календарной даты на бумажном носителе год указывают двумя последними цифрами.

4. Подпись лица, принявшего разрешение на хранение, и дату приемки приводят на поле для подшивки без нанесения граф.

Л.2. В графах разрешения указывают:

- в графе 1 - обозначение разрешения, состоящее из порядкового номера разрешения по журналу регистрации разрешений по ГОСТ Р 21.1003 и через разделительный знак (дефис, наклонную черту и т.п.) - двух последних цифр года выпуска разрешения.

Пример - 15-12; 15/12;

- в графе 2 - обозначение документа, в который вносят изменение. При выпуске общего разрешения на внесение изменений в несколько документов приводят обозначения всех документов, при этом для второго и последующих документов базовую часть обозначения допускается не указывать, например 2345-12-АР; КЖ; ОВ;

- в графе 3 - наименование объекта строительства;

- в графе 4 - очередной порядковый номер, присваиваемый изменениям согласно 7.3.1. При выпуске общего разрешения на внесение изменений в несколько документов порядковый номер изменения указывают для каждого документа;

- в графе 5 - номера листов документа, в которые вносят изменения. При замене или аннулировании всех листов документа в графе пишут "Все";

- в графе 6 - содержание изменения, которое приводится в виде текстового описания и/или графического изображения в том виде, в котором оно должно быть после внесения изменений в подлинник документа.

Рекомендуется указывать причину изменения и способ внесения изменений.

При замене подлинника листа (всего документа) новым с тем же номером (обозначением) вносят запись о замене, сопровождаемую кратким перечнем внесенных в лист (документ) изменений.

При введении дополнительного листа вносят запись об его выпуске с кратким описанием содержания нового листа.

При рукописном внесении изменений подчисткой, смывкой или закрашиванием указывают соответственно: "Изменение осуществить подчисткой", "Изменение осуществить смывкой" или "Изменение осуществить закрашиванием белым цветом".

При возможности неоднозначного понимания изменения при внесении изменений в подлинники подчисткой (смывкой) и закрашиванием белым цветом приводят содержание изменяемого участка документа до и после внесения изменений с указаниями над ними "Имеется" и "Должно быть".

При необходимости аннулирования листа записывают: "Лист аннулировать".

При аннулировании документа в графе делают запись, например: "2345-12-АТХ1 аннулировать".

Если взамен аннулированного документа следует пользоваться документом с другим обозначением, то в графе делают запись, например: "2345-12-КЖ1.И-Б1 аннулировать. Заменен чертежом 2345-12-КЖ1.И-Б3".

Если в связи с выпуском разрешения выпущены новые документы, то после содержания изменения дают примечание о выпуске таких документов, например: "Примечание - Выпущен чертеж 2345-12-ОВ.Н2".

При выпуске общего разрешения на несколько документов содержание изменения по каждому документу рекомендуется отделять горизонтальной линией. Над текстовым описанием или графическим изображением изменения к каждому из документов приводят обозначение документа в виде заголовка, симметричного тексту, и подчеркивают.

Если содержание изменения не размещается на одном листе, его продолжают на последующих листах разрешения;

- в графе 7 - код причины изменения документа в соответствии с таблицей Л.1.

Таблица Л.1

Причина изменения Код причины изменения
Введение усовершенствований 1
Изменение стандартов и норм 2
Дополнительные требования заказчика 3
Устранение ошибок 4
Другие причины 5

Допускается код причины изменения не указывать. В этом случае графу прочеркивают;

- в графе 8 - дополнительные сведения;

- в графах 9 - 11 - фамилии лиц, подписывающих разрешение, их подписи и даты подписания;

- в графе 12 - наименование проектной организации и подразделения (отдела), составившего разрешение;

- в графах 13 - 16 - наименование соответствующих подразделений или организаций, должности и фамилии лиц, с которыми в установленном порядке согласовывают разрешение, их подписи и даты подписания, а также подпись нормоконтролера;

- в графе 17 - порядковый номер листа разрешения. Если разрешение состоит из одного листа, графу не заполняют;

- в графе 18 - общее количество листов разрешения.

Приложение М
(обязательное)

ВНЕСЕНИЕ ИЗМЕНЕНИЙ РУКОПИСНЫМ СПОСОБОМ

М.1. Внесение изменений зачеркиванием размеров, знаков, надписей, отдельных слов и строк осуществляют сплошной тонкой линией с проставлением новой информации в непосредственной близости от зачеркнутой.

При внесении изменений подчисткой (смывкой) и закрашиванием белым цветом новую информацию проставляют на месте удаленных (закрашенных) размеров, знаков, надписей, отдельных слов и строк.

М.2. При изменении изображения (части изображения) его обводят сплошной тонкой линией, образующей замкнутый контур, и крестообразно перечеркивают сплошными тонкими линиями (см. рисунок М.1).

Рисунок М.1

Новое изображение измененного участка выполняют на свободном поле листа или на другом листе в прежнем масштабе без поворота.

М.3. Изменяемым и дополнительным участкам изображения присваивают обозначение, состоящее из порядкового номера очередного изменения документа и через точку порядкового номера изменяемого (дополнительного) участка изображения в пределах данного листа. При этом новому изображению измененного участка присваивают обозначение изменения замененного изображения.

Если новое изображение измененного участка размещают на другом листе, то присвоенное ему обозначение изменения сохраняют и в таблице изменений этого листа не учитывают.

М.4. Около каждого изменения, в том числе около места, исправленного подчисткой (смывкой) или закрашиванием белым цветом, за пределами изображения или текста в параллелограмме наносят обозначение изменения (см. рисунок М.1) и от этого параллелограмма проводят сплошную тонкую линию к измененному участку.

Допускается от параллелограмма с обозначением изменения линию к измененному участку не проводить.

При внесении изменений в текстовые документы (в текстовую часть документов) линии от параллелограмма с обозначением изменения не проводят.

М.5. Близко расположенные измененные размеры, слова, знаки, надписи и т.п. обводят сплошной тонкой линией, образующей замкнутый контур, без перечеркивания, и обозначают как один участок изменения в соответствии с рисунком М.2.

Рисунок М.2

М.6. Если новое изображение измененного участка помещают на другом листе, то у замененного изображения указывают также номер листа, на котором находится новое изображение (см. рисунок М.1).

М.7. Над новым изображением измененного участка помещают в параллелограмме обозначение изменения замененного изображения, а при параллелограмме указывают: "Взамен перечеркнутого".

Если новое изображение измененного участка помещают на другом листе, то при параллелограмме указывают: "Взамен перечеркнутого на листе (номер листа, на котором находится замененное изображение)" в соответствии с рисунком М.3.

Рисунок М.3

М.8. Если новое изображение измененного участка помещают около замененного, то их соединяют линиями-выносками с обозначением изменения (см. рисунок М.4).

Рисунок М.4

Над дополнительным изображением помещают в параллелограмме обозначение изменения, а при параллелограмме указывают: "Дополнение" в соответствии с рисунком М.5.

Рисунок М.5

Приложение Н
(обязательное)

ТАБЛИЦА РЕГИСТРАЦИИ ИЗМЕНЕНИЙ

Н.1. Таблицу регистрации изменений выполняют по форме 10.

Форма 10

Таблица регистрации изменений

Таблица регистрации изменений
Изм. Номера листов (страниц) Всего листов (страниц) в док. Номер док. Подп. Дата
измененных замененных новых аннулированных
                 
                 
                 
                 
                 
                 
                 
                 
                 

Примечания

1. Таблицу регистрации изменений выполняют на листе формата A4 по ГОСТ 2.301.

2. Размеры граф таблицы устанавливает разработчик документа.

Н.2. Таблицу регистрации изменений размещают на отдельном последнем листе текстового документа и включают в общее количество листов (страниц) документа.

Н.3. Допускается приводить таблицу регистрации изменений при внесении первого и последующих изменений.

Н.4. В графах таблицы регистрации изменений указывают:

- в графе "Изм." - порядковый номер изменения документа;

- в графах "Номера листов (страниц) измененных, замененных, новых, аннулированных" - номера листов (страниц), измененных, замененных, добавленных и аннулированных соответственно по данному разрешению.

При замене всех листов подлинника (при очередном порядковом номере изменения документа) в графе "замененных" указывают "Все". В остальных графах ставят прочерк;

- в графе "Всего листов (страниц) в док." - количество листов (страниц) в текстовом документе после внесения изменений;

- в графе "Номер док." - обозначение разрешения;

- в графе "Подп." - подпись лица, ответственного за правильность внесения изменения;

- в графе "Дата" - дату внесения изменения.

Н.5. При замене всех листов подлинника в таблице регистрации изменений не воспроизводят номера изменений и другие данные, относящиеся ко всем ранее внесенным в документ изменениям.

Приложение П
(рекомендуемое)

ЖУРНАЛ ИЗМЕНЕНИЙ

П.1. Журнал изменений (далее - журнал) выполняют по форме 11.

Форма 11

Изм. Дата записи Номер тома Обозначение документа, номер листа Содержание замечаний экспертизы Содержание (описание) изменения Должность, фамилия лица, внесшего изменения, дата Отметка о согласовании изменений Отметка о внесении изменений в подлинники Примечание
1 2 3 4 5 6 7 8 9 10
                   

Примечания

1. Журнал выполняют на листах формата A3 по ГОСТ 2.301.

2. Размеры граф журнала определяет организация-пользователь.

3. Журнал выполняют на бумажном носителе или в электронном виде.

П.2. Журнал содержит сведения, необходимые для оперативного внесения изменений в проектную документацию в процессе проведения экспертизы проектной документации и/или результатов инженерных изысканий и выпуска подлинников документов проектной документации для ее утверждения и дальнейшего использования.

П.3. Заполнение журнала

П.3.1. В журнале указывают:

- в графе 1 - порядковый номер изменения (записи) по данному журналу, общий для одновременно производимых изменений в одном документе;

- в графе 2 - дату записи в журнале;

- в графе 3 - номер тома;

- в графе 4 - обозначение изменяемого документа и номер листа, к которому даны замечания;

- в графе 5 - содержание замечания экспертизы;

- в графе 6 - содержание изменения текстовой части или описание изменения графической части;

- в графе 7 - должности, фамилии лиц, ответственных за внесение изменений, дату внесения;

- в графе 8 - сведения о согласовании изменения экспертизой;

- в графе 9 - отметки о внесении изменений в подлинник (номер и дата регистрации разрешения на внесение изменений);

- в графе 10 - при необходимости дополнительные сведения о внесении изменений.

П.4. Внесение изменений по журналу

П.4.1. Ведение журнала

П.4.1.1. Журнал ведут отдельно для каждого раздела (подраздела) проектной документации. При небольшом объеме проектной документации допускается вести один журнал.

П.4.1.2. Каждому журналу присваивают порядковый регистрационный номер.

П.4.1.3. Журнал на бумажном носителе заполняют чернилами или пастой черного или синего цвета. Записи следует делать четко и разборчиво.

П.4.2. Внесение изменений в копии документов

П.4.2.1. Внесение изменений в копии документов, находящихся в экспертизе, осуществляют путем замены отдельных листов документов или их полной заменой без оформления разрешения.

П.4.2.2. Внесение изменений в копии документов по журналу выполняют так же, как внесение изменений в подлинник, при этом таблицы изменений в основных надписях и таблицы регистрации изменений по форме 10 не заполняют.

П.4.3. Внесение изменений в подлинники документов

П.4.3.1. Изменения в подлинники для выпуска окончательной версии проектной документации вносят на основании журнала согласованных экспертизой изменений (в копиях документов, представленных на экспертизу) с оформлением разрешений на внесение изменений.

П.4.3.2. Изменения в подлинники документов вносят выпуском новых подлинников в соответствии с правилами, установленными в разделе 7.

Приложение Р
(рекомендуемое)

ТИТУЛЬНЫЙ ЛИСТ

Форма 12

Р.1. На титульном листе приводят следующие реквизиты:

- поле 1 - сокращенное, а при его отсутствии - полное наименование вышестоящей организации (при ее наличии); указывают, как правило, для государственных организаций;

- поле 2 - логотип (не обязательно), полное наименование организации, подготовившей документ;

- поле 3 - в левой части - гриф согласования, в правой части - гриф утверждения, выполняемые по ГОСТ Р 7.0.97 (при необходимости);

- поле 4 - наименование объекта капитального строительства, этап и вид строительства (при необходимости).

Наименование объекта строительства, этап и вид строительства на титульном листе должны соответствовать сведениям, приводимым в графах 2 и 3 основной надписи (см. приложение Ж). Наименование объекта строительства записывают прописными буквами;

- поле 5 - вид документации (при необходимости);

- поле 6 - наименование документа. Если титульный лист составляется для документов, разбитых на части и книги, указывают номер части (книги) и ее наименование;

- поле 7 - обозначение документа или тома;

- поле 8 - номер тома;

- поле 9 - должности лиц, ответственных за разработку документа;

- поле 10 - подписи лиц, указанных на поле 9, и даты подписания или отметки об ЭП, выполняемые согласно ГОСТ Р 7.0.97;

- поле 11 - инициалы и фамилии лиц, указанных на поле 9;

- поле 12 - год выпуска документа;

- поле 13 - для дополнительных граф 20 - 22 основной надписи в соответствии с приложением Ж. Допускается сведения, содержащиеся в этих графах, приводить в другой форме в соответствии с требованиями, установленными в стандартах организации.

Р.2. Размеры полей 1 - 12 устанавливают произвольно. Линии полей, указанные в форме, не наносят, номера и наименования полей не указывают.

Р.3. Допускается приводить на титульном листе дополнительные реквизиты и атрибуты в соответствии с требованиями, установленными в стандартах организации.

Р.4. Размеры титульного листа принимают в зависимости от формата листов документа, к которому он выполняется.

Р.5. Наименование объекта капитального строительства, этап и вид строительства, наименования разделов, подразделов проектной документации, их частей и книг записывают без кавычек.

Приложение С
(справочное)

ПРИМЕР ВЫПОЛНЕНИЯ ТИТУЛЬНОГО ЛИСТА <1>

<1> Приведенный пример является условным.

Рисунок С.1. Пример выполнения титульного листа тома проектной документации

Приложение Т
(рекомендуемое)

СОСТАВ ПРОЕКТНОЙ ДОКУМЕНТАЦИИ

Форма 13

Т.1. В ведомости указывают:

- в графе "Номер тома" - порядковый номер тома или номер тома, включающий в себя номер раздела и, при наличии, номер подраздела, части, книги (см. 4.1.1, 4.1.3), разделенные точками.

Пример - 1, 2.1, 2.2, 5.5.1, 5.5.2;

- в графе "Обозначение" - обозначение документа (тома), указанное на его титульном листе, и при необходимости наименование или различительный индекс организации, выпустившей документ;

- в графе "Наименование" - наименование документа (тома) в точном соответствии с наименованием, указанным на его титульным листе;

- в графе "Примечание" - дополнительные сведения, в том числе о внесенных изменениях.

Т.2. Размеры граф ведомости по усмотрению разработчика при необходимости могут быть изменены.

Т.3. При заполнении ведомости автоматизированным способом горизонтальные линии, разграничивающие строки, допускается не проводить.

Приложение У
(рекомендуемое)

ОБЛОЖКА

Форма 14

У.1. На обложке приводят следующие реквизиты:

- поле 1 - сокращенное, а при его отсутствии - полное наименование вышестоящей организации (при ее наличии); указывают, как правило, для государственных организаций;

- поле 2 - логотип (не обязательно), полное наименование организации, подготовившей документ;

- поле 3 - инвентарный номер и при необходимости номер экземпляра;

- поле 4 - наименование объекта капитального строительства, этап и вид строительства (при необходимости).

Наименование объекта строительства, этап и вид строительства на обложке должны соответствовать сведениям, приводимым в графах 2 и 3 основной надписи (см. приложение Ж). Наименование объекта строительства записывают прописными буквами;

- поле 5 - вид документации (при необходимости);

- поле 6 - наименование документа <1>. Если обложка составляется для документов, разбитых на части и книги, указывают номер части (книги) и ее наименование;

<1> Наименование основного комплекта рабочих чертежей на обложке записывают полностью, например: "Архитектурные решения. Основной комплект рабочих чертежей".

- поле 7 - обозначение тома, папки;

- поле 8 - номер папки (тома) (при необходимости);

- поле 9 - год выпуска документа.

У.2. Размеры полей 1 - 9 устанавливают произвольно. Линии полей, указанные в форме, не наносят; номера и наименования полей не указывают.

У.3. Допускается приводить на обложке дополнительные реквизиты и атрибуты в соответствии с требованиями, установленными в стандартах организации.

У.4. Размеры обложки принимают в зависимости от формата тома, папки или альбома, к которым она выполняется.

У.5. Для документов, комплектуемых в папки, вместо обложки допускается выполнять этикетку уменьшенного размера.

У.6. Наименование объекта капитального строительства, этап и вид строительства, наименования разделов, подразделов проектной документации, их частей и книг записывают без кавычек.

Приложение Ф
(справочное)

ОПИСАНИЕ ЭЛЕМЕНТОВ И АТРИБУТОВ РЕКВИЗИТНОЙ ЧАСТИ ПДЭ

Таблица Ф.1

Перечень XML-элементов реквизитной части ПДЭ

Наименование и уровень вложенности Допустимое количество Описание Примечание
Package (1) 1 Информация о ПДЭ См. таблицу Ф.2
Project (2) 1 Объект строительства См. таблицу Ф.3
Attributes (3) 1 Контейнер для атрибутов объекта строительства -
Attribute (4) 1 - n Атрибут объекта строительства См. таблицу Ф.7
Children (3) 1 Контейнер для папок и документов -
Folder (4) 0 - n Папка (раздел, подраздел, основной комплект рабочих чертежей) См. таблицу Ф.4
Attributes (5) 1 Контейнер для атрибутов папки -
Attribute (6) 1 - n Атрибут папки См. таблицу Ф.8
Children (5) 0 - 1 Контейнер для папок и документов -
Document (6) 0 - n Документ См. таблицу Ф.5
Attributes (7) 1 Контейнер для атрибутов документа -
Attribute (8) 1 - n Атрибут документа См. таблицу Ф.9
Примечание - При описании вложенных элементов указывается их допустимое количество (кратность):
- 1 - обязательный, может присутствовать только один раз;
- 1 - n - обязательный, может присутствовать несколько раз;
- 0 - 1 - необязательный, может встречаться только один раз;
- 0 - n - необязательный, может встречаться несколько раз.

Таблица Ф.2

XML-атрибуты элемента Package

Наименование атрибута Тип данных атрибута Описание
Created Дата (DateTime) в формате:
гггг-мм-ддТчч:мм:сс
Дата и время создания пакета
Organization Строка (String) Наименование или различительный индекс организации, подготовившей ПДЭ

Таблица Ф.3

XML-атрибуты элемента Project

Наименование атрибута Тип данных атрибута Описание
Id Строка (String). Ограничение 36 символов:
[a-fA-F0-9]{8}-[a-fA-F0-9]{4}-a-fA-F0-9]{4}-[a-fA-F0-9]{4}-[a-fA-F0-9]{12}
Глобальный уникальный идентификатор (GUID) объекта строительства. Присваивается автоматизированным способом, используется для отслеживания изменений объекта строительства при загрузке новой версии ПДЭ

Таблица Ф.4

XML-атрибуты элемента Folder

Наименование атрибута Тип данных атрибута Описание
Id Строка (String). Ограничение 36 символов:
[a-fA-F0-9]{8}-[a-fA-F0-9]{4}-[a-fA-F0-9]{4}-[a-fA-F0-9]{4}-[a-fA-F0-9]{12}
Глобальный уникальный идентификатор (GUID) папки. Присваивается автоматизированным способом, используется для отслеживания изменений папки при загрузке новой версии ПДЭ
Type Строка (String) Тип папки. Допустимые значения: "Section" - Раздел
"Subsection" - Подраздел
"Set" - Основной комплект

Таблица Ф.5

XML-атрибуты элемента Document

Наименование атрибута Тип данных атрибута Описание
Created Дата (DateTime) в формате:
гггг-мм-ддТчч:мм:сс
Дата и время создания документа
Id Строка (String). Ограничение 36 символов:
[a-fA-F0-9]{8}-[a-fA-F0-9]{4}-[a-fA-F0-9]{4}-[a-fA-F0-9]{4}-[a-fA-F0-9]{12}
Глобальный уникальный идентификатор (GUID) документа. Присваивается автоматизированным способом, используется для отслеживания изменений документа при загрузке измененной версии пакета
FileName Строка (String) Наименование файла ДЭ, включая относительный путь к файлу документа внутри пакета в виде: "папка\папка\файл"

Таблица Ф.6

XML-атрибуты элемента Attribute

Наименование атрибута Описание
Name Наименование атрибута
Value Значение атрибута

Таблица Ф.7

Допустимые значения атрибута Name элемента Attribute для элемента Project

Наименование атрибута (Name) Описание
ProjectName Наименование объекта строительства
Code Код объекта строительства

Таблица Ф.8

Допустимые значения атрибута Name элемента Attribute для элемента Folder

Значение типа папки (Type) Наименование атрибута (Name) Описание
Section Number Номер раздела
Code Шифр раздела
Title Наименование раздела
Subsection Code Шифр подраздела
Title Наименование подраздела
Set Code Марка основного комплекта
Title Наименование основного комплекта рабочих чертежей

Таблица Ф.9

Допустимые значения атрибута Name элемента Attribute для элемента Document

Наименование атрибута (Name) Описание
Code Обозначение документа
DocumentName Наименование документа
Sheet Номер листа

Приложение Х
(справочное)

ПРАВИЛА ВЫПОЛНЕНИЯ И ФОРМА ИНФОРМАЦИОННО-УДОСТОВЕРЯЮЩЕГО ЛИСТА

Х.1. УЛ используют для сопровождения выпуска одного документа, нескольких документов или основного комплекта документов при условии, что в комплект входят все документы в форме ДЭ.

Х.2. Если УЛ выпускают на один ДЭ, то ему присваивают обозначение ДЭ с добавлением кода УЛ (например, 2345-ПЗ-УЛ).

Если УЛ выпускают на комплект документов, например соответствующий части раздела (подраздела) проектной документации, то ему присваивают обозначение части с добавлением через дефис кода УЛ (например, 2345-АР1-УЛ).

Х.3. Допускается присваивать обозначения УЛ иным способом, при этом правила присвоения обозначений УЛ устанавливает организация-разработчик.

Х.4. В УЛ указывают обозначения ДЭ, которые он удостоверяет, фамилии и подлинные подписи лиц, разработавших, проверивших, согласовавших и утвердивших соответствующий ДЭ. Подписи лица, разработавшего ДЭ и УЛ, и нормоконтролера являются обязательными.

Х.5. УЛ рекомендуется выполнять в соответствии с формой 15 на листах формата A4, A5 по ГОСТ 2.301.

Форма 15

Информационно-удостоверяющий лист

Номер
п/п
Обозначение документа Наименование документа Номер последнего изменения (версии)
(1) (2) (3) (4)
(5) (6)
Наименование файла Дата и время последнего изменения файла Размер файла, байт
(7) (8) (9)
Характер работы Фамилия Подпись Дата подписания
(10) (11) (12) (13)
Информационно-удостоверяющий лист (14) Лист Листов
(15) (16)

Х.6. В графах УЛ указывают:

- в графе 1 - порядковый номер ДЭ при оформлении нескольких ДЭ одновременно. При оформлении УЛ на один ДЭ графу не заполняют;

- в графе 2 - обозначение ДЭ, который оформляют данным УЛ;

- в графе 3 - наименование документа(ов);

- в графе 4 - номер последнего изменения (версии) ДЭ;

- в графе 5 - алгоритм расчета контрольной суммы.

Примечание - Конкретный алгоритм расчета контрольной суммы при хранении документов внутри организации устанавливает организация, разработавшая документ. При передаче документа(ов) алгоритм расчета согласовывается с принимающей стороной;

- в графе 6 - значение контрольной суммы (некоторое значение, рассчитанное из последовательности данных путем применения определенного алгоритма);

- в графе 7 - наименование (имя) файла ДЭ с относительным путем в пакете;

- в графе 8 - дата и время последнего изменения файла;

- в графе 9 - размер файла;

- в графе 10 - характер работы, выполняемой лицом, подписавшим документ или должность;

- в графе 11 - фамилии лиц, подписавших документ;

- в графе 12 - подписи лиц, фамилии которых указаны в графе 10;

- в графе 13 - дату подписания ДЭ лицами, фамилии которых указаны в графе 11.

Подписи лиц, разработавших данный(е) документ(ы) и ответственных за нормоконтроль, являются обязательными;

- в графе 14 - обозначение УЛ;

- в графе 15 - порядковый номер страницы УЛ;

- в графе 16 - общее количество страниц в УЛ (указывают только на первой странице). При оформлении УЛ на одной странице графы 15 и 16 не заполняют.

Размеры граф и количество строк для подписей устанавливает организация - разработчик УЛ. Допускается при необходимости удалять или добавлять графы и изменять их расположение.

Х.7. УЛ учитывают и хранят по правилам, установленным в организации.

БИБЛИОГРАФИЯ

[1] Федеральный закон от 29 декабря 2004 г. N 190-ФЗ "Градостроительный кодекс Российской Федерации"
[2] Положение о составе разделов проектной документации и требованиях к их содержанию (утверждено Постановлением Правительства Российской Федерации от 16 февраля 2008 г. N 87)