Система обеспечения точности геометрических параметров в строительстве Правила выполнения измерений. Элементы заводского изготовления. ГОСТ р 58939-2020

(утв. Приказом Росстандарта от 28.07.2020 N 414-СТ)
Редакция от 28.07.2020 — Действует с 01.01.2021

НАЦИОНАЛЬНЫЙ СТАНДАРТ РОССИЙСКОЙ ФЕДЕРАЦИИ

СИСТЕМА ОБЕСПЕЧЕНИЯ ТОЧНОСТИ ГЕОМЕТРИЧЕСКИХ ПАРАМЕТРОВ В СТРОИТЕЛЬСТВЕ

ПРАВИЛА ВЫПОЛНЕНИЯ ИЗМЕРЕНИЙ. ЭЛЕМЕНТЫ ЗАВОДСКОГО ИЗГОТОВЛЕНИЯ

System of ensuring geometrical parameters accuracy in construction. Rules of taking measurements. Prefabricated elements

ГОСТ Р 58939-2020

Дата введения
1 января 2021 года

Предисловие

1 РАЗРАБОТАН Акционерным обществом "Центральный научно-исследовательский и проектно-экспериментальный институт промышленных зданий и сооружений - ЦНИИПромзданий" (АО "ЦНИИПромзданий")

2 ВНЕСЕН Техническим комитетом по стандартизации ТК 465 "Строительство"

3 УТВЕРЖДЕН И ВВЕДЕН В ДЕЙСТВИЕ Приказом Федерального агентства по техническому регулированию и метрологии от 28 июля 2020 г. N 414-ст

4 ВВЕДЕН ВПЕРВЫЕ

Правила применения настоящего стандарта установлены в статье 26 Федерального закона от 29 июня 2015 г. N 162-ФЗ "О стандартизации в Российской Федерации". Информация об изменениях к настоящему стандарту публикуется в ежегодном (по состоянию на 1 января текущего года) информационном указателе "Национальные стандарты", а официальный текст изменений и поправок - в ежемесячном информационном указателе "Национальные стандарты". В случае пересмотра (замены) или отмены настоящего стандарта соответствующее уведомление будет опубликовано в ближайшем выпуске ежемесячного информационного указателя "Национальные стандарты". Соответствующая информация, уведомление и тексты размещаются также в информационной системе общего пользования - на официальном сайте Федерального агентства по техническому регулированию и метрологии в сети Интернет (www.gost.ru)

1 Область применения

Настоящий стандарт распространяется на строительные изделия и конструкции (далее - изделия) и устанавливает правила выполнения линейных и угловых измерений их размеров, отклонений формы и взаимного положения поверхностей деталей, изделий, конструкций и технологической оснастки, изготовляемых на предприятиях и строительных площадках.

2 Нормативные ссылки

В настоящем стандарте использованы нормативные ссылки на следующие стандарты:

ГОСТ 10 Нутромеры микрометрические. Технические условия

ГОСТ 164 Штангенрейсмасы. Технические условия

ГОСТ 166 (ИСО 3599-76) Штангенциркули. Технические условия

ГОСТ 427 Линейки измерительные металлические. Технические условия

ГОСТ 577 Индикаторы часового типа с ценой деления 0,01 мм. Технические условия

ГОСТ 7502 Рулетки измерительные металлические. Технические условия

ГОСТ 8026 Линейки поверочные. Технические условия

ГОСТ 10528 Нивелиры. Общие технические условия

ГОСТ 10529 Теодолиты. Общие технические условия

ГОСТ 11098 Скобы с отсчетным устройством. Технические условия

ГОСТ Р 51774 Тахеометры электронные. Общие технические условия

ГОСТ Р ИСО 11252 Оптика и фотоника. Лазеры и лазерное оборудование. Устройства лазерные. Минимальные требования к документации

ГОСТ Р 58938 Система обеспечения точности геометрических параметров в строительстве. Основные положения

ГОСТ Р 58941 Система обеспечения точности геометрических параметров в строительстве. Правила выполнения измерений. Общие положения

ГОСТ Р 58942 Система обеспечения точности геометрических параметров в строительстве. Технологические допуски

Примечание - При пользовании настоящим стандартом целесообразно проверить действие ссылочных стандартов в информационной системе общего пользования - на официальном сайте Федерального агентства по техническому регулированию и метрологии в сети Интернет или по ежегодному информационному указателю "Национальные стандарты", который опубликован по состоянию на 1 января текущего года, и по выпускам ежемесячного информационного указателя "Национальные стандарты" за текущий год. Если заменен ссылочный стандарт, на который дана недатированная ссылка, то рекомендуется использовать действующую версию этого стандарта с учетом всех внесенных в данную версию изменений. Если заменен ссылочный стандарт, на который дана датированная ссылка, то рекомендуется использовать версию этого стандарта с указанным выше годом утверждения (принятия). Если после утверждения настоящего стандарта в ссылочный стандарт, на который дана датированная ссылка, внесено изменение, затрагивающее положение, на которое дана ссылка, то это положение рекомендуется применять без учета данного изменения. Если ссылочный стандарт отменен без замены, то положение, в котором дана ссылка на него, рекомендуется применять в части, не затрагивающей эту ссылку.

3 Термины, определения и обозначения

3.1 Термины и определения

В настоящем стандарте применены термины по ГОСТ Р 58942.

3.2 Обозначения

В настоящем стандарте применены следующие обозначения:

x - геометрический параметр;

- действительное значение геометрического параметра x;

- номинальное значение геометрического параметра x;

- поле допуска номинального значения геометрического параметра x;

- допуск на отклонение значения геометрического параметра x;

- значение действительного отклонения геометрического параметра x;

n - объем выборки действительных значений геометрического параметра x;

- значение величины линейного размера;

- измеренное расстояние от поверхности элемента до линии отсчета в i-й точке рассматриваемого сечения;

- измеренное расстояние от поверхности элемента до линии отсчета в первой точке рассматриваемого сечения;

- измеренное расстояние от поверхности элемента до линии отсчета в последней точке рассматриваемого сечения;

- расстояние от первой точки рассматриваемого сечения до i-й точки;

- расстояние от первой точки рассматриваемого сечения до последней точки;

- отклонение от условной поверхности в первой точке рассматриваемого сечения;

- отклонение от условной поверхности в последней точке рассматриваемого сечения;

- максимально допускаемая погрешность измерений;

- максимальная допускаемая действительная погрешность измерений;

- максимальное отклонение от условной поверхности рассматриваемого сечения;

- минимальное отклонение от условной поверхности рассматриваемого сечения.

4 Общие положения

4.1 Выбор методов и средств измерений, требования к выполнению измерений и обработке их результатов установлены в ГОСТ Р 58941.

4.2 Для измерений линейных размеров и их отклонений применяют линейки по ГОСТ 427, рулетки по ГОСТ 7502, нутромеры по ГОСТ 10, скобы по ГОСТ 11098, штангенциркули по ГОСТ 166, штангенглубиномеры по ГОСТ 164, индикаторы часового типа по ГОСТ 577, нивелиры по ГОСТ 10528, теодолиты по ГОСТ 10529, электронные тахеометры по ГОСТ Р 51774, а также микроскопы и лазерные приборы, отнесенные установленным порядком к средствам измерений.

Примечания

1 Порядок отнесения технических устройств к средствам измерений установлен [1].

2 Лазерные приборы рекомендуется применять укомплектованными документами в соответствии с ГОСТ Р ИСО 11252.

4.3 Для измерения отклонений форм профиля поверхности применяют нивелиры по ГОСТ 10528, теодолиты по ГОСТ 10529, электронные тахеометры по ГОСТ Р 51774 или поверочные линейки по ГОСТ 8026 совместно со средствами линейных измерений по 4.2.

4.4 Угловые размеры проверяют угломерами, а их отклонения, выраженные линейными единицами, - линейками и щупами с применением угольников, калибров, шаблонов.

4.5 В зависимости от материала, размеров и особенностей формы изделий допускается применять также не предусмотренные настоящим стандартом средства измерений, обеспечивающие требуемую по ГОСТ Р 58941 точность измерений.

4.6 Схемы измерений размеров и их отклонений, а также отклонений форм приведены в таблице А.1 приложения А.

При этом соответствие реального взаимного положения поверхностей изделия (линий, осей) установленным требованиям определяют измерениями соответствующих линейных и угловых размеров и их отклонений. Положение проемов, выступов, вкладышей, закладных деталей и других характерных деталей изделий проверяют измерениями указанных в рабочих чертежах размеров между этими деталями или между деталями и гранями (линиями, точками) элемента, принятыми за начало отсчета.

4.7 Если в стандартах, технических условиях или рабочих чертежах не установлены места измерений размеров изделия, то эти места следует определять в соответствии с настоящим стандартом.

4.7.1 Длину, ширину, толщину, диаметр, а также угловые размеры или их отклонения измеряют в двух крайних сечениях изделия на расстоянии от 50 до 100 мм от краев, а при длине или ширине изделия более 2,5 м - и в соответствующем среднем его сечении.

4.7.2 Отклонения от прямолинейности на лицевой поверхности плоских элементов измеряют не менее чем в двух любых сечениях элемента, как правило, в направлении светового потока, падающего на эту поверхность в условиях эксплуатации.

4.7.3 Отклонения от прямолинейности боковых граней плоских изделий измеряются в одном из сечений вдоль каждой из граней, а для изделий цилиндрической формы - вдоль не менее двух образующих, расположенных во взаимно перпендикулярных сечениях.

4.7.4 Отклонения от прямолинейности ребра изделия следует измерять в сечениях по обеим поверхностям, образующим это ребро, на расстоянии не более 50 мм от него или непосредственно в месте пересечения этих поверхностей.

4.8 Значения максимальных допускаемых погрешностей измерений, которые могут быть использованы при выборе методов и средств измерений, приведены в таблицах Б.1 - Б.3 приложения Б.

Примечание - Примеры определения отклонений от плоскостности приведены в приложении В.

Приложение А
(рекомендуемое)

СХЕМЫ ИЗМЕРЕНИЙ

Таблица А.1

Наименование измеряемого параметра, метода и средства измерения Схема Формулы для вычисления
1 Линейные размеры и их отклонения
1.1 Длина, ширина, толщина изделий и их частей измеряются:   -
а) между двумя фиксированными точками
б) между точкой и прямой или плоскостью (между двумя прямыми или плоскостями) методом покачивания
- минимальный отсчет
в) между точкой и прямой или плоскостью методом построения перпендикуляра угольником
1.1.1 Прямое измерение размера:    
а) линейкой ,

,
б) рулеткой с натяжением вручную (при расстоянии не более 10 м) или динамометром. При наличии в местах измерений дефектов, мешающих снятию отсчетов, применяют выравнивающие приспособления где , - начальный и конечный отсчеты по шкале средства измерений
в) штангенциркулем
г) длиномером с устройством для установки и закрепления на изделии конца рулетки с начальным отсчетом
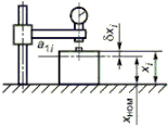
1.1.2 Прямое измерение отклонения средствами измерений, настроенными на номинальный размер:   ,

при , ,

,

где - начальный отсчет, соответствующий номинальному размеру; устанавливается равным нулю или другому значению при настройке прибора на измерение
а) нутромером  
б) скобой  
в) длиномером с определением отклонения по шкале с нониусом  
г) индикатором часового типа, установленным на стенде  
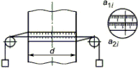
1.2 Диаметр
1.2.1 Прямое измерение диаметра методом покачивания рулеткой, линейкой, штангенциркулем
,

,

где - максимальный отсчет из возможных отсчетов (, , )
1.2.2 Прямое измерение отклонения методом покачивания скобой, нутромером, настроенными на номинальный размер ,

1.2.3 Косвенное измерение диаметра:    
а) методом опоясывания рулеткой ,

б) методом измерения хорды и высоты сегмента штангенциркулем с пределами измерения от 320 до 1000 мм.
Примечание - Овальность определяют как разность между наибольшим и наименьшим из измеренных значений диаметра в одном поперечном сечении
,

где L - длина хорды, ;
h - высота сегмента (известна или измеряют при известном L)
1.3 Расстояния между точками (осями), расположенными на различных гранях изделия - -
1.3.1 Прямое измерение размера рулетками, линейками:    
а) методом проектирования одной из точек (осей) на линию измерения с использованием разметки
1 - линия измерения
б) методом проектирования двух точек на линию измерения с угольниками, отвесами или оптическими центрирами
1 - линия измерения
 
1.3.2 Косвенное измерение отклонения точки от оси линейкой методом проектирования точки на линию измерения угольником или с использованием разметки ,

,

где и - размеры, полученные прямым измерением
1.4 Межосевое расстояние    
1.4.1 Косвенное измерение линейкой, штангенциркулем, рулеткой
а

б
а) ,

б) ,

где , , и , - размеры, получаемые прямым измерением
1.5 Длина, ширина и глубина (высота) трещин, зазоров, раковин, околов, наплывов - -
1.5.1 Прямое измерение длины, ширины:    
а) линейкой ,

б) микроскопом
в) палеткой (прозрачная пластина размерами 200 x 200 мм с сеткой квадратов 5 x 5 мм) K - число раковин в квадрате; K=3, =7,5 мм
г) щупом
1.5.2 Прямое измерение глубины, высоты штангенциркулем ШЦ-1
1.5.3 Косвенное измерение линейкой
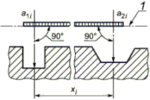
2 Угловые размеры и их отклонения
2.1 Прямое измерение углового размера угломерами
2.2 Прямое измерение отклонения углового размера в линейной мере на длине L угольником с линейкой или щупом (отклонения от перпендикулярности, косины реза и т.п.)
1 - проверяемое изделие; 2 - угольник; 3 - щуп, концевая мера, линейка
3 Отклонения формы профиля или поверхности <*> (прямолинейности и плоскостности, в том числе волнистость, прогиб, выпуклость, вогнутость и т.п.)
3.1 Отклонения от прямолинейности - -
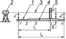
3.1.1 Определение отклонения от прямолинейности на всей длине элемента струной на опорах равной высоты, задающей линию отсчета, и линейкой.
Масса подвешиваемого груза для металлической струны диаметром от 0,2 до 0,5 мм на длине до 20 м - не менее 10 кг; для капроновой струны диаметром от 0,8 до 1,0 мм на длине до 20 м - не менее 2 кг

1 - проверяемая поверхность; 2 - струна; 3 - опоры для натяжения струны; 4 - условная прямая; 5 - линейка для снятия отсчета
Отклонение от прямолинейности принимают равным: сумме абсолютных значений наибольшего из всех положительных и наибольшего из всех отрицательных измеренных в различных точках отклонений , если они имеют разные знаки; наибольшему по абсолютной величине из всех измеренных отклонений , если они имеют одинаковые знаки

,

где - расстояние от линии отсчета до проверяемой поверхности в точках опоры;
- то же в промежуточных точках разметки
3.1.2 Определение отклонения от прямолинейности на участке элемента поверочной линейкой или контрольной рейкой на опорах равной высоты, задающих линию отсчета, и линейкой, индикатором или щупом
1 - проверяемая поверхность; 2 - поверочная линейка, рейка; 3 - опорная призма; 4 - условная прямая; 5 - линия отсчета; 6 - индикатор
То же.
При установке контрольной рейки непосредственно на поверхность изделия

3.1.3 Определение отклонения от прямолинейности на всей длине элемента нивелиром или теодолитом, задающим линию отсчета, и линейкой. Точность положения проверяемой поверхности относительно линии отсчета не регламентируется
1 - проверяемая поверхность;
2 - нивелир; 3 - линия отсчета;
4 - условная прямая; 5 - линейка
,

,

где , - расстояния между начальной и конечной и начальной и промежуточной точками разметки соответственно; при равном шаге разметки и равны соответствующему числу шагов
3.2 Отклонения от плоскостности - -
3.2.1 Определение отклонения в угловой точке прямоугольного элемента относительно условной плоскости, проведенной через три другие угловые точки (пропеллерность или скручивание):    
а) методом прямого измерения линейкой или клиновым щупом отклонения в угловой точке элемента, установленного на четыре опоры, расположенные в одной плоскости (условной)
б) методом измерений линейкой расстояний от каждой из четырех угловых точек элемента до плоскости отсчета с последующим вычислением отклонения от условной плоскости.
В зависимости от положения элемента плоскость отсчета задается горизонтально нивелиром или вертикально теодолитом или двумя отвесами (отвес-рейками). Точность положения элемента относительно плоскости отсчета не регламентируется и определяется длиной измерительной линейки
1 - отвес; 2 - шкала для отсчета
При

3.2.2 Определение отклонения от условной плоскости по всей поверхности элемента:    
а) методом прямого измерения индикатором часового типа или щупом отклонения поверхности от условной плоскости, проведенной через три точки
1 - объект измерения; 2 - поверочная плита; 3 - щуп, индикатор
Отклонение от плоскостности принимают равным наибольшему результату из измерений в четвертой угловой точке и в точке пересечения диагоналей.
Индикаторы настраивают на нулевой отсчет по поверочной плите
б) методом измерения линейкой расстояния от размеченных на поверхности элемента точек до линии отсчета, заданной струной, поверочной линейкой или контрольной рейкой на опорах равной высоты, устанавливаемых в размеченных точках по краям элемента. Точки, в которых проводят измерения, располагают на контролируемой поверхности в местах пересечения продольных и поперечных сечений элемента из расчета от четырех до десяти сечений на каждой его стороне в зависимости от размеров элемента, а также в местах пересечения проекций диагоналей на поверхности элемента
1 - проверяемая поверхность; 2 - струна; 3 - линейка; 4 - опоры для натяжения струны
Отклонение от плоскостности принимают равным:
- сумме абсолютных значений наибольшего из всех положительных и наибольшего из всех отрицательных отклонений в размеченных точках, если они имеют разные знаки;
- наибольшему по абсолютной величине из всех отклонений , если они имеют одинаковые знаки. Формулы и пример вычисления отклонений в каждой из размеченных точек от условной плоскости, проведенной через одну из диагоналей параллельно другой диагонали, приведены в приложении В
в) методом измерения линейкой расстояний от размеченных на поверхности элемента точек до плоскости отсчета, заданной горизонтально нивелиром или вертикально теодолитом. Точки, в которых проводят измерения, располагают на контролируемой поверхности в местах пересечения продольных и поперечных сечений элемента из расчета от четырех до десяти сечений на каждой его стороне в зависимости от размеров элемента. Точность положения элемента относительно плоскости отсчета не регламентируется и определяется длиной измерительной линейки 1 - проверяемая поверхность; 2 - линейка; 3 - нивелир Отклонение от плоскостности принимают равным:
- сумме абсолютных значений наибольшего из всех положительных и наибольшего из всех отрицательных отклонений , в размеченных точках, если они имеют разные знаки;
- наибольшему по абсолютной величине из всех отклонений , если они имеют одинаковые знаки. Формулы и пример вычисления отклонений в каждой из размеченных точек от условной плоскости, проведенной через одну из диагоналей параллельно другой диагонали, приведены в приложении В
3.3 Отклонения от заданного профиля или поверхности сложной формы. Измерения проводят в размеченных на поверхности изделия точках и местах пересечения, характерных для контролируемой поверхности продольных и поперечных (радиальных и круговых и т.п.) сечений - Отклонение реального профиля от проектного принимают равным наибольшему по величине из всех измеренных значений зазора в контролируемом сечении
3.3.1 Прямое измерение линейкой, индикатором или щупом отклонений реального профиля от шаблона
1 - проверяемая поверхность; 2 - шаблон; 3 - линия отсчета; 4 - щуп; 5 - сечения, в которых устанавливают шаблон; 6 - точки разметки на шаблоне, в которых проводят измерение зазора
-
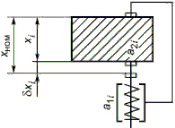
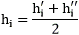
3.3.2 Определение отклонений от проектных значений действительных координат характерных точек реальной поверхности элемента, установленного в рабочее положение. Измерения выполняют прямыми или косвенными методами с использованием нивелира и рейки или струны и линейки, гидростатического высотомера и т.д. ,

где - действительное значение координаты;
hiном - номинальное значение координаты;
- расстояния, соответствующие номинальным значениям координаты, размечаются от точки, принятой за начало координат по горизонтальной оси
<*> Полученные измерениями по настоящему стандарту значения отклонений от прямолинейности и плоскостности сравнивают с соответствующим допуском.

Приложение Б
(справочное)

МАКСИМАЛЬНО ДОПУСКАЕМЫЕ ПОГРЕШНОСТИ ИЗМЕРЕНИЙ

Б.1 Максимально допускаемые погрешности измерений с применением рекомендуемых средств измерений приведены в таблицах Б.1 - Б.3 и рассчитаны для температуры воздуха t = (20 +/- 8) °C и разности температур объекта и средства измерений, равной 2 °C. Натяжение рулетки осуществляется вручную.

Таблица Б.1

Максимально допускаемые погрешности измерений линейных размеров

В миллиметрах

Интервалы номинальных размеров Максимально допускаемые погрешности измерений
Штангенциркули, величина отсчета по нониусу 0,1 мм Нутромеры, скобы, величина отсчета по индикатору, микрометру, нониусу 0,01 мм Линейки металлические, цена деления 1,0 мм Штангенциркули, метод хорды и высоты сегмента Рулетки 3-го класса по ГОСТ 7502, цена деления 1,0 мм Длиномеры, величина отсчета по нониусу 0,1 мм
От 1,0 до 50 включ. 0,1 - 0,4 - - -
Св. 50 до 200 включ. 0,2 0,02 0,4 - - -
Св. 200 до 500 включ. 0,2 0,03 0,5 0,6 0,5 <*> -
Св. 500 до 1000 включ. 0,3 0,05 0,5 1,0 0,5 <*>; 0,5 <**> -
Св. 1000 до 4000 включ. 0,5 0,2 - 1,4 1,5 <*>; 1,0 <**> 0,8
Св. 4000 до 6000 включ. - 0,3 - 2,5 2,0 <*>; 1,5 <**> 1,0
Св. 6000 до 10 000 включ. - 0,4 - 4,0 2,5 <*>; 2,0 <**> 1,5
Св. 10 000 до 16 000 включ. - - - - 3,5 <*> 2,5
Св. 16 000 до 25 000 включ. - - - - 4,5 <*> 3,0
<*> Приведены погрешности измерения длин и диаметров.
<**> Погрешности измерения диаметров методом опоясывания.

Таблица Б.2

Максимально допускаемые погрешности измерений параметров формы и взаимного положения поверхностей

В миллиметрах

Интервалы номинальных размеров Максимально допускаемые погрешности измерений  
Поверочная линейка Рейка Струна металлическая или капроновая Оптическая струна, плоскомер, зрительные визирные трубы, гидростатический уровень, микронивелир, уровень Нивелир Теодолит Средства специальных измерений  
с отсчетом по технический точный и высокоточный  
индикатору линейке линейке микроскопу линейке НПЛ-1 НПР-1  
Отсчет по линейке ценой деления 1,0 мм  
ценой деления, мм  
0,01 1,0 1,0 0,01 1,0  
До 100 включ. - - - - - - - - - 0,02 0,02
Св. 100 до 200 включ. - - - - - - - - - - -
Св. 200 до 1000 включ. 0,08 0,4 0,4 - - 0,01 - - - - -
Св. 1000 до 2000 включ. 0,08 0,4 0,4 0,05 0,3 0,02 - - - - -
Св. 2000 до 3000 включ. 0,15 0,4 - 0,1 0,4 0,03 - 0,5 1,0 - -
Св. 3000 до 5000 включ. - - - 0,1 0,4 0,05 - 0,5 1,0 - -
Св. 5000 до 8000 включ. - - - 0,2 0,4 0,06 0,2 0,8 1,0 - -
Св. 8000 до 10 000 включ. - - - 0,2 0,5 0,1 0,2 0,8 1,0 - -
Св. 10 000 до 20 000 включ. - - - 0,3 0,5 0,2 0,4 1,0 2,0 - -
Св. 20 000 до 30 000 включ. - - - 0,3 1,0 0,2 0,4 1,0 2,0 - -

Таблица Б.3

Максимально допускаемые погрешности измерений угловых размеров

Средство измерений Погрешность измерений
Угломер механический +/- (2 - 10)'
Угломер оптический +/- 20'
Квадрант оптический +/- 10"
Угольник +/- 30"
Уровни брусковые, уровни рамные Цена деления шкалы уровня
Уровни микрометрические То же

Приложение В
(справочное)

ОПРЕДЕЛЕНИЕ ОТКЛОНЕНИЙ ОТ ПЛОСКОСТНОСТИ ПО ВСЕЙ ПОВЕРХНОСТИ ИЗДЕЛИЯ

В.1 Линию отсчета задают струной, линейкой или рейкой на опорах равной высоты, устанавливаемых в размеченных точках по краям изделия.

В.1.1 Отклонения от условной плоскости в каждой из размеченных точек по продольным или поперечным сечениям элемента вычисляют по формуле

, (В.1)

где - расстояния от поверхности изделия до линии отсчета в первой и последней точках рассматриваемого сечения, равные высоте опор;

- измеренное расстояние от поверхности элемента до линии отсчета в i-й точке рассматриваемого сечения;

- расстояние от первой точки рассматриваемого сечения до i-й точки;

- расстояние от первой точки рассматриваемого сечения до последней (n-й) точки;

и - отклонения от условной поверхности в первой и последней точках рассматриваемого сечения.

В.1.2 За отклонения и для сечений, расположенных по периметру разметки, по формуле (В.1) принимают соответствующие отклонения , , , в угловых точках разметки I, II, III, IV.

При проведении условной плоскости через диагональ I - III параллельно диагонали II - IV принимают

(В.2)

и , вычисляют по формуле

, (В.3)

где , - измеренные расстояния от точки пересечения проекций диагоналей на поверхность элемента до линий отсчета в диагональных сечениях I - III, II - IV.

В.1.3 За отклонения и для всех промежуточных (поперечных и продольных) сечений разметки в формуле (В.1) принимают соответствующие значения вычисленные по формуле (В.1) для сечений, расположенных по периметру разметки.

Пример - Необходимо для панели перекрытия провести измерения отклонения от плоскостности лицевой поверхности, которое не должно превышать 10 мм, т.е. мм.

Для выполнения измерений определяют по ГОСТ Р 58941 максимально допускаемую погрешность измерений мм.

По приложению Б выбираем метод измерения струной со снятием отсчетов по линейке с миллиметровыми делениями.

Размечают контролируемую поверхность, приняв шаг между точками равным 1000 мм. Натягивая вручную рулетку, наносят на поверхности мелом риски через 1000 мм по периметру, в центре пересечения диагоналей, в продольных и поперечных сечениях; нумеруют в соответствии с разметкой точки поверхности на схеме, приведенной на рисунке В.1.

Рисунок В.1

Устанавливают струну по поперечным и продольным сечениям и снимают отсчеты в каждой точке в прямом и обратном направлениях.

Результаты наблюдений фиксируют в протоколе (см. таблицу В.1) и вычисляют в каждой точке средние значения из отсчетов, снятых в прямом и обратном направлениях.

Вычисляют отклонения от условной плоскости по формулам (В.1), (В.2), (В.3).

По результатам измерений в диагональных сечениях определяют отклонения в угловых точках II (5) и IV (13) (см. рисунок В.1): .

Отклонения в угловых точках I и II принимают равными нулю: .

Вычисляют отклонения от условной плоскости в сечениях, расположенных по периметру, по формуле (В.1).

Результаты вычислений заносят в графу 6 таблицы В.1.

Сечение I - II, точки 1 (I), 2, 3, 4, 5 (II):

; ; ; ; ; ; ;

;

;

;

.

Аналогично выполняют вычисления в сечениях II - III, III - IV, IV - I.

Таблица В.1

Обозначение сечения Номер точки i Расстояние от линии отсчета до поверхности, мм Отклонения от условной
прямо обратно среднее значение плоскости , мм
1 2 3 4 5 6
I - III I 50 50 50 0
0(21) 56 56 56 -
III 50 50 50 0
II - IV II 50 50 50 3,0
0(21) 52 54 53 -
IV 50 50 50 3,0
I - II 1 50 50 50 0
2 46 46 46 4,8
3 50 48 49 2,5
4 50 52 51 1,2
5(II) 50 50 50 3,0
II - III 5 50 50 50 3,0
6 52 52 52 0,2
7 55 52 54 -2,5
8 53 53 53 -2,2
9 50 50 50 0
III - IV 9 50 50 50 0
10 48 48 48 2,8
11 47 45 46 5,5
12 47 47 47 5,2
13 50 50 50 3,0
IV - I 13 50 50 50 3,0
14 49 49 49 3,2
15 53 53 53 -1,5
16 51 50 51 -0,2
1 50 50 50 0
16 - 6 16 50 50 50 -0,2
17 46 46 46 3,9
18 46 48 47 3,0
19 49 49 49 0,9
6 50 50 50 +0,2
7 - 15 7 50 50 50 -2,5
20 52 52 52 -4,2
21 57 57 57 -4,0
22 55 55 55 -1,7
15 50 50 50 -1,5
14 - 8 14 50 50 50 3,2
23 48 49 48 3,8
24 48 48 48 2,5
25 49 49 49 0,2
8 50 50 50 -2,2

,

,

9,7<10,0.

Вычисляют отклонения от условной плоскости в поперечных сечениях. Например, рассматривают сечение 16 - 6.

Сечение 16 - 6, точки 16, 17, 18, 19, 6.

; ; ; ; ; ; ;

;

;

.

Определяют точки, имеющие наибольшие положительное и отрицательное значения:

;

.

Сравнивают с допуском сумму абсолютных значений наибольших положительного и отрицательного отклонений:

;

9,7<10,0.

Вывод: плоскостность контролируемой поверхности соответствует установленным требованиям.

В.2 Плоскость отсчета задают горизонтально или вертикально.

В.2.1 Условную плоскость проводят через одну из диагоналей параллельно другой диагонали, например через диагональ I - III параллельно диагонали II - IV, где I, II, III, IV - угловые точки разметки.

В.2.2 Отклонения от условной плоскости в каждой из размеченных точек вычисляют по формуле

, (В.4)

где - приведенный отсчет, вычисляемый по формуле

, (В.5)

где , - отсчеты по рейке, установленной в угловой I и i-й точках;

, - расстояния от i-й точки до прямых, соединяющих угловые точки разметки в направлениях I - II к I - IV;

, , - коэффициенты, вычисляемые по формулам:

; (В.6)

; (В.7)

, (В.8)

где , , - приведенные отсчеты, вычисленные по формуле (В.5) для угловых точек II, III, IV;

, - расстояния между угловыми точками разметки I и II к I и IV.

Пример - Необходимо определить отклонение от плоскостности поддона металлической формы. Допуск плоскостности установлен =6 мм.

Решение. Определяют максимально допускаемую погрешность измерения по ГОСТ Р 58941 мм.

В соответствии с приложением Б принимают метод измерения геометрическим нивелированием с использованием точного нивелира и линейки ценой деления 1,0 мм.

Размечают на контролируемой поверхности сетку квадратов со сторонами, равными 1,0 м, и нумеруют точки разметки, подлежащие нивелированию (см. рисунок В.2).

Рисунок В.2

Выполняют нивелировку при двух установках (горизонтах) нивелира. Пример записи отсчетов по рейкам приведен в таблице В.2, графы 4 и 6.

Оценивают точность по разностям двойных измерений в соответствии с ГОСТ Р 58941.

Вычисляют приведенные отсчеты по формуле (В.5) настоящего приложения.

Определяют разности di в каждой паре измерений:

и сумму этих разностей (графы 8 и 9 таблицы В.2).

Оценивают выборочное стандартное отклонение среднего из двух отсчетов по рейке (графа 9 таблицы В.2):

.

Остаточную систематическую погрешность не учитывают, так как =0.

Таблица В.2

Номер точки i Разметка Нивелирование Отклонения от условной плоскости, проходящей через диагональ I - III
Отсчет по рейке
1-я установка 2-я установка
1 2 3 4 5 6 7 8 9 10
I(1) 0 0 348 0 373 0 0 0 0
II(5) 4 0 345 3 370 3 0 3 3,5
III(8) 4 3 355 -7 379 -6 -1 -6 0
IV(12) 0 3 349 -1 375 -2 +1 -2 3,5
2 1 0 346 2 372 1 +1 2 2,1
3 2 0 345 3 370 3 0 3 3,2
4 3 0 348 0 372 1 -1 0 0,4
6 4 1 345 3 371 2 1 2 4,3
7 4 2 348 0 372 1 -1 0 4,2
9 3 3 353 -5 378 -5 0 -5 0,9
10 2 3 353 -5 379 -6 +1 -6 -0,2
11 1 3 356 -8 380 -7 -1 -8 -2,4
13 0 2 353 -5 377 -4 -1 -4 -0,3
14 0 1 352 -4 378 -5 +1 -4 -2,2
15 1 1 351 -3 376 -3 0 -3 -1,0
16 2 1 349 -1 374 -1 0 -1 1,1
17 3 1 345 -3 371 -2 -1 -2 0,2
18 3 2 352 -4 378 -5 1 -4 0
19 2 2 349 -1 374 -1 0 -1 2,9
20 1 2 352 -4 377 -4 0 -4 -0,3
=348; =373; =0 ;

Вычисляют максимальную допускаемую действительную погрешность измерения

мм.

Сравнивают максимальную допускаемую действительную погрешность измерения с :

0,98<1,2.

Действительная максимальная допускаемая погрешность измерения не превышает допустимого значения.

Вычисляют отклонения от условной плоскости по формулам (В.4), (В.6) - (В.8).

Например, отклонение от условной плоскости для точки 6 (см. таблицу В.2)

,

; ; ,

; ; ;

;

;

;

.

Сравниваем с допуском на плоскостность сумму абсолютных значений положительного и отрицательного отклонений:

;

6,7>6.

Вывод: плоскостность поверхности не соответствует установленному допуску =6 мм.

БИБЛИОГРАФИЯ

[1] Приказ Министерства промышленности и торговли Российской Федерации "Об утверждении Административного регламента по предоставлению Федеральным агентством по техническому регулированию и метрологии государственной услуги по отнесению технических средств к средствам измерений"