Складское оборудование. Стеллажи сборно-разборные. Общие технические условия. ГОСТ р 55525-2013

(утв. Приказом Росстандарта от 28.08.2013 N 589-СТ)
Редакция от 28.08.2013 — Документ не действует

НАЦИОНАЛЬНЫЙ СТАНДАРТ РОССИЙСКОЙ ФЕДЕРАЦИИ

СКЛАДСКОЕ ОБОРУДОВАНИЕ

СТЕЛЛАЖИ СБОРНО-РАЗБОРНЫЕ

ОБЩИЕ ТЕХНИЧЕСКИЕ УСЛОВИЯ

Storage systems. Adjustable pallet racking. General specification

ГОСТ Р 55525-2013

Дата введения 2014-07-01

Предисловие

1 РАЗРАБОТАН Некоммерческим Партнерством содействия развитию и защите рынка складского оборудования "Национальное объединение производителей и поставщиков складского оборудования"

2 ВНЕСЕН Техническим Комитетом ТК 253 "Складское оборудование"

3 УТВЕРЖДЕН И ВВЕДЕН В ДЕЙСТВИЕ Приказом Федерального агентства по техническому регулированию и метрологии от 28 августа 2013 г. N 589-ст

4 ВВЕДЕН ВПЕРВЫЕ

В настоящем стандарте учтены основные нормативные положения следующих европейских региональных стандартов.

ЕН 15620:2010 "Стальные неподвижные системы хранения - Стеллажи сборно-разборные - Допуски, отклонения и деформации" (EN 15620:2010 "Steel static storage systems - Adjustable pallet racking - Tolerances, deformations and clearances");

EH 15629:2010 "Стальные неподвижные системы хранения - Технические условия на оборудование для хранения" (EN 15629:2010 "Steel static storage systems - Specification of storage equipment");

EH 15635:2009 "Стальные неподвижные системы хранения - Эксплуатация и техническое обслуживание оборудования для хранения" (EN 15635:2009 "Steel static storage systems - Application and maintenance of storage equipment").

Правила применения настоящего стандарта установлены в ГОСТ Р 1.0-2012 (раздел 8). Информация об изменениях к настоящему стандарту публикуется в ежегодном (по состоянию на 1 января текущего года) информационном указателе "Национальные стандарты", а официальный текст изменений и поправок - в ежемесячном информационном указателе "Национальные стандарты". В случае пересмотра (замены) или отмены настоящего стандарта соответствующее уведомление будет опубликовано в ближайшем выпуске ежемесячного информационного указателя "Национальные стандарты". Соответствующая информация, уведомление и тексты размещаются также в информационной системе общего пользования - на официальном сайте Федерального агентства по техническому регулированию и метрологии в сети Интернет (gost.ru)

1 Область применения

Настоящий стандарт распространяется на стальные сборно-разборные стеллажи высотой до 16 м, предназначенные для хранения тарных и штучных грузов массой до 1500 кг (далее - стеллажи), обслуживаемые напольной штабелирующей техникой и эксплуатируемые в закрытых помещениях.

Настоящий стандарт не распространяется на стеллажи специального назначения, стеллажи, несущие нагрузки от зданий и штабелирующих устройств (кранов-штабелеров), на стеллажи, применяемые для работы в сейсмически опасных районах.

2 Нормативные ссылки

В настоящем стандарте использованы нормативные ссылки на следующие стандарты:

ГОСТ 2.601-2006 Единая система конструкторской документации. Эксплуатационные документы

ГОСТ 12.3.009-76 Система стандартов безопасности труда. Работы погрузочно-разгрузочные. Общие требования безопасности

ГОСТ 9078-84 Поддоны плоские. Общие технические условия

ГОСТ 11533-75 Автоматическая и полуавтоматическая дуговая сварка под флюсом. Соединения сварные под острыми и тупыми углами

ГОСТ 14771-76 Дуговая сварка в защитном газе. Соединения сварные. Основные типы, конструктивные элементы и размеры

ГОСТ 15.309-98 Испытания и приемка выпускаемой продукции

ГОСТ 25347-82 Основные нормы взаимозаменяемости. Единая система допусков и посадок. Поля допусков и рекомендуемые посадки

ГОСТ 26433.2-94 Система обеспечения точности геометрических параметров в строительстве. Правила выполнения измерений параметров зданий и сооружений

Примечание - При пользовании настоящим стандартом целесообразно проверить действие ссылочных стандартов в информационной системе общего пользования - на официальном сайте Федерального агентства по техническому регулированию и метрологии по стандартизации в сети Интернет или по ежегодно издаваемому информационному указателю "Национальные стандарты", который опубликован по состоянию на 1 января текущего года, и по выпускам ежемесячного информационного указателя "Национальные стандарты" за текущий год. Если заменен ссылочный стандарт, на который дана недатированная ссылка, то рекомендуется использовать действующую версию этого стандарта с учетом всех внесенных в данную версию изменений. Если заменен ссылочный стандарт, на который дана датированная ссылка, то рекомендуется использовать версию этого стандарта с указанным выше годом утверждения (принятия). Если после утверждения настоящего стандарта в ссылочный стандарт, на который дана датированная ссылка, внесено изменение, затрагивающее положение, на которое дана ссылка, то это положение рекомендуется применять без учета данного изменения. Если ссылочный стандарт отменен без замены, то положение, в котором дана ссылка на него, рекомендуется применять в части, не затрагивающей эту ссылку.

3 Термины и определения

В настоящем стандарте применены следующие термины с соответствующими определениями:

3.1 стеллаж: Стационарная сборно-разборная многоярусная конструкция для хранения тарных и штучных грузов.

3.2 поддон: Транспортная тара, предназначенная для формирования и хранения пакетов при осуществлении механизированных погрузочно-разгрузочных, транспортных и складских операций.

Примечание - Допускается применение поддонов по ГОСТ 9078, а также специализированных поддонов.

3.3 фронтальный стеллаж (стеллаж прямого доступа): Стеллаж, предназначенный для хранения грузов на поддонах, тарных и штучных грузов, грузонесущая поверхность которого выполнена в виде двух или более балок с возможностью установки на них полок.

3.4 набивной (глубинный) стеллаж: Стеллаж, предназначенный для хранения тарных грузов и грузов на поддонах, пространственная конструкция которого состоит из стеллажных рам, горизонтальных балок, установленных по верху рам и стоек, и грузонесущих направляющих; образует несколько каналов, в которые последовательно укладываются поддоны.

3.5 консольный стеллаж: Стеллаж, предназначенный для хранения преимущественно длинномерных грузов, несущая поверхность которого выполнена в виде ряда консолей, прикрепленных к вертикальным стойкам, связанных между собой раскосной системой.

3.6 полочный (мелкоштучный) стеллаж: Стеллаж, грузонесущая поверхность которого выполнена в виде полок (полки), которые могут как опираться на балки, так и быть прикрепленными непосредственно к стойкам.

3.7 штабелирующая техника; ШТ: Средства напольного транспорта, производящие операции по загрузке-разгрузке стеллажей.

3.8 стойка стеллажа: Вертикальная несущая часть стеллажа с перфорацией для установки балок.

3.9 рама стеллажа: Вертикальная часть стеллажа, состоящая из двух стоек и раскосной системы.

3.10 раскосная система: Конструкция, служащая для связи стоек стеллажа в раму, состоящая из горизонтальных, диагональных раскосов и элементов их крепления.

3.11 балка: Горизонтальный грузонесущий элемент стеллажа, крепящийся к рамам стеллажа.

3.12 консоль: Горизонтальная балка только с одной жесткофиксированной опорой (с одним жестко закрепленным концом).

3.13 фиксатор: Предохранительный элемент, предназначенный для фиксации балки (консоли) и предотвращения ее выхода из зацепления со стойкой при неправильных действиях водителя штабелирующей техники.

3.14 регулировочная пластина: Металлическая пластина, предназначенная для регулировки стоек стеллажа в вертикальной плоскости при недостаточной ровности напольного покрытия.

3.15 поддономесто: Условное место размещения одного поддона на паре балок стеллажа, позволяющее оценивать объемы реализации для производителей, а также объемы хранения для эксплуатирующих организаций.

3.16 подпятник: Элемент стойки, передающий вертикальную нагрузку на напольную поверхность (определяет контактное давление).

3.17 полка: Горизонтальная плоскость, применяемая совместно с балками или вместо них, представляющая собой металлический либо другой настил, на котором размещаются грузы.

3.18 межрамная связь: Элемент, соединяющий два соседних одиночных ряда стеллажей (расположен не над рабочим коридором).

3.19 крестовой раскос жесткости: Часть стеллажа, устанавливающаяся в вертикальной или горизонтальной плоскости и использующаяся для придания стеллажу дополнительной продольной либо поперечной устойчивости.

3.20 одиночный ряд стеллажей: Ряд стеллажей глубиной в одну раму с возможностью загрузки поддонов или грузов как с одной, так и с обеих сторон.

3.21 двойной ряд стеллажей: Два одиночных ряда стеллажей, рамы которых скреплены между собой межрамными связями.

3.22 секция хранения: Место для хранения штучных грузов или поддонов на одном уровне хранения, ограниченное двумя соседними рамами стеллажа.

3.23 уровень хранения: Место для хранения грузов на одном уровне от опорной поверхности, например, пара балок, полка, ряд консолей и т.п.

3.24 ячейка хранения: Место размещения грузов на одном уровне хранения, ограниченное двумя соседними рамами, перегородками, разделителями, либо размеченное условно.

3.25 нагрузка на секцию хранения: Вес всех единиц груза в секции хранения, за исключением единиц груза, размещенных на бетонной (опорной) поверхности (полу).

3.26 нагрузка на полку (уровень хранения): Вес груза, который может быть размещен на одной полке или уровне хранения.

3.27 максимально допустимая нагрузка на раму: Допустимый общий вес всех единиц груза, действие которых передается на раму через другие элементы стеллажа.

3.28 ширина рабочего коридора; Ast: Минимальное расстояние между металлоконструкцией стеллажей или выступающими частями груза, необходимое для проезда и обслуживания стеллажей штабелирующей техникой.

3.29 ограничитель от проталкивания: Конструкция, ограничивающая максимальное перемещение поддона на стеллаже.

3.30 защитное оборудование: Конструкции (часть стеллажа), предназначенные для защиты стеллажей от штабелирующей техники и других внешних воздействий.

3.31 рельсовые направляющие для штабелирующей техники: Направляющие элементы, используемые для безопасной и правильной работы штабелирующей техники внутри рабочего коридора стеллажной системы.

3.32 грузонесущие направляющие (опорный профиль): Элементы набивного стеллажа, воспринимающие вертикальную нагрузку от хранимого груза.

3.33 канал: Место для хранения поддонов, ограниченное двумя рядами рам, связанных грузонесущими направляющими.

4 Классификация

Стеллажи подразделяются на следующие виды:

- фронтальный;

- набивной (глубинный);

- консольный.

Виды стеллажей указаны на рисунках 1, 2, 3.

Фронтальный стеллаж

Н - высота рамы стеллажа, L - ширина секции, L(n) - длина ряда стеллажа, В - ширина рамы стеллажа

Рисунок 1 - Общий вид фронтального стеллажа

Набивной (глубинный) стеллаж

Н - высота рамы стеллажа, L - ширина канала, L(n) - ширина блока, В - ширина рамы стеллажа

Рисунок 2 - Общий вид набивного (глубинного) стеллажа Консольный стеллаж

Консольный стеллаж

Н - высота рамы стеллажа, L - ширина секции, L(n) - ширина блока стеллажа, В - длина консоли

Рисунок 3 - Общий вид консольного стеллажа

5 Технические требования

5.1 Общие положения

Стеллажи следует изготавливать в соответствии с требованиями настоящего стандарта по рабочим чертежам, утвержденным в установленном порядке.

При постановке стеллажей на производство предприятием-изготовителем разрабатывается проектная документация, включающая рабочие чертежи, методы расчета, технические условия на изготовление, методы проведения заводских испытаний.

Механические свойства материалов элементов стеллажей должны обеспечивать возможность восприятия номинальных нагрузок с учетом условий эксплуатации стеллажей.

Конструкция стеллажей должна обеспечивать возможность их применения в складах с высокой степенью интенсивности грузообработки.

Кривизна стоек и балок стеллажей должна быть не более 1/400 длины, измеренной между двумя узлами и не более 0,1% от общей длины.

Скручивание стоек и балок вокруг их продольной оси должно быть не более 1° на 1000 мм длины. Для ассиметричных профилей допускается начальный угол скручивания, на 50% превышающий угол скручивания для симметричных элементов.

При проектировании набивных стеллажей необходимо учитывать использование горизонтальных и вертикальных крестовых раскосов жесткости.

При проектировании консольных стеллажей необходимо учитывать использование вертикальных крестовых раскосов жесткости.

Размеры элементов стеллажей должны быть выполнены с допускаемыми отклонениями не грубее 14 квалитета по ГОСТ 25347.

На деталях стеллажей не допускаются трещины любого вида, расслоения и заусенцы.

Применяемые сварочные материалы и технология сварки должны обеспечивать прочность сварного соединения не ниже нормативного значения временного сопротивления основного металла.

Сварные швы должны быть выполнены в соответствии с требованиями ГОСТ 14771 и ГОСТ 11533.

Максимально допустимое отклонение шага перфорации стойки по длине должно составлять не более 1 мм на 1000 мм длины и не более 0,1% общей длины.

Поверхность элементов стеллажей может быть как оцинкованной, так и окрашенной, в этом случае в паспорте на стеллаж делается отметка с указанием цвета по [1].

В случае установки на стеллаж дополнительного оборудования, работающего под напряжением, необходимо наличие защитного заземления в соответствии с [2].

Упаковка стеллажей должна обеспечивать надежное транспортирование и хранение, а также возможность проведения разгрузки механизированным способом.

При отгрузке стеллажей предприятие-изготовитель производит маркировку грузовых мест идентификационными табличками, указывающими наименование предприятие-изготовителя, дату производства, номер заказа на производстве, габариты и вес единицы груза, а также номер места в соответствии с отгрузочными документами.

В комплект поставки должны входить технический паспорт, а также инструкции по монтажу и эксплуатации в соответствии с ГОСТ 2.601.

5.2 Общие требования расчета

При проектировании стеллажей необходимо принимать конструктивные схемы, обеспечивающие прочность, устойчивость и пространственную неизменяемость стеллажей в целом, а также их отдельных элементов при транспортировании, монтаже и эксплуатации.

Гибкость сжатых элементов стеллажей не должна превышать следующих величин:

стойки, балки 120
элементы раскосной системы рам 150
горизонтальные связи 150

При проверке стеллажа на прочность и устойчивость его конструкцию следует рассматривать как систему взаимосвязанных элементов.

Вертикальная нагрузка от силы тяжести каждого груза принимается в виде системы одинаковых сосредоточенных сил.

Суммарные расчетные напряжения изгиба и сжатия с учетом коэффициента запаса не должны превышать предела текучести материала.

Рамы стеллажей допускается изготавливать из двух и более разъемных частей по высоте.

Расчетный прогиб балки от сил тяжести номинальных грузов в их нормативном значении не должен превышать 1/200 пролета этой балки при условии шарнирного закрепления концов балки.

При расчете консолей и их соединений с колоннами коэффициент надежности по нагрузке для силы тяжести груза принимается равным 1,25.

Расчетная вертикальная нагрузка на одну консоль получается умножением полной расчетной нагрузки на коэффициент в соответствии с таблицей 1.

Таблица 1

Значения коэффициентов в зависимости от числа консолей

Рассчитываемый элемент Число консолей по длине груза
2 3 4 5 6
         
Консоль 0,60 0,50 0,40 0,3 0,25
Колонна 0,50 0,40 0,30 0,25 0,20

Полученная нагрузка на консоль делится на две одинаковые сосредоточенные силы, прикладываемые к консоли на расстоянии друг от друга равном ширине груза с учетом положения последнего на вылете консоли.

6 Параметры стеллажей

6.1. Фронтальные стеллажи

В настоящем стандарте для фронтальных стеллажей указаны параметры широкопроходной и узкопроходной систем хранения.

Широкопроходная система хранения подразумевает использование существенной ширины рабочих коридоров (Ast) с эксплуатацией ШТ, которой необходимо совершать поворот на 90° для разгрузки и выгрузки товара. Используемая ШТ - погрузчики, рич-траки, поводковые штабелеры, ручные гидравлические тележки, подборщики и т.д.

Зазор, составляющий разницу между выступающими краями груза и габаритами ШТ вместе с грузом должен быть не менее 150 мм с каждой стороны (см. рисунок 4).

а - длина поддона с грузом; b - габариты ШТ с грузом на захвате

Рисунок 4 - Параметры зазора между ШТ и грузами

При использовании узкопроходной системы хранение Ast может быть меньше по сравнению с широкопроходной системой хранения и при этом эксплуатируется ШТ, которой нет необходимости совершать поворот на 90° для загрузки и выгрузки грузов, поворот совершает грузозахватный орган. Используемая ШТ - узкопроходные штабелеры, подборщики. Ширина прохода определяется габаритом используемой техники.

Применяются две разновидности узкопроходной системы хранения:

Узкопроходная система хранения класса А - водитель ШТ поднимается и опускается вместе с грузом или водитель остается на уровне пола, но при этом используется система видеонаблюдения или другая эквивалентная система для улучшения видимости.

Узкопроходная система хранения класса В - водитель всегда остается на уровне пола и не используются системы для улучшения видимости.

6.1.1. Параметры размещения груза в секции

Горизонтальные и вертикальные зазоры, которые необходимо контролировать и соблюдать для безопасной работы, приведены на рисунке 5 и в таблице 2.

1 - поддон со свесом груза; 2 - поддон без свеса груза; 3 - балка без прогиба (ненагруженная балка); - наименьшее расстояние от груза до стойки стеллажа в Х-направлении; - наименьшее расстояние между грузами; - наименьшее расстояние от поддона до стойки; - наименьшее расстояние между поддонами; - наименьшее расстояние от верхней плоскости груза до нижней плоскости балки следующего уровня хранения; - расстояние от верхней плоскости балок последнего уровня до верхнего края стойки, но не менее 250 мм для всех систем хранения

Рисунок 5 - Схема размещения груза в секции

Таблица 2

Технологические зазоры в зависимости от высоты размещения груза

Высота размещения груза Н, мм Широкопроходная система хранения Узкопроходная система хранения
Класс А Класс В
, , , , мм , мм , , , , мм , мм , , , , мм , мм
3000 75 75 75 75 75 75
6000 75 100 75 75 75 100
9000 75 125 75 75 75 125
12000 75 150 75 75 100 150
15000 75 175 75 75 100 175

Примечание - В условиях высоких рисков зазоры могут быть увеличены для поддержания безопасных условий эксплуатации стеллажной системы (безопасных условий труда). Для других значений высоты размещения груза, значения зазоров могут быть определены линейной интерполяцией. Значения технологических зазоров могут быть меньшими, чем указаны в таблице 1 (но не менее 60 мм), если в ШТ используются системы видеонаблюдения или эквивалентные системы для улучшения условий видимости водителя ШТ.

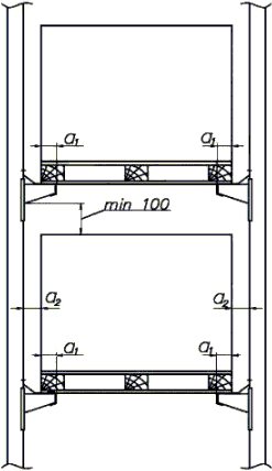
Горизонтальные зазоры по глубине представлены на рисунке 6 и в таблице 3.

1 - балка; 2 - поддон со свесом груза; 3 - поддон без свеса груза; 4 - стена здания, коммуникации, либо другие, не относящиеся к стеллажам, объекты; - минимальное из двух расстояний: между грузами, либо между поддонами; - свес поддона относительно балок (левой и правой); - расстояние до стен здания, коммуникаций, а также других объектов

Рисунок 6 - Схема установки груза на балках

Таблица 3

Горизонтальные зазоры в зависимости от типа стеллажной системы

Широкопроходная система хранения Узкопроходная система хранения
, min 100 мм 50 мм Подлежит согласованию с органами санитарного, пожарного и других видов контроля, min 150 мм , min 100 мм 50 мм Подлежит согласованию с органами санитарного, пожарного и других видов контроля, min 150 мм

6.1.2. Допуски, отклонения и деформации

Максимальные допуски установленной стеллажной системы указаны на рисунке 7 и в таблицах 4, 5, 6 в зависимости от типа системы хранения. Значения должны быть измерены для стеллажной системы в ненагруженном состоянии. Указанные в таблице 4 значения допусков также обязательны для демонтированной и вновь собранной стеллажной системы.

Предельные деформации рельсовых направляющих для узкопроходной системы хранения задаются поставщиком ШТ.

Рисунок 7 - Параметры, подлежащие контролю в ненагруженном состоянии системы

Таблица 4

Допуски, отклонения и деформации

Контролируемый параметр Максимально допустимое отклонение, мм
Широкопроходная система хранения Узкопроходная система хранения
L- отклонение от номинального расстояния между двумя стойками на каждом из уровней хранения ±3 ±3
- отклонение от номинальной общей длины ряда стеллажа, в зависимости от количества секций (n), измеренное на расстоянии 200 мм от уровня пола ±3· ±3·
- смещение торцев рам ряда стеллажей от "базовой" линии, связанной с монтажными реперными точками, измеренное на расстоянии 200 мм от уровня пола ±10 ±10
B - смещение стоек в X-направлении (стойки разных рядов стеллажей), в зависимости от количества секций (n), измеренная на расстоянии 200 мм от уровня пола. ±10 ±10
BF- смещение двух стоек одной рамы относительно друг друга ±10 ±10
- отклонение от плоскости YOZ в X-направлении ±(Н/350) ±(Н/500)
- отклонение от плоскости XOZ в Y-направлении ±(Н/350) ±(Н/500)
D- отклонение от номинальной глубины рамы ±6 для одиночной рамы ±3 для двойной рамы ±6
Е- отклонение от номинального размера рабочего коридора, измеренное на расстоянии 200 мм от уровня пола ±15 ±5
- отклонение от номинального размера расстояния между рельсовыми направляющими - ±5
F- смещение первых (последних) рам в ряду стеллажей от оси рабочего коридора ±15 ±10
- смещение рамы в направлении - ±5
- отклонение от параллельности боковой поверхности балки относительно плоскости XOZ ±(L/400) ±(L/400)
- отклонение от параллельности опорной поверхности балки относительно плоскости XOY ±(L/500) ±(L/500)
- отклонение от прямолинейности стойки между двумя соседними балками в Х-направлении ±(НВ/400) или ± 3 ±(НВ/750) или ±3
- отклонение от прямолинейности стойки в Y-направлении ±(Н/500) ±(Н/500)
- отклонение от номинального значения расстояния от верхней плоскости нижней балки до пола ±10 ±7
- отклонение расстояния от верхней плоскости любой балки до верхней плоскости любой другой балки от номинального значения в одной секции ±5 или (Н1/500) для класса А: ±5 или (Н1/500); для класса В: ±3 или (Н1/1000)
- перепад уровня между двумя соседними балками одной секции от горизонтальной плоскости ±10 ±10

Примечание - Измерения на соответствие требованиям настоящего стандарта проводятся в соответствии с требованиями ГОСТ 26433.2.

Максимальные деформации балок (консолей) стеллажной системы не должны нарушать ее работоспособное состояние. При отсутствии каких-либо конкретных рекомендаций со стороны предприятия-изготовителя, необходимо использовать значения предельных деформаций, указанных в таблице 5.

Таблица 5

Предельные деформации балок (консолей) стеллажной системы

Широкопроходная система хранения Узкопроходная система хранения
Прогиб, мм Прогиб, мм
Класс А Класс В
L/200 L/200 L/200, но не более 20 мм для балок, используемых на уровнях хранения выше 6 м
L-длина балки или длина консоли, измеренная от осевой линии колонны, к которой прикреплена балка или консоль.

При эксплуатации стеллажей с использованием номинальных грузов скручивание вдоль оси Y не должно превышать 1/200 высоты стойки стеллажа.

6.2 Набивные (глубинные) стеллажи

6.2.1. Параметры размещения груза в канале

При проектировании набивных (глубинных) стеллажей учитываются параметры размещения груза в канале по ширине и относительно грузонесущих направляющих (опорных профилей).

Параметры размещения относительно грузонесущих направляющих (опорных профилей) представлены на рисунке 8.

Рисунок 8 - Размещение груза относительно опорных профилей (грузонесущих направляющих)

Минимальное расстояние от края грузонесущей направляющей до края поддона (), должно составлять не менее 60 мм.

Зазор между краем груза или краем поддона и рамами стеллажа () должен составлять не менее 75 мм с каждой стороны.

Зазор между верхней плоскостью груза на поддоне и нижней кромкой направляющей должен быть не менее 100 мм.

Минимальный зазор от рам стеллажа до ШТ, работающей в канале, должен составлять 150 мм с каждой стороны.

Параметры размещения груза в глубину канала показаны на рисунке 9.

Рисунок 9 - Размещение груза в глубину канала

При проектировании необходимо учитывать зазор безопасности не менее 25 мм в глубину канала между грузами на поддонах.

6.2.2. Допуски, отклонения и деформации

Значения должны быть измерены для стеллажной системы в ненагруженном состоянии. Указанные значения допусков также обязательны для демонтированной и вновь собранной стеллажной системы.

Отклонения стоек от вертикальной плоскости показаны на рисунке 10.

Рисунок 10 - Отклонение стоек от вертикальной плоскости внутри канала

Для безопасной постановки поддонов на опорные профили, прогиб стоек не должен превышать мм;

мм,

где - максимальный пролет в свету между опорными профилями, вызванный максимальным прогибом стоек, - минимальный пролет в свету между опорными профилями, вызванный максимальным прогибом стоек.

Перепад уровня опорного профиля между двух соседних рам по глубине канала должен быть не более 5 мм.

Перепад уровня между двумя опорными профилями в одном канале на одном уровне хранения должен быть не более 10 мм.

Параметры допустимых отклонений стоек от вертикальной плоскости совпадают с указанными параметрами для широкопроходной системы хранения.

6.3 Консольные стеллажи

Размещение грузов на консольных стеллажах производится с учетом габаритной длины складируемых грузов, необходимо равномерно распределять нагрузку от груза по количеству консолей (см. рисунок 11).

Рисунок 11 - Размещение грузов на консольных стеллажах

Груз на консольных стеллажах располагается таким образом, чтобы единицы груза, расположенные на одном уровне, не касались друг друга. Для этого нужно заранее рассчитать местоположение груза на консолях.

На полки консольных стеллажей допустима только равномерно распределенная статическая нагрузка по длине консоли (рисунок 12). Точечные нагрузки при эксплуатации требуют отдельных статических расчетов конструкции стеллажей предприятием-изготовителем.

Рисунок 12 - Равномерное распределение нагрузки по длине консоли

Значения максимальных прогибов элементов консольных стеллажей указаны в таблице 6 и на рисунке 13.

Таблица 6

Значения максимальных прогибов элементов консольных стеллажей

Параметр Н<6000 мм Н>6000 мм Н>9000 мм
Прогиб консоли В/100 В/150 В/200
U - отклонение колонны от вертикальной плоскости не более Н/100

Н - высота верхней консоли, В - длина консоли

Рисунок 13 - Прогиб элементов консольных стеллажей
Параметры отклонения стоек от вертикальной плоскости: Cy=(H/350) мм, Cx=(H/350) мм.

7 Правила приемки

Для проверки соответствия стеллажей требованиям настоящего стандарта предприятие-изготовитель должно проводить приемо-сдаточные и периодические испытания.

При испытаниях должны проверяться элементы стеллажа, выборочно отобранные в объеме, необходимом для:

- фронтальных стеллажей - сборки трех секций номинальной высоты с номинальным числом уровней хранения;

- набивных стеллажей - сборки трех каналов с номинальным числом уровней хранения;

- консольных стеллажей - сборки стеллажа, состоящего из 4 стоек с номинальным числом консолей.

Периодические испытания на соответствие требованиям настоящего стандарта следует проводить один раз в год. Периодическим испытаниям подвергают сборочные единицы и детали стеллажей каждого производимого типа, прошедшие приемо-сдаточные испытания и отобранные выборочно в количестве, необходимом для:

- фронтальных стеллажей - сборки трех секций номинальной высоты с номинальным числом уровней хранения;

- набивных стеллажей - сборки трех каналов с номинальным числом уровней хранения;

- консольных стеллажей - сборки стеллажа, состоящего из 4 стоек с номинальным числом консолей.

Результаты приемо-сдаточных испытаний отражают в паспорте на стеллажи.

Результаты периодических испытаний оформляют актом по ГОСТ 15.309.

8 Методы испытаний

Качество материалов и поверхностей защитных покрытий деталей стеллажей проверяют внешним осмотром. Качество сварных соединений проверяют по ГОСТ 11533 и ГОСТ 14771.

При испытании на прочность и устойчивость вертикальной и горизонтальной нагрузками стеллажи, имеющие все элементы, указанные в рабочих чертежах, собирают согласно разделу 7 и подвергают воздействию статических нагрузок.

На каждый уровень хранения прикладывается вертикальная нагрузка не менее 1,10 от номинальной нагрузки для данного типа стеллажей.

Продолжительность действия нагрузки - 10 мин.

После снятия вертикальной нагрузки производится испытание горизонтальной статической нагрузкой в направлении загрузки для фронтальных стеллажей и поперек направления загрузки для набивных и консольных стеллажей.

Интенсивность воздействия нагрузки - 0,1 от номинальной для данного типа стеллажей. Продолжительность действия нагрузки - 10 мин.

Затем измеряется неперпендикулярность стоек стеллажей к горизонтальной плоскости.

После испытаний действием вертикальной и горизонтальной нагрузок стеллажи должны удовлетворять требованиям, установленным в 6.1.2, швы сварных соединений - требованиям ГОСТ 11533 и ГОСТ 14771. Детали стеллажей не должны иметь повреждений и остаточных деформаций.

9 Сборка, монтаж и изменение конфигурации стеллажей

9.1 Сборка и монтаж стеллажей

Сборка и монтаж стеллажей должны выполняться в соответствии с инструкциями предприятия-изготовителя. Параметры смонтированных стеллажей в зависимости от типа системы хранения должны соответствовать требованиям, указанным в разделе 6.

Рекомендуемые схемы сборки ферменной конструкции рам относительно стороны загрузки поддона представлены на рисунке 14.

Необходимость крепления стеллажей к полу, тип анкерования, число анкерных болтов, других фиксирующих элементов определяется предприятием-изготовителем стеллажей. Установка анкерных болтов и других элементов производится в соответствии с инструкцией производителя крепежных элементов. Отсутствие крепления к полу допускается при наличии указания со стороны предприятия-изготовителя стеллажей.

При наличии в проекте установки стеллажей вертикальных элементов жесткости, прочих элементов, указанных в спецификации на поставку, их монтаж является обязательным и должен производиться в соответствии с инструкциями по монтажу предприятия-изготовителя. Демонтаж, перестановка, либо модификация подобных элементов допускается только по согласованию с предприятием-изготовителем.

Число и схема установки межрамных связей в двойных рядах определяется предприятием-изготовителем. Минимально необходимо наличие двух межрамных связей, устанавливаемых относительно узлов соединения горизонтальных и диагональных раскосов в соответствии с рисунком 14:

1 - межрамная связь; 2, 3 - элементы раскосной системы
 
Рисунок 14 - Схема установки межрамных связей

После завершения монтажных работ обязательна установка информационных табличек размером не менее А4 с указанием высот уровней хранения и максимально допустимой нагрузки на каждый из уровней хранения. Данные таблички могут входить в комплект поставки, либо устанавливаться эксплуатирующей организацией.

Рекомендуемый вид таблички грузоподъемности приведен в приложении А.

Место установки таблички - торцы каждого одиночного либо двойного ряда стеллажей на высоте 2 м от уровня пола до верхнего края таблички.

9.2 Изменение конфигурации стеллажей

Любое изменение конфигурации стеллажей может повлечь изменение несущей способности и поэтому должно быть обязательно согласовано с предприятием-изготовителем либо поставщиком стеллажей, если в паспорте на стеллажи не указано иное. В случае отсутствия возможности получения указанного согласования, изменение конфигурации стеллажей производится только на основании специальных расчетов.

Изменение конфигурации должно производиться при полностью разгруженных стеллажах в месте проведения изменений.

После проведения изменения конфигурации стеллажей необходимо обновить соответствующие данные информационных табличек и указания о максимально допустимых нагрузках.

Описание всех проведенных изменений вносят в паспорт стеллажей с указанием даты и организации, проводившей работы.

10 Эксплуатация стеллажей

10.1 Общая информация

Стеллажи должны эксплуатироваться в соответствии с инструкцией по эксплуатации, предоставленной предприятием-изготовителем.

Эксплуатирующая организация должна назначить сотрудника, ответственного за эксплуатацию стеллажей.

Проведение инструктажей, а также общие правила проведения погрузочно-разгрузочных работ в соответствии с [3] и [4].

10.2 Требования к напольному покрытию

Для обеспечения безопасной эксплуатации ШТ и стеллажей следует контролировать состояние и ровность напольного покрытия. Несущая способность полов склада должна соответствовать заявленной нагрузке от стеллажей.

Максимально допустимые отклонения ровности пола не должны превышать значений, указанных в таблице 7.

Таблица 7

Максимально допустимые перепады уровня пола (Д - перепад уровня пола)

Для широкопроходной технологии хранения, а также глубинных стеллажей высотой до 8 м Для узкопроходной технологии хранения, а также глубинных стеллажей высотой более 8 м
При измерительной сетке с точками съема, расположенными на расстоянии не более 1 м х 1 м: при 95% всех измерений 4,0 мм при 100% всех измерений 5,0 мм При измерительной сетке с точками съема, расположенными на расстоянии не более 1 м х 1 м: при 95% всех измерений 2,5 мм при 100% всех измерений 3,0 мм
При измерительной сетке с точками съема, расположенными на расстоянии не более 3 м х 3 м: при 95% всех измерений Д8,0 мм при 100% всех измерений 9,0 мм При измерительной сетке с точками съема, расположенными на расстоянии не более 3 м х 3 м: при 95% всех измерений 6,0 мм при 100% всех измерений 7,0 мм

10.3 Техническое освидетельствование

Сотрудник, ответственный за эксплуатацию стеллажей, должен организовывать проведение частичного и полного технического освидетельствования стеллажей.

10.3.1 Частичное техническое освидетельствование

Частичное техническое освидетельствование проводится не реже одного раза в неделю.

Проводится внешний визуальный осмотр стеллажей на предмет наличия повреждений. В случае выявления повреждения сотрудник, ответственный за эксплуатацию, должен незамедлительно провести классификацию повреждения и определить необходимость замены в соответствии с приложением Б. С поврежденных элементов должна быть снята нагрузка (необходимо разгрузить стеллаж в месте повреждения). Разгрузке подлежат по одной соседней секции в каждую сторону от секции, в которой находится поврежденный элемент.

Также в процессе частичного технического освидетельствования необходимо контролировать наличие фиксаторов.

10.3.2 Полное техническое освидетельствование

Полное техническое освидетельствование проводится не реже одного раза в год специалистами, аттестованными на знание настоящего стандарта, и включает в себя следующие процедуры:

- проверка на соответствие стеллажей параметрам, указанным в разделе 6;

- контроль моментов затяжки болтовых соединений и анкерных болтов, в объеме, составляющем не менее 5% от общего числа болтовых соединений. Если число болтовых соединений с моментом затяжки, несоответствующим номинальному, составляет более 20% от общего числа проверенных, необходимо проводить протяжку всех болтовых соединений стеллажей;

- идентификация поврежденных элементов и общий анализ состояния стеллажей. Идентификация поврежденных элементов проводится в соответствии с приложением Б. С поврежденных элементов должна быть снята нагрузка (необходимо разгрузить стеллаж в месте повреждения). Разгрузке подлежат по одной соседней секции в каждую сторону от секции, в которой находится поврежденный элемент.

По результатам освидетельствования должен составляться детальный отчет с описанием результатов всех вышеперечисленных процедур.

В процедуру полного технического освидетельствования рекомендуется включать статические испытания стеллажей вертикальной нагрузкой.

Стеллажи могут быть подвергнуты статическим испытаниям только после устранения дефектов, выявленных во время полного технического освидетельствования и приведения их в полностью работоспособное состояние.

Необходимость проведения статических испытаний стеллажей при проведении технического освидетельствования с целью проверки соответствия элементов стеллажей требованиям настоящего стандарта определяется эксплуатирующей организацией.

Требования безопасности при проведении испытаний указаны в приложении В. Результаты проведенных испытаний оформляются протоколом в соответствии с приложением Г.

Контрольные грузы, используемые при испытаниях, должны быть откалиброваны (поверены) и промаркированы.

При испытаниях должны проверяться элементы стеллажа, выборочно отобранные в объеме, необходимом для:

- фронтальных стеллажей - сборки двух секций номинальной высоты с номинальным числом уровней хранения. Для проведения испытаний рекомендуется выбирать две крайние секции в ряду;

- набивных стеллажей - сборки двух каналов с номинальным числом уровней хранения. Для проведения испытаний рекомендуется выбирать два крайних канала в блоке;

- консольных стеллажей - сборки стеллажа, состоящего из 4 стоек с номинальным числом консолей.

Перед проведением испытаний необходимо произвести осадку путем нагружения испытываемых элементов номинальной нагрузкой.

Загрузка стеллажей производится снизу-вверх, разгрузка - в обратном порядке.

При проведении испытаний на каждый уровень хранения прикладывается вертикальная равномерно распределенная нагрузка, равная номинальной (при необходимости равномерность приложения нагрузки согласовывается с предприятием-изготовителем). Равномерно распределенной может считаться нагрузка, приложенная при нагружении стеллажа поддонами с размещенными на них контрольными грузами.

Продолжительность действия нагрузки 10 мин с момента установки последнего груза.

Во время действия нагрузки проводится измерение упругого прогиба элементов, результат заносится в протокол испытаний, затем производится разгрузка стеллажей.

После снятия нагрузки проводится измерение остаточного прогиба горизонтальных элементов и отклонения от вертикали стоек стеллажей. Элементы стеллажей не должны иметь повреждений и остаточных деформаций. Результаты заносятся в протокол испытаний.

11 Гарантии изготовителя

11.1 Предприятие-изготовитель должно гарантировать соответствие стеллажей требованиям настоящего стандарта при соблюдении условий эксплуатации, транспортировки и хранения.

11.2 Гарантийный срок эксплуатации должен составлять не менее 24 мес с момента ввода стеллажей в эксплуатацию.

Указанный срок может быть продлен по согласованию предприятия-изготовителя и эксплуатирующей организации.

Приложение А
(рекомендуемое)

РЕКОМЕНДУЕМЫЙ ВИД ТАБЛИЧКИ ГРУЗОПОДЪЕМНОСТИ

Приложение Б
(обязательное)

ИДЕНТИФИКАЦИЯ ПОВРЕЖДЕННЫХ ЭЛЕМЕНТОВ

Идентификация поврежденных элементов стеллажей проводится в соответствии со значениями величин деформаций, указанных на рисунке Б.1. При этом в случае соответствия величины деформации элемента значению, указанному на рисунке, эксплуатация элемента стеллажей допускается. В случае большего значения эксплуатация стеллажей не допускается, должна быть проведена незамедлительная замена поврежденного элемента (при отсутствии других указаний со стороны предприятия-изготовителя).

Рисунок Б.1 - Максимально допустимые значения деформации элементов

Для идентификации повреждений балок стеллажей необходимо пользоваться данными, полученными от предприятия-изготовителя.

Вращение стойки в месте крепления к полу не допускается.

Приложение В
(обязательное)

ТРЕБОВАНИЯ БЕЗОПАСНОСТИ ПРИ ПРОВЕДЕНИИ СТАТИЧЕСКИХ ИСПЫТАНИЙ

В.1. При проведении испытаний необходимо соблюдать требования, установленные в [3], [4], ГОСТ 12.3.009, а также инструкции по эксплуатации стеллажа.

В.2. До начала испытаний сотрудник, ответственный за технику безопасности по приказу эксплуатирующей организации, должен провести инструктаж по устройству стеллажей и технике безопасности со всеми специалистами, участвующими в испытаниях, с записью в журнале.

В.3. Все работы при испытаниях должны выполняться по командам сотрудника, ответственного за безопасное производство работ по приказу эксплуатирующей организации.

В.4. Площадка, где проводятся испытания, должна быть ограждена и иметь соответствующие знаки "Посторонним вход запрещен!", "Опасная зона".

В.5. При проведении испытаний запрещается:

- находиться посторонним лицам на испытательной площадке;

- находиться людям под поднимаемым (опускаемым) грузом;

- работать на высоте более 1,3 м без монтажных поясов и касок;

- оставлять испытательный груз на стеллажах по окончанию работ.

Приложение Г
(обязательное)

ФОРМА ПРОТОКОЛА ИСПЫТАНИЙ

ПРОТОКОЛ ИСПЫТАНИЙ СТЕЛЛАЖНОЙ СИСТЕМЫ

   
(место проведения испытаний)   (дата проведения испытаний)
В соответствии с требованиями проведены статические испытания стеллажной системы, расположенной  
Владельцем/эксплуатирующей организацией указанной стеллажной системы является  
Расположение места испытаний на схеме склада:  

Тип стеллажа (фронтальный, набивной, консольный, иное)  
Количество уровней хранения  
Номинальный вес хранимого груза, кг  
Вес единицы груза при испытаниях, кг  
Величина упругого прогиба при наложении нагрузки, мм  
Неперпендикулярность стоек стеллажа к вертикальной плоскости Z  
Y  
Величина остаточного прогиба, мм  
Наличие повреждений  
Испытания провели:
    /    
 
    /    

Лицо, ответственное за эксплуатацию:

       
(должность)   (подпись)   (ФИО)

БИБЛИОГРАФИЯ

[1]   Каталог цветов RAL
[2] ПУЭ Правила устройства электроустановок, (издание 7)
[3] ПОТ РМ-007-98 Межотраслевые правила по охране труда при погрузочно-разгрузочных работах и размещении грузов
В связи с утратой силы ПОТ РМ-007-98 с 01.01.2021 следует руководствоваться принятым взамен Приказом Минтруда РФ от 28.10.2020 N 753н.
[4] ПОТ РМ-008-99 Межотраслевые правила по охране труда при эксплуатации промышленного транспорта (напольный безрельсовый колесный транспорт)