Грунты. Метод лабораторного определения максимальной плотности. ГОСТ 22733-2016

(утв. Приказом Росстандарта от 28.07.2016 N 891-СТ)
Редакция от 28.07.2016 — Действует с 01.01.2017

Данный документ не поддерживается в сервисе Норматив.


МЕЖГОСУДАРСТВЕННЫЙ СТАНДАРТ

ГРУНТЫ

МЕТОД ЛАБОРАТОРНОГО ОПРЕДЕЛЕНИЯ МАКСИМАЛЬНОЙ ПЛОТНОСТИ

Soils. Laboratory method for determining of maximum density

ГОСТ 22733-2016

Дата введения
1 января 2017 года

Предисловие

Цели, основные принципы и основной порядок проведения работ по межгосударственной стандартизации установлены в ГОСТ 1.0-2015 "Межгосударственная система стандартизации. Основные положения" и ГОСТ 1.2-2015 "Межгосударственная система стандартизации. Стандарты межгосударственные, правила и рекомендации по межгосударственной стандартизации. Правила разработки, принятия, обновления и отмены"

Сведения о стандарте

1 РАЗРАБОТАН Акционерным обществом "Производственный и научно-исследовательский институт по инженерным изысканиям в строительстве" (АО "ПНИИИС") и Закрытым акционерным обществом "Институт ПРОМОС им. Цейтлина Г.А."

2 ВНЕСЕН Техническим комитетом по стандартизации ТК 465 "Строительство"

3 ПРИНЯТ Межгосударственным советом по стандартизации, метрологии и сертификации (протокол от 20 апреля 2016 г. N 87-П)

За принятие проголосовали:

Краткое наименование страны по МК (ИСО 3166) 004-97Код страны по МК (ИСО 3166) 004-97Сокращенное наименование национального органа по стандартизации
АрменияAMМинэкономики Республики Армения
БеларусьBYГосстандарт Республики Беларусь
КиргизияKGКыргызстандарт
РоссияRUРосстандарт
ТаджикистанTJТаджикстандарт
ТуркменияTMГлавгосслужба "Туркменстандартлары"

4 Приказом Федерального агентства по техническому регулированию и метрологии от 28 июля 2016 г. N 891-ст межгосударственный стандарт ГОСТ 22733-2016 введен в действие в качестве национального стандарта Российской Федерации с 1 января 2017 г.

5 ВЗАМЕН ГОСТ 22733-2002

Информация об изменениях к настоящему стандарту публикуется в ежегодном информационном указателе "Национальные стандарты", а текст изменений и поправок - в ежемесячном информационном указателе "Национальные стандарты". В случае пересмотра (замены) или отмены настоящего стандарта соответствующее уведомление будет опубликовано в ежемесячном информационном указателе "Национальные стандарты". Соответствующая информация, уведомление и тексты размещаются также в информационной системе общего пользования - на официальном сайте Федерального агентства по техническому регулированию и метрологии в сети Интернет (www.gost.ru)

1. Область применения

Настоящий стандарт распространяется на природные и техногенные дисперсные грунты и устанавливает метод лабораторного определения максимальной плотности сухого грунта и соответствующей ей влажности при исследовании грунтов для строительства.

Стандарт не распространяется на органо-минеральные и органические грунты и грунты, содержащие более 30% частиц крупнее 10 мм.

2. Нормативные ссылки

В настоящем стандарте использованы нормативные ссылки на следующие межгосударственные стандарты:

ГОСТ 166-89 (ИСО 3599-76) Штангенциркули. Технические условия

ГОСТ 427-75 Линейки измерительные металлические. Технические условия

ГОСТ 1770-74 (ИСО 1042-83, ИСО 4788-80) Посуда мерная лабораторная стеклянная. Цилиндры, мензурки, колбы, пробирки. Общие технические условия

ГОСТ 5180-2015 Грунты. Методы лабораторного определения физических характеристик

ГОСТ 8269.0-97 Щебень и гравий из плотных горных пород и отходов промышленного производства для строительных работ. Методы физико-механических испытаний

ГОСТ 9147-80 Посуда и оборудование лабораторные фарфоровые. Технические условия

ГОСТ 12071-2014 Грунты. Отбор, упаковка, транспортирование и хранение образцов

ГОСТ 23932-90 Посуда и оборудование лабораторные стеклянные. Общие технические условия

ГОСТ 24104-2011 <*> Весы лабораторные. Общие технические требования

ГОСТ 25100-2011 Грунты. Классификация

ГОСТ 29329-92 <*> Весы для статического взвешивания. Общие технические требования

<*> В Российской Федерации действует ГОСТ Р 53228-2008 "Весы неавтоматического действия. Часть 1. Метрологические и технические требования. Испытания".

ГОСТ 30416-2012 Грунты. Лабораторные испытания. Общие положения

Примечание - При пользовании настоящим стандартом целесообразно проверить действие ссылочных стандартов в информационной системе общего пользования - на официальном сайте Федерального агентства по техническому регулированию и метрологии в сети Интернет или по ежегодному информационному указателю "Национальные стандарты", который опубликован по состоянию на 1 января текущего года, и по выпускам ежемесячного информационного указателя "Национальные стандарты" за текущий год. Если ссылочный стандарт заменен (изменен), то при пользовании настоящим стандартом следует руководствоваться заменяющим (измененным) стандартом. Если ссылочный стандарт отменен без замены, то положение, в котором дана ссылка на него, применяется в части, не затрагивающей эту ссылку.

3. Термины и определения

В настоящем стандарте применены термины по ГОСТ 5180, ГОСТ 12071, ГОСТ 25100, ГОСТ 30416, а также следующие термины с соответствующими определениями:

3.1 максимальная плотность (стандартная плотность): Наибольшая плотность сухого грунта, которая достигается при испытании грунта методом стандартного уплотнения.

3.2 оптимальная влажность: Значение влажности грунта, соответствующее максимальной плотности сухого грунта.

3.3 стандартное уплотнение: Послойное (в три слоя) уплотнение образца грунта с постоянной работой уплотнения.

3.4 график стандартного уплотнения: Графическое изображение зависимости изменения плотности сухого грунта от влажности при испытании методом стандартного уплотнения.

4. Общие положения

4.1 Метод стандартного уплотнения заключается в установлении зависимости плотности сухого грунта от его влажности при уплотнении образцов грунта с постоянной работой уплотнения и последовательным увеличением влажности грунта.

Результаты испытания оформляют в виде графика стандартного уплотнения.

4.2 Общие требования к лабораторным испытаниям грунтов, оборудованию, приборам и лабораторным помещениям приведены в ГОСТ 30416.

4.3 Для испытания грунта методом стандартного уплотнения используют образцы грунта нарушенного сложения, отобранные из горных выработок (шурфов, котлованов, буровых скважин и т.п.), в обнажениях или в складируемых массивах предполагаемого для использования в сооружениях грунта в соответствии с требованиями ГОСТ 12071.

4.4 Число последовательных испытаний грунта при увеличении его влажности должно быть не менее пяти, а также достаточным для выявления максимального значения плотности сухого грунта по графику стандартного уплотнения.

4.5 Допустимое расхождение между результатами параллельных определений, полученными в условиях повторяемости, выраженное в относительных единицах, не должно превышать для максимального значения плотности сухого грунта 1,5%, для оптимальной влажности - 10%.

Если расхождения превышают допустимые значения, следует проводить дополнительное испытание.

За результат максимальной стандартной плотности принимают наибольшее значение плотности сухого грунта и соответствующую ей величину оптимальной влажности.

5. Оборудование и приборы

5.1 В состав установки для испытания грунта методом стандартного уплотнения входят:

- устройство для механизированного или ручного уплотнения грунта падающим грузом с постоянной высоты (типа прибора СОЮЗДОРНИИ);

- форма для образца грунта.

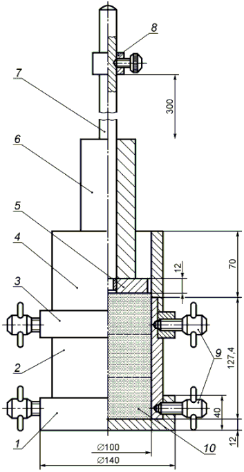
Принципиальная схема прибора СОЮЗДОРНИИ для стандартного уплотнения грунтов приведена в приложении А.

Примечание - Допускается применять установки других конструкций при условии проведения сопоставительных испытаний для каждой разновидности грунта.

5.2 Конструкция устройства для уплотнения грунта должна обеспечивать падение груза массой (2500 25) г по направляющей штанге с постоянной высоты (300 3) мм на наковальню диаметром () мм. Отношение массы груза к массе направляющей штанги с наковальней должно быть не менее 1,5.

Примечание - Для механизированных устройств для уплотнения грунта допускается размер наковальни диаметром () мм.

5.3 При механизированном способе уплотнения в состав устройства должны входить механизм подъема груза на постоянную высоту и счетчик числа ударов.

5.4 Форма для образца грунта должна состоять из цилиндрической части, поддона, зажимного кольца и насадки.

5.5 Цилиндрическая часть формы должна иметь высоту (127,4 0,2) мм и внутренний диаметр () мм. Временное сопротивление металла цилиндрической части формы должно быть не менее 400 МПа. Цилиндрическая часть формы может быть цельной или состоящей из двух разъемных секций.

5.6 Установка должна размещаться на жесткой горизонтальной плите (бетонной или металлической) массой не менее 50 кг. Отклонение поверхности от горизонтали должно быть не более 2 мм/м.

5.7 При испытании грунта методом стандартного уплотнения применяют следующие средства измерений, вспомогательное оборудование и инструмент:

- весы для статического взвешивания на 2 - 5 кг среднего класса точности по ГОСТ 29329;

- весы лабораторные на 0,2 - 1,0 кг 4-го класса точности по ГОСТ 24104;

- линейка металлическая длиной не менее 300 мм по ГОСТ 427;

- цилиндры мерные вместимостью 100 мл и 50 мл ценой деления не более 1 мл по ГОСТ 1770;

- чашки металлические для испытаний вместимостью 5 л;

- стаканчики весовые (алюминиевые бюксы) ВС-1 с крышками;

- устройство растирочное или ступка фарфоровая с пестиком по ГОСТ 9147;

- шкаф сушильный;

- набор сит с диаметром отверстий 10 и 5 мм;

- эксикатор Э-250 по ГОСТ 23932;

- шпатель металлический;

- нож лабораторный с прямым лезвием длиной не менее 150 мм;

- штангенциркуль по ГОСТ 166.

5.8 Лабораторные весы должны обеспечивать взвешивание грунта и формы в процессе испытания с погрешностью 1 г.

5.9 Средства измерений должны пройти поверку или калибровку, а испытательное оборудование должно быть аттестовано в установленном порядке.

6. Подготовка к испытанию

6.1 Подготовка пробы грунта

6.1.1 Масса образца грунта нарушенного сложения при естественной влажности, необходимая для подготовки пробы грунта, должна быть не менее 10 кг при наличии в грунте частиц крупнее 10 мм и не менее 6 кг при отсутствии частиц крупнее 10 мм.

6.1.2 Представленный для испытания образец грунта нарушенного сложения высушивают при комнатной температуре или в сушильном шкафу до воздушно-сухого состояния. Высушивание в сушильном шкафу несвязных минеральных грунтов допускается проводить при температуре не более 100 °C, связных - не более 60 °C. В процессе сушки грунт периодически перемешивают.

6.1.3 Размельчают агрегаты грунта (без дробления крупных частиц) в растирочном устройстве или в фарфоровой ступке.

6.1.4 Грунт взвешивают () и просеивают через сита с отверстиями диаметром 10 мм и 5 мм. При этом более 70% всей массы грунта должно пройти через сито с отверстиями диаметром 10 мм.

6.1.5 Взвешивают отсеянные крупные частицы (), не прошедшие через сито с отверстиями диаметром 5 мм.

Дальнейшее испытание проводят с пробой грунта, прошедшего через сито 5 мм.

6.1.6 Из отсеянных крупных частиц грунта отбирают пробы для определения их влажности и средней плотности частиц по ГОСТ 8269.0.

6.1.7 Из грунта, прошедшего через сито, отбирают пробы для определения его влажности в воздушно-сухом состоянии по ГОСТ 5180.

6.1.8 Вычисляют содержание в грунте крупных частиц K, %, с точностью 0,1% по формуле

(1)

где - масса отсеянных крупных частиц, г;

- влажность просеянного грунта в воздушно-сухом состоянии, %;

- масса образца грунта в воздушно-сухом состоянии, г;

- влажность отсеянных крупных частиц, %.

6.1.9 Отбирают из просеянного грунта методом квартования пробу грунта для испытания () массой 2500 г.

Допускается проводить весь цикл испытаний с использованием одной отобранной пробы.

При испытании грунтов, содержащих частицы, легко разрушающиеся при уплотнении, отбирают несколько отдельных проб. В этом случае каждую пробу испытывают только один раз.

6.1.10 Помещают отобранную пробу в металлическую чашку для испытаний.

6.1.11 Рассчитывают количество воды Q, г, для доувлажнения отобранной пробы до влажности первого испытания по формуле

(2)

где - масса отобранной пробы, г;

- влажность грунта для первого испытания, назначаемая по таблице 1, %;

- влажность просеянного грунта в воздушно-сухом состоянии, %.

Таблица 1

ГрунтыВлажность грунта для первого испытания, %
Песок гравелистый, крупный и средней крупности4
Песок мелкий и пылеватый6
Супесь, суглинок легкий6 - 8
Суглинок тяжелый, глина10 - 12

6.1.12 В отобранную пробу грунта вводят рассчитанное количество воды за несколько приемов, перемешивая грунт металлическим шпателем.

6.1.13 Переносят пробу грунта из чашки в эксикатор или плотно закрываемый сосуд и выдерживают ее при комнатной температуре не менее 2 ч для несвязных грунтов и не менее 12 ч для связных грунтов.

6.2 Подготовка установки для испытания

6.2.1 Взвешивают цилиндрическую часть формы ().

6.2.2 Устанавливают цилиндрическую часть формы на поддон, не зажимая ее винтами.

6.2.3 Устанавливают зажимное кольцо на верхний бортик цилиндрической части формы.

6.2.4 Зажимают цилиндрическую часть формы попеременно винтами поддона и кольца.

6.2.5 Протирают внутреннюю поверхность формы ветошью, смоченной керосином, минеральным маслом или техническим вазелином.

6.2.6 Устанавливают собранную форму на плиту основания.

6.2.7 Проверяют соосность направляющей штанги и цилиндрической части формы и свободный ход груза по направляющей штанге.

7. Проведение испытания

7.1 Испытание проводят, последовательно увеличивая влажность грунта испытываемой пробы. При первом испытании влажность грунта должна соответствовать значению, установленному в таблице 1. При каждом последующем испытании влажность грунта следует увеличивать на 1% - 2% для несвязных грунтов и на 2% - 3% - для связных грунтов.

Количество воды для увлажнения испытуемой пробы определяют по формуле (2), принимая в ней за и влажности при предыдущем и очередном испытаниях соответственно.

7.2 Испытание пробы грунта проводят в следующем порядке:

- переносят пробу из эксикатора в металлическую чашку и тщательно перемешивают;

- загружают в собранную форму из пробы слой грунта толщиной 50 - 60 мм и слегка уплотняют рукой его поверхность. Проводят уплотнение 40 ударами груза по наковальне с высоты 300 мм, зафиксированной на направляющей штанге. Аналогичную операцию проводят с каждым из трех слоев грунта, последовательно загружаемых в форму. Перед загрузкой второго и третьего слоев поверхность предыдущего уплотненного слоя взрыхляют ножом на глубину 1 - 2 мм. Перед укладкой третьего слоя на форму устанавливают насадку;

- после уплотнения третьего слоя снимают насадку и срезают выступающую часть грунта заподлицо с торцом формы. Толщина выступающего слоя срезаемого грунта должна быть не более 10 мм.

Примечание - Если выступающая часть грунта превышает 10 мм, необходимо выполнить дополнительное число ударов из расчета один удар на 2 мм превышения.

7.3 Образующиеся после зачистки поверхности образца углубления вследствие выпадения крупных частиц заполняют вручную грунтом из оставшейся части отобранной пробы и выравнивают ножом.

7.4 Взвешивают цилиндрическую часть формы с уплотненным грунтом () и вычисляют плотность грунта , г/см3 с точностью 0,01 г/см3 по формуле

(3)

где - масса цилиндрической части формы с уплотненным грунтом, г;

- масса цилиндрической части формы без грунта, г;

V - вместимость формы, см3.

7.5 Извлекают из цилиндрической части формы уплотненный образец грунта. При этом из верхней, средней и нижней частей образца отбирают пробы для определения влажности грунта по ГОСТ 5180.

Извлеченный из формы грунт присоединяют к оставшейся в чашке части пробы, измельчают и перемешивают. Размер агрегатов не должен превышать наибольшего размера частиц испытуемого грунта.

Увеличивают влажность пробы согласно 7.1. После добавления воды грунт тщательно перемешивают, накрывают влажной тканью и выдерживают не менее 15 мин для несвязных грунтов и не менее 30 мин для связных грунтов.

7.6 Второе и последующие испытания грунта следует проводить в соответствии с 7.2 - 7.5.

7.7 Испытание следует считать законченным, когда с повышением влажности пробы при последующих двух испытаниях происходит последовательное уменьшение значений массы и плотности уплотняемого образца грунта, а также когда при ударах грузом происходит отжатие воды или выделение разжиженного грунта через соединения формы.

Примечание - Уплотнение однородных по гранулометрическому составу и дренирующих грунтов прекращают после появления воды в соединениях формы независимо от числа ударов при уплотнении образца.

7.8 В процессе испытания ведут журнал, форма которого приведена в приложении Б.

8. Обработка результатов

8.1 По полученным в результате последовательных испытаний значениям плотности и влажности грунта вычисляют значения плотности сухого грунта , г/см3, с точностью 0,01 г/см3 по формуле

(4)

где - плотность грунта, г/см3;

- влажность грунта при очередном испытании, %.

8.2 Строят график зависимости изменения значений плотности сухого грунта от влажности (приложение В). По наивысшей точке графика для связных грунтов находят значение максимальной плотности () и соответствующее ему значение оптимальной влажности ().

8.3 Для несвязных грунтов график стандартного уплотнения может не иметь заметно выраженного максимума. В этом случае значение оптимальной влажности принимают на 1,0% - 1,5% менее влажности , при которой происходит отжатие воды. Значение максимальной плотности принимают по соответствующей ей ординате. При этом принимают 1,0% для песков гравелистых, крупных и средней крупности; 1,5% - для мелких и пылеватых песков.

Для однородных дренирующих песчаных грунтов с ярко выраженным максимумом на кривой стандартного уплотнения в узком диапазоне влажности за максимальную стандартную плотность следует принимать значение плотности слева от максимума при влажности на 1% меньше для песков гравелистых, крупных и средней крупности на 1,5% - для мелких и пылеватых. За оптимальную влажность - соответствующее им значение.

8.4 Если в грунте содержались крупные частицы, которые перед испытанием согласно 6.1.5 были удалены из пробы, то для учета влияния их состава корректируют установленное согласно 8.2, 8.3 значение максимальной плотности сухого грунта по формуле

(5)

где - средняя плотность крупных частиц грунта, г/см3;

K - содержание крупных частиц в грунте, %.

Значение оптимальной влажности грунта , %, определяют по формуле

(6)

8.5 Для контроля правильности испытания связных грунтов строят линию нулевого содержания воздуха, показывающую изменение плотности сухого грунта от влажности при полном насыщении его пор водой.

Пары чисел и для построения линии нулевого содержания воздуха при плотности частиц грунта определяют, задаваясь значениями влажности, по формуле

(7)

где - плотность частиц грунта, определяемая по ГОСТ 5180, г/см3;

- плотность воды, равная 1 г/см3.

Допускается принимать пары чисел и по приложению Г.

Нисходящая часть графика стандартного уплотнения не должна пересекать линию нулевого содержания воздуха.

8.6 Линию нулевого содержания воздуха следует строить в диапазоне влажности от - 2% до влажности , на 1% - 2%, превышающую влажность, при которой было завершено испытание.

При необходимости сравнения или приведения значений максимальной плотности и оптимальной влажности грунта к значениям, полученным методами Проктора, допускается использовать переходные коэффициенты, приведенные в приложении Д.

Приложение А
(рекомендуемое)

ПРИНЦИПИАЛЬНАЯ СХЕМА ПРИБОРА СОЮЗДОРНИИ ДЛЯ СТАНДАРТНОГО УПЛОТНЕНИЯ ГРУНТОВ

1 - поддон; 2 - разъемная форма; 3 - зажимное кольцо; 4 - насадка; 5 - наковальня; 6 - груз массой 2,5 кг; 7 - направляющая штанга; 8 - ограничительное кольцо; 9 - зажимные винты; 10 - образец грунта

Рисунок А.1

Приложение Б
(рекомендуемое)

ЖУРНАЛ ИСПЫТАНИЯ ГРУНТА МЕТОДОМ СТАНДАРТНОГО УПЛОТНЕНИЯ

Объект 
Место отбора грунта 
Глубина отбора грунта, м , мощность слоя грунта, м 
Разновидность грунта 
Дата отбора 
Масса пробы грунта , г 

Данные по остатку на сите частиц (после просеивания пробы):

а) масса крупных частиц , г 
б) влажность крупных частиц , % 
в) средняя плотность крупных частиц , г/см3 
г) содержание крупных частиц в грунте K, % 
Влажность прошедшего через сито грунта , % 
Масса отобранных для испытаний проб грунта , кг 
Максимальная плотность сухого грунта , г/см3 
Оптимальная влажность грунта , % 
Максимальная плотность сухого грунта с учетом частиц крупнее 5 мм , г/см3 
Оптимальная влажность сухого грунта с учетом частиц крупнее 5 мм , % 
Дата испытания (начало) (окончание)

Таблица Б.1

N испытанияОпределение плотностиОпределение влажностиПлотность сухого грунта, г/см3 (по 8.1)
Масса, гПлотность грунта, г/см3 (по 7.4)N стаканчика весовогоМасса, гВлажность w, %
формы формы с уплотненным грунтом уплотненного грунта - пустого стаканчикастаканчика с влажным грунтомстаканчика с сухим грунтомабсолютнаясредняя
123456789101112
           
           

Приложение В
(рекомендуемое)

ОБРАЗЕЦ ГРАФИЧЕСКОГО ОФОРМЛЕНИЯ РЕЗУЛЬТАТОВ ИСПЫТАНИЯ ГРУНТА МЕТОДОМ СТАНДАРТНОГО УПЛОТНЕНИЯ

а) - для связных грунтов; б) - для несвязных грунтов
Масштаб графиков: по горизонтали 1 см - 1% для w; по вертикали 1 см - 0,02 г/см3 для .
 
Рисунок В.1

Приложение Г
(справочное)

ТАБЛИЦА ПАР ЧИСЕЛ ВЛАЖНОСТИ wi И ПЛОТНОСТИ СУХОГО ГРУНТА ДЛЯ ПОСТРОЕНИЯ ЛИНИИ НУЛЕВОГО СОДЕРЖАНИЯ ВОЗДУХА

Таблица Г.1

Влажность , %Плотность сухого грунта , г/см3, при плотности частиц грунта
2,582,652,692,702,74
22,452,64   
32,402,45   
42,332,40   
52,292,34   
62,232,29   
72,162,23   
82,142,19   
92,092,14   
102,052,092,112,132,15
112,012,052,072,082,11
121,972,012,032,042,06
131,931,971,992,002,02
141,901,931,951,961,98
151,861,901,911,921,94
161,831,861,881,891,91
171,791,831,841,851,87
181,761,801,811,821,83
191,731,761,781,781,80
201,701,731,741,751,77
211,671,701,711,731,74
221,651,671,691,691,71
231,621,651,651,661,68
241,601,621,631,641,65
251,571,591,601,611,63
261,541,571,581,591,60
271,521,541,551,561,57
281,501,521,531,541,55
291,481,501,511,511,53
301,451,481,491,491,50
Примечание - Плотность частиц грунта определяют по ГОСТ 5180 или принимают в зависимости от разновидности грунта.

Приложение Д
(справочное)

КОЭФФИЦИЕНТЫ ПРИВЕДЕНИЯ ЗНАЧЕНИЙ МАКСИМАЛЬНОЙ ПЛОТНОСТИ И ОПТИМАЛЬНОЙ ВЛАЖНОСТИ ГРУНТА К ЗНАЧЕНИЯМ, ПОЛУЧЕННЫМ МЕТОДАМИ ПРОКТОРА

Таблица Д.1

Метод испытания грунтаРазновидность грунта
ПесокСупесьСуглинокГлина
Метод Проктора стандартный (по ASTM D698)1,001,000,991,020,961,030,971,02
Метод Проктора модифицированный (по ASTM D1557)1,020,871,050,841,060,851,060,88
Примечание - Приведение значений максимальной плотности и оптимальной влажности для основных разновидностей грунтов, определяемых методом стандартного уплотнения, к значениям, полученным методами Проктора, осуществляют путем умножения на соответствующие коэффициенты, приведенные в настоящей таблице.