Краны грузоподъемные. Крюки кованые и штампованные. Технические требования. ГОСТ 34680-2020

(утв. Приказом Росстандарта от 22.10.2020 N 915-СТ)
Редакция от 22.10.2020 — Действует с 01.06.2021

Данный документ приведен с учетом Поправки к ГОСТ 34680-2020, введеной в действие с 31.12.2021.


МЕЖГОСУДАРСТВЕННЫЙ СТАНДАРТ

КРАНЫ ГРУЗОПОДЪЕМНЫЕ

КРЮКИ КОВАНЫЕ И ШТАМПОВАННЫЕ

ТЕХНИЧЕСКИЕ ТРЕБОВАНИЯ

Cranes. Forged and stamped hooks. Technical requirements

ГОСТ 34680-2020

Дата введения
1 июня 2021 года

Предисловие

Цели, основные принципы и общие правила проведения работ по межгосударственной стандартизации установлены ГОСТ 1.0 "Межгосударственная система стандартизации. Основные положения" и ГОСТ 1.2 "Межгосударственная система стандартизации. Стандарты межгосударственные, правила и рекомендации по межгосударственной стандартизации. Правила разработки, принятия, обновления и отмены"

Сведения о стандарте

1 РАЗРАБОТАН Акционерным обществом "РАТТЕ" (АО "РАТТЕ") и Федеральным государственным унитарным предприятием "Российский научно-технический центр информации по стандартизации, метрологии и оценке соответствия" (ФГУП "СТАНДАРТИНФОРМ")

2 ВНЕСЕН Федеральным агентством по техническому регулированию и метрологии

3 ПРИНЯТ Межгосударственным советом по стандартизации, метрологии и сертификации (протокол от 30 сентября 2020 г. N 133-П)

За принятие проголосовали:

Краткое наименование страны по МК (ИСО 3166) 004-97 Код страны по МК (ИСО 3166) 004-97 Сокращенное наименование национального органа по стандартизации
Армения AM ЗАО "Национальный орган по стандартизации и метрологии" Республики Армения
Беларусь BY Госстандарт Республики Беларусь
Киргизия KG Кыргызстандарт
Россия RU Росстандарт
Таджикистан TJ Таджикстандарт
Узбекистан UZ Узстандарт
Азербайджан AZ Азстандарт

4 Приказом Федерального агентства по техническому регулированию и метрологии от 22 октября 2020 г. N 915-ст межгосударственный стандарт ГОСТ 34680-2020 введен в действие в качестве национального стандарта Российской Федерации с 1 июня 2021 г.

5 ВЗАМЕН ГОСТ 2105-75, ГОСТ 6627-74, ГОСТ 6628-73

Информация о введении в действие (прекращении действия) настоящего стандарта и изменений к нему на территории указанных выше государств публикуется в указателях национальных стандартов, издаваемых в этих государствах, а также в сети Интернет на сайтах соответствующих национальных органов по стандартизации.

В случае пересмотра, изменения или отмены настоящего стандарта соответствующая информация будет опубликована на официальном интернет-сайте Межгосударственного совета по стандартизации, метрологии и сертификации в каталоге "Межгосударственные стандарты"

Введение

Настоящий стандарт устанавливает общие требования к однорогим и двурогим крюкам с цилиндрическим хвостовиком, изготовляемым методом горячей объемной штамповки и методом свободной ковки и применяемым в грузоподъемных кранах и других подъемных механизмах.

Применение положений настоящего стандарта на добровольной основе может быть использовано при подтверждении и оценке соответствия грузоподъемных кранов требованиям Технического регламента Таможенного союза ТР ТС 010/2011 "О безопасности машин и оборудования".

1 Область применения

Настоящий стандарт устанавливает технические требования к однорогим и двурогим крюкам, применяемым в грузоподъемных кранах и других подъемных механизмах, а также методы их контроля.

Настоящий стандарт не распространяется на крюки для судостроения и крюки специального назначения.

2 Нормативные ссылки

В настоящем стандарте использованы нормативные ссылки на следующие межгосударственные стандарты:

ГОСТ 9.032 Единая система защиты от коррозии и старения. Покрытия лакокрасочные. Группы, технические требования и обозначения

ГОСТ 12.4.026 Система стандартов безопасности труда. Цвета сигнальные, знаки безопасности и разметка сигнальная. Назначение и правила применения. Общие технические требования и характеристики. Методы испытаний

ГОСТ 1050 Металлопродукция из нелегированных конструкционных качественных и специальных сталей. Общие технические условия

ГОСТ 1497 (ИСО 6892-84) Металлы. Методы испытаний на растяжение

ГОСТ 2789 Шероховатость поверхности. Параметры и характеристики

ГОСТ 4543 Металлопродукция из конструкционной легированной стали. Технические условия

ГОСТ 7505 Поковки стальные штампованные. Допуски, припуски и кузнечные напуски

ГОСТ 8479 Поковки из конструкционной углеродистой и легированной стали. Общие технические условия

ГОСТ 9012 (ИСО 410-82, ИСО 6506-81) Металлы. Метод измерения твердости по Бринеллю

ГОСТ 9454 Металлы. Метод испытания на ударный изгиб при пониженных, комнатной и повышенных температурах

ГОСТ 9562 Основные нормы взаимозаменяемости. Резьба трапецеидальная однозаходная. Допуски

ГОСТ 14034 Отверстия центровые. Размеры

ГОСТ 15150 Машины, приборы и другие технические изделия. Исполнения для различных климатических районов. Категории, условия эксплуатации, хранения и транспортирования в части воздействия климатических факторов внешней среды

ГОСТ 16093 (ИСО 965-1:1998, ИСО 965-3:1998) Основные нормы взаимозаменяемости. Резьба метрическая. Допуски. Посадки с зазором

ГОСТ 19281 Прокат повышенной прочности. Общие технические условия

ГОСТ 21014 Прокат черных металлов. Термины и определения дефектов поверхности

ГОСТ 24297 Верификация закупленной продукции. Организация проведения и методы контроля

ГОСТ 25347 (ISO 286-2:2010) Основные нормы взаимозаменяемости. Характеристики изделий геометрические. Система допусков на линейные размеры. Ряды допусков, предельные отклонения отверстий и валов

ГОСТ 33709.1 Краны грузоподъемные. Словарь. Часть 1. Общие положения

ГОСТ 34017 Краны грузоподъемные. Классификация режимов работы

Примечание - При пользовании настоящим стандартом целесообразно проверить действие ссылочных стандартов и классификаторов на официальном интернет-сайте Межгосударственного совета по стандартизации, метрологии и сертификации (www.easc.by) или по указателям национальных стандартов, издаваемым в государствах, указанных в предисловии, или на официальных сайтах соответствующих национальных органов по стандартизации. Если на документ дана недатированная ссылка, то следует использовать документ, действующий на текущий момент, с учетом всех внесенных в него изменений. Если заменен ссылочный документ, на который дана датированная ссылка, то следует использовать указанную версию этого документа. Если после принятия настоящего стандарта в ссылочный документ, на который дана датированная ссылка, внесено изменение, затрагивающее положение, на которое дана ссылка, то это положение применяется без учета данного изменения. Если ссылочный документ отменен без замены, то положение, в котором дана ссылка на него, применяется в части, не затрагивающей эту ссылку.

3 Термины и определения

В настоящем стандарте применены термины по ГОСТ 21014 и ГОСТ 33709.1.

4 Общие положения

4.1 Крюки и заготовки крюков следует изготовлять в соответствии с требованиями настоящего стандарта по рабочим чертежам, утвержденным в установленном порядке.

4.2 Заготовки крюков выполняют методом свободной ковки (далее - кованые) или методом горячей объемной штамповки (далее - штампованные).

4.3 Классификация и конструкция крюков

4.3.1 Крюки категории I - однорогие крюки, конструкции заготовок которых соответствуют показанным на рисунке 1. Заготовки крюков категории I разделяют по типам: А - с коротким хвостовиком; Б - с длинным хвостовиком. Каждый тип изготавливают без прилива и с приливом (N).

а) Без прилива б) С приливом (N)

Рисунок 1 - Заготовки однорогих крюков категории I

4.3.2 Крюки категории II - двурогие крюки, конструкции заготовок которых соответствуют показанным на рисунке 2. Заготовки крюков категории II разделяют по типам: А - с коротким хвостовиком; Б - с длинным хвостовиком.

Рисунок 2 - Заготовки двурогих крюков категории II

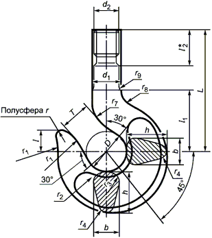
4.3.3 Крюки категории III - однорогие кованые и штампованные крюки, конструкции заготовок которых соответствуют показанным на рисунках 3 и 4. Заготовки крюков категории III разделяют на три основных класса прочности в зависимости от величины предела текучести стали: M - 235 МПа, P - 315 МПа, T - 490 МПа, и два дополнительных класса: S - 390 МПа, V - 620 МПа. Крюки изготавливают без прилива и с приливом (N).

a) Без прилива б) С приливом (N)

Рисунок 3 - Заготовки кованых однорогих крюков категории III от N 006 до N 250 включительно

   

Рисунок 4 - Штампованные заготовки однорогих крюков категории III в исполнении N от N 006 до N 40 включительно

4.3.4 Крюки категории IV - двурогие кованые и штампованные крюки, конструкции заготовок которых соответствуют показанным на рисунке 5. Заготовки крюков категории IV разделяют на три основных класса прочности в зависимости от величины предела текучести стали: M - 235 МПа, P - 315 МПа, T - 490 МПа, и два дополнительных класса: S - 390 МПа, V - 620 МПа. Крюки категории IV изготовляют без приливов и с приливами (N).

Б-Б В-В А
а) Без приливов б) С приливами - N

Рисунок 5 - Заготовки двурогих крюков категории IV

4.3.5 Заготовки крюков, изготовленные методом свободной ковки, должны иметь припуск в хвостовой части по ГОСТ 8479.

5 Требования к заготовкам

5.1 Общие требования

5.1.1 На поверхности заготовок крюков не должно быть трещин, заковов, плен, песочин.

5.1.2 Заготовки крюков не должны иметь усадочной рыхлости, флокенов.

5.1.3 Заготовки крюков после отковки и штамповки должны быть нормализованы и очищены от окалины.

5.1.4 Применение сварки при изготовлении заготовок крюков, а также заделка и заварка дефектов заготовок крюков не допускаются.

5.2 Материалы

5.2.1 Для изготовления заготовок крюков категорий I и II применяют стали марок 20 или 20Г по ГОСТ 1050. Допустимо применение сталей марок 30ХМА и 40ХН2МА по ГОСТ 4543, 09Г2С по ГОСТ 19281.

5.2.2 Для изготовления заготовок крюков категорий III и IV от N 006 до N 40 включительно применяют сталь марки StE295 - для класса прочности M, сталь марки StE355 - для класса прочности P, стали марок 34CrMo4 (аналог по ГОСТ 4543 - сталь 35ХМ) и StE420 (аналог по ГОСТ 4543 - сталь 16Г2АФ) - для класса прочности S.

5.2.3 Для изготовления заготовок крюков категорий III и IV от N 50 до N 250 включительно применяют сталь марки StE355 - для класса прочности M, сталь марки StE420 - для класса прочности P, стали марок StE500 и 34CrMo4 - для класса прочности S.

5.2.4 Для изготовления заготовок крюков категорий III и IV класса прочности T применяют стали марок StE500 и 34CrMo4 для заготовок от N 006 до N 16 включительно, для заготовок от N 20 до N 40 включительно - сталь марки 34CrMo4, а для заготовок от N 50 до N 250 включительно - сталь марки 34CrNiMo6 (аналоги по ГОСТ 4543 - стали 38Х2Н2МА и 34ХН1М).

5.2.5 Для изготовления заготовок крюков категорий III и IV класса прочности V применяют сталь марки 34CrMo4 для заготовок от N 006 до N 1.6 включительно, для заготовок от N 2.5 до N 40 включительно - сталь марки 34CrMo6, а для заготовок от N 50 до N 250 включительно - сталь марки 34CrNiMo8.

Примечание - Указанные в 5.2.2 - 5.2.5 стали - по [1] - [4]. Допускается использование аналогичных сталей других марок, если доказана их идентичность.

5.2.6 Марка стали, предназначенная для изготовления крюка, должна быть подтверждена сертификатом предприятия - изготовителя металла. Материал должен быть подвергнут входному контролю в соответствии с требованиями ГОСТ 24297.

5.2.7 Механические свойства заготовок крюков категорий I и II должны соответствовать указанным в таблице 1.

Таблица 1

Механические свойства заготовок крюков категорий I и II после нормализации

Диаметр шейки хвостовика крюка d, мм Предел текучести, МПа Временное сопротивление разрыву, МПа Относительное удлинение, % Относительное сужение, % Ударная вязкость KCU, кДж/м2
Не менее
Не более 100 250 412 25 55 490
Св. 100 до 220 220 392 23 50
Примечание - Величина ударной вязкости, указанная в таблице, соответствует проведению испытаний при температуре плюс 20 °C с допускаемым отклонением +/- 5 °C. Ударная вязкость при температуре минус 40 °C не должна быть менее 294 кДж/м2.

5.2.8 Механические свойства заготовок крюков категорий III и IV должны соответствовать указанным в таблице 2.

Таблица 2

Механические свойства заготовок крюков категорий III и IV

Класс прочности <1> Мелкозернистые стали [1], [2] Улучшенные стали [3], [4]
Предел текучести, МПа Ударная вязкость KCV, кДж/м2 Предел текучести, МПа Ударная вязкость KCV, кДж/м2
при температуре испытания <2> при температуре испытания <2>
Плюс 20 °C Минус 20 °C Плюс 20 °C Минус 20 °C
M 235 (690) 490 - - -
P 315 - - -
(S) 390 390 (440) 340
T 490 490 (440) 340
(V) - - 620 (440) 340
<1> Следует избегать классов прочности, заключенных в скобки.
<2> Значения в скобках приведены для сравнения. Испытания проводят при температуре минус 20 °C.

5.2.9 Проверку величин предела текучести, временного сопротивления разрыву, относительного удлинения, относительного сужения проводят по ГОСТ 1497. Величину ударной вязкости определяют по ГОСТ 9454: для заготовок крюков категорий I и II - на образцах типа 1, а для заготовок крюков категорий III и IV - на образцах типов 11 - 14. Измерение твердости проводят по ГОСТ 9012.

Примечание - При изготовлении заготовок крюков методом свободной ковки образцы вырезают из припуска заготовки. При изготовлении крюков методом горячей штамповки образцы вырезают из тела заготовки крюка. При этом центр образца должен совпадать с центром хвостовика, если диаметр хвостовика не превышает 25 мм. При диаметре хвостовика более 25 мм центр образца должен быть расположен на глубине 1/6 диаметра хвостовика. Количество образцов для механических испытаний на растяжение и ударную вязкость - по ГОСТ 8479.

5.3 Грузоподъемность

Грузоподъемность крюков должна соответствовать приведенной в таблицах 3 - 5.

Примечание - Крюки категории I и II грузоподъемностью свыше 100 т и для групп классификации режима работы механизма подъема по ГОСТ 34017 свыше М6, а также крюки категорий III и IV грузоподъемностью свыше 500 т в настоящем стандарте не рассматриваются.

Таблица 3

Грузоподъемность однорогих крюков категории I

Номер заготовки крюка Грузоподъемность крюков, т
для машин и механизмов с ручным приводом для машин и механизмов с машинным приводом
Группа классификации режима работы механизма подъема по ГОСТ 34017
До М6 включ. М7 - М8
1 0,4 0,32 0,25
2 0,5 0,4 0,32
3 0,63 0,5 0,4
4 0,8 0,63 0,5
5 1 0,8 0,63
6 1,25 1 0,8
7 1,6 1,25 1
8 2 1,6 1,25
9 2,5 2 1,6
10 3,2 2,5 2
11 4 3,2 2,5
12 5 4 3,2
13 6,3 5 4
14 8 6,3 5
15 10 8 6,3
16 12,5 10 8
17 16 12,5 100
18 20 16 12,5
19 - 20 16
20 - 25 20
21 - 32 25
22 - 40 32
23 - 50 40
24 - 63 50
25 - 80 63
26 - 100 80

Таблица 4

Грузоподъемность двурогих крюков категории II

Номер заготовки крюка Грузоподъемность крюков, т
для машин и механизмов с ручным приводом Группа классификации режима работы механизма подъема по ГОСТ 34017
До М6 включ. М7 - М8
1 8 6,3 5
2 10 8 6,3
3 12,5 10 8
4 16 12,5 10
5 20 16 12,5
6 - 20 16
7 - 25 20
8 - 32 25
9 - 40 32
10 - 50 40
11 - 63 50
12 - 80 63
13 - 100 80
14 - - 100

Примечание - Допускается увеличение грузоподъемности крюков категорий I и II в случае применения заготовок, изготовленных из сталей марок 30ХМА и 40ХН2МА по ГОСТ 4543, при условии подтверждения их прочности расчетом.

Таблица 5

Грузоподъемность однорогих и двурогих крюков категорий III и IV

В тоннах

Номер заготовки крюка Группа классификации режима работы механизма по ГОСТ 34017/класс прочности
M3/V M3/T,
M4/V
M3/S,
M4/T,
M5/V
M3/P,
M4/S,
M5/T,
M6/V
M3/M,
M4/P,
M5/S,
M6/T,
M7/V
M4/M,
M5/P,
M6/S,
M7/T,
M8/V
M5/M,
M6/P,
M7/S,
M8/T
M6/M,
M7/P,
M8/S
M7/M,
M8/P
M8/M
Грузоподъемность крюков
006 0,32 0,25 0,2 0,16 0,125 0,1 - - - -
010 0,5 0,4 0,32 0,25 0,2 0,16 0,125 0,1 - -
012 0,63 0,5 0,4 0,32 0,25 0,2 0,16 0,125 0,1 -
020 1 0,8 0,63 0,5 0,4 0,32 0,25 0,2 0,16 0,125
025 1,25 1 0,8 0,63 0,5 0,4 0,32 0,25 0,2 0,16
04 2 1,6 1,25 1 0,8 0,63 0,5 0,4 0,32 0,25
05 2,5 2 1,6 1,25 1 0,8 0,63 0,5 0,4 0,32
08 4 3,2 2,5 2 1,6 1,25 1 0,8 0,63 0,5
1 5 4 3,2 2,5 2 1,6 1,25 1 0,8 0,63
1.6 8 6,3 5 4 3,2 2,5 2 1,6 1,25 1
2.5 12,5 10 8 6,3 5 4 3,2 2,5 2 1,6
4 20 16 12,5 10 8 6,3 5 4 3,2 2,5
5 25 20 16 12,5 10 8 6,3 5 4 3,2
6 32 25 20 16 12,5 10 8 6,3 5 4
8 40 32 25 20 16 12,5 10 8 6,3 5
10 50 40 32 25 20 16 12,5 10 8 6,3
12 63 50 40 32 25 20 16 12,5 10 8
16 80 63 50 40 32 25 20 16 12,5 10
20 100 80 63 50 40 32 25 20 16 12,5
25 125 100 80 63 50 40 32 25 20 16
32 160 125 100 80 63 50 40 32 25 20
40 200 160 125 100 80 63 50 40 32 25
50 250 200 160 125 100 80 63 50 40 32
63 320 250 200 160 125 100 80 63 50 40
80 400 320 250 200 160 125 100 80 63 50
100 500 400 320 250 200 160 125 100 80 63
125 - 500 400 320 250 200 160 125 100 80
160 - - 500 400 320 250 200 160 125 100
200 - - - 500 400 320 250 200 160 125
250 - - - - 500 400 320 250 200 160
Примечание - Группу классификации режима работы механизма ниже M3 следует принимать как M3.

5.4 Размеры

Размеры заготовок крюков должны соответствовать указанным в таблицах 6 - 16. Обозначения размеров приведены на рисунках 1 - 5.

Таблица 6

Размеры заготовок однорогих крюков категории I

В миллиметрах

Номер заготовки крюка D T L A b d
Номинальная величина Предельные отклонения для метода изготовления Номинальная величина Предельные отклонения Тип А Тип Б Номинальная величина Предельные отклонения для метода изготовления Номинальная величина Предельные отклонения для метода изготовления
Штамповка Ковка Штамповка Ковка Штамповка Ковка
1 20 +1,2
-0,7
- 14 +1,2
-0,7
65 80 26 9 12 +1,2
-0,7
- 8 15 +1,2
-0,7
- 12 М12
2 22 16 70 90 28 13
3 25 +1,7
-0,9
18 +1,7
-0,9
75 100 31 10 15 +1,7
-0,9
18 +1,7
-0,9
15 М14
4 30 22 85 110 35 12 18 9 20 17 М16
5 32 24 90 120 38 20
6 36 +2,2
-1,2
26 +2,2
-1,2
105 130 42 15 22 +2,2
-1,2
10 25 +2,2
-1,2
20 М20
7 40 30 120 140 48 24
8 45 33 130 160 56 18 26 12 30 25 М24
9 50 +2,9
-1,7
36 145 180 60 21 30 +2,7
-1,5
35 +2,7
-1,5
30 М27
10 55 +3,2
-1,8
40 +2,9
-1,6
165 220 65 34 +2,9
-1,6
+2,9
-1,6
М30
11 60 +3,4
-2,0
45 +3,2
-1,8
180 300 78 25 38 +3,2
-1,8
16 40 +3,2
-1,8
35 М33
12 65 50 +3,4
-2,0
195 375 82 28 40 45 40 М36
13 75 +3,9
-2,3
55 +3,9
-2,3
250 410 92 32 48 +3,7
-2,1
20 52 +3,9
-2,3
45 М42
14 85 +4,1
-2,4
65 +4,1
-2,4
280 475 105 35 54 +4,1
-2,4
56 +4,1
-2,4
50 М48
15 95 +4,1
-2,4
+8,0
-2,5
75 +4,1
-2,4
310 520 - - 60 +4,1
-2,4
+8,0
-2,5
- 62 +4,1
-2,4
+8,0
-2,5
55 М52
16 110 +4,4
-2,6
85 +4,4
-2,6
340 580 65 +4,4
-2,6
68 +4,4
-2,6
60 М56
17 120 +5,5
-3,0
+10,0
-3,0
90 +5,4
-2,9
415 600 75 +5,4
-2,9
+10,0
-3,0
80 +5,4
-2,9
+10,0
-3,0
70 М64
18 130 +6,5
-3,3
+12,0
-3,0
100 +6,4
-3,2
440 630 80 +6,4
-3,2
+12,0
-3,0
85 +6,4
-3,2
+12,0
-3,0
75 Tr 70 x 10
19 150 115 +6,5
-3,3
480 660 90 95 85 Tr 80 x 10
20 170 +8,5
-3,9
+16,0
-4,0
130 +8,5
-3,9
535 730 102 +8,4
-3,8
+16,0
-4,0
110 +8,4
-3,8
+16,0
-4,0
100 Tr 90 x 12
21 190 +9,8
-4,5
+18,0
-4,0
145 +9,5
-4,2
580 800 115 +9,4
-4,1
+18,0
-4,0
125 +9,5
-4,2
+18,0
-4,0
110 Tr 100 x 12
22 210 +11,8
-5,1
+20,0
-5,0
160 +11,5
-4,8
675 960 130 +11,5
-4,8
+20,0
-5,0
135 +11,5
-4,8
+20,0
-5,0
120 Tr 110 x 12
23 240 +13,8
-5,7
+22,0
-5,0
180 +13,8
-5,7
730 1050 150 +13,5
-5,4
+22,0
-5,0
160 +13,5
-5,4
+22,0
-5,0
140 Tr 120 x 16
24 270 +15,1
-6,6
+24,0
-6,0
205 +14,8
-6,3
820 1100 165 +14,5
-6,0
+24,0
-6,0
170 +14,5
-6,0
+24,0
-6,0
150 Tr 140 x 16
25 300 +16,1
-7,2
+28,0
-7,0
230 +15,8
-6,9
840 1200 190 +15,8
-6,9
+28,0
-7,0
190 +15,8
-6,9
+28,0
-7,0
170 Tr 160 x 16
26 320 +17,1
-7,8
+30,0
-8,0
250 +16,8
-7,5
860 1300 200 +16,8
-7,5
200 + 16,8
-7,5
180 Tr 170 x 16

Таблица 7

Размеры заготовок однорогих крюков категории I

В миллиметрах

Номер заготовки крюка h l r = Масса, кг, не более
Номинальная величина Предельные отклонения для метода изготовления Не менее Тип А Тип Б
Штамповка Ковка
1 18 +1,2
-0,7
- 10 30 20 4,5 28 3,0 11 25 11 22 8 1,0 3 5 0,18 0,20
2 21 32 4,0 12 28 12 24 1,5 0,22 0,25
3 24 +1,7
-0,9
12 35 5,0 30 13 32 13 26 9 0,35 0,40
4 26 15 40 25 5,5 35 5,0 14 37 14 30 10 6 0,50 0,60
5 28 16 45 6,0 38 5,5 16 40 16 32 11 0,60 0,70
6 32 +2,2
-1,2
18 50 30 40 18 45 18 36 13 2,5 0,90 1,00
7 36 20 55 6,5 45 6,0 20 50 20 40 15 1,30 1,50
8 40 22 65 35 7,0 50 22 56 30 45 17 5 8 1,70 1,90
9 45 +2,7
-1,5
25 70 40 8,0 55 7,0 25 62 36 50 18 2,60 2,90
10 52 +3,2
-1,8
30 85 45 10,0 60 8,0 28 70 38 55 20 3,60 4,10
11 55 +3,4
-2,0
34 90 50 10,0 70 9,0 30 78 42 60 21 10 10 4,50 5,70
12 65 36 95 55 80 35 90 45 70 22 6,45 8,90
13 75 +3,9
-2,3
38 105 60 11,0 85 10,0 40 100 50 75 25 12 9,60 12,20
14 82 +4,1
-2,4
42 120 70 12,0 95 12,0 45 110 60 85 28 13,50 17,70
15 90 +4,1
-2,4
+8,0
-2,5
46 135 75 15,0 110 13,0 50 125 65 95 30 - - 18,0 23,0
16 100 +4,4
-2,6
55 150 80 18,0 120 55 140 75 110 34 26,0 33,0
17 115 +5,4
-2,9
+10,0
-3,0
60 165 90 20,0 125 14,0 62 155 84 120 36 37,0 44,5
18 130 +6,6
-3,3
+12,0
-3,0
62 180 95 21,0 140 16,0 70 170 90 130 40 49,5 56,0
19 150 75 210 100 22,0 170 18,0 75 200 105 150 45 70,0 82,5
20 164 +8,5
-3,9
+16,0
-4,0
80 230 115 30,0 190 20,0 100 220 120 170 50 102,0 121,0
21 184 +9,8
-4,5
+18,0
-4,0
95 260 130 32,0 210 23,0 110 245 135 190 60 5,0 130,0 150,0
22 205 +11,8
-5,1
+20,0
-5,0
100 280 140 35,0 230 25,0 120 270 150 210 175,0 206,0
23 240 +13,8
-5,7
+22,0
-5,0
120 330 150 40,0 280 30,0 130 320 170 240 65 262,0 312,0
24 260 +15,1
-6,6
+26,0
-6,0
135 360 175 44,0 300 35,0 140 350 190 270 7,5 353,0 400,0
25 290 +16,1
-7,2
+28,0
-7,0
150 400 190 45,0 330 38,0 150 390 210 300 75 520,0 600,0
26 320 +17,1
-7,8
+30,0
-8,0
160 440 210 48,0 360 40,0 165 420 230 340 100 585,0 695,0

Примечания

1 Размер указан для изготовления заготовок крюков методом горячей объемной штамповки.

2 Допускается отгиб носика крюка не более 6 мм для заготовок крюков номеров 1 - 14 и не более 10 мм для крюков номеров 15 - 26 в плоскости, перпендикулярной плоскости чертежа.

3 Длина L указана без припуска для проверки механических свойств металла.

4 Допускается для грузоподъемных машин и механизмов, у которых группа классификации режима работы механизма подъема M6, длину L заготовок крюков типа Б увеличивать на 150 мм, но не более.

5 По заказу потребителя заготовки крюков номеров 1 - 14 допускается изготовлять без прилива.

6 Предельные отклонения размеров, не указанные в таблице для заготовок крюков, изготовляемых методом горячей объемной штамповки, должны быть выполнены по ГОСТ 7505.

7 При изготовлении заготовок крюков методом свободной ковки радиусы, служащие для построения и образования конфигурации крюка, не являются сдаточными параметрами. Допуски определяет изготовитель.

8 Допускается вместо радиусов и прямая площадка.

9 Для размеров l, , A, заготовок крюков, получаемых методом свободной ковки, предельные отклонения соответствуют предельным отклонениям размера D соответствующего номера заготовки.

Таблица 8

Размеры заготовок двурогих крюков категории II

В миллиметрах

Номер заготовки крюка D d b
Номинальный размер Предельные отклонения для метода изготовления Номинальная величина Предельные отклонения для метода изготовления Номинальная величина Предельные отклонения для метода изготовления Номинальная величина Предельные отклонения для метода изготовления
Штамповка Ковка Штамповка Ковка Штамповка Ковка Штамповка Ковка
1 60 +3,9
-2,3
+8
-2
56 +3,9
-2,3
+8
-2
50 М48 35 +3,7
-2,1
+7
-2
18 +3,7
-2,1
+7
-2
2 70 +4,1
-2,4
  62 +4,1
-2,4
+9
-2
55 М52 40 +3,9
-2,2
+8
-2
20 +3,9
-2,2
+8
-2
3 80   +9
-2
68 60 М56 45 22
4 90 +4,4
-2,6
80 +4,4
-2,6
+10
-2
70 М64 50 +4,2
-2,4
25 +4,2
-2,4
5 100 +5,4
-2,9
+10
-2
85 +5,4
-2,9
75 Трап. 70 x 10 60 +5,4
-2,9
+9
-2
30 +5,2
-2,7
+9
-2
6 115 +6,4
-3,2
95 +6,4
-3,2
+11
-3
85 Трап. 80 x 10 65 +6,4
-3,2
32 +6,2
-3,0
7 125 +6,5
-3,3
+11
-3
110 100 Трап. 90 x 12 75 +12
-3
38 +12
-3
8 145 +8,5
-3,9
+14
-3
125 +8,5
-3,9
+14
-3
110 Трап. 100 x 12 85 +8,4
-3,8
42 +8,2
-3,6
9 160 +11,5
-4,8
135 +11,5
-4,8
120 Трап. 110 x 12 95 +11,4
-4,7
+17
-3
48 +11,2
-4,5
10 180 +18
-4
160 +18
-3
140 Трап. 120 x 16 105 52 +11,4
-4,7
+14
-3
11 200 +13,8
-5,7
170 +13,5
-5,4
150 Трап. 140 x 16 115 +13,4
-5,3
+18
-3
58 +13,4
-5,3
+16
-3
12 220 +22
-4
190 +13,8
-5,7
+22
-4
170 Трап. 160 x 16 130 +13,5
-5,4
+20
-4
65 +13,4
-5,4
13 250   +24
-4
200 180 Трап. 170 x 16 150 75 +13,4
-5,3
14 280 +14,0
-5,9
220 200 Трап. 180 x 20 165 +22
-4
85

Таблица 9

Размеры заготовок двурогих крюков категории II

В миллиметрах

Номер заготовки крюка h L l r Масса, кг, не более
Номинальный размер Предельные отклонения для метода изготовления Тип А Тип Б Тип А Тип Б
Штамповка Ковка
1 60 +3,9
-2,3
+8
-2
230 475 70 50 22 70 10 10 3 65 100 8 12
2 70 +4,1
-2,4
+9
-2
260 520 75 55 25 80 12 80 115 11 17
3 75 +10
-2
280 580 80 60 28 85 4 90 125 14 21
4 85 +4,4
-2,6
325 640 90 70 30 100 15 15 100 135 20 30
5 95 +5,4
-2,9
+12
-3
360 700 95 80 35 110 16 115 145 28 39
6 110 +6,4
-3,2
420 760 100 85 40 120 20 5 125 165 41 55
7 120 470 820 115 95 45 130 18 22 135 180 60 78
8 140 +8,5
-3,9
+14
-3
525 875 130 115 50 150 20 25 160 200 90 112
9 150 +11,5
-4,8
590 940 140 130 55 170 22 26 175 230 126 155
10 170 +16
-3
660 1000 150 140 65 180 30 6 200 260 159 206
11 180 +13,5
-5,4
725 1050 175 165 70 205 25 220 280 228 265
12 210 +13,8
-5,7
+23
-4
800 1150 190 180 80 220 35 8 240 310 302 357
13 235 860 1175 205 200 95 250 30 265 330 400 471
14 270 +14,0
-5,7
900 1200 230 210 100 260 35 40 10 300 360 530 620

Примечания

1 Длина L заготовки крюка указана без припуска на испытания.

2 Длину L для заготовок крюков типа Б разрешается увеличивать не более чем на 100 мм для машин, у которых группа классификации режима работы механизма подъема М6.

3 Для заготовок крюков, изготовляемых методом свободной ковки, несоосность зевов относительно общей оси для заготовок крюков с номерами начиная с N 1 и по N 5 включительно - не более 8 мм, с N 6 и по N 10 включительно - не более 14 мм, с N 11 и по N 14 включительно - не более 20 мм.

4 В заготовках крюков, изготовляемых методом свободной ковки, допускается в нижней части сечения А-А радиус не выполнять.

Таблица 10

Размеры штампованных заготовок однорогих крюков категории III исполнения N

В миллиметрах

Номер заготовки крюка Масса, кг
006 25 20 28 13 11 14 60 60 52 14,5 - - 6,5 17 14 100 2 3 32 53 53 27 26 - 34 0,2
010 28 22 32 16 13 16 67 68 60 16,5 - - 7 20 17 109 2 3,5 35 60 60 31 30 - 40 0,3
012 30 24 34 19 15 16 71 73 63 18 - - 7,5 22 19 115 2,5 4 37 63 63 34 33 - 44 0,4
020 34 27 39 21 18 20 81 82 70 20 - - 8,5 26 22 138 2,5 4,5 40 71 71 39 37 - 52 0,6
025 36 28 41 22 19 20 85 88 74 22 - - 9 28 24 144 3 5 43 75 75 42 40 - 56 0,8
04 40 32 45 27 22 24 96 100 83 25 - - 10 34 29 155 3,5 5,5 46 85 85 49 45 - 68 1,1
05 43 34 49 29 24 24 102 108 89 26 - - 10,5 37 31 167 4 6 48 90 90 53 48 - 74 1,6
08 48 38 54 35 29 30 115 120 100 29 - - 12 44 37 186 4,5 7 52 100 100 61 56 - 88 2,3
1 50 40 57 38 32 30 120 128 105 31 - - 12,5 48 40 197 5 8 55 106 106 65 60 - 96 3,2
1.6 56 45 64 45 38 36 135 146 118 35 - - 14 56 48 224 6 9 60 118 118 76 68 - 112 4,5
2.5 63 50 72 53 45 42 152 167 132 40 - - 16 67 58 253 7 10 65 132 132 90 78 - 134 6,3
4 71 56 80 63 53 48 172 190 148 45 - - 16 80 67 285 8 12 71 150 150 103 90 - 160 8,8
5 80 63 90 71 60 53 194 215 165 51 - - 18 90 75 318 9 14 80 170 170 114 100 - 180 12,3
6 <*> 90 71 101 80 67 60 218 240 185 57 - - 18 100 85 380 10 16 90 190 190 131 112 - 200 17,1
8 100 80 113 90 75 67 242 268 210 64 - - 23 112 95 418 11 18 100 212 212 146 125 - 224 24
10 <*> 112 90 127 100 85 75 256 286 221 - 46 26 23 125 106 452 12 20 65 165 236 163 140 12 250 34
12 <*> 125 100 143 112 95 85 292 316 252 - 53 34 28 140 118 510 14 22 70 185 265 182 160 16 280 47
16 <*> 140 112 160 125 106 95 325 357 280 - 58 35 33 160 132 582 16 25 80 210 300 204 180 16 320 66
20 <*> 160 125 180 140 118 106 370 405 330 - 68 45 33 180 150 653 18 28 90 240 335 232 200 20 360 95
25 180 140 202 160 132 118 415 455 360 - 74 45 38 200 170 724 20 32 100 270 375 262 224 20 400 136
32 <*> 200 160 225 180 150 132 465 510 400 - 80 45 38 224 190 796 22 36 115 300 425 292 250 20 448 187
40 <*> 224 180 252 200 170 150 517 567 447 - 93 55 42 250 212 893 25 40 130 335 475 326 280 25 500 264
<*> Крюки для специальных кранов (например, для металлургических).

Таблица 11

Допустимые отклонения размеров штампованных заготовок однорогих крюков категории III исполнения N

В миллиметрах

Номер заготовки крюка
От 006 до 04 включ. +2 +1
От 05 до 2.5 включ. +3 +1
От 4 до 5 включ. +4 +2
От 6 до 8 включ. +5 +2
От 10 до 16 включ. +6 +3
От 20 до 40 включ. +8 +3

Таблица 12

Размеры кованых заготовок однорогих крюков категории III

В миллиметрах

Номер заготовки крюка Масса, кг
10 112 90 127 100 85 75 256 286 221 46 26 23 125 106 460 12 20 65 165 236 163 140 12 250 40
12 125 100 143 112 95 85 292 316 252 53 34 28 140 118 525 14 22 70 185 265 182 160 16 280 55
16 140 112 160 125 106 95 325 357 280 58 35 33 160 132 595 16 25 80 210 300 204 180 16 320 77
20 160 125 180 140 118 106 370 405 330 68 45 33 180 150 665 18 28 90 240 335 232 200 20 360 112
25 180 140 202 160 132 118 415 455 360 74 45 38 200 170 735 20 32 100 270 375 262 224 20 400 160
32 200 160 225 180 150 132 465 510 400 80 45 38 224 190 810 22 36 115 300 425 292 250 20 448 220
40 224 180 252 200 170 150 517 567 447 93 55 42 250 212 905 25 40 130 335 475 326 280 25 500 310
50 250 200 285 224 190 170 575 635 485 100 55 42 280 236 990 28 45 150 370 530 363 315 25 560 430
63 <*> 280 224 320 250 212 190 655 710 550 108 60 45 315 265 1120 32 50 160 420 600 408 355 25 630 600
80 <*> 315 250 358 280 236 212 727 802 598 113 60 45 355 300 1270 36 56 180 470 670 460 400 25 710 860
100 <*> 355 280 402 315 265 236 827 902 688 130 70 50 400 335 1415 40 63 200 530 750 516 450 30 800 1220
125 <*> 400 315 450 355 300 265 920 1020 750 138 70 50 450 375 1590 45 71 230 600 850 579 500 30 900 1740
160 <*> 450 355 505 400 335 300 1035 1145 825 147 70 55 500 425 1790 50 80 250 675 950 654 560 30 1000 2480
200 <*> 500 400 565 450 375 335 1150 1275 900 154 70 55 560 475 2048 56 90 285 750 1060 729 630 30 1120 3420
250 560 450 635 500 425 375 1280 1430 980 164 70 60 630 530 2305 63 100 320 840 1180 815 710 30 1260 4800
<*> Крюки для специальных кранов (например, для металлургических).

Таблица 13

Допустимые отклонения размеров кованых заготовок однорогих крюков категории III

В миллиметрах

Номер заготовки крюка
От 10 до 16 включ. +10 +/- 8 +12 +10 +/- 8 +4 +16
От 20 до 32 включ. +12 +/- 10 +16 +12 +/- 10 +5 +20
От 40 до 63 включ. +16 +/- 12 +20 +16 +/- 12 +6 +24
От 80 до 125 включ. +20 +/- 16 +25 +20 +/- 16 +8 +32
От 160 до 250 включ. +25 +/- 20 +32 +25 +/- 20 +10 +40

Таблица 14

Размеры заготовок двурогих крюков категории IV

В миллиметрах

Номер заготовки крюка e g h Масса заготовки, кг
Метод изготовления и исполнение
Штамповка без прилива Штамповка с приливом (N) Ковка без прилива Ковка с приливом (N)
05 34 27 44 22 24 80 130 20 12 10 27 165 3 3 36 6 1,6 1,8 1,9 - -
08 38 30 49 26 30 83 150 22 12 10,5 33 183 4 3 41 6 1,6 2,5 2,6
1 40 32 52 28 30 96 158 22 14 12 36 195 4 3,5 44 7 1,6 3,5 3,8
1.6 45 36 59 34 36 100 183 28 14 12,5 43 222 5 4 51 7 1,6 5 5,3
2.5 50 40 65 40 42 112 208 30 14 14 50 250 6 4,5 58 7 1,6 6,5 6,9
4 56 45 73 48 48 124 238 33 23 16 60 280 7 5,5 67 10 2,5 9 9,7
5 63 50 82 53 53 143 266 40 23 16 67 312 8 6,5 75 10 2,5 12,5 13,4
6 <*> 71 56 92 60 60 160 301 44 23 18 75 375 9 7 85 10 2,5 15,5 16,8
8 80 63 103 67 67 182 337 48 23 18 85 415 10 8 95 10 2,5 24 25,3
10 <*> 90 71 116 75 75 192 377 54 27 23 95 450 11 9 106 12 3,0 34,3 35,5 35 36,3
12 <*> 100 80 130 85 85 210 421 60 27 23 106 510 12,5 10 118 12 3,0 48 49,5 49 50,5
16 <*> 112 90 146 95 95 237 471 69 36 28 118 580 14 11 132 16 4,0 67,6 69,7 69 71,1
20 <*> 125 100 163 106 106 265 531 75 36 33 132 650 16 12,5 150 16 4,0 95 97,5 97 99,5
25 140 112 182 118 118 315 598 86 45 33 150 715 18 14 170 20 5,0 132 135 135 138
32 <*> 160 125 205 132 132 335 672 94 45 38 170 790 20 16 190 20 5,0 189 193 193 197
40 <*> 180 140 230 150 150 375 754 104 45 38 190 885 22 18 212 20 5,0 274 280 280 286
50 200 160 260 170 170 420 842 120 56 42 212 965 25 20 236 25 6,0 - - 388 394
63 <*> 224 180 292 190 190 460 944 131 56 42 236 1090 28 22 265 25 6,0 539 547
80 <*> 250 200 325 212 212 515 1062 144 56 45 265 1235 32 25 300 25 6,0 750 759
100 <*> 280 224 364 236 236 575 1186 157 56 45 300 1375 36 28 335 25 6,0 1050 1060
125 <*> 315 250 408 265 265 645 1330 178 68 50 335 1550 40 32 375 30 8,0 1480 1491
160 <*> 355 280 458 300 300 725 1505 198 68 50 375 1745 45 36 425 30 8,0 2100 2115
200 <*> 400 315 515 335 335 800 1685 218 68 55 425 1998 50 40 475 30 8,0 3000 3015
250 450 355 580 375 375 875 1885 240 68 55 475 2250 56 45 530 30 8,0 4250 4268
<*> Крюки для специальных кранов, например для металлургических.

Таблица 15

Допуски размеров штампованных заготовок двурогих крюков категории IV

В миллиметрах

Номер заготовки крюка e h g
От 0.5 до 2.5 включ. +3 +1
4 и 5 +4 +2
6 и 8 +5 +2
От 10 до 16 включ. +6 +4
От 20 до 40 включ. +8 +5

Таблица 16

Допуски размеров кованых заготовок двурогих крюков категории IV

В миллиметрах

Номер заготовки крюка e g f3 h
от 10 до 16 включ. +10 +/- 8 +12 +10 +4 +16
от 20 до 32 включ. +12 +/- 10 +16 +12 +5 +20
от 40 до 63 включ. +16 +/- 12 +20 +16 +6 +24
от 80 до 125 включ. +20 +/- 16 +25 +20 +8 +32
от 160 до 250 включ. +25 +/- 20 +32 +25 +10 +40

6 Требования к готовым крюкам

6.1 Готовые однорогие крюки поставляются с нарезанной резьбой на цилиндрической хвостовой части.

На хвостовике крюков категорий I и II может быть нарезана метрическая резьба с полем допуска 6g по ГОСТ 16093 или трапецеидальная резьба с полем допуска по ГОСТ 9562 (см. таблицу 6). Требования к готовым крюкам данных категорий аналогичны требованиям к их заготовкам.

6.2 Резьба на хвостовике крюков категорий III и IV может быть метрической или круглой (см. приложение А).

6.3 Формы элементов и размеры для обработки механической обработки крюков категорий III и IV показаны на рисунках 6 - 11 и приведены в таблицах 17 и 18. Остальные размеры - на рисунках 3 - 5.

Примечание - Увеличенный вид X см. рисунок 11.
Рисунок 6 - Размеры для штампованных однорогих крюков категории I из заготовок исполнения N от N 006 до N 8 включительно

Примечание - Сечение А-А см. рисунок 8.
Рисунок 7 - Размеры для штампованных однорогих крюков категории I из заготовок исполнения N от N 10 до N 40 включительно

Для крюков с N 6 до N 250 в отверстие следует установить штифт из нержавеющей стали, не выступающий за пределы тела крюка
Рисунок 8 - Сечение А-А (см. рисунки 7 и 10)

Примечание - Увеличенный вид X см. рисунок 11.
Рисунок 9 - Размеры для двурогих крюков категории IV

Примечание - Сечение А-А см. рисунок 8.
Рисунок 10 - Размеры для двурогих крюков категории IV исполнения N

Рисунок 11 - Хвостовик крюка с нарезанной резьбой (вид X см. рисунки 6 и 9)

6.4 Однорогие крюки категории III с N 006 по N 5 включительно и двурогие крюки категории IV с N 05 по N 5 включительно [рисунок 11, а)] предназначены для использования в талях. Однорогие и двурогие крюки с N 6 по N 32 включительно [рисунок 11, б)] предназначены для использования в талях и грузоподъемных кранах с механическим приводом. Однорогие и двурогие крюки с N 40 по N 250 включительно [рисунок 11, в)] предназначены для использования в грузоподъемных кранах любого типа.

6.5 Требования к качеству изготовления крюков

6.5.1 На необработанных поверхностях крюков допускаются отдельные дефекты типа вмятин от окалины, забоины, следы от оснастки, а также пологая вырубка или зачистка дефектов при условии, что их глубина не выходит за пределы нижнего предела допуска на размер.

6.5.2 Шероховатость механически обработанных поверхностей (см. рисунок 11) должна быть:

- на диаметре и радиусе не ниже Rz 6,3 по ГОСТ 2789;

- на диаметре не ниже Rz 40 по ГОСТ 2789;

- на остальных обрабатываемых поверхностях, шероховатость которых не указана, - Rz 12,5 по ГОСТ 2789.

6.5.3 Резьба крюков не должна иметь сорванных ниток, заусенцев и вмятин.

6.5.4 При обработке хвостовой части крюка и нарезании резьбы допускается центровое отверстие на торце хвостовика по ГОСТ 14034.

6.5.5 На готовый крюк должна быть нанесена сигнальная окраска по ГОСТ 12.4.026. По согласованию с потребителем допускается окраска в черный цвет по ГОСТ 9.032, класс покрытия VI.

Таблица 17

Размеры однорогих крюков категории III

В миллиметрах

Номер заготовки крюка Размеры крюков
<*> для метрической резьбы для крутой резьбы (приложение А) m n p y <***> z
<**>
006 14 10 М10 7,5 - - - - 3,2 52 11,5 30,5 - 97,5 9 4,5 - 1 2,5 2 - -
010 16 12 М12 9 - - - - 3,2 60 13 32,5 - 106 11 5 - 1,2 3 2 - -
012 63 14 32,5 - 112 11 5 - 1,2 3 2 - -
020 20 16 М16 12,5 - - - - 4,2 70 16 41,5 - 135,5 15 6 - 1,2 3 2 - -
025 74 17 41,5 - 141,5 15 6 - 1,2 3 2 - -
04 24 20 М20 16 - - - - 5,2 83 19 46 - 152,5 18 7,5 - 1,6 4 2 - -
05 89 20 46 - 164 18 7,5 - 1,6 4 2 - -
08 30 24 М24 19,5 - - - - 6,2 100 22 55 - 183 22 9 - 2 5 3 - -
1 105 23 55 - 194 22 9 - 2 8 3 - -
1.6 36 30 М30 24,5 - - - - 6,2 118 26 68 - 221 27 10 - 2 10 3 - -
2.5 42 36 М36 30 - - - - 10,2 132 30 83 - 250 32 10 - 2 10 3 - -
4 48 42 М42 35,5 - - - - 10,2 148 33 93 - 281,5 36 15 - 3 10 3 - -
5 53 45 М45 38,5 - - - - 10,2 165 37 103 - 314,5 40 15 - 3 10 3 - -
6 60 50 - - Rd50 x 6 42 43,4 - 10,2 185 41 - 112 375 45 20 10 4 14 3 130 160
8 67 56 - - Rd56 x 6 48 49,4 - 12,2 210 46 - 122 413 50 20 10 4 16 3 145 180
10 75 64 - - Rd64 x 8 54 55,2 - 12,2 221 34 - 135 446 56 25 10 4 18 3 160 200
12 85 72 - - Rd72 x 8 62 63,2 - 16,2 252 37 - 157 504,5 63 25 12 4 20 3 180 220
16 95 80 - - Rd80 x 10 68 69 - 16,2 280 42 - 170 576 71 30 12 6 22 3 200 250
20 106 90 - - Rd90 x 10 78 79 - 20,2 330 48 - 187 645 80 30 12 6 25 3 225 280
25 118 100 - - Rd100 x 12 85 86,8 - 20,2 360 54 - 207 716 90 40 12 6 28 3 255 315
32 132 110 - - Rd110 x 12 95 96,8 - 20,2 400 60 - 232 788 100 40 12 6 32 3 290 350
40 150 125 - - Rd125 x 14 108 109,6 83 25,3 447 68 - 257 885 112 45 12 8 36 3 320 395
50 170 140 - - Rd140 x 16 120 122,4 90 25,3 485 75 - 280 969 125 50 12 10 40 5 355 445
63 190 160 - - Rd160 x 18 138 140,2 100 25,3 550 83 - 322 1100 140 55 12 10 45 5 400 495
80 212 180 - - Rd180 x 20 156 158 120 25,3 598 88 - 357 1245 160 60 12 12 50 5 450 565
100 236 200 - - Rd200 x 22 173 175,8 140 30,3 688 100 - 402 1388 180 70 12 12 56 5 505 635
125 265 225 - - Rd225 x 24 196 198,6 160 30,3 750 108 - 465 1565 200 80 15 12 63 5 570 710
160 300 250 - - Rd250 x 28 217 219,2 180 30,3 825 117 - 510 1761 225 90 15 15 70 5 640 800
200 335 280 - - Rd280 x 32 242 244,8 200 30,3 900 124 - 613 2012 250 100 15 18 80 5 720 900
250 375 320 - - Rd320 x 36 278 280,4 240 30,3 980 134 - 690 2272 280 110 15 20 90 5 810 1015
<*> Класс допуска для диаметра - по ГОСТ 25347.
<**> Диаметр цапфы используется при обработке круглой резьбы.
<***> Размер y используют для контроля размера зева крюка в процессе эксплуатации.
 

Таблица 18

Размеры двурогих крюков

В миллиметрах

Номер заготовки крюка Размеры крюков
<*> для метрической резьбы для крутой резьбы (приложение А) m n p = <***> z
<**>
05 24 20 М20 16 - - - - 5,2 80 14 46 - 159,5 18 7,5 - 1,6 4 2 - -
08 30 24 М24 19,5 - - - - 6,2 100 22 55 - 183 22 9 - 2 5 3 - -
1 - - - - - - - - - 105 23 55 - 194 22 9 - 2 8 3 - -
1.6 36 30 М30 24,5 - - - - 6,2 118 26 68 - 221 27 10 - 2 10 3 - -
2.5 42 36 М36 30 - - - - 10,2 132 30 83 - 250 32 10 - 2 10 3 - -
4 48 42 М42 35,5 - - - - 10,2 148 33 93 - 281,5 36 15 - 3 10 3 - -
5 53 45 М45 38,5 - - - - 10,2 165 37 103 - 314,5 40 15 - 3 10 3 - -
6 60 50 - - Rd50 x 6 42 43,4 - 10,2 185 41 - 112 375 45 20 10 4 14 3 130 160
8 67 56 - - Rd56 x 6 48 49,4 - 12,2 210 46 - 122 413 50 20 10 4 16 3 145 180
10 75 64 - - Rd64 x 8 54 55,2 - 12,2 221 34 - 135 446 56 25 10 4 18 3 160 200
12 85 72 - - Rd72 x 8 62 63,2 - 16,2 252 37 - 157 504,5 63 25 12 4 20 3 180 220
16 95 80 - - Rd80 x 10 68 69 - 16,2 280 42 - 170 576 71 30 12 6 22 3 200 250
20 106 90 - - Rd90 x 10 78 79 - 20,2 330 48 - 187 645 80 30 12 6 25 3 225 280
25 118 100 - - Rd100 x 12 85 86,8 - 20,2 360 54 - 207 716 90 40 12 6 28 3 255 315
32 132 110 - - Rd110 x 12 95 96,8   20,2 400 60 - 232 788 100 40 12 6 32 3 290 350
40 150 125 - - Rd125 x 14 108 109,6 83 25,3 447 68 - 257 885 112 45 12 8 36 3 320 395
50 170 140 - - Rd140 x 16 120 122,4 90 25,3 485 75 - 280 969 125 50 12 10 40 5 355 445
63 190 160 - - Rd160 x 18 138 140,2 100 25,3 550 83 - 322 1100 140 55 12 10 45 5 400 495
80 212 180 - - Rd180 x 20 156 158 120 25,3 598 88 - 357 1245 160 60 12 12 50 5 450 565
100 236 200 - - Rd200 x 22 173 175,8 140 30,3 688 100 - 402 1388 180 70 12 12 56 5 505 635
125 265 225 - - Rd225 x 24 196 198,6 160 30,3 750 108 - 465 1565 200 80 15 12 63 5 570 710
160 300 250 - - Rd250 x 28 217 219,2 180 30,3 825 117 - 510 1761 225 90 15 15 70 5 640 800
200 335 280 - - Rd280 x 32 242 244,8 200 30,3 900 124 - 613 2012 250 100 15 18 80 5 720 900
250 375 320 - - Rd320 x 36 278 280,4 240 30,3 980 134 - 690 2272 280 110 15 20 90 5 810 1015
<*> Класс допуска для диаметра - по ГОСТ 25347.
<**> Диаметр цапфы используется при обработке круглой резьбы.
<***> Размеры и используют для контроля размера зева крюка в процессе эксплуатации.

7 Маркировка

7.1 Каждый крюк, изготовленный в соответствии с настоящим стандартом, должен быть маркирован. Место нанесения маркировки указано на рисунках 6 и 9.

7.2 Способ нанесения маркировки должен обеспечить ее сохранность в течение всего срока службы крюка.

7.3 Маркировка может быть выпуклой или вогнутой. Допускается производить маркировку симметричной на двух противоположных сторонах крюка.

7.4 Маркировка должна содержать:

- 1-я строка - товарный знак или наименование производителя;

- 2-я строка - категория крюка, номер заготовки (см. таблицы 3 - 5) и класс прочности (последнее для крюков III и IV категорий);

- 3-я строка - номер плавки (полный или условный);

- 4-я строка - порядковый (заводской) номер крюка по системе нумерации предприятия-изготовителя (для крюков, предъявляемых к приемке-сдаче в индивидуальном порядке);

- 5-я строка - год изготовления (последние две цифры);

- 6-я строка - контрольный размер y (в предусмотренных случаях).

Если нужная информация не помещается на одной стороне крюка, маркировка может быть нанесена на его противоположной стороне.

7.5 Каждый крюк или партия крюков, транспортируемые отдельно от грузоподъемных механизмов, должны сопровождаться документом (паспортом), устанавливающим соответствие крюков требованиям настоящего стандарта и содержащим:

- условное обозначение заготовки крюка или готового крюка;

- наименование или товарный знак предприятия-изготовителя;

- адрес предприятия-изготовителя и контактные телефоны, а также другие контактные данные (адрес интернет-сайта, адрес электронной почты и т.п.);

- количество крюков в партии;

- год и месяц выпуска;

- сертификат на материал заготовок;

- результаты проверок и испытаний;

- обозначение настоящего стандарта.

7.6 Условные обозначений крюков

7.6.1 Пример условного обозначения однорогого крюка категории I, N 10, типа А (с коротким хвостовиком), без прилива:

Крюк однорогий I-10-А ГОСТ 34680.

7.6.2 Пример условного обозначения однорогого крюка категории I, N 20, типа Б (с длинным хвостовиком), исполнения N (с приливом):

Крюк однорогий I-20-Б-N ГОСТ 34680.

7.6.3 Пример условного обозначения двурогого крюка категории II, N 10, типа А (с коротким хвостовиком):

Крюк двурогий II-10-А ГОСТ 34680.

7.6.4 Пример условного обозначения двурогого крюка категории II, N 14, типа Б (с длинным хвостовиком):

Крюк двурогий II-14-Б ГОСТ 34680.

7.6.5 Пример условного обозначения однорогого крюка категории III, класса прочности M, N 20, без прилива):

Крюк однорогий III-M-20 ГОСТ 34680.

7.6.6 Пример условного обозначения однорогого крюка категории III, класса прочности T, N 20, с приливом):

Крюк однорогий III-T-20-N ГОСТ 34680.

7.6.7 Пример условного обозначения двурогого крюка категории IV, класса прочности T, N 20, с приливами):

Крюк двурогий IV-T-20-N ГОСТ 34680.

7.6.8 Пример условного обозначения двурогого крюка категории IV, класса прочности M, N 10, с приливами):

Крюк двурогий IV-M-10-N ГОСТ 34680.

Примечание - Если крюк категории III или IV изготовлен с длинным хвостовиком (с размером l4 большим, чем указано в таблицах 17 и 18), например для комплектации ранее выпущенных кранов, то это отражается в обозначении крюка.

Пример условного обозначения однорогого крюка категории III, класса прочности T, N 80, с приливом и размером l4, равным 1420 мм):

Крюк однорогий III-T-80-N-1420 ГОСТ 34680.

8 Правила приемки заготовок крюков

8.1 Для проверки соответствия заготовок крюков требованиям настоящего стандарта предприятие-изготовитель должно проводить приемо-сдаточные испытания до механической обработки хвостовой части заготовок крюков и после механической обработки хвостовой части крюков.

8.2 При приемо-сдаточных испытаниях заготовок следует проверять:

- отсутствие на поверхности трещин, заковов, плен, песочин, признаков усадочной рыхлости, флокенов;

- на соответствие требованиям настоящего стандарта и требованиям конструкторской документации все заготовки крюков, изготовленные методом свободной ковки, первую и последнюю заготовку крюка от партии, изготовленной горячей объемной штамповкой на одном штампе;

- механические характеристики заготовок крюков (см. таблицы 1 и 2) у каждой заготовки, изготовленной методом свободной ковки, и выборочно в соответствии с таблицей 19 из партии заготовок, изготовленных методом горячей объемной штамповки;

- твердость - не менее 10% от партии.

Остальные механические свойства проверяются в объеме, указанном в таблице 19.

Таблица 19

Число заготовок из партии, подвергаемых проверке механических свойств

Размер партии Число проверяемых заготовок
До 6 включ. 1
От 7 до 30 включ. 2
От 31 до 200 включ. 3
Св. 200 5
Примечание - Партия должна состоять из заготовок крюков одной грузоподъемности, изготовленных из металла одной плавки, на одном штампе и совместно прошедших нормализацию.

8.3 Временное сопротивление разрыву и ударную вязкость следует проверять при входном контроле материала заготовок и по требованию потребителя.

9 Правила приемки готовых крюков

Каждый изготовленный крюк должен быть подвергнут испытанию на прочность статической нагрузкой, превышающей его наибольшую грузоподъемность на 25%. Допускается проводить испытание крюков на прочность в составе грузоподъемного механизма, при этом режимы испытаний крюка должны соответствовать режимам статических испытаний грузоподъемного механизма.

10 Методы испытаний

10.1 Проверку размеров заготовок крюков и готовых крюков следует осуществлять поверенным мерительным инструментом, резьбу следует проверять предельными калибрами.

10.2 Проверку заготовок крюков на отсутствие трещин, заковов, плен и песочин следует проводить визуально и одним из методов неразрушающего контроля.

10.3 Прочность готовых крюков проверяют выдержкой под статической нагрузкой, превышающей грузоподъемность крюка на 25%, в течение 10 мин.

Отсутствие остаточных деформаций следует определять до и после испытания измерением размера T для крюков категории I N 5 и меньших (см. рисунок 1), размера для крюков категории II (рисунок 2) и для остальных крюков - размеров y (см. рисунок 6), и (см. рисунок 10).

Отсутствие трещин, надрывов следует проверять визуально-оптическим методом с помощью лупы, имеющей увеличение не менее четырехкратного.

11 Хранение и транспортирование

11.1 Обработанная хвостовая часть крюка должна быть защищена от внешних воздействий.

11.2 Хранение заготовок крюков - по группе условий хранения Ж1 ГОСТ 15150, крюков - по группе условий хранения Ж2 ГОСТ 15150.

11.3 Крюки и заготовки крюков транспортируют неупакованными в открытых и крытых транспортных средствах в соответствии с правилами перевозки грузов, действующими на транспорте каждого вида. Допускается транспортирование в контейнерах. Условия транспортирования в открытых транспортных средствах - ОЖ3, в крытых транспортных средствах - ОЖ4 по ГОСТ 15150.

12 Контроль в процессе эксплуатации

12.1 В процессе эксплуатации необходимо регулярно, но не реже одного раза в год, контролировать состояние крюка.

12.2 Контроль изменения величины зева крюка:

- для крюков категории I N 5 и меньших измеряют размер T (см. рисунок 1), категории II - размер (см. рисунок 2);

- для остальных крюков необходимо контролировать размер y (рисунок 6) или размеры и (см. рисунок 10).

При увеличении размера более чем на 10% крюк подлежит замене.

12.3 При уменьшении высоты сечения крюка (размер h на рисунках 1 и 2, размер на рисунках 3 и 4) более чем на 5% крюк подлежит замене.

12.4 Визуально и одним из методов неразрушающего контроля выполняют проверку на наличие расслоений металла и трещин. Перед проверкой поверхности должны быть приведены в состояние, которое позволяет корректно обнаруживать поверхностные трещины. В случае невозможности провести проверку в зоне износа и деформации установленного крюка его необходимо заменить.

12.5 Поверхностные повреждения и трещины допускается устранять шлифованием (в пределах допуска на соответствующий размер).

12.6 Выполняют проверку механически обработанной части хвостовика и его резьбовой части на наличие коррозионных повреждений.

При обнаружении коррозионных повреждений их необходимо устранить, после чего выполнить проверку осевого зазора резьбового соединения и профиля резьбы. Профиль круглой резьбы (см. приложение А) должен быть сохранен. Если осевой зазор недопустимо увеличен, крюк с гайкой необходимо заменить.

При уменьшении внутреннего диаметра резьбы или диаметра обработанной цилиндрической части крюка ( на рисунке 11, б)) более чем на 5% крюк должен быть заменен.

13 Гарантии изготовителя

13.1 Изготовитель должен гарантировать соответствие крюков требованиям настоящего стандарта при соблюдении условий хранения и эксплуатации.

13.2 Гарантийный срок эксплуатации крюков, устанавливаемый изготовителем, не должен быть менее двух лет.

Приложение А
(обязательное)

РЕЗЬБА КРУГЛАЯ

А.1 Назначение

Круглая резьба предназначена для изготовления резьбовой части однорогих и двурогих крюков категорий III и IV, а также для гаек этих крюков.

А.2 Размеры резьбы

Размеры резьбы должны соответствовать указанным на рисунке А.1 и в таблице А.1.

Рисунок А.1 - Круглая резьба

Таблица А.1

Размеры круглой резьбы

В миллиметрах

Хвостовик крюка Хвостовик и гайка крюка Гайка крюка
Диаметр резьбы
d <*>
Шаг
h
Диаметр впадин
<*>
Площадь сечения, мм2 Средний диаметр
=
Глубина резьбы
Длина поверхности контакта
Скругления Наружный диаметр
D
Внутренний диаметр
Зазор
a <**> макс.
50 6 43,4 1479 47 3,3 1,634 1,326 0,922 50,6 44 0,1
56 49,4 1917 53 56,6 50
64 8 55,2 2393 60 4,4 2,179 1,768 1,229 64,8 56
72 63,2 3137 68 72,8 64
80 10 69 3739 75 5,5 2,723 2,210 1,536 81 70 0,2
90 79 4902 85 91 80
100 12 86,8 5917 94 6,6 3,268 2,652 1,843 101,2 88
110 96,8 7359 104 111,2 98
125 14 109,6 9434 118 7,7 3,813 3,095 2,150 126,4 111
140 16 122,4 11767 132 8,8 4,357 3,537 2,457 141,6 124 0,3
160 18 140,2 15438 151 9,9 4,902 3,979 2,765 161,8 142
180 20 158 19607 170 11 5,447 4,421 3,072 182 160
200 22 175,8 24273 189 12,1 5,991 4,863 3,379 202,2 178
225 24 198,6 30977 213 13,2 6,536 5,305 3,686 227,4 201
250 28 219,2 37737 236 15,4 7,626 6,189 4,301 252,8 222
280 32 244,8 47067 264 17,6 8,715 7,073 4,915 283,2 248
320 36 280,4 61751 302 19,8 9,804 7,957 5,529 323,6 284
<*> Класс допуска для диаметров d и - по ГОСТ 25347.
<**> Допуск на шаг резьбы проверяют измерением осевого зазора после навинчивания гайки на хвостовик.

А.3 Требования к изготовлению

А.3.1 Обработку резьбы хвостовика крюка и гайки следует осуществлять одним и тем же резцом с одинаковым шагом резьбы.

А.3.2 Угол наклона и отклонение шага резьбы должны быть одинаковыми для хвостовика крюка и гайки.

А.3.3 Взаимозаменяемость гаек крюков не требуется.

А.3.4 Несущая часть боковых поверхностей резьбы должна составлять не менее 50%.

А.3.5 Выходное отверстие резьбы должно быть обработано насечкой.

А.3.6 Гайка крюка должна легко откручиваться от руки.

БИБЛИОГРАФИЯ

[1] EN 10025-1 Hot rolled products of structural steels - Part 1: General technical delivery conditions (Изделия горячекатаные из конструкционных сталей. Часть 1. Основные технические условия поставки)
[2] EN 10222-1 Steel forgings for pressure purposes - Part 1: General requirements for open die forgings (Поковки из стали для сосудов, работающих под давлением. Часть 1. Общие требования к поковкам, откованным свободной ковкой)
[3] ISO 683-1 Heat-treatable steels, alloy steels and free-cutting steels - Part 1: Non-alloy steels for quenching and tempering (Стали термообработанные, легированные и автоматные. Часть 1. Нелегированные стали для закалки и отпуска)
[4] ISO 683-2 Heat-treatable steels, alloy steels and free-cutting steels - Part 2: Alloy steels for quenching and tempering (Стали термообработанные, легированные и автоматные. Часть 2. Легированные стали для закалки и отпуска)