Государственная система обеспечения единства измерений. Преобразователи термоэлектрические. Методика поверки. ГОСТ 8.338-2002

(утв. Постановлением Госстандарта РФ от 12.02.2003 N 52-СТ)
Редакция от 12.02.2003 — Действует с 01.07.2003

МЕЖГОСУДАРСТВЕННЫЙ СТАНДАРТ

ГОСУДАРСТВЕННАЯ СИСТЕМА ОБЕСПЕЧЕНИЯ ЕДИНСТВА ИЗМЕРЕНИЙ

ПРЕОБРАЗОВАТЕЛИ ТЕРМОЭЛЕКТРИЧЕСКИЕ

МЕТОДИКА ПОВЕРКИ

State system for ensuring the uniformity of measurements. Thermoelectric transducers. Verification procedure

ГОСТ 8.338-2002

Дата введения
1 июля 2003 года

Предисловие

1. Разработан Федеральным государственным унитарным предприятием "Уральский научно-исследовательский институт метрологии" (ФГУП "УНИИМ") Госстандарта России.

Внесен Госстандартом России.

2. Принят Межгосударственным советом по стандартизации, метрологии и сертификации (протокол N 22 от 6 ноября 2002 г.).

За принятие проголосовали:

Наименование государства Наименование национального органа по стандартизации
Азербайджан Азгосстандарт
Республика Армения Армгосстандарт
Республика Беларусь Госстандарт Республики Беларусь
Республика Казахстан Госстандарт Республики Казахстан
Кыргызская Республика Кыргызстандарт
Республика Молдова Молдовастандарт
Российская Федерация Госстандарт России
Республика Таджикистан Таджикстандарт
Туркменистан Главгосслужба "Туркменстандартлары"
Республика Узбекистан Узгосстандарт
Украина Госстандарт Украины

3. Постановлением Государственного комитета Российской Федерации по стандартизации и метрологии от 12 февраля 2003 г. N 52-ст межгосударственный стандарт ГОСТ 8.338-2002 введен в действие непосредственно в качестве государственного стандарта Российской Федерации с 1 июля 2003 г.

4. Взамен ГОСТ 8.338-78.

1. Область применения

Настоящий стандарт распространяется на погружаемые термоэлектрические преобразователи (далее - ТП) с металлическими термопарами в качестве термочувствительных элементов (далее - ЧЭ) по ГОСТ 6616 с номинальными статическими характеристиками <1> (далее - НСХ), с длиной погружаемой части не менее 250 мм, предназначенные для измерений температуры от 0 до 1800 °C, и устанавливает методику их первичной и периодической поверок.

<1> На территории Российской Федерации - по ГОСТ Р 8.585-2001 "Государственная система обеспечения единства измерений. Термопары. Номинальные статические характеристики преобразования" (здесь и далее).

Стандарт распространяется на импортируемые погружаемые ТП и ТП по ГОСТ 23847. Требования к межповерочному интервалу ТП должны быть указаны в нормативном документе (далее - НД) на ТП конкретного типа.

2. Нормативные ссылки

В настоящем стандарте использованы ссылки на следующие стандарты:

ГОСТ 8.558-93 Государственная система обеспечения единства измерений. Государственная поверочная схема для средств измерений температуры

ГОСТ 8.558-93 отменен. Взамен него с 01.07.2012 введен в действие ГОСТ 8.558-2009.

ГОСТ 12.2.007.9-93 (МЭК 519-1-84) Безопасность электротермического оборудования. Часть 1. Общие требования

ГОСТ 12.3.019-80 Система стандартов безопасности труда. Испытания и измерения электрические. Общие требования безопасности

ГОСТ 859-2001 Медь. Марки

ГОСТ 859-2001 отменен. Взамен него с 01.07.2015 введен в действие ГОСТ 859-2014.

ГОСТ 1790-77 Проволока из сплавов хромель Т, алюмель, копель и константан для термоэлектродов термоэлектрических преобразователей. Технические условия

ГОСТ 1790-77 отменен. Взамен него с 01.04.2017 введен в действие ГОСТ 1790-2016.

ГОСТ 1791-67 Проволока из никелевого и медно-никелевого сплавов для удлиняющих проводов к термоэлектрическим преобразователям. Технические условия

ГОСТ 1791-67 отменен. Взамен него с 01.09.2015 введен в действие ГОСТ 1791-2014.

ГОСТ 5582-75 Прокат тонколистовой коррозионно-стойкий, жаростойкий и жаропрочный. Технические условия

ГОСТ 6616-94 Преобразователи термоэлектрические. Общие технические условия

ГОСТ 8711-93 (МЭК 51-2-84) Приборы аналоговые показывающие электроизмерительные прямого действия и вспомогательные части к ним. Часть 2. Особые требования к амперметрам и вольтметрам

ГОСТ 9245-79 Потенциометры постоянного тока измерительные. Общие технические условия

ГОСТ 10821-75 Проволока из платины и платинородиевых сплавов для термоэлектрических преобразователей. Технические условия

ГОСТ 10821-75 отменен. Взамен него с 01.06.2008 введен в действие ГОСТ 10821-2007.

ГОСТ 18389-73 Проволока из платины и ее сплавов. Технические условия

ГОСТ 19904-90 Прокат листовой холоднокатаный. Сортамент

ГОСТ 19908-90 Тигли, чаши, стаканы, колбы, воронки, пробирки и наконечники из прозрачного кварцевого стекла. Общие технические условия

ГОСТ 23847-79 Преобразователи термоэлектрические кабельные типов КТХАС, КТХАСп, КТХКС. Технические условия

ГОСТ 25706-83 Лупы. Типы, основные параметры. Общие технические требования

ГОСТ 28498-90 Термометры жидкостные стеклянные. Общие технические требования. Методы испытаний

3. Определения, обозначения и сокращения

3.1. Определения

В настоящем стандарте применяют следующие термины с соответствующими определениями:

Длина погружаемой части ТП при поверке: расстояние, отсчитываемое от погружаемого конца защитной арматуры поверяемого ТП при помещении его в рабочее пространство печи (или термостата) до места пересечения корпуса ТП плоскостью наружной поверхности торца печи (термостата).

Стандартные образцы свойств термоэлектродных материалов (СОТМ): бухты термоэлектродного материала, аттестованные по термоэлектрической неоднородности и по значениям термоэлектродвижущей силы (далее - ТЭДС) в паре с платиной в заданном диапазоне температуры.

Удлиняющие провода: термоэлектродные провода, в паре имеющие в заданном диапазоне температуры НСХ основной термопары.

Остальные термины - по ГОСТ 6616.

3.2. Обозначения

В настоящем стандарте применяют следующие обозначения:

- нормированное значение ТЭДС ЧЭ ТП, мВ;

- ТЭДС ЧЭ поверяемого ТП, мВ;

- приведенное значение ТЭДС поверяемого ТП, мВ;

- ТЭДС ЧЭ эталонного ТП, мВ;

- приведенное значение ТЭДС эталонного ТП, мВ;

- температура свободных концов термопары, °C;

- чувствительность термопары при температуре t, мВ/°C;

- ТЭДС пары, образованной положительными термоэлектродами ЧЭ эталонного ТП и ЧЭ поверяемого ТП при температуре t;

- ТЭДС пары, образованной отрицательными термоэлектродами ЧЭ эталонного ТП и ЧЭ поверяемого ТП при температуре t;

- предел допускаемых отклонений значений ТЭДС ЧЭ ТП от значений НСХ, указанных в НД, мВ;

- нестабильность ТП, мВ.

3.3. Сокращения

В настоящем стандарте применяют следующие сокращения:

НД - нормативный документ;

НСХ - номинальная статическая характеристика;

ТП - термоэлектрический преобразователь;

ТЭДС - электродвижущая сила, возникающая в электрической цепи, состоящей из нескольких разнородных проводников, контакты между которыми имеют различную температуру;

ЧЭ - термочувствительный элемент.

4. Операции поверки

4.1. При проведении поверки должны быть выполнены операции, указанные в таблице 1.

Таблица 1

Наименование операции Номер пункта настоящего стандарта Проведение операции при поверке
первичной <1> периодической
Внешний осмотр 9.1 Да Да
Проверка электрической прочности изоляции 9.2 Да Нет
Проверка электрического сопротивления изоляции 9.3 Да Да
Проверка нестабильности 9.4 Да Нет
Определение ТЭДС ЧЭ ТП при заданных значениях температуры 9.5 Да Да
<1> Объем выборки ТП при проведении операций по 9.2 - 9.5 устанавливают в технических документах на ТП данного типа.

5. Средства поверки

5.1. При проведении поверки используют следующие средства измерений:

- эталонные 2-го разряда ртутные стеклянные термометры с погрешностью по ГОСТ 8.558 в диапазоне температуры от 0 до 300 °C;

- эталонные 1, 2 и 3-го разрядов платинородий-платиновые ТП типа ППО с погрешностью по ГОСТ 8.558 в диапазоне температуры от 300 до 1200 °C;

- эталонные 2-го и 3-го разрядов платинородий-платинородиевые ТП типа ПРО с погрешностью по ГОСТ 8.558 в диапазоне температуры от 600 до 1800 °C;

- поверочная установка, включающая в себя двухрядный или однорядный потенциометр постоянного тока класса точности не ниже 0,01 по ГОСТ 9245 с верхним пределом измерений не ниже 100 мВ и ценой ступени младшей измерительной декады не более с бестермоточным переключателем типа ПБ-28В;

- современные микропроцессорные средства измерений ТЭДС рабочих ТП, например автоматизированная система поверки ТП АСПТ с пределами допускаемой погрешности +/- 0,2 °C и +/- 0,4 °C.

5.2. При поверке применяют следующие вспомогательные средства (могут входить в комплект поверочной установки):

- водяной термостат с диапазоном температуры от 0 до 95 °C, градиентом температуры в рабочем пространстве не более 0,05 °C/см, с ванной глубиной не менее 300 мм;

- паровой термостат с перепадом температуры в рабочем пространстве по высоте на длине средней части 200 мм не более 0,03 °C, с ванной глубиной не менее 300 мм;

- масляный термостат с диапазоном температуры от 95 до 300 °C, градиентом температуры в рабочем пространстве не более 0,05 °C/см, с ванной глубиной не менее 300 мм;

- лупа по ГОСТ 25706 кратностью от 3 до 5;

- две горизонтальные трубчатые печи сопротивления, каждая с рабочим пространством длиной 500 - 600 мм, диаметром 40 - 50 мм и максимальной рабочей температурой не менее 1200 °C. Градиент температуры по оси печи (в ее средней части) при 1000 °C не должен превышать 0,8 °C/см на участке длиной не менее 50 мм. Одна из печей должна быть использована только для ТП из благородных металлов;

- никелевый толстостенный стакан длиной 80 - 100 мм, наружный диаметр которого выбирают в зависимости от диаметра рабочего пространства печи. Толщина стенки и дна стакана - не менее 5 мм. Допускается применять никелевый блок соответствующих размеров с гнездами требуемого диаметра и глубиной 70 - 90 мм;

- вертикальная трубчатая печь сопротивления с рабочим пространством длиной от 400 до 500 мм, диаметром 20 - 30 мм и максимальной рабочей температурой не менее 1800 °C. Градиент температуры по оси печи (в ее средней части) при 1400 °C не должен превышать 1 °C/см на участке длиной не менее 50 мм. Техническое описание и эскизный чертеж печи приведены в Приложении А;

- средство измерений электрического сопротивления изоляции. Тип этого средства измерений устанавливают в стандартах или технических условиях на ТП данного типа;

- установка для испытания электрической прочности изоляции. Тип установки устанавливают в стандартах или технических условиях на ТП данного типа;

- амперметр класса точности 1,0 по ГОСТ 8711 с верхним пределом измерений 15 А;

- регулятор напряжения мощностью до 10 кВт с пределами регулирования напряжения от 0 до 250 В;

- ртутные стеклянные термометры с ценой деления 0,1 °C и пределами измерений от 10 до 35 °C по ГОСТ 28498;

- пробирка из кварцевого стекла длиной 500 мм, внутренним диаметром (25,0 +/- 0,5) мм и стенками толщиной не более 1 мм;

- удлиняющие провода по ГОСТ 1790, ГОСТ 1791 и ГОСТ 10821 к ТП типов ТХК (L <1>), ТХКн (E), ТХА (K), ТЖК (J), ТНН (N), ТСС (I), ТПП10 (S), ТПП13 (R). Значение ТЭДС индивидуально подобранной пары скомплектованных удлиняющих проводов при температуре рабочего и свободных концов пары, соответственно равной 100 °C и 0 °C, не должно отклоняться от значений соответствующей типу ТП НСХ более чем на 0,2, выраженного в милливольтах [для ТХК (L) - 0,036 мВ, для ТХКн (E) - 0,020 мВ, для ТЖК (J) - 0,016 мВ, ТХА (K) - 0,012 мВ, для ТНН (N) - 0,009 мВ, для ТСС (I) - 0,012 мВ, для ТПП10 (S) - 0,002 мВ, для ТПП13 (R) - 0,002 мВ];

- теплоизоляционные сосуды или другие теплоизоляционные средства, обеспечивающие заданную температуру в течение 1 ч с предельными отклонениями +/- 0,1 °C;

- платиновая и платинородиевая проволока диаметром 0,5 мм по ГОСТ 10821;

- стеклянные пробирки длиной (150 +/- 10) мм, внутренним диаметром (6,5 +/- 0,5) мм со стенками толщиной не более 1 мм;

- защитные пробирки из кварцевого стекла длиной не менее 300 мм и внутренним диаметром, при котором ЧЭ поверяемых ТП плотно входят в пробирку по ГОСТ 19908.

<1> В скобках указано буквенное обозначение НСХ по ГОСТ 6616.

5.3. Все применяемые средства измерений должны быть поверены органами государственной метрологической службы или метрологическими службами юридических лиц, аккредитованными в установленном порядке, и иметь действующие клейма или свидетельства установленных форм.

5.4. Допускается применять другие средства измерений, удовлетворяющие по точности требованиям настоящего стандарта.

6. Условия поверки

6.1. При проведении поверки соблюдают следующие условия:

- ТП разборных конструкций необходимо вынуть из защитной арматуры. К поверке могут быть допущены ТП разборных конструкций в защитной арматуре (чехле) и ТП неразборных конструкций, если при поверке погрешность из-за теплоотвода по арматуре не превышает 0,3. Соответствующие требования должны быть указаны в НД на ТП конкретного типа;

- температура, относительная влажность и барометрическое давление воздуха в помещении должны соответствовать нормам, установленным для них в НД по эксплуатации поверочной установки;

- изменение температуры воздуха в помещении во время работы поверочной установки не должно быть более +/- 0,5 °C в течение 1 ч;

- вибрация в помещении не должна вызывать отклонений указателя наиболее чувствительного средства измерений более чем на +/- 0,25 цены наименьшего деления его шкалы;

- питание печей должно осуществляться стабилизированным напряжением, изменение которого не должно превышать 1%;

- в помещении не должно быть пыли, дыма, газов и паров, вызывающих коррозию деталей поверочной установки или загрязняющих ЧЭ ТП;

- электроизмерительная часть поверочной установки должна быть удалена не менее чем на 1 м от окон, дверей, радиаторов отопления и других устройств, выделяющих тепло, а также защищена от прямых солнечных лучей;

- перед вводом поверочной установки в эксплуатацию должна быть проверена сходимость результатов измерений ТЭДС на ней с использованием эталонного 1-го разряда ТП, которая не должна превышать 0,3;

- должно быть проверено соответствие градиентов температуры в термостатах, указанных в 5.2;

- должна быть проверена ТЭДС помех в измерительной линии поверочной установки, которая не должна превышать для ТПП10 и ТПП13 1-го класса - 0,5 мкВ и для ТП остальных классов - 2 мкВ.

7. Требования безопасности

7.1. Части поверочной установки, снабженные зажимом "Земля", а также никелевый стакан (или блок) должны быть подключены к контуру заземления. Сопротивление заземления должно быть не более 4 Ом.

7.2. Корпуса печей, наружные стенки которых нагреваются при работе до температуры свыше 70 °C, должны быть ограждены (например, жесткой сеткой из проволоки).

7.3. Вблизи печей не должны находиться горючие материалы.

7.4. Стеклянные сосуды Дьюара должны иметь охранные кожухи из жести или пластмассы.

7.5. При выполнении измерений должны быть соблюдены требования эксплуатационных документов на термостаты и печи, ГОСТ 12.2.007.9, ГОСТ 12.3.019, утвержденных в установленном порядке <1>.

<1> На территории Российской Федерации также должны быть соблюдены требования Правил техники безопасности при эксплуатации электроустановок потребителей и Правил технической эксплуатации электроустановок потребителей.

7.6. К выполнению измерений допускают только лиц, имеющих квалификационную группу по технике безопасности не ниже III при работе с установками напряжением до 1000 В.

8. Подготовка к поверке

8.1. Подготовка основных и вспомогательных средств поверки

8.1.1. Средства поверки, входящие в состав поверочной установки (термостаты и нагревательные печи), готовят к работе в соответствии с НД.

8.1.2. Эталонные 1-го и 2-го разрядов ТП типа ППО, используемые при поверке ТП типа ТПП13 1-го класса и ТП из неблагородных металлов и типа ТПП13 2-го класса соответственно, помещают в защитные пробирки из кварцевого стекла.

Рабочий конец ТП должен касаться дна пробирки.

8.1.3. Теплоизолированные сосуды для термостатирования свободных концов ТП при 0 °C заполняют льдоводяной смесью, а при термостатировании свободных концов ТП при комнатной температуре - водой или маслом комнатной температуры. В сосуды помещают ртутный стеклянный термометр и стеклянные пробирки. Глубина погружения пробирок должна быть не менее 120 мм, расстояние между пробирками - не менее 10 мм.

8.1.4. В рабочее пространство печей, предназначенных для поверки ЧЭ ТП типов ТПП10 и ТПП13, вводят защитную трубу из кварцевого стекла, наружный диаметр которой близок к диаметру рабочего пространства печи, и центрируют ее по оси печи, используя огнеупорные подкладки (например, отрезки кварцевых или фарфоровых трубок).

8.1.5. В рабочем пространстве (в зоне равномерного распределения температуры) печей для поверки ЧЭ ТП из неблагородных металлов устанавливают никелевый стакан или никелевый блок.

8.2. Подготовка ТП типов ТХК (L), ТХКн (E), ТЖК (J), ТХА (K), ТНН (N), ТСС (I)

8.2.1. При поверке в термостатах ТП неразборной конструкции (или ЧЭ с электрической изоляцией электродов ТП разборной конструкции) помещают в стеклянные пробирки и устанавливают их в термостате на глубину не менее 250 мм. Число поверяемых ТП не должно превышать 8 - 10.

8.2.2. Свободные концы (или концы удлиняющих проводов) поверяемых ТП гальванически соединяют с медными нелужеными проводами либо скруткой, либо обмоткой медной проволокой (медь марки не ниже M1 по ГОСТ 859) диаметром 0,3 мм. Места скруток термостатируют в сосудах по 8.1.3 настоящего стандарта.

8.2.3. Концы медных проводов подсоединяют к соответствующим клеммам поверочной установки (Приложение Б). В термостат устанавливают эталонный ртутный стеклянный термометр.

8.2.4. При поверке в печах не более четырех ТП неразборной конструкции (или ЧЭ с электрической изоляцией электродов ТП разборной конструкции) складывают в общий пучок с пробиркой из кварцевого стекла, в которой помещен эталонный 2-го разряда ТП типа ППО, и обвязывают в двух-трех местах отрезками хромелевой или алюмелевой проволоки диаметром 0,5 мм.

Пучок поверяемых ТП с эталонными 2-го разряда ТП типа ППО (вместе с пробиркой) вводят в рабочее пространство трубчатой горизонтальной печи до упора рабочих концов ЧЭ поверяемых ТП разборной конструкции (или погружаемого конца защитной арматуры ТП неразборной конструкции) и дна пробирки с эталонным ТП в дно никелевого стакана и центрируют пучок по оси печи.

8.2.5. Проводят операции по 8.2.2 - 8.2.3 для поверяемых ТП и эталонного 2-го разряда ТП типа ППО.

8.3. Подготовка ЧЭ ТП типов ТПП10 (S), ТПП13 (R), ТПР (B)

8.3.1. ЧЭ ТП типов ТПП10, ТПП13 и ТПР перед определением их ТЭДС отжигают в течение 30 мин электрическим током на воздухе на стенде для отжига, схема электрических соединений которого приведена в Приложении В. Перед отжигом ЧЭ снимают с термоэлектродов электрическую изоляцию (соломку, двухканальные трубки, бусы и т.п.), затем поверхность термоэлектродов обезжиривают с помощью тампона, смоченного чистым этиловым спиртом (1 г спирта на ЧЭ), и подключают к соответствующим клеммам стенда. Напряжение к свободным концам термоэлектродов подводят от регулятора напряжения, включенного в сеть переменного тока напряжением 220 или 127 В, частотой 50 Гц.

Силу тока (далее - ток), необходимую для отжига, контролируют по показаниям амперметра. ЧЭ ТП типов ТПП10 и ТПП13 с термоэлектродами диаметром 0,5 мм отжигают при токе 10,0 - 10,5 А [температура (1150 +/- 50) °C], ЧЭ ТП типа ТПР - при токе 11,5 - 12,0 А [температура (1450 +/- 50) °C]. По окончании отжига ток плавно уменьшают до нуля в течение 1 мин.

Поверхность отожженных термоэлектродов должна быть чистой. ЧЭ ТП с неустранимыми при отжиге поверхностными загрязнениями термоэлектродов считают непригодными к применению и к дальнейшей поверке не допускают.

8.3.2. После отжига электроды ЧЭ ТП армируют чистыми цельными двухканальными электроизоляционными трубками. Для ЧЭ ТП типа ТПР применяют электроизоляционные трубки из оксида алюминия, для ЧЭ ТП типов ТПП10 и ТПП13 - трубки из пирометрического фарфора или оксида алюминия. Диаметр трубок составляет 3 - 5 мм, длина - (500 +/- 10) мм, диаметр каналов - не менее 0,9 мм.

В один и тот же канал изоляционной трубки следует помещать термоэлектроды только одной марки.

При армировании отожженных термоэлектродов должны быть приняты меры, исключающие возможность их деформации и загрязнения (особенно на участке, погружаемом в печь при поверке).

Концы термоэлектродов, выступающие из электроизоляционной трубки, помещают в гибкие электроизоляционные трубки диаметром до 2,5 мм. На конечном участке длиной 150 мм свободные концы термоэлектродов оставляют без какой-либо изоляции.

8.3.3. Не более четырех отожженных и армированных электроизоляционной трубкой ЧЭ поверяемых ТП типа ТПП10 или ТПР складывают в общий пучок с однотипным эталонным 2-го разряда ТП, выравнивают по длине рабочие концы ЧЭ ТП и обвязывают пучок в двух местах отрезками платинородиевой проволоки диаметром 0,5 мм. Рабочие концы ЧЭ поверяемых ТП и эталонного ТП вытягивают на 12 - 15 мм из электроизоляционных трубок и плотно связывают их друг с другом вблизи спаев несколькими витками платинородиевой проволоки диаметром 0,3 - 0,5 мм, причем электрический контакт между отдельными термоэлектродами должен быть образован в месте их связки. Помещают пучок ТП в пробирку из кварцевого стекла.

8.3.4. Пробирку с пучком поверяемых ТП типа ТПП10 и эталонного 2-го разряда ТП типа ППО погружают на глубину (250 +/- 10) мм в рабочее пространство горизонтальной трубчатой печи и центрируют по оси защитной трубы из кварцевого стекла. Торцовые отверстия печи прикрывают заслонками или щитками из асбоцемента или шамотного кирпича.

8.3.5. Проводят операции по 8.2.2.

8.3.6. Концы медных проводов подсоединяют к соответствующим клеммам поверочной установки (Приложение Г).

8.3.7. Пучок поверяемых ТП типа ТПР и эталонного 2-го разряда ТП типа ПРО вводят в рабочее пространство вертикальной трубчатой печи через верхнее торцовое отверстие на глубину (250 +/- 10) мм, центрируют его и закрепляют в штативе таким образом, чтобы рабочие концы ЧЭ ТП находились в середине зоны с наименьшим градиентом температуры. Торцовые отверстия печи прикрывают заслонками или щитками из асбоцемента или шамотного кирпича.

8.3.8. Не более четырех отожженных и армированных электроизоляционной трубкой ЧЭ поверяемых ТП типа ТПП13 складывают в общий пучок с пробиркой из кварцевого стекла, в которую вкладывают эталонный 1-го разряда ТП типа ППО для ТПП13 1-го класса (или 2-го разряда для остальных классов), и обвязывают в двух местах отрезками платинородиевой проволоки диаметром 0,5 мм. Пучок ЧЭ поверяемых ТП с эталонным ТП в пробирке помещают в пробирку из кварцевого стекла, которую вводят в рабочее пространство трубчатой горизонтальной печи до упора в дно никелевого стакана и центрируют по оси печи. Торцовые отверстия печи прикрывают заслонками или щитками из асбоцемента или шамотного кирпича.

8.3.9. Проводят операции по 8.2.2.

8.3.10. Концы медных проводов подсоединяют к соответствующим клеммам поверочной установки (Приложение Б).

Примечание. Масса платинородиевой проволоки для скрепления пучка и связывания рабочих концов составляет 1,0 - 1,5 г.

9. Проведение поверки

9.1. Внешний осмотр

9.1.1. При внешнем осмотре поверяемых ТП типов ТХК (L), ТХКн (E), ТЖК (J), ТХА (K), ТНН (N), ТСС (I) неразборной конструкции должно быть установлено соответствие следующим требованиям:

- длина ТП должна быть не менее 500 мм (ТП длиной менее 500 мм поверяют по методикам поверки, утвержденным в установленном порядке);

- защитная арматура ТП не должна иметь повреждений поверхности, должны отсутствовать нарушения крепления арматуры и головки, целостности головки, должно быть соблюдено соответствие подключения термоэлектродов маркировке;

- на каждом поверяемом ТП должно быть проверено наличие маркировки с указанием номера ТП, типа НСХ, года выпуска, рабочего диапазона измерений и класса допуска.

Примечание. Внешний вид ТП разборных конструкций, поверяемых в защитной арматуре, и ТП неразборных конструкций должен соответствовать НД на ТП конкретного типа.

9.1.2. При внешнем осмотре поверяемых ТП типов ТХК (L), ТХКн (E), ТЖК (J), ТХА (K), ТНН (N), ТСС (I) разборной конструкции должно быть установлено соответствие следующим требованиям:

- ЧЭ ТП типов ТХК (L), ТХКн (E), ТЖК (J), ТХА (K), ТНН (N), ТСС (I) должны быть без защитной арматуры;

- термоэлектроды должны иметь чистую электрическую изоляцию;

- длина ТП должна быть не менее 500 мм (ТП длиной менее 500 мм поверяют по методикам поверки, утвержденным в установленном порядке);

- ЧЭ с термоэлектродами диаметром 1 мм и более должны иметь клеммные колодки, закрепленные на термоэлектродах, для подключения удлиняющих проводов;

- термоэлектроды ЧЭ ТП должны иметь ровную поверхность без трещин, раковин, расслоений, загрязнений, видимых невооруженным глазом, а также отслаивающейся окалины;

- место сварки концов термоэлектродов не должно быть пористым или ошлакованным;

- на каждом ЧЭ ТП, поступившем на поверку, должна быть подвешена бирка с указанием номера ТП, обозначения НСХ, года выпуска, рабочего диапазона измерений и класса допуска. Допускается эти данные указывать на клеммной колодке ЧЭ ТП.

9.1.3. При внешнем осмотре поверяемых ТП типов ТПП10 (S), ТПП13 (R) и ТПР (B) разборной конструкции должно быть установлено соответствие следующим требованиям:

- ЧЭ ТП должны быть представлены на поверку без арматуры и электрической изоляции на термоэлектродах или в электрической изоляции, удовлетворяющей требованиям, указанным в 8.3.1;

- термоэлектроды должны быть свернуты в кольцеобразный моток диаметром не менее 100 мм и представлены в упаковке, исключающей возможность их деформирования и загрязнения;

- длина ЧЭ ТП типов ТПП10, ТПП13 и ТПР должна быть не менее 500 мм;

- термоэлектроды ЧЭ ТП, поступивших на первичную поверку, не должны иметь сварок, перетяжек, резких изгибов под углом;

- на поверхности термоэлектродов не должно быть видимых невооруженным глазом плен, трещин, раковин, расслоений и загрязнений;

- ЧЭ ТП, поступившие на периодическую поверку, могут иметь не более двух сварок по длине каждого термоэлектрода на расстоянии не менее 250 мм от рабочего конца и незначительные загрязнения поверхности, устраняемые при отжиге, в соответствии с требованиями по 8.3.1. К поверке не допускают ЧЭ с хрупкими термоэлектродами;

- на каждом ЧЭ ТП, поступившем на поверку, должна быть подвешена бирка с указанием номера ТП, обозначения НСХ, года выпуска, класса допуска и рабочего диапазона измерений.

9.1.4. Результаты внешнего осмотра поверяемых ТП вносят в протокол поверки по формам, приведенным в Приложениях Д и Е. При необходимости ЧЭ ТП из благородных металлов взвешивают с погрешностью не более 0,05 г.

9.2. Проверка электрической прочности изоляции

9.2.1. Проверку электрической прочности изоляции ТП проводят по ГОСТ 6616 только при первичной поверке. Электрическую прочность изоляции ТП в сборе проверяют перед проведением операций по 8.2 и 8.3.

9.2.2. Результаты измерений вносят в протокол поверки.

9.2.3. Электрическая прочность изоляции поверяемых ТП не должна превышать указанной в НД на ТП конкретного типа.

9.3. Проверка электрического сопротивления изоляции

9.3.1. Проверку электрического сопротивления изоляции поверяемых ТП проводят по ГОСТ 6616. Электрическое сопротивление ТП в сборе проверяют перед проведением операций по 8.2 и 8.3.

9.3.2. Результаты измерений вносят в протокол поверки.

9.3.3. Электрическое сопротивление изоляции поверяемых ТП не должно превышать указанного в НД на ТП конкретного типа.

9.4. Проверка нестабильности

9.4.1. Проверку нестабильности ТП всех типов проводят только при первичной поверке (для ТП в сборе) при максимальной температуре длительного применения, установленной в НД на поверяемый ТП, путем определения ТЭДС ЧЭ ТП при этой температуре до и после двухчасового отжига в печи по 9.5.3 - 9.5.5 настоящего стандарта.

9.4.2. Результаты измерений ТЭДС ЧЭ ТП вносят в протокол поверки.

9.4.3. Нестабильность ТП не должна превышать указанной в НД на ТП конкретного типа.

9.5. Определение ТЭДС ЧЭ ТП при заданных значениях температуры

9.5.1. Градуировочные характеристики ЧЭ поверяемых ТП должны соответствовать НСХ соответствующего типа в пределах допускаемых отклонений ТЭДС.

При проверке этого требования определяют ТЭДС ЧЭ ТП при нескольких заданных значениях температуры его рабочего конца и температуре свободных концов, равной 0 °C. Полученные результаты измерений сравнивают с данными НСХ соответствующего типа ТП при тех же значениях температуры.

9.5.2. При поверке ЧЭ ТП их ТЭДС должна быть определена не менее чем при четырех значениях температуры, указанных в таблице 2. В обоснованных заказчиком случаях дополнительно определяют ТЭДС ТП при значениях температуры, указанных в таблице 2 в скобках.

Таблица 2

Тип ТП (буквенное обозначение НСХ) Диаметр термоэлектродов, мм Рабочий диапазон температуры, °C Температура при измерениях ТЭДС, °C
ТХК (L)
ТХКн (E)
ТЖК (J)
ТСС (I)
От 3,2 до 1,2
" 0,7 " 0,1
От 0 до 800
" 0 " 800
300, 400, 500, 600, (800) 100, (200), 300, 400, 500, (600)
ТХА (K)
ТНН (N)
От 3,2 до 1,2
" 0,7 " 0,5
" 0,3 " 0,1
От 0 до 1300
" 0 " 1300
" 0 " 800
300, 500, 700, 900, (1000) 100, (200), 300, 500, 700, 800, (900) 100, (200), 300, 400, 500, 600, (700)
ТПП13 (R)
ТПП10 (S)
От 0,5 и более От 300 до 1600 300, 600, 900, 1200
ТПР (B) От 0,5 и более От 60 до 1800 600, 900, 1200, 1500, (1700)

Для ЧЭ ТП специального назначения, применяемых в более узком диапазоне температуры, указанном заказчиком, допускается определять ТЭДС в границах этого диапазона, но не менее чем при трех значениях температуры, равноотстоящих друг от друга.

Допускается определение ТЭДС ТП и ЧЭ, поступивших на первичную поверку и изготовленных из аттестованных бухт термоэлектродного материала - стандартных образцов свойств термоэлектродных материалов (СОТМ), при одном значении температуры, соответствующем верхнему пределу применения ТП и ЧЭ.

9.5.3. ТЭДС ЧЭ ТП типов ТХК (L), ТХКн (E), ТЖК (J), ТХА (K), ТНН (N), ТСС (I) при заданных значениях температуры определяют в последовательности, указанной ниже.

Нагревают термостат (водяной, масляный или паровой) или горизонтальную трубчатую печь до заданного значения температуры с допускаемыми отклонениями, не превышающими: для термостата - +/- 0,5 °C; для печи - +/- 10 °C.

Температуру термостата контролируют эталонным ртутным стеклянным термометром, температуру печи - эталонным 2-го разряда ТП типа ППО. При проведении измерений ТЭДС ТП температурный ход не должен превышать: для термостата - 0,1 °C/мин; для печи - 0,4 °C/мин.

Цикл измерений осуществляют непрерывным отсчетом показаний: в прямой последовательности (от отсчета показаний эталонного ТП до отсчета показаний ЧЭ последнего поверяемого ТП), затем в обратной последовательности (от отсчета показаний ЧЭ последнего поверяемого ТП до отсчета показаний эталонного ТП) и т.д. до получения четырех отсчетов показаний эталонного термометра и ТЭДС ЧЭ каждого поверяемого ТП.

Интервалы времени между отсчетами показаний средств измерений во всем измерительном цикле должны быть примерно одинаковыми.

По показаниям ртутных стеклянных термометров определяют и вносят в протокол поверки значения температуры свободных концов ЧЭ поверяемых ТП и эталонного ТП, помещенных в термостат для свободных концов. Погрешность измерений температуры свободных концов ЧЭ ТП не должна превышать +/- 0,1 °C.

Показания эталонного ртутного стеклянного термометра считывают с погрешностью не более половины цены наименьшего деления. Отсчеты ТЭДС эталонного ТП проводят до , отсчеты ТЭДС ЧЭ поверяемых ТП - . Результаты измерений температуры термостата (или при использовании печи - ТЭДС ЧЭ эталонного ТП) и ТЭДС ЧЭ поверяемых ТП вносят в протокол поверки (Приложение Д). Операции, перечисленные выше, выполняют при всех заданных значениях температуры (таблица 2).

После проведения поверки поверяемые ТП освобождают от электроизоляционных трубок и либо помещают в ранее снятый защитный чехол с электроизоляционными элементами, либо свертывают ЧЭ каждого ТП в кольцеобразный моток диаметром не менее 100 мм и помещают в упаковку, предназначенную для них.

9.5.4. ТЭДС ЧЭ ТП типа ТПП13 определяют в последовательности, указанной ниже.

Нагревают горизонтальную трубчатую печь до заданного значения температуры с допускаемыми отклонениями не более +/- 10 °C. Температуру печи контролируют по показаниям эталонного ТП. При проведении измерений ТЭДС ЧЭ ТП температурный ход печи не должен превышать 0,4 °C/мин.

Цикл измерений осуществляют непрерывным отсчетом показаний: в прямой последовательности (от отсчета показаний ЧЭ эталонного ТП до отсчета показаний ЧЭ последнего поверяемого ТП), затем в обратной последовательности (от отсчета показаний ЧЭ последнего поверяемого ТП до отсчета показаний ЧЭ эталонного ТП) и т.д. до получения четырех отсчетов показаний ЧЭ эталонного ТП и ТЭДС ЧЭ каждого поверяемого ТП.

Интервалы времени между отсчетами показаний средств измерений во всем измерительном цикле должны быть примерно одинаковыми.

Результаты измерений вносят в протокол поверки (Приложение Д).

По показаниям ртутных стеклянных термометров определяют и вносят в протокол поверки значения температуры свободных концов ЧЭ поверяемых ТП и эталонного ТП, помещенных в термостат для свободных концов. Погрешность измерений температуры свободных концов ЧЭ ТП не должна превышать +/- 0,1 °C.

Выполняют операции, перечисленные выше, при всех заданных значениях температуры (таблица 2).

После проведения поверки поверяемые ЧЭ освобождают от электроизоляционных трубок и либо помещают в ранее снятый защитный чехол с электроизоляционными элементами, либо свертывают каждый в кольцеобразный моток диаметром не менее 100 мм и помещают в упаковку, предназначенную для них.

9.5.5. Определение ТЭДС ЧЭ ТП типов ТПП10 и ТПР проводят поэлектродным сличением с ЧЭ эталонного ТП соответствующего типа в последовательности, указанной ниже.

Нагревают горизонтальную или вертикальную трубчатую печь до заданного значения температуры с допускаемыми отклонениями не более +/- 10 °C. Температуру печи контролируют по показаниям эталонного ТП. При проведении измерений ТЭДС ЧЭ ТП температурный ход печи не должен превышать 2 °C/мин.

Измеряют сначала , затем ТЭДС термоэлектродов ЧЭ поверяемых ТП относительно одноименных термоэлектродов ЧЭ эталонного ТП , .

ТЭДС каждой пары термоэлектродов измеряют дважды: вначале измерения ведут в прямом порядке, переходя последовательно от ЧЭ первого поверяемого ТП к ЧЭ последнего поверяемого ТП, после чего измерения повторяют в обратном порядке, заканчивая цикл измерением .

Все отсчеты ТЭДС ЧЭ ТП проводят до . Значения , , с указанием знака вносят в протокол поверки (Приложение Е).

По показаниям ртутного стеклянного термометра определяют и вносят в протокол поверки с округлением до 1 °C значения температуры свободных концов термопары ЧЭ поверяемых ТП и эталонного ТП. Операции, перечисленные выше, выполняют при всех заданных значениях температуры (таблица 2).

По окончании поверки ЧЭ поверяемых ТП освобождают от электрической изоляции, свертывают в кольцеобразный моток диаметром не менее 100 мм и помещают в упаковку, предназначенную для них.

10. Обработка результатов измерений

10.1. Обработка результатов измерений ТЭДС ЧЭ при поверке ТП типов ТХК (L), ТХКн (E), ТЖК (J), ТХА (K), ТНН (N), ТСС (I), ТПП13 (R) методом прямых измерений

10.1.1. Из результатов измерений, выполненных в соответствии с 9.5.3 и 9.5.4, вычисляют среднеарифметические значения температуры в термостате по показаниям эталонного ртутного стеклянного термометра и среднеарифметические значения ТЭДС ЧЭ поверяемых ТП, а также при поверке ТП в печи - среднеарифметические значения ТЭДС ЧЭ эталонного ТП и ЧЭ каждого из поверяемых ТП.

10.1.2. Среднеарифметические значения ТЭДС ЧЭ эталонного ТП и ЧЭ каждого из поверяемых ТП приводят к значениям ТЭДС ЧЭ ТП и при температуре свободных концов, равной 0 °C, внося поправку Е() на температуру свободных концов ЧЭ. Поправку определяют в каждом случае по соответствующей НСХ для ТП типов ТПП13 (R), ТХК (L), ТХКн (E), ТЖК (J), ТХА (K), ТНН (N), ТСС (I). Значение поправки имеет знак "плюс" и равно табличному значению ТЭДС ЧЭ ТП при такой температуре, какую при поверке имели свободные концы. Приведенные значения ТЭДС и вносят в протокол поверки.

В среднеарифметические значения показаний эталонного ртутного стеклянного термометра вносят поправки, значения которых указаны в свидетельстве о поверке, и действительное значение температуры вносят в протокол поверки.

10.1.3. По приведенному значению ТЭДС эталонного ТП определяют температуру t, °C, рабочих концов ЧЭ поверяемых ТП по формуле

, (1)

где - значение температуры, соответствующее значению , °C;

- приведенное значение ТЭДС эталонного ТП, мВ;

- значение ТЭДС ТП, взятое из свидетельства на эталонный ТП, ближайшее к , мВ;

- чувствительность эталонного ТП типа ППО на единицу температуры, мВ/°C. Указана в таблице 3.

Таблица 3

Тип ТП x , мВ/°C, при значениях температуры
300 400 500 600 700 800 900 1000 1100 1200
ТПП10 9,1 9,6 9,9 10,2 10,5 10,9 11,2 11,5 11,8 12,1

10.1.4. По НСХ для ЧЭ поверяемых ТП типов ТПП13 (R), ТХК (L), ТХКн (E), ТЖК (J), ТХА (K), ТНН (N), ТСС (I) находят нормированное значение ТЭДС ЧЭ ТП , соответствующее показаниям эталонного ртутного стеклянного термометра или температуре t, вычисленной по формуле (1), по показаниям эталонного ТП типа ППО.

10.1.5. Для ЧЭ каждого поверяемого ТП определяют разность между приведенным и нормированным значениями ТЭДС при каждом значении температуры t, вычисленной по формуле (1).

Разность указанных значений для ТП соответствующего типа не должна превышать предела допускаемого отклонения от НСХ.

ЧЭ поверяемых ТП, не удовлетворяющие этому требованию хотя бы при одном из заданных значений температуры, должны быть переведены в более низкий класс точности или указанные ЧЭ должны быть забракованы.

Результаты измерений ТЭДС ТП разборных конструкций, поверяемых в арматуре, и ТП неразборных конструкций обрабатывают аналогично.

10.2. Обработка результатов измерений ТЭДС ЧЭ при поверке ТП поэлектродным сличением

10.2.1. Из результатов измерений, выполненных по 9.5.5, вычисляют среднеарифметическое значение ТЭДС эталонного ТП и приводят его к значению ТЭДС ТП при температуре свободных концов, равной 0 °C, внося поправку Е() на температуру свободных концов ЧЭ. Поправку определяют в каждом отдельном случае по соответствующей НСХ (в значения ТЭДС ТП типа ТПР эталонного термометра поправку на температуру свободных концов не вносят).

По формуле (1) находят значение температуры t, при которой проведено поэлектродное сличение. Значения берут из таблицы 3 при поверке ЧЭ ТП типа ТПП10 и из таблицы 4 при поверке ЧЭ ТП типа ТПР.

Таблица 4

Тип ТП x , мВ/°C, при значениях температуры
600 700 800 900 1000 1100 1200 1300 1400 1500 1600 1700
ТПР 6,0 6,8 7,6 8,4 9,1 9,8 10,4 10,9 11,3 11,6 11,7 11,7

10.2.2. Из результатов измерений, выполненных по 9.5.5, вычисляют среднеарифметические значения ТЭДС термоэлектродов ЧЭ каждого поверяемого ТП относительно одноименных термоэлектродов ЧЭ эталонного ТП ; где j = 1, 2, 3,... - порядковый номер поверяемого ТП.

Определяют отклонение ТЭДС ЧЭ j-го поверяемого ТП от ТЭДС ЧЭ эталонного ТП по формуле

, (2)

где - ТЭДС пары, образованной положительными термоэлектродами ЧЭ эталонного ТП и ЧЭ поверяемого ТП при температуре t, мВ;

- ТЭДС пары, образованной отрицательными термоэлектродами ЧЭ эталонного ТП и ЧЭ поверяемого ТП при температуре t, мВ.

Примечание. Формула (2) справедлива только при подключении термоэлектродов ЧЭ эталонного ТП к отрицательной клемме поверочной установки согласно схеме, приведенной в Приложении Г.

10.2.3. Вычисляют значение ТЭДС ЧЭ поверяемых ТП при температуре t по формуле

. (3)

По НСХ для ЧЭ поверяемых ТП типов ТПП10 и ТПР находят нормированное значение их ТЭДС, соответствующее температуре t, вычисленной по формуле (1).

10.2.4. Для ЧЭ каждого поверяемого ТП определяют разность между вычисленным значением ТЭДС ЧЭ ТП и нормированным значением ТЭДС ЧЭ ТП при каждой заданной температуре. Разность указанных значений не должна превышать пределов допускаемого отклонения от НСХ ТП.

ЧЭ поверяемых ТП, не удовлетворяющие этому требованию хотя бы при одном из заданных значений температуры, должны быть переведены в более низкий класс точности или указанные ЧЭ должны быть забракованы.

10.3. При необходимости указания значений ТЭДС (t) в рабочем диапазоне кратковременного режима работы ТП эти значения определяют путем графической экстраполяции квазилинейной функции (t), представляющей собой совокупность дискретных значений разности ТП данного типа при заданных значениях температуры поверки, в область более высоких значений температуры. Здесь (t) - ТЭДС НСХ ТП при температуре, вычисленной по формуле (1).

11. Оформление результатов поверки

11.1. Положительные результаты первичной поверки оформляют нанесением оттиска поверительного клейма в паспорт ТП (ЧЭ) <1>.

<1> На территории Российской Федерации - по ПР 50.2.007-94 "Государственная система обеспечения единства измерений. Поверительные клейма" (здесь и далее).

11.2. Положительные результаты периодической поверки оформляют выдачей свидетельства о поверке установленной формы <2> или нанесением оттиска поверительного клейма на ТП.

<2> На территории Российской Федерации - по ПР 50.2.006-94 "Государственная система обеспечения единства измерений. Порядок проведения поверки средств измерений" (здесь и далее).

11.3. На оборотной стороне свидетельства указывают:

- диаметр, длину или массу термоэлектродов ЧЭ (только для ЧЭ ТП типов ТПП10, ТПП13 и ТПР);

- глубину погружения ЧЭ ТП в рабочее пространство печи при поверке.

11.4. ТП или ЧЭ, не удовлетворяющие требованиям НД на них и настоящего стандарта, к выпуску в обращение и к применению не допускают. Оттиск клейма предыдущей поверки гасят и выдают извещение о непригодности к дальнейшему применению с указанием причин.

Приложение А
(справочное)

ВЕРТИКАЛЬНАЯ ТРУБЧАТАЯ ПЕЧЬ СОПРОТИВЛЕНИЯ

Вертикальная трубчатая печь сопротивления предназначена для проведения поэлектродного сличения ЧЭ ТП типа ТПР термоэлектрических термометров с однотипным эталонным ТП в диапазоне измерений температуры от 600 до 1800 °C. Схематический разрез печи представлен на рисунке А.1.

Рисунок А.1. Схематический разрез вертикальной печи сопротивления

Рабочее пространство печи образовано корундовой трубой 3 марки КВП N 30-1 (рисунок А.1). Материалом для внутреннего нагревателя внутренней нагревательной обмотки 4 служит проволока диаметром 0,8 мм из сплава платины с 40% родия марки ПлРд-40 по ГОСТ 18389. Шаг намотки проволоки равен 3 мм. Обмотка внутреннего нагревателя покрыта слоем огнеупорной массы толщиной 3 мм, состоящей из оксида алюминия в порошке марки ЧДА с добавлением 15% по массе белой огнеупорной глины. Корундовая труба 3 с внутренней нагревательной обмоткой размещена коаксиально внутри корундовой трубы 5 марки КВП N 54, несущей наружную нагревательную обмотку 6 из проволоки диаметром 0,5 мм из сплава платины с 40% родия марки ПлРд-40 по ГОСТ 18389. Шаг намотки проволоки равен 4 мм.

Обе корундовые трубы с нагревательными обмотками установлены между двумя фланцами 1 и 10 из шамота, в которых сделаны центрирующие пазы для труб, а также для стального экрана 8 (лист Б-0-ПН-1,0 ГОСТ 19904 из стали марки 12Х18Н10Т по ГОСТ 5582). Из стального листа той же марки изготовлены кожух печи 9, поддон 2 и крышка 11. Между кожухом и экраном оставлен воздушный зазор размером 10 мм; пространство между экраном и корундовой трубой 5 заполнено порошком из оксида алюминия или техническим глиноземом 7.

Нагревательные обмотки печи раздельно получают питание током переменного напряжения частотой 50 Гц через разделительные трансформаторы мощностью 1,25 кВт каждый (220/220 В - для наружной обмотки и 220/127 В - для внутренней). Напряжение на входе трансформаторов регулируют регулятором напряжения типа ЛАТР-2М. Режим разогрева печи и стабилизации заданных значений температуры рекомендуется определять опытным путем перед вводом печи в эксплуатацию. Ток в обмотках нагревателя контролируют с помощью амперметров (например, типа Э 377) класса точности 1,0 по ГОСТ 8711 с верхним пределом измерений 10 А.

Приложение Б
(справочное)

ЭЛЕКТРИЧЕСКАЯ СХЕМА ПОДКЛЮЧЕНИЯ ТП К ПОВЕРОЧНОЙ УСТАНОВКЕ ПРИ МЕТОДЕ ПРЯМЫХ ИЗМЕРЕНИЙ

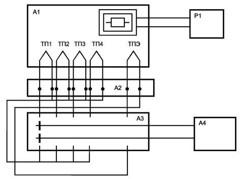
Электрическая схема подключения ТП к поверочной установке при методе прямых измерений показана на рисунке Б.1.

А1 - печь; А2 - термостат для свободных концов ТП (ЧЭ); А3 - бестермоточный переключатель; А4 - измерительный потенциометр постоянного тока; Р1 - регулятор напряжения; ТП1,..., ТП4 - поверяемые термопреобразователи; ТПЭ - эталонный термопреобразователь

Рисунок Б.1. Электрическая схема подключения ТП к поверочной установке при методе прямых измерений

Приложение В
(справочное)

ЭЛЕКТРИЧЕСКАЯ СХЕМА СТЕНДА ДЛЯ ОТЖИГА ЭЛЕКТРОДОВ ЧЭ ТП ИЗ БЛАГОРОДНЫХ МЕТАЛЛОВ

Электрическая схема стенда для отжига электродов ЧЭ ТП из благородных металлов показана на рисунке В.1.

А - амперметр; ИП - изоляционные подвески; КЗ - защитный кожух; ПР - предохранитель; ТР - трансформатор с регулируемым выходным напряжением; ЭТ - электроды термопары

Рисунок В.1. Электрическая схема стенда для отжига электродов ЧЭ ТП из благородных металлов

Приложение Г
(справочное)

ЭЛЕКТРИЧЕСКАЯ СХЕМА ПОДКЛЮЧЕНИЯ ТП К ПОВЕРОЧНОЙ УСТАНОВКЕ ПРИ ПОЭЛЕКТРОДНОМ СЛИЧЕНИИ

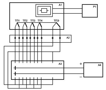
Электрическая схема подключения ТП к поверочной установке при поэлектродном сличении показана на рисунке Г.1.

А1 - печь; А2 - термостат для свободных концов ЧЭ ТП; А3 - бестермоточный переключатель; А4 - измерительный потенциометр постоянного тока; Р1 - регулятор напряжения; ТП1,..., ТП4 - поверяемые термопреобразователи; ТПЭ - эталонный термопреобрзователь

Рисунок Г.1. Электрическая схема подключения ТП к поверочной установке при поэлектродном сличении

Приложение Д
(обязательное)

ФОРМА И ПРИМЕР ЗАПОЛНЕНИЯ ПРОТОКОЛА ПОВЕРКИ ТП МЕТОДОМ ПРЯМЫХ ИЗМЕРЕНИЙ

Протокол (, периодической) поверки N 6
  ненужное зачеркнуть  
     
  ТП типа: ТХА  

от 12.06.2000 г.

ЭТАЛОННЫЕ СРЕДСТВА ИЗМЕРЕНИЙ

Термопреобразователь Потенциометр Установка Ртутный стеклянный термометр
Номер Тип Разряд Номер Тип Класс Тип Номер Тип Разряд
1/32 ППО 2 12 Р 363-2 0,002   16 ТЛ-4 2

ВНЕШНИЙ ОСМОТР И ОПРОБОВАНИЕ

ТП Номер Класс Владелец Диапазон температуры, °C Диаметр электродов, мм Масса, г Замечания по внешнему осмотру
ТХА 58 2 ПЭЛК От 0 до 1000 0,5   Без замечаний
  128 2 ПЭЛК От 0 до 1000 0,5   Без замечаний
             
             

ОПРЕДЕЛЕНИЕ ЭЛЕКТРИЧЕСКОЙ ПРОЧНОСТИ ИЗОЛЯЦИИ

Параметр Значение параметра для ТП номеров
N 58 N 128 N 67 N 89
Электрическая прочность изоляции В норме В норме В норме В норме

ОПРЕДЕЛЕНИЕ ЭЛЕКТРИЧЕСКОГО СОПРОТИВЛЕНИЯ ИЗОЛЯЦИИ

Параметр Значение при различной полярности напряжения, МОм, для ТП номеров
N 58 N 128 N 67 N 89
+ - + - + - + -
               
Среднее значение                

ОПРЕДЕЛЕНИЕ ТЭДС ТП

ОПРЕДЕЛЕНИЕ ТЭДС ТП ДО ОТЖИГА

ОПРЕДЕЛЕНИЕ ТЭДС ТП ПОСЛЕ ОТЖИГА

ЗАКЛЮЧЕНИЕ ПО РЕЗУЛЬТАТАМ ПОВЕРКИ

ТП Номер Заключение о пригодности ТП (ЧЭ) и отметка о выдаче документа о поверке
ТХА 128 Годен. Выдано свидетельство о поверке N 9/99
  58 Годен. Выдано свидетельство о поверке N 10/99
  67 Годен. Выдано свидетельство о поверке N 11/99
  89 Годен. Выдано свидетельство о поверке N 19/99

Поверитель   (   )
  подпись   имя, отчество, фамилия  
         

Приложение Е
(обязательное)

ФОРМА И ПРИМЕР ЗАПОЛНЕНИЯ ПРОТОКОЛА ПОВЕРКИ ТП ПРИ ПОЭЛЕКТРОДНОМ СЛИЧЕНИИ

Протокол (, периодической) поверки N 67
  ненужное зачеркнуть  
     
  ТП типа: ТПП10  

от 12.06.1999 г.

ЭТАЛОННЫЕ СРЕДСТВА ИЗМЕРЕНИЙ

Термопреобразователь Потенциометр Установка Ртутный термометр
Номер Тип Разряд Номер Тип Класс Тип Номер Тип Разряд
4 ППО 3 12 Р 363-2 0,002   16 ТЛ-4 2

ВНЕШНИЙ ОСМОТР И ОПРОБОВАНИЕ

Тип ТП Номер Класс Владелец Диапазон температуры, °C Диаметр электродов, мм Масса, г Замечания по внешнему осмотру
ТПП 58 2 ПЭЛК От 300 до 1200 0,5 4,2 Без замечаний
  68 2 ПЭЛК От 300 до 1200 0,5 3,9 Без замечаний
  87 2 ПЭЛК От 300 до 1200 0,5 3,8 Без замечаний
  123 2 ПЭЛК От 300 до 1200 0,5 4,0 Без замечаний

ОПРЕДЕЛЕНИЕ ЭЛЕКТРИЧЕСКОЙ ПРОЧНОСТИ ИЗОЛЯЦИИ

Параметр Значение параметра для ТП номеров
N 58 N 128 N 67 N 89
Электрическая прочность изоляции В норме В норме В норме В норме

ОПРЕДЕЛЕНИЕ ЭЛЕКТРИЧЕСКОГО СОПРОТИВЛЕНИЯ ИЗОЛЯЦИИ

Параметр Значение при различной полярности напряжения, МОм, для ТП номеров
N 58 N 69 N 87 N 123
+ - + - + - + -
               
Среднее значение                

ОПРЕДЕЛЕНИЕ ТЭДС ТП

ОПРЕДЕЛЕНИЕ ТЭДС ТП ДО ОТЖИГА

ОПРЕДЕЛЕНИЕ ТЭДС ТП ПОСЛЕ ОТЖИГА

ЗАКЛЮЧЕНИЕ ПО РЕЗУЛЬТАТАМ ПОВЕРКИ

Номер ТП Класс Заключение о пригодности ТП (ЧЭ) и отметка о выдаче документа о поверке
123 2 Годен. Выдано свидетельство о поверке N 9/93
58 2 Годен. Выдано свидетельство о поверке N 10/93
68 2 Годен. Выдано свидетельство о поверке N 11/93
87 2 Годен. Выдано свидетельство о поверке N 12/93
Поверитель   (   )
  подпись   имя, отчество, фамилия