Трубы и фасонные изделия стальные с тепловой изоляцией из пенополиуретана с защитной оболочкой. Технические условия. ГОСТ 30732-2020

(утв. Приказом Росстандарта от 11.08.2020 N 492-СТ)
Редакция от 11.08.2020 — Действует с 01.01.2021

Данный документ приведен с учетом Поправки, введенной в действие с 23.08.2021, опубликованной в "ИУС", N 1, 2022; поправки, опубликованной в "ИУС", N 6, 2023.


МЕЖГОСУДАРСТВЕННЫЙ СТАНДАРТ

ТРУБЫ И ФАСОННЫЕ ИЗДЕЛИЯ СТАЛЬНЫЕ С ТЕПЛОВОЙ ИЗОЛЯЦИЕЙ ИЗ ПЕНОПОЛИУРЕТАНА С ЗАЩИТНОЙ ОБОЛОЧКОЙ

ТЕХНИЧЕСКИЕ УСЛОВИЯ

Steel pipes and shaped products with foamed polyurethane thermal insulation in protective sheath. Specifications

(EN 253:2015, NEQ)
(EN 448:2016, NEQ)

ГОСТ 30732-2020

Дата введения
1 января 2021 года

Предисловие

Цели, основные принципы и общие правила проведения работ по межгосударственной стандартизации установлены ГОСТ 1.0 "Межгосударственная система стандартизации. Основные положения" и ГОСТ 1.2 "Межгосударственная система стандартизации. Стандарты межгосударственные, правила и рекомендации по межгосударственной стандартизации. Правила разработки, принятия, обновления и отмены"

Сведения о стандарте

1. РАЗРАБОТАН Некоммерческой организацией Ассоциацией производителей и потребителей трубопроводов с индустриальной полимерной изоляцией (НО АППТИПИ)

2. ВНЕСЕН Техническим комитетом по стандартизации ТК 465 "Строительство"

3. ПРИНЯТ Межгосударственным советом по стандартизации, метрологии и сертификации (протокол от 30 марта 2020 г. N 128-П)

За принятие проголосовали:

Краткое наименование страны по МК (ИСО 3166) 004-97 Код страны по МК (ИСО 3166) 004-97 Сокращенное наименование национального органа по стандартизации
Азербайджан AZ Азстандарт
Армения AM Минэкономики Республики Армения
Казахстан KZ Госстандарт Республики Казахстан
Киргизия KG Кыргызстандарт
Россия RU Росстандарт
Таджикистан TJ Таджикстандарт
Узбекистан UZ Узстандарт

4. Приказом Федерального агентства по техническому регулированию и метрологии от 11 августа 2020 г. N 492-ст межгосударственный стандарт ГОСТ 30732-2020 введен в действие в качестве национального стандарта Российской Федерации с 1 января 2021 г.

5. В настоящем стандарте учтены основные нормативные положения следующих европейских стандартов:

- EN 253:2015 "Трубы централизованного магистрального теплоснабжения. Предварительно изолированные системы трубопроводов для подземных сетей горячего водоснабжения. Трубопроводы стальные в сборе с полиуретановой теплоизоляцией и наружной трубой из полиэтилена" ("District rating pipes - Preinsulated bonded pipe systems for directly buried hot water networks - Pipe assembly of steel service pipe, polyuretane thermal insulation and outer casting of polyethylene", NEQ);

- EN 448:2016 "Участки трубопроводов для горячего водоснабжения. Системы предварительно изолированных трубопроводов в сборе для подземных систем горячего водоснабжения. Фитинги в сборе для стальных труб с полиуретановой теплоизоляцией и наружным полиэтиленовым кожухом" ("District heating pipes - Preinsulated bonded pipe systems for directly buried hot water networks - Fitting assemblies of steel service pipes, polyurethane thermal insulation and outer casing of polyethylene", NEQ)

6. ВЗАМЕН ГОСТ 30732-2006

Информация о введении в действие (прекращении действия) настоящего стандарта и изменений к нему на территории вышеуказанных государств публикуется в указателях национальных стандартов, издаваемых в этих государствах, а также в сети Интернет на сайтах соответствующих национальных органов по стандартизации.

В случае пересмотра, изменения или отмены настоящего стандарта соответствующая информация будет опубликована на официальном интернет-сайте Межгосударственного совета по стандартизации, метрологии и сертификации в каталоге "Межгосударственные стандарты"

1. Область применения

Настоящий стандарт распространяется на стальные трубы и фитинги с тепловой изоляцией из пенополиуретана (ППУ) в защитной оболочке: в полиэтиленовой (ПЭ) оболочке, предназначенные для подземной прокладки тепловых сетей (бесканально или в непроходных и полупроходных каналах), или в стальной оцинкованной (ОЦ) оболочке - в проходных каналах или тоннелях, а также для надземной прокладки (далее - изолированные трубы и фитинги), работающие со следующими расчетными параметрами теплоносителя (перегретая вода): рабочим давлением согласно проекту и температурой не более 150 °C в пределах графика качественно-количественного регулирования отпуска тепла 150 °C - 70 °C в соответствии с приложением А.

2. Нормативные ссылки

В настоящем стандарте использованы нормативные ссылки на следующие межгосударственные стандарты:

ГОСТ 9.402 Единая система защиты от коррозии и старения. Покрытия лакокрасочные. Подготовка металлических поверхностей к окрашиванию

ГОСТ 12.1.005 Система стандартов безопасности труда. Общие санитарно-гигиенические требования к воздуху рабочей зоны

ГОСТ 12.1.007 Система стандартов безопасности труда. Вредные вещества. Классификация и общие требования безопасности

ГОСТ 12.3.008 Система стандартов безопасности труда. Производство покрытий металлических и неметаллических неорганических. Общие требования безопасности

ГОСТ 12.3.016 Система стандартов безопасности труда. Строительство. Работы антикоррозионные. Требования безопасности

ГОСТ 12.3.016-87 отменен. Взамен него с 01.01.2021 введен в действие ГОСТ Р 12.3.052-2020.

ГОСТ 12.3.038 <*> Система стандартов безопасности труда. Строительство. Работы по тепловой изоляции оборудования и трубопроводов. Требования безопасности

<*> Утратил силу в Российской Федерации. Действуют СНиП 12-04-2002 "Безопасность труда в строительстве. Часть 2. Строительное производство".

ГОСТ 12.4.021 Система стандартов безопасности труда. Системы вентиляционные. Общие требования

ГОСТ 15.309 Система разработки и постановки продукции на производство. Испытания и приемка выпускаемой продукции. Основные положения

ГОСТ 17.2.3.02 Правила установления допустимых выбросов загрязняющих веществ промышленными предприятиями

ГОСТ 166 (ИСО 3599-76) Штангенциркули. Технические условия

ГОСТ 380 Сталь углеродистая обыкновенного качества. Марки

ГОСТ 409 (ISO 845:2006) Пластмассы ячеистые и резины губчатые. Метод определения кажущейся плотности

ГОСТ 427 Линейки измерительные металлические. Технические условия

ГОСТ 1050 Металлопродукция из нелегированных конструкционных качественных и специальных сталей. Общие технические условия

ГОСТ 5520 Прокат листовой из углеродистой, низколегированной и легированной стали для котлов и сосудов, работающих под давлением. Технические условия

ГОСТ 7076 Материалы и изделия строительные. Метод определения теплопроводности и термического сопротивления при стационарном тепловом режиме

ГОСТ 7502 Рулетки измерительные металлические. Технические условия

ГОСТ 8731 Трубы стальные бесшовные горячедеформированные. Технические требования

ГОСТ 8733 Трубы стальные бесшовные холоднодеформированные и теплодеформированные. Технические требования

ГОСТ 9544 Арматура трубопроводная. Нормы герметичности затворов

ГОСТ 10692 Трубы стальные, чугунные и соединительные детали к ним. Приемка, маркировка, упаковка, транспортирование и хранение

ГОСТ 10705 Трубы стальные электросварные. Технические условия

ГОСТ 10706 Трубы стальные электросварные прямошовные. Технические требования

ГОСТ 14254-2015 (IEC 60529:2013) Степени защиты, обеспечиваемые оболочками (Код IP)

ГОСТ 14918 Сталь тонколистовая оцинкованная с непрерывных линий. Технические условия

ГОСТ 16037 Соединения сварные стальных трубопроводов. Основные типы, конструктивные элементы и размеры

ГОСТ 17177 Материалы и изделия строительные теплоизоляционные. Методы испытаний

ГОСТ 17375 (ИСО 3419-81) Детали трубопроводов бесшовные приварные из углеродистой и низколегированной стали. Отводы крутоизогнутые типа 3D (R ~= 1,5DN). Конструкция

ГОСТ 17376 (ИСО 3419-81) Детали трубопроводов бесшовные приварные из углеродистой и низколегированной стали. Тройники. Конструкция

ГОСТ 17378 (ИСО 3419-81) Детали трубопроводов бесшовные приварные из углеродистой и низколегированной стали. Переходы. Конструкция

ГОСТ 17380 (ИСО 3419-81) Детали трубопроводов бесшовные приварные из углеродистой и низколегированной стали. Общие технические условия

ГОСТ 18321 Статистический контроль качества. Методы случайного отбора выборок штучной продукции

ГОСТ 18599 Трубы напорные из полиэтилена. Технические условия

ГОСТ 19281 Прокат повышенной прочности. Общие технические условия

ГОСТ 20295 Трубы стальные сварные для магистральных газонефтепроводов. Технические условия

ГОСТ 23206 (ISO 844:2014) Пластмассы ячеистые жесткие. Метод испытания на сжатие

ГОСТ 24297 Верификация закупленной продукции. Организация проведения и методы контроля

ГОСТ 30244 Материалы строительные. Методы испытаний на горючесть

ГОСТ 30256 Материалы и изделия строительные. Метод определения теплопроводности цилиндрическим зондом

ГОСТ 30732 Трубы и фасонные изделия стальные с тепловой изоляцией из пенополиуретана с защитной оболочкой

ГОСТ 30753 (ИСО 3419-81) Детали трубопроводов бесшовные приварные из углеродистой и низколегированной стали. Отводы крутоизогнутые типа 2D (R ~= DN). Конструкция

ГОСТ 32025 (ЕН ИСО 8497) Тепловая изоляция. Метод определения характеристик теплопереноса в цилиндрах заводского изготовления при стационарном тепловом режиме

ГОСТ 32935 Компенсаторы сильфонные металлические для тепловых сетей. Общие технические условия

ГОСТ ISO 12162 Материалы термопластичные для напорных труб и соединительных деталей. Классификация, обозначение и коэффициент запаса прочности

Примечание - При пользовании настоящим стандартом целесообразно проверить действие ссылочных стандартов и классификаторов на официальном интернет-сайте Межгосударственного совета по стандартизации, метрологии и сертификации (www.easc.by) или по указателям национальных стандартов, издаваемых в государствах, указанных в предисловии, или на официальных сайтах соответствующих национальных органов по стандартизации. Если на документ дана недатированная ссылка, то следует использовать документ, действующий на текущий момент, с учетом всех внесенных в него изменений. Если заменен ссылочный документ, на который дана датированная ссылка, то следует использовать указанную версию этого документа. Если после принятия настоящего стандарта в ссылочный документ, на который дана датированная ссылка, внесено изменение, затрагивающее положение, на которое дана ссылка, то это положение применяется без учета данного изменения. Если ссылочный документ отменен без замены, то положение, в котором дана ссылка на него, применяется в части, не затрагивающей эту ссылку.

3. Термины, определения и сокращения

3.1. В настоящем стандарте применены следующие термины с соответствующими определениями:

3.1.1 тепловая сеть: Совокупность устройств, предназначенных для передачи и распределения теплоносителя и тепловой энергии.

3.1.2 фасонное изделие (фитинг): Сборочная единица трубопровода, предназначенная для изменения направления, слияния или деления, расширения или сужения потока рабочей среды, для прекращения подачи теплоносителя, слива сетевой воды и выпуска воздуха, компенсации возникающих напряжений и ограничения перемещений трубопровода, герметичной изоляции сварных стыков, а также для функционирования системы оперативного дистанционного контроля.

3.1.3 система оперативного дистанционного контроля; СОДК: Система, предназначенная для обеспечения безопасной эксплуатации трубопровода, контроля состояния теплоизоляционного слоя ППУ предварительно изолированных трубопроводов и обнаружения участков с повышенной влажностью изоляции.

3.1.4 бесканальная прокладка: Прокладка трубопроводов непосредственно в грунте.

3.1.5 прочность на сдвиг в осевом и тангенциальном направлениях: Способность изолированной трубы выдерживать нагрузку сдвига, действующую между тепловой изоляцией из ППУ с защитной оболочкой и стальной трубой в осевом или тангенциальном направлениях.

3.1.6 термическое старение: Процесс изменения физико-механических характеристик изделия (изолированного трубопровода в ППУ изоляции) в результате длительной работы под воздействием высоких температур.

3.1.7 ускоренное термическое старение: Моделирование работы трубопровода в ППУ изоляции с защитной оболочкой под воздействием высоких температур для определения долговечности теплоизоляционного слоя и срока службы изделия.

Примечание - См. приложение Б.

3.1.8 защитная оболочка: Элемент изделия, выполненный из полиэтилена (ПЭ) или оцинкованной стали (ОЦ), обеспечивающий защиту изолирующего слоя от внешних воздействий в процессе монтажа и эксплуатации.

3.1.9 средний наружный диаметр ПЭ оболочки: Измеренный наружный периметр оболочки, деленный на , округленный в большую сторону до 0,1 мм (согласно ГОСТ ИСО 161-1).

3.2. В настоящем стандарте использованы следующие сокращения:

ППУ - пенополиуретан;

ОЦ - оцинкованный;

ПЭ - полиэтилен, полиэтиленовый;

СОДК - система оперативного дистанционного контроля.

4. Основные параметры и размеры

4.1. Расчетный термический срок службы изолированных труб и фитингов (за исключением запорной, регулирующей арматуры) при действии тепловых нагрузок, без учета окислительных процессов и механических нагрузок должен составлять не менее 30 лет.

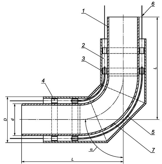
4.2. Конструкция изолированной трубы должна соответствовать рисунку 1.

1 - стальная труба; 2 - ППУ изоляция;
3 - защитная оболочка; 4 - центрирующая опора;
5 - проводники-индикаторы СОДК (показаны условно)

Рисунок 1. Конструкция трубы с ППУ изоляцией

4.3. Наружный диаметр стальных труб d должен быть от 32 до 1420 мм. Длина стальных труб L для диаметров не более 219 мм должна быть от 8,0 до 12,2 м включительно, диаметром 273 мм и выше - от 10,0 до 12,2 м включительно. По согласованию с заказчиком допускается применение труб нестандартной длины.

4.4. Изолированные трубы и фитинги с защитной оболочкой могут быть с изоляцией двух типов: тип 1 - стандартный, тип 2 - усиленный.

Примечание - Рекомендации по применению труб и фитингов типов 1 и 2 в зависимости от климатических районов строительства тепловых сетей приведены в приложении В.

4.5. Размеры изолированных труб с ПЭ оболочкой должны соответствовать таблице 1. Размеры труб со стальной ОЦ оболочкой должны соответствовать таблице 2. Толщина стенки стальной трубы определяется проектом. По согласованию допускается также применение труб других диаметров.

Таблица 1

Размеры труб в ПЭ оболочке

В миллиметрах

Наружный диаметр и толщина стенки <1> стальных труб Тип 1 Тип 2
Средний наружный диаметр изолированных труб с ПЭ оболочкой Толщина теплоизоляционного слоя из ППУ <1> Средний наружный диаметр изолированных труб с ПЭ оболочкой Толщина теплоизоляционного слоя из ППУ <1>
Номинальный Предельное отклонение (+) Номинальный Предельное отклонение (+)
32 x 3,0 90; 110; 125 2,7; 3,5; 3,7 26,8; 36,5; 44,0 - - -
38 x 3,0 110; 125 3,2; 3,7 33,5; 41,0 - - -
45 x 3,0 125 3,7 37,5 - - -
57 x 3,0 125 3,7 31,5 140 4,1 38,5
76 x 3,0 140 4,1 29,0 160 4,7 39,0
89 x 4,0 160 4,7 32,5 180 5,4 42,5
108 x 4,0 180 5,4 33,0 200 5,9 40,2
114 x 4,0 200 5,9 39,8 225 6,6 52,0
133 x 4,0 225 6,6 42,5 250 7,4 54,6
159 x 4,5 250 7,4 41,6 280 8,3 56,1
219 x 6,0 315 9,8 43,1 355 10,4 62,4
273 x 7,0 400 11,7 57,9 450 13,2 82,9
325 x 7,0 450 13,2 56,9 500 14,6 81,3
377 x 7,0 500 14,6 55,3 560 16,3 84,5
426 x 7,0 560 16,3 60,0 630 16,3 94,1
530 x 7,0 710 20,4 81,1 800 23,4 125,0
630 x 8,0 800 23,4 75,0 900 26,3 123,8
720 x 8,0 900 26,3 78,80 1000 29,2 127,6
820 x 9,0 1000 29,2 77,6 1100 32,1 126,2
920 x 10,0 1100 32,1 76,2 1200 35,1 125,1
1020 x 11,0 1200 35,1 75,1 - - -
1220 x 11,0 1425 38,2 85,2 - - -
1420 x 12,0 1600 41,2 70,4 - - -
<1> Размер для справок.

Таблица 2

Размеры труб в стальной ОЦ оболочке

В миллиметрах

Наружный диаметр и толщина стенки <1> стальных труб Тип 1 Тип 2
Наружный диаметр и толщина стальной ОЦ оболочки Толщина теплоизоляционного слоя из ППУ <1> Наружный диаметр и толщина стальной ОЦ оболочки Толщина теплоизоляционного слоя из ППУ <1>
Наружный диаметр Толщина Наружный диаметр Толщина
32 x 3,0 - - - 125 0,55 45,95
38 x 3,0 - - - 125 0,55 42,95
45 x 3,0 - - - 125 0,55 39,45
57 x 3,0 - - - 140 0,55 40,95
76 x 3,0 - - - 160 0,55 41,45
89 x 4,0 - - - 180 0,6 44,9
108 x 4,0 - - - 200 0,6 45,4
114 x 4,0 200 0,6 42,4 225 0,6 54,9
133 x 4,0 225 0,6 45,4 250 0,7 57,8
159 x 4,5 250 0,7 44,8 280 0,7 59,8
219 x 6,0 315 0,7 47,3 355 0,8 67,2
273 x 7,0 400 0,8 62,7 450 0,8 87,7
325 x 7,0 450 0,8 61,7 500 0,8 86,7
377 x 7,0 500 0,8 60,7 560 1,0 90,5
426 x 7,0 560 1,0 66,0 600 1,0 86,0
530 x 7,0 675; 710 1,0 71,5; 89,0 775 1,0 121,5
630 x 8,0 775; 800 1,0 71,5; 84,0 875 1,0 121,5
720 x 8,0 875; 900 1,0 76,5; 89,0 975 1,0 126,5
820 x 9,0 975; 1000 1,0 76,5; 89,0 1075 1,0 126,5
920 x 10,0 1075; 1100 1,0 76,5; 89,0 1175 1,0 126,5
1020 x 11,0 1175; 1200 1,0 76,5; 89,0 - - -
1220 x 11,0 1375; 1425 1,0 76,5; 101,5 - - -
1420 x 12,0 1575; 1600 1,0 76,5; 89,0 - - -
<1> Размер для справок.

4.6. Для прокладки изолированных труб в футлярах по согласованию между изготовителем и заказчиком трубы изготовляются с кольцевыми бандажами, предотвращающими повреждения ПЭ оболочки при тепловых перемещениях труб, изготовленными по технической документации предприятия-изготовителя.

Бандажи должны быть изготовлены из ПЭ оболочек диаметра, следующего за диаметром оболочек прокладываемых труб, в виде двухслойных колец. Допускается изготовление бандажей из термоусаживаемых муфт. Ширина первого кольца должна быть 400 +/- 10 мм, ширина второго кольца должна быть 300 +/- 10 мм. Конструкции бандажей и способ крепления бандажей к оболочке должны исключать смещение бандажей при прокладывании трубы в футляре. Расстояние от торцов изоляции до колец должно быть 1000 +/- 50 мм, расстояние между бандажами должно быть не более 2000 мм.

4.7. Толщина теплоизоляционного слоя, диаметр и толщина стальной ОЦ оболочки, приведенные в таблице 2, являются справочными и могут быть уточнены расчетом по нормативным документам <*>, действующим на территории государства - участника Соглашения, принявшего настоящий стандарт, в зависимости от требований заказчика и технико-экономического обоснования.

<*> В Российской Федерации расчет проводят по СП 61.13330.2012 "СНиП 41-03-2003 Тепловая изоляция оборудования и трубопроводов" и СП 41-103-2000 "Проектирование тепловой изоляции оборудования и трубопроводов".

4.8. Длина неизолированных концов стальных труб и фитингов должна быть мм для стальных труб диаметром до 219 мм включительно и мм - для труб диаметром свыше 219 мм.

4.9. В качестве защитной оболочки теплоизоляции труб следует применять ПЭ оболочки и стальные ОЦ оболочки с завальцованным герметичным швом (наружным или внутренним).

4.10. Для увеличения долговечности ОЦ оболочки допускается нанесение на ее наружную поверхность дополнительного покрытия (лакокрасочного, полимерного и пр.), которое может периодически возобновляться в период эксплуатации.

4.11. Длина защитных оболочек должна быть равна длине теплоизоляционного слоя. На торцах теплоизоляционного слоя допускаются углубления от технологической оснастки величиной до 50 мм.

4.12. Размеры и предельные отклонения ПЭ оболочек должны соответствовать значениям, приведенным в таблице 3. Предельное отклонение среднего наружного диаметра изолированных труб не должно превышать значения, указанного в таблице 1.

Таблица 3

Размеры ПЭ оболочек

В миллиметрах

Средний наружный диаметр Толщина стенки
Номинальный Предельное отклонение (+) Минимальная Предельное отклонение (+)
90 0,9 2,2 0,4
110 1,0 2,5 0,5
125 1,2 2,5 0,5
140 1,3 3,0 0,5
160 1,5 3,0 0,5
180 1,7 3,0 0,5
200 1,8 3,2 0,5
225 2,1 3,5 0,6
250 2,3 3,9 0,7
280 2,6 4,4 0,7
315 2,9 4,9 0,7
355 3,2 5,6 0,8
400 3,6 5,6 0,9
450 4,1 5,6 1,1
500 4,5 6,2 1,2
560 5,0 7,0 1,3
630 5,7 7,9 1,5
710 6,4 8,9 1,7
800 7,2 10,0 1,9
900 8,1 11,2 2,2
1000 9,0 12,4 2,4
1100 9,9 13,8 2,7
1200 10,8 14,9 2,9
1425 12,6 17,3 3,4
1600 14,4 19,6 3,9

Для сохранения теплоизолирующих свойств ППУ изоляции допускается применение ПЭ оболочки с барьерным слоем, снижающим диффузию вспенивающего агента из ППУ в окружающую среду, а также газов из окружающей среды (в т.ч. кислорода) в ячейки ППУ. ПЭ оболочки с барьерным слоем выпускаются по технической документации предприятия-изготовителя.

4.13. Отклонение осевых линий стальной трубы и защитных оболочек в любой точке по всей длине не должно превышать значений, приведенных в таблице 4.

Таблица 4

Отклонение осевых линий стальной трубы и защитной оболочки

В миллиметрах

Наружный диаметр оболочек Отклонение осевых линий
    До 160 включ.   3,5
Св. 160 " 400 "   5,0
" 400 " 630 "   8,0
" 630 " 800 "   10,0
" 800 " 1200 "   14,0
" 1200 " 1375 "   16,0
" 1375 " 1600 "   18,0

4.14. Ориентировочная масса 1 м изолированной трубы приведена в приложении Г.

4.15. Отклонение осевых линий стальной трубы и защитной оболочки на торцах изоляции фитингов должно соответствовать таблице 4. На сгибах отводов допускаются отклонения осевых линий, превышающие указанные в таблице 4, при этом толщина изоляции отвода, измеренная в любой ее точке, должна быть не менее 50% номинальной толщины изоляции, но не менее 15 мм.

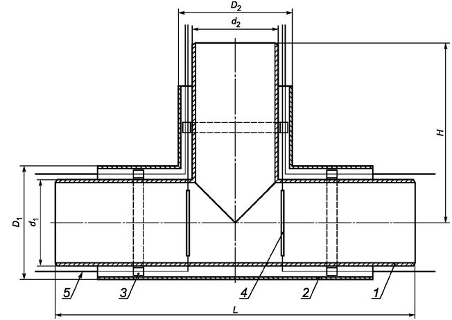
4.16. Размеры фитингов (кроме диаметров стальной трубы и защитных оболочек) являются рекомендуемыми и определяются проектом. Диаметр и толщина присоединительных патрубков фитинга должны быть равны диаметру и толщине трубы. Диаметр защитной оболочки фитинга в местах соединения с линейной частью трубопровода должен быть равен диаметру защитной оболочки линейной части трубопровода.

Допускается изготавливать фитинги, в т.ч. неподвижные и скользящие опоры, по нормативным документам и технической документации проектной организации и предприятия-изготовителя, согласованным в установленном порядке.

Требования к материалу и толщине стальных патрубков должны соответствовать требованиям спецификации проекта.

4.17. Типы, конструкции, размеры и условные обозначения изолированных фитингов должны соответствовать приложению Д.

4.18. В качестве запорной арматуры должны применяться шаровые краны или поворотные затворы с присоединительными концами под приварку.

4.19. Выбор марки и конструкции шарового крана (поворотного затвора) определяется проектом или предприятием - изготовителем изоляции согласно заявленным в проекте характеристикам. Длина штока запорной арматуры должна соответствовать спецификации проекта. Конструкция удлинения штока запорной арматуры для применения при бесканальной прокладке должна быть согласована с предприятием - изготовителем запорной арматуры и обеспечивать работоспособность в течение гарантийного срока службы запорной арматуры.

4.20. Запорная арматура должна выдерживать испытательное давление и максимальные расчетные осевые напряжения, их герметичность должна быть не ниже класса А по ГОСТ 9544.

4.21. Шток шарового крана (поворотного затвора) должен быть герметично изолирован ППУ в защитной оболочке (ПЭ или ОЦ) до рабочего элемента управления под Т-образный ключ или редуктор. Для изоляции верхней части штока используют термоусаживаемую заглушку с клеевым слоем; допускается применение стальных заглушек с гидроизоляцией термоусаживаемыми и мастичными клеевыми материалами.

4.22. Для теплогидроизоляции стыков стальных труб в ППУ изоляции между собой и фитингами следует применять комплекты для изоляции стыков, отвечающие следующим требованиям:

- материалы комплектов для изоляции стыков должны соответствовать требованиям раздела 5 и технической документации предприятия-изготовителя;

- конструкции стыковых соединений для изолированных труб и фитингов должны быть герметичными при избыточном давлении воздуха внутри стыкового пространства 0,05 МПа в течение 5 мин. Герметичность подтверждается отсутствием падения давления и отсутствием видимых мест утечек воздуха при обмыливании швов;

- срок службы стыков должен соответствовать сроку службы трубопроводов и фитингов (не менее 30 лет).

ППУ теплоизоляционного слоя стыка должен соответствовать требованиям 5.1.4.1 по показателям "плотность среднего слоя ППУ", "прочность при сжатии 10%-ной деформации", а также требованиям 5.1.4.3 в части размеров пустот. Заливка стыка должна выполняться в соответствии с технологической инструкцией, согласованной или разработанной изготовителем комплектов по изоляции стыков.

Контроль герметичности стыка должен выполняться в соответствии с технологической инструкцией/картой контроля, согласованной или разработанной изготовителем комплектов по изоляции стыков.

Конструкция стыковых соединений должна выдерживать не менее 1000 циклов испытаний в соответствии с нормативным документом <*>, действующим на территории государства - участника Соглашения, принявшего настоящий стандарт.

<*> В Российской Федерации требования к испытаниям стыковых соединений - по пункту 4.56 и приложению Д СП 41-105-2002 "Проектирование и строительство тепловых сетей бесканальной прокладки из стальных труб с индустриальной тепловой изоляцией из пенополиуретана в полиэтиленовой оболочке".

Для теплогидроизоляции стыковых соединений диаметром ПЭ оболочки до 450 мм включительно допускается применение термоусаживаемых муфт с гидроизоляцией мастичными (клеевыми) материалами, для труб диаметром ПЭ оболочки 450 мм и более рекомендуется применять только сварные муфты.

Монтаж стыковых соединений должен выполняться в соответствии с инструкцией предприятия - изготовителя комплектов для изоляции стыков.

4.23. Трубопроводы тепловых сетей бесканальной прокладки могут быть укомплектованы стартовыми сильфонными компенсаторами или осевыми сильфонными компенсационными устройствами, соответствующими требованиям ГОСТ 32935.

Теплоизоляцию стартовых сильфонных компенсаторов выполняют при монтаже теплопроводов, осевых сильфонных компенсационных устройств на предприятии-изготовителе.

Конструкция стартового сильфонного компенсатора должна позволять его гидроизоляцию одной термоусаживаемой или электросварной ПЭ муфтой после монтажа компенсатора в трубопровод.

Детали и сварные швы стартовых сильфонных компенсаторов должны быть прочными при действии нагрузок от распорного усилия, создаваемого сильфоном, и нагрузок от температурных деформаций трубопровода после запуска компенсатора и заварки его кожухов.

Конструкция осевого сильфонного компенсационного устройства должна обеспечивать его герметичность относительно внешней среды и исключать возможность попадания влаги в теплоизоляцию и на провода СОДК в течение всего срока эксплуатации трубопровода.

4.24. Изолированные трубы и фитинги должны быть оснащены проводниками-индикаторами СОДК.

4.25. Для обеспечения расчетной компенсации трубопроводов в ППУ изоляции при бесканальной прокладке следует применять компенсационные маты. Характеристики компенсационных матов должны соответствовать приложению Е.

4.26. Для обеспечения перемещения трубопроводов в ППУ изоляции при прокладке их в каналах, коллекторах и надземно применяют опорные конструкции (скользящие и направляющие опоры) в соответствии с приложением Д.

4.27. Для подключения соединительных кабелей к проводникам-индикаторам СОДК следует применять элементы трубопровода с кабельным выводом (Д.10, Д.11 приложения Д), а также металлические заглушки изоляции с кабельным выводом (Д.9 приложения Д). Конструкция кабельных выводов по Д.9 - Д.11 приложения Д должна обеспечивать их герметичность.

4.28. Условное обозначение изолированной трубы должно состоять из наименования изделия (труба), наружного диаметра и толщины стенки трубы в миллиметрах, типа изоляции для трубы с защитной оболочкой (1 или 2), сокращенного наименования материала трубы - марку стали и обозначение стандарта (технических условий) на стальную трубу, сокращенного наименования материала изоляционной конструкции (ППУ-ПЭ, ОЦ) и обозначения настоящего стандарта.

Пример условного обозначения изолированной стальной трубы наружным диаметром 159 мм, толщиной стенки 4,5 мм, изготовленной из стали марки 20 по ГОСТ 20295, с тепловой изоляцией из пенополиуретана типа 1(2) в полиэтиленовой оболочке по ГОСТ 30732:

Труба 159 x 4,5-20 ГОСТ 20295-ППУ1(2)-ПЭ ГОСТ 30732-2020

То же, для трубы в оцинкованной оболочке:

Труба 159 x 4,5-20 ГОСТ 20295-ППУ1(2)-ОЦ ГОСТ 30732-2020

То же, для трубы, усиленной бандажами (Б):

Труба 159 x 4,5-20 ГОСТ 20295-ППУ1(2)-ПЭ-Б ГОСТ 30732-2020

Примеры условного обозначения изолированных фитингов приведены в приложении Д.

5. Технические требования

5.1. Характеристики

5.1.1. Стальные трубы и фитинги

5.1.1.1. Перед нанесением тепловой изоляции поверхность стальных труб и фитингов должна быть высушена и очищена от масла, жира, ржавчины, окалины, пыли и подвергнута абразивно-струйной или дробеметной обработке. Перед очисткой наружная поверхность стальных труб должна соответствовать в части показателей загрязненности требованиям нормативного документа <*>, действующего на территории государства - участника Соглашения, принявшего настоящий стандарт, и не иметь следов питтинговой коррозии. После очистки поверхность должна соответствовать степени очистки, указанной в нормативном документе <**>, действующем на территории государства - участника Соглашения, принявшего настоящий стандарт, или степени 2 по ГОСТ 9.402. Допускается использование фасонных штампованных деталей без дополнительной механической очистки поверхности. Запыленность поверхности после очистки должна быть не более степени 3 (см. [1]).

<*> В Российской Федерации должна соответствовать показателям загрязненности A, B и C ГОСТ Р ИСО 8501-1-2014 "Подготовка стальной поверхности перед нанесением лакокрасочных материалов и относящихся к ним продуктов. Визуальная оценка чистоты поверхности. Часть 1. Степень окисления и степени подготовки непокрытой стальной поверхности и стальной поверхности после полного удаления прежних покрытий".

<**> В Российской Федерации - не ниже Sa 2 1/2 по ГОСТ Р ИСО 8501-1-2014 "Подготовка стальной поверхности перед нанесением лакокрасочных материалов и относящихся к ним продуктов. Визуальная оценка чистоты поверхности. Часть 1. Степень окисления и степени подготовки непокрытой стальной поверхности и стальной поверхности после полного удаления прежних покрытий".

Трубы и фитинги, предназначенные для установки в системах теплоснабжения, не требуют нанесения специальных защитных покрытий. В случае нанесения защитного покрытия чувствительность СОДК не должна снижаться (см. Ж.3.2 приложения Ж).

5.1.1.2. Сварные швы на трубах и фитингах, выполненные на предприятии - изготовителе изолированных изделий, должны соответствовать требованиям ГОСТ 16037 и нормативных документов <*>, действующих на территории государства - участника Соглашения, принявшего настоящий стандарт.

<*> В Российской Федерации действует РД 153-34.1-003-01-2002 "Сварка, термообработка и контроль трубных систем, котлов и трубопроводов при монтаже и ремонте энергетического оборудования".

5.1.2. Полиэтиленовые оболочки

5.1.2.1. Характеристики ПЭ оболочек должны соответствовать указанным в таблице 5.

Таблица 5

Характеристики ПЭ оболочек

Показатель Характеристика
Качество поверхности Оболочки должны иметь гладкую наружную поверхность. Допускаются незначительные продольные полосы, царапины и волнистость, не выводящие толщину стенки трубы за пределы допускаемых отклонений. На наружной, внутренней и торцевой поверхностях оболочек не допускаются пузыри, трещины, раковины, посторонние включения. Концы оболочек не должны иметь заусенцев. Цвет оболочек - черный
Относительное удлинение при разрыве оболочки, %, не менее 350
Изменение длины оболочки после прогрева при 110 °C, %, не более 3

5.1.2.2. Сварку ПЭ оболочек, выполненную на предприятии - изготовителе изолированных изделий, испытания и приемку следует проводить согласно нормативным документам <**>, действующим на территории государства - участника Соглашения, принявшего настоящий стандарт.

<**> В Российской Федерации - согласно ВСН 440-83 "Инструкция по монтажу технологических трубопроводов из пластмассовых труб", разделы 5 - 7.

5.1.3. Стальные ОЦ оболочки

5.1.3.1. В качестве покровного материала изолированных труб, предназначенных для надземной прокладки, следует применять стальную ОЦ оболочку с герметично закрытым замковым соединением.

Поверхность стальной ОЦ оболочки должна быть чистой, без следов коррозии и окисления. На поверхности оболочки допускаются отдельные вмятины глубиной не более 10% номинальной толщины теплоизоляционного слоя, не повреждающие замковых соединений.

5.1.3.2. На поверхности стальной ОЦ оболочки допускаются следы от формующего инструмента и царапины, не приводящие к разрушению цинкового покрытия до основного металла.

5.1.3.3. Допускаются наплывы без растрескивания цинкового покрытия, местная шероховатость цинкового покрытия, неравномерности узора кристаллизации и консервационных покрытий.

5.1.3.4. Торцы стальной ОЦ оболочки должны быть без заусенцев.

5.1.3.5. При протечках ППУ через шов стальных ОЦ оболочек фитингов допускается их герметизация.

5.1.4. Тепловая изоляция труб и фитингов

5.1.4.1. Характеристики тепловой изоляции и изолированных труб и фитингов должны соответствовать таблице 6.

Таблица 6

Характеристики ППУ и изолированных изделий

Показатель Характеристика
Плотность среднего слоя ППУ, кг/м3, не менее 60
Прочность ППУ на сжатие при 10%-ной деформации в радиальном направлении, МПа, не менее 0,3
Водопоглощение ППУ при кипячении в течение 90 мин, % по объему, не более 10
Прочность на сдвиг в осевом направлении до и после старения, МПа, не менее, при температуре, °C:  
(23 +/- 2) 0,12
(150 +/- 2) 0,08
Теплопроводность ППУ до старения, Вт/(м·°C), не более, при средней температуре 50 °C 0,033
Прочность на сдвиг в тангенциальном направлении до и после старения, МПа, не менее, при температуре (23 +/- 2) °C 0,2
Радиальная ползучесть изоляции при температуре 150 °C, мм, не более, в течение 1000 ч 4,6

5.1.4.2. Торцы тепловой изоляции труб и фитингов могут иметь консервационное гидроизоляционное покрытие.

5.1.4.3. Структура ППУ в разрезе должна быть однородной, замкнутой, мелкоячеистой. Средний размер ячеек ППУ в радиальном направлении не должен превышать 0,5 мм. Допускаются пустоты (каверны) размером не более 1/3 толщины теплоизоляционного слоя.

5.1.4.4. Под защитную оболочку тепловой изоляции труб и фитингов наружным диаметром стальной трубы до 426 мм включительно должны быть установлены два проводника из неизолированной мягкой электротехнической меди сечением 1,5 мм2 для оперативного контроля за состоянием ППУ изоляции и оболочки. Проводники должны быть расположены параллельно оси трубы в плоскости одного сечения, проходя через центрирующие опоры или другие устройства на расстоянии (20 +/- 2) мм от поверхности трубы, и иметь необходимое предварительное натяжение. При верхнем положении продольного шва стальной трубы проводники должны находиться в положениях, соответствующих 3 и 9 ч с допуском +/- 1 ч.

Под защитную оболочку труб и фитингов диаметром более 426 мм должны быть установлены три проводника-индикатора в положениях, соответствующих 3, 9 и 12 ч с допуском +/- 1 ч, относительно продольного сварного шва стальной трубы при его положении на 12 ч. На двухшовных трубах проводники-индикаторы должны быть расположены на 3, 9 и 12 ч с допуском +/- 1 ч при расположении продольных швов на 3 и 9 ч.

Для повышения оперативности обнаружения увлажнения изоляции для изолированных труб и фитингов наружным диаметром стальной трубы 820 мм и более рекомендуется устанавливать не менее четырех проводников-индикаторов, установленных в положениях на 3, 6, 9 и 12 ч с допуском +/- 1 ч.

Длина проводников-индикаторов, выходящих из ППУ изоляции, должна составлять:

- для диаметров до 219 мм включительно - не менее 170 мм;

- для труб диаметром 273 мм и более - не менее 230 мм.

5.1.4.5. Электрическое сопротивление между стальной трубой и соединенными проводниками-индикаторами, стальной ОЦ оболочкой и соединенными проводниками-индикаторами должно быть не менее 100 МОм при испытательном напряжении не менее 500 В.

5.1.4.6. На защитной оболочке изолированных труб и фитингов допускаются отдельные поверхностные деформации (вмятины) кроме торцов изоляции глубиной:

- для ПЭ оболочек - до 15% номинальной толщины теплоизоляционного слоя;

- для ОЦ оболочек - до 10% толщины теплоизоляционного слоя без повреждения замкового соединения.

Общая площадь вмятин не должна превышать 1% площади защитной оболочки.

Допускаются отдельные царапины на ПЭ оболочке: на ПЭ оболочках толщиной до 10 мм включительно глубина царапин не должна превышать 10% толщины оболочки, на ПЭ оболочках толщиной более 10 мм глубина царапин не должна превышать 1 мм.

5.2. Требования к сырью, материалам и покупным изделиям

5.2.1. Для изготовления изолированных труб и фитингов следует применять новые (не бывшие в употреблении) стальные трубы согласно 4.3 с толщиной стенки, указанной в проекте, соответствующие требованиям нормативных документов, утвержденных в установленном порядке.

Стальные трубы и фитинги должны сопровождаться документом, подтверждающим соответствие требованиям безопасности к проектированию и изготовлению оборудования <*>, работающего под избыточным давлением или должны быть изготовлены по нормативной документации, включенной в перечень стандартов, в результате применения которых на добровольной основе обеспечивается соблюдение требований [2].

<*> Документом, подтверждающим соответствие, является сертификат или декларация о соответствии требованиям [2].

Допускается применение труб по стандартам или техническим условиям согласно разрешению органа исполнительной власти в области промышленной безопасности <*>, действующего на территории государства - участника Соглашения, принявшего настоящий стандарт. Нормируемые характеристики применяемых материалов должны быть не хуже приведенных в приложении И.

<*> В Российской Федерации - по разрешению Федеральной службы по экологическому, технологическому и атомному надзору (Ростехнадзор).

5.2.2. Стальные крутоизогнутые бесшовные отводы и другие детали (тройники, переходы и др.) должны соответствовать требованиям ГОСТ 17375, ГОСТ 17376, ГОСТ 17378, ГОСТ 17380 и ГОСТ 30753.

Стальные сварные (штампосварные) отводы должны быть изготовлены по технической документации, разработанной проектными институтами и профильными организациями и согласованной в установленном порядке.

Не допускается применение отводов, тройников, переходов, неподвижных опор, патрубков компенсаторов из спиральношовных труб.

5.2.3. Для изготовления ПЭ оболочек следует применять композиции полиэтилена трубных марок не ниже ПЭ 80, классифицированных по ГОСТ ISO 12162. Композиции должны быть светостабилизированы на уровне 2,0% - 2,5% сажи на стадии производства полиэтилена. Допускается изготавливать оболочки из композиций полиэтилена с использованием вторичного гранулированного полиэтилена ПЭ 80 или ПЭ 100 (не более 10%), полученного из труб собственного производства. Для изготовления муфт используется исключительно первичный полиэтилен типа ПЭ 80 или ПЭ 100, классифицированных по ГОСТ ISO 12162.

5.2.4. При изготовлении фитингов сварку ПЭ оболочек следует проводить из материала одного типа.

5.2.5. Для обеспечения прочностных характеристик конструкции в соответствии с таблицей 6 рекомендуется проводить активацию внутренней поверхности ПЭ оболочки для улучшения характеристик адгезии к ППУ.

5.2.6. В качестве материала стальной ОЦ оболочки следует применять листовой или рулонный холоднокатаный прокат из низкоуглеродистой стали, оцинкованный в агрегатах непрерывного горячего цинкования, следующих видов:

- предназначенный для холодного профилирования, нормальной или глубокой вытяжки, с нормальной или уменьшенной разнотолщинностью, с узором кристаллизации или без него, с цинковым покрытием не ниже класса 1 по ГОСТ 14918 <**>.

<**> В Российской Федерации также допускается применять оцинкованную сталь с покрытием класса не ниже 275 по ГОСТ Р 52246-2016 "Прокат листовой горячеоцинкованный. Технические условия".

5.2.7. Для теплоизоляционного слоя следует использовать жесткие ППУ, соответствующие требованиям разделов 1 и 5 настоящего стандарта.

5.2.8. Центраторы должны быть изготовлены из полиэтилена, полипропилена или пенополиуретана. Допускается изготовление комбинированных опор со стягивающими поясами из металлической или полимерной ленты.

Центрирующие опоры должны иметь отверстия для проводников СОДК, обеспечивающие заданное расстояние до стальной трубы (см. 5.1.4.4).

5.2.9. При прокладке проводников СОДК в фитингах следует применять электроизоляционные перфорированные трубки с рабочей температурой не ниже 150 °C.

5.2.10. Изоляционные и вспомогательные материалы, применяемые при прокладке проводников СОДК в трубах и фитингах, не должны выделять коррозионно-активных веществ и снижать функциональность СОДК при эксплуатации.

5.2.11. Входной контроль сырья, материалов, покупных изделий проводят в соответствии с ГОСТ 24297 и инструкциями (технологическими картами) по входному контролю, утвержденными в установленном порядке.

5.2.12. Требования к комплектам по изоляции стыков

5.2.12.1. В комплекты для изоляции стыков трубопроводов в ПЭ оболочке должны входить:

- термоусаживающаяся муфта;

- для электросварных стыков: комплект нагревательных элементов;

- для мастичных стыков: комплект адгезивных материалов и комплект термоусаживающихся манжет с замковыми пластинами, если их наличие предусмотрено конструкцией стыка.

5.2.12.2. Термоусаживающаяся муфта должна быть изготовлена:

- из ПЭ оболочки, изготовленной из материала, соответствующего 5.2.3;

- из радиационно-сшитого полиэтилена в соответствии с техническими условиями завода-изготовителя.

5.2.12.3. В комплекты по изоляции стыков трубопроводов в ОЦ оболочке должны входить:

- кожух из оцинкованной стали, соответствующей 5.2.6;

- комплект адгезивных материалов;

- комплект метизов для закрепления кожуха.

5.2.12.4. В комплекты для изоляции трубопроводов должны входить:

- компоненты пенополиуретана, обеспечивающие получение теплоизоляционного слоя в соответствии с требованиями 4.22;

- детали и материалы для монтажа системы ОДК;

- технологические приспособления для монтажа и заливки стыка, а также иные материалы, детали и приспособления, предусмотренные инструкцией по монтажу стыка;

- инструкция по монтажу стыка;

- документы о качестве материалов.

5.2.12.5. Компоненты ППУ должны поставляться в виде готового к употреблению комплекта материалов, расфасованных в соответствии с нормами расхода (пенопакеты) согласно технологической документации поставщика. Допускается поставка компонентов ППУ в канистрах, бочках или IBC-контейнерах при условии комплектации таблицей с нормами расхода материалов на сортамент, соответствующий заказу.

5.2.12.6. Заливку ППУ в пространство стыка следует производить с помощью пенопакетов, заливочных машин и другими способами, обеспечивающими качественное перемешивание и дозировку компонентов ППУ.

5.3. Маркировка

5.3.1. Изолированные трубы и фитинги должны иметь четкую и читаемую маркировку.

5.3.2. Маркировка может быть выполнена на поверхности изделий, в т.ч. на этикетке или ярлыке.

5.3.3. Маркировку стальных труб и фитингов проводят согласно ГОСТ 10692 или стандартам предприятия - изготовителя стальных труб.

5.3.4. Маркировка ПЭ оболочки должна содержать следующую информацию:

- торговая марка или наименование предприятия-изготовителя;

- тип полиэтилена;

- наружный диаметр и толщина оболочки;

- дата изготовления.

5.3.5. Маркировку ПЭ оболочки наносят на поверхность оболочки на расстоянии не менее 300 мм от торца изоляции несмываемой водой контрастной краской с помощью трафарета вручную или принтером с интервалом не более 1 м. Допускается наносить маркировку на бирку (этикетку), прикрепленную к оболочке.

5.3.6. Маркировка изолированных труб должна содержать следующую информацию:

- условное обозначение изделия (труба);

- торговая марка или наименование предприятия-изготовителя;

- марка стали и обозначение стандарта на стальную трубу;

- наружный диаметр и толщина стенки стальной трубы;

- тип изоляции - 1 или 2;

- ПЭ или ОЦ защитная оболочка, ее наружный диаметр и толщина стенки;

- обозначение настоящего стандарта;

- номер партии;

- дата изготовления.

5.3.7. Маркировка изолированных фитингов должна содержать следующую информацию:

- наименование или условное обозначение изделия;

- торговая марка или наименование предприятия-изготовителя;

- наружный диаметр и толщина стенки стальной трубы (основной и ответвления);

- марка стали и обозначение стандарта на трубу (основную и ответвления);

- тип изоляции - 1 или 2;

- для запорной арматуры - условный проход шарового крана;

- ПЭ или ОЦ защитная оболочка, ее наружный диаметр и толщина стенки;

- угол для отвода;

- обозначение настоящего стандарта;

- номер партии;

- дата производства.

5.3.8. Маркировка муфт

5.3.8.1. Термоусаживаемые муфты, применяемые для изоляции стыков, должны иметь маркировку.

5.3.8.2. Маркировка муфт должна содержать следующую информацию:

- торговая марка или наименование предприятия-изготовителя;

- тип полиэтилена;

- наружный диаметр ПЭ оболочки, для которой предназначена муфта;

- обозначение технических условий на муфты;

- дата изготовления муфты.

5.3.8.3. Маркировка муфт должна быть нанесена на наружную поверхность по центру муфты.

5.3.9. Маркировка защитных оболочек, труб, фитингов, термоусаживаемых муфт может содержать дополнительную информацию о массе, применяемых материалах, производственном персонале (бригаде, смене) и иные данные, необходимые для обеспечения учета и прослеживаемости продукции. Маркировка может содержать разделительные символы и графическую информацию (логотипы, штрих-код).

5.3.10. Способ нанесения и материалы, применяемые для маркировки защитных оболочек, труб, фитингов и термоусаживаемых муфт, должны обеспечивать сохранность маркировки в период транспортирования, хранения и монтажа.

6. Требования безопасности

6.1. При изготовлении изолированных труб и фитингов необходимо соблюдать требования безопасности, изложенные в технических условиях на применяемые материалы.

6.2. Основные требования безопасности технологических процессов, хранение и транспортирование химических веществ должны соответствовать ГОСТ 12.3.008.

6.3. Помещения, где проводят работы по получению теплоизоляции из ППУ, должны быть оборудованы приточно-вытяжной вентиляцией по ГОСТ 12.4.021.

6.4. При выполнении работ с изолированными трубами и фитингами необходимо соблюдать требования безопасности по ГОСТ 12.3.016 и ГОСТ 12.3.038 <*>.

<*> Утратил силу в Российской Федерации. Действуют СНиП 12-04-2002 "Безопасность труда в строительстве. Часть 2. Строительное производство" и СП 41-105-2002 "Проектирование и строительство тепловых сетей бесканальной прокладки из стальных труб с индустриальной тепловой изоляцией из пенополиуретана в полиэтиленовой оболочке".

6.5. Контроль за содержанием вредных веществ в воздухе рабочей зоны - в соответствии с ГОСТ 12.1.005.

6.6. Теплоизоляция из ППУ в защитной оболочке при нормальных условиях эксплуатации не выделяет в окружающую среду токсичных веществ и не оказывает вредного воздействия на организм человека при непосредственном контакте с ней; применение теплоизоляции не требует специальных мер предосторожности. Класс опасности - 4-й по ГОСТ 12.1.007.

6.7. Категория взрывоопасности производства - по нормативному документу <**>, действующему на территории государства - участника Соглашения, принявшего настоящий стандарт.

Материалы теплоизоляции относят к группам Г3 и Г4 <***> по ГОСТ 30244.

<**> В Российской Федерации принимают категорию взрывоопасности производства В3 по НПБ 105-03 "Определение категории помещений, зданий и наружных установок по взрывопожарной и пожарной опасности".

НПБ 105-03 утратили силу. Аналогичные нормы содержатся в СП 12.13130.2009.

<***> Соответствуют группам горючести Г3 и Г4 ГОСТ Р 57270-2016 "Материалы строительные. Методы испытаний на горючесть".

Конструкция труб в ОЦ оболочке относится к группе НРП (не распространяющих пламя).

6.8. К работе по нанесению теплоизоляции из ППУ, производству стальных ОЦ оболочек допускаются лица не моложе 18 лет, прошедшие медицинское освидетельствование, инструктаж и обучение по технике безопасности по утвержденной программе с последующими периодическими проверками знаний и имеющие доступ к самостоятельной работе.

6.9. Работы по производству теплоизоляции из ППУ (подготовка компонентов, подготовка труб и заливка композиции и др.) следует проводить в специальной одежде с применением средств индивидуальной защиты (костюм из хлопчатобумажной ткани, защитные очки, респиратор).

6.10. На участке по заливке ППУ должны быть предусмотрены средства для нейтрализации применяемых веществ, которые указаны предприятием - изготовителем систем компонентов в сопроводительной документации на сырье (паспорт безопасности) или технических условиях.

6.11. Не допускается воздействие открытого пламени или искр на тепловую изоляцию по длине трубы и в торцевых сечениях.

6.12. Температура воспламенения ППУ - от 325 °C до 345 °C. При горении из ППУ выделяются высокотоксичные продукты. В случае возгорания пламя необходимо тушить в изолирующем противогазе. Тушение допускается проводить любыми средствами пожаротушения.

7. Охрана окружающей среды

7.1. Для охраны атмосферного воздуха должен быть организован контроль за соблюдением предельно допустимых выбросов компонентов ППУ по ГОСТ 17.2.3.02.

7.2. Промышленные отходы при производстве теплоизоляции из ППУ подлежат утилизации в соответствии с санитарными правилами и нормами <*>, действующими на территории государства - участника Соглашения, принявшего настоящий стандарт, и по согласованию с органом исполнительной власти в сфере природопользования <**> государства - участника Соглашения, принявшего настоящий стандарт.

<*> В Российской Федерации - в соответствии с СанПиН 2.1.7.1322-03 "Гигиенические требования к размещению и обезвреживанию отходов производства и потребления".

СанПиН 2.1.7.1322-03 отменены. Взамен них с 01.03.2021 введены в действие СанПиН 2.1.3684-21.

<**> В Российской Федерации - Федеральная служба по надзору в сфере природопользования (Росприроднадзор).

8. Правила приемки

8.1. Изолированные трубы и фитинги должны быть приняты отделом технического контроля или подразделениями предприятия-изготовителя, выполняющими аналогичные функции.

8.2. Трубы и фитинги принимают партиями. Партией считают число труб или фитингов, изготовленных за 24 ч, или не более 100 шт., одного типоразмера из сырья одной марки на одной технологической линии.

8.3. Каждую партию труб и фитингов сопровождают документом качества, который должен содержать:

- наименование предприятия-изготовителя или его товарный знак;

- условное обозначение изделия;

- номер партии и дату изготовления;

- результаты испытаний или подтверждение о соответствии качества продукции требованиям настоящего стандарта;

- отметку отдела технического контроля.

8.4. Для проверки соответствия изолированных труб и фитингов требованиям настоящего стандарта проводят приемо-сдаточные и периодические испытания в соответствии с таблицей 7.

Таблица 7

Приемо-сдаточные и периодические испытания, проводимые для проверки соответствия изолированных труб и фитингов требованиям настоящего стандарта

Показатель Номер подраздела, пункта Вид испытаний Объем выборки изделий из партии Периодичность испытаний
Технические требования Методы испытаний Приемо-сдаточные Периодические
Качество поверхности и маркировка 5.1.2.1, 5.1.3, 5.1.4.6, 5.3 9.2 + - 100% Каждая партия
Основные размеры 4.3, 4.5, 4.8, 4.11, 4.12, 4.15, 4.16, 4.17 9.3 - 9.6 + - 3% партии, но не менее 1 шт. Каждая партия
Отклонения осевых линий 4.13, 4.15 9.7 + - 3% партии, но не менее 1 шт. Каждая партия
Относительное удлинение при разрыве ПЭ оболочки 5.1.2.1 9.14 - + 1 шт. Один раз в год для каждой применяемой в производстве марки полиэтилена
Изменение длины ПЭ оболочки после прогрева при 110 °C 5.1.2.1 9.15 - + 1 шт. Один раз в год для каждой применяемой в производстве марки полиэтилена
Плотность среднего слоя ППУ 5.1.4.1 9.9 + - 3% партии, но не менее 1 шт. Каждая партия
Прочность ППУ на сжатие при 10%-ной деформации в радиальном направлении 5.1.4.1 9.9 + - 3% партии, но не менее 1 шт. Каждая партия
Средний размер ячеек ППУ в радиальном направлении, мм 5.1.4.3 9.21 - + 1 шт. Один раз в полгода
Водопоглощение ППУ (при кипячении) 5.1.4.1 9.13 - + 1 шт. Один раз в квартал
Теплопроводность ППУ при 50 °C до старения 5.1.4.1 9.10 - + 1 шт. Один раз в год для каждой применяемой в производстве системы материалов ППУ.
после старения <1> - 9.23 - -   При использовании новой, ранее не применявшейся системы материалов ППУ
Прочность на сдвиг в осевом направлении на образцах до старения при температуре:     - + 1 шт. Один раз в год для каждой применяемой в производстве системы материалов ППУ
(23 +/- 2) °C 5.1.4.1 9.16
(150 +/- 2) °C 5.1.4.1 9.17
Прочность на сдвиг в тангенциальном направлении на образцах до старения при температуре: (23 +/- 2) °C 5.1.4.1 9.18 - + 1 шт. Один раз в год для каждой применяемой в производстве системы материалов ППУ
Прочность на сдвиг в осевом направлении на образцах после старения <2> при температуре:   9.19 - - 1 шт. При использовании новой, ранее не применявшейся системы материалов ППУ
(23 +/- 2) °C 5.1.4.1
(150 +/- 2) °C 5.1.4.1
Прочность на сдвиг в тангенциальном направлении на образцах после старения <2> при температуре: (23 +/- 2) °C 5.1.4.1 9.19 - - 1 шт. При использовании новой, ранее не применявшейся системы материалов ППУ
Радиальная ползучесть изоляции <2> при температуре 150 °C 5.1.4.1 9.20 - - 1 шт. При использовании новой, ранее не применявшейся системы материалов ППУ
Электрическое сопротивление между стальной трубой и проводниками-индикаторами и между стальной ОЦ оболочкой и проводниками-индикаторами, целостность проводников 5.1.4.5 9.22 + - 100% Каждая партия
<1> Испытание, рекомендуемое при разработке и постановке на производство новых систем материалов ППУ (9.23).
<2> Соответствие продукции или систем материалов ППУ, применяемых для изготовления продукции, требованиям настоящего стандарта должно быть подтверждено результатами типовых испытаний по указанным показателям.

Примечание - Знак "+" означает, что испытания проводят, знак "-" - не проводят. Допускается проведение испытаний на прочность на сдвиг либо в осевом, либо в тангенциальном направлении.

Примечание - Знак "+" означает, что испытания проводят, знак "-" - не проводят. Допускается проведение испытаний на прочность на сдвиг либо в осевом, либо в тангенциальном направлении.

8.5. Для проведения испытаний изолированные трубы и фитинги отбирают из партии методом случайного отбора по ГОСТ 18321 или равномерно в течение всего процесса производства.

8.6. При соответствии продукции требованиям настоящего стандарта партию считают принятой. При получении неудовлетворительных результатов приемо-сдаточных испытаний хотя бы по одному показателю проводят повторную проверку по этому показателю на удвоенном числе изделий, отобранных из той же партии. В случае неудовлетворительных результатов повторной проверки допускается осуществлять приемку изделий из партии поштучно.

8.7. При изготовлении первой промышленной партии в целях оценки готовности предприятия к выпуску продукции проводят квалификационные испытания по всем показателям, предусмотренным настоящим стандартом.

8.8. При изменении конструкции или технологии изготовления изолированных труб и фитингов, а также применении сырьевых материалов, ранее не применявшихся в производстве, следует проводить типовые испытания в соответствии с ГОСТ 15.309 по специально разработанной программе с учетом требований таблицы 7.

При смене сырьевых материалов для изготовления ПЭ оболочки проводят испытания по показателям таблицы 5, при смене сырьевых материалов для изготовления ППУ изоляции - по показателям таблиц 6 и 7.

8.9. Конструкция теплогидроизолированного осевого сильфонного компенсационного устройства, применяемого при бесканальной прокладке трубопроводов, должна пройти квалификационные испытания на подтверждение назначенной наработки и вероятности безопасной работы в условиях, имитирующих затопление его грунтовыми водами согласно ГОСТ 32935.

8.10. Герметичность узла гидроизоляции осевого сильфонного компенсационного устройства следует проверять при приемо-сдаточных испытаниях.

9. Методы испытаний

9.1. Испытания образцов изолированных труб и фитингов следует проводить не ранее чем через 24 ч после изготовления.

9.2. Качество поверхности и маркировку проверяют визуально без применения увеличительных приборов.

9.3. Контроль геометрических размеров: длину неизолированных концов труб и фитингов, длину и толщину оболочки, длину трубы, отклонение осевых линий - выполняют штангенциркулем по ГОСТ 166, линейкой по ГОСТ 427, рулеткой по ГОСТ 7502. Допускается применять другой измерительный инструмент, обеспечивающий соответствующую точность измерения.

9.4. Диаметр изолированной трубы D, мм, рассчитывают по формуле

, (1)

где:

P - длина окружности трубы с изоляцией, мм;

- толщина ленты рулетки, мм;

0,2 - погрешность при измерении периметра при совмещении делений рулетки, мм. Диаметр контролируют в трех сечениях трубы, равномерно расположенных по ее длине, на расстоянии не менее 500 мм от торца изоляции. Длину окружности изолированной трубы измеряют по наружной поверхности оболочки. Прямые участки фитингов контролируются аналогично изолированной трубе.

9.5. Толщину стенки ПЭ оболочки измеряют согласно нормативным документам <*>, применяемым на территории государства - участника Соглашения, принявшего настоящий стандарт.

<*> В Российской Федерации действует ГОСТ Р ИСО 3126-2007 "Трубопроводы из пластмасс. Пластмассовые элементы трубопровода. Определение размеров".

9.6. Длину защитной оболочки и стальной трубы измеряют с точностью 5 мм по наружной поверхности труб вдоль их оси. Длину неизолированного конца трубы определяют, как среднее арифметическое значение четырех измерений расстояния от края стальной трубы до торца ППУ изоляции в точках, равномерно распределенных по окружности трубы.

9.7. Отклонение осевой линии стальной трубы от оси защитной оболочки , мм, определяют измерением расстояний от наружной поверхности оболочки до поверхности стальной трубы в торцевых сечениях и вычисляют по формуле

, (2)
где ;
  ;

, , , - расстояние от верхнего края защитной оболочки до поверхности стальной трубы, измеренное в положениях 12, 6, 9, 3 часов соответственно.

На трубах в ПЭ оболочке измерения проводят дополнительно в неторцевом сечении, расположенном в средней части трубы.

9.8. Герметичность замковых соединений стальной ОЦ оболочки труб, сварных швов ПЭ оболочки фитингов и соединений стальной ОЦ оболочки фитингов после заполнения ППУ проверяют визуально без применения увеличительных приборов по всей длине.

9.9. Плотность среднего слоя ППУ определяют по ГОСТ 17177 или ГОСТ 409, прочность на сжатие при 10%-ной деформации в радиальном направлении - по ГОСТ 17177 или ГОСТ 23206 на образцах, размеры которых указаны ниже.

С обеих сторон изолированного изделия на расстоянии не менее 0,5 м от концов изоляции трубы и не менее 0,1 м для фитинга вырезают фрагменты теплоизоляционного слоя с защитной оболочкой.

Допускается отбирать образцы теплоизоляции для испытаний с торцов труб и фитингов. В случае несоответствия показателей требованиям настоящего стандарта должны быть проведены повторные испытания на образцах, отобранных на расстоянии 0,5 м от концов изоляции.

Образцы для испытаний вырезают из фрагментов теплоизоляционного слоя так, чтобы их высота совпадала с радиальным направлением к оси трубы. Прилегающие к трубе и оболочке слои ППУ должны быть удалены на толщину 3 - 5 мм.

Образцы должны иметь форму прямоугольного параллелепипеда размерами 30 x 30 x L мм или цилиндра диаметром 30 мм (для стальных труб диаметрами 45 - 114 мм допускается выборка образцов диаметром 22 мм с торца изоляции) и длиной L, где L - максимально достижимая длина в радиальном направлении, но не более 50 мм.

Число образцов для испытаний должно быть не менее трех, вырезанных равномерно по длине окружности с каждого конца изолированной трубы или фитинга. За результат испытаний принимают среднее арифметическое значение всех измерений.

9.10. Теплопроводность ППУ определяют по ГОСТ 7076, ГОСТ 30256, ГОСТ 32025 или приложению К. В случае невозможности изготовления образцов требуемых размеров по ГОСТ 7076 или ГОСТ 30256 из теплоизоляции трубы или фитинга допускается их изготовление путем заливки компонентов ППУ в форму, при условии получения образцов с плотностью согласно требованиям таблицы 6.

Перед проведением испытаний по определению теплопроводности образец ППУ кондиционируют при температуре (23 +/- 2) °C и влажности (55 +/- 10)% в течение не более 2 ч после вырезки образца, после чего образец немедленно помещают в прибор для проведения измерений.

За результат испытания принимают среднее арифметическое значение теплопроводности всех испытанных образцов.

9.11. Перед проведением испытаний образцы полиэтилена кондиционируют при температуре (23 +/- 5) °C в течение 4 ч по нормативным документам <*>, применяемым на территории государства - участника Соглашения, принявшего настоящий стандарт.

<*> В Российской Федерации - по ГОСТ Р 50838-2009 (ИСО 4437:2007) "Трубы из полиэтилена для газопроводов. Технические условия" (8.3).

9.12. Теплоизоляционный слой ППУ труб и фитингов в местах отбора контрольных образцов должен быть восстановлен с последующей герметизацией (в случае отбора проб с нарушением целостности трубы-оболочки). Герметизация ПЭ оболочек должна осуществляться приваркой накладок с соблюдением требований 5.2.4 либо с использованием термоусаживаемых материалов (муфт) с применением герметизирующих материалов.

Герметизация стальных ОЦ оболочек осуществляется путем установки накладок из оцинкованного стального листа, из которого изготовлена оболочка, с применением герметизирующих материалов.

Восстановление оболочки в местах отбора контрольных образцов, проведенное предприятием-изготовителем, не снижает качество предварительно изолированной трубы и не может являться препятствием для приемки.

9.13. Водопоглощение ППУ определяют следующим образом.

Изготавливают образцы для испытаний с размерами, соответствующими 9.9. Массу образца ППУ определяют с точностью до 0,01 г, объем образца - с точностью до 0,1 см3 на пяти образцах. Образец выдерживают в течение 90 мин в кипящей дистиллированной воде, а затем в воде с температурой 20 °C в течение 60 мин. По истечении указанного времени с образца фильтровальной бумагой или мягкой тканью удаляют капли воды и определяют массу с точностью до 0,01 г. Водопоглощение ППУ W, %, определяют по формуле

, (3)

где:

- масса образца после выдерживания в кипящей воде, г;

- первоначальная масса образца, г;

- объем образца, см3;

- плотность воды, г/см3.

За результат измерений принимают среднее арифметическое значение водопоглощения всех образцов.

9.14. Относительное удлинение при разрыве ПЭ оболочки определяют по ГОСТ 18599 со следующими дополнениями.

Толщина образца-лопатки должна быть равна толщине стенки ПЭ оболочки. Вырубают из отрезков оболочек пять образцов-лопаток так, чтобы ось образца-лопатки была параллельна образующей трубы. Испытания проводят при скорости перемещения захватов разрывной машины 50 мм/мин.

9.15. Изменение длины ПЭ оболочки после нагрева до 110 °C и выдержки в течение 2 ч определяют по ГОСТ 27078. Количество образцов для испытаний - 3 шт.

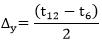
9.16. Прочность на сдвиг в осевом направлении при температуре (23 +/- 2) °C определяют на образце изолированной стальной трубы диаметром 57 мм (108 мм), отрезанном под прямым углом к оси трубы, длина которого составляет не менее 200 мм (см. рисунок 2). К образцу прикладывают осевую нагрузку со скоростью 5 мм/мин +/- 10%, фиксируют осевую нагрузку при разрушении и рассчитывают прочность сдвига.

1 - стальная труба; 2 - защитная оболочка; 3 - ППУ изоляция;
4 - направляющее кольцо; 5 - плита основания машины
для испытания; a - толщина изоляции; - прилагаемая
нагрузка (внизу - альтернативный способ приложения
нагрузки); d - см. экспликацию к формуле (4)

Рисунок 2. Схема определения прочности изоляции на сдвиг в осевом направлении

За результат принимают среднее арифметическое значение трех измерений.

Прочность в осевом направлении , МПа, рассчитывают по формуле

, (4)

где:

- осевая нагрузка, Н;

L - длина образца, мм;

d - наружный диаметр стальной трубы, мм.

Значение показателя прочности на сдвиг в осевом направлении устанавливается и при расчете приводится к площади поверхности стальной трубы. Расчет прочности по формуле (4) выполняется независимо от места разрушения образца.

9.17. Прочность на сдвиг в осевом направлении при температуре (150 +/- 2) °C определяют на образце изолированной стальной трубы диаметром 57 мм (108 мм) по 9.16. Количество образцов для испытаний не менее 3 шт. Стальную трубу образца нагревают до (150 +/- 2) °C и выдерживают при этой температуре в течение 30 мин, после чего проводят испытания согласно методике 9.16.

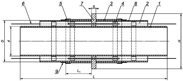
9.18. Прочность на сдвиг в тангенциальном направлении при температуре (23 +/- 2) °C определяют на отдельно изготовленном образце или фрагменте изолированной трубы, из которой выделяют поперечными разрезами до стальной трубы слой тепловой изоляции длиной не менее 100 мм (см. рисунок 3). Испытания проводят на образцах стальной трубы диаметром 57 мм (108 мм). Количество образцов для испытаний не менее 3 шт.

1 - стальная труба; 2 - ППУ изоляция; 3 - защитная оболочка;
4 - хомут; 5 - рычаг; 6 - неподвижная опора;
d, , L - см. экспликацию к формуле (5)

Рисунок 3. Схема определения прочности изоляции на сдвиг в тангенциальном направлении

К защитной оболочке трубы прилагают тангенциальную нагрузку с помощью двух рычагов длиной 1000 мм от осевой линии трубы, расположенных соосно и горизонтально с двух сторон оболочки. Скорость приложения нагрузки к концам рычагов должна быть 25 мм/мин.

Прочность на сдвиг в тангенциальном направлении , МПа, рассчитывают по формуле

, (5)

где:

l - длина рычага, мм;

- тангенциальная нагрузка, Н;

d - наружный диаметр стальной трубы, мм;

L - длина образца, мм.

Значение показателя прочности на сдвиг в тангенциальном направлении устанавливается и при расчете приводится к площади поверхности стальной трубы. Расчет прочности по формуле (5) выполняется независимо от места разрушения образца.

9.19. Прочность на сдвиг в осевом или тангенциальном направлении после старения определяют на образцах изолированных труб, подвергшихся ускоренному старению. Образец изолированной стальной трубы диаметром 57 мм (108 мм) и длиной не менее 3 м должен быть состарен путем поддержания температуры стальной трубы, равной (180 +/- 0,5) °C в течение 1700 ч или (170 +/- 0,5) °C в течение 4150 ч, при температуре среды, окружающей образец изолированной трубы, равной (23 +/- 2) °C. При этом торцы образцов должны быть герметизированы для предотвращения проникновения воздуха в изолирующий слой. Количество образцов для испытаний не менее 3 шт.

После старения образец охлаждают до температуры испытания (23 +/- 2) [(150 +/- 2) °C - только для испытания на сдвиг в осевом направлении], отрезают от каждого конца по 1 м, чтобы удалить материал теплоизоляции, подвергшийся окислению, и проводят испытания в соответствии с 9.16 - 9.18.

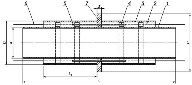
9.20. Значение радиальной ползучести тепловой изоляции труб (см. рисунок 4) определяют на трех образцах стальной трубы диаметром 57 мм, наружным диаметром защитной оболочки 125 мм и длиной теплоизоляции 250 мм на выделенном поперечными разрезами фрагменте тепловой изоляции длиной 100 мм.

Свободные от тепловой изоляции концы стальных труб должны опираться на скользящие опоры в соответствии с рисунком 4.

1 - стальная труба; 2 - индикатор; 3 - защитная оболочка
и ППУ изоляция; 4 - приспособление для приложения нагрузки;
5 - опора; F - нагрузка

Рисунок 4. Схема определения радиальной ползучести изоляции

Образцы нагревают и выдерживают при температуре (150 +/- 2) °C в течение 7 сут, после чего к фрагменту изоляции прикладывают вертикальную нагрузку F = (1,5 +/- 0,01) кН (см. рисунок 4).

Радиальную ползучесть тепловой изоляции измеряют в верхней части середины фрагмента как смещение поверхности защитной оболочки через 1000 ч воздействия нагрузки относительно исходного значения (до приложения нагрузки). Измерения проводят индикатором часового типа с точностью до 0,05 мм.

Радиальную ползучесть тепловой изоляции определяют как среднее арифметическое значение результатов испытаний трех образцов.

9.21. Для определения среднего размера ячеек на поверхности поперечного среза образца ППУ в радиальном направлении откладывают отрезок, равный (10 +/- 1) мм, не содержащий пустот (каверн). Центр отрезка с точностью до 2 мм должен совпадать с условной средней линией теплоизоляции трубы. Размером ячеек является частное от деления длины отрезка (10 мм) на число ячеек, расположенных на данном отрезке. За результат испытаний принимают среднее значение трех измерений на произвольно выбранных образцах.

9.22. Электрическое сопротивление изоляции и сигнальных проводников изолированных труб и фитингов определяют тестером изоляции (мегомметром) с испытательным напряжением не менее 500 В.

9.23. Теплопроводность ППУ после старения определяют по ГОСТ 32025 или приложению К на образцах изолированных труб, подвергшихся искусственному старению. Образец изолированной стальной трубы диаметром 57 мм (108 мм) и длиной не менее 3 м должен быть состарен путем поддержания температуры стальной трубы (90 +/- 1) °C в течение 150 сут, при температуре среды, окружающей образец изолированной трубы, равной (23 +/- 2) °C. При этом торцы образцов должны быть герметизированы для предотвращения проникновения воздуха в изолирующий слой. Количество образцов не менее 3 шт.

10. Транспортирование и хранение

10.1. Изолированные трубы и фитинги перевозят автомобильным, железнодорожным и водным транспортом в соответствии с правилами перевозки грузов, обеспечивающими сохранность изоляции и исключающими возникновение продольного прогиба.

10.2. Погрузочно-разгрузочные работы осуществляют в интервале температур, указанных для проведения строительно-монтажных работ, но не ниже:

- минус 15 °C - для труб с ПЭ оболочкой;

- минус 50 °C - для труб с ОЦ оболочкой.

10.3. Для погрузки и разгрузки изолированных труб и фитингов следует применять специальные траверсы и мягкие полотенца шириной 50 - 200 мм. Не допускается использовать цепи, канаты и другие грузозахватные устройства, вызывающие повреждение изоляции.

Для изолированных труб диаметром более 108 мм допускается использование торцевых захватов со специальными траверсами.

10.4. Строго запрещаются сбрасывание, скатывание, соударение труб и фитингов и волочение по земле.

10.5. Транспортные средства должны быть оборудованы для перевозки изолированных труб и фитингов. Укладку изолированных труб и фитингов в транспортные средства необходимо проводить ровными рядами на инвентарные щиты и прокладки, не допуская перехлестов и повреждений. В качестве амортизатора между трубами в целях исключения повреждения покрытия допускается использовать поролон, резину и т.п.

Раскатывание нижнего ряда труб при транспортировании не допускается.

10.6. Изолированные трубы следует хранить на ровных горизонтальных площадках, очищенных от камней и других посторонних предметов, которые могут привести к повреждению защитной оболочки.

10.7. Складирование изолированных труб проводят штабелями высотой: не более 2 м для труб с диаметром оболочки до 630 мм включительно, не более трех рядов - для труб диаметром оболочки свыше 630 мм, но менее 900 мм и не более двух рядов - для труб диаметром оболочки 900 мм и более. Для предотвращения раскатывания труб в штабелях должны быть установлены боковые опоры.

10.8. Фитинги хранят рассортированными по видам и диаметрам на стеллажах и ложементах в специально оборудованных для них местах.

10.9. Изолированные трубы и фитинги при хранении более двух недель на открытом воздухе должны быть защищены от воздействия прямых солнечных лучей (находиться в тени, под навесом или быть покрытыми рулонными материалами). Торцы стальных труб могут быть защищены от проникновения влаги и посторонних включений.

10.10. На строительных площадках изолированные трубы следует укладывать на мешки с песком или песчаные подушки шириной не более 1,2 м и высотой не менее 300 мм, уложенные перпендикулярно к длине труб, под концы и середину трубы. Для предупреждения попадания воды в теплоизоляционный слой с торцов трубы крайние песчаные подушки располагают на расстоянии около 1 м от концов ее оболочки.

10.11. Не допускаются складирование, хранение и монтаж труб и фитингов в местах, подверженных затоплению водой. Положение фитингов при хранении должно исключать скопление атмосферных осадков на торцах изоляции. Хранение элементов с кабельным выводом должно исключать попадание влаги внутрь теплоизоляции по кабелю.

10.12. Комплекты материалов для изоляции стыков, в т.ч. муфты в заводской защитной оболочке, установленные в вертикальном положении, следует хранить в сухом, защищенном от солнца и осадков месте при температуре, рекомендованной предприятием-изготовителем.

11. Гарантии предприятия-изготовителя

11.1. Предприятие-изготовитель должно гарантировать соответствие изолированных труб и фитингов требованиям настоящего стандарта.

11.2. Гарантийный срок на изолированные трубы и фитинги:

- на хранение - два года со дня изготовления;

- на эксплуатацию - десять лет со дня отгрузки, включая хранение, при условии соблюдения потребителем правил транспортирования, хранения, монтажа и эксплуатации согласно настоящему стандарту и нормативным документам <*>, действующим на территории государства - участника Соглашения, принявшего настоящий стандарт.

<*> В Российской Федерации - согласно СП 41-105-2002 "Проектирование и строительство тепловых сетей бесканальной прокладки из стальных труб с индустриальной тепловой изоляцией из пенополиуретана в полиэтиленовой оболочке" и Федеральным нормам и правилам в области промышленной безопасности "Правила промышленной безопасности опасных производственных объектов, на которых используется оборудование, работающее под избыточным давлением" (утверждены приказом Федеральной службы по экологическому, технологическому и атомному надзору от 25 марта 2014 г. N 116, зарегистрированным в Министерстве юстиции Российской Федерации 19 мая 2014 г., регистрационный N 32326).

В связи с утратой силы Приказа Ростехнадзора от 25.03.2014 N 116 с 01.01.2021 следует руководствоваться принятым взамен Приказом Ростехнадзора от 15.12.2020 N 536.

Приложение А
(справочное)

ТЕМПЕРАТУРНЫЕ РЕЖИМЫ ЭКСПЛУАТАЦИИ ТЕПЛОВЫХ СЕТЕЙ

Срок службы трубопровода тепловой сети из изолированных труб зависит от температурного режима работы сети, который определяется температурным графиком регулирования температуры теплоносителя и продолжительностью ее действия. Знание температурного режима позволяет оценить расчетный срок службы изолированных труб и изделий при действии тепловых нагрузок.

В связи с тем, что подавляющее большинство магистральных тепловых сетей работают по проектному графику 150 °C - 70 °C, максимальное значение температуры должно быть принято для этого графика. Для оценки температурного режима работы тепловой сети и времени действия температур могут быть использованы фактические данные о времени воздействия температуры теплоносителя и/или климатические данные о продолжительности периодов стояния температур наружного воздуха различных градаций для данной местности, полученных по запросам из различных источников <*>, уполномоченных на предоставление информации такого рода органами исполнительной власти государства - участника Соглашения, принявшего настоящий стандарт.

<*> В Российской Федерации - Федеральное государственное бюджетное учреждение "Научно-исследовательский институт строительной физики Российской академии архитектуры и строительных наук" (НИИСФ РААСН), Федеральное государственное бюджетное учреждение "Главная геофизическая обсерватория им. А.И. Воейкова" (ФГБУ "ГГО") или территориальные управления по гидрометеорологии и мониторингу окружающей среды Федеральной службы по гидрометеорологии и мониторингу окружающей среды (Росгидромет).

Учитывая разнообразие климата различных регионов государств - участников Соглашения, принявших настоящий стандарт, и температурных режимов соответственно, в настоящем стандарте установлен расчетный модельный температурный режим работы тепловой сети (таблица А.1) в течение 30 лет в наиболее суровом климатическом районе <**> с учетом нагрузки на горячее водоснабжение в течение всего года (излом графика при 70 °C). В случае если температурный режим работы конкретной тепловой сети отличается от представленных в таблице А.1, может быть рассчитан новый режим с учетом температурного графика этой сети и продолжительности стояния температур наружного воздуха.

<**> В Российской Федерации - климатический район I по СП 131.13330.2012 "СНиП 23-01-99* Строительная климатология".

СП 131.13330.2012 отменен. Взамен него с 25.06.2021 введен в действие СП 131.13330.2020.

Таблица А.1

Расчетный модельный температурный режим работы тепловой сети

Температура теплоносителя в подающем трубопроводе, °C Время воздействия с учетом продолжительности стояния температуры наружного воздуха
ч/год г/30 лет
70 4008 13,7
80 469 1,6
90 637 2,2
100 651 2,2
110 674 2,3
120 456 1,6
130 666 2,3
140 581 2,0
150 618 2,1

Приложение Б
(справочное)

ВЗАИМОСВЯЗЬ МЕЖДУ РАСЧЕТНЫМ СРОКОМ СЛУЖБЫ И УСЛОВИЯМИ ИСПЫТАНИЯ НА УСКОРЕННОЕ СТАРЕНИЕ

Б.1. В целях оценки долговечности материала теплоизоляционного слоя и срока службы конструкции изолированной трубы, без учета механических нагрузок, на заданный температурный режим проводят испытания на ускоренное старение при различных температурах с последующим определением прочности на сдвиг в осевом или тангенциальном направлении.

Б.2. Долговечность материала теплоизоляции может быть описана уравнением Аррениуса (Б.1) как функция прогнозируемого срока службы от обратной постоянно действующей температуры. Результаты испытаний ускоренного старения при повышенных температурах могут быть экстраполированы на нормальные рабочие температуры тепловой сети для расчета теоретического значения минимального срока службы конструкции изолированной трубы. Экстраполяция результатов испытаний существенно зависит от кажущейся энергии активации процесса старения (деструкции) материала теплоизоляции, которая принята в настоящем стандарте равной 150 кДж/(моль·К).

, (Б.1)

где:

- долговечность материала теплоизоляции, г.;

A - предэкспоненциальный множитель;

- кажущаяся энергия активации процесса деструкции, кДж/моль;

R - универсальная газовая постоянная, Дж/моль;

T - температура, °К.

Б.3. Срок службы изолированной трубы при переменном температурном режиме, характерном для работы большинства тепловых сетей на территории государств - участников Соглашения, принявших настоящий стандарт, может быть рассчитан по методу накопленных повреждений (правило Майнера), в общем виде описываемому выражением

, (Б.2)

где:

- долговечность (срок службы) материала теплоизоляции, г.;

, , - доля времени действия температур , , от общего времени работы конструкции;

, , - долговечность конструкции при постоянном действии температур теплоносителя , , .

Б.4. Методом последовательных приближений можно определить значения коэффициента A в уравнении (Б.1) для заданного переменного температурного режима эксплуатации сети и расчетного минимального срока службы . Затем, используя полученное значение A, строят эталонную зависимость Аррениуса в графическом виде и определяют время испытания на ускоренное старение для заданной температуры, необходимое для подтверждения расчетного срока службы.

На рисунке Б.1 приведена эталонная кривая долговечности конструкции изолированной трубы для модельного температурного режима эксплуатации по таблице А.1, на которой отмечены условия для ускоренного старения. В случае положительных результатов испытаний на прочность при осевом или тангенциальном сдвиге после ускоренного старения в соответствии с 9.19 может быть подтвержден расчетный срок службы конкретной конструкции изолированных труб и изделий в течение 30 лет при эксплуатации в тепловых сетях, работающих по переменному температурному графику 150 °C - 70 °C.

1 - ожидаемый срок службы, лет; 2 - ожидаемый срок службы, ч;
3 - непрерывные рабочие температуры; 4 - долговечность материала изоляции;
5 - условия ускоренных испытаний; 6 - условия эксплуатации при постоянной температуре

Рисунок Б.1

Приложение В
(рекомендуемое)

ОПРЕДЕЛЕНИЕ ТОЛЩИНЫ ПЕНОПОЛИУРЕТАНОВОЙ ТЕПЛОИЗОЛЯЦИИ СТАЛЬНЫХ ТРУБ ПРИ БЕСКАНАЛЬНОЙ ПРОКЛАДКЕ ТЕПЛОВЫХ СЕТЕЙ В РАЗЛИЧНЫХ КЛИМАТИЧЕСКИХ ЗОНАХ

В.1. Толщину ППУ изоляции стальных труб для бесканальной прокладки тепловых сетей в различных климатических зонах рассчитывают по нормативным документам <*>, действующим на территории государства - участника Соглашения, принявшего настоящий стандарт, с использованием нормированной плотности теплового потока.

В.2. В качестве расчетных значений плотности теплового потока через поверхность изоляции трубопроводов бесканальной прокладки принимают данные, приведенные в нормативных документах <*>, действующих на территории государства - участника Соглашения, принявшего настоящий стандарт.

<*> В Российской Федерации - по СП 61.13330.2012 "СНиП 41-03-2003 Тепловая изоляция оборудования и трубопроводов".

В.3. За расчетные температуры воды в подающем и обратном трубопроводах принимают средние температуры за год (см. таблицу В.1).

Таблица В.1

Средние расчетные температурные режимы

Трубопровод Средние расчетные температурные режимы, °C
95 - 70 150 - 70
Подающий 65 90
Обратный 50 50

В.4. Расчетная температура окружающей среды при расчетах по нормированной плотности теплового потока должна соответствовать нормативным документам <**> на тепловую изоляцию трубопроводов, действующим на территории государства - участника Соглашения принявшего настоящий стандарт.

<**> В Российской Федерации - по пункту 6.1.5 СП 61.13330.2012 "СНиП 41-03-2003 Тепловая изоляция оборудования и трубопроводов".

В.5. Среднегодовые температуры наружного воздуха в зависимости от района строительства принимают по нормативным документам <***>, действующим на территории государства - участника Соглашения, принявшего настоящий стандарт.

<***> В Российской Федерации - по СП 131.13330.2012 "СНиП 23-01-99* Строительная климатология".

В.6. Значения теплопроводности грунта и теплопроводности ППУ изоляции принимают по нормативным документам <*4>, действующим на территории государства - участника Соглашения, принявшего настоящий стандарт.

<*4> В Российской Федерации - по СП 61.13330.2012 "СНиП 41-03-2003 Тепловая изоляция оборудования и трубопроводов", таблицы В.6 и Б.1 соответственно.

В.7 На основании этих данных, с учетом размеров ПЭ оболочек определяют толщину ППУ изоляции индустриальных конструкций теплопроводов для бесканальной прокладки тепловых сетей.

В.8. Рекомендации по применению изолированных труб типов 1 (стандартный) и 2 (усиленный) в зависимости от климатических районов строительства тепловых сетей

В.8.1. Трубопроводы и фитинги всех типоразмеров (диаметров) с изоляцией типа 1 (стандартный) рекомендовано применять в следующих климатических зонах:

- Европейский район - Центр, Юг;

- Западная Сибирь - Юг;

- Восточная Сибирь - Юг;

- Приморье;

- Северный Кавказ;

- Крым.

В.8.2. Трубопроводы и фитинги всех типоразмеров с изоляцией типа 2 (усиленный) рекомендовано применять в следующих климатических зонах:

- Европейский район - Север;

- Урал;

- Западная Сибирь - Центр, Север;

- Восточная Сибирь - Центр, Север;

- Дальний Восток.

В.8.3. Стальные трубы диаметров 1020, 1220 и 1420 мм могут быть применены на севере Европейской части, в Западной и Восточной Сибири и на Дальнем Востоке при условии использования защитной оболочки нестандартного наружного диаметра.

В.8.4. Окончательный выбор типа изоляции (тип 1 или 2) остается за проектной организацией с учетом климатических особенностей района проектирования и технико-экономического обоснования, в т.ч. стоимости топливно-энергетических ресурсов.

Приложение Г
(справочное)

ОРИЕНТИРОВОЧНАЯ МАССА 1 м ИЗОЛИРОВАННОЙ ТРУБЫ

Ориентировочная масса 1 м изолированной трубы приведена в таблице Г.1.

Таблица Г.1

Наружный диаметр стальных труб и толщина стенки, мм Масса трубы, кг
в ПЭ оболочке в ОЦ оболочке
Тип 1 Тип 2 Тип 1 Тип 2
32 x 3,0 3,12/3,58/3,90 - - 5,83
38 x 3,0 4,18/4,30 - - 6,11
45 x 3,0 4,79 - - 6,44
57 x 3,0 5,60 6,94 - 7,77
76 x 3,0 7,37 8,71 - 9,68
89 x 4,0 10,77 12,33 - 13,36
108 x 4,0 13,00 14,73 - 16,03
114 x 4,0 15,11 17,30 15,34 17,79
133 x 4,0 16,89 19,82 18,09 21,54
159 x 4,5 22,08 25,47 23,75 27,12
219 x 6,0 38,84 43,84 40,17 47,24
273 x 7,0 57,23 64,35 59,07 66,68
325 x 7,0 67,85 75,81 69,76 80,05
377 x 7,0 80,62 89,06 80,40 88,30
426 x 7,0 91,05 103,98 94,26 102,00
530 x 7,0 121,07 142,57 117,63/121,54 136,79
630 x 8,0 159,32 183,94 154,42/157,51 174,84
720 x 8,0 185,66 212,76 177,35/180,75 196,48
820 x 9,0 233,65 263,11 217,27/224,98 244,83
920 x 10,0 277,73 318,18 270,08/274,10 294,94
1020 x 11,0 346,50 - 323,77/328,10 -
1220 x 11,0 426,50 - 386,80/396,81 -
1420 x 12,0 534,47 - 484,29/489,85 -
Примечание - Плотность ППУ принимают равной 80 кг/м3.

Приложение Д
(рекомендуемое)

СОРТАМЕНТ ФИТИНГОВ

Д.1. Отвод

Д.1.1. Конструкция и размеры отвода должны соответствовать рисунку Д.1 и таблице Д.1.

1 - стальной патрубок; 2 - ППУ изоляция; 3 - защитная оболочка;
4 - центрирующая опора; 5 - электроизоляционная перфорированная трубка;
6 - проводник-индикатор СОДК (показан условно); 7 - стальной отвод;
D - наружный диаметр защитной оболочки; d - наружный диаметр стальной трубы;
L - длина плеча отвода; - угол отвода

Рисунок Д.1. Отвод

Таблица Д.1

Отвод

Наружный диаметр стального отвода d Наружный диаметр оболочки D L, мм, в зависимости от угла <**>
для ПЭ оболочки для ОЦ оболочки 90° 60° 45° 30°
Тип 1 Тип 2 Тип 1 Тип 2
32 125 - - 125 1000 1000 1000 1000
38 125 - - 125
45 125 - - 125 1000 1000 1000 1000
57 125 140 - 140
76 140 160 - 160
89 160 180 - 180
108 180 200 - 200
114 180 200 200 225
133 225 250 225 250
159 250 280 250 315
219 315 355 315 355
273 400 450 400 450
325 450 500 450 500 1050 860 786 720
377 500 560 500 - 1100 883 786 720
426 560 630 560 600 1100 889 807 734
530 710 800 675; 710 775 1200 946 848 761
630 <***> 800 900 775; 800 875 1300 945 848 761
630 <*> 1280 <*> 1014 <*> 911 <*> 819 <*>
720 <***> 900 1000 875; 900 1075 1400 1066 948 819
720 <*> 1370 <*> 1066 <*> 948 <*> 843 <*>
820 <***> 1000 1100 975; 1000 1175 1600 1073 990 820
820 <*> 1470 <*> 1073 <*> 990 <*> 820
920 <***> 1100 1200 1075; 1100 - 1772 1132 1032 846
920 <*> 1100 1200 1075 1570 <*> 1132 <*> 1032 <*> 846 <*>
1020 <***> 1200 - 1175; 1200 - 1924 1189 1022 874
1020 <*> 1200 1175; 1200 1620 <*> 1189 <*> 1022 <*> 874 <*>
1220 <*> 1425 - 1375; 1425 - 1820 <*> 1304 <*> 1105 <*> 927 <*>
1420 <*> 1600 - 1575; 1600 - 2020 <*> 1420 <*> 1188 <*> 980 <*>
<*> Сварные отводы.
<**> Допускается изготовление отводов с другими углами.
<***> Допускается изготовление крутоизогнутых отводов по ГОСТ 17375.
Отводы допускается изготовлять с другими значениями L по технологической документации предприятий-изготовителей.

Д.1.2. Пример условного обозначения отвода 90° диаметром 159 мм, толщиной стенки 5 мм, из стали марки 20 по ГОСТ 20295, с тепловой изоляцией типа 1, в ПЭ оболочке по ГОСТ 30732:

- в ПЭ оболочке:

Отвод 159 x 5-90°-20 ГОСТ 20295-ППУ1-ПЭ ГОСТ 30732-2020

- в ОЦ оболочке:

Отвод 159 x 5-90°-20 ГОСТ 20295-ППУ1-ОЦ ГОСТ 30732-2020

Д.2. Переход

Д.2.1. Конструкция и размеры перехода должны соответствовать рисунку Д.2 и таблице Д.2.

1 - стальная труба; 2 - ППУ изоляция; 3 - защитная оболочка;
4 - центрирующая опора; 5 - электроизоляционная перфорированная трубка;
6 - проводник-индикатор СОДК (показан условно); - меньший наружный диаметр защитной оболочки перехода;
- больший наружный диаметр защитной оболочки перехода;
- меньший наружный диаметр стальной трубы перехода;
- больший наружный диаметр стальной трубы перехода; L - длина перехода

Рисунок Д.2. Переход

Таблица Д.2

Переход

Размеры в миллиметрах

32 38 45 57 76 89 108 133 159 219 273 325 426 530 630 720 820 920 1020 1220
45 X - - - - - - - - - - - - - - - - - - -
57 - X X - - - - - - - - - - - - - - - - -
76 - X X X - - - - - - - - - - - - - - - -
89 - - X X X - - - - - - - - - - - - - - -
108 - - - X X X - - - - - - - - - - - - - -
133 - - - X X X X - - - - - - - - - - - - -
159 - - - X X X X X - - - - - - - - - - - -
219 - - - X X X X X X - - - - - - - - - - -
273 - - - - - - X X X X - - - - - - - - - -
325 - - - - - - X X X X X - - - - - - - - -
426 - - - - - - - - X X X X - - - - - - - -
530 - - - - - - - - - - X X X - - - - - - -
630 - - - - - - - - - - - X X X - - - - - -
720 - - - - - - - - - - - - X X X - - - - -
820 - - - - - - - - - - - - X X X X - - - -
920 - - - - - - - - - - - - - X X X X - - -
1020 - - - - - - - - - - - - - X X X X X - -
1220 - - - - - - - - - - - - - - 2390 2165 1945 1720 X -
1420 - - - - - - - - - - - - - - - 2550 2400 2186 1900 X
Примечание - Знак "X" - длина изделия равна 1500 мм.

Д.2.2. Пример условного обозначения стального перехода диаметром 219 - 159 мм, толщиной стенки 8 - 4,5 мм, из стали марки 20 по ГОСТ 20295, с изоляцией типа 1 (2), в ПЭ (ОЦ) оболочке по ГОСТ 30732:

Переход 219 x 8-159 x 4,5-20 ГОСТ 20295-ППУ1(2)-ПЭ (ОЦ) ГОСТ 30732-2020

Д.3. Тройник

Д.3.1. Конструкция и размеры тройника должны соответствовать рисунку Д.3 и таблице Д.3.

1 - стальной тройник; 2 - ППУ изоляция; 3 - центрирующая опора;
4 - электроизоляционная перфорированная трубка; 5 - проводник-индикатор СОДК;
- наружный диаметр защитной оболочки основания; - наружный диаметр защитной оболочки ответвления;
- наружный диаметр стальной трубы основания; - наружный диаметр стальной трубы ответвления;
H - длина ответвления; L - длина тройника

Рисунок Д.3. Тройник

Таблица Д.3

Тройник

Размеры в миллиметрах

32 38 45 57 76 89 108 133 159 219 273 325 426 530 630 720 820 920 1020 1220 1420
L 1200 1200 1200 1200 1300 1300 1300 1300 1400 1400 1800 1800 1900 2000 2000 2000 2000 2100 2100 2400 2700
32 H 700 700 700 700 700 700 700 700 700 700 900 900 1000 1000 1000 1100 1200 1200 1300 1400 1500
38 H - 700 700 700 700 700 700 700 700 700 900 900 1000 1000 1000 1100 1200 1200 1300 1400 1500
45 H - - 700 700 700 700 700 700 700 700 900 900 1000 1000 1000 1100 1200 1200 1300 1400 1500
57 H - - - 700 700 700 700 700 700 700 900 900 1000 1000 1000 1100 1200 1200 1300 1400 1500
76 H - - - - 700 700 700 700 700 700 900 900 1000 1000 1000 1100 1200 1200 1300 1400 1500
89 H - - - - - 700 700 700 700 700 900 900 1000 1000 1000 1100 1200 1200 1300 1400 1500
108 H - - - - - - 700 700 700 700 900 900 1000 1000 1000 1100 1200 1200 1300 1400 1500
133 H - - - - - - - 700 700 700 900 900 1000 1000 1000 1100 1200 1200 1300 1400 1500
159 H - - - - - - - - 700 700 900 900 1000 1000 1000 1100 1200 1200 1300 1400 1500
219 H - - - - - - - - - 700 900 900 1000 1000 1000 1100 1200 1200 1300 1400 1500
273 H - - - - - - - - - - 900 900 1000 1000 1000 1100 1200 1200 1300 1400 1500
325 H - - - - - - - - - - - 900 1000 1000 1000 1100 1200 1200 1300 1400 1500
426 H - - - - - - - - - - - - 1000 1000 1000 1100 1200 1200 1300 1400 1500
530 H - - - - - - - - - - - - - 1000 1000 1100 1200 1200 1300 1400 1500
630 H - - - - - - - - - - - - - - 1000 1100 1200 1200 1300 1400 1500
720 H - - - - - - - - - - - - - - - 1100 1200 1200 1300 1400 1500
820 H - - - - - - - - - - - - - - - - 1200 1200 1300 1400 1500
920 H - - - - - - - - - - - - - - - - - 1200 1300 1400 1500
1020 H - - - - - - - - - - - - - - - - - - 1300 1400 1500
1220 H - - - - - - - - - - - - - - - - - - - 1400 1500
1420 H - - - - - - - - - - - - - - - - - - - - 1500
Примечание - Возможно уменьшение длины L трубопровода с каждой стороны на значение (см. таблицу Д.5) при монтаже на строительной площадке.

Пример условного обозначения тройника диаметром 219 - 159 мм, толщиной стенки 8 - 4,5 мм соответственно, изготовленного из стали марки 20 по ГОСТ 20295, с изоляцией типа 1, в полиэтиленовой оболочке по ГОСТ 30732:

Тройник 219 x 8/159 x 4,5-20 ГОСТ 20295-ППУ1-ПЭ ГОСТ 30732-2020

Д.4. Тройниковое ответвление

Д.4.1. Конструкция и размеры тройникового ответвления должны соответствовать рисунку Д.4 и таблицам Д.4 и Д.5.

1 - стальное тройниковое ответвление; 2 - ППУ изоляция;
3 - защитная оболочка; 4 - центрирующая опора; 5 - электроизоляционная перфорированная трубка;
6 - проводник-индикатор СОДК; - наружный диаметр защитной оболочки основания;
- наружный диаметр защитной оболочки ответвления; - наружный диаметр стальной трубы основания;
- наружный диаметр стальной трубы ответвления; L - длина основания тройникового ответвления;
- длина тройникового ответвления

Рисунок Д.4. Тройниковое ответвление

Таблица Д.4

Тройниковое ответвление

Размеры в миллиметрах

32 38 45 57 76 89 108 133 159 219 273 325 426 530 630 720 820 920 1020 1220 1420
L 1200 1200 1200 1200 1300 1300 1300 1300 1400 1400 1800 1800 1900 2000 2000 2000 2000 2100 2100 2400 2700
32 730 730 730 730 760 790 810 850 880 980 - - - - - - - - - - -
38 - 730 730 730 760 790 810 850 880 980 1100 - - - - - - - - - -
45 - - 730 730 760 790 810 850 880 980 1100 1170 - - - - - - - - -
57 - - - 730 760 790 810 850 880 980 1100 1170 1320 - - - - - - - -
76 - - - - 770 800 820 860 900 990 1110 1180 1330 1550 - - - - - - -
89 - - - - - 810 830 870 910 1000 1120 1190 1340 1560 1680 - - - - - -
108 - - - - - - 850 880 920 1010 1130 1200 1360 1570 1700 1840 - - - - -
133 - - - - - - - 900 930 1030 1150 1220 1370 1580 1710 1850 1990 - - - -
159 - - - - - - - - 950 1040 1160 1230 1390 1600 1730 1870 2010 2140 - - -
219 - - - - - - - - - 1070 1190 1260 1420 1630 1760 1900 2040 2180 2290 - -
273 - - - - - - - - - - 1220 1290 1450 1660 1790 1930 2070 2220 2330 2630 -
325 - - - - - - - - - - - 1320 1480 1690 1820 1940 2100 2260 2380 2680 2980
426 - - - - - - - - - - - - 1540 1750 1880 2020 2160 2300 2420 2720 3020
530 - - - - - - - - - - - - - 1710 1840 1980 2120 2340 2460 2760 3060
630 - - - - - - - - - - - - - - 1940 2080 2230 2380 2510 2810 3110
720 - - - - - - - - - - - - - - - 2120 2260 2420 2555 2855 3155
820 - - - - - - - - - - - - - - - - 2310 2455 2590 2890 3190
920 - - - - - - - - - - - - - - - - - 2490 2640 2940 3240
1020 - - - - - - - - - - - - - - - - - - 2680 2980 3280
1220 - - - - - - - - - - - - - - - - - - - 3020 3320
1420 - - - - - - - - - - - - - - - - - - - - 3370
Примечание - Возможно уменьшение длины L трубопровода с каждой стороны на значение (см. таблицу Д.5) при монтаже на строительной площадке.

Таблица Д.5

Значения для тройников, тройниковых ответвлений и параллельных тройников

Размеры в миллиметрах

32 38 45 57 76 89 108 133 159 219 273 325 426 530 630 720 820 920 1020 1220 1420
L 1200 1200 1200 1200 1300 1300 1300 1300 1400 1400 1800 1800 1900 2000 2000 2000 2000 2100 2100 2400 2700
32 20 20 20 20 70 70 70 70 120 120 320 320 370 - - - - - - - -
38 - 20 20 20 70 70 70 70 120 120 320 320 370 - - - - - - - -
45 - - 20 20 70 70 70 70 120 120 320 320 370 - - - - - - - -
57 - - - 20 70 70 70 70 120 120 320 320 370 - - - - - - - -
76 - - - - 60 60 60 60 110 110 310 310 360 400 - - - - - - -
89 - - - - - 50 50 50 100 100 300 300 350 400 300 - - - - - -
108 - - - - - - 40 40 90 90 290 290 340 390 300 250 - - - - -
133 - - - - - - - 28 78 78 278 278 328 378 300 250 200 - - - -
159 - - - - - - - - 65 65 265 265 315 365 300 250 200 200 - - -
219 - - - - - - - - - 33 233 233 283 333 300 250 200 200 200 - -
273 - - - - - - - - - - 140 140 190 240 240 240 200 200 200 200 -
325 - - - - - - - - - - - 115 165 215 215 215 200 200 200 200 245
426 - - - - - - - - - - - - 110 160 160 160 160 200 200 200 245
530 - - - - - - - - - - - - - 85 85 85 85 135 135 200 245
630 - - - - - - - - - - - - - - 40 40 40 90 90 200 245
720 - - - - - - - - - - - - - - - 0 0 40 40 200 245
820 - - - - - - - - - - - - - - - - 0 0 0 200 245
920 - - - - - - - - - - - - - - - - - 0 0 160 245
1020 - - - - - - - - - - - - - - - - - - 0 110 245
1220 - - - - - - - - - - - - - - - - - - - 0 160
1420 - - - - - - - - - - - - - - - - - - - - 0

Д.4.2. Пример условного обозначения тройникового ответвления диаметром 426 - 219 мм, толщиной стенки 8 - 6 мм соответственно, изготовленного из стали марки 20 по ГОСТ 20295, с изоляцией типа 1, в полиэтиленовой (оцинкованной) оболочке по ГОСТ 30732 ПЭ:

Тройниковое ответвление

426 x 8/219 x 6-20 ГОСТ 20295-ППУ1-ПЭ (ОЦ) ГОСТ 30732-2020

Д.5. Параллельный тройник

Д.5.1. Конструкция и размеры параллельного тройника должны соответствовать рисунку Д.5 и таблице Д.6.

1 - параллельный стальной тройник; 2 - ППУ изоляция; 3 - защитная оболочка; 4 - центрирующая опора;
5 - электроизоляционная перфорированная трубка; 6 - проводник-индикатор СОДК (показан условно);
- наружный диаметр защитной оболочки основания; - наружный диаметр защитной оболочки;
- наружный диаметр стальной трубы основания; - наружный диаметр стальной трубы ответвления;
H - высота ответвления; L - длина основания тройника; - длина ответвления

Рисунок Д.5. Параллельный тройник

Таблица Д.6

Параллельный тройник

Размеры в миллиметрах

32 38 45 57 76 89 108 133 159 219 273 325 426 530 630 720 820 920 1020 1220 1420
L 1200 1200 1200 1200 1300 1300 1300 1300 1400 1400 1800 1800 1900 2000 2000 2000 2000 2100 2100 2400 2700
32 700 700 700 700 700 700 700 700 700 700 700 700 700 - - - - - - - -
H 275 275 275 283 293 303 313 325 338 370 413 438 493 - - - - - - - -
38 - 700 700 700 700 700 700 700 700 700 700 700 700 - - - - - - - -
H - 275 275 283 293 303 313 325 338 370 413 438 493 - - - - - - - -
45 - - 700 700 700 700 700 700 700 700 700 700 700 - - - - - - - -
H - - 275 283 293 303 313 325 338 370 413 438 493 - - - - - - - -
57 - - - 700 700 700 700 700 700 700 700 700 700 - - - - - - - -
H - - - 290 300 310 320 333 345 378 420 445 500 - - - - - - - -
76 - - - - 700 700 700 700 700 700 700 700 700 700 - - - - - - -
H - - - - 310 320 330 343 355 388 430 455 510 585 - - - - - - -
89 - - - - - 700 700 700 700 700 700 700 700 700 700 - - - - - -
H - - - - - 330 340 353 365 398 440 465 520 595 640 - - - - - -
108 - - - - - - 700 700 700 700 700 700 700 700 700 700 - - - - -
H - - - - - - 350 363 375 408 450 475 530 605 650 700 - - - - -
133 - - - - - - - 800 800 800 800 800 800 800 800 800 800 - - - -
H - - - - - - - 375 388 420 463 488 543 618 663 713 763 - - - -
159 - - - - - - - - 800 800 800 800 800 800 800 800 800 800 - - -
H - - - - - - - - 405 435 475 500 555 630 675 725 775 825 - - -
219 - - - - - - - - - 800 800 800 800 800 800 800 800 800 800 - -
H - - - - - - - - - 565 608 633 688 763 808 858 908 958 1008 - -
273 - - - - - - - - - - 1000 1000 1000 1000 1000 1000 1000 1000 1000 1000 -
H - - - - - - - - - - 650 675 730 805 850 900 950 1000 1050 1150 -
325 - - - - - - - - - - - 1100 1100 1100 1100 1100 1100 1100 1100 1100 1100
H - - - - - - - - - - - 713 763 830 875 925 975 1025 1075 1175 1275
426 - - - - - - - - - - - - 1200 1200 1200 1200 1200 1200 1200 1200 1200
H - - - - - - - - - - - - 913 985 1030 1080 1130 1180 1230 1330 1430
530 - - - - - - - - - - - - - 1200 1200 1200 1200 1200 1200 1200 1200
H - - - - - - - - - - - - - 1160 1205 1255 1305 1355 1405 1505 1605
630 - - - - - - - - - - - - - - 1200 1200 1200 1200 1200 1200 1200
H - - - - - - - - - - - - - - 1250 1300 1350 1400 1450 1550 1650
720 - - - - - - - - - - - - - - - 1200 1200 1200 1200 1200 1200
H - - - - - - - - - - - - - - - 1500 1550 1600 1650 1850 1950
820 - - - - - - - - - - - - - - - - 1200 1200 1200 1200 1200
H - - - - - - - - - - - - - - - - 1800 1850 1900 2000 2100
920 - - - - - - - - - - - - - - - - - 1300 1300 1300 1300
H - - - - - - - - - - - - - - - - - 2000 2050 2150 2250
1020 - - - - - - - - - - - - - - - - - - 1300 1300 1300
H - - - - - - - - - - - - - - - - - - 2200 2300 2400
1220 - - - - - - - - - - - - - - - - - - - 1500 1500
H - - - - - - - - - - - - - - - - - - - 2500 2600
1420 - - - - - - - - - - - - - - - - - - - - 1700
H - - - - - - - - - - - - - - - - - - - - 2800
Примечание - Возможно уменьшение длины L трубопровода с каждой стороны на значение (см. таблицу Д.5) при монтаже на строительной площадке.

Д.5.2. Пример условного обозначения параллельного тройника диаметром 426 - 219 мм, толщиной стенки 8 - 6 мм соответственно, изготовленного из стали марки 20 по ГОСТ 20295, с изоляцией типа 2, в полиэтиленовой (оцинкованной) оболочке по ГОСТ 30732:

Тройник параллельный

426 x 8/219 x 6-20 ГОСТ 20295-ППУ2-ПЭ (ОЦ) ГОСТ 30732-2020

Д.6. Тройник с шаровым краном воздушника

Д.6.1. Конструкция и размеры тройника с шаровым краном воздушника должны соответствовать рисунку Д.6 и таблице Д.7.

1 - стальная труба; 2 - ППУ изоляция; 3 - защитная оболочка; 4 - центрирующая опора;
5 - электроизоляционная перфорированная трубка (для труб со стальной оболочкой);
6 - проводник-индикатор СОДК; - наружный диаметр защитной оболочки основания;
- наружный диаметр защитной оболочки ответвления; - наружный диаметр стальной трубы основания;
- наружный диаметр стальной трубы ответвления; H - высота тройникового ответвления с шаровым краном;
- высота изоляции ответвления

Рисунок Д.6. Тройник с шаровым краном воздушника

Таблица Д.7

Тройник с шаровым краном воздушника

Размеры в миллиметрах

H H
32 25 541 361 325 32 690 510
38 25 544 364 426 32 740 560
45 25 548 368 530 57 790 610
57 32 554 375 630 57 840 660
76 32 560 380 720 57 870 685
89 32 570 390 820 57 940 755
108 32 580 400 920 57 985 805
133 32 595 425 1020 57 1035 855
159 32 605 425 1220 57 1135 955
219 32 635 455 1420 57 1235 1055
273 32 665 480 - - - -

Д.6.2. Пример условного обозначения тройника с шаровым краном воздушника диаметром 159 - 32 мм, толщиной стенки 4,5 - 3 мм, из стали 20 по ГОСТ 8731 гр В, с изоляцией типа 1, в ПЭ (ОЦ) оболочке по ГОСТ 30732:

Тройник с шаровым краном воздушника

159 x 4,5/32 x 3-20 ГОСТ 8731 грВ-ППУ1-ПЭ (ОЦ) ГОСТ 30732-2020

Д.7. Z-образный элемент

Д.7.1. Конструкция и размеры Z-образного элемента должны соответствовать рисунку Д.7 и таблице Д.8.

1 - стальная труба; 2 - ППУ изоляция; 3 - защитная оболочка;
4 - центрирующая опора; 5 - электроизоляционная перфорированная трубка;
6 - проводник СОДК; D - наружный диаметр защитной оболочки;
d - наружный диаметр стальной трубы; L - длина плеча Z-образного элемента;
- расстояние между осями Z-образного элемента

Рисунок Д.7. Z-образный элемент

Таблица Д.8

Z-образный элемент

Размеры в миллиметрах

d L d L
32 1000 2000 325 1050 2100
38 1000 2000 426 1100 2200
45 1000 2000 530 1200 2400
57 1000 2000 630 1280 2560
76 1000 2000 720 1370 2770
89 1000 2000 820 1470 2940
108 1000 2000 920 1570 3140
133 1000 2000 1020 1620 3240
159 1000 2000 1220 1820 3640
219 1000 2000 1420 2020 4040
273 1000 2000 - - -

Д.7.2. Пример условного обозначения Z-образного элемента диаметром 159 мм, толщиной стенки 4,5 мм, из стали марки 20 по ГОСТ 20295, с изоляцией типа 1, в ПЭ (ОЦ) оболочке по ГОСТ 30732:

Z-образный элемент 159 x 4,5-20 ГОСТ 20295-ППУ1-ПЭ (ОЦ) ГОСТ 30732-2020

Д.8. Неподвижная опора

Д.8.1. Конструкция и размеры неподвижной опоры должны соответствовать рисунку Д.8 и таблицам Д.9 и Д.10. Наружная поверхность стальных элементов опоры (поз. 3 и 7) должна иметь защитное покрытие.

а - элемент неподвижной опоры (вариант А)

Рисунок Д.8. Неподвижная опора (варианты А и Б). Лист 1

б - стандартный элемент неподвижной опоры (вариант Б)

1 - стальная труба; 2 - ППУ изоляция; 3 - стальная обечайка (стакан); 4 - центрирующая опора;
5 - электроизоляционная перфорированная трубка; 6 - проводник-индикатор СОДК;
7 - стальной щит неподвижной опоры; 8 - защитная оболочка; 9 - термоусаживаемая лента или термоусаживаемая муфта;
D - наружный диаметр защитной оболочки; d - наружный диаметр стальной трубы; H - высота (ширина) стального щита;
L - длина неподвижной опоры; - длина стального стакана; S - толщина стального щита

Рисунок Д.8. Лист 2

Таблица Д.9

Неподвижные опоры

Размеры в миллиметрах

d D L S H Нагрузка на элемент неподвижной опоры , тс
32 125 2500 400 16 255 3,6
38 125 2500 400 16 255 4,2
45 125 2500 400 16 255 5,0
57 125 2500 400 16 255 7,5
76 140 2500 400 16 275 9,5
89 160 2500 400 16 295 12,5
108 180 2500 420 16 315 19,0
133 225 2500 420 16 340 23,5
159 250 2500 520 20 400 36,0
219 315 2500 520 24 460 50,0
273 400 3000 660 30 550 75,0
325 450 3000 660 40 650 90,0
426 560 3000 710 40 750 120,0
530 710 3000 710 40 900 150,0
630 800 3000 800 50 1000 205,0
720 900 3500 850 50 1100 235,0
820 1000 3500 880 50 1300 310,0
920 1100 3500 950 60 1300 430,0
1020 1200 3500 995 60 1400 470,0

Неподвижные опоры (стандартные)

Размеры в миллиметрах

d D L S H Нагрузка на элемент неподвижной опоры , тс
32 125 1100 400 16 225 3,6
38 125 1100 400 16 230 4,2
45 125 1100 400 16 240 5,0
57 125 1100 400 16 255 7,5
76 140 1100 400 16 275 9,5
89 160 1100 400 16 295 12,5
108 180 1200 445 16 315 19,0
114 200 1200 445 16 315 19,0
133 225 1200 445 16 340 23,5
159 250 1400 540 20 400 36,0
219 315 1400 540 25 460 50,0
273 400 1700 630 25 550 50,0
325 450 1700 630 25 650 50,0
426 560 1700 630 25 750 50,0
530 710 2100 820 32 900 100,0
630 800 2100 820 32 1000 100,0
720 900 2100 820 40 1100 150,0
820 1000 2100 820 40 1300 150,0
920 1100 2300 920 40 1300 200,0
1020 1200 2300 920 40 1400 200,0
1220 1425 2500 1200 40 1600 200,0
1420 1600 2500 1200 40 1800 200,0

Ширину бетонного щита неподвижной опоры принимают со следующим обязательным условием: длина стального стакана для каждого диаметра неподвижной опоры выполняется из расчета 1/2 толщины бетонного щита плюс расстояние, необходимое для гидроизоляции стакана (стальной обечайки). Нагрузки на неподвижную опору и конструкция неподвижной опоры выбираются по альбомам типовых проектов <*>, применяемым на территории государства - участника Соглашения, принявшего настоящий стандарт.

<*> В Российской Федерации нагрузки принимают по альбомам типовых проектов МИП-ПС-326-03 (D 150 - 1000 мм) и НТС 62-91 (D 108 - 1420 мм). Также в Российской Федерации допускается применение неподвижных опор по альбому серии 3.903 кл. 14, выпуск 1-1 "Ленгипроинжпроект".

Д.8.2. Пример условного обозначения неподвижной опоры для трубы наружным диаметром 219 мм, толщиной стенки 6 мм, высотой щита 460 мм и толщиной щита 24 мм, изготовленной из стали марки 20 по ГОСТ 20295 с тепловой изоляцией из пенополиуретана типа 1, в полиэтиленовой оболочке по ГОСТ 30732:

Неподвижная опора

219 x 6-460 x 24 вар. А (вар. Б, серия 3.903)-20

ГОСТ 20295-ППУ1-ПЭ ГОСТ 30732-2020

Д.9. Металлическая заглушка изоляции

Д.9.1. Конструкция и размеры металлической заглушки изоляции должны соответствовать рисунку Д.9. Наружная поверхность заглушки должна иметь защитное покрытие.

1 - герметизатор кабельного вывода; 2 - заливочное отверстие;
D - наружный диаметр заглушки; d - диаметр монтажного отверстия заглушки (под сварку)

Рисунок Д.9. Металлическая заглушка изоляции

Д.9.2. Пример условного обозначения заглушки для стальной трубы наружным диаметром 108 мм с тепловой изоляцией из пенополиуретана типа 1, в полиэтиленовой (оцинкованной) оболочке по ГОСТ 30732:

Заглушка Ст 108-ППУ1-ПЭ (ОЦ) ГОСТ 30732-2020

Д.10. Элемент трубопровода с кабелем вывода

Д.10.1. Конструкция и размеры элемента трубопровода с кабелем вывода должны соответствовать рисунку Д.10.

1 - стальная труба; 2 - ППУ изоляция; 3 - защитная оболочка; 4 - центрирующая опора;
5 - проводник-индикатор СОДК; 6 - кабельный вывод; D - наружный диаметр защитной оболочки;
d - наружный диаметр стальной трубы

Рисунок Д.10. Промежуточный элемент трубопровода с кабелем вывода

Д.10.2. Пример условного обозначения элемента трубопровода с кабелем вывода для стальной трубы наружным диаметром 159 мм, толщиной стенки 4,5 мм, изготовленной из стали марки 20 по ГОСТ 20295, с тепловой изоляцией из пенополиуретана типа 1 (2), в полиэтиленовой (оцинкованной) оболочке по ГОСТ 30732:

Элемент трубопровода с кабелем вывода

159 x 4,5-20 ГОСТ 20295-ППУ1 (2)-ПЭ (ОЦ) ГОСТ 30732-2020

Д.11. Концевой элемент трубопровода с кабелем вывода

Д.11.1. Конструкция и размеры концевого элемента трубопровода с кабелем вывода должны соответствовать рисунку Д.11.

Допускается изготовлять концевой элемент с кабелем вывода из торцевой части.

1 - стальная труба; 2 - ППУ изоляция; 3 - защитная оболочка; 4 - центрирующая опора;
5 - проводник-индикатор СОДК; 6 - кабельный вывод; 7 - металлическая заглушка изоляции;
8 - гидроизоляция металлической заглушки изоляции; D - наружный диаметр защитной оболочки;
d - наружный диаметр стальной трубы; L - длина концевого элемента

Рисунок Д.11. Концевой элемент

Д.11.2. Пример условного обозначения концевого элемента трубопровода с кабелем вывода диаметром 273 мм, толщиной стенки 7 мм, изготовленной из стали марки 20 по ГОСТ 20295, с тепловой изоляцией из пенополиуретана типа 1 (2) в полиэтиленовой (оцинкованной) оболочке по ГОСТ 30732:

Концевой элемент трубопровода с кабелем вывода

273 x 7-20 ГОСТ 20295-ППУ1 (2)-ПЭ (ОЦ) ГОСТ 30732-2020

Д.12. Скользящая опора

Д.12.1. Конструкция и размеры скользящей опоры должны соответствовать рисунку Д.12 и таблице Д.11.

1 - ППУ изоляция; 2 - стальная труба; 3 - защитная оболочка; 4 - крепящие хомуты;
5 - резиновая прокладка; 6 - скользящая опора; B - ширина основания скользящей опоры;
D - наружный диаметр защитной оболочки; d - наружный диаметр стальной трубы; L - длина скользящей опоры

Рисунок Д.12. Скользящая опора

Таблица Д.11

Скользящая опора

Размеры в миллиметрах

Диаметр стальной трубы d Диаметр и толщина оболочки D x S B L
ПЭ ОЦ
32 125 x 2,5 125 x 0,55 100 320
38 125 x 2,5 125 x 0,55
45 125 x 2,5 125 x 0,55
57 125 x 2,5 -
140 x 3,0 140 x 0,55
76 140 x 3,0 -
160 x 3,0 160 x 0,55
89 160 x 3,0 -
180 x 3,0 180 x 0,6
108 180 x 3,0 -
200 x 3,2 200 x 0,6 140 470
133 225 x 3,5 225 x 0,7
250 x 3,9 -
159 250 x 3,9 250 x 0,7
219 315 x 4,9 315 x 0,8 280 670
273 400 x 5,6 400 x 0,8
450 x 5,6 -
325 450 x 5,6 450 x 1
426 560 x 7,0 560 x 1
530 710 x 8,9 675 x 1
630 800 x 10,0 775 x 1 600 770
720 900 x 11,2 875 x 1
820 1000 x 12,4 975 x 1 970
1100 x 13,8 - 800
920 1100 x 13,8 1075 x 1
1200 x 14,9 -
1020 1200 x 14,9 1175 x 1
1220 1425 x 17,3 1375 x 1 1200
1420 1600 x 19,6 1575 x 1 1200 <1>
<1> Минимальный размер.

Пример условного обозначения заказной спецификации скользящей опоры для стальной трубы наружным диаметром 426 мм с тепловой изоляцией из пенополиуретана типа 1, в полиэтиленовой (оцинкованной) оболочке по ГОСТ 30732:

Опора скользящая 426-ППУ1-ПЭ (ОЦ) ГОСТ 30732-2020

Д.13. Шаровой кран

Пример условного обозначения заказной спецификации шарового крана для стальной трубы наружным диаметром 273 мм, с тепловой изоляцией типа 1 из пенополиуретана, в полиэтиленовой (оцинкованной) оболочке и высотой крана H:

Шаровой кран 273-ППУ1-ПЭ (ОЦ) H = 1,2 ГОСТ 30732-2020

1 - шаровой кран; 2 - ППУ изоляция; 3 - защитная оболочка; 4 - центрирующая опора; 5 - электроизоляционная
перфорированная трубка; 6 - проводник-индикатор СОДК (показан условно); - наружный диаметр защитной оболочки изолированного крана;
- наружный диаметр защитной оболочки штока; - наружный диаметр стального патрубка крана; - наружный диаметр штока; H - высота крана

Рисунок Д.13. Конструкция изолированного шарового крана

Приложение Е
(справочное)

КОМПЕНСАЦИОННЫЕ МАТЫ

Е.1. Компенсационные маты (демпфирующие подушки) - один из важнейших элементов системы трубопроводов в ППУ изоляции. Их применение предотвращает разрушение ППУ изоляции и ПЭ оболочки вследствие поперечного давления грунта при изменении температуры теплоносителя.

Е.2. Маты производят из вспененного полиэтилена или полиуретановых пенопластов.

Е.3. Требования к матам

Е.3.1. Общие требования к матам

Маты должны:

- быть эластичными с малой остаточной деформацией;

- быть не подверженными разложению под воздействием различных сред;

- иметь необходимый предел прочности на сжатие по отношению к внешним нагрузкам;

- быть устойчивыми к заиливанию и проникновению песка;

- иметь минимальное водопоглощение (1% - 2%).

Е.3.2. Особые требования

Минимальное напряжение восстановления:

- при 10%-ной деформации - минимум 10 кПа;

- при 50%-ной деформации - 50 кПа для мягких матов, 100 кПа для матов средней жесткости, 150 кПа для жестких матов.

Допускаются две схемы установки матов (см. таблицу Е.1 и рисунок Е.1):

- полукольцевая (боковая) схема - с перекрытием синтетической оболочкой внахлест и фиксацией клейкой лентой (допустимая толщина 120 мм);

- круговая (полная) - с перекрытием стыка синтетической оболочкой и фиксацией клейкой лентой (допустимая толщина 100 мм).

Допустимая температура ПЭ оболочки:

- долговременная - 50 °C;

- кратковременная и локальная - 60 °C.

Таблица Е.1

Компенсационные маты

Размеры в миллиметрах

Схема установки Допустимая толщина подушки Компенсация удлинения от жесткости подушки
"мягкая" "жесткая"
Полукольцевая (боковая) 120 <= 60 <= 40
Круговая (полная) 100 <= 50 <= 35
       

а

б

1 - оболочка из синтетического материала; 2 - компенсационный мат; 3 - ППУ изоляция;
4 - стальная труба; 5 - ПЭ оболочка; 6 - фиксирующая клейкая лента

Рисунок Е.1. Полукольцевая (а) и круговая (б) рекомендуемые схемы установки демпфирующих подушек

Приложение Ж
(обязательное)

СИСТЕМА ОПЕРАТИВНО-ДИСТАНЦИОННОГО КОНТРОЛЯ ТРУБОПРОВОДОВ С ТЕПЛОВОЙ ИЗОЛЯЦИЕЙ ИЗ ПЕНОПОЛИУРЕТАНА В ПОЛИЭТИЛЕНОВОЙ ОБОЛОЧКЕ ИЛИ СТАЛЬНОМ ЗАЩИТНОМ ПОКРЫТИИ. ПРОЕКТИРОВАНИЕ, МОНТАЖ, ПРИЕМКА, ЭКСПЛУАТАЦИЯ

Ж.1. Состав, требования к проектированию, монтажу, приемке и эксплуатации СОДК трубопроводов с ППУ изоляцией регламентируются нормативными документами <*>, действующими на территории государства - участника Соглашения, принявшего настоящий стандарт.

<*> В Российской Федерации действует СП 41-105-2002 "Проектирование и строительство тепловых сетей бесканальной прокладки из стальных труб с индустриальной тепловой изоляцией из пенополиуретана в полиэтиленовой оболочке".

Ж.2. Термины и определения

В настоящем приложении применены следующие термины с соответствующими определениями:

Ж.2.1. сигнальная линия: Основной или транзитный сигнальный проводник СОДК трубопровода между начальной и конечной точками контроля.

Ж.2.2. сигнальный контур: Два сигнальных проводника СОДК трубопровода между начальной и конечной точками контроля, объединенные в общую электрическую цепь.

Ж.2.3. точка контроля: Предусмотренное проектом и обустроенное место доступа к СОДК.

Ж.2.4. концевая точка контроля: Обустроенное место доступа к СОДК через концевой элемент трубопровода с кабелем вывода.

Ж.2.5. промежуточная точка контроля: Обустроенное место доступа к СОДК через промежуточный элемент трубопровода с кабелем вывода.

Ж.2.6. система диспетчеризации: Система сбора данных с разноудаленных объектов на единый диспетчерский пункт.

Ж.3. Состав и технические требования

Ж.3.1. В состав СОДК входят следующие элементы:

- сигнальные проводники в теплоизоляционном слое трубопроводов, проходящие по всей длине теплопроводов и являющиеся датчиками СОДК;

- кабели, предназначенные для соединения сигнальных проводников, расположенных в ППУ изоляции трубопровода, с терминалами, находящимися в точках контроля;

- терминалы (монтажные коробки с кабельными вводами, клеммной колодкой и разъемами), предназначенные для подключения приборов контроля и соединения сигнальных проводников (кабеля) в точках контроля;

- детекторы повреждений (стационарный и переносной) для определения состояния изоляции трубопровода и целостности сигнальных проводников;

- локатор повреждений (импульсный рефлектометр) для поиска мест увлажнения изоляции трубопровода и мест повреждений сигнальных проводников;

- тестер изоляции (высоковольтный мегаомметр с функцией измерения сопротивления проводников);

- наземные и настенные коверы, предназначенные для установки в них терминалов и защиты элементов СОДК от воздействия окружающей среды и несанкционированного доступа.

Ж.3.2. Технические параметры применяемых детекторов в соответствии с нормативными документами <**>, действующими на территории государства - участника Соглашения, принявшего настоящий стандарт, должны быть унифицированными:

- пороговое значение сопротивления изоляции для срабатывания сигнала "Намокание" должно принимать значение не более 5 кОм;

- пороговое значение сопротивления сигнальных проводников для срабатывания сигнала "Обрыв" должно принимать значение менее 200 Ом +/- 5%;

- точность измерения сопротивления изоляции и преобразования измеренных значений в унифицированные аналоговые и цифровые сигналы в диапазоне от 1 кОм до 1 МОм должна быть не ниже 10%;

- в целях повышения достоверности измерений и исключения влияния электрохимических процессов при увлажнении изоляции трубопровода в измерительном контуре следует формировать измерительный сигнал переменного тока.

<**> В Российской Федерации унификация технических параметров детекторов - в соответствии с пунктом 4.57 СП 41-105-2002 "Проектирование и строительство тепловых сетей бесканальной прокладки из стальных труб с индустриальной тепловой изоляцией из пенополиуретана в полиэтиленовой оболочке".

Ж.3.3. В стационарных детекторах должна быть реализована электрическая развязка по каналам, что обеспечивает отсутствие их взаимного влияния.

Ж.3.4. В целях повышения информативности контроля за состоянием трубопровода рекомендуется применять многоуровневые аналоговые и цифровые детекторы повреждений. Наличие в детекторе нескольких уровней индикации сопротивления изоляции позволяет контролировать скорость намокания изоляции, которая характеризует опасность дефекта.

Ж.3.5. Переносные детекторы с автономным питанием позволяют проводить только периодический контроль. Для повышения оперативности выявления повреждений рекомендуется использовать стационарные детекторы, обеспечивающие непрерывный контроль состояния СОДК.

Ж.3.6. Локатор, применяемый для определения мест повреждений трубопровода, должен <*>:

- обеспечивать возможность определения вида и мест дефектов с погрешностью не более 1% измеряемой длины сигнального проводника;

- обеспечивать дальность (диапазон) измерений - не менее 300 м с возможностью просмотра участков 25, 50 и 100 м;

- иметь внутреннюю память для регистрации результатов измерений с объемом, который позволяет записывать и хранить не менее 20 рефлектограмм;

- обеспечивать функцию обмена информацией с персональным компьютером (допускается использовать рефлектометр с портативным печатающим устройством).

<*> В Российской Федерации характеристики локатора - по пункту 6.43 СП 41-105-2002 "Проектирование и строительство тепловых сетей бесканальной прокладки из стальных труб с индустриальной тепловой изоляцией из пенополиуретана в полиэтиленовой оболочке".

Ж.3.7. Для повышения оперативности выявления дефектов и снижения эксплуатационных расходов рекомендуется использовать системы диспетчеризации показаний детекторов СОДК.

Ж.3.8. Проверка состояния изоляции элементов трубопровода и участков трубопровода должна осуществляться тестером изоляции (высоковольтным мегаомметром) с контрольным напряжением 500 В. Нормативное сопротивление изоляции одного элемента должно составлять не менее 100 МОм. Оценка работоспособности СОДК осуществляется с помощью тестера изоляции при контрольном напряжении 250 В путем проведения измерений фактических значений сопротивления изоляции и сопротивления сигнальных проводников и дальнейшего их сравнения со значениями, рассчитанными по нормативам.

Ж.3.9. По согласованию с заказчиком допускается применение иных СОДК, монтаж, приемка и эксплуатация которых должны осуществляться по соответствующей технической документации изготовителя.

Ж.3.10. Конструкция ковера должна отвечать требованиям соответствующих пунктов нормативных документов <**>, действующих на территории государства - участника Соглашения, принявшего настоящий стандарт.

<**> В Российской Федерации требования к конструкции ковера - по пунктам 4.72 и 4.73 СП 41-105-2002 "Проектирование и строительство тепловых сетей бесканальной прокладки из стальных труб с индустриальной тепловой изоляцией из пенополиуретана в полиэтиленовой оболочке".

Ж.4. Проектирование СОДК

Ж.4.1. Обязательной составной частью проекта теплосети из предварительно изолированных труб является проект на СОДК.

Ж.4.2. Проект на СОДК разрабатывают на основании технического задания эксплуатирующей организации, проекта на прокладку трубопроводов, а также руководств предприятий - изготовителей оборудования для систем контроля.

Ж.4.3. Проект на СОДК должен содержать:

- пояснительную записку;

- графическую схему СОДК;

- схемы электрических соединений.

Ж.4.4. В пояснительной записке должен быть обоснован выбор терминалов и приборов контроля детекторов повреждений, обоснованы и определены места расположения точек контроля и их оснащение, а также выполнен расчет расходных материалов.

Ж.4.5. Пояснительная записка должна содержать таблицу характерных точек, таблицу точек контроля, таблицу маркировки кабелей.

Ж.4.6. Графическая схема СОДК должна содержать следующие данные:

- графическое изображение расположения и соединения сигнальных проводников трубопровода;

- обозначение мест расположения строительных и монтажных конструкций, относящихся к проектируемому трубопроводу [домов, центральных тепловых пунктов (ЦТП), камер и т.п.];

- характерные точки трубопровода, соответствующие плану трассы;

- точки контроля;

- таблица условных обозначений всех используемых элементов СОДК.

Ж.4.7. Характерными точками являются: углы поворотов трубопровода, ответвления теплотрассы, неподвижные опоры, запорная арматура, компенсаторы, переходы диаметров, окончания трубопровода.

Ж.4.8. На схеме электрических соединений должны быть отображены:

- порядок подключения соединительных кабелей к терминалам (коммутация проводников внутри терминала);

- порядок подключения кабелей к сигнальным проводникам трубопровода;

- маркировка разъемов терминалов, отображающая направления измерений по каждому разъему.

Порядок соединения проводников кабеля внутри терминала должен быть указан в паспорте на подключаемый терминал и служить основой для составления электрической схемы.

Ж.4.9. Выбор типа терминалов проводят на основе требований технического задания, соответствующих пунктов нормативных документов <*>, действующих на территории государства - участника Соглашения, принявшего настоящий стандарт, а также рекомендаций, приведенных в таблице Ж.1.

<*> В Российской Федерации - согласно пунктам 4.69 - 4.71 СП 41-105-2002 "Проектирование и строительство тепловых сетей бесканальной прокладки из стальных труб с индустриальной тепловой изоляцией из пенополиуретана в полиэтиленовой оболочке".

Ж.4.10. По итогам разработки проекта должна быть составлена спецификация на комплектующие системы контроля и расходные материалы с указанием точек установки.

Ж.4.11. Проектирование СОДК следует проводить в соответствии с нормативными документами <**>, действующими на территории государства - участника Соглашения, принявшего настоящий стандарт.

<**> В Российской Федерации - согласно пунктам 4.59 - 4.68 СП 41-105-2002 "Проектирование и строительство тепловых сетей бесканальной прокладки из стальных труб с индустриальной тепловой изоляцией из пенополиуретана в полиэтиленовой оболочке".

Ж.4.12. На границах проектируемого трубопровода, где отсутствует точка контроля, сигнальные проводники должны быть закольцованы в концевом элементе под металлической заглушкой изоляции.

Ж.4.13. Для повышения надежности СОДК рекомендуется устанавливать в промежуточных точках контроля терминалы со степенью защиты IP65 по ГОСТ 14254.

Ж.4.14. Подключение стационарного детектора рекомендуется проводить через терминал, обеспечивающий возможность отключения детектора от сигнальных линий трубопроводов.

При проектировании необходимо предусмотреть вывод трехжильного кабеля из металлических заглушек изоляции при вводе тепловой сети в помещение теплового пункта только при отсутствии угрозы затопления. Во всех остальных случаях необходимо осуществлять вывод кабелей из ПЭ оболочки с использованием пятижильного кабеля.

Исключением являются тепловые сети, имеющие двухконтурную систему контроля. В этом случае приоритетным является вывод пятижильного кабеля из металлической заглушки изоляции.

Ж.5. Монтаж СОДК

Ж.5.1. Монтаж СОДК заключается в соединении сигнальных проводников на стыках трубопровода, подсоединении кабеля к элементам трубопровода с кабелем вывода, установке коверов, подключении терминалов к кабелю, подключении стационарного детектора.

Ж.5.2. Монтаж СОДК следует проводить в соответствии со схемой, разработанной в проекте и согласованной с эксплуатирующей организацией <***>.

<***> В Российской Федерации требования к схеме монтажа - по пункту 6.41 СП 41-105-2002 "Проектирование и строительство тепловых сетей бесканальной прокладки из стальных труб с индустриальной тепловой изоляцией из пенополиуретана в полиэтиленовой оболочке".

Ж.5.3. Монтаж СОДК должны выполнять специалисты, прошедшие обучение в центрах подготовки производителей оборудования для систем контроля и производителей предварительно изолированных труб.

Ж.5.4. При монтаже элементы трубопроводов необходимо ориентировать таким образом, чтобы основной (маркированный) сигнальный проводник располагался всегда справа, а транзитный - слева относительно направления движения теплоносителя от источника тепла к потребителю.

Ж.5.5. При монтаже трубопроводов элементы трубопроводов необходимо ориентировать таким образом, чтобы проводники были расположены в верхней части стыка, исключая нижнюю четверть.

Ж.5.6. Перед соединением проводников на стыках сваренного трубопровода на каждом стыке необходимо выполнять проверку работоспособности системы контроля прилегающих к стыку участков в соответствии с Ж.3.8.

Ж.5.7. Сигнальные проводники на стыках необходимо соединять исключительно в следующем порядке: основной сигнальный проводник следует соединять с основным, а транзитный - с транзитным. Перехлест проводников на стыке запрещен.

Ж.5.8. Резервные проводники, применяемые в трубопроводах с диаметром 530 мм и более, на стыках трубопровода не соединяют между собой в сигнальную линию и не выводят из-под изоляции трубопровода, так как в работе СОДК они не задействуются.

Ж.5.9. Все боковые ответвления трубопровода должны быть включены в разрыв основного сигнального проводника. Запрещается подключать боковые ответвления к транзитному проводнику. Для монтажа сигнальных проводников на ответвлениях трубопровода рекомендуется применять тройники с универсальной схемой расположения проводников, которая позволяет использовать один типовой тройник для ответвлений как в правую, так и в левую сторону.

Ж.5.10. Соединения сигнальных проводников при изоляции стыков осуществляют в соответствии с нормативными документами <*4> действующими на территории государства - участника Соглашения, принявшего настоящий стандарт. Соединенные проводники должны быть зафиксированы в стыках трубопровода с помощью специальных держателей (стоек), закрепленных в стальной трубе с помощью термостойкого скотча.

<*4> В Российской Федерации - согласно пункту 6.44 СП 41-105-2002 "Проектирование и строительство тепловых сетей бесканальной прокладки из стальных труб с индустриальной тепловой изоляцией из пенополиуретана в полиэтиленовой оболочке".

Ж.5.11. После окончания работ по изолированию стыков по всей длине трубопровода либо по участкам оценивают работоспособность СОДК с помощью тестера изоляции при напряжении 250 В.

Ж.5.12. Соединительные кабели должны быть присоединены к сигнальным проводникам через герметичные кабельные выводы с помощью наборов термоусадочных трубок с внутренним клеевым слоем в соответствии с нормативными документами <*>, действующими на территории государства - участника Соглашения, принявшего настоящий стандарт.

<*> В Российской Федерации - согласно пунктам 6.46 и 6.47 СП 41-105-2002 "Проектирование и строительство тепловых сетей бесканальной прокладки из стальных труб с индустриальной тепловой изоляцией из пенополиуретана в полиэтиленовой оболочке".

Ж.5.13. В качестве соединительных кабелей в точках контроля и транзитах применяют кабели, указанные в нормативных документах <**>, действующих на территории государства - участника Соглашения, принявшего настоящий стандарт.

<**> В Российской Федерации - согласно пункту 6.48 СП 41-105-2002 "Проектирование и строительство тепловых сетей бесканальной прокладки из стальных труб с индустриальной тепловой изоляцией из пенополиуретана в полиэтиленовой оболочке" применяют кабели марки NYY или NYM (3 x 1,5 и 5 x 1,5) с сечением токопроводящей жилы 1,5 мм2 и цветовой маркировкой жил.

Ж.5.14. Соединение жил кабелей в точках контроля с сигнальными проводниками в изолированной трубе должно осуществляться в соответствии с цветовой маркировкой по нормативному документу <***>, действующему на территории государства - участника Соглашения, принявшего настоящий стандарт.

<***> В Российской Федерации - согласно пунктам 6.49 и 6.50 СП 41-105-2002 "Проектирование и строительство тепловых сетей бесканальной прокладки из стальных труб с индустриальной тепловой изоляцией из пенополиуретана в полиэтиленовой оболочке".

Ж.5.15. Прокладку соединительных кабелей от трубопровода до ковера и внутри зданий осуществляют в соответствии с нормативными документами <*4>, действующими на территории государства - участника Соглашения, принявшего настоящий стандарт.

<*4> В Российской Федерации - согласно пунктам 4.74 и 4.75 СП 41-105-2002 "Проектирование и строительство тепловых сетей бесканальной прокладки из стальных труб с индустриальной тепловой изоляцией из пенополиуретана в полиэтиленовой оболочке".

Ж.5.16. Маркировку соединительных кабелей проводят в соответствии с нормативными документами <*5>, действующими на территории государства - участника Соглашения, принявшего настоящий стандарт.

<*5> В Российской Федерации - согласно пункту 6.51 СП 41-105-2002 "Проектирование и строительство тепловых сетей бесканальной прокладки из стальных труб с индустриальной тепловой изоляцией из пенополиуретана в полиэтиленовой оболочке".

В маркировке указывают следующие данные: номер характерной точки, в которой подключен кабель, номер характерной точки, в сторону которой направлены сигнальные проводники по данному кабелю, и фактическую длину кабеля.

Ж.5.17. Подключение соединительных кабелей к терминалам в точках контроля следует выполнять в соответствии с цветовой маркировкой согласно нормативным документам <*6> действующим на территории государства - участника Соглашения, принявшего настоящий стандарт, и инструкцией по эксплуатации (паспорт прибора).

<*6> В Российской Федерации - согласно пункту 6.52 СП 41-105-2002 "Проектирование и строительство тепловых сетей бесканальной прокладки из стальных труб с индустриальной тепловой изоляцией из пенополиуретана в полиэтиленовой оболочке".

Ж.5.18. Требования к маркировке терминалов - в соответствии с классификацией таблицы Ж.1.

Таблица Ж.1

Классификация терминалов системы ОДК

Признаки Обозначение Примечание
1. Назначение
1.1. Концевые A Устанавливают в концевых точках контроля.
К концевым терминалам подключают два кабеля NYM 3 x 1,5
1.2. Промежуточные B Устанавливают в промежуточных точках контроля. Для подключения используют два кабеля NYM 5 x 1,5
1.3. Проходные C Устанавливают в точках контроля, где имеются разрывы ППУ изоляции. Для подключения используют:
- четыре кабеля NYM 3 x 1,5;
- шесть кабелей NYM 3 x 1,5;
- восемь кабелей NYM 3 x 1,5
2. Конструктивные особенности Наличие или отсутствие разъемов
2.1. Терминалы с разъемами 1 Измерения параметров проводят с гнезд разъемов, установленных на корпусе терминала
2.2. Терминалы без разъемов 2 Измерения параметров проводят путем подключения к жилам соединительных кабелей после снятия крышки корпуса терминала
3. Герметичность
3.1. Терминалы с разъемами 54 Могут иметь степень защиты IP54 (ГОСТ 14254) в зависимости от герметичности разъемов
65 Могут иметь степень защиты IP65 (ГОСТ 14254) в зависимости от герметичности разъемов
3.2. Терминалы без разъемов 65 Имеют степень защиты IP65 (ГОСТ 14254)
4. Тип кабеля
4.1. Кабели NYM 3 x 1,5 Количество <*> кабелей/количество жил Используют при подключении терминалов группы A и C
4.2. Кабели NYM 5 x 1,5 Количество <*> кабелей/количество жил Используют при подключении терминалов группы B
<*> Например, для подключения тройникового проходного терминала используют шесть кабелей NYM 3 x 1,5.
Пример условного обозначения проходного терминала, без разъемов, со степенью защиты IP65, подключаемого шестью кабелями NYM 3 x 1,5:

С-2-65-6/3

См. также графу "Тип" таблицы Ж.2.

Таблица Ж.2

Условные графические обозначения элементов СОДК

Наименование Тип Примечание Условное обозначение
1. Коммутационный концевой измерительный терминал A-1-54-2/3
A-1-65-2/3
Концевой. Для подключения переносного/стационарного детектора. Под трехжильный кабель
2. Коммутационный промежуточный терминал B-2-65-2/5 Промежуточный. Для соединения/разъединения СОДК. Внутренние перемычки. Под пятижильный кабель
3. Коммутационный промежуточный измерительный терминал B-1-54-2/5
B-1-65-2/5
Промежуточный. Для соединения/разъединения СОДК. Наружные перемычки. Под пятижильный кабель
4. Коммутационный концевой терминал A-2-65-2/3 Концевой. Для закольцовки сигнальных проводников. Под трехжильный кабель
5. Коммутационный проходной терминал для четырех двухтрубных СОДК C-2-65-8/3 Для подключения четырехканального стационарного детектора или соединения четырех двухтрубных СОДК. Под трехжильный кабель
6. Коммутационный проходной терминал для двух двухтрубных СОДК C-2-65-4/3 Для соединения двух двухтрубных СОДК. Под трехжильный кабель
7. Коммутационный измерительный проходной терминал C-2-54-4/3
C-2-65-4/3
Для подключения диагностирующего оборудования (переносного/стационарного детектора) или соединения двух двухтрубных СОДК. Под трехжильный кабель
8. Коммутационный тройниковый проходной терминал C-2-65-6/3 Для соединения трех двухтрубных независимых СОДК. Под трехжильный кабель
9. Стационарный двухканальный многоуровневый детектор Д-М-220
Д-М-220-CK
Д-М-220-TB
Д-М-220-RS
Питание от сети переменного тока 220 В. Пять уровней сопротивления изоляции. Для контроля двух трубопроводов
10. Стационарный четырехканальный многоуровневый детектор Д-М-220
Д-М-220-CK
Д-М-220-TB
Д-М-220-RS
Питание от сети переменного тока 220 В. Пять уровней сопротивления изоляции. Для контроля четырех трубопроводов
11. Штекер-коммутатор - Для разъединения СОДК в точке контроля на независимые участки
12. Объединяющая перемычка - Для объединения СОДК в точке контроля

Примеры условного обозначения на схеме терминала:

- коммутационного концевого измерительного степенью защиты IP54 с двумя входами кабелями NYM 3 x 1,5 работающего в режиме разъединения СОДК в точке контроля на независимые участки

;

- коммутационного измерительного проходного степенью защиты IP54 с двумя входами кабелями NYM 5 x 1,5 работающего в режиме подключения четырехканального многоуровневого стационарного детектора с питанием 220 В и выходом по интерфейсу RS485

,

где Т1-14 - порядковый номер терминала на схеме;

Д1 - порядковый номер детектора на схеме.

Ж.5.19. Коверы СОДК должны быть промаркированы в соответствии с требованиями эксплуатирующей организации. В маркировке указывают номер проекта и номер точки контроля.

Ж.5.20. После монтажа СОДК следует выполнить ее исполнительную схему с учетом требований нормативных документов <*>, действующих на территории государства - участника Соглашения, принявшего настоящий стандарт, включая:

- графическое изображение расположения и соединения сигнальных проводников трубопровода;

- обозначение мест расположения строительных и монтажных конструкций, относящихся к проектируемому трубопроводу (домов, ЦТП, камер и т.п.);

- фактические места расположения характерных точек;

- таблицу характерных точек с фактическими расстояниями;

- таблицу условных обозначений всех используемых элементов СОДК;

- таблицу маркировки соединительных кабелей или терминалов.

<*> В Российской Федерации - согласно пункту 4.76 СП 41-105-2002 "Проектирование и строительство тепловых сетей бесканальной прокладки из стальных труб с индустриальной тепловой изоляцией из пенополиуретана в полиэтиленовой оболочке".

Ж.5.21. По окончании монтажа СОДК должно быть проведено обследование с учетом требований нормативных документов <*>, действующих на территории государства - участника Соглашения, принявшего настоящий стандарт, включающее в себя:

- измерение сопротивления изоляции по каждому сигнальному проводнику (сопротивление сигнальной линии);

- измерение сопротивления петли сигнальных проводников (сопротивление сигнального контура);

- измерение длины сигнальных проводников и длин соединительных кабелей во всех точках контроля;

- запись рефлектограмм сигнальных проводников.

Измерения сопротивлений изоляции проводят тестером с напряжением 250 В.

Ж.6. Приемка и эксплуатация СОДК

Ж.6.1. Приемка СОДК должна осуществляться комиссией в составе представителей:

- строительной организации;

- организации, проводившей монтаж и наладку СОДК;

- эксплуатирующей организации;

- организации, проводящей контроль состояния ППУ изоляции и СОДК (в случае, если контроль ведется сторонней организацией).

Ж.6.2. При приемке в эксплуатацию СОДК должны быть предоставлены следующие документация и оборудование:

- исполнительная схема системы контроля (если смонтированная схема отличается от проектной, то все изменения должны быть учтены в исполнительной схеме);

- схема стыков (на схеме стыков должно быть указано расстояние в метрах между каждым стыком, а также обозначены характерные точки в соответствии со схемой СОДК);

- план теплотрассы в масштабе 1:2000;

- план теплотрассы в масштабе 1:500 с геодезической привязкой коверов СОДК;

- гарантийное письмо от строительной организации;

- акт работоспособности системы контроля;

- приборы контроля (детекторы повреждений, локаторы и т.п.) с комплектующими изделиями (при наличии) и с технической документацией по их эксплуатации - согласно проекту;

- комплект ключей для коверов.

Ж.6.3. Перечень измерений, проводимых в присутствии приемочной комиссии, должен соответствовать требованиям нормативных документов <*>, действующих на территории государства - участника Соглашения, принявшего настоящий стандарт.

<*> В Российской Федерации - согласно пункту 6.57 СП 41-105-2002 "Проектирование и строительство тепловых сетей бесканальной прокладки из стальных труб с индустриальной тепловой изоляцией из пенополиуретана в полиэтиленовой оболочке".

Ж.6.4. Нормативное значение сопротивления изоляции принимают по нормативным документам <**>, действующим на территории государства - участника Соглашения, принявшего настоящий стандарт. Для трубопроводов, длина сигнальных проводников которых отличается от указанной, нормативное значение сопротивления изоляции изменяется обратно пропорционально фактической (измеряемой) длине трубопровода, включая ответвления, и рассчитывается по формуле

., (Ж.1)

где . - длина измеряемого трубопровода, м.

<**> В Российской Федерации принимают 1 МОм на 300 м сигнальных проводников трубопровода согласно пункту 6.58 СП 41-105-2002 "Проектирование и строительство тепловых сетей бесканальной прокладки из стальных труб с индустриальной тепловой изоляцией из пенополиуретана в полиэтиленовой оболочке".

Нормативное значение сопротивления проводников рассчитывают по формуле

, (Ж.2)

где - удельное электрическое сопротивление проволоки, Ом ( Ом для 1 м провода сечением 1,5 мм2 при температуре t = -15 °C ... +150 °C);

- длина измеряемой сигнальной линии, м.

Ж.6.5. В случае если фактическое значение сопротивления изоляции ниже нормативного, или фактические значения сопротивления проводников превышают нормативные (минимум на 10% - 20%), СОДК считается неработоспособной, и требуется устранение причин, приведших к этому. После устранения дефектов осуществляют повторную проверку работоспособности.

Ж.6.6. Для получения достоверных данных о работоспособности СОДК необходимо удостовериться в надежности подключения желто-зеленой жилы "заземление" кабеля к стальной трубе. Для проверки необходимо выполнить следующие действия: провести измерение сопротивления заземления между проводником "заземление" и грунтом (поочередно для всех трубопроводов). Измеренное сопротивление заземления не должно превышать 100 Ом.

Ж.6.7. Во время приемки представители приемочной комиссии должны проверить:

- наличие четкой и соответствующей исполнительной схеме СОДК маркировки на соединительных кабелях, терминалах и коверах;

- наличие всех приборов, оборудования и элементов СОДК, указанных в проекте;

- соответствие измеренной длины сигнальной линии каждого трубопровода с длиной трубопровода по исполнительной документации;

- соответствие исполнительной схемы СОДК с фактически построенной теплотрассой.

Все обнаруженные недостатки и отклонения от проекта указываются в акте работоспособности системы контроля. После устранения всех замечаний осуществляют повторную сдачу в эксплуатацию.

Ж.6.8. Контроль состояния трубопроводов при эксплуатации трубопровода должна осуществлять организация, эксплуатирующая трубопровод, либо привлеченная независимая организация.

Ж.6.9. Для оперативного выявления повреждений трубопровода в соответствии с нормативными документами <*>, действующими на территории государства - участника Соглашения, принявшего настоящий стандарт, необходимо обеспечить регулярный контроль состояния СОДК (не реже двух раз в месяц) с помощью детектора.

<*> В Российской Федерации - согласно пункту 6.59 СП 41-105-2002 "Проектирование и строительство тепловых сетей бесканальной прокладки из стальных труб с индустриальной тепловой изоляцией из пенополиуретана в полиэтиленовой оболочке".

Ж.6.10. При контроле трубопровода с помощью многоуровневых детекторов (или тестеров изоляции) в случае снижения уровня сопротивления детектора необходимо повысить частоту обследования объекта для как можно более раннего обнаружения увлажнения и его локализации.

Ж.6.11. При срабатывании СОДК (обрыв или увлажнение) необходимо проверить наличие и правильность подключения заглушек (замыкателей) и перемычек терминалов во всех точках контроля, после чего провести повторные измерения.

Ж.6.12. При подтверждении сигнала о неисправности теплотрассы, находящейся на гарантийном обслуживании строительной организации (организации, осуществляющей монтаж, наладку и сдачу СОДК), эксплуатирующая организация уведомляет о характере неисправности строительную организацию, которая организует работу по определению места неисправности и ремонту.

Ж.6.13. Для более точной локализации места дефекта на трубопроводе, включающем несколько точек контроля, рекомендуется сначала определить дефектный участок, а затем на данном участке провести измерения с помощью локатора с обеих сторон участка.

Ж.6.14. После проведения ремонта повреждений комиссия в составе строительной и эксплуатирующей организаций должна составить акт, в котором указывают перечень выполненных работ, а также данные о параметрах СОДК на обоих трубопроводах теплотрассы после ремонта.

Приложение И
(справочное)

МАТЕРИАЛЫ, ПРИМЕНЯЕМЫЕ ДЛЯ ИЗГОТОВЛЕНИЯ ТРУБОПРОВОДОВ ТЕПЛОВЫХ СЕТЕЙ, РАБОТАЮЩИХ ПОД ДАВЛЕНИЕМ

В настоящем приложении приведены данные о материалах, применяемых для изготовления трубопроводов пара и горячей воды, работающих под давлением: для прямошовных труб - в таблице И.1, бесшовных - в таблице И.2.

Таблица И.1

Прямошовные трубы

Марка стали Нормативный документ Предельные параметры применения Контролируемые (сдаточные) характеристики Гарантируемая характеристика
на трубы на сталь Температура, °C Давление, МПа (кгс/см2) Механические свойства Дефектоскопия Гидростатические испытания
Основной металл Сварное соединение
KC KC Статический изгиб основного металла сварного соединения
1 2 3 4 5 6 7 8 9 10 11 12 13 14 15 16 17
Ст3сп ГОСТ 10705 (группа B) ГОСТ 380 300 1,6 (16) + + + + + + - - + + + -
ГОСТ 10706 (группа B) 300 2,5 (25) + + + + + + - - + + - +
20 ГОСТ 10705 (группа B) ГОСТ 1050 300 1,6 (16) + + + + + + - - + + + -
ГОСТ 20295 350 2,5 (25) + + + + + + - - + + - -
09Г2С ГОСТ 20295 ГОСТ 5520
ГОСТ 19281
350 2,5 (25) + + + + + + - - + + - -
17ГС 17Г1С-У ГОСТ 20295 ГОСТ 5520
ГОСТ 19281
300 2,5 (25) + + + + + + - - + + - -
350 2,5 (25) + + + + + + - - + + - -
425 2,5 (25) + + + + + + - - + + - -
Примечание - В настоящей таблице применены следующие условные обозначения:
- временное сопротивление, МПа (кгс/мм2);
- условный предел текучести при температуре 20 °C, соответствующий остаточной деформации 0,2%;
- условный предел текучести при температуре t, МПА;
- относительное удлинение, %;
KC (KCU, KCV) - ударная вязкость, Дж/см2 (кгс·м/см2).

Таблица И.2

Бесшовные трубы

Марка стали Нормативный документ Предельные параметры применения Контролируемые (сдаточные) характеристики Гарантируемые характеристики
на трубы на сталь температура, °C давление, МПа (кгс/см2) Механические свойства Технологические испытания Дефектоскопия Макроструктура Микроструктура Неметаллические включения
KC
1 2 3 4 5 6 7 8 9 10 11 12 13 14 15 16 17
20 ГОСТ 8731 (группа В),
ГОСТ 8733
(группа В)
ГОСТ 1050 300 1,6 (16) + + + - - + - + - - - -
20 По техническим условиям ГОСТ 1050 425 6,4 (64) + + + + + + - + - - - -
20 ГОСТ 550 группа А ГОСТ 1050 425 5,0 (50) + + + + + + - - - - - -
09Г2С По техническим условиям ГОСТ 19281 425 5,0 (50) + + + - + + + + - - - -
Примечание - В настоящей таблице применены следующие условные обозначения:
- временное сопротивление, МПа (кгс/мм2);
- условный предел текучести при температуре 20 °C, соответствующий остаточной деформации 0,2%;
- относительное удлинение, %;
- относительное удлинение, %;
KC (KCU, KCV) - ударная вязкость, Дж/см2 (кгс·м/см2);
- условный предел текучести при температуре t, МПа;
- предел длительной прочности, МПа.

Приложение К
(рекомендуемое)

ОПРЕДЕЛЕНИЕ ТЕПЛОПРОВОДНОСТИ МЕТОДОМ ТРУБЫ

К.1. Для определения теплопроводности тепловой изоляции трубы применяют установку (см. рисунок Д.1), представляющую собой стальную трубу наружным диаметром 100 - 150 мм длиной не менее 2,0 м. Внутри трубы располагают нагревательный элемент, смонтированный на огнеупорном материале.

Официальный источник электронного документа содержит неточность: имеется в виду рисунок К.1.

1 - стальная труба; 2 - электронагреватель; 3 - испытуемый материал; 4 - охранная секция; 5 - термопары;
6 - вольтметр; 7 - амперметр; 8 - автотрансформатор; 9 - переключатель; 10 - гальванометр; 11 - сосуд со льдом;
12 - самопишущий гальванометр

Рисунок К.1. Установка для определения теплопроводности тепловой изоляции трубы

Нагревательный элемент разделяют на три самостоятельные секции по длине трубы. Центральная секция, занимающая 1/3 длины трубы, является рабочей, боковые секции служат для устранения утечек теплоты через торцы.

Трубу устанавливают на подставках на расстоянии 1,5 - 2 м от пола и стен помещения, в котором проводят испытания.

Температуру трубы и поверхности испытуемого материала измеряют термопарами. Путем регулировки электрической мощности, потребляемой охранными секциями, добиваются отсутствия перепада температур между рабочей и охранными секциями. Испытания проводят при установившемся тепловом режиме, при котором температура на поверхности трубы и изоляции постоянна во времени.

Расход электрической энергии рабочим нагревателем допускается определять как ваттметром, так и вольтметром и амперметром.

К.2. Теплопроводность тепловой изоляции , Вт/(м·°С), вычисляют по формуле

, (К.1)

где Q - тепловой поток, Вт, определяемый по формуле

, (К.2)

здесь I - среднее измеренное значение силы тока, А;

u - измеренное напряжение рабочего нагревателя, В;

D - наружный диаметр оболочки, м;

d - наружный диаметр стальной трубы, м;

l - длина рабочей секции, м;

и - температуры на поверхности трубы и изоляции соответственно, °C.

К.3. За результат испытания принимают среднее арифметическое значение параллельных измерений двух образцов изолированной трубы.

БИБЛИОГРАФИЯ

[1] ISO 8502-3:2017 Preparation of steel substrates before application of paints and related products - Tests for the assessment of surface cleanliness - Part 3: Assessment of dust on steel surfaces prepared for painting (pressure-sensitive tape method)
[Подготовка стальных поверхностей перед нанесением лакокрасочных материалов и относящихся к ним продуктов. Испытания для оценки чистоты поверхности. Часть 3. Оценка запыленности стальных поверхностей, подготовленных к окрашиванию (метод липкой ленты)]
[2] Технический регламент Таможенного союза
ТР ТС 032/2013
О безопасности оборудования, работающего под избыточным давлением