Щитки распределительные. Для производственных и общественных зданий. Общие технические условия. ГОСТ 32397-2020

(утв. Приказом Росстандарта от 20.10.2020 N 874-СТ)
Редакция от 20.10.2020 — Действует с 01.03.2021

МЕЖГОСУДАРСТВЕННЫЙ СТАНДАРТ

ЩИТКИ РАСПРЕДЕЛИТЕЛЬНЫЕ

ДЛЯ ПРОИЗВОДСТВЕННЫХ И ОБЩЕСТВЕННЫХ ЗДАНИЙ

ОБЩИЕ ТЕХНИЧЕСКИЕ УСЛОВИЯ

Distribution boards for industrial and social buildings. General specifications

ГОСТ 32397-2020

Дата введения
1 марта 2021 года

Предисловие

Цели, основные принципы и общие правила проведения работ по межгосударственной стандартизации установлены ГОСТ 1.0 "Межгосударственная система стандартизации. Основные положения" и ГОСТ 1.2 "Межгосударственная система стандартизации. Стандарты межгосударственные, правила и рекомендации по межгосударственной стандартизации. Правила разработки, принятия, обновления и отмены"

Сведения о стандарте

1 РАЗРАБОТАН Акционерным обществом "Диэлектрические кабельные системы" (АО "ДКС")

2 ВНЕСЕН Федеральным агентством по техническому регулированию и метрологии

3 ПРИНЯТ Межгосударственным советом по стандартизации, метрологии и сертификации (протокол от 30 сентября 2020 г. N 133-П)

За принятие проголосовали:

Краткое наименование страны по МК (ИСО 3166) 004-97 Код страны по МК (ИСО 3166) 004-97 Сокращенное наименование национального органа по стандартизации
Беларусь BY Госстандарт Республики Беларусь
Киргизия KG Кыргызстандарт
Россия RU Росстандарт
Узбекистан UZ Узстандарт

4 Приказом Федерального агентства по техническому регулированию и метрологии от 20 октября 2020 г. N 874-ст межгосударственный стандарт ГОСТ 32397-2020 введен в действие в качестве национального стандарта Российской Федерации с 1 марта 2021 г.

5 ВЗАМЕН ГОСТ 32397-2013

Информация о введении в действие (прекращении действия) настоящего стандарта и изменений к нему на территории указанных выше государств публикуется в указателях национальных стандартов, издаваемых в этих государствах, а также в сети Интернет на сайтах соответствующих национальных органов по стандартизации.

В случае пересмотра, изменения или отмены настоящего стандарта соответствующая информация будет опубликована на официальном интернет-сайте Межгосударственного совета по стандартизации, метрологии и сертификации в каталоге "Межгосударственные стандарты"

Введение

Цель настоящего стандарта - обновление нормативной базы и требований для обеспечения разработки и изготовления распределительных щитков, отвечающих международным стандартам в части возможности их применения в сетях с типами систем заземления TN-S, TN-C, TN-C-S, TT по ГОСТ 30331.2 <1>, а также в отношении защиты от поражения электрическим током и пожарной безопасности.

<1> В Российской Федерации действует ГОСТ Р 50571.2-94 (МЭК 364-3-93) "Электроустановки зданий. Часть 3. Основные характеристики".

Разработка стандарта обусловливалась необходимостью расширения области применения щитков как в отношении климатических требований, так и функционального использования на основе применения современных аппаратов и приборов.

В стандарте приведены классификация щитков по наличию или отсутствию приборов и аппаратов для дистанционного съема данных и/или дистанционного контроля, и/или дистанционного (автоматического) управления режимом электропотребления, рекомендации по применению в качестве вводных коммутационных аппаратов или аппаратов групповых розеточных цепей, аппаратов со встроенной защитой от повышенного напряжения, устройств защиты от импульсных перенапряжений (УЗИП), а также рекомендации по применению устройств защиты от дугового пробоя (искрения). В стандарт включено приложение Д с рекомендациями по выбору и подключению устройств защиты от импульсных перенапряжений УЗИП.

Учитывая, что стандарт должен использоваться при подтверждении соответствия щитков, уточнены методы испытаний (для более объективной их оценки), включая испытания на превышения температур номинальными рабочими токами щитков и номинальными рабочими токами встроенных в них аппаратов.

При разработке стандарта учтены также отдельные требования, установленные ГОСТ IEC 61439-1.

1 Область применения

1.1 Настоящий стандарт распространяется на распределительные щитки (далее - щитки), применяемые в осветительных и силовых установках производственных, общественных, административных и других подобных зданий для приема и распределения электрической энергии при напряжении 400/230 и 690/400 В трехфазного переменного тока частотой 50 - 60 Гц, нечастого включения и отключения линий групповых цепей, а также для их защиты при перегрузках и коротких замыканиях.

1.2 Стандарт распространяется на щитки, присоединяемые к трехфазным сетям с типами систем заземления TN-S, TN-C, TN-C-S, TT по ГОСТ 30331.1. Схемы присоединения щитков с различными типами систем заземления приведены в приложении А.

1.3 Виды климатических исполнения по ГОСТ 15150 и ГОСТ 15543.1 - У3, УХЛ3, Т3, УХЛ4, Т4 (допускаются другие климатические исполнения щитков или те же исполнения с иным диапазоном температур окружающей среды).

1.4 Щитки могут устанавливаться в местах, доступных при эксплуатации неквалифицированному персоналу для выполнения коммутационных операций.

1.5 Все пункты требований стандарта являются обязательными, за исключением 5.5 и 6.6.3, относящихся к рекомендуемым.

2 Нормативные ссылки

В настоящем стандарте использованы нормативные ссылки на следующие межгосударственные стандарты:

ГОСТ 2.601 <1> Единая система конструкторской документации. Эксплуатационные документы

<1> В Российской Федерации действует ГОСТ Р 2.601-2019 "Единая система конструкторской документации. Эксплуатационные документы".

ГОСТ 9.032 Единая система защиты от коррозии и старения. Покрытия лакокрасочные. Группы, технические требования и обозначения

ГОСТ 9.302 Единая система защиты от коррозии и старения. Покрытия металлические и неметаллические неорганические. Методы контроля

ГОСТ 9.303 Единая система защиты от коррозии и старения. Покрытия металлические и неметаллические неорганические. Общие требования к выбору

ГОСТ 9.401 Единая система защиты от коррозии и старения. Покрытия лакокрасочные. Общие требования и методы ускоренных испытаний на стойкость к воздействию климатических факторов

ГОСТ 9.410 Единая система защиты от коррозии и старения. Покрытия порошковые полимерные. Типовые технологические процессы

ГОСТ 12.1.004-91 Система стандартов безопасности труда. Пожарная безопасность. Общие требования

ГОСТ 12.2.007.0 Система стандартов безопасности труда. Изделия электротехнические. Общие требования безопасности

ГОСТ 12.4.026 Система стандартов безопасности труда. Цвета сигнальные, знаки безопасности и разметка сигнальная. Назначение и правила применения. Общие технические требования и характеристики. Методы испытаний

ГОСТ 10434 Соединения контактные электрические. Классификация. Общие технические требования

ГОСТ 14192 Маркировка грузов

ГОСТ 14254 (IEC 60529:2013) Степени защиты, обеспечиваемые оболочками (Код IP)

ГОСТ 15140 Материалы лакокрасочные. Методы определения адгезии

ГОСТ 15150 Машины, приборы и другие технические изделия. Исполнения для различных климатических районов. Категории, условия эксплуатации, хранения и транспортирования в части воздействия климатических факторов внешней среды

ГОСТ 15151 Машины, приборы и другие технические изделия для районов с тропическим климатом. Общие технические условия

ГОСТ 15543.1 Изделия электротехнические. Общие требования в части стойкости к климатическим внешним воздействующим факторам

ГОСТ 15963 Изделия электротехнические для районов с тропическим климатом. Общие технические требования и методы испытания

ГОСТ 16962.1 (МЭК 68-2-1-74) Изделия электротехнические. Методы испытаний на устойчивость к климатическим внешним воздействующим факторам

ГОСТ 16962.2 Изделия электротехнические. Методы испытаний на стойкость к механическим внешним воздействующим факторам

ГОСТ 17412 Изделия электротехнические для районов с холодным климатом. Технические требования, приемка и методы испытаний

ГОСТ 17516.1 Изделия электротехнические. Общие требования в части стойкости к механическим внешним воздействующим факторам

ГОСТ 18620 Изделия электротехнические. Маркировка

ГОСТ 21130 Изделия электротехнические. Зажимы заземляющие и знаки заземления. Конструкция и размеры

ГОСТ 23216 Изделия электротехнические. Хранение, транспортирование, временная противокоррозионная защита, упаковка. Общие требования и методы испытаний

ГОСТ 30331.1 Электроустановка зданий. Часть 1. Основные положения, оценка общих характеристик, термины и определения

ГОСТ IEC 60364-5-53 <1> Электроустановки низковольтные. Часть 5-53. Выбор и монтаж электрооборудования. Отделение, коммутация и управление

<1> В Российской Федерации действует ГОСТ Р 50571.5.53-2013/МЭК 60364-5-53:2002 "Электроустановки низковольтные. Часть 5-53. Выбор и монтаж электрооборудования. Отделение, коммутация и управление".

ГОСТ IEC 60447 Интерфейс "человек - машина". Основные принципы безопасности, маркировка и идентификация. Принципы включения

ГОСТ IEC 60695-2-11 Испытания на пожароопасность. Часть 2-11. Основные методы испытаний раскаленной проволокой. Испытание раскаленной проволокой на воспламеняемость конечной продукции

ГОСТ IEC 60695-10-2 Испытания на пожароопасность. Часть 10-2. Чрезмерный нагрев. Испытание давлением шарика

ГОСТ IEC 60900 Работа под напряжением. Ручные инструменты для работ под напряжением до 1000 В переменного и 1500 В постоянного тока. Общие требования и методы испытаний

ГОСТ IEC 61439-1 Устройства комплектные низковольтные распределения и управления. Общие требования

ГОСТ IEC 61439-3 Устройства комплектные низковольтные распределения и управления. Часть 3. Распределительные щиты, предназначенные для управления неквалифицированными лицами

ГОСТ IEC 61643-11 Устройства защиты от перенапряжений низковольтные. Часть 11. Устройства защиты от перенапряжений, подсоединенные к низковольтным системам распределения электроэнергии. Требования и методы испытаний

ГОСТ IEC 61643-12 <2> Устройства защиты от перенапряжений низковольтные. Принципы выбора и применения

<2> В Российской Федерации действует ГОСТ Р МЭК 61643-12-2011 "Устройства защиты от импульсных перенапряжений в низковольтных силовых распределительных системах. Принципы выбора и применения".

ГОСТ IEC 62262 Электрооборудование. Степени защиты, обеспечиваемой оболочками от наружного механического удара (код IK)

Примечание - При пользовании настоящим стандартом целесообразно проверить действие ссылочных стандартов и классификаторов на официальном интернет-сайте Межгосударственного совета по стандартизации, метрологии и сертификации (www.easc.by) или по указателям национальных стандартов, издаваемым в государствах, указанных в предисловии, или на официальных сайтах соответствующих национальных органов по стандартизации. Если на документ дана недатированная ссылка, то следует использовать документ, действующий на текущий момент, с учетом всех внесенных в него изменений. Если заменен ссылочный документ, на который дана датированная ссылка, то следует использовать указанную версию этого документа. Если после принятия настоящего стандарта в ссылочный документ, на который дана датированная ссылка, внесено изменение, затрагивающее положение, на которое дана ссылка, то это положение применяется без учета данного изменения. Если ссылочный документ отменен без замены, то положение, в котором дана ссылка на него, применяется в части, не затрагивающей эту ссылку.

3 Термины и определения

В настоящем стандарте применены следующие термины с соответствующими определениями:

3.1

нулевой защитный проводник, PE: Проводник, предусмотренный в целях безопасности, например для защиты от поражения электрическим током.
[ГОСТ IEC 61439-1, пункт 3.7.4]

3.2

нулевой рабочий проводник, N: Проводник, соединенный с нейтральной точкой сети, который может быть использован для передачи электрической энергии.
[ГОСТ IEC 61439-1, пункт 3.7.5]

3.3

совмещенный нулевой рабочий и защитный проводник, PEN-проводник: Заземленный проводник, сочетающий функции нулевого защитного и нулевого рабочего проводника.
[ГОСТ IEC 61439-1, пункт 3.7.6]

3.4 групповая цепь: Электрическая цепь от щитка до электроприемника(ов).

3.5 номинальный ток аппарата: Интервал рабочих токов, указанный изготовителем с учетом номинального рабочего напряжения, номинальной частоты, номинального режима, категории применения и типа защитной оболочки (при наличии).

3.6 номинальный рабочий ток аппарата: Наибольшее значение тока, определяемое по условиям допустимого превышения температуры аппарата и элементов цепи, в которую он включен.

3.7

номинальный кратковременно допустимый ток: Действующее значение кратковременного тока, указанное изготовителем низковольтных комплектных устройств (НКУ), который НКУ способно выдерживать в заданных условиях, выраженное в единицах тока и времени.
[ГОСТ IEC 61439-1, пункт 3.8.10.3]

3.8 номинальный ток щитка: Номинальный рабочий ток вводного коммутационного аппарата, встроенного в щиток, установленный по условиям допустимого нагрева (см. приложение Б).

Официальный источник электронного документа содержит неточность: имеется в виду приложение В.

3.9

оболочка: Корпус, обеспечивающий тип и степень защиты оборудования, соответствующие ее назначению.
[ГОСТ IEC 61439-1, пункт 3.4.5]

3.10

устройство для защиты от импульсных перенапряжений; УЗИП [Surge Protective Device (SPD)]: Устройство, предназначенное для ограничения переходных перенапряжений и отвода импульсных токов.
[ГОСТ IEC 61643-11, пункт 3.1.1]

3.11

испытания класса I: Испытания, проводимые с максимальным импульсным током Iimp, при импульсе тока 8/20 и импульсе напряжения 1,2/50.
[ГОСТ IEC 61643-11, пункт 3.1.34.1]

3.12

испытания класса II: Испытания, проводимые с номинальным разрядным током In, при импульсном напряжении 1,2/50.
[ГОСТ IEC 61643-11, пункт 3.1.34.2]

3.13 оперативная панель: Панель, на которую выведены органы управления аппаратов, средств контроля и других элементов.

3.14 корпус: Основной элемент конструкции щитка, с которым соединены другие элементы конструкции, включая оболочку.

4 Классификация

4.1 Щитки следует классифицировать по следующим признакам:

- исполнение, относящееся к виду установки (навесное, встраиваемое в нишу, 6.2);

- наличие отключающего коммутационного аппарата на вводе (с аппаратом, без аппарата, таблица 1);

- наличие устройств для защиты от импульсных перенапряжений (УЗИП):

а) с устройством,

б) без устройства;

- наличие учета электроэнергии (со счетчиком, без счетчика, 6.2);

- количество защитных коммутационных аппаратов групповых цепей (таблица 1);

- вид защитных коммутационных аппаратов групповых цепей (автоматические выключатели, предохранители, таблица 1);

- наличие устройств защитного отключения (УЗО):

а) с устройством,

б) без устройства;

- способ защиты человека от поражения электрическим током (классы I и II по ГОСТ 12.2.007.0);

- наличие устройств обнаружения (защиты) от дугового пробоя (УЗДП):

а) с устройством,

б) без устройства;

- наличие приборов и аппаратов для дистанционного съема данных и/или дистанционного контроля, и/или дистанционного (автоматического) управления режимом электропотребления:

а) с приборами,

б) без приборов;

- число однофазных и/или трехфазных автоматических выключателей для групповых сетей.

4.2 Признаки, соответствующие конкретному исполнению щитков, должны быть указаны в технических условиях на щитки конкретных типов и в эксплуатационной документации изготовителя.

5 Основные параметры

5.1 Основные параметры щитков и их значения должны соответствовать указанным в таблице 1 и приводиться в технических условиях на щитки конкретных типов.

Таблица 1

Основные параметры щитков

Наименование параметра Значение параметра
1 Номинальное напряжение на вводе щитка, В 400/230, 690/400
2 Номинальная частота переменного тока, Гц 50, 60
3 Номинальный ток вводного коммутационного аппарата или зажимов, А 25, 40, 63, 100, 125, 160, 250
4 Номинальный ток щитка и номинальные рабочие токи защитных коммутационных аппаратов групповых цепей, А См. 5.3
5 Номинальный отключающий дифференциальный ток УЗО на вводе щитка, мА 30, 100, 300
6 Максимальное число защитных коммутационных аппаратов, устанавливаемых в щитке для линий групповых цепей в однополюсном исчислении <1>:
а) автоматических выключателей, УЗО и УЗДП;
б) резьбовых предохранителей
6, 12, 18, 24, 30 6, 9, 12
7 Номинальный ток автоматического выключателя и/или УЗО и/или УЗДП групповой цепи, А 10, 16, 20, 25, 32, 40, 50, 63
8 Номинальный отключающий дифференциальный ток УЗО групповой цепи, мА 10, 30
9 Номинальный ток предохранителя групповой цепи, А 6, 10, 16, 25
10 Номинальный кратковременно допустимый ток (действующее значение) <2> на вводе щитков и сборных шинах с номинальными токами вводных коммутационных аппаратов на 160 и 250 А, кА 12
11 Классы испытаний устройств от импульсных перенапряжений, устанавливаемых на вводе в щитки I, II
<1> Указанные максимальные числа аппаратов в щитках (см. пункт 6) с учетом возможной установки аппаратов управления, сигнализации, измерения и УЗДП определяют их типоразмеры. Фактическое заполнение щитка соответствующего типоразмера аппаратами - согласно заказу в пределах номинального тока щитка (см. также 5.2).
<2> Пиковое значение тока короткого замыкания - 20 кА.

5.2 По согласованию с потребителем изготовитель может поставлять отдельно оболочки щитков, рассчитанные на последующую установку в них потребителем защитных коммутационных аппаратов и приборов по 6.6.3.

Оболочки щитков должны сопровождаться подробной инструкцией по их заполнению, составленной на основе данных по испытанию щитков в аналогичных оболочках в объеме требований настоящего стандарта.

5.3 Значения номинальных токов щитков и номинальных рабочих токов защитных коммутационных аппаратов групповых цепей должны устанавливаться в технических условиях на щитки конкретных типов при верхнем значении рабочей температуры окружающего воздуха для соответствующего климатического исполнения по 1.3, если иные предельные значения температуры окружающего воздуха не указаны в технических условиях.

5.4 Значения номинальных токов щитков и номинальных рабочих токов защитных коммутационных аппаратов по 5.3 должны определяться в соответствии с приложением В и приводиться в эксплуатационных документах.

5.5 Рекомендуется также приводить в указанных документах значения токов щитков климатического исполнения У3 и защитных коммутационных аппаратов при температуре окружающей среды 25 °C согласно условиям допустимого нагрева элементов щитков по 6.8.1.

5.6 Основные размеры и массы щитков (наибольшее для каждого типоразмера) должны указываться в технических условиях на щитки конкретных типов.

5.7 Обозначение типов щитков рекомендуется формировать в соответствии с приложением Б.

6 Общие технические требования

6.1 Общие требования

6.1.1 Щитки должны соответствовать требованиям настоящего стандарта, техническим условиям на щитки конкретных типов и рабочим чертежам, утвержденным в установленном порядке.

6.1.2 Щитки, предназначенные для экспорта, должны удовлетворять также требованиям контракта на поставку.

6.1.3 Предельно допустимые уровни напряженности электромагнитных полей частотой 50 Гц, создаваемых щитками при различных режимах их функционирования (прием и распределение электроэнергии, оперативные переключения, повреждения в схеме первичных соединений), не должны превышать на наружных сторонах оболочки щитков, устанавливаемых внутри общественных зданий:

- 0,5 кВ/м - для напряженности электрического поля (E);

- 4 А/м - для напряженности магнитного поля (H) или 5 мкТл - магнитной индукции.

6.2 Конструкция

6.2.1 Щитки должны изготавливаться из материалов, обладающих стойкостью к механическим, электрическим и тепловым нагрузкам, возникающим в процессе эксплуатации.

6.2.2 Оболочки щитков класса I могут изготавливаться из металла с возможным сочетанием с другими трудносгораемыми и несгораемыми материалами.

Примечание - Щитки, в которых установлены или могут в последующем быть установлены УЗИП, должны изготавливаться из металла в сочетании с материалами, не поддерживающими горение, для обеспечения пожаробезопасности.

6.2.3 Оболочки щитков класса II должны изготавливаться из изоляционных материалов, обладающих стойкостью к воспламенению при воздействии нагретой до температуры (850 +/- 10) °C проволокой; при встраивании щитков в ниши трудновоспламеняющихся стен - (650 +/- 10) °C (см. ГОСТ IEC 61439-3).

Если оболочки щитков используются для установки на внутренних поверхностях токоведущих частей, стойкость оболочек к воспламенению в этих местах должна соответствовать 6.2.4.

6.2.4 Изоляционные детали щитков, на которые крепят токоведущие части, должны изготавливаться из материалов, обладающих стойкостью к воспламенению при воздействии на них проволокой, нагретой до температуры (960 +/- 15) °C, в соответствии с ГОСТ IEC 61439-3.

6.2.5 Теплостойкость оболочки щитков класса II, а также изоляционных деталей щитков классов I и II должна соответствовать ГОСТ IEC 61439-3.

6.2.6 Оболочки щитков класса I должны обладать стойкостью к коррозии.

6.2.7 Для щитков тропического исполнения должны учитываться требования к материалам по ГОСТ 15151, а для щитков климатического исполнения УХЛЗ - требования ГОСТ 17412.

6.2.8 Оболочки щитков должны обладать стойкостью к механическим ударам в соответствии со следующими кодам IK согласно ГОСТ IEC 62262:

- IK 05 для щитков внутренней установки;

- IK 07 для щитков наружной установки.

6.2.9 Щитки навесного исполнения должны иметь на оболочках элементы для их крепления на стенах и других вертикальных строительных конструкциях зданий.

6.2.10 Щитки, устанавливаемые в нишах, должны иметь соответствующие элементы для их крепления и обрамления для закрытия краев ниш.

6.2.11 Съемные части оболочек щитков не должны применяться для крепления на них аппаратов и приборов.

6.2.12 Съемные части оболочек щитков должны демонтироваться только с применением инструмента.

6.2.13 Механическая прочность резьбовых средств крепления съемных частей оболочек должна соответствовать ГОСТ IEC 61439-3.

6.2.14 Щитки, в которых для защиты линий групповых цепей предусматриваются автоматические выключатели, УЗО, УЗДП, могут изготавливаться с отключающим коммутационным аппаратом на вводе или без него.

Если в щитках предусматривается установка счетчиков, то на их вводах должны быть отключающие коммутационные аппараты.

6.2.15 В щитках без отключающего коммутационного аппарата на вводе должны быть зажимы для присоединения проводников питающей цепи.

6.2.16 Щитки, в которых в качестве защитных коммутационных аппаратов линий групповых цепей используют предохранители, должны изготавливаться только с коммутационным аппаратом на вводе.

6.2.17 Щитки могут иметь исполнение с дверцами или без них. Дверцы щитков должны запираться на ключ. В щитках, если в них не устанавливают счетчики, допускается, по согласованию между потребителем и изготовителем, запирание дверец без ключа, при этом должно исключаться их самопроизвольное открывание.

Необходимое количество ключей для замка устанавливается в технических условиях на щитки конкретных типов.

6.2.18 В щитках со счетчиками с трансформаторным включением следует предусматривать отдельный отсек с дверцей, запираемой на ключ, для размещения в нем вводного коммутационного аппарата, трансформаторов тока, испытательной коробки и счетчика.

6.2.19 За дверцей щитка должна располагаться оперативная панель с выведенными на нее органами управления аппаратов, которая в сочетании с другими элементами щитка должна исключать доступ к токоведущим частям при открытой дверце.

В щитках без дверец эту функцию должна выполнять оперативная панель.

6.2.20 В щитках со счетчиками для исключения безучетного (бездоговорного) подключения и несанкционированного доступа к цепям учета электроэнергии (открытые токоведущие части, расположенные до ввода в счетчик) должны предусматриваться конструктивные элементы с возможностью их опломбирования. Таким элементом может быть оперативная панель по 6.2.19.

6.2.21 По согласованию между потребителем и изготовителем на дверцах могут предусматриваться элементы для их опломбирования.

6.2.22 В дверцах щитков со счетчиками должны быть окна, закрываемые ударопрочным прозрачным материалом, для снятия показаний счетчиков. Окна должны выдерживать удары согласно 6.2.8.

6.2.23 Дверцы щитков должны открываться без заеданий на угол, обеспечивающий удобный доступ к аппаратам при монтаже и обслуживании щитков, но не менее 95°.

6.2.24 В оболочках щитков должны быть элементы для ввода проводников питающих и групповых цепей. В оболочках щитков навесного исполнения эти элементы должны обеспечивать степень защиты по 6.4.1 в установленном положении с введенными проводниками.

6.2.25 На оперативной панели щитка должна выполняться маркировка защитных коммутационных аппаратов групповых цепей порядковыми номерами. Рядом с номерами аппаратов должны быть предусмотрены места для последующей записи их назначения. Назначение аппаратов допускается указывать на табличке, которая может быть размещена на внутренней стороне дверцы. Электрическая схема щитка должна приводиться в эксплуатационном документе и размещаться на внутренней стороне дверцы.

6.2.26 Маркировка аппаратов, устанавливаемых в оболочки потребителем согласно 5.2, должна производиться по 6.2.25 средствами, поставляемыми изготовителями оболочек щитков (самоклеющиеся номера, бланки таблиц и т.п.).

6.3 Контактные зажимы

6.3.1 В щитках должны быть предусмотрены следующие виды контактных зажимов (далее - зажимы) для присоединения внешних проводников:

а) вводные зажимы для присоединения фазных проводников питающей цепи (при отсутствии аппарата на вводе щитка);

б) зажимы для присоединения нулевых рабочих проводников N питающей и групповых цепей;

в) зажимы для присоединения нулевых защитных проводников PE или PEN-проводников питающей цепи и проводников PE групповых цепей.

6.3.2 В щитках класса I зажимы по 6.3.1, перечисление б), должны быть изолированы от проводящего корпуса (при снятой перемычке по 6.3.8) так же, как и зажимы по 6.3.1, перечисление а), а зажимы по 6.3.1, перечисление в), - электрически соединены с ним.

6.3.3 В щитках класса II зажимы по 6.3.1, перечисление в), должны быть изолированы от проводящих частей так же, как и от токоведущих частей.

6.3.4 Зажимы по 6.3.1 должны быть рассчитаны на присоединение как алюминиевых, так и медных проводников (одно- и многопроволочных) и иметь средства стабилизации контактного давления по ГОСТ 10434.

6.3.5 Вводные зажимы по 6.3.1, перечисление а), должны обеспечивать независимое присоединение двух проводников питающей цепи на ступень больше сечения, которое соответствует номинальному току щитка, а также возможность присоединения к ним проводников внутренних цепей [рисунок А.3 б)].

6.3.6 Зажимы для нулевых рабочих проводников N и нулевых защитных проводников PE групповых цепей должны обеспечивать присоединение одного проводника того же сечения, что и зажимы выводов защитных коммутационных аппаратов этих цепей.

6.3.7 Минимальная площадь поперечного сечения заземляющих проводов для устройств защиты от перенапряжений, монтируемых на входе или рядом с входом электроустановки, должна составлять не менее 4 мм2 по меди.

6.3.8 В щитках с трехфазными счетчиками непосредственного (прямого) и трансформаторного включения нулевые рабочие проводники, предназначенные для подключения к счетчикам, должны иметь зажимы с приспособлением для опломбирования в местах соединения с нулевой рабочей шиной.

6.3.9 Диапазоны сечений алюминиевых и медных проводников, присоединяемых к вводным зажимам и зажимам групповых цепей, должны указываться в технических условиях на щитки, в эксплуатационных документах.

6.3.10 Проводник, соединяющий УЗИП с проводниками под напряжением, должен выдерживать предполагаемый ожидаемый ток короткого замыкания и иметь площадь поперечного сечения не менее:

- 2,5 мм2 для УЗИП класса испытаний II по меди;

- 6 мм2 для УЗИП класса испытаний I по меди.

6.3.11 Для соединения зажимов питающей цепи с соответствующими зажимами групповых цепей по 6.3.1, перечисления б), в), должны предусматриваться соединительные элементы (или шины). Сечение этих элементов должно быть не менее сечения нулевого рабочего проводника питающей цепи.

Соединительные элементы, относящиеся к зажимам для присоединения нулевых защитных проводников, и соединительные элементы, относящиеся к зажимам для присоединения нулевых рабочих проводников, в состоянии поставки щитков должны быть соединены между собой перемычкой согласно рисунку А.3 приложения А для обеспечения готовности щитков к присоединению их к сети с типом заземления системы TN-C. Сечение перемычки должно быть не менее сечения соединительного элемента.

Если щитки должны присоединяться к сети с иным типом заземления системы, перемычку следует снимать, что должно отражаться в эксплуатационном документе изготовителя.

6.3.12 Зажимы по 6.3.1, перечисления б), в), для проводников групповых цепей должны иметь маркировку, аналогичную маркировке защитных коммутационных аппаратов по 6.2.25 этих цепей, и располагаться в местах, удобных для присоединения проводников.

6.3.13 Зажимы по 6.3.1, перечисления б), в), для присоединения нулевых рабочих и нулевых защитных проводников питающей цепи должны иметь соответствующую маркировку N и PE. Указанная маркировка может быть нанесена на соединительные элементы (шины по 6.3.8), на которых устанавливаются зажимы.

6.4 Защита от поражения электрическим током

6.4.1 Степень защиты по ГОСТ 14254 от прикосновения к токоведущим частям, а также от попадания твердых посторонних тел при закрытых дверцах щитков должна быть в местах, доступных прикосновению, не ниже IP3X в щитках класса I и IP4X в щитках класса II.

Степень защиты, обеспечиваемая оперативной панелью, при открытой дверце щитка, а также в местах ввода и вывода внешних проводников - не ниже IP2XC.

Степень защиты, обеспечиваемая оперативной панелью, в щитках без дверец - не ниже IP30.

Степень защиты частей щитков, встраиваемых в ниши, должна устанавливаться в технических условиях на щитки конкретных типов.

Примечания

1 Степени защиты указаны в смонтированном положении щитков.

2 Более высокие степени защиты, включая защиту от проникновения воды, согласовывают между потребителем и изготовителем.

6.4.2 Все доступные прикосновению открытые проводящие части щитков класса I и их конструктивные элементы для установки аппаратов, которые могут оказаться под напряжением, должны иметь надежную электрическую связь с зажимом для присоединения нулевого защитного проводника PE или PEN-проводников питающей цепи, а также с заземляющим зажимом по 6.4.4.

Значение сопротивления этих связей должно быть не более 0,1 Ом.

6.4.3 Если на дверце щитка класса I устанавливаются электрические приборы, то дверцу следует дополнительно соединять с проводящим корпусом гибкой медной перемычкой сечением по ГОСТ IEC 61439-1.

6.4.4 На оболочках щитков класса I в соответствии с ГОСТ 12.2.007.0 должен быть заземляющий зажим, выполненный по ГОСТ 21130, для присоединения заземляющего проводника. В щитках тропического исполнения зажим должен также соответствовать ГОСТ 15151.

6.4.5 В щитках навесного исполнения заземляющий зажим может быть расположен на внешней стороне его оболочки, а в щитках, устанавливаемых в нишах, - на внутренней стороне в месте, удобном для присоединения заземляющего проводника.

6.4.6 Около заземляющего зажима по 6.4.4, а также около зажима для присоединения нулевого защитного проводника питающей цепи по 6.3.1 должен наноситься знак заземления . Его размеры и способ нанесения - по ГОСТ 21130.

6.4.7 Органы управления аппаратов должны иметь четко фиксированные положения "Включено" - "Отключено" в соответствии с имеющимися на аппаратах обозначениями.

Если после установки аппаратов в щиток отсутствует возможность определить их коммутационное положение, то на оперативной панели у органов управления аппаратов должны быть нанесены дублирующие обозначения их положений.

Направления движения органов управления в установленном в щитке положении аппаратов должны соответствовать ГОСТ IEC 60447.

6.4.8 На паспортной табличке щитков класса II должен быть нанесен знак , обозначающий защиту от поражения электрическим током при помощи двойной или усиленной изоляции.

6.4.9 На внешней стороне дверцы щитка должен быть предупреждающий знак "Осторожно! Электрическое напряжение" по ГОСТ 12.4.026.

6.5 Защитные покрытия

6.5.1 Металлические детали корпуса (оболочки) щитков должны иметь защитные лакокрасочные, порошковые полимерные и/или металлические покрытия.

6.5.2 Лакокрасочные покрытия должны соответствовать ГОСТ 9.401, порошковые полимерные - ГОСТ 9.410.

6.5.3 Лакокрасочные и порошковые полимерные покрытия наружных поверхностей оболочки щитков должны соответствовать IV классу, внутренних поверхностей - VI классу по ГОСТ 9.032.

6.5.4 Металлические покрытия должны соответствовать требованиям ГОСТ 9.303.

6.5.5 Конкретные виды защитных покрытий, их толщина, балл адгезии для соответствующего климатического исполнения щитков, а также средства их контроля должны указываться в технических условиях на щитки конкретных типов.

6.6 Комплектующая аппаратура

6.6.1 Комплектующие аппараты и приборы должны выбираться в соответствии с параметрами щитков и с учетом их климатических исполнений.

6.6.2 Аппараты и приборы должны удовлетворять требованиям соответствующих нормативных документов, по которым они выпускаются.

Примечание - Это требование может относиться к зажимам по 6.3.1, если они поставляются как комплектующие части.

6.6.3 Для комплектации щитков рекомендуется применять преимущественно защитные коммутационные аппараты, аппараты управления и приборы, имеющие единый размерный модуль и унифицированную конструкцию - рейку для их крепления.

6.6.4 В качестве вводных коммутационных аппаратов могут быть автоматические или неавтоматические выключатели, а также УЗО со встроенной защитой от сверхтока и УЗДП.

Номинальные токи вводных коммутационных аппаратов - согласно таблице 1.

Рекомендуется в качестве вводных коммутационных аппаратов квартир или аппаратов групповых розеточных цепей применять аппараты со встроенной защитой от повышения напряжения.

6.6.5 Для защиты от импульсных перенапряжений на вводе могут устанавливаться устройства защиты УЗИП, выбор устройств и подключение устройств защиты от импульсных перенапряжений осуществляется на основе приложения Д.

Устройства защиты от импульсных перенапряжений (УЗИП) должны соответствовать требованиям ГОСТ IEC 61643-11.

Согласно IEC 61643-12 при расстоянии от УЗИП до защищаемого оборудования более 10 м по кабелю, в кабельной линии (после срабатывания УЗИП) под влиянием ее индуктивных и емкостных характеристик могут возникать колебательные процессы. Амплитуда напряжения при данных колебаниях на выводах защищаемого оборудования может превысить Up, обеспечиваемый УЗИП, более чем в два раза. Уменьшение расстояния до 5 м гарантирует выполнение координации УЗИП класса I; II со стойкостью изоляции защищаемого оборудования и отсутствие в данной линии колебательного процесса с неприемлемыми амплитудными значениями.

6.6.6 Для защиты линий групповых цепей следует применять:

а) одно- и/или трехполюсные автоматические выключатели с комбинированными расцепителями типов B, C и D в соответствии с заказом потребителя;

б) резьбовые предохранители;

в) УЗО со встроенной защитой от сверхтока [расцепители согласно перечислению а)] и/или без нее при условии, что групповые цепи имеют коммутационные аппараты защиты от сверхтока;

г) УЗДП со встроенной защитой от сверхтока [расцепители согласно перечислению а)] и/или без нее при условии, что групповые цепи имеют коммутационные аппараты защиты от сверхтока.

Номинальные токи аппаратов групповых цепей - согласно таблице 1.

6.6.7 Отключающая способность защитных коммутационных аппаратов, устанавливаемых на вводах щитков, должна быть не менее 6 кА на номинальные токи до 63 А и 10 кА - на номинальные токи до 125 А.

Отключающая способность вводных защитных коммутационных аппаратов на номинальные токи 160, 250 А должна быть не ниже значений токов короткого замыкания, приведенных в таблице 1.

Защитные коммутационные аппараты групповых цепей следует выбирать с отключающей способностью не менее 4,5 кА.

6.6.8 Выключатели по 6.6.3 и 6.6.4 следует применять с органами управления из изоляционного материала.

6.6.9 В щитках учета электроэнергии должны применяться счетчики активной (реактивной) электроэнергии непосредственного и трансформаторного включения, максимальный ток которых должен быть не менее номинального тока аппарата соответствующей цепи, если иное меньшее значение не указано потребителем.

Класс точности счетчиков - не ниже 1,0.

Высота от пола до клеммной крышки счетчика учета электроэнергии должна быть в пределах 1,3 - 1,7 м.

Рекомендуется применение многотарифных электросчетчиков.

6.6.10 В щитках со счетчиками должны применяться вводные коммутационные аппараты, в которых предусмотрена возможность опломбирования их органов управления в положении "Отключено".

6.6.11 Аппараты, приборы и зажимы должны быть надежно закреплены в щитках. Крепежные элементы должны иметь средства для предотвращения ослабления крепления.

Электросчетчики должны крепиться в щитках на панелях при помощи винтов, вворачиваемых в панели с лицевой стороны.

6.7 Внутренние цепи

6.7.1 Для внутренних цепей щитков должны применяться медные изолированные провода и/или шины.

6.7.2 Сечения проводников следует определять в соответствии с приложением Г.

6.7.3 Провода должны иметь изоляцию на напряжение 690 В переменного тока.

6.7.4 Провода и шины для щитков климатических исполнений Т3 и Т4 должны выбираться с учетом требований ГОСТ 15963.

6.7.5 Прокладка изолированных проводов в щитке должна быть выполнена таким образом, чтобы они не касались неизолированных токоведущих частей, острых кромок корпуса щитка; радиусы их изгиба должны быть не менее установленных нормативными документами на провода. Провода не должны иметь скруток, паяных и других промежуточных соединений.

6.7.6 Сборные шины и ответвления от них должны располагаться и закрепляться в щитках так, чтобы исключалась возможность внутреннего короткого замыкания.

6.7.7 Проводники внутренних цепей должны иметь маркировку в соответствии с электрической схемой. Эти обозначения следует наносить на концах проводников.

6.7.8 Совмещенный нулевой защитный и рабочий проводник PEN, нулевой защитный PE и нулевой рабочий N проводники должны различаться цветом. Цвета проводников - по [1].

6.7.9 Аппараты, зажимы, приборы, внутренние цепи должны располагаться в щитке таким образом, чтобы к ним обеспечивался удобный доступ при обслуживании и замене. При этом должны предусматриваться места для размещения проводников внешних цепей и удобного их присоединения к аппаратам и зажимам.

6.8 Электрические характеристики

6.8.1 При номинальном токе щитка по 5.3 превышения температур его частей над верхним значением рабочей температуры окружающего воздуха для соответствующего климатического исполнения не должны быть более допустимых таблицей 2.

Таблица 2

Зависимость допустимой температуры нагрева от превышения температуры над температурой окружающего воздуха

Часть щитка Допустимое превышение температуры над температурой окружающего воздуха 40 °C <1> Допустимая температура нагрева, °C
1 Контактные соединения выводов аппаратов, контактных зажимов с внутренними и внешними проводниками, неизолированные сборные шины 55 95
2 Проводники с поливинилхлоридной изоляцией 45 70 <2>
3 Органы ручного управления из изоляционного материала 25 50
<1> При верхнем рабочем значении температуры окружающего воздуха, отличном от 40 °C, допустимые превышения температуры могут быть соответственно изменены в пределах указанных допустимых температур нагрева.
<2> Допустимая температура нагрева проводников с изоляцией другого вида устанавливается в технических условиях на щитки конкретных типов.

Примечание - Допустимая температура нагрева есть сумма верхнего значения рабочей температуры окружающего воздуха и соответствующего значения превышения температуры, обусловленного прохождением номинального рабочего тока.

6.8.2 Конкретные значения верхних пределов рабочих температур окружающего воздуха для соответствующего климатического исполнения щитков и допустимые значения превышений температур над ними при соблюдении требований 6.8.1 по нагреву должны указываться в технических условиях на щитки конкретных типов.

6.8.3 Воздушные зазоры и длины путей утечки в щитках должны быть не менее 6 мм после выполнения присоединения проводников внутренних цепей, а также проводников питающей и групповых сетей.

Воздушные зазоры и длины путей утечки, установленные нормативными документами на встраиваемые аппараты, не должны уменьшаться после их установки и присоединения внутренних и внешних проводников.

6.8.4 Изоляция внутренних цепей щитков в холодном состоянии при нормальных условиях испытаний по ГОСТ 15150 должна выдерживать в течение 1 мин испытательное напряжение переменного тока 2500 В частотой 50 Гц.

Примечание - При испытаниях повышенным напряжением изоляции между цепями L-N, L-PE, N-PE необходимо отключать УЗИП в данных цепях.

6.8.5 Электрическое сопротивление изоляции щитков в холодном состоянии должно быть не менее 10 МОм.

6.8.6 Оболочки щитков класса II в холодном состоянии при нормальных условиях испытаний по ГОСТ 15150 должны выдерживать в течение 1 мин испытательное напряжение переменного тока 3750 В частотой 50 Гц.

6.8.7 Если в конструкции щитков предусмотрены сборные шины на номинальные токи 160 или 250 А, то они должны выдерживать воздействие тока короткого замыкания согласно таблице 1 в течение 0,2 с.

6.9 Маркировка

6.9.1 Каждый щиток должен иметь паспортную табличку со стойкой маркировкой, расположенную в удобном для чтения месте.

Размеры маркировочных знаков и способы их нанесения устанавливаются в технических условиях на щитки конкретных типов.

6.9.2 В паспортной табличке должны быть приведены следующие данные:

1) наименование изготовителя или его товарный знак;

2) знак соответствия;

3) обозначение типа;

4) номинальное напряжение;

5) номинальный ток щитка;

6) номинальная частота;

7) степень защиты;

8) обозначение технических условий;

9) год изготовления;

10) знак для щитков класса II;

11) другие технические данные по усмотрению изготовителя.

6.9.3 На табличках щитков, предназначенных для экспорта, должны быть приведены маркировочные данные, предусмотренные ГОСТ 18620 или по согласованию с заказчиком.

6.10 Основные сведения о щитках, приводимые в эксплуатационных документах

6.10.1 Эксплуатационным документом по ГОСТ 2.601 <1> для щитков следует считать Руководство по эксплуатации, если иное не предусматривается в технических условиях на щитки конкретных типов или не согласовано с заказчиком.

<1> В Российской Федерации действует ГОСТ Р 2.601-2019 "Единая система конструкторской документации. Эксплуатационные документы".

6.10.2 Изготовитель должен приводить в эксплуатационном документе следующие основные сведения:

1) наименование изготовителя;

2) сведения о соответствии;

3) обозначения нормативного документа, по которому выпускаются щитки;

4) область применения щитков и условия их эксплуатации;

5) климатическое исполнение щитков;

6) тип щитка;

7) номинальное напряжение;

8) номинальная частота;

9) номинальные токи вводного и защитных коммутационных аппаратов групповых цепей;

10) номинальный ток щитка и номинальные рабочие токи защитных коммутационных аппаратов групповых цепей;

11) значения тока щитка и защитных коммутационных аппаратов по 5.5;

12) номинальная отключающая способность автоматических выключателей и отключающая способность предохранителей;

13) номинальный и максимальный ток счетчика;

14) класс установленного устройства защиты от импульсных перенапряжений (при наличии установленных УЗИП);

15) номинальный отключающий дифференциальный ток УЗО;

16) значение тока короткого замыкания для щитков по 6.8.7;

17) степень защиты щитков по ГОСТ 14254;

18) класс щитков по ГОСТ 12.2.007.0;

19) сечения проводников питающей цепи, присоединяемых к щитку;

20) электрическая схема щитка;

21) схемы щитка с присоединением к питающим сетям по 1.2;

22) указания по монтажу;

23) указания мер безопасности при эксплуатации;

24) габаритные и установочные размеры, а также необходимые размеры ниши для встраиваемой части щитков;

25) масса щитка;

26) условия транспортирования и хранения.

6.11 Требования надежности

6.11.1 Показатели надежности щитков и методы их контроля устанавливаются в технических условиях на щитки конкретных типов по согласованию между изготовителем и потребителем.

6.11.2 Установленный срок службы щитков - 25 лет с возможной заменой отдельных комплектующих частей щитка. Предельные состояния щитков, обусловливающие их замену, должны указываться в руководстве по эксплуатации.

6.12 Комплектность

Комплектность щитков должна устанавливаться в технических условиях на щитки конкретных типов.

6.13 Консервация и упаковка

6.13.1 Консервация и упаковка щитков должны соответствовать ГОСТ 23216.

6.13.2 Части щитков, подлежащие консервации, и способы ее выполнения устанавливаются в технических условиях на щитки конкретных типов.

6.13.3 Упаковка щитков должна исключать их повреждение при транспортировании и хранении.

6.13.4 Если в щитках предусмотрена установка счетчиков, то во избежание их повреждения при транспортировании они должны быть упакованы отдельно от щитков. Требования к их упаковке должны быть указаны в технических условиях на щитки конкретных типов.

По согласованию потребителя с изготовителем щитки могут поставляться без счетчиков, но при этом на месте их установки должны быть бирка с указанием типа и характеристики счетчика, крепежные элементы, а также подведены проводники соответствующего сечения.

6.13.5 Внутренняя упаковка щитков по ГОСТ 23216 устанавливается в технических условиях на щитки конкретных типов.

6.13.6 Виды транспортной тары и ее размеры устанавливаются в технических условиях на щитки конкретных типов.

6.13.7 Эксплуатационная документация и сертификат соответствия должны вкладываться в упаковку щитка.

6.13.8 Транспортная маркировка - по ГОСТ 14192.

6.13.9 Консервация и упаковка щитков, поставляемых на экспорт, должны соответствовать требованиям контракта.

7 Требования безопасности

7.1 Щитки в отношении защиты от поражения электрическим током должны отвечать требованиям 6.4 и ГОСТ 12.2.007.0.

7.2 Пожарная безопасность щитков должна обеспечиваться мерами, предусмотренными 6.2.3, 6.2.4, 6.6.4, 6.6.5, 6.8.1, 6.8.4, 6.8.5, 6.8.7 настоящего стандарта и ГОСТ 12.2.007.0.

8 Условия эксплуатации и устойчивость к воздействию внешних факторов

8.1 Температура окружающего воздуха - в соответствии с климатическим исполнением по 1.3.

8.2 Высота над уровнем моря - не более 2000 м.

8.3 Тип атмосферы - по ГОСТ 15150.

8.4 Щитки должны быть устойчивы к воздействию нормальных и предельных значений климатических факторов по ГОСТ 15543.1 и ГОСТ 15150, соответствующих климатическим исполнениям щитков по 1.3, и к условиям транспортирования и хранения по 11.1 и 11.2.

8.5 Щитки должны быть устойчивы к воздействию механических факторов внешней среды; группа условий эксплуатации по ГОСТ 17516.1 должна быть установлена в технических условиях на щитки конкретных типов.

8.6 Конкретные значения внешних воздействующих факторов по 8.4 и 8.5 должны приводиться в технических условиях на щитки.

9 Правила приемки

9.1 Общие положения

9.1.1 Щитки должны подвергаться изготовителем приемо-сдаточным, квалификационным, периодическим и типовым испытаниям.

9.2 Приемо-сдаточные испытания

9.2.1 Приемо-сдаточным испытаниям должен подвергаться каждый щиток предъявляемой партии.

Программа проверок и испытаний - в соответствии с таблицей 3.

Таблица 3

Программа приемо-сдаточных испытаний

Наименование проверки Пункт
технических требований методов испытаний
1 Проверка функционирования дверец и их запорных устройств 6.2.17, 6.2.18, 6.2.22, 6.2.23 10.8
2 Проверка маркировки аппаратов и зажимов 6.2.25, 6.3.9, 6.3.10 10.9
3 Проверка наличия инструкции по заполнению оболочек аппаратами и средств для маркировки аппаратов 6.2.26 10.10
4 Проверка электрической связи между элементами оболочки и зажимами защитного и заземляющего проводников 6.4.2 10.12
5 Проверка наличия перемычки (и ее сечения) между корпусом щитка и его дверцей 6.4.3 10.13
6 Проверка правильности выполнения заземляющего зажима 6.4.4, 6.4.5 10.14
7 Проверка наличия знака заземления у зажимов защитного и заземляющего проводников 6.4.6 10.14
8 Проверка маркировки щитков класса II 6.4.8 10.14
9 Проверка функционирования органов управления аппаратов и правильности направления их движения при включении и выключении, а также наличия обозначения положения органов управления аппаратов 6.4.7 10.15
10 Проверка наличия предупреждающего знака напряжения 6.4.9 10.14
11 Проверка лакокрасочных и порошковых полимерных покрытий 6.5.2, 6.5.3 10.16
12 Проверка металлических покрытий 6.5.4 10.17
13 Проверка комплектующей аппаратуры 6.6.5, 6.6.7 - 6.6.9 10.18
14 Проверка крепления аппаратов, приборов, контактных зажимов 6.6.10 10.19
15 Проверка проводников по материалу, сечению, напряжению изоляции, климатическому исполнению 6.7.1 - 6.7.4 10.20
16 Проверка правильности прокладки проводов 6.7.5 10.21
17 Проверка маркировки внутренних цепей 6.7.7, 6.7.8 10.22
18 Измерение сопротивления изоляции 6.8.5 10.26
19 Проверка маркировки щитков 6.9.2, 6.9.3 10.28
20 Проверка заполнения эксплуатационного документа 6.10.2 10.32
21 Проверка комплектности 6.12 10.33
22 Проверка консервации и упаковки 6.13 10.34

Проверку лакокрасочных и порошковых полимерных покрытий по 6.5.2 и 6.5.3, металлических покрытий по 6.5.4 следует проводить выборочно.

Объем контроля устанавливается в технических условиях на щитки конкретных типов.

9.2.2 Для проверки внешнего вида щитков, правильности прокладки проводников внутренних цепей и их цветовой маркировки, а также для выполнения других проверочных операций следует использовать контрольные образцы, утвержденные в установленном порядке.

9.2.3 По согласованию между изготовителем и потребителем программа приемо-сдаточных испытаний может быть расширена и отражена в технических условиях на щитки конкретных типов.

9.2.4 Щитки, не выдержавшие испытаний и проверок, подвергают повторным испытаниям после устранения выявленных недостатков. Допускается проводить повторные испытания щитков по пунктам несоответствия.

Результаты повторных испытаний являются окончательными.

9.3 Квалификационные испытания

9.3.1 Квалификационным испытаниям подвергают щитки из первой промышленной партии, прошедшие приемо-сдаточные испытания. Объем квалификационных испытаний - в соответствии с таблицей 4.

9.3.2 Типопредставители щитков, которые должны подвергаться квалификационным испытаниям, устанавливаются в технических условиях на щитки конкретных типов с учетом возможности распространения полученных результатов испытаний на щитки остальных типоразмеров, выпускаемые тем же изготовителем, что и испытуемые щитки.

9.3.3 Квалификационным испытаниям (за исключением испытаний на пожароопасность по 6.2.3, 6.2.4, теплостойкость по 6.2.5 и коррозионную стойкость по 6.2.6) должны подвергаться два образца каждого типопредставителя.

9.3.4 Образцы по 9.3.3 испытывают на соответствие требованиям, приведенным в таблице 4, причем один из них проверяют согласно пунктам 1 - 3, 8, 10, 12, 7, 9, 16, второй - согласно пунктам 11, 13, 6, 15.

9.3.5 Каждую группу испытаний по 9.3.4 проводят в приведенной последовательности перечисления пунктов испытаний.

9.3.6 Для проведения испытаний на пожароопасность и теплостойкость по пунктам 4 и 5 (таблица 4) должно быть отобрано для каждого вида испытаний по три образца изоляционных оболочек щитков класса II и изоляционных оснований, на которые крепят контактные зажимы в щитках классов I и II.

Порядок проведения испытаний на пожароопасность - по ГОСТ IEC 60695-2-11 или ГОСТ IEC 60695-10-2, на стойкость к превышению температуры при протекании номинального тока - по ГОСТ IEC 61439-3.

9.3.7 Для испытаний на коррозионную стойкость по пункту 6 (таблица 4) отбирают три оболочки щитков класса I.

Порядок проведения испытаний - по ГОСТ IEC 61439-3. Допускается проводить испытания на отдельных частях оболочек.

9.3.8 Если испытанные по 9.3.4, 9.3.6, 9.3.7 образцы не соответствуют хотя бы одному пункту технических требований, то должны быть проведены повторные испытания на удвоенном количестве образцов по пунктам несоответствия. Результаты повторных испытаний являются окончательными.

9.3.9 Количество образцов и объемы испытаний на надежность, а также испытаний, связанных с определением вероятности возникновения пожара (пункты 14 и 17 таблицы 4), - в соответствии с техническими условиями на щитки конкретных типов.

Официальный источник электронного документа содержит неточность: пункт 17 в таблице 4 отсутствует.

9.4 Периодические испытания

9.4.1 Периодическим испытаниям должны подвергаться щитки, прошедшие приемо-сдаточные испытания.

9.4.2 Испытания проводят на двух щитках соответствующего типоразмера согласно техническим условиям на щитки конкретных типов в объеме, приведенном в таблице 4. Один образец испытывают в соответствии с пунктами 10, 12, 9, второй - 11, 13.

9.4.3 Если испытанные образцы не соответствуют хотя бы одному пункту технических требований, то должны быть проведены повторные испытания на удвоенном количестве образцов по пунктам несоответствия, результаты которых являются окончательными.

9.4.4 Периодические испытания должны проводиться не реже одного раза в три года.

9.4.5 Результаты периодических испытаний могут использоваться для целей сертификации.

9.5 Типовые испытания

9.5.1 Типовые испытания щитков проводят для оценки эффективности и целесообразности вносимых изменений в конструкцию или технологический процесс.

9.5.2 Типовые испытания следует проводить по программе, включающей полный или частичный объем квалификационных испытаний в соответствии с таблицей 4. В зависимости от характера изменений в программу могут быть включены испытания, не предусмотренные таблицей 4.

Таблица 4

Программа квалификационных и периодических испытаний

Наименование проверок и испытаний Вид испытания Пункт
квалификационные периодические технических требований методов испытаний
1 Проверка основных размеров, массы + - 5.5 10.1
2 Проверка соответствия требованиям конструкции щитков + - 6.2.2, 6.2.7, 6.2.9 - 6.2.12, 6.2.14 - 6.2.16, 6.2.19 - 6.2.21, 6.2.24, 6.7.6, 6.7.9 10.2
3 Проверка соответствия требованиям конструкции контактных зажимов + - 6.3.1 - 6.3.8 10.2
4 Испытание на пожароопасность + - 6.2.3, 6.2.4, 7.2 10.3
5 Испытание оболочек на стойкость к механическим ударам + - 6.2.8 10.6
6 Испытание на теплостойкость + - 6.2.5 10.4
7 Испытание на стойкость к коррозии + - 6.2.6 10.5
8 Испытание на механическую прочность резьбовых средств крепления съемных деталей оболочек + - 6.2.13 10.7
9 Проверка степени защиты + + 6.4.1 10.11
10 Испытание на превышение температуры частей щитков при номинальном рабочем токе + + 6.8.1 10.23
11 Измерение воздушных зазоров и длин путей утечки + + 6.8.3 10.24
12 Испытание электрической прочности изоляции + + 6.8.4, 6.8.6 10.25
13 Испытание сборных шин щитков на воздействие тока короткого замыкания + + 6.8.7 10.27
14 Испытание на надежность + - 6.11 10.29
15 Испытание на воздействие климатических факторов + - 8.4 10.30
16 Испытание на воздействие механических факторов + - 8.5 10.31

9.5.3 Выбор типопредставителей щитков, их количество и правила проведения испытаний устанавливаются в программе типовых испытаний.

10 Методы испытаний

10.1 Проверку размеров и массы щитков по 5.6 следует проводить измерениями с помощью средств, которые должны быть предусмотрены в технических условиях на щитки конкретных типов.

10.2 Проверку конструкции щитков на соответствие требованиям 6.2.2, 6.2.9 - 6.2.12, 6.2.14 - 6.2.16, 6.2.19 - 6.2.21, 6.2.24, 6.7.6, 6.7.9 и конструкции зажимов по 6.3.1 - 6.3.8 следует проводить сверкой с чертежами, техническими условиями и контрольными образцами.

Возможность присоединения к зажимам проводников заданного диапазона сечений проверяют пробным монтажом, для чего к соответствующему зажиму должны быть присоединены проводники наибольшего и наименьшего сечений и проверена степень их закрепления в зажиме. Методика проверки устанавливается в технических условиях на щитки в зависимости от конструкции зажимов.

10.3 Испытания на пожароопасность изоляционных оболочек по 6.2.3 и изоляционных оснований по 6.2.4, на которые крепят контактные зажимы, и подготовку образцов испытаниям следует проводить согласно ГОСТ IEC 60695-2-11 с применением нагретой проволоки.

Температура нагрева образцов - по 6.2.3 и 6.2.4.

Испытание изоляционного основания зажимов должно проводиться в щитке или вне его. При этом изоляционные основания должны находиться в рабочем положении.

Нагретую проволоку в виде петли приводят в соприкосновение с каждой испытуемой частью один раз в любом месте. Испытание проводят при нормальных климатических условиях по ГОСТ 15150. Критерии оценки результатов испытаний - по ГОСТ IEC 60695-2-11.

Если в состав щитков входят контактные зажимы на номинальные токи до 63 А, конструкция которых соответствует ГОСТ IEC 60695-10-2, то изоляционные основания с установленными на них зажимами могут испытываться на плохой контакт по настоящему стандарту при помощи накальных элементов. Подготовка образцов к испытаниям, их проведение, а также критерии оценки результатов испытаний - по ГОСТ IEC 60695-10-2.

Примечания

1 Допускается не проводить испытания, если указанные элементы щитков выпускаются изготовителями по нормативной документации, в которой предусмотрены испытания на пожароопасность.

2 Не подвергают испытаниям зажимы, установленные на изоляционных основаниях из негорючих материалов (керамика, фарфор и т.п.).

3 Подтверждение нормативной вероятности возникновения пожара должно осуществляться расчетным путем по приложению 5 ГОСТ 12.1.004 при постановке распределительных щитков на производство.

10.4 Испытание на теплостойкость по 6.2.5 оболочек щитков класса II и изоляционных деталей щитков классов I и II следует проводить согласно ГОСТ IEC 61439-3.

10.5 Испытание на коррозионную стойкость оболочек щитков класса I по 6.2.6 следует проводить согласно ГОСТ IEC 61439-3.

Оценка результатов испытаний - по ГОСТ IEC 61439-3.

10.6 Испытаниям на стойкость к механическим ударам по 6.2.8 должны подвергаться оболочки щитков классов как настенной установки (удары наносят по фасадной и боковым сторонам), так и оболочки щитков, встраиваемых в ниши (удары наносят только по фасадной стороне). При нанесении ударов по фасадной стороне дверцы щитков должны быть закрыты.

В щитках, не имеющих дверец, удары наносят по оперативной панели. Места нанесения ударов указываются в технических условиях на щитки конкретных типов.

Методика их выполнения и оценка результатов испытаний - по ГОСТ IEC 62262. При испытании не должен также разрушаться прозрачный материал окон, предназначенных для снятия показаний счетчиков. Допускаются отдельные трещины, ухудшающие обзор шкал счетчиков.

10.7 Проверка механической прочности винтовых средств крепления по 6.2.13 должна проводиться по ГОСТ IEC 61439-3. Результаты испытаний считают удовлетворительными, если при испытании отсутствовали повреждения, приведенные в указанном стандарте.

10.8 Проверку функционирования дверец и их запорных устройств по 6.2.17, 6.2.18, 6.2.22, 6.2.23 проводят трехкратным их опробованием в работе.

10.9 Проверку маркировки аппаратов по 6.2.25 и зажимов по 6.3.9, 6.3.10 проводят визуально.

10.10 Проверку по 6.2.26 проводят визуально, при этом проверяют наличие инструкции по заполнению оболочек щитков аппаратами и их маркировку, а также средств для ее выполнения.

10.11 Проверка степени защиты по 6.4.1 должна проводиться по ГОСТ 14254. Щитки должны проверяться на степень защиты в установленном положении с присоединенными внешними проводниками.

Оценка результатов проверки - по ГОСТ 14254.

10.12 Проверка электрической связи по 6.4.2 между доступными прикосновению проводящими частями щитков класса I с зажимами защитного и заземляющего проводников должна проводиться путем замера сопротивления между ними омметром с соответствующим пределом измерения.

Сопротивление считают соответствующим норме, если оно не превышает 0,1 Ом.

10.13 Проверку перемычки по 6.4.3 (материал и сечение ее проводника) проводят сличением с технической документацией. Надежность крепления перемычки к корпусу щитка и дверце проверяют соответствующим инструментом, предусматриваемым в технических условиях на щитки.

10.14 Проверку правильности выполнения заземляющего зажима по 6.4.4, 6.4.5, маркировки щитков класса II по 6.4.8, наличия предупреждающего знака напряжения по 6.4.9 проводят визуально.

Проверку обозначения знаком заземления заземляющего зажима и зажима для нулевого защитного проводника по 6.4.6 проводят визуально.

Знак должен быть четким и соответствовать ГОСТ 21130.

10.15 Проверку правильности функционирования органов управления аппаратов по 6.4.7 проводят трехкратным включением и отключением коммутационных аппаратов, при этом сопоставляют направление движения органов управления с заданным в технических условиях на щитки конкретных типов и ГОСТ IEC 60447.

Проверку дублирующих обозначений (если они предусмотрены) проводят визуально.

10.16 Проверку лакокрасочных и порошковых полимерных покрытий по 6.5.2 и 6.5.3 (внешний вид, толщина покрытия) следует проводить согласно ГОСТ 9.032 и ГОСТ 9.410 соответственно.

Прочность сцепления покрытий - по ГОСТ 15140.

10.17 Проверку металлических покрытий по 6.5.4 следует проводить согласно ГОСТ 9.302.

10.18 Проверку комплектующей аппаратуры и приборов по 6.6.5, 6.6.7 - 6.6.9 проводят сверкой ее с заказом и технической документацией.

10.19 Проверку крепления аппаратов и приборов по 6.6.10 выполняют соответствующим инструментом (ключом, отверткой при метизном креплении).

Безвинтовое крепление аппаратов проверяют попыткой принудительного извлечения их из фиксирующих опорных элементов.

10.20 Проверку проводников по материалу, сечению, напряжению изоляции, климатическому исполнению по 6.7.1 - 6.7.4 выполняют сверкой с технической документацией на щитки и сопроводительной документацией на провода.

10.21 Проверку правильности прокладки проводников по 6.7.5 проводят визуально.

10.22 Проверку маркировки проводников по 6.7.7 проводят сверкой ее с документацией и/или по контрольным образцам.

Проверку цветовой маркировки проводников по 5.7.8 проводят по [1].

Официальный источник электронного документа содержит неточность: имеется в виду пункт 6.7.8.

При этом проверяют также правильность присоединения проводников к аппаратам и зажимам.

10.23 Испытание щитков на превышение температуры

10.23.1 Испытание щитков на превышение температуры по 6.8.1 должно проводиться их номинальным током в рабочем положении при нормальных климатических условиях согласно ГОСТ 15150.

10.23.2 Номинальный ток щитка должен быть распределен между защитными коммутационными аппаратами линий групповых цепей таким образом, чтобы через каждый задействованный при испытании защитный коммутационный аппарат протекал его номинальный рабочий ток.

10.23.3 Количество защитных коммутационных аппаратов групповых цепей, задействованных для испытаний, и их номинальные рабочие токи должны соответствовать значениям, установленным в технических условиях на щитки согласно приложению В.

10.23.4 Испытание на превышение температуры может проводиться трех- или однофазным током. Напряжение испытательной цепи не нормируют.

10.23.5 При испытании трехфазным током защитные коммутационные аппараты групповых цепей на соответствующие номинальные рабочие токи включают в трехфазные регулируемые цепи, каждую из которых соединяют в искусственную звезду. В каждой фазе этих цепей следует установить (и поддерживать в процессе испытаний) значение номинального рабочего тока защитного коммутационного аппарата с погрешностью, не превышающей +/- 5%, при этом значение номинального рабочего тока вводного коммутационного аппарата (зажимов) в каждой фазе не должно иметь отклонение более +/- 2%.

10.23.6 При испытании однофазным током защитные коммутационные аппараты групповых цепей всех фаз соединяют последовательно в испытательные цепи и нагружают соответствующими номинальными рабочими токами защитных коммутационных аппаратов.

Полюсы вводного коммутационного аппарата (или вводные зажимы) соединяют последовательно и включают в отдельную испытательную цепь на номинальный ток щитка.

Испытание проводят при одновременном протекании токов в указанных цепях.

10.23.7 Для проверки зажимов нулевых рабочих проводников по 6.3.16 их следует включать в отдельную испытательную цепь. Испытательный ток должен быть равен 50% номинального тока щитка.

Официальный источник электронного документа содержит неточность: пункт 6.3.16 отсутствует.

10.23.8 Длительность испытания по 10.23.5 - 10.23.7 - до достижения установившегося теплового режима (изменения температуры не более 1 C/ч).

10.23.9 Для подвода испытательного тока к щитку и последовательного соединения полюсов вводного коммутационного аппарата проводники должны выбираться по номинальному току щитка.

Проводники для выполнения испытательных цепей защитных коммутационных аппаратов должны выбираться по номинальным токам этих аппаратов.

Выбор сечений и длин медных проводников испытательных цепей - по ГОСТ IEC 61439-1.

Проводники испытательных цепей должны быть тщательно зачищены и надежно соединены с зажимами и выводами аппаратов.

10.23.10 При проведении испытания температура должна измеряться на элементах щитка в соответствии с таблицей 2. Места установки термопар должны указываться в технических условиях на щитки и в протоколах испытаний.

Контроль температуры частей щитка при установившемся тепловом режиме, а также температуры окружающего воздуха - по ГОСТ IEC 61439-3.

10.23.11 Щитки считают выдержавшими испытания, если превышения температур их частей над установленным верхним значением температуры окружающего воздуха не более допустимых значений по 6.8.1.

Сопротивление изоляции токоведущих частей, измеренное в конце испытания, не должно быть менее 6 МОм.

10.23.12 Для определения по 5.5 значений токов щитков и соответствующих им токов защитных коммутационных аппаратов следует довести токи в цепях по 10.23.5 до значений, при которых температура нагрева частей щитка с учетом температуры окружающего воздуха 25 °C не превышает значений по 6.8.1.

10.24 Проверку расстояний утечки и воздушных зазоров по 6.8.3 следует выполнять по ГОСТ IEC 61439-3.

10.25 Испытание электрической прочности изоляции щитков по 6.8.4 и изолирующих оболочек по 6.8.6 следует проводить по ГОСТ IEC 61439-3. Испытания щитков проводят с отключенными счетчиками и УЗИП.

Оценка результатов испытаний - по ГОСТ IEC 61439-3.

10.26 Измерения сопротивления изоляции по 6.8.5 должны проводиться между токоведущими частями различных фаз, между фазами и нулевым рабочим проводником, а также между ними и корпусом щитка. Измерения должны проводиться мегомметром постоянного тока на напряжение не менее 1000 В. Измерения проводят с отключенными счетчиками и УЗИП.

Оценка результатов измерений - по 6.8.5.

10.27 Для проведения испытаний сборных шин щитков на электродинамическую и термическую стойкость к току короткого замыкания по 6.8.7 их концы, противоположные подводу питания, должны быть надежно соединены закорачивающей перемычкой сечением, равным или эквивалентным сечению шин.

Защитные коммутационные аппараты групповых цепей должны быть отключены. Перед тем как выполнить присоединение щитка к испытательной трехфазной цепи, она должна быть откалибрована таким образом, чтобы в ней достигался заданный ток короткого замыкания 12 кА (среднее из действующих значений в трех фазах), при этом наибольшее пиковое значение хотя бы в одной из фаз должно быть (20 +/- 5%) кА.

Присоединение щитка к испытательной цепи должно быть выполнено изолированными проводниками такого же или эквивалентного сечения, как сечение шины. Они должны присоединяться к входным выводам вводного коммутационного аппарата или вводным зажимам щитка, не имеющего коммутационного аппарата на вводе. Значения токов в испытательной цепи с присоединенным щитком должны быть близки или равны значениям, полученным при калибровке испытательной цепи. Время протекания тока в щитке без защитного коммутационного аппарата на вводе - 0,2 с, с защитным коммутационным аппаратом - в течение времени, пока не отключится аппарат. Воздействие тока короткого замыкания на шины должно быть одноразовым.

Результаты испытаний считают положительными, если не произошло деформации шин, уменьшающей воздушные зазоры и длины путей утечки против установленных значений по 6.8.3, а также повреждения или разрушения опорных изоляционных элементов, на которых установлены шины и другие токоведущие части, и не произошло снижения электрической прочности изоляции.

Вводной коммутационный аппарат не должен иметь повреждений, препятствующих его дальнейшей исправной работе. Температура нагрева шин и других неизолированных токоведущих частей щитка, входивших в испытательную цепь, не должна превышать 200 °C с учетом температуры, которую они имели до начала испытания, проводников с поливинилхлоридной изоляцией - не более 160 °C.

10.28 Проверку маркировки щитков по 6.9.2, 6.9.3 проводят сверкой с технической документацией. Содержание маркировки должно соответствовать щитку конкретного типа.

10.29 Испытание на надежность по 6.11 проводят в соответствии с техническими условиями на щитки конкретных типов.

10.30 Испытание по 8.4 на воздействие климатических факторов внешней среды должно проводиться согласно ГОСТ 16962.1.

Методы испытаний устанавливаются в технических условиях на щитки конкретных климатических исполнений.

После климатических испытаний сопротивление изоляции щитков должно быть не менее 1 МОм.

10.31 Испытания на воздействие механических факторов внешней среды по 8.5 должны проводиться по ГОСТ 16962.2.

Методы испытаний устанавливаются в технических условиях на щитки конкретных типов.

10.32 Контроль эксплуатационного документа по 6.10.1 должен проводиться на соответствие ГОСТ 2.601 <1> и на полноту его заполнения по 6.10.2 применительно к щитку конкретного типа.

<1> В Российской Федерации действует ГОСТ Р 2.601-2019 "Единая система конструкторской документации. Эксплуатационные документы".

10.33 Проверку комплектности по 6.12 проводят на соответствие требованиям технических условий на щитки конкретных типов.

10.34 Проверку консервации и упаковки щитков по 6.13 проводят визуально.

10.35 Вероятность возникновения пожара в (от) щитках определяют в соответствии с методикой, приведенной в ГОСТ 12.1.004 (приложение 5).

11 Транспортирование и хранение

11.1 Условия транспортирования щитков в части воздействия климатических факторов внешней среды аналогичны условиям хранения 5 по ГОСТ 15150, в части воздействия механических факторов при транспортировании - С по ГОСТ 23216.

11.2 Условия хранения щитков в части воздействия климатических факторов среды - 2 по ГОСТ 15150 на допустимый срок сохраняемости до ввода в эксплуатацию не более двух лет.

11.3 Транспортирование и хранение щитков, поставляемых на экспорт, должны соответствовать требованиям контракта.

12 Указания по эксплуатации

12.1 Монтаж и эксплуатация щитков должны вестись в соответствии с эксплуатационной документацией завода-изготовителя.

12.2 При упаковке и эксплуатации щитков должен использоваться ручной инструмент по ГОСТ IEC 60900.

13 Гарантии изготовителя

13.1 Изготовитель гарантирует соответствие щитков требованиям настоящего стандарта при соблюдении потребителем условий транспортирования, хранения, монтажа и эксплуатации.

13.2 Гарантийный срок эксплуатации - два года со дня ввода щитков в эксплуатацию.

Приложение А
(справочное)

ПРИМЕРЫ ПРИСОЕДИНЕНИЯ ЩИТКОВ К ПИТАЮЩИМ СЕТЯМ С СИСТЕМАМИ ЗАЗЕМЛЕНИЯ РАЗЛИЧНЫХ ТИПОВ

Примечание - Приведенные схемы иллюстрируют положения стандарта и без предварительного анализа реальных требований потребителей не могут использоваться при разработке щитков.

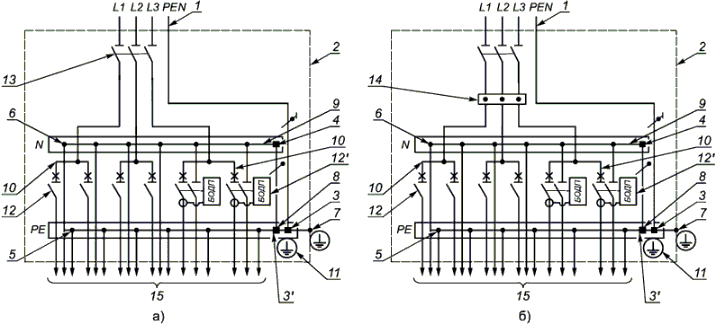
1 - питающая сеть; 2 - проводящая оболочка щитка; 3, 4 - зажимы проводников ввода (нулевого защитного PE и нулевого рабочего N); 3' - неиспользованный зажим (назначение согласно рисунку А.3); 5, 6 - зажимы для нулевого защитного PE и нулевого рабочего проводников групповой цепи; 7 - зажим для присоединения заземляющего проводника (см. рисунок А.5) или проводника уравнивания потенциалов; 8 - соединительный элемент зажимов нулевых защитных проводников PE (ввода, позиция 3, и групповых цепей, позиция 5); 9 - соединительный элемент зажимов нулевых рабочих проводников N (ввода, позиция 4, и групповых цепей, позиция 6); 10 - соединительный элемент входных выводов защитных коммутационных аппаратов групповых цепей; 11 - знак заземления у зажимов (позиции 3, 7); 12 - УЗО [рисунок А.1 б)]; 13 - автоматический выключатель; 13' - УЗДП; 14 - выключатель; 14' - автоматический выключатель; 15 - счетчик электрической энергии [рисунок А.1 б)]; 16 - линии групповых цепей; L1, L2, L3 - фазные проводники; - ток утечки; БОДП - блок обнаружения дугового пробоя

Примечание 1 - В линии групповых цепей, отходящих к потребителям (позиция 16), следует включать УЗДП.

Примечание 2 - Для установки УЗИП следует руководствоваться сведениями, содержащимися в приложении Д настоящего стандарта.

Рисунок А.1 - Схемы щитков: а) с выключателем на вводе; б) с автоматическим выключателем и счетчиком на вводе, присоединенных к питающим трехфазным пятипроводным сетям (цепям)

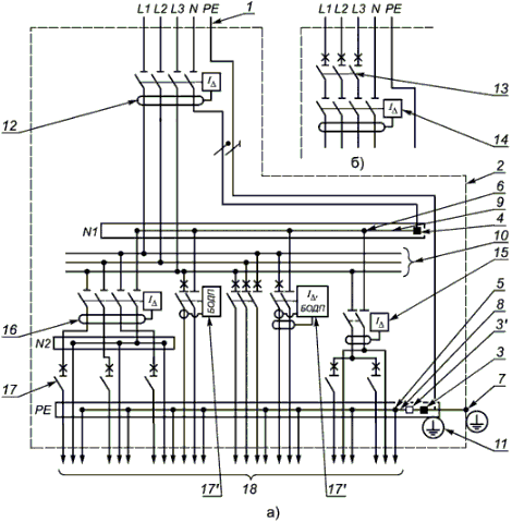
1 - питающая цепь; 2 - проводящая оболочка щитка; 3, 4 - зажимы проводников ввода (нулевого защитного PE и нулевого рабочего N); 3' - неиспользованный зажим (назначение согласно рисунку А.3); 5, 6 - зажимы для нулевого защитного PE и нулевого рабочего N проводников групповой цепи; 7 - зажим для присоединения заземляющего проводника (см. рисунок А.5) или проводника уравнивания потенциалов; 8 - соединительный элемент зажимов нулевых защитных проводников PE (ввода, позиция 3, и групповых цепей, позиция 5); 9 - соединительный элемент зажимов нулевых рабочих проводников N (ввода, позиция 4, и групповых цепей, позиция 6); 10 - соединительные элементы входных выводов защитных коммутационных аппаратов групповых цепей или сборные шины; 11 - знак заземления у зажимов (позиции 3, 7); 12 - выключатель автоматический, управляемый дифференциальным током, без защиты от сверхтока на вводе щитка по варианту а); 13 - выключатель автоматический на вводе щитка по варианту б); 14 - выключатель автоматический, управляемый дифференциальным током, без защиты от сверхтока; 15, 16 - выключатель автоматический, управляемый дифференциальным током, без защиты от сверхтока групповых цепей; 17 - автоматический выключатель; 17' - УЗДП; 18 - линии групповых цепей; L1, L2, L3 - фазные проводники; N 1, N 2 - нулевые рабочие проводники; - ток утечки; БОДП - блок обнаружения дугового пробоя

Примечание 1 - В линии групповых цепей, отходящих к потребителям (позиция 18), следует включать УЗДП.

Примечание 2 - Для установки УЗИП следует руководствоваться сведениями, содержащимися в приложении Д настоящего стандарта.

Рисунок А.2 - Схема щитка с применением УЗО на вводе и групповых цепях, присоединенного к трехфазной пятипроводной сети

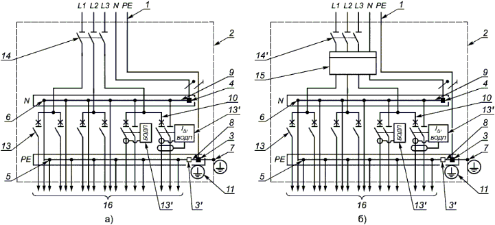
1 - питающая цепь; 2 - проводящая оболочка щитка; 3 - зажим для присоединения защитного проводника ввода (PEN-проводника); 3', 4 - зажимы для присоединения нулевого рабочего проводника N, отделенного от PEN-проводника ввода; 5, 6 - зажимы нулевого защитного PE и нулевого рабочего N проводников групповой цепи; 7 - зажим для присоединения заземляющего проводника (см. рисунок А.5) или проводника уравнивания потенциалов; 8 - соединительный элемент зажимов нулевых защитных проводников (ввода, позиции 3, 3', и групповых цепей, позиция 5); 9 - соединительный элемент зажимов нулевых рабочих проводников N (ввода, позиция 4, и групповых цепей, позиция 6); 10 - соединительный элемент входных выводов защитных коммутационных аппаратов групповых цепей; 11 - знак заземления у зажимов (позиция 7); 12 - автоматический выключатель; 12' - УЗДП; 13 - выключатель [рисунок А.3 а)]; 14 - зажим фазного проводника ввода [рисунок А.3 б)]; 15 - линии групповых цепей; L1, L2, L3 - фазные проводники; БОДП - блок обнаружения дугового пробоя

Примечание 1 - В линии групповых цепей, отходящих к потребителям (позиция 15), следует включать УЗДП.

Примечание 2 - Для установки УЗИП следует руководствоваться сведениями, содержащимися в приложении Д настоящего стандарта.

Рисунок А.3 - Схемы щитков: а) с выключателем на вводе; б) с вводными фазными зажимами, присоединенных к питающей трехфазной четырехпроводной сети (цепи) <1>

<1> В Республике Беларусь схема щитков, указанная на рисунке А.3 б), не применяется.

1 - питающая цепь; 2 - проводящая оболочка щитка; 3, 3' - неиспользованные зажимы (назначение согласно рисунку А.3); 4 - зажим для нулевого рабочего проводника ввода N; 5, 6 - зажимы защитного PE и нулевого рабочего N проводников групповой цепи; 7 - зажим для присоединения заземляющего проводника (позиция 10); 8 - соединительный элемент зажимов защитных проводников групповых цепей; 9 - соединительный элемент зажимов нулевых рабочих проводников N (ввода, позиция 4, и групповых цепей, позиция 6); 10 - соединительный элемент входных выводов защитных коммутационных аппаратов групповых цепей; 11 - знак заземления у зажимов (позиции 3, 7); 12 - автоматический выключатель; 12' - УЗДП; 13 - УЗО; 14 - линии групповых цепей; 15 - заземляющий проводник; L1, L2, L3 - фазные проводники; - ток утечки; БОДП - блок обнаружения дугового пробоя

Примечание 1 - В линии групповых цепей, отходящих к потребителям (позиция 14), следует включать УЗДП.

Примечание 2 - Для установки УЗИП следует руководствоваться сведениями, содержащимися в приложении Д настоящего стандарта.

Рисунок А.4 - Схема щитка с УЗО на вводе, присоединенного к питающей трехфазной четырехпроводной сети (система заземления типа ТТ)

Приложение Б
(рекомендуемое)

ОБОЗНАЧЕНИЕ ТИПОВ ЩИТКОВ

Структуру типов щитков конкретных серий рекомендуется формировать с использованием в обозначениях классификационных признаков и параметров по настоящему стандарту.

Для буквенного обозначения типов щитков могут приниматься аббревиатуры наименований щитков по функциональному назначению или наименования, являющиеся торговыми марками.

Для щитков класса защиты II рекомендуется использовать в структуре типа римскую цифру II.

Для щитков, встраиваемых в нишу, желательно использовать букву "У" в буквенном обозначении типа или как отдельный индекс в структуре.

Для указания в типе количества и вида коммутационных аппаратов рекомендуется применять группировку вида

X-XXX-XX-XX/XX-XX,

где X - указывает наличие и тип вводного коммутационного аппарата:

1 - выключатель,

1А - автоматический выключатель,

1Д - УЗО,

0 - вводные защиты (может вообще не указываться в структуре типа);

XXX - номинальный ток щитка в амперах;

XX - наличие устройства защиты от импульсных перенапряжений, рекомендуется указывать буквами "УЗП";

XX/ - количество коммутационных аппаратов защиты групповых сетей, обозначаемое цифрами, или число мест для возможного размещения аппаратов с модулем 17,5 (18) мм;

/XX - количество УЗО в общем числе аппаратов групповых сетей;

-XX - количество УЗДП в общем числе аппаратов групповых сетей.

В структуре типов щитка могут быть указаны номера схем исполнений по техническим условиям на щитки.

Наличие приборов управления, контроля, сигнализации рекомендуется указывать буквой "Ф".

Наличие счетчиков рекомендуется указывать буквами "Сч".

Для обозначения модификаций конструкций щитков одного типа рекомендуется использовать арабские цифры 1, 2, 3 и т.д., присоединяемые к буквенному обозначению типа.

Типы щитков должны заканчиваться указанием климатического исполнения по ГОСТ 15543.1. Имеющиеся отличия от номинальных климатических факторов должны указываться знаком "*", проставляемым за обозначением климатического исполнения, например У3*.

Пример условного обозначения типа распределительного щитка с оболочкой класса II, встраиваемого в нишу, с вводными выключателями, установленным устройством защиты от импульсных перенапряжений, на номинальный ток 100 А, на 24 группы, в том числе УЗО и УЗДП со счетчиком, климатического исполнения УЗ, с верхним значением температуры окружающего воздуха 30 °C:

УЩР2-П-1А-100-УЗП-24/5-1-Сч У3*.

Приложение В
(обязательное)

ОПРЕДЕЛЕНИЕ НОМИНАЛЬНЫХ РАБОЧИХ ТОКОВ ВВОДНЫХ И ЗАЩИТНЫХ КОММУТАЦИОННЫХ АППАРАТОВ ЩИТКОВ

В.1 Номинальный рабочий ток вводного коммутационного аппарата и номинальные рабочие токи защитных коммутационных аппаратов определяются на стадии разработки щитков конкретных типов.

В.2 Номинальные рабочие токи вводного и защитных коммутационных аппаратов групповых цепей, встроенных в щиток, - это наибольшие значения токов, протекающих через эти аппараты, при которых превышение температуры токоведущих частей щитка над температурой окружающего воздуха не превосходит значений, установленных по 6.8.1.

Примечание - Номинальный рабочий ток вводного коммутационного аппарата - это номинальный ток щитка.

В.3 Номинальный рабочий ток вводного коммутационного аппарата предварительно определяют по сумме заданных номинальных токов защитных коммутационных аппаратов групповых цепей (в соответствии с таблицей 1), умноженной на коэффициент одновременности, приведенный в таблице В.1.

Таблица В.1

Число защитных коммутационных аппаратов линий групповых цепей Коэффициент одновременности
2 и 3 0,8
4 и 5 0,7
От 6 до 9 включ. 0,6
10 и более 0,5

В.4 Номинальный ток вводного коммутационного аппарата следует предварительно выбирать на ступень больше значения тока, равного или близкого к его номинальному рабочему току, полученному по В.3.

В.5 Для проверки вводного коммутационного аппарата щитка на превышение температуры по 6.8.1 и определения при этом номинальных рабочих токов защитных коммутационных аппаратов линий групповых цепей из условий допустимого нагрева по 6.8.1 через вводной коммутационный аппарат пропускают его номинальный рабочий ток (определенный по В.3), который должен быть распределен между минимально возможным количеством защитных коммутационных аппаратов таким образом, чтобы через каждый из них протекал его номинальный ток, умноженный на коэффициент одновременности (таблица В.1), выбираемый в зависимости от количества задействованных при испытании защитных коммутационных аппаратов, приходящихся на одну фазу вводного коммутационного аппарата.

Если номинальный рабочий ток вводного коммутационного аппарата щитка не может быть достигнут нагрузкой принятого количества защитных коммутационных аппаратов, то один защитный коммутационный аппарат из числа задействованных при испытании может нагружаться меньшим током.

В.6 Если при принятом в В.5 распределении номинального рабочего тока вводного коммутационного аппарата по защитным коммутационным аппаратам линий групповых цепей превышение температуры частей щитка превосходит допустимое по 6.8.1 в установившемся тепловом режиме, то токи защитных коммутационных аппаратов (при испытании по В.5) должны быть снижены за счет перераспределения номинального рабочего тока вводного коммутационного аппарата на большее число защитных коммутационных аппаратов групповых цепей при условии, что эти значения токов не менее требуемых потребителем. Если снижение номинальных рабочих токов невозможно, то необходимо либо выбрать защитные коммутационные аппараты (а при необходимости и вводной) на большие номинальные токи, либо изменить условия охлаждения так, чтобы значения превышений температур ввести в установленные нормы.

В.7 Методика проведения испытаний щитков на превышение температуры - в соответствии с 10.23.

В.8 Значения рабочих токов, при которых превышения температур частей щитков по 6.8.1 не превосходят допустимых значений, должны быть зафиксированы в протоколах испытаний как номинальные рабочие токи для последующего введения их в технические условия на щитки. Превышение температуры должно соотноситься с верхним пределом температуры окружающего воздуха для соответствующего климатического исполнения щитка, при котором температура нагрева его частей не выходит за установленные пределы (см. 6.8.1).

В.9 В технических условиях на щиток(ки) конкретных типов следует указывать защитные коммутационные аппараты групповых цепей, которые должны нагружаться номинальными рабочими токами при периодических испытаниях, причем сумма этих токов должна быть равна или близка к значению номинального рабочего тока вводного коммутационного аппарата.

В.10 Если испытаниям подвергались щитки одного типоразмерного ряда, то по результатам этих испытаний определяется типопредставитель щитков для последующих периодических испытаний. Результаты испытаний типопредставителя распространяют на весь типоразмерный ряд щитков.

В.11 Для установленного по В.10 типопредставителя в технических условиях на щитки должны указываться соответствующие данные, аналогичные приведенным в В.9.

В.12 По результатам проведенных испытаний согласно В.5 - В.7, В.9 могут устанавливаться также рекомендации по комплектованию оболочек щитков (см. 5.2) аппаратами самим потребителем для предотвращения чрезмерного нагрева аппаратов и других частей щитков.

Рекомендации приводятся в инструкции изготовителя оболочек и должны содержать следующие указания применительно к соответствующему типоразмеру оболочки:

а) номинальный ток вводного коммутационного аппарата и его номинальный рабочий ток во встроенном в щиток положении;

б) номинальные токи и номинальные рабочие токи защитных коммутационных аппаратов групповых цепей, которые могут быть установлены в оболочку. Значения номинальных токов аппаратов принимают по таблице 1;

в) максимальное количество аппаратов, которое может быть установлено в оболочку исходя из ее размеров;

г) рабочий суммарный ток установленных в оболочку защитных коммутационных аппаратов, который не должен превышать номинального рабочего тока вводного коммутационного аппарата, а наибольшая нагрузка любого из защитных коммутационных аппаратов групповых цепей не должна превосходить его номинального рабочего тока;

д) предпочтительный вид защитных коммутационных аппаратов по конструктивному исполнению, а также по электрическим потерям, которые не должны превышать потери в аппаратах, с которыми испытывались щитки;

е) климатическое исполнение оболочки;

ж) верхнее рабочее значение температуры окружающего воздуха.

Приложение Г
(рекомендуемое)

ОПРЕДЕЛЕНИЕ СЕЧЕНИЙ ПРОВОДНИКОВ ВНУТРЕННИХ ЦЕПЕЙ ЩИТКОВ

На стадии разработки щитков наряду с установлением номинальных рабочих токов вводных и защитных коммутационных аппаратов групповых цепей (приложение В) должны быть определены сечения токоведущих проводников внутренних цепей щитков.

Сечение проводников определяют по ГОСТ IEC 61439-3, а также согласно рекомендациям, приведенным ниже, исходя из наибольших значений токов, которые могут протекать по ним в процессе эксплуатации щитков, не превосходя установленных значений превышения их температуры согласно 6.8.1.

Определение сечений отдельных проводников внутренних цепей щитков

Г.1 Сечение соединительного элемента входных выводов защитных коммутационных аппаратов линий групповых цепей, относящихся к одной фазе и расположенных в одном ряду, следует определять по суммарному току аппаратов, соединенных этим элементом, умноженному на коэффициент одновременности, определяемый по приложению В.

В суммарное значение тока не входит номинальный ток аппарата, к вводу которого присоединен питающий проводник, а сам аппарат не входит в число аппаратов, по которому следует выбирать коэффициент одновременности по приложению В.

Г.2 Если защитные коммутационные аппараты групповых цепей, относящихся к одной фазе, расположены в щитке в несколько рядов, то сечение соединительных элементов для каждого из них определяют согласно Г.1, при этом следует иметь в виду, что к каждому ряду аппаратов присоединяют отдельный питающий проводник.

Г.3 Если питающий проводник присоединяют к вводу защитного коммутационного аппарата, расположенного в середине ряда аппаратов, то сечения соединительных элементов для аппаратов, расположенных по обе стороны от этого аппарата, определяют по их суммарным токам, как указано в Г.1. Сечение соединительных элементов может быть принято единым по наибольшему суммарному току.

Г.4 Если полученные сечения соединительных элементов защитных коммутационных аппаратов по Г.1 - Г.3 превышают допустимые значения сечений, установленные для входных выводов аппаратов, то в щитках могут предусматриваться сборные шины, к которым должны присоединяться аппараты проводниками соответствующих сечений, выбираемых по номинальным токам аппаратов.

Сечение сборных шин следует выбирать по номинальным токам вводных коммутационных аппаратов щитков.

Г.5 Сечения питающих проводников по Г.1 - Г.3 определяют по суммарному току всех присоединенных к каждому из них аппаратов с учетом коэффициентов одновременности согласно приложению В.

Г.6 Проводник, соединяющий УЗИП с проводниками под напряжением, должен выдерживать предполагаемый ожидаемый ток короткого замыкания и иметь площадь поперечного сечения не менее:

- 2,5 мм2 для УЗИП класса испытаний II по меди;

- 6 мм2 для УЗИП класса испытаний I по меди.

Минимальная площадь поперечного сечения заземляющих проводов для устройств защиты от перенапряжений, монтируемых на входе или рядом с входом электроустановки, должна составлять не менее 4 мм2 по меди.

Г.7 Выбранные сечения проводников проверяют в составе щитков на превышение температуры по приложению В.

Сборные шины щитков с вводными коммутационными аппаратами на 160 и 250 А проверяют, кроме того, на термическую и электродинамическую стойкость по 10.27.

Приложение Д
(справочное)

КРИТЕРИИ ВЫБОРА УСТРОЙСТВ ЗАЩИТЫ ОТ ИМПУЛЬСНЫХ ПЕРЕНАПРЯЖЕНИЙ (УЗИП)

В настоящем приложении не учитываются устройства защиты от перенапряжений, которые могут являться компонентами и входить в состав электроприборов, подключаемых к электроустановке. Наличие таких компонентов и устройств может влиять на функционирование основного устройства защиты от перенапряжений электроустановки и может потребовать дополнительной координации.

Д.1 Для выбора УЗИП требуется определить тип перенапряжений и токов [классификация указана в соответствии с требованиями, устанавливаемыми в национальных стандартах государств, упомянутых в предисловии как проголосовавшие за принятие межгосударственного стандарта <1>].

Д.2 Расчет значений перенапряжений в зависимости от их типа в соответствии с требованиями, устанавливаемыми в национальных стандартах государств, упомянутых в предисловии как проголосовавшие за принятие межгосударственного стандарта <1>:

а) расчет отдельного грозового тока;

б) временные перенапряжения, возникающие в низковольтной системе вследствие короткого замыкания между высоковольтной системой и землей.

Д.3 Правила и принципы координации устройств защиты от перенапряжений в зависимости от типа и места установки в соответствии с требованиями, устанавливаемыми в национальных стандартах государств, упомянутых в предисловии как проголосовавшие за принятие межгосударственного стандарта <1>.

Д.4 При монтаже устройств защиты от перенапряжений в электроустановке необходимо обеспечивать их согласование. Производители устройств защиты от перенапряжений должны предоставлять в прилагаемой к ним документации в достаточном объеме информацию о способах обеспечения согласования между устройствами защиты от перенапряжений.

Д.5 Выбор вида защиты в зависимости от типа электроустановки в соответствии с требованиями, устанавливаемыми в национальных стандартах государств, упомянутых в предисловии как проголосовавшие за принятие межгосударственного стандарта <1>.

Д.6 Рекомендации, а также схемы по установке и подключению устройств защиты от импульсных перенапряжений в зависимости от системы заземления в соответствии с требованиями, устанавливаемыми в национальных стандартах государств, упомянутых в предисловии как проголосовавшие за принятие межгосударственного стандарта <1>.

<1> В Российской Федерации действует ГОСТ Р МЭК 61643-12-2011 "Устройства защиты от импульсных перенапряжений низковольтные. Часть 12. Устройства защиты от импульсных перенапряжений в низковольтных силовых распределительных системах. Принципы выбора и применения".

Д.7 Целесообразность установки устройства защиты от импульсных перенапряжений определяется организацией, осуществляющей проектирование электроснабжения, на основе анализа рисков возникновения перенапряжений, стоимости защиты по сравнению с возможным ущербом, связанным с последствиями перенапряжений в незащищенном объекте.

БИБЛИОГРАФИЯ

[1] IEC 60446:2007 Basic and safety principles for man-machine interface, marking and identification - Identification of conductors by colours or alphanumerics (Система взаимодействия "человек - машина". Основные принципы и принципы обеспечения безопасности, маркировка и идентификация. Цветовая и цифровая идентификация проводов)