Конструкции оконные и балконные светопрозрачные ограждающие. Общие технические условия. ГОСТ 23166-2021

(утв. Приказом Росстандарта от 19.05.2021 N 398-СТ)
Редакция от 09.02.2022 — Документ не действует

Данный документ не поддерживается в сервисе Норматив.


Данный документ приведен с учетом Поправки, введенной в действие с 13.07.2023.


МЕЖГОСУДАРСТВЕННЫЙ СТАНДАРТ

КОНСТРУКЦИИ ОКОННЫЕ И БАЛКОННЫЕ

СВЕТОПРОЗРАЧНЫЕ ОГРАЖДАЮЩИЕ

ОБЩИЕ ТЕХНИЧЕСКИЕ УСЛОВИЯ

Window and balcony translucent enclosing constructions.

General specifications

(EN 14351-1:2006+A2:2016, NEQ)

(EN 18055:2014, NEQ)

ГОСТ 23166-2021

(в ред. Поправки от 09.02.2022)

Дата введения
1 ноября 2021 года

Предисловие

Цели, основные принципы и общие правила проведения работ по межгосударственной стандартизации установлены ГОСТ 1.0 "Межгосударственная система стандартизации. Основные положения" и ГОСТ 1.2 "Межгосударственная система стандартизации. Стандарты межгосударственные, правила и рекомендации по межгосударственной стандартизации. Правила разработки, принятия, обновления и отмены"

ГОСТ 1.0-92 отменен. Взамен него с 01.07.2016 введен в действие ГОСТ 1.0-2015.

Сведения о стандарте

1 РАЗРАБОТАН Частным учреждением - Центр по сертификации оконной и дверной техники (ЦС ОДТ), Обществом с ограниченной ответственностью "Века Рус" (ООО "Века Рус"), Некоммерческой организацией "Ассоциация продавцов и производителей оконной и дверной фурнитуры" (НКО "Ассоциация продавцов и производителей оконной и дверной фурнитуры"), Объединением производителей, поставщиков и потребителей алюминия (Алюминиевая Ассоциация)

2 ВНЕСЕН Техническим комитетом по стандартизации ТК 465 "Строительство"

3 ПРИНЯТ Межгосударственным советом по стандартизации, метрологии и сертификации (протокол от 29 января 2021 г. N 136-П)

За принятие проголосовали:

Краткое наименование страны по МК (ИСО 3166) 004-97Код страны по МК (ИСО 3166) 004-97Сокращенное наименование национального органа по стандартизации
АзербайджанAZАзстандарт
АрменияAMЗАО "Национальный орган по стандартизации и метрологии" Республики Армения
КазахстанKZГосстандарт Республики Казахстан
(в ред. Поправки от 09.02.2022)
КиргизияKGКыргызстандарт
РоссияRUРосстандарт
УзбекистанUZУзстандарт

4 Приказом Федерального агентства по техническому регулированию и метрологии от 19 мая 2021 г. N 398-ст межгосударственный стандарт ГОСТ 23166-2021 введен в действие в качестве национального стандарта Российской Федерации с 1 ноября 2021 г.

5 В настоящем стандарте учтены основные нормативные положения следующих европейских стандартов:

- EN 14351-1:2006+A2:2016 "Окна и двери. Стандарт на продукцию, эксплуатационные характеристики. Часть 1. Окна и наружные дверные блоки (включая Изменение A2:2016)" ["Windows and doors - Product standard, performance characteristics - Part 1: Windows and external pedestrian doorsets (includes Amendment A2:2016)", NEQ];

- EN 18055:2014 "Окна и наружные двери. Критерии использования в соответствии с EN 14351-1" ("Criteria for the use of windows and exterior doors in accordance with EN 14351-1", NEQ)

6 ВЗАМЕН ГОСТ 23166-99, ГОСТ 4.215-81, ГОСТ 4.226-83

Информация о введении в действие (прекращении действия) настоящего стандарта и изменений к нему на территории указанных выше государств публикуется в указателях национальных стандартов, издаваемых в этих государствах, а также в сети Интернет на сайтах соответствующих национальных органов по стандартизации.

В случае пересмотра, изменения или отмены настоящего стандарта соответствующая информация будет опубликована на официальном интернет-сайте Межгосударственного совета по стандартизации, метрологии и сертификации в каталоге "Межгосударственные стандарты"

1 Область применения

Настоящий стандарт распространяется на оконные и балконные блоки различного функционального назначения, балконное остекление (далее - изделия) и устанавливает общие требования к их изготовлению и применению.

Требования настоящего стандарта распространяются на следующие светопрозрачные ограждающие конструкции, применяемые в жилых и общественных зданиях (в т.ч. высотных):

- оконные конструкции, устанавливаемые в проемы стен зданий;

- балконные конструкции с заполнением листовым стеклом, опираемые на перекрытия балкона (лоджии), или непрозрачные экраны, устанавливаемые на перекрытия балкона (лоджии).

Настоящий стандарт не распространяется:

- на изделия специального назначения (взрывобезопасные, пуленепробиваемые, противопожарные и пр.);

- мансардные оконные блоки (в части отдельных технических требований);

- навесные фасадные и кровельные конструкции, в т.ч. на их открывающиеся части, а также на выносное (навесное) балконное остекление.

Настоящий стандарт является основополагающим для комплекса стандартов на конкретные виды и конструкции изделий независимо от материала их изготовления и используемых комплектующих деталей.

2 Нормативные ссылки

В настоящем стандарте использованы нормативные ссылки на следующие межгосударственные стандарты:

ГОСТ 2.102 Единая система конструкторской документации. Виды и комплектность конструкторских документов

ГОСТ 3.1001 Единая система технологической документации. Общие положения

ГОСТ 9.031 Единая система защиты от коррозии и старения. Покрытия анодно-окисные полуфабрикатов из алюминия и его сплавов. Общие требования и методы контроля

ГОСТ 9.301 Единая система защиты от коррозии и старения. Покрытия металлические и неметаллические неорганические. Общие требования

ГОСТ 9.302 (ИСО 1463-82, ИСО 2064-80, ИСО 2106-82, ИСО 2128-76, ИСО 2177-85, ИСО 2178-82, ИСО 2360-82, ИСО 2361-82, ИСО 2819-80, ИСО 3497-76, ИСО 3543-81, ИСО 3613-80, ИСО 3882-86, ИСО 3892-80, ИСО 4516-80, ИСО 4518-80, ИСО 4522-1-85, ИСО 4522-2-85, ИСО 4524-1, ИСО 4524-3-85, ИСО 4524-5-85, ИСО 8401-86) Единая система защиты от коррозии и старения. Покрытия металлические и неметаллические неорганические. Методы контроля

ГОСТ 9.303 Единая система защиты от коррозии и старения. Покрытия металлические и неметаллические неорганические. Общие требования к выбору

ГОСТ 15.309 Система разработки и постановки продукции на производство. Испытания и приемка выпускаемой продукции. Основные положения

ГОСТ 111 Стекло листовое бесцветное. Технические условия

ГОСТ 538 Изделия замочные и скобяные. Общие технические условия

ГОСТ 5088 Петли для оконных и дверных блоков. Технические условия

ГОСТ 5089 Замки, защелки, механизмы цилиндровые. Технические условия

ГОСТ 5090 Изделия скобяные для деревянных окон и дверей. Технические условия

ГОСТ 9416 <1> Уровни строительные. Технические условия

<1> Утратил силу в Российской Федерации. В Российской Федерации действует ГОСТ Р 58514-2019 "Уровни строительные. Технические условия".

ГОСТ 10354 Пленка полиэтиленовая. Технические условия

ГОСТ 11214 Блоки оконные деревянные с листовым остеклением. Технические условия

ГОСТ 19091 Замки, защелки, механизмы цилиндровые. Методы испытаний

ГОСТ 21519 Блоки оконные из алюминиевых сплавов. Технические условия

ГОСТ 22233 Профили прессованные из алюминиевых сплавов для ограждающих конструкций. Технические условия

ГОСТ 23118 Конструкции стальные строительные. Общие технические условия

ГОСТ 24033 Окна, двери, ворота. Методы механических испытаний

ГОСТ 24297 Верификация закупленной продукции. Организация проведения и методы контроля

ГОСТ 24700-99 Блоки оконные деревянные со стеклопакетами. Технические условия

ГОСТ 24866 Стеклопакеты клееные. Технические условия

ГОСТ 26433.0 Система обеспечения точности геометрических параметров в строительстве. Правила выполнения измерений. Общие положения

ГОСТ 26433.0 отменен. Взамен него с 01.01.2021 введен в действие ГОСТ Р 58941-2020.

ГОСТ 26433.1 Система обеспечения точности геометрических параметров в строительстве. Правила выполнения измерений. Элементы заводского изготовления

ГОСТ 26602.1 Блоки оконные и дверные. Методы определения сопротивления теплопередаче

ГОСТ 26602.2 Блоки оконные и дверные. Методы определения воздухо- и водопроницаемости

ГОСТ 26602.3 Блоки оконные и дверные. Метод определения звукоизоляции

ГОСТ 26602.4 Блоки оконные и дверные. Метод определения общего коэффициента пропускания света

ГОСТ 26602.5 Блоки оконные и дверные. Методы определения сопротивления ветровой нагрузке

ГОСТ 30494-2011 Здания жилые и общественные. Параметры микроклимата в помещениях

ГОСТ 30673-2013 Профили поливинилхлоридные для оконных и дверных блоков. Технические условия

ГОСТ 30674 Блоки оконные из поливинилхлоридных профилей. Технические условия

ГОСТ 30698 Стекло закаленное. Технические условия

ГОСТ 30733 Стекло с низкоэмиссионным твердым покрытием. Технические условия

ГОСТ 30777 Устройства поворотные, откидные, поворотно-откидные, раздвижные для оконных и балконных дверных блоков. Технические условия

ГОСТ 30778 Прокладки уплотняющие из эластомерных материалов для оконных и дверных блоков. Технические условия

ГОСТ 30826 Стекло многослойное. Технические условия

ГОСТ 30971 Швы монтажные узлов примыкания оконных блоков к стеновым проемам. Общие технические условия

ГОСТ 30971 отменен. Взамен него с 01.01.2014 введен в действие ГОСТ 30971-2012.

ГОСТ 31014 Профили полиамидные стеклонаполненные. Технические условия

ГОСТ 31149 (ISO 2409:2013) Материалы лакокрасочные. Определение адгезии методом решетчатого надреза

ГОСТ 31462 Блоки оконные защитные. Общие технические условия

ГОСТ 32539 Стекло и изделия из него. Термины и определения

ГОСТ 32563 Стекло с полимерными пленками. Технические условия

ГОСТ 32997 Стекло листовое, окрашенное в массе. Общие технические условия

ГОСТ 33017 Стекло с солнцезащитным или декоративным твердым покрытием. Технические условия

ГОСТ 33087 Стекло термоупрочненное. Технические условия

ГОСТ 33575 Стекло с самоочищающимся покрытием. Технические условия

ГОСТ 34379-2018 Конструкции ограждающие светопрозрачные. Правила обследования технического состояния в натурных условиях

Примечание - При пользовании настоящим стандартом целесообразно проверить действие ссылочных стандартов и классификаторов на официальном интернет-сайте Межгосударственного совета по стандартизации, метрологии и сертификации (www.easc.by) или по указателям национальных стандартов, издаваемым в государствах, указанных в предисловии, или на официальных сайтах соответствующих национальных органов по стандартизации. Если на документ дана недатированная ссылка, то следует использовать документ, действующий на текущий момент, с учетом всех внесенных в него изменений. Если заменен ссылочный документ, на который дана датированная ссылка, то следует использовать указанную версию этого документа. Если после принятия настоящего стандарта в ссылочный документ, на который дана датированная ссылка, внесено изменение, затрагивающее положение, на которое дана ссылка, то это положение применяется без учета данного изменения. Если ссылочный документ отменен без замены, то положение, в котором дана ссылка на него, применяется в части, не затрагивающей эту ссылку.

3 Термины и определения

В настоящем стандарте применены термины по ГОСТ 31462, ГОСТ 32539, ГОСТ 30777, ГОСТ 11214, а также следующие термины с соответствующими определениями:

3.1 балконная конструкция: Ограждающая конструкция, отделяющая планировочное пространство балкона (лоджии) от внешней среды и служащая для его защиты от внешних климатических воздействий.

Примечание - В общем случае балконная конструкция включает в себя: балконное остекление, крепежные детали, систему уплотнения монтажного шва, отлив, облицовочные детали откосов и пр.

3.2 балконное остекление: Светопрозрачная конструкция, отделяющая планировочное пространство балкона (лоджии) от внешней среды и служащая для его защиты от внешних климатических воздействий.

Примечание - В общем случае балконное остекление состоит из следующих сборочных единиц: рамы, створок и/или светопрозрачного заполнения, фурнитуры. Может быть оснащена рядом дополнительных функциональных элементов.

3.3 балконный блок: Конструктивный элемент заполнения проема наружной стены помещения, примыкающего к балкону или лоджии, обладающий всеми характеристиками основного или специального оконных блоков и предназначенный для обеспечения сообщения внутреннего помещения с балконом (лоджией), естественного освещения помещения и его защиты от внешних климатических и других воздействий.

Примечание - В общем случае балконный блок представляет собой составную конструкцию из скрепленных между собой на механических или иных связях оконного и балконного дверного блоков; может быть использован в качестве аварийного выхода из квартиры в соответствии с нормативными документами <1>, действующими на территории государства - участника Соглашения, принявшего настоящий стандарт.

<1> В Российской Федерации - в соответствии с СП 54.13330.2016 "СНиП 31-01-2003 Здания жилые многоквартирные".

3.4 балконный дверной блок: Изделие, предназначенное для обеспечения сообщения внутреннего помещения с балконом (лоджией), естественного освещения помещения и его защиты от внешних климатических и других воздействий.

Примечание - Балконный дверной блок состоит из следующих сборочных единиц: рамы, одного (нескольких) дверного(ых) полотна (полотен) со светопрозрачным и/или непрозрачным заполнением, фурнитуры. Может иметь участки глухого остекления, а также может быть оснащен рядом дополнительных функциональных элементов.

3.5 безрамное балконное остекление: Балконное остекление, состоящее из несущих (верхних и нижних) направляющих алюминиевых профилей, комплекта створок из закаленного стекла и устройств перемещения.

3.6 вентиляционный клапан: Приточное устройство, встроенное в светопрозрачную конструкцию, стеновой проем или наружную стену здания, предназначенное для обеспечения требуемого воздухообмена.

3.7 глухое остекление: Остекление оконного блока, балконного дверного блока или балконного остекления (части оконного блока или балконного остекления), не предусматривающее возможность какого-либо вида открывания и жестко закрепленное в коробке.

3.8 декоративная накладка: Накладные декоративные профили, наклеиваемые на стекло/стеклопакет с внутренней или наружной стороны и образующие ложный переплет (фальшпереплет).

3.9 деревоалюминиевый оконный блок: Оконный блок, включающий в себя деревянные рамочные элементы и рамочные элементы из алюминиевых сплавов, характеристики которых учитываются в расчетах сопротивления эксплуатационным нагрузкам.

3.10 деревянный оконный блок с алюминиевыми накладками: Оконный блок из деревянных рамочных элементов, наружные поверхности которых защищены от атмосферных воздействий накладными деталями из алюминиевых сплавов.

3.11 дождезащитный профиль (слезник): Деталь, предназначенная для отвода дождевой воды из области притворов.

3.12 долговечность: Характеристика изделий, определяющая их способность сохранять эксплуатационные качества в течение определенного срока в заданных климатических условиях, подтвержденная результатами лабораторных испытаний и выражаемая в циклах стандартных испытаний или условных годах эксплуатации (срока службы).

3.13 замок безопасности (детский замок безопасности): Замочное изделие, установленное в оконную створку и предназначенное для ограничения функции распашного открывания, в т.ч. детьми, оставленными без присмотра взрослых.

3.14 изделие правого (левого) открывания: Одностворчатое изделие с поворотным или поворотно-откидным открыванием с расположением петель с правой (левой) стороны при виде со стороны открывания створки (полотна).

Примечание - При наличии в изделии нескольких створок с поворотным или поворотно-откидным открыванием вид открывания определяют по расположению рабочей створки, предназначенной для проветривания.

3.15 импост: Профильный элемент, закрепляемый в оконной раме, предназначенный для притвора створок и установки ответных частей фурнитуры в двухстворчатых (и более) оконных блоках, а также для установки глухого остекления.

Примечание - В зависимости от расположения в раме может быть вертикальным, горизонтальным, а при необходимости может быть установлен под углом к вертикали/горизонтали. В отдельных случаях импост(ы) может (могут) быть установлен(ы) в створочные элементы оконных блоков, а также использован(ы) для конструктивного деления рамы с глухим остеклением на несколько частей.

3.16 каскадные испытания: Первичные испытания изделий определенных систем профилей, проведенные разработчиком системы (системодателем) и передаваемые переработчикам своей продукции на условиях, установленных в соглашениях (контрактах) между разработчиком системы и изготовителем.

3.17 клапанная створка: Узкая створка шириной, как правило, не более 250 мм без светопрозрачного заполнения, предназначенная для проветривания помещения.

3.18 комбинированный оконный блок: Оконный блок, состоящий из одной или нескольких открывающихся створок, а также одной или нескольких неоткрывающихся створок либо части оконного блока с глухим остеклением.

3.19 ленточное балконное остекление: Балконное остекление, устанавливаемое в световой проем, образованный снизу непрозрачным балконным экраном (из бетона, кирпича и пр.) и перекрытием балкона (лоджии) сверху.

3.20 многостворчатый оконный блок: Оконный блок с несколькими открывающимися створками, смонтированными в раме, не имеющей глухого остекления и/или неоткрывающихся створок.

Пример - Двухстворчатый оконный блок, трехстворчатый оконный блок.

3.21 наплав: Часть профиля створки, рамы или импоста, предназначенная для примыкания сопрягаемых профилей, установки уплотняющих прокладок и светопрозрачного и непрозрачного заполнения.

3.22 неоткрывающаяся створка (фальшстворка): Створка, закрепленная в раме неподвижно и без механизма открывания.

3.23 образец-эталон: Образец продукции (покрытия, материала, обработанной продукции), предназначенный для сравнения с ним единиц продукции при изготовлении, приемке и поставке.

3.24 окно (оконная конструкция): Светопрозрачная ограждающая конструкция, являющаяся элементом стеновой конструкции здания (сооружения), предназначенным для сообщения внутренних помещений с окружающим пространством, обеспечения естественного освещения и вентиляции помещений, защиты от внешних климатических и других воздействий.

Примечание - В общем случае окно включает в себя: оконный проем, оконный блок, крепежные детали, систему уплотнения монтажного шва, подоконную доску, отлив, облицовочные детали откосов, вентиляционный клапан, противомоскитную сетку и пр.

3.25 оконная фурнитура: Совокупность приборов и механизмов, обеспечивающих открывание, закрывание и другие функциональные свойства оконных и балконных блоков.

3.26 оконный блок: Изделие, устанавливаемое в проем наружной стены здания и предназначенное для естественного освещения, а также для вентиляции помещения, его защиты от внешних климатических и других воздействий.

Примечание - В общем случае данная конструкция состоит из следующих сборочных единиц: рамы, створок, подставочного профиля, светопрозрачного заполнения, фурнитуры. Может быть оснащена рядом дополнительных функциональных элементов.

3.27 оконный блок из алюминиевых профилей с деревянными накладками: Оконный блок из алюминиевых рамочных элементов, облицованных со стороны помещения декоративными деревянными накладными деталями.

3.28 оконный блок из поливинилхлоридных профилей с алюминиевыми накладками: Оконный блок из поливинилхлоридных рамочных элементов, наружные поверхности которых облицованы декоративными накладными деталями из алюминиевых сплавов.

3.29 оконный проем: Проем в стене для монтажа одного или нескольких оконных (балконных) блоков.

3.30 основные оконные блоки: Все виды оконных блоков, применяемые для заполнения световых проемов наружных стен жилых помещений и кухонь и других помещений с постоянным пребыванием людей с определенными параметрами внутреннего микроклимата.

3.31 отлив: Металлический или поливинилхлоридный профиль, закрепляемый к нижнему профилю рамы или подставочному профилю изделия, предназначенный для защиты узлов примыкания от дождевой воды.

3.32 относительный прогиб: Величина, выражаемая отношением прогиба силового элемента оконного блока или балконного остекления к его длине, возникающего в результате действия на них нагрузок.

3.33 панорамное балконное остекление: Балконное остекление, устанавливаемое в световой проем, образованный снизу и сверху перекрытиями балкона (лоджии).

3.34 паспорт изделия: Документ, содержащий сведения, удостоверяющие гарантии изготовителя, значения основных параметров и характеристик (свойств) изделия, дополнительные сведения о сертификации и утилизации изделий, а также другие сведения по усмотрению изготовителя продукции.

3.35 полотно: Сборочная единица балконного дверного блока, соединяемая с рамой посредством петель или направляющих, включающая в себя светопрозрачное заполнение, причем нижняя часть полотна может быть выполнена в виде непрозрачной щитовой/филенчатой конструкции или светопрозрачного заполнения с обязательным использованием безопасного стекла, рассчитанного на восприятие удара мягким телом.

3.36 профиль (брусок): Профилированная деталь рамочного элемента изделия или отдельная погонажная деталь, не входящая в рамочные элементы.

3.37 притвор: Узел сопряжения створки с профильными элементами рамы или импоста (штульпа).

Примечание - Различают следующие виды притворов: основной притвор - узел (узлы) сопряжения вертикальных и верхнего горизонтального профилей створки и рамы; нижний притвор - узел (узлы) сопряжения нижних горизонтальных профилей створки и рамы; импостный притвор - узел (узлы) сопряжения профилей створки с импостом рамы; штульповый притвор - узел (узлы) сопряжения профилей створок между собой.

3.38 прочность угловых соединений: Способность угловых соединений профилей воспринимать внешние механические нагрузки без разрушения.

3.39 рама (коробка): Сборочная единица оконного (балконного) блока или балконного остекления, неподвижно закрепляемая в световом проеме и предназначенная для установки створок, полотен, светопрозрачного заполнения.

Примечание - В отдельных случаях в раму могут быть установлены непрозрачные элементы заполнения (сэндвич-панели), вентиляционные клапаны и пр.

3.40 светопрозрачная ограждающая конструкция: Все виды ограждающих конструкций, обеспечивающие естественным светом помещения зданий и сооружений.

Примечание - Согласно пункту 3.16 ГОСТ 34379-2018 светопрозрачные ограждающие конструкции относятся к группе ограждающих конструкций, предназначенных для обеспечения необходимой естественной освещенности и возможности визуального контакта с окружающей средой.

3.41 светопрозрачное заполнение: Заполнение из прозрачного листового стекла, стеклопакета или их комбинации, установленное в рамочном элементе изделия.

3.42 системный паспорт (изделия): Документ, удостоверяющий значения основных конструктивных параметров и эксплуатационных характеристик систем профилей и светопрозрачных конструкций, разработанных на их основе.

3.43 системодатель: Организация, являющаяся разработчиком системы конструктивных элементов, предназначенных для изготовления определенной продукции.

3.44 спаренная створка: Створка, состоящая из двух соединенных между собой с помощью механических связей створчатых элементов с собственным светопрозрачным заполнением.

3.45 специальные оконные блоки: Основные оконные блоки, обладающие дополнительными специальными свойствами (например, в части защиты от шума, взломоустойчивости и пр.).

3.46 специальные оконные блоки для вспомогательных помещений: Оконные блоки, устанавливаемые в нежилых помещениях, включая лестничные клетки, технические этажи, подвалы.

3.47 створка (створчатый элемент): Сборочный элемент оконного (балконного) блока или балконного остекления рамочной конструкции, предназначенный для установки светопрозрачного (непрозрачного) заполнения и соединяемый с рамой посредством петель или других механических связей.

3.48 узкая створка: Створка многостворчатого изделия с шириной не более 400 мм, используемая как устройство приточной вентиляции.

3.49 форточка: Рамочный элемент, навешиваемый на петлях в створку или раму, предназначенный для проветривания помещения.

3.50 фрамуга: Створчатый элемент с горизонтальной осью поворота, имеющий откидное открывание внутрь помещения с нижним или верхним расположением петель, ограниченный горизонтальным импостом и профилями рамы, предназначенный для проветривания помещения.

3.51 "французский балкон": Балконный дверной блок с одним или несколькими полотнами, установленный в проеме наружной стены на междуэтажном перекрытии и имеющий наружное защитное ограждение.

Примечание - "Французский балкон" относится к типу балкона без балконной площадки либо с минимальной балконной площадкой, не предусматривающий нахождение на ней человека. Оконные блоки "в пол" также относятся к "французскому балкону". "Французский балкон" может иметь участки глухого остекления.

3.52 штапик (раскладка): Деталь, предназначенная для крепления светопрозрачного или непрозрачного (глухого) заполнения рамочного элемента.

3.53 штульп: Вертикальный профиль, жестко закрепляемый на створке и обеспечивающий безимпостный штульповый притвор (в деревянных оконных блоках - брусок створки, обеспечивающий штульповый притвор).

3.54 щелевое проветривание: Ограниченное проветривание помещения через фиксированный зазор в притворе между рамой и створкой, ширина которого определена характеристиками используемой фурнитуры.

Примечание - Щелевое проветривание при откидном способе открывания обеспечивает проникновение воздуха через верхнюю половину створки и может быть приравнено к проветриванию с помощью форточки.

4 Классификация и условные обозначения

4.1 Оконные и балконные блоки классифицируют по следующим классификационным признакам:

- функциональное назначение;

- материалы профильных элементов;

- тип конструкции;

- вид светопрозрачного заполнения;

- число и расположение контуров уплотнения в притворах;

- конструктивное решение притворов створок;

- эксплуатационные характеристики.

Примечание - Здесь и далее по тексту настоящего стандарта сведения и требования, касающиеся оконных блоков, следует распространять и на балконные блоки, если иное специально не оговорено.

4.1.1 По функциональному назначению выделяют следующие оконные и балконные блоки:

- основные;

- специальные, в т.ч.:

- шумозащитные,

- взломоустойчивые,

- для вспомогательных помещений (лестничных клеток, технических

этажей, чердаков, подвалов).

4.1.2 По материалам профильных элементов выделяют следующие оконные и балконные блоки:

- из древесины;

- поливинилхлорида (ПВХ);

- алюминиевых сплавов;

- стали;

- стеклопластиков;

- комбинации материалов.

Примеры вариантов конструкций наиболее распространенных типов оконных блоков, изготовленных из различных материалов, представлены на рисунке 1.

а - оконные блоки из ПВХ-профилей; б - оконные блоки из ПВХ-профилей с алюминиевыми накладками; в - оконные блоки из алюминиевого профиля; г - оконные блоки из алюминиевого профиля с деревянными накладками; д - деревянные оконные блоки; е - деревянные оконные блоки с внешними алюминиевыми накладками; ж - деревоалюминиевые оконные блоки

Рисунок 1 - Варианты конструкций наиболее распространенных типов оконных блоков, изготовленных из различных материалов

4.1.3 По типу конструкции выделяют следующие оконные и балконные блоки:

- одинарные;

- спаренные;

- раздельные;

- раздельно-спаренные.

4.1.4 По виду светопрозрачного заполнения выделяют следующие оконные и балконные блоки:

- с листовым стеклом;

- стеклопакетами;

- листовым стеклом и стеклопакетами.

Примеры основных типов конструкций и вариантов заполнения светопрозрачной части оконных блоков приведены на рисунке 2.

а - одинарный оконный блок с одним стеклом; б - одинарный оконный блок с однокамерным стеклопакетом; в - одинарный оконный блок с двухкамерным стеклопакетом; г - спаренный оконный блок с двойным остеклением; д - спаренный оконный блок со стеклом и стеклопакетом; е - раздельный оконный блок с двойным остеклением; ж - раздельно-спаренный оконный блок с тройным остеклением; и - раздельный оконный блок со стеклом и однокамерным стеклопакетом; к - раздельный оконный блок со стеклом и двухкамерным стеклопакетом; л - раздельный оконный блок с двумя стеклопакетами

Рисунок 2 - Основные типы конструкций и варианты заполнения светопрозрачной части оконных блоков

4.1.5 По числу и расположению контуров уплотнения в притворах выделяют следующие оконные и балконные блоки:

- с одним контуром уплотнения;

- средним и внутренним уплотнением;

- наружным и внутренним уплотнением;

- наружным, внутренним и средним уплотнением.

Примеры узлов притворов с различным числом и расположением уплотнений приведены на рисунке 3.

а - конструкция с наружным и внутренним уплотнениями; б - конструкция со средним и внутренним уплотнениями; в - конструкция с наружным, внутренним и средним уплотнениями (в створке); г - конструкция с наружным, внутренним и средним уплотнениями (в раме)

Рисунок 3 - Примеры узлов притворов с различным числом и расположением уплотнений

4.1.6 По конструктивным решениям притворов створок выделяют следующие оконные и балконные блоки:

- с импостным притвором;

- безимпостным (штульповым) притвором.

Примеры узлов средних (импостных и штульповых) притворов оконных блоков с двойным и тройным уплотнением приведены на рисунке 4.

а - горизонтальный импостный притвор деревянного оконного блока; б - вертикальный импостный притвор деревянного оконного блока; в - вертикальный штульповый притвор деревянного оконного блока; г - вертикальный импостный притвор оконного блока из ПВХ-профиля; д - вертикальный штульповый притвор оконного блока из ПВХ-профиля; е - вертикальный импостный притвор оконного блока из алюминиевого профиля; ж - вертикальный штульповый притвор оконного блока из алюминиевого профиля

Рисунок 4 - Примеры узлов средних (импостных и штульповых) притворов оконных блоков с двойным и тройным уплотнением

4.1.7 Оконные и балконные блоки классифицируют по следующим эксплуатационным характеристикам:

- воздухопроницаемость;

- водопроницаемость;

- сопротивление ветровым нагрузкам;

- звукоизоляция.

Классы изделий по перечисленным эксплуатационным характеристикам устанавливают в соответствии с данными, приведенными в таблицах 1 - 5.

Классификацию оконных и балконных блоков по воздухопроницаемости проводят по таблице 1.

Таблица 1

Классы изделий по воздухопроницаемости

Объемная воздухопроницаемость при перепаде давления P = 100 Па, приведенная к общей площади изделия, м3/(ч·м2), для построения нормативных границ классовОбъемная воздухопроницаемость при перепаде давления P = 100 Па, приведенная к общей длине притворов, м3/(ч·м2), для построения нормативных границ классовКласс изделия по воздухопроницаемости
30,75А
92,25Б
174,25В
276,75Г
5012,50Д
Примечания
1 Основные оконные и балконные блоки должны иметь класс по воздухопроницаемости не ниже Б.
2 Шумозащитные и взломоустойчивые оконные блоки должны иметь класс по воздухопроницаемости не ниже А.
3 Оконные блоки вспомогательных помещений должны иметь класс по воздухопроницаемости не ниже В.
4 Оконные блоки неотапливаемых помещений должны иметь класс по воздухопроницаемости не ниже Д.

Классификацию оконных и балконных блоков по водопроницаемости проводят по таблице 2.

Таблица 2

Классы изделий по водопроницаемости

Предел водонепроницаемости, Па, не менееКласс изделия по водопроницаемости
600А
450Б
300В
250Г
200Д
150Е
Примечания
1 Основные оконные и балконные блоки должны иметь класс по водопроницаемости не ниже Б.
2 Шумозащитные и взломоустойчивые оконные блоки должны иметь класс по водопроницаемости не ниже А.
3 Оконные блоки вспомогательных помещений должны иметь класс по водопроницаемости не ниже Е.
4 Балконное остекление должно иметь класс по водопроницаемости не ниже Д.

Классификацию оконных и балконных блоков по звукоизоляции проводят по таблице 3.

Таблица 3

Классы изделий по звукоизоляции

Звукоизоляция, дБАКласс изделия по звукоизоляции
31 - 33А
28 - 30Б
25 - 27В
22 - 24Г
19 - 21Д
16 - 18Е
Примечания
1 Основные оконные и балконные блоки, а также взломоустойчивые оконные блоки должны иметь класс по звукоизоляции не ниже Д.
2 Шумозащитные оконные блоки должны иметь класс по звукоизоляции не ниже В.
3 Оконные блоки для вспомогательных помещений должны иметь класс по звукоизоляции не ниже Е.

Классификацию оконных и балконных блоков по сопротивлению ветровой нагрузке проводят по двум параметрам:

- по значению ветрового давления;

- предельному относительному прогибу несущих элементов изделия.

По сопротивлению ветровой нагрузке и предельному относительному прогибу изделия подразделяют на классы, приведенные в таблицах 4 и 5.

Таблица 4

Классы изделий по сопротивлению ветровой нагрузке в зависимости от величины ветрового давления

Ветровое давление P, ПаКласс изделия по сопротивлению ветровой нагрузке в зависимости от ветрового давления
Св. 2000А
1601 - 2000Б
1201 - 1600В
801 - 1200Г
401 - 800Д
Не выше 400Е
Примечания
1 P - нагрузка, при которой определяют прогиб несущих элементов изделия согласно ГОСТ 26602.5 (или иным нормативным документам).
2 Изделиям класса А присваивают обозначение в виде Ахххх, где xxxx - значение давления P.

Таблица 5

Классы изделий по сопротивлению ветровой нагрузке в зависимости от предельного относительного прогиба

Предельный относительный прогибКласс изделия по сопротивлению ветровой нагрузке в зависимости от предельного относительного прогиба
< 1/300А
< 1/200Б
< 1/150В
Примечания
1 Класс оконных и балконных блоков по сопротивлению ветровой нагрузке записывают в виде XY, где X - класс изделия в зависимости от ветровой нагрузки (см. таблицу 4), Y - класс изделия в зависимости от предельного относительного прогиба (см. настоящую таблицу).
2 Основные оконные и балконные блоки должны иметь класс по сопротивлению ветровой нагрузке в зависимости от относительного прогиба не ниже Б (< 1/200).
3 Шумозащитные и взломоустойчивые оконные блоки должны иметь класс по сопротивлению ветровой нагрузке в зависимости от относительного прогиба не ниже А (< 1/300).
4 Оконные блоки вспомогательных помещений и балконное остекление должны иметь класс по сопротивлению ветровой нагрузке в зависимости от относительного прогиба не ниже В (< 1/150).

4.2 Балконное остекление классифицируют по следующим признакам:

- конструктивное исполнение;

- варианты открывания рамочных элементов;

- материалы рамочных элементов.

4.2.1 По конструктивному исполнению выделяют балконное остекление:

- ленточное;

- панорамное;

- безрамное.

4.2.2 По вариантам открывания рамочных элементов выделяют балконное остекление:

- с поворотным открыванием;

- поворотно-откидным открыванием;

- параллельно-раздвижным открыванием.

Варианты открывания рамочных элементов балконного остекления приведены на рисунке 5.

а - балконное остекление из ПВХ-профиля с поворотным (поворотно-откидным) открыванием створок; б - балконное остекление из ПВХ-профиля с параллельно-раздвижным открыванием створок; в - балконное остекление из алюминиевого профиля с поворотным (поворотно-откидным) открыванием створок; г - балконное остекление из алюминиевого профиля с параллельно-раздвижным открыванием створок; д - безрамное балконное остекление

Рисунок 5 - Варианты открывания балконного остекления

4.2.3 По материалам профильных элементов выделяют балконное остекление:

- из древесины;

- ПВХ;

- алюминиевых сплавов;

- стали.

4.3 Условные обозначения

4.3.1 Структура условного обозначения изделий приведена в таблице 6.

Таблица 6

Порядок изложения элементов условного обозначения12345678
Элемент условного обозначенияТип изделияМатериал изделияГабаритные размеры изделияТип конструкции и вариант остекленияСпособ открывания и тип фурнитурыОбозначение стандартаОбозначение артикулаДополнительные сведения

4.3.2 Для указания типа изделия используют следующие обозначения:

О - оконный блок основной;

ОСш - оконный блок специальный шумозащитный;

ОСвз - оконный блок специальный взломоустойчивый;

ОСвп - оконный блок специальный для вспомогательных помещений;

Б - балконный блок;

Бф - "французский балкон";

ОБЛ - ленточное балконное остекление;

ОБП - панорамное балконное остекление;

ОБр - безрамное балконное остекление.

4.3.3 Для указания материала профильных элементов используют следующие обозначения:

Д - древесина;

А - алюминиевый сплав;

П - ПВХ;

Ст - сталь;

Спл - стеклопластик;

ДА - древесина + алюминиевый профиль;

ДАН - древесина с внешней алюминиевой накладкой;

ПА - ПВХ-профиль с внешней алюминиевой накладкой;

АД - алюминиевый профиль с внутренней накладкой из древесины.

4.3.4 Габаритные размеры изделия следует фиксировать в форме:

H x L x B,

где

H - высота изделия, мм;

L - ширина изделия, мм;

B - монтажная ширина рамы, мм (допускается не указывать).

4.3.5 Для указания типа конструкции и варианта остекления используют следующие обозначения:

Л - с бесцветным листовым стеклом;

З - с закаленным стеклом;

Т - с термоупрочненным стеклом;

О - с листовым стеклом, окрашенным в массе;

СЗ - со стеклом с солнцезащитным и декоративным твердым покрытием;

М - с многослойным стеклом;

ПП - стекло с полимерными пленками;

СП - со стеклопакетом;

ОЛ - одинарной конструкции с листовым остеклением;

ОСП - одинарной конструкции со стеклопакетом;

СпЛ - спаренной конструкции с листовым остеклением;

РЛ - раздельной конструкции с листовым остеклением;

Р2СП - раздельной конструкции со стеклопакетами;

РС3Л - раздельно-спаренной конструкции с листовым остеклением.

4.3.6 Для указания способа открывания используют следующие обозначения в соответствии с ГОСТ 30777:

ПР - поворотное - с поворотом створки вокруг вертикальной крайней оси;

ОТ - откидное - с поворотом створки вокруг нижней оси;

ПОТ - поворотно-откидное - с поворотом створки вокруг вертикальной и нижней крайних осей;

ОТП - откидно-поворотное - с поворотом створки вокруг нижней и вертикальной крайних осей;

ПВ - параллельно-выдвижное - параллельное выдвижение створки из плоскости окна на определенное расстояние;

СП - средне-поворотное - с поворотом створки вокруг горизонтальной оси;

ВП - верхне-поворотное - с поворотом створки вокруг вертикальной оси, смещенной от края створки;

Рз - раздвижное - с горизонтальным перемещением створок;

П - подъемное - с перемещением створки в вертикальной плоскости;

Ск - складное - со створками, складывающимися в "гармошку";

Н - неоткрывающаяся створка;

К - комбинированное - с совмещением в одной конструкции разных видов открывания створок;

ГО - глухое остекление.

4.3.7 Для указания направления открывания створки используют следующие обозначения:

ВП - внутрь помещения;

НП - наружу;

ДО - двухстороннего открытия;

Л - левого открывания;

П - правого открывания;

СО - симметричного открывания.

4.3.8 Условное обозначение изделий рекомендуется дополнять эскизом изделия со стороны помещения с указанием характерных размеров изделия и схемы открывания створок, а также классов по эксплуатационным характеристикам.

4.3.9 Эксплуатационные характеристики изделий (в виде классов или в количественном выражении), а также другие особенности конструкции изделия (например, марку профильной системы, цвет изделий, наличие устройств проветривания и пр.) приводят в проектной документации в соответствии с приложениями А и Б, в паспорте и договоре на поставку в виде текстовой записи.

4.3.10 Примеры условных обозначений

Пример условного обозначения оконного блока основного из ПВХ-профилей с внешними алюминиевыми накладками, с габаритными размерами по высоте и ширине 2120 и 1760 мм соответственно, с монтажной шириной рамы 82 мм, одинарной конструкции со стеклопакетом 4М1-14-4-14-И6 с поворотно-откидными и откидными створками, выполненного в соответствии с требованиями ГОСТ 31462:

О-ПА-2120x1760x82

или

О-ПА-2120x1760x82 ОСП (4М1-14-4-14-И6) ПОТ/ОТ-ГОСТ 31462

Дополнительная информация из эскиза (рисунок 6): оконный блок разбит на две равные поворотно-откидные створки шириной 880 м и фрамугу высотой 600 мм во всю ширину изделия.

Рисунок 6

Эксплуатационные характеристики изделия, в т.ч. их классификация, указываемые в паспорте изделия, договоре на поставку изделий и в проектной документации: приведенное сопротивление теплопередаче - 0,75 (м2·°C)/Вт, класс звукоизоляции изделия - Г, класс изделия по воздухопроницаемости - А, класс изделия по водопроницаемости - А, класс изделия по сопротивлению ветровой нагрузке - АА.

Цвет окна: изнутри - белый, снаружи - серый RAL 7016.

Пример условного обозначения ленточного балконного остекления из ПВХ-профилей, с габаритными размерами по высоте и ширине 1620 и 2640 мм соответственно, с раздвижными створками, с применением листового стекла 6М1, выполненного в соответствии с требованиями ГОСТ 23166:

ОБЛ - П - 2640x1620 - Рз

или

ОБЛ - П-2640x1620 - Рз-6М1 ГОСТ 23166

Дополнительная информация из эскиза (рисунок 7): балконное остекление разбито на три равные раздвижные створки шириной 880 мм.

Рисунок 7 - Эскиз балконного остекления

Технические и эксплуатационные характеристики изделия, указываемые в проектной документации, паспорте изделия и договоре на поставку: класс изделия по водопроницаемости - В; класс изделия по сопротивлению ветровой нагрузке - ВГ.

Цвет профилей балконного остекления: изнутри - белый, снаружи - белый.

5 Технические требования и характеристики

5.1 Общие требования

5.1.1 Основными эксплуатационными характеристиками оконных и балконных блоков являются:

- приведенное сопротивление теплопередаче;

- звукоизоляция;

- воздухопроницаемость;

- водопроницаемость;

- сопротивление ветровой нагрузке;

- безотказность.

5.1.2 Основными эксплуатационными характеристиками балконного остекления являются:

- водопроницаемость;

- сопротивление ветровой нагрузке;

- безотказность.

5.1.3 Приведенное сопротивление теплопередаче оконных и балконных блоков должно быть не ниже базовых значений требуемого сопротивления теплопередаче для заданного климатического района строительства, определяемых по нормативным документам <1>, действующим на территории государства - участника Соглашения, принявшего настоящий стандарт. Базовые значения требуемого сопротивления теплопередаче оконных и балконных блоков для заданного климатического района строительства также приведены в таблице А.1 приложения А.

<1> В Российской Федерации - в соответствии с требованиями СП 131.13330.2018 "СНиП 23-01-99* Строительная климатология".

5.1.4 Расчетные (проектные) значения сопротивления теплопередаче определяют согласно нормативным документам <2>, действующим на территории государства - участника Соглашения, принявшего настоящий стандарт.

Примечание - При определении расчетных значений сопротивления теплопередаче необходимо учитывать оптимальные нормы температуры и относительной влажности воздуха в холодный период года в соответствии с таблицей 4.1 ГОСТ 30494-2011.

Официальный источник электронного документа содержит неточность: таблица 1 ГОСТ 30494-2011.

<2> В Российской Федерации действует 56926-2016 "Конструкции оконные и балконные различного функционального назначения для жилых зданий. Общие технические условия".

5.1.5 Изделия должны быть безопасными в эксплуатации и обслуживании. Требования к безопасной эксплуатации приведены в разделе 6.

5.2 Требования к конструкции оконных и балконных блоков

5.2.1 Оконные и балконные блоки должны соответствовать требованиям настоящего стандарта, стандартов на конкретные виды изделий, образцам-эталонам в соответствии с ГОСТ 15.309 и должны быть изготовлены по конструкторской и технологической документации, оформленной в соответствии с требованиями ГОСТ 2.102 и ГОСТ 3.1001 и утвержденной руководителем предприятия-изготовителя.

Положения по проектированию, применяемые при разработке конструктивных решений оконных и балконных блоков, балконного остекления, приведены в приложении Б.

Примечание - Здесь и далее в настоящем подразделе приведены общие технические требования к оконным и балконным блокам всех типов независимо от их функционального назначения и материала изготовления.

5.2.2 Конструкция, габаритные размеры, схемы открывания, возможность применения неоткрывающихся створок, основные эксплуатационные характеристики, материал, цвет и прочие параметры изделий должны быть определены в техническом задании на изготовление конкретных изделий или в проектной документации на объект.

5.2.3 Оконные и балконные блоки включают в себя непрозрачную часть, образуемую профилями рамочных элементов (рама, створка, форточка), и заполнение, состоящее из прозрачных и непрозрачных элементов. Они могут включать дополнительные элементы жесткости: импосты, накладные усилители и пр.

Подвижность открывающихся элементов конструкций обеспечена применением петель по ГОСТ 5088 и различных типов фурнитуры по ГОСТ 30777, а также запирающих устройств по ГОСТ 5090 для деревянных оконных блоков согласно ГОСТ 11214.

5.2.4 Габаритные размеры и площадь изделия, а также размеры и массу открывающихся створок, площадь, соотношение их ширины и высоты следует принимать на основании рекомендаций предприятий - изготовителей профильных систем и систем фурнитуры.

Примечания

1 Размеры открывающихся элементов устанавливают с учетом статических характеристик поперечного сечения профилей, вида открывания и массы открывающихся элементов, предполагаемых эксплуатационных нагрузок.

2 Если в конструкции оконного блока применяют подставочный профиль, его габариты включают в общую площадь изделия. Необходимость применения подставочного (доборного) профиля, его габаритные размеры и иные параметры устанавливают в договоре на изготовление.

3 Предельно допустимые габаритные размеры и площадь изделия, а также размеры и массу открывающихся створок, площадь, соотношение их ширины и высоты для конкретной профильной системы и системы фурнитуры должны быть установлены на основании проведения лабораторных испытаний изделий по ГОСТ 24033, ГОСТ 30777.

5.2.5 При эксплуатации изделий в отапливаемых помещениях необходимо предусматривать возможность уплотнения притворов не менее чем двумя контурами уплотняющих прокладок. Для изделий, предназначенных для эксплуатации в неотапливаемых помещениях, допускается применение одного контура уплотняющих прокладок.

Для шумозащитных оконных блоков рекомендуется использовать три контура уплотняющих прокладок (см. рисунок 3, в и г).

5.2.6 Рамочные элементы оконных и балконных блоков должны включать в себя функциональные отверстия для осушения и отвода воды из полости сопряжения профилей створки и рамы, между кромками светопрозрачного (непрозрачного) заполнения и профилем, а также для компенсации ветрового давления, снижения нагрева цветных профилей и пр. Число, размеры и расположение функциональных отверстий устанавливают в технической документации предприятия-изготовителя исходя из конструктивных решений, комплектации и условий эксплуатации изделий.

Наружные отверстия для отвода воды следует защищать колпачками.

5.2.7 Импостные и угловые соединения рамочных элементов в зависимости от конструкции изделия и материала изготовления могут быть клеевыми, сварными, прессованными, сборно-разборными на механических или иных связях. Конструктивные решения соединений приводят в рабочей документации на конкретные виды изделий.

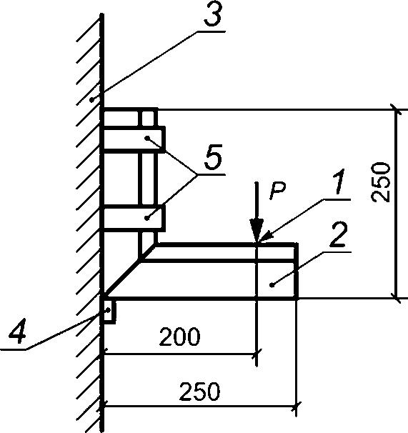
5.2.8 Угловые соединения должны выдерживать контрольные нагрузки, приложенные по схеме, приведенной в 8.13. Значения контрольных нагрузок (прочность угловых соединений) устанавливают в нормативных документах и конструкторской документации на конкретные виды изделий.

5.2.9 Конструкция оконных и балконных блоков должна обеспечивать возможность замены стекол, стеклопакетов (с механическим закреплением в раме/створке с помощью штапиков), оконных приборов, уплотняющих прокладок без нарушения целостности профильных элементов изделий. Рекомендации по замене уплотняющих прокладок в оконных и балконных блоках должны быть установлены в технической документации предприятия-изготовителя.

5.2.10 Изделия должны быть оснащены устройствами открывания (фурнитурой), обеспечивающими их надежную эксплуатацию. Число точек запирания, расстояние между ними устанавливают в соответствии с рекомендациями предприятий - изготовителей фурнитуры и системодателя.

В соответствии с ГОСТ 30777 в конструкции изделий рекомендуется применение петель, в т.ч. скрытых, обеспечивающих регулирование зазоров в притворах, и фиксаторов открывания, регулирующих угол открывания створчатых элементов (в т.ч. в положении щелевого проветривания). Для деревянных оконных блоков по ГОСТ 11214 необходимо применять запирающие устройства (врезные завертки, накладные шпингалеты в соответствии с ГОСТ 5090).

Примечание - При применении скрытых и полускрытых петель в оконных и балконных блоках должны быть обеспечены все эксплуатационные показатели изделий по 5.5.2 и, при необходимости, проведены дополнительные испытания по определению сопротивления теплопередаче для исключения промерзания в зоне петель (например, в случае врезки в зоне термического разрыва профиля рамы).

При переводе изделий из режима "Открыто" в режим "Закрыто" и обратно должны быть соблюдены эргономические требования согласно ГОСТ 30777, обеспечивающие удобство эксплуатации, а также применены блокираторы ошибочного действия.

5.2.11 Для удобства эксплуатации оконных блоков маломобильными группами населения ручки рекомендуется устанавливать в нижний горизонтальный профиль створки.

5.2.12 Изделие может быть оснащено дополнительными устройствами, расширяющими его функциональные свойства: жалюзи, рольставнями, противомоскитными сетками, приточными устройствами, устройствами безопасности (например, оконная ручка со встроенным замком, детский замок безопасности) и др.

5.2.13 Конструктивное решение оконных блоков должно предусматривать возможность проветривания помещений с помощью форточек, фрамуг, створок с поворотно-откидным (откидным) регулируемым открыванием, клапанных створок или вентиляционных клапанов. В конструкции изделий рекомендуется применение устройств регулирования температурно-влажностного режима - климатических клапанов, щелевого и многоступенчатого проветривания, а также устройств параллельно-выдвижного и наклонно-выдвижного открывания, обеспечивающих интенсивное проветривание за счет образования щели по всему периметру оконного блока. При применении фрамуг в конструкции оконных блоков необходимо выполнять требования безопасной эксплуатации в соответствии с разделом 6.

5.2.14 В конструкции оконных блоков наряду с открывающимися створками допускается применение неоткрывающихся створок, жестко закрепленных в оконной раме, и глухого остекления при соблюдении требований 6.1.4.

5.2.15 Шумозащитные оконные и балконные блоки рекомендуется применять с дополнительным шумозащитным вентиляционным клапаном, встроенным в наружную стену (пристенный проветриватель).

5.2.16 Конструкция балконных блоков может быть выполнена в виде:

а) составной конструкции, состоящей из скрепленных между собой на механических связях оконного и балконного дверного блоков;

б) "французского балкона".

5.2.16.1 Полотна балконных дверей могут быть застекленными полностью либо частично в комплекте с нижним непрозрачным заполнением.

5.2.16.2 Непрозрачное заполнение полотен балконных дверей рекомендуется изготовлять из трехслойных панелей с пластиковыми или алюминиевыми облицовочными листами, заполненных эффективным утеплителем. Толщину сэндвич-панелей балконных дверей, устанавливаемых в наружных стенах зданий, принимают в зависимости от ширины паза профилей полотна. Непрозрачную часть балконных дверей для внутренних или неотапливаемых помещений допускается заполнять листовыми или профильными декоративными деталями.

5.2.16.3 В качестве светопрозрачного заполнения полностью остекленных полотен балконных дверей, нижних частей полотен балконных дверей (в полотнах с промежуточным горизонтальным импостом) следует применять безопасные виды стекол или стеклопакеты с безопасным стеклом (закаленным по ГОСТ 30698, многослойным по ГОСТ 30826).

5.2.16.4 В балконных блоках с порогами рекомендуется применять "теплый" порог с терморазрывом.

5.2.16.5 Требования к балконным дверным блокам по показателям надежности и долговечности должны соответствовать требованиям 5.5.2.

5.2.17 Требования к внешнему виду, шероховатости и качеству отделки устанавливают в зависимости от вида поверхностей деталей в нормативных документах на конкретные виды изделий. Пример определения видов поверхностей приведен на рисунке 8.

- внутренняя лицевая поверхность;
- наружная лицевая поверхность;
- нелицевая поверхность, видимая при открывании;
- невидимая поверхность

Рисунок 8 - Пример определения видов поверхности деталей изделий

В соответствии с требованиями ГОСТ 15.309 внешний вид изделий (цвет, глянец, текстура) должен соответствовать образцам-эталонам, утвержденным руководителем предприятия-изготовителя.

5.2.18 Для повышения сопротивления ветровой нагрузке в оконных и балконных блоках рекомендуется применять:

- профили, соответствующие расчетам на действие ветровой нагрузки согласно требованиям системодателей;

- дополнительные усиливающие профили;

- многоточечную систему запирания;

- петли, ответные планки и запорные цапфы во взломоустойчивом исполнении в соответствии с ГОСТ 31462;

- высокопрочные винты крепления оконной фурнитуры с прочностью на растяжение 15 - 40 кН и самонарезающие шурупы диаметром 4 мм и более;

- крепление замков и запорных планок не менее чем тремя шурупами;

- дополнительные ножницы (для широких и тяжелых створок шириной более 1200 мм);

- крепление деталей фурнитуры и петель шурупами к стальным усилительным вкладышам в изделиях из ПВХ-профилей.

5.3 Требования к конструкции балконного остекления

5.3.1 К конструкциям балконного остекления предъявляют требования, аналогичные 5.2.1 - 5.2.4, 5.2.7 - 5.2.15, 5.2.17.

5.3.2 Светопрозрачное заполнение балконного остекления может быть выполнено листовым стеклом по ГОСТ 111, термоупрочненным листовым стеклом по ГОСТ 33087, многослойным стеклом по ГОСТ 30826 либо закаленным стеклом по ГОСТ 30698. При этом светопрозрачное заполнение нижней части панорамного балконного остекления и "французского балкона", разделенного горизонтальным ригелем, должно быть выполнено многослойным безопасным стеклом по ГОСТ 30826 либо закаленным стеклом по ГОСТ 30698 с классом защиты не ниже СМ 3 по ГОСТ 30698 и СМ 3 и Р3А по ГОСТ 30826.

Разделение на глухую нижнюю и открывающуюся верхнюю части должно выполняться горизонтальным ригелем на высоте не менее 1,2 м от пола. Подбор сечения ригеля следует выполнять расчетом исходя из сочетания нормативной горизонтальной нагрузки 0,3 кН/м, веса светопрозрачного заполнения, ветровой нагрузки. Данное требование должно быть подтверждено результатами лабораторных испытаний (с учетом типа крепежа для крепления остекления).

Примечания

1 В отдельных случаях (для организации дополнительного утепленного помещения) в балконном остеклении допускается применять стеклопакеты по ГОСТ 24866.

2 В целях предотвращения перегрева остекленного помещения балкона (лоджии) в летнее время во всех климатических районах рекомендуется применять устройства дополнительной внутренней солнцезащиты согласно 5.7.

5.3.3 Конструкция параллельно-раздвижного балконного остекления состоит из верхних и нижних направляющих, выполненных из алюминиевых, деревянных или ПВХ-профилей, и светопрозрачного заполнения из стекла.

Подвижные части конструкции (створки) должны быть оснащены устройствами перемещения (фурнитурой, направляющими, роликами, петлями), обеспечивающими их закрепление в раме и возможность открывания, закрывания и перемещения.

5.3.4 Конструкция безрамного остекления состоит из верхнего и нижнего несущих алюминиевых профилей, комплекта створок из закаленного стекла по ГОСТ 30698 и устройств для перемещения створок. Элементы остекления закреплены в верхнем и нижнем створчатых профилях с помощью однокомпонентного или двухкомпонентного полиуретанового клея либо иным способом крепления.

Передвижение створок осуществляется с помощью шарнирно-поворотных эксцентриковых роликов, при этом первая створка является только поворотной, а остальные могут двигаться от положения первой створки до упора и поворачиваться внутрь. В собранном виде элементы остекления в створчатых профилях и шарнирно-поворотные устройства должны быть расположены между несущими профилями конструкции. Пример конструкции безрамного балконного остекления приведен на рисунке 5, д.

5.3.5 Основные типы конструкций ленточного и панорамного балконного остекления и их характеристики установлены в нормативных документах <1>, действующих на территории государства - участника Соглашения, принявшего настоящий стандарт.

<1> В Российской Федерации действует ГОСТ Р 56926-2016 "Конструкции оконные и балконные различного функционального назначения для жилых зданий. Общие технические условия".

5.4 Размеры и предельные отклонения

5.4.1 Номинальные размеры изготовленных для приемки изделий, их рамочных элементов, узлов, деталей, размеры расположения оконных приборов, функциональных отверстий и предельные отклонения от них устанавливают в нормативных документах, технической документации, а также в рабочих чертежах на изготовление конкретных видов изделий. При этом рекомендуется соблюдать требования, приведенные в 5.4.2 - 5.4.4.

Официальный источник электронного документа содержит неточность: имеется в виду пункт 5.4.3.

5.4.2 Предельные положительные и отрицательные отклонения от габаритных размеров изделий не должны превышать плюс 2 мм и минус 1 мм соответственно.

5.4.3 Рамочные элементы изделий и их детали должны иметь правильную геометрическую форму.

Отклонение от прямолинейности (плоскостности) деталей рамочных элементов не должно превышать 1,0 мм на 1 м длины.

Предельные отклонения номинальных размеров рам и створок (полотен) по длине и ширине, размеров расположения оконных приборов, а также разность длин диагоналей прямоугольных элементов изделий не должны превышать значений, рекомендуемых предприятиями - изготовителями фурнитуры и системодателем.

Прочие допуски на изготовление изделий (допустимые зазоры, перепады лицевых поверхностей и пр.) принимают по рекомендациям системодателей и устанавливают в рабочих чертежах в соответствии со стандартами на конкретные виды продукции.

5.5 Характеристики

5.5.1 Основные нормируемые эксплуатационные характеристики оконных и балконных блоков приведены в таблицах 1 - 5.

5.5.2 Основные нормируемые характеристики долговечности и надежности элементов оконных блоков, балконных дверных блоков и балконного остекления приведены в таблице 7.

Таблица 7

Основные нормируемые характеристики долговечности и надежности элементов оконных блоков, балконных дверных блоков и балконного остекления

Наименование показателяЗначениеНормативный документ
Долговечность, условных лет эксплуатации, не менее:  
- стеклопакеты20ГОСТ 24866
- уплотняющие прокладки10ГОСТ 30778
- ПВХ-профили: белые/цветные40/20ГОСТ 30673
- алюминиевые комбинированные профили40ГОСТ 21519
- клеевые соединения деревянных деталей40ГОСТ 24700
- отделочное лакокрасочное покрытие по древесине: прозрачное/непрозрачное3/5ГОСТ 24700
Безотказность, цикл "открывание-закрывание", не менее:  
- основные оконные блоки20 000ГОСТ 30777
- специальные оконные блоки20 000ГОСТ 30777
- специальные оконные блоки для вспомогательных помещений5 000ГОСТ 30777
- дверные балконные блоки20 000ГОСТ 30777
- фрамужные створки оконных блоков20 000ГОСТ 30777
- раздвижное, поворотное, поворотно-откидное, складное балконное остекление10 000ГОСТ 30777
Сопротивление статическим нагрузкам, Н, не менее:  
- перпендикулярно плоскости створки/полотна250/400ГОСТ 30777
- в плоскости створки (полотна)1000ГОСТ 30777
- в плоскости створки (полотна) для раздельных деревянных оконных блоков (форточка/внутренняя створка/наружная створка/ внутреннее полотно/наружное полотно)250/1000/500/1200/700ГОСТ 11214
Примечание - Долговечность оконных блоков определяется по совокупности показателей долговечности компонентов: профилей, стеклопакетов, уплотняющих прокладок либо на основании испытаний оконных блоков в собранном виде по методикам испытательных лабораторий.

5.6 Технические решения оконных блоков для обеспечения проветривания помещений

5.6.1 В помещениях, не оборудованных приточными устройствами вентиляции (например, стеновыми вентиляционными клапанами), приток наружного воздуха в целях обеспечения нормируемых показателей микроклимата должен быть осуществлен через оконные блоки за счет:

- встроенных в конструкцию оконных блоков вентиляционных клапанов, обеспечивающих приток наружного воздуха в объемах, предусмотренных действующими нормативными документами;

- периодического проветривания с помощью форточек, фрамуг, створок с откидным, поворотно-откидным, регулируемым открыванием створок, с параллельно-выдвижным и наклонно-выдвижным открыванием.

Примечания

1 Конструкция приточных клапанов может включать в себя дополнительные механические устройства (например, центробежные нагнетатели), увеличивающие производительность устройства.

2 Регулирование режимов воздухообмена может быть осуществлено вручную с применением различных ограничителей открывания створок, заслонок, планок и т.д., в режиме саморегулирования в зависимости от значения перепада давления, а также в автоматическом режиме в соответствии с предложениями изготовителя.

3 При оснащении приточными устройствами вентиляции оконных и балконных блоков, выходящих на остекленный балкон (лоджию), в конструкции балконного остекления должны быть предусмотрены устройства для осуществления притока воздуха (открывающиеся створки, вентиляционные решетки и пр.).

5.6.2 Как дополнительное мероприятие, направленное на улучшение показателей микроклимата, в конструкции оконных блоков возможно применение системы ограниченной вентиляции в виде отверстий в уплотнителях либо установка мини-клапанов.

Схемы установки вентиляционных клапанов в конструкцию оконных блоков приведены на рисунке 9.

а - пример установки мини-клапана в профиль рамы; б - примеры установки вентиляционных клапанов (слева направо) в раму, створку, с воздуховодом через фальц-люфт; в - примеры установки вентиляционных клапанов (слева направо) в оконную створку, раму оконного блока; г - примеры установки вентиляционных клапанов (слева направо) под и над оконным блоком

Рисунок 9 - Схемы установки вентиляционных клапанов в конструкцию оконных блоков

5.6.3 В поворотно-откидных створках рекомендуется применять фурнитуру, позволяющую выполнять регулирование зазоров при открывании (щелевое проветривание), которое осуществляется путем перевода ручки оконной фурнитуры в определенное положение, оговоренное предприятием - изготовителем оконной фурнитуры.

5.6.4 Створки оконных блоков с параллельно-выдвижным открыванием могут иметь варианты выдвижения с регулируемыми размерами зазора для проветривания; выдвижение створки может быть строго параллельным по отношению к раме либо с углом наклона для исключения возможности проникновения в помещение влаги во время дождя.

5.6.5 В оконных блоках медицинских организаций следует применять поворотно-откидное, откидно-поворотное, параллельно-выдвижное и наклонно-выдвижное открывание створок. Для проветривания помещения рекомендуется использовать параллельно-выдвижное или наклонно-выдвижное открывание, которое позволяет обеспечивать естественный воздухообмен, исключающий образование сквозняков.

5.7 Технические решения оконных блоков для обеспечения солнцезащиты помещений

5.7.1 Устройства для защиты от перегрева могут быть расположены в межстекольном пространстве (для спаренных и раздельных оконных блоков - см. рисунок 10, а) или в оконном проеме (см. рисунок 10, б).

а - раздельный оконный переплет со встроенными в межстекольное пространство жалюзи; б - оконный блок со встраиваемыми в оконный проем роллетными ставнями

Рисунок 10 - Примеры оконных блоков со встроенными солнцезащитными устройствами

5.7.2 Для защиты помещений от перегрева в летний период в качестве светопрозрачного заполнения оконных и балконных блоков следует применять стеклопакеты с низкоэмиссионным или солнцезащитным покрытием, солнцезащитные роллетные ставни.

5.8 Технические решения оконных блоков для обеспечения звукоизоляции

5.8.1 Для снижения уровня внешнего шума в помещении с закрытым окном рекомендуется применять:

- стеклопакеты с различными толщинами стекол и шириной дистанционных рамок;

- стекла со звукоизолирующими свойствами (например, многослойные стекла по ГОСТ 30826);

- не менее трех контуров уплотняющих прокладок в притворах оконных блоков;

- ленточные эластичные прокладки под стекло (в деревянных и алюминиевых окнах) и др.

5.8.2 Для снижения уровня внешнего шума в помещении с окном, находящимся в режиме "Проветривание", рекомендуется применять:

- шумозащитные приточные устройства (клапаны);

- звукогасящие подкладки под отливы;

- конструкции с раздельными переплетами и акустическими разрывами между ними.

5.9 Требования к материалам и комплектующим деталям

5.9.1 Материалы и комплектующие детали, применяемые для изготовления изделий, должны соответствовать требованиям действующих нормативных документов и договоров на поставку.

5.9.2 Материалы, применяемые для изготовления изделий, должны быть совместимы между собой, а материалы для устройства монтажного шва - с материалами рамы оконного блока.

Взаимное влияние применяемых материалов должно не снижать эксплуатационных характеристик изделия и исключать разрушение конструкции.

5.9.3 Материалы и комплектующие детали должны быть стойкими к климатическим воздействиям.

Основные комплектующие детали изделий - стеклопакеты, уплотняющие прокладки, оконная фурнитура, замки и петли, а также отделочные материалы (покрытия) и клеи (клеевые соединения) должны быть испытаны на долговечность и надежность, результаты испытаний должны быть оформлены в установленном порядке.

5.9.4 Полимерные материалы должны иметь санитарно-эпидемиологическое заключение, оформленное в установленном порядке.

5.9.5 Требования к светопрозрачному заполнению

5.9.5.1 Для остекления оконных блоков, балконных дверных блоков, балконного остекления применяют следующие типы светопрозрачного заполнения:

а) листовое стекло по ГОСТ 111 либо нормативным документам предприятия-изготовителя:

- многослойное стекло (в т.ч. ударостойкое, безопасное в эксплуатации) по ГОСТ 30826,

- окрашенное в массе стекло по ГОСТ 32997 либо по технической документации предприятия-изготовителя,

- закаленное стекло по ГОСТ 30698,

- термоупрочненное стекло по ГОСТ 33087,

- солнцезащитное стекло или декоративное с твердым покрытием по ГОСТ 33017 либо по технической документации предприятия-изготовителя,

- стекло с полимерными пленками по ГОСТ 32563;

б) стеклопакеты по ГОСТ 24866;

в) стеклопакеты с электрообогреваемым стеклом по технической документации предприятия-изготовителя и др.

5.9.5.2 Для оконных и балконных блоков, устанавливаемых в помещениях со специальными требованиями к микроклимату (бассейны, светопрозрачные ограждающие конструкции кафе и ресторанов и пр.), рекомендуется применять стеклопакеты с электрообогревом, способствующие устранению "эффекта холодного окна", снижению образования конденсата и наледи на стекле.

Примечание - Стеклопакет с электрообогревом - изделие, состоящее из нескольких стекол, в числе которых - внешнее либо внутреннее (обогреваемое) стекло с токопроводящим покрытием. Обогреваемые стекла должны быть закаленными (упрочненными) по ГОСТ 30698. Для электрообогрева можно применять закаленное стекло с низкоэмиссионным твердым покрытием по ГОСТ 30733. В стеклопакетах с обогревом используют изолирующую дистанционную рамку. Токоподводящие провода присоединяют к токопроводящему покрытию внешнего стекла с внутренней стороны стеклопакета.

5.9.5.3 Внутреннее (крайнее со стороны помещения) стекло стеклопакетов безимпостных балконных дверных блоков и конструкций типа "французский балкон", а также нижней ячейки балконных дверных блоков и конструкций типа "французский балкон" с горизонтальными импостами должно быть безопасным при эксплуатации (закаленным или многослойным) с классом защиты не ниже СМ 3 и Р2А по ГОСТ 30826, СМ 3 по ГОСТ 30698.

5.9.5.4 Для остекления взломоустойчивых изделий в качестве наружного стекла стеклопакетов необходимо применять многослойное стекло по ГОСТ 30826. Толщину и класс защиты многослойных стекол, применяемых для конкретных защитных изделий, устанавливают в зависимости от эксплуатационных и других расчетных нагрузок в соответствии с требованиями действующих стандартов и нормативных документов.

5.9.5.5 При использовании в окнах стекол с высоким коэффициентом поглощения солнечной энергии (выше 50%) (окрашенных в массе, с наклеенной пленкой) необходимо применять закаленное или термоупрочненное стекло.

5.9.5.6 Наружные стекла защитных изделий и все закаленные стекла должны иметь шлифованные кромки (для снятия концентраторов напряжения).

5.9.5.7 Стеклопакеты (стекла) устанавливают в профильные элементы изделий на несущих и опорных (дистанционных) подкладках. Соприкосновение стеклопакета (стекла) с поверхностью профилей не допускается.

5.9.5.8 Рекомендуемые схемы расположения подкладок в зависимости от способа открывания створки приведены на рисунке 11.

а - неоткрывающийся оконный блок; б - поворотный (распашной) оконный блок; в - поворотно-откидной оконный блок; г - откидной оконный блок; д - подвесной оконный блок; е - среднеподвесной оконный блок; ж - раздвижной оконный блок; и, к - сложные конструкции оконных блоков;
- несущая подкладка;
- дистанционная подкладка

Рисунок 11 - Схемы расположения подкладок под стеклопакет в зависимости от типа открывания створок

В случае применения технологии вклейки стекла (стеклопакетов) правила установки подкладок устанавливают в технической документации предприятия-изготовителя.

Крепление подкладок не должно вызывать пережатия и точечных напряжений в стекле.

5.9.5.9 Конструктивные решения узлов крепления стеклопакетов (стекол), а также панелей заполнения непрозрачной части дверного полотна должны препятствовать возможности их демонтажа с наружной стороны.

5.9.5.10 Стеклопакеты (стекла) монтируют с использованием уплотняющих прокладок из эластичных полимерных материалов по ГОСТ 30778. Прилегание прокладок должно быть плотным, препятствующим проникновению воды.

5.9.5.11 При изготовлении крупногабаритных изделий (например, полностью остекленных дверей, окон типа "французский балкон", арочных окон и пр.) для обеспечения жесткости и прочности допускается проводить вклейку стеклопакета в рамочные элементы изделий. Применение вклейки стеклопакетов способствует повышению стойкости изделия к ветровым нагрузкам, воздухопроницанию и взломоустойчивости. Требования к вклейке должны соответствовать ГОСТ 31462 либо другим нормативным документам. Прочность клеевого соединения наружного стекла стеклопакета с наплавом створки должна быть не менее 2,5 Н/мм. Клеевое соединение должно быть влагостойким.

5.9.5.12 Несущие (опорные) и дистанционные подкладки должны быть изготовлены из атмосферо- и морозостойких полимерных материалов (например, из полиамида или полиэтилена низкого давления по нормативным документам) с твердостью по Шору A 75 - 90 ед. Длина несущих подкладок рекомендуется от 70 до 150 мм в зависимости от габаритов и массы элементов остекления, ширина - на 2 мм шире толщины элементов остекления.

Конструкция и крепление подкладок не должны допускать их смещения во время транспортирования и эксплуатации.

Конструкция подкладок не должна препятствовать циркуляции воздуха над внутренней поверхностью фальца остекления.

Основные схемы расположения несущих и дистанционных подкладок при монтаже стеклопакетов в зависимости от способа открывания створки приведены на рисунке 11.

Для надежного восприятия нагрузки нижними профилями рамы, при необходимости, допускается установка дополнительных несущих прокладок (например, при установке большеразмерных стеклопакетов в глухом остеклении).

5.9.5.13 В изделиях с усиленными запирающими приборами рекомендуется установка дополнительных дистанционных подкладок в местах запирания.

Перекос подкладок при установке не допускается.

5.9.6 Требования к оконной фурнитуре, петлям и замочным изделиям

5.9.6.1 Оконная фурнитура, петли, замочные изделия и крепежные детали, применяемые в оконных и балконных блоках, должны соответствовать требованиям ГОСТ 538, ГОСТ 30777, ГОСТ 5088, ГОСТ 5089, ГОСТ 5090 и нормативных документов на конкретные виды изделий.

5.9.6.2 Оконные приборы должны соответствовать требованиям ГОСТ 30777 по следующим показателям:

- безотказность (цикл "открывание-закрывание");

- сопротивление статической нагрузке, приложенной к запорному прибору или ручке перпендикулярно к плоскости створки;

- сопротивление крутящему моменту сил, приложенных к ручке;

- сопротивление нагрузке, приложенной к ограничителю угла открывания в режиме "Проветривание";

- усилие, прикладываемое к ручкам распашных створок (полотен) для их открывания;

- усилие, прикладываемое к ручкам поворотно-откидных устройств для открывания, закрывания и откидывания створки;

- максимальный крутящий момент, прикладываемый к ручке, необходимый для перемещения тяг с запирающими элементами при закрывании и открывании изделия (т.е. при изменении положения ручки из положения "Открыто" в положение "Закрыто" и наоборот);

- усилие, прикладываемое к створкам при их закрывании до требуемого сжатия уплотняющих прокладок.

Запирающие приборы для деревянных оконных блоков, изготовляемых по ГОСТ 11214, должны соответствовать требованиям ГОСТ 5090 и ГОСТ 538.

5.9.6.3 Петли для навески створок должны соответствовать требованиям ГОСТ 5088, ГОСТ 30777. Конструкция петель должна обеспечивать регулировку зазора в притворах. Рекомендуется применение петель и оконной фурнитуры с регулировкой в двух или трех плоскостях. При применении петель, в т.ч. скрытых, для изделий с большой массой и увеличенными габаритными размерами необходимо руководствоваться рекомендациями предприятий - изготовителей оконной и дверной фурнитуры.

5.9.6.4 Тип (типоразмеры), число, расположение и способ крепления оконной и дверной фурнитуры и петель устанавливают в конструкторской документации в зависимости от размера и массы открывающихся элементов, а также от условий эксплуатации изделий. Расстояние между петлями и точками запирания необходимо устанавливать в соответствии с требованиями ГОСТ 30777 и рекомендациями предприятий - изготовителей оконной и дверной фурнитуры.

5.9.6.5 Крепежные детали следует изготовлять из нержавеющей стали или стали с защитным цинковым покрытием по ГОСТ 9.303 толщиной не менее 9 мкм.

5.9.6.6 Детали оконной и дверной фурнитур должны иметь коррозионную стойкость не менее 240 ч в соответствии с ГОСТ 538.

5.9.6.7 Конструкции запирающих приборов и петель должны обеспечивать плотный и равномерный обжимы прокладок по всему контуру уплотнения в притворах.

5.9.6.8 Запорные приборы должны обеспечивать надежное запирание открывающихся элементов оконных блоков. Открывание и закрывание должны происходить легко, плавно, без заеданий. Ручки и засовы приборов не должны самопроизвольно перемещаться из положения "Открыто" или "Закрыто".

5.9.6.9 Конструкции и крепления запирающих приборов должны обеспечивать невозможность открывания оконных блоков с наружной стороны.

5.9.6.10 Для изготовления запирающих деталей защитных взломоустойчивых изделий следует применять упрочненные материалы [нержавеющая сталь, металлы с упрочнением (термообработкой, напылением)] в соответствии с требованиями ГОСТ 31462.

5.9.6.11 Детские замки безопасности должны соответствовать замкам не ниже 1-го класса по ГОСТ 5089.

5.9.6.12 Детали оконной фурнитуры, замочные и скобяные изделия должны иметь защитно-декоративное или полимерное покрытие по ГОСТ 538, ГОСТ 9.301, ГОСТ 9.031. Покрытия должны быть стойкими к воздействию климатических факторов.

5.9.6.13 Не допускается применение герметиков и средств очистки стекол на кислотной основе, оказывающих химическое воздействие на защитные (гальванические) покрытия деталей фурнитуры, замков и петель.

5.9.7 Требования к уплотняющим прокладкам

5.9.7.1 Уплотняющие прокладки должны соответствовать требованиям ГОСТ 30778.

5.9.7.2 Число контуров уплотняющих прокладок в притворах устанавливают в конструкторской документации предприятия-изготовителя в зависимости от назначения и конструкции оконных блоков.

Прилегание уплотняющих прокладок должно быть плотным.

5.9.8 Требования к профилям

5.9.8.1 Требования к поливинилхлоридным профилям

а) ПВХ-профили должны быть изготовлены из жесткого непластифицированного модифицированного на высокую ударную вязкость и стойкость к климатическим воздействиям ПВХ и отвечать требованиям ГОСТ 30673.

б) Изделия рекомендуется изготовлять из ПВХ-профилей белого цвета, в т.ч. ламинированных специальными пленками или окрашенных в массе. По согласованию потребителя и изготовителя допускается изготовление изделий с различными видами отделки лицевых поверхностей.

Применение окрашенных в массе профилей, стойкость к ультрафиолетовому (УФ) излучению которых уступает стойкости к УФ-излучению ПВХ-профилей белого цвета, не допускается без применения защитных декоративных покрытий, не подверженных воздействию УФ-лучей.

в) В производстве основных и специальных оконных блоков необходимо применять профили, изготовленные с ограниченным применением вторичного сырья в соответствии с пунктом 4.3.2 ГОСТ 30673-2013.

г) Главные ПВХ-профили изделий подлежат обязательному усилению стальными вкладышами с толщиной стенок не менее 1,4 мм. Не допускаются стыковка или разрыв усилительных вкладышей по длине в пределах одного профиля (в т.ч. при выборке отверстий под оконные приборы и замки).

Допускается усиление главных ПВХ-профилей армирующими вкладышами из композитных, фиброволоконных и прочих материалов при подтверждении их механических характеристик в ходе системных испытаний в лабораториях, допущенных к проведению таких испытаний в порядке, установленном действующим законодательством государства - участника Соглашения, принявшего настоящий стандарт.

д) Угловые соединения рамочных элементов из ПВХ-профилей допускается усиливать вкладышами или накладными стальными уголками, установленными на внутренней (невидимой в закрытом изделии) поверхности профилей.

е) Конструкции крупногабаритных оконных блоков рекомендуется усиливать ПВХ-профилями, которые устанавливают как на наиболее нагруженных элементах (импосты), так и в местах сопряжения оконных блоков между собой.

5.9.8.2 Требования к профилям из алюминиевых сплавов

а) Для изготовления основных оконных блоков из алюминиевых профилей рекомендуется применять профили по ГОСТ 22233 марок 6060, 6063 и состояния материала Т5, Т6, Т66.

б) Прочностные характеристики алюминиевых профилей должны соответствовать требованиям нормативных документов <1>, действующих на территории государства - участника Соглашения, принявшего настоящий стандарт, а также ГОСТ 22233.

<1> В Российской Федерации - в соответствии с требованиями СП 128.13330.2016 "СНиП 2.03.06-85 Алюминиевые конструкции".

в) Основные и специальные оконные блоки, предназначенные для эксплуатации в отапливаемых помещениях, следует изготовлять с применением комбинированных профилей, включающих в себя соединительные полиамидные профили (термоизоляционные вставки) по ГОСТ 31014.

Соединение термоизоляционной вставки с алюминиевым профилем должно быть прочным и стойким к климатическим воздействиям в соответствии с ГОСТ 22233.

г) Профили из алюминиевых сплавов должны иметь защитно-декоративное покрытие по ГОСТ 22233, исключающее возможность образования коррозии, в т.ч. нитевидной.

Примечание - Нитевидная коррозия возникает при эксплуатации изделий из алюминиевых профилей в условиях морского климата и агрессивных сред. Коррозия образуется в местах повреждения окрашенной поверхности, проникая через поры краски в металл в виде тонких линий. Стойкость к коррозии алюминиевых профилей рекомендуется проверять вместе с элементами крепления и фурнитурой из стали с защитным покрытием.

д) Во избежание электрохимической коррозии закладные детали и крепежные изделия (винты, самонарезные шурупы и др.), применяемые при сборке окна, должны быть изготовлены из нержавеющей стали или стали с антикоррозионным покрытием.

е) Клеи-герметики, применяемые для прочности и герметичности соединения, не должны вызывать коррозии металлических деталей соединений.

5.9.8.3 Требования к деревянным изделиям

а) Для изготовления рамочных элементов деревянных изделий применяют заготовки из древесины хвойных, лиственных, твердолиственных и отдельных тропических пород согласно ГОСТ 24700, а также клееные брусковые заготовки для оконных блоков по техническим условиям.

Применение древесины разных пород в одном изделии не допускается, за исключением изделий под непрозрачное покрытие. Внутренние лицевые поверхности хвойных деталей под прозрачное покрытие допускается облицовывать рейками толщиной от 4 до 20 мм из древесины твердых пород.

б) Влажность древесины, прочность клеевых соединений и их водостойкость должны соответствовать требованиям ГОСТ 24700.

в) Пороки древесины и дефекты механической обработки древесины брусковых деталей ограничивают нормами, установленными в таблице 4 ГОСТ 24700-99.

г) Угловые и срединные (импостные) клеевые соединения выполняют по ГОСТ 24700. Допускается для повышения прочности (несущей способности) соединений использование различных угловых усилителей.

д) Лакокрасочные покрытия должны иметь прочность сцепления (адгезию) с отделываемой поверхностью не ниже 2-го балла по методу решетчатых надрезов по ГОСТ 31149.

Толщину лакокрасочного покрытия указывают в технологической документации предприятия-изготовителя.

е) Показатели качества отделки древесины (проявление структурных неровностей, естественное различие цветовой тональности и текстуры и др.), а также требования к незаконченному отделочному покрытию допускается устанавливать по соглашению изготовителя с потребителем в договоре (заказе) на изготовление (поставку) изделий. В этом случае оценку качества отделки допускается проводить по образцам-эталонам, согласованным с заказчиком.

Рекомендуется нанесение лакокрасочного покрытия в отфрезерованные пазы и отверстия под фурнитуру, особенно в случае использования древесины с большим содержанием дубильных веществ.

ж) Профили из стеклопластика должны соответствовать требованиям нормативных документов, санитарно-гигиеническим и экологическим требованиям к изготовлению и эксплуатации.

5.9.9 Требования к облицовочным профилям

5.9.9.1 Форма и размеры сечений облицовочных профилей, примыкающих к деревянным поверхностям изделий, а также к изделиям из ПВХ-профилей, должны обеспечивать минимальную площадь соприкосновения с этими поверхностями, а также возможность проветривания полости между ними. Размеры облицовочных профилей следует подбирать с учетом предполагаемых температурных деформаций облицовываемых изделий.

5.9.9.2 Конструкция крепления алюминиевых и облицовочных ПВХ-профилей к деревянным брускам должна обеспечивать компенсацию температурной деформации профилей, не ограничивать диффузию воздуха в конструкцию и не вызывать деформацию самой конструкции.

5.9.9.3 Облицовочные профили (в т.ч. облицовочные алюминиевые профили для изделий из ПВХ-профилей) и отливы из алюминиевых сплавов следует изготовлять из сплавов марки АД-31 по ГОСТ 22233 или аналогичных зарубежных сплавов и предусматривать анодно-окисное, неорганическое, порошковое полимерное покрытие или защитно-декоративное покрытие по ГОСТ 9.303. Толщину покрытия устанавливают в технической документации.

5.9.9.4 Требования к деревянной облицовке (порода древесины, вид и качество отделки, способ крепления) устанавливают в конструкторской документации и договорах на поставку изделий.

5.9.10 Требования к противомоскитным сеткам

5.9.10.1 Противомоскитные сетки должны быть выполнены из металлической или стекловолоконной проволоки с покрытием ПВХ и обладать прочностью на разрыв не менее 80 кг.

5.9.10.2 Противомоскитные сетки могут быть установлены на рамы изделий либо натянуты непосредственно в оконном проеме с применением усилительной текстильной ленты.

5.9.10.3 Монтаж рамок с сетками должен обеспечивать надежность их крепления в проеме и исключать возможность выпадения наружу при опирании на них.

Рекомендуется устанавливать противомоскитные сетки внутри помещения.

При использовании сеточного полотна для натяжения непосредственно в проеме с применением самонарезающих винтов и клемм необходимо исключать возможность образования сквозных отверстий и нарушения целостности оконной конструкции.

5.9.11 Требования к откосам и отливам

5.9.11.1 Для изготовления дождезащитных профилей (оконных отливов) применяют оцинкованную сталь, алюминиевый лист, металлические листы, окрашенные полимерными составами, ПВХ-профили и другие материалы в соответствии с действующими нормативными документами.

5.9.11.2 Конструкция и способ крепления оконного отлива должны исключать возможность попадания в монтажный шов атмосферных осадков и конденсата, отводимого через дренажные отверстия окна.

5.9.11.3 Рекомендуемые варианты отделки оконных откосов:

- облицовка панелями из вспененного ПВХ;

- облицовка теплоизоляционными панелями из экструдированного пенополистирола с покрытием из фиброцемента или ПВХ;

- оштукатуривание откосов.

Допускается облицовка откосов влагостойким гипсокартоном. При этом внутренняя поверхность откосов должна быть обработана влагозащитным составом за два приема.

5.9.11.4 Области примыкания откосов к оконной раме, между собой, к подоконной доске и ограждающей конструкции следует заделывать герметиками. В случае применения при отделке откосов паронепроницаемых листовых материалов необходимо обеспечить пароизоляцию мест примыкания.

5.9.11.5 Утепление оконных откосов должно быть выполнено с учетом следующих конструктивных особенностей:

- теплоизоляционные вкладыши следует располагать по всему периметру оконного блока;

- утеплитель должен плотно прилегать к утепляемой поверхности без образования вентилируемых воздушных прослоек.

5.9.11.6 При монтаже оконных и балконных блоков рекомендуется применять откосные модули, изготовленные из вспененных теплоизолирующих и гидрофобных материалов, не подверженных усадке и не вызывающих деформации изделий (например, вспененный полиуретановый утеплитель, пенополистирол и др.).

5.10 Системный паспорт

5.10.1 Системный паспорт разрабатывает и утверждает изготовитель профилей (системодатель) на каждую систему профилей и на изделия (семейство изделий), выполненные на их основе, с учетом индивидуальных характеристик и рекомендаций по применению.

5.10.2 Системный паспорт (при наличии его у системодателя) должен входить в комплект технической документации системодателя и применяться при проектировании и оценке качества изделий.

5.10.3 Значения характеристик (классов), регламентируемых системным паспортом, должны соответствовать нормам, установленным в стандартах на конкретные изделия.

5.10.4 Результаты испытаний изделий, выполненные системодателем в испытательных центрах (лабораториях) и включенные в системный паспорт, могут быть использованы органами по оценке соответствия качества продукции.

5.10.5 Срок действия системного паспорта не должен превышать срока действия протоколов испытаний, установленных в стандартах при периодических и сертификационных испытаниях.

5.10.6 При проведении испытаний рекомендуется использовать репрезентативные образцы. Требования к выбору репрезентативных образцов установлены в ГОСТ 24033 и других стандартах на методы испытаний.

5.10.7 Рекомендуемые требования к содержанию системного паспорта установлены в приложении В.

5.11 Маркировка

5.11.1 Каждое изделие маркируют водостойкой краской или этикеткой с указанием наименования (товарного знака) предприятия-изготовителя, условного обозначения изделия, даты его изготовления и/или номера заказа, знака (штампа), подтверждающего приемку изделий техническим контролем. Маркировка должна быть устойчивой к атмосферным воздействиям и расположена, как правило, на оборотной стороне изделия.

5.11.2 Входящие в состав изделий запирающие приборы и стеклопакеты должны быть маркированы в соответствии с технической документацией на эту продукцию.

Примечание - В случае комплектации оконных блоков стеклопакетами собственного изготовления по согласованию с заказчиком допускается стеклопакеты отдельно не маркировать, но отражать данные по маркировке стеклопакетов в обозначении и технических характеристиках оконных блоков, указанных в паспорте изделия или другой документации.

5.11.3 При поставке изделий в неполной заводской готовности ответственные узлы и детали изделий (оконные приборы, стеклопакеты и т.п.) должны иметь собственную маркировку, определенную в технической документации предприятия-изготовителя. Более подробная информация должна содержаться в сопроводительных документах.

5.12 Заводская готовность и комплектация

5.12.1 Оконные и балконные блоки должны иметь полную заводскую готовность: установленные запирающие приборы, петли, стекла/стеклопакеты, уплотняющие прокладки, законченную отделку поверхности, защитную пленку на лицевых поверхностях.

В комплект поставки изделий могут входить противомоскитные сетки, жалюзи, ставни, наличники, подоконные доски и другие детали.

Запирающие приборы, выступающие за плоскость изделия, допускается поставлять не смонтированными, а в комплекте с изделием.

При поставке изделий неполной заводской готовности уровень готовности изделий устанавливают в договоре на их изготовление (поставку) по согласованию изготовителя с потребителем.

Примечание - За наименьший уровень готовности принимают изделия, поставляемые в собранном виде, но при этом комплектация изделий может не включать в себя детали остекления, уплотняющие прокладки и накладные оконные приборы, а степень отделки может не соответствовать указанной в договоре.

Изделия сборно-разборной конструкции допускается поставлять комплектно в профилях.

5.12.2 Комплектация изделий при их поставке потребителю должна соответствовать требованиям, установленным в заказе (договоре), и быть согласована с заказчиком (потребителем).

5.12.3 В комплект поставки должны входить: спецификация деталей, узлов и элементов комплекта, паспорт, инструкция по эксплуатации изделий. Поставку сборно-разборных изделий сопровождают инструкцией по их сборке.

5.12.4 По требованию заказчика (потребителя) изготовитель представляет типовую инструкцию по монтажу изделий, если условия монтажа не установлены особо в договоре (заказе).

5.12.5 В целях повышения эффективности работы эксплуатирующей организации в части осуществления постгарантийного обслуживания светопрозрачных конструкций, прогнозирования фактических эксплуатационных затрат на отопление здания, а также обоснования их замены рекомендуется дополнительно маркировать изделия машиночитаемой меткой (например, QR-кодом или RFID-меткой), содержащей информацию о фактической комплектации и эксплуатационных характеристиках изделия. Информация должна быть доступна для считывания специальным устройством (сканером и пр.) и представлена в формате и виде, удобных для включения в эксплуатационную информационную модель здания. Требования о комплектации изделий подобной маркировкой, а также об объеме, формате и виде закладываемой в нее информации указывают на стадии проектирования объекта.

6 Требования к безопасной эксплуатации и обслуживанию

6.1 Общие требования к безопасной эксплуатации оконных и балконных блоков

6.1.1 Оконные и балконные блоки, балконное остекление должны быть безопасными при эксплуатации и обслуживании и соответствовать общим требованиям, предъявляемым к безопасности зданий в соответствии с нормативными правовыми документами <1>, действующими на территории государства - участника Соглашения, принявшего настоящий стандарт.

<1> В Российской Федерации - согласно федеральным законам от 30 декабря 2009 г. N 384-ФЗ "Технический регламент о безопасности зданий и сооружений" и от 22 июля 2008 г. N 123-ФЗ "Технический регламент о требованиях пожарной безопасности".

Требования к безопасной эксплуатации, в т.ч. к наличию детского замка безопасности, должны быть установлены в проектной документации на здание либо в техническом задании на изготовление оконных и балконных блоков и отражены в паспорте изделия и/или в общем документе на эксплуатацию здания, включающем в себя требования к системам безопасности, в т.ч. безопасной эксплуатации оконных блоков.

При индивидуальном строительстве вопрос наличия детского замка безопасности решает владелец строения.

6.1.2 Оконные и балконные блоки должны быть изготовлены с учетом возможных рисков и несчастных случаев при обслуживании, например: травмирования осколками стекла при разрушении остекления, выпадения человека при мытье окон, при опирании на москитные сетки и пр.

6.1.3 Для обеспечения безопасной эксплуатации необходимо учитывать планировочные решения помещений, исходить из размеров рамочных элементов изделий и их функциональных особенностей: ширина балконной двери должна быть не менее 600 мм, в оконных блоках должна быть предусмотрена открывающаяся створка шириной не менее 400 мм.

6.1.4 Применение оконных блоков с частью глухого остекления (неоткрывающимися створками) и с комбинированным открыванием створок допускается в случаях, рассмотренных в 6.1.4.1, 6.1.4.2.

6.1.4.1 Применение оконных блоков с частью глухого остекления или неоткрывающимися створками (), расположенных в жилых помещениях выше первого этажа, допустимо в вариантах, приведенных на рисунке 12, а - д:

- оконных блоков с частью глухого остекления (неоткрывающейся створкой) шириной не более 400 мм (см. рисунок 12, а, б);

- оконных блоков с глухим остеклением (неоткрывающейся створкой) в центральной части шириной не более 800 мм (см. рисунок 12, в);

- высота неоткрывающихся верхних фрамуг не должна превышать 400 мм; устройство неоткрывающихся верхних фрамуг над частью глухого остекления не допускается (рисунок 12, г).

а - двустворчатый оконный блок с откидно-поворотной и глухой створками; б - трехстворчатый оконный блок с откидно-поворотной центральной створкой и двумя глухими створками; в - трехстворчатый оконный блок с двумя откидно-поворотными створками и центральной глухой створкой; в - трехстворчатый оконный блок с поворотной, откидно-поворотной, глухой створками и открывающейся фрамугой; д - балконный блок с поворотно-откидной дверной и глухой оконной створками

Рисунок 12 - Примеры конструкций оконных и балконных блоков с глухим остеклением (неоткрывающимися створками) и комбинированных

В оконных и балконных блоках, выходящих на остекленный балкон (лоджию), допускается устройство одной или нескольких неоткрывающихся створок (участков глухого остекления) (см. рисунок 12, д) при наличии в них устройств для проветривания помещения. При этом балконное остекление также должно быть оборудовано устройствами проветривания с техническими характеристиками, аналогичными устройствам в оконных и балконных блоках.

6.1.4.2 Применение оконных и балконных блоков с комбинированным открыванием допускается в вариантах, приведенных на рисунке 13, а - д.

а - двухстворчатый оконный блок с поворотной и поворотно-откидной створками; б - двустворчатый оконный блок с поворотно-откидными створками; в - трехстворчатый оконный блок с крайними поворотно-откидными и средней поворотной створками; г - трехстворчатый оконный блок с крайними поворотными и средней поворотно-откидной створками; д - трехстворчатый оконный блок с крайними поворотно-откидными и средней поворотной створками и фрамугами с откидным открыванием

Рисунок 13 - Примеры конструкций оконных и балконных блоков с комбинированным открыванием

6.1.5 Проектной документацией также должны быть предусмотрены мероприятия, обеспечивающие безопасные эксплуатацию и периодическое обслуживание изделий (в т.ч. мытье стекол). Для этой цели рекомендуется применение стекол с самоочищающимся покрытием по ГОСТ 33575.

Для безопасного мытья оконных стекол человек, осуществляющий мытье, должен находиться внутри помещения и иметь беспрепятственный доступ к стеклу без риска выпадения наружу.

Применение оконных блоков с частью глухого остекления (неоткрывающимися створками) допускается в тех случаях, когда ширина глухого остекления (неоткрывающейся створки):

- окна не превышает 400 мм;

- в центральной части окна не превышает 800 мм.

6.1.6 Для обеспечения безопасной эксплуатации оконная фурнитура должна предусматривать:

а) защиту от ошибочных действий при переводе створки из режима "Открыто" в режим "Проветривание" и обратно при поворотно-откидном либо откидно-поворотном способах открывания;

б) наличие ограничителей угла открывания для створок и фрамуг;

в) защиту створки раздвижных оконных блоков и балконного остекления от выпадения;

г) варианты управления фрамугой.

Во избежание травмирования пальцев рук (особенно в конструкциях алюминиевых оконных блоков) кинематическая схема нижней петли должна обеспечивать одинаковый и минимальный зазор между створкой и рамой во всем диапазоне угла открывания створки (рисунок Г.1 приложения Г).

6.1.7 Изделия, устанавливаемые на первом, втором и последнем этажах, а также над козырьками, парапетами и т.п., должны быть выполнены в защитном (взломоустойчивом) варианте и соответствовать требованиям ГОСТ 31462.

Примечание - Применение защитных оконных блоков по ГОСТ 31462 не требует дополнительной установки металлических решеток.

Для выполнения защитных функций оконного проема допустима установка основных оконных блоков с дополнительными защитными устройствами (например, взломоустойчивыми роллетами).

6.1.8 Распашные открывающиеся элементы изделий для жилых зданий должны открываться внутрь помещения, для общественных зданий - в соответствии с проектом.

6.1.9 В целях обеспечения безопасности балконные двери для выходов на балконы и лоджии первого, второго и последнего этажей здания должны иметь многоточечную систему запирания с замками не ниже 2-го класса по ГОСТ 5089, в остальных случаях они должны закрываться на специальные защелки по ГОСТ 5089 либо другим нормативным документам.

6.1.10 В конструкциях взломоустойчивых оконных блоков рекомендуется применять фурнитуру, обеспечивающую параллельно-выдвижное или наклонно-выдвижное открывание створок, позволяющее осуществлять интенсивное проветривание помещений с сохранением взломоустойчивости в режиме "Проветривание".

6.1.11 Для обеспечения безопасной эксплуатации светопрозрачного заполнения оконных, балконных блоков и балконного остекления рекомендуется применять:

а) стекла со шлифованными кромками, снижающими концентрацию напряжений и риск разрушения стекла;

б) безопасные стекла по 5.9.5.3, 5.9.5.4.

6.1.12 Для предотвращения распространения опасных микробов и бактерий рекомендуется применять оконные и дверные ручки по ГОСТ 538 с антимикробным (антибактериальным) покрытием.

6.1.13 Конструкция оконного блока с фрамугой должна обеспечивать открывание и закрывание фрамужной створки с применением устройств закрывания, как автоматических через пульт управления, так и механических с применением специальных рычагов, позволяющих управлять фрамугой стоя на полу (см. рисунок Г.14 приложения Г).

Примечание - При автоматическом управлении фрамугой рекомендуется принимать: электропитание - 24 В, скорость открывания - 1 м/с; длительность открывания - 25 с; скорость закрывания - 5 мм/с; усилие открывания и закрывания - не более 150 Н.

Для исключения травматизма при пользовании фрамугой рекомендуется применять фрамужную систему, позволяющую управлять фрамугой с помощью оконной ручки. Откидывание фрамужной створки осуществляют с помощью ручки, расположенной на центральной оконной створке (см. рисунок Г.15 приложения Г). Управление фрамужной створкой реализовано посредством встроенной фурнитуры, которая соединяет замок безопасности с фурнитурой на фрамуге.

Для разделения функций створки оконного блока и фрамужной створки рекомендуется устанавливать детский замок безопасности в верхний профиль оконного блока (см. рисунок Г.15 приложения Г). Рекомендуемая масса фрамужной створки - не более 30 кг, габаритные размеры - 600 x 1300 мм или 500 x 800 мм.

Примечание - Во избежание риска падения не допускается применять вспомогательные средства (стремянку, табурет или стул) для открывания и закрывания фрамуги.

6.1.14 В охраняемых помещениях общественных и жилых зданий следует устанавливать защитные изделия в соответствии с требованиями нормативных документов <1>, действующих на территории государства - участника Соглашения, принявшего настоящий стандарт.

<1> В Российской Федерации действует ГОСТ Р 57788-2017 "Блоки оконные и дверные защитные для охраняемых помещений. Общие технические условия".

6.1.15 Оконные блоки с высотой подоконника менее 800 мм (за исключением оконных и балконных блоков, выходящих на балкон или лоджию), а также конструкции типа "французский балкон" следует оснащать защитными ограждениями (барьерами, экранами) на высоту не менее 1200 мм от уровня чистого пола этажа, препятствующими случайному выпадению человека при открытых створках. Конструкции защитных ограждений, крепежные изделия и основание для закрепления ограждений (оконный проем либо профильные элементы оконного блока) должны быть рассчитаны на действие нагрузок согласно требованиям нормативных документов <2>, действующих на территории государства - участника Соглашения, принявшего настоящий стандарт, либо испытаны в испытательном центре.

<2> В Российской Федерации - согласно требованиям СП 20.13330.2016 "СНиП 2.01.07-85* Нагрузки и воздействия".

6.2 Для обеспечения безопасной эксплуатации конструкции остекления балконов (лоджий) необходимо предусматривать наличие:

- ПВХ, алюминиевых, деревянных профилей для устройства рамки под стекло;

- ходовых рельсов (направляющих);

- роликов перемещения; в зависимости от конструкции остекления ролики устанавливают по два на створку на расстоянии не более 130 мм от внутреннего угла, рекомендуемый заход роликов в направляющие должен быть не менее 8 мм;

- торцевых заглушек (ограничителей для исключения выхода створки из направляющих);

- уплотнителей (для исключения вибрации и водопроницаемости);

- защелок с ответными планками для фиксации крайнего положения;

- ограничителей открывания при поворотном открывании створки (см. 6.3).

6.3 Обеспечение безопасности детей при эксплуатации оконных блоков в жилых и общественных зданиях <3>

<3> Требования к обеспечению безопасности оконных блоков зданий детских дошкольных и общеобразовательных организаций должны быть установлены в нормативных документах на проектирование с учетом специфики этих зданий, связанной с единовременным нахождением большого количества детей различных возрастов и различного функционального назначения помещений образовательных организаций. В Российской Федерации общие требования к обеспечению безопасности детей при эксплуатации оконных блоков приведены в пункте 7.1.10 СП 251.1325800.2016 "Здания общеобразовательных организаций. Правила проектирования", пункте 11.30 СП 252.1325800.2016 "Здания дошкольных образовательных организаций. Правила проектирования".

6.3.1 Для обеспечения безопасности детей, находящихся в помещении без присмотра взрослых, необходимо соблюдать следующие требования:

- применять откидно-поворотный способ открывания, предусматривающий вначале откидывание створки при повороте ручки и последующий перевод створки в распашное положение с помощью ручки через возврат створки в начальное (закрытое) положение, что затруднительно сделать ребенку младшего школьного возраста;

- применять детские замки безопасности, обеспечивающие блокировку распашного открывания створки, но позволяющие ей функционировать в откидном положении;

- детские замки безопасности следует выбирать с учетом рекомендаций производителей замков в зависимости от конструкции оконного блока и самого замка с обязательным выполнением функции блокировки распашного открывания;

- детский замок безопасности должен предусматривать запирание как на ключ (т.е. иметь механизм запирания), так и с помощью специального ключа (ручки) без применения замочного механизма. Примеры конструкций детских замков безопасности приведены на рисунках Г.3, Г.4 приложения Г.

6.3.2 В оконных конструкциях, предусматривающих только распашное открывание, в т.ч. в деревянных окнах по ГОСТ 11214, необходимо применять замки безопасности со следующими типами блокираторов поворота в виде:

- гибкого троса, соединяющего корпус замка с ответной планкой, где длина троса определяет безопасную величину поворота (распахивания створки) и фиксирует створку в этом положении (см. рисунок Г.7 приложения Г);

- жесткой планки, соединяющей корпус замка с ответной планкой и фиксирующей створку в этом положении (см. рисунок Г.8 приложения Г);

- накладных ограничителей (блокираторов), элементы которых устанавливаются на створку и раму (импост) и их разъединение возможно только в положении створки, ограниченном длиной пластины; место разъединения дополнительно защищается подвижной планкой с детским замком безопасности (см. рисунок Г.9 приложения Г).

6.3.3 В оконных конструкциях следует применять механические ограничители (блокираторы) различного типа, ограничивающие угол поворота (распахивания) створки и обеспечивающие фиксацию створки в этом положении (см. рисунки Г.5, Г.6 приложения Г). Механические ограничители (блокираторы) устанавливаются на коробку (импост) и на створку, фиксируются с помощью простого ключа (без замочного механизма) и управляются оконной ручкой. При повороте ручки створка открывается на расстояние 100 мм и фиксируется ключом в этом положении. Возвращение створки ручкой в исходное распахнутое или закрытое положение возможно только при повороте ключа.

6.3.4 При поворотно-откидном либо откидно-поворотном способах открывания необходимо предусматривать возможность блокировки неконтролируемого распашного открывания также с использованием:

- оконных ручек со встроенным цилиндровым механизмом, обеспечивающим запирание створки в определенном положении (см. рисунок Г.10 приложения Г);

- съемных ручек в соответствии с ГОСТ 30777, а также ручек для алюминиевых оконных блоков, состоящих из накладки со съемной рукояткой, закрепленной в корпусе с помощью защелкивающегося механизма, не позволяющего управлять оконной створкой в зафиксированном положении и не требующего применения замочного механизма (см. рисунки Г.11, Г.12 приложения Г);

- ручек с механическими блокировочными пластинами, расположенными в накладке под ручкой (см. рисунок Г.13 приложения Г).

Примечания

1 При применении ручек с механическими блокировочными пластинами для открывания и закрывания створки необходимо одной рукой нажимать на две пластины (кнопки), расположенные в верхней и нижней частях накладки, и одновременно другой рукой поворачивать ручку (см. рисунок Г.13 приложения Г). Такой способ запирания делает практически невозможным открывание оконных блоков детьми дошкольного возраста.

2 Устройства, обеспечивающие поворотное, поворотно-откидное, откидно-поворотное положение створки, должны изготовляться в соответствии с требованиями ГОСТ 30777; детские замки безопасности, цилиндровые механизмы оконных ручек - с требованиями ГОСТ 5089; оконные ручки с блокировочными пластинами - по технической документации предприятия-изготовителя.

6.3.5 При применении в оконных блоках противомоскитных сеток необходимо выполнять основное условие - исключать возможность доступа детей к противомоскитным сеткам, используя варианты защиты оконных блоков по 6.3.1 - 6.3.4, кроме того, обеспечивать:

- надежное крепление сеток к оконной раме для исключения возможности их выпадения из проема при опоре на них.

Примечание - При установке противомоскитных сеток потребитель должен быть предупрежден, что сетка не является защитной конструкцией;

- маркировку противомоскитных сеток знаком опасности, выполненным на лицевой стороне изделия и окрашенным в цвет опасности (см. рисунок Г.2 приложения Г).

6.4 Для обеспечения безопасной эксплуатации светопрозрачного заполнения оконных, балконных блоков и балконного остекления рекомендуется применять:

а) стекла со шлифованными кромками, снижающими концентрацию напряжений и риск разрушения стекла;

б) безопасное многослойное или безопасное закаленное стекло (см. также 5.9.5.3, 5.9.5.4).

Безопасность оконных блоков типа "французский балкон", т.е. установленных в помещениях, не примыкающих к балкону, должна обеспечиваться требованиями 6.1.15 и нормативных документов <1>, действующих на территории государства - участника Соглашения, принявшего настоящий стандарт, а также применением откидно-поворотной фурнитуры для оконных блоков массой 100 кг и более.

<1> В Российской Федерации согласно требованиям подпункта 5.2.2.5 ГОСТ Р 56926-2016 "Конструкции оконные и балконные различного функционального назначения для жилых зданий. Общие технические условия".

При разделении площади остекления "французского балкона" горизонтальными ригелями на нижнюю глухую (неоткрывающуюся) на высоте 1200 мм от уровня пола и верхнюю открывающуюся части открывающаяся створка должна комплектоваться устройствами безопасности, установленными в 6.3. В этом случае допускается не применять дополнительное защитное ограждение при условии выполнения требований 5.3.2.

7 Правила приемки

7.1 Продукция должна пройти проверку соответствия требованиям настоящего стандарта, стандартов на конкретные виды изделий, а также условиям, определенным в договоре на изготовление (поставку) изделий.

7.2 Качество продукции подтверждают:

- входным контролем материалов и комплектующих изделий;

- операционным контролем;

- приемочным контролем каждой партии готовых изделий.

7.3 Входной контроль материалов и комплектующих изделий проводят по ГОСТ 24297. Методы входного контроля устанавливают исходя из требований нормативных документов к закупленной продукции.

Примечание - Входной контроль в общем случае может включать в себя:

- проверку наименования, марки, типа, количества поставляемой продукции в соответствии с заказом (договором);

- наличие сопроводительных документов (товарно-транспортных, документов качества и др.);

- контроль геометрических параметров;

- визуальный контроль качества (цвет, внешний вид, наличие видимых дефектов, целостность и пр.);

- методы испытаний в соответствии с требованиями настоящего стандарта, стандартов на конкретный вид продукции либо технической документации предприятия - изготовителя закупленной продукции.

Если в результате входного контроля установлен факт несоответствия либо нестабильности каких-либо показателей качества, потребитель (изготовитель оконных блоков) может провести дополнительные испытания закупленной продукции.

7.4 Операционный контроль качества продукции проводят в процессе ее изготовления в соответствии с технологической документацией предприятия-изготовителя. Точки контроля, контролируемые параметры и периодичность контроля устанавливают в технологическом регламенте контроля качества. Точность и стабильность параметров технологических операций оценивают в соответствии с требованиями технологической документации предприятия-изготовителя.

7.5 Приемочный контроль изготовленной продукции осуществляет служба контроля качества предприятия-изготовителя в соответствии с требованиями ГОСТ 15.309. При приемочном контроле осуществляют приемку готовых изделий по качеству на основании данных входного, операционного, приемо-сдаточного контроля и периодических испытаний.

Когда комплектующие изделия являются изделиями собственного изготовления предприятия-изготовителя (например, стеклопакеты), они должны пройти приемку на соответствие требованиям нормативных документов на эту продукцию.

7.6 Приемо-сдаточные и периодические испытания продукции проводят с периодичностью и по номенклатуре показателей, установленных в таблицах 8, 9.

Таблица 8

Показатели, контролируемые при приемо-сдаточных и периодических испытаниях

Наименование показателяТребованиеМетод испытанияКатегория испытанийПериодичность испытаний
Приемо-сдаточныеПериодические
1 Приведенное сопротивление теплопередачеТаблица А.1, строка 18.6-+Один раз в пять лет
2 ВоздухопроницаемостьПункт 4.1.7 таблица 18.8-+
3 Водопроницаемость (предел водонепроницаемости)Пункт 4.1.7 таблица 28.8-+
4 ЗвукоизоляцияПункт 4.1.7 таблица 38.9-+
5 Сопротивление ветровым нагрузкамПункт 4.1.7 таблица 4, 58.11-+
6 Сопротивление статическим нагрузкам5.5.28.10-+Один раз в три года
7 Безотказность (надежность)5.5.28.14-+
8 Соответствие эргономическим требованиям5.9.6.28.14++
9 Прочность угловых соединений5.2.88.13++См. примечание 1
10 Прочность вклейки стеклопакетов (при наличии)5.9.5.118.22-+Один раз в три года
11 Внешний вид изделия5.2.17; 5.9.6.128.2,
8.5
+-Сплошной контроль
12 Размеры, предельные отклонения5.48.3+-
13 Сборка изделия в соответствии с рабочей документацией5.2.5 - 5.2.7;
5.2.10 - 5.2.16;
5.9.7.2
8.2+-
14 Работоспособность оконной (дверной) фурнитуры и петель5.2.10;
5.9.6.7 - 5.9.6.9
8.4+-
15 Комплектность, маркировка, упаковка5.11, 5.12, раздел 98.2+-
Примечания
1 Прочность угловых соединений контролируют при приемо-сдаточных испытаниях с периодичностью, установленной в технологической документации предприятия-изготовителя, и при периодических испытаниях один раз в три года.
2 Коррозионную стойкость, адгезию и качество защитных и защитно-декоративных покрытий проверяют на комплектующих металлических деталях в процессе их производства. Результаты оценки этих показателей оформляют протоколом испытаний и заносят в паспорт комплектующего изделия.

Таблица 9

Показатели, контролируемые при приемо-сдаточных и периодических испытаниях балконного остекления

Наименование показателяТребованиеМетод испытанияКатегория испытанийПериодичность испытаний
Приемо-сдаточныеПериодические
1 Водопроницаемость (предел водонепроницаемости)Таблица 2, пункт 4.1.78.8-+Один раз в пять лет
2 Сопротивление ветровым нагрузкамТаблица 5, пункт 4.1.78.11-+
3 Безотказность (надежность)5.5.28.14-+
4 Показатели по строкам 8 - 15 таблицы 8Пункты 8 - 15 таблицы 8

7.7 Периодические испытания изделий проводят на образцах полной заводской готовности, принятых службой контроля качества предприятия-изготовителя. Образцы продукции для проведения периодических испытаний отбирают в количестве, установленном в стандартах на методы испытаний. Выбор репрезентативных образцов для испытаний проводят в соответствии с ГОСТ 24033.

Результаты периодических испытаний продукции допускается использовать для оценки соответствия продукции.

7.8 Приемку изделий осуществляют поштучно либо партиями единиц продукции. Партией считают число изделий, отгружаемое по конкретному договору (заказу), но не более 500 шт., оформленное одним документом о качестве (паспортом).

При приемке изделий партиями рекомендуется использовать план одноступенчатого контроля качества изделий, установленный в таблице 10.

Таблица 10

План одноступенчатого контроля качества изделий

Объем партии, шт.Объем выборки, шт.Приемочное число
Малозначительные дефектыКритические и значительные дефекты
От 1 до 12Сплошной контроль30
13 - 25530
26 - 50840
51 - 901250
91 - 1501871
151 - 28026102
281 - 50038142
Примечания
1 К значительным и критическим дефектам относят дефекты, ведущие к потере эксплуатационных характеристик, не устранимые без замены части изделия (поломка профиля или оконных приборов, треснувший стеклопакет и др.), превышение предельных отклонений размеров более чем в полтора раза от установленных в нормативных документах, разукомплектованность изделий.
2 К малозначительным дефектам относят устранимые дефекты: незначительные повреждения поверхности, неотрегулированные оконные приборы и петли, превышение предельных отклонений размеров менее чем в полтора раза от установленных в нормативных документах.

7.9 Каждая партия изделий должна быть сопровождена паспортом изделия, в котором указывают:

- наименование и адрес предприятия-изготовителя или его товарный знак;

- условное обозначение изделия;

- номер партии (заказа);

- количество изделий в партии (шт. и м2);

- спецификацию комплектующих изделий;

- дату отгрузки.

Паспорт изделия должен иметь знак (штамп), подтверждающий приемку партии изделий службой качества предприятия-изготовителя. В паспорте изделия рекомендуется указывать информацию о подтверждении соответствия, основные эксплуатационные и технические характеристики изделий и гарантийные обязательства.

При реализации изделий через предприятия розничной торговли паспортом изделия сопровождают каждое изделие.

Форма паспорта оконного блока приведена в приложении Д.

7.10 Если условиями контрактов (договоров) между заказчиком (потребителем) и предприятием-изготовителем определено, что приемку продукции следует осуществлять представителю заказчика (потребителя), то приемку проводит представитель заказчика (потребителя) в присутствии службы качества предприятия-изготовителя в соответствии с требованиями ГОСТ 15.309.

При проведении приемки изделий представителем заказчика (потребителя) необходимо соблюдать порядок отбора образцов и методы испытаний, установленные в настоящем стандарте либо в нормативных документах на конкретные виды изделий.

7.11 Допускается выполнять замену отдельных комплектующих при поставке изделий на объект. При этом все технико-эксплуатационные характеристики изделий должны соответствовать требованиям проекта. Взаимосвязь изменения эксплуатационно-технических характеристик изделий при замене их составных элементов приведена в приложении Е.

8 Методы контроля

8.1 Методы контроля, изложенные в настоящем разделе, распространяются на вновь изготовленные изделия, не смонтированные в проемы здания.

8.2 Внешний вид изделий, комплектность, правильность установки элементов остекления и уплотняющих прокладок, наличие функциональных отверстий, крепежных и других деталей проверяют визуально на соответствие образцам-эталонам, требованиям настоящего стандарта и конструкторской документации.

Маркировку и упаковку проверяют визуально.

8.3 Геометрические размеры изделий определяют с использованием методов, установленных в ГОСТ 26433.0, ГОСТ 26433.1, ГОСТ 24033.

Предельные отклонения номинальных размеров изделий и их элементов измеряют металлической рулеткой, металлической измерительной линейкой, штангенциркулем, набором щупов, калибрами по нормативным документам либо другими средствами измерений, включая электронные.

Отклонения от прямолинейности (плоскостности) деталей рамочных элементов определяют приложением поверочной линейки или строительного уровня по ГОСТ 9416 с допуском плоскостности не менее 9-й степени точности к проверяемой детали и измерением наибольшего зазора с помощью щупа.

Предельные отклонения номинальных размеров зазоров под наплавом проверяют с применением набора щупов.

Зазоры в притворе (внутри притвора) определяют измерением штангенциркулем смежных размеров сечения.

Провисание открывающихся элементов в сопряжении смежных деталей определяют щупом как расстояние от ребра металлической линейки, приложенной к верхней сопрягаемой поверхности, до нижней поверхности.

Размеры диагоналей определяют в соответствии с ГОСТ 24033.

Приборы (оборудование) для проведения измерений должны(о) быть поверены(о) в установленном порядке.

8.4 Работу оконных и дверных приборов и петель проверяют пятиразовым повтором цикла "открывание-закрывание" створных элементов и запирающих приборов.

8.5 Внешний вид защитно-декоративного покрытия (цвет, глянец, текстура поверхности) проверяют согласно ГОСТ 15.309 на соответствие образцам-эталонам, утвержденным руководителем предприятия-изготовителя.

8.6 Приведенное сопротивление теплопередаче оконных и балконных блоков определяют по ГОСТ 26602.1 либо расчетным методом с учетом требований нормативных документов <1>, действующих на территории государства - участника Соглашения, принявшего настоящий стандарт.

<1> В Российской Федерации - в соответствии с СП 50.13330.2012 "СНиП 23-02-2003 Тепловая защита зданий" и ГОСТ Р 56926-2016 "Конструкции оконные и балконные различного функционального назначения для жилых зданий. Общие технические условия".

8.7 Результаты испытаний могут быть распространены на конструкции, схожие по конструктивному исполнению (профиль, фурнитура, светопрозрачное заполнение, уплотнение) с размерами, не превышающими размеры испытанного образца (допускается распространять результаты испытаний на образцы меньшего размера).

8.8 Воздухопроницаемость оконных и балконных блоков, предел водонепроницаемости оконных и балконных блоков, балконного остекления определяют по ГОСТ 26602.2. Если конструкция оснащена приточным вентиляционным клапаном, то в процессе испытаний на водопроницаемость клапан должен быть открыт, а при испытании на воздухопроницаемость - закрыт.

Результаты испытания распространены на изделия с аналогичным конструктивным исполнением, размеры которых превышают размеры опытного образца не более чем на 50%.

8.8.1 При оценке конструкции, связанной с долгосрочной эксплуатацией, необходимо проводить испытания по определению воздухо- и водопроницаемости по следующей схеме:

а) проведение испытаний на новом образце с установлением класса по воздухо- и водопроницаемости;

б) проведение испытаний этого образца на надежность в соответствии с ГОСТ 24033;

в) при получении положительных результатов испытаний на надежность - проведение повторных испытаний этого образца по определению воздухо- и водопроницаемости.

8.8.2 Оценкой результатов испытаний является соответствие изделия первоначально установленному классу по воздухопроницаемости либо измененному не более чем на один класс. Результаты испытаний могут быть использованы при оценке долговечности конструкции.

8.9 Звукоизоляцию оконных и балконных блоков определяют методами согласно ГОСТ 26602.3 и нормативным документам <2>, действующим на территории государства - участника Соглашения, принявшего настоящий стандарт.

<2> Российской Федерации действует ГОСТ Р ИСО 10140-2-2012 "Акустика. Лабораторные измерения звукоизоляции элементов зданий. Часть 2. Измерение звукоизоляции воздушного шума".

Звукоизоляционные характеристики светопрозрачной конструкции следует определять для режимов "Закрыто" и "Проветривание". Если в состав конструкции входит приточный вентиляционный клапан, то испытания проводят вместе с ним.

8.10 Сопротивление статическим нагрузкам изделий определяют методами по ГОСТ 30777 и ГОСТ 24033. Результатами испытаний считают сохранение формы и работоспособность конструкции в целом.

Примечание - Испытание балконного блока, состоящего из оконного и балконного дверного блоков, проводят отдельно на оконном и балконном дверном блоках.

8.11 Сопротивление ветровой нагрузке оконных и балконных блоков определяют методами по ГОСТ 26602.5 и ГОСТ 31462. Сопротивление ветровой нагрузке балконного остекления определяют в соответствии с ГОСТ 26602.5.

Результаты испытания на сопротивление ветровой нагрузке могут быть распространены на изделия со схожим конструктивным исполнением, размеры которых не превышают размеров опытного образца.

Для определения испытательных ветровых нагрузок рекомендуется применять расчетные методы, установленные в нормативных документах <3>, действующих на территории государства - участника Соглашения, принявшего настоящий стандарт.

<3> В Российской Федерации действует ГОСТ Р 56926-2016 "Конструкции оконные и балконные различного функционального назначения для жилых зданий. Общие технические условия".

Схема лабораторных испытаний должна соответствовать установленной расчетной программе. Результаты проведенных испытаний должны соотноситься с результатами расчета.

8.12 Общий коэффициент пропускания света определяют по ГОСТ 26602.4.

8.13 Прочность угловых соединений изделий определяют по схеме приложения нагрузки, приведенной на рисунке 14. Значения контрольных нагрузок (прочность угловых соединений) и оценку результатов испытаний устанавливают в нормативных документах и конструкторской документации на конкретные виды изделий. Число образцов для испытаний - не менее трех каждого вида (створка, рама).

1 - точка приложения нагрузки; 2 - испытательный образец; 3 - вертикальная опора; 4 - упор; 5 - хомуты для крепления образца

Рисунок 14 - Схемы приложения нагрузок при определении прочности угловых соединений

8.13.1 Оборудование для проведения испытаний:

- испытательный стенд (приспособление).

8.13.2 Средства испытаний и вспомогательные устройства:

- установка, включающая приспособление для крепления образца (хомуты, болтовой зажим), механизм винтовой для создания нагрузки;

- динамометр с погрешностью измерений +/- 10 Н либо набор грузов, соответствующих значению контрольной нагрузки;

- линейка металлическая;

- угломер.

8.13.3 Порядок проведения испытаний

8.13.3.1 Размеры образцов и схемы приложения нагрузки приведены на рисунке 14.

8.13.3.2 При испытаниях по схеме, приведенной на рисунке 14, образец одной из сторон жестко закрепляется к вертикальной опоре. К другой стороне в плоскости образца прикладывают нагрузку (например, с помощью винтового приспособления). Значение нагрузки измеряют динамометром, допускается создавать нагрузку путем навешивания свободного груза на горизонтальную сторону образца вручную на тросе или проволоке.

8.13.3.3 Нагружение образцов проводят равномерно до достижения значения контрольной нагрузки. Образцы выдерживают под нагрузкой не менее 3 мин.

8.13.3.4 Результаты испытаний признают положительными, если все образцы выдержали контрольную нагрузку без разрушения и образования трещин.

8.14 Испытания на безотказность оконных и балконных дверных блоков, балконного остекления и соответствие эргономическим требованиям проводят методами, установленными ГОСТ 30777, ГОСТ 24033. Результаты испытаний распространены на изделия, размеры и масса которых не превышают данных испытуемого образца. Испытания деревянных оконных блоков по ГОСТ 11214 проводят в соответствии с методиками испытательных лабораторий. Испытания на безотказность балконного остекления проводят в соответствии с ГОСТ 24033. При испытаниях деревянных оконных блоков по ГОСТ 11214 спаренные, раздельно-спаренные створки перед испытаниями разъединяют и испытывают каждую створку отдельно методами по ГОСТ 24033.

8.15 Испытания на безотказность и прочность многоригельных замков и замков безопасности определяют по ГОСТ 5089 и ГОСТ 19091.

8.16 Стойкость оконных блоков к взлому определяют по ГОСТ 31462.

8.17 Прочность сцепления лакокрасочных покрытий с отделываемой поверхностью (адгезию) определяют методом решетчатых надрезов по ГОСТ 31149 с дополнениями, установленными в стандартах на конкретные виды изделий.

8.18 Испытания по определению прочности петель и прочности крепления петель к профильным элементам оконного блока проводят в соответствии с ГОСТ 24033.

8.19 Испытания на долговечность (стойкость к длительным циклическим климатическим нагрузкам) оконных и балконных блоков проводят в соответствии с действующими нормативными документами на отдельные комплектующие (профили, стеклопакеты, уплотняющие прокладки, фурнитура). Определение долговечности оконных и балконных блоков в сборе, при необходимости, может быть проведено по отдельной методике, учитывающей работу изделия под воздействием переменных климатических факторов, изменение каждой из основных эксплуатационных характеристик изделия (сопротивление теплопередаче, воздухо- и водопроницаемость, сопротивление ветровой нагрузке, механическая прочность, безотказность и др.), а также нормируемые предельно допустимые ухудшения этих характеристик (см. 8.8.1).

8.20 Стойкость металлических элементов оконных (балконных) блоков и балконного остекления к коррозии проверяют в соответствии с ГОСТ 9.301.

8.21 Толщину металлических и лакокрасочных покрытий на металлических поверхностях изделий измеряют на отдельных элементах посредством толщиномеров с областью измерения, установленной в ГОСТ 9.302.

8.22 Испытания по определению прочности вклейки стеклопакета в рамочные элементы конструкции проводят методами в соответствии с ГОСТ 31462.

8.23 Влажность древесины, прочность клеевых соединений деревянных профилей определяют по ГОСТ 24700 и другим нормативным документам на изделия из древесины.

8.24 Испытания дополнительных оконных устройств безопасности по 6.3 проводят методами в соответствии с ГОСТ 24033, ГОСТ 30777.

9 Упаковка, транспортирование и хранение

9.1 Упаковка изделий должна обеспечивать их сохранность при хранении, погрузочно-разгрузочных работах и транспортировании. Рекомендуется упаковывать изделия в полиэтиленовую пленку по ГОСТ 10354, которая должна быть снята с изделий при их долгосрочном хранении.

9.2 Не установленные на изделия приборы или части приборов должны быть завернуты в полиэтиленовую пленку по ГОСТ 10354 или другой упаковочный материал, обеспечивающий их сохранность, прочно перевязаны и поставляться комплектно с изделиями.

9.3 Перед упаковкой открывающиеся створки изделий должны быть закрыты на все запорные приборы.

9.4 Требования к хранению и транспортированию комплектующих деталей, а также правила транспортирования сборно-разборных оконных блоков устанавливают в нормативных документах на конкретные виды изделий с учетом требований ГОСТ 23118.

9.5 Изделия транспортируют всеми видами транспорта в соответствии с правилами перевозки грузов, действующими на данном виде транспорта. Для перевозки изделий рекомендуется применение контейнеров. В случае бесконтейнерного транспортирования изделия раскрепляют в пакеты согласно схемам, установленным в технической документации.

9.6 При хранении и транспортировании изделий должна быть обеспечена их защита от механических повреждений, воздействия атмосферных осадков и прямых солнечных лучей.

9.7 Изделия хранят в контейнерах либо на деревянных подкладках (поддонах) в вертикальном положении под углом от 10° до 15° к вертикали, в крытых проветриваемых помещениях без непосредственного контакта с нагревательными приборами. Между изделиями рекомендуется устанавливать разделительные прокладки из эластичных материалов.

9.8 В случае отдельного транспортирования стеклопакетов требования к их упаковке и транспортированию должны соответствовать ГОСТ 24866.

10 Общие требования к монтажу и эксплуатации

10.1 Требования к монтажу изделий, включая устройство монтажных швов в узлах примыкания изделий к стенам, устанавливаются в конструкторской и проектной документации на конкретные варианты узлов примыканий согласно ГОСТ 30971.

10.2 Монтаж оконных и балконных блоков, балконного остекления следует проводить таким образом, чтобы все действующие на них нагрузки и воздействия были переданы на несущие конструкции здания. Крепление изделий к стенам следует проводить с помощью монтажных крепежных элементов, рассчитанных на восприятие этих нагрузок с учетом класса защиты изделия. Расположение элементов крепления и способ их закрепления в стенах зданий должны быть указаны в конструкторской и проектной документации.

10.3 Полимерные материалы, применяемые при монтажных работах, должны иметь гигиеническое заключение уполномоченных в области санитарно-эпидемиологического надзора органов исполнительной власти <1>, действующих на территории государства, принявшего настоящий стандарт, о возможности их применения в строительстве.

<1> В Российской Федерации соответствующие функции выполняет Федеральная служба по надзору в сфере защиты прав потребителей и благополучия человека (Роспотребнадзор).

10.4 Монтаж изделий должен быть осуществлен профильными строительными организациями либо предприятиями - изготовителями изделий. Окончание монтажных работ должно быть подтверждено актом сдачи-приемки, оформленным в установленном порядке.

10.5 По требованию заказчика (потребителя) изготовитель изделий (либо монтажная организация) должен(на) предоставлять типовую инструкцию по монтажу изделий, содержащую:

- чертежи (схемы) типовых монтажных узлов примыкания;

- перечень применяемых при монтаже изделий материалов (с приведением сведений об их совместимости) и температурных режимов их применения;

- последовательность технологических операций по монтажу оконных блоков.

10.6 При монтаже отливов и откосов следует выполнять требования, указанные в 10.6.1 - 10.6.9.

10.6.1 Выход отлива за наружную поверхность стены (свес) должен составлять не менее 20 мм, уклон - не менее 10%.

10.6.2 Крепление отлива должно быть выполнено к раме или к подставочному профилю самонарезающими винтами с шагом не более 300 мм. При длине отлива более 1,5 м необходимо предусматривать его дополнительное крепление с шагом от 600 до 800 мм.

10.6.3 Отливы должны иметь не менее двух точек крепления при длине профиля не более 600 мм и не менее трех - при длине профиля более 600 мм.

10.6.4 В конструктивном решении отлива длиной более 3 м необходимо предусматривать наличие температурного деформационного шва.

10.6.5 Места примыкания отлива к раме и стеновому проему должны быть герметизированы атмосферостойкими материалами или специальными уплотнителями в соответствии с требованиями ГОСТ 30971.

10.6.6 Пространство под отливом необходимо заполнять утеплителем.

10.6.7 Для уменьшения шума от дождя рекомендуется устанавливать под отлив звукогасящие подкладки.

10.6.8 Отделку поверхности откосов и перемычек необходимо выполнять после устройства монтажного шва, установки подоконных досок и отливов в соответствии с проектной документацией.

10.6.9 Облицовочные профили и отливы из ПВХ должны соответствовать требованиям ГОСТ 30673 к доборным профилям.

10.7 Правила эксплуатации изделий устанавливают в инструкции по эксплуатации и прочей документации, входящей в комплект поставки изделий.

10.8 Правила эксплуатации должны содержать требования к поддержанию исправного технического состояния, проведению сервисного обслуживания, включающего в себя оценку внешнего вида изделий, соблюдение порядка смазки и регулировки запирающих приборов, оценку качества уплотняющих прокладок, применение разрешенных чистящих (моющих) средств и т.д. Рекомендуемые сроки проведения сервисного обслуживания - не реже одного раза в год.

10.9 Правила эксплуатации должны учитывать специфику изделий и в необходимых случаях - специфику строительного объекта, например при мытье оконных блоков в зданиях, в т.ч. с повышенной этажностью при удалении снега, замене потерянного ключа замка, защитных изделий и т.д.

11 Требования к входному контролю при поставке готовых изделий на строительный объект

11.1 По договоренности сторон приемка изделий потребителем (заказчиком) может быть проведена на предприятии-изготовителе, на складе потребителя, у официального дилера, в ином оговоренном в договоре месте или непосредственно на строительном объекте.

11.2 Требования к проведению входного контроля при поставке изделий на строительный объект должны соответствовать требованиям нормативных документов <1>, действующих на территории государства - участника Соглашения, принявшего настоящий стандарт.

<1> В Российской Федерации действует ГОСТ Р 56926-2016 "Конструкции оконные и балконные различного функционального назначения для жилых зданий. Общие технические условия".

11.3 При проведении входного контроля изделий рекомендуется применять средства неразрушающего контроля, например оптические стеклометры для измерения толщины стекла и конструкции стеклопакетов, детекторы определения низкоэмиссионного, закаленного и иных видов стекол в стеклопакетах, динамометрические ключи для определения крутящего момента ручек и др.

11.4 При проведении приемки изделий, смонтированных на объекте, необходимо руководствоваться нормативными документами, включая методики, действующие на момент проверки и учитывающие требования нормативных документов, действующих на территории государства - участника Соглашения, принявшего настоящий стандарт.

Приемка должна включать в себя анализ соответствия результатов фактически проделанной работы принятому проектному решению в части конструктивного исполнения, технического решения узлов примыкания и др.

12 Гарантии изготовителя

12.1 Гарантии изготовителя устанавливают в стандартах на конкретные виды изделий. Изготовитель гарантирует соответствие изделий требованиям нормативных документов при условии соблюдения потребителем правил хранения, монтажа и эксплуатации, а также области применения изделий.

12.2 Гарантийный срок эксплуатации рекомендуется устанавливать с учетом условий и интенсивности эксплуатации.

12.3 Гарантийный срок эксплуатации основных оконных и балконных блоков и специальных оконных блоков, балконного остекления должен быть не менее трех лет со дня установки на объекте.

12.4 Гарантийный срок эксплуатации оконных блоков для вспомогательных помещений с риском небрежного отношения должен быть не менее двух лет со дня установки на объекте.

12.5 Гарантийный срок хранения изделий - не менее одного года со дня отгрузки изделия изготовителем.

12.6 Если приемка изделий была проведена потребителем (заказчиком), изготовитель не освобождается от ответственности при обнаружении скрытых дефектов, приведших к нарушению эксплуатационных характеристик изделий в течение гарантийного срока службы.

12.7 Гарантийные обязательства выполняются при условии проведения гарантийного обслуживания основных оконных и балконных дверных блоков не реже одного раза в год профильными организациями либо изготовителями продукции.

Приложение А
(справочное)

ОСНОВНЫЕ НОРМИРУЕМЫЕ ЭКСПЛУАТАЦИОННЫЕ ХАРАКТЕРИСТИКИ ОКОННЫХ И БАЛКОННЫХ БЛОКОВ И ИХ КЛАССИФИКАЦИЯ

Таблица А.1

Наименование показателя, ед. изм.Значение показателя для классаНормативный документ
АБВГДЕ
1 Базовые значения требуемого сопротивления теплопередаче оконных и балконных блоков, м2·°C/ВтГрадусо-сутки отопительного периода, °C·сут/годБазовые значения требуемого сопротивления теплопередаче оконных и балконных блоков, м2·°C/ВтНормативный документ <1>, действующий на территории государства - участника Соглашения, принявшего настоящий стандарт
20000,49
40000,63
60000,73
80000,75
10 0000,77
12 0000,80
2 Звукоизоляция, дБА31 - 3328 - 3025 - 2722 - 2419 - 2116 - 18Нормативный документ <2>, действующий на территории государства - участника Соглашения, принявшего настоящий стандарт
3 Воздухопроницаемость при P = 100 Па, м3/(ч·м2)39172750-Нормативный документ <3>, действующий на территории государства - участника Соглашения, принявшего настоящий стандарт
4 Водопроницаемость при заданном давлении, Па600450300250200-Нормативный документ <4>, действующий на территории государства - участника Соглашения, принявшего настоящий стандарт
5 Сопротивление ветровой нагрузке, Па
Ветровая нагрузка, Па> 2000200016001200800400
Относительный прогиб< 1/300< 1/200< 1/150---

<1> В Российской Федерации - по таблице 3 СП 50.13330.2012 "23-02-2003 Тепловая защита зданий".

<2> В Российской Федерации - по пункту 9.6 СП 51.13330.2011 "СНиП 23-03-2003 Защита от шума" и таблице 2 СП 23-103-2003 "Проектирование звукоизоляции ограждающих конструкций жилых и общественных зданий".

<3> В Российской Федерации - по пункту 7.3 СП 50.13330.2012 "СНиП 23-02-2003 Тепловая защита зданий".

<4> В Российской Федерации - по приложению Б ГОСТ Р 56926-2016 "Конструкции оконные и балконные различного функционального назначения для жилых зданий. Общие технические условия".

Окончание таблицы А.1

Примечание - В проектной и сопроводительной документации на оконные и балконные блоки классов эксплуатационных характеристик, указанных в настоящей таблице, рекомендуется приводить также фактические значения каждой эксплуатационной характеристики изделий, определенные в ходе лабораторных испытаний или расчетными методами, регламентируемыми нормативными документами <1>, действующими на территории государства - участника Соглашения, принявшего настоящий стандарт.

<1> В Российской Федерации действует ГОСТ Р 56926-2016 "Конструкции оконные и балконные различного функционального назначения для жилых зданий. Общие технические условия".

Приложение Б
(рекомендуемое)

РЕКОМЕНДАЦИИ ПО ПРОЕКТИРОВАНИЮ ОКОННЫХ И БАЛКОННЫХ БЛОКОВ, БАЛКОННОГО ОСТЕКЛЕНИЯ

Б.1 Общие положения

Б.1.1 При проектировании оконных и балконных блоков необходимо комплексно учитывать следующие факторы и требования, определяемые нормативными документами в области строительства <1>, действующими на территории государства - участника Соглашения, принявшего настоящий стандарт:

- тип здания и требования к светопрозрачным конструкциям, содержащимся в нормативных документах <2>, действующих на территории государства - участника Соглашения, принявшего настоящий стандарт;

- климатические параметры района строительства согласно нормативным документам <3>, действующим на территории государства - участника Соглашения, принявшего настоящий стандарт;

- нагрузки и воздействия, действующие на светопрозрачные конструкции (ветровые, температурные, нагрузки от собственного веса, нагрузки от людей и др.) согласно нормативным документам <4>, действующим на территории государства - участника Соглашения, принявшего настоящий стандарт;

- эксплуатационные режимы помещений, включая требования к энергосбережению и тепловой защите, воздухообмену, звукоизоляции и т.д.;

- функциональные требования проекта, включая архитектурные требования (материал, цвет, способ открывания, тип светопрозрачного заполнения и т.д.);

- необходимость обеспечения безопасности при эксплуатации и чрезвычайных ситуациях;

- экономические аспекты (при необходимости).

<1> В Российской Федерации - согласно Федеральному закону от 30 декабря 2009 г. N 384-ФЗ "Технический регламент о безопасности зданий и сооружений".

<2> В Российской Федерации - согласно СП 54.13330.2016 "СНиП 31-01-2003 Здания жилые многоквартирные", СП 118.13330.2012 "СНиП 31-06-2009 Общественные здания и сооружения" и нормативным документам на проектирование зданий и сооружений.

<3> В Российской Федерации - в соответствии с СП 131.13330.2018 "СНиП 23-01-99* Строительная климатология".

<4> В Российской Федерации нагрузки и воздействия определяют по СП 20.13330.2016 "СНиП 2.01.07-85* Нагрузки и воздействия".

Б.1.2 Общие требования к проектированию оконных и балконных блоков, а также инженерные методы расчета их эксплуатационных и статических характеристик устанавливаются нормативными документами <5>, действующими на территории государства - участника Соглашения, принявшего настоящий стандарт.

<5> В Российской Федерации действует ГОСТ Р 56926-2016 "Конструкции оконные и балконные различного функционального назначения для жилых зданий. Общие технические условия".

Б.1.3 Оконные и балконные блоки должны быть спроектированы с учетом требований к показателям их энергосбережения и тепловой защиты согласно нормативным документам <6>, действующим на территории государства - участника Соглашения, принявшего настоящий стандарт, а также с учетом климатических условий применения согласно нормативным документам <7>, действующим на территории государства - участника Соглашения, принявшего настоящий стандарт.

<6> В Российской Федерации - в соответствии с СП 50.13330.2012 "СНиП 23-02-2003 Тепловая защита зданий".

<7> В Российской Федерации - в соответствии с СП 131.13330.2018 "СНиП 23-01-99* Строительная климатология".

Б.1.4 Оконные балконные блоки должны быть спроектированы с учетом требований к показателям их звукоизоляции согласно нормативным документам <8>, действующим на территории государства - участника Соглашения, принявшего настоящий стандарт.

<8> В Российской Федерации - в соответствии с СП 51.13330.2011 "СНиП 23-03-2003 Защита от шума".

Б.1.5 Назначение проектного решения оконных и балконных блоков необходимо выполнять с учетом требований нормативных документов <9> по обеспечению естественного освещения помещений, действующих на территории государства - участника Соглашения, принявшего настоящий стандарт. При выполнении расчета естественного освещения помещений необходимо учитывать общий коэффициент пропускания света оконными и балконными блоками; при расчете естественного освещения помещений, выходящих на остекленный балкон (лоджию), необходимо также учитывать общий коэффициент светопропускания балконного остекления.

<9> В Российской Федерации - в соответствии с требованиями ГОСТ Р 56926-2016 "Конструкции оконные и балконные различного функционального назначения для жилых зданий. Общие технические условия".

Б.1.6 Оконные и балконные блоки должны быть спроектированы таким образом, чтобы действующие на них нагрузки и воздействия (в т.ч. ветровые, температурные, нагрузки от собственного веса, нагрузки от людей и пр.), определенные согласно нормативным документам <1>, действующим на территории государства - участника Соглашения, принявшего настоящий стандарт, не приводили к прогибам и деформациям их конструктивных элементов сверх нормативных значений, а также к частичному или полному разрушению изделия. Значения предельных прогибов профильных элементов оконных и балконных блоков указываются в задании на проектирование и не должны превышать предельно допустимых значений по Б.2.1.

<1> В Российской Федерации - в соответствии с СП 20.13330.2016 "СНиП 2.01.07-85* Нагрузки и воздействия".

Б.1.7 Проектным решением оконных и балконных блоков должно быть предусмотрено обеспечение нормируемой согласно нормативным документам <2>, действующим на территории государства - участника Соглашения, принявшего настоящий стандарт, кратности воздухообмена в помещении посредством открывающихся элементов (створок), приточных оконных или стеновых клапанов и других устройств для обеспечения требуемых параметров микроклимата в помещении согласно ГОСТ 30494.

<2> В Российской Федерации - в соответствии с СП 60.13330.2016 "СНиП 41-01-2003 "Отопление, вентиляция и кондиционирование воздуха".

Б.1.8 При конструировании оконных и балконных блоков следует учитывать, что применение встроенных приточных клапанов (устройств) может приводить к снижению их акустических, светотехнических и теплотехнических характеристик.

Б.1.9 Габаритные размеры и конструктивное решение оконных и балконных блоков должны обеспечивать требования пожарной безопасности в соответствии с нормативными правовыми и нормативными документами <3>, действующими на территории государства - участника Соглашения, принявшего настоящий стандарт.

<3> В Российской Федерации - согласно требованиям Федерального закона от 22 июля 2008 г. N 123-ФЗ "Технический регламент о требованиях пожарной безопасности" и СП 2.13130.2012 "Системы противопожарной защиты. Обеспечение огнестойкости объектов защиты".

СП 2.13130.2012 отменен. Взамен него с 12.09.2020 введен в действие СП 2.13130.2020.

Б.1.10 Проектирование оконных и балконных блоков рекомендуется выполнять с использованием технологии информационного моделирования зданий. На стадии моделирования библиотечных элементов конструкций, применяемых в программных комплексах информационного моделирования, в них должна быть заложена информация о технических и эксплуатационных характеристиках изделий, используемая на каждом этапе жизненного цикла здания. Необходимый объем информации об изделиях определяется требованиями проекта и нормативных документов в области информационного моделирования зданий.

Б.1.11 Для обеспечения гарантийного и постгарантийного обслуживания, а также прогнозирования затрат на замену изделий при эксплуатации объекта в библиотечные элементы изделий рекомендуется включать дополнительную информацию об их комплектации (профильная система с описанием применяемых артикулов, марка фурнитуры, конструкция стеклопакета и пр.), проектные требования (классы и численные значения эксплуатационных характеристик), указания по проведению технического обслуживания и плановой замены.

Б.1.12 При проектировании оконных, балконных блоков и балконного остекления необходимо исходить не только из условий создания комфортных условий проживания, но и из обеспечения безопасной эксплуатации. К таким условиям относятся наличие систем безопасности в соответствии с разделом 6. В проекте должны быть установлены все конструктивные варианты открывания (перемещения) оконных, балконных блоков и балконного остекления в соответствии с 6.4. Варианты наличия глухих (неоткрывающихся) створок должны иметь обоснования. При этом должны быть установлены все возможные варианты безопасной промывки глухих (неоткрывающихся) створок.

Указанные мероприятия должны относиться также к установлению безопасности при эксплуатации оконных и балконных блоков в тех помещениях, где дети могут находиться без присмотра взрослых, в соответствии с 6.3.

Б.2 Требования к назначению и определению относительных прогибов и статических характеристик элементов оконных и балконных блоков

Б.2.1 Силовые элементы оконных и балконных блоков (вертикальные и горизонтальные импосты, штульпы, фасадные и угловые соединители и пр.) должны быть рассчитаны по величине предельного относительного прогиба на действие ветровой нагрузки, собственного веса заполнения, нагрузки от людей по прогибам с учетом требований нормативных документов <4>, действующих на территории государства - участника Соглашения, принявшего настоящий стандарт.

<4> В Российской Федерации ветровую нагрузку определяют по СП 20.13330.2016 "СНиП 2.01.07-85* Нагрузки и воздействия", а расчет по прогибам от действия ветровой нагрузки выполняют согласно требованиям ГОСТ Р 56926-2016 "Конструкции оконные и балконные различного функционального назначения для жилых зданий. Общие технические условия".

Расчет силовых элементов на действие собственного веса заполнения должен учитывать фактическую схему передачи нагрузок от светопрозрачного заполнения на профильные детали изделий, в т.ч. размеры и расположение несущих подкладок (см. рисунок 11).

Б.2.2 Несущая способность профильных деталей и комплектующих элементов оконных и балконных блоков, не подлежащих расчету согласно требованиям нормативных документов <1>, действующих на территории государства - участника Соглашения, принявшего настоящий стандарт, при действии эксплуатационных и климатических нагрузок (перепадов температур, солнечной радиации), должна быть обеспечена конструктивными решениями, рекомендованными системодателем.

<1> В Российской Федерации ветровую нагрузку определяют по СП 20.13330.2016 "СНиП 2.01.07-85* Нагрузки и воздействия", а расчет по прогибам от действия ветровой нагрузки выполняют согласно требованиям ГОСТ Р 56926-2016 "Конструкции оконные и балконные различного функционального назначения для жилых зданий. Общие технические условия".

Б.2.3 При назначении предельных относительных прогибов элементов оконных и балконных блоков рекомендуется руководствоваться положениями, приведенными в Б.2.3.1 - Б.2.3.4.

Б.2.3.1 Предельный относительный прогиб силовых профильных элементов оконных и балконных блоков в зависимости от их функционального назначения принимают равным:

а) для основных, шумозащитных, взломоусточивых оконных блоков при расчетной ветровой нагрузке:

- не выше 2000 Па - не более 1/200,

- свыше 2000 Па - не более 1/300;

б) для оконных блоков вспомогательных помещений - не более 1/150 независимо от значения расчетной ветровой нагрузки;

в) предельному относительному прогибу силовых профильных элементов в вертикальной плоскости, который не должен превышать нормативных значений предельного прогиба в горизонтальной плоскости.

Б.2.3.2 Предельный относительный прогиб стекол, входящих в состав стеклопакетов оконных и балконных блоков, не должен превышать предельных значений согласно нормативным документам <2>, действующим на территории государства - участника Соглашения, принявшего настоящий стандарт.

<2> В Российской Федерации - согласно требованиям ГОСТ Р 56926-2016 "Конструкции оконные и балконные различного функционального назначения для жилых зданий. Общие технические условия".

Б.2.3.3 Предельный относительный прогиб листового стекла в балконном остеклении не должен превышать предельных значений, установленных в нормативных документах на стекло, применяемое в качестве светопрозрачного заполнения изделия. При этом основным критерием расчета при назначении проектного решения стекла в конструкции балконного остекления является обеспечение прочности стекла при действии ветровых и эксплуатационных нагрузок.

Б.2.3.4 Фактический относительный прогиб силовых профильных элементов, светопрозрачного заполнения, а также профильных элементов створок оконных и балконных конструкций не должен превышать соответствующих им предельных значений Б.2.1 (см. рисунок Б.1).

- расчетная длина импоста оконного блока; - расчетная длина глухой части оконного блока; - расчетная длина открывающейся части оконного блока; - предельный относительный прогиб; - фактический относительный прогиб профильных элементов створки; - фактический относительный прогиб импоста; - фактический относительный прогиб стеклопакета

Рисунок Б.1 - Расчетные прогибы элементов оконного блока

Б.2.4 Допускается сохранение остаточных деформаций профильных элементов изделий после снятия нагрузки. При этом их значения не должны превышать предельно допустимых значений, приведенных в Б.2.3.1, и обеспечивать нормируемые показатели изделий по воздухо- и водопроницаемости, звукоизоляции и усилию для открывания и закрывания створчатых элементов.

Б.2.5 Фактический момент инерции силовых профильных элементов оконных и балконных блоков с вертикальными и горизонтальными импостами определяют без учета моментов инерции створчатых элементов изделий и принимают равным:

- для оконных блоков из ПВХ-профилей по ГОСТ 30674 - моменту инерции стального усилителя импоста без учета момента инерции ПВХ-профиля (а также декоративных элементов и накладок);

- оконных блоков из металлических и деревянных профилей - фактическому моменту инерции импоста (без учета декоративных элементов и накладок).

Б.2.6 При расчете угловых оконных блоков допускается учитывать совместную работу статического элемента углового усилителя и одной из примыкающих к нему оконных рам.

Б.2.7 Обоснование соблюдения проектных требований к оконным и балконным блокам в части обеспечения восприятия ветровой нагрузки допускается проводить в ходе лабораторных испытаний согласно ГОСТ 26602.5 в испытательном центре, допущенном к проведению таких испытаний в порядке, установленном действующим законодательством государства - участника Соглашения, принявшего настоящий стандарт.

Критерием обоснования и проведения успешных испытаний при этом является соблюдение предельных прогибов силовых элементов оконных и балконных блоков при действии проектного значения ветровой нагрузки, а также сохранение работоспособности изделия после циклических испытаний на ветровую нагрузку, регламентированных ГОСТ 26602.5 (или иными нормативными документами, действующими на территории государства - участника Соглашения, принявшего настоящий стандарт).

При этом результаты испытаний могут быть распространены только на оконные и балконные блоки полностью идентичной комплектации (типа профиля, светопрозрачное заполнение, фурнитура) и габаритных размеров, не превышающих испытанные образцы (как по ширине, так и по высоте).

Приложение В
(рекомендуемое)

ТРЕБОВАНИЯ К СОДЕРЖАНИЮ СИСТЕМНОГО ПАСПОРТА

В.1 Требования к наличию системного паспорта являются рекомендуемыми и применяются по мере готовности предприятий - изготовителей систем профилей и фурнитуры к его применению. При подготовке к применению системного паспорта в его состав могут быть внесены изменения в соответствии с техническими и технологическими особенностями производства.

В.2 В системный паспорт рекомендуется включать:

- описание системы профилей, включающее в себя обзор технических характеристик профилей, входящих в систему;

- обзор результатов испытаний (протоколов) отдельных изделий, выполненных на основе системы профилей;

- результаты основных и дополнительных испытаний изделий определенных типоразмеров;

- особые указания по применению изделий с учетом климатического района применения;

- установленный системодателем порядок передачи результатов первичных испытаний предприятиям - изготовителям изделий (принцип "каскадные испытания").

В.3 При формировании требований к проведению основных испытаний необходимо исходить из требований, установленных в стандартах на изделия в части их эксплуатационных характеристик и предъявляемых к ним требований. При этом рекомендуется при составлении программы испытаний исходить из требований, учитывающих такие особенности профилей, как цвет профиля, содержание вторичного сырья и т.д.

К таким испытаниям относятся испытания по определению:

- основных эксплуатационных характеристик (сопротивление теплопередаче, воздухо- и водопроницаемость);

- сопротивления ветровой нагрузке;

- стойкости к механическим нагрузкам, включая прочность и эксплуатационные характеристики;

- долговечности.

В.4 При формировании требований к проведению дополнительных испытаний необходимо руководствоваться требованиями к функциональному назначению изделий и рекомендациями по применению, установленными системодателем.

К такому типу испытаний могут относиться:

- определение защитных свойств, включая взломоустойчивость по ГОСТ 31462;

- пулестойкость в соответствии с требованиями нормативных документов <1>, действующих на территории государства - участника Соглашения, принявшего настоящий стандарт;

- стойкость при пожаре и дымообразующая способность - по нормативным документам;

- требования к инсоляции - по нормативным документам;

- требования к солнцезащите - по нормативным документам;

- требования к несущей способности и формоустойчивости - по нормативным документам.

<1> В Российской Федерации действует ГОСТ Р 51242-98 "Конструкции защитные механические и электромеханические для дверных и оконных проемов. Технические требования и методы испытаний на устойчивость к разрушающим воздействиям".

В.5 Наличие системного паспорта освобождает переработчиков профилей от проведения первичных (квалификационных) испытаний изделий, выполняемых на основе определенной, прошедшей полный комплекс испытаний системы профилей. Тем самым удешевляется и упрощается процедура первичных испытаний для предприятий-изготовителей и внедрения новых изделий в производство.

Примечание - Дальнейшее проведение периодических испытаний, испытаний для целей оценки соответствия и других типов испытаний переработчики профилей проводят в установленном порядке.

В.6 Вопрос предоставления системного паспорта предприятиям - изготовителям изделий решает системодатель на основе анализа данных о стабильности производства и выполнения условий лицензионного договора между системодателем и переработчиком.

Приложение Г
(обязательное)

ПРИМЕРЫ ИЗДЕЛИЙ ДЛЯ ОБЕСПЕЧЕНИЯ БЕЗОПАСНОЙ ЭКСПЛУАТАЦИИ И ОБСЛУЖИВАНИЯ ОКОННЫХ БЛОКОВ

Рисунок Г.1 - Кинематическая схема нижней петли, обеспечивающей зазор между створкой и рамой во всем диапазоне угла открывания во избежание защемления пальцев руки

Рисунок Г.2 - Знаки опасности для противомоскитных сеток (пример)

Рисунок Г.3 - Детский замок безопасности для алюминиевых конструкций

1 - прокладки корпуса; 2 - корпус блокиратора поворота; 3 - ключ; 4 - замок (открывается только ключом); 5 - направляющий уголок; 6 - прокладки направляющего уголка

Рисунок Г.4 - Детские замки безопасности для конструкций из ПВХ-профилей без замочного цилиндра (а) и с замочным цилиндром (б)

а - механическое фиксирующее устройство; б - распашной оконный блок с механическим фиксирующим устройством; в - схема установки механического фиксирующего устройства в оконном блоке

Рисунок Г.5 - Пример механического фиксирующего устройства распашного открывания створки

а - механическое фиксирующее (блокирующее) устройство; б - распашной оконный блок с механическим фиксирующим (блокирующим) устройством

Рисунок Г.6 - Пример механического фиксирующего устройства, блокирующего распашное открывание створки

Рисунок Г.7 - Детский замок безопасности с функцией блокировки поворота створки в виде гибкого троса

Рисунок Г.8 - Пример блокиратора поворота в виде жесткой планки, устанавливаемого на створку и раму (импост)

1 - поворотная пластина; 2 - основание; 3 - замочная скважина замка безопасности; 4 - подвижная плата с замком

Рисунок Г.9 - Пример накладного блокиратора (ограничителя) открывания с применением детского замка безопасности (см. 6.3.2)

Рисунок Г.10 - Оконная ручка со встроеннымт цилиндровым механизмом

а - положение ручки при откидном и распашном открывании створки; б - положение ключа и ручки при закрытой створке (0°), при откидном открывании створки (90°), при распашном открывании створки (180°); в - оконная ручка с цилиндровым механизмом

Рисунок Г.11 - Оконная ручка с цилиндровым механизмом, управляющая и фиксирующая положение створки для алюминиевых конструкций

а - съемная ручка с защелкивающимся механизмом; б - механизм защелкивания с ответной планкой; в - место захода защелкивающегося механизма

Рисунок Г.12 - Съемная ручка с защелкивающимся механизмом для алюминиевых конструкций

1 - накладка под оконную ручку; 2 - блокировочные пластины

Рисунок Г.13 - Накладки под оконные ручки с блокировочными пластинами

1 - фрамужная створка; 2 - механизм открывания фрамужной створки; 3 - трос; 4 - рычаг управления (ручка)

Рисунок Г.14 - Фрамужный механизм с применением механических рычагов управления

1 - фрамужный механизм открывания; 2 - центральная ручка

Рисунок Г.15 - Пример установки фрамужного механизма открывания, работающего от центральной ручки

Приложение Д
(рекомендуемое)

ФОРМА ПАСПОРТА ОКОННОГО БЛОКА

(наименование предприятия-изготовителя)
   
(адрес, телефон, факс предприятия-изготовителя)
   
ПАСПОРТ
   
(документ о качестве)
Оконный блок 
(условное обозначение изделия)
Подтверждение соответствия продукции 
(регистрационный номер документа)
Класс изделия (подтвержденное значение показателя):
а) приведенное сопротивление теплопередаче, м2·°C/Вт
б) воздухопроницаемость, Па, класс
в) водонепроницаемость, Па, класс
г) звукоизоляция, дБА, класс
д) общий коэффициент пропускания света, класс
е) сопротивление ветровой нагрузке, класс
Технические характеристики:
а) вид материала, влажность древесины
б) вид защитно-декоративного покрытия (номер образца-эталона)
в) тип стеклопакета
г) тип, марка оконной фурнитуры
В комплект поставки изделия входят:
- стеклопакеты, шт.
- оконные ручки, шт.
- инструкция по эксплуатации и пр.
Гарантийный срок службы (лет)
Номер партии (заказа)
Количество изделий в партии (шт., м2)
Дата отгрузки "____" ____________ 20__ г.
Приемщик ОТК  
(подпись) 
М. П.

Примечание - При выполнении работ на строительном объекте в случае установки в одной квартире оконных и балконных блоков одинакового класса и одинаковых технических характеристик допускается заполнять один паспорт на все изделия.

Приложение Е
(справочное)

ВЗАИМОСВЯЗЬ МЕЖДУ ЭКСПЛУАТАЦИОННО-ТЕХНИЧЕСКИМИ ХАРАКТЕРИСТИКАМИ И СОСТАВНЫМИ ЭЛЕМЕНТАМИ ОКОННЫХ БЛОКОВ

Таблица Е.1 предназначена для определения необходимости проведения повторных испытаний оконных блоков в случае замены их составных элементов на аналоги.

В таблице Е.1 приведены сведения о взаимосвязи изменения эксплуатационно-технических характеристик оконных блоков с заменой их составных элементов.

Таблица Е.1

Взаимосвязь изменения эксплуатационно-технических характеристик оконных блоков с заменой их составных элементов

Эксплуатационно-техническая характеристикаСоставной элемент оконного блока
Фурнитура <1>Уплотнители <2>Профильная системаСветопрозрачное заполнение <5>
Материал <3>Профиль <4>
1 Приведенное сопротивление теплопередачеН(В)(В)ВВ
2 Воздухопроницаемость(В)В(В)ВН
3 Водопроницаемость(В)В(В)ВН
4 ЗвукоизоляцияН(В)(В)ВВ
5 Общий коэффициент пропускания светаНН(В)ВВ
6 Сопротивление ветровой нагрузке(В)(В)ВВВ
7 Сопротивление статическим нагрузкамВН(В)В(В)
8 Безотказность (надежность)В(В)(В)(В)Н
9 Соответствие эргономическим требованиямВВ(В)(В)(В)
10 Прочность угловых соединенийННВВН
11 Стойкость к взломуВНВВВ
12 ДолговечностьВ(В)(В)(В)(В)
<1> При необходимости замены элементов фурнитуры на аналоги проводят сравнение их нормируемых показателей по ГОСТ 30777 с показателями первоначально примененных элементов фурнитуры. В случае их соответствия повторные испытания не требуются.
<2> Количество, материал.
<3> Модуль упругости, теплопроводность, плотность.
<4> Площадь и форма поперечного сечения, взаимное положение профилей, положение технологических отверстий.
<5> Тип, масса, покрытие, тип газовой смеси в межстекольном пространстве, материал дистанционной рамки, ширина дистанционной рамки.

Примечание - В настоящей таблице использованы следующие условные обозначения:
В - замена составного элемента оконного блока ведет к изменению его технико-эксплуатационной характеристики;
(В) - замена составного элемента оконного блока, возможно, ведет к изменению его технико-эксплуатационной характеристики;
Н - замена составного элемента оконного блока не ведет к изменению его технико-эксплуатационной характеристики.