Поправка к ГОСТ 8269.0-97 щебень и гравий из плотных горных пород и отходов промышленного производства для строительных работ. Методы физико-механических испытаний

(утв. Росстандартом)
Редакция от 10.10.2003 — Действует с 10.10.2003

ПОПРАВКА К ГОСТ 8269.0-97
ЩЕБЕНЬ И ГРАВИЙ ИЗ ПЛОТНЫХ ГОРНЫХ ПОРОД И ОТХОДОВ ПРОМЫШЛЕННОГО ПРОИЗВОДСТВА ДЛЯ СТРОИТЕЛЬНЫХ РАБОТ. МЕТОДЫ ФИЗИКО-МЕХАНИЧЕСКИХ ИСПЫТАНИЙ

В каком месте Напечатано Должно быть
Пункт 4.5.2.1
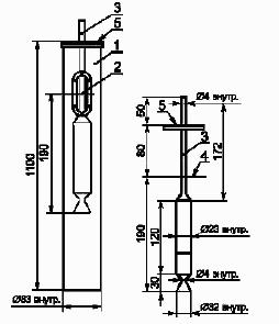
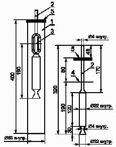
Рисунок 2
  1 - цилиндр; 2 - метка на цилиндре 1000 см3; 3 - пипетка; 4 - уровень суспензии в цилиндре; 5 - опорная крышка пипетки
Рисунок 2 - Металлический цилиндр и мерная пипетка
1 - цилиндр; 2 - пипетка; 3 - метка на цилиндре (1000 мл); 4 - уровень суспензии в цилиндре; 5 - опорная крышка пипетки
Рисунок 2 - Металлический цилиндр и мерная пипетка