Машины электрические вращающиеся. Обозначения выводов и направление вращения. ГОСТ 26772-85 (ст СЭВ 3170-81)

(утв. Постановлением Госстандарта СССР от 20.12.85 N 4443)
Редакция от 12.10.1988 — Действует с 01.01.1989

ГОСУДАРСТВЕННЫЙ СТАНДАРТ СОЮЗА ССР

МАШИНЫ ЭЛЕКТРИЧЕСКИЕ ВРАЩАЮЩИЕСЯ

ОБОЗНАЧЕНИЯ ВЫВОДОВ И НАПРАВЛЕНИЕ ВРАЩЕНИЯ

ROTATING ELECTRICAL MACHINES. TERMINAL MARKINGS AND DIRECTION OF ROTATION

ГОСТ 26772-85 (СТ СЭВ 3170-81)

(в ред. Изменения N 1, утв. Постановлением Госстандарта СССР от 13.10.88 N 3439)

Дата введения 1987-01-01

ВВЕДЕНЫ В ДЕЙСТВИЕ Постановлением Государственного комитета СССР по стандартам от 20 декабря 1985 г. N 4443

ВЗАМЕН ГОСТ 183-74 в части пп. 5.1 - 5.9

ВНЕСЕНО Изменение N 1, утвержденное и введенное в действие Постановлением Государственного комитета СССР по стандартам от 13.10.88 N 3439 с 01.01.89

Настоящий стандарт распространяется на все виды электрических машин постоянного и переменного тока и устанавливает обозначение выводов их обмоток.

Обозначения выводов буквами латинского алфавита распространяются только на вновь разрабатываемые машины.

Обозначения выводов буквами русского алфавита распространяются только на ранее разработанные и модернизированные машины.

Стандарт полностью соответствует СТ СЭВ 3170-81 и публикации МЭК 34-8, 1977 г.

Допускается стандарт не распространять на электрические машины, подключение которых к системам питания и управления осуществляется с помощью штепсельного разъема. (в ред. Изменения N 1, утв. Постановлением Госстандарта СССР от 13.10.88 N 3439)

1. ОБЩИЕ ТРЕБОВАНИЯ

1.1. Вновь разрабатываемые машины

1.1.1. Выводы обмоток следует обозначать прописными буквами латинского алфавита (например: U, V, W).

1.1.2. Конечные выводы обмоток следует обозначать цифрами "1" и "2" после букв (например: U1, U2), а промежуточные выводы - последующими цифрами (например: D3, D4).

1.1.3. Выводы обмоток, имеющие одинаковые буквенные обозначения, следует обозначать дополнительной цифрой, стоящей впереди букв (например: 1U, 2U).

1.1.3а. Буквы для обозначения обмоток постоянного тока берутся из первой части алфавита, а буквы для обозначения обмоток переменного тока - из второй части алфавита. (в ред. Изменения N 1, утв. Постановлением Госстандарта СССР от 13.10.88 N 3439)

1.1.4. При применении обозначений, устанавливаемых настоящим стандартом для внутренних присоединительных выводов, их следует указывать в скобках.

1.2. Ранее разработанные и модернизируемые машины

1.2.1. В электрических машинах постоянного тока начало и конец каждой обмотки должны обозначаться одной и той же прописной буквой русского алфавита со следующими цифрами: 1 - начало, 2 - конец.

Если в машине имеется несколько обмоток одного наименования, то их начала и концы после буквенных обозначений должны иметь цифровые обозначения: 1-2, 3-4, 5-6 и т.д.

Концы обмоток, соединенные между собой внутри электрической машины и не выведенные наружу, не обозначают.

1.2.2. В машинах переменного тока выводы обмоток должны обозначаться:

обмотки статора (якоря) синхронных и асинхронных машин - буквой С;

обмотки ротора асинхронных машин - буквой Р;

обмотки возбуждения (индуктора) синхронных машин - буквой И;

вывод от части фазы машин, работающих одновременно при двух напряжениях, - буквой В;

начало и концы обмоток и соответствующие им фазы и нулевая точка (независимо от того, заземлена она или нет) - цифрами.

1.2.3. Выводы составных и секционированных обмоток статоров машин переметного тока обозначают теми же буквами, что и простые обмотки, но с дополнительными цифрами впереди букв.

1.2.4. Выводы секционированных обмоток многоскоростных асинхронных двигателей, позволяющих изменить число полюсов, обозначают теми же буквами, что и простые обмотки, но с дополнительными цифрами впереди букв, указывающими число полюсов данной секции.

1.2.4a. Нанесение обозначений на концы обмоток и на выводы производится непосредственно на концах обмоток, на выводах, на кабельных наконечниках, на шинных концах или на специальных обжимах, плотно закрепленных на проводах или на клеммной колодке рядом с выводами. Навеска бирок не допускается. (в ред. Изменения N 1, утв. Постановлением Госстандарта СССР от 13.10.88 N 3439)

1.2.5. Обозначения выводов обмоток машин, не предусмотренных настоящим стандартом, должны быть установлены в стандартах и технических условиях на конкретные типы (виды) машин.

2. ОБОЗНАЧЕНИЯ ВЫВОДОВ

2.1. Обмотки электрических машин постоянного тока

2.1.1. Вновь разрабатываемые машины

2.1.1.1. Выводы обмоток электрических машин постоянного тока следует обозначать в соответствии с табл. 1.

Таблица 1

Наименование обмотки Обозначение вывода
Начало Конец
Обмотка якоря А1 А2
Обмотка добавочного полюса В1 В2
Двухсекционная обмотка добавочного полюса (присоединенная к якорю с обеих сторон) с четырьмя выводами 1В1 1В2
2В1 2В2
Обмотка компенсационная С1 С2
Обмотка компенсационная, двухсекционная (присоединенная к якорю с обеих сторон) с четырьмя выводами 1С1 1С2
2С1 2С2
Обмотка последовательного возбуждения D1 D2
Обмотка параллельного возбуждения Е1 Е2
Обмотка независимого возбуждения F1 F2
Обмотка независимого возбуждения с четырьмя выводами для последовательного и параллельного включения F1 F2
F5 F6
Вспомогательная обмотка по продольной оси H1 Н2
Вспомогательная обмотка по поперечной оси J1 J2

Примечания:

1. Если обмотка добавочных полюсов и компенсационная обмотка взаимосвязаны, то для обозначения выводов следует применять букву С.

2. Послебуквенные обозначения выводов обмоток возбуждения, работающих по одной в той же оси, выполняют так, чтобы при протекании токов от зажимов с меньшим номером к зажимам с большим номером магнитные поля совпадали по направлению.

2.1.2. Ранее разработанные и модернизируемые машины

2.1.2.1. Выводы обмоток электрических машин постоянного тока следует обозначать в соответствии с табл. 2.

Таблица 2

Наименование обмотки Начало Конец
Обмотка якоря Я1 Я2
Компенсационная обмотка К1 К2
Обмотка добавочных полюсов Д1 Д2
Последовательная обмотка возбуждения С1 С2
Независимая обмотка возбуждения Н1 Н2
Параллельная обмотка возбуждения Ш1 Ш2
Пусковая обмотка П1 П2
Уравнительный провод и уравнительная обмотка У1 У2
Обмотка особого назначения О1, О3 О2, О4

Примечание. Обозначения выводов должны выполняться так, чтобы при правом вращении в режиме двигателя ток во всех обмотках (за исключением размагничивающих обмоток на главных полюсах) протекал в направлении от начала 1 к концу 2.

2.2. Обмотки трехфазных машин переменного тока

2.2.1. Вновь разрабатываемые машины

2.2.1.1. Выводы первичных обмоток трехфазных машин следует обозначать в соответствии с табл. 3.

Таблица 3

Схема соединения обмотки Число выводов Наименование фазы и вывода Обозначение вывода
Начало Конец
Открытая схема 6 Первая фаза U1 U2
Вторая фаза V1 V2
Третья фаза W1 W2
Соединение в звезду 3 или 4 Первая фаза U
Вторая фаза V
Третья фаза W
Точка звезды N
Соединение в треугольник 3 Первый вывод U
Второй вывод V
Третий вывод W
Секционированная обмотка 12 Первая фаза U1 U2
Выводы от первой фазы U3 U4
Вторая фаза V1 V2
Выводы от второй фазы V3 V4
Третья фаза W1 W2
Выводы от третьей фазы W3 W4
Расщепленные обмотки, предназначенные для последовательного или параллельного включения - Первая фаза U1 U2
U5 U6
Вторая фаза V1 V2
V5 V6
Третья фаза W1 W2
W5 W6
Раздельные обмотки, не предназначенные для последовательного или параллельного включения - Первая фаза 1U1 1U2
2U1 2U2
Вторая фаза 1V1 1V2
2V1 2V2
Третья фаза 1W1 1W2
2W1 2W2
Обмотки многоскоростных двигателей
Закрытая схема
6 Выводы первой фазы 1U-2N 2U
Выводы второй фазы 1V-2N 2V
Выводы третьей фазы 1W-2N 2W
9 Выводы первой фазы 1U-3N 2U; 3U
Выводы второй фазы 1V-3N 2V; 3V
Выводы третьей фазы 1W-3N 2W; 3W
12 Выводы первой фазы 1U-2N 2U
3U-4N 4U
Выводы второй фазы 1V-2N 2V
3V-4N 4V
Выводы третьей фазы 1W-2N 2W
3W-4N 4W

Примечания:

1. В обозначениях раздельных обмоток двигателей, переключаемых на разное число полюсов, меньшая (большая) цифра, стоящая перед буквенным обозначением обмотки, соответствует меньшей (большей) частоте вращения.

2. Двойное обозначение (например: 1U-2N; 1U-3N и др.) применяются для выводов, которые при одной частоте вращения присоединяются к сети, а при другой частоте вращения замыкаются накоротко между собой. Если на доске выводов нет достаточного места для двойного обозначения, допускается не указывать вторую половину двойного обозначения с обязательным приложением к машине схемы соединений.

3. В чертежах электрических схем соединения с шестью выводными концами (в рисунках на свободном поле схемы) допускается применение двойных обозначений (U1W2; V1U2; W1V2) при соединении фаз в треугольник; обозначений U1; V1; W1 начал фаз и тройного обозначения (U2; V2; W2) точки звезды при соединении фаз в звезду.

2.2.1.2. Выводы вторичных обмоток трехфазных асинхронных двигателей с фазным ротором и обмоток возбуждения синхронных машин следует обозначать в соответствии с табл.4.

Таблица 4

Наименование или схема соединения обмотки Число выводов Наименование фазы и вывода Обозначение вывода
Начало Конец
Вторичная обмотка (открытая) 6 Первая фаза K1 K2
Вторая фаза L1 L2
Третья фаза M1 М2
Соединение в звезду 3 или 4 Первая фаза K
Вторая фаза L
Третья фаза М
Точка звезды Q
Соединение в треугольник 3 Первый вывод K
Второй вывод L
Третий вывод М
Обмотка возбуждения синхронных машин 2 - F1 F2

2.2.2. Ранее разработанные и модернизируемые машины

2.2.2.1. Выводы несекционированных обмоток трехфазных машин и обозначения выводов обмоток возбуждения синхронных машин следует обозначать в соответствии с табл. 5.

Таблица 5

Наименование или схема соединения обмотки Число выводов Наименование фазы и вывода Обозначение вывода
Начало Конец
А. Обмотки статора (якоря) открытая схема 6 Первая фаза С1 С4
Вторая фаза С2 С5
Третья фаза С3 С6
Соединение звездой 3 или 4 Первая фаза С1
Вторая фаза С2
Третья фаза С3
Нулевая точка 0
Соединение треугольником 3 Первый вывод С1
Второй вывод С2
Третий вывод С3
Б. Обмотки возбуждения (индукторов) синхронных машин 2 - И1 И2

Примечания:

1. Для генераторов, предназначенных для одного определенного направления вращения, обозначения выводов должны соответствовать порядку следования для заданного напряжения, а для двигателей обозначения выводов должны быть выполнены таким образом, чтобы при подключении к ним одноименных фаз сети ротор вращался в заданном направлении.

2. В чертежах электрических схем соединения обмоток с 6 выводными концами (в рисунках на свободном поле схемы) допускается применение: двойных обозначений (С1С5; С2С4; С3С5) при соединении фаз в треугольник; тройного обозначения (С4С5С6) точки звезды при соединении фаз в звезду.

2.2.2.2. Выводы составных и секционированных обмоток статоров машин следует обозначать теми же буквами, что и простые обмотки (табл. 5), но с дополнительными цифрами впереди букв в соответствии с табл. 6.

Таблица 6

Наименование обмотки Наименование фазы Обозначение вывода
Начало Конец
Первая обмотка Первая фаза 1С1 1С4
Вторая фаза 1С2 1С5
Третья фаза 1С3 1С6
Вторая обмотка Первая фаза 2С1 2С4
Вторая фаза 2С2 2С5
Третья фаза 2С3 2С6

2.2.2.3. Выводы секционированных обмоток многоскоростных асинхронных двигателей, позволяющих изменять число полюсов, следует обозначать теми же буквами, что и простые обмотки, но с дополнительными цифрами впереди букв, указывающими число полюсов данной секции и фазу в соответствии с табл. 7.

Таблица 7

Наименование фазы Обозначение вывода при числе полюсов
4 6 8 12
Первая фаза 4С1 6С1 8С1 12С1
Вторая фаза 4С2 6С2 8С2 12С2
Третья фаза 4С3 6С3 8С3 12С3

2.2.2.4. Выводы обмоток ротора асинхронных машин следует обозначать в соответствии с табл. 8.

Таблица 8

Число выводов на контактных кольцах Наименование фазы Обозначение вывода
3 Первая фаза Р1
Вторая фаза Р2
Третья фаза Р3
4 Первая фаза Р1
Вторая фаза Р2
Третья фаза Р3
Нулевая точка 0

Примечание. Контактные кольца роторов асинхронных двигателей обозначают так же, как присоединенные к ним выводы обмотки ротора; при этом расположение колец должно быть в порядке цифр, указанных в табл.8, а кольцо 1 должно быть наиболее удаленным от обмотки ротора. Обозначение самих колец буквами необязательно.

2.3. Обмотки двухфазных машин переменного тока (для вновь разрабатываемых машин)

2.3.1. Обозначения выводов обмоток двухфазных машин переменного тока образуются из обозначений выводов трехфазных машин, исключая буквы W и М.

2.4. Обмотки однофазных машин переменного тока

2.4.1. Вновь разрабатываемые машины

2.4.1.1. Выводы обмоток однофазных машин следует обозначать в соответствии с табл. 9.

Таблица 9

Наименование обмотки Обозначение вывода
Начало Конец
Обмотка статора    
а) главная обмотка U1 U2
б) вспомогательная обмотка Z1 Z2
Выводы для реле частоты вращения R1 R2
Дополнительные выводы (конденсатор, разъединитель и др.) X1 Х2

2.4.2. Ранее разработанные и модернизируемые машины

2.4.2.1. Выводы обмоток однофазных машин следует обозначать в соответствии с табл. 10.

Таблица 10

Наименование обмотки Число выводов Обозначение вывода
Начало Конец
Обмотка статора (якоря) синхронных машин 2 C1 C2
Обмотка статора асинхронных двигателей:      
главная обмотка 2 C1 C2
вспомогательная обмотка 2 B1 B2
обмотка возбуждения (индуктора) синхронных машин 2 И1 И2

2.5. Обмотки машин малой мощности (для разрабатываемых, вновь разрабатываемых и модернизируемых машин)

2.5.1. Для машин, где буквенное обозначение применять затруднительно, допускается обозначение выводов цветовым кодом (проводами с разноцветной изоляцией, краской и пр.). (в ред. Изменения N 1, утв. Постановлением Госстандарта СССР от 13.10.88 N 3439)

2.5.2. Выводы обмоток машин следует обозначать: для трехфазных - в соответствии с табл. 11; для однофазных двигателей - в соответствии с табл. 12; для коллекторных двигателей постоянного и переменного тока - в соответствии с табл. 13; для асинхронных управляемых двигателей - в соответствии с табл. 14; для шаговых двигателей - в соответствии с табл. 15. (в ред. Изменения N 1, утв. Постановлением Госстандарта СССР от 13.10.88 N 3439)

Таблица 11

(в ред. Изменения N 1, утв. Постановлением Госстандарта СССР от 13.10.88 N 3439)

Схема соединения обмотки Число выводов Наименование фазы и вывода Цветовой код вывода
Начало Конец
Открытая схема 6 Первая фаза Желтый Желтый с черным
Вторая фаза Зеленый Зеленый с черным
Третья фаза Красный Красный с черным
Звезда 3 или 4 Первая фаза Желтый -
Вторая фаза Зеленый -
Третья фаза Красный -
Нулевая точка Черный -
Треугольник 3 Первый вывод Желтый -
Второй вывод Зеленый -
Третий вывод Красный -

Таблица 12

(в ред. Изменения N 1, утв. Постановлением Госстандарта СССР от 13.10.88 N 3439)

Число выводов Наименование обмотки Цветовой код вывода
Начало Конец
4 Главная обмотка Красный Красный с черным
Вспомогательная обмотка Синий Синий с черным
3 Главная обмотка Красный -
Вспомогательная обмотка Синий -
Общая точка Черный -

Таблица 13

(в ред. Изменения N 1, утв. Постановлением Госстандарта СССР от 13.10.88 N 3439)

Наименование обмотки Цветовой код вывода
Начало Конец Дополнительный вывод
Обмотка якоря Белый Белый с черным -
Последовательная обмотка возбуждения Красный Красный с черным Красный с желтым
Вторая группа катушек последовательной обмотки возбуждения (при наличии двух групп или двух отдельных катушек) Синий Синий с черным Синий с желтым
Параллельная обмотка возбуждения Зеленый Зеленый с черным -
Вторая группа катушек параллельной обмотки возбуждения (при наличии двух групп или двух отдельных катушек) Желтый Желтый с черным -

Таблица 14

(в ред. Изменения N 1, утв. Постановлением Госстандарта СССР от 13.10.88 N 3439)

Наименование обмотки Обозначение вывода
Буквенно-цифровой код Цифровой код Цветовой код
Возбуждения B1, B2 1, 2 Красный, синий
Управления У1, У2 3, 4 Белый, черный
У3, У4 5, 6 То же

Таблица 15

(в ред. Изменения N 1, утв. Постановлением Госстандарта СССР от 13.10.88 N 3439)

Наименование обмотки Обозначение вывода
Буквенно-цифровой код Цифровой код Цветовой код
Возбуждения B1, B2 1, 2 Красный, синий
Управления У1, У2 3, 4 Белый, черный
У3, У4 5, 6 То же
Общие точки О1, О2 - -

2.5.3. Выводы обмоток информационных машин следует обозначать: для тахогенераторов постоянного тока с электромагнитным возбуждением - в соответствии с табл. 16; для тахогенераторов с возбуждением от постоянных магнитов - "+" и "-" для правого направления вращения; для асинхронных тахогенераторов - в соответствии с табл. 17; для сельсинов - в соответствии с табл. 18; для вращающихся трансформаторов - в соответствии с табл. 19. (в ред. Изменения N 1, утв. Постановлением Госстандарта СССР от 13.10.88 N 3439)

Таблица 16

(в ред. Изменения N 1, утв. Постановлением Госстандарта СССР от 13.10.88 N 3439)

Наименование обмотки Обозначение вывода
Буквенно-цифровой код Цифровой код Цветовой код
Возбуждения при подаче на вывод +В1 напряжения положительной полярности +В1, B2 1, 2 Красный, синий
Генераторная с положительной полярностью выходного напряжения на вывод +Г1 при правом вращении ротора +Г1, Г2 3, 4 Белый, черный

Таблица 17

(в ред. Изменения N 1, утв. Постановлением Госстандарта СССР от 13.10.88 N 3439)

Наименование обмотки Обозначение вывода
Буквенно-цифровой код Цифровой код Цветовой код
Возбуждения B1, B2 1, 2 Красный, синий
Генераторная Г1, Г2 3, 4 Белый, черный

Таблица 18

(в ред. Изменения N 1, утв. Постановлением Госстандарта СССР от 13.10.88 N 3439)

Наименование обмотки Обозначение вывода
Буквенно-цифровой код Цифровой код Цветовой код
Возбуждения СД и СПИ B1, B2 1, 2 Красный, синий
Управления СПТ B1, B2 1, 2 То же
Синхронизация СД, СПИ, СПТ и на статоре СДД и СПДИ C1, C2, С3 3, 4, 5 Желтый, зеленый, фиолетовый
Синхронизация на роторе СДД и СПДИ С4, С5, С6 6, 7, 8 Белый, голубой, розовый

Таблица 19

(в ред. Изменения N 1, утв. Постановлением Госстандарта СССР от 13.10.88 N 3439)

Наименование обмотки Обозначение вывода
Буквенно-цифровой код Цифровой код Цветовой код
Возбуждения B1, B2 1, 2 Красный, синий
Квадратурная В3, В4 3, 4 Коричневый, черный
Синусная C1, C2 5, 6 Белый, голубой
Косинусная K1, K2 7, 8 Желтый, зеленый
Линейная Л1, Л2 7, 8 Желтый, зеленый, фиолетовый
Дополнительная возбуждения Д1, Д2 9, 10 Оранжевый
Дополнительная квадратурная Д3, Д4 11, 12 Серый, розовый

Таблица 20

(в ред. Изменения N 1, утв. Постановлением Госстандарта СССР от 13.10.88 N 3439)

Наименование обмотки Обозначение вывода
Буквенно-цифровой код Цифровой код Цветовой код
Возбуждения B1, B2 1, 2 Красный, синий
Квадратурная В3, В4 3, 4 Коричневый, черный
Синусная С1, C2 5, 6 Белый, голубой
Косинусная K1, K2 7, 8 Желтый, зеленый

Таблица 21

(в ред. Изменения N 1, утв. Постановлением Госстандарта СССР от 13.10.88 N 3439)

Обмотка генератора Обозначение вывода
Буквенно-цифровой код Цифровой код Цветовой код
Первая обмотка А1, А2 1, 2 Желтый, желтый с черным
Вторая обмотка B1, B2 3, 4 Зеленый, зеленый с черным

Таблица 22

(в ред. Изменения N 1, утв. Постановлением Госстандарта СССР от 13.10.88 N 3439)

Наименование обмотки Обозначение вывода
Буквенно-цифровой код Цифровой код Цветовой код
Возбуждения B1, B2 1, 2 Красный, синий
Линейная Л1, Л2 3, 4 Желтый, зеленый
Дополнительная линейная Д1, Д2 5, 6 Белый, коричневый

2.5.4. В табл. 14 - 21 буквенные обозначения с нечетными цифрами, нечетные цифры и цветовые обозначения, указанные первыми, должны соответствовать началу обмоток. (в ред. Изменения N 1, утв. Постановлением Госстандарта СССР от 13.10.88 N 3439)

2.6. Температурная защита для вновь разрабатываемых машин

2.6.1. Выводы термодатчиков, которые реагируют только на температуру, следует обозначать буквой Т: начало Т1 и конец Т2.

2.6.2. Выводы термодатчиков, которые реагируют на температуру и ток, следует обозначать буквой Р: начало Р1, конец Р2.

3. ОПРЕДЕЛЕНИЕ НАПРАВЛЕНИЯ ВРАЩЕНИЯ

3.1. Правым направлением следует считать вращение по направлению вращения часовой стрелки.

3.2. Если машина имеет только один конец вала (или два конца разных диаметров), то направление вращения рассматривают со стороны единственного конца вала (или со стороны конца вала наибольшего диаметра).

Если машина имеет два конца вала, то позиция наблюдателя следующая:

со стороны, противоположной коллектору или контактным кольцам, если коллектор или контактные кольца находятся только на одном конце машины;

со стороны контактных колец, если машина на одном конце имеет коллектор, а на другом - контактные кольца.

4. СВЯЗЬ МЕЖДУ ОБОЗНАЧЕНИЕМ ВЫВОДОВ И НАПРАВЛЕНИЕМ ВРАЩЕНИЯ

4.1. Для бесколлекторных трехфазных машин переменного тока направление вращения будет правым, если алфавитная последовательность обозначения выводов группы фаз будет соответствовать временной последовательности напряжения на зажимах.

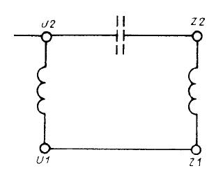
4.2. Для бесколлекторных однофазных двигателей переменного тока направление вращения будет правым, если соединения сделаны согласно черт.1.

Черт.1
  (в ред. Изменения N 1, утв. Постановлением Госстандарта СССР от 13.10.88 N 3439)

4.3. Для машин постоянного тока направление вращения будет правым и не будет зависеть от полярности напряжения, если соединения сделаны согласно черт. 2 - 5.

Машины с обмоткой параллельного возбуждения Двигатель с обмоткой последовательного возбуждения
Черт. 2 Черт. 3
Генератор с обмоткой последовательного возбуждения Машина с возбуждением от постоянных магнитов
Черт. 4 Черт. 5

Приложение
Справочное

ПРИМЕРЫ СХЕМ ВКЛЮЧЕНИЯ

1. Машина постоянного тока со смешанным возбуждением и с обмоткой добавочных полюсов

Черт. 1

(в ред. Изменения N 1, утв. Постановлением Госстандарта СССР от 13.10.88 N 3439)

2. Машина постоянного тока с ответвлением на обмотке независимого возбуждения, компенсационной обмоткой и обмоткой добавочных полюсов

Черт. 2

(в ред. Изменения N 1, утв. Постановлением Госстандарта СССР от 13.10.88 N 3439)

3. Машина постоянного тока с секционированной обмоткой добавочных полюсов, с секционированной компенсационной обмоткой и обмоткой независимого возбуждения для последовательного и параллельного включения

Черт. 3

(в ред. Изменения N 1, утв. Постановлением Госстандарта СССР от 13.10.88 N 3439)

4. Асинхронный двигатель с фазным ротором, соединенным в звезду

Черт. 4

5. Синхронная машина со статором, соединенным в треугольник

Черт. 5

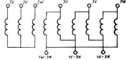
6. Обмотки многоскоростных двигателей:

1) с 6 выводами

Черт. 6

2) с 9 выводами

Черт. 7

7. Расщепленные обмотки, предназначенные для последовательного и параллельного включения с двенадцатью выводами

Черт. 8

8. Однофазная машина переменного тока с дополнительными зажимами для вспомогательной обмотки

Черт. 9

9. Генератор смешанного возбуждения с (согласным включением) компенсационной обмоткой и обмоткой добавочных полюсов с 2 выводами; направление вращения по часовой стрелке

Черт. 10

10. Двигатель смешанного возбуждения с (согласно включенными) обмотками добавочных полюсов с 2 выводами; направление вращения по часовой стрелке

Черт. 11