Лифты грузовые малые. Общие требования безопасности к устройству и установке. ГОСТ 34488-2018

(утв. Приказом Росстандарта от 22.10.2019 N 1041-СТ)
Редакция от 22.10.2019 — Документ не действует

МЕЖГОСУДАРСТВЕННЫЙ СТАНДАРТ

ЛИФТЫ ГРУЗОВЫЕ МАЛЫЕ

ОБЩИЕ ТРЕБОВАНИЯ БЕЗОПАСНОСТИ К УСТРОЙСТВУ И УСТАНОВКЕ

Small cargo lifts. General safety requirements for the construction and installation

ГОСТ 34488-2018

Дата введения
1 июня 2020 года

Предисловие

Цели, основные принципы и общие правила проведения работ по межгосударственной стандартизации установлены ГОСТ 1.0 "Межгосударственная система стандартизации. Основные положения" и ГОСТ 1.2 "Межгосударственная система стандартизации. Стандарты межгосударственные, правила и рекомендации по межгосударственной стандартизации. Правила разработки, принятия, обновления и отмены"

Сведения о стандарте

1 РАЗРАБОТАН Ассоциацией "Российское лифтовое объединение" (Ассоциация "РЛО"), Открытым акционерным обществом "Щербинский лифтостроительный завод" (ОАО "ЩЛЗ")

2 ВНЕСЕН Федеральным агентством по техническому регулированию и метрологии

3 ПРИНЯТ Межгосударственным советом по стандартизации, метрологии и сертификации (протокол от 29 ноября 2018 г. N 54)

За принятие проголосовали:

Краткое наименование страны по МК (ИСО 3166) 004-97 Код страны по МК (ИСО 3166) 004-97 Сокращенное наименование национального органа по стандартизации
Армения AM Минэкономики Республики Армения
Беларусь BY Госстандарт Республики Беларусь
Казахстан KZ Госстандарт Республики Казахстан
Киргизия KG Кыргызстандарт
Россия RU Росстандарт

4 Приказом Федерального агентства по техническому регулированию и метрологии от 22 октября 2019 г. N 1041-ст межгосударственный стандарт ГОСТ 34488-2018 введен в действие в качестве национального стандарта Российской Федерации с 1 июня 2020 г.

5 ВВЕДЕН ВПЕРВЫЕ

Информация о введении в действие (прекращении действия) настоящего стандарта и изменений к нему на территории указанных выше государств публикуется в указателях национальных стандартов, издаваемых в этих государствах, а также в сети Интернет на сайтах соответствующих национальных органов по стандартизации.

В случае пересмотра, изменения или отмены настоящего стандарта соответствующая информация будет опубликована на официальном интернет-сайте Межгосударственного совета по стандартизации, метрологии и сертификации в каталоге "Межгосударственные стандарты"

Введение

Настоящий стандарт устанавливает общие требования безопасности к конструкции и установке в зданиях и сооружениях малых грузовых лифтов, предназначенных исключительно для транспортирования грузов в кабине, размеры которой и размеры дверей шахты малого грузового лифта предотвращают доступ в кабину людей.

1 Область применения

1.1 Настоящий стандарт устанавливает общие требования безопасности к конструкции и установке в зданиях и сооружениях новых электрических малых грузовых лифтов с приводом трения, приводом с барабаном или звездочкой, предназначенных для транспортирования грузов без сопровождения людьми.

1.2 В тех же случаях, когда лифты предназначены для работы в специальных условиях (взрывоопасной среде, особых климатических условиях, при сейсмическом воздействии, транспортировании опасных грузов и т.д.), в дополнение к требованиям настоящего стандарта должны быть выполнены специальные требования, обеспечивающие безопасность. Требования к условиям работы лифтов определяют при заключении договора на поставку лифта.

1.3 Настоящий стандарт не распространяется на:

- лифты малые грузовые со скоростью движения кабины более 1,0 м/с;

- лифты с приводом, отличающимся от указанных в 1.1;

- лифты, устанавливаемые и используемые:

1) в шахтах горной и угольной промышленности,

2) на судах и иных плавучих средствах,

3) на платформах для разведки и бурения на море,

4) на самолетах и летательных аппаратах.

1.4 Настоящий стандарт допускается использовать при оценке соответствия лифтов и устройств безопасности лифтов.

2 Нормативные ссылки

В настоящем стандарте использована нормативная ссылка на следующий межгосударственный стандарт:

ГОСТ 33605 Лифты. Термины и определения

Примечание - При пользовании настоящим стандартом целесообразно проверить действие ссылочных стандартов и классификаторов на официальном интернет-сайте Межгосударственного совета по стандартизации, метрологии и сертификации (www.easc.by) или по указателям национальных стандартов, издаваемым в государствах, указанных в предисловии, или на официальных сайтах соответствующих национальных органов по стандартизации. Если на документ дана недатированная ссылка, то следует использовать документ, действующий на текущий момент, с учетом всех внесенных в него изменений. Если заменен ссылочный документ, на который дана датированная ссылка, то следует использовать указанную версию этого документа. Если после принятия настоящего стандарта в ссылочный документ, на который дана датированная ссылка, внесено изменение, затрагивающее положение, на которое дана ссылка, то это положение применяется без учета данного изменения. Если ссылочный документ отменен без замены, то положение, в котором дана ссылка на него, применяется в части, не затрагивающей эту ссылку.

3 Термины и определения

В настоящем стандарте применены термины по техническому регламенту [1] и ГОСТ 33605.

4 Общие положения

4.1 Настоящий стандарт устанавливает требования по обеспечению безопасности:

а) пользователей лифтов;

б) лиц, осуществляющих техническое обслуживание, осмотры, экспертизу, инспекционный контроль и оценку соответствия лифтов;

в) лиц, находящихся вне шахты лифта, машинного и блочного помещений (при их наличии) от получения травм в результате соприкосновения с частями оборудования лифта.

4.2 Настоящий стандарт устанавливает требования по предотвращению причинения вреда:

а) грузам в кабине лифта;

б) лифтовому оборудованию;

в) зданию, в котором установлен лифт.

4.3 Требования безопасности настоящего стандарта установлены для следующих исходных условий:

а) техническое обслуживание и, при необходимости, замена или ремонт обеспечивают поддержание лифтового оборудования в безопасном и работоспособном состоянии;

б) применяемое лифтовое оборудование обеспечивает безопасную эксплуатацию лифтов в предусмотренных условиях эксплуатации, включая влияние окружающей среды. Шум и вибрация не рассматриваются в качестве опасных факторов работы лифта;

в) требования настоящего стандарта к электрическим устройствам безопасности таковы, что отказ электрического устройства безопасности, выполненного в соответствии со всеми требованиями настоящего стандарта, считается маловероятным и не учитывается;

г) лифт используют по назначению и в соответствии с руководством по эксплуатации. При использовании лифта по назначению и в соответствии с руководством по эксплуатации пользователи защищены от опасностей, связанных с их непреднамеренно неосторожными действиями. Использование лифта не по назначению и не в соответствии с руководством по эксплуатации считается недопустимым;

д) обеспечение безопасности предусматривается для случаев выхода из строя или отказа следующего лифтового оборудования:

- обрыва подвески, тяговых элементов;

- отказа одного из механических компонентов электромеханического тормоза, участвующего в приложении тормозного усилия на тормозной барабан или диск;

е) обслуживание лифта в здании организовано таким образом, что обеспечивается безотлагательное прибытие персонала на вызов с лифта;

ж) техническое обслуживание лифта и лифтового оборудования осуществляется квалифицированным и обученным персоналом.

4.4 При заключении договора на поставку лифта заказчик и поставщик устанавливают:

- назначение лифта;

- специальные требования к лифту;

- условия окружающей среды;

- особенности установки лифта в здании:

- другие особенности, характеризующие объект, на котором устанавливают лифт.

4.5 Допускается применять настоящий стандарт на добровольной основе для соблюдения общих требований безопасности, установленных в техническом регламенте [1].

4.6 При применении технических решений, отличающихся от регламентируемых или не предусмотренных настоящим стандартом, должен быть выполнен анализ риска, дополненный в необходимых случаях расчетами, чертежами и результатами испытаний, подтверждающими безопасность их как технических решений, так и их соответствие требованиям технического регламента [1].

4.7 Точность автоматической остановки кабины лифта при эксплуатационных режимах работы должна быть в пределах +/- 35 мм.

4.8 Величина максимального замедления кабины лифта при экстренном торможении, посадке кабины на буфера и ловители должна быть не более 25 м/с2; время действия замедления, превышающего 25 м/с2, должно быть не более 0,04 с.

4.9 Грузоподъемность малых грузовых лифтов не должна превышать 250 кгс.

5 Требования безопасности и/или защитные меры

5.1 Общие требования к строительной части лифтов <*>

<*> Требования не относятся к области ответственности специализированных лифтовых организаций.

При проектировании и строительстве здания (сооружения) в соответствии с требованиями изготовителя лифта устанавливают:

- размеры строительной части, необходимые для размещения оборудования лифта;

- прочность строительной части с учетом нагрузок, возникающих при эксплуатации и испытаниях лифта;

- необходимость устройства отопления, кондиционирования и вентиляции помещений, предназначенных для размещения оборудования лифта;

- мероприятия по защите приямка от попадания в него грунтовых и сточных вод.

5.2 Шахта

5.2.1 Шахта лифта должна быть отделена от примыкающих к ней площадок и лестниц, на которых могут находиться люди или оборудование:

а) стенами, полом и перекрытием или

б) расстоянием, достаточным для обеспечения безопасности.

5.2.2 Кабина, противовес лифта и уравновешивающее устройство кабины должны находиться в одной шахте.

5.2.3 Полностью огражденная шахта

Шахта лифта, расположенная в той секции здания, где шахта должна способствовать защите этого здания от распространения огня, должна быть полностью огорожена сплошными стенами, полом и перекрытием. В ограждении шахты лифта допускаются:

а) проемы дверей шахты лифта на погрузочных площадках;

б) проемы дверей для обслуживания оборудования, а также отверстия для смотровых люков;

в) выпускные отверстия для удаления газов и дыма в случае пожара;

г) необходимые для работы лифта отверстия между шахтой лифта и оборудованием, расположенным вне шахты лифта;

д) отверстия в перегородке между лифтами в шахте.

5.2.4 Частично огражденная шахта и шахта, имеющая частично несплошное (сетчатое и т.д.) ограждение

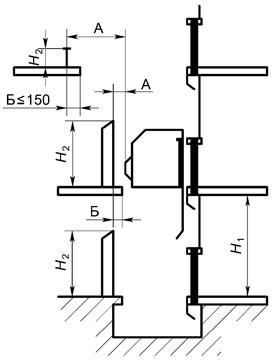
Если шахта лифта не должна способствовать защите здания от распространения огня, то эта шахта может быть огорожена неполностью, высота сплошного ограждения (см. рисунок 1) в местах, доступных для людей (этажные площадки, ступени лестниц, примыкающие к шахте балконы и т.д.), должна быть:

- H1 - не менее 3500 мм со стороны двери шахты лифта на этажной площадке или до потолочного перекрытия;

- H2 - не менее 2500 мм с других сторон, если расстояние до движущихся частей лифта А не превышает 500 мм.

А - расстояние до движущихся элементов лифта; Б - расстояние между ограждением и краем межэтажья перекрытий ступеней и площадок; H1 - высота ограждения со стороны этажной площадки; H2 - высота ограждения с остальных сторон

Рисунок 1 - Расстояние до движущихся элементов лифта

Если расстояние до движущихся частей лифта А превышает 500 мм, то H можно последовательно уменьшать до высоты не менее 1100 мм на расстоянии 2000 мм (см. рисунок 2).

А - расстояние от движущихся элементов лифта; H - высота ограждения

Рисунок 2 - Высота ограждения шахты в зависимости от расстояния от движущихся элементов лифта

Расстояние Б между ограждением и краем межэтажных перекрытий, ступеней и площадок должно быть не более 150 мм.

5.2.5 Ограждение шахты

5.2.5.1 Сплошное ограждение шахты лифта должно выдерживать нагрузку, равную 300 Н, равномерно распределенную по круглой или квадратной площадке площадью 5 см2 и приложенную под прямым углом в любой ее точке с упругой деформацией, не превышающей 15 мм, при этом остаточная деформация не допускается.

5.2.5.2 Стеклянные панели, применяемые для ограждения шахты в доступных для людей местах, должны быть выполнены из многослойного стекла и иметь высоту в соответствии с требованиями 5.2.4.

5.2.5.3 Пол приямка под каждой из направляющих лифта, за исключением случая подвесных направляющих, должен быть рассчитан на нагрузку, создаваемую массой направляющих в сумме с усилием, возникающим при срабатывании ловителей.

5.2.5.4 Пол приямка под опорами буфера кабины должен быть рассчитан на статическую нагрузку, H, равномерно распределенную на все буфера и вычисляемую по формуле

, (1)

где - ускорение свободного падения, равное 9,81 м/с2;

K - масса кабины и конструктивных элементов, которые подвешиваются к кабине (часть подвесного кабеля, уравновешивающих канатов и цепей и т.д.), кг;

Q - номинальная грузоподъемность (масса), кг.

5.2.5.5 Пол приямка под опорами буфера противовеса или в зоне под перемещающимся уравновешивающим грузом должен быть рассчитан на статическую нагрузку, H, распределенную на все буфера, вычисляемую по формулам:

- для противовеса

; (2)

- для уравновешивающего устройства кабины

, (3)

где x - коэффициент уравновешивания номинальной грузоподъемности противовесом или коэффициент уравновешивания массы кабины уравновешивающим устройством кабины.

5.2.5.6 Места крепления подвесных направляющих должны быть рассчитаны на нагрузку, создаваемую массой направляющих в сумме с усилием, возникающим при срабатывании ловителей.

5.2.5.7 При наличии под приямком лифта пространства (помещения), доступного для людей, основание приямка должно быть рассчитано на восприятие нагрузки не менее 5000 Н/м2 и:

а) противовес или уравновешивающее устройство кабины должны быть оборудованы ловителями или

б) под буфером противовеса или под зоной движения уравновешивающего устройства должна быть установлена опора, которая доходит до монолитного основания и способна выдержать удар противовеса или уравновешивающего устройства, падающего с наибольшей возможной высоты.

5.2.6 Высота шахты

5.2.6.1 Высота шахты малого грузового лифта:

а) у лифта, оборудованного лебедкой с канатоведущим шкивом, должна быть такой, чтобы после остановки противовеса (кабины) на упоре или полностью сжатом буфере обеспечивалась возможность свободного хода кабины (противовеса) вверх на расстояние не менее (0,1 + 0,035v2) м;

б) у лифта с противовесом и позитивным приводом высота шахты должна быть такой, чтобы после остановки пустой кабины (противовеса) в верхней части шахты от срабатывания концевого выключателя обеспечивалась возможность свободного хода кабины (противовеса) вверх на расстояние не менее 200 мм.

5.2.6.2 При нахождении кабин, противовеса или уравновешивающего устройства кабины на полностью сжатых буферах высота направляющих кабины, противовеса или уравновешивающего устройства кабины должна обеспечивать возможность их дальнейшего перемещения не менее чем на 0,1 м.

5.2.6.3 Перемещение обслуживающего персонала на крыше кабины малого грузового лифта не допускается.

При необходимости нахождения на крыше кабины лифта обслуживающего персонала для обслуживания лифтового оборудования должен быть обеспечен его безопасный доступ на крышу кабины. При этом крыша кабины лифта должна выдерживать нагрузку 1000 Н, приложенную на площади 0,3 x 0,25 м.

5.2.6.4 Горизонтальные расстояния:

- между порогами дверей кабины и дверей шахты - не менее 15 мм и не более 50 мм;

- между выступающими частями кабины и противовеса или уравновешивающего устройства - не менее 50 мм.

5.2.7 Приямок

5.2.7.1 В нижней части шахты лифта должен быть предусмотрен приямок.

5.2.7.2 Приямок должен быть защищен строительными мероприятиями от попадания в него грунтовых и сточных вод.

5.2.7.3 Глубина приямка грузового малого лифта должна быть такой, чтобы при нахождении кабины на упоре или полностью сжатом буфере расстояние от пола приямка до нижних выступающих частей кабины было не менее 10 мм.

5.2.7.4 При необходимости нахождения в приямке лифта обслуживающего персонала для обслуживания лифтового оборудования должен быть обеспечен безопасный доступ обслуживающего персонала в приямок. При этом:

- при расстоянии от выступающих частей снизу кабины, находящейся на полностью сжатых буферах, до пола приямка менее 1800 мм приямок должен быть оборудован упорами для предотвращения опускания выступающих частей снизу кабины ниже 2000 мм от уровня пола приямка; упоры в установленном положении должны контролироваться электрическим устройством безопасности по 5.5.4.28;

- приямок глубиной более 2500 мм оборудуют дверью, соответствующей требованиям 5.4.1.9.

5.2.7.5 В шахте могут находиться несколько лифтов, в этом случае между движущимися частями различных лифтов должны быть установлены перегородки:

а) перегородка должна начинаться от пола приямка и заканчиваться не ниже чем 2000 мм над уровнем пола приямка.

Ширина установленной перегородки должна быть на всю глубину шахты;

б) при наличии в перегородках отверстий следует выполнять требования приложения А.

5.2.7.6 В шахте лифта при необходимости входа в приямок должно быть установлено электрическое устройство безопасности, соответствующее требованиям 5.5.4.28.

Расположение электрического устройства безопасности должно обеспечивать его доступность при открытии двери для входа в приямок. В зависимости от глубины приямка следует устанавливать одно или два устройства:

а) если расстояние от пола приямка до порога двери для входа в него не более 1550 мм, то приямок должен быть оборудован одним электрическим устройством безопасности:

- расстояние от пола приямка до управляющего элемента электрического устройства безопасности должно быть не более 2000 мм,

- расстояние над уровнем порога двери для входа в приямок до управляющего элемента электрического устройства безопасности должно быть не менее 450 мм,

- горизонтальное расстояние от крайних точек порога в зоне проема двери до управляющего элемента электрического устройства безопасности должно быть не более 750 мм;

б) если расстояние от пола приямка до порога двери для входа в него более 1550 мм, то приямок должен быть оборудован двумя электрическими устройствами безопасности:

- расстояние над уровнем порога двери для входа в приямок до управляющего элемента верхнего электрического устройства безопасности должно быть не менее 1000 мм,

- горизонтальное расстояние от крайних точек порога в зоне проема двери до управляющего элемента верхнего электрического устройства безопасности должно быть не более 750 мм,

- расстояние от пола приямка до управляющего элемента нижнего электрического устройства безопасности должно быть не более 1200 мм.

5.2.8 В шахте лифта не допускается устанавливать оборудование и прокладывать коммуникации, не относящиеся к лифту, за исключением систем пожарной и охранной сигнализаций, диспетчерского контроля и систем, предназначенных для отопления и вентиляции шахты. При этом любые устройства управления и регулировки отопительной аппаратуры должны размещаться вне шахты лифта. Не допускается использовать лифтовые коммуникации для других целей.

5.2.9 Освещение шахты лифта должно отвечать требованиям 5.5.6.7. Стационарное освещение не обязательно. Если стационарное освещение выполняется, то установленный в шахте выключатель освещения должен быть доступен при открывании двери шахты, горизонтальное расстояние от крайних точек порога в зоне проема двери до управляющего элемента выключателя должно быть не более 750 мм.

5.2.10 В приямке лифта при необходимости входа в приямок должна быть предусмотрена электрическая розетка, отвечающая требованиям 5.5.6.5 и 5.5.6.6.

5.3 Размещение оборудования

5.3.1 Оборудование лифта - лебедка, связанные с ней механические и электрические устройства и блоки должны быть недоступны непосредственно для пользователей и посторонних лиц. Оборудование лифта может размещаться в специальном помещении, защищенном от воздействия внешних факторов.

5.3.2 Размещение лебедки или направляющих блоков малого грузового лифта допускается выполнять под потолком верхнего обслуживаемого лифтом этажа при условии доступа к лебедке или блокам через проемы, обеспечивающие возможность их обслуживания. Проемы необходимо закрывать сплошными запираемыми дверками, которые должны открываться снаружи специальным ключом. Высота помещения должна быть не менее 800 мм.

5.3.3 Устройства управления могут быть размещены в непосредственной близости от шахты в запираемом(ых) металлическом(их) шкафу(ах), перед которым(и) должна быть предусмотрена зона обслуживания (свободная площадка) размерами:

а) глубина от наружной поверхности шкафа, но не менее 0,75 м;

б) ширина равна полной ширине шкафа, но не менее 0,5 м.

5.3.4 Машинное помещение или помещение для размещения лебедки у малого грузового лифта может отсутствовать. В этом случае лебедка должна быть ограждена металлическим кожухом, запираемым на замок.

5.3.5 Доступ к помещениям

5.3.5.1 Освещение площадки перед входом в помещение, в котором размещено оборудование лифта, должно соответствовать требованиям 5.5.6.7.

5.3.5.2 Перед дверью, закрывающей проем для доступа в помещение для размещения оборудования, должна быть устроена горизонтальная площадка.

Между линией открывания двери и краем площадки должно оставаться расстояние не менее 500 мм. Размеры площадки должны позволять распашной двери полностью открываться.

При разнице в уровнях между площадкой и подходом к площадке более 500 мм площадка должна быть оснащена перилами высотой не менее 900 мм.

При разнице в уровнях между площадкой и подходом к площадке более 350 мм следует применять стационарные лестницы, удовлетворяющие следующим условиям:

а) лестницу высотой более 1500 мм следует устанавливать под углом не более 60° к горизонтали;

б) ширина марша лестницы в свету должна быть не менее 350 мм, ширина ступенек - не менее 25 мм. В случае устройства вертикальной лестницы расстояние между ступенями и стеной, расположенной за лестницей, - не менее 150 мм. Ступени должны быть рассчитаны на нагрузку 1500 Н;

в) лестницу высотой более 500 мм следует оснащать перилами высотой не менее 900 мм или поручнем;

г) высота лестницы должна быть не более 4000 мм.

5.3.5.3 В помещениях с размещенным оборудованием лифта установка оборудования и прокладывание коммуникаций, не относящихся к лифту, не допускаются.

Допускается размещение в этих помещениях следующего оборудования:

а) механизмов и приспособлений для обслуживания лифтов;

б) оборудования для вентиляции, кондиционирования или обогрева воздуха, за исключением парового отопления этих помещений и шахты лифта;

в) охранной и пожарной сигнализаций;

г) оборудования пожаротушения.

5.3.5.4 В помещениях могут быть установлены устройства для подвески грузоподъемных средств.

Место установки и грузоподъемность этих устройств определяет изготовитель лифта. На этом устройстве или рядом с ним должна быть указана его грузоподъемность или допустимая нагрузка.

Допускается применение иных грузоподъемных средств, обеспечивающих безопасность проведения ремонтных работ.

5.3.5.5 При расположении лебедки или направляющих блоков малого грузового лифта в пределах верхнего обслуживаемого лифтом этажа на высоте до 3000 мм от уровня пола этого этажа устройство стационарной лестницы для доступа к проемам обслуживания необязательно.

5.3.6 Машинное и блочное помещения

У малого грузового лифта машинное и блочное помещения могут отсутствовать. При наличии машинное и блочное помещения должны отвечать следующим требованиям.

5.3.6.1 Машинное и блочное помещения должны иметь сплошное ограждение со всех сторон и на всю высоту, перекрытие и пол. В ограждении машинного и блочного помещений допускаются:

а) проемы дверей и люков для доступа персонала;

б) оконные проемы;

в) вентиляционные отверстия;

г) отверстия, необходимые для работы лифта.

5.3.6.2 Ограждение машинного и блочного помещений должно отвечать требованиям 5.2.5.1. Пол машинного и блочного помещений должен иметь нескользкое и не образующее пыли покрытие.

Двери для доступа в машинное и блочное помещения вместе с замками должны выдерживать в запертом положении нагрузку 300 Н, равномерно распределенную по круглой или квадратной площадке площадью 5 см2 и приложенную к дверной панели под прямым углом в любой ее точке и с любой стороны с упругой деформацией, не превышающей 15 мм, при этом остаточная деформация не допускается.

Двери и крышки люков для доступа в машинное и блочное помещения должны быть оборудованы замками, отпираемыми снаружи ключом, а изнутри помещения - без ключа.

Крышку люка для доступа в блочное помещение из машинного помещения допускается не оборудовать замком.

Крышки люков, используемых только для подачи материалов, допускается запирать только изнутри.

5.3.6.3 Использование машинного или блочного помещения для прохода через них на крышу или в другие помещения здания (сооружения), не относящиеся к лифту, не допускается.

5.4 Механическое оборудование лифтов

5.4.1 Двери шахты

5.4.1.1 Двери шахты лифта должны отвечать требованиям норм, относящихся к пожарной безопасности соответствующего здания или сооружения.

Высота и ширина проема двери шахты малого грузового лифта должна быть не более высоты и ширины кабины соответственно.

5.4.1.2 Вертикально-раздвижные двери

У грузового малого лифта может быть применена вертикально-раздвижная дверь шахты. При этом должны быть выполнены следующие условия:

а) створки двери должны быть подвешены не менее чем на двух несущих элементах;

б) коэффициент запаса прочности несущих элементов должен быть не менее 8;

в) створки двери, закрываемой (открываемой) вручную, должны быть уравновешены;

г) несущие элементы должны быть защищены от схода с канавок шкивов, блоков или звездочек;

д) соотношение диаметра стального каната, примененного в качестве несущего элемента, и диаметра канавок шкивов (блоков) должно быть не менее 1:20.

Усилие закрытия автоматической распашной двери шахты должно быть не более 150 Н. Измерение этого усилия следует проводить на расстоянии (50 +/- 10) мм от вертикального края створок со стороны линии притвора.

Для открывающейся вручную двери шахты должен быть предусмотрен световой сигнал о наличии кабины на данном этаже.

Зазоры между сомкнутыми створками, а также между створками и обвязкой проема, между створками и порогом не должны превышать 8 мм.

5.4.1.3 Горизонтально-раздвижная и вертикально-раздвижная двери шахты в закрытом положении должны удовлетворять следующим требованиям:

а) створки должны перекрывать обвязку дверного проема сверху и с боковых сторон у горизонтально-раздвижной двери и со всех сторон - у вертикально-раздвижной двери, при односторонне-раздвижной двери со стороны притвора створки допускается не перекрывать створкой обвязку дверного проема;

б) у горизонтально-раздвижной двери при односторонне закрывающихся створках должно быть перекрытие одной створки другой, а зазор между этими створками не должен быть более 8 мм.

5.4.1.4 Дверь шахты на этажной площадке должна быть оборудована автоматическим замком, запирающим ее прежде, чем кабина отойдет от уровня этажной площадки на расстояние 200 мм.

5.4.1.5 Автоматический замок должен исключать отпирание двери снаружи шахты, за исключением случая, предусмотренного в 5.4.1.5.6.

5.4.1.5.1 У лифта с автоматическими дверями шахты и кабины допускается их открывание при приближении кабины к этажной площадке, когда расстояние от уровня пола кабины до уровня пола этажной площадки не превышает 200 мм, при этом скорость движения кабины должна быть не более 0,5 м/с.

5.4.1.5.2 Движение кабины с ручными дверями должно быть возможным с незапертыми дверями в пределах не более 200 мм от уровня точной остановки.

5.4.1.5.3 Движение кабины должно быть возможным после перемещения запирающего элемента автоматического замка двери шахты не менее чем на 7 мм в ответную часть замка (см. рисунок 3) с учетом 5.4.1.5.

Рисунок 3

Запирающее устройство замка дверей шахты должно непосредственно воздействовать на электрическое устройство безопасности по 5.5.4.15.

5.4.1.5.4 При приложении к запертой двери шахты усилия 300 Н в направлении ее открывания не должно происходить отпирание двери.

5.4.1.5.5 На замке должна быть установлена табличка с указанием фирмы-изготовителя и идентификационного номера.

5.4.1.5.6 Двери шахты на этажной площадке должны отпираться снаружи специальным ключом, который соответствует ключевине по приложению Б.

После отпирания автоматическая дверь шахты должна закрываться и запираться автоматически при отсутствии кабины в зоне отпирания дверей шахты.

5.4.1.5.7 Дверь шахты на этажной площадке, закрываемая вручную в незапертом автоматическим замком состоянии, не должна открываться самопроизвольно.

5.4.1.6 Каждая дверь шахты на этажной площадке должна быть оборудована электрическим устройством безопасности по 5.5.4.12, контролирующим закрытие двери.

Допускается объединение указанного устройства автоматической горизонтально-раздвижной двери шахты с устройством, контролирующим запирание двери, при условии, что его срабатывание зависит от закрытия двери шахты.

Закрытие створок раздвижной двери, не запираемых замком, следует контролировать электрическим устройством безопасности по 5.5.4.16. Указанное требование не распространяется на двери, створки которых в закрытом положении соединены неразмыкаемой кинематической связью.

У многостворчатой раздвижной двери, состоящей из нескольких соединенных гибкой кинематической связью створок (например, посредством каната, ремня или цепи), допускается запирать только одну створку, при условии, что такое однократное запирание предотвращает открывание других створок и что они не снабжены ручкой.

5.4.1.7 Конструкцией дверей шахты должна быть предусмотрена возможность предотвращения выхода створок из направляющих.

Горизонтально-раздвижные двери шахты лифта должны иметь направляющие сверху и снизу, вертикально-раздвижные двери шахты лифта должны иметь направляющие с обеих сторон.

5.4.1.8 Двери для технического обслуживания оборудования, аварийные двери, смотровые люки шахты

Двери для технического обслуживания оборудования, предназначенные для прохода персонала, должны иметь размеры в свету:

- высота - не менее 1800 мм;

- ширина - не менее 600 мм.

Смотровые люки должны иметь размеры в свету:

- высота - не более 600 мм;

- ширина - не более 600 мм.

Смотровые люки не должны открываться внутрь шахты.

Двери для технического обслуживания оборудования и смотровые люки должны быть оборудованы отпираемым замком; закрытие и запирание этих дверей и люков допускаются без применения ключа.

Двери для технического обслуживания оборудования и аварийные двери должны открываться изнутри шахты лифта без ключа, даже если они заперты.

Двери для технического обслуживания оборудования и смотровые люки должны быть сплошными, удовлетворять тем же требованиям к механической прочности, что и двери шахты лифта на этажной площадке.

Закрытие дверей и люков следует контролировать электрическим устройством безопасности по 5.5.4.17.

5.4.1.9 Двери шахты лифта вместе с замками должны выдерживать в запертом положении нагрузку 300 Н, равномерно распределенную по круглой или квадратной площадке площадью 5 см2 и приложенную к дверной панели под прямым углом в любой ее точке с упругой деформацией, не превышающей 15 мм, при этом остаточная деформация более 1 мм и изменение функционирования после снятия нагрузки не допускаются.

5.4.1.10 Усилие статического сжатия створок или створок и обвязки (при односторонне-раздвижной двери) автоматических закрывающихся дверей не должно превышать 150 Н. Кинетическая энергия автоматически закрывающихся створок дверей шахты со всеми жестко прикрепленными к ним элементами не должна превышать 4 Дж в любой точке траектории закрывания.

5.4.2 Направляющие

5.4.2.1 Движение кабины, противовеса или уравновешивающего устройства кабины должно осуществляться по жестким направляющим.

5.4.2.2 Направляющие, их крепления и соединения должны быть рассчитаны на нагрузки, возникающие при рабочем режиме лифта и при его испытаниях.

Прогиб направляющих под действием указанных нагрузок не должен вызывать:

а) выход башмаков кабины, противовеса или уравновешивающего устройства кабины из направляющих;

б) самопроизвольное отпирание дверей шахты;

в) нарушения условий работы устройств безопасности.

5.4.2.3 Расчетное значение прогиба направляющих должно быть, не более:

а) 5 мм по обеим осям - для направляющих кабины, противовеса или уравновешивающего устройства кабины, оборудованных ловителями;

б) 10 мм по обеим осям - для направляющих противовеса или уравновешивающего устройства кабины, не оборудованных ловителями.

5.4.2.4 Концы смежных отрезков направляющих в месте стыка должны быть предохранены от взаимного смещения.

5.4.2.5 Крепление направляющих должно обеспечивать возможность регулирования направляющих при осадке здания или сжатии бетона и температурных деформациях.

5.4.3 Лебедка

5.4.3.1 Лебедка и элементы ее крепления должны быть рассчитаны на нагрузки, возникающие в процессе эксплуатации и испытаний лифта.

5.4.3.2 На лифтах допускается применять лебедки:

а) со шкивом или барабаном трения с использованием канатов или ремней;

б) барабанные с канатами;

в) со звездочкой и цепью (цепями).

5.4.3.3 Отношение диаметров шкивов, блоков и барабанов к номинальному диаметру тяговых канатов должно быть не менее 30.

5.4.3.4 Барабанную лебедку или лебедку со звездочкой допускается применять на лифтах с номинальной скоростью не более 0,63 м/с.

5.4.3.5 У лебедки со шкивом или барабаном трения должно быть обеспечено сцепление тяговых элементов (канатов или ремней) со шкивом или барабаном при рабочем режиме и испытаниях.

5.4.3.6 У лебедки со шкивом или барабаном трения должна быть исключена возможность подъема пустой кабины при противовесе, находящемся на буфере и работающем на подъем приводе.

5.4.3.7 Между приводными элементами канатов, ремней или цепей (шкивом, барабаном, звездочкой) и тормозным барабаном (диском) должна быть неразмыкаемая кинематическая связь (например, валы, шестерни, многорядные цепи).

Для передачи крутящего момента от электродвигателя допускается применение ременной передачи. При этом ременная передача на должна располагаться кинематически между тормозным устройством и тяговым элементом привода (канатоведущим шкивом, барабаном, звездочкой и т.п.). Натяжение ремня (ремней) следует контролировать электрическим устройством безопасности по 5.5.4.14.

5.4.3.8 Доступные вращающиеся элементы лебедки, которые могут быть источником опасности:

а) шпонки и болты на валах;

б) ленты, цепи, ремни;

в) шестерни, звездочки;

г) выступающие валы двигателя, должны быть ограждены от случайного прикасания.

5.4.3.9 Допускается не ограждать канатоведущие шкивы, штурвалы, приводимые в действие вручную, тормозные барабаны и любые подобные гладкие, круглые части. Такие части должны быть хотя бы частично выкрашены в желтый цвет.

5.4.3.10 Должны быть предусмотрены меры по предотвращению спадания канатов, ремней или цепей с приводных и направляющих элементов согласно 5.4.3.2.

5.4.3.11 При необходимости должна быть предусмотрена возможность перемещения кабины при отключении основного источника электропитания лифта одним из следующих способов:

а) ручное перемещение кабины с использованием специального устройства:

- прилагаемое усилие, необходимое для перемещения кабины с номинальной нагрузкой, не должно превышать 400 Н. Применение в устройстве штурвала со спицами или кривошипной рукоятки не допускается, если это может привести к травмированию обслуживающего персонала в случае неконтролируемого движения кабины.

Если указанное усилие превышает 400 Н, то необходимо предусмотреть средства для электрического аварийного управления из машинного помещения, отвечающие требованиям 5.4.3.11, перечисление б).

Съемный штурвал следует хранить в непосредственной близости от лебедки. При нахождении в машинном помещении нескольких лебедок съемные штурвалы должны иметь соответствующую маркировку (окраску) лебедки соответствующего лифта. Электрическое устройство безопасности, отвечающее требованиям 5.5.4.24, должно размыкать цепь безопасности не позднее установки штурвала на лебедку.

При наличии промежуточного устройства (редуктора или аналогичного) между штурвалом и шкивом (барабаном, звездочкой) электрическое устройство безопасности, отвечающее требованиям 5.5.4.24, должно размыкать цепь безопасности не позднее установки устройства на лебедку.

Направление движения кабины при вращении штурвала должно быть указано на лебедке или непосредственно на штурвале.

При перемещении кабины штурвалом должна быть предусмотрена возможность контроля из машинного помещения нахождения кабины в зоне отпирания дверей;

б) перемещение кабины за счет дополнительного (резервного) источника электропитания.

Энергии источника должно быть достаточно для перемещения кабины до ближайшей этажной площадки, открытия дверей;

в) перемещение кабины за счет разницы фактических масс кабины и противовеса (уравновешивающего груза):

- устройство для ручного или электрического растормаживания тормоза лебедки должно быть расположено в машинном помещении, а при его отсутствии - в запираемом шкафу согласно 5.3.4.

При воздействии на устройство должны быть приняты конструктивные и/или организационные меры по предотвращению движения кабины со скоростью больше скорости, предусмотренной для срабатывания ограничителя скорости, как вверх, так и вниз;

- отсутствие движения кабины при воздействии на устройство растормаживания при размещении в кабине груза, равного половине номинальной грузоподъемности, не является браковочным фактором. Конструкцией и/или руководством по эксплуатации лифта должны быть предусмотрены меры по изменению баланса кабина/противовес (уравновешивающий груз) и/или перемещение уравновешенной кабины без изменения баланса;

- устройство для электрического растормаживания может быть оборудовано дополнительным (резервным) источником питания (аккумулятором). Запас энергии этого источника должен обеспечивать число и время циклов растормаживания, необходимые для однократного перемещения кабины лифта до ближайшей этажной площадки в сторону неуравновешенности при самом неблагоприятном варианте загрузки лифта в течение 1 ч с момента исчезновения основного электропитания.

5.4.3.12 При применении барабанной лебедки должны быть выполнены следующие требования;

а) барабан должен иметь нарезанные по винтовой линии канавки, соответствующие диаметру каната;

б) при нахождении кабины (противовеса) на полностью сжатых буферах на барабане должно оставаться не менее полутора запасных витков каждого закрепленного на барабане каната, не считая витков, находящихся под зажимным устройством;

в) на барабане должен быть намотан только один слой каната;

г) угол отклонения канатов относительно оси канавок должен быть не более 4°;

д) барабан должен иметь реборды, возвышающиеся над навитым канатом на высоту не менее одного диаметра каната. Со стороны (сторон) крепления каната реборду допускается не выполнять.

5.4.3.13 Лебедка должна быть оборудована автоматически действующим механическим тормозом нормально-замкнутого типа:

а) тормозной момент создают пружиной сжатия или грузом;

б) применение ленточных тормозов не допускается;

в) лебедка, для которой предусмотрено ручное перемещение кабины по 5.4.3.11, должна быть оборудована устройством для ручного растормаживания. При прекращении воздействия на это устройство действие тормоза должно автоматически восстанавливаться.

5.4.4 Кабина

5.4.4.1 Кабина лифта должна быть рассчитана на нагрузки, возникающие при рабочем режиме и испытаниях лифта.

5.4.4.2 Площадь пола кабины малого грузового лифта должна быть не более 1 м2, глубина кабины - не более 1000 мм.

5.4.4.3 Высота кабины малого грузового лифта должна быть не более 1250 мм. Если кабина малого грузового лифта разделена по высоте несъемными перегородками на несколько секций, то высота отдельной секции должна быть не более 1250 мм.

5.4.4.4 Под порогом кабины малого грузового лифта щит допускается не устанавливать.

5.4.4.5 Кабина лифта должна иметь сплошные стены, пол, потолочное перекрытие (крышу) и входные проемы для доступа грузов.

5.4.4.6 Двери кабины малого грузового лифта могут быть вертикально-раздвижными.

5.4.4.7 Кабину малого грузового лифта допускается не оборудовать дверями при наличии устройств, препятствующих самопроизвольному перемещению перевозимых в кабине предметов.

5.4.4.8 При наличии у кабины малого грузового лифта дверей выключатели, контролирующие закрывание (запирание) створок, допускается не устанавливать.

5.4.4.9 Кабина должна быть оборудована ловителями, соответствующими требованиям 5.4.6.

5.4.4.10 Кабина должна быть оборудована башмаками. Конструкцией башмаков должны быть предусмотрены исключение выхода кабины из направляющих, самопроизвольной посадки кабины на ловители, а также ограничение горизонтального перемещения кабины относительно направляющих.

5.4.4.11 В случае необходимости для выполнения работ по техническому обслуживанию лифта размещения обслуживающего персонала на крыше кабины (одного человека) крыша кабины в любом месте должна выдерживать без остаточной деформации нагрузку 1000 Н, приложенную на площадке размером 200 x 400 мм.

5.4.5 Противовес и уравновешивающее устройство кабины

5.4.5.1 Противовес и уравновешивающее устройство кабины должны быть рассчитаны на нагрузки, возникающие при:

а) рабочем режиме лифта;

б) посадке противовеса на ловители (при оборудовании противовеса ловителями) и буфера;

в) посадке уравновешивающего устройства кабины на ловители (при оборудовании уравновешивающего устройства кабины ловителями);

г) посадке кабины на буфера и ловители.

Нагрузки, действующие на противовес или уравновешивающее устройство кабины при посадке их на ловители, следует определять при отсутствии ограничителя скорости при скоростях движения противовеса или уравновешивающего устройства кабины, указанной в 5.4.6.4 и 5.4.6.5.

Нагрузки, действующие на противовес при посадке его на буфера, следует определять при скоростях движения противовеса, указанных в 5.4.8.5.

Нагрузки, действующие на противовес или уравновешивающее устройство кабины при посадке кабины на ловители или буфера при наличии ограничителя скорости, следует определять при скоростях движения кабины, указанных в 5.4.7.2 и 5.4.8.2. Конструкцией противовеса или уравновешивающего устройства кабины, в состав которых входят грузы, должно быть предусмотрено исключение их самопроизвольного смещения как в горизонтальной, так и в вертикальной плоскостях.

5.4.5.2 Противовес или уравновешивающее устройство кабины должны быть оборудованы башмаками.

5.4.5.3 Противовес и уравновешивающее устройство кабины должны быть оборудованы ловителями в случае, предусмотренном в 5.2.5.7.

5.4.6 Ловители

5.4.6.1 Ловители малого грузового лифта допускается приводить в действие устройством, срабатывающим от обрыва или слабины тяговых элементов подвески кабины и противовеса, без применения ограничителя скорости.

5.4.6.2 Ловители должны останавливать и удерживать на направляющих (даже в случае обрыва подвески) движущуюся вниз кабину с грузом, масса которого равна номинальной грузоподъемности (противовес или уравновешивающее устройство кабины) при их включении от действия ограничителя скорости на скорости его срабатывания или от обрыва или слабины тяговых элементов.

5.4.6.3 Ловители должны автоматически принимать исходное положение и быть готовы к работе после перемещения кабины, противовеса или уравновешивающего устройства кабины, остановленных ловителями.

5.4.6.4 Срабатывание ловителей кабины следует контролировать электрическим устройством безопасности по 5.5.4.21, размыкающим цепь безопасности до или при срабатывании ловителей.

5.4.6.5 Ловители с регулируемым усилием торможения должны быть опломбированы изготовителем.

5.4.6.6 Ловитель должен быть снабжен табличкой с указанием:

а) изготовителя ловителя;

б) идентификационного номера ловителя.

5.4.7 Ограничитель скорости

5.4.7.1 Малый грузовой лифт допускается не оборудовать ограничителем скорости.

5.4.7.2 В случае установки на малый грузовой лифт ограничителя скорости он должен удовлетворять следующим требованиям.

5.4.7.2.1 Ограничитель скорости, приводящий в действие ловители кабины, должен срабатывать, если скорость движения кабины вниз превысит номинальную не менее чем на 15% и не более чем на 40%.

5.4.7.2.2 Ограничитель скорости, приводящий в действие ловители противовеса или уравновешивающее устройство кабины, должен срабатывать, если скорость движения противовеса или уравновешивающего устройства кабины вниз превысит номинальную не менее чем на 15% и не более чем на значение, превышающее на 10% верхний предел скорости, установленный для срабатывания ограничителя скорости кабины.

5.4.7.2.3 Для проведения проверок и испытаний должна быть предусмотрена возможность приведения в действие ловителей от ограничителя скорости при движении кабины со скоростью менее указанной в 5.4.7.2.1.

5.4.7.2.4 Должна быть предусмотрена возможность проверки срабатывания ограничителя скорости при частоте вращения, соответствующей скоростям движения кабины, противовеса или уравновешивающего устройства кабины, указанным в 5.4.7.2.1 и 5.4.7.2.2.

5.4.7.2.5 Диаметр каната, приводящего в действие ограничитель скорости, - не менее 6 мм.

5.4.7.2.6 Коэффициент запаса прочности каната ограничителя скорости, определенный как отношение разрывного усилия каната в целом к максимальному усилию, возникающему в нем при срабатывании ловителей, должен быть не менее 8.

5.4.7.2.7 Отношение диаметра шкива или блока к диаметру огибаемого каната, приводящего в действие ограничитель скорости, должно быть не менее 25.

5.4.7.2.8 Элемент, приводящий в действие ограничитель скорости, должен натягиваться натяжным устройством.

5.4.7.2.9 Обрыв или превышающая регламентированную вытяжка каната, приводящего в действие ограничитель скорости, должны вызывать остановку привода электрическим устройством безопасности, отвечающим требованиям 5.5.4.2.

5.4.7.2.10 На ограничителе скорости должно быть указано направление вращения, соответствующее включению ловителей.

5.4.7.2.11 Допускается не оборудовать ограничитель скорости электрическим устройством безопасности по 5.5.4.20, если лифт оборудован электрическим устройством безопасности, контролирующим срабатывание ловителей по 5.5.4.21.

5.4.7.2.12 Если после снятия с ловителей ограничитель скорости автоматически не возвращается в исходное состояние, то электрическое устройство безопасности по 5.5.4.19 должно предотвращать пуск лифта до приведения ограничителя скорости в исходное состояние.

5.4.7.2.13 При установке ограничителя скорости в шахту лифта:

а) обслуживающий персонал должен приводить в действие ограничитель скорости для его испытания снаружи шахты лифта с использованием механического или электрического дистанционного средства, за исключением бескабельного;

б) ограничитель скорости после срабатывания должен автоматически вернуться в исходное положение после перемещения кабины, противовеса или уравновешивающего устройства кабины.

5.4.7.2.14 Ограничитель скорости должен быть снабжен табличкой с указанием:

а) изготовителя ограничителя скорости;

б) идентификационного номера ограничителя скорости;

в) скорости срабатывания ограничителя скорости.

5.4.8 Буфера

5.4.8.1 Лифт должен быть оборудован буферами, ограничивающими перемещение кабины и противовеса вниз.

5.4.8.2 Лифт с номинальной скоростью, не превышающей 0,3 м/с, допускается оборудовать буферами в виде жестких упоров.

5.4.8.3 Применение буферов энергонакопительного типа допускается при любых номинальных скоростях лифта.

5.4.8.4 Применение буферов энергорассеивающего типа допускается при любых номинальных скоростях лифта.

5.4.8.5 Буфера должны быть рассчитаны на посадку кабины с грузом, масса которого на 25% превышает номинальную грузоподъемность лифта или противовеса, движущихся со скоростью, превышающей на 15% номинальную скорость лифта.

5.4.8.6 Буфера должны удовлетворять следующим требованиям:

а) при посадке на буфер максимальное значение замедления кабины с номинальным грузом при свободном падении со скоростью, составляющей 115% номинальной, не должна превышать 25 м/с2;

б) время действия замедления, превышающего 25 м/с2, должно быть не более 0,04 с.

5.4.8.7 Буфера должны быть снабжены табличкой с указанием:

а) изготовителя буфера;

б) идентификационного номера буфера.

5.4.8.8 Малый грузовой лифт, оборудованный барабанной лебедкой или со звездочкой, допускается не оборудовать буферами, ограничивающими перемещение кабины вверх.

5.4.9 Тяговые элементы и подвеска

5.4.9.1 Кабина, противовес или уравновешивающее устройство кабины должны быть подвешены на стальных проволочных канатах или на тяговых пластинчатых или приводных роликовых (втулочных) цепях. Допускается применение других тяговых элементов при условии, что они обеспечивают уровень безопасности не ниже, чем при использовании стальных канатов или цепей, в том числе коэффициент запаса прочности, установленный для стальных канатов.

5.4.9.2 Тяговые элементы, соединяющие кабину с противовесом, должны быть одинаковой конструкции, иметь одинаковые размеры и характеристики.

5.4.9.3 Тяговые элементы, применяемые в лифте, должны иметь документ, подтверждающий их качество. Не допускается сращивание тяговых элементов.

5.4.9.4 Коэффициент запаса прочности тяговых элементов должен быть не менее 8.

5.4.9.5 При полиспастной подвеске все ветви одного тягового элемента считают как один тяговый элемент.

5.4.9.6 Канаты

5.4.9.6.1 Номинальный диаметр стальных проволочных тяговых канатов должен быть не менее 6 мм. Соотношение диаметров тягового каната и канатоведущего шкива или барабана трения - не менее 30.

5.4.9.6.2 Для подвески кабины, противовеса и/или уравновешивающего устройства малого грузового лифта допускается использовать один тяговый элемент при условиях:

- использование позитивного привода;

- скорость кабины - не более 0,3 м/с.

5.4.9.6.3 Заделка концов канатов при креплении их к кабине, противовесу или уравновешивающему устройству кабины или точкам подвески неподвижной ветви полиспаста должна выдерживать не менее 80% разрывного усилия каната.

5.4.9.6.4 Крепление каната к барабану следует выполнять или посредством заклинивания, или с использованием не менее двух прижимных планок, или любым другим способом, обеспечивающим эквивалентный уровень безопасности. При нахождении кабины на полностью сжатом буфере или упоре на барабане должно оставаться не менее полутора запасных витков каждого каната, не считая витков, находящихся под прижимными планками.

5.4.9.7 Распределение нагрузки между тяговыми элементами

5.4.9.7.1 Для уменьшения разности натяжения в отдельных тяговых элементах должно быть предусмотрено автоматическое устройство.

Для уменьшения разности натяжения в отдельных тяговых цепях указанное устройство должно быть установлено как со стороны кабины, так и со стороны уравновешивающего груза.

5.4.9.7.2 В качестве автоматического устройства для уменьшения разности натяжения тяговых элементов допускается применять пружины сжатия.

5.4.9.7.3 При двух тяговых элементах электрическое устройство безопасности по 5.5.4.23 должно размыкать цепь безопасности при относительном перемещении (ослаблении) тяговых элементов сверх значения, допустимого устройством по 5.4.9.7.1, и обрыве одного или всех тяговых элементов.

5.5 Электрическое оборудование лифтов

5.5.1 Общие требования

5.5.1.1 Техническая характеристика электрического оборудования и его исполнение должны соответствовать параметрам лифта по напряжению и частоте питающей сети, токовым нагрузкам, а также условиям его эксплуатации, хранения и транспортирования.

Характеристики внешней питающей сети должны отвечать назначению лифта.

5.5.1.2 Лифт должен быть оборудован устройством с ручным приводом - главным выключателем, прерывающим электропитание всех электрических цепей, за исключением электрических цепей по 5.5.1.5. Таким устройством могут быть вводное устройство, автоматический выключатель и аналогичные устройства с ручным приводом.

5.5.1.3 Должна быть предусмотрена возможность блокировки устройства в отключенном положении посредством запираемого замка или аналогичного средства во избежание непреднамеренного включения.

5.5.1.4 Устройство по 5.5.1.2 устанавливают в машинном помещении, а при отсутствии машинного помещения:

а) в шкафу для аппаратов управления, за исключением случая установки шкафа в шахте:

б) рядом с устройствами для управления лифтом - при установке шкафа для аппаратов управления в шахте.

5.5.1.5 Устройство по 5.5.1.2 не должно отключать цепи:

а) освещения помещений для размещения оборудования, при их наличии;

б) освещения шахты, при его наличии;

в) розеток в приямке, машинном и блочном помещениях (при их наличии) по 5.5.6.6.

При этом для отключения указанных в перечислениях а) - в) цепей должны быть предусмотрены отдельные выключатели.

Цепи питания розеток и аварийной сигнализации (при их наличии) допускается включать после устройства по 5.5.1.2, если предусмотрены дополнительные выключатели для отключения силовой цепи и цепи управления. При этом устройство по 5.5.1.2 не должно быть оборудовано приводом для дистанционного отключения.

5.5.1.6 Если в общем машинном помещении размещено оборудование нескольких лифтов, то в это помещение должен быть осуществлен ввод не менее двух питающих линий.

5.5.1.7 При размещении электрооборудования лифта в машинных помещениях, разделенных на несколько помещений, должны быть предусмотрены несамовозвратные устройства для отключения лифта в каждом из этих помещений.

5.5.1.8 На одной из этажных площадок допускается установка выключателя для дистанционного отключения силовой питающей цепи и/или включения и отключения цепей управления при включенном устройстве по 5.5.1.2. Доступ посторонних лиц к устройству должен быть исключен.

5.5.1.9 Напряжение силовых электрических цепей должно быть:

а) не более 660 В - в машинном помещении;

б) не более 415 В переменного тока частотой 50 Гц, 440 В переменного тока частотой 60 Гц и 460 В постоянного (выпрямленного) тока - в кабине, шахте и на этажных площадках, а также на площадках, где установлено электрооборудование при отсутствии машинного помещения.

Напряжение питания цепей управления, подключения ремонтного инструмента, освещения и сигнализации должно быть не более 254 В.

5.5.1.10 При применении переносных ламп напряжение цепи их питания должно быть не более 50 В.

Применение автотрансформаторов с целью понижения напряжения для этой цепи не допускается.

5.5.1.11 Для питания цепей управления, освещения и сигнализации допускается использование фазы и нулевого провода сети (включение на фазное напряжение).

При использовании фазы и нулевого провода напряжение между ними должно быть не более 254 В.

5.5.1.12 При включении на фазное напряжение цепей, в состав которых входят электрические устройства безопасности, между выводом обмоток электромагнитных аппаратов (контакторов, пускателей, реле и т.д.) в этих цепях и нулевым проводом не должно быть контактов электрических устройств безопасности.

5.5.1.13 При питании переменным током от понижающего трансформатора цепей, в состав которых входят электрические устройства безопасности, один вывод вторичной обмотки трансформатора должен быть заземлен. Между выводом обмотки электромагнитных аппаратов в этих цепях и заземленным выводом трансформатора не должно быть контактов электрических устройств безопасности.

5.5.1.14 При питании от понижающего трансформатора через выпрямительное устройство цепей, в состав которых входят электрические устройства безопасности, один из полюсов выпрямительного устройства на стороне выпрямленного напряжения должен быть заземлен. При этом между выводом обмотки электромагнитных аппаратов в цепи управления и заземленным полюсом не должно быть контактов электрических устройств безопасности. Вторичную обмотку понижающего трансформатора в этом случае заземлять не допускается.

5.5.1.15 Установка в заземляющих проводниках предохранителей, контактов и других размыкающих элементов, в том числе бесконтактных, не допускается.

5.5.1.16 Токоведущие части выключателей с ручным приводом, устройства по 5.5.1.2 выключателей, устанавливаемых в шахте, помещении для размещения оборудования, выключателей дистанционного отключения электрических цепей должны быть защищены от случайного прикосновения, если напряжение на них более 42 В переменного тока или более 60 В постоянного тока. Положение этих выключателей должно быть обозначено соответствующими символами или надписями: "Вкл.", "Откл.".

5.5.1.17 Замыкание электрической цепи, в которой имеются электрические устройства безопасности, на землю или на металлические конструкции должно вызывать остановку лифта и предотвращать пуск лифта после его остановки до устранения замыкания. Возврат к нормальному режиму эксплуатации должен проводить обслуживающий персонал.

5.5.2 Электропривод лифта

5.5.2.1 Электропривод должен удовлетворять следующим требованию: замыкание токоведущих частей электрического привода тормоза (электромагнита и т.д.) на корпус не должно вызывать включение этого привода и снятие механического тормоза при остановленном лифте и не должно препятствовать наложению механического тормоза после отключения электродвигателя.

5.5.2.2 Электропривод переменною тока при питании электродвигателя непосредственно от сети должен удовлетворять следующим требованиям:

а) снятие механического тормоза должно происходить одновременно с включением электродвигателя или после его включения;

б) отключение электродвигателя должно сопровождаться наложением механического тормоза;

в) цепь главного тока электродвигателя должна прерываться не менее чем двумя последовательно включенными контактами электромагнитных аппаратов, вместо одного из электромагнитных аппаратов допускается использовать бесконтактный ключ;

г) если при неподвижном лифте один из электромагнитных аппаратов не разомкнул контакты в цепи главного тока, то возможность дальнейшего движения должна быть предотвращена не позднее следующего изменения направления движения лифта;

д) у лифта, оборудованного лебедкой с канатоведущим шкивом или барабаном трения, допускается одинарное размыкание цепи главного тока электродвигателя.

5.5.2.3 Электропривод лифта при питании электродвигателя лебедки от управляемого преобразователя должен удовлетворять следующим требованиям:

а) прерывание электропитания тормоза должно осуществляться не менее чем двумя электрическими устройствами, объединенными или функционально связанными с последовательно включенными электрическими устройствами, вызывающими прерывание питания электродвигателя лебедки;

б) снятие механического тормоза должно происходить только при величине тока электродвигателя лебедки, обеспечивающей необходимый момент для удержания кабины;

в) отключение электродвигателя лебедки должно сопровождаться наложением механического тормоза;

г) каждая остановка кабины лифта должна сопровождаться наложением механического тормоза.

Допускается не накладывать механический тормоз при остановке на уровне этажной площадки при условии, что кабина будет удерживаться на этом уровне моментом электродвигателя;

д) главная цепь тока электродвигателя лебедки должна прерываться двумя последовательно включенными контактами электромагнитных аппаратов. Допускается иметь одинарный разрыв контактами одного электромагнитного аппарата при условии, что при его отключении одновременно полностью блокируется (прекращается) поток энергии от преобразователя к электродвигателю;

е) при размыкании цепи возбуждения электродвигателя постоянного тока должно быть обеспечено автоматическое снятие напряжения с якоря электродвигателя и наложение механического тормоза;

ж) отключение электродвигателя лебедки должно осуществляться, если преобразователь не пропускает поток энергии к электродвигателю при пуске, установившейся скорости и/или торможении или если поток энергии к электродвигателю не прекращается при остановке лифта и наложении механического тормоза;

и) дистанционное отключение преобразователя, питающего электродвигатель лебедки (если оно предусмотрено системой управления), должно быть возможно после наложения механического тормоза.

5.5.2.4 Отклонение рабочей скорости движения кабины от номинальной скорости не должно быть более 15%.

5.5.3 Система управления

5.5.3.1 Малые грузовые лифты должны иметь наружное управление.

5.5.3.2 Наружное управление малым грузовым лифтом может быть осуществлено с одной, нескольких или со всех погрузочных площадок. При управлении с одной площадки на ней должна быть предусмотрена сигнализация о вызове кабины с каждой погрузочной площадки.

5.5.3.3 У малого грузового лифта на погрузочных площадках, с которых осуществляют управление, должны быть установлены сигнальные устройства "Занято". Сигнал "Занято" должен быть включен при открытой любой двери шахты и во время движения кабины.

5.5.3.4 Малый грузовой лифт может иметь устройства для управления из машинного помещения или из запираемого устройства.

При этом управление должно быть возможно при:

а) исключении действия команд управления от аппаратов, установленных вне запираемого шкафа, кроме кнопки "Стоп"; при этом допускается исключать действие кнопок "Стоп", установленных на погрузочных площадках;

б) предотвращении воздействия подвижной отводки на автоматические замки дверей шахты у лифта, оборудованного такой отводкой;

в) исключении автоматического открывания дверей шахты и кабины;

г) обеспечении автоматической остановки кабины на уровне нижней и верхней этажных площадок;

д) включении сигнала "Занято";

е) замкнутых контактах выключателей безопасности, за исключением случаев, указанных в 5.5.3.6.

5.5.3.5 Для управления в соответствии с 5.5.3.4 должны быть применены кнопки для пуска кабины вверх и вниз, а также кнопка "Стоп".

После каждой остановки пуск кабины должен быть возможен только после вновь поданной команды управления.

5.5.3.6 Допускается движение кабины с использованием электродвигателя после срабатывания концевого выключателя, выключателей-ловителей, буферов, ограничителя скорости и шунтирования контактов этих выключателей контактом(ами) специального выключателя (переключателя); при этом должны быть выполнены следующие условия:

а) управление должно осуществляться только в соответствии с 5.5.3.4 При этом должно быть исключено действие команд управления от аппаратов, установленных вне этого помещения или шкафа (кроме кнопки "Стоп");

б) шунтирующий выключатель (переключатель) должен находиться в запираемом устройстве;

в) скорость движения кабины должна быть не более 0,5 м/с;

г) движение кабины должно осуществляться только вверх при шунтировании контактов выключателей-ловителей кабины и буферов, взаимодействующих с кабиной, а также концевого выключателя, срабатывающего при нахождении кабины в нижней части шахты;

д) движение кабины должно осуществляться только вниз при шунтировании контактов выключателей-ловителей противовеса и буферов, взаимодействующих с противовесом, а также концевого выключателя, срабатывающего при нахождении кабины и верхней части шахты.

5.5.3.7 В режиме 5.5.3.4 должна быть предусмотрена возможность наблюдения за работой привода или получения информации о направлении движения кабины.

После каждой остановки пуск кабины должен быть возможен только после вновь поданной команды управления.

При проведении испытаний допускается при работе лифта в режиме "нормальная работа" имитировать из машинного помещения или с устройства по 5.5.3.4 задание вызовов и приказов.

5.5.3.8 Система управления лифтом должна удовлетворять следующим требованиям:

а) при исчезновении электроснабжения лифта одновременно с отключением электродвигателя лебедки должна автоматически отключаться цепь управления.

После восстановления электроснабжения пуск кабины должен быть возможен только после подачи новой команды управления. Допускается автоматическое движение кабины на одну из этажных площадок для восстановления соответствия ее положения в шахте и состояния системы управления - "корректирующий рейс";

б) электрические контакты аппаратов, предназначенные непосредственно для отключения электродвигателя и обеспечения наложения механического тормоза, а также электрические контакты электрических устройств безопасности должны работать на размыкание электрической цепи;

в) индуктивные или емкостные помехи, возникающие при работе лифта или поступающие извне, не должны вызывать отказы электрических устройств безопасности.

5.5.3.9 Пуск и движение кабины должны быть невозможны при открытой двери кабины (или какой-либо створки в случае многостворчатой двери), за исключением случая, предусмотренного в 5.4.1.3.

Система управления лифтом должна исключать возможность выполнения новой команды управления, кроме команды "Стоп", подаваемой из машинного помещения или устройства управления по 5.5.3.4, до выполнения ранее поданной команды.

5.5.3.10 Электродвигатели должны быть защищены от перегрузок посредством устройств, прекращающих подачу питания на двигатель и возвращаемых в исходное положение вручную.

5.5.3.11 Остановка кабины, наложение механического тормоза и отключение электродвигателя должны происходить:

а) при достижении электродвигателем температуры, превышающей допустимую. Остановку кабины и наложение механического тормоза следует осуществлять на ближайшей по направлению движения этажной площадке или после выполнения лифтом команды управления (приказа). Допускается автоматический возврат к нормальному режиму эксплуатации только после снижения температуры до ее рабочего значения;

б) при коротком замыкании в силовых цепях и цепях безопасности;

в) при исчезновении возбуждения двигателя постоянного тока;

г) при срабатывании электрических устройств безопасности, за исключением случаев, указанных в 5.5.3.6, 5.5.4.13, 5.5.4.19.

5.5.3.12 Если питание обмоток в двигателе осуществляется от разных электрических цепей, то требования 5.5.3.11, перечисления а) и б), должны относиться к каждой из таких обмоток.

Двигатели лифтов с питанием от генераторов постоянного тока должны иметь защиту от перегрузок.

5.5.3.13 Лифт должен быть оборудован устройством, контролирующим перегрузку кабины и предотвращающим движение кабины при размещении в ней груза массой, превышающей номинальную грузоподъемность лифта на 10% для лифтов грузоподъемностью 100 кг и выше, на 20% - для лифтов грузоподъемностью до 100 кг во всех режимах работы. В режиме "нормальная работа" автоматические двери лифта при перегрузке должны оставаться открытыми.

5.5.3.14 Сигнализация о перегрузке должна быть выполнена в виде звукового и/или светового сигнального устройства.

5.5.3.15 Система управления лифта, оборудованного лебедкой с канатоведущим шкивом или барабаном трения, должна отключать привод:

а) если кабина, находящаяся на уровне этажной площадки, не приходит в движение после подачи команды на пуск;

б) если кабина или противовес во время движения вниз были остановлены препятствием, что вызвало проскальзывание канатов на канатоведущем шкиве или барабане трения.

Ограничение времени работы главного привода должно срабатывать за время, не превышающее 45 с.

Возврат в режим нормальной эксплуатации должен осуществлять обслуживающий персонал.

5.5.4 Электрические устройства безопасности, электрические цепи безопасности

5.5.4.1 Срабатывание электрического устройства безопасности должно предотвращать пуск электродвигателя главного привода или вызывать его остановку.

Электрические устройства безопасности должны быть включены в цепь безопасности, за исключением концевого выключателя, действующего в цепи главного тока электродвигателя.

5.5.4.2 В состав электрического устройства безопасности могут входить:

а) один или несколько контактов безопасности, соответствующих требованиям 5.5.4.5 и отключающих питание контакторов включения электродвигателя главного привода и тормоза лифта по 5.5.4.1;

б) электрические цепи безопасности, состоящие из следующих деталей или их сочетаний:

- одного или нескольких контактов безопасности по 5.5.4.5, напрямую не отключающих питание контакторов включения электродвигателя главного привода и тормоза лифта;

- иные контакты, не предусмотренные в 5.5.4.5;

- электронные компоненты;

- выходной сигнал, поступающий от электрического устройства безопасности, не должен изменяться при воздействии внешнего сигнала, поступающего от другого электрического устройства, размещенного в этой же цепи.

Электрические цепи, предназначенные для регистрации или задержки сигналов, искрогашения, даже в случае неисправности не должны препятствовать или задерживать размыкание цепи безопасности при срабатывании электрических устройств безопасности.

Для контактов безопасности должна быть предусмотрена изоляция на напряжение:

- 250 В - при степени защиты корпуса не менее IP4X;

- 500 В - при степени защиты корпуса менее IP4X.

5.5.4.3 Совмещение в электрическом устройстве безопасности функций устройства безопасности и рабочего устройства с использованием гальванически связанных контактов не допускается.

5.5.4.4 Для передачи выходного сигнала в электрических устройствах безопасности должны быть применены аппараты с контактным разрывом электрической цепи. Применение магнитоуправляемых контактов (герконов) не допускается.

5.5.4.5 Контакты безопасности должны иметь минимальную степень защиты IP4X (ГОСТ 14254) и механическую износоустойчивость (не менее 106 циклов переключения) или соответствовать указанным в 5.5.4.6 требованиям.

5.5.4.6 Срабатывание контакта безопасности должно проводиться путем размыкания контактной группы нормально замкнутого типа. Размыкание должно происходить, даже если контакты приварены друг к другу. Конструкция контакта безопасности должна быть такой, чтобы минимизировать риск короткого замыкания вследствие его неисправности.

Примечание - Принудительное размыкание достигается, когда элементы размыкания приводятся в разомкнутое состояние и на большей части пути между подвижными контактами и частью элемента, на которую воздействует усилие, размыкающее контакт, отсутствуют упругие элементы (например, пружины).

5.5.4.7 Допускается подключение к электрической цепи безопасности устройств для сбора информации. Применяемые для сбора информации устройства должны отвечать требованиям к электрическим цепям безопасности по 5.5.4.2. Не допускается включение параллельно электрическим контактам устройств безопасности каких-либо других электротехнических устройств или их шунтирование, за исключением случаев, приведенных в 5.5.3.6, 5.5.4.13, 5.5.4.19.

После переключения лифта в режим "нормальная работа" из режимов, указанных в 5.5.3.4 и 5.5.3.11, движение кабины должно быть возможно только после размыкания цепей, шунтирующих контакты электрических устройств безопасности, и восстановления их действия в системе управления.

Допускается параллельно контактам выключателей безопасности включать элементы для искрогашения или улучшения коммутации. Такие элементы должны соответствовать требованиям 5.5.4.2 к электрическим цепям безопасности.

5.5.4.8 К электрическим устройствам безопасности в лифтах относят устройства:

- контроля перехода кабиной лифта крайних этажных площадок (концевые выключатели) (см. 5.5.4.9);

- контроля закрытия двери шахты (см. 5.5.4.12);

- контроля натяжения ремней (см. 5.5.4.14);

- контроля запирания автоматического замка двери шахты (см. 5.5.4.15);

- контроля закрытия створки двери шахты, не оборудованной замком (см. 5.5.4.16);

- контроля закрытия двери шахты для технического обслуживания оборудования, или смотрового люка в шахте (см. 5.5.4.17);

- контроля закрытия двери кабины (см. 5.5.4.18);

- контроля возврата ограничителя скорости кабины в исходное положение (см. 5.5.4.19);

- для остановки лифта (выключатель, кнопка "Стоп") (см. 5.5.4.20);

- контроля срабатывания ловителей (см. 5.5.4.21);

- контроля обрыва или относительного перемещения тяговых элементов (см. 5.5.4.22);

- контроля обрыва или вытяжки каната ограничителя скорости (см. 5.5.4.23);

- контроля положения съемного устройства для ручного перемещения кабины (положения съемного штурвала) (см. 5.5.4.24);

- отключения цепей управления из шахты (см. 5.5.4.26);

- отключения цепей управления из блочного помещения (см. 5.5.4.27);

- контроля положения механических устройств для остановки кабины (см. 5.5.4.28).

5.5.4.9 Концевые выключатели. Общие сведения

Концевые выключатели должны быть установлены таким образом, чтобы остановка кабины происходила на верхнем и нижнем уровнях высоты подъема.

Концевые выключатели следует устанавливать таким образом, чтобы их срабатывание происходило как можно ближе к конечным положениям, без риска случайного срабатывания.

Концевые выключатели должны срабатывать до соприкосновения кабины (или противовеса, уравновешивающего груза) с буферами.

Концевые выключатели должны находиться в выключенном состоянии до тех пор, пока кабина (противовес, уравновешивающий груз) находится в соприкосновении с буфером.

5.5.4.10 Срабатывание концевых выключателей

5.5.4.10.1 Устройства, вызывающие срабатывание концевых выключателей, не следует использовать в качестве устройств для остановки кабины в зоне точной остановки.

5.5.4.10.2 В случае лифтов с позитивным приводом срабатывание концевых выключателей должно вызываться:

а) устройством, связанным с движением привода лифта, либо

б) кабиной и уравновешивающим грузом, если он используется, наверху шахты, либо

в) при отсутствии уравновешивающего груза кабиной наверху и внизу шахты.

5.5.4.10.3 Для лифтов с приводом трения срабатывание концевых выключателей должно вызываться:

а) непосредственно кабиной наверху и внизу шахты либо

б) устройством, которое подсоединено к кабине, например канатом, ремнем или цепью.

В случае перечисления б) лифт должен быть остановлен посредством электрического устройства безопасности согласно требованиям с 5.5.4.1 по 5.5.4.8, если произойдет обрыв или ослабление этого соединения.

5.5.4.11 Способ срабатывания концевых выключателей

Концевой(ые) выключатель(и) должен(ны):

а) принудительно размыкать цепь питания электродвигателя и тормоза или

б) размыкать электрическое устройство безопасности, отвечающее требованиям 5.5.4.1 - 5.5.4.8.

5.5.4.12 Электрическое устройство безопасности, контролирующее по 5.4.1.7 закрытие дверей шахты, должно размыкать по 5.5.4.5 цепь безопасности; движение кабины должно быть исключено, если хотя бы одна из створок дверей шахты не закрыта, за исключением случаев, указанных в 5.4.1.5.

5.5.4.13 Для обеспечения трогания кабины с уровня этажной площадки при незапертом автоматическом замке двери шахты по 5.4.1.5 допускается шунтирование контактов электрического устройства безопасности, контролирующего запирание автоматического замка при нахождении кабины в пределах +/- 200 мм от уровня этажной площадки.

5.5.4.14 Электрическое устройство безопасности, контролирующее натяжение ремней по 5.4.3.7, должно размыкать цепь безопасности при ослаблении натяжения ремней.

5.5.4.15 Электрические устройства безопасности, контролирующие по 5.4.1.7 запирание автоматических замков дверей шахты, должны размыкать цель безопасности при незапертых дверях.

5.5.4.16 Электрическое устройство безопасности, контролирующее по 5.4.1.7 закрытие непосредственно не связанных и не запираемых створок двери шахты, должно размыкать цепь безопасности при открытой любой одной створке двери шахты.

5.5.4.17 Электрическое устройство безопасности по 5.4.1.8 (см. последний абзац), контролирующее закрытие двери для технического обслуживания оборудования или смотрового люка, должно размыкать цепь безопасности при их открытии.

5.5.4.18 Электрическое устройство безопасности, контролирующее закрытие двери кабины, при ее наличии, должно размыкать цепь безопасности при ее открытии.

5.5.4.19 Электрическое устройство безопасности, контролирующее по 5.4.7.2.14 возврат ограничителя скорости в исходное состояние, должно размыкать цепь безопасности при невозвращении ограничителя скорости в исходное состояние. Допускается шунтировать указанное устройство при управлении лифтом из машинного помещения или с устройства по 5.5.3.4 для снятия кабины (противовеса) с ловителей.

5.5.4.20 Устройство в машинном помещении или на устройстве по 5.5.3.4 для остановки лифта должны размыкать цепь безопасности при ручном воздействии на них.

5.5.4.21 Электрическое устройство безопасности, контролирующее по 5.4.6.6 срабатывание ловителей, должно размыкать цепь безопасности при срабатывании ловителей.

5.5.4.22 Электрическое устройство безопасности, контролирующее по 5.4.9.7.3 обрыв или относительное перемещение (ослабление) тяговых элементов, должно размыкать цепь безопасности при обрыве или относительном перемещении (ослаблении) тяговых элементов.

5.5.4.23 Электрическое устройство безопасности, контролирующее по 5.4.7.2.9 обрыв или вытяжку каната ограничителя скорости, должно размыкать цепь безопасности при обрыве или вытяжке каната более регламентированного значения.

5.5.4.24 Электрическое устройство безопасности, контролирующее положение съемного штурвала по 5.4.3.11, перечисление а), должно размыкать цепь безопасности не позднее установки штурвала на лебедку.

5.5.4.25 Электрическое устройство безопасности, контролирующее возврат в исходное положение буфера энергорассеивающего типа по 5.4.8.4, должно размыкать цепь безопасности, если буфер не возвращается в исходное положение более чем на 50 мм.

5.5.4.26 Электрическое(ие) устройство(а) безопасности, устанавливаемое(ые) в шахте по 5.2.7.6 должно(ы) быть несамовозвратным(ыми) и размыкать цепь безопасности от ручного воздействия.

5.5.4.27 Электрическое устройство безопасности, устанавливаемое в блочном помещении по 5.2.7.6, должно быть несамовозвратным и размыкать цепь безопасности от ручного воздействия.

5.5.4.28 Электрическое устройство безопасности, контролирующее положение механических устройств для остановки кабины по 5.2.7.4, должно размыкать цепь безопасности при установке устройства.

5.5.5 Электропроводка и электрооборудование

5.5.5.1 Изолированные проводники цепей управления, освещения, сигнализации, силовых и др. напряжением не более 460 В, относящиеся к одному лифту, допускается прокладывать совместно (в одном пучке, одной трубе, одном коробе, одном кабеле и т.д.) при условии, что изоляция каждого из этих проводников рассчитана на самое высокое напряжение.

5.5.5.2 Присоединительные зажимы электрических машин, аппаратов и клеммных наборов должны соответствовать типу и сечению применяемого провода (кабеля).

Если после размыкания одного или нескольких главных выключателей некоторые клеммы остаются под напряжением, то они должны быть отделены от клемм, не находящихся под напряжением, а при напряжении на них более 50 В они должны быть промаркированы.

5.5.5.3 Электрическое оборудование лифта должно иметь необходимые символы и/или обозначения, облегчающие его наладку и обслуживание в соответствии со стандартами. Контакторы, реле, плавкие предохранители и клеммные наборы цепей, идущих к панелям управления, должны быть промаркированы в соответствии с электрической схемой. Необходимые данные предохранителя, такие как его номинал и тип, должны быть указаны или на самом предохранителе, или на его патроне.

Провода, подходящие к зажимам клеммных наборов, а также к зажимам электрооборудования, должны иметь маркировку. Допускается осуществлять маркировку проводов цветом.

5.5.5.4 Для защиты от механических повреждений защитная оболочка кабелей и проводов должна полностью заходить в корпус выключателей или других устройств или заканчиваться соответствующим уплотнением.

Закрытые каркасы дверей кабины и шахты лифта могут рассматриваться в качестве кожухов электрических устройств, однако при наличии опасности механического повреждения вследствие перемещения деталей или острых кромок самого каркаса провода, подключаемые к устройствам безопасности, должны иметь механическую защиту.

5.5.5.5 Конструкция и размещение электрических разъемов и других съемных электрических устройств, устанавливаемых в электрические цепи безопасности, должны исключать возможность их неправильной установки, если неправильное подключение таких устройств может привести к опасным сбоям в работе лифта.

5.5.5.6 Кабели и шланги токопровода должны быть размещены и укреплены таким образом, чтобы при движении кабины исключалась возможность их зацепления за находящиеся в шахте конструкции и их механического повреждения.

При применении для токопровода нескольких кабелей или шлангов они должны быть скреплены между собой.

5.5.5.7 Заземление электроустановок переменного и постоянною токов напряжением до 1 кВ в лифтах может быть выполнено по одной из следующих систем исполнений: TN-C, TN-S, TN-C-S, IT (система TN - система, в которой нейтраль источника питания глухо заземлена, а открытые проводящие части электрооборудования лифта присоединены к глухозаземленной нейтрали источника посредством нулевых защитных проводников).

Первая буква - состояние нейтрали источника питания относительно земли:

I - изолированная нейтраль, T - заземленная нейтраль.

Вторая буква - состояние открытых проводящих частей относительно земли:

T - открытые проводящие части заземлены, независимо от отношения к земле нейтрали источника питания или какой-либо точки питающей сети;

N - открытые проводящие части присоединены к глухозаземленной нейтрали источника питания.

Последующие (после N) буквы - совмещение в одном проводнике или разделение функций нулевого рабочего и нулевого защитного проводников:

- S - нулевой рабочий (N) и нулевой защитный (PE) проводники разделены;

- система TN-C - система TN, в которой нулевой защитный и нулевой рабочий проводники совмещены в одном проводнике на всем ее протяжении (см. рисунок 4);

1 - заземлитель нейтрали (средней точки) источника питания; 2 - открытые проводящие части; 3 - источник питания постоянного тока

Рисунок 4 - Система TN-C переменного (а) и постоянного (б) тока. Нулевой защитный и нулевой рабочий проводники совмещены в одном проводнике

- система TN-S - система TN, в которой нулевой защитный и нулевой рабочий проводники разделены на всем ее протяжении (см. рисунок 5);

1 - заземлитель нейтрали источника переменного тока; 1-1 - заземлитель вывода источника постоянного тока; 1-2 - заземлитель средней точки источника постоянного тока; 2 - открытые проводящие части; 3 - источник питания

Рисунок 5 - Система TN-S переменного (а) и постоянного (б) тока. Нулевой защитный и нулевой рабочий проводники разделены

- система TN-C-S - система TN, в которой функции нулевого защитного и нулевого рабочего проводников совмещены в одном проводнике в какой-то ее части, начиная от источника питания (см. рисунок 6);

1 - заземлитель нейтрали источника переменного тока; 1-1 - заземлитель вывода источника постоянного тока; 1-2 - заземлитель средней точки источника постоянного тока; 2 - открытые проводящие части; 3 - источник питания

C - функции нулевого защитного и нулевого рабочего проводников совмещены в одном проводнике (PEN-проводник);

- нулевой рабочий (нейтральный) проводник;

- защитный проводник (заземляющий проводник, нулевой защитный проводник, защитный проводник системы уравнивания потенциалов);

- совмещенный нулевой защитный и нулевой рабочий проводники.

Рисунок 6 - Система TN-C-S переменного (а) и постоянного (б) тока. Нулевой защитный и нулевой рабочий проводники совмещены в одном проводнике в части системы

- система IT - система, в которой нейтраль источника питания изолирована от земли или заземлена через приборы или устройства, имеющие большое сопротивление, а открытые проводящие части электрооборудования лифта заземлены (см. рисунок 7).

1 - сопротивление заземления нейтрали источника питания (если имеется); 2 - заземлитель; 3 - открытые проводящие части; 4 - заземляющее устройство электрооборудования лифта; 5 - источник питания

Рисунок 7 - Система IT переменного (а) и постоянного (б) токов

Открытые проводящие части электрооборудования лифта заземлены. Нейтраль источника питания изолирована от земли или заземлена через большое сопротивление.

В жилых и общественных зданиях рекомендуется выполнять питание электрооборудования лифта от сети - 380/220 В с системой заземления TN-S или TN-C-S.

При этом не допускаются:

- объединение нулевых защитных и нулевых рабочих проводников различных групповых линий;

- подключение на общий контакт нулевого рабочего и нулевого защитного проводников. Сечение нулевых рабочих проводников должно быть равно сечению фазных проводников. Сечение PEN-проводников должно быть не менее сечения N-проводников и не менее 10 мм2 по меди, независимо от сечения фазных проводников.

Сечение PE-проводников, не входящих в состав кабеля, должно быть не менее 2,5 мм2 при наличии механической защиты и 4 мм2 - при ее отсутствии.

Сечение PE-проводников должно равняться сечению фазных проводников при сечении последних до 16 мм2, 16 мм2 - при сечении фазных проводников от 16 до 35 мм2 и 50% сечения фазных проводников - при больших сечениях.

5.5.5.8 Заземление лифтового оборудования напряжением до 48 В включительно допускается выполнять многожильным медным проводом сечением не менее 1,5 мм2.

5.5.6 Освещение и розетки питания

5.5.6.1 Машинное и блочное помещения (при их наличии), погрузочные площадки перед дверями шахты должны быть оборудованы стационарным электрическим освещением. Настоящее требование не относится к области ответственности специализированных лифтовых организаций.

5.5.6.2 Освещение приямка малого грузового лифта не требуется.

5.5.6.3 Кабину малого грузового лифта допускается электрическим освещением не оборудовать.

5.5.6.4 Питание электрического освещения кабины, шахты и пространства дня размещения оборудования лифта, а также розеток для подключения инструмента может быть осуществлено от осветительной сети здания (сооружения).

5.5.6.5 При установке розеток для переносных ламп в помещении для размещения оборудования в приямке напряжение их питания должно быть не более 50 В.

5.5.6.6 Напряжение питания электрических розеток для подключения электрического инструмента должно быть не более 254 В.

5.5.6.7 Уровни освещенности должны быть (настоящее требование не относится к области ответственности специализированных лифтовых организаций):

- для зон проведения работ по техническому обслуживанию оборудования в шахте лифта - не менее 50 лк за счет стационарного или инвентарного электрического осветительного оборудования; настоящее требование не относится к области ответственности специализированных лифтовых организаций;

- для погрузочных площадок - не менее 50 лк на уровне пола стационарным электрическим освещением;

- для площадки перед входом в помещение, в котором размещено оборудование лифта, - не менее 50 лк на уровне пола стационарной осветительной аппаратурой;

- для машинного помещения (при наличии) - не менее 50 лк на уровне пола и не менее 200 лк для зоны размещения оборудования стационарной осветительной аппаратурой;

- для блочного помещения (при наличии) - не менее 50 лк на уровне пола и не менее 100 лк на блоках стационарной осветительной аппаратурой;

- для электрического оборудования, размещенного в шкафу управления по 5.3.3, - не менее 200 лк стационарной осветительной аппаратурой;

- для устройства управления по 5.5.3.4 - не менее 100 лк стационарной осветительной аппаратурой.

6 Документация

6.1 Каждый поставляемый лифт сопровождают технической документацией на государственном языке государства - члена ЕврАзЭС и/или на русском языке.

6.2 В зависимости от типа и вида конкретного лифта состав комплекта технической документации уточняет разработчик. Ответственность за комплектование документации несет поставщик лифтового оборудования.

6.3 В комплект технической документации лифта входят:

а) паспорт лифта, выполняемый по образцу (полностью или частично) в соответствии с приложением В.

К паспорту лифта прилагают (вшивают) документы (копии):

- копия сертификата на лифт, а также на противопожарные двери, копия сертификата на узлы безопасности (в случае, предусмотренном техническим регламентом [1]);

- монтажный чертеж (установочный чертеж), содержащий сведения и размеры, необходимые для проверки соответствия установки лифта требованиям настоящего стандарта.

На монтажном чертеже должны быть даны виды и разрезы, в том числе шахты, машинного и блочного помещений (при их наличии), дающие представление о расположении и взаимной связи составных частей лифта, с указанием размеров, регламентированных настоящим стандартом.

Эти чертежи не должны показывать детально конструкцию лифта, но в них должны быть указаны данные, необходимые для проверки на соответствие настоящему стандарту, и прежде всего:

1) краткая техническая характеристика лифта;

2) зазоры вверху шахты и в приямке;

3) доступ в приямок;

4) перегородки между лифтами при наличии в одной шахте нескольких лифтов;

5) местоположение и основные размеры машинного помещения, если таковое имеется, с указанием расположения привода и основного оборудования;

6) размеры канатоведущего шкива или барабана;

7) нагрузки на строительную часть от лифтовой установки;

8) доступ в машинное помещение;

9) местоположение и основные размеры блочного помещения, если таковое имеется. Расположение и размеры имеющихся там блоков;

10) расположение других устройств в блочном помещении;

11) доступ в блочное помещение;

12) размещение и основные размеры дверей шахты лифта на этажных площадках.

Необязательно показывать все двери, если они одинаковые и если указаны расстояния между их порогами;

13) размещение и размеры дверей для технического обслуживания, а также аварийных дверей;

14) размеры кабины и ее входных проемов;

15) расстояния между порогом двери кабины и порогом двери шахты;

16) расположение направляющих;

17) размеры и расположение буферов;

18) кинематическая схема лифта;

б) принципиальная электрическая схема с перечнем элементов схемы - два экземпляра;

в) инструкция по монтажу, пуску, регулированию и обкатке;

г) руководство по эксплуатации, содержащее:

- краткое описание лифта;

- правила пользования лифтом по назначению;

- условия и требования безопасной эксплуатации лифта, в том числе объем и периодичность выполнения регламентных работ на лифтовом оборудовании, порядок технического обслуживания, ремонта, утилизации, размещение информации о грузоподъемности лифта и запрещении транспортирования людей в кабине на каждой двери шахты;

- порядок проведения испытания;

- методику безопасной эвакуации людей из кабины;

- указание о сроке службы лифта;

- нормы браковки тяговых элементов;

д) описание электропривода и автоматики (допускается поставлять в составе Руководства по эксплуатации);

е) электрическая схема соединений лифта - два экземпляра;

ж) перечень документации, поставляемой с лифтом;

и) ведомости инструмента, принадлежностей и материалов, а также сведения о запасных частях, которые по рекомендации изготовителя или поставщика лифта могут быть включены в комплект поставки лифта. Объем приобретаемых инструментов, принадлежностей, запасных частей и материалов определяет заказчик лифта при заключении контракта на поставку лифтового оборудования;

к) другие документы по усмотрению производителя (поставщика) лифтового оборудования и/или по требованию заказчика, оговоренные в контракте поставки лифтового оборудования.

Количество комплектов документации при поставке нескольких лифтов одной модели определяется по соглашению между поставщиком и заказчиком лифта, но не менее одного комплекта на пять лифтов, при этом паспортом должен быть снабжен каждый лифт.

Владелец лифта обеспечивает хранение и поддержание в надлежащем состоянии технической документации на лифт.

Приложение А
(обязательное)

ТРЕБОВАНИЯ К РАЗМЕРАМ ОТВЕРСТИЙ В ОГРАЖДЕНИИ ДВИЖУЩИХСЯ ЧАСТЕЙ МЕХАНИЗМОВ В ЗАВИСИМОСТИ ОТ РАССТОЯНИЯ МЕЖДУ ОГРАЖДЕНИЕМ И ДВИЖУЩИМИСЯ ЧАСТЯМИ

Таблица А.1

Размер отверстия, мм Расстояние безопасности, нм
Форма отверстия
Прямоугольник (щель) Квадрат Круг
e <= 4 >= 2 >= 2 >= 2
4 < e <= 6 >= 10 >= 5 >= 5
6 < e <= 8 >= 20 >= 15 >= 15
8 < e <= 10 >= 80 >= 25 >= 20
10 < e <= 12 >= 100 >= 80 >= 80
12 < e <= 20 >= 120 >= 120 >= 120
20 < e <= 30 >= 850 <*> >= 120 >= 120
30 < e <= 40 >= 850 >= 200 >= 200
40 < e <= 120 >= 850 >= 850 >= 850
<*> Если длина прямоугольника более 65 мм, большой палец будет действовать как стопор и расстояние безопасности можно уменьшить до 200 мм.

Рисунок А.1 - Формы и размеры отверстия

Приложение Б
(обязательное)

КЛЮЧЕВИНА УСТРОЙСТВА ОТПИРАНИЯ ЗАМКА

Рисунок Б.1 - Ключевина устройства отпирания замка

Приложение В
(справочное)

ПАСПОРТ ЭЛЕКТРИЧЕСКОГО ЛИФТА

Сертификат соответствия лифта от "__" _____________
N    
Выдан    
   
наименование органа по сертификации, выдавшего сертификат соответствия  

В.1 Общие сведения

Предприятие-изготовитель (поставщик)  
Назначение лифта  
Модель (индекс) лифта  
Заводской номер  
Месяц и год изготовления  
Допустимая температура (минимальная и максимальная), °C, в:  
- машинном помещении  
- шахте  
Окружающая среда, в которой может эксплуатироваться лифт (климатические, сейсмические условия, относительная влажность, насыщенность пылью, агрессивная, взрывоопасная, пожароопасная)  
Нормативные документы и техническая документация, в соответствии с которыми изготовлен лифт (ГОСТ, ТУ и т.п.)  
Назначенный срок службы  
Номинальная грузоподъемность, кг  
Число пассажиров, не более  
Номинальная скорость движения кабины, м/с  
Скорость движения кабины в режиме "Ревизия", м/с  
Система управления  
Число остановок  
Число дверей шахты  
Высота подъема, м  
Сейсмичность  
Электрические цепи Род тока Напряжение, В (+/-) Частота, Гц
На вводном устройстве      
Силовая цепь:      
- привод лифта      
- привод дверей      
Цепь управления      
Цепь освещения для:      
- кабины      
- шахты      
- ремонтных работ      
Цепь сигнализации      

В.2 Основные технические данные и характеристики оборудования лифта

В.2.1 Лебедка

Тип (редукторная, безредукторная, с канатоведущим шкивом, с барабаном трения, барабанная, со звездочкой и т.д.)  
Заводской номер  
Год изготовления  
Передаточное число  
Межосевое расстояние передачи, мм  
Номинальный крутящий момент на выходном валу, Н·м  
Диаметр ведущего органа, мм  
Диаметр отводного блока, мм  
Масса, кг  

В.2.2 Тормоз

Тип (колодочный, дисковый, конусообразный и т.д.)  
Диаметр тормозного шкива (диска, барабана), мм  
Тормозной момент, Н·м  

В.2.3 Электродвигатели

Назначение Электродвигатель
лебедки привода дверей
Тип    
Род тока    
Напряжение, В    
Номинальный ток, А    
Частота, об/мин    
Мощность, кВт    
Допустимый нагрев обмоток двигателя, °C (класс изоляции)    
Частота вращения, об/мин    
ПВ, %    
Число включений в час    
Исполнение (нормальное, взрывозащитное, пылеводозащищенное, морское и т.д.), с указанием степени защиты    
Масса, кг    

В.2.4 Двери шахты

Конструкция (распашные, раздвижные, комбинированные, одно-, двухстворчатые или многостворчатые)  
Размер дверного проема в свету (ширина x высота), мм  
Способ открывания/закрывания (ручной, полуавтоматический, автоматический)  

В.2.5 Кабина

Внутренние размеры, мм:  
- ширина  
- глубина  
- высота  
Конструкция дверей (распашные, раздвижные, одно-, двухстворчатые или многостворчатые)  
Способ открывания или закрывания дверей (ручной, полуавтоматический, автоматический)  
Привод дверей (электрический, гидравлический, пневматический, пружинный и т.д.)  
Вид кабины (проходная, непроходная)  
Масса, кг  

В.2.6 Противовес

Масса, кг (в собранном виде)  

В.2.7 Тяговые и уравновешивающие элементы

Наименование Тяговый элемент Уравновешивающий элемент
кабины и противовеса противовеса ограничителя скорости
Вид (канат, цепь и т.п.)        
Тип        
Конструкция        
Условное обозначение        
Диаметр, шаг, размеры, мм        
Число элементов        
Длина одного элемента, включая длину, необходимую для крепления, м        
Разрывное усилие (разрушающая нагрузка), Н        
Коэффициент запаса прочности        
Примечание - Таблица заполняется по документации предприятия - изготовителя тягового элемента.

В.2.8 Устройства безопасности

В.2.8.1 Механические устройства

Наименование и характеристика Кабина
Ловители Тип (резкого, резкого с амортизирующим устройством, плавного торможения).  
Обозначение  
Приводятся в действие (от ограничителя скорости, устройства, срабатывающего от слабины всех тяговых канатов)  
Ограничитель скорости Тип (центробежный, маятниковый и т.д.).  
Обозначение  
Скорость движения кабины (противовеса), при которой срабатывает ограничитель скорости, м/с:  
- максимальная  
- минимальная  
Буфер Тип (жесткие упоры, энергонакопительного типа, энергорассеивающие и т.д.)  
Высота в свободном состоянии, мм  
Число, шт.  

В.2.8.2 Электрические устройства безопасности <*>

Контроль перехода кабиной уровня крайней верхней этажной площадки  
Контроль натяжения ремней  
Контроль закрытия двери шахты  
Контроль запирания автоматического замка двери шахты  
Контроль закрытия створки двери шахты, не оборудованной замком  
Контроль закрытия аварийной двери шахты  
Контроль закрытия двери для обслуживания в шахте  
Контроль закрытия смотрового люка в шахте  
Контроль закрытия двери кабины  
Контроль срабатывания ограничителя скорости кабины  
Контроль запирания автоматического замка дверей кабины  
Контроль запирания замка аварийной двери или люка кабины  
Контроль возврата ограничителя скорости кабины в исходное положение  
Для остановки лифта (выключатель, кнопка "Стоп", расположенная в машинном помещении или запираемом шкафу)  
Для остановки лифта (выключатель, кнопка "Стоп", расположенная на крыше кабины)  
Контроль срабатывания ловителей  
Контроль обрыва или относительного перемещения тяговых элементов  
Контроль обрыва или вытяжки каната ограничителя скорости  
Контроль натяжения уравновешивающих канатов  
Контроль срабатывания устройства, ограничивающего подскок натяжного устройства уравновешивающих канатов  
Контроль положения съемного устройства для ручного перемещения кабины (положения съемного штурвала)  
Контроль возвращения в исходное положение буфера энергорассеивающего типа  
Выключатель приямка  
Отключение цепей управления из блочного помещения  
Контроль положения площадки обслуживания  
Контроль положения механического устройства, обеспечивающего остановку кабины в верхней части шахты  
Контроль положения механического устройства, обеспечивающего остановку кабины в нижней части шахты  
Контроль положения складного щита под порогом кабины  
Контроль положения складных поручней на крыше кабины  
Контроль положения блокировочного устройства  
<*> Указаны устройства, устанавливаемые на лифте.  

В.3 Перечень документации, прилагаемой к паспорту лифта

Наименование документа Обозначение документа Количество листов
Монтажный чертеж    
Принципиальная электрическая схема с перечнем элементов    
Декларация о соответствии лифта требованиям Технического регламента Таможенного союза ТР ТС 011/2011 "Безопасность лифтов"    
Ведомость эксплуатационных документов    

(новая страница)

В.4 Сведения о местонахождении лифта

Наименование предприятия (организации) - владельца лифта Место установки лифта (город, улица, дом, корпус, подъезд) Дата установки
   
   
   

(две страницы)

В.5 Сведения о назначении ответственных специалистов

Дата и номер приказа (распоряжения) о назначении и закреплении Должность, фамилия, имя, отчество Подпись ответственного лица
   
   
   

(две страницы)

В.6 Сведения о назначении ответственных электромехаников

Дата и номер приказа (распоряжения) о назначении и закреплении Фамилия, имя, отчество Подпись ответственного лица
   
   
   

(пять страниц)

В.7 Сведения о ремонте и модернизации

Дата Сведения о ремонте и модернизации Подпись ответственного лица
   
   
   

(пять страниц)

В.8 Сведения о результатах технического освидетельствования и диагностирования

Дата Результаты технического освидетельствования и диагностирования Срок следующего освидетельствования или диагностирования
   
   
   

В паспорте пронумеровано __________ страниц и прошнуровано всего __________ листов, в том числе чертежей на __________ листах.

Место штампа "__" ____________ ____ год

БИБЛИОГРАФИЯ

[1] Технический регламент Таможенного союза ТР ТС 011/2011 Безопасность лифтов