Трубы и фасонные изделия стальные с тепловой изоляцией из пенополиуретана в полиэтиленовой оболочке. Технические условия. ГОСТ 30732-2001

(утв. Постановлением Госстроя РФ от 12.03.2001 N 19)
Редакция от 12.03.2001 — Документ не действует

МЕЖГОСУДАРСТВЕННЫЙ СТАНДАРТ

ТРУБЫ И ФАСОННЫЕ ИЗДЕЛИЯ СТАЛЬНЫЕ С ТЕПЛОВОЙ ИЗОЛЯЦИЕЙ ИЗ ПЕНОПОЛИУРЕТАНА В ПОЛИЭТИЛЕНОВОЙ ОБОЛОЧКЕ

ТЕХНИЧЕСКИЕ УСЛОВИЯ

Steel shaped pipes and products with foamed polyurethane thermal insulation In polyethylene jacket.
Technical specifications

ГОСТ 30732-2001

ОКП 49 3700

ОКС 91.120.10

Дата введения 2001-07-01

Предисловие

1 РАЗРАБОТАН Ассоциацией производителей и потребителей трубопроводов с индустриальной полимерной изоляцией. Государственным унитарным предприятием "Научно-исследовательский институт Московского строительства" (ГУП "НИИМосстрой"), Федеральным государственным унитарным предприятием - Центром методологии нормирования и стандартизации (ФГУП ЦНС) и группой специалистов

ВНЕСЕН Госстроем России

2 ПРИНЯТ Межгосударственной научно-технической комиссией по стандартизации, техническому нормированию и сертификации в строительстве (МНТКС) 30 мая 2001 г.

За принятие проголосовали

Наименование государства Наименование органа государственного управления строительством
Азербайджанская Республика Госстрой Азербайджанской Республики
Республика Казахстан Казстройкомитет Республики Казахстан
Кыргызская Республика Государственный Комитет по архитектуре и строительству при Правительстве Кыргызской Республики
Республика Молдова Министерство окружающей среды и благоустройства территорий Республики Молдова
Российская Федерация Госстрой России

3 ВВЕДЕН ВПЕРВЫЕ

4 ВВЕДЕН В ДЕЙСТВИЕ с 1 июля 2001 г. в качестве государственного стандарта Российской Федерации постановлением Госстроя России от 12.03.2001 г. N 19

ВНЕСЕНА поправка, опубликованная в БСТ, N 9, 2002 год

Введение

Стандарт на трубы и фасонные изделия стальные с тепловой изоляцией из пенополиуретана в полиэтиленовой оболочке составлен с учетом следующих европейских стандартов, разработанных Европейским Комитетом по Стандартизации (СЕN):

ЕN 253-1994 Трубопроводы сварные, предварительно изолированные для подземных систем горячего водоснабжения. - Система трубопроводов, состоящая из стального магистрального трубопровода с полиуретановой теплоизоляцией и наружной оболочкой из полиэтилена.

ЕN 448-1994 Трубопроводы сварные, предварительно изолированные для подземных систем горячего водоснабжения. - Сборная арматура из стальных разводящих труб с полиуретановой теплоизоляцией и наружной оболочкой из полиэтилена.

В настоящем стандарте значения следующих показателей соответствуют указанным в европейских нормах: плотности, прочности при сжатии при 10%-ной деформации, теплопроводности, водопоглощения, объемной доли закрытых пор. Кроме того, требования к пенополиуретану с точки зрения требований безопасности и охраны окружающей среды (класс опасности, категория взрывоопасности производства, группа горючести пенополиуретана, требования по утилизации отходов, образующихся при производстве труб, их вывозу и захоронению) также соответствуют требованиям европейских стандартов.

В разработке стандарта принимали участие: канд.техн.наук И.Л.Майзель (Ассоциация производителей и потребителей трубопроводов с индустриальной полимерной изоляцией), канд.техн.наук. А.В.Сладков, канд.техн.наук В.Г.Петров-Денисов (ГУП "НИИМосстрой"), канд.хим.наук И.В.Газуко, канд.техн.наук. В.Б.Ковалевский (ВНИИСТ), канд.техн.наук Я.А.Ковылянский, канд.техн.наук Г.Х.Умеркин (ОАО Объединение ВНИПИ "Энергопром"), Д.П.Смекалова, канд.техн.наук Ю.Л.Есипов (ОАО "Полимерсинтез"), канд.хим.наук М.Я.Царфин, Г.Г.Васьков (ООО НПП "Изолан"), Ю.У.Юнусов (Мосинжпроект), В.Г.Кухтин, Ф.Х.Кужбаев, Г.В.Булыгин (ЗАО "МосФлоулайн"), канд.экон.наук В.С.Ромейко, канд.техн.наук А.Ф.Аникин, канд.техн.наук А.Я.Добромыслов (ОАО НПО "Стройполимер"), Л.Е.Любецкий (АОЗТ "Ленгазтеплострой"), Ш.Н.Абайбуров (АОЗТ "Корпорация ТВЭЛ"), А.В.Новиков (Тепловые сети Мосэнерго), Ю.И.Максимов (ООО "Полимерстрой"), Н.Н.Арефьев (ЗТГНТ "Александра"). В.А.Глухарев (Госстрой России), Л.С.Васильева (ФГУП ЦНС).

1 Область применения

Настоящий стандарт распространяется на стальные трубы и фасонные изделия с тепловой изоляцией из пенополиуретана в полиэтиленовой оболочке (далее - изолированные трубы и изделия), предназначенные для подземной бесканальной прокладки тепловых сетей с расчетными параметрами теплоносителя: рабочим давлением до 1,6 МПа и температурой до 130 °С (допускается кратковременное повышение температуры до 150 °С).

2 Нормативные ссылки

Перечень нормативных документов, на которые даны ссылки в настоящем стандарте, приведен в приложении А.

3 Определения

В настоящем стандарте применяют следующие термины с соответствующими определениями.

Бесканальная прокладка - прокладка трубопровода непосредственно в грунте.

Фасонные детали и изделия - отводы, тройники, неподвижные опоры и другие элементы, предназначенные для соединения труб при строительстве трубопроводов тепловых сетей.

Прочность на сдвиг при осевой и тангенциальной нагрузках - способность изолированной трубы выдерживать нагрузку сдвига, действующую между тепловой изоляцией из пенополиуретана с полиэтиленовой оболочкой и стальной трубой в осевом и тангенциальном направлениях.

4 Основные параметры и размеры

4.1 Трубы и фасонные изделия могут быть двух типов по толщине изоляции: тип 1 - стандартный, тип 2 - усиленный (приложение Б).

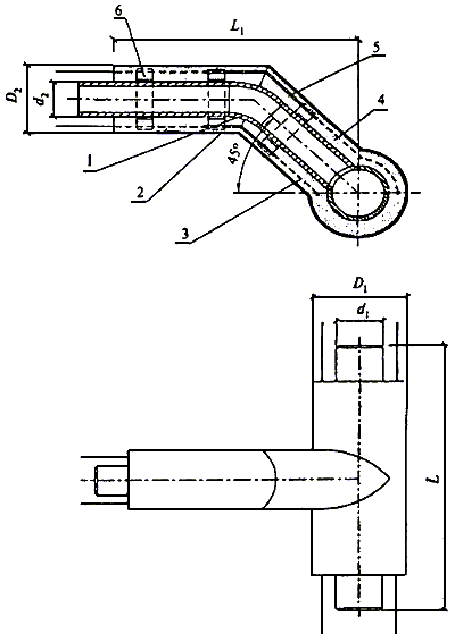
4.2 Размеры изолированных труб должны соответствовать значениям, указанным в таблице 1, конструкция - рисунку 1.

Таблица 1

В миллиметрах

Наружный диаметр стальных труб d Тип 1 Тип 2
Наружный диаметр изоляции по полиэтиленовой оболочке Толщина слоя пенополиуретана S Наружный диаметр изоляции по полиэтиленовой оболочке Толщина слоя пенополиуретана S
номинальный D предельное отклонение (+) номинальный D предельное отклонение (+)
57 125 3,7 31,5 140 4,1 38,5
76 140 4,1 29,0 160 4,7 39,0
89 160 4,7 32,5 180 5,4 42,5
108 180 5,4 33,0 200 5,9 43,0
133 225 6,6 42,5 250 7,4 54,5
159 250 7,4 41,5 280 8,3 55,5
219 315 9,8 42,0 355 10,4 62,0
273 400 11,7 57,0 450 13,2 81,5
325 450 13,2 55,5 500 14,6 79,5
426 560 16,3 58,2 630 16,3 92,5
530 710 20,4 78,9 - - -
630 800 23,4 72,5 - - -
720 900 26,3 76,0 - - -
820 1000 29,2 72,4 1100 32,1 122,5
920 1100 32,1 74,4 1200 35,1 120,5
1020 1200 35,1 70,4 - - -
Примечание - предельное отклонение учитывает возможность увеличения наружного диаметра полиэтиленовой оболочки после заливки пенополиуретана до 2% номинального диаметра

Рисунок 1: 1- центрирующая опора; 2 - изоляция из пенополиуретана; 3 - труба-оболочка из полиэтилена; 4 - стальная труба; 5 - проводники-индикаторы системы ОДК (показаны условно)

4.3 Размеры полиэтиленовых труб-оболочек и предельные отклонения от них должны соответствовать величинам, приведенным в таблице 2.

Таблица 2

В миллиметрах

Наружный диаметр D Толщина стенки
номинальный предельное отклонение (+) номинальная предельное отклонение (+)
125 1,2 2,5 0,5
140 1,3 3,0 0,5
160 1,5 3,0 0,5
180 1,7 3,0 0,5
200 1,8 3,2 0,5
225 2,1 3,5 0,6
250 2,3 3,9 0,7
280 2,6 4,4 0,7
315 2,9 4,9 0,7
355 3,2 5,6 0,8
400 3,6 6,3 0,8
450 4,1 7,0 0,9
500 4,5 7,8 1,0
560 5,0 8,8 1,1
630 5.7 9,8 1,2
710 6,4 11,1 1,3
800 7,2 12,5 2,5
900 8,1 14,0 2,9
1000 9,0 15,6 3,2
1100 9,9 7,6 3,5
1200 10,8 19,6 3,8

4.4 Тип, конструкция и размеры изолированных фасонных изделий, в том числе неподвижной опоры, указаны в приложении В.

Размеры фасонных изделий (кроме диаметров стальной трубы и полиэтиленовой трубы-оболочки) являются рекомендуемыми и определяются проектным решением.

Допускается изготавливать неподвижные опоры иной конструкции, отличной от приведенной на рисунке В.8 приложения В, в соответствии с нормативной документацией завода-изготовителя.

4.5 Расчетная масса одного метра длины изолированной трубы указана в приложении Г.

4.6 Условное обозначение изолированной трубы или фасонного изделия состоит из наименования изделия - "труба", "отвод" и т.д., сокращенного наименования материала трубы - Ст, наружного диаметра и толщины стенки трубы в миллиметрах, типа изоляции (1 или 2), сокращенного наименования материала изоляционной конструкции: пенополиуретан - ППУ, полиэтиленовая оболочка - ПЭ и номера настоящего стандарта. Примеры условных обозначений фасонных изделий приведены в приложении В.

Пример условного обозначения стальной трубы наружным диаметром 57 мм, толщиной стенки 3 мм с изоляцией типа 1 из пенополиуретана в полиэтиленовой оболочке:

Труба Ст 57х3-1-ППУ-ПЭ ГОСТ 30732-2001

5 Технические требования

5.1 Характеристики

Стальные трубы и фасонные детали

5.1.1 На поверхности стальных труб и деталей не должно быть трещин, рванин, закатов. Допускаются некоторые следы от ударов, мелкие вмятины, риски, тонкий слой окалины и следы от зачистки дефектов, если они не вызывают уменьшения толщины стенки, выводя ее за пределы минусовых допусков, регламентируемых соответствующими стандартами.

5.1.2 Поверхность стальных труб и фасонных деталей должна быть высушена и очищена от масла, жира, ржавчины, окалины, пыли до степени очистки 3 в соответствии с ГОСТ 9.402.

5.1.3 Соединение труб и фасонных деталей должно производиться сваркой встык с полным проваром (проплавленном) в соответствии с требованиями СНиП 3.05.03 и ПБ 03-75.

5.1.4 Для поперечных стыковых сварных соединений длина свободного прямого участка в каждую сторону от оси шва должна быть не менее 130 мм с учетом свободных от изоляции концов фасонных изделий.

5.1.5 Толщину стенки трубы и фасонных деталей определяют расчетом.

Рекомендуемая толщина стенки трубы и фасонных деталей приведена в приложении В.

5.1.6 Для сварных стыковых соединений элементов трубопровода с различной толщиной стенок должен быть обеспечен плавный переход от большего к меньшему сечению путем соответствующей односторонней или двухсторонней механической обработки конца элемента с более толстой стенкой.

Угол наклона поверхностей перехода не должен превышать 15°.

Полиэтиленовые трубы-оболочки

5.1.7 Трубы-оболочки должны соответствовать характеристикам, указанным в таблице 3.

Таблица 3

Показатель Значение
Качество поверхности Трубы-оболочки должны иметь гладкую наружную поверхность. Допускаются незначительные продольные полосы и волнистость, не выводящие толщину стенки трубы за пределы допускаемых отклонений. Внутренняя поверхность труб должна иметь шероховатость. На наружной, внутренней и торцевой поверхностях труб не допускаются пузыри, трещины, раковины, посторонние включения. Цвет труб - черный.
Предел текучести при растяжении, МПа, не менее 19
Относительное удлинение при разрыве, %, не менее 350
Изменение длины труб-оболочек после прогрева три 110 °С, %, не более 3
Стойкость при температуре 80 °С и постоянном внутреннем давлении, ч, не менее 1000
(при начальном напряжении в стенке трубы 3,2 МПа)

5.1.8 Концы труб-оболочек не должны иметь заусенцев.

5.1.9 Сварные швы труб-оболочек после заполнения пенополиуретаном должны быть герметичны.

Тепловая изоляция труб и фасонных изделий

5.1.10 Значения показателей тепловой изоляции труб и фасонных изделий должны соответствовать таблице 4.

Таблица 4

Показатель Значение
Плотность тепловой изоляции, кг/м3, не менее 60
Прочность при сжатии при 10%-ной деформации в радиальном направлении, МПа, не менее 0,3
Объемная доля закрытых пор, %, не менее 88
Водопоглощение при кипячении в течение 90 мин, % по объему, не более 10
Прочность на сдвиг в осевом направлении, МПа, не менее, при температуре:  
(23±2) °С 0,12
(140±2) °С* 0,08
Прочность на сдвиг в тангенциальном направлении, МПа, не менее, при температуре*:  
(23±2) °С 0,2
(140±2) °С 0,13
Радиальная ползучесть теплоизоляции при температуре испытания 140 °С, мм, не более, в течение*:  
100 ч 2,5
1000 ч 4,6
Теплопроводность при средней температуре 50 °С, Вт/м·°С, не более 0,033

* Определяется по требованию заказчика

5.1.11 Тепловую изоляцию наносят на всю длину стальных труб и фасонных изделий за исключением концевых участком, равных 150 мм при диаметре труб до 219 мм и 210 мм при диаметре 273 мм и более.

5.1.12 Отклонение осевых линий труб от осей полиэтиленовых труб-оболочек не должно превышать значений, указанных в таблице 5.

Таблица 5

В миллиметрах

Наружный диаметр полиэтиленовых труб-оболочек Отклонение осевых линий
До 160 3
Св. 160 до 400 включ. 5
" 400 " 630 " 8
" 630 " 800 " 10
" 800 " 1200 " 14

5.1.13 Торцы тепловой изоляции труб и фасонных изделий должны иметь гидроизоляционное покрытие.

5.1.14 Долговечность тепловой изоляции труб и фасонных изделий в зависимости от температуры теплоносителя должна быть не менее значений, рассчитанных по формуле (Д.2) приложения Д.

5.1.15 Срок службы тепловой изоляции труб и фасонных изделий должен составлять не менее 25 лет.

Расчетный срок службы тепловой изоляции при изменении марок пенополиуретана или технологии изготовления определяют по приложению Д.

5.2 Требования к сырью, материалам и комплектующим изделиям

5.2.1 Для изготовления изолированных труб следует использовать стальные трубы наружным диаметром от 57 до 1020 мм, длиной до 12 м, соответствующие требованиям ГОСТ 550, ГОСТ 8731, ГОСТ 8733, ГОСТ 10705, ГОСТ 20295, СНиП 2.04.07 и ПБ 03-75, а также требованиям нормативной документации завода-изготовителя, утвержденной в установленном порядке.

5.2.2 Стальные отводы, тройники, переходы и др. должны соответствовать требованиям ГОСТ 17375, ГОСТ 17376, ГОСТ 17378 и ГОСТ 17380.

5.2.3 Специальные стальные фасонные изделия и детали должны соответствовать нормативной документации завода-изготовителя.

5.2.4 Для изготовления полиэтиленовых труб-оболочек должен применяться термосветостабилизированный полиэтилен низкого давления высокой плотности черного цвета, выпускаемый по ГОСТ 16338.

Допускается применение других марок полиэтилена, которые по показателям свойств труб-оболочек отвечают требованиям ГОСТ 18599 и настоящего стандарта.

5.2.5 Для изготовления труб-оболочек допускается использование чистых отходов полиэтилена от производства труб-оболочек в количестве не более 10% по массе.

5.2.6 Для теплоизоляционного слоя должны использоваться озонобезопасные системы жестких пенополиуретанов.

5.2.7 Центрирующие опоры должны быть изготовлены из литьевых марок полипропилена по ГОСТ 26996. Допускается изготовление центрирующих опор из полиэтилена низкого давления. Допускается изготовление комбинированных опор с опорной частью из полипропилена или полиэтилена и стягивающих поясов из металлической или полимерной ленты.

5.2.8 Теплоизоляция стальных труб и фасонных изделий и деталей должна иметь не менее двух линейных проводников-индикаторов системы оперативного дистанционного контроля (ОДК) состояния влажности пенополиуретана в процессе эксплуатации теплопровода.

5.3 Маркировка

5.3.1 На поверхности полиэтиленовой оболочки изолированной трубы или фасонного изделия на расстоянии не менее 200 мм от торца изоляции с помощью трафарета или штампа должна быть нанесена светлой несмываемой краской маркировка. Допускается маркировка на бирке (этикетке), прикрепляемой к стальной трубе изделия или полиэтиленовой оболочке.

5.3.2 Маркировка должна содержать:

- условное обозначение изделия;

- товарный знак или наименование предприятия-изготовителя;

- номер партии (контракта);

- дату изготовления.

6 Требования безопасности

6.1 При изготовлении изолированных труб и фасонных изделий необходимо соблюдать указания по технике безопасности, изложенные в технических условиях на применяемые материалы, и в технологической инструкции на производство.

6.2 Основные требования к безопасности технологических процессов, хранению и транспортированию химических веществ должны соответствовать ГОСТ 12.3.008.

6.3 При выполнении работ с изолированными трубами необходимо соблюдать требования безопасности согласно СНиП III-4, ГОСТ 12.3.016, ГОСТ 12.3.038.

6.4 Теплоизоляция из пенополиуретана в полиэтиленовой оболочке при нормальных условиях не выделяет в окружающую среду токсичных веществ и не оказывает вредного воздействия на организм человека при непосредственном контакте с ней. Ее применение не требует специальных мер предосторожности. Класс опасности 4 по ГОСТ 12.1.007.

6.5 Категория взрывоопасности производства - В 3 по правилам определения категории помещений и зданий по взрывопожарной и пожарной опасности. Материалы теплоизоляции относятся к группе горючих Г 4.

6.6 К работе по нанесению ППУ, получению полиэтиленовых оболочек допускаются лица не моложе 18 лет, прошедшие медицинское освидетельствование, инструктаж и обучение по технике безопасности по утвержденной программе с последующими периодическими проверками знаний и имеющие допуск к самостоятельной работе.

6.7 Работа по производству пенополиуретановой изоляции (подготовка компонентов, подготовка труб и заливка композиции и др.) должна производиться в спецодежде с применением индивидуальных средств зашиты (костюм х/б, обувь, перчатки резиновые, рукавицы х/б, очки защитные, респиратор).

6.8 На участке по заливке пенополиуретана должны находиться средства нейтрализации применяемых веществ (5-10%-ный раствор аммиака, 5%-ный раствор соляной кислоты), а также аптечка первой помощи с медикаментами (1,3%-ный раствор поваренной соли, 5%-ный раствор борной кислоты, 2%-ный раствор питьевой соды, йод, бинт, вата, резиновый жгут).

6.9 Не допускается воздействие огня в виде открытого пламени или искр, а также воздействие температуры выше 120 °С на тепловую изоляцию по длине трубы и в торцевых сечениях.

6.10 Температура воспламенения пенополиуретана 550-600 °С. При горении из пенополиуретана выделяются высокотоксичные продукты. В случае загорания пламя необходимо тушить в изолирующем противогазе. Тушение можно производить любыми средствами пожаротушения.

7 Охрана окружающей среды

7.1 Для охраны атмосферного воздуха должен быть организован контроль за соблюдением предельно допустимых выбросов по ГОСТ 17.2.3.02. Плановый лабораторный контроль за содержанием вредных веществ в атмосферном воздухе необходимо выполнять по графику, согласованному с территориальными органами Госсанэпиднадзора.

7.2 Промышленные отходы, образующиеся при производстве пенополиуретана, подлежат утилизации в соответствии с СанПиН 3183 Минздрава России.

Неутилизованные компоненты для производства пенополиуретана (полиол и полиизоцианат) подлежат вывозу и захоронению по согласованию с органами Госсанэпиднадзора России.

7.3 Отходы пенополиуретана могут захораниваться на общих свалках по согласованию с территориальными органами Госсанэпиднадзора России.

8 Правила приемки

8.1 Изолированные трубы и фасонные изделия должны быть приняты отделом технического контроля предприятия-изготовителя.

8.2 Трубы и фасонные изделия принимают партиями. Партией считают число труб или фасонных изделий одного типоразмера, изготовленных за 24 ч, или не более 100 шт. изделий на одной технологической линии из одной партии и марки сырья, сопровождаемых одним документом о качестве.

8.3 Для проверки соответствия изолированных труб и фасонных изделий требованиям настоящего стандарта проводят приемосдаточные и периодические испытания, приведенные в таблице 6.

Таблица 6

Показатель Номер пункта Вид испытаний Объем выборки от партии
технические требования методы испытания приемо - сдаточные периодические
Качество поверхности изолированной трубы, маркировка, герметичность сварных швов трубы-оболочки 5.1.7-5.1.9, 5.3 9.3, 9.10 + - 100%
Основные размеры 4.2-4.4 9.4-9.8 + - Не менее 5 шт.
Отклонение осевых линий 5.1.12 9.9 + - То же
Относительное удлинение при разрыве полиэтиленовой трубы-оболочки 5.1.7 9.16 - + 3 шт.
Стойкость полиэтиленовой оболочки при температуре 80 °С и постоянном внутреннем давлении 5.1.7 9.23 - * 3 шт.
Изменение длины трубы-оболочки после прогрева 5.1.7 9.5 - + 3 шт.
Плотность пенополиуретана 5.1.10 9.11 + - 3%, но не менее 3 шт.
Прочность пенополиуретана при сжатии при 10%-ной деформации в радиальном направлении 5.1.10 9.11 + - То же
Водопоглощение пенополиуретана при кипячении 5.1.10 9.15 + - "
Объемная доля закрытых пор 5.1.10 9.11 - + 3 шт.
Теплопроводность пенополиуретана 5.1.10 9.11 - + 3 шт.
Прочность на сдвиг в осевом направлении при температуре испытаний 23 °С 5.1.10 9.18 - + 3 шт.
Прочность на сдвиг в осевом направлении при температуре 140 °С 5.1.10 9.19 - * 3 шт.
Прочность на сдвиг в тангенциальном направлении при температуре 23 °С 5.1.10 9.20 - * 3 шт.
Прочность на сдвиг в тангенциальном направлении при температуре 140 °С 5.1.10 9.21 - * 3 шт.
Радиальная ползучесть изоляции при температуре 140 °С 5.1.10 9.22 - * 3 шт.

Примечание - Знак "+" означает, что испытания проводят;

знак "-" означает, что испытания не проводят;

знак "*" означает, что испытания проводят по требованию заказчика с 01.01.2005 г.

При приемосдаточных испытаниях проверке подвергают каждую партию. Периодические испытания проводят не реже двух раз в год.

8.4 Для проведения испытаний продукцию отбирают от партии методом случайного отбора по ГОСТ 18321.

Из середины и с обеих сторон трубы на расстоянии не менее 0,5 м от концов изоляции и не менее 0,1 м в случае фасонного изделия вырезают фрагменты теплоизоляционного слоя с защитной оболочкой.

С тройниковых ответвлений отбор фрагментов производят как с основной трубы, так и с одного из ответвлений.

8.5 При соответствии изолированной трубы и фасонного изделия требованиям настоящего стандарта партию считают принятой. При получении неудовлетворительных результатов хотя бы по одному показателю проводят повторную проверку по этому показателю на удвоенном числе образцов, отобранных из той же партии. В случае неудовлетворительных результатов повторной проверки партия изделий приемке не подлежит.

8.6 Перед началом производства изделий из новых композиций сырьевых материалов или при изменении технологических режимов предприятие-изготовитель обязано проводить типовые испытания.

Типовые испытания проводят по всем показателям, предусмотренным настоящим стандартом. При изготовлении новой оснастки проводят контроль размеров по рабочим чертежам.

8.7 Каждую партию сопровождают документом о качестве, который должен содержать:

- наименование предприятия-изготовителя или его товарный знак;

- условное обозначение изделия;

- номер партии;

- размер партии;

- результаты испытаний;

- отметку отдела технического контроля;

- дату изготовления.

9 Методы испытаний

9.1 Входной контроль сырья, материалов, покупных изделий проводят на основании документации на них.

9.2 Испытания образцов следует проводить не ранее, чем через 24 ч после нанесения пенополиуретана на трубы и фасонные изделия.

9.3 Качество поверхности и маркировку проверяют визуально без применения увеличительных приборов сравнением контролируемого изделия с образцом-эталоном, утвержденным в установленном порядке.

9.4 Для контроля геометрических размеров: наружного диаметра, длины неизолированных концов труб и фасонных элементов, длины и толщины полиэтиленовой оболочки, длины трубы, толщины теплоизоляционного слоя применяют штангенциркуль по ГОСТ 166, линейки по ГОСТ 427, рулетки по ГОСТ 7502.

Допускается применять другие измерительные инструменты, обеспечивающие соответствующую точность.

9.5 Наружный диаметр изолированной трубы рассчитывают по формуле (1). Предварительно проводят измерение периметра в двух местах поверх полиэтиленовой оболочки на расстоянии не менее 500 мм от торца изоляции.

(1)

где P - периметр поперечного сечения трубы с изоляцией, мм;

B - толщина ленты рулетки, мм;

0,2 - погрешность при замере периметра за счет перекоса рулетки при совмещении деления, мм.

9.6 Толщину стенки полиэтиленовой оболочки замеряют в четырех равномерно распределенных по окружности точках торца с точностью до 0,1 мм.

9.7 Длину полиэтиленовой оболочки, стальной трубы и неизолированных концов замеряют с точностью до 5 мм по наружной поверхности труб вдоль их оси.

9.8 Толщину теплоизоляционного слоя замеряют штангенциркулем или металлической линейкой с точностью 0,1 мм.

9.9 Отклонение осевой линии стальной трубы от оси полиэтиленовой оболочки в неторцевых сечениях определяют измерением расстояний от наружной поверхности полиэтиленовой трубы-оболочки до поверхности стальной трубы в положениях 12, 6, 9, 3 ч с последующим расчетом:

(2)

где

- расстояние от верхнего края полиэтиленовой трубы-оболочки до поверхности стальной трубы, измеренное соответственно в положениях 12, 6, 9, 3 ч.

Измерения проводят не менее чем в трех точках по длине трубы.

9.10 Герметичность сварных швов трубы-оболочки после заполнения ППУ проверяют визуально по всей длине сварных швов.

9.11 Плотность пенополиуретана определяют по ГОСТ 17177 или ГОСТ 409; прочность при сжатии при 10%-ной деформации в радиальном направлении - по ГОСТ 17177 или ГОСТ 23206. Теплопроводность определяют по ГОСТ 7076 или ГОСТ 30256 или по методу "трубы" (приложение Е). Объемную долю закрытых пор определяют по методике, изложенной в приложении Ж.

9.12 Для изготовления образцов отделяют слой пенополиуретана от полиэтиленовой оболочки.

Пенополиуретановые и полиэтиленовые образцы должны быть отобраны с разных равномерно распределенных мест по окружности фрагмента.

С пенополиуретановых образцов удаляют слои пенопласта, непосредственно прилегавшие к стальной трубе и к полиэтиленовой оболочке, максимально возможной толщины, но не менее 3 мм.

Образцы должны иметь форму прямоугольного параллелепипеда размером 30х30хl мм или цилиндра диаметром 30 мм и длиной l, где l - максимально достижимый размер в радиальном направлении, но не превышающий 30 мм.

Для испытания пенополиуретана контрольные образцы могут быть получены вспениванием в закрытой металлической форме размером 500х300х80 мм.

Число образцов должно быть не менее трех, полученных из каждого изделия.

Допускается восстановление теплоизолированных труб и изделий в местах отбора контрольных образцов с сохранением всех свойств пенополиуретана и полиэтиленовой трубы-оболочки.

9.13 Перед проведением испытаний образцы пенополиуретана кондиционируют при комнатной температуре в течение времени, указанного в технических условиях на данную композицию.

Образцы полиэтилена кондиционируют при комнатной температуре в течение 16 ч.

9.14 Образцы пенополиуретана должны иметь равномерную мелкоячеистую структуру. Исключается наличие трещин, пустот посторонних примесей и т.п.

9.15 Водопоглощение пенополиуретана определяют следующим образом.

Определяют массу образца m0 с точностью до 0,01 г, объем образца V0 с точностью до 0,1 мл на 5 образцах. Образец выдерживают в кипящей воде (дистиллированной) 90 мин, а затем в воде с температурой 20 °С в течение 60 мин. После истечения указанного времени с образца удаляют капли воды фильтровальной бумагой или мягкой тканью и определяют массу m1 с точностью до 0,01 г. Водопоглощение W, %, определяют по формуле

(3)

где - плотность воды, г/см3.

За результат измерений принимают среднеарифметическое значение водопоглощения 5 образцов.

9.16 Предел текучести при растяжении и относительное удлинение при разрыве полиэтилена определяют по ГОСТ 11262 со следующими дополнениями.

Толщина образца-лопатки должна быть равна толщине стенки оболочки. Образцы-лопатки вырубают из отрезков оболочек так, чтобы ось образца-лопатки была параллельна образующей трубы. Испытания проводят при скорости перемещения захватов разрывной машины 50 мм/мин.

9.17 Изменение длины полиэтиленовой трубы-оболочки после нагрева при 110 °С и выдержки в течение 1 ч определяют по ГОСТ 27078.

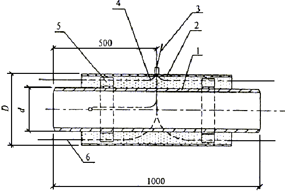
9.18 Прочность трубы на сдвиг в осевом направлении определяют при комнатной температуре (23±2) °С на образце, отрезанном под прямым углом к оси стальной трубы, длина которого составляет 2,5 толщины изоляции, но не менее 200 мм (рисунок 2). На образец прикладывают осевую нагрузку со скоростью не более 5 мм/мин, фиксируют осевую нагрузку и рассчитывают прочность сдвига. За результат принимают среднеарифметическое значение трех измерений.

Рисунок 2: 1 - стальная труба; 2 - труба-оболочка из полиэтилена; 3 - изоляция из пенополиуретана; 4 - направляющее кольцо; 5 - плита основания машины для испытания

Прочность на сдвиг в осевом направлении , МПа, рассчитывают по формуле

(4)

где - осевая нагрузка, Н;

L - длина образца, мм;

d - наружный диаметр трубы, мм.

9.19 Прочность на сдвиг в осевом направлении при температуре (140±2) °С определяют в соответствии с требованиями настоящего стандарта при нагреве стальной трубы в течение 30 мин до 140 °С и ее выдержке при этой температуре в течение 30 мин до приложения нагрузки.

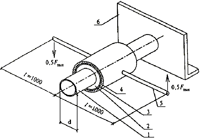
9.20 Прочность на сдвиг в тангенциальном направлении при температуре (23±2) °С определяют на отдельно изготовленном образце или на фрагменте изолированной трубы, из которой выделяют поперечными разрезами до стальной трубы слой тепловой изоляции длиной, равной 0,75 диаметра стальной трубы, но не менее 100 мм (рисунок 3).

Рисунок 3: 1 - стальная труба; 2 - изоляция из пенополиуретана; 3 - труба-оболочка из полиэтилена; 4 - хомут; 5 - рычаг; 6 - неподвижная опора

Тангенциальную нагрузку прилагают к полиэтиленовой оболочке с помощью двух рычагов длиной по 1000 мм, расположенных соосно горизонтально с двух сторон оболочки. Скорость приложения нагрузки к концам рычагов должна быть равна 25 мм/мин.

Прочность на сдвиг в тангенциальном направлении , МПа, рассчитывают по формуле

(5)

где - тангенциальная нагрузка, Н;

L - длина образца, мм;

l - наружный диаметр трубы, мм;

l - длина каждого рычага, мм.

9.21 Прочность на сдвиг в тангенциальном направлении при температуре (140±2) °С определяют в соответствии с 9.20 на образцах изолированных труб длиной 3 м на выделенных не менее трех участках тепловой изоляции, расположенных на расстоянии не менее 1 м от торцов теплоизоляции. При этом по трубе пропускают теплоноситель с температурой 170 °С в течение 1450 ч.

Затем температуру теплоносителя снижают до 140 °С и после выдержки в течение суток определяют значение прочности по 9.20.

9.22 Радиальную ползучесть тепловой изоляции труб определяют на трех образцах с диаметром стальной трубы 57 мм, наружным диаметром полиэтиленовой оболочки 125 мм и длиной теплоизоляции 250 мм на выделенном поперечными разрезами фрагменте тепловой изоляции длиной 100 мм.

Свободные от тепловой изоляции концы стальных труб должны опираться на скользящие опоры согласно рисунку 4.

Рисунок 4: 1 - стальная труба; 2 - индикатор; 3 - труба-оболочка из полиэтилена и изоляция из пенополиуретана;4 - приспособление для приложения нагрузки; 5 - опора

По образцам пропускают теплоноситель с температурой (140±2) °С в течение одной недели, после чего к фрагменту изоляции прилагают вертикальную нагрузку (1,5±0,01) кН (рисунок 4).

Радиальную ползучесть тепловой изоляции замеряют в верхней части середины фрагмента до начала нагрузки (исходное значение) и в период воздействия нагрузки через 100 ч и через 1000 ч.

Замеры производят индикатором часового типа с точностью до 0,05 мм.

Величину радиальной ползучести определяют как среднеарифметическое значение результатов испытаний трех образцов.

9.23 Стойкость полиэтиленовой оболочки при постоянном внутреннем давлении определяют на образцах трубы-оболочки по ГОСТ 24157.

10 Транспортирование и хранение

10.1 Перевозку изолированных труб и фасонных изделий осуществляют автомобильным, железнодорожным и водным транспортом в соответствии с правилами перевозки грузов, обеспечивающими сохранность изоляции и исключающими возникновение продольного прогиба.

10.2 Перевозку труб и фасонных изделий, погрузочно-разгрузочные работы осуществляют в интервале температур, указанных для проведения строительно-монтажных работ, но не ниже минус 18 °С.

10.3 Для погрузки и разгрузки труб и фасонных изделий следует применять специальные траверсы и мягкие полотенца шириной 50-200 мм. Не допускается использовать цепи, канаты и другие грузозахватные устройства, вызывающие повреждение изоляции.

Для труб диаметром более 108 мм возможно использование торцевых захватов со специальными траверсами.

10.4 Строго запрещается сбрасывание, скатывание, соударение труб, волочение их по земле.

10.5 Укладку труб в транспортные средства необходимо производить ровными рядами, не допуская перехлестов. В качестве амортизатора между трубами с целью исключения повреждения покрытия следует использовать поролон, резину и т.п.

Для обеспечения свободного пропуска обвязок между трубами и дном кузова автомашины укладывают прокладки.

Не допускается раскатывание нижнего ряда труб при транспортировании.

10.6 Трубы и фасонные изделия должны храниться на ровных горизонтальных площадках, очищенных от камней и других посторонних предметов, которые могут привести к повреждению полиэтиленовой оболочки.

10.7 Складирование труб производят штабелями высотой не более 2 м. Для предотвращения раскатывания труб в штабелях должны быть установлены боковые опоры. В штабеле должны быть уложены трубы одного типоразмера.

10.8 Фасонные изделия хранят в специально отведенных для них местах, рассортированными по виду и диаметрам.

10.9 Трубы и фасонные изделия при хранении более 2 недель на открытом воздухе должны быть защищены от воздействия прямых солнечных лучей (в тени, под навесом или прикрыты рулонными материалами).

Торцы труб должны быть защищены заглушками.

10.10 На строительных площадках трубы следует укладывать на песчаные подушки шириной до 1,2 м и высотой не менее 300 мм, отсыпанные перпендикулярно длине труб, под концы и середину трубы.

Для предупреждения попадания воды в теплоизоляционный слой с торцов крайние песчаные подушки располагают на расстоянии около 1 м от концов оболочки.

10.11 Не допускается складирование и хранение труб и фасонных изделий в местах, подверженных затоплению водой.

11 Гарантии изготовителя

11.1 Изготовитель гарантирует соответствие труб и изделий требованиям настоящего стандарта при соблюдении правил транспортирования, хранения, монтажа и эксплуатации.

11.2 Гарантийный срок хранения - 2 года со дня изготовления. Гарантийный срок эксплуатации - 5 лет со дня отгрузки изготовителем.

ПРИЛОЖЕНИЕ А
(справочное)

ПЕРЕЧЕНЬ
НОРМАТИВНЫХ ДОКУМЕНТОВ, ССЫЛКИ НА КОТОРЫЕ ПРИВЕДЕНЫ В НАСТОЯЩЕМ СТАНДАРТЕ

ГОСТ 9.402-80 ЕСЗКС. Покрытия лакокрасочные. Подготовка металлических поверхностей перед окрашиванием

ГОСТ 12.1.007-76 ССБТ. Вредные вещества. Классификация и общие требования безопасности

ГОСТ 12.3.008-75 ССБТ. Производство покрытий металлических и неметаллических неорганических. Общие требования безопасности

ГОСТ 12.3.016-87 ССБТ. Строительство. Работы антикоррозионные. Требования безопасности

ГОСТ 12.3.038-85 ССБТ. Строительство. Работы по тепловой изоляции оборудования и трубопроводов. Требования безопасности

ГОСТ 17.2.3.02-78 Охрана природы. Атмосфера. Правила установления допустимых выбросов вредных веществ промышленными предприятиями

ГОСТ 166-89 Штангенциркули. Технические условия

ГОСТ 409-77 Пластмассы ячеистые и резины губчатые. Метод определения кажущейся плотности

ГОСТ 427-75 Линейки измерительные металлические. Технические условия

ГОСТ 550-75 Трубы стальные бесшовные для нефтеперерабатывающей и нефтехимической промышленности. Технические условия

ГОСТ 7076-99 Материалы и изделия строительные. Метод определения теплопроводности и термического сопротивления при стационарном тепловом режиме

ГОСТ 7502-98 Рулетки измерительные металлические. Технические условия

ГОСТ 8731-74 Трубы стальные бесшовные горячедеформированные. Технические требования

ГОСТ 8733-74 Трубы стальные бесшовные холоднодеформированные и теплодеформированные. Технические требования

ГОСТ 10705-80 Трубы стальные электросварные. Технические условия

ГОСТ 11262-80 Пластмассы. Метод испытания на растяжение

ГОСТ 16338-85 Полиэтилен низкого давления. Технические условия

ГОСТ 17177-94 Материалы и изделия строительные теплоизоляционные. Методы испытаний

ГОСТ 17375-83 Детали трубопроводов стальные бесшовные приварные на 10 МПа ( 100 кгс/см ). Отводы крутоизогнутые. Конструкция и размеры

ГОСТ 17376-83 Детали трубопроводов стальные бесшовные приварные на 10 МПа ( 100 кгс/см ). Тройники. Конструкция и размеры

ГОСТ 17378-83 Детали трубопроводов стальные бесшовные приварные на 10 МПа ( 100 кгс/см ). Переходы. Конструкция и размеры

ГОСТ 17380-83 Детали трубопроводов стальные бесшовные приварные на 10 МПа ( 100 кгс/см ). Технические условия

ГОСТ 18321-73 Статистический контроль качества. Методы случайного отбора выборок штучной продукции

ГОСТ 18599-83 Трубы напорные из полиэтилена. Технические условия

ГОСТ 20295-85 Трубы стальные сварные для магистральных газонефтепроводов. Технические условия

ГОСТ 22056-76 Трубки электроизоляционные из фторопласта 4Д и 4ДМ. Технические условия

ГОСТ 23206-78 Пластмассы ячеистые жесткие. Метод испытания на сжатие

ГОСТ 24157-80 Трубы из пластмасс. Метод определения стойкости при постоянном внутреннем давлении

ГОСТ 26996-86 Полипропилен и сополимеры пропилена. Технические условия

ГОСТ 27078-86 Трубы из термопластов. Методы определения изменения длины труб после прогрева

ГОСТ 30256-94 Материалы и изделия строительные. Метод определения теплопроводности цилиндрическим зондом

СНиП 23-01-99 Строительная климатология

СНиП 2.04.07-86 Тепловые сети

СНиП 2.04.14-88 Тепловая изоляция оборудования и трубопроводов

СНиП 3.05.03-85 Тепловые сети

СНиП III-4-80* Техника безопасности в строительстве

ПБ 03-75-94 Правила устройства и безопасной эксплуатации трубопроводов пара и горячей воды

СанПиН 3183-84 Порядок накопления, транспортировки, обезвреживания и захоронения токсичных промышленных отходов

ПРИЛОЖЕНИЕ Б
(рекомендуемое)

ОПРЕДЕЛЕНИЕ
ТРЕБУЕМОЙ ТОЛЩИНЫ ПЕНОПОЛИУРЕТАНОВОЙ ТЕПЛОИЗОЛЯЦИИ СТАЛЬНЫХ ТРУБ ПРИ БЕСКАНАЛЬНОЙ ПРОКЛАДКЕ ТЕПЛОВЫХ СЕТЕЙ В РАЗЛИЧНЫХ КЛИМАТИЧЕСКИХ ЗОНАХ

Пример расчета толщины тепловой изоляции труб при бесканальной прокладке тепловых сетей приведен для России. Для других климатических зон расчет осуществляется аналогично с применением местных расчетных характеристик.

Толщина пенополиуретановой изоляции стальных труб для бесканальной прокладки тепловых сетей определена расчетом по СНиП 2.04.14 с использованием нормированной плотности теплового потока.

В качестве расчетных значений плотности теплового потока через поверхность изоляции трубопроводов бесканальной прокладки приняты данные, приведенные в СНиП 2.04.14.

В соответствии с рекомендациями СНиП 2.04.14 за расчетные температуры подающего и обратного трубопроводов приняты средние за год температуры воды (таблица Б.1).

Таблица Б.1

Трубопровод Расчетные температурные режимы, °С
95-70 150-70
Подающий 65 90
Обратный 50 50

В качестве расчетной температуры окружающей среды используется средняя за год температура наружного воздуха, так как при определении толщины величина заглубления верха теплоизоляционной конструкции трубопроводов принята 0,7 м и менее (по действующим нормативным документам на тепловую изоляцию трубопроводов).

Среднегодовые температуры наружного воздуха по районам строительства должны приниматься по СНиП 23-01.

Преобладающим видом грунта принят суглинок со средним влагосодержанием 0,27 кг/кг. На основании этих данных в качестве расчетной теплопроводности грунта принято значение 1,86 Вт/м·°С, а теплопроводность пенополиуретановой изоляции в оболочке из полиэтилена - 0,033 Вт/м·°С.

Расчетные значения толщины пенополиуретановой изоляции для различных районов строительства Российской Федерации представлены в таблице Б.2.

Таблица Б.2

Наружный диаметр труб Толщина изоляции/наружный диаметр оболочек для территориальных районов
Европейские районы Урал Западная Сибирь Восточная Сибирь Дальний Восток
Юг Центр Север
57 31,5/125 31,5/125 31,5/125 31,5/125 31,5/125 38,5/140 31,5/125
76 29/140 29/140 39/160 39/160 39/160 39/160 39/160
89 32,5/160 32,5/160 42,5/180 42,5/180 42,5/180 42,5/180 42,5/180
108 33/180 33/180 43/200 43/200 43/200 43/200 43/200
133 42,5/225 42,5/225 42,5/225* 42,5/225 42,5/225 54,5/250 42,5/225
159 41,5/250 41,5/250 55,5/280 41,5/250* 55,5/280 55,5/280 55,5/280
219 42/315 62/355 62/355 62/355 62/355 62/355 62/355
273 57/400 57/400 57/400* 57/400 57/400* 81,5/450 57/400
325 55,5/450 55,5/450 79,5/500 55,5/450* 79,5/500 79,5/500 79,5 /500
426 58,2/560 58,2/560* 92,4/630 92,4/630 92,4/630 92,4/630 92,4/630
530 79/710 79/710 79/710 79/710 79/710 79/710 79/710
630 72,5/800 72,5/800 72,5/800* 72,5/800 72,5/800 72,5/800 72,5/800
720 76/900 76/900 76/900 76/900 76/900 76/900* 76/900
820 72,5/1000 72,5/1000 122,5/1100 72,5/1000 72,5/1000* 122,5/1100 72,5/1000*
920 74,5/1100 74,5/1100 120,5/1200 74,5/1100 74,5/1100* 120,5/1200 74,5/1100*
1020 70,5/1200 70,5/1200* ** 70,5/1200* ** ** **

* Толщина теплоизоляции принята менее расчетной по условиям нормированных теплопотерь

** Толщина теплоизоляции определяется нестандартным наружным диаметром полиэтиленовой оболочки 1300 или 1400 мм

На основании этих данных, с учетом размеров полиэтиленовых труб-оболочек (таблица 2), определена толщина пенополиуретановой изоляции индустриальных конструкций теплопроводов для бесканальной прокладки тепловых сетей (таблица 1).

Рекомендации по применению изолированных труб типов 1 (стандартный) и 2 (усиленный) в зависимости от климатических районов строительства тепловых сетей приведены в таблице Б.3.

Таблица Б.3

Наружный диаметр стальной трубы d, мм Тип изолированных труб по толщине изоляции (таблица 1) Климатические районы строительства
57 1 Европейский район - юг, центр, север; Урал, Западная Сибирь, Дальний Восток
2 Восточная Сибирь
76 1 Европейский район - юг, центр
2 Европейский район - север; Урал, Западная Сибирь, Восточная Сибирь, Дальний Восток
89 1 Европейский район - юг, центр
2 Европейский район - север; Урал, Западная Сибирь, Восточная Сибирь, Дальний Восток
108 1 Европейский район - юг, центр
2 Европейский район - север; Урал, Западная Сибирь, Восточная Сибирь, Дальний Восток
133 1 Европейский район - юг, центр; Север, Урал, Западная Сибирь, Дальний Восток
2 Восточная Сибирь
159 1 Европейский район - юг, центр, Урал
2 Европейский район - север; Западная Сибирь, Восточная Сибирь, Дальний Восток
219 1 Европейский район - центр
2 Европейский район - центр; Север, Урал, Западная Сибирь, Дальний Восток
273 1 Европейский район - юг, центр; Север, Урал, Западная Сибирь, Дальний Восток
2 Восточная Сибирь
325 1 Европейский район - юг, центр; Урал, Западная Сибирь, Дальний Восток
2 Европейский район - север; Западная Сибирь, Восточная Сибирь, Дальний Восток
426 1 Европейский район - юг, центр
2 Европейский район - север; Урал, Западная Сибирь, Восточная Сибирь, Дальний Восток
530 1 Все районы
630 1 То же
720 1 "
820 1 Европейский район - юг, центр; Урал, Западная Сибирь, Восточная Сибирь, Дальний Восток
2 Европейский район - север
920 1 Европейский район - юг, центр; Урал, Западная Сибирь, Дальний Восток
2 Европейский район - север; Восточная Сибирь
1020* 1 Европейский район - юг, центр, север; Урал

* Изолированные стальные трубы диаметром 1020 мм могут быть применены на севере Европейского района, в Западной и Восточной Сибири и Дальнем Востоке при условии использования полиэтиленовой оболочки нестандартного наружного диаметра (1300 или 1400 мм)

ПРИЛОЖЕНИЕ В
(рекомендуемое)

СОРТАМЕНТ ФАСОННЫХ ИЗДЕЛИЙ

В.1 Отвод

В. 1.1 Конструкция и размеры отводов должны соответствовать рисунку В.1 и таблице В.1.

Рисунок В.1 - Отвод: 1 - стальная труба; 2 - изоляция из пенополиуретана; 3 - оболочка из полиэтилена; 4 - центрирующая опора; 5 - стальной отвод; 6 - электроизоляционная трубка по ГОСТ 22056; 7 - проводник-индикатор системы ОДК

Таблица В.1 - Отвод

В миллиметрах

Наружный диаметр стального отвода d Наружный диаметр изоляции (по полиэтиленовой оболочке) D Угол
90° 60° 45° 30°
тип 1 тип 2 L
57 125 140 1000 1000 1000 1000
76 140 160
89 160 180 1000 1000 1000 1000
108 180 200
133 225 250
159 250 280
219 315 355
273 400 450
325 450 500 1050 860 786 720
426 560 630 1100 889 807 734
530 710 - 1200 946 848 761
630 800 - 1200(1280*) 945(1014*) 848(911*) 761(819*)
720 900 - 1370* 1066* 948* 843*
820 1000 1100 1470* 1073* 990* 820*
920 1100 1200 1570* 1132* 1032* 846*
1020 1200 - 1620* 1189* 1022* 874*

* Сварные отводы

** Допускается изготовление отводов с другими углами

В.1.2 Пример условного обозначения отвода 90° диаметром 57 мм толщиной стенки 3 мм с тепловой изоляцией типа 1:

Отвод Ст 57х3-90°-1-ППУ-ПЭ ГОСТ 30732-2001

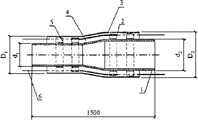
В.2.1 Конструкция и размеры переходов должны соответствовать рисунку В.2 и таблице В.2.

Рисунок В.2 - Переход: 1 - стальная труба; 2 - электроизоляционная трубка по ГОСТ 22056; 3 - оболочка из полиэтилена; 4 - изоляция из пенополиуретана; 5 - центрирующая опора; 6 - проводник-индикатор системы ОДК

Таблица В.2 - Переход

В миллиметрах

d1
57 76 89 108 133 159 219 273 325 426 530 630 720 820 920 1020
d2 76 X                              
89 X X                            
108 X X X                          
133 X X X X                        
159 X X X X X                      
219 X X X X X X                    
273       X X X X                  
325       X X X X X                
426           X X X X              
530               X X X            
630                 X X X          
720                   X X X        
820                   X X X X      
920                     X X X X    
1020                     X X X X X  
Примечание - X - длина изделия равна 1500 мм

В.2.2 Пример условного обозначения стального перехода диаметром 89-76 мм с изоляцией типа 2:

Переход Ст 89-76-2-ППУ-ПЭ ГОСТ 30732-2001

В.3 Тройник

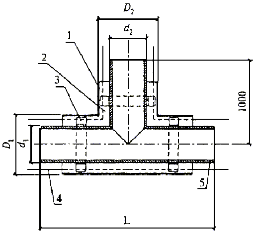
В.3.1 Конструкция и размеры тройника должны соответствовать рисунку В.3 и таблице В.3 и В.5.

Рисунок В.3 - Тройник: 1 - оболочка из полиэтилена; 2 - изоляция из пенополиуретана; 3 - центрирующая опора; 4 - проводник-индикатор системы ОДК; 5 - стальная труба

Таблица В.3 - Тройник

В миллиметрах

d2
57 76 89 108 133 159 219 273 325 426 530 630 720 820 920 1020
d1 57 X                              
76 X X                            
89 X X X                          
108 X X X X                        
133 X X X X X                      
159 X X X X X X                    
219 X X X X X X X                  
273 X X X X X X X X                
325 X X X X X X X X X              
426 X X X X X X X X X X            
530 X X X X X X X X X X X          
630 X X X X X X X X X X X X        
720 X X X X X X X X X X X X 2020      
820 X X X X X X X X X X X X 2020 2120    
920 X X X X X X X X X X X X 2020 2120 2220
1020 X X X X X X X X X X X X 2020 2120 2220 2320
  Примечание - X - для всех тройников неуказанные типоразмеры L =2000 мм

В.3.2 Пример условного обозначения тройника диаметром 57- 57 мм с изоляцией типа 1:

Тройник Ст 57-57-1-ППУ-ПЭ ГОСТ 30732-2001

В.4 Тройниковое ответвление

В.4.1 Конструкция и размеры тройникового ответвления должны соответствовать рисунку В4 и таблицам В.4-В.6.

Рисунок В.4 - Тройниковое ответвление: 1 - стальной отвод; 2 - оболочка из полиэтилена; 3 - проводник-индикатор системы ОДК; 4 - изоляция из пенополиуретана; 5 - электроизоляционная трубка по ГОСТ 22056; 6 - центрирующая опора

Таблица В.4 - Тройниковое ответвление

В миллиметрах

L1 при d2
57 76 89 108 133 159 219 273 325 426 530 630 720 820 920 1020
d1 57 730                              
76 760 770                            
89 790 800 810                          
108 810 820 830 850                        
133 850 860 870 880 900                      
159 880 900 910 920 930 950                    
219 980 990 1000 1010 1030 1040 1070                
273 1100 1110 1120 1130 1150 1160 1190 1220                
325 1170 1180 1190 1200 1220 1230 1260 1290 1320              
426 1320 1330 1340 1360 1370 1390 1420 1450 1480 1540            
530   1550 1560 1570 1580 1600 1630 1660 1690 1750 1710          
630     1680 1700 1710 1730 1760 1790 1820 1880 1840 1940        
720       1840 1850 1870 1900 1930 1940 2020 1980 2080 2120      
820         1990 2010 2040 2070 2100 2160 2120 2230 2260 2310    
920           2140 2180 2220 2260 2300 2340 2380 2420 2455 2490  
1020             2290 2330 2380 2420 2460 2510 2555 2590 2640 2680

Окончание таблицы В.4

L1 при d2
57 76 89 108 133 159 219 273 325 426 530 630 720 820 920 1020
d1 57 1160                              
76 1160 1180                            
89 1160 1180 1200                          
108 1160 1180 1200 1200                        
133 1160 1180 1200 1200 1245                      
159 1160 1180 1200 1200 1245 1270                    
219 1160 1180 1200 1200 1245 1270 1335                  
273 1160 1180 1200 1200 1245 1270 1335 1520                
325 1160 1180 1200 1200 1245 1270 1335 1520 1570              
426 1160 1180 1200 1200 1245 1270 1335 1520 1570 1680            
530   1180 1200 1220 1245 1270 1335 1520 1570 1680 1830          
630     1200 1220 1245 1270 1335 1520 1570 1680 1830 1920        
720       1220 1245 1270 1335 1520 1570 1680 1830 1920 2020    
820         1245 1270 1335 1520 1570 1680 1830 1920 2020 2120    
920           1270 1335 1520 1570 1680 1830 1920 2020 2120 2220  
1020             1335 1520 1570 1680 1830 1920 2020 2120 2220 2320

В.4.2 пример условного обозначения тройникового ответвления изоляцией типа 1:

Тройниковое ответвление Ст 426-219-1 ППУ-ПЭ ГОСТ 30732-2001

Таблица В.5 - Допуск по толщине стенок

В миллиметрах

  Трубы и допуски на ответвлениях
Основная труба 57х3 57х3 (+2)                  
76х3 76х3 (+2)                
89х4 57х4 (+2-1) 76х 4 (+2-1) 89х4 (+2)              
108х4 108х4 (+2)            
133х4 133х4 (+2)          
159х4,5 57х4,5 (+2-1,5) 76х4,5 (+2-1,5) 89х4,5 (+2-0,5) 108х4,5 (+2-0,5) 133х4,5 (+2-0,5) 159х4,5 (+2)        
219х6 57х6 (±2) 76х6 (±2) 89 х6 (±2) 108х6 (±2) 133х6 (±2) 159х6 (+2-1,5) 219х6 (+2)      
273х7 57х7 (±2) 76х7 (±2) 89х7 (±2) 108х7 (±2) 133х7 (±2) 159х7 (±2) 219х7 (+2-1) 273х7 (+2)    
325х7 325х7 (+2)  
426х7 426х7 (+2)
530х7
630х8 57х8 (±2) 76х8 (±2) 89х8 (±2) 108х8 (±2) 133х8 (±2) 159х8 (±2) 219х8 (±2) 273х8 (+2-1) 325х8 (+2-1) 426х8 (+2-1)
720х8
820х9 57х9 (±2) 76х9 (±2) 89х9 (±2) 108х9 (±2) 133х9 (±2) 159х9 (±2) 219х9 (±2) 273х9 (±2) 325х9 (±2) 426х9 (±2)
920х9
1020х10 57х10 (+2-3) 76х10 (+2-3) 89х10 (+2-3) 108х10 (+2-3) 133х10 (+2-3) 159х10 (+2-3) 219х10 (+2-3) 273х10 (+2-3) 325х10 (+2-3) 426х10 (+2-3)

Окончание таблицы В.5

  Трубы и допуска на ответвлениях
  530х7 530х7 (+2)          
630х8 530х8 (+2-1) 630х8 (+2)        
720х8 720х8 (+2)      
820х9 530х9 (±2) 630х9 (+2-1) 720х9 (+2-1) 820х9 (+2)    
920х9 920х9 (+2)  
1020х10 530х10 (+2-1) 630х10 (±2) 720х10 (±2) 820х10 (+2-1) 920х10 (+2-1) 1020х10 (+2)

Таблица В.6

Диаметр ответвления
57 76 89 108 133 159
Толщина стенки
трубы отвода трубы отвода трубы отвода трубы отвода трубы отвода трубы отвода
Основная труба 57х3 3 3; 5                    
4 5                    
5 5                    
76х3 3 3; 5 3 3,5; 6                
4 5 4 6                
5 5 5 6                
89х4 3 3; 5 3 3,5; 6 4 6            
4 5 4 6 5 6            
5 5 5 6 6 6            
    6 6                
108х4 3 3; 5 3 3,5; 6 4 6 4 4; 6        
4 5 4 6 5 6 5 6        
5 5 5 6 6 6 6 6; 8        
    6 6                
133х4 3 3; 5 3 3,5; 6 4 6 4 4; 6 4 4; 5    
4 5 4 6 5 6 5 6 5 5    
5 5 5 6 6 6 6 6; 8 6 8    
    6 6         6,5 8    
159х4,5 3 3; 5 3 3,5; 6 4 6 4 4; 6 4 4,5 4,5 6
4 5 4 6 5 6 5 6 5 5 5 6
5 5 5 6 6 6 6 6; 8 6 8 6 6; 8
    6 6     6,5 8 7 8 6,5 8
                8 8    

Продолжение таблицы В.6

Диаметр ответвления
57 76 89 108 133 159 219 273 325 426
Толщина стенки
трубы отвода трубы отвода трубы отвода трубы отвода трубы отвода трубы отвода трубы отвода трубы отвода трубы отвода трубы отвода
Основная труба 219х6 4 5 4 6 4 6 4 4; 6 4 4; 5 4,5 6 6 8            
5 5 5 6 5 6 5 6 5 5 5 6 7 8            
    6 6 6 6 6 6; 8 6 8 6 6; 8 8 8; 10            
            7 8 7 8 7 8                
            8 8 8 8 8 8                
273х7 5 5 5 6 5 6 5 6 5 5 5 6 6 8 7 10        
    6 6 6 6 6 6; 8 6 8 6 6; 8 7 8 8 10        
            7 8 7 8 7 8 8 8; 10 9 10        
            8 8 8 8 8 8 9 10            
325х7 5 5 5 6 5 6 5 6 5 5 5 6 6 8 7 10 7 10    
    6 6 6 6 6 6; 8 6 8 6 6; 8 7 8 8 10 8 10    
            7 8 7 8 7 8 8 8; 10 9 10 9 10    
            8 8 8 8 8 8 9 10            
426х7 5 5 5 6 5 6 5 6 5 5 5 6 6 8 7 10 7 10 7 10
    6 6 6 6 6 6; 8 6 8 6 6; 8 7 8 8 10 8 10 8 10
            7 8 7 8 7 8 8 8; 10 9 10 9 10 9 10
            8 8 8 8 8 8 9 10            
530х7 5 5 5 6 5 6 5 6 5 5 5 6 6 8 7 10 7 10 7 10
    6 6 6 6 6 6; 8 6 8 6 6; 8 7 8 8 10 8 10 8 10
            7 8 7 8 7 8 8 8; 10 9 10 9 10 9 10
            8 8 8 8 8 8 9 10            
630х8 5 5 6 6 6 6 6 6; 8 6 8 6 6; 8 6 8 7 10 7 10 7 10
            7 8 7 8 7 8 7 8 8 10 8 10 8 10
            8 8 8 8 8 8; 10 8 8; 10 9 10 9 10 9 10
                    9 10 9 10 10 10 10 10 10 10
                    10 10 10 10            
720х8 5 5 6 6 6 6 6 7; 8 6 8 6 6; 8 6 8 7 10 7 10 7 10
            7 8 7 8 7 8 7 8 8 10 8 10 8 10
            8 8 8 8 8 8; 10 8 8; 10 9 10 9 10 9 10
                    9 10 9 10 10 10 10 10 10 10
                    10 10 10 10            
820х9 5 5 6 6 6 6 7 8 7 8 7 8 7 8 7 10 7 10 7 10
            8 8 8 8 8 8; 10 8 8; 10 8 10 8 10 8 10
                    9 10 9 10 9 10 9 10 9 10
                    10 10 10 10 10 10 10 10 10 10
920х9 5 5 6 6 6 6 7 8 7 8 7 8 7 8 7 10 7 10 7 10
            8 8 8 8 8 8;10 8 8; 10 8 10 8 10 8 10
                    9 10 9 10 9 10 9 10 9 10
                    10 10 10 10 10 10 10 10 10 10
1020х10 5 5 6 6 6 6 7 8 7 8 7 8 7 8 7 10 7 10 7 10
            8 8 8 8 8 8; 10 8 8; 10 8 10 8 10 8 10
                    9 10 9 10 9 10 9 10 9 10
                    10 10 10 10 10 10 10 10 10 10

Продолжение таблицы В.6

Диаметр ответвления
530 630 720 820 920 1020
Толщина стенки
трубы отвода трубы отвода трубы отвода трубы отвода трубы отвода трубы отвода
Основная труба 530х7 7 10                    
8 10                    
9 10                    
630х8 7 10 8 10                
8 10 9 10                
9 10 10 10; 12                
10 10; 12                    
720х8 7 10 8 10 8 11*            
8 10 9 10 9 11*            
9 10 10 10; 12 10 11*            
10 10; 12                    
820х9 7 10 8 10 8 11* 9 11*        
8 10 9 10 9 11* 10 11*        
9 10 10 10; 12 10 11*; 12 11 11*        
10 10; 12 11 12 11 11*; 12            
11 12                    
920х9 7 10 8 10 8 11* 9 11* 9 14*    
8 10 9 10 9 11* 10 11* 10 14*    
9 10 10 10; 12 10 11*; 12 11 11* 11 14*    
10 10; 12 11 12 11 11*; 12            
11 12                    
1020х10 7 10 8 10 8 11* 9 11* 9 14* 10 14*
8 10 9 10 9 11* 10 11* 10 14* 11 14*
9 10 10 10; 12 10 11*; 12 11 11* 11 14* 12 14*
10 10; 12 11 12 11 11*; 12     12 14*    
11 12 12 12 12 12            
12 12                

* Отводы сварные

Примечание - При толщине стенки основной трубы, больше указанной в таблице, толщина стенки ответвления должна приниматься исходя из условий:

1) толщина патрубков ответвления должна быть равна толщине стенки основной трубы с допуском по таблице В.5;

2) толщина стенки отвода должна быть не меньше толщины стенки патрубков ответвления

В.5 Тройник параллельный

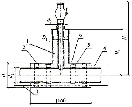
В.5.1 Конструкция и размеры параллельного тройника должны соответствовать рисунку В.5 и таблице В.7.

Рисунок В.5 - Тройник параллельный: 1 - стальной отвод; 2 - электроизоляционная трубка по ГОСТ 22056; 3 - изоляция из пенополиуретана; 4 - центрирующая опора; 5 - проводник-индикатор системы ОДК; 6 - стальная труба; 7 - оболочка из полиэтилена

В.5.2 Пример условного обозначения параллельного тройника диаметром 426-219 мм с изоляцией типа 2:

Тройник параллельный Ст 426-219-2-ППУ-ПЭ ГОСТ 30732-2001

Таблица В.7 Тройник параллельный

В миллиметрах

Расстояние между оболочками H1 =150

d1 57 76 89 108 133 159 219 273 325 426
d2 57 57 57 57 57 57 57 57 57 57
H 290 300 310 320 333 345 378 420 445 500
L 1000 1000 1000 1500 1500 1500 1500 2000 2000 2000
L1 186 187 190 191 191 191 194 209 209 212
L2 425 425 425 675 675 675 675 925 925 925

Продолжение таблицы В.7

В миллиметрах

Расстояние между оболочками H1 =150

d1 76 89 108 133 159 219 273 325 426 530
d2 76 76 76 76 76 76 76 76 76 76
H 310 320 330 343 355 388 430 455 510 585
L 1000 1000 1500 1500 1500 1500 2000 2000 2000 2000
L1 172 175 176 176 176 178 193 194 197 220
L2 400 400 650 650 650 650 900 900 900 900

Продолжение таблицы В.7

В миллиметрах

Расстояние между оболочками H1 =150

d1 89 108 133 159 219 273 325 426 530 630
d2 89 89 89 89 89 89 89 89 89 89
H 330 340 353 365 398 440 465 520 595 640
L 1000 1500 1500 1500 1500 2000 2000 2000 2000 2000
L1 166 166 166 166 168 183 183 187 210 205
L2 380 630 630 630 630 880 880 880 880 880

Продолжение таблицы В

В миллиметра

Расстояние между оболочками H1 =150

d1 108 133 159 219 273 325 426 530 630 720
d2 108 108 108 108 108 108 108 108 108 8
H 3 36 375 408 450 475 530 605 650 700
L 1500 1500 1500 1500 2000 2000 2000 2000 2000 2000
L1 146 146 146 148 164 163 167 190 185 190
L2 600 600 600 600 850 850 850 850 850 850

Продолжение таблицы В.7

В миллиметрах

Расстояние между оболочками H1 =150

d1 133 159 219 273 325 426 530 630 720 820
d2 133 133 133 133 133 133 133 133 133 133
H 375 388 420 463 488 543 618 663 713 763
L 1500 1500 1500 2000 2000 2000 2000 2000 2000 2000
L1 119 118 121 136 135 140 163 158 163 163
L2 560 560 560 810 810 810 810 810 810 810

Продолжение таблицы В.7

В миллиметрах

Расстояние между оболочками H1 =150

d1 159 219 273 325 426 530 630 720 820 920
d2 159 159 159 159 159 159 159 159 159 159
H 405 435 475 500 555 630 675 725 775 825
L 1500 1500 2000 2000 2000 2000 2000 2000 2000 2000
L1 100 100 114 113 117 140 135 140 140 140
L2 525 525 775 775 775 775 775 775 775 775

Продолжение таблицы В.7

В миллиметрах

Расстояние между оболочками H1 =150

d1 219 273 325 426 530 630 720 820 920 1020
d2 219 219 219 219 219 219 219 219 219 219
H 565 608 633 688 763 808 858 908 958 1008
L 1500 2000 2000 2000 2000 2000 2000 2000 2000 2000
L1 156 171 170 175 198 198 198 198 198 198
L2 450 700 700 700 700 700 700 700 700 700

Продолжение таблицы В.7

В миллиметрах

Расстояние между оболочками H1 =150

d1 273 325 426 530 630 720 820 920 1020
d2 273 273 273 273 273 273 273 273 273
H 650 675 730 805 850 900 950 1000 1050
L 2000 2000 2000 2000 2000 2000 2000 2000 2000
L1 139 138 142 165 160 165 165 165 165
L2 625 625 625 625 625 625 625 625 625

Продолжение таблицы В.7

В миллиметрах

Расстояние между оболочками H1 =250

d1 325 426 530 630 720 820 920 1020
d2 325 325 325 325 325 325 325 325
H 713 763 830 875 925 975 1025 1075
L 2000 2000 2000 2000 2000 2000 2000 2000
L1 100 100 115 110 115 115 115 115
L2 550 550 550 550 550 550 550 550

Продолжение таблицы В.7

В миллиметрах

Расстояние между оболочками H1 =250

d1 426 530 630 720 820 920 1020
d2 426 426 426 426 426 426 426
H 913 985 1030 1080 1130 1180 1230
L 2000 2000 2000 2000 2000 2000 2000
L1 100 120 115 120 120 120 120
L2 400 400 400 400 400 400 400

Продолжение таблицы В.7

В миллиметрах

Расстояние между оболочками H1 =450

d1 530 630 720 820 920 1020
d2 530 530 530 530 530 530
H 1160 1205 1255 1305 1355 1405
L 2000 2000 2000 2000 2000 2000
L1 395 390 395 395 395 395
L2 500 500 500 500 500 500

Продолжение таблицы В.7

В миллиметрах

Расстояние между оболочками H1 =450

d1 630 720 820 920 1020
d2 630 630 630 630 630
H 1250 1300 1350 1400 1450
L 2000 2000 2000 2000 2000
L1 335 340 340 340 340
L2 400 400 400 400 400
L1 * 260 260 260 260 260
L2 * 320 320 320 320 320

* Сварные отводы

Продолжение таблицы В.7

Расстояние между оболочками H1 =700

d1 720 820 920 1020
d2 * 720 720 720 720
H 1500 1550 1600 1650
L 2000 2000 2000 2000
L1 160 160 160 160
L2 230 230 230 230

* Сварные отводы

Продолжение таблицы В.7

Расстояние между оболочками H1 =800

d1 820 920 1020
d2 * 820 820 820
H 1800 1850 1900
L 2500 2500 2500
L1 160 160 160
L2 380 380 380

* Сварные отводы

Окончание таблицы В.7

Расстояние между оболочками H1 =900

d1 920 1020
d2 * 920 920
H 2000 2050
L 2500 2500
L1 160 160
L2 280 280

* Сварные отводы

Окончание таблицы В.7

Расстояние между оболочками H1 =1000

d1 1020
d2 * 1020
H 2200
L 2500
L1 160
L2 230

* Сварные отводы

В.6 Тройник с шаровым краном воздушника

В.6.1 Конструкция и размеры тройника с шаровым краном воздушника должны соответствовать рисунку В.6 и таблице В.8.

Рисунок В.6 - Тройник с шаровым краном воздушника: 1 - изоляция из пенополиуретана; 2 - центрирующая опора; 3 - проводник-индикатор системы ОДК; 4 - стальная труба; 5 - электроизоляционная трубка по ГОСТ 22056; 6 - оболочка из полиэтилена

Таблица В.8 - Тройник с шаровым краном воздушника

В миллиметрах

d1 d2 H H1
57 32 554 375
76 32 560 380
89 32 570 390
108 32 580 400
133 32 595 425
159 32 605 425
325 32 690 510
426 32 740 560
530 57 790 610
219 32 635 455
273 32 665 480
630 57 840 660
720 57 870 685
820 57 940 755
920 57 985 805
1020 57 1035 855

В.6.2 Пример условного обозначения тройника с шаровым краном воздушника диаметром 159-32 мм с изоляцией типа 1:

Тройник с шаровым краном воздушника Ст 159-32-1-ППУ-ПЭ ГОСТ 30732-2001

В.7 Z-образный элемент

В.7.1 Конструкция и размеры Z-образного элемента должны соответствовать рисунку В.7 и таблице В.9.

Рисунок В.7 - Z-образный элемент: 1 - оболочка из полиэтилена; 2 - стальная труба; 3 - изоляция из пенополиуретана; 4 - центрирующая опора; 5 - стальной отвод; 6 - электроизоляционная трубка по ГОСТ 22056; 7 - проводник-индикатор системы ОДК

Таблица В.9 - Z-образный элемент

В миллиметрах

D L L1
57 1000 2000
76 1000 2000
89 1000 2000
108 1000 2000
133 1000 2000
159 1000 2000
219 1000 2000
273 1000 2000
325 1050 2100
426 1100 2200
530 1200 2400
630 1280 2560
720 1370 2770
820 1470 2940
920 1570 3140
1020 1620 3240

В.7.2 Пример условного обозначения Z-образного элемента диаметром 108 мм с изоляцией типа 1:

Z-образный элемент Ст 108-1-ППУ-ПЭ ГОСТ 30732-2001

В. 8 Неподвижная опора

В.8.1 Конструкция и размеры неподвижной опоры должны соответствовать рисунку В.8 и таблице В.10.

Рисунок В.8 - Неподвижная опора: 1 - оболочка из полиэтилена; 2 - стальная труба; 3 - проводник-индикатор системы ОДК; 4 - центрирующая опора; 5 - изоляция из пенополиуретана; 6 - неподвижная опора

Таблица В.10 - Неподвижная опора

В миллиметрах

d H s P*max т
57 255 15,0 7,5
76 275 15,0 7,5
89 295 15,0 12,5
108 315 20,0 20,5
133 340 20,0 26,5
159 400 25,0 36,0
219 460 25,0 50,0
273 550 30,0 75,0
325 650 40,0 90,0
426 750 40,0 120,0
530 900 50,0 150,0
630 1000 50,0 205,0
720 1100 50,0 235,0
820 1300 50,0 310,0
920 1300 60,0 430,0
1020 1400 60,0 470,0

* Максимальная нагрузка на элемент опоры

В.8.2 Пример условного обозначения неподвижной опоры для трубы диаметром 76 мм, высотой 275 мм и толщиной 15 мм с изоляцией типа 1:

Неподвижная опора Ст 76-275х15-1-ППУ-ПЭ ГОСТ 30732-2001

В.9 Металлическая заглушка изоляции

В.9.1 Конструкция и размеры металлической заглушки изоляции должны соответствовать рисунку В.9.

Рисунок В.9 - Металлическая заглушка изоляции

В.9.2 Пример условного обозначения заглушки длиной 650 мм для трубы диаметром 108 мм:

Заглушка 108х650 ГОСТ 30732-2001

В.10 Элемент трубопровода с кабелем вывода

В.10.1 Конструкция и размеры элемента трубопровода с кабелем вывода должны соответствовать рисунку В.10.

Рисунок В.10 - Элемент трубопровода с кабелем вывода: 1 - стальная труба; 2 - оболочка из полиэтилена; 3 - кабельный вывод; 4 - изоляция из пенополиуретана; 5 - центрирующая опора;6 - проводник-индикатор системы ОДК

В.10.2 Пример условного обозначения элемента трубопровода с кабелем вывода диаметром 57 мм с изоляцией типа 1:

Элемент трубопровода с кабелем вывода

Ст 57-1-ППУ-ПЭ ГОСТ 30732-2001

В.11 Концевой элемент трубопровода с кабелем вывода

В.11.1 Конструкция и размеры концевого элемента трубопровода с кабелем вывода должны соответствовать рисунку В.11.

Рисунок В.11 - Концевой элемент трубопровода с кабелем вывода: 1 - стальная труба; 2 - оболочка из полиэтилена; 3 - кабельный вывод; 4 - изоляция из пенополиуретана; 5 - центрирующая опора;6 - проводник-индикатор системы ОДК; 7- металлическая заглушка изоляции;8 - герметик (термоусадочное полотно)

В.11.2 Пример условного обозначения концевого элемента трубопровода с кабелем вывода диаметром 76 мм с изоляцией типа 1:

Концевой элемент трубопровода с кабелем вывода

Ст 76-1-ППУ-ПЭ ГОСТ 30732-2001

ПРИЛОЖЕНИЕ Г
(справочное)

РАСЧЕТНАЯ МАССА ОДНОГО МЕТРА ДЛИНЫ ИЗОЛИРОВАННОЙ ТРУБЫ

Таблица Г.1

Наружный диаметр стальных труб, мм Масса, кг
Тип 1 Тип 2
57 6,45 6,8
76 8,3 9,0
89 9,8 10,4
108 13,0 13,8
133 16,8 18,3
159 22,3 24,8
219 38,9 43,4
273 58,1 62,6
325 69,5 75,4
426 93,9 102,0
530 125,6 -
630 164,7 -
720 193,4 -
820 243,4 254,8
920 299,8 309,3
1020 363,4 -

Примечание - Плотность пенополиуретана принята равной 80 кг/м

ПРИЛОЖЕНИЕ Д
(рекомендуемое)

МЕТОДИКА
ИНТЕГРАЛЬНОЙ ОЦЕНКИ СРОКА СЛУЖБЫ ПЕНОПОЛИУРЕТАНОВОЙ ИЗОЛЯЦИИ ТРУБ ТЕПЛОВЫХ СЕТЕЙ ПРИ ПЕРЕМЕННОМ ТЕМПЕРАТУРНОМ ГРАФИКЕ ТЕПЛОНОСИТЕЛЯ

Интегральная оценка срока службы тепловой изоляции труб по данной методике производится в случае использования новых систем пенополиуретанов или новых технологий нанесения тепловой изоляции на трубы.

Методика предусматривает:

- определение долговечности тепловой изоляции труб в зависимости от температуры;

- оценку срока службы тепловой изоляции труб в зависимости от температурного графика теплоносителя.

Д.1 Методика определения долговечности пенополиуретана тепловой изоляции труб в зависимости от температуры

Долговечность тепловой изоляции определяют по критерию прочности на сдвиг в тангенциальном направлении.

В зависимости от температуры долговечность пенополиуретана в общем виде должна подчиняться экспоненциальному закону:

(Д.1)

где - время старения соответственно для одинакового уровня свойств того или иного критерия долговечности, сут;

T - температура теплоносителя, °С;

T_y - температура ускоренных испытаний, °С;

E - эффективная энергия активации процесса старения ( 150 кДж/моль·°С);

R - универсальная газовая постоянная (~ 8,33 Дж/моль).

Контрольные значения долговечности в зависимости от температуры определяют следующим уравнением:

(Д.2)

Для определения кривых долговечности образцы стальных труб (например, диаметром 76 мм) с теплоизоляцией из пенополиурета в полиэтиленовой оболочке длиной 3 м подвергают тепловому старению в воздушной среде на стенде путем пропуска по стальным трубам теплоносителя с температурами 165, 155, 145, 140 °С (по два образца на каждую температуру) в течение времени, приведенного в таблице Д.1.

Таблица Д.1

Температура теплоносителя Т, °С Время испытаний 33, сут
165 7; 15; 30; 45
155 15; 30; 45; 60
145 30; 45; 60; 75
140 45; 65; 75; 90

После каждого цикла теплового старения теплоизоляцию образцов в средней части поперечно разрезают по периметру (до поверхности стальной трубы), выделяя участок длиной 200 мм. После чего температуру теплоносителя устанавливают на уровне 140 °С и пропускают его в течение суток и затем определяют прочность на сдвиг на тангенциальном направлении согласно 9.21 настоящего стандарта.

По результатам испытаний на сдвиг в тангенциальном направлении определяют экспериментальную зависимость прочности на сдвиг от времени теплового старения при различных температурах теплового старения.

После установления функциональной зависимости прочности на сдвиг от времени при температурах теплового старения определяют значения долговечности при температурах 140, 145, 155 и 165 °С при уровне прочности на сдвиг 0,13 МПа.

После определения значений долговечности: 1 - при температуре 140 °С, 2 - при температуре 145 °С, 3 - при температуре 155 °С и 4 - при температуре 165 °С устанавливают экспериментальную зависимость долговечности от температуры.

Значения долговечности, вычисленные по полученной эмпирической зависимости при различных температурах теплового старения, должны быть не менее контрольных значений долговечности, рассчитанных по уравнению (Д.2) при тех же температурах.

Д.2 Оценка срока службы пенополиуретановой теплоизоляции труб тепловых сетей

Срок службы пенополиуретана теплоизоляции оценивают с учетом воздействия температур исходя из температурного графика теплоносителя применительно к различным климатическим зонам России. Для других климатических зон расчет осуществляется аналогично с применением местных расчетных характеристик.

Годовой температурный график приводится к виду, удобному для использования в последующих расчетах, например для климатической зоны Западной Сибири:

- продолжительность воздействия в отопительный сезон n (в долях от года) температур до 102 °С (относят к температуре 102 °С), до 110 °С (относят к температуре 110 °С), до 128 °С (относят к температуре 128 °С), до 143 °С (относят к температуре 143 °С), до 149 °С относят к температуре 149 °С) и до 150 °С (относят к температуре 150 °С).

При указанных температурах по полученной эмпирической зависимости определяют долговечность пенополиуретана (где n =1-5).

Предполагаемый срок службы (в годах) вычисляют по формуле

(Д.3)

ПРИЛОЖЕНИЕ Е
(рекомендуемое)

ОПРЕДЕЛЕНИЕ ТЕПЛОПРОВОДНОСТИ ПО МЕТОДУ "ТРУБЫ"

Для определения теплопроводности тепловой изоляции трубы применяют установку (рисунок Е.1), представляющую собой стальную трубу диаметром D_H =100-150 мм, длиной не менее 2,0 м. Внутри трубы располагают нагревательный элемент, смонтированный на огнеупорном материале.

Рисунок Е.1: 1 - стальная труба; 2 - электронагреватель; 3 - испытуемый материал; 4 - изоляция; 5 - термопары; 6 - вольтметр; 7 - амперметр; 8 - автотрансформатор; 9 - переключатель; 10 - гальванометр;11 - сосуд со льдом; 12 - самопишущий гальванометр

Нагревательный элемент разделяют на три самостоятельные секции по длине трубы. Центральная секция, занимающая 1/3 длины трубы, является рабочей, боковые секции служат для устранения утечек теплоты через торцы.

Трубу устанавливают на подставках на расстоянии 1,5-2 м от пола и стен помещения, в котором производят испытания.

Измерения температуры трубы и поверхности испытуемого материала производят термопарами. Путем регулировки электрической мощности, потребляемой охранными секциями, необходимо добиваться отсутствия перепада температур между рабочей и охранными секциями. Испытания проводят при установившемся тепловом режиме, при котором температура на поверхности трубы и изоляции постоянна во времени.

Расход электрической энергии рабочим нагревателем может определяться как ваттметром, так и отдельно вольтметром и амперметром.

Теплопроводность тепловой изоляции , Вт/м·°С, определяют по формуле

(Е.1)

где t1 и t2 - температура на поверхности трубы и изоляции, °С;

l - длина рабочей секции, м;

d - наружный диаметр стальной трубы, м;

D - наружный диаметр трубы-оболочки, м.

Тепловой поток Q, Вт, определяют по формуле

(Е.2)

где I - среднее замеренное значение силы тока, А;

V - замеренное напряжение рабочего нагревателя, В.

ПРИЛОЖЕНИЕ Ж
(рекомендуемое)

ОПРЕДЕЛЕНИЕ СОДЕРЖАНИЯ ЗАКРЫТЫХ ПОР

Сущность метода заключается в измерении объема воздуха, вытесненного образцом в процессе испытания.

Ж.1 Аппаратура

Воздушный пикнометр (рисунок Ж.1).

Рисунок Ж.1: 1 - манометр с дибутилфталатом; 2 - ртутный манометр; 3 - камера; 4 - образец; 5 - воздушный кран; 6 - колба с ртутью; 7 - винт; 8 - подставка; 9 - кран

Прибор состоит из двух симметрично расположенных и равных по объему систем (рабочей и контрольной), соединенных через два параллельных манометра. Один из манометров - ртутный (2), внутренним диаметром (5±0,5) мм и высотой (60±0,5) см, используется для одновременного изменения объемов систем на определенную величину, а также для выравнивания давлений в процессе проведения испытаний; другой манометр с дибутилфталатом (1), внутренним диаметром (3±0,3) мм и высотой (40±0,5) см, - для наблюдения за разностью давлений в обеих системах.

Рабочая система объемом (320±10) см3 включает в себя камеру 3 для образца 4 и левую половину манометров 1 и 2. Камера для образца объемом (300±10 см3) представляет собой цилиндрический сосуд с тщательно пришлифованной крышкой. С помощью крана 5 обе системы могут сообщаться с окружающей атмосферой или быть изолированными от нее и друг от друга. Колба 6 с ртутью служит для изменения давления в обеих системах прибора.

Весы с погрешностью не более 0,01 г.

Линейка металлическая по ГОСТ 427.

Ж.2 Подготовка к испытанию и проведение испытания

Ж.2.1 Для испытания из средней части теплоизоляционного слоя вырезают три образца-кубика размером (25±0,5) мм. Допускается изготавливать образцы размером 25х25хt мм, где t - толщина пенополиуретана.

На поверхности образцов не должно быть пустот (каверн), трещин и других видимых дефектов.

Перед испытанием образцы кондиционируют в течение 24 ч при температуре (23±2) °С.

Ж.2.2 Проверяют симметричность обеих систем прибора (отсутствие разности давлений в обеих системах при максимальном разряжении их без образца), для этого используют монолитный образец из полиуретана, размером по Ж.2.1, объем которого V_M измеряют с погрешностью не более 0,1 см3.

Ж.2.3 Обе системы с окружающей атмосферой соединяют краном 5. Перемещая колбу 6 с помощью подставки 8 (грубо) и винта 7 (точно), устанавливают уровень ртути по нижней части мениска на отметке А.

Ж.2.4 Закрывают камеру крышкой и обе системы изолируют друг от друга и от окружающей атмосферы. Колбу 6 плавно опускают и устанавливают уровень на отметке Б. По истечении (30±1) с измеряют уровень ртути (R0) в левом колене манометра 2.

Ж.2.5 Обе системы соединяют с окружающей атмосферой и повторяют испытание в соответствии с Ж.2.3, Ж.2.4 до тех пор, пока три последовательных измерения не дадут одинаковых результатов. Расхождение между последовательными измерениями больше чем на 1 мм указывает на возможность утечки в приборе.

Ж.2.6 Монолитный образец взвешивают с погрешностью не более 0,01 г, помещают в камеру и плотно закрывают крышкой. Затем устанавливают уровень ртути на отметке А и обе системы изолируют друг от друга и от окружающей атмосферы. Уровень ртути устанавливают на отметке Б и по истечении (30±1) с кран 9 перекрывают. Перемещением колбы 3 уравнивают давление в обеих системах по манометру 1 и по истечении (30±1) с измеряют уровень ртути R1 в левом колене манометра 2.

Ж.2.7 Определяют постоянную прибора K из зависимости V_M = K(R1 - R0). Метки А и Б должны находиться на таком расстоянии друг от друга, чтобы постоянная прибора составляла (1±0,1) см3/мм.

Ж.З Проведение испытания

Ж.3.1 Измеряют линейные размеры и определяют объем и массу образцов из пенополиуретана.

Ж.3.2 Образец из пенополиуретана помещают в камеру и проводят испытание по Ж.2.5, Ж.2.6.

Ж.4 Обработка результатов

Ж.4.1 Объемное содержание закрытых пор V_з, %, вычисляют по формуле

(Ж.1)

где V - объем испытуемого образца, см3.

Ж.4.2 За результат испытаний принимают среднеарифметическое параллельных определений.