Нормы расчета на прочность стационарных котлов и трубопроводов пара и горячей воды. РД 10-249-98

(утв. Постановлением Госгортехнадзора РФ от 25.08.1998 N 50) (разделы 6 - 7)
Редакция от 13.07.2001 — Действует

Данный документ не поддерживается в сервисе Норматив.


РУКОВОДЯЩИЕ ДОКУМЕНТЫ ГОСГОРТЕХНАДЗОРА РОССИИ

НОРМЫ
РАСЧЕТА НА ПРОЧНОСТЬ СТАЦИОНАРНЫХ КОТЛОВ И ТРУБОПРОВОДОВ ПАРА И ГОРЯЧЕЙ ВОДЫ

РД 10-249-98

(в ред. Изменения N 1, утв. Постановлением Госгортехнадзора России от 13.07.2001 N 31)

Дата введения 2001-09-01

Разделы 1 - 3, 4, 5, 8, 9, 10 - 12 Норм расчета на прочность стационарных котлов и трубопроводов пара и горячей воды, включены в систему отдельными документами

УТВЕРЖДЕНЫ постановлением Госгортехнадзора России от 25.08.1998 N 50

Редакционная коллегия: В.С.Котельников, Н.А.Хапонен, А.А.Шельпяков (Госгортехнадзор России)

Ю.К.Петреня, Е.Э.Гильде, А.В.Судаков, А.А.Чижик, И.А.Данюшевский, П.В.Белов, А.М.Рейнов (АООТ НПО ЦКТИ им. И.И.Ползунова)

6. РАСЧЕТ НА ПРОЧНОСТЬ ЖАРОТРУБНЫХ И ДЫМОГАРНЫХ КОТЛОВ

6.1. Общие положения

6.1.1. Настоящая методика распространяется на горизонтальные и вертикальные конструкции котлов с двумя фиксированными трубными решетками, в которых имеются жаровые трубы, жаровые и газовые трубы одновременно или газовые трубы, по которым проходят продукты сгорания топлива или отходящие газы химического, металлургического и других производств.

Нормы устанавливают методы расчета трубных решеток, жаровых труб, огневых поворотных камер, дымогарных труб, днищ, деталей укрепления при проектировании новых котлов; они могут быть использованы для проведения поверочных расчетов элементов котлов, находящихся в эксплуатации, а также для оценки их долговечности при переменных режимах работы.

В нормах учитывается действие двух основных нагружающих факторов: внутреннего давления среды в межтрубном пространстве и различных температурных расширений деталей котла. Для трубных решеток толщиной до 30 мм температурные напряжения могут не учитываться.

6.1.2. Основой расчета является оценка прочности по следующим предельным состояниям:

разрушение (вязкое и хрупкое);

появление микротрещин при циклическом нагружении.

6.1.3. Все формулы для расчета основаны на гипотезе о линейно-упругом деформировании металла. Вследствие этого напряжения, превышающие по величине предел упругости и текучести материала, являются условно-упругими.

6.1.4. Расстояния между укрепляющими элементами трубной решетки (рис.6.1) устанавливаются с учетом двух основных нагружающих факторов:

действия внутреннего давления на неукрепленные участки плоской стенки трубной решетки;

усилия изгиба от разности температурных удлинений соседних труб или других элементов.

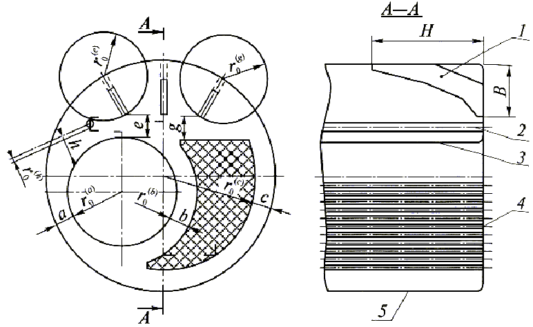
Рис. 6.1: 1 - угловая связь; 2 - анкерная тяга; 3 - жаровая труба; 4 - дымогарные трубы; 5 - обечайка корпуса

6.1.5. Расчетные формулы, связывающие максимальные напряжения в зоне просветов a, b, e, h, c, g (см. рис.6.1) с толщиной трубной решетки, с размерами указанных просветов и с температурными смещениями, получены на основании следующей упрощенной расчетной схемы: кольцевая пластина жестко защемлена по наружному и внутреннему контурам и испытывает относительное смещение кромок от температурных расширений соответствующих продольных связей на величину w.

6.2. Условные обозначения

6.2.1. Основные обозначения параметров, используемых при расчете на прочность (расчетное давление, допускаемое напряжение, номинальная толщина стенки, прибавки к расчетной толщине), указаны в подразделе 1.1.

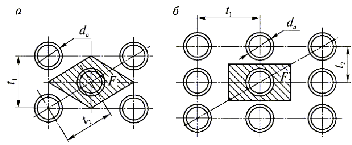
6.2.2. Просветы - это наименьшие расстояния между укрепляющими элементами трубной решетки (см. рис. 6.1); их обозначения представлены в табл. 6.1.

Таблица 6.1

СимволНазваниеЕдиница измерения
aПросвет между жаровой трубой и обечайкой корпусамм
bПросвет между жаровой трубой и наружной поверхностью наиболее близко расположенной к ней дымогарной трубымм
cПросвет между обечайкой корпуса и наружной поверхностью наиболее близко расположенной к ней дымогарной трубымм
dПросвет между жаровой трубой и краем угловой связимм
gПросвет между дымогарными трубами и краем угловой связимм
hМинимальное расстояние между наружной окружностью анкерной тяги в плане и ближайшей подкрепляющей детальюмм

6.2.3. Обозначение параметров расчетной кольцевой пластины представлены в табл. 6.2.

Таблица 6.2

СимволНазваниеЕдиница измерения
r_0Внутренний радиус расчетной кольцевой пластинымм
r_1Наружный радиус расчетной кольцевой пластинымм
sТолщина расчетной кольцевой пластины, равная номинальной толщине стенки трубной решеткимм
AБезразмерный коэффициент заделки расчетной кольцевой пластины, применяемый при расчете на температурные расширения связеймм

6.2.4. Обозначения расчетной нагрузки и деформации, а также физические константы металла рассматриваемых элементов представлены в табл. 6.3.

Таблица 6.3

СимволНазваниеЕдиница измерения
pРасчетное давление, равное давлению среды в межтрубном пространствеМПа
wСмещение внутренней кромки расчетной пластины относительно ее наружной кромки при температурных расширениях продольных связей, соответствующих этим кромкаммм
EtМодуль продольной упругости при расчетной температуреМПа
тМодуль поперечной упругости 
[o]Номинальное допускаемое напряжение при расчетной температуреМПа

6.3. Расчетная температура

6.3.1. Область применения

6.3.1.1. Температура металла трубной решетки и связей определяется на основании уравнений теплопередачи и данных теплового расчета котла, который производится в соответствии с нормами теплового расчета.

6.3.1.2. Формулы и графики для определения средних и максимальных температур металла трубной решетки получены для труб Da x s = 32 х 3 и 50 х 3 мм с разбивкой отверстий по треугольнику. Для других диаметров вводится поправочный коэффициент на диаметр труб.

6.3.1.3. Расчетная и максимальная температуры металла трубной решетки определяются для безнакипного режима работы котла.

При наличии накипи вычисленные согласно п. 6.3.4 значения температур должны быть увеличены на 40%.

6.3.1.4. Расчетная и максимальная температуры металла труб поверхностей нагрева определяются с учетом накипи согласно п. 6.3.3.

6.3.2. Условные обозначения

При определении температурного состояния плоских днищ используются следующие параметры, представленные в табл. 6.4.

Таблица 6.4

СимволНазваниеЕдиница измерения
123
DaНаружный диаметр трубымм
BiКритерий Био-
KdПоправочный коэффициент на диаметр трубы-
KtПоправочный коэффициент, учитывающий шаг между трубами-
a2Коэффициент теплоотдачиВт/(м ·К)
BОтношение наружного диаметра трубы к внутреннему диаметру-
_tКоэффициент теплопроводностиВт/(м·К)
_qКоэффициент теплопроводности накипиВт/(м·К)
Безразмерная температура-
sТолщина стенки трубымм
s_qТолщина накипимм
qСредний тепловой поток через рассматриваемую поверхность нагреваВт/м
t_sТемпература насыщения°С

6.3.3. Температура металла труб поверхностей нагрева

6.3.3.1. За расчетную температуру принимается средняя температура стенки трубы.

6.3.3.2. Расчетная температура стенки трубы определяется по формуле

,

где q и a2 определяются из теплового расчета котла;

_q = 1,163 Вт/(м·К);

s_q = 0,5 мм (при нормальных условиях эксплуатации);

s_q = 1,5 мм (при нарушении нормальных условий эксплуатации).

6.3.3.3. Максимальная температура стенки трубы

.

6.3.3.4. Температура металла корпуса и сплошных анкерных тяг принимается равной температуре насыщения.

6.3.4. Температура металла трубной решетки

6.3.4.1. За расчетную температуру металла трубной решетки принимается среднеарифметическое значение температур наружной и внутренней поверхностей плоского днища.

6.3.4.2. Расчетная температура t_pl трубной решетки определяется по формуле

,

где Kd = 1 - для труб диаметром Da = 32 мм;

Kd = 0,875 - для труб диаметром Da = 50 мм;

Kd = 0,8 - для труб диаметром Da = 60 мм.

Величины K_t и m определяются по рис.6.2. и 6.3.

Рис. 6.2

Рис. 6.3

Критерий Био для трубной решетки определяется по формуле

Критерий Био для трубы определяется по формуле

6.3.4.3. Внутренняя поверхность трубы в сечении входа газов имеет максимальную температуру.

6.3.4.4. Максимальная температура трубной решетки равна

где значение max находим по рис.6.4.

Рис. 6.4

6.3.4.5. При наличии изоляции расчет средней температуры и максимальной температуры t_pl производится согласно пп. 6.3.4.2 и 6.3.4.4, в которых m и max определяются по рис. 6.3 и 6.4 при B_ipl = 0.

6.3.4.6. При наличии выступающих в газовый объем концов труб высотой h максимальная температура трубной решетки определяется по формуле

где находим по рис.6.5;

Kd, Kt определяются согласно п.6.3.4.2.

Рис. 6.5

6.3.4.7. Расчетная температура трубной решетки при наличии выступающих в газовый объем концов труб определяется по формуле

где находим по рис.6.6.

Рис. 6.6

6.3.4.8. Максимальные температуры стенок, вычисленные согласно пп. 6.3.3.3, 6.3.4.4, 6.3.4.6, сравниваются с предельно допустимой температурой для выбранной марки стали, установленной Правилами устройства и безопасной эксплуатации паровых и водогрейных котлов.

6.3.4.9. Если при определении расчетных температур стенок трубной решетки температура окажется ниже температуры среды, то в этом случае принимается температура среды.

6.3.5. Температура металла жаровой трубы и огневой поворотной камеры

6.3.5.1. За расчетную температуру принимается средняя температура стенки, вычисляемая по следующим приближенным формулам:

для гладких жаровых трубt_s + 4s + 30°С,
для волнистых жаровых трубt_s + 5s + 30°С,
для огневой поворотной камерыt_s + 3s + 20°С,

теплонапряжение сечения топки q_F = 250 кВт/м2;

теплонапряжение топочного объема q_V = 1000 кВт/м2.

6.3.5.2. Вычисленные согласно пп. 6.3.3, 6.3.4 и 6.3.5 расчетные температуры металла труб и трубной решетки используются для определения допускаемого напряжения [o] согласно разделу 2 Норм.

6.4. Выбор основных размеров трубной решетки, днищ, обечаек и труб

6.4.1. Условные обозначения

6.4.1.1. В формулах для расчета трубных решеток приняты обозначения, представленные в табл. 6.5.

Таблица 6.5

СимволНазваниеЕдиница измерения
123
D_FВнутренний диаметр жаровой трубы (для конической трубы - средний внутренний диаметр, для волнистой трубы - наименьший внутренний диаметр)мм
D_FaНаружный диаметр жаровой трубымм
DВнутренний диаметр корпуса или отбортовки днищамм
L_FДлина жаровой трубы или расстояние между соседними кольцами жесткостимм
RВнутренний радиус сферической части днищамм
l_1Расстояние между центрами соседних связей в одном рядумм
l_2Расстояние между рядами связеймм
t1, t2Расстояние между центрами связей при неравномерном их расположениимм
d_0Диаметр наибольшей окружности, которая может быть вписана по центрам связей, расположенных на стенкемм
dДиаметр отверстия в трубной решетке для анкерной связи или анкерной трубымм
cПрибавка к расчетной толщине стенкимм
t_0max, t_1maxМаксимальная для данного режима работы котла средняя по длине и толщине стенки температура металла продольных связей, соответствующих внутренней и наружной кромкам расчетной кольцевой пластины°С
a_0, a_1Коэффициент линейного расширения металла этих же продольных связей в диапазоне температуры 20 °С - t_max1/°С
LРасчетная длина продольных связей, равная половине расстояния между трубными решеткамимм
t_plСредняя температура металла трубной решетки°С
s_BИзгибное напряжение в трубной решеткеМПа

6.4.2. Расчет плоских стенок и трубной решетки

6.4.2.1. Номинальная толщина плоской стенки, укрепленной распорными болтами, связями, анкерными трубами или косынками, должна быть не менее определенной по одной из следующих формул:

при равномерном размещении анкерных болтов, связей или труб (рис. 6.7)

Рис. 6.7

при неравномерном размещении анкерных болтов, связей или труб (рис.6.8)

Рис. 6.8

при укреплении плоской стенки угловыми или иного вида креплениями

Коэффициент K принимается равным:

0,45 - при односторонней приварке болтов, связей или труб к стенке (рис. 6.9);

Рис. 6.9

0,42 - при двухсторонней приварке болтов, связей или труб к стенке;

0,39 - если распорные болты или связи имеют снаружи шайбу толщиной не менее 0,8 толщины укрепляемой стенки и наружным диаметром не менее 0,6 расстояния между центрами соседних связей (рис. 6.10);

Рис. 6.10

0,36 - если распорные болты или связи, ввернутые на резьбе, имеют снаружи гайку и шайбу толщиной не менее толщины укрепляемой стенки и наружным диаметром не менее 0,8 расстояния между центрами соседних укреплений.

Если плоская стенка имеет разные виды укреплений, то толщина ее должна приниматься наибольшей из вычисленных для разного вида укреплений.

6.4.2.2. Прибавка к расчетной толщине стенки должна приниматься в соответствии с подразделом 1.5.

6.4.2.3. При закреплении труб в трубной решетке с применением вальцовки толщина плоской стенки должна быть не менее определенной по формуле s = 0,125d + 5 мм, но не менее 13 мм.

6.4.2.4. После выбора толщины стенки проверяются максимально и минимально допустимые размеры просветов согласно пп. 6.4.3 и 6.4.4.

Если значение просветов не соответствует установленным максимальным и минимальным значениям, то толщина стенки должна быть увеличена или уменьшена.

6.4.3. Наибольшие допустимые размеры неукрепленных участков трубной решетки

6.4.3.1. Диаметр наибольшей окружности, которая может быть вписана касательно к расположенным на трубной решетке связям, корпусу или трубам (рис. 6.12), должен удовлетворять условию

Рис. 6.11

Рис. 6.12: 1 - для просветов a и b; 2 - для просветов e и h

6.4.3.2. Размеры просветов (см. рис.6.1) между волнистой жаровой трубой и корпусом a, дымогарными трубами b, угловой связью e или анкерной тягой h должны удовлетворять условию

6.4.3.2.1. Коэффициент K1 при 0,1 <0,8 определяется по рис. 6.12 в зависимости от вида просвета (см. рис.6.1).

При 0,8 <1 коэффициент K1 для просветов a, b, e и h равен 0,58.

6.4.3.2.2. В случае укрепления трубной решетки анкерной тягой как при волнистой, так и при гладкой жаровой трубе для просвета h должно выполняться условие (см. рис. 6.1)

где

6.4.3.3. Расчет по п. 6.4.3.2 производится в зависимости от назначения расчета.

6.4.3.3.1. Если размеры a (или b, e, h), r_0 и r_1 заданы, то производится проверка выполнения условия п. 6.4.3.2.

6.4.3.3.2. В том случае, когда при проектировании новых котлов требуется определить наибольшие допустимые размеры указанных просветов, расчет по п. 6.4.3.2 ведется методом последовательных приближений.

При определении размеров a или b задается (или задано) значение r_0.

В первом приближении размер просвета a или b принимается равным

Определяется наружный радиус в первом приближении:

По отношению и графику на рис. 6.12 находят значение и определяют размер просвета и радиус во втором приближении:

По отношению определяют новые значения и.т.д.

Для просветов e и h в первом приближении принимают

и расчет производят последовательными приближениями аналогично предыдущему случаю; при этом задано значение r_1.

Радиусы , изображенные на рис. 6.1, определяются на основании величин просветов, найденных в каждом приближении:

;

Процесс приближения быстро сходится.

6.4.3.3.3. Вместо последовательных приближений можно задаваться меньшими размерами просветов по сравнению с их первоначальными значениями и производить проверку согласно п. 6.3.3.2.

6.4.4. Наименьшее допустимое расстояние между укрепляющими деталями трубной решетки

6.4.4.1. Для просветов a, b, e, h (гладкая жаровая труба), c, g (см. рис. 6.1) должно выполняться условие

где K2 - коэффициент, зависящий от отношения r_0 / r_1

при определяется по рис. 6.13;

Рис. 6.13

при 0,8 =< r_0 / r_1 < 1K2 вычисляется по формуле

w - относительное смещение кромок расчетной кольцевой пластины, определяемое по формуле

w = L [a_0(t_0max - 20) - a_1 (t_1max - 20)],

здесь [a_0(t_0max - 20) - a_1 (t_1max - 20)] - знак абсолютной величины.

6.4.4.1.1. Температуры t_0max, t_1max, t_pl определяются согласно п.6.3.

Величины Et, a_0, a_1 определяют согласно приложению к главе 5; Et берется для металла решетки при температуре t_pl; a_0 и a_1 определяются для металла продольных связей в интервале температур (20 - t_0max) и (20 - t_1max) соответственно.

6.4.4.1.2. Допускаемое напряжение [o] определяется для металла трубной решетки согласно разделу 2 при температуре t_pl .

6.4.4.1.3. При определении размеров просветов a, b, c, e, g, h следует выбрать положение условной кольцевой пластины для каждого случая. Указания по выбору радиуса внутренней кромки пластины r_0 приведены на рис.6.1. Например, для просвета a внутренней кромке пластины соответствует гладкая жаровая труба, а наружной кромке пластины - обечайка корпуса, для просвета g - кромка косынки и дымогарные трубы соответственно и т.д.

6.4.4.1.4. Значения коэффициента A в зависимости от вида просвета принимаются: 0,80 для просветов a, b; 0,75 для просвета c; 1,50 для просветов e, g; 1,00 для просвета h.

6.4.4.2. При проектировании новых котлов минимально допустимые размеры просветов проверяют по формуле

6.4.4.2.1. Коэффициент , зависящий от отношения r_0 / r_1, при 0,1 =< r_0 / r_1 < 0,9 определяется по рис.6.14.

Рис. 6.14

При 0,9 =< r_0 / r_1 <1 коэффициент Kз = 1,8.

6.4.4.2.2. После того как определены размеры просветов, определяют радиусы расчетной кольцевой пластины:

r_0 = r_1 - a (или b, c, e, g, h), если задан наружный радиус;

r_1 = r_0 + a (или b, c, e, g, h), если задан внутренний радиус.

6.4.4.2.3. Для полученных размеров расчетных пластин проверяется выполнение условия п.6.4.4.1. Если это условие не выполняется, то размер просвета несколько увеличивают, определяют радиус расчетной кольцевой пластины согласно п.6.4.4.2.2 и повторяют проверку.

6.4.4.3. Если условие п.6.4.4.1 не выполняется, то производится расчет на малоцикловую усталость согласно подразделу 6.6.

6.4.5. Толщина стенки выпуклых днищ

6.4.5.1. Номинальная толщина стенки выпуклого днища газотрубного котла должна быть не менее определенной по формуле

s = s_R + c,

где s_R = pR / [o].

Формула пригодна при соблюдении условия R = 1,2D.

6.4.5.2. Величина прибавки c должна определяться согласно подразделу 1.5 Норм.

Утонение стенки при штамповке днища не должно учитываться в том случае, если оно не превышает 5% расчетной толщины.

В случае превышения расчетная толщина днища должна быть увеличена на разницу между фактической толщиной и пятипроцентным допускаемым утонением.

6.4.5.3. Толщина стенки, вычисленная по п. 6.4.5.1, должна округляться до ближайшего большего размера листа, имеющегося в стандарте на сортамент.

Во всех случаях номинальная толщина стенки днища должна приниматься не менее 6,0 мм.

6.4.6. Расчет жаровых труб

6.4.6.1. Номинальная толщина стенки гладкой жаровой трубы должна быть не менее определенной по формуле

s = s_R + c,

где

Значение коэффициента K_F следует принимать:

3,10 - для горизонтальных жаровых труб;

1,85 - для вертикальных жаровых труб.

При наличии жестких креплений в поперечном направлении за расчетную длину L_F следует принимать наибольшее расстояние между соседними креплениями (рис. 6.15).

Рис. 6.15

Вычисленная согласно п. 6.4.6.1 номинальная толщина стенки должна округляться до ближайшего большего размера листа, имеющегося в стандарте на сортамент.

Номинальная толщина стенки волнистой жаровой трубы должна быть не менее определенной по формуле

s = s_R + c,

где s_R = pD_F / [o] (для волн высотой 50 мм и более).

Прибавка с должна определяться согласно подразделу 1.5 Норм, но должна быть не менее 2 мм.

6.4.6.2. Номинальная толщина стенки жаровых труб должна приниматься не менее 7 мм и не более 20 мм.

6.4.6.3. Допустимое рабочее давление при контрольных расчетах жаровых труб определяется по следующим формулам:

для гладких труб

для волнистых труб ( с высотой волны 50 мм и более)

6.4.7. Расчет дымогарных труб

6.4.7.1. Номинальная толщина стенки прямой трубы с наружным диаметром не более 200 мм, находящейся под наружным давлением, должна быть не менее определенной по формуле

где величина прибавки c должна приниматься согласно подразделу 1.5 Норм.

6.4.7.2. Номинальная толщина стенки труб, находящихся под внутренним давлением, определяется согласно разделу 3 Норм.

6.4.7.3. Номинальная толщина стенки труб с учетом наружного давления должна быть не менее значений, приведенных в табл. 6.6.

Таблица 6.6

Da, мм=< 38=< 51=< 70=< 90=< 108>108
S, мм2,53,03,74,55,56,0

6.4.8. Расчет обечаек корпуса

6.4.8.1. Номинальная толщина стенки обечаек корпуса определяется согласно разделу 3 Норм.

6.5. Выбор основных размеров анкерных и угловых связей

6.5.1. Условные обозначения

Дополнительные обозначения представлены в табл. 6.7.

Таблица 6.7

СимволНазваниеЕдиница измерения
FПлощадь трубной решетки, укрепляемой данной анкерной связью или трубоймм2
FvРасчетная площадь вальцованной поверхностимм2
FpПлощадь нагрузки на одну связь или трубумм2
fПлощадь поперечного сечения анкерной связи или укрепляющей трубымм2
q_1Величина усилия, приходящаяся на 1 мм периметра развальцованной трубыН/мм
q_2Допустимое усилие на вальцованной поверхностиМПа
l_mДлина развальцованного участкамм

6.5.2. Расчет анкерных связей и труб

6.5.2.1. Площадь сечения анкерной связи или анкерной трубы, подвергающейся растяжению, должна удовлетворять условию

Если труба подвергается сжатию, то вместо наружного диаметра трубы Da следует использовать внутренний D.

6.5.2.2. Площадь сечения угловой анкерной связи должна удовлетворять условию

где a - угол между угловой анкерной связью и трубной решеткой.

6.5.2.3. Площади F, укрепляемые анкерными связями или трубами, определяются по рис. 6.16.

Рис. 6.16: a - разбивка по треугольнику; б - разбивка по прямоугольнику

6.5.2.4. Если плоская стенка укрепляется только развальцованными трубами, то величина усилия q_1 определяется по формуле

которая должна удовлетворять условию:

q_1 = 30 Н/мм при развальцовке труб без отбортовки концов и без канавок;

q_1 = 50 Н/мм при развальцовке труб без отбортовки концов, но при наличии двух канавок с общей высотой не менее толщины стенки трубы;

q_1 = 70 Н/мм при развальцовке труб с отбортовкой обоих концов.

6.5.2.5. Необходимая длина развальцованного участка трубы l_m должна определяться из условия

где Fm = (Da - D)lm;

q_2 - допустимое усилие на вальцованной поверхности:

150 МПа - при развальцовке труб без отбортовки и без канавок;

300 МПа - при развальцовке труб без отбортовки, но при наличии канавок с общей высотой не менее толщины стенки трубы;

400 МПа - при развальцовке труб с отбортовкой.

6.5.2.6. Расчетная площадь вальцованной поверхности должна удовлетворять условию

Длина развальцованного участка l_m должна быть не менее 12 мм; в расчете должна приниматься не более 40 мм.

6.5.2.7. При использовании сварки для закрепления труб и анкерных связей в трубной решетке расчетное сечение сварного шва (рис. 6.17) должно быть не менее определенного по формуле

где [o] - должна приниматься по материалу трубы или решетки с наименьшим значением расчетной характеристики прочности при расчетной температуре стенки.

Рис. 6.17

Кроме того, для указанных типов сварных швов должно выполняться условие .

6.5.2.8. Если закрепление трубы осуществляется на вальцовке с использованием сварного шва по типу 1 (рис. 6.17) для обеспечения дополнительной плотности, то сечение шва должно быть не более 5 мм.

6.5.3. Размеры угловых связей

Размеры угловых связей (косынок) должны удовлетворять соотношению (см. рис. 6.1) H >= 1,8B.

Допускается применение косынок без уменьшения ширины средней части.

6.6. Поверочный расчет на усталость

6.6.1. Условные обозначения

6.6.1.1. Условные обозначения при расчете на малоцикловую усталость принимаются согласно подразделу 5.1.5 Норм.

Дополнительные обозначения:

t_0min, t_1min - температура металла продольных связей соответственно внутренней и наружной кромок расчетной кольцевой пластины (минимальная для данного режима работы котла, средняя по длине и толщине стенки), °С.

Остальные обозначения - согласно подразделу 6.2.

6.6.2. Требования к расчету на усталость

6.6.2.1. Расчет на усталость производится с учетом всех режимов эксплуатации котла, характеризующихся минимальными (t_0min, t_1min) и максимальными (t_0max, t_1max) температурами металла продольных связей в начале и конце цикла колебаний, а также числом циклов каждого типа.

Примером циклического нагружения котла являются циклы типа пуск-останов, при которых нагрузка изменяется от нуля, а температура металла от 20 °С до номинальной величины и обратно.

Циклами второго типа могут служить циклические изменения нагрузки от заданного промежуточного значения до номинальной величины и обратно.

6.6.2.2. Расчет производится для всех просветов, имеющихся на трубной решетке и поворотной огневой камере.

6.6.2.3. Местные температурные напряжения в данном методе расчета не учитываются; интенсивность напряжений определяется только по изгибной составляющей напряжения . Однако понятие интенсивности напряжений сохраняется для более удобного применения при оценке долговечности трубной решетки.

6.6.3. Определение размаха интенсивностей напряжений

6.6.3.1. Размах интенсивностей напряжений вычисляется по формуле

где _w = 0,8 - коэффициент снижения циклической прочности для углового сварного соединения вварки плоского днища в обечайку корпуса котла, плоского днища в обечайку огневой поворотной камеры, а также соединения плоского днища с жаровой трубой.

6.6.3.1.1. Относительное смещение кромок в рассматриваемом режиме

w = L|[a_0(t_0max - t_0min) - a_1(t_1max - t_1min)]|,

где |[a_0(t_0max - t_0min) - a_1(t_1max - t_1min)]| - знак абсолютной величины.

6.6.3.1.2. Температуры t_0max,t_0min, t_1max, t_1max определяются согласно подразделу 6.3.

6.6.3.1.3. Остальные величины в формуле п.6.6.3.1 определяются согласно п.6.4.4.1.

На основании найденной величины размаха интенсивностей напряжений производится оценка долговечности в соответствии с подразделом 5.1.5 Норм.

6.7. Допустимое давление в котле при наличии отклонений от круглости жаровой трубы

6.7.1. Условные обозначения

Дополнительные обозначения:

D_Fmax, D_Fmin - максимальный и минимальный наружные диаметры поперечного сечения жаровой трубы, мм;

a - коэффициент некруглости,%;

e - максимальный размер уплощения (рис. 6.18) поперечного сечения жаровой трубы, мм.

s_f - фактическая толщина стенки жаровой трубы, мм.

Остальные обозначения - согласно табл. 6.1 и 6.2.

Рис. 6.18

6.7.2. Определения

В Нормах рассматриваются следующие отклонения от круглого поперечного сечения трубы:

овальность поперечного сечения, определяемая коэффициентом некруглости:

уплощение поперечного сечения (см. рис. 6.18), определяемое приведенным коэффициентом некруглости:

6.7.3. Допустимое отклонение от круглости (овальность)

6.7.3.1. При изготовлении новых котлов коэффициент некруглости поперечного сечения рассматриваемых деталей не должен быть более 1% , т.е. a =< 1%.

6.7.3.2. При техническом диагностировании котлов, находящихся в эксплуатации, допускается некруглость поперечного сечения жаровых труб более 1%.

Допустимое рабочее давление для жаровой трубы с учетом овальности не должно быть более

где K = 3,10 - для горизонтальных жаровых труб;

K = 1,85 - для вертикальных жаровых труб.

При выполнении контрольных расчетов по данным измерений толщины стенки вместо s - c следует применять s_g - c. Величина s_g должна приниматься равной наименьшему значению из четырех измерений толщины по концам двух взаимно перпендикулярных диаметров в одном сечении при числе проверяемых сечений не менее одного на каждой метр длины жаровой трубы.

6.7.3.2.1. Если при измерении поперечного сечения получено a < 1, в расчете принимается a = 1,0.

6.7.3.2.2. Эксплуатация жаровых труб с некруглостью поперечного сечения более 3% не допускается.

6.8. Основные требования к конструкции

6.8.1. Расстояние между двумя соседними кольцами жесткости жаровой трубы не должно превышать 2D_F.

6.8.2. Для волнистых жаровых труб высота волны должна быть не менее 50 мм.

6.8.3. Не рекомендуется устанавливать конусные переходы на жаровых трубах.

6.8.4. Наличие зазора между трубами и трубной решеткой при некачественной вальцовке труб вызывает перегрев металла трубы и способствует развитию щелевой коррозии. Поэтому для увеличения надежности и срока службы котла рекомендуется подвальцовка труб после приварки их к трубной решетке.

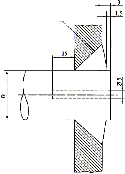
6.8.5. Наружный сварной шов (рис.6.19, а) повышает температуру металла трубной решетки, которая у решеток с трубами, заделанными заподлицо, ниже, чем у решеток с наружными сварными швами (рис. 6.19, б).

Рис. 6.19

6.8.6. Изоляция толщиной более 50 мм неэффективна, так как дальнейшее увеличение толщины изоляции практически не снижает температуру металла трубной решетки.

6.8.7. Распорные анкерные связи должны быть расположены так, чтобы уменьшить изгибные напряжения. Анкерные связи должны иметь засверления с обеих сторон на длину не менее 30 мм и должны входить в водяное пространство (рис. 6.20).

Рис. 6.20

Продольные анкерные связи, соединяющие трубные решетки, должны иметь подкладные шайбы диаметром не менее 4Da.

Если в результате расчета анкерной связи по п. 6.3.2 наружный диаметр связи получается таким, что не выполняется условие п. 6.2.3.2.2, то диаметр концов связей должен быть увеличен (рис. 6.20).

7. РАСЧЕТ НА ПРОЧНОСТЬ КОЛЛЕКТОРОВ ОТ ДЕЙСТВИЯ НАГРУЗОК В ОПОРАХ И ПОДВЕСКАХ

7.1. Условные обозначения

7.1.1. В этом разделе приняты следующие условные обозначения, представленные в табл. 7.1.

Таблица 7.1

СимволНазваниеЕдиница измерения
123
FРасчетное давлениеМПа
tРасчетная температура стенки°С
DaНоминальный наружный диаметр коллекторамм
DНоминальный внутренний диаметр коллекторамм
sНоминальная толщина стенки коллекторамм
aШирина поверхности подвески или опорымм
bДлина поверхности подвески или опорымм
GУсилие, приложенное к одной подвеске или опореН
Половина угла охвата коллектора подвеской или опоройград
dНоминальный наружный диаметр плавниковой трубымм
qРаспределенная нагрузкаМПа
2lДлина участка, на котором действует распределенная нагрузкамм
hШирина участка, на котором действует распределенная нагрузкамм
dsНоминальный внутренний диаметр штуцерамм
k1Коэффициент 
k2Коэффициент 
o_zОсевое напряжение в коллектореМПа
o_Окружное напряжение в коллектореМПа
Nz, N_Соответственно осевое и окружное усилия в коллекторе, отнесенные к единице длиныН/мм
Mz, M_Соответственно осевой и окружной изгибающие моменты в коллекторе, отнесенные к единице длиныН
Осевое напряжение от внутреннего давленияМПа
Окружное напряжение от внутреннего давленияМПа
Радиальное напряжение от внутреннего давленияМПа
o1, o2, o3Главные нормальные напряженияМПа
o_eЭквивалентное напряжениеМПа
[o]Номинальное допускаемое напряжение при расчетной температуреМПа

7.2. Общие положения

7.2.1. Расчет на прочность коллекторов под действием весовых нагрузок является поверочным и выполняется после выбора основных размеров коллектора в соответствии с подразделом 3.2 Норм.

7.2.2. Используемые материалы и полуфабрикаты, а также технология изготовления и контроль коллекторов, штуцеров и деталей опор и подвесок должны соответствовать требованиям Правил Госгортехнадзора России.

7.2.3. Отношение наружного диаметра коллектора к толщине стенки должно удовлетворять условию Da / s = 9-35.

Для коллекторов с отношением Da / s < 9 расчет на прочность от действия весовой нагрузки должен проводиться в соответствии с подразделом 5.1 Норм.

7.2.4. Настоящие Нормы рассматривают коллекторы с вертикальным подвесом экранов (рис. 7.1, 7.2).

Рис. 7.1. Общий вид коллектора газоплотного экрана

Рис. 7.2. Расчетная схема коллектора

7.2.5. Схемы расположения подвесок или опор и нагружения коллектора указаны на рис. 7.1, 7.2.

7.2.6. Для подвесных конструкций коллекторов направление действия усилия G, а также распределенной нагрузки q, приложенной к коллектору, совпадает с направлениями, указанными на рис. 7.1,7.2, 7.3. Для опорных конструкций направление усилия G и распределенной нагрузки q противоположно направлениям, указанным на рис. 7.1, 7.2, 7.3.

Рис. 7.3. Распределенная нагрузка, действующая на коллектор со стороны экрана

7.3. Местные напряжения

7.3.1. Усилие G, действующее на подвеску или опору (см. рис. 7.1, 7.2, 7.3), определяется как суммарный вес коллектора, его содержимого и присоединенного оборудования, приходящийся на одну подвеску или опору.

7.3.2. Для коллекторов цельносварных газоплотных экранов реактивная нагрузка q, действующая со стороны экрана на коллектор (см. рис.7.3), определяется по номограммам в зависимости от диаметра коллектора. Реактивная нагрузка, действующая на газоплотный экран со стороны коллектора, по величине равна q и противоположна по направлению.

7.3.3. Ширина участка h, на котором действует распределенная реактивная нагрузка q, при расчете напряжений в коллекторе принимается равной h = 0,85d.

Длина участка 2l воздействия нагрузки для коллектора и газоплотного экрана определяется по кривым, приведенным на рис. 7.3.

7.3.4. По размерам подвесок или опор a и b вычисляются коэффициенты

7.3.5. Для подвесных конструкций расчет максимальных усилий Nz, N_ и моментов Mz, M_ в коллекторе, вызванных действием весовых нагрузок, ведется по кривым, приведенным на рис. 7.4-7.11.

Для опорных конструкций значения усилий Nz, N_ и моментов Mz, M_ в коллекторе, найденные по кривым рис. 7.4-7.11, берутся со знаком "минус".

Рис. 7.4. Номограммы для вычисления усилий Nz, N_ в коллекторе
при Da / s = 9 + 13 и a > b

Рис. 7.5. Номограммы для вычисления моментов Mz, M_ в коллекторе
при Da / s = 9 + 13 и a > b

Рис. 7.6. Номограммы для вычисления усилий Nz, N_ в коллекторе
при Da / s = 14 + 35 и a > b

Рис. 7.7. Номограммы для вычисления моментов Mz, M_ в коллекторе
при при Da / s = 14 + 35 и a > b

Рис. 7.8. Номограммы для вычисления усилий Nz, N_ в коллекторе
при Da / s = 9 + 13 и a < b

Рис. 7.9. Номограммы для вычисления моментов Mz, M_ в коллекторе
при Da / s = 9 + 13 и a < b

Рис. 7.10. Номограммы для вычисления усилий Nz, N_ в коллекторе
при Da / s = 14 + 35 и a < b

Рис. 7.11. Номограммы для вычисления моментов Mz, M_ в коллекторе
при Da / s = 14 + 35 и a < b

7.3.6. Для подвесок или опор, удовлетворяющих условию a > b, значения Nz, N_, Mz, M_ в коллекторе определяются по кривым, приведенным на рис. 7.4-7.7, с использованием параметров k1 и .

7.3.7. Для подвесок или опор, удовлетворяющих условию b > a, значения усилий и моментов Nz, N_67, Mz, M_67, действующих в стенках коллектора, определяются по кривым, приведенным на рис. 7.8-7.11, с использованием коэффициентов k1 и k2.

7.3.8. В случае подвеса коллектора за штуцер при определении максимальных усилий и моментов в коллекторе по п. 7.3.4-7.3.7 принимается a = b = 0,85d.

7.3.9. Наибольшие местные напряжения возникают в коллекторе (у краев подвесок или опор) в точках A или A` при a > b и в точках B или B` при b > a (см. рис. 7.1, 7.2).

7.3.10. Значения максимальных местных окружных o_ и осевых o_z напряжений в стенках коллектора определяются по формуле

Знак "минус" относится к внутренней поверхности (точки A` или B`), знак плюс - к наружной (точки A или B).

7.3.11. Напряжения от внутреннего давления вычисляются по формулам:

7.4. Условия прочности

7.4.1. Для рассматриваемой точки коллектора (точки A или A`, B или B`) вычисляются три главных нормальных напряжения, которые представляют собой алгебраическую сумму действующих в одном направлении напряжений, вызванных весовыми нагрузками и внутренним давлением. Главные напряжения определяются по формулам:

если

если

7.4.2. Эквивалентное напряжение для рассматриваемой точки коллектора принимается равным

o_e = o1 - o3.

7.4.3. Величина эквивалентного напряжения в коллекторе от действия весовых нагрузок и внутреннего давления должна удовлетворять условию

o_e =< 1,5[o].

Величина номинального допускаемого напряжения принимается в соответствии с разделом 2 Норм.