Обувь специальная виброзащитная. Общие технические требования. ГОСТ 12.4.024-76

(утв. Постановлением Госстандарта СССР от 26.01.76 N 207)
Редакция от 01.03.1986 — Действует

МЕЖГОСУДАРСТВЕННЫЙ СТАНДАРТ

СИСТЕМА СТАНДАРТОВ БЕЗОПАСНОСТИ ТРУДА

ОБУВЬ СПЕЦИАЛЬНАЯ ВИБРОЗАЩИТНАЯ

ОБЩИЕ ТЕХНИЧЕСКИЕ ТРЕБОВАНИЯ

Occupational safety standards system. Special vibration protection boots. General technical requirements

ГОСТ 12.4.024-76

(в ред. Изменения N 1)

Дата введения 1978-01-01

ВВЕДЕН В ДЕЙСТВИЕ постановлением Государственного комитета стандартов Совета Министров СССР от 26 января 1976 г. N 207

Ограничение срока действия снято по протоколу N 2-92 Межгосударственного Совета по стандартизации, метрологии и сертификации (ИУС 2-93)

ИЗДАНИЕ (август 2001 г.) с Изменением N 1, утвержденным в марте 1986 г. (ИУС 6-86)

Настоящий стандарт распространяется на специальную виброзащитную обувь (далее - спецобувь) из кожи, искусственных, синтетических, текстильных материалов и комбинированную из перечисленных материалов, предназначенную для защиты работающих от воздействия общей производственной вертикальной вибрации в диапазоне частот свыше 11 Гц, и устанавливает общие технические требования, обеспечивающие виброзащитные, эксплуатационные и физиолого-гигиенические свойства спецобуви, а также методы испытания ее виброзащитных свойств. (в ред. Изменения N 1)

1. ТЕХНИЧЕСКИЕ ТРЕБОВАНИЯ

1.1. Спецобувь должна изготавливаться в виде сапог, полусапог и полуботинок мужских и женских.

1.2. Размеры спецобуви и ее деталей устанавливаются нормативной документацией на каждый конкретный вид спецобуви.

1.3. Спецобувь должна обладать защитными свойствами, указанными в табл.1.

Таблица 1

Вид спецобуви Защитные свойства
от вибрации и ударов энергией 5 Дж от вибрации, нетоксичной пыли, пыли стекловолокна и ударов энергией от вибрации, скольжения по зажиренной поверхности и ударов энергией от вибрации, пониженных температур и ударов энергией
5 Дж 50 Дж 5 Дж 50 Дж 5 Дж 50 Дж
Сапоги + + + + + + +
Полусапоги + + + + + + +
Полуботинки + - - + - - -

Примечание. Знак "+" означает, что указанные защитные свойства обязательны для данного вида спецобуви, знак "-" - не обязательны.

1.4. Виброзащитные свойства обуви должны обеспечиваться применением виброизолирующих элементов, состоящих из упругодемпфирующих материалов или конструкций. (в ред. Изменения N 1)

1.4.1. Виброзащитная спецобувь в зависимости от способа применения виброизолирующего элемента подразделяется на следующие типы:

I - спецобувь с несъемными виброизолирующими элементами, входящими в пакет деталей низа обуви;

II - спецобувь со съемными виброизолирующими элементами, вкладываемыми внутрь обуви в виде стелек или присоединяемых снизу к подошве.

1.4.2. Виброзащитные свойства спецобуви характеризуются коэффициентом передачи по ГОСТ 24346-80, значения которого должны соответствовать указанным в табл.2.

Таблица 2

Частота, Гц Коэффициент передачи, дБ, не менее
А Б
16 2 4
31,5 4 7
63 4 7

Примечание. Показатели группы Б вводятся с 01.01.89.

Значения коэффициента передачи устанавливают, на сколько снизятся уровни вибрации, воздействующей на работающего, при применении спецобуви соответствующей группы.

В зависимости от коэффициента передачи виброзащитная спецобувь делится на группы А и Б, обеспечивающие защитные свойства, указанные в табл.2.

1.4.1-1.4.2. Пункты утратили силу. (в ред. Изменения N 1)

1.5. Пункт утратил силу. (в ред. Изменения N 1)

1.6. Спецобувь должна изготовляться с подошвами из маслобензостойких материалов с противоскользящим рифлением.

Показатели "стойкость подошвенных материалов к нефтепродуктам и маслам" и коэффициент трения скольжения устанавливаются нормативной документацией на конкретный вид спецобуви. (в ред. Изменения N 1)

1.7. Спецобувь для защиты от пониженных температур должна иметь утепляющие элементы, обеспечивающие нормальные условия работы при температуре до минус 30 °С.

1.8. Спецобувь для защиты от пыли должна иметь конструктивные элементы, предотвращающие попадание пыли внутрь обуви.

1.9-1.11. Пункты утратили силу. (в ред. Изменения N 1)

1.12. Гибкость спецобуви должна устанавливаться нормативной документацией на конкретный ее вид и не превышать 28 Н/см. (в ред. Изменения N 1)

1.13. Спецобувь не должна оказывать токсического и аллергического действия на организм человека.

1.14. Масса спецобуви должна устанавливаться нормативной документацией на конкретный ее вид и не превышать на полупару полусапог, г:

950 - для гвоздевого метода крепления;

720 -для клеевого метода крепления;

700 - для литьевого метода крепления.

При изготовлении спецобуви на утепленной подкладке норма массы полупары увеличивается на 5%.

1.15. Спецобувь должна иметь клеймо с обозначением защитных свойств по ГОСТ 12.4.103-83.

1.14-1.15. Пункты утратили силу. (в ред. Изменения N 1)

1.16. Срок носки спецобуви не должен быть менее 6 мес. и устанавливается нормативной документацией на каждый конкретный вид спецобуви.

2. МЕТОДЫ ИСПЫТАНИЙ

2.1. Определение коэффициента передачи

Коэффициент передачи спецобуви определяют на каждой из установленных в п.1.4.2 частот как разность логарифмических уровней среднеквадратических значений виброскорости под пяткой испытателя, стоящего на подвижном столе вибростенда в испытуемой спецобуви, и на столе вибростенда.

Для спецобуви типа I коэффициент передачи определяют по разности измерений на испытуемом образце на уровне между пяткой и упругодемпфирующим материалом и на столе вибростенда.

Для спецобуви типа II коэффициент передачи определяют по разности измерений под пяткой испытателя в испытуемом образце с виброзащитной стелькой и на столе вибростенда.

2.1.1 Аппаратура

2.1.1.1. Для проведения испытаний применяют вибростенд, обеспечивающий следующие требования:

рабочий диапазон частот 10-100 Гц;

допустимая масса нагрузки на столе вибратора стенда не менее 90 кг;

создаваемая стендом в рабочем диапазоне частот при допустимой массе нагрузки виброскорость не менее 0,5·10(-2) м/с;

коэффициент нелинейных искажений в рабочем диапазоне частот не более 8%.

Стол вибратора должен иметь размеры и крепежные приспособления, обеспечивающие возможность крепления на нем платформы размером не менее 320х320х10 мм.

2.1.1.2. Виброизмерительная аппаратура должна обеспечить измерение виброскорости со следующими характеристиками:

рабочий диапазон частот 10-100 Гц;

динамический диапазон виброскорости от 0,1·10(-2) до 1·10(-2) м/с;

основная погрешность измерений ±1 дБ.

2.1.1.3. Применяемый в качестве основного измерительный вибропреобразователь должен иметь центральное подключение кабеля и массу не более 20 г.

2.1.2. Подготовка к испытанию

2.1.2.1. Для проведения испытания собирают испытательную установку, которая должна обеспечивать:

задание на установленных частотах синусоидальных колебаний фиксированных уровней;

измерение и регистрацию по двум каналам уровней виброскорости на платформе вибростенда и испытуемой спецобуви.

Блок-схема испытательной установки приведена в приложении 1.

2.1.2.2. На столе вибростенда монтируется металлическая платформа для размещения на ней испытателя и контрольного измерительного вибропреобразователя.

Для крепления контрольного вибропреобразователя в центре платформы должно быть резьбовое отверстие.

Для свободного размещения корпуса основного вибропреобразователя, устанавливаемого под пяткой стоящего испытателя в спецобуви типа II, в платформе предусматривается специальное отверстие.

2.1.2.3. Основной вибропреобразователь крепится на измерительном приспособлении на резьбе.

Для измерений на спецобуви типа I крепление вибропреобразователя к кубику производится на резьбовой шпильке. Кубик крепится на обуви с помощью винта с потайной головкой, вворачиваемого в задник по середине наружного ремня. Способ установки основного вибропреобразователя на кубике, его конструкция и крепление на обуви приведены в приложении 2.

Для измерений на спецобуви типа II вибропреобразователь крепится к подпятнику винтом с потайной головкой.

Конструкция подпятника, способ крепления на нем вибропреобразователя и установка подпятника в обуви приведены в приложении 2.

2.1.2.4. Для свободного размещения основного вибропреобразователя в подошве и стельке используемой испытателем спецобуви типа II в центре ее, под пяткой должно быть сделано отверстие, исключающее контакт вибропреобразователя и измерительного кабеля с материалом подошвы и стельки.

2.1.2.5. В качестве испытателей привлекают не менее трех мужчин, массой от 65 до 90 кг, которые по характеру работы не подвергаются постоянному воздействию вибрации.

2.1.3. Проведение испытаний

2.1.3.1. Испытатель становится на платформу на столе вибростенда по стойке "смирно", имея на ногах испытуемую спецобувь, на которой установлен измерительный вибропреобразователь.

2.1.3.2. Включают вибростенд и на каждой из установленных частот задают значение виброскорости 0,5·10(-2) м/с.

На каждой частоте задаваемые уровни контролируют по каналу контрольного вибропреобразователя и одновременно измеряют уровни виброскорости по каналу основного вибропреобразователя.

2.1.3.3. Каждую пару испытывают не менее трех испытателей.

С каждым испытателем проводят измерения не менее трех пар образцов.

2.1.3.4. Пределы возможных значений погрешности измерения среднего значения коэффициента передачи составляют ±3 дБ с доверительной вероятностью 0,95.

2.1.4. Обработка результатов

2.1.4.1. На каждой установленной частоте результаты измерений на обуви (по каналу основного вибропреобразователя) для всех испытателей и испытуемых образцов определяют по формуле

,

где L_vn- средний уровень виброскорости на данном образце испытуемой спецобуви для всех испытателей, дБ; L_vi- уровень виброскорости измерений на данном образце для i-го испытателя, дБ; n>= 3 - число испытателей;

,

где L_vcp- средний уровень виброскорости для испытуемого вида спецобуви, дБ; m>= 3 - число образцов испытуемого вида спецобуви.

2.1.4.2. Коэффициент передачи виброзащиты (K) спецобуви определяют для каждой частоты f по формуле

K = 100 – L(f)_vcp,

где L(f)_vcp - средний уровень виброскорости, полученный для испытуемого вида спецобуви на частоте f = 16; 31,5; 63 Гц.

2.1-2.4. Пункты утратили силу. (в ред. Изменения N 1)

2.1.5. Результаты измерений коэффициента передачи оформляют протоколом, форма которого приведена в приложении 3. (в ред. Изменения N 1)

2.2. Определение линейных размеров спецобуви - по РД 17-06-036-90.

2.3. Определение ударной прочности спецобуви с защитными носками - по ГОСТ 12.4.151-85.

2.4. Определение предела прочности резин при разрыве - по ГОСТ 270-75.

2.5. Определение твердости резин - по ГОСТ 263-75.

2.6. Определение сопротивления истиранию резин - по ГОСТ 426-77.

2.7. Определение сопротивления многократному изгибу резин - по ГОСТ 422-75.

2.8. Определение плотности резин - по ГОСТ 267-73.

2.9. Определение температуры хрупкости резин - по ГОСТ 7912-74.

2.10. Определение прочности швов заготовок - по ГОСТ 9290-76.

2.11. Определение прочности крепления низа спецобуви в зависимости от способа крепления подошв - по ГОСТ 9134-78 и ГОСТ 9292-82.

2.12. Определение прочности крепления каблуков - по ГОСТ 9136-72.

2.13. Определение снижения прочностных показателей от воздействия машинного масла - по ГОСТ 9.030-74.

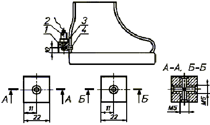
ПРИЛОЖЕНИЕ 1
Справочное

БЛОК-СХЕМА ИСПЫТАТЕЛЬНОЙ УСТАНОВКИ ДЛЯ ОПРЕДЕЛЕНИЯ КОЭФФИЦИЕНТА ПЕРЕДАЧИ

(в ред. Изменения N 1)

1 - стол вибростенда; 2 - платформа; 3 - измерительное приспособление (подпятник); 4 - измерительный вибропреобразователь; 5 - испытатель; 6 - испытываемая обувь

Черт.1

ПРИЛОЖЕНИЕ 2
Обязательное

ИЗМЕРИТЕЛЬНОЕ ПРИСПОСОБЛЕНИЕ ДЛЯ КРЕПЛЕНИЯ ОСНОВНОГО ВИБРОПРЕОБРАЗОВАТЕЛЯ

(в ред. Изменения N 1)

А. Кубик для измерений на спецобуви типа 1

1 - кубик из дюралюминия (марки Д16Т по ГОСТ 21631-76); 2 - вибропреобразователь; 3 - шпилька крепления вибропреобразователя к кубику; 4 - винт с потайной головкой для крепления кубика к ботинку

Б. Подпятник для измерений на виброзащитной стельке спецобуви типа II

1 - дюралюминиевая пластина (марки Д16Т по ГОСТ 21631-76); 2 - резиновая прокладка; 3 - винт; 4 - вибропреобразователь

ПРИЛОЖЕНИЕ 3
Справочное

               ФОРМА ПРОТОКОЛА ИСПЫТАНИЙ 
__________________________________________________________________
             организация, производящая испытания 
 
                    ПРОТОКОЛ N___
          испытания виброзащитной спецобуви 
 
"___" _____________ 2001 г.
 
1. Сведения об испытателе ________________________________________
                                 возраст, рост, масса 
2. Характеристика обуви __________________________________________
                          защитные свойства, вид, род, метод 
__________________________________________________________________
            крепления низа, материал низа и верха 
3. Вибростенд ____________________________________________________
                тип, номер, сведения о Государственной поверке 
4. Виброизмерительные приборы ____________________________________
                   тип, номер, сведения о Государственной поверке
5. Результаты 
 
Номер 
пары
спецобуви
Частота, 
Гц
Уровень виброскорости 
(виброускорения), дБ
Эффективность 
виброзащиты,
дБ
на 
столе
вибростенда
на 
голове
испытателя
без
спецобуви
на 
голове
испытателя
в
спецобуви
 
 
 
 
 
 
 
Руководитель подразделения,
проводившего испытания ___________________________________________
 
Ответственный исполнитель
испытаний ________________________________________________________
 
 
 

ПРИЛОЖЕНИЕ 4
Справочное

                ФОРМА ПРОТОКОЛА ИСПЫТАНИЙ
__________________________________________________________________
           организация, производящая испытания 
 
                      ПРОТОКОЛ N___
           испытания виброзащитной спецобуви 
 
"___" _____________ 2001 г.
 
1. Сведения об испытателе_________________________________________
                                  возраст, рост, масса 
2. Характеристика обуви __________________________________________
                             защитные свойства, вид, род, метод 
__________________________________________________________________
          крепления низа, материал низа и верха 
3. Вибростенд ____________________________________________________
                тип, номер, сведения о Государственной поверке 
4. Виброизмерительные приборы ____________________________________
                   тип, номер, сведения о Государственной поверке
5. Результаты 
Номер 
пары
спецобуви
Частота, 
Гц
Уровень виброскорости 
(виброускорения), дБ
Эффективность 
виброзащиты,
дБ
на 
столе
вибростенда
на голове 
испытателя
без
спецобуви
на голове 
испытателя
в спецобуви
 
 
 
 
 
 
 
Руководитель подразделения,
проводившего испытания ___________________________________________
 
Ответственный исполнитель
испытаний ________________________________________________________