Система стандартов безопасности труда. Изделия медицинской техники. Электробезопасность. Общие технические требования и методы испытаний. ГОСТ 12.2.025-76

(утв. Постановлением Госстандарта СССР от 30.12.76 N 2951)
Редакция от 31.05.1991 — Документ не действует

МЕЖГОСУДАРСТВЕННЫЙ СТАНДАРТ

СИСТЕМА СТАНДАРТОВ БЕЗОПАСНОСТИ ТРУДА

ИЗДЕЛИЯ МЕДИЦИНСКОЙ ТЕХНИКИ. ЭЛЕКТРОБЕЗОПАСНОСТЬ

ОБЩИЕ ТЕХНИЧЕСКИЕ ТРЕБОВАНИЯ И МЕТОДЫ ИСПЫТАНИЙ

Occupational safety standards system. Medical equipment. Electrical safety. General technical requirements and test methods

ГОСТ 12.2.025-76

(в ред. Изменений N 1, 2, 3)

Дата введения 1982-01-01

ИНФОРМАЦИОННЫЕ ДАННЫЕ

1. РАЗРАБОТАН И ВНЕСЕН Министерством медицинской промышленности

2. УТВЕРЖДЕН И ВВЕДЕН В ДЕЙСТВИЕ Постановлением Государственного комитета СССР по управлению качеством продукции и стандартам от 30.12.76 N 2951

3. ВВЕДЕН ВПЕРВЫЕ

4. ССЫЛОЧНЫЕ НОРМАТИВНО-ТЕХНИЧЕСКИЕ ДОКУМЕНТЫ

Обозначение НТД, на который дана ссылка Номер пункта, подпункта
ГОСТ 12.4.026-76 2.11.1
ГОСТ 15150-69 4.1.1
ГОСТ 20790-93 / ГОСТ Р 50444-92 4.1.1
ГОСТ 22261-94 4.3.1
ГОСТ 26140-84 Вводная часть

5. Ограничение срока действия снято по протоколу N 5-94 Межгосударственного Совета по стандартизации, метрологии и сертификации (ИУС 11-12-94)

6. ИЗДАНИЕ (апрель 2001 г.) с Изменениями N 1, 2, 3, утвержденными в декабре 1981 г., июне 1986 г., июне 1991 г. (ИУС 3-82, 9-86, 10-91)

Настоящий стандарт распространяется на изделия медицинской техники - аппараты, приборы, оборудование и инструменты (в дальнейшем - изделия), содержащие электрические цепи и рассчитанные на питание от внешнего или внутреннего источника электрического тока.

Стандарт устанавливает общие требования электробезопасности, предъявляемые к изделиям медицинской техники с целью обеспечения защиты пациента и обслуживающего персонала от поражения электрическим током, а также методы испытаний на соответствие этим требованиям. Все требования настоящего стандарта являются обязательными.

Стандарт не распространяется на:

рентгеновские медицинские аппараты по ГОСТ 26140 и изделия с источниками ионизирующих излучений;

специальное технологическое оборудование медицинской промышленности.

транспортные средства, на которые монтируются изделия медицинской техники;

изделия медицинской техники, медико-технические требования (МТТ) на которые утверждены после 01.01.91, а при отсутствии МТТ - на изделия, разработка которых начата после 01.01.91. (в ред. Изменения N 3)

1. КЛАССИФИКАЦИЯ

1.1. Изделия с внешним питанием в зависимости от способа защиты пациента и обслуживающего персонала от поражения электрическим током подразделяются на четыре класса:

I - изделия, которые в дополнение к основной изоляции имеют приспособление, представляющее собой зажим у изделий с постоянным присоединением к сети или контакт у изделий с сетевым шнуром с вилкой и служащее для присоединения доступных для прикосновения металлических частей к внешнему заземляющему устройству (черт.1, приложение 1);

0I - изделия, которые имеют для подключения к сети сетевой шнур (или кабель) с вилкой без заземляющих контактов и которые в дополнение к основной изоляции имеют зажим для присоединения доступных для прикосновения металлических частей к внешнему заземляющему устройству (черт.2, приложение 1);

II - изделия, которые, кроме основной изоляции, имеют и дополнительную (черт.3, приложение 1);

III - изделия, которые рассчитаны для питания от изолированного источника тока с переменным напряжением не более 24 В или с постоянным напряжением не более 50 В и не имеют внешних или внутренних цепей с более высоким напряжением (черт.4, приложение 1).

Примечания:

1. Изделия классов I и 0I могут иметь части, выполненные по классам II или III, а изделия класса II - выполненные по классу III.

2. Здесь и далее, если специально не указано, имеется ввиду действующее значение напряжения и тока.

3. Если изделие для подзарядки встроенного источника питания рассчитано на подключение к внешнему источнику питания, оно относится к изделиям с внешним питанием.

4. Изделия класса II вместо основной и дополнительной изоляции могут иметь усиленную изоляцию.

5. Изделия классов II и III не имеют приспособления для защитного заземления, но могут иметь зажим или контакт для рабочего заземления или зажим для соединения с системой выравнивания потенциалов.

1.2. Изделия в зависимости от степени защиты от поражения электрическим током подразделяются на четыре типа:

Н - имеющие нормальную степень защиты;

В - имеющие повышенную степень защиты;

BF - имеющие повышенную степень защиты и изолированную рабочую часть;

CF - имеющие наивысшую степень защиты и изолированную рабочую часть.

1.3. Изделия в зависимости от характера связи с пациентом подразделяются на:

изделия без рабочей части;

изделия с рабочей частью, не имеющей электрического контакта с сердцем;

изделия с рабочей частью, имеющей электрический контакт с сердцем;

изделия без рабочей части, предназначенные для подключения к изделиям с рабочей частью.

2. ТЕХНИЧЕСКИЕ ТРЕБОВАНИЯ

2.1.Общие требования

2.1.1. Изделия должны быть так сконструированы и изготовлены, чтобы не возникало опасности поражения электрическим током как в нормальном их состоянии, так и при единичном нарушении.

2.1.2. Сетевая цепь изделий с внешним питанием должна быть снабжена, кроме основной изоляции, также дополнительным средством защиты по классам I, 0I, II или III.

Примечание. Изготовление изделий класса 0I допускается только по требованию потребителя.

2.1.3. Доступные для прикосновения металлические части изделий классов I или 0I должны быть соединены с зажимом или контактом защитного заземления.

Требование не распространяется на:

рабочую часть;

части, имеющие двойную или усиленную изоляцию;

части, отделенные от находящихся под напряжением частей металлической заземленной деталью;

части, которые при нарушении основной изоляции могут оказаться под переменным напряжением не более 24 В или постоянным напряжением не более 50 В, источник которых изолирован от сетевой цепи не менее, чем двойной или усиленной изоляцией.

2.1.4. Доступные для прикосновения части изделий класса II должны иметь двойную или усиленную изоляцию по отношению к сетевой цепи.

2.1.5. Изделия класса III должны быть рассчитаны на питание от внешнего источника с переменным напряжением, не превышающим 24 В, или с постоянным напряжением, не превышающим 50 В, и не должны иметь внешних или внутренних цепей с более высоким напряжением.

Для включения в сеть изделий класса III должен применяться разделяющий понижающий трансформатор с обмоткой низшего напряжения, изолированной от сетевой обмотки двойной или усиленной изоляцией, а от корпуса трансформатора и от земли не менее чем основной изоляцией. Переносный разделяющий понижающий трансформатор должен допускать включение только одного изделия.

При использовании для питания изделий класса III химических источников тока последние не должны иметь соединения с сетью и землей. (в ред. Изменения N 2)

2.1.6. Изделия типов BF и CF должны иметь рабочую часть, изолированную от доступных для прикосновения металлических частей.

2.1.7. Изделия с внешним питанием, рассчитанные для использования в помещениях, не предназначенных для медицинских целей, и имеющие рабочую часть, предназначенную для электрического контакта с телом пациента, должны изготавливаться по классу II или III.

Примечание. По требованию потребителя допускается изготавливать такие изделия по классу I или 0I только по типу BF.

2.1.8. Изделия без рабочей части должны изготавливаться по типу Н или В.

По типу Н допускается изготавливать изделия, находящиеся при эксплуатации вне пределов досягаемости пациента (лабораторные изделия, стерилизаторы и др.).

Изделие с рабочей частью, не имеющей электрического контакта с сердцем, а также подключаемые к ним изделия, должны изготавливаться по типу В, BF или CF.

Изделия с рабочей частью, не имеющей электрического контакта с сердцем, предназначенные для лечебного воздействия на пациента постоянным электрическим током или током низкой частоты должны изготавливаться по типу BF или CF.

Изделия с рабочей частью, имеющей электрический контакт с сердцем, а также подключаемые к ним изделия, должны изготавливаться по типу CF.

Примечания:

1. Изделия типа CF могут быть класса III, если они рассчитаны для питания только источника, входящего в состав изделия.

2. Требование к типу подключаемых изделий не предъявляется, если для их подключения применяются специальные разделительные устройства, обеспечивающие защиту пациента и обслуживающего персонала от поражения электрическим током в соответствии с настоящим стандартом. Требования к таким устройствам должны указываться в стандартах или технических условиях на конкретные изделия. (в ред. Изменения N 2)

2.1.9. Рабочая часть изделий должна быть электрически изолирована от неотносящихся к ней находящихся под напряжением частей.

Примечание. Соединение рабочей части изделия с неотносящимися к ней находящимися под напряжением частями через вакуумные промежутки электронных ламп и полупроводниковые приборы не допускается.

2.1.10. Номинальное напряжение питания изделий с внешним питанием не должно превышать 380 В, при этом в сетевой цепи напряжение относительно земли не должно превышать 250 В.

Номинальное напряжение питания изделий с внешним питанием, находящихся во время эксплуатации в руке, не должно превышать 250 В.

2.1.11. Рабочая часть изделий, механически соединенная с валом электродвигателя, должна быть электрически изолирована от вала дополнительной изоляцией.

Требование не предъявляется, если: напряжение обмоток электродвигателя и цепей, соединенных с ними, не превышает 24 В переменного напряжения или 50 В постоянного напряжения и они имеют двойную или усиленную изоляцию по отношению к сетевой цепи;

рабочая часть изделий класса I или 0I соединена с зажимом или контактом защитного заземления.

2.1.12. Двух- и многополюсные вилки изделий не должны входить в непредназначенные для них розетки изделия, если при этом могут быть нарушены требования настоящего стандарта.

2.1.13. Покупные элементы, имеющие согласно стандартам или техническим условиям на эти элементы более низкие требования к их изоляции, чем предусмотренные настоящим стандартом, допускается применять при изготовлении изделий, если при этом не нарушаются требования стандартов и технических условий на эти элементы и настоящего стандарта - на изделие.

2.2. Ток утечки

2.2.1. Ток утечки изделий не должен превышать значений, указанных в табл.1.

Таблица 1

Допустимые токи утечки, мА

Тип изделия
Ток утечки Н В, BF CF
  В нормальном состоянии При единичном нарушении В нормальном состоянии При единичном нарушении В нормальном состоянии При единичном нарушении
На корпус 0,25 0,5 0,1 0,5 0,1 0,5
На пациента - - 0,1 0,5 0,01 0,05

Примечания

1. Ток утечки на корпус при единичном нарушении изделий классов I или 0I, имеющих постоянное прикосновение к заземляющему устройству с помощью защищенного от механических воздействий заземляющего провода (для изделий с двойным заземляющим проводом - при отключении обоих проводов), не должен превышать 5 мА.

2. Ток утечки на корпус в нормальном состоянии указан только для изделий класса II.

3. Ток утечки на корпус при единичном нарушении изделий классов I и 0I, имеющих в сетевой цепи помехоподавляющие конденсаторы, не должен превышать 0,75 мА.

4. Ток утечки на корпус при единичном нарушении лабораторных и других изделий типа Н классов I и 0I, находящихся при эксплуатации вне пределов досягаемости пациента и имеющих в сетевой цепи помехоподавляющие конденсаторы, не должен превышать 5 мА. Для указанных изделий, имеющих постоянное присоединение к заземляющему устройству с помощью защищенного от механических воздействий заземляющего провода, ток утечки на корпус при единичном нарушении не должен превышать 10 мА (для изделий с двойным заземляющим проводом - при отключении обоих проводов). (в ред. Изменения N 3)

2.3. Электрическая прочность и электрическое сопротивление изоляции (в ред. Изменения N 1)

2.3.1. Электрическая прочность и электрическое сопротивление изоляции изделий с внешним питанием должны быть не менее значений, указанных в:

табл.2 - для изделий классов I или 0I;

табл.3 - для изделий класса II;

табл.4 - для изделий класса III.

Электрическая прочность и электрическое сопротивление изоляции между доступными для прикосновения частями и изолированной рабочей частью изделий с внутренним источником питания не должны быть меньше значений, указанных в табл.2.

Таблица 2

Испытательные напряжения и минимальные электрические сопротивления изоляции для изделий классов I и 0I

Испытательное напряжение, В Минимальное сопротивление
Изоляция между частями Рабочее напряжение U, В изоляции, МОм, изделий типов
  до 50 св.50 до 150 св 150 до 250 св. 250 до 1000 св. 1000 до 10000 Н, В, BF CF
Сетевая цепь - доступные для прикосновения части 500 1000 1500 2 U+1000 - 2 2
Сетевая цепь - изолированная (незаземленная) рабочая часть 500 3000 4000 2(2U+1500) 2(U+2500) 7 7
Доступные для прикосновения части - изолированная (незаземленная) рабочая часть 500 1000 1500 2U+1000 U+2000 5 5

Примечания:

1. В случае изолированной (незаземленной) рабочей части, рабочее напряжение U , действующее на изоляцию между рабочей частью и доступными для прикосновения частями, принимается равным напряжению, действующему в рабочей части.

2. Величина испытательного напряжения для проверки изоляции между сетевой цепью и доступными для прикосновения частями при рабочем напряжении от 150 до 1000 В может быть снижена до 20% для изделий типа Н с электродвигателем, питаемым непосредственно от сети и допускающими испытание указанным напряжением только один раз при их изготовлении.

3. Значения испытательного напряжения для проверки изоляции рабочей части дефибрилляторов должны быть установлены в стандартах или технических условиях на конкретные изделия. (в ред. Изменения N 1)

Таблица 3

Испытательные напряжения и минимальные электрические сопротивления изоляции для изделий классов II

Испытательное напряжение, В Минимальное сопротивление
Изоляция между частями Рабочее напряжение U, В изоляции, МОм, изделий типов
  до 50 св.50 до 150 св 150 до 250 св. 250 до 1000 св. 1000 до 10000 Н, В, BF CF
Сетевая цепь - доступные для прикосновения части - 3000 4000 2(2U+1500) - 7 7
Сетевая цепь - изолированная (незаземленная) рабочая часть 500 1000 1500 2U+1000 - 2 2
Металлические части, изолированные от сетевой цепи только основной изоляцией, - доступные для прикосновения части 500 2000 2500 2U+2000 - 5 5
Сетевая цепь - рабочая часть 500 3000 4000 2(2U+1500) 2(2U+2500) 7 7
Металлические части, изолированные от сетевой цепи только основной изоляцией, - рабочая часть 500 2000 2500 2U+2000 1,5U+2500 5 5
Доступные для прикосновения части - изолированная рабочая часть 500 1000 1500 2U+1000 U+2000 5 5

Примечания:

1. В случае изолированной (незаземленной) рабочей части рабочее напряжение U , действующее на изоляцию между рабочей частью и доступными для прикосновения частями, принимается равным напряжению, действующему в рабочей части.

2. Значения испытательного напряжения для проверки изоляции рабочей части дефибрилляторов должны быть установлены в стандартах или технических условиях на конкретные изделия.

Таблица 4

Испытательные напряжения и минимальные электрические сопротивления изоляции для изделий класса III

Изоляция между частями Испытательное напряжение, В Минимальное сопротивление изоляции, МОм, изделий типов
    Н, В, BF CF
Цепь питания - доступные для прикосновения части 500 2 70
Цепь питания - рабочая часть 500 7 70
Доступные для прикосновения части - изолированная рабочая часть 500 5 50

Примечание. Испытательное напряжение и минимальное сопротивление изоляции рабочей части указаны только для изделий, рабочая часть которых не соединена с цепью питания.

2.4. Пути тока утечки и воздушные зазоры

2.4.1. Пути тока утечки и воздушные зазоры между частями, приведенными в п.2.3.1, в зависимости от рабочего напряжения должны быть не менее значений, указанных в табл.5.

Таблица 5

Минимальные значения путей тока утечки и воздушных зазоров

Рабочее напряжение, В Путь тока утечки, мм Воздушный зазор, мм
переменного тока постоянного тока    
До 12 До 15 1.7 0,8
Св. 12 до 30 Св 15 до 36 2,0 1,0
- " - 30 - " - 60 - " - 36 - " - 75 2,3 1,2
Св. 60 до 125 - " - 75 - " - 150 3,0 1,6
- " - 125 - " - 250 - " - 150 - " - 300 4,0 2,5
- " - 250 - " - 380 - " - 300 - " - 450 6,0 3,5
- " - 380 - " - 500 - " - 450 - " - 600 8,0 4,5
- " - 500 - " - 660 - " - 600 - " - 800 10,5 6,0
- " - 660 - " - 750 - " - 800 - " - 900 12,0 6,5
- " - 750 - " - 1000 - " - 900 - " - 1200 16,0 9,0

Примечание. Для двойной или усиленной изоляции устанавливаемые в таблице минимальные значения путей токов утечки и воздушных зазоров должны быть удвоены.

Требование не распространяется на:

покупные элементы, на функции которых они влияют, если при их закорачивании не нарушаются другие требования настоящего стандарта;

помехоподавляющие конденсаторы;

обмотки трансформаторов. (в ред. Изменения N 1)

2.5. Устойчивость к внешним воздействиям

2.5.1. Изделия должны обеспечивать защиту пациента, обслуживающего персонала от поражения электрическим током в соответствии с настоящим стандартом во время эксплуатации и после транспортирования и хранения в условиях, предусмотренных стандартами и техническими условиями на конкретные изделия.

2.6. Присоединение к сети

2.6.1. Сетевой шнур (или кабель) изделий должен иметь резиновую или пластмассовую изоляцию.

2.6.2. Сетевой шнур (или кабель) изделий класса I с однофазным питанием, не рассчитанных на постоянное присоединение к сети, должен быть трехжильным и иметь вилку с заземляющими контактами. (в ред. Изменения N 1)

2.6.3. Сетевой шнур (или кабель) изделий класса 0I должен быть двухжильным и иметь вилку без заземляющих контактов, не входящую в розетки с заземляющими контактами.

Сетевой шнур (или кабель) изделий класса 0I, рассчитанных для применения только в помещениях, предназначенных для медицинских целей, может быть трехжильным, при этом третья жила, используемая в качестве заземляющего провода, должна ответвляться у вилки от шнура (или кабеля) и заканчиваться кабельным наконечником для присоединения к внешнему заземляющему устройству. Трехжильный сетевой шнур (или кабель) изделий класса 0I должен быть несъемным. (в ред. Изменения N 1)

2.6.4. Сетевой шнур (или кабель) изделий класса II с однофазным питанием должен быть двухжильным.

2.6.5. Приборная вилка изделий класса II со съемным сетевым шнуром (или кабелем) должна иметь двойную или усиленную изоляцию.

2.6.6. Шнур (или кабель) для присоединения изделий класса III к источнику питания должен иметь вилку, не входящую в розетки питающей сети. (в ред. Изменения N 3)

2.6.7. В кабельные розетки с заземляющими контактами съемных сетевых шнуров (или кабелей) не должны входить вилки, предназначенные для включения в питающую сеть. (в ред. Изменения N 3)

2.6.8. Сечение жил сетевого шнура (или кабеля) должно быть не менее значений, приведенных в табл.6.

Таблица 6

Сечение жил сетевого шнура (или кабеля)

Номинальный ток, А Сечение медной жилы, мм2 Номинальный ток, А Сечение медной жилы, мм2
До 6 0,75 - " - 25 - " - 32 4,0
Св. 6 до 10 1,0 - " - 32 - " - 40 6,0
- " - 10 - " - 16 1,5 - " - 40 - "- 63 10,0
- " - 16 -" - 25 2,5    

Примечание. Для изделий класса II, класса 0I с двухпроводным сетевым шнуром, а также типа Н сечение медной жилы сетевого шнура или кабеля при номинальном токе до 3 А должно быть не менее 0,5 мм2 (в ред. Изменений N 1, 2)

2.6.9. Изделия, снабженные несъемным сетевым шнуром (или кабелем), должны иметь приспособление для закрепления шнура (или кабеля), исключающее натяжение и скручивание жил в месте их присоединения и стягивание оболочки со шнура (или кабеля).

Завязывание шнура (или кабеля) или отдельных жил узлом или привязывание их к изделию не допускается.

2.7. Сетевая цепь

2.7.1. Изделия должны иметь, по крайней мере, одно устройство (вилку, выключатель), с помощью которого они могут быть отключены от всех проводов питающей сети.

Изделия с постоянным присоединением к сети могут не иметь сетевого выключателя, если выключатель для этого изделия устанавливается в сетевой проводке в непосредственной близости от места установки изделия.

2.7.2. Изделия с рабочей частью, предназначенной для электрического контакта с телом пациента, а также изделия с номинальным напряжением питания более 250 В должны иметь устройство по п.2.7.1, выполненное в виде выключателя.

2.7.3. Сетевой выключатель не должен устанавливаться в сетевом шнуре или других гибких соединительных проводах.

2.7.4. В качестве сетевого выключателя должны использоваться устройства, обеспечивающие механическое разъединение проводов питающей сети.

2.7.5. Переносные и передвижные изделия классов I, 0I и II, не имеющие сетевого выключателя и других средств, позволяющих контролировать включение сетевого напряжения, должны иметь сигнальную лампу, которая должна включаться при включении изделия в сеть.

Примечание. По требованию потребителя допускается сигнальную лампу не устанавливать.

2.7.6. Провода сетевой цепи и цепи пациента не должны проходить в одном жгуте.

2.7.7. Провода сетевой цепи в местах, где они подвергаются трению, в местах закрепления и т.п. должны иметь добавочную изоляцию по отношению к металлическим, доступным для прикосновения, частям.

2.7.8. В сетевой цепи изделий должны устанавливаться предохранители или автоматические выключатели. В изделиях классов I и 0I они должны устанавливаться в каждом сетевом проводе, за исключением нулевого провода изделий с трехфазным питанием.

Примечание. По требованию потребителя допускается не устанавливать предохранители или автоматические выключатели в изделиях, не имеющих силового трансформатора.

2.7.9. В изделиях класса II конденсаторы не должны включаться между сетевой цепью и доступными для прикосновения металлическими частями.

2.8. Защита от прикосновения к находящимся под напряжением частям

2.8.1. Находящиеся под напряжением части должны быть защищены от прикосновения.

Требование не распространяется на:

детали рабочей части, предназначенные для электрического контакта с телом пациента;

детали разъемов для соединения рабочей части с изделием;

детали рабочей части, предназначенные для воздействия электрическим полем или заряженными ионами при условии, что ток короткого замыкания рабочей части не превышает значений тока утечки на пациенте при единичном нарушении, указанных в табл.1.

Примечание. Лакокрасочные и гальванические покрытия не являются защитой от прикосновения. (в ред. Изменения N 1)

2.8.2. Кожухи, колпачки, крышки и другие детали, защищающие находящиеся под напряжением части от прикосновения, не должны сниматься или открываться без помощи инструмента (например, отвертки, ключа, монеты и др.), но они могут сниматься или открываться без помощи инструмента, если изделие имеет автоматическое устройство, отключающее при их снятии или открывании напряжение на частях, которые при этом становятся доступными.

Требование не распространяется на кожухи, крышки, колпачки и другие детали, после снятия или открывания которых становятся доступными части, напряжение на которых не может превышать 24 В переменного напряжения или 50 В постоянного напряжения и которые изолированы от сетевой цепи двойной или усиленной изоляцией, на лампы накаливания, на газоразрядные сигнальные лампы и на колпачки держателей предохранителей.

2.8.3. Отверстия в наружных частях изделий, через которые производится настройка или регулировка с помощью инструмента, должны быть так расположены, чтобы инструмент не мог коснуться находящихся под напряжением частей.

2.8.4. Металлические оси или ручки органов управления электрическими цепями должны иметь двойную или усиленную изоляцию по отношению к находящимся под напряжением частям, но они могут иметь основную изоляцию, если они:

соединены с зажимом или контактом защитного заземления;

защищены от прикосновения деталью из изоляционного материала, которая не может быть снята без помощи инструмента;

установлены в цепи с переменным напряжением не более 24 В или постоянным напряжением не более 50 В, источник которых имеет по крайней мере основную изоляцию по отношению к сетевой цепи.

2.8.5. Напряжение между штырями сетевой вилки изделий, а также между любым штырем и зажимом или контактом защитного заземления после отключения вилки от розетки должно уменьшаться до значения не более 50 В за время, не превышающее 1 с. (в ред. Изменения N 3)

2.9. Конструкция

2.9.1. Изделия должны быть защищены от проникновения посторонних предметов, находящихся на столе или полу. Если в основании корпуса имеются отверстия, то они должны быть на расстоянии не менее 10 мм от поверхности стола для настольных изделий и не менее 20 мм от пола для напольных изделий.

2.9.2. Находящиеся под напряжением части должны быть конструктивно защищены от такого смещения и проворачивания, которые могут привести к уменьшению путей тока утечки и воздушных зазоров ниже значений, указанных в п.2.4.1.

2.9.3. В изделиях не должны применяться детали из изоляционных материалов, аналогичные таким стандартным металлическим, как винты, гайки, шайбы и т.п., если при замене их на металлические будут нарушены требования настоящего стандарта.

2.9.4. Требования к мерам защиты от накопления на частях изделий зарядов статического электричества при необходимости должны быть указаны в стандартах или технических условиях на конкретные изделия.

2.10. Защитное заземление

2.10.1. Электрическое сопротивление не должно быть более 0,1 Ом между любой подлежащей защитному заземлению частью и следующими частями:

зажимом защитного заземления изделий класса I, не имеющих сетевого шнура (или кабеля);

зажимом защитного заземления изделий класса 0I с двухжильным сетевым шнуром (или кабелем);

заземляющим контактом приборной вилки изделий класса I со съемным сетевым шнуром (или кабелем).

Электрическое сопротивление не должно быть более 0,2 Ом между любой подлежащей защитному заземлению частью и следующими частями:

заземляющим контактом вилки изделий класса I с несъемным сетевым шнуром (или кабелем);

кабельным наконечником заземляющего провода в трехжильном сетевом шнуре (или кабеле) изделий классов I и 0I.

2.10.2. Зажим защитного заземления изделий класса I и внутренний зажим защитного заземления изделий класса 0I с трехжильным сетевым шнуром (или кабелем) должны быть защищены от самоотвинчивания и должны освобождаться только с помощью инструмента.

Наружный зажим защитного заземления изделий класса 0I с двухжильным сетевым шнуром (или кабелем) должен быть рассчитан для закрепления заземляющего провода без помощи инструмента.

Диаметр резьбы наружного зажима защитного заземления изделий класса 0I должен быть не менее М4 при номинальном токе изделия до 3 А и не менее М5 при номинальном токе свыше 3 до 25 А.

2.10.3. Зажим защитного заземления должен устанавливаться на металлических шасси, раме или корпусе изделия около места ввода при присоединении сетевого шнура (или кабеля) или проводов сетевого питания.

Металлическая часть зажима защитного заземления должна изготовляться из коррозионностойкого металла или иметь защитное покрытие.

Если зажим защитного заземления является частью корпуса изделия, изготовленного из алюминия или его сплавов, то должны быть приняты меры, предотвращающие коррозию вследствие прикосновения алюминия корпуса и меди заземляющего провода.

2.10.4. Зажим защитного заземления не должен использоваться для закрепления частей изделия или каких-либо других проводов, кроме заземляющего.

2.10.5. Комплект изделий класса 0I, включаемых в сеть с помощью двухжильного сетевого шнура (или кабеля), должен содержать в себе изолированный провод, снабженный с двух сторон кабельными наконечниками для подключения изделий к заземляющему устройству.

Провод должен быть медным, гибким длиной не менее 5 м и сечением, равным сечению токоведущих жил сетевого шнура (или кабеля), но не менее 1,5 мм .

Примечание. По требованию потребителя длина провода может быть уменьшена до 2,5 м.

2.10.6. Заземляющая жила сетевого шнура (или кабеля) изделий классов I и 0I должна быть медной, гибкой и иметь сечение не меньше, чем сечение токоведущих жил.

Заземляющая жила должна быть желто-зеленого цвета.

2.10.7. Изделия классов I и 0I, рассчитанные для подключения двух заземляющих проводов, должны иметь дополнительный зажим для второго заземляющего провода.

2.10.8. Кнопки красного цвета следует применять только для прерывания какой-либо функции, например, выключения цепи питания. (в ред. Изменения N 3)

2.11. Знаки

2.11.1. На изделиях должны быть следующие знаки:

- около ввода сетевого шнура (или кабеля) на изделиях класса II;

- около зажима защитного заземления;

- около зажима или контакта рабочего заземления;

- на изделиях типа CF;

знак высокого напряжения по ГОСТ 12.4.026;

- около частей изделия, находящихся под переменным напряжением более 1000 В или под постоянным напряжением более 1500 В. (в ред. Изменения N 3)

2.11.2. Сетевой выключатель, за исключением однокнопочного, должен иметь обозначение, по крайней мере, включенного положения. Для однокнопочного выключателя включенное положение должно указываться включением сигнальной лампы. Если для обозначения положений сетевого выключателя используются знаки, то они должны быть следующими:

I - для включенного положения;

- для отключенного положения.

(в ред. Изменения N 1)

2.12. Эксплуатационная документация

2.12.1. В эксплуатационной документации должны содержаться следующие сведения:

класс (п.1.1), тип (п.1.2);

указание о необходимости заземления изделия до его включения в сеть - для изделий класса 0I;

указание о необходимости выполнения двойного заземления изделия до его включения в сеть - для изделий с двойным заземляющим проводом;

указание об установке в сетевой проводке в непосредственной близости от изделия выключателя для этого изделия, с помощью которого оно может быть отключено от всех проводов питающей сети - для изделий, рассчитанных на постоянное присоединение к сети и не имеющих сетевого выключателя, с помощью которого они могут быть отключены от всех проводов питающей сети.

3. ПРАВИЛА ПРИЕМКИ

3.1. Для проверки соответствия изделий требованиям настоящего стандарта проводят приемо-сдаточные, периодические и типовые испытания.

3.2. Приемо-сдаточным испытаниям подвергается каждое изделие после его изготовления. Последовательность проведения приемо-сдаточных, периодических и типовых испытаний должна соответствовать табл.7.

Таблица 7

Последовательность проведения приемо-сдаточных, периодических и типовых испытаний

Испытания Пункты Испытания
  технических требований методов испытаний приемо-сдаточные периодические и типовые
Измерение тока утечки 2.2 4.2 + -
Измерение тока утечки 2.3 4.4 + -
Измерение электрического сопротивления изоляции 2.3 4.3 + -
Испытание электрической прочности изоляции 2.3 4.3 + -
Проверка соответствия общим и конструктивным требованиям 2.1; 2.6; 2.7; 2.9-2.12 - - +
Измерение сопротивления цепи защитного заземления 2.10.1 4.8 + +
Измерение путей тока утечки и воздушных зазоров 2.4 4.5 - +
Проверка защиты от прикосновения к находящимся под напряжением частям 2.8 4.7 - +
Проверка устойчивости к внешним воздействиям 2.5 4.6 - +

Примечания

1 Допускается при приемо-сдаточных испытаниях не производить измерения тока утечки на корпус изделий типов Н, В и BF классов I и 0I, не имеющих конденсаторов между сетевой цепью и корпусом, и измерение тока утечки изделий типов Н, В и BF всех классов и изделий с внутренним источником питания производить без применения фольги.

2.Допускается при приемо-сдаточных испытаниях изделий типов Н, В и BF измерение электрического сопротивления и электрической прочности изоляции производить без применения фольги.

3. Дополнительные испытания при необходимости должны быть указаны в стандартах или технических условиях на конкретные изделия. (в ред. Изменений N 1, 2)

3.3. Периодическим испытаниям подвергают не реже одного раза в год изделия, прошедшие приемо-сдаточные испытания, в объеме, установленном в табл.8, и последовательности, установленной в табл.7. Соответствие изделий требованиям п.2.5 проверяют не реже одного раза в 3 года.

Если при испытаниях будет установлено несоответствие изделий хотя бы одному из перечисленных пунктов требований настоящего стандарта, результаты испытаний считаются неудовлетворительными и должны быть проведены повторные испытания удвоенного числа образцов.

Таблица 8

Минимальный объем выборки для проведения периодических и типовых испытаний

шт
Размер партии Количество изделий
До 30 1
Св. 30 до 60 2
Св. 60 3

(в ред. Изменения N 1)

3.4. Типовые испытания проводят при внесении в конструкцию, материалы или технологию изготовления изделий изменений, которые могут оказать влияние на их параметры или технические характеристики.

Испытания должны быть проведены в объеме, определяемом по табл.8, и последовательности, установленной табл.7.

4. МЕТОДЫ ИСПЫТАНИЙ

4.1.Общие положения

4.1.1. Условия испытаний должны соответствовать нормальным климатическим условиям по ГОСТ 15150 и ГОСТ 20790 / Р50444, за исключением испытаний на устойчивость к внешним климатическим воздействиям. (в ред. Изменения N 2)

4.1.2. Испытания изделий следует проводить при наиболее неблагоприятных с точки зрения электробезопасности режиме, положении, сменных частях и т.п. Изделия, рассчитанные более чем на одно номинальное напряжение питания и более чем на одну номинальную частоту, следует испытывать при наиболее неблагоприятных с точки зрения электробезопасности номинальных напряжении и частоте.

Соответствующие указания должны быть при необходимости даны в стандартах или технических условиях на конкретные изделия.

4.1.3. Все испытания следует проводить на одном образце. Допускается проводить испытания на нескольких образцах в случае, если количество каких-либо испытаний ограничено стандартами или техническими условиями на покупные элементы, применяемые в изделии.

4.1.4. Соответствие изделий требованиям настоящего стандарта, если иное не указано в данном разделе, необходимо проверять осмотром, опробованием и т.п. и проводить до проведения других испытаний.

4.2. Измерение тока утечки

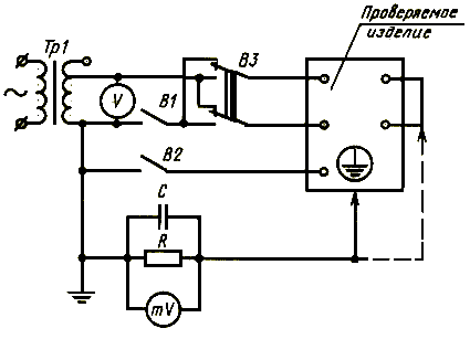
4.2.1. Измерение тока утечки на корпус и на пациента (п.2.2) изделий классов I и 0I с однофазным питанием следует производить по схеме черт.1 (цепь для измерения тока утечки на пациента показана пунктиром).

Схема измерения тока утечки изделий с однофазным питанием

Черт.1

4.2.1.1. Измерение тока утечки на корпус в нормальном состоянии производить не следует.

4.2.1.2. Измерение тока утечки на корпус в условиях единичного нарушения следует производить при включенном положении выключателя В1 и отключенном положении выключателя В2 (при установке переключателя В3 поочередно в оба положения).

4.2.1.3. Измерение тока утечки на пациента в нормальном состоянии следует производить при включенном положении выключателей В1 и В2 (при установке переключателя В3 поочередно в оба положения).

4.2.1.4. Измерение тока утечки на пациента в условиях единичного нарушения следует производить при включенном положении выключателя В1 и отключенном положении выключателя В2, а также при отключенном положении выключателя В1 и включенном положении выключателя В2 (в каждом случае при установке переключателя В3 поочередно в оба положения).

4.2.1.5. Измерение тока утечки на пациента изделий, имеющих цепь пациента, соединенную с зажимом защитного заземления, производить не следует.

4.2.1.6. Измерение тока утечки на пациента изделий, имеющих постоянное присоединение к заземляющему устройству с помощью защищенного от механических воздействий заземляющего провода, при отключенном положении выключателя В2 производить не следует. (в ред. Изменения N 3)

4.2.2. Измерение тока утечки на корпус и на пациента изделий класса II с однофазным питанием следует производить по схеме черт.1 (цепь для измерения тока утечки на пациента показана пунктиром). При этом цепь заземляющего провода и выключатель В2 отсутствуют.

Измерение тока утечки на корпус и на пациента изделий класса II в нормальном состоянии следует производить при включенном положении выключателя В1, а в условиях единичного нарушения - при отключенном положении выключателя В1 (в каждом случае при установке переключателя В3 поочередно в оба положения). (в ред. Изменения N 2)

4.2.3. Измерение тока утечки на корпус и на пациента изделий класса III с однофазным питанием следует производить по схеме черт.1 (цепь для измерения тока утечки на пациента показана пунктиром).

Измерение тока утечки изделий класса III следует производить только в случае, если разделительный понижающий трансформатор входит в состав изделия. В этом случае измерение тока утечки необходимо производить в зависимости от класса защиты разделительного понижающего трансформатора в соответствии с пп.4.2.1 или 4.2.2.

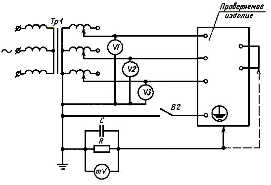
4.2.4. Измерение тока утечки на корпус и на пациента изделий с трехфазным питанием следует производить по схеме черт.2 (цепь для измерения тока утечки на пациента показана пунктиром).

Схема измерения тока утечки изделий с трехфазным питанием

Черт. 2

При измерении тока утечки изделий класса II цепь заземляющего провода и выключатель В2 отсутствуют. (в ред. Изменения N 2)

4.2.4.1. Измерение тока утечки на корпус изделий класса I в нормальном состоянии производить не следует, а в условиях единичного нарушения необходимо производить при отключенном положении выключателя В2.

Измерение тока утечки на пациента следует производить в нормальном состоянии при включенном положении выключателя В2, а в условиях единичного нарушения - при отключенном положении выключателя В2.

Измерение тока утечки на пациента изделий, имеющих цепь пациента, соединенную с зажимом защитного заземления, производить не следует.

Измерение тока утечки на пациента изделий, имеющих постоянное присоединение к заземляющему устройству с помощью защищенного от механических воздействий заземляющего провода, при отключенном положении выключателя В2 производить не следует. (в ред. Изменения N 3)

4.2.4.2. Измерение тока утечки на корпус и на пациента изделий класса II необходимо производить только в нормальном состоянии. (в ред. Изменения N 2)

4.2.5. Измерение тока утечки изделий с внешним питанием следует производить при напряжении питания, равном 110% от номинального напряжения питания изделия. При наличии нескольких номинальных напряжений питания измерение следует производить при наибольшем из них.

В случае, если напряжение питания при измерении тока утечки не может быть установлено в соответствии с настоящим требованием (например, для изделий большой мощности), ток утечки необходимо определять с помощью пересчета измеренной величины, исходя из прямой зависимости тока утечки от напряжения питания.

4.2.6. При измерении тока утечки изделий с внешним питанием изделие следует включать с помощью сетевого шнура (или кабеля), входящего в состав изделия. Изделия, рассчитанные на постоянное присоединение к сети и не имеющие сетевого шнура (или кабеля) с вилкой, необходимо соединять с источником питания при помощи возможно коротких соединительных проводов.

При измерении тока утечки сетевой выключатель изделия должен быть во включенном положении.

4.2.7. Измерение тока утечки на пациента изделий с внутренним источником питания и изолированной рабочей частью следует производить в нормальном состоянии по схеме черт.3 при включенном и отключенном положении выключателя питания.

Схема измерения тока утечки на пациента изделий с внутренним питанием

Черт.3

4.2.8. Если изделие или его рабочая часть имеет доступные для прикосновения части из изолированного материала, то при измерении тока утечки на эти части, за исключением сетевого шнура и вилки, необходимо накладывать металлическую фольгу с размерами, не превышающими 20х10 см, соединенную с измерительной цепью.

4.2.9. Цепь пациента при измерении тока утечки на пациента должна быть замкнута накоротко, как показано на черт.1-3. Если, согласно эксплуатационной документации, это недопустимо, в цепь пациента должна быть включена номинальная нагрузка.

Измерение тока утечки в этом случае следует производить при подключении измерительной цепи к каждому из выводов цепи пациента.

При наличии в цепи пациента более двух выводов, а также в случае, если не все выводы соединены с зажимом защитного заземления, способ подключения измерительной цепи должен быть указан в стандартах или технических условиях на конкретные изделия. (в ред. Изменения N 1)

4.2.10. Резистор, показанный на черт.1-3, должен иметь сопротивление 1000 Ом ±1%, конденсатор должен иметь емкость 0,15 мкФ ±5%.

Милливольтметр должен быть рассчитан для измерения действующих значений синусоидального напряжения и постоянного напряжения (при измерении тока утечки изделий с питанием от источника постоянного тока), иметь входное сопротивление не менее 100 кОм и основную относительную погрешность измерения, не превышающую ±5% от измеряемого значения.

Значение тока утечки следует рассчитывать по напряжению, измеренному милливольтметром, и сопротивлению резистора.

Требование следует считать выполненным, если полученное значение не превышает соответствующего значения, приведенного в табл.1.

Примечание. Разделительный трансформатор Тр1 с регулируемым выходным напряжением, показанный на черт.1 и 2, может быть заменен разделительным трансформатором с постоянным выходным напряжением, питаемым от автотрансформатора. Вместо трансформатора Тр1 допускается применение автотрансформатора или непосредственное питание изделия от сети. В этих случаях должна быть использована трехфазная сеть с заземленной нейтралью (для изделий с однофазным питанием - фазное напряжение), а проверяемое изделие должно быть надежно изолировано от земли. (в ред. Изменения N 2)

4.3. Испытание электрической прочности изоляции

4.3.1. Испытание электрической прочности изоляции следует производить тем видом напряжения (переменным, постоянным), под действием которого находится изоляция.

Испытание электрической прочности изоляции следует производить (п.2.3) приложением испытательного напряжения между частями, указанными в табл.2-4. При этом изоляцию изделий класса II следует испытывать между частями:

сетевая цепь - доступные для прикосновения части;

сетевая цепь - рабочая часть;

доступные для прикосновения части - изолированная рабочая часть.

Изоляцию между остальными частями по табл.3 следует испытывать только в случае, если об этом есть соответствующее указание в стандартах или технических условиях на конкретное изделие.

При испытании электрической прочности изоляции на части изделия из изоляционного материала накладывается металлическая фольга в соответствии с указаниями п.4.2.8, за исключением держателей предохранителей и встроенных электроизмерительных приборов по ГОСТ 22261.

При испытаниях допускается закорачивать участки изоляции или электрических цепей, если они не рассчитаны на прикладываемое испытательное напряжение. При этом оставшаяся изоляция должна выдерживать полное испытательное напряжение.

Сетевой выключатель изделия при испытании должен быть во включенном положении.

Испытание изделий переменным испытательным напряжением необходимо проводить с помощью установки, имеющей трансформатор мощностью не менее 0,5 кВ·А. В начале испытания следует приложить не более половины требуемого напряжения, затем плавно в течение 10 с довести до полного значения и оставить приложенным в течение 1 мин.

Требование следует считать выполненным, если не произошло пробоя или поверхностного перекрытия изоляции. Коронирующий разряд, исчезающий при уменьшении испытательного напряжения до значения не ниже рабочего напряжения, не следует рассматривать как пробой или перекрытие. (в ред. Изменения N 1)

4.3.2. Испытание электрической прочности изоляции между сетевой цепью и рабочей частью не следует проводить, если:

рабочая часть соединена с зажимом защитного заземления или доступными для прикосновения частями;

рабочая часть отделена от других, находящихся под напряжением частей, металлической соединенной с зажимом защитного заземления частью.

4.3.3. Значения испытательных напряжений во время испытаний должны быть в пределах от 90 до 100% от требуемых значений.

4.4. Измерение электрического сопротивления изоляции

4.4.1. Измерение электрического сопротивления изоляции (п.2.3) следует производить с помощью источника постоянного тока напряжением порядка 500 В. Измерению подлежат участки изоляции в соответствии с указаниями в п.4.3.1.

Отсчет следует производить через 1 мин после приложения напряжения. При измерении сопротивления изоляции на части изделия из изоляционного материала накладывается металлическая фольга в соответствии с указаниями п.4.2.8.

При измерении сопротивления изоляции сетевой выключатель изделия должен быть во включенном положении. Нагревательные элементы, если они имеются, допускается при этом отключать.

Требование считается выполненным, если измеренное значение сопротивления изоляции не менее соответствующего значения в табл.2-4.

4.4.2. Измерение сопротивления изоляции между сетевой цепью и рабочей частью не следует производить в случаях, указанных в п.4.3.2.

4.5. Измерение путей тока утечки и воздушных зазоров

4.5.1. Измерение путей тока утечки и воздушных зазоров (п.2.4) необходимо производить с учетом правил измерения, показанных на черт.4. При измерениях части изделий, конструкция которых не предусматривает защиты от смещения или проворачивания, следует устанавливать в самом неблагоприятном положении.

Схемы измерения путей тока утечки и воздушных зазоров

А, Б - части, между которыми измеряется путь тока утечки или воздушный зазор.

Черт.4

При определении зазора, состоящего из нескольких участков, зазоры менее 1 мм не учитываются.

Требование следует считать выполненным, если измеренное значение не менее соответствующего значения, приведенного в табл.5.

4.6. Испытание изделий на устойчивость к внешним воздействиям

4.6.1. Испытание изделий на устойчивость к внешним воздействиям (п.2.5) следует проводить по методике, предусмотренной в стандартах или технических условиях на конкретные изделия, при этом как минимум должны быть проведены следующие испытания:

на теплоустойчивость при эксплуатации;

на один из видов механического воздействия;

на влагоустойчивость при эксплуатации.

После каждого испытания изделия должны удовлетворять требованиям пп.2.2 и 2.3.

Примечания:

1. Испытания на соответствие требованиям пп.2.2 и 2.3 должны быть проведены не позднее чем через 15 мин после окончания испытаний на тепло- и влагоустойчивость.

2. Испытания на соответствие требованиям пп.2.2 и 2.3 после испытания на механическое воздействие допускается не проводить, если испытание на механическое воздействие проводится до испытаний на тепло- либо влагоустойчивость при эксплуатации и при этом испытывается один и тот же образец. (в ред. Изменений N 1, 2)

4.7. Проверка защиты от прикосновения к находящимся под напряжением частям

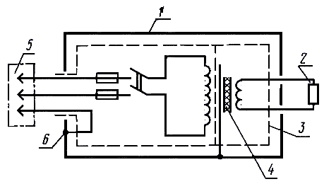
4.7.1. Проверку защиты от прикосновения к находящимся под напряжением частям (п.2.8) следует производить с помощью испытательного пальца (черт.5), испытательного штыря (черт.6) и стержня диаметром 4 и длиной 100 мм, каждый из которых включается в измерительную цепь последовательно с лампой накаливания, источником тока напряжением не менее 30 В и частью, защита от прикосновения к которой проверяется.

Испытательный палец

Черт. 5

Испытательный штырь

Черт. 6

При испытаниях изделия устанавливают во всех возможных положениях. Исключением являются напольные изделия с массой более 40 кг, которые не переворачиваются. Изделия, предназначенные согласно эксплуатационной документации для укрепления на стене или потолке, необходимо испытывать в рабочем положении.

Кожухи, крышки, колпачки и другие детали, служащие для защиты от прикосновения к находящимся под напряжением частям и снимаемые или открываемые без помощи инструмента, должны быть сняты или открыты.

Испытательный палец и испытательный штырь вводят во все отверстия в наружных частях изделия, при этом палец изгибают во всех возможных направлениях.

Требование считают выполненным, если палец или штырь не коснулись металлических, находящихся под напряжением частей, а палец - также металлических частей изделий класса II, изолированных от сетевой цепи только основной изоляцией.

Отверстия в верхней части изделий следует проверять при установке изделий в рабочем положении также с помощью стержня, который в свободно свисающем положении вводят во все отверстия.

Требование считают выполненным, если стержень не коснулся металлических, находящихся под напряжением, частей.

Примечание. Отверстия в металлических частях, соединенных с зажимом защитного заземления, гнезда розеток и ручки органов управления из изоляционного материала с помощью штыря не проверяют.

4.7.2. Проверку отверстий для настройки изделий следует проводить с помощью стержня, который вставляют в отверстия во всех возможных направлениях.

Требование считают выполненным, если стержень не коснулся находящихся под напряжением частей.

4.7.3. Измерение времени уменьшения напряжения между штырями вилки изделий и между каждым штырем и зажимом защитного заземления проводят по 10 раз как при включенном, так и при отключенном положении сетевого выключателя изделия.

Требование считают выполненным, если ни в одном из случаев время, в течение которого напряжение уменьшается до значения не более 50 В, не превышает 1 с.

Примечания:

1. Входное сопротивление измерительного прибора не должно практически влиять на измеряемую величину.

2. Измерение допускается не проводить, если при любом положении выключателя сети постоянная времени разряда конденсаторов в сетевой цепи не превышает 0,4 с. (в ред. Изменения N 1)

4.8. Измерение электрического сопротивления цепи защитного заземления

4.8.1. Электрическое сопротивление между зажимом или контактом защитного заземления и любой, подлежащей защитному заземлению, частью (п.2.10.1) следует определять с помощью пропускания между ними постоянного или переменного тока не менее 10 и не более 25 А в течение не менее 5 с. Используемый при этом источник тока должен иметь напряжение холостого хода, не превышающее 6 В.

Основная относительная погрешность измерения тока и напряжения не должна превышать ±5%. Электрическое сопротивление рассчитывается по полученному падению напряжения и току.

Требование считают выполненным, если полученное значение не превышает соответствующего значения, указанного в п.2.10.1.

Приложение 1

ПРИМЕР ВЫПОЛНЕНИЯ ИЗДЕЛИЙ КЛАССА I

1 - доступные для прикосновения части; 2 - рабочая часть; 3 - основная изоляция; 4 - дополнительная изоляция; 5 - вилка с заземляющими контактами или постоянное присоединение к сети; 6 - зажим защитного заземления (внутренний)

Черт.1

ПРИМЕР ВЫПОЛНЕНИЯ ИЗДЕЛИЙ КЛАССА 0I

1 - доступные для прикосновения части; 2 - рабочая часть; 3 - основная изоляция; 4 - дополнительная изоляция; 5 - вилка без заземляющих контактов; 6 - зажим защитного заземления (внешний)

Черт.2

ПРИМЕР ВЫПОЛНЕНИЯ ИЗДЕЛИЙ КЛАССА II

1 - доступные для прикосновения части; 2 - рабочая часть; 3 - основная изоляция; 4 - дополнительная изоляция; 5 - вилка

Черт.3

ПРИМЕР ВЫПОЛНЕНИЯ ИЗДЕЛИЙ КЛАССА III

1 - доступные для прикосновения части; 2 - рабочая часть; 3 - основная изоляция; 4 - вилка

Черт.4

Приложение 2
Справочное

ТЕРМИНЫ, ИСПОЛЬЗУЕМЫЕ В НАСТОЯЩЕМ СТАНДАРТЕ, И ИХ ОПРЕДЕЛЕНИЯ

(в ред. Изменения N 1)

Двойная изоляция - изоляция, состоящая из основной и дополнительной изоляции.

Дополнительная изоляция - изоляция, применяемая в дополнение к основной для защиты от поражения электрическим током в случае нарушения основной изоляции.

Единичное нарушение - нарушение одного из средств защиты от поражения электрическим током (например, защитного заземления, одного вида изоляции и т.п.) или другая неисправность, которая может создать опасность поражения электрическим током.

Нормальное состояние - исправное состояние изделия и всех средств защиты от поражения электрическим током.

Основная изоляция - изоляция, предназначенная для нормального функционирования изделия и основной защиты от поражения электрическим током.

Рабочая часть - совокупность частей изделия, предназначенных для рабочего контакта (электрического, механического) с телом пациента и относящихся к ним проводов штанг и других деталей, которые в рабочем положении могут касаться тела пациента.

Примечание. При необходимости части изделия, относящиеся к его рабочей части, могут быть указаны в стандартах или технических условиях на конкретные изделия.

Рабочее заземление - заземление, предназначенное для улучшения функциональных качеств изделия (уменьшения влияния наводок и т.п.).

Рабочее напряжение - напряжение, под действием которого находится изоляция при работе изделия в нормальном состоянии.

Сетевая цепь - совокупность частей изделия, имеющих токопроводящее соединение с сетью. К сетевой цепи не относятся провод защитного заземления и все части, соединенные с ним.

Сетевой шнур (или кабель) - шнур (или кабель), предназначенный для соединения сетевой цепи изделия с сетью. Несъемный сетевой шнур (или кабель) снабжается для этой цели вилкой или кабельными наконечниками; съемный, кроме того, еще и кабельной розеткой.

Пределы досягаемости пациента - пространство, ограниченное расстоянием 2,5 м от находящегося в любом предусмотренном месте пациента, в котором возможно касание пациентом изделия или другого лица, касающегося изделия. (в ред. Изменения N 1)