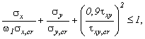
СТРОИТЕЛЬНЫЕ НОРМЫ И ПРАВИЛА
МОСТЫ И ТРУБЫ
СНиП 2.05.03-84*
Строительные нормы и правил СНиП 2.05.03-84 включены в базу отдельным документом
ГАБАРИТЫ ПРИБЛИЖЕНИЯ КОНСТРУКЦИЙ МОСТОВЫХ СООРУЖЕНИЙ НА АВТОМОБИЛЬНЫХ ДОРОГАХ ОБЩЕГО ПОЛЬЗОВАНИЯ,ВНУТРИХОЗЯЙСТВЕННЫХ АВТОМОБИЛЬНЫХ ДОРОГАХ В КОЛХОЗАХ, СОВХОЗАХ И ДРУГИХ СЕЛЬСКОХОЗЯЙСТВЕННЫХ ПРЕДПРИЯТИЯХ И ОРГАНИЗАЦИЯХ, НА ВНУТРЕННИХ АВТОМОБИЛЬНЫХ ДОРОГАХ ПРОМЫШЛЕННЫХ ПРЕДПРИЯТИЙ, А ТАКЖЕ НА УЛИЦАХ И ДОРОГАХ В ГОРОДАХ, ПОСЕЛКАХ И СЕЛЬСКИХ НАСЕЛЕННЫХ ПУНКТАХ
1. Настоящее приложение устанавливает габариты приближения конструкций мостов - предельные поперечные очертания (в плоскости, перпендикулярной продольной оси проезжей части), внутрь которых не должны заходить какие-либо элементы сооружения или расположенных на нем устройств.
Примечание. Габариты условно обозначают буквой Г и числом (после тире), равным расстоянию между ограждениями.
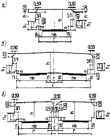
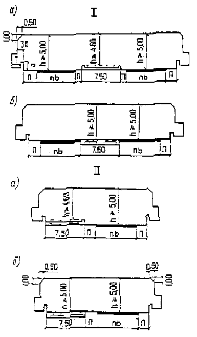
2*. Схемы габаритов приближения конструкций на автодорожных и городских мостах при отсутствии трамвайного движения приведены на черт. 1, при этом левая половина каждой схемы относится к случаю примыкания тротуаров к ограждениям, правая - к случаю раздельного размещения тротуаров.
Черт. 1. Схемы габаритов приближения конструкций на автодорожных и городских мостах
a - при отсутствии разделительной полосы; б - с разделительной полосой без ограждений; в - с разделительной полосой при наличии ограждений
Обозначения, принятые на схемах габаритов:
n_b - общая ширина проезжей части или ширина проезжей части для движения одного направления;
n - число полос движения и b - ширина каждой полосы движения принимаются:
для мостов на дорогах общего пользования - по табл. 4 СНиП 2.05.02-85, на внутрихозяйственных дорогах - по табл. 1* настоящего приложения;
на дорогах промышленных предприятий - по табл. 24 - 26 СНиП 2.05.07-91;
на улицах и дорогах в городах, поселках и сельских населенных пунктах - по табл. 8 и 9 СНиП 2.07.01-89*;
h - габарит по высоте (расстояние от поверхности проезда до верхней линии очертания габарита), принимаемый для мостов на автомобильных дорогах:
общего пользования, внутрихозяйственных автомобильных дорогах и на улицах и дорогах в городах, поселках и сельских населенных пунктах - не менее 5,0 м;
промышленных предприятий - не менее высоты намеченных к обращению транспортных средств плюс 1 м, но не менее 5 м;
П - полосы безопасности (предохранительные полосы);
С - разделительные полосы (при многополосном движении в каждом направлении), ширина которых равна расстоянию между кромками проезжих частей разного направления движения;
ЗП - защитные полосы, ширину которых, как правило, следует принимать равной 0,5 м, для деревянных мостов с ездой понизу - 0,25 м;
Г - расстояние между ограждениями проезда, в которое входит и ширина разделительной полосы, не имеющей ограждений;
Т - ширина тротуаров по п. 1.64*;
h - габарит по высоте (расстояние от поверхности проезда до верхней линии очертания габарита), принимаемый для мостов:
на автомобильных дорогах I-III категорий, на улицах и дорогах городов, поселков и сельских населенных пунктов - не менее 5,0 м;
на автомобильных дорогах IV и V категорий и на внутрихозяйственных автомобильных дорогах - не менее 4,5 м;
на автомобильных дорогах промышленных предприятий III-п и IV-п категорий - не менее высоты намеченных к обращению транспортных средств плюс 1 м, но не менее 5 м;
а - высота ограждений проездов в соответствии с указаниями п. 1.65*;
hТ- габарит по высоте на тротуарах, принимаемый не менее 2,5 м.
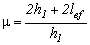
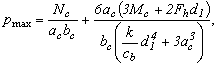
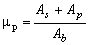
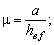
3. Габариты по ширине мостов, расположенных на автомобильных дорогах общего пользования, внутрихозяйственных дорогах в колхозах, совхозах и других сельскохозяйственных предприятиях и организациях, дорогах промышленных предприятий, а также на улицах и дорогах в городах, поселках и сельских населенных пунктах, при отсутствии трамвайного движения следует принимать по табл. 1*.
Таблица 1*
<*> Для деревянных мостов (кроме мостов из клееной древесины) допускается применять габарит Г-7.
<**> То же, габарит Г-6.
Примечания: 1. В графе "Габарит" над чертой указаны габариты мостов при отсутствии ограждений на разделительной полосе, под чертой - при наличии ограждений или при раздельных пролетных строениях под каждое направление движения.
2. В не предусмотренных табл. 1* случаях (в частности, для мостов на дорогах промышленных предприятий с обращением автомобилей особо большей грузоподъемности) габариты мостов по ширине следует устанавливать по формулам:
3. Ширину полос безопасности (П_l) следует принимать в зависимости от установленных для дороги расчетных скоростей движения (используя данные, приведенные в табл. 1*).
Для мостов на дорогах промышленных предприятий (в том числе и с обращением автомобилей особо большой грузоподъемности) размер полос безопасности следует принимать П = 1,50 м.
4. На лесовозных и хозяйственных дорогах лесозаготовительных предприятий габарит мостов (в том числе деревянных) на дорогах IV категории следует принимать равным Г-8 при ширине проезжей части 6,5 м и полос безопасности 0,75 м.
5. Если в данном регионе эксплуатируются (являются расчетными) сельскохозяйственные машины, имеющие габариты, превышающие указанные в табл. 1*, то, по согласованию с субъектами Российской Федерации, габариты мостов в этом регионе следует назначать увеличенными в зависимости от дорожного просвета (возвышения над дорожной одеждой) частей, выступающих за наружную поверхность шин колес или гусениц машины.
В случаях когда дорожный просвет выступающих частей менее 0,35 м (для деревянных мостов - менее 0,30 м), габарит моста следует назначать на 1 м шире габарита машины в транспортном положении.
В случаях когда дорожный просвет выступающих частей 0,35 м и более (для деревянных мостов - 0,30 м и более), габарит моста следует назначать на 1,5 м шире расстояния между наружными поверхностями шин колес или гусениц сельскохозяйственной машины.
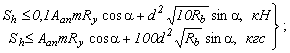
4. Схемы габаритов приближения конструкций для городских мостов с трамвайным движением следует принимать согласно черт. 2 (обозначения - по п. 2* настоящего приложения) и данным табл. 1*.
Габарит по ширине мостов, предназначенных только под трамвайное движение (два пути), следует принимать не менее 9,0 м.
Черт. 2. Схемы габаритов приближения конструкций на городских мостах с трамвайным движением
I - трамвайные пути расположены на оси моста; II - трамвайные пути смещены относительно оси моста: а - на обособленном полотне; б - на общем полотне
5. На совмещенных мостах при расположении двухполосной проезжей части автомобильной дороги по одной полосе с каждой стороны железнодорожных путей или путей метрополитена габарит по ширине на каждой полосе движения должен быть не менее 5,5 м.
6. Полосы безопасности шириной меньшей, чем указано в табл. 1*, допускается при соответствующем технико-экономическом обосновании назначать:
для мостов длиной свыше 100 м на дорогах I-III и III-п категорий и длиной свыше 50 м на дорогах IV и IV-п категорий, если мосты расположены на расстоянии свыше 100 км от крупнейших городов и свыше 50 км от других городов, а расчетная интенсивность движения транспортных средств снижается в 2 раза и более по сравнению с пригородными участками указанных дорог;
в случае расположения мостов на участках дорог с уменьшенной шириной обочины;
при переустройстве мостов;
на путепроводах - при наличии переходно-скоростных полос (со стороны этих полос);
на мостах с дополнительной полосой движения на подъеме (со стороны этой полосы).
При этом ширина полос безопасности должна быть не менее: 1,0 м на мостах дорог I-III и III-п категорий и 0,75 м на мостах дорог IV и IV-п категорий.
Примечание. При назначении полос безопасности шириной меньшей, чем указано в табл. 1*, следует предусматривать установку дорожных знаков, регулирующих режим движения транспортных средств.
7*. При расположении мостов на кривых в плане проезжая часть должна быть уширена в зависимости от категории дорог в соответствии с требованиями СНиП 2.05.02-85 или СНиП 2.07.01-89*.
Проезжую часть автодорожных мостов допускается уширять за счет уменьшения полос безопасности при условии соблюдения ее размеров по п. 6 или увеличения габаритов приближения конструкций.
8. Ширина разделительной полосы на мосту должна быть, как правило, такой же, как на дороге или улице.
На больших мостах при соответствующих технико-экономических обоснованиях ширину разделительной полосы допускается уменьшать, но принимать не менее чем 2,0 м плюс ширина ограждения.
9. Габариты приближения конструкций под путепроводами через автомобильные дороги должны соответствовать приведенным на черт. 3.
Условные обозначения:
а - П принимается по п. 2*; б - бровка земляного полотна; b -определяется конструкцией ограждающих устройств
Черт. 3. Схемы габаритов приближения конструкций под путепроводами
I - при отсутствии ограждений на пересекаемых дорогах; II - при наличии опор на разделительной полосе и ограждений на дороге; a - категорий I-III; III-п и IV-п; б - категорий IV и V
При расположении опор на разделительной полосе расстояние от кромки проезжей части до грани опоры должно быть, м, не менее:
на дорогах I категории - 2,0 (в том числе полоса безопасности 1,5 м);
на городских дорогах и улицах - 1,5 (в том числе полоса безопасности 1,0 м).
Габариты по высоте под путепроводами через городские улицы и дороги следует принимать:
при отсутствии трамвайных путей - по п. 2* настоящего приложения;
при наличии -"- -"- - по черт. 2.
Габариты по высоте под путепроводами через дороги III-п и IV-п категорий следует принимать по п. 2* настоящего приложения.
Примечание. При назначении отметок низа конструкций пролетных строений путепроводов, а также положения верхних связей в мостах с ездой понизу следует учитывать возможность повышения уровня проезда после ремонта проезжей части на толщину нового (дополнительного) слоя дорожного покрытия.
10. Расстояние от бровки земляного полотна пересекаемой дороги до передней грани необсыпных устоев или до конуса насыпи при обсыпных устоях должно быть не менее величин, указанных в табл. 2.
Таблица 2
Боковые поверхности промежуточных опор (со стороны дороги) следует располагать за бровкой земляного полотна пересекаемой дороги на расстоянии не менее 2 м при стоечных сквозных опорах и не менее 4 м при сплошных стенках на дорогах I-III категорий и 0,5 м на дорогах IV и V категорий.
При пересечении городских скоростных дорог и улиц опоры всех видов следует располагать на расстоянии не менее 1,0 м от ограждения (бордюра), при отсутствии ограждения - не менее 1,5 м от кромки проезжей части улиц.
Стенки (устои) городских путепроводов тоннельного типа следует располагать на границах габаритов приближения конструкций под путепроводами согласно черт. 3.
ПРИЛОЖЕНИЕ 2*
Справочное
КОЭФФИЦИЕНТ СОЧЕТАНИЙ h ДЛЯ ВРЕМЕННЫХ НАГРУЗОК И ВОЗДЕЙСТВИЙ
<*> При расположении мостов на кривых большого радиуса (когда центробежная сила невелика) нагрузку N 10 следует рассматривать как сопутствующую нагрузкам N 7 и N 8.
<**> См. примеч. 1 к п. 2.2 разд. 2.
<***> См. примеч. 3 к п. 2.2 разд. 2.
Примечание. Над чертой указаны коэффициенты сочетаний, принимаемые при проектировании железнодорожных мостов и мостов метрополитена, под чертой - автодорожных и городских.
ПРИЛОЖЕНИЕ 3
Обязательное
МЕТОДИКА ОПРЕДЕЛЕНИЯ РАВНОДЕЙСТВУЮЩЕЙ НОРМАТИВНОГО ГОРИЗОНТАЛЬНОГО (БОКОВОГО) ДАВЛЕНИЯ ОТ СОБСТВЕННОГО ВЕСА ГРУНТА НА ОПОРЫ МОСТОВ
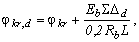
1. Равнодействующую нормативного горизонтального (бокового) давления F_h на опоры мостов от собственного веса насыпного грунта, а также грунта, лежащего ниже естественной поверхности земли при глубине заложения подошвы фундамента 3 м и менее (чертеж, а), следует определять по формуле
где р_h- нормативное горизонтальное (боковое) давление грунта на уровне нижней поверхности рассматриваемого слоя, принимаемое согласно п. 2.6;
h_x - высота засыпки, считая от подошвы рельсов или верха дорожного покрытия, м;
b - приведенная (средняя по высоте h_x) ширина опоры в плоскости задних граней, на которую распределяется горизонтальное (боковое) давление грунта, м.
Схема эпюр давления грунта на опоры моста для определения равнодействующей нормативного горизонтального (бокового) давления на опоры
а - при глубине заложения подошвы фундамента 3 м и менее; б - то же, свыше 3 м; 1 - первый слой; 2 - второй слой; 3 - третий слой
Плечо равнодействующей F_h от подошвы фундамента следует принимать равным z = 1/3 h_x.
Для массивных (в том числе с обратными стенками) и пустотелых (с продольными проемами) устоев, если ширина проема b_1 равна или менее двойной ширины обратной стенки b_2, а также для сплошных (без проемов) фундаментов ширину b следует принимать равной расстоянию между внешними гранями конструкций.
Для пустотелых (с продольными проемами) устоев или для раздельных (с проемами) фундаментов, если b_1 > 2b_2, ширину b следует принимать равной удвоенной суммарной ширине стенок или раздельных фундаментов.
Для свайных или стоечных устоев, если суммарная ширина свай (стоек) равна или более половины всей ширины, за ширину b следует принимать расстояние между внешними гранями свай (стоек); если суммарная ширина свай (стоек) менее половины всей ширины опоры, то за ширину b следует принимать для каждой сваи (стойки) двойную ее ширину.
Примечания: 1. Величины _n и
_n при определении давления р_h на всю высоту h_x допускается принимать как для дренирующего грунта засыпки.
2. Для свай, забитых в ранее возведенную (уплотненную) насыпь, горизонтальное (боковое) давление учитывать не следует.
3. Горизонтальное (боковое) давление грунта на опоры моста со стороны пролета следует учитывать, если в проекте сооружения предусматриваются мероприятия, гарантирующие стабильность воздействия этого грунта при строительстве и эксплуатации моста.
4. Наклон задней грани устоя и силы трения между грунтом засыпки и этой гранью при определении силы F_h учитывать не следует.
2. При глубине заложения подошвы фундамента свыше 3 м равнодействующую нормативного горизонтального (бокового) давления каждого i-го (снизу) слоя грунта, расположенного ниже естественной поверхности земли, следует определять по формуле
где _i - удельный вес грунта рассматриваемого слоя;
h_i - толщина рассматриваемого слоя;
_i- коэффициент нормативного горизонтального (бокового) давления грунта для i-го слоя, равный:
фи_i- нормативное значение угла внутреннего трения слоя грунта;
h_0i - приведенная к удельному весу грунта засыпки общая толщина слоев грунта, лежащих выше верхней поверхности рассматриваемого слоя.
Например, для нижнего (первого) слоя приведенная на чертеже, б толщина составляет
Плечо равнодействующей давления i-го слоя F_i от нижней поверхности рассматриваемого слоя следует принимать равным:
ПРИЛОЖЕНИЕ 4*
Обязательное
МЕТОДИКА ОПРЕДЕЛЕНИЯ КОЭФФИЦИЕНТА ВЕРТИКАЛЬНОГО ДАВЛЕНИЯ ГРУНТА ПРИ РАСЧЕТЕ ЗВЕНЬЕВ (СЕКЦИЙ) ТРУБ
1*. Коэффициент вертикального давления грунта для железобетонных и бетонных звеньев (секций) труб С_v следует определять по формулам:
где фи_n- нормативный угол внутреннего трения грунта засыпки трубы;
_n - коэффициент нормативного горизонтального (бокового) давления грунта засыпки, определяемый по формуле (6) п. 2.6;
d - диаметр (ширина) звена (секции) по внешнему контуру, м;
h - высота засыпки при определении вертикального давления по формуле (4) п. 2.6, считая от подошвы рельсов или верха дорожного покрытия до верха звена (секции), м; при определении горизонтального (бокового) давления по формуле (5) п. 2.6 высоту засыпки h_x следует принимать до середины высоты звеньев (секций) трубы;
a - расстояние от основания насыпи до верха звена (секции) трубы, м;
s - коэффициент, принимаемый равным при фундаментах:
1,2 - неподатливых (на скальном основании или на сваях-стойках);
1,1 - малоподатливых (на висячих сваях);
1,0 - массивных мелкого заложения и грунтовых (нескальных) основаниях.
Если В > h/d, то следует принимать В = h/d.
Коэффициент вертикального давления грунта для многоочковых круглых водопропускных труб допускается вычислять по формуле
где n_v = 0,01 (l/d)2 + 0,02 (l/d) + 0,9, но не более 1 (здесь l - расстояние в свету между очками труб).
При подсыпке насыпей, в которых со временем произошло естественное уплотнение грунта засыпки и физическое состояние конструкций трубы является удовлетворительным, допускается при определении нормативного давления на трубу от собственного веса грунта принимать независимо от податливости основания безразмерный коэффициент С равным 1.
2. При расчете гибких (из гофрированного металла и др.) звеньев (секций) труб и при определении давления на грунтовые (нескальные) основания коэффициент С_v следует принимать равным единице.
ПРИЛОЖЕНИЕ 5*
Обязательное
НОРМАТИВНАЯ ВРЕМЕННАЯ ВЕРТИКАЛЬНАЯ НАГРУЗКА СК ОТ ЖЕЛЕЗНОДОРОЖНОГО ПОДВИЖНОГО СОСТАВА И ПРАВИЛА ЗАГРУЖЕНИЯ ЕЮ ЛИНИЙ ВЛИЯНИЯ
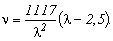
1. Величины нормативных эквивалентных нагрузок v для загружения однозначных и отдельных участков двузначных линий влияния приведены в табл. 1.
Таблица 1
Примечания: 1. Эквивалентные нагрузки, рассчитываемые в кН/м пути при значениях параметров 1,5
50 м (
= 0 и
= 0,5) и
> 50 м (
= 0), получены по формуле
где е = 2,718... - основание натуральных логарифмов.
2. Для промежуточных значений длин загружения и промежуточных положений вершин линий влияния
= a/
0,5 величины нагрузки
следует определять по интерполяции.
В случаях, оговоренных ниже, при загружении линий влияния следует применять нагрузки - равномерную 9,81 К кН/м (К тс/м) пути и от порожнего подвижного состава, указанные в п. 2.11.
2*. При расчете элементов мостов следует учитывать передачу и распределение давления элементами верхнего строения пути, при этом эквивалентную нагрузку n необходимо принимать:
а) при определении местного давления, передаваемого мостовыми поперечинами, а также металлическими скреплениями (с резиновыми прокладками) при укладке рельсов по железобетонной плите, - равной 24,5К кН/м (2,50К тс/м) пути, для расчета по устойчивости стенки балки - не более 19,62К кН/м (2К тс/м) пути;
б) при определении местного давления, передаваемого плитой балластного корыта (во всех случаях), а также при определении усилий для расчета плиты поперек пути - равной 19,62К кН/м (2К тс/м) пути, вдоль пути - не более 19,62К кН/м (2К тс/м) пути.
Примечания*: 1. При устройстве пути на балласте значение
19,62К кН/м (2К тс/м) при
25 м следует принимать (в том числе для расчета опор, если балластный слой непрерывен) соответствующим
= 0,5 независимо от положения вершин линий влияния.
2. Величину нагрузки для расчета плиты балластного корыта следует принимать равной /b, кПа (тс/м), где b - ширина распределения нагрузки, м, принимаемая равной 2,7 - h или 2,7 - 2h (в зависимости от того, что является более неблагоприятным при расчете отдельных сечений плиты), но не более ширины балластного корыта;
h - расстояние от подошвы шпал до верха плиты. м.
3*. При криволинейном, зубчатом (близком к треугольному) и четырехугольном очертаниях однозначные линии влияния и отдельно загруженные участки двузначных линий влияния при коэффициенте искаженности < 1,10 (отношение площади треугольной линии влияния к площади рассматриваемой линии влияния при одинаковых длинах линий влияния и при одинаковых их наибольших ординатах) загружаются эквивалентной нагрузкой
согласно п. 2* настоящего приложения.
4. При криволинейном очертании однозначные линии влияния и отдельно загружаемые участки двузначных линий влияния при коэффициенте искаженности
1,10 и длине
2м загружаются согласно п. 2* настоящего приложения с учетом следующих указаний:
а) при 1,10
1,40 (за исключением случая устройства пути на балласте и
< 50 м) с увеличением интенсивности эквивалентной нагрузки на величину, %, равную е (
- 1), где е - коэффициент, определяемый по черт. 1.
Черт. 1. Коэффициент е в зависимости от и
(длина загружения
, м, указана на графике)
При устройстве пути на балласте и < 50 м величину n следует принимать по табл. 1, причем для
10 м независимо от положения вершин линий влияния - по графе, соответствующей
= 0,5;
б) при > 1,40 следует суммировать от загружения частей линии влияния.
Включающая вершину часть линии влияния длиной _1 и площадью A_1 (черт. 2), ограниченная ординатами у_1 и у_2, загружается на максимум (в соответствии с
_1 и
_1); остальная часть линии влияния (А-А_1) загружается нагрузкой 9,81К кН/м (К тс/м) пути.
При этом суммарную величину усилия следует принимать не менее (А_1+А_2), где
- определяется в соответствии с
и
всей линии влияния.
Длину _1 (см. черт. 2) следует назначать с учетом расчетной схемы конструкции.
Черт. 2. Часть линии влияния длиной , включая ее вершину
5. Усилия (рассматриваемого знака) по линиям влияния, состоящим из нескольких участков, следует определять суммированием результатов загружения отдельных, рядом расположенных участков всей или части линии влияния.
В соответствии с очертанием линий влияния и значениями величин и
для участков следует загружать:
два участка рассматриваемого знака, расположенные рядом или разделенные участком иного знака, при общей длине этих (двух или трех) участков менее 80 м;
один участок рассматриваемого знака при длине 80 м и более;
остальные участки того же знака - нагрузкой 9,81К кН/м (К тс/м) пути.
Разделяющие участки иного знака следует загружать нагрузкой 13,73 кН/м (1,4 тс/м) пути, а при наличии таких участков длиной до 20 м один из них не загружают.
Примеры некоторых загружений приведены на черт. 3 и 4.
Черт. 3. Схема загружения участков линии влияния при > 80 м
Черт. 4. Схема загружения пролета одновременно с призмой обрушения или пролета с устоем при расчете массивных устоев мостов с разрезными балочными пролетными строениями
6*. При расчете массивных устоев мостов с разрезными балочными пролетными строениями загружение пролета одновременно с призмой обрушения или пролета с устоем следует производить в соответствии с черт. 4 и табл. 2.
Длину загружения призмы обрушения следует принимать равной половине высоты от подошвы шпал до рассматриваемого сечения опоры.
Таблица 2
<*> При устройстве езды на балласте _1 < 25 м следует принимать
= 0,5 (см. п. 2).
Коэффициент надежности по нагрузке следует принимать, руководствуясь приведенной длиной загружения, равной сумме длин участков, на которых в каждом случае размещается временная нагрузка.
7. При загружении пролетных строений, расположенных на кривых, величину нагрузки следует принимать с коэффициентом, отражающим влияние смещения центра тяжести подвижного состава, причем расчет следует осуществлять дважды:
а) с учетом центробежной силы и динамического коэффициента, но без учета силовых факторов, возникающих вследствие возвышения наружного рельса;
б) без учета центробежной силы и динамического коэффициента, но с учетом силовых факторов, возникающих вследствие возвышения наружного рельса.
8. При расчете на выносливость максимальное и минимальное усилия (напряжения) по линиям влияния, указанным в п. 5, определяются невыгоднейшим из загружений, возникающих от подвижного состава, и состоящим из нагрузки СК (которой загружается только один участок) и нагрузки 9,81К кН/м (К тс/м) пути. Загружение ведется последовательно по участкам линии влияния - отдельно справа налево и слева направо (черт. 5). При симметричной линии влияния производится загружение в одном направлении.
Черт. 5. Схема загружения участков линии влияния для определения максимальных и минимальных усилий (напряжений) при расчете на выносливость
ПРИЛОЖЕНИЕ 6*
Справочное
ЭКВИВАЛЕНТНЫЕ НАГРУЗКИ ОТ ОДИНОЧНЫХ ТЯЖЕЛЫХ НАГРУЗОК НК-80 И НГ-60
Примечание. Эквивалентные нагрузки, кН/м, вычислены по формулам:
для колесной нагрузки НК-80:
а) при 0
0,25
б) при 0,25 <
0,50
<*> Коэффициент искажения равен отношению площади треугольной линии влияния к площади рассматриваемой линии влияния при одинаковых длинах линий влияния и одинаковых их наибольших ординатах.
Для промежуточных значений следует определять по интерполяции.
ПРИЛОЖЕНИЕ 7
Справочное
ЭКВИВАЛЕНТНЫЕ НАГРУЗКИ ОТ ОДИНОЧНЫХ АВТОМОБИЛЕЙ, СТОЯЩИХ И ДВИЖУЩИХСЯ КОЛОНН АВТОМОБИЛЕЙ НАГРУЗКИ АБ
Примечание. Промежуточные значения эквивалентных нагрузок следует определять по интерполяции.
ПРИЛОЖЕНИЕ 8*
Обязательное
МЕТОДИКА ОПРЕДЕЛЕНИЯ ГОРИЗОНТАЛЬНОГО (БОКОВОГО) ДАВЛЕНИЯ ГРУНТА НА БЕРЕГОВЫЕ ОПОРЫ (УСТОИ) ОТ ТРАНСПОРТНЫХ СРЕДСТВ ЖЕЛЕЗНЫХ И АВТОМОБИЛЬНЫХ ДОРОГ
1. В случае расположения на призме обрушения подвижного состава железных дорог
Схема загружения для определения горизонтального (бокового) давления грунта на береговые опоры (устои)*: a - при расположении на призме обрушения подвижного состава железных дорог для однопутных устоев при симметричной (относительно оси устоя) нагрузке; б - то же, для многопутных устоев при несимметричной (относительно оси устоя) нагрузке; в - при расположении на призме обрушения автомобильной и гусеничной нагрузок и стенки перпендикулярно направлению движения (с - длина соприкасания вдоль оси моста колес или гусениц с покрытием проезжей части). На схеме загружения в угол b представляет наклон к вертикальной плоскости скольжения грунта за устоем
Горизонтальное (боковое) давление, кН (тс), следует определять по формулам:
а) для однопутных устоев при симметричной (относительно оси устоя) нагрузке (чертеж а)
б) для многопутных устоев при несимметричной (относительно оси устоя) нагрузке (чертеж б)
Если h_2= h, то принимается _2 =
.
Плечи сил F_1, F_2, F_3 и F_4, считая от рассматриваемого сечения (на чертеже - подошвы фундамента), следует определять по формулам:
- давление распределенной на длине шпал (2,70 м) временной вертикальной нагрузки, кПа (тс/м2);
- равномерно распределенная нагрузка, кН/м (тс/м), от подвижного состава на призме обрушения (по обязательному приложению 5*);
h_1, h_2 - высоты, в пределах которых площадь давления имеет переменную ширину, м;
b - ширина однопутного устоя или удвоенное наименьшее расстояние от вертикальной оси нагрузки до ближайшей боковой грани устоя при несимметричном загружении, м;
b_1 = 2,70 + h_2- удвоенное расстояние от оси пути до точки пересечения линии распространения нагрузки с боковой удаленной от пути гранью, м, но не более удвоенного наибольшего расстояния от оси пути до боковой грани устоя;
_n- коэффициент нормативного горизонтального (бокового) давления грунта засыпки по п. 2.6.
Значения коэффициентов ,
_1,
_2 и
,
_1,
_2 в зависимости от соответствующих высот h, h_1, h_2 следует принимать по табл. 1.
Примечание. Для многопутного устоя общее давление от временной нагрузки следует определять как сумму давлений, получаемых по формуле (2) для каждого из путей в отдельности при соответствующих значениях b, b_1, h, h_1, h_2.
Таблица 1
II. В случае расположения на призме обрушения колесной и гусеничной автомобильных нагрузок
1*. При отсутствии переходных плит от насыпи на устой давление от транспортных средств автомобильных дорог на призме обрушения следует принимать распределенным на площадки опирания.
А. В случае расположения стенки перпендикулярно направлению движения давление от каждого ряда колес или гусениц распределяется на площадки опирания размером с x b,
где с - длина соприкасания вдоль оси моста колес или гусениц рассматриваемых нагрузок с покрытием проезжей части (чертеж, в), принимаемая, м:
для колес тележек нагрузки АК - 0,2;
-"- -"- автомобилей -"- АБ - по табл. 10 п. 2.13;
для колесной нагрузки НК-80 - 3,8;
-"- гусеничной -"- НГ-60 - 5,0;
b - ширина, равная расстоянию между внешними гранями колес (для тележек нагрузки АК, автомобилей нагрузки АБ, колесной нагрузки НК-80) или гусениц (для гусеничной нагрузки НГ-60).
В случаях, когда сосредоточенное давление распределяется в стороны вдоль рассчитываемой стенки (например, устои с откосными крыльями), его учитывают с коэффициентом , зависящим от отношения b/h (где h - высота стенки), по табл. 2.
В устоях с обратными стенками, расположенными параллельно оси моста, коэффициент a не учитывается.
Таблица 2
Б. В случае расположения стенки параллельно оси моста давление от каждого ряда колес вдоль моста и каждой полосы гусеницы распределяется на площадки опирания размером а х d,
где а - длина, принимаемая для нагрузок, м:
АК - h +1,5;
АБ - h + с, но не более базы автомобиля;
НК-80 - 3,8;
НГ-60 - 5,0;
h, c - по подпункту А;
d - ширина колеса или гусеницы рассматриваемых нагрузок.
Во всех случаях длина а не должна превышать длины рассчитываемого участка стенки.
2. При наличии переходных плит (от насыпи на устой) опирание на грунт (вдоль оси моста) следует учитывать на половине длины плиты со стороны насыпи, при этом давление следует принимать только от части подвижной нагрузки, расположенной на этой половине, и считать его приложенным посередине длины опирания.
ПРИЛОЖЕНИЕ 9*
Обязательное
АЭРОДИНАМИЧЕСКИЙ КОЭФФИЦИЕНТ
Примечание. Для опор, состоящих по высоте из нескольких ярусов, имеющих различные конструктивные формы, ветровую нагрузку необходимо определять для каждого яруса отдельно с учетом соответствующего аэродинамического коэффициента.
ПРИЛОЖЕНИЕ 10*
Обязательное
НОРМАТИВНАЯ ЛЕДОВАЯ НАГРУЗКА
1. Нагрузку от льда на опоры мостов следует определять на основе исходных данных по ледовой обстановке в районе расположения сооружения для периода с наибольшими ледовыми воздействиями, при этом период натурных наблюдений должен быть не менее пяти лет.
Пределы прочности льда следует определять по опытным данным.
При отсутствии опытных данных допускается принимать:
для I района страны:
а) предел прочности льда на раздробление (с учетом местного смятия) Rz1:
в начальной стадии ледохода (при первой подвижке) - 735 кПа (75 тс/м2);
при наивысшем уровне ледохода - 441 кПа (45 тс/м2);
б) предел прочности льда на изгиб R_m1 - 70 % соответствующих значений прочности льда на раздробление (по подпункту "а");
для остальных районов страны - по формулам:
где n- порядковый номер района страны;
К_n- климатический коэффициент для данного района страны.
Границы районов и климатические коэффициенты, соответствующие районам, следует принимать по табл. 1. При этом для рек, вскрывающихся при отрицательной температуре, климатический коэффициент следует принимать не менее 2.
Таблица 1
Примечание. Для II и III районов южной границей является северная граница предыдущего района.
На промерзающих до дна реках, если ледоход начинается после прохода по льду весенних вод, предел прочности льда на раздробление следует принимать по фактическим данным (с учетом ослабления льда вследствие его протаивания), но не менее величин, установленных для ледохода при наивысшем уровне.
2. Равнодействующую ледовой нагрузки необходимо прикладывать в точке, расположенной ниже расчетного уровня воды на 0,3t, где t - расчетная толщина льда, м, принимаемая равной 0,8 максимальной за зимний период толщины льда обеспеченностью 1 %.
3. Нагрузку от движущихся ледяных полей на опоры мостов с вертикальной передней гранью необходимо принимать по наименьшему значению из определяемых по формулам:
при прорезании опорой льда
при остановке ледяного поля опорой
где _1,
_2 - коэффициенты формы, определяемые по табл. 2;
R_zn - сопротивление льда раздроблению для районов строительства, кПа (тс/м2);
b - ширина опоры на уровне действия льда, м;
t - толщина льда, м;
v - скорость движения ледяного поля, м/с, определяемая по данным натурных наблюдений, а при их отсутствии принимаемая равной скорости течения воды;
A - площадь ледяного поля, м, устанавливаемая по натурным наблюдениям в месте перехода или вблизи от него.
Таблица 2
При отсутствии натурных данных площадь ледяного поля допускается принимать А = 1,75 l(2), где l - величина пролета, м, а при уклонах участков водной поверхности i 0,007
где R_mn - предел прочности льда на изгиб в районе строительства, кПа (тс/м2).
4. При движении ледяного поля под углом
80° к оси моста нагрузку от льда на вертикальную грань опоры необходимо уменьшать путем умножения ее на sin
.
5. Давление льда на опору, имеющую в зоне действия льда наклонную поверхность, следует определять:
а) горизонтальную составляющую F_x, кН (тс), - по наименьшей из величин, полученных по формуле (3) настоящего приложения и по формуле
б) вертикальную составляющую F_z, кН (тс), - по формуле
где - коэффициент, принимаемый равным 0,2 b/t, но не менее 1;
- угол наклона к горизонту режущего ребра опоры;
R_mn, b, t - принимаются по пп. 1-3.
6*. При сложной ледовой обстановке в районе проектируемого мостового перехода в необходимых случаях следует учитывать нагрузки от:
остановившегося при навале на опору ледяного поля, когда кроме течения воды происходит воздействие на поле ветра;
давления зажорных масс;
примерзшего к опоре (сваям или свайным кустам) ледяного покрова при колебаниях уровня воды;
ледяного покрова при его температурном расширении и наличии с одной стороны опоры поддерживаемой майны льда на податливые (гибкие) опоры.
Указанные нагрузки следует определять по СНиП 2.06.04-82*.
7*. При расположении в одном створе вдоль течения реки двух опор кругового или близкого к нему очертания (чертеж) давление от прорезания льда при его первой подвижке на низовую (вторую) по течению реки опору допускается принимать в размере F_1,
здесь - коэффициент уменьшения давления на низовую (вторую) опору, зависящий от отношения a_о / D (a_o - расстояние между осями опор, D - диаметр опор);
F_1 - давление от прорезания льда на верховую (первую) по течению опору (п. 3).
Значения коэффициента следует принимать по табл. 3*.
Таблица 3*
Примечание. Промежуточные значения определяются по интерполяции.
ПРИЛОЖЕНИЕ 11*
Обязательное
ПОТЕРИ ПРЕДВАРИТЕЛЬНОГО НАПРЯЖЕНИЯ АРМАТУРЫ
Таблица 1*
Примечание. Каждому виду потерь предварительного напряжения арматуры в соответствии с номерами позиций присваивать обозначения от _1 до
_10.
Таблица 2*
<**> При жесткости смеси 35-30 с.
Примечания: 1. При определении с_n и _sn классы бетона должны соответствовать передаточной прочности бетона R_bp (см. п. 3.31).
2. Для бетона, подвергнутого тепловлажностной обработке, значения с_nи _sn следует уменьшать на 10 %.
ПРИЛОЖЕНИЕ 12
Обязательное
РАСЧЕТ ЖЕСТКИХ ЗВЕНЬЕВ КРУГЛЫХ ЖЕЛЕЗОБЕТОННЫХ ТРУБ
Жесткие звенья круглых железобетонных труб допускается рассчитывать на изгибающие моменты (без учета нормальных и поперечных сил), расчетные значения которых следует определять по формуле
где r_d - средний радиус звена, м;
р - расчетное давление на звено, принимаемое равным:
для железнодорожных труб
1,3 (p_vp + р_vk ) ;
для автодорожных труб
1,3 p_vp +1,2 p_vk ;
р_vp- нормативное вертикальное давление грунта насыпи, принимаемое по п. 2.6;
р_vk- нормативное вертикальное давление от временной вертикальной нагрузки, принимаемое по п. 2.17;
здесь _n - нормативный угол внутреннего трения грунта засыпки;
- коэффициент, принимаемый в зависимости от условий опирания звена на фундамент или грунтовую (профилированную) уплотненную подушку согласно таблице.
ОПРЕДЕЛЕНИЕ ЖЕСТКОСТЕЙ СЕЧЕНИЙ ЖЕЛЕЗОБЕТОННЫХ ЭЛЕМЕНТОВ ДЛЯ РАСЧЕТА ПРОГИБОВ И УГЛОВ ПОВОРОТА С УЧЕТОМ ПОЛЗУЧЕСТИ БЕТОНА
1. Жесткость сечения предварительно напряженного элемента (целого по длине) при длительном воздействии усилия предварительного напряжения или постоянной нагрузки
, приложенных в моменты времени ti рекомендуется определять по формуле
где E_b I_red - жесткость приведенного сплошного сечения элемента;
k - коэффициент, учитывающий влияние неупругих деформаций бетона при кратковременном приложении нагрузки и принимаемый равным 0,85;
= c_lim,I E_bi - приведенная величина предельной характеристики ползучести бетона.
При определении прогибов и углов поворота от действия временной нагрузки или кратковременного действия постоянной нагрузки (в том числе кратковременного выгиба от усилия предварительного напряжения) в формуле (1) значение следует принимать равным нулю, а жесткость
заменить на В.
2. Величины рекомендуется вычислять по формулам:
где Ф_ti - функция, учитывающая влияние предварительного напряжения (обжатия) бетона под постоянной нагрузкой на предельную (при t -> ) величину изменения предварительного напряжения арматуры (см. п. 3).
3. Определение компонентов для вычисления приведенной характеристики ползучести бетона :
Ф_ti - функция, учитывающая влияние предварительного напряжения (обжатия) бетона под постоянной нагрузкой на предельную (при t -> ) величину изменения предварительного напряжения арматуры и определяемая по формуле
где
- характеристика бетонной части сечения;
A_b, I_b - площадь и момент инерции бетонной части сечения относительно центра тяжести сечения;
y - расстояние от центра тяжести бетонной части сечения до центра тяжести рассматриваемой напрягаемой арматуры;
n_1- отношение модулей упругости арматуры и бетона, принимаемое по п. 3.48*:
- коэффициент армирования напрягаемой арматурой (при площади поперечного сечения А_s
0,2 А_р следует принимать
);
R_b,ser, E_b - расчетное сопротивление бетона осевому сжатию по табл. 23* при расчете по предельным состояниям второй группы и значение модуля упругости бетона, МПа, по табл. 28 (к началу данной стадии), соответствующее передаточной прочности бетона R_bp;
- относительный уровень напряжений в бетоне в начале данной стадии
t;
_ti = c_ti E_b - характеристика линейной ползучести бетона, проявившаяся на протяжении рассматриваемой стадии (за время
t);
c_ti - удельная деформация ползучести бетона, соответствующая заданному периоду выдержки под нагрузкой, ее рекомендуется определять по формулам:
где t- время, отсчитываемое с момента приложения нагрузки, сут;
а_m - параметр, характеризующий скорость развития во времени деформации ползучести бетона и принимаемый по табл. 1 настоящего приложения.
Таблица 1
Для конструкций, эксплуатируемых в климатическом подрайоне IVА, согласно СНиП 2.01.01-82, значение a_m для летнего времени года (август) следует снижать на 35%, а для зимнего (февраль) - увеличивать на 10 %, для остальных месяцев - принимать по линейной интерполяции;
c_lim,i - предельные значения удельных деформаций ползучести бетона:
c_lim,i = c_n _1
_2
_3
_4 , (7)
где с_n - нормативное значение деформации ползучести бетона, принимаемое согласно обязательному приложению 11*;
_i- коэффициенты, приведенные в табл. 2*.
Таблица 2*
<*> Влажность принимается как средняя относительная влажность воздуха наиболее жаркого месяца по СНиП 2.01.01-82, а при расположении конструкций в подрайоне IVА - как среднемесячная влажность, соответствующая времени обжатия бетона. Для массивных элементов при отношении площади сечения к его периметру не менее 20 см значение _4 принимается равным 0,55. Для типовых конструкций допускается принимать
_4 = 1.
ПРИЛОЖЕНИЕ 14
Обязательное
КОЭФФИЦИЕНТЫ УСЛОВИЙ РАБОТЫ КАНАТОВ
1. Величину коэффициента условий работы m_1 следует принимать:
R - радиус кривой, по которой отгибается на отклоняющем устройстве канат одинарной свивки из проволоки диаметром d с временным сопротивлением 1470-1765 МПа (150-180 кгс/мм2); при этом должно соблюдаться условие D/d 580 и m_1
0,85;
m_1 = 1 при отгибе закрытых несущих канатов на отклоняющем устройстве по круговой кривой диаметром D, мм, и соблюдении условий:
При действии на растянутый закрытый несущий канат поперечной нагрузки q через плоские стальные накладки m_1 следует принимать по таблице.
2. Величину коэффициента условий работы m_1 при закреплении канатов в концевых анкерах следует принимать:
при заливке конца каната в конической или цилиндрической полости корпуса сплавом цветных металлов на длине не менее 5 диаметров каната - m_1 = 0,95;
при заливке конца каната в конической полости корпуса эпоксидным компаундом на длине не менее 4 диаметров каната - m_1 = 1;
при клиновых анкерах, применении алюминиевых прокладок и заполнении пустот эпоксидным компаундом - m_1 = 1:
в анкере со сплющиванием концов круглых проволок, защемлением их в анкерной плите и заполнением пустот эпоксидным компаундом с наполнителем из стальной дроби - m_1= 1.
ПРИЛОЖЕНИЕ 15*
Обязательное
КОЭФФИЦИЕНТЫ ДЛЯ РАСЧЕТА ПО УСТОЙЧИВОСТИ СТЕРЖНЕЙ И БАЛОК
Таблица 1*
Примечание. Для прокатных двутавров с параллельными гранями полок и сварных элементов двутаврового и Н-образного сечений коэффициенты ,
_с,
_b по настоящему приложению применяются при собственных остаточных сжимающих напряжениях на кромках полок не более 49 МПа (500 кгс/см2). Для элементов указанного типа с собственными остаточными сжимающими напряжениями на кромках полок свыше 49 МПа (500 кгс/см2) при расчете по устойчивости в плоскости полок принимаются коэффициенты
,
_с,
_b, указанные в скобках.
Таблица 2
Примечание. См. примечание к табл. 1*.
Таблица 3
Примечание. См. примечание к табл. 1*.
КОЭФФИЦИЕНТЫ ВЛИЯНИЯ ФОРМЫ СЕЧЕНИЯ 
Коэффициенты влияния формы сечения при определении приведенного относительного эксцентриситета по формуле
следует принимать по прил. 6* СНиП II-23-81*, вычисляя при этом условную гибкость
по формуле
где _R - коэффициент, принимаемый по табл. 4*, при этом m = е_rel.
Таблица 4*
РАСЧЕТ ПО УСТОЙЧИВОСТИ ПОЛОК И СТЕНОК ЭЛЕМЕНТОВ, ПОДКРЕПЛЕННЫХ РЕБРАМИ ЖЕСТКОСТИ
1. Прямоугольные отсеки полок и стенок (далее - пластинки), заключенные между подкрепляющими их по контуру ортогональными деталями (ребра жесткости, полка для стенки и стенка для полки), следует рассчитывать по устойчивости. При этом расчетными размерами и параметрами проверяемой пластинки являются:
а - длина пластинки, равная расстоянию между осями поперечных ребер жесткости;
h_ef - расчетная ширина пластинки, равная:
при отсутствии продольных ребер жесткости у прокатного или сварного элемента - расстоянию между осями поясов h_w или осями стенок коробчатого сечения b_f;
то же, у составного элемента с болтовыми соединениями - расстоянию между ближайшими рисками поясных уголков;
при наличии продольных ребер жесткости у сварного или прокатного элемента - расстоянию от оси пояса (стенки) до оси крайнего продольного ребра жесткости h_1 и h_n или расстоянию между осями соседних продольных ребер жесткости h_i (i = 2; 3; 4; 5...);
то же, у составного элемента с болтовыми соединениями - расстоянию от оси крайнего ребра жесткости до ближайшей риски поясного уголка h_1и h_n или расстоянию между осями соседних продольных ребер жесткости h_i (i = 2; 3; 4; 5...);
t - толщина проверяемой пластинки;
t_1, b_1 - толщина и расчетная ширина листа, ортогонального к проверяемой пластинке; в расчетную ширину этого листа в двутавровом сечении следует включать (в каждую сторону от проверяемой пластинки) участок листа шириной _1 t_1, но не более ширины свеса, а в коробчатом сечении - участок шириной 1/2
_2 t_1, но не более половины расстояния между стенками коробки (здесь коэффициенты
_1 и
_2 следует определять по п. 4.55*);
; здесь
_x и
_x определяются по п. 2;
; здесь
- коэффициент, принимаемый по табл. 1.
Таблица 1
В случае если проверяемая пластинка примыкает к пакету из двух и более листов, за t_1 и b_1 принимаются толщина и расчетная ширина первого листа пакета, непосредственно примыкающего к указанной пластинке.
2. Расчет по устойчивости пластинок следует выполнять с учетом всех компонентов напряженного состояния - _x,
_y,
_xy .
Напряжения _x,
_y,
_xy следует вычислять в предположении упругой работы материала по сечению брутто без учета коэффициентов продольного изгиба.
Максимальное _x и минимальное
_x продольные нормальные напряжения (положительные при сжатии) по продольным границам пластинки следует определять по формулам:
где
y_max, y_min - максимальное и минимальное расстояния от нейтральной оси до продольной границы пластинки (с учетом знака);
M_m - среднее значение изгибающего момента в пределах отсека при µ 1; если длина отсека больше его расчетной ширины, то М_m следует вычислять для более напряженного участка длиной, равной ширине отсека; если в пределах отсека момент меняет знак, то М_m следует вычислять на участке отсека с моментом одного знака.
Среднее касательное напряжение _xy следует определять:
при отсутствии продольных ребер жесткости - по формуле
Q_m - среднее значение поперечной силы в пределах отсека, определяемое так же, как M_m;
_1,
_2 - значения касательных напряжений на продольных границах пластинки, определяемые по формуле (3) при замене S_max соответствующими значениями S.
Поперечное нормальное напряжение _y (положительное при сжатии), действующее на внешнюю кромку крайней пластинки, следует определять:
от подвижной нагрузки - по формуле
где Р - распределенное давление на внешнюю кромку крайней пластинки, определяемое по обязательному приложению 5*;
от сосредоточенного давления силы F - по формуле
где l_ef - условная длина распределения нагрузки.
Условную длину распределения нагрузки l_ef следует определять:
при передаче нагрузки непосредственно через пояс балки или через рельс и пояс - по формуле
где с - коэффициент, принимаемый для сварных и прокатных элементов равным 3,25, для элементов с соединениями на высокопрочных болтах - 3,75, на обычных болтах - 4,5;
I - момент инерции пояса балки или сумма моментов инерции пояса и рельса;
при передаче нагрузки от катка через рельс, деревянный лежень и пояс балки l_ef следует принимать равной 2h (где h - расстояние от поверхности рельса до кромки пластинки), но не более расстояния между соседними катками.
Поперечные нормальные напряжения _y на границе второй и последующих пластинок следует определять, как правило, по теории упругости.
при нагрузке, распределенной по всей длине пластинки, - по формуле
при сосредоточенной нагрузке - по формуле
где h_0- часть высоты стенки, равная расстоянию от оси нагруженного пояса в сварных и прокатных балках или от ближайшей риски поясного уголка в балках с болтовыми соединениями до границы проверяемой пластинки;
h_w - полная высота стенки.
3. Критические напряжения _x,cr,
_y,cr,
_r,
_x,cr,ef,
_y,cr,ef,
_r,ef следует определять в предположении действия только одного из рассматриваемых напряжений
_x,
_y или
_xy. Приведенные критические напряжения
_x,cr,ef,
_y,cr,ef,
_xy,cr,ef общем случае вычисляют в предположении неограниченной упругости материала на основе теории устойчивости первого рода (бифуркация форм равновесия) для пластинчатых систем.
Значения приводимых в табл. 2, 4-13 параметров для определения критических напряжений в пластинках допускается находить по линейной интерполяции.
4. Расчет по устойчивости стенки сплошных изгибаемых элементов, имеющей только поперечные ребра жесткости, следует выполнять по формуле
где _x,cr,
_y,cr - критические нормальные напряжения соответственно продольное и поперечное;
_xy,cr - критическое касательное напряжение;
_1 - коэффициент, принимаемый по табл. 2;
- коэффициент, вводимый при расчете автодорожных и городских мостов при h_w / t > 100.
Таблица 2
Критические напряжения _x,cr,
_y,cr,
_xy,cr следует определять по формулам табл. 3* в зависимости от приведенных критических напряжений
_x,cr,ef,
_y,cr,ef,
_xy,cr,ef , вычисляемых по пп. 4.1-4.3 настоящего приложения. При этом
_xy,cr определяется по формулам для
_x,cr с подстановкой в них соотношений:
<*> При определении поперечных нормальных критических напряжении в формулах заменяются _x,cr на
_y,cr и
_x,cr,ef на
_y,cr,ef . Здесь m - коэффициент условий работы, принимаемый по табл. 60*.
4.1. Приведенное критическое продольное нормальное напряжение для пластинок стенки изгибаемого элемента следует определять по формуле
где - коэффициент упругого защемления стенки, принимаемый для элементов с болтовыми соединениями равным 1,4, для сварных элементов - по табл. 4;
- коэффициент, принимаемый по табл. 5.
Таблица 4
4.2. Приведенное критическое поперечное нормальное напряжение _y,cr,ef для пластинок стенки изгибаемого элемента следует определять по формуле
где - коэффициент, принимаемый равным единице при нагрузке, распределенной по всей длине пластинки, и по табл. 6 - при сосредоточенной нагрузке;
- коэффициент упругого защемления стенки, принимаемый по табл. 7;
z - коэффициент, принимаемый по табл. 8.
Таблица 6
4.3. Приведенное критическое касательное напряжение _xy,cr,ef для пластинок стенок изгибаемого элемента следует определять по формуле
где d- меньшая сторона отсека (а или h_ef);
µ_1 - коэффициент, принимаемый равным µ при a > h_ef и 1/µ при a < h_ef;
- коэффициент упругого защемления стенки, принимаемый равным единице для элементов с болтовыми соединениями и по табл. 9 - для сварных элементов.
Таблица 9
5. Расчет по устойчивости пластинок стенки сплошных изгибаемых элементов, имеющих поперечные ребра и одно продольное ребро в сжатой зоне, следует выполнять:
первой пластинки - между сжатым поясом и продольным ребром - по формуле
где _1 - коэффициент, принимаемый по табл. 2;
_x,
_y,
_xy - напряжения, определяемые по п. 2;
_x,cr,
_y,cr,
_xy,cr критические напряжения, определяемые согласно п. 4;
второй пластинки - между растянутым поясом и продольным ребром - по формуле (10), принимая при этом _2 = 1.
5.1. Приведенное критическое продольное нормальное напряжение _x,cr,ef следует определять по формуле (11), при этом коэффициент упругого защемления следует принимать:
первой пластинки: элементов с болтовыми соединениями - = 1,3; таких же и сварных элементов при объединении с железобетонной плитой -
= 1,35; прочих сварных элементов - по табл. 10;
второй пластинки - = 1.
Таблица 10
5.2. Приведенное критическое поперечное нормальное напряжение _y,cr,ef первой пластинке следует определять по формуле
где i- коэффициент, принимаемый равным 1,0 при и 2,0 при 0,7 > µ > 0,4;
- коэффициент упругого защемления, принимаемый по табл. 11 для элементов, объединенных с железобетонной плитой, и для балок с болтовыми соединениями, по табл. 12 - для сварных балок.
Таблица 11
Приведенное критическое поперечное нормальное напряжение _y,cr,ef при воздействии сосредоточенной нагрузки, когда действующие напряжения определяются по формуле (6), следует вычислять по формуле (15) с умножением на коэффициент 1,55; если при этом а > 2h_1+ 2l_ef, то надлежит принимать
.
Приведенное критическое поперечное нормальное напряжение _y,cr,ef во второй пластинке следует определять по формуле (12), при этом следует принимать:
= 1; z - по табл. 8;
- по табл. 6 при ро = 0,35.
5.3. Приведенное критическое касательное напряжение _xy,cr,ef следует определять по формуле (13), при этом для первой пластинки вместо коэффициента защемления должен быть принят коэффициент
, для второй пластинки -
= 1.
6. Расчет по устойчивости пластинок стенки сплошных изгибаемых элементов, имеющих поперечные ребра и несколько продольных ребер жесткости, следует выполнять:
первой пластинки - между сжатым поясом и ближайшим ребром - по формуле (14) и формулам (11), (15) и (13) для _x,cr,ef,
_y,cr,ef,
_xy,cr,ef соответственно;
для последующих сжатых пластинок - по формулам для первой пластинки, принимая коэффициент защемления = 1;
для сжато-растянутой пластинки - по формуле (10), принимая _1 = 1, и формулам (11), (15) и (13) для
_x,cr,ef,
_y,cr,ef,
_xy,cr,ef как для второй пластинки по п. 5.
Расчет по устойчивости пластинки растянутой зоны стенки следует выполнять по формуле
_y,cr,
_xy,cr - критические поперечное нормальное и касательное напряжения, определяемые по
_y,cr,ef и
_xy,cr,ef согласно указаниям п. 4, при этом приведенное критическое поперечное нормальное напряжение sy,cr,ef следует определять по формуле
где - коэффициент, принимаемый по табл. 13.
Таблица 13
Примечание. а и h_ef следует определять по п. 1.
Приведенное критическое касательное напряжение _xy,cr,ef следует определять:
для пластинки, примыкающей к растянутому поясу, - по формуле
для промежуточной растянутой пластинки - по формуле
где d- меньшая сторона отсека (а или h_ef);
µ_1 - коэффициент, принимаемый равным µ при а > h_ef и 1/µ при а < h_ef .
7. Расчет по устойчивости пластинок стенки сплошных сжато-изгибаемых элементов (балки жесткости пролетного строения распорной системы, арки или пилона) при сжатии сечения по всей высоте следует выполнять по формуле
где _х - максимальное продольное нормальное напряжение на границе пластинки от продольной силы N и изгибающего момента М_m, принимаемого в соответствии с п. 2;
_1 - коэффициент, определяемый по табл. 2;
_y,
_x - поперечное нормальное и среднее касательное напряжения, определяемые согласно п. 2;
_x,cr,
_y,cr,
_xy,cr - критические напряжения, определяемые по
_x,cr,ef,
_y,cr,ef,
_xy,cr,ef согласно указаниям п. 4.
При действии на части высоты сечения растягивающих напряжений расчет следует выполнять как для стенки сплошных изгибаемых элементов (см. пп. 4-6).
ПРИЛОЖЕНИЕ 17*
Обязательное
КОЭФФИЦИЕНТЫ ДЛЯ РАСЧЕТА НА ВЫНОСЛИВОСТЬ
Таблица 1*
Эффективные коэффициенты концентрации напряжений для расчета стальных конструкций мостов на выносливость
Примечания: 1. m_f - коэффициент, учитывающий влияние сдвигов по контактам соединяемых элементов и принимаемый по табл. 3 в зависимости от числа поперечных рядов болтов n в соединении.
2. Параметр n определяется:
числом поперечных рядов болтов в прикреплении данного элемента к фасонке или стыковой накладке, когда этот элемент обрывается в данном узле (п. 3, г, д, е);
общим числом поперечных рядов болтов в прикреплении фасонки к непрерывному элементу (п. 3, в).
Черт. 1. Расположение проверяемого на выносливость расчетного сечения А-А по основному металлу в сечениях нетто по соединительным болтам составных элементов, а также у свободного отверстия
Черт. 2. Расположение проверяемого на выносливость расчетного сечения А-А по основному металлу в сечениях нетто у отверстия с поставленным в него высокопрочным болтом, затянутым на нормативное усилие
Черт. 3. Расположение проверяемого на выносливость расчетного сечения А-А по основному металлу в сечении брутто по первому ряду высокопрочных болтов в прикреплении фасонки к нестыкуемым в данном узле поясам сплошных балок и элементам решетчатых форм
Черт. 4. Расположение проверяемого на выносливость расчетного сечения А-А по основному металлу в сечении брутто по первому ряду высокопрочных болтов в прикреплении к узлу или в стыке двухстенчатых элементов
Черт. 5. Расположение проверяемого на выносливость расчетного сечения А-А по основному металлу в сечении брутто по первому ряду высокопрочных болтов в прикреплении к узлу или в стыке двухстенчатых элементов с односторонними накладками
Черт. 6. Расположение проверяемого на выносливость расчетного сечения А-А по основному металлу в сечении брутто по первому ряду высокопрочных болтов в прикреплении к узлу или в стыке одностенчатых элементов с односторонними накладками
Таблица 2
Эффективные коэффициенты концентрации напряжений для расчета на выносливость стальных канатов висячих, вантовых и предварительно напряженных стальных пролетных строений
N - усилие в канате, МН (тс);
r - радиус, м (см), кривой изгиба каната в отклоняющем устройстве
Таблица 3*
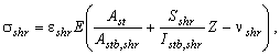
РАСЧЕТ ОРТОТРОПНОЙ ПЛИТЫ ПРОЕЗЖЕЙ ЧАСТИ ПО ПРОЧНОСТИ И УСТОЙЧИВОСТИ
1. Метод расчета ортотропной плиты должен учитывать совместную работу листа настила, подкрепляющих его ребер и главных балок.
2. Ортотропную плиту допускается условно разделять на отдельные системы - продольные и поперечные ребра с соответствующими участками листа настила (см. чертеж).
Коробчатое пролетное строение
а - продольный разрез; б - план; в - поперечный разрез; г - ребро нижней плиты; 1, 2, 3, ... i - номер поперечного ребра верхней плиты усилия в ортотропной плите при работе на изгиб между главными балками
3. Изгибающие моменты в продольных ребрах ортотропной плиты следует определять по формуле
M_1 - изгибающий момент в отдельном продольном ребре полного сечения, включающего прилегающие участки листа настила общей шириной, равной расстоянию а между продольными ребрами (см. чертеж, в), рассматриваемом как неразрезная балка на жестких опорах; момент определяется от нагрузки, расположенной непосредственно над этим ребром;
М - изгибающий момент в опорном сечении продольного ребра при изгибе ортотропной плиты между главными балками, определяемый при загружении поверхности влияния нагрузкой, прикладываемой в узлах пересечения продольных и поперечных ребер.
Нагрузку, передаваемую с продольных ребер на узлы пересечения с поперечными ребрами, следует определять с помощью линии влияния опорной реакции неразрезной многопролетной балки на жестких опорах.
В пределах крайних третей ширины ортотропной плиты автопроезда и в ортотропной плите однопутных железнодорожных пролетных строений с ездой поверху следует принимать М = 0.
Ординаты поверхности влияния для вычисления изгибающего момента М в опорном сечении продольного ребра над "средним" поперечным ребром l (см. чертеж, а) следует определять по формуле
где M_1i - принимаемые по табл. 1 (с умножением на l) ординаты линии влияния изгибающего момента в опорном сечении продольного ребра над "средним" поперечным ребром l при расположении нагрузки над поперечным ребром i;
l - пролет продольного ребра (см. чертеж, б);
L - пролет поперечного ребра (см. чертеж, в);
u - координата положения нагрузки от начала поперечного ребра.
Таблица 1
z - параметр, характеризующий изгибную жесткость ортотропной плиты и определяемый по формуле
где I_sl - момент инерции полного сечения продольного ребра относительно горизонтальной оси (см. чертеж в);
a - расстояние между продольными ребрами;
I_s- момент инерции полного поперечного ребра - с прилегающим участком настила шириной 0,2 L, но не более l - относительно горизонтальной оси х_1 (см. чертеж, а).
Примечание. В табл. 1 принята следующая нумерация поперечных ребер i: ребра 2-6 расположены на расстоянии l одно от другого в каждую сторону от "среднего" поперечного ребра 1 (см. чертеж, a).
4. В железнодорожных пролетных строениях лист настила ортотропной плиты проезжей части следует рассчитывать на изгиб, при этом прогиб листа настила не проверяется.
При устройстве пути на балласте наибольшие значения изгибающих моментов в листе настила над продольными ребрами следует определять по формулам:
в зоне под рельсом
в зоне по оси пролетного строения
где - нагрузка на единицу длины, принимаемая по п. 2 обязательного приложения 5*.
РАСЧЕТ ЭЛЕМЕНТОВ ОРТОТРОПНОЙ ПЛИТЫ ПО ПРОЧНОСТИ
5. Для проверки прочности элементов ортотропной плиты необходимо получить в результате расчетов в предположении упругих деформаций, стали в сечениях I, II, III и точках А, В, С, А_1, В_1, D_1, указанных на чертеже, нормальные напряжения в листе настила, продольных и поперечных ребрах, а также касательные напряжения в листе настила, от изгиба ортотропной плиты между главными балками _xp,
_yp и
_xyp и совместной работы ее с главными балками пролетного строения
_xc,
_yc и
_xyc.
6. Проверку прочности растянутого при изгибе ортотропной плиты крайнего нижнего волокна продольного ребра следует выполнять в зоне отрицательных моментов неразрезных главных балок в сечении I-I посредине пролета l среднего продольного ребра (см. чертеж, а - точка A) по формулам:
где R_y, R_yn - расчетное и нормативное сопротивления металла продольного ребра;
m - коэффициент условий работы, принимаемый по табл. 60*;
m_1, m_2 - коэффициенты условий работы; для автодорожных и городских мостов, а также для автодорожного проезда совмещенных мостов их следует принимать по табл. 2*; для железнодорожных и пешеходных мостов, а также для железнодорожного проезда совмещенных мостов m_1 = 1 / ; при этом проверка по формуле (6) не выполняется;
- коэффициент влияния собственных остаточных напряжений, принимаемый
_1 = 0,9 - для крайнего нижнего волокна продольного ребра, выполненного из полосы, прокатного уголка или прокатного тавра, и
_1= 1,1 - для продольного ребра в виде сварного тавра;
,
- коэффициенты, определяемые по пп. 4.28* и 4.26*.
Таблица 2*
Примечание. Коэффициенты m_1 и m_2 для промежуточных значений _xc/
_xp следует определять линейной интерполяцией.
7. Проверку прочности сжатого при местном изгибе ортотропной плиты крайнего нижнего волокна продольного ребра следует выполнять в зоне положительных моментов неразрезных главных балок в опорном сечении II-III среднего продольного ребра (см. чертеж а - точка В) по формуле
где ,
- коэффициенты, определяемые по пп. 4.28* и 4.26*;
_2 - коэффициент влияния собственных остаточных напряжений, принимаемый
_2 = 1,1 - для крайнего нижнего волокна ребра, выполненного из полосы, прокатного уголка или прокатного тавра, и
_2= 0,9 - для ребра в виде сварного тавра;
m - коэффициент условий работы, принимаемый по табл. 60*.
8. Проверку прочности крайнего нижнего волокна поперечной балки следует выполнять в сечении III-III посредине ее пролета (см. чертеж в - точка С) по формуле
где - коэффициент, определяемый по формулам (143) и (144);
m - коэффициент условий работы, принимаемый по табл. 60*.
9. Расчет по прочности листа настила следует выполнять в точках А_1, В_1, D_1 (см. чертеж б) по формулам:
_xy =
_xyc +
_xyp ;
m - коэффициент условий работы, принимаемый по табл. 60*;
m_3 - коэффициент, равный 1,15 при _y = 0 или 1,10 при
_y
0;
m_4 - коэффициент условий работы, принимаемый равным 1,05 - при проверке прочности листа настила в точке A_1 ортотропной плиты автодорожных и городских мостов и 1,0 - во всех остальных случаях.
При выполнении данной проверки допускается принимать в качестве расчетных загружения, при которых достигает максимального значения одно из действующих в данной точке ортотропной плиты напряжений _x,
_y или
_xy.
РАСЧЕТ ЭЛЕМЕНТОВ ОРТОТРОПНОЙ ПЛИТЫ ПО УСТОЙЧИВОСТИ
10. Местная устойчивость листа настила между продольными ребрами, продольных полосовых ребер, свесов поясов тавровых продольных и поперечных ребер должна быть обеспечена согласно пп. 4.45* и 4.47, а стенки тавровых ребер - согласно обязательному приложению 16*. При этом следует выбирать наиболее невыгодную комбинацию напряжений от изгиба ортотропной плиты между главными балками и совместной ее работы с главными балками пролетного строения.
11. Общая устойчивость листа настила, подкрепленного продольными ребрами, должна быть обеспечена поперечными ребрами.
Момент инерции поперечных ребер J_s (см. п. 3) сжатой (сжато-изогнутой) ортотропной плиты следует определять по формуле
где - коэффициент, определяемый по табл. 2, а*;
- коэффициент, принимаемый равным: 0,055 при k = 1; 0,15 при k = 2; 0,20 при k
3;
k - число продольных ребер рассчитываемой ортотропной плиты;
L - расстояние между стенками главных балок или центрами узлов геометрически неизменяемых поперечных связей;
l - расстояние между поперечными ребрами;
J_sl - момент инерции полного сечения продольного ребра (см. п. 3);
_xc- действующие напряжения в листе настила от совместной работы ортотропной плиты с главными балками пролетного строения, вычисленные в предположении упругих деформаций стали;
_x,cr,ef - напряжение, вычисленное по табл. 68* по значению
_x,cr =
_xc.
Таблица 2а*
Допускается также определять _x,cr,ef по следующей формуле
Примечание. Коэффициент определяется по формуле
, где
_0 следует находить по табл. 3* п. 12 при l_ef = l.
Для сжатой ортотропной плиты, не воспринимающей местной нагрузки, в формуле (11)* коэффициент a следует принимать равным 2,025, что обеспечивает равенство расчетной длины l_ef продольных ребер расстоянию между поперечными ребрами l.
12*. Расчет по общей устойчивости ортотропной плиты в целом (сжатой и сжато-изогнутой) при обеспечении условия (11)* следует выполнять по формуле
_0 - коэффициент продольного изгиба, принимаемый по табл. 3* в зависимости от гибкости
_0;
m - коэффициент условий работы, принимаемый по табл. 60* п. 4.19*.
Таблица 3*
Гибкость следует определять по формуле
где l_ef - расчетная (свободная) длина продольных ребер, определяемая из выражения . Коэффициент
находят из табл. 2а* по значению
a - расстояние между продольными ребрами;
l_h - толщина листа настила;
- коэффициент, принимаемый равным 1,0 -для ортотропной плиты нижнего пояса и по табл. 4* - для плиты верхнего пояса коробчатых главных балок;
A - площадь полного сечения продольного ребра;
- (здесь J_t - момент инерции полного сечения продольного ребра при чистом кручении).
Таблица 4*
f - прогиб продольного ребра между поперечными ребрами;
i - радиус инерции полного сечения продольного ребра.
Сжато-изогнутую ортотропную плиту железнодорожных мостов на общую устойчивость следует проверять по формуле (167), принимая гибкость по формуле (13)* при = 1,0.
13. Тавровые продольные ребра (см. чертежи, в, г) сжатой ортотропной плиты нижнего пояса коробчатых главных балок при изгибно-крутильной форме потери устойчивости следует рассчитывать по формуле (12)*, принимая коэффициент продольного изгиба _0 в зависимости от гибкости
_1.
Гибкость _1 следует определять по формуле
где I_p= I_y + I_z + A (h_w - e)(2) ;
l - см. п. 3;
h_w - высота стенки ребра толщиной t_w (см. чертеж, г);
е - расстояние от центра тяжести полки шириной b_f, толщиной t_f до центра тяжести таврового продольного ребра (см. чертеж, г);
I_y, I_z - соответственно момент инерции сечения таврового продольного ребра относительно горизонтальной оси у и вертикальной оси z;
Для обеспечения местной устойчивости элементов таврового сечения продольного ребра толщина полки и стенки должна удовлетворять требованиям п. 4.45*:
при b_f > 0,3 h_w продольное ребро полного сечения следует считать двутавром, при b_f = 0 - тавром;
при 0 < b_f 0,3 h_w требования к толщине стенки определяются по линейной интерполяции между нормами для двутавра и тавра (b_f = 0).
ПРИЛОЖЕНИЕ 19
Обязательное
УЧЕТ ПОЛЗУЧЕСТИ, ВИБРОПОЛЗУЧЕСТИ БЕТОНА И ОБЖАТИЯ ПОПЕРЕЧНЫХ ШВОВ В СТАЛЕЖЕЛЕЗОБЕТОННЫХ КОНСТРУКЦИЯХ
1. При учете ползучести бетона в статически определимых конструкциях необходимо определить уравновешенные в пределах поперечного сечения (далее - внутренние) напряжения и соответствующие деформации.
Эпюры относительных деформаций и внутренних напряжений от ползучести бетона
Для конструкции, состоящей из стальной балки со сплошной стенкой и объединенной с ней в уровне проезда железобетонной плиты (см. чертеж), внутренние напряжения от ползучести бетона в общем случае надлежит определять по следующим формулам:
на уровне центра тяжести бетонной части сечения (растяжение)
в крайней фибре нижнего пояса стальной балки (растяжение или сжатие)
в крайней фибре верхнего пояса стальной балки (сжатие)
в стержнях крайнего ряда ненапрягаемой арматуры плиты при Е_r = E_rs = E_st (сжатие)
потери предварительного напряжения напрягаемой арматуры (сжатие)
в крайней фибре бетона (растяжение)
Относительные деформации от ползучести бетона в уровне центра тяжести его сечения (см. чертеж) надлежит вычислять по следующим формулам:
относительные деформации, отвечающие напряжениям в стальной части сечения,
относительные деформации, отвечающие напряжениям в бетонной части сечения,
,
,
- параметры, связанные с податливостью бетонной и стальной частей сечения и определяемые из выражений:
j_kr = _f E_b c_n - предельная характеристика ползучести бетона;
_f- принимается по табл. 8.
c_n - нормативная деформация ползучести бетона, определяемая по п. 3.15 и обязательному приложению 11*, при уточнении с учетом указаний обязательного приложения 13*;
_bl,
_bf,l - начальное напряжение сжатия соответственно на уровне центра тяжести сечения и в крайней фибре бетона от постоянных нагрузок и воздействий;
_sbf,kr - условное напряжение в уровне крайней фибры бетона, определяемое из выражения
A_st, I_st, W_s1,st, W_s2,st, W_rf,st - соответственно площадь, момент инерции, моменты сопротивления нижнего и верхнего поясов балки и крайнего ряда арматуры брутто стальной части сечения, включая арматуру;
- коэффициент приведения по п. 5.16.
Остальные обозначения соответствуют пп. 5.5, 5.19* и чертежу.
2. Ползучесть бетона допускается учитывать введением в расчет условного модуля упругости бетона E_ef,kr, если в статически определимой конструкции все постоянные нагрузки, вызывающие напряжение в бетоне, прикладываются в одной стадии и при одной и той же схеме работы. Модуль Е_ef,kr следует определять по формуле
Внутренние напряжения от ползучести бетона для i-й фибры сечения следует вычислять по формуле
где _i,ef,
_i - напряжения от постоянных нагрузок, полученные при модуле упругости бетона соответственно Е_ef,kr и E_b.
3. При учете ползучести бетона в статически неопределимых конструкциях необходимо определить внутренние напряжения и внешние силовые факторы (опорные реакции, изгибающие моменты и пр.), а также соответствующие деформации.
Внутренние напряжения и внешние силовые факторы допускается вычислять методом последовательных приближений, принимая усилия _b,kr A_b в центре тяжести бетонной части сечения за нагрузки (здесь
_b,kr и А_b принимаются по п. 1).
При этом, выполняя расчет методом сил, бетонную часть сечения надлежит учитывать следующим образом: с модулем Е_ef,kr (см. п. 2) - при определении основных и побочных перемещений; с модулем Е_b -при определении напряжений в центре тяжести бетона от внешних силовых факторов, вызванных ползучестью. Выраженные через _kr значения предельной характеристики ползучести, используемые для определения
_b,kr и Е_ef,kr при последовательных приближениях, приведены в таблице.
4. Прогибы конструкции от ползучести бетона следует определять, рассматривая стальную часть сечения под действием сил _kr A_b , приложенных в уровне центра тяжести сечения бетона. Для статически определимых конструкций имеет место равенство
_kr =
_b,kr ; для статически неопределимых систем
_kr равно сумме внутренних напряжений и напряжений от внешних силовых факторов, вызванных ползучестью.
5. Деформации обжатия замоноличенных бетоном поперечных швов сборной железобетонной плиты необходимо учитывать в расчетах, если продольная арматура плиты не состыкована в швах и при этом плита не имеет предварительного напряжения в продольном направлении.
Деформации обжатия поперечных швов следует учитывать введением в выражения для ,
, Е_ef,kr (см. пп. 1 и 2) обобщенной характеристики ползучести бетона и обжатия поперечных швов
_kr,d , определяемой по формуле
где L- длина сжатой постоянными нагрузками и воздействиями железобетонной плиты;
_d - суммарная деформация обжатия поперечных швов, расположенных на длине L;
_kr- принимается по п. 1;
Е_b, R_b - принимаются по пп. 3.24* и 3.32*.
При отсутствии опытных данных величину _d, см, допускается вычислять по формуле
где b_d - ширина шва (зазор между торцами сборных плит).
6. Учет виброползучести бетона следует выполнять введением в расчет условного модуля упругости бетона Е_nkr , вычисляемого по п. 2 с заменой _kr на
_nkr , определяемой по формуле
где - характеристика цикла начальных напряжений в бетоне, определенных без учета виброползучести и ползучести;
_kr, c_n - принимаются по п. 1.
ПРИЛОЖЕНИЕ 20
Обязательное
ОПРЕДЕЛЕНИЕ НАПРЯЖЕНИЙ В СТАЛЕЖЕЛЕЗОБЕТОННЫХ БАЛКАХ ОТ УСАДКИ БЕТОНА И ТЕМПЕРАТУРНЫХ ВОЗДЕЙСТВИЙ
1. Напряжения в стали и бетоне для статически определимой конструкции, состоящей из стальной балки со сплошной стенкой и объединенной с ней в уровне проезда железобетонной плиты, надлежит определять по формулам:
а) от усадки бетона
A_stb,shr, I_stb,shr - приведенные к стали площадь и момент инерции брутто поперечного сечения сталежелезобетонной балки при модуле упругости бетона E_ef,shr , определяемом по п. 5.9;
А_st- площадь стальной части сечения, включая арматуру железобетонной плиты;
S_shr = A_st Z_st,stb ;
Z_st,stb - расстояние от центра тяжести А_stb,shr до центра тяжести A_st;
Z - расстояние от центра тяжести А_stb,shr до фибры, где определяется _shr (положительное направление оси Z принято вниз);
_shr = 0,
_shr = 1 - при определении напряжений соответственно в бетоне и в стали;
Е - следует принимать равным при определении напряжений:
в бетоне - Е_ef,shr;
в стальной балке - Е_st ;
в ненапрягаемой арматуре - Е_rs ;
в напрягаемой арматуре - Е_rp ;
_shr- предельная относительная деформация усадки бетона, принимаемая по п. 5.9;
б) от температурных воздействий
где = 1·10(-5)град(-1) - коэффициент линейного расширения стали и бетона;
t_max = _f t_n,max ;
_f- принимается по табл. 17*;
t_n,max - принимается по п. 5.10;
Е - равно Е_b, Е_st, Е_rs, Е_rp при определении напряжений соответственно в бетоне, стальной балке, ненапрягаемой и напрягаемой арматуре;
А_stb,t, I_stb,t - приведенные к стали площадь и момент инерции брутто поперечного сечения сталежелезобетонной балки;
Z - расстояние от центра тяжести А_stb,t до фибры, где определяется _t.
В случаях повышения или понижения температуры стальной части конструкции в формуле (2) следует принимать:
где A_wt - площадь стальных вертикальных элементов (стенки, вертикальных полок поясных уголков, ламелей);
А_sl,t - площадь стальных горизонтальных элементов нижнего пояса.
В случае повышения температуры железобетонной плиты в формуле (2) следует принимать:
где b_sl, t_sl, см, принимаются по п. 5.15.
Величины _ti и
_ti', относящиеся к i-й точке сечения, в которой определяются напряжения, следует принимать по п. 5.10.
Остальные обозначения, принятые в формулах (3)-(6), соответствуют п. 5.5 и черт. 14.
2. При расчете статически неопределимых систем на температурные воздействия и усадку бетона геометрические характеристики сечения следует принимать по п. 1.
ПРИЛОЖЕНИЕ 21
Обязательное
РАСПРЕДЕЛЕНИЕ СДВИГАЮЩИХ УСИЛИЙ ПО ШВУ ОБЪЕДИНЕНИЯ ЖЕЛЕЗОБЕТОННОЙ ПЛИТЫ И СТАЛЬНОЙ КОНСТРУКЦИИ В СЛОЖНЫХ СЛУЧАЯХ ВОЗДЕЙСТВИЙ
1. Распределение концевого сдвигающего усилия S_eN следует принимать по несимметричной треугольной эпюре с длиной основания a_e (см. чертеж).
Условные обозначения:
____________ максимальные значения;
__ __ __ __ __ минимальные -"-
Эпюры погонных сдвигающих сил между железобетонной и стальной частями I, II, III, IV - расчетная длина участков ai
При этом:
где S_lN' , S_lN - интенсивность погонных сдвигающих сил в соответствии с чертежом;
S_eN, a_e - принимаются по пп. 5.28 и 5.29.
2. При распределении околоопорного сдвигающего усилия от поперечных сил S_pQ следует принимать, что интенсивность соответствующих погонных сдвигающих сил изменяется в обе стороны по прямолинейной эпюре от середины длины околоопорного участка (см. чертеж); при этом ордината в середине околоопорного участка равна:
3. Распределение местных сосредоточенных сдвигающих усилий (от заанкеривания высокопрочной арматуры, примыкания ванты или раскоса и т.д.) S_cN в удаленных от конца плиты зонах следует принимать по симметричной треугольной эпюре с длиной основания 2ae (см. чертеж).
4. При определении сдвигающих усилий длины расчетных участков следует принимать (см. чертеж): I = 0,18 (H + b_sl), II = 0,36 (H + b_sl) - для концевых участков и в местах приложения сосредоточенных сил, а также в местах, примыкающих к указанному участку; III 0,8 (H + b_sl); IV
1,6 (Н + b_sl) - на остальной длине пролетного строения соответственно в крайней и средней четвертях пролета.
ПРИЛОЖЕНИЕ 22
Обязательное
РАСЧЕТЫ ПО ПРОЧНОСТИ ОБЪЕДИНЕНИЯ ЖЕЛЕЗОБЕТОНА И СТАЛИ ГИБКИМИ УПОРАМИ И АНКЕРАМИ
1. Сдвигающее усилие S_h, приходящееся на один гибкий упор, должно отвечать следующим условиям прочности:
для гибких упоров в виде прокатных швеллеров,
двутавров, уголков без подкрепляющих ребер
для гибких упоров в виде круглых стержней при 2,5 < l/d 4,2
для гибких упоров в виде круглых стержней при l/d > 4,2
Для гибких упоров в виде круглых стержней должно быть, кроме того, выполнено условие
t_fr - сумма радиуса закругления и наибольшей толщины полки прокатного профиля, см;
t_w - толщина стенки прокатного профиля, см;
l - длина круглого стержня гибкого упора, см;
d - диаметр стержня гибкого упора или анкера, см;
b_dr- ширина площади смятия бетона упором, см;
R_b, R_y , m - принимаются согласно п. 5.19*.
2. Сдвигающее усилие, приходящееся на один наклонный анкер из арматурной стали круглого сечения (гладкого или периодического профиля) или на одну ветвь петлевого анкера, должно отвечать следующим условиям:
где A_an - площадь поперечного сечения стержня анкера или ветви анкера, см2;
- угол наклона анкера к поверхности стальной конструкции.
Для анкеров, разведенных в плане, в формулы (5) и (6) вместо cos a следует подставлять произведение cos cos
, где
- угол между горизонтальной проекцией анкера и направлением действия сдвигающей силы.
Сдвигающее усилие, воспринимаемое сжатыми наклонными анкерами, не должно превышать 25 % полного сдвигающего усилия, действующего на рассчитываемом участке.
3. При объединении железобетонной части со стальной с помощью наклонных анкеров из полосовой стали толщиной t_an от 8 до 20 мм и шириной от 20 до 80 мм сдвигающее усилие S_h, приходящееся на один анкер или одну ветвь петлевого анкера, следует проверять по формуле (5), заменяя d(2) выражением (где t_an - в см), и по формуле (6).
4. Если наклонные или вертикальные анкеры находятся в высоком железобетонном ребре и используются для воспринятия в нем главных растягивающих напряжений, растягивающие усилия в наклонных анкерах следует определять как в арматурных отгибах обычного железобетона, а в вертикальных анкерах - аналогично усилиям в хомутах обычного железобетона. Допускается достаточность сечения анкера для воспринятия этого растягивающего усилия и сдвигающей силы между железобетоном и сталью проверять независимо и усилия не суммировать.
ПРИЛОЖЕНИЕ 23
Обязательное
РАСЧЕТЫ ПО ПРОЧНОСТИ ОБЪЕДИНЕНИЯ ЖЕЛЕЗОБЕТОНА И СТАЛИ ВЫСОКОПРОЧНЫМИ БОЛТАМИ, ОБЖИМАЮЩИМИ ЖЕЛЕЗОБЕТОН
1. Усилие натяжения высокопрочного болта следует определять по формуле
где N_hb,n - контролируемое усилие натяжения болта;
N - потери усилий натяжения от усадки и ползучести бетона плиты и слоя раствора под плитой.
При конструкции болтового объединения по чертежу потери допускается определять по формуле
где t 50 см - суммарная толщина плиты и слоя раствора по оси отверстия.
2. Во фрикционном соединении железобетонной плиты со стальным поясом (через слой цементно-песчаного раствора или при непосредственном контакте) при условии очистки пояса сдвигающее усилие, приходящееся на один высокопрочный болт, должно отвечать условию
где N_hb - усилие натяжения высокопрочного болта, принимаемое по п. 1;
k = 1,3 - коэффициент безопасности;
f - коэффициент трения, принимаемый равным:
0,60 - при омоноличивании шва цементно-песчаным раствором или при плите из монолитного железобетона;
0,45 - при непосредственном контакте сборного железобетона со сталью.
Конструкция болтового объединения
1 - высокопрочный болт диаметром 22 или 24 мм; 2 - отверстие в бетоне диаметром 50 мм; 3 - арматурный каркас из стержней периодического профиля диаметром 10 мм; 4 - распределительная подкладка размерами 100 х 100 х 16 для болтов 22 мм и 100 х 100 х 20 для болтов 24 мм
ПРИЛОЖЕНИЕ 24
Обязательное
РАСЧЕТНОЕ СОПРОТИВЛЕНИЕ ГРУНТОВ ОСНОВАНИЯ ОСЕВОМУ СЖАТИЮ
1. Расчетное сопротивление основания из нескального грунта осевому сжатию R, кПа (тс/м2), под подошвой фундамента мелкого заложения или фундамента из опускного колодца следует определять по формуле
где R_0- условное сопротивление грунта, кПа (тс/м2), принимаемое по табл. 1-3;
b - ширина (меньшая сторона или диаметр) подошвы фундамента, м; при ширине более 6 м принимается b = 6 м;
d - глубина заложения фундамента, м, принимаемая по п. 2;
- осредненное по слоям расчетное значение удельного веса грунта, расположенного выше подошвы фундамента, вычисленное без учета взвешивающего действия воды; допускается принимать
= 19,62 кН/м3(2 тс/м3);
k_1, k_2 - коэффициенты, принимаемые по табл. 4.
Таблица 1
Примечания: 1. Для промежуточных значений I_L и e R_0 определяется по интерполяции.
2. При значениях числа пластичности I_p в пределах 5-10 и 15-20 следует принимать средние значения R_0, приведенные в табл. 1 соответственно для супесей, суглинков и глин.
Таблица 2
Примечание. Для плотных песков приведенные значения R_0 следует увеличивать на 100 %, если их плотность определена статическим зондированием, и на 60%, если их плотность определена по результатам лабораторных испытаний грунтов.
Таблица 3
Примечание. Приведенные в табл. 3 условные сопротивления R_0 даны для крупнообломочных грунтов с песчаным заполнителем. Если в крупнообломочном грунте содержится свыше 40 % глинистого заполнителя, то значения R_0 для такого грунта должны приниматься по табл. 1 в зависимости от I_p, I_L и е заполнителя.
Таблица 4
Величину условного сопротивления R_0 для твердых супесей, суглинков и глин (I_L < 0) следует определять по формуле
R_0 = 1,5 R_nc
и принимать, кПа (тс/м2): для супесей - не более 981 (100); для суглинков - 1962 (200); для глин - 2943 (300),
где R_nc- предел прочности на одноосное сжатие образцов глинистого грунта природной влажности.
Расчетное сопротивление осевому сжатию оснований из невыветрелых скальных грунтов R, кПа (тс/м2), следует определять по формуле
где _g - коэффициент надежности по грунту, принимаемый равным 1,4;
R_c - предел прочности на одноосное сжатие образцов скального грунта, кПа (тс/м2).
Если основания состоят из однородных по глубине слабовыветрелых, выветрелых или сильновыветрелых скальных грунтов, их расчетное сопротивление осевому сжатию следует определять, пользуясь результатами статических испытаний грунтов штампом. При отсутствии таких результатов допускается значение R принимать для слабовыветрелых и выветрелых скальных грунтов - по формуле (2), принимая значение R_сс понижающим коэффициентом, равным соответственно 0,6 и 0,3; для сильновыветрелых скальных грунтов - по формуле (1) и табл. 3 как для крупнообломочных грунтов.
2. При определении расчетного сопротивления оснований из нескальных грунтов по формуле (1) заглубление фундамента мелкого заложения или фундамента из опускного колодца следует принимать:
а) для промежуточных опор мостов - от поверхности грунта у опоры на уровне срезки в пределах контура фундамента, а в русле рек - от дна водотока у опоры после понижения его уровня на глубину общего и половину местного размыва грунта при расчетном расходе (см. пп. 1.25* - 1.30);
б) для обсыпных устоев - от естественной поверхности грунта с увеличением на половину высоты конуса насыпи у передней грани фундамента по оси моста;
в) для труб замкнутого контура - от естественной поверхности грунта с увеличением на половину минимальной высоты насыпи у рассматриваемого звена;
г) для труб незамкнутого контура - от низа лотка или обреза фундамента.
3. Расчетные сопротивления, вычисленные по формуле (1) для глин или суглинков в основаниях фундаментов мостов, расположенных в пределах постоянных водотоков, следует повышать на величину, равную 14,7d_w, кПа (1,5d_w, тс/м2), где d_w - глубина воды, м, от наинизшего уровня межени до уровня, принимаемого по п. 2а.
ПРИЛОЖЕНИЕ 25*
Обязательное
МЕТОДИКА ПРОВЕРКИ НЕСУЩЕЙ СПОСОБНОСТИ ПО ГРУНТУ ФУНДАМЕНТА ИЗ СВАЙ ИЛИ ОПУСКНОГО КОЛОДЦА КАК УСЛОВНОГО ФУНДАМЕНТА МЕЛКОГО ЗАЛОЖЕНИЯ
Условный фундамент следует принимать в форме прямоугольного параллелепипеда. Его размеры для свайного фундамента с заглубленным в грунт ростверком необходимо определять по черт. 1 и 2, с расположенным над грунтом ростверком - по черт. 3 и 4, для фундамента из опускного колодца - по черт. 5.
Черт. 1. Условный свайный фундамент с ростверком, заглубленным в грунт при угле наклона свай менее jm/4
Черт. 2. Условный свайный фундамент с ростверком, заглубленным в грунт при угле наклона свай более jm/4
Черт. 3. Условный свайный фундамент с ростверком, расположенным над грунтом при угле наклона свай менее jm/4
Черт. 4. Условный свайный фундамент с ростверком, расположенным над грунтом при угле наклона свай более jm/4
Черт. 5. Условный фундамент из опускного колодца
а - без уступов; б - с уступами
Приведенное на черт. 1-5 среднее значение расчетных углов трения грунтов jm, прорезанных сваями, следует определять по формуле
где _i- расчетный угол внутреннего трения i-го слоя грунта, расположенного в пределах глубины погружения свай в грунт;
h_i - толщина этого слоя, м;
d - глубина погружения свай в грунт от подошвы ростверка или расчетной поверхности грунта, м, положение которой следует принимать согласно указаниям п. 7.10.
Несущую способность основания условного фундамента проверяют согласно п. 7.8*, при этом подлежащие проверке среднее р, кПа (тс/м2), и максимальное р_max, кПа (тс/м2), давления на грунт в сечении 3-4 по подошве условного фундамента (см. черт. 1-5) следует определять по формулам:
где N_c - нормальная составляющая давления условного фундамента на грунт основания, кН (тс), определяемая с учетом веса грунтового массива 1-2-3-4 вместе с заключенными в нем ростверком и сваями или опускным колодцем;
F_h, M_c - соответственно горизонтальная составляющая внешней нагрузки, кН (тс), и ее момент относительно главной оси горизонтального сечения условного фундамента в уровне расчетной поверхности грунта, кН·м (тc·м), принимаемой по указаниям п. 7.10;
d_1- глубина заложения условного фундамента по отношению к расчетной поверхности грунта, м (см. черт. 1-5);
a_c, b_c - размеры в плане условного фундамента в направлении, параллельном плоскости действия нагрузки и перпендикулярном ей, м;
k - коэффициент пропорциональности, определяющий нарастание с глубиной коэффициента постели грунта, расположенного выше подошвы фундамента, и принимаемый по таблице;
c_b - коэффициент постели грунта в уровне подошвы условного фундамента, кН/м3 (тс/м3), определяемый по формулам:
при d_1 10 м c_b = 10k, кН/м3(тс/м3);
при d_1 > 10 м с_b = k_d1.
МЕТОДИКА ПРОВЕРКИ НЕСУЩЕЙ СПОСОБНОСТИ ПОДСТИЛАЮЩЕГО СЛОЯ ГРУНТА
Проверку несущей способности подстилающего слоя грунта следует производить исходя из условия
где р - среднее давление на грунт, действующее под подошвой условного фундамента мелкого заложения, кПа (тс/м2);
- среднее (по слоям) значение расчетного удельного веса грунта, расположенного над кровлей проверяемого подстилающего слоя грунта; допускается принимать
= 19,62 кН/м3 (2 тс/м3);
d - заглубление подошвы фундамента мелкого заложения от расчетной поверхности грунта, м, принимаемое согласно обязательному приложению 24;
z_i - расстояние от подошвы фундамента до поверхности проверяемого подстилающего слоя грунта, м;
- коэффициент, принимаемый по таблице;
R - расчетное сопротивление подстилающего грунта, кПа (тс/м2), определяемое по формуле (1) обязательного приложения 24 для глубины расположения кровли проверяемого слоя грунта;
_n- коэффициент надежности по назначению сооружения, принимаемый равным 1,4.
Значение коэффициента принимается по таблице в зависимости от отношения z_i/b для круглого и от отношений z_i/b и a/b для прямоугольного в плане фундаментов. Здесь а - большая сторона прямоугольного в плане фундамента, b - меньшая его сторона или диаметр круглого в плане фундамента.
Проверку несущей способности подстилающего слоя грунта под фундаментом из свай или из опускного колодца следует производить как под условным фундаментом размерами, принимаемыми согласно обязательному приложению 25*.
МЕТОДИКА ОПРЕДЕЛЕНИЯ ДОПОЛНИТЕЛЬНЫХ ДАВЛЕНИЙ НА ОСНОВАНИЕ УСТОЯ ОТ ВЕСА ПРИМЫКАЮЩЕЙ ЧАСТИ ПОДХОДНОЙ НАСЫПИ
1. Дополнительное давление на грунты основания под задней гранью устоя (в уровне подошвы фундамента) от веса подходной насыпи (см. чертеж) р'_1, кПа (тс/м2), следует определять по формуле
Для обсыпного устоя дополнительное давление на грунты основания под передней гранью устоя от веса конуса устоя р_2', кПа (тс/м2), следует определять по формуле
Давления p_1 и р_2 следует определять суммированием по соответствующим граням фундамента давления от расчетных нагрузок с добавлением р'_1 и р'_2.
В формулах (1) и (2):
- расчетный удельный вес насыпного грунта, допускается принимать
= 17,7 кН/м3 (1,8тс/м3);
h_1 - высота насыпи, м;
h_2- высота конуса над передней гранью фундамента, м;
_1,
_2 - коэффициенты, принимаемые соответственно по табл. 1 и 2.
Дополнительные давления от веса подходной насыпи на грунты основания обсыпного устоя
1 - передняя грань; 2 - задняя грань
Таблица 1
Примечания: 1. Для промежуточных значений d, h_1 и a коэффициент _1 следует определять по интерполяции.
2. При расчете фундамент глубокого заложения рассматривается как условный, ограниченный контуром, принимаемым согласно обязательному приложению 25*.
Таблица 2
Примечание. Для промежуточных значений d и h_2 коэффициент _2 следует определять по интерполяции.
2. Относительный эксцентриситет равнодействующей нагрузок в уровне подошвы фундамента мелкого заложения следует определять по формуле
где a- длина подошвы фундамента, м (см. чертеж);
у - расстояние от главной центральной оси подошвы фундамента до более нагруженного ребра, м;
е_0, r - те же значения, что и в п. 7.7*.
ПРИЛОЖЕНИЕ 28*
Рекомендуемое
РАСЧЕТ ПРОЧНОСТИ КРУГЛЫХ СЕЧЕНИЙ ЖЕЛЕЗОБЕТОННЫХ ЭЛЕМЕНТОВ НА ВНЕЦЕНТРЕННОЕ СЖАТИЕ
Чертеж. Схема, принимаемая при расчете круглого сечения внецентренно сжатого элемента
Прочность внецентренно сжатых железобетонных элементов круглого сечения (см. чертеж) с ненапрягаемой арматурой, равномерно распределенной по окружности (при числе продольных стержней не менее 6), приводится из условия
где r- радиус поперечного сечения;
_cir - относительная площадь сжатой зоны бетона, определяемая следующим образом:
при выполнении условия
при невыполнении условия (2) -
из решения уравнения
_cir- угол в рад. (см. чертеж);
- коэффициент, учитывающий работу растянутой арматуры и принимаемый равным:
при выполнении условия (2)
= 1,6 (1 - 1,55
_cir)
_cir , но не более 1;
при невыполнении условия (2)
= 0;
А_s,tot - площадь сечения всей продольной арматуры;
r_s - радиус окружности, проходящей через центры тяжести стержневой продольной арматуры.
Эксцентриситет е_с определяется по пп. 3.52*- 3.54* и 3.70*.
Для бетона класса выше В30 значение R_b принимается как для бетона класса В30.
ОСНОВНЫЕ БУКВЕННЫЕ ОБОЗНАЧЕНИЯ ВЕЛИЧИН В РАЗДЕЛЕ 1 "ОСНОВНЫЕ ПОЛОЖЕНИЯ"
М_u- момент опрокидывающих сил;
М_z- момент удерживающих сил;
Q_r- сдвигающая сила;
Q_z- удерживающая сила;
l - расчетный пролет;
h - высота;
1 + µ - динамический коэффициент;
m - коэффициент условий работы;
_n- коэффициент надежности по назначению;
_f- коэффициент надежности по нагрузке.
В РАЗДЕЛЕ 2 "НАГРУЗКИ И ВОЗДЕЙСТВИЯ"
А - площадь;
P - сосредоточенная вертикальная нагрузка;
F_h - сосредоточенная горизонтальная поперечная сила;
М - момент силы;
G - вес одного автомобиля нагрузки АБ;
G - модуль сдвига;
S_f - сила сопротивления вследствие трения;
S_h - величина реактивного сопротивления резиновых опорных частей;
Т - период;
Р - интенсивность временной вертикальной нагрузки от пешеходов;
р_ - вертикальное давление от веса насыпи;
- интенсивность эквивалентной нагрузки от вертикального воздействия временной подвижной нагрузки;
_h- интенсивность горизонтальной распределенной нагрузки;
- линейная нагрузка при определении давления на звенья труб;
u - величина, определяющая интенсивность горизонтальной распределенной нагрузки;
q_0 - интенсивность скоростного напора ветра;
_n- нормативный удельный вес грунта;
_
b - удельный вес перевозимой породы;
_t- наибольшая установленная скорость;
- длина загружения линии влияния;
a - проекция наименьшего расстояния от вершины до конца линии влияния;
a - суммарная толщина слоев резины в опорных частях;
h, h_x - высота засыпки труб;
r - радиус;
- перемещение в опорных частях;
с - длина соприкасания колес нагрузки с проезжей частью;
_n- нормативный угол внутреннего трения грунта;
_n- предельная относительная деформация усадки бетона;
с_n- удельная деформация ползучести бетона;
t - температура;
t_n,T - максимальная положительная температура;
t_n,x - наименьшая отрицательная температура;
t_з- температура замыкания;
_t- отклонение температуры;
z - число опор моста в группе;
z - число устанавливаемых блоков;
- относительное положение вершины линии влияния;
- коэффициент линейного расширения;
- коэффициент сочетания нагрузок;
_f- коэффициент надежности по нагрузке;
с_ - коэффициент вертикального давления для звеньев труб;
1 + µ, 1 + 2/3 µ - динамические коэффициенты;
_n- коэффициент нормативного бокового давления;
с_w- аэродинамический коэффициент лобового сопротивления конструкции действию ветра;
k_n - коэффициент, учитывающий изменение скоростного напора ветра в зависимости от высоты;
- коэффициент, учитывающий отсутствие обращения особо тяжелого железнодорожного подвижного состава;
s_1 - коэффициент, учитывающий воздействие временной нагрузки с других путей (полос);
s_2- коэффициент, учитывающий в совмещенных мостах одновременно загружение проездов разного назначения;
µ_n- нормативная величина коэффициента трения;
µ_max, µ_min - максимальная и минимальная величины коэффициента трения.
В РАЗДЕЛЕ 3
"БЕТОННЫЕ И ЖЕЛЕЗОБЕТОННЫЕ КОНСТРУКЦИИ"
ХАРАКТЕРИСТИКИ МАТЕРИАЛОВ
Нормативные сопротивления бетона
R_bn - осевому сжатию;
R_btn - осевому растяжению.
Расчетные сопротивления бетона
при расчете по предельным состояниям первой группы
R_b - осевому сжатию;
R_bt - осевому растяжению;
при расчете по предельным состояниям второй группы
R_b,ser - осевому сжатию;
R_bt,ser - осевому растяжению при расчете предварительно напряженных элементов по образованию трещин;
R_b,mc1 - осевому сжатию при расчете на стойкость против образования продольных микротрещин (тс) при предварительном напряжении, транспортировании и монтаже;
R_b,mc2 - осевому сжатию при расчете под эксплуатационной нагрузкой по формулам сопротивления упругих материалов (расчет на совместное воздействие силовых факторов и неблагоприятных влияний внешней среды);
R_b,sh - скалыванию при изгибе.
Нормативные сопротивления арматуры растяжению
R_sn - ненапрягаемой;
R_pn - напрягаемой.
Расчетные сопротивления арматуры растяжению
R_s - ненапрягаемой;
R_p- напрягаемой;
R_sc- ненапрягаемой - сжатию;
R_pc- напрягаемой, расположенной в сжатой зоне.
Отношение модулей упругости
n_1 - принимаемые при расчете по прочности, а при напрягаемой арматуре также и при расчете на выносливость;
n' - то же, принимаемые при расчете на выносливость для элементов с ненапрягаемой арматурой.
А'_b- площадь сечения сжатой зоны бетона;
А_b- площадь сечения всего бетона;
А_red- площадь приведенного сечения элемента;
I_red- момент инерции приведенного сечения элемента относительно его центра тяжести;
W_red - момент сопротивления приведенного сечения элемента для крайнего растянутого волокна;
А_s, А_s' - площадь сечения ненапрягаемой растянутой и сжатой продольной арматуры;
А_p, А_p' - то же, напрягаемой арматуры;
µ - коэффициент армирования, определяемый как отношение площади сечения растянутой продольной арматуры к площади поперечного сечения без учета сжатых и растянутых свесов поясов;
b - ширина прямоугольного сечения, ширина стенки (ребра) таврового, двутаврового и коробчатого сечений;
b_f' - ширина пояса таврового, двутаврового и коробчатого сечений в сжатой зоне;
h - высота сечения;
h_f'- приведенная (включая вуты) высота сжатого пояса таврового, двутаврового и коробчатого сечений;
х - высота сжатой зоны бетона;
а_s, a_p - расстояние от центра тяжести растянутой соответственно ненапрягаемой и напрягаемой продольной арматуры до ближайшей грани сечения;
a_s', a_p' - то же, для сжатой арматуры;
e_c - эксцентриситет продольной силы N относительно центра тяжести приведенного сечения;
- коэффициент, учитывающий влияние поперечного изгиба при внецентренном сжатии (вводится к значению е_c), принимаемый согласно п. 3.54*;
e_0 - расчетное (с учетом коэффициента , вводимого к значению e_c) расстояние от продольной силы N до центра тяжести растянутой арматуры внецентренно сжатого сечения;
е, e' - расстояние от оси приложения продольной силы N до центра тяжести соответственно растянутой и сжатой арматуры внецентренно растянутого сечения;
i - радиус инерции поперечного сечения;
r - ядровое расстояние;
d - диаметр круглого элемента, номинальный диаметр арматурных стержней.
Напряжения в бетоне
_bt- растягивающее (с учетом потерь) напряжение в бетоне растянутой зоны предварительно напряженного элемента под временной нагрузкой;
_mt,
_mc - главные растягивающие и главные сжимающие напряжения;
_bx,
_by - нормальные напряжения в бетоне соответственно вдоль продольной оси и в направлении, нормальном к ней;
_b- касательные напряжения в бетоне.
Напряжения в арматуре
_s- напряжение в ненапрягаемой растянутой арматуре под нагрузкой;
_p- суммарное напряжение в напрягаемой арматуре растянутой зоны под нагрузкой;
_рс - вводимое в расчет остаточное напряжение в напрягаемой арматуре, расположенной в сжатой зоне;
_рс= R_pc -
_pcl ;
_pcl- расчетное напряжение (за вычетом всех потерь) в напрягаемой арматуре, расположенной в сжатой зоне.
В РАЗДЕЛЕ 4
"СТАЛЬНЫЕ КОНСТРУКЦИИ"
А_bn- площадь сечения болта нетто;
А_n- площадь сечения нетто;
А_f- площадь сечения полки (пояса);
А_w- площадь сечения стенки;
А_wf- площадь сечения по металлу углового шва;
А_wz- площадь сечения по металлу границы сплавления;
Е - модуль упругости;
F - сила;
G - модуль сдвига;
I_s - момент инерции сечения ребра;
I_sl- момент инерции сечения продольного ребра;
I_t - момент инерции кручения балки;
I_x, I_y - моменты инерции сечения брутто относительно осей соответственно х-х и у-у, здесь и далее ось х-х - горизонтальная, ось у-у - вертикальная;
I_xn, I_vn - то же, сечения нетто;
М - момент, изгибающий момент;
М_cr- критический изгибающий момент в пределах расчетной длины сжатого пояса балки, определяемый по теории тонкостенных упругих стержней для заданных условий закрепления и нагружения балки;
М_x, М_y - моменты относительно осей соответственно х-х и у-у;
N - продольная сила;
N_cr - критическая нормальная сила, определяемая по теории тонкостенных упругих стержней для заданных условий закрепления и нагружения элементов;
Q - поперечная сила, сила сдвига;
Q_fic - условная поперечная сила для соединительных элементов;
Q_s- условная поперечная сила, приходящаяся на систему планок, расположенных в одной плоскости;
R_ba - расчетное сопротивление растяжению фундаментных (анкерных) болтов;
R_bh - расчетное сопротивление растяжению высокопрочных болтов;
R_bp- расчетное сопротивление смятию болтовых соединений;
R_bs - расчетное сопротивление болтов срезу;
R_bt- расчетное сопротивление болтов растяжению;
R_bun - нормативное сопротивление стали болтов, принимаемое равным временному сопротивлению sb по государственным стандартам и техническим условиям на болты;
R_cd - расчетное сопротивление диаметральному сжатию катков (при свободном касании в конструкциях с ограниченной подвижностью);
R_dh - расчетное сопротивление растяжению высокопрочной проволоки или каната;
R_lp- расчетное сопротивление местному смятию в цилиндрических шарнирах (цапфах) при плотном касании;
R_p - расчетное сопротивление стали смятию торцевой поверхности (при наличии пригонки);
R_s- расчетное сопротивление стали сдвигу;
R_th - расчетное сопротивление стали растяжению в направлении толщины проката;
R_u- расчетное сопротивление стали растяжению, сжатию, изгибу по временному сопротивлению;
R_un- временное сопротивление стали разрыву, принимаемое равным минимальному значению sb по государственным стандартам и техническим условиям на сталь;
R_wf - расчетное сопротивление угловых швов срезу (условному) по металлу шва;
R_wu- расчетное сопротивление стыковых сварных соединений сжатию, растяжению, изгибу по временному сопротивлению;
R_wun - нормативное сопротивление металла шва по временному сопротивлению;
R_ws - расчетное сопротивление стыковых сварных соединений сдвигу;
R_wy - расчетное сопротивление стыковых сварных соединений сжатию, растяжению и изгибу по пределу текучести;
R_wz - расчетное сопротивление угловых швов срезу (условному) по металлу границы сплавления;
R_y - расчетное сопротивление стали растяжению, сжатию, изгибу по пределу текучести;
R_yn- предел текучести стали, принимаемый равным значению предела текучести sT по государственным стандартам и техническим условиям на сталь;
S - статический момент сдвигаемой части сечения брутто относительно нейтральной оси;
W_x, W_y - минимальные моменты сопротивления сечения брутто относительно осей соответственно х-х и у-у;
W_xn, W_yn - минимальные моменты сопротивления сечения нетто относительно осей соответственно х-х и у-у;
b - ширина;
b_ef- расчетная ширина;
b_f- ширина полки (пояса);
b_h- ширина выступающей части ребра, свеса;
е - эксцентриситет силы;
е_rel- относительный эксцентриситет (e_rel = eA/W_c);
е_ef- приведенный относительный эксцентриситет (е_ef = e_rel );
h - высота;
h_w - расчетная высота стенки (расстояние между осями поясов);
i - радиус инерции сечения;
I_min - наименьший радиус инерции сечения;
I_x, I_y - радиусы инерции сечения относительно осей соответственно х-х и у-у;
k_f - катет углового шва;
l - длина, пролет;
l_c- длина распорки;
l_d - длина раскоса;
l_ef- расчетная, условная длина;
l_m- длина панели (расстояние между узлами решетчатой конструкции);
l_s - длина планки;
l_w- длина сварного шва;
l_x, l_y - расчетные длины элемента в плоскостях, перпендикулярных осям соответственно х-х и у-у;
m - коэффициент условий работы;
m_b- коэффициент условий работы соединения;
r - радиус;
t - толщина;
t_f - толщина полки (пояса);
t_w- толщина стенки;
_f,
_z - коэффициенты для расчета углового шва соответственно по металлу шва и по металлу границы сплавления;
_n- коэффициент надежности по назначению;
_m- коэффициент надежности по материалу;
_u- коэффициент надежности в расчетах по временному сопротивлению;
- коэффициент влияния формы сечения;
- гибкость (
= l_ef / i);
_x,
_y - расчетные гибкости элемента в плоскостях, перпендикулярных осям соответственно х-х и у-у;
- коэффициент поперечной деформации стали (Пуассона);
_x,
_y - нормальные напряжения, параллельные осям соответственно х-х и у-у;
_xy- касательное напряжение;
- коэффициент продольного изгиба.
В РАЗДЕЛЕ 5
"СТАЛЕЖЕЛЕЗОБЕТОННЫЕ КОНСТРУКЦИИ"
n_1 - коэффициент приведения i-го материала сечения;
E_i, Е_y - модуль упругости i-го материала сечения с указанием j-го вида арматуры;
I_i, I_y - момент инерции сечения или его частей с указанием принадлежности кj-му расчету;
W_y - момент сопротивления i-й фибры j-й части сечения;
А_i, А_y - площадь сечения или его элементов;
z_y- расстояние i-го элемента сечения до j-го центра тяжести;
b, b_1 - ширина элемента или его i-й части;
t_i, t_y - толщина i-го элемента сечения с указанием местоположения j;
t_n,max, t_max - эксплуатационная и расчетная максимальная разность температур;
М, М_i, М_y - изгибающий момент i-й стадии работы для j-го расчетного случая;
N, N_i, N_y - нормальная сила от внешнего воздействия или замены i-й части сечения с указанием j-го напряженного состояния материалов, составляющих заменяемую часть;
S_i, S_y - сдвигающее усилие, возникающее от i-го вида усилия или воздействия, с указанием местоположения j (в отдельных случаях с указанием j-го вида расчета);
s_y - интенсивность сдвигающих усилий на i-м участке пролетного строения от j-го усилия;
R_i- расчетное сопротивление i-го материала сечения;
R_bt - расчетное сопротивление бетона осевому растяжению;
R_bt,ser - расчетное сопротивление бетона осевому растяжению при расчете предварительно напряженных элементов по образованию трещин;
_i,
_il,
_y - напряжения в i-м материале сечения с указанием самоуравновешенных напряжений по сечению i или местоположения проверяемой фибры j;
_i,
_y - деформации i-го материала сечения или от i-го воздействия с указанием j-го положения по сечению;
- характеристика цикла;
_i,
- поправочные коэффициенты к действующим усилиям;
k - поправочный коэффициент к величине деформации бетона;
_cr- коэффициент, учитывающий работу бетона при наличии трещин;
m, m_i- коэффициент условий работы i-го материала или элемента сечения;
Р_i- характерные точки сечения.
В РАЗДЕЛЕ 6
"ДЕРЕВЯННЫЕ КОНСТРУКЦИИ"
N_d- расчетное значение осевого усилия;
M_d - расчетное значение изгибающего момента;
Q_d - расчетное значение поперечной силы;
N_dd - расчетное значение несущей способности вклеенного штыря на выдергивание или продавливание.
РАСЧЕТНЫЕ СОПРОТИВЛЕНИЯ ДРЕВЕСИНЫ
R_db - при изгибе;
R_dt - растяжению вдоль волокон;
R_ds - сжатию вдоль волокон;
R_dc - то же, в клееных конструкциях;
R_dq - сжатию и смятию всей поверхности поперек волокон;
R_dcq - то же, в клееных конструкциях;
R_dqp - местному смятию поперек волокон;
R_dqa - то же, на части длины элемента;
R_dab - скалыванию вдоль волокон при изгибе;
R_dam - скалыванию (непосредственному) вдоль волокон;
R_dsm - скалыванию поперек волокон;
R_qa - смятию и скалыванию под углом ак направлению волокон;
R_daf - скалыванию по клееным швам вдоль волокон при изгибе;
R_daf - скалыванию по клеевому шву вдоль волокон в клеештыревых соединениях;
R_dafa - скалыванию по клеевому шву в клеештыревых соединениях при вклеивании штырей под углом к направлению волокон.
РАСЧЕТНЫЕ ПЛОЩАДИ
А_br- поперечного сечения брутто;
А_nt- поперечного сечения нетто;
A_d - поперечного сечения при проверке на устойчивость;
А_a- скалывания;
А_q- смятия.
ДРУГИЕ ХАРАКТЕРИСТИКИ
S_br - статический момент брутто части сечения относительно нейтральной оси;
W_nt - момент сопротивления ослабленного сечения;
I_x, I_y - моменты инерции сечения нетто соответственно относительно осей х-х и у-у;
х, у - расстояния от главных осей соответственно х-х и у-у до наиболее удаленных точек сечения;
l - расчетный пролет плиты;
l - теоретическая длина сваи;
l - длина штопки;
l_a- расстояние между связями ветвей в составных элементах;
l_a- длина колодки в составных элементах;
l_c - расчетная длина элемента при проверке устойчивости;
l_s - длина площадки смятия древесины вдоль волокон;
l_d- расчетная длина скалывания в соединениях на колодках;
l_l- длина заделки скрепления;
а - размер ската колеса или гусеницы в направлении поперек дороги;
а - расстояние между колодками в свету;
а - глубина врезки;
b - полная ширина сечения составного элемента;
z - плечо сил, скалывающих колодку;
d - диаметр;
d_t - диаметр отверстия под штырь;
- зазор при сплачивании бревен;
- толщина одной доски;
t - толщина наиболее тонкого из соединяемых элементов;
t_1 - толщина средних соединяемых элементов;
t_2- толщина крайних соединяемых элементов;
t - толщина дорожного покрытия;
- гибкость элемента;
_a- гибкость ветви составного элемента;
_z- приведенная гибкость составного элемента;
n - число срезов в начальном соединении;
n_q - число срезов связей в одном шве;
n_f- число швов между ветвями элементов;
m - коэффициент условий работы;
m_q- то же, на смятие поперек волокон;
m_a- то же, на скалывание вдоль волокон;
- коэффициент продольного изгиба;
µ_z- коэффициент приведения гибкости;
- коэффициент податливости соединения;
- коэффициент, учитывающий влияние на устойчивость дополнительного момента от нормальной силы.
В РАЗДЕЛЕ 7
"ОСНОВАНИЯ И ФУНДАМЕНТЫ"
Характеристика грунтов
I_p- число пластичности;
- удельный вес;
- угол внутреннего трения;
R_c - предел прочности на одноосное сжатие образцов скальных грунтов;
R_nc - предел прочности на одноосное сжатие образцов глинистого грунта природной влажности.
Нагрузки, давления, сопротивления
F - сила, расчетное значение силы;
M - момент сил;
N - сила, нормальная к подошве фундамента;
р, р_max- среднее и максимальное давления подошвы фундамента на грунт;
R - расчетное сопротивление грунта;
R_0- табличное значение условного сопротивления грунта.
Геометрические характеристики
b - ширина (меньшая сторона или диаметр) подошвы фундамента;
а - длина подошвы фундамента;
A - площадь подошвы фундамента;
d - глубина заложения фундамента;
d_w - глубина воды;
h - толщина слоя грунта или высота насыпи;
e_0 - эксцентриситет равнодействующей нагрузок относительно центральной оси подошвы фундамента;
r - радиус ядра сечения фундамента у его подошвы;
W - момент сопротивления подошвы фундамента для менее нагруженного ребра;
z - расстояние от подошвы фундамента.
Коэффициенты
_n- надежности по назначению сооружения;
_c- условий работы.