Приказ ФНС РФ от 25.11.2005 N САЭ-3-04/616@

"Об утверждении формы сведений о доходах физических лиц"
Редакция от 25.11.2005 — Документ утратил силу, см. «Приказ ФНС РФ от 13.10.2006 N САЭ-3-04/706@»

Зарегистрировано в Минюсте РФ 20 декабря 2005 г. N 7293


ФЕДЕРАЛЬНАЯ НАЛОГОВАЯ СЛУЖБА

ПРИКАЗ
от 25 ноября 2005 г. N САЭ-3-04/616@

ОБ УТВЕРЖДЕНИИ ФОРМЫ СВЕДЕНИЙ О ДОХОДАХ ФИЗИЧЕСКИХ ЛИЦ

В соответствии с пунктами 2 и 3 статьи 230 Налогового кодекса Российской Федерации (Собрание законодательства Российской Федерации, 2000, N 32, ст. 3340; 2001, N 1, ст. 18; 2004, N 27, ст. 2711; 2004, N 31, ст. 3231) приказываю:

1. Утвердить прилагаемую форму N 2-НДФЛ "Справка о доходах физического лица за 200_ год", приложения "Рекомендации по заполнению сведений о доходах физических лиц по форме N 2-НДФЛ "Справка о доходах физического лица за 200_ год" и "Справочники".

2. Утвердить прилагаемый "Формат сведений о доходах по форме N 2-НДФЛ "Справка о доходах физического лица за 200_ год" в электронном виде (на основе XML)".

3. Рекомендовать налоговым агентам сообщать в налоговые органы по месту своего учета о невозможности удержать налог и сумме задолженности налогоплательщика по форме N 2-НДФЛ "Справка о доходах физического лица за 200_ год", утвержденной настоящим Приказом.

Руководитель
Федеральной налоговой службы
А.Э.СЕРДЮКОВ

СОГЛАСОВАНО
Заместитель Министра финансов
Российской Федерации
С.Д.ШАТАЛОВ

УТВЕРЖДЕНА
Приказом ФНС России
от 25.11.2005 N САЭ-3-04/616@

                                                      Форма 2-НДФЛ
 
               СПРАВКА О ДОХОДАХ ФИЗИЧЕСКОГО ЛИЦА
                 за 200_ год N ___ в ИФНС N ____
 
1. Данные о налоговом агенте
1.1. ИНН/КПП  (для  организации или  ИНН  для  налогового агента -
индивидуального предпринимателя) _________________/_______________
1.2. Телефон ________________
1.3. Наименование      организации/Фамилия,     имя,      отчество
индивидуального предпринимателя __________________________________
__________________________________________________________________
 
2. Данные о физическом лице - получателе дохода
2.1. ИНН ________________________
2.2. Фамилия, Имя, Отчество ______________________________________
2.3. Статус  (1 - рез.,  2 - нерез.) ___  2.4. Пол (1 - муж.,  2 -
жен) ___  2.5. Дата  рождения  _______ 2.6.  Гражданство  (код <*>
страны) ____
2.7. Код <*> документа, удостоверяющего личность ________
2.8. Серия, номер документа ____________________
2.9. Адрес места жительства в Российской Федерации:
Почтовый индекс _______ Код <*> региона ______ Район _____________
Город ________________ Населенный пункт __________________________
Улица ______________________ Дом ______ Корпус ____ Квартира _____
2.10. Адрес в стране проживания: Код <*> страны __________________
Адрес ____________________________________________________________
__________________________________________________________________
 
3. Доходы, облагаемые по ставке ___%
Месяц
Код 
<*>
дохода
Сумма 
дохода
Код 
<*>
вычета
Сумма 
вычета
Месяц
Код 
<*>
дохода
Сумма 
дохода
Код 
<*>
вычета
Сумма 
вычета
___ 
___
___
___
___
___
___
___
______ 
______
______
______
______
______
______
______
______ 
______
______
______
______
______
______
______
______ 
______
______
______
______
______
______
______
______ 
______
______
______
______
______
______
______
___ 
___
___
___
___
___
___
___
______ 
______
______
______
______
______
______
______
______ 
______
______
______
______
______
______
______
______ 
______
______
______
______
______
______
______
_____ 
_____
_____
_____
_____
_____
_____
_____
 
4. Стандартные и имуществе налоговые вычеты (по видам)
4.1. Суммы налоговых   вычетов, право на получение которых имеется
у налогоплательщика
Код 
<*>
вычета
Сумма 
вычета
Код 
<*>
вычета
Сумма 
вычета
Код 
<*>
вычета
Сумма 
вычета
Код 
<*>
вычета
Сумма 
вычета
_______ 
_______
_______
_______ 
_______
_______
_______ 
_______
_______
________ 
________
________
_______ 
_______
_______
________ 
________
________
_______ 
_______
_______
_______ 
_______
_______
 
4.2. Номер   уведомления,   подтверждающего право на имущественный
налоговый вычет __________________________________________________
4.3. Дата выдачи уведомления _________ 4.4. Код налогового органа,
выдавшего уведомление ____________________________________________
4.5. Общая сумма предоставленных стандартных налоговых вычетов ___
4.6. Общая сумма предоставленных имущественных налоговых вычетов _
__________________________________________________________________
 
5. Общая  сумма  дохода  и  налога на  доходы по итогам налогового
периода
5.1. Общая сумма дохода _______ 5.2. Облагаемая сумма дохода _____
5.3. Сумма налога исчисленная ___ 5.4. Сумма налога удержанная ___
5.5. Сумма возврата налога по перерасчету с доходов прошлых лет __
5.6. Сумма, зачтенная при уплате налога по перерасчету  с  доходов
прошлых лет ______________________________________________________
5.7. Сумма, удержанная при уплате налога по перерасчету с  доходов
прошлых лет ______________________________________________________
5.8. Задолженность по налогу за налогоплательщиком _______________
5.9. Сумма налога, излишне удержанная налоговым агентом __________
5.10. Сумма налога, переданная на взыскание в налоговый орган ____
 
6. Сведения о перечислении налога в бюджет
Код 
ОКАТО
Код 
бюджетной
классификации
Сумма 
перечисленного
налога
Код 
ОКАТО
Код 
бюджетной
классификации
Сумма 
перечисленного
налога
______ 
______
_________ 
_________
___________ 
___________
______ 
______
_________ 
_________
______________ 
______________
 
 

Данный документ в части включения в справку о доходах физического лица раздела 6 "Сведения о перечислении налога в бюджет" недействующим как не соответствующий пункту 3 статьи 230 Налогового кодекса Российской Федерации - Решение ВАС РФ от 22.06.2006 N 4221/06

 
 
Реквизиты, отмеченные знаком <*>, выбираются   из  соответствующих
справочников.
 
    Налоговый агент _________ _________ Дата составления ____ г.
                    (Подпись)   (ФИО)
 
                    М.П.
 
 

Приложение 1
к форме N 2-НДФЛ,
утвержденной Приказом ФНС России
от 25.11.2005 N САЭ-3-04/616@

РЕКОМЕНДАЦИИ
ПО ЗАПОЛНЕНИЮ СВЕДЕНИЙ О ДОХОДАХ ФИЗИЧЕСКИХ ЛИЦ ПО ФОРМЕ N 2-НДФЛ "СПРАВКА О ДОХОДАХ ФИЗИЧЕСКОГО ЛИЦА ЗА 200_ ГОД"

I. Общие положения

Сведения о доходах физических лиц заполняются по форме N 2-НДФЛ "Справка о доходах физического лица за 200_ год" (далее - Справка). Справка на бумажном носителе заполняется по форме, утвержденной Приказом ФНС России от 25.11.2005 N САЭ-3-04/616@. При заполнении Справки используется справочная информация, представленная в приложении N 2 к форме N 2-НДФЛ (далее - Справочники). Справки в электронном виде формируются в соответствии с Форматом сведений о доходах по форме 2-НДФЛ "Справка о доходах физического лица за 200_ год" в электронном виде (на основе XML), утвержденным Приказом ФНС России от 25.11.2005 N САЭ-3-04/616@.

Справки оформляются налоговыми агентами по каждому физическому лицу, получившему доходы от данного налогового агента, отдельно по ставкам налога.

К примеру, если налоговый агент выплачивал физическому лицу в течение налогового периода доходы, облагаемые по трем ставкам: 9, 13 и 35 процентов, то по окончании налогового периода он представляет по данному физическому лицу в налоговый орган три различных Справки. Ставка налога при этом указывается в заголовке раздела 3 Справки.

Все суммовые показатели в Справке отражаются в рублях и копейках через десятичную точку, за исключением сумм налога на доходы. Суммы налога исчисляются и отражаются в полных рублях. Сумма налога менее 50 копеек отбрасывается, а 50 копеек и более округляются до полного рубля.

Сведения о доходах физического лица, которому налоговым агентом был произведен перерасчет налога на доходы за предшествующий налоговый период, оформляются в виде новой Справки. В случае, если перерасчет налога был произведен физическому лицу по иной ставке, оформляются две новых Справки: одна - с прежним значением ставки и не заполненными показателями разделов 3 - 6, и вторая - с новой ставкой и соответствующими показателями.

При оформлении новой Справки проставляются ее новый номер и новая дата составления.

II. Заполнение Справки на бумажном носителе

Справка заполняется (печатается) машинописным текстом на лазерном, матричном, струйном принтере или на пишущей машинке.

В случае, если какие-либо разделы (пункты) Справки не заполняются, то и наименования этих разделов (пунктов) могут не печататься. При этом нумерация разделов не изменяется.

Исправления в Справке не допускаются.

III. Заполнение показателей Справки

В заголовке Справки указываются:

в поле "за 200_ год" - год, за который предоставляется Справка;

в поле "N __" - порядковый номер Справки в отчетном налоговом периоде, присваиваемый налоговым агентом;

в поле "в ИФНС N __" - четырехзначный номер налогового органа, в котором налоговый агент состоит на налоговом учете, например: 5032, где 50 - код региона, 32 - номер налогового органа.

В разделе 1 Справки указываются данные о налоговом агенте.

В пункте 1.1 для налоговых агентов - организаций отражается идентификационный номер налогоплательщика и код причины постановки на налоговый учет (указываются через разделитель "/"), а для налоговых агентов - индивидуальных предпринимателей указывается идентификационный номер налогоплательщика.

В пункте 1.2 "Телефон" указывается контактный телефон налогового агента, по которому, в случае необходимости, может быть получена справочная информация, касающаяся вопросов налогообложения данного налогоплательщика, а также учетных данных этого налогового агента и налогоплательщика.

В пункте 1.3 "Наименование организации/Фамилия, имя, отчество индивидуального предпринимателя" указывается сокращенное наименование организации - налогового агента согласно его написанию в Едином государственном реестре налогоплательщиков. Содержательную часть наименования (его аббревиатуру или название, например: "школа N 241", или "ОКБ "ВЫМПЕЛ") следует располагать в начале строки.

Налоговые агенты - индивидуальные предприниматели указывают полностью, без сокращений, свою фамилию, имя, отчество в соответствии с документом, удостоверяющим их личность. В случае двойной фамилии слова пишутся через дефис. Например: ИВАНОВ - ЮРЬЕВ АЛЕКСЕЙ МИХАЙЛОВИЧ.

В разделе 2 Справки отражаются данные о физическом лице - получателе дохода.

В пункте 2.1 "ИНН" указывается идентификационный номер налогоплательщика - физического лица (если он имеется), который указан в документе, подтверждающем постановку данного физического лица на налоговый учет в налоговом органе Российской Федерации.

В пункте 2.2 "Фамилия, имя, отчество" указывается фамилия, имя и отчество физического лица - налогоплательщика, без сокращений, в соответствии с документом, удостоверяющим личность. Для иностранных физических лиц допускается при написании использование букв латинского алфавита.

В пункте 2.3 "Статус" указывается статус налогоплательщика. Если налогоплательщик является налоговым резидентом Российской Федерации (далее - резидентом), указывается цифра 1, а если нет, то указывается цифра 2.

В пункте 2.4 "Пол" указывается пол налогоплательщика (1 - мужской, 2 - женский).

В пункте 2.5 "Дата рождения" указывается дата рождения (число, месяц, год) путем последовательной записи данных арабскими цифрами, например: 01.05.1945, где 01 - число, 05 - месяц, 1945 - год рождения.

В пункте 2.6 "Гражданство" указывается код страны, гражданином которой является физическое лицо. Код страны выбирается из Общероссийского Классификатора Стран Мира (ОКСМ). Например, код 643 - код России, код 004 - код Афганистана.

В пункте 2.7 "Код документа, удостоверяющего личность" указывается код, который выбирается из справочника "Виды документов, удостоверяющих личность налогоплательщика" (приложения N 2 к форме N 2-НДФЛ).

В пункте 2.8 "Серия, номер документа" указываются реквизиты документа, удостоверяющего личность налогоплательщика, соответственно, серия и номер документа, знак "N" не проставляется.

В пункте 2.9 "Адрес места жительства в Российской Федерации" указывается полный адрес постоянного места жительства налогоплательщика на основании документа, удостоверяющего его личность, либо иного документа, подтверждающего адрес места жительства.

Элементами адреса являются: "Почтовый индекс", "Код региона", "Район", "Город", "Населенный пункт", "Улица", "Дом", "Корпус", "Квартира".

"Код региона" - это код субъекта Российской Федерации, на территории которого физическое лицо проживает постоянно. Код региона выбирается из справочника "Коды субъектов Российской Федерации и иных территорий" (приложения N 2 к форме N 2-НДФЛ). "Почтовый индекс" - индекс предприятия связи, находящегося по месту постоянного жительства налогоплательщика. При отражении элемента адреса "дом" могут использоваться как числовые, так и буквенные значения, а также знак "/" для обозначения углового дома. Например: 4А либо 4/2. Модификации типа "строение" заполняются в поле "корпус".

Приведем следующие примеры заполнения элементов адреса места жительства.

Пример 1. Адрес г. Москва, Ленинский проспект, дом 4а, корпус 1, квартира 10 отражается следующим образом. В поле "Почтовый индекс" указывается 110515; в поле "Код региона" указывается 77; в поле "Улица" указывается ЛЕНИНСКИЙ ПР-КТ; в поле "Дом" указывается 4А; в поле "Корпус" указывается 1; в поле "Квартира" указывается 10.

Пример 2. Адрес Московская область, Нарофоминский район, г. Апрелевка, ул. Августинская, дом 14, строение 1, квартира 50 отражается следующим образом. В поле "Почтовый индекс" указывается 143360; в поле "Код региона" указывается 50; в поле "Район" указывается НАРОФОМИНСКИЙ Р-Н; в поле "Город" указывается АПРЕЛЕВКА Г; в поле "Улица" указывается АВГУСТИНСКАЯ УЛ; в поле "Дом" указывается 14; в поле "Корпус" указывается стр 1; в поле "Квартира" 50.

Пример 3. Адрес г. Воронеж, п. Боровое, ул. Гагарина, дом 1 отражается следующим образом. В поле "Почтовый индекс" указывается 394050; в поле "Код региона" указывается 36; в поле "Город" указывается ВОРОНЕЖ Г; в поле "Населенный пункт" указывается БОРОВОЕ П; в поле "Улица" указывается ГАГАРИНА УЛ; в поле "Дом" указывается 1.

Пример 4. Адрес Ивановская область, Ивановский район, д. Андреево, д. 12 отражается следующим образом. В поле "Почтовый индекс" указывается 155110; в поле "Код региона" указывается 37; в поле "Район" указывается ИВАНОВСКИЙ Р-Н; в поле "Населенный пункт" указывается АНДРЕЕВО Д; в поле "Дом" указывается 12.

При отсутствии одного из элементов адреса отведенное для этого элемента поле не заполняется и в Справке может отсутствовать.

В пункте 2.10 "Адрес в стране проживания" физические лица, не являющиеся налоговыми резидентами Российской Федерации, а также иностранные граждане указывают адрес места жительства в стране постоянного проживания. При этом указывается код этой страны в поле "Код страны", далее адрес записывается в произвольной форме (допускается использование букв латинского алфавита).

В разделе 3 Справки "Доходы, облагаемые налогом по ставке __%" отражаются сведения о доходах, полученных физическими лицами в денежной и натуральной форме независимо от их размера, в разрезе по месяцам налогового периода.

В заголовке раздела указывается ставка налога, по которой облагаются доходы, отраженные в Справке. Далее последовательно отражаются суммы доходов, полученные физическим лицом в налоговом периоде, отдельно по каждому полученному доходу.

В графе "Месяц" указывается месяц налогового периода, в котором был выплачен данный доход. Если доход был выплачен в январе - в данной графе указывается 1, в феврале - 2 и т.д.

В графе "Код дохода" указываются коды доходов, которые выбираются из справочника "Виды доходов" (приложения N 2 к форме N 2-НДФЛ). В графе "Сумма дохода" отражается вся сумма дохода (без налоговых вычетов) по указанному коду дохода.

Напротив тех видов доходов, в отношении которых предусмотрены профессиональные налоговые вычеты или которые подлежат налогообложению не в полном размере (пункт 28 статьи 217 Налогового кодекса Российской Федерации (далее - Кодекса)), в графе "Код вычета" указывается код соответствующего вычета, выбираемый из справочника "Вычеты" (приложения N 2 к форме N 2-НДФЛ), а в графе "Сумма вычета" - соответствующая сумма вычета.

Стандартные налоговые вычеты, установленные ст. 218 Кодекса, а также имущественный налоговый вычет, установленный пп. 2 п. 1 ст. 220 Кодекса, в данном разделе не отражаются.

В разделе 4 Справки "Стандартные и имущественные налоговые вычеты (по видам)" отражаются сведения о стандартных налоговых вычетах, установленных ст. 218 Кодекса, и имущественном налоговом вычете, установленном пп. 2 п. 1 ст. 220 Кодекса. Раздел 4 заполняется только в случае, если в Справке отражаются доходы, облагаемые по ставке 13%.

В пункте 4.1 "Сумма налоговых вычетов, право на получение которых имеется у налогоплательщика" отражаются суммы стандартных налоговых вычетов, установленных ст. 218 Кодекса, и имущественного налогового вычета, установленного пп. 2 п. 1 ст. 220 Кодекса, на которые физическое лицо имело право в отчетном налоговом периоде.

В графе "Код вычета" пункта 4.1 указывается код вычета, выбираемый из справочника "Вычеты" (приложения N 2 к форме N 2-НДФЛ). В графе "Сумма вычета" отражаются суммы вычетов, соответствующие указанному коду. Число заполненных строк в данном пункте зависит от количества видов вычетов, на которые имел право налогоплательщик.

В пунктах 4.2 и 4.3 указывается номер и дата уведомления, подтверждающего право налогоплательщика на имущественный налоговый вычет, выдаваемого налоговым органом в соответствии с пунктом 3 статьи 220 Кодекса.

В пункте 4.4 указывается код налогового органа, выдавшего уведомление.

В пунктах 4.5 и 4.6 указываются соответственно общая сумма стандартных налоговых вычетов, предоставленных физическому лицу за налоговый период, и сумма предоставленного имущественного налогового вычета.

В разделе 5 Справки отражаются общие суммы дохода и налога на доходы по итогам налогового периода.

В пункте 5.1 "Общая сумма дохода" указывается общая сумма дохода по итогам налогового периода, без учета налоговых вычетов. Данный пункт заполняется путем суммирования доходов, отраженных в разделе 3 Справки.

Значение пункта 5.2 "Облагаемая сумма дохода" рассчитывается путем вычитания из общей суммы дохода (пункт 5.1) суммы предоставленных налоговых вычетов (сумма показателей "Сумма вычета" раздела 3 Справки и пунктов 4.5 и 4.6 Справки).

В пункте 5.3 "Сумма налога исчисленная" указывается общая сумма налога, исчисленного по ставке, указанной в разделе 3 Справки, по итогам налогового периода.

В пункте 5.4 "Сумма налога удержанная" соответственно указывается общая сумма удержанного налога за налоговый период.

Пункт 5.5 "Сумма возврата налогов по перерасчету с доходов прошлых лет" заполняется в случае возврата налогов по перерасчету с доходов прошлых лет и в нем указывается сумма возврата налога по пересчету с доходов прошлых лет.

В пунктах 5.6 и 5.7 соответственно указываются суммы зачтенные либо удержанные при уплате налога по перерасчету с доходов прошлых лет.

В случае, если в результате уточнения налоговых обязательств налогоплательщика выявлена задолженность по налогу на доходы физических лиц, то в пункте 5.8 "Задолженность по налогу за налогоплательщиком" указывается сумма данной задолженности.

Сумма налога, излишне удержанная налоговым агентом, указывается в пункте 5.9.

В пункте 5.10 "Сумма налога, переданная на взыскание в налоговый орган" указывается сумма налога, переданная на взыскание в налоговый орган в соответствии с пунктом 5 статьи 226 Кодекса.

Задолженность по налогу за налогоплательщиком либо излишне удержанная сумма налога определяются как разность между суммой исчисленного и суммой удержанного налога.

В разделе 6 Справки "Сведения о перечислении налога в бюджет" отражается информация о перечислениях сумм налога на доходы физических лиц в бюджет.

В поле "Код ОКАТО" указывается код территории определенного муниципального образования. Показатели кода территорий можно получить из "Общероссийского классификатора объектов административно-территориального деления" ОК 019-95 (ОКАТО).

"Код бюджетной классификации" выбирается в соответствии с полученным видом дохода и ставкой налога согласно Указаниям о порядке применения бюджетной классификации Российской Федерации, утверждаемыми Министерством финансов Российской Федерации.

В поле "Сумма перечисленного налога" отражается сумма налога, перечисленная в бюджет.

Заполненная Справка подписывается лицом, ответственным за ее подготовку, в поле "Налоговый агент (подпись)". Подпись не должна закрываться печатью. Печать проставляется в отведенном месте ("М.П." в нижнем левом углу Справки). В поле "Налоговый агент (ФИО)" указываются фамилия и инициалы указанного лица. Налоговые агенты - индивидуальные предприниматели должны сами подписывать Справку и указывать свои фамилию и инициалы.

Поле "Дата составления" заполняется аналогично полю 2.6 "Дата рождения".

Приложение 2
к форме N 2-НДФЛ,
утвержденной Приказом ФНС России
от 25.11.2005 N САЭ-3-04/616@

СПРАВОЧНИКИ

1. Справочник "Виды документов, удостоверяющих личность налогоплательщика"

Код Наименование документа Примечание
01 Паспорт гражданина СССР Действителен до 01.01.2006 для иностранных граждан и лиц без гражданства в соответствии с Постановлением Правительства Российской Федерации от 04.12.2003 N 731
03 Свидетельство о рождении Для лиц, не достигших 16-летнего (с 01.10.97 - 14-летнего) возраста, оформленное в соответствии с законодательством Российской Федерации
04 Удостоверение личности офицера Для военнослужащих (офицеров, прапорщиков, мичманов)
05 Справка об освобождении из места лишения свободы Для лиц, освободившихся из мест лишения свободы
06 Паспорт Минморфлота Паспорт моряка Минморфлота СССР (Российской Федерации), выданный до 1997 г.
07 Военный билет солдата (матроса, сержанта, старшины) Военный билет для солдат, матросов, сержантов и старшин, проходящих военную службу по призыву или контракту
08 Временное удостоверение, выданное взамен военного билета Документ, заменяющий паспорт гражданина (для лиц, которые проходят военную службу) в соотв. со ст. 2 Федеральный закон от 12.06.2002 N 67-ФЗ
09 Дипломатический паспорт гражданина Российской Федерации Дипломатический паспорт для граждан Российской Федерации
10 Иностранный паспорт Заграничный паспорт для постоянно проживающих за границей физических лиц, которые временно находятся на территории Российской Федерации
11 Свидетельство о рассмотрении ходатайства о признании беженцем на территории Российской Федерации по существу Для лиц, ходатайствующих о признании беженцем (выдается на срок рассмотрения ходатайства, но не более 3 месяцев), Постановление Правительства Российской Федерации от 28.05.1998 N 523
12 Вид на жительство лица без гражданства Вид на жительство в Российской Федерации для лиц без гражданства в соответствии со статьями 2 и 10 Федерального закона от 25.07.2002 N 115-ФЗ
13 Удостоверение беженца в Российской Федерации Для лиц (не граждан Российской Федерации), признанных беженцами в соответствии со ст. 1 и 7 ФЗ от 19.02.1993 N 4528-1
14 Временное удостоверение личности гражданина Российской Федерации Временное удостоверение личности гражданина Российской Федерации по форме 2П
15 Разрешение на временное проживание лица без гражданства в Российской Федерации Разрешение на временное проживание лица без гражданства в Российской Федерации (для лиц, не имеющих документа, удостоверяющего личность)
18 Свидетельство о предоставлении временного убежища на территории Российской Федерации Для иностранных граждан и лиц без гражданства, получивших временное убежище в соответствии со статьей 12 Федерального закона от 19.02.1993 N 4528-1
21 Паспорт гражданина Российской Федерации Паспорт гражданина Российской Федерации, действующий на территории Российской Федерации с 1 октября 1997 года
22 Загранпаспорт гражданина Российской Федерации Паспорт, удостоверяющий личность гражданина Российской Федерации за пределами Российской Федерации, образца 1997 года
23 Свидетельство о рождении, выданное уполномоченным органом иностранного государства Для иностранных граждан, не достигших 16-летнего возраста
24 Удостоверение личности военнослужащего Российской Федерации Заменяет с 2004 года удостоверение личности офицера (прапорщика, мичмана) в соответствии с Постановлением Правительства Российской Федерации от 12.02.2003 N 91
26 Паспорт моряка Паспорт моряка (удостоверение личности гражданина, работающего на судах заграничного плавания или на иностранных судах) образца 1997 года
27 Военный билет офицера запаса Военный билет офицера запаса
91 Иные документы, предусмотренные законодательством Российской Федерации Иные документы, предусмотренные законодательством Российской Федерации или международными договорами в качестве документов, удостоверяющих личность

2. Справочник "Виды доходов"

Код Наименование дохода
1010 Дивиденды и проценты (за исключением процентов по облигациям с ипотечным покрытием, эмитированным до 01.01.2007), пп. 1 п. 1 ст. 208, ст. 214 Налогового кодекса Российской Федерации
1110 Проценты по облигациям с ипотечным покрытием, эмитированным до 01.01.2007, п. 5 ст. 224 Налогового кодекса Российской Федерации
1120 Доходы учредителей доверительного управления ипотечным покрытием, полученные на основании приобретения ипотечных сертификатов участия, выданных управляющим ипотечным покрытием до 01.01.2007, п. 5 ст. 224 Налогового кодекса Российской Федерации
1200 Доходы, полученные в виде страховых выплат по договорам страхования, пп. 2 п. 1 ст. 208 Налогового кодекса Российской Федерации
1211 Доходы, полученные в виде страховых взносов по договорам страхования, п. 3 ст. 213 Налогового кодекса Российской Федерации
1212 Доходы в виде денежных (выкупных) сумм, выплачиваемых по договорам страхования, пп. 2 п. 1 ст. 213 Налогового кодекса Российской Федерации
1220 Доходы в виде денежных (выкупных) сумм, выплачиваемые по договорам негосударственного пенсионного обеспечения, п. 2 ст. 213.1 Налогового кодекса Российской Федерации
1240 Пенсии, выплачиваемые по договорам негосударственного пенсионного обеспечения, п. 2. ст. 213.1 Налогового кодекса Российской Федерации
1300 Доходы, полученные налогоплательщиком от использования в Российской Федерации авторских или иных смежных прав (кроме авторских вознаграждений), пп. 3 п. 1 ст. 208 Налогового кодекса Российской Федерации
1400 Доходы, полученные от предоставления в аренду, и доходы, полученные от иного использования имущества (кроме аналогичных доходов от сдачи в аренду любых транспортных средств и средств связи, компьютерных сетей), пп. 4 п. 1 ст. 208 Налогового кодекса Российской Федерации
1510 Доходы, полученные от продажи жилых домов, квартир, включая приватизированные жилые помещения, дач, садовых домиков или земельных участков и долей в указанном имуществе, пп. 5 п. 1 ст. 208 Налогового кодекса Российской Федерации, пп. 1 п. 1 ст. 220 Налогового кодекса Российской Федерации
1520 Доходы, полученные от продажи имущества (кроме жилых домов, квартир, включая приватизированные жилые помещения, дач, садовых домиков, земельных участков и долей в указанном имуществе, ценных бумаг), пп. 5 п. 1 ст. 208 Налогового кодекса Российской Федерации
1530 Доходы, полученные от реализации ценных бумаг, пп. 5 п. 1 ст. 208 Налогового кодекса Российской Федерации
1540 Доходы, полученные налогоплательщиком от реализации долей участия в уставном капитале организаций; прав требования к организации, пп. 5 п. 1 ст. 208 Налогового кодекса Российской Федерации
2000 Вознаграждение, получаемое физическими лицами за выполнение трудовых или иных обязанностей; денежное содержание и иные налогооблагаемые выплаты военнослужащим и приравненным к ним категориям физических лиц; вознаграждение директоров и иные аналогичные выплаты, получаемые членами органа управления организации (совета директоров или иного подобного органа) (кроме выплат по договорам гражданско-правового характера и авторских вознаграждений), пп. 6 п. 1 ст. 208 Налогового кодекса Российской Федерации
2010 Выплаты по договорам гражданско-правового характера (за исключением авторских вознаграждений), пп. 6 п. 1 ст. 208 Налогового кодекса Российской Федерации
2020 Выплаты в погашение задолженности по оплате труда, ст. 208 Налогового кодекса Российской Федерации
2201 Авторские вознаграждения (вознаграждения) за создание литературных произведений, в том числе для театра, кино, эстрады и цирка, п. 3 ст. 221 Налогового кодекса Российской Федерации
2202 Авторские вознаграждения (вознаграждения) за создание художественно-графических произведений, фоторабот для печати, произведений архитектуры и дизайна, п. 3 ст. 221 Налогового кодекса Российской Федерации
2203 Авторские вознаграждения (вознаграждения) за создание произведений скульптуры, монументально-декоративной живописи, декоративно-прикладного и оформительского искусства, станковой живописи, театрально- и кинодекорационного искусства и графики, выполненных в различной технике, п. 3 ст. 221 Налогового кодекса Российской Федерации
2204 Авторские вознаграждения (вознаграждения) за создание аудиовизуальных произведений (видео-, теле- и кинофильмов), п. 3 ст. 221 Налогового кодекса Российской Федерации
2205 Авторские вознаграждения (вознаграждения) за создание музыкальных произведений: музыкально-сценических произведений (опер, балетов, музыкальных комедий), симфонических, хоровых, камерных произведений, произведений для духового оркестра, оригинальной музыки для кино-, теле- и видеофильмов и театральных постановок, п. 3 ст. 221 Налогового кодекса Российской Федерации
2206 Авторские вознаграждения (вознаграждения) за создание других музыкальных произведений, в том числе подготовленных к опубликованию, п. 3 ст. 221 Налогового кодекса Российской Федерации
2207 Авторские вознаграждения (вознаграждения) за исполнение произведений литературы и искусства, п. 3 ст. 221 Налогового кодекса Российской Федерации
2208 Авторские вознаграждения (вознаграждения) за создание научных трудов и разработок, п. 3 ст. 221 Налогового кодекса Российской Федерации
2209 Авторские вознаграждения за открытия, изобретения, промышленные образцы, п. 3 ст. 221 Налогового кодекса Российской Федерации
2400 Доходы, полученные от использования любых транспортных средств, включая морские, речные, воздушные суда и автомобильные транспортные средства, в связи с перевозками, а также штрафы и иные санкции за простой (задержку) таких транспортных средств в пунктах погрузки (выгрузки) в Российской Федерации; доходы, полученные от использования трубопроводов, линий электропередачи (ЛЭП), линий оптико-волоконной и (или) беспроводной связи, иных средств связи, включая компьютерные сети, на территории Российской Федерации, пп. 8, 9 п. 1 ст. 208 Налогового кодекса Российской Федерации
2510 Оплата (полностью или частично) за налогоплательщика организациями или индивидуальными предпринимателями товаров (работ, услуг) или имущественных прав, в том числе коммунальных услуг, питания, отдыха, обучения в интересах налогоплательщика, пп. 1 п. 2 ст. 211 Налогового кодекса Российской Федерации
2520 Стоимость товаров, работ, услуг, полученных на безвозмездной основе, пп. 2 п. 2 ст. 211 Налогового кодекса Российской Федерации
2530 Оплата труда в натуральной форме, пп. 3 п. 2 ст. 211 Налогового кодекса Российской Федерации
2610 Материальная выгода, полученная от экономии на процентах за пользование заемными (кредитными) средствами (за исключением доходов в виде материальной выгоды, полученной от экономии на процентах за пользование налогоплательщиком заемными (кредитными) средствами, израсходованными на новое строительство или приобретение на территории Российской Федерации жилого дома, квартиры или доли (долей) в них), п. 2 ст. 212 Налогового кодекса Российской Федерации
2620 Материальная выгода, полученная от экономии на процентах за пользование целевыми займами (кредитами), фактически израсходованными на новое строительство или приобретение на территории Российской Федерации жилого дома, квартиры или доли (долей) в них, на основании документов, подтверждающих целевое использование таких средств, п. 2 ст. 224 Налогового кодекса Российской Федерации
2630 Материальная выгода, полученная от приобретения товаров (работ, услуг) в соответствии с гражданско-правовым договором у физических лиц, организаций и индивидуальных предпринимателей, являющихся взаимозависимыми по отношению к налогоплательщику (пп. 2 п. 1 ст. 212 Налогового кодекса Российской Федерации, п. 3 ст. 212 Налогового кодекса Российской Федерации)
2640 Материальная выгода, полученная от приобретения ценных бумаг (пп. 3 п. 1 ст. 212 Налогового кодекса Российской Федерации, п. 4 ст. 212 Налогового кодекса Российской Федерации)
2710 Материальная помощь (за исключением материальной помощи, оказываемой работодателями своим работникам, а также бывшим своим работникам, уволившимся в связи с выходом на пенсию по инвалидности или по возрасту), пп. 10 п. 1 ст. 208 Налогового кодекса Российской Федерации, п. 28 ст. 217 Налогового кодекса Российской Федерации
2720 Стоимость подарков, полученных от организаций или индивидуальных предпринимателей и не подлежащих обложению налогом на наследование или дарение в соответствии с действующим законодательством (п. 28 ст. 217 Налогового кодекса Российской Федерации)
2730 Стоимость призов в денежной и натуральной формах, полученных на конкурсах и соревнованиях, проводимых в соответствии с решениями Правительства Российской Федерации, законодательных (представительных) органов государственной власти или представительных органов местного самоуправления (п. 28 ст. 217 Налогового кодекса Российской Федерации)
2740 Стоимость выигрышей и призов, получаемых в проводимых конкурсах, играх и других мероприятиях в целях рекламы товаров, работ и услуг, п. 28 ст. 217 Налогового кодекса Российской Федерации, п. 2 ст. 224 Налогового кодекса Российской Федерации
2750 Стоимость призов в денежной и натуральной формах, полученных на конкурсах и соревнованиях, проводимых не в соответствии с решениями Правительства Российской Федерации, законодательных (представительных) органов государственной власти или представительных органов местного самоуправления и не в целях рекламы товаров (работ и услуг), ст. 208 Налогового кодекса Российской Федерации
2760 Материальная помощь, оказываемая работодателями своим работникам, а также бывшим своим работникам, уволившимся в связи с выходом на пенсию по инвалидности или по возрасту, п. 28 ст. 217 Налогового кодекса Российской Федерации
2770 Возмещение (оплата) работодателями своим работникам, их супругам, родителям и детям, бывшим своим работникам (пенсионерам по возрасту), а также инвалидам стоимости приобретенных ими (для них) медикаментов, назначенных им лечащим врачом, п. 28 ст. 217 Налогового кодекса Российской Федерации
2780 Возмещение (оплата) стоимости приобретенных налогоплательщиком (для налогоплательщика) медикаментов, назначенных им лечащим врачом, п. 28 ст. 217 Налогового кодекса Российской Федерации
2790 Сумма помощи (в денежной и натуральной формах), а также стоимость подарков, полученных ветеранами Великой Отечественной войны, инвалидами Великой Отечественной войны, вдовами военнослужащих, погибших в период войны с Финляндией, Великой Отечественной войны, войны с Японией, вдовами умерших инвалидов Великой Отечественной войны и бывшими узниками нацистских концлагерей, тюрем и гетто, а также бывшими несовершеннолетними узниками концлагерей, гетто и других мест принудительного содержания, созданных фашистами и их союзниками в период Второй мировой войны (начиная с 01.01.2006), п. 33 ст. 217 Налогового кодекса Российской Федерации
2800 Доходы, полученные в погашение вексельных обязательств, ст. 208 Налогового кодекса Российской Федерации
2900 Доходы, полученные от операций с иностранной валютой, ст. 208 Налогового кодекса Российской Федерации
3010 Выигрыши, выплачиваемые организаторами лотерей, тотализаторов и других основанных на риске игр (в том числе с использованием игровых автоматов), пп. 5 п. 1 ст. 228 Налогового кодекса Российской Федерации
3020 Доходы в виде процентов, получаемые по вкладам в банках, п. 27 ст. 217 Налогового кодекса Российской Федерации
4800 Иные доходы

3. Справочник "Вычеты"

Код Наименование вычета
100 1. Стандартные налоговые вычеты в размерах, предусмотренных статьей 218 Налогового кодекса Российской Федерации
101 600 руб. на каждого ребенка в возрасте до 18 лет, на учащегося очной формы обучения, аспиранта, ординатора, студента, курсанта в возрасте до 24 лет родителям, супругам родителей, до месяца, в котором доход налогоплательщика превысил 40 000 рублей, пп. 4 п. 1 ст. 218 Налогового кодекса Российской Федерации
102 1200 руб. на каждого ребенка в возрасте до 18 лет, на учащегося очной формы обучения, аспиранта, ординатора, студента, курсанта в возрасте до 24 лет вдове (вдовцу), одинокому родителю, опекуну или попечителю, приемным родителям, до месяца, в котором доход налогоплательщика превысил 40 000 рублей, пп. 4 п. 1 ст. 218 Налогового кодекса Российской Федерации
106 1200 руб. на каждого ребенка-инвалида в возрасте до 18 лет, на учащегося очной формы обучения, аспиранта, ординатора, студента, курсанта в возрасте до 24 лет, являющегося инвалидом I или II группы, родителям, супругам родителей, до месяца, в котором доход налогоплательщика превысил 40 000 рублей, пп. 4 п. 1 ст. 218 Налогового кодекса Российской Федерации
107 2400 руб. на каждого ребенка-инвалида в возрасте до 18 лет, на учащегося очной формы обучения, аспиранта, ординатора, студента в возрасте до 24 лет, являющегося инвалидом I или II группы, вдове (вдовцу), одинокому родителю, опекуну или попечителю, приемным родителям, до месяца, в котором доход налогоплательщика превысил 40 000 рублей, пп. 4 п. 1 ст. 218 Налогового кодекса Российской Федерации
103 400 руб. на налогоплательщика, не относящегося к категориям, перечисленным в пп. 1 - 2 п. 1 ст. 218 Налогового кодекса Российской Федерации, до месяца, в котором его доход превысил 20 000 рублей, пп. 3 п. 1 ст. 218 Налогового кодекса Российской Федерации
104 500 рублей на налогоплательщика, относящегося к категориям, перечисленным в пп. 2 п. 1 ст. 218 Налогового кодекса Российской Федерации
105 3000 рублей на налогоплательщика, относящегося к категориям, перечисленным в пп. 1 п. 1 ст. 218 Налогового кодекса Российской Федерации
200 2. Социальные налоговые вычеты, предусмотренные ст. 219 Налогового кодекса Российской Федерации
201 Суммы, перечисленные на благотворительные цели организациям науки, культуры, образования, здравоохранения и т.д., а также суммы пожертвований религиозным организациям (но не более 25% суммы дохода, полученного в налоговом периоде), пп. 1 п. 1 ст. 219 Налогового кодекса Российской Федерации
202 Сумма, уплаченная налогоплательщиком в налоговом периоде за свое обучение в образовательных учреждениях, в размере фактически произведенных расходов на обучение, но не более 38 000 рублей, пп. 2 п. 1 ст. 219 Налогового кодекса Российской Федерации
203 Сумма, уплаченная налогоплательщиком-родителем (налогоплательщиком-опекуном, налогоплательщиком-попечителем) за обучение детей в возрасте до 24 лет на дневной форме обучения в образовательных учреждениях, в размере фактически произведенных расходов на это обучение, но не более 38 000 руб. на каждого ребенка в общей сумме на обоих родителей, пп. 2 п. 1 ст. 219 Налогового кодекса Российской Федерации
204 Сумма, уплаченная налогоплательщиком в налоговом периоде за услуги по лечению в медицинских учреждениях Российской Федерации, предоставленные налогоплательщику, его супругу (супруге), его родителям и (или) детям в возрасте до 18 лет, а также в размере стоимости медикаментов (в соответствии с перечнем, утверждаемым Правительством Российской Федерации), назначенных им лечащим врачом, приобретенных за счет собственных средств, в общей сумме не свыше 38 000 руб., пп. 3 п. 1 ст. 219 Налогового кодекса Российской Федерации
205 Фактически произведенные расходы по дорогостоящим видам лечения (налогоплательщика, его супруга (супруги), родителей и детей в возрасте до 18 лет) в медицинских учреждениях Российской Федерации (в соответствии с перечнем дорогостоящих видов лечения, утверждаемым Постановлением Правительства Российской Федерации), пп. 3 п. 1 ст. 219 Налогового кодекса Российской Федерации
330 3. Имущественные налоговые вычеты, предусмотренные ст. 220 Налогового кодекса Российской Федерации
301 Суммы, полученные налогоплательщиком в налоговом периоде от продажи жилых домов, квартир, включая приватизированные жилые помещения, дач, садовых домиков или земельных участков, находившихся в собственности налогоплательщика менее 3 лет, но не превышающие в целом 1 000 000 руб., пп. 1 п. 1 ст. 220 Налогового кодекса Российской Федерации
313 Суммы, полученные налогоплательщиком в налоговом периоде от продажи долей жилых домов, квартир, включая приватизированные жилые помещения, дач, садовых домиков или земельных участков и находившихся в собственности налогоплательщика менее 3 лет, но не превышающие в целом 1 000 000 руб., пп. 1 п. 1 ст. 220 Налогового кодекса Российской Федерации
302 Суммы, фактически полученные в налоговом периоде от продажи жилых домов, квартир, включая приватизированные жилые помещения, дач, садовых домиков и земельных участков, находившихся в собственности налогоплательщика 3 года и более, пп. 1 п. 1 ст. 220 Налогового кодекса Российской Федерации
314 Суммы, фактически полученные в налоговом периоде от продажи долей жилых домов, квартир, включая приватизированные жилые помещения, дач, садовых домиков, земельных участков и их долей, находившихся в собственности налогоплательщика 3 года и более, пп. 1 п. 1 ст. 220 Налогового кодекса Российской Федерации
303 Суммы, полученные в налоговом периоде от продажи имущества (кроме жилых домов, квартир, включая приватизированные жилые помещения, дач, садовых домиков, земельных участков и их долей, ценных бумаг), находившегося в собственности налогоплательщика менее 3 лет, но не превышающие 125 000 руб., пп. 1 п. 1 ст. 220 Налогового кодекса Российской Федерации
304 Суммы, полученные в налоговом периоде от продажи имущества (кроме жилых домов, квартир, включая приватизированные жилые помещения, дач, садовых домиков, земельных участков и их долей, ценных бумаг), находившегося в собственности налогоплательщика 3 года и более, пп. 1 п. 1 ст. 220 Налогового кодекса Российской Федерации
305 Сумма фактически произведенных налогоплательщиком и документально подтвержденных расходов, связанных с получением доходов от продажи жилых домов, квартир, дач, садовых домиков, земельных участков и их долей, а также от продажи иного имущества (за исключением реализации ценных бумаг), пп. 1 п. 1 ст. 220 Налогового кодекса Российской Федерации
315 Сумма фактически произведенных налогоплательщиком и документально подтвержденных расходов, связанных с продажей доли (ее части) в уставном капитале организации, пп. 1 п. 1 ст. 220 Налогового кодекса Российской Федерации
316 Суммы, полученные от продажи ценных бумаг, находившихся в собственности налогоплательщика менее 3 лет, но не превышающие 125 000 руб., пп. 1 п. 1 ст. 220 Налогового кодекса Российской Федерации
317 Суммы, полученные от продажи ценных бумаг, находившихся в собственности налогоплательщика 3 года и более, пп. 1 п. 1 ст. 220 Налогового кодекса Российской Федерации
307 Совокупная сумма фактически произведенных налогоплательщиком и документально подтвержденных расходов на приобретение, реализацию и хранение ценных бумаг, включая суммы, с которых был исчислен и уплачен налог при приобретении ценных бумаг в собственность (в том числе получении на безвозмездной основе или с частичной оплатой), п. 3 ст. 214.1 Налогового кодекса Российской Федерации
311 Сумма, израсходованная на новое строительство либо приобретение на территории Российской Федерации жилого дома, квартиры или доли (долей) в них (кроме сумм, направленных на погашение процентов по целевым займам (кредитам) и фактически израсходованных на новое строительство или приобретение на территории Российской Федерации жилого дома, квартиры или доли (долей) в них), в размере фактически произведенных и документально подтвержденных расходов в пределах 1 000 000 руб., пп. 2 п. 1 ст. 220 Налогового кодекса Российской Федерации
312 Сумма, направленная на погашение процентов по целевым займам (кредитам), полученным от кредитных и иных организаций Российской Федерации и фактически израсходованная налогоплательщиком на новое строительство или приобретение на территории Российской Федерации жилого дома, квартиры или доли (долей) в них, пп. 2 п. 1 ст. 220 Налогового кодекса Российской Федерации
400 4. Профессиональные налоговые вычеты, предусмотренные ст. 221 Налогового кодекса Российской Федерации
401 Сумма фактически произведенных индивидуальными предпринимателями (частными нотариусами и другими лицами, занимающимися частной практикой) документально подтвержденных расходов, непосредственно связанных с извлечением доходов от их профессиональной деятельности, п. 1 ст. 221 Налогового кодекса Российской Федерации
402 Сумма в пределах норматива в отношении доходов от предпринимательской деятельности (в размере 20% общей суммы доходов), п. 1 ст. 221 Налогового кодекса Российской Федерации
403 Сумма фактически произведенных и документально подтвержденных расходов, непосредственно связанных с выполнением работ (оказанием услуг) по договорам гражданско-правового характера, п. 2 ст. 221 Налогового кодекса Российской Федерации
404 Сумма фактически произведенных и документально подтвержденных расходов, связанных с получением авторских вознаграждений и вознаграждений за создание, издание, исполнение или иное использование произведений науки, литературы и искусства, вознаграждений авторам открытий, изобретений и промышленных образцов, п. 3 ст. 221 Налогового кодекса Российской Федерации
405 Сумма расходов в пределах нормативов затрат, связанных с получением авторских вознаграждений и вознаграждений за создание, издание, исполнение или иное использование произведений науки, литературы и искусства, вознаграждений авторам открытий, изобретений и промышленных образцов (в процентах к сумме начисленного дохода), п. 3 ст. 221 Налогового кодекса Российской Федерации
500 5. Налоговые вычеты по отдельным видам доходов, предусмотренные п. 28 и п. 33 ст. 217 Налогового кодекса Российской Федерации
501 Вычет из стоимости подарков, полученных от организаций и индивидуальных предпринимателей, не подлежащих обложению налогом на наследование или дарение в соответствии с действующим законодательством, п. 28 ст. 217 Налогового кодекса Российской Федерации
502 Вычет из стоимости призов в денежной и натуральной формах, полученных на конкурсах и соревнованиях, проводимых в соответствии с решениями Правительства Российской Федерации, законодательных (представительных) органов государственной власти или представительных органов местного самоуправления, п. 28 ст. 217 Налогового кодекса Российской Федерации
503 Вычет из стоимости (суммы) материальной помощи, оказываемой работодателями своим работникам, а также бывшим своим работникам, уволившимся в связи с выходом на пенсию по инвалидности или по возрасту, п. 28 ст. 217 Налогового кодекса Российской Федерации
504 Вычет из суммы возмещения (оплаты) работодателями своим работникам, их супругам, родителям и детям, бывшим своим работникам (пенсионерам по возрасту), а также инвалидам стоимости приобретенных ими (для них) медикаментов, назначенных им лечащим врачом, п. 28 ст. 217 Налогового кодекса Российской Федерации
505 Вычет из стоимости любых выигрышей и призов, полученных на конкурсах, играх и других мероприятиях в целях рекламы товаров (работ, услуг), п. 28 ст. 217 Налогового кодекса Российской Федерации
506 Вычет из суммы материальной помощи, оказываемой инвалидам общественными организациями инвалидов, п. 28 ст. 217 Налогового кодекса Российской Федерации
507 Вычет из суммы помощи (в денежной и натуральной формах), а также стоимости подарков, полученных ветеранами Великой Отечественной войны, инвалидами Великой Отечественной войны, вдовами военнослужащих, погибших в период войны с Финляндией, Великой Отечественной войны, войны с Японией, вдовами умерших инвалидов Великой Отечественной войны и бывшими узниками нацистских концлагерей, тюрем и гетто, а также бывшими несовершеннолетними узниками концлагерей, гетто и других мест принудительного содержания, созданных фашистами и их союзниками в период Второй мировой войны (начиная с 01.01.2006), п. 33 ст. 217 Налогового кодекса Российской Федерации

4. Справочник "Коды субъектов Российской Федерации и иных территорий"

Код Наименование
01 Республика Адыгея (Адыгея)
02 Республика Башкортостан
03 Республика Бурятия
04 Республика Алтай
05 Республика Дагестан
06 Республика Ингушетия
07 Кабардино-Балкарская Республика
08 Республика Калмыкия
09 Карачаево-Черкесская Республика
10 Республика Карелия
11 Республика Коми
12 Республика Марий Эл
13 Республика Мордовия
14 Республика Саха (Якутия)
15 Республика Северная Осетия - Алания
16 Республика Татарстан (Татарстан)
17 Республика Тыва
18 Удмуртская Республика
19 Республика Хакасия
20 Чеченская Республика
21 Чувашская Республика - Чувашия
22 Алтайский край
23 Краснодарский край
24 Красноярский край
25 Приморский край
26 Ставропольский край
27 Хабаровский край
28 Амурская область
29 Архангельская область
30 Астраханская область
31 Белгородская область
32 Брянская область
33 Владимирская область
34 Волгоградская область
35 Вологодская область
36 Воронежская область
37 Ивановская область
38 Иркутская область
39 Калининградская область
40 Калужская область
41 Камчатская область
42 Кемеровская область
43 Кировская область
44 Костромская область
45 Курганская область
46 Курская область
47 Ленинградская область
48 Липецкая область
49 Магаданская область
50 Московская область
51 Мурманская область
52 Нижегородская область
53 Новгородская область
54 Новосибирская область
55 Омская область
56 Оренбургская область
57 Орловская область
58 Пензенская область
59 <*> Пермская область
60 Псковская область
61 Ростовская область
62 Рязанская область
63 Самарская область
64 Саратовская область
65 Сахалинская область
66 Свердловская область
67 Смоленская область
68 Тамбовская область
69 Тверская область
70 Томская область
71 Тульская область
72 Тюменская область
73 Ульяновская область
74 Челябинская область
75 Читинская область
76 Ярославская область
77 г. Москва
78 г. Санкт-Петербург
79 Еврейская автономная область
80 Агинский Бурятский автономный округ
81 Коми-Пермяцкий автономный округ
82 Корякский автономный округ
83 Ненецкий автономный округ
84 Таймырский (Долгано-Ненецкий) автономный округ
85 Усть-Ордынский Бурятский автономный округ
86 Ханты-Мансийский автономный округ - Югра
87 Чукотский автономный округ
88 Эвенкийский автономный округ
89 Ямало-Ненецкий автономный округ
99 другие территории, включая г. Байконур

<*> C 01.12.2005 данному коду соответствует новый субъект Российской Федерации - Пермский край, образуемый согласно положениям Федерального конституционного закона от 25.03.2004 N 1-ФКЗ <*> в результате объединения Пермской области и Коми-Пермяцкого автономного округа.

<*> Российская газета, N 62, 26.03.2004

УТВЕРЖДЕН
Приказом ФНС России
от 25.11.2005 N САЭ-3-04/616@

ФОРМАТ СВЕДЕНИЙ О ДОХОДАХ ПО ФОРМЕ N 2-НДФЛ "СПРАВКА О ДОХОДАХ ФИЗИЧЕСКОГО ЛИЦА ЗА 200_ ГОД", В ЭЛЕКТРОННОМ ВИДЕ (НА ОСНОВЕ XML) (Версия 4.00)

СОСТАВ И СТРУКТУРА ПОКАЗАТЕЛЕЙ СПРАВКИ О ДОХОДАХ ФИЗИЧЕСКОГО ЛИЦА (2-НДФЛ) (Версия 4.00000)

1. Общие сведения

1.1. Назначение

Формат описывает XML файл передачи данных справки о доходах физического лица (файла обмена).

Формат используется для представления в налоговые органы ФНС России сведений о доходах физических лиц.

1.2. Основание разработки

Настоящая версия формата разработана в соответствии с требованиями следующих документов:

Протокол электронного обмена информацией между структурными подсистемами АИС "Налог", между налоговыми органами и налогоплательщиками на основе XML (Общие требования к описанию XML файлов обмена. Версия 4.00).

Для заполнения Справки формы 2-НДФЛ используется справочная информация, представленная в приложении N 2 к форме N 2-НДФЛ (далее - Справочники).

2. Описание файла обмена

2.1. Общие сведения по файлу обмена

Имя файла обмена

Все справки формы N 2-НДФЛ в электронном виде формируются в виде текстовых файлов в кодировке windows-1251 с именем файла, имеющим следующий вид:

R_T_P_O_ddmmgggg_N.xml,

где:

R_T - префикс, принимающий значение ДОХОД_2НДФЛ;

P - код получателя информации. Код ИФНС получателя информации (классификатор СОНО);

O - код отправителя информации. Девятнадцатиразрядный идентификатор (ИНН и КПП) для отправителя юридического лица. Двенадцатиразрядный идентификатор (ИНН) для физического лица;

dd - день, mm - месяц, gggg - год формирования передаваемого файла;

N - 36 символьный глобальный уникальный идентификатор передаваемого файла (GUID).

Параметры первой строки файла обмена

Первая строка XML файла должна иметь следующий вид:

<?xml version="1.0" encoding = "windows-1251"?>

Имя файла, содержащего схему файла обмена

Имя файла схемы XML файла передачи сведений:

ДОХОД_2НДФЛ _NN.xsd, где:

ДОХОД_2НДФЛ - префикс, обозначающий принадлежность схемы файла обмена к передаче сведений по форме N 2-НДФЛ;

NN - номер версии схемы файла обмена. Для данной версии формата принимает значение "01".

2.2. Логическая модель файла обмена

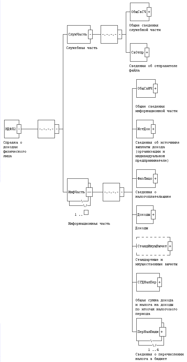
Логическая модель файла сведений справки о доходах физического лица представлена в графическом виде на рис. 1, а перечень структурных элементов логической модели приведен в табл. П21 - П2.23.

Для каждого структурного элемента в таблице приводятся следующие сведения:

- Наименование элемента. Приводится полное наименование элемента.

- Сокращенное наименование элемента. Приводится в соответствии с требованиями п. 4.4.6 "Протокола электронного обмена информацией между структурными подсистемами АИС "Налог", между налоговыми органами и налогоплательщиками на основе XML (Общие требования к описанию XML файлов обмена. Версия 4.00)".

- Признак типа элемента. Может принимать следующие значения: "П" - простой (не имеющий вложенных); "С" - сложный элемент (имеющий вложенные). После признака "П" или "С" указывается признак "Т", если для определения элемента используется типовой элемент. Например: ПТ, СТ. Наименование типового элемента указывается в графе "Дополнительные сведения".

- Формат элемента. Формат <*> определяется для простых элементов, т.е. имеющих значение "П" в столбце "Признак типа элемента". Представляется в условных обозначениях, которым соответствуют следующие значения: T - символьная строка; N - числовое значение (целое или дробное). Формат символьной строки указывается в виде T(k), где k - максимальное количество знаков в строке. Формат целого числа указывается в виде N(m), где m - максимальное количество знаков в числе. Если значением элемента является дробное десятичное число, то формат его представления имеет вид N(m.k), где m - максимальное количество знаков в числе, включая целую и дробную часть числа без разделяющей десятичной точки, а k - максимальное число знаков дробной части числа.

<*> При описании структуры формата файла обмена используются следующие металингвистические конструкции:

::= - метасимвол, означающий "есть по определению";

<> - метасимволы, используемые для выделения элементов структуры сообщения (логической модели);

[] - метасимволы, указывающие на необязательность элемента металингвистической структуры, заключенного в них;

{} - метасимволы, указывающие на использование элемента металингвистической структуры, заключенного в них, один и более раз;

| - метасимвол, означающий возможность выбора среди нескольких вариантов значений элемента металингвистической структуры.

- Признак обязательности элемента может принимать следующие значения: "О" - обязательное наличие элемента; "Н" - присутствие элемента необязательно; "П" - присутствие значения элемента необязательно. Если элемент может принимать ограниченный перечень значений (по классификатору или перечню кодов), то признак обязательности элемента дополняется символом "К". Например: "ОК". В случае если количество реализаций элемента может быть более одной, то признак обязательности элемента дополняется символом "М". Например: "ОМ, ПКМ".

- Дополнительная информация. Для элементов, принимающих значения из классификатора (кодового словаря), указывается соответствующее сокращенное наименование классификатора (кодового словаря) или перечень его возможных значений. Для типовых элементов указывается наименование типового элемента. Для сложных элементов указывается номер таблицы, в которой описывается структура данного элемента.

Рекомендации по формированию отдельных элементов файла обмена приведены в разделе 5 "Протокола электронного обмена информацией между структурными подсистемами АИС "Налог", между налоговыми органами и налогоплательщиками на основе XML (Общие требования к описанию XML файлов обмена. Версия 4.00)".

Классификаторы и кодовые словари (справочники), используемые при формировании некоторых элементов файла обмена, приведены в приложении N 1 к форме N 2-НДФЛ.

3. Диаграмма файла обмена

Рис. 1. Структура файла сведений справки о доходах физического лица

4. Перечень структурных элементов логической модели файла обмена

Перечень структурных элементов логической модели файла обмена сведений по справке о доходах физического лица приведен в табл. П2.1 - П2.23.

Таблица П2.1

Справка о доходах физического лица (НДФЛ2)

Наименование элемента Сокращенное наименование (код) элемента Признак типа элемента Формат элемента Признак обязательности элемента Дополнительная информация
Служебная часть СлЧаст С   О Структура представлена в табл. П2.2
Информационная часть ИнфЧаст С   О Структура представлена в табл. П2.9

Таблица П2.2

Служебная часть (СлЧаст)

Наименование элемента Сокращенное наименование (код) элемента Признак типа элемента Формат элемента Признак обязательности элемента Дополнительная информация
Общие сведения служебной части ОбщСвСЧ С   О Структура представлена в табл. П2.3
Сведения об отправителе СвОтпр С   О Структура представлена в табл. П2.5

Таблица П2.3

Общие сведения служебной части (ОбщСвСЧ)

Наименование элемента Сокращенное наименование (код) элемента Признак типа элемента Формат элемента Признак обязательности элемента Дополнительная информация
Идентификатор файла ИдФайл СТ   О Структура представлена в табл. П2.4
Тип информации ТипИнф П T(12) О ДОХОД
Версия формата ВерсФорм П T(4) О 4.00
Идентификатор получателя ИдПол П T(4) ОК <код НО> по СОНО
Версия передающей программы ВерсПрог П T(40) Н <версия программы>

Таблица П2.4

Идентификатор файла (ИдФайл)

Наименование элемента Сокращенное наименование (код) элемента Признак типа элемента Формат элемента Признак обязательности элемента Дополнительная информация
Глобальный уникальный идентификатор GUID П T(36) О 36-байтовый код, например AA01469B-D2FF44BF-90C8-781888327FC8
Дата формирования файла Дата П T(10) О <Дата> в формате ДД.ММ.ГГГГ

Таблица П2.5

Сведения об отправителе (СвОтпр)

Наименование элемента Сокращенное наименование (код) элемента Признак типа элемента Формат элемента Признак обязательности элемента Дополнительная информация
Описание отправителя (организации или индивидуального предпринимателя) Отправитель СТ   О ЮЛ (структура представлена в табл. П2.6) или ФЛ (структура представлена в табл. П2.7)
Телефон отправителя ТелОтпр П T(20) Н <номер телефона>
Должность ответственного лица ДолжнОтпр П T(45) О <название должности>
Фамилия, Имя, Отчество ответственного лица ФИООтпр СТ   О ФИО (структура представлена в табл. П2.8)

Таблица П2.6

Типовая структура "Общие сведения о юридическом лице" (ЮЛ)

Наименование элемента Сокращенное наименование (код) элемента Признак типа элемента Формат элемента Признак обязательности элемента Дополнительная информация
Наименование организации НаимОрг П T(1000) О <текстовое поле>
ИНН организации ИННЮЛ П T(10) О ИНН
КПП организации КПП П T(9) О КПП

Таблица П2.7

Типовая структура "Общие сведения о физическом лице" (ФЛ)

Наименование элемента Сокращенное наименование (код) элемента Признак типа элемента Формат элемента Признак обязательности элемента Дополнительная информация
Фамилия, Имя, Отчество физического лица ФИО СТ   О Структура представлена в табл. П2.8
ИНН физического лица ИННФЛ П T(12) О ИНН ФЛ

Таблица П2.8

Фамилия, имя, отчество (ФИО)

Наименование элемента Сокращенное наименование (код) элемента Признак типа элемента Формат элемента Признак обязательности элемента Дополнительная информация
Фамилия Фамилия П T(60) О <текстовое поле>
Имя Имя П T(60) О <текстовое поле>
Отчество Отчество П T(60) П <текстовое поле>

Таблица П2.9

Информационная часть (ИнфЧаст)

Наименование элемента Сокращенное наименование (код) элемента Признак типа элемента Формат элемента Признак обязательности элемента Дополнительная информация
Общие сведения информационной части ОбщСвИЧ С   О Структура представлена в табл. П2.10
Сведения об источнике выплаты дохода (организации или индивидуальном предпринимателе) ИстДох С   О Структура представлена в табл. П2.13
Данные о физическом лице - получателе дохода ФизЛицо С   О Структура представлена в табл. П2.14
Сведения об облагаемых доходах Доходы С   О Структура представлена в табл. П2.18
Стандартные и имущественные налоговые вычеты СтандИмущВычет С   Н Структура представлена в табл. П2.20
Общая сумма дохода и налога на доходы по итогам налогового периода СГДНалПер С   О Структура представлена в табл. П2.22
Сведения о перечислении налога в бюджет ПерНалБюдж С   ОМ Структура представлена в табл. П2.23

Таблица П2.10

Общие сведения информационной части (ОбщСвИЧ)

Наименование элемента Сокращенное наименование (код) элемента Признак типа элемента Формат элемента Признак обязательности элемента Дополнительная информация
Идентификатор документа ИдДок СТ   О Структура представлена в табл. П2.11
Дата формирования документа ДатаДок П T(10) О <Дата> в формате ДД.ММ.ГГГГ

Таблица П2.11

Идентификатор документа (Иддок)

Наименование элемента Сокращенное наименование (код) элемента Признак типа элемента Формат элемента Признак обязательности элемента Дополнительная информация
Идентификатор отправителя ИдОтпр СТ   О ИдОтпрЮл (Структура представлена в табл. П2.12) или ИННФЛ
Налоговый период ГодДох П T(4) О Год
Номер документа НомДок П T(8) О Число

Таблица П2.12

Идентификатор отправителя - юридического лица (ИдОтпрЮл)

Наименование элемента Сокращенное наименование (код) элемента Признак типа элемента Формат элемента Признак обязательности элемента Дополнительная информация
ИНН юридического лица ИННЮЛ П T(10) О ИННЮЛ
КПП КПП П T(9) О КПП

Таблица П2.13

Сведения об источнике выплаты дохода (ИстДох)

Наименование элемента Сокращенное наименование (код) элемента Признак типа элемента Формат элемента Признак обязательности элемента Дополнительная информация
Общие сведения о юридическом лице или Общие сведения о физическом лице ЮЛ или ФЛ СТ   О Структуры представлены в табл. П2.6 и П2.7
Телефон контактный Телефон П T(20) Н <номер телефона>

Таблица П2.14

Данные о физическом лице - получателе дохода (ФизЛицо)

Наименование элемента Сокращенное наименование (код) элемента Признак типа элемента Формат элемента Признак обязательности элемента Дополнительная информация
ИНН физического лица - получателя доходов ИННФЛ П T(12) Н Типовой элемент <ИННФЛ>
Фамилия, Имя, Отчество физического лица ФИО СТ   О Типовой элемент <ФИО> (формат элемента приведен в табл. П2.8)
Статус физического лица - получателя доходов Статус П T(1) ОК <код> Принимает значение: 1 - резидент, 2 - нерезидент
Пол физического лица - получателя доходов Пол П T(1) ОК <код> Принимает значение: 1 - мужской, 2 - женский
Сведения о документе, удостоверяющем личность физического лица - получателя доходов УдЛичн СТ   ОК Типовой элемент <УдЛичн> (формат элемента приведен в табл. П2.15)
Дата рождения ДатаРожд П T(10) О <Дата>
Гражданство физического лица - получателя доходов Гражданство П T(3) ОК <код страны> по ОКСМ
Адрес места жительства в Российской Федерации АдрРФ СТ   О Типовой элемент <АдрРФ> (формат элемента приведен в табл. П2.16)
Адрес в стране проживания (за пределами России) АдрИно С   Н Структура представлена в табл. П2.17

Таблица П2.15

Документ, удостоверяющий личность (УдЛичн)

Наименование элемента Сокращенное наименование (код) элемента Признак типа элемента Формат элемента Признак обязательности элемента Дополнительная информация
Код вида документа, удостоверяющего личность КодУдЛичн П T(2) ОК <код> - код из "Справочника "Виды документов, удостоверяющих личность налогоплательщика"
Серия и номер документа СерНом П T(25) О Значение в соответствии с шаблоном из "Справочника "Виды документов, удостоверяющих личность налогоплательщика"

Таблица П2.16

Адрес в Российской Федерации (АдрРФ)

Наименование элемента Сокращенное наименование (код) элемента Признак типа элемента Формат элемента Признак обязательности элемента Дополнительная информация
Почтовый индекс Индекс П T(6) О  
Код региона КодРегион П T(2) О <код> - код из "Справочника "Коды субъектов Российской Федерации и иных территорий"
Район Район П T(50) П Значение из КЛАДР
Город Город П T(50) П Значение из КЛАДР
Населенный пункт НасПункт П T(50) П Значение из КЛАДР
Улица Улица П T(50) П Значение из КЛАДР
Дом (владение) Дом П T(15) П <текст>
Корпус (строение) Корп П T(15) П <текст>
Квартира Квартира П T(15) П <текст>

Таблица П2.17

Адрес в стране проживания (АдрИно)

Наименование элемента Сокращенное наименование (код) элемента Признак типа элемента Формат элемента Признак обязательности элемента Дополнительная информация
Код страны КодСтр П T(3) ОК <код страны> по ОКСМ
Адрес АдрТекст П T(200) О <текст>

Таблица П2.18

Сведения об облагаемых доходах (Доходы)

Наименование элемента Сокращенное наименование (код) элемента Признак типа элемента Формат элемента Признак обязательности элемента Дополнительная информация
Ставка Ставка П N(2) О <цифрой код> Принимает значение: 9|13|30|35
Доходы и вычеты ДохВыч С   НМ Структура представлена в табл. П2.19

Таблица П2.19

Доходы и вычеты (ДохВыч)

Наименование элемента Сокращенное наименование (код) элемента Признак типа элемента Формат элемента Признак обязательности элемента Дополнительная информация
Месяц НомМес П T(2) О <номер месяца года> Принимает значение: от 1 до 12
Код дохода КодДоход П T(4) ОК <код> Принимает значения из справочника "Виды доходов"
Сумма дохода СумДоход П N(15.2) О <сумма>
Код вычета КодВычет П T(3) НК <код> Принимает значения из справочника "Вычеты"
Сумма вычета СумВычет П N(15.2) Н <сумма>

Таблица П2.20

Стандартные и имущественные налоговые вычеты (СтандИмущВычет)

Наименование элемента Сокращенное наименование (код) элемента Признак типа элемента Формат элемента Признак обязательности элемента Дополнительная информация
Суммы налоговых вычетов, право на получение которых имеется у налогоплательщика ПравоВыч С   ОМ Структура представлена в табл. П2.21
Номер уведомления, подтверждающего право на имущественный налоговый вычет НомерУвед П T(20) О <номер уведомления>
Дата выдачи уведомления ДатаУвед П T(10) О <Дата>
Код налогового органа, выдавшего уведомление ИФНС П T(4) ОК <код ИФНС> по СОНО
Общая сумма предоставленных стандартных налоговых вычетов СумСтНалВыч П N(15.2) О <сумма>
Общая сумма предоставленных имущественных налоговых вычетов СумИмуВыч П N(15.2) О <сумма>

Таблица П2.21

Суммы налоговых вычетов, право на получение которых имеется у налогоплательщика (ПравоВыч)

Наименование элемента Сокращенное наименование (код) элемента Признак типа элемента Формат элемента Признак обязательности элемента Дополнительная информация
Код вычета КодВыч П T(3) ОК <код> Принимает значения из справочника "Вычеты"
Сумма вычета СумВычет П N(15.2) О <сумма>

Таблица П2.22

Общая сумма дохода и налога на доходы по итогам налогового периода (СГДНалПер)

Наименование элемента Сокращенное наименование (код) элемента Признак типа элемента Формат элемента Признак обязательности элемента Дополнительная информация
Общая сумма дохода СГДСумм П N(15.2) О <сумма>
Облагаемая сумма дохода ОблСумм П N(15.2) О <сумма>
Сумма налога исчисленная НИОблСумм П N(12) О <сумма>
Сумма налога удержанная НУОблСумм П N(12) О <сумма>
Сумма возврата налогов по пересчету с доходов прошлых лет ВозврИФНСПЛ П N(12) Н <сумма>
Сумма, зачтенная при уплате налога по перерасчету с доходов прошлых лет ЗачСуммПЛ П N(12) Н <сумма>
Сумма, удержанная при уплате налога по перерасчету с доходов прошлых лет УдСуммПЛ П N(12) Н <сумма>
Задолженность по налогу за налогоплательщиком ДолгНП П N(12) Н <сумма>
Сумма налога, излишне удержанная налоговым агентом ДолгНА П N(12) Н <сумма>
Сумма налога, переданная на взыскание в налоговый орган ВзыскИФНС П N(12) Н <сумма>

Таблица П2.23

Сведения о перечислении налога в бюджет (ПерНалБюдж)

Наименование элемента Сокращенное наименование (код) элемента Признак типа элемента Формат элемента Признак обязательности элемента Дополнительная информация
Код по ОКАТО ОКАТО П T(11) ОК <ОКАТО>
Код бюджетной классификации КБК П T(20) ОК <КБК>
Сумма перечисленного налога СумПерНал П N(12) О <сумма>

5. Шаблоны для ввода реквизита "серия и номер" документа, удостоверяющего личность

Код Наименование документа Шаблон серии, номера
01 Паспорт гражданина СССР R-ББ 999999
03 Свидетельство о рождении SSSSSSSSSSSSSSSSSSSSSSSSS
04 Удостоверение личности офицера ББ 0999999
05 Справка об освобождении из места лишения свободы SSSSSSSSSSSSSSSSSSSSSSSSS
06 Паспорт Минморфлота ББ 999999
07 Военный билет солдата (матроса, сержанта, старшины) ББ 0999999
08 Временное удостоверение, выданное взамен военного билета SSSSSSSSSSSSSSSSSSSSSSSSS
09 Дипломатический паспорт гражданина Российской Федерации 99 9999999
10 Иностранный паспорт SSSSSSSSSSSSSSSSSSSSSSSSS
11 Свидетельство о регистрации ходатайства о признании иммигранта беженцем на территории Российской Федерации по существу SSSSSSSSSSSSSSSSSSSSSSSSS
12 Вид на жительство лица без гражданства SSSSSSSSSSSSSSSSSSSSSSSSS
13 Удостоверение беженца в Российской Федерации SSSSSSSSSSSSSSSSSSSSSSSSS
14 Временное удостоверение личности гражданина Российской Федерации SSSSSSSSSSSSSSSSSSSSSSSSS
15 Разрешение на временное проживание лица без гражданства в Российской Федерации SSSSSSSSSSSSSSSSSSSSSSSSS
18 Свидетельство о предоставлении временного убежища на территории Российской Федерации ББ-999 9999999
21 Паспорт гражданина Российской Федерации 99 99 9999990
22 Загранпаспорт гражданина Российской Федерации 99 9999999
23 Свидетельство о рождении, выданное уполномоченным органом иностранного государства SSSSSSSSSSSSSSSSSSSSSSSSS
24 Удостоверение личности военнослужащего Российской Федерации ББ 9999999
26 Паспорт моряка ББ 0999999
27 Военный билет офицера запаса ББ 0999999
91 Иные документы, предусмотренные законодательством Российской Федерации SSSSSSSSSSSSSSSSSSSSSSSSS

Примечания к таблице.

В графе "Шаблон серии, номера" приведены данные для контроля значения серии, номера документа.

Шаблон состоит из символов "R,"Б", "9", "0", "S", "-" (тире) и " " (пробел).

Используются следующие обозначения:

R - на месте одного символа R располагается целиком римское число, заданное символами "I", "V", "X", "L", "C", набранными на верхнем регистре латинской клавиатуры;

9 - любая десятичная цифра (обязательная);

0 - любая десятичная цифра (необязательная, может отсутствовать);

Б - любая русская заглавная буква;

S - символ не контролируется (может содержать любую букву, цифру или вообще отсутствовать);

"-" (тире) - указывает на обязательное присутствие данного символа в контролируемом значении.

Пробелы используются для разделения групп символов, а также вместо знаков "N" или "N" для разделения серии и номера документа.

6. Перечень сокращенных наименований типов адресных объектов

Сокращенное наименование типа адресного объекта Полное наименование типа адресного объекта
аал Аал
аллея Аллея
АО Автономный округ
Аобл Автономная область
аул Аул
б-р Бульвар
волость Волость
въезд Въезд
высел Выселки(ок)
г Город
городок Городок
д Деревня
дор Дорога
дп Дачный поселок
ж/д_казарм Железнодорожная казарма
ж/д_платф Железнодорожная платформа
ж/д_пост Железнодорожный пост
ж/д_рзд Железнодорожный разъезд
ж/д_ст Железнодорожная станция
заимка Заимка
казарма Казарма
кв-л Квартал
км Километр
кольцо Кольцо
кп Курортный поселок
край Край
линия Линия
м Местечко
мкр Микрорайон
наб Набережная
нп Населенный пункт
обл Область
остров Остров
п Поселок сельского типа
п/о Почтовое отделение
п/р Планировочный район
п/ст Поселок и (при) станция(и)
парк Парк
пгт Поселок городского типа
пер Переулок
переезд Переезд
пл Площадь
платф Платформа
пл-ка Площадка
полустанок Полустанок
починок Починок
починок Починок
пр-кт Проспект
проезд Проезд
промзона Промышленная зона
просек Просек
проселок Проселок
проулок Проулок
Респ Республика
рзд Разъезд
р-н Район
рп Рабочий (заводской) поселок
с Село
с/а Сельская администрация
с/мо Сельское муницип. образование
с/о Сельский округ
с/с Сельсовет
с/тер Сельская территория
сад Сад
сквер Сквер
сл Слобода
ст Станция
стр Строение
ст-ца Станица
тер Территория
тракт Тракт
туп Тупик
У Улус
ул Улица
уч-к Участок
х Хутор
ш Шоссе

7. Пример файла обмена

<?xml version="1.0" encoding=" windows-1251"?>

<НДФЛ2 xmlns:xsi=http://www.w3.org/2001/XMLSchema-instance

xsi:noNamespaceSchemaLocation="ДОХОД_2НДФЛ_01.xsd">

<СлЧаст>

<ОбщСвСЧ>

<ИдФайл>

<GUID>AA01469B-D2FF-44BF-90C8-781888327FC8</GUID>

<Дата>08.08.2005</Дата>

</ИдФайл>

<ТипИнф>ДОХОД</ТипИнф>

<ВерсФорм>4.0</ВерсФорм>

<ИдПол>7713</ИдПол>

<ВерсПрог>НП 9.30</ВерсПрог>

</ОбщСвСЧ>

<СвОтпр>

<Отправитель>

<ЮЛ>

<НаимОрг>ЗАО Альфа</НаимОрг>

<ИННЮЛ>7802123456<ИННЮЛ>

<КПП>780100001</КПП>

</ЮЛ>

</Отправитель>

<ФИООтпр>

<Фамилия>Кузнецов</Фамилия>

<Имя>Петр</Имя>

<Отчество>Петрович</Отчество>

</ФИООтпр>

<ДолжнОтпр>Главный бухгалтер</ДолжнОтпр>

<ТелОтпр>(095) 222-22-22</ТелОтпр>

</СвОтпр>

</СлЧаст>

<ИнфЧаст>

<ОбщСвИЧ>

<ИдДок>

<ИдОтпр>

<ИдОтпрЮЛ>

<ИННЮЛ>7723111111</ИННЮЛ>

<КПП>112300011</КПП>

</ИдОтпрЮЛ>

</ИдОтпр>

<ГодДох>2005</ГодДох>

<НомДок>00000001</НомДок>

</ИдДок>

<ДатаДок>30.12.2005</ДатаДок>

</ОбщСвИЧ>

<ИстДох>

<ЮЛ>

<НаимОрг>ЗАО Альфа</НаимОрг>

<ИННЮЛ>7701111222</ИННЮЛ>

<КПП>770111122</КПП>

</ЮЛ>

<Телефон>(095) 333-22-11</Телефон>ю

</ИстДох>

<ФизЛицо>

<ИННФЛ>772322222222</ИННФЛ>

<ФИО>

<Фамилия>Петров</Фамилия>

<Имя>Петр</Имя>

<Отчество>Петрович</Отчество>

</ФИО>

<Статус>1</Статус>

<Пол>1</Пол>

<УдЛичн>

<КодУдЛичн>21</КодУдЛичн>

<СерНом>45 11 345678</СерНом>

</УдЛичн>

<ДатаРожд>10.03.1955</ДатаРожд>

<Гражданство>643</Гражданство>

<АдрРФ>

<Индекс>109388</Индекс>

<КодРегион>50</КодРегион>

<Район>Одинцовский р-н</Район>

<Город>Голицино г</Город>

<НасПункт>Покровское с<НасПункт>

<Улица>Кухмистерова ул</Улица>

<Дом>18</Дом>

<Корп>1</Корп>

<Квартира>56</Квартира>

</АдрРФ>

<АдрИно>

<КодСтр>545</КодСтр>

<АдрТекст>123456, Киев г, Крещатик ул, 11, 1, 124</АдрТекст>

</АдрИно>

</ФизЛицо>

<Доходы>

<Ставка>13</Ставка>

<ДохВыч>

<НомМес>01</НомМес>

<КодДоход>2000</КодДоход>

<СумДоход>3000.00</СумДоход>

</ДохВыч>

<ДохВыч>

<НомМес>01</НомМес>

<КодДоход>2760</КодДоход>

<СумДоход>2000.00</СумДоход>

<КодВычет>503</КодВычет>

<СумВычет>2000.00</СумВычет>

</ДохВыч>

<ДохВыч>

<НомМес>02</НомМес>

<КодДоход>2000</КодДоход>

<СумДоход>3000.00</СумДоход>

</ДохВыч>

<ДохВыч>

<НомМес>03</НомМес>

<КодДоход>2000</КодДоход>

<СумДоход>3000.00</СумДоход>

</ДохВыч>

<ДохВыч>

<НомМес>04</НомМес>

<КодДоход>2000</КодДоход>

<СумДоход>3000.00</СумДоход>

</ДохВыч>

<ДохВыч>

<НомМес>05</НомМес>

<КодДоход>2000</КодДоход>

<СумДоход>3000.00</СумДоход>

</ДохВыч>

<ДохВыч>

<НомМес>06</НомМес>

<КодДоход>2000</КодДоход>

<СумДоход>3000.00</СумДоход>

</ДохВыч>

<ДохВыч>

<НомМес>07</НомМес>

<КодДоход>2000</КодДоход>

<СумДоход>3000.00</СумДоход>

</ДохВыч>

<ДохВыч>

<НомМес>08</НомМес>

<КодДоход>2000</КодДоход>

<СумДоход>3000.00</СумДоход>

</ДохВыч>

<ДохВыч>

<НомМес>09</НомМес>

<КодДоход>2000</КодДоход>

<СумДоход>3000.00</СумДоход>

</ДохВыч>

<ДохВыч>

<НомМес>10</НомМес>

<КодДоход>2000</КодДоход>

<СумДоход>3000.00</СумДоход>

</ДохВыч>

<ДохВыч>

<НомМес>11</НомМес>

<КодДоход>2000</КодДоход>

<СумДоход>3000.00</СумДоход>

</ДохВыч>

<ДохВыч>

<НомМес>12</НомМес>

<КодДоход>2000</КодДоход>

<СумДоход>3000.00</СумДоход>

</ДохВыч>

</Доходы>

<СтандИмущВычет>

<ПравоВыч>

<КодВыч>101</КодВыч>

<СумВычет>7200.00</СумВычет>

</ПравоВыч>

<ПравоВыч>

<КодВыч>103</КодВыч>

<СумВычет>2400.00</СумВычет>

</ПравоВыч>

<ПравоВыч>

<КодВыч>301</КодВыч>

<СумВычет>10000.00</СумВычет>

</ПравоВыч>

<НомерУвед>12345</НомерУвед>

<ДатаУвед>12.04.2005</ДатаУвед>

<ИФНС>7743</ИФНС>

<СумСтНалВыч>9600.00</СумСтНалВыч>

<СумИмуВыч>10000.00</СумИмуВыч>

</СтандИмущВычет>

<СГДНалПер>

<СГДСумм>38000.00</СГДСумм>

<ОблСумм>18400.00</ОблСумм>

<НИОблСумм>2392</НИОблСумм>

<НУОблСумм>2392<НУОблСумм>

<ВозврИФНСПЛ>0</ВозврИФНСПЛ>

<ЗачСуммПЛ>0</ЗачСуммПЛ>

<УдСуммПЛ>0</УдСуммПЛ>

<ДолгНП>0</ДолгНП>

<ДолгНА>0</ДолгНА>

<ВзыскИФНС>0</ВзыскИФНС>

</СГДНалПер>

<ПерНалБюдж>

<ОКАТО>12345678901</ОКАТО>

<КБК>1111111111111111111 </КБК>

<СумПерНал>2000</СумПерНал>

</ПерНалБюдж>

<ПерНалБюдж>

<ОКАТО>22345678901</ОКАТО>

<КБК>11111111111111111111</КБК>

<СумПерНал>392</СумПерНал>

</ПерНалБюдж>

</ИнфЧаст>

<ИнфЧаст>

...

</ИнфЧаст>

</НДФЛ2>

8. Правила контроля данных

1. Структура файла должна соответствовать структуре, описанной в пункте 3 Рекомендаций.

2. Для налоговых резидентов в разделе 3 справки должны присутствовать доходы только из разделов справочника видов доходов, соответствующего налоговой ставке, определенной в данном разделе. Для нерезидентов все виды дохода облагаются по ставке 30% и присутствуют в одной справке.

3. Для налоговых резидентов в разделе 3 справки для каждого месяца может присутствовать только один доход определенного вида. В случае получения нескольких сумм дохода одного и того же вида значения полученных сумм складываются (абзац 1 п. 3 ст. 226 НК РФ). Для нерезидентов для каждого месяца может присутствовать несколько доходов одного и того же вида (абзац 2 п. 3 ст. 226 НК РФ).

4. Раздел 4 формируется только для справок, содержащих доходы, облагаемые по ставке 13%.

5. Общие суммы предоставленных стандартных и имущественных налоговых вычетов не должны превышать соответственно суммы стандартных и имущественных вычетов, указанных в разделе 4.

6. Сумма предоставленных стандартных и имущественных налоговых вычетов не должна превышать сумму доходов за минусом вычетов из раздела 3.

7. В разделе 6 отражаются суммы, фактически перечисленные налоговым агентом в бюджет за отчетный период по данному физическому лицу.

8. Должны выдерживаться следующие соотношения:

a) <Облагаемая сумма дохода> = <Общая сумма дохода> - <Сумма предоставленных стандартных налоговых вычетов> - <Сумма предоставленных имущественных налоговых вычетов>.

b) Для ставки 13% <Сумма налога исчисленная> = <Облагаемая сумма дохода> x 13 / 100.

c) Для других ставок <Сумма налога исчисленная> = сумме исчисленных налогов по каждой выплате.

d) "Задолженность по налогу" = "Сумма налога исчисленная" - "Сумма налога удержанная" - "Сумма возврата налогов по перерасчету с доходов прошлых лет" - "Сумма, зачтенная при уплате налога по перерасчету с доходов прошлых лет" + "Сумма, удержанная при уплате налога по перерасчету с доходов прошлых лет" - "Сумма налога, переданная на взыскание в налоговый орган". Если "Задолженность по налогу" > 0, то это "Задолженность по налогу за налогоплательщиком", иначе "Сумма, излишне удержанная налоговым агентом".