Сосуды и аппараты стальные сварные. Общие технические условия. ОСТ 26 291-94

(утв. Роскоммашем от 21.04.94 и Госгортехнадзором РФ от 28.04.94)
Редакция от 17.06.1996 — Документ не действует

ОТРАСЛЕВОЙ СТАНДАРТ

СОСУДЫ И АППАРАТЫ СТАЛЬНЫЕ СВАРНЫЕ
ОБЩИЕ ТЕХНИЧЕСКИЕ УСЛОВИЯ

ОСТ 26 291-94

(в ред. Изменений N 1, N 2)

Срок действия
с 1 января 1996 г.

УТВЕРЖДЕН Комитетом РФ по машиностроению и Госгортехнадзором РФ от 21, 28 апреля 1994 г. (с изменениями от 9 октября 1995 г., 15 мая 1996 г.)

ВЗАМЕН ОСТ 26 291-87

Настоящий стандарт распространяется на стальные сварные сосуды и аппараты, работающие под давлением не более 16 МПа (160 кгс/см2) или без давления (под налив) при температуре стенки не ниже - 70°С.

Настоящий стандарт не распространяется:

на сосуды с толщиной стенки более 120 мм;

на сосуды, работающие под вакуумом с остаточным давлением ниже 665 Па (5 мм рт. ст.);

на сосуды, предназначенные для транспортирования нефтяных и химических продуктов;

на баллоны для сжатых и сжиженных газов;

на аппараты военных ведомств;

на трубчатые печи.

Настоящий стандарт устанавливает общие технические требования к конструкции, материалам, изготовлению, методам испытаний, приемке и поставке сосудов и аппаратов, а также специальные технические требования к колоннам и кожухо-трубчатым теплообменным аппаратам, предназначенным для нужд народного хозяйства и для поставки на экспорт в страны с умеренным и тропическим климатом по ГОСТ 15150.

В настоящем стандарте учтены требования Правила устройства и безопасной эксплуатации сосудов, работающих под давлением, утвержденных Госгортехнадзором России <1>.

<1> Правила устройства и безопасной эксплуатации сосудов, работающих под давлением, далее по тексту - Правила.

Любые отступления от требований настоящего стандарта, не противоречащие требованиям Правил, должны быть согласованы со специализированной научно-исследовательской организацией <2>.

<2> Список специализированных научно-исследовательских организаций приведен в обязательном приложении 1.

1. Требования к конструкции

1.1. Общие требования

1.1.1. Конструкция сосудов и аппаратов <3> должна быть технологичной, надежной в течение предусмотренного технической документацией срока службы, обеспечивать безопасность при изготовлении, монтаже и эксплуатации, предусматривать возможность осмотра (в том числе внутренней поверхности), очистки, промывки, продувки и ремонта.

<3> Сосуды и аппараты далее по тексту - сосуды.

Если конструкция сосуда не позволяет проведение наружного и внутреннего осмотров или гидравлического испытания при техническом освидетельствовании, то разработчик сосуда (или специализированная научно-исследовательская организация) должен в технической документации указать методику, периодичность и объем контроля сосуда, выполнение которых обеспечит своевременное выявление и устранение дефектов.

1.1.2. При проектировании сосудов должны учитываться требования Правил перевозки грузов железнодорожным, водным и автомобильным транспортом.

Сосуды, которые не могут транспортироваться в собранном виде, должны проектироваться из минимальных частей, соответствующих габариту требованиям перевозки железнодорожным транспортом. Деление сосуда на транспортируемые части должно указываться в технической документации.

1.1.3. Расчет на прочность сосудов, их элементов следует проводить в соответствии с действующей нормативно-технической документацией, согласованной с Госгортехнадзором России.

При отсутствии стандартизованного метода расчет на прочность должен выполнять разработчик сосуда и согласовывать со специализированной научно-исследовательской организацией.

1.1.4. При проектировании сосудов следует учитывать нагрузки, возникающие при монтаже и зависящие от способа монтажа.

1.1.5. Сосуды, транспортируемые в собранном виде, а также транспортируемые части должны иметь строповые устройства (захватные приспособления) для проведения погрузочно-разгрузочных работ, подъема и установки сосудов в проектное положение.

Взамен строповых устройств допускается по согласованию с монтажной организацией использовать технологические штуцера и горловины, уступы, бурты и другие конструктивные элементы сосудов.

Конструкция, места расположения строповых устройств и конструктивных элементов для строповки, их количество, схема строповки сосудов и их транспортируемых частей должны быть указаны в технической документации и согласованы с монтажной организацией.

1.1.6. Строповые устройства (захватные приспособления) и предназначенные для строповки конструктивные элементы сосудов должны быть рассчитаны на монтажную массу, нагрузки, возникающие при монтаже и зависящие от способа монтажа.

1.1.7. Шарнирные устройства для вертикальных сосудов массой более 100 т должны предусматриваться по указанию монтажной организации.

1.1.8. Опрокидываемые сосуды должны иметь приспособления, предотвращающие самоопрокидывание.

1.1.9. Базовые диаметры сосудов должны приниматься по ГОСТ 9617.

Сосуды могут изготавливаться по фактическому диаметру днища при условии выполнения требований п. 3.3.2 <4>.

<4> Здесь и далее по тексту даны отсылки к пунктам и разделам настоящего стандарта.

1.1.10. В зависимости от параметров (расчетного давления и температуры стенки) и характера рабочей среды сосуды подразделяются на группы. Группа сосуда определяется согласно требованиям табл. 1 или рис. 1. Группу для сосуда с полостями, имеющими различные параметры и среды, допускается определять для каждой полости отдельно.

Сосуды, на которые Правила не распространяются, независимо от расчетного давления следует относить к группе 5а или 5б.

Таблица 1

Группы сосудов

Группы сосудов Расчетное давление, МПа (кгс/смг) Температура стенки, °С Характер рабочей среды
1 Выше 0,07 (0,7) Независимо Взрывоопасная или пожароопасная или 1, 2-го классов опасности по ГОСТ 12.1.007
2 Выше 0,07 (0,7) до 2,5(25) Выше +400 Любая, за исключением указанной для 1-й группы сосудов
Выше 2,5(25) до 5(50) Выше +200
Выше 4(40) до 5(50) Ниже -40
Выше 5(50) Независимо
3 Выше 0,07(0,7) до 1,6(16) Ниже -20, Выше +200 до + 400
Выше 1,6(16) до 2,5(25) До +400
Выше 2,5(25) до 4(40) До +200
Выше 4(40) до 5(50) От -40 до + 200
4 Выше 0,07 (0,7) до 1,6 (16) От -20 до +200
До 0,07(0,7) Независимо Взрывоопасная или пожароопасная или 1, 2, 3-го классов опасности по ГОСТ 12.1.007
До 0,07 (0,7) Независимо Взрывобезопасная, пожаробезопасная, 4-го класса опасности по ГОСТ 12.1.007

Примечание. Сосуды с параметрами, соответствующими граничным линиям (рис. 1), следует относить к группе с менее жесткими требованиями.

Рис. 1. Деление сосудов на группы в зависимости от расчетного давления (Р) и температуры стенки (Т)

1.2. Прибавки для компенсации коррозии (эрозии)

1.2.1. Прибавки С к расчетным толщинам для компенсации коррозии (эрозии) должны приниматься с учетом условий эксплуатации, расчетного срока службы, скорости коррозии.

1.2.2. Прибавки для компенсации коррозии к толщине внутренних элементов должны быть:

2 С - для несъемных нагруженных элементов, а также для внутренних крышек и трубных решеток теплообменников;

0,5 С, но не менее 2 мм - для съемных нагруженных элементов; С - для несъемных ненагруженных элементов.

При наличии на трубной решетке или плоской крышке канавок прибавка для компенсации коррозии принимается с учетом глубины этих канавок.

Для внутренних съемных ненагруженных элементов прибавка для компенсации коррозии не учитывается.

Если из-за рабочих условий нецелесообразно увеличивать толщину стенки за счет прибавки для компенсации коррозии, рекомендуется коррозионная защита: плакирование, футеровка или наплавка.

1.2.3. Прибавка для компенсации коррозии не учитывается при выборе металлических прокладок для фланцевых соединений, болтов, опор, теплообменных труб и перегородок, теплообменных проставок и стояков.

1.3. Минимальные толщины

1.3.1. Толщины обечаек, днищ, опор с учетом прибавки для компенсации коррозии должны быть не менее: (D/1000 + 2,5) мм - из углеродистых и низколегированных сталей, где D - внутренний диаметр обечайки, днища, опоры, мм; 2,5 мм - из сталей аустенитного и аустенитно-ферритного классов.

Минимальные толщины обечаек и днищ теплообменников должны приниматься согласно требованиям п. 10.1.2.

1.4. Днища, крышки, переходы

1.4.1. В сосудах применяются днища: эллиптические, полусферические, торосферические, сферические неотбортованные, конические отбортованные, конические неотбортованные, плоские отбортованные, плоские неотбортованные, плоские, присоединяемые на болтах.

1.4.2. Заготовки выпуклых днищ допускается изготавливать сварными из частей с расположением сварных швов согласно указанным на рис. 2.

Расстояния l и l_1 от оси заготовки выпуклых днищ, за исключением полусферических, до центра сварного шва должны быть не более 1/5 внутреннего диаметра днища.

При изготовлении заготовок с расположением сварных швов согласно рис. 2-л количество лепестков не регламентируется.

1.4.3. Выпуклые днища допускается изготавливать из штампованных лепестков и шарового сегмента. Количество лепестков не регламентируется.

Рис. 2. Расположение сварных швов заготовок выпуклых днищ

Если по центру днища устанавливается штуцер, то шаровой сегмент допускается не изготавливать.

1.4.4. Круговые швы выпуклых днищ, за исключением полусферических, изготовленных из штампованных лепестков и шарового сегмента или заготовок с расположением сварных швов согласно рис. 2-л, должны располагаться от центра днища на расстоянии по проекции не более 1/3 внутреннего диаметра днища.

Наименьшее расстояние между меридиональными швами в месте их примыкания к шаровому сегменту или штуцеру, установленному по центру днища вместо шарового сегмента, а также между меридиональными швами и швом на шаровом сегменте должно быть более трехкратной толщины днища, но не менее 100 мм по осям швов.

1.4.5. Основные размеры эллиптических днищ должны соответствовать ГОСТ 6533.

1.4.6. Полушаровые составные днища (рис. 3) допускается применять в сосудах с толщиной обечайки не менее 40 мм при выполнении следующих условий:

нейтральные оси полушаровой части днища и переходной части обечайки корпуса должны совпадать; совпадение осей должно обеспечиваться соблюдением размеров, указанных в конструкторской документации;

смещение Т нейтральных осей полушаровой части днища и переходной части обечайки корпуса не должно превышать 0,5 (S-S'), где S - толщина обечайки, S' - толщина днища; высота h переходной части обечайки корпуса должна быть не менее 3у (у - расстояние от края днища до края обечайки).

Рис. 3. Узел соединения днища с обечайкой

1.4.7. Сферические неотбортованные днища допускается применять в сосудах 5-й группы, за исключением работающих под вакуумом.

Сферические неотбортованные днища в сосудах 1, 2, 3, 4-й групп и работающих под вакуумом допускается применять только в качестве элемента фланцевых крышек.

Сферические неотбортованные днища (рис. 4) должны:

Рис. 4. Сферическое неотбортованное днище

иметь радиус сферы R не менее 0,85 D и не более D (D - внутренний диаметр днища);

привариваться сварным швом со сплошным проваром.

1.4.8. Торосферические днища должны иметь:

высоту выпуклой части, измеренную по внутренней поверхности, не менее 0,2 внутреннего диаметра днища;

внутренний радиус отбортовки не менее 0,095 внутреннего диаметра днища;

внутренний радиус кривизны центральной части не более внутреннего диаметра днища.

1.4.9. Основные размеры конических отбортованных днищ должны соответствовать ГОСТ 12619.

1.4.10. Основные размеры конических неотбортованных днищ, предназначенных для сосудов 5-й группы, за исключением работающих под наружным давлением или вакуумом, должны соответствовать ГОСТ 12620 и ГОСТ 12621.

Конические неотбортованные днища или переходы допускается применять:

а) для сосудов 1, 2, 3, 4-й групп, если центральный угол при вершине конуса не более 45°;

б) для сосудов, работающих под наружным давлением или вакуумом, если центральный угол при вершине конуса не более 60°.

Части выпуклых днищ в сочетании с коническими днищами или переходами применяются без ограничения угла при вершине конуса.

1.4.11. Плоские днища (рис. 5), применяемые в сосудах, должны изготавливаться из поковок. При этом должны выполняться следующие условия:

расстояние от начала закругления до оси сварного шва не менее 0,25 кв.корень (D x S), где D - внутренний диаметр обечайки, S - толщина обечайки;

радиус закругления (рис. 5-а) r >= 2,5 x S;

радиус кольцевой выточки (рис. 5-б) r_1 >= 0,25 x S, но не менее 8 мм;

наименьшая толщина днища (рис. 5-б) в месте кольцевой выточки S_2>=0,8 S_1, но не менее толщины обечайки S (S_1 - толщина днища);

зона "А" контролируется в направлении "Z" согласно требованиям п. 2.4.5.

Плоские днища (рис. 5) допускается изготавливать путем штамповки из листа.

Рис. 5. Плоские днища

1.4.12. Основные размеры плоских днищ, предназначенных для работы под налив, должны соответствовать ГОСТ 12622 или ГОСТ 12623.

1.4.13. Длина цилиндрического борта l (расстояние от начала закругления отбортованного элемента до окончательно обработанной кромки) в зависимости от толщины стенки S (рис. 6) для отбортованных и переходных элементов сосудов, за исключением штуцеров, компенсаторов и выпуклых днищ, должна быть не менее указанной в табл. 2. Радиус отбортовки R>=2,5 x S.

Рис. 6. Отбортованный и переходный элементы

Таблица 2

Длина цилиндрического борта

Толщина стенки отбортованного элемента, S, мм Длина цилиндрического борта, l, мм
До 5 15
Свыше 5 до 10 2S + 5
Свыше 10 до 20 S + 15
Свыше 20 S/2+25

1.5. Люки, лючки, бобышки и штуцера

1.5.1. Сосуды должны быть снабжены люками или смотровыми лючками, обеспечивающими осмотр, очистку, безопасность работ по защите от коррозии, монтаж и демонтаж разборных внутренних устройств, ремонт и контроль сосудов. Количество люков и лючков определяет разработчик сосуда. Люки и лючки необходимо располагать в доступных для пользования местах.

1.5.2. Сосуды с внутренним диаметром более 800 мм должны; иметь люки.

Внутренний диаметр люка круглой формы у сосудов, устанавливаемых на открытом воздухе, должен быть не менее 450 мм, а у сосудов, располагаемых в помещении, - не менее 400 мм. Размер люков овальной формы по наименьшей и наибольшей осям должен быть не менее 325X400 мм.

Внутренний диаметр люка у сосудов, не имеющих корпусных фланцевых разъемов и подлежащих внутренней антикоррозионной защите неметаллическими материалами, должен быть не менее 800 мм.

Допускается проектировать без люков:

сосуды, предназначенные для работы с веществами 1-го и 2-го классов опасности по ГОСТ 12.1.007, не вызывающими коррозии и накипи, независимо от их диаметра, при этом следует предусмотреть необходимое количество смотровых лючков;

сосуды с приварными рубашками и кожухо-трубчатые теплообменные аппараты независимо от их диаметра;

сосуды, имеющие съемные днища или крышки, а также обеспечивающие возможность проведения внутреннего осмотра без демонтажа трубопроводов горловины или штуцера.

1.5.3. Сосуды с внутренним диаметром 800 мм и менее должны иметь круглый или овальный лючок. Размер лючка по наименьшей оси должен быть не менее 80 мм.

1.5.4. Каждый сосуд должен иметь бобышки или штуцера для наполнения водой и слива, удаления воздуха при гидравлическом испытании. Для этой цели могут использоваться технологические бобышки и штуцера.

Штуцера и бобышки на вертикальных сосудах должны быть расположены с учетом возможности проведения гидравлического испытания как в вертикальном, так и в горизонтальном положениях.

1.5.5. Для крышек люков массой более 20 кг технической документацией должны быть предусмотрены приспособления для облегчения их открывания и закрывания.

1.5.6. Шарнирно-откидные или вставные болты, закладываемые в прорези, хомуты и другие зажимные приспособления люков, крышек и фланцев, предохраняющие от сдвига, должны быть предусмотрены в технической документации.

1.6. Расположение отверстий

1.6.1. Расположение отверстий в эллиптических и полусферических днищах не регламентируется.

Расположение отверстий на торосферических днищах допускается в пределах центрального сферического сегмента. При этом расстояние от наружной кромки отверстия до центра днища, измеряемое по хорде, должно быть не более 0,4 наружного диаметра днища.

1.6.2. Отверстия для люков, лючков и штуцеров в сосудах 1, 2, 3, 4-й групп должны располагаться вне сварных швов.

Расположение отверстий допускается:

на продольных швах цилиндрических и конических обечаек сосудов, если диаметр отверстий не более 150 мм;

на кольцевых швах цилиндрических и конических обечаек сосудов без ограничения диаметра отверстий;

на швах выпуклых днищ без ограничения диаметра отверстий при условии 100-процентной проверки сварных швов днищ радиографическим или ультразвуковым методом;

на швах плоских днищ.

1.6.3. Отверстия не разрешается располагать в местах пересечения сварных швов сосудов 1, 2, 3, 4-й групп.

Данное требование не распространяется на случай, оговоренный в п. 1.4.3.

1.6.4. Отверстия для люков, лючков, штуцеров в сосудах 5-й группы разрешается устанавливать на сварных швах без ограничения по диаметру.

1.7. Требования к опорам

1.7.1. Основные размеры цилиндрических и конических опор вертикальных сосудов должны соответствовать АТК 24.200.04.

При S<S' (S - толщина опоры, S' - толщина днища) следует присоединять опору к днищу таким образом, чтобы средние диаметры цилиндрических обечаек сосуда и опоры совпадали. В случае использования стандартных опор при S<S' необходимо проверить прочность опорной обечайки с учетом дополнительных напряжений из-за смещения осей.

Опоры из углеродистых сталей допускается применять для сосудов из коррозионностойких сталей при условии, что к сосуду приваривается переходная обечайка опоры из коррозионностойкой стали высотой, определяемой тепловым расчетом, выполненным разработчиком сосуда.

1.7.2. Основные размеры лап и стоек для вертикальных сосудов должны соответствовать АТК 24.200.03, ГОСТ 26296.

1.7.3. Основные размеры опор для горизонтальных сосудов должны соответствовать ОСТ 26-2091.

Угол охвата опорой или подкладным листом опоры должен быть не менее 120°.

1.7.4. При применении нестандартных опор, лап и стоек разработчик сосуда должен предусмотреть резьбовые отверстия под регулировочные (отжимные) винты с нагрузками, предусмотренными в стандартах на опоры, лапы и стойки.

1.7.5. При наличии температурных расширений в продольном направлении в горизонтальных сосудах следует выполнять жесткой лишь одну седловую опору, остальные опоры - свободными. Указание об этом должно содержаться в технической документации.

1.8. Требования к внутренним и наружным устройствам

1.8.1. Внутренние устройства в сосудах (змеевики, тарелки, перегородки и др.), препятствующие осмотру и ремонту, должны быть съемными.

При использовании приварных устройств следует выполнять требования п. 1.1.1.

1.8.2. Внутренние приварные устройства необходимо конструировать так, чтобы было обеспечено удаление воздуха и полное опорожнение аппарата при гидравлическом испытании в горизонтальном и вертикальном положениях.

1.8.3. Рубашки, применяемые для наружного обогрева или охлаждения сосудов, могут быть съемными и приварными.

1.8.4. Все глухие части сборочных единиц и элементов внутренних устройств должны иметь дренажные отверстия, расположенные в самых низких местах этих сборочных единиц и элементов, для обеспечения полного слива жидкости в случае остановки сосуда.

Все глухие полости сосудов и их частей должны иметь отверстия для удаления воздуха.

2. Требования к материалам

2.1. Общие требования

2.1.1. Материалы по химическому составу и механическим свойствам должны удовлетворять требованиям государственных стандартов, технических условий и настоящего стандарта.

Качество и характеристики материалов должны подтверждаться предприятием-поставщиком в соответствующих сертификатах.

2.1.2. При выборе материалов для изготовления сосудов (сборочных единиц, деталей) должны учитываться: расчетное давление, температура стенки (минимальная отрицательная и максимальная расчетная), химический состав и характер среды, технологические свойства и коррозионная стойкость материалов.

2.1.3. Требования к основным материалам, их пределы применения, назначение, условия применения, виды испытаний должны удовлетворять требованиям обязательных приложений 2-10 <5>. Требования к сварочным материалам должны соответствовать требованиям подразд. 2.8.

<5> Механические свойства и виды испытаний, химический состав приведены в приложениях 18-24.

2.1.4. При выборе материалов для сосудов, устанавливаемых на открытой площадке или в неотапливаемом помещении, необходимо учитывать:

абсолютную минимальную температуру наружного воздуха данного района (СНиП 2.01.01), если температура стенки сосуда, находящегося под давлением, может стать отрицательной от воздействия окружающего воздуха;

среднюю температуру воздуха наиболее холодной пятидневки данного района с обеспеченностью 0,92 (СНиП 2.01.01), если температура стенки сосуда, находящегося под давлением, положительная; при этом качество материала должно соответствовать требованиям табл. 3.

Таблица 3

Марки сталей для сосудов, находящихся без давления, в зависимости от средней температуры воздуха наиболее холодной пятидневки

Средняя температура воздуха наиболее холодной пятидневки, °С Марка стали и обозначение стандарта
Не ниже -30 Ст3пс3, Ст3сп3, Ст3Гпс3 по ГОСТ 14637
15К-3, 16К-3, 18К-3, 20К-3 по ГОСТ 5520
16ГС-3, 09Г2С-3, 10Г2С1-3 по ГОСТ 5520
От -31 до -40 Ст3пс4, Ст3сп4, Ст3Гпс4 по ГОСТ 14637
15К-5, 16К-5, 18К-5, 20К-5 по ГОСТ 5520
16ГС-6, 09Г2С-6, 10Г2С1-6 по ГОСТ 5520
От -41 до -60 09Г2С-8, 10Г2С1-8 по ГОСТ 5520

Примечания.

1. Для материалов, не приведенных в табл. 3, нижний температурный предел применения должен определяться исходя из требований обязательных приложений 2-7.

2. Материалы для сосудов, устанавливаемых в районах со средней температурой воздуха наиболее холодной пятидневки ниже -40°С, выбираются специализированной научно-исследовательской организацией.

3. Если при проверке качества стали на соответствие требованию табл. 3 окажется, что обязательные приложения 2-7 и табл. 3 рекомендуют различные категории стали по ГОСТ 14637 или ГОСТ 5520, то необходимо применять сталь более высокой категории.

4. Пределы применения двухслойной стали определяются по основному слою.

5. Допускается испытание сталей на ударный изгиб при средней температуре воздуха наиболее холодной пятидневки для заданного района установки сосуда.

6. Пуск, остановку и испытание сосудов на герметичность в зимнее время следует проводить в соответствии с требованием обязательного приложения 17.

2.1.5. Материалы опорных частей сосудов, кронштейнов для крепления навесного оборудования и других деталей наружных приварных элементов должны удовлетворять требованиям табл. 3.

Элементы, привариваемые непосредственно к корпусу изнутри или снаружи: лапы, цилиндрические опоры, подкладки под фирменные пластинки, опорные кольца под тарелки и др., должны изготавливаться из материалов, обладающих хорошей свариваемостью, и иметь с материалом корпуса близкие значения коэффициентов линейного расширения. При этом разница в значениях коэффициентов линейного расширения не должна превышать 10%.

Примечания.

1. Допускается приварка к наружной поверхности корпуса сосудов из аустенитных хромоникелевых сталей элементов из углеродистой или низколегированной стали. Возможность приварки таких элементов, их протяженность и толщина устанавливаются автором проекта.

2. Допускается применять листовую сталь и сортовой прокат марок Ст3кп2 и Ст3пс2 толщиной не более 10 мм для приварных и неприварных внутренних элементов сосудов, работающих при температуре от -40 до +475°С.

2.1.6. Углеродистая сталь кипящая не должна применяться:

в сосудах, предназначенных для сжиженных газов;

в сосудах, предназначенных для работы со взрыво- и пожароопасными веществами, вредными веществами 1-го и 2-го классов опасности по ГОСТ 12.1.005, ГОСТ 12.1.007 и средами, вызывающими коррозионное растрескивание (растворы едкого калия и натрия, азотнокислого калия, натрия, аммония и кальция, этаноламина, азотной кислоты, аммиачная вода, жидкий аммиак<6> и др.) или вызывающими сероводородное растрескивание и расслоение.

<6> При содержании влаги менее 0,2%.

Примечание. Внутренние устройства, соприкасающиеся со взрыво- и пожароопасными средами, допускается выполнять из кипящей стали толщиной не более 10 мм.

2.1.7. Сталь марки Ст3пс категорий 3, 4, 5 толщиной более 12 мм до 25 мм допускается применять для сосудов объемом не более 50 м3, а толщиной 12 мм и менее - наравне со сталью Ст3сп соответствующей категории.

2.1.8. Коррозионностойкие стали (лист, трубы, сварочные материалы, поковки и штампованные детали) при наличии требований в проекте должны быть проверены на стойкость против межкристаллитной коррозии по ГОСТ 6032.

2.1.9. Применение материалов, предусмотренных в обязательных приложениях 2-10, для изготовления сосудов, работающих с параметрами, выходящими за установленные пределы, а также применение материалов, не предусмотренных стандартом, допускаются в установленном порядке Госгортехнадзором России на основании заключения специализированной научно-исследовательской организации. Копия решения вкладывается в паспорт сосуда.

Для сосудов 5-й группы допускается применение новых материалов, расширение области применения материалов или изменение объема испытаний материалов по заключению специализированной научно-исследовательской организации.

2.1.10. При отсутствии сопроводительных сертификатов на материалы или данных об отдельных видах испытаний должны быть проведены испытания на предприятии-изготовителе сосуда в соответствии с требованиями стандартов или технических условий на эти материалы и требованиями настоящего стандарта.

2.1.11. Допускается по согласованию с разработчиком сосуда и специализированной научно-исследовательской организацией применение материалов, указанных в табл. 3 и обязательных приложениях 2-10, по другим стандартам и техническим условиям, если качество материала по ним не ниже устанавливаемого настоящим стандартом.

2.1.12. Дополнительные требования к материалам, не предусмотренные стандартами или техническими условиями или предусмотренные в них "по требованию заказчика", должны быть обязательно указаны в технической документации.

2.2. Сталь листовая (обязательные приложения 2 и 3)

2.2.1. При заказе углеродистых сталей обыкновенного качества по ГОСТ 14637, углеродистых сталей и низколегированных по ГОСТ 5520 должна быть указана категория стали.

При заказе сталей по ГОСТ 5520 необходимо потребовать поставку стали с содержанием серы не более 0,035% и фосфора не более 0,035%, а сталей марки 20К категорий 5 и 11 - поставку в нормализованном состоянии.

2.2.2. Коррозионностойкая, жаростойкая и жаропрочная толстолистовая сталь по ГОСТ 7350 должна быть заказана горячекатанной, термически обработанной, травленной, с обрезной кромкой, с качеством поверхности по группе М2б и требованием по стойкости против межкристаллитной коррозии. По указанию разработчика сосуда должно быть оговорено требование по содержанию альфа-фазы.

2.2.3. Листовую углеродистую сталь марки Ст3сп и двухслойную сталь с основным слоем из стали марки Ст3сп толщиной более 25 мм и сталь марки Ст3Гпс толщиной более 30 мм допускается применять в соответствии с параметрами, предусмотренными обязательным приложением 2 при условии проведения испытания металла на ударный изгиб на предприятии-изготовителе сосудов или их элементов. Испытание на ударный изгиб следует проводить на трех образцах. При этом величина ударной вязкости КСU должна быть не менее:

50 Дж/см2 (5 кгс х м/см2) при температуре +20°С;

30 Дж/см2 (3 кгс х м/см2) при температуре -20°С и после механического старения, а на одном образце допускается величина ударной вязкости не менее 25 Дж/см2 (2,5 кгс х м/см2).

Примечание. Для проката по ГОСТ 5520, ГОСТ 14637, ГОСТ 19281 допускается переводить сталь из одной категории в другую при условии проведения необходимых дополнительных испытаний в соответствии с требованиями указанных стандартов.

2.2.4. Листовая сталь толщиной листа более 60 мм, предназначенная для сосудов, работающих под давлением более 10 МПа (100 кгс/см2), должна подвергаться на предприятии-поставщике металла контролю ультразвуковым или другим равноценным методом. Методы контроля должны соответствовать ГОСТ 22727, нормы контроля - классу 1 по ГОСТ 22727.

2.2.5. Листы из двухслойных сталей толщиной более 25 мм, предназначенные для сосудов, работающих под давлением более 4 МПа (40 кгс/см2), должны заказываться по ГОСТ 10885 с учетом требований, соответствующих 1-му классу сплошности сцепления слоев.

Примечание. Применение двухслойных сталей других классов сплошности допускается по согласованию со специализированной научно-исследовательской организацией.

2.2.6. Допускается применение листового двухслойного проката и заготовок, полученных методом взрыва.

2.2.7. Заготовки деталей из листовой стали марки 20К по ТУ 14-1-3922 подлежат нормализации на предприятии-изготовителе сосудов (сборочных единиц, деталей).

Примечание. Если механические свойства металла листов при поставке соответствуют требованиям ТУ 14-1-3922, что подтверждается испытаниями на предприятии - изготовителе сосудов (сборочных единиц, деталей), нормализацию заготовок деталей на предприятии-изготовителе можно не производить.

2.3. Трубы (обязательное приложение 4)

2.3.1. Электросварные трубы не допускается применять в трубных пучках теплообменных аппаратов, предназначенных для работы с веществами 1-го и 2-го классов опасности по ГОСТ 12.1.005, ГОСТ 12.1.007 (за исключением сероводорода при концентрации не более 0,03% об.), и в сосудах, где смешение сред трубного и межтрубного пространств может привести к взрыву

2.3.2. При заказе труб по ГОСТ 10706 из сталей марок Ст3сп4 и Ст3сп5 необходимо оговорить поставку их в соответствии с требованиями для труб магистральных тепловых сетей и проведение контроля поперечных сварных швов неразрушающим методом.

2.3.3. При заказе труб по ГОСТ 8731 и ГОСТ 8733 следует оговорить поставку труб из сталей группы "В" с проведением гидравлического испытания и, при необходимости, контроля макроструктуры, испытания на раздачу или сплющивание, или загиб.

Примечание. Контроль макроструктуры производится при давлении среды более 5 МПа (50 кгс/см2).

2.3.4. При заказе труб по ГОСТ 550 из сталей марок 10, 20, 15Х5М и Х8, предназначенных для изготовления теплообменных аппаратов, необходимо оговорить поставку труб из сталей группы "А" (сортамент по ГОСТ 550).

2.3.5. При заказе труб по ГОСТ 9940 и ГОСТ 9941 необходимо оговорить следующие требования:

партия должна состоять из труб одной плавки и иметь единый документ о качестве с указанием химического состава и сведений о термической обработке;

глубина местной зачистки или шлифовки не должна выводить диаметр и толщину стенки за пределы минусовых отклонений;

должны быть проведены гидравлические испытания, испытания на стойкость против межкристаллитной коррозии, испытания на раздачу или сплющивание.

При заказе труб по ГОСТ 9940 следует оговорить также и требования по очистке от окалины и термообработке труб.

2.3.6. При заказе электросварных труб из коррозионностойких сталей по ТУ 14-3-1391 необходимо оговорить проведение испытания на стойкость против межкристаллитной коррозии.

2.3.7. Трубы, закрепляемые в сосудах методом развальцовки, должны испытываться на раздачу, в остальных случаях - на загиб или сплющивание в соответствии со стандартами на трубы.

2.3.8. Допускается применять бесшовные трубы без проведения гидравлического испытания на предприятии-изготовителе труб в следующих случаях:

если труба подвергается по всей поверхности контролю физическими методами (радиографическим, ультразвуковым или им равноценным);

для труб при рабочем давлении до 5 МПа (50 кгс/см2), если предприятие-изготовитель труб гарантирует положительные результаты гидравлических испытаний.

2.4. Поковки (обязательное приложение 5)

2.4.1. Режимы ковки и термическом обработки поковок должны соответствовать установленным в действующей технической документации.

2.4.2. Размеры поковки должны соответствовать конструкторской документации с припусками на механическую обработку, технологическими напусками и допусками на точность изготовления в соответствии с ГОСТ 7062, ГОСТ 7829 и ГОСТ 7505.

Качество поверхности, механические свойства поковок, допускаемые дефекты и методы устранения дефектов должны соответствовать требованиям ГОСТ 8479, ГОСТ 25054, ГОСТ 26159.

В случае изготовления поковок по размерам, выходящим за пределы, предусмотренные ГОСТ 8479 и ГОСТ 25054, требования к механическим свойствам поковок должны быть оговорены в проекте.

2.4.3. Поковки из коррозионностойких сталей при наличии требования в проекте должны испытываться на стойкость против межкристаллитной коррозии по ГОСТ 6032.

2.4.4. Поковки из углеродистых, низколегированных и среднелегированных сталей, предназначенные для работы под давлением более условного давления 6,3 МПа (63 кгс/см2) и имеющие один из габаритных размеров (диаметр) более 200 мм и толщину более 50 мм, следует подвергать поштучному контролю ультразвуковым или другим равноценным методом. Поковки, работающие под давлением не более условного давления 6,3 МПа (63 кгс/см2), а также поковки из аустенитных и аустенитно-ферритных высоколегированных сталей, работающие под давлением более указанного условного давления, должны подвергаться неразрушающему контролю при наличии этого требования в проекте.

Контролю ультразвуковым или другим равноценным методом следует подвергать не менее 50% объема поковки.

Методика контроля и оценка качества должна соответствовать требованиям ОСТ 26-11-09.

2.4.5. Перед запуском в производство каждая поковка для плоских днищ (см. рис. 5), кроме поковок из высоколегированных сталей, должна быть проконтролирована ультразвуковым методом в зоне "А" по всей площади.

2.5. Отливки стальные (обязательное приложение 7)

2.5.1. Отливки стальные должны применяться в термообработанном состоянии с проверкой механических свойств после термической обработки.

Вид и режим термической обработки устанавливает предприятие-изготовитель отливок.

2.5.2. Сталь для отливок должна выплавляться в мартеновских или электрических печах, способ выплавки указывается в сертификате.

2.5.3. Отливки по форме и размерам должны соответствовать требованиям проекта. Допускаемые отклонения по размерам и массе отливок, а также припуски на механическую обработку принимаются по 3 классу точности ГОСТ 26645.

2.5.4. Качество поверхности отливок должно соответствовать требованиям ГОСТ 977 и соответствующим техническим условиям.

2.5.5. На поверхности отливок, подлежащих механической обработке, допускаются без исправления дефекты, если глубина залегания их не превышает 2/3 припуска на механическую обработку.

2.5.6. Дефекты отливок, влияющие на прочность и ухудшающие их товарный вид, подлежат исправлению. Виды, количество, размеры и расположение дефектов, подлежащих исправлению, а также способы их исправления определяются соответствующими техническими условиями и чертежами заказчика на детали из отливок.

2.5.7. Отливки из легированных и коррозионностойких сталей подвергаются контролю макро- и микроструктуры при наличии требований в технических условиях или проектах.

Исследование макро- и микроструктуры производится по инструкции предприятия-изготовителя.

2.5.8. Отливки из коррозионностойких сталей при наличии требований в проекте должны быть испытаны на стойкость против межкристаллитной коррозии по ГОСТ 6032 методом, указанным в проекте.

2.5.9. Образцы для испытания механических свойств должны изготовляться в соответствии с требованиями ГОСТ 977.

2.5.10. Каждая полая отливка, работающая при давлении свыше 0,07 МПа (0,7 кгс/см2), должна подвергаться гидравлическому испытанию пробным давлением, указанным в технических условиях и ГОСТ 356.

Испытание отливок, прошедших на предприятии-изготовителе 100-процентный контроль неразрушающими методами, допускается совмещать с испытанием собранного узла или сосуда пробным давлением, установленным для узла или сосуда.

2.6. Сортовая сталь (обязательное приложение 6)

2.6.1. При заказе углеродистых сталей обыкновенного качества по ГОСТ 535 необходимо оговорить степень раскисления (спокойная, полуспокойная, кипящая) и категорию стали.

Категория стали должна быть оговорена и при заказе стали по ГОСТ 19281.

2.6.2. При заказе коррозионностойких сталей по ГОСТ 5949 необходимо оговорить поставку их в термообработанном состоянии и проверку на стойкость против межкристаллитной коррозии по ГОСТ 6032.

2.7. Крепежные детали

2.7.1. При выборе марок сталей для крепежных деталей фланцевых соединений, предусмотренных стандартами, следует руководствоваться стандартами на эти фланцы.

2.7.2. Требования к материалам, виды их испытаний, пределы применения, назначение и условия применения должны удовлетворять требованиям ОСТ 26-2043.

2.7.3. Материалы крепежных деталей должны выбираться с коэффициентом линейного расширения, близким по значению коэффициенту линейного расширения материала фланца. При этом разница в значениях коэффициентов линейного расширения не должна превышать 10%.

Допускается применять материалы шпилек (болтов) и фланцев с коэффициентами линейного расширения, значения которых отличаются между собой более чем на 10% в случаях, когда:

это обосновано расчетом на прочность или экспериментальным исследованием;

расчетная температура фланца не более +100°С для фланцевых соединений по ГОСТ 12820-ГОСТ 12822 и ГОСТ 28759.2Ч-ГОСТ 28759.4.

2.7.4. Допускается для шпилек (болтов) из аустенитных сталей применять гайки из сталей других структурных классов, предусмотренных в ОСТ 26-2043.

2.7.5. Гайки и шпильки (болты) для соединений, работающих под давлением, должны изготавливаться из сталей разных марок.

Допускается изготавливать шпильки (болты) и гайки из сталей одной марки. При этом твердость гаек должна быть ниже твердости шпилек (болтов) не менее чем на 15 НВ.

2.7.6. Допускается применять крепежные детали из сталей марок 30Х, 35Х, 38ХА, 40Х, 25Х1МФ, 30ХМА, 25Х2М1Ф, 37Х12Н8Г8МФБ для соединений, работающих под давлением, до температуры -60°С, а также гайки из стали марки 35 после закалки и высокого отпуска для соединений, работающих под давлением, до температуры -46°С. В этом случае необходимо провести испытание образцов с острым надрезом (тип 11 по ГОСТ 9454) на ударный изгиб при рабочей температуре. Значение ударной вязкости на всех образцах должно быть не менее 30 Дж/см2 (3 кгс х М/см2). Объем испытаний - по ГОСТ 20700.

Примечание. Испытания на ударный изгиб при рабочей температуре проводятся только для шпилек.

2.7.7. Длина шпилек (болтов) должна обеспечивать превышение резьбовой части над гайкой не менее чем на 1,5 шага резьбы.

2.7.8. Для фундаментных болтов должны применяться стали по ГОСТ 24379.0. Допускается применять материал для фундаментных болтов по ОСТ 26-2043.

2.8. Сварочные материалы <7>

<7> Раздел разработан в соответствии с ВНИИПТхимнефтеаппаратуры.

2.8.1. Сварочные материалы следует выбирать согласно требованиям обязательных приложений 11-16 <8> и зависимости от условий применения и с учетом требований обязательных приложений 2-10 и табл. 3.

<8> Химический состав приведен в приложении 25.

Сварочные материалы, не указанные в обязательных приложениях 11-16, могут применяться по согласованию со специализированной научно-исследовательской организацией.

2.8.2. Сварочные материалы, применяемые для изготовления сосудов (сборочных единиц, деталей), должны удовлетворять требованиям стандартов или технических условий. Качество и характеристики сварочных материалов должны подтверждаться предприятием-поставщиком в соответствующих сертификатах. При отсутствии сертификата сварочные материалы должны проверяться на соответствие требованиям стандартов или технических условий на предприятии-изготовителе сосуда.

2.8.3. Электроды с покрытием для ручной дуговой сварки типов, предусмотренных ГОСТ 9467 или ГОСТ 10052, должны обеспечивать механические свойства металла шва и наплавленного металла в соответствии с требованиями этих стандартов.

2.8.4. Механические свойства металла шва или наплавленного металла, выполненные не указанными в настоящем стандарте сварочными материалами или способами, должны быть не ниже требований, приведенных в табл. 4.

Таблица 4

Механические свойства металла шва и наплавленного металла

Наименование сталей Временное сопротивление разрыву Относительное удлинение, % Ударная вязкость КСU, Дж/см2 (кгс.м/см2)
при температуре +20°С
Углеродистые, марганцовистые и марганцево-кремнистые Не ниже нижнего значения временного сопротивления разрыву основного металла, указанного в обязательных приложениях 18 и 19 для соответствующей марки стали 18 50 (5,0)
Низколегированные хромистые и хромомолибденовые 16
Среднелегированные хромистые, хромомолибденовые и хромованадиево-вольфрамовые 14
Высоколегированные с особыми свойствами По стандарту или техническим условиям на сварочный материал или не менее 18 при отсутствии в стандарте данной характеристики 70 (7,0)

Примечания.

1. В случае применения присадочных материалов при сварке сосудов, предназначенных для работы при температурах ниже -20°С, значение ударной вязкости наплавленного металла должно удовлетворять требованиям табл. 16.

2. Допускается снижение значения временного сопротивления разрыву на одном из двух испытанных образцов не более чем на 7%.

3. Нормы механических свойств металла шва или наплавленного металла для низко- и среднелегированных хромистых, хромомолибденовых, хромованадиевых и хромованадиево-вольфрамовых сталей указаны после термической обработки согласно паспорту на сварочные материалы или после термической обработки, предусмотренной в подразд. 3.12.

2.8.5. В случае отсутствия сертификата механические испытания металла шва или наплавленного металла должны проводиться на растяжение и ударный изгиб на образцах по ГОСТ 6996.

2.8.6. В металле, наплавленном электродами, предназначенными для ручной сварки сталей аустенитного класса, содержание ферритной фазы должно соответствовать ГОСТ 10052 или техническим условиям (паспорту) на электроды. Необходимость определения ферритной фазы в металле швов, выполненных другими способами сварки сталей аустенитного класса, устанавливается проектом. Количество ферритной фазы должно соответствовать ОСТ 26-3.

Сварочные материалы, не предусмотренные настоящим стандартом и предназначенные для сварки сосудов (сборочных единиц, деталей) из аустенитных сталей, работающих при температуре выше 350°С, при отсутствии сертификатных или паспортных указаний должны подвергаться контролю на содержание ферритной фазы в металле шва или наплавленном металле.

2.8.7. Ручная и автоматическая наплавка поверхностей фланцев, люков и других деталей из малоуглеродистых и низколегированных сталей для сосудов из двухслойных сталей должна производиться сварочными материалами, указанными в обязательных приложениях 12, 14, 16, в зависимости от марки коррозионностойкого слоя и рабочих условий, предусмотренных проектом. При этом первый (переходной) слой должен быть выполнен электродами типа Э-10Х25Н13Г2 или сварочной проволокой Св-06Х25Н12ТЮ или св-07Х25Н12Г2Т. Допускается применение сварочной ленты аналогичного химического состава.

Технология наплавки должна предусматривать меры, ограничивающие разбавление шва углеродистой или низколегированной сталью и предотвращающие образование хрупкой структуры.

Примечание. По согласованию с разработчиком сосуда или специализированной научно-исследовательской организацией допускается наплавка на поверхность деталей, предназначенных для работы в средах, вызывающих коррозионное растрескивание.

2.8.8. Сварочные материалы, предназначенные для выполнения соединений из разнородных сталей, должны выбираться согласно РТМ 26-298 для ручной дуговой и автоматической под флюсом сварки и согласно РТМ 26-378 для сварки в защитных газах.

2.8.9. Сварочные материалы (электроды и сварочная проволока), предназначенные для выполнения сварных соединений, к которым предъявляются требования по стойкости против межкометаллитной коррозии, перед запуском в производство должны подвергаться испытаниям на стойкость против межкристаллитной коррозии по ГОСТ 6032 без провоцирующего нагрева.

Если сосуд или его детали в процессе изготовления нагреваются выше 600°С или подвергаются термической обработке, необходимо проводить испытания образцов на стойкость против межкристаллитной коррозии с учетом времени всех термических переделов, которым подвергаются сосуд или детали.

2.8.10. При получении неудовлетворительных результатов по какому-либо виду испытаний разрешается проведение повторных испытаний на удвоенном количестве образцов по виду испытаний, давшему неудовлетворительные результаты.

2.8.11. Сертификаты и результаты испытаний сварочных материалов, если такие проводились, должны храниться на предприятии-изготовителе.

3. Требования к изготовлению

3.1. Общие требования

3.1.1. Материалы перед запуском в производство должны быть проверены на соответствие требованиям проекта, настоящего стандарта, стандартов или технических условий.

Копии сертификатов, а при их отсутствии результаты испытаний материалов оборонных единиц и деталей сосудов, регистрируемых в органах Госгортехнадзора России, должны прилагаться к паспорту сосуда.

3.1.2. Во время хранения и транспортирования материалов на предприятии - изготовителе сосудов должны быть исключены повреждения материалов и обеспечена возможность сличения нанесенной маркировки с данными сопроводительной документации.

3.1.3. На листах и плитах, принятых к изготовлению обечаек и днищ, должна быть сохранена маркировка металла. Если лист и плиту разрезают на части, на каждую из них должна быть перенесена маркировка металла листов и плит.

Маркировка должна содержать следующие данные:

марку стали (для двухслойной стали - марки основного и коррозионностойкого слоя);

номер партии - плавки;

номер листа (для листов с полистными испытаниями и двухслойной стали);

клеймо технического контроля.

Маркировка наносится в соответствии с требованиями п. 7.1.4.

Маркировка должна находиться на стороне листа и плиты, не соприкасающейся с рабочей средой, в углу на расстоянии 300 мм от кромок.

Примечание. Маркировке, нанесенной предприятием-поставщиком на листе или плите, допускается присваивать условный регистрационный номер. Условный регистрационный номер наносится на заготовку при переносе маркировки и присваивается документу о качестве.

3.1.4. Методы разметки заготовок деталей из сталей аустенитного класса марок 12Х18Н10Т, 10Х17Н13М3Т, 08Х17Н15М3Т и др. и двухслойных сталей с коррозионностойким слоем из этих сталей не должны допускать повреждений рабочей поверхности деталей.

Кернение допускается только по линии реза.

3.1.5. На поверхности обечаек и днищ не допускаются риски, забоины, царапины, раковины и другие дефекты, если их глубина превышает минусовые предельные отклонения, предусмотренные соответствующими стандартами и техническими условиями, или если после зачистки их толщина стенки будет менее допускаемой по расчету.

3.1.6. Поверхности деталей должны быть очищены от брызг металла, полученных в результате термической (огневой) резки и сварки.

3.1.7. Заусенцы должны быть удалены и острые кромки деталей и узлов притуплены.

3.1.8. Предельные отклонения размеров, если в чертежах или нормативно-технической документации не указаны более жесткие требования, должны быть:

для механически обрабатываемых поверхностей: отверстий H14, валов h14, остальных ± IТ14/2 по ГОСТ 25347;

для поверхностей без механической обработки, а также между обработанной и необработанной поверхностями - в соответствии с табл. 5.

Таблица 5

Предельные отклонения размеров поверхностей

Размеры, мм Предельные отклонения по ГОСТ 25347 и ГОСТ 26179
отверстий валов остальных
До 500 Н17 h17 ±IТ17/2
Свыше 500 до 3150 Н16 h16 ±IТ16/2
Свыше 3150 Н15 h15 ±IТ15/2

Оси резьбовых отверстий деталей внутренних устройств должны быть перпендикулярны к опорным поверхностям. Допуск перпендикулярности должен быть в пределах 15-й степени точности по ГОСТ 24643, если не предъявляются в чертежах или нормативно-технической документации более жесткие требования.

3.1.9. Методы сборки элементов под сварку должны обеспечивать правильное взаимное расположение сопрягаемых элементов и свободный доступ к выполнению сварочных работ в последовательности, предусмотренной технологическим процессом.

3.1.10. Разделка кромок и зазор между кромками деталей, подлежащих сварке, должны соответствовать требованиям чертежей и стандартов на сварные швы.

3.1.11. Сварщик должен приступать к сварочным работам только после установления отделом технического контроля правильности сборки и зачистки всех поверхностей, подлежащих сварке.

3.1.12. Покрытие (эмалью, свинцом, лаком, резиной, эбонитом и др.) и подготовка под покрытие внутренней поверхности сосуда при наличии требования в технической документации должны проводиться по документации предприятия-изготовителя.

3.2. Обечайки

3.2.1. Обечайки диаметром до 1000 мм должны изготавливаться не более чем с двумя продольными швами.

Обечайки диаметром свыше 1000 мм должны изготавливаться из листов максимально возможной длины. Вставки допускаются шириной не менее 400 мм для сосудов 1, 2, 3, 4-й групп и не менее 200 мм для сосудов 5-й группы.

3.2.2. Отклонение в длине развертки окружности взаимостыкуемых обечаек должно обеспечивать выполнение требований п. 3.10.9. Замер длины развертки производится с двух концов заготовки обечайки.

3.3. Корпуса

3.3.1. После сборки и сварки обечаек корпус (без днищ) должен удовлетворять следующим требованиям:

а) отклонение по длине не более ±0,3% от номинальной длины, но не более ±75 мм;

б) отклонение от прямолинейности не более 2 мм на длине 1 м, но не более 20 мм при длине корпуса до 10 м и не более 30 мм при длине корпуса свыше 10 м.

При этом местная непрямолинейность не учитывается:

в местах сварных швов;

в зоне вварки штуцеров и люков в корпус;

в зоне конусности обечайки, используемой для достижения допустимых смещений кромок в кольцевых швах сосудов, имеющих эллиптические или отбортованные конические днища;

в) отклонение от прямолинейности корпуса (без днищ) сосудов с внутренними устройствами, устанавливаемыми в собранном виде, не превышает величину номинального зазора между внутренним диаметром корпуса и наружным диаметром устройства на участке установки.

Усиления кольцевых и продольных швов на внутренней поверхности корпуса должны быть зачищены в местах, где они мешают установке внутренних устройств.

Усиления сварных швов не снимают у корпусов сосудов, изготовленных из двухслойных и коррозионностойких сталей; при этом у деталей внутренних устройств делают местную выемку в местах прилегания к сварному шву. В случае, когда зачистка таких внутренних швов необходима, должна быть предусмотрена технология сварки, обеспечивающая коррозионную стойкость зачищенного шва.

3.3.2. Отклонение внутреннего (наружного) диаметра корпуса сосудов, за исключением теплообменных аппаратов, допускается не более ±1% номинального диаметра.

Относительная овальность "а" корпуса сосудов (за исключением теплообменных аппаратов, а также аппаратов, работающих под вакуумом или наружным давлением) не должна превышать 1%. Величина относительной овальности определяется:

в местах, где не установлены штуцера и люки, по формуле

в местах установки штуцеров и люков по формуле

где D_Мax, D_Мin - соответственно наибольший и наименьший внутренние диаметры корпуса, измеренные в одном поперечном сечении, d - внутренний диаметр штуцера или люка.

Значение "а" допускается увеличивать до 1,5% для сосудов при отношении толщины корпуса к внутреннему диаметру не более 0,01.

Значение "а" для сосудов, работающих под вакуумом или наружным давлением, должно быть не более 0,5%.

Значение "а" для сосудов без давления (под налив) должно быть не более 2%.

3.3.3. Для выверки горизонтального положения базовая поверхность горизонтального сосуда должна быть указана в технической документации. На одном из днищ корпуса должны быть нанесены несмываемой краской две контрольные риски для выверки бокового положения сосуда на фундаменте.

3.3.4. Для выверки вертикального положения вверху и внизу корпуса под углом 90° должны быть предусмотрены у изолируемых колонных аппаратов две пары приспособлений по ОСТ 36-18, а у неизолируемых две пары рисок.

3.3.5. Корпуса вертикальных сосудов с фланцами, имеющими уплотнительные поверхности "шип - паз" или "выступ - впадина", для удобства установки прокладки следует выполнять так, чтобы фланцы с пазом или впадиной были нижними.

3.4. Днища

3.4.1. Качество сварных швов днищ после штамповки должно соответствовать требованиям подразд. 3.11.

Контроль качества сварных швов днищ после штамповки производится в объемах и методами, предусмотренными в разд. 5.

3.4.2. Смещение кромок свариваемых заготовок днищ не должно превышать 10% толщины листа, но не более 3 мм, а для двухслойных сталей со стороны плакирующего слоя смещение стыкуемых кромок должно соответствовать величинам, указанным в табл. 14.

3.4.3. Днища, изготовленные из коррозионностойкой стали аустенитного класса методом горячей штамповки или горячего фланжирования, а также днища, прошедшие термообработку или горячую правку, должны быть очищены от окалины, если это требование предусмотрено технической документацией. Пассивирование рабочей поверхности днищ производится по требованию технической документации.

3.4.4. Отклонение внутреннего (наружного) диаметра в цилиндрической части отбортованных днищ и полусферического днища допускается не более ±1% номинального диаметра. Относительная овальность допускается не более 1%.

3.4.5. Готовое днище, являющееся товарной продукцией, должно иметь маркировку:

товарный знак или наименование предприятия-изготовителя;

номер днища по системе нумерации предприятия-изготовителя;

марку материала;

условное обозначение;

клеймо технического контроля.

Надписи "товарный знак" или "предприятие-изготовитель", "номер днища" допускается не наносить по согласованию с заказчиком.

Маркировка наносится в соответствии с требованием п. 7.1.4. Маркировка должна находиться на наружной выпуклой поверхности днища.

Днища эллиптические

3.4.6. Отклонения размеров и формы днищ (рис. 7) не должны превышать значений, указанных в табл. 6, 7, 8.

Рис. 7. Отклонения размеров и формы эллиптического днища

Таблица 6

Допуски высоты цилиндрической части и высоты выпуклости (вогнутости) на эллипсоидной части днища

Диаметр днища, D, мм Предельное отклонение высоты цилиндрической части, Дельта h, мм Предельная высота отдельной вогнутости или выпуклости на эллипсоидной части, Т, мм
До 720 ±5 2
От 800 до 1300 3
От 1320 и более 4

Примечания.

1. Высота отдельной вогнутости или выпуклости Т на эллипсоидной части днища, изготавливаемого на фланжировочном прессе, допускается до 6 мм.

2. На цилиндрической части днища не допускаются гофры высотой более 2 мм.

3. Высота эллипсоидной части днища обеспечивается оснасткой.

Таблица 7

Допуски наклона цилиндрической части

Толщина днища, S', мм Допуски наклона Дельтам, мм
До 20 4
От 22 до 25 5
От 28 до 34 6
От 36 и более 8

Таблица 8

Допуски формы эллипсоидной поверхности

Диаметр днищ, D, мм Зазор между шаблоном и эллипсоидной поверхностью, мм
Дельта r Дельта R
До 530 4 8
От 550 до 1400 6 13
От 1500 до 2200 10 21
От 2400 до 2800 12 31
От 3000 и более 16 41

3.4.7. Для днищ, изготавливаемых штамповкой, допускается утонение в зоне отбортовки до 15% от исходной толщины заготовки.

3.4.8. Контроль формы готового днища следует производить шаблоном длиной 0,5 внутреннего диаметра днища. Высота цилиндрической части должна измеряться приложением линейки по ГОСТ 427.

Днища полусферические

3.4.9. Высота отдельной вогнутости или выпуклости Т (рис. 8-а) на поверхности днищ должна быть не более 4 мм.

3.4.10. Зазоры Дельта R и Дельта r между шаблоном и сферической поверхностью днища из лепестков и шарового сегмента (рис. 8-б, в) должны быть не более ±5 мм при внутреннем диаметре днища до 5000 мм и ±8 мм при внутреннем диаметре более 5000 мм. Величина зазора Дельта R может быть увеличена в 2 раза, если S'>= 0,8 S (S - толщина обечайки, S' - толщина днища).

Рис. 8 Отклонение формы полусферического днища

3.4.11. Зазоры Дельта R и Дельта r между шаблоном и сферической поверхностью штампованного днища должны быть не более значений, указанных в табл. 8.

3.4.12. Контроль формы готового днища производится шаблоном длиной не менее 1/6 внутреннего диаметра днища.

Конические днища (переходы)

3.4.13. У конических днищ (переходов) продольные и кольцевые швы смежных поясов могут располагаться не параллельно образующей и основанию конуса. При этом должны выполняться требования п. 3.10.7.

3.4.14. Утонение толщины стенки отбортовки конических днищ (переходов), изготовляемых штамповкой, должно соответствовать требованию п. 3.4.7.

3.4.15. Отклонения высоты цилиндрической части днища допускаются не более +10 и -5 мм.

Днища плоские

3.4.16. Отклонение от плоскостности для плоских днищ по ГОСТ 12622 и ГОСТ 12623 не должно превышать требований по отклонению от плоскостности на лист по ГОСТ 19903 и ГОСТ 10885.

3.4.17. Отклонение от плоскостности для плоских днищ, работающих под давлением, после приварки их к обечайке не должно превышать 0,01 внутреннего диаметра сосуда, но не более 20 мм при условии, что в технической документации не указаны более жесткие требования.

3.5. Фланцы

3.5.1. Технические требования к фланцам сосудов и фланцам арматуры должны отвечать соответственно ГОСТ 28759.5 и ГОСТ 12816.

Фланцы с гладкой уплотнительной поверхностью не допускается применять в сосудах 1-й и 2-й групп.

При выборе материала прокладок следует учитывать условия эксплуатации сосуда. Сведения о прокладках должны указываться в технической документации на сосуд.

Примечание. Это ограничение не распространяется на фланцы эмалированных и гуммированных сосудов, а также в случае применения спирально-навитых прокладок с ограничительными кольцами.

3.5.2. Фланцы приварные встык должны изготавливаться из поковок, штамповок или бандажных заготовок.

Фланцы приварные встык допускается изготавливать:

вальцовкой заготовки по плоскости листа (рис. 9)

Рис. 9. Схема вальцовки фланца приварного встык по плоскости листа

для сосудов, работающих под давлением не более условного давления 2,5 МПа (25 кгс/см2);

путем гиба кованых полос для сосудов, работающих под давлением не более условного давления 6,3 МПа (63 кгс/см2);

методом точения из сортового проката.

При этом сварные швы должны быть в дополнение к требованиям разд. 4 проконтролированы радиографическим или ультразвуковым методом в объеме 100%.

3.5.3. Плоские фланцы допускается изготавливать сварными из частей при условии выполнения сварных швов с полным проваром по всему сечению фланца.

Качество радиальных сварных швов должно быть проверено радиографическим или ультразвуковым методом в объеме 100%.

Сварные швы плоских фланцев из низколегированных (марок 16ГС, 09Г2С, 10Г2С1) и аустенитно-ферритных сталей, применяемых при температурах ниже -20°С, дополнительно испытываются на ударный изгиб при минимальной рабочей температуре.

Сварные швы фланцев из аустенитных хромоникелевых и аустенитно-ферритных сталей дополнительно должны испытываться на стойкость против межкристаллитной коррозии в соответствии с требованиями подразд. 5.4.

3.5.4. Фланцы для сосудов из двухслойной стали должны изготавливаться из стали основного слоя двухслойной стали или из стали этого же класса с защитой уплотнительной и внутренней поверхностей фланца от коррозии наплавкой или облицовкой из коррозионностойкой стали.

Фланцы штуцеров, патрубки которых изготовлены из хромоникелевой аустенитной стали в соответствии с требованиями п. 3.6.1, допускается применять из той же стали, если это предусмотрено в конструкторской документации.

3.5.5. Для контроля герметичности сварных соединений облицовки фланцев необходимо предусматривать контрольные отверстия под резьбу М10 по ГОСТ 8724.

3.6. Штуцера, люки, укрепляющие кольца

3.6.1. Патрубки штуцеров и люков сосудов из двухслойных сталей могут быть изготовлены:

из двухслойной стали той же марки или того же класса;

с коррозионностойкой наплавкой внутренней поверхности патрубка;

с применением облицовочных гильз.

Толщина наплавленного слоя должна быть не менее 3 мм после механической обработки и не менее 5 мм при наличии требований по межкристаллитной коррозии. Толщина облицовки должна быть не менее 3 мм.

Патрубки штуцеров сосудов из двухслойной стали с основным слоем из углеродистой или марганцевокремнистой стали и плакирующим слоем из хромистой коррозионностойкой стали или хромоникелевой аустенитной стали допускается изготавливать из хромоникелевой аустенитной стали при соблюдении следующих условий:

условный проход патрубка не более 100 мм, расчетная температура не более 400°С независимо от режима работы сосуда;

условный проход патрубка не более 200 мм, расчетная температура не более 250°С и режим работы сосуда непрерывный или периодический с количеством циклов не более 1000.

3.6.2. Торцы патрубков штуцеров и люков из двухслойной стали и швы приварки их к корпусу должны быть защищены от корродирующего действия среды наплавкой или накладкой.

Толщина наплавленного слоя должна быть не менее указанной в п. 3.6.1. Толщина накладок должна быть не менее 3 мм.

3.6.3. Отверстия и разделка кромок при установке бобышек, штуцеров и люков на продольных швах цилиндрических и конических частей корпусов и сварных швах выпуклых днищ, сосудов из хромомолибденовых сталей должны быть выполнены только механическим способом.

3.6.4. При установке штуцеров и люков:

позиционное отклонение (в радиусном измерении)

осей штуцеров и люков допускается не более ±10 мм;

отклонения диаметров отверстий под штуцера и люки должны быть в пределах зазоров, допускаемых для сварных соединений по конструкторской документации;

оси отверстий для болтов и шпилек фланцев не должны совпадать с главными осями сосудов и должны располагаться симметрично относительно этих осей, при этом отклонение от симметричности допускается не более ±5°;

отклонение по высоте (вылету) штуцеров допускается не более ±5 мм.

3.6.5. Для контроля на герметичность при наличии облицовочной гильзы необходимо предусмотреть контрольное отверстие с резьбой М10 по ГОСТ 8724.

3.6.6. При приварке бобышек, патрубков штуцеров и люков, укрепляющих колец расстояние N между краем шва корпуса и краем шва приварки детали (рис. 10) принимается в соответствии с требованиями п. 3.10.6.

Рис. 10. Схема определения расстояния между краем шва корпуса и краем шва приварки детали

Расстояние между швами не регламентируется:

при приварке бобышек к патрубкам штуцеров;

в случае асимметричного расположения привариваемой детали на сварном шве корпуса.

3.6.7. Укрепляющие кольца допускается изготавливать из частей, но не более чем из четырех. При этом сварные швы должны выполняться с проваром на полную толщину кольца.

В каждом укрепляющем кольце или каждой его части, если сварка частей производится после установки их на сосуд, должно быть не менее одного контрольного отверстия с резьбой М10 по ГОСТ 8724. Контрольное отверстие должно располагаться в нижней части кольца или полукольца по отношению к сосуду, устанавливаемому в эксплуатационное положение, и оставаться открытым.

3.6.8. Укрепляющие кольца должны прилегать к поверхности укрепляемого элемента. Зазор допускается не более 3 мм. Зазор контролируется щупом по наружному диаметру укрепляющего кольца.

3.7. Змеевики

3.7.1. При изготовлении гнутых змеевиков должны выполняться следующие условия:

а) расстояние между сварными стыками в змеевиках спирального, винтового и других типов должно быть не менее 4 м. Длина замыкающей трубы с каждого конца должна быть не менее 500 мм, за исключением случая приварки к замыкающей трубе патрубка, штуцера или отвода.

При горячей гибке труб с наполнителем допускается не более одного сварного стыка на каждом витке при условии, что расстояние между сварными стыками не менее 2 м;

б) в змеевиках С приварными двойниками (колена двойные) на прямых участках труб длиной 2 м и более допускается один сварной стык, исключая швы приварки двойников.

Примечание. При горячей гибке вручную труб с наполнителем для змеевиков с диаметром витка не более 1,3 м допускается не более двух стыков на каждом витке. Для змеевиков с диаметром витка более 1,3 м количество стыков не нормируется, но при этом расстояние между стыками должно быть не менее 2 м.

3.7.2. Для сварки стыков труб могут применяться все виды сварки, за исключением газовой сварки, при соблюдении требований подразд. 3.10-3.12.

3.7.3. Применение газовой сварки допускается только для труб условным диаметром до 80 мм с толщиной стенки не более 4 мм.

3.7.4. Грат снаружи и внутри трубы после контактной сварки должен удаляться методом, принятым на предприятии-изготовителе.

Концы труб, подлежащие контактной сварке, должны быть очищены снаружи и внутри от грязи, масла, заусенцев. При этом не допускается исправление дефектов, дефектные стыки должны быть вырезаны. В местах вырезки допускается вставка отрезка трубы длиной не менее 200 мм.

3.7.5. На каждый крайний сварной стык, независимо от способа сварки, наносится клеймо, позволяющее установить фамилию сварщика, выполнявшего эту работу.

Место клеймения должно располагаться на основном металле на расстоянии не более 100 мм от стыка.

3.7.6. Отклонение от перпендикулярности торца труб наружным диаметром не более 100 мм относительно оси трубы не должно превышать:

0,4 мм при контактной сварке;

0,6 мм при газовой и электродуговой сварке.

Отклонение от перпендикулярности торца труб наружным диаметром более 100 мм должно соответствовать нормам, принятым на предприятии-изготовителе.

3.7.7. Холодная раздача концов труб из углеродистой стали при их подгонке допускается для труб наружным диаметром не более 83 мм и толщиной стенки не более 6 мм на величину не более чем на 3% от внутреннего диаметра трубы.

3.7.8. Отклонение от круглости в местах гиба труб и сужение внутреннего диаметра в зоне сварных швов не должны превышать 10% от наружного диаметра труб. Отклонение от круглости следует проверять для труб диаметром не более 60 мм при радиусе гиба менее четырех диаметров пропусканием контрольного шара, а для остальных труб - измерением наружного диаметра.

Диаметр контрольного шара должен быть равен:

0,9 d для труб без гибов, за исключением труб с подкладными остающимися кольцами (d - фактический наименьший внутренний диаметр труб);

0,8 d для гнутых сварных труб, за исключением гнутых труб в горячем состоянии или с приварными коленами;

0,86 d для гнутых в горячем состоянии труб;

0,75 d для гнутых труб с приварными коленами.

Отклонение от номинального размера диаметра контрольного шара не должно превышать - 1,5 мм. (в ред. Изменения N 1)

3.7.9. Смещение кромок В стыкуемых труб (рис. 11) в стыковых соединениях определяется шаблоном и щупом и не должно превышать значений, указанных в табл. 9.

Рис. 11. Схема определения смещения кромок стыкуемых труб

Таблица 9

Смещение кромок стыкуемых труб

Номинальная толщина стенки трубы, S, мм В, мм
До 3 0,2S
Свыше 3 до 6 0,1S+0,3
Свыше 6 до 10 0,15S
Свыше 10 до 20 0,05S+1,0
Свыше 20 0,1S, но не более 3 мм

3.7.10. Отклонение от прямолинейности Дельта L оси трубы на расстоянии 200 мм от оси шва (рис. 12) определяется шаблоном и щупом и не должно превышать значений, указанных в табл. 10.

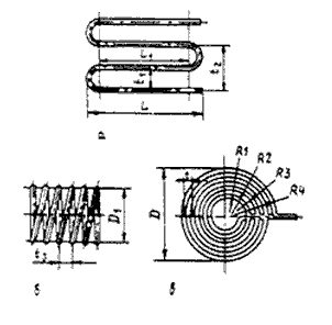
3.7.11. При изготовлении гнутых змеевиков (рис. 13-а, в) предельные отклонения размеров должны быть следующие: ±6 мм - для L; ±5 мм - для L_1 и Т_2; ±4 мм - для Т_1; ± 10 мм - для D.

Рис. 12. Схема определения отклонения от прямолинейности оси трубы

Таблица 10

Отклонение от прямолинейности оси трубы

Номинальная толщина стенки трубы, S, мм Дельта L, мм
До 3 0,2S+1,0
Свыше 3 до 6 0,1S+1,3
Свыше 6 до 10 0,15S+1,0
Свыше 10 до 20 0,05S+2,0
Свыше 20 0,1S+1,0, но не более 4 мм

Рис. 13. Размеры гнутых змеевиков

Предельные отклонения радиусов R_1, R_2, R_3, R_4, диаметра D_1, шага Т_3 (рис. 13-б, в) и излома оси в швах приварки выводов устанавливаются чертежом предприятия-изготовителя.

Примечание. Допускается отклонение размеров L и L_1 (если эти размеры больше 6 м) увеличить на 1 мм на каждый 1 м длины, но не более чем на 10 мм на всю длину.

3.7.12. Контроль сварных швов змеевиков следует проводить в соответствии с требованиями подразд. 5.2-5.10.

Объем контроля сварных швов радиографическим или ультразвуковым методом должен быть не менее указанного в табл. 20. Группа змеевика определяется по табл. 1.

3.7.13. Змеевики должны подвергаться гидравлическому испытанию до установки в сосуд пробным давлением, указанным в чертежах предприятия-изготовителя. При испытании не должно быть признаков течи и потения.

3.7.14. Пункт исключен. (в ред. Изменения N 1)

3.8. Отводы и трубы гнутые

3.8.1. Отводы должны удовлетворять требованиям ГОСТ 17375, ГОСТ 17380 и чертежам предприятия-изготовителя.

3.8.2. Отводы должны изготавливаться с углом гиба 45, 60, 90 и 180°.

Отводы, гнутые из труб под углом 180°, допускается изготавливать сварными из двух отводов под углом 90°.

Изменение угла гиба допускается по соглашению с заказчиком.

3.8.3. Крутоизогнутые отводы могут изготавливаться из труб и листового проката. Применение секторных отводов в сосудах 1-й и 2-й групп не допускается.

3.8.4. Каждый штампосварной отвод должен подвергаться гидравлическому испытанию пробным давлением, указанным в ГОСТ 356.

Гидравлическое испытание отводов допускается совмещать с гидравлическим испытанием труб.

Гидравлическое испытание допускается заменять 100-процентным контролем сварных швов радиографическим или ультразвуковым методом.

3.8.5. Предельные отклонения размеров и допуск плоскостности торцов А отводов и труб гнутых не должны превышать значений, указанных в табл. 11.

Таблица 11

Предельные отклонения размеров и допуск плоскостности отводов и гнутых труб

Толщина отводов или гнутых труб, S, мм Предельные отклонения, мм Допуски плоскостности, Дельта, мм
внутреннего диаметра толщины стенки
От 2,5 до 3,0 ±0,5 ±0,125S ±0,5
От 3,5 до 4,5 ±1,0 ±1,0
От 5,0 до 6,0 ±1,5 ±1,5
От 7,0 до 8,0 ±2,0
От 9,0 до 15,0 ±2,5
От 16,0 и более ±3,0

Предельные отклонения размеров L_1, L_2, L_3 отводов (рис. 14) не должны превышать значений, указанных в табл. 12.

Рис. 14. Схема определения размеров L_1, L_2, L_3, Дельта отводов в зависимости от угла гиба

Таблица 12

Предельные отклонения размеров L_1, L_2, L_3 отводов

Условный проход отводов, мм Предельные отклонения размеров L_1, L_2, L_3, мм
До 125 ±2,0
Свыше 125 до 200 ±3,0
Свыше 200 до 350 ±4,0
Свыше 350 до 500 ±5,0
Свыше 500 ±6,0

3.9. Сварка

3.9.1. Сварка корпусов и приварка к ним деталей сосудов 1, 2, 3, 4-й групп, а также сварка внутренних устройств, если они относятся к указанным группам, должна проводиться сварщиками, сдавшими экзамены в соответствии с Правилами аттестации сварщиков, утвержденными Госгортехнадзором России, и имеющими удостоверение установленной формы.

3.9.2. Сосуды в зависимости от конструкции и размеров могут быть изготовлены с применением всех видов промышленной сварки, за исключением газовой сварки. Использование газовой сварки допускается только для труб змеевиков в соответствии с требованием п. 3.7.3.

3.9.3. Сварка сосудов (сборочных единиц, деталей) должна производиться в соответствии с требованиями технических условий на изготовление или технологической документации.

Технологическая документация должна содержать указания по:

технологии сварки материалов, принятых для изготовления сосудов (сборочных единиц, деталей);

применению присадочных материалов;

видам и объему контроля;

предварительному и сопутствующему подогреву;

термической обработке.

3.9.4. Прихватка свариваемых сборочных узлов и деталей производится с применением сварочных материалов, указанных в обязательных приложениях 11-16. Прихватка должна выполняться квалифицированными сварщиками.

3.9.5. Для предотвращения холодных трещин все сварочные работы при изготовлении сосудов (сборочных единиц и деталей) должны производиться при положительных температурах в закрытых отапливаемых помещениях.

Сварку сосудов (сборочных единиц и деталей) из хромистых, хромомолибденовых и хромованадиевовольфрамовых сталей следует производить с подогревом, режим которого определяется технологическим процессом.

При выполнении сварочных работ на открытой площадке сварщик и место сварки должны быть защищены от непосредственного воздействия дождя, ветра и снега. Температура окружающего воздуха должна быть не ниже указанной в табл. 13.

3.9.6. Форма подготовки кромок должна соответствовать требованиям стандартов, нормативно-технической документации и проекта.

Кромки подготовленных под сварку элементов сосудов должны быть зачищены на ширину не менее 20 мм, а для электрошлаковой сварки - на ширину не менее 50 мм. Кромки не должны иметь следов ржавчины, окалины, масла и прочих загрязнений. Кромки должны проходить визуальный осмотр для выявления пороков металла. Не допускаются расслоения, закаты, трещины, а для двухслойной стали - также и отслоения коррозионностойкого слоя.

Таблица 13

Температура окружающего воздуха при сварке сосудов

Материалы Температура окружающего воздуха при сварке металла толщиной
не более 16 мм более 16 мм
Углеродистая сталь с содержанием углерода менее 0,24%, низколегированные марганцовистые и марганцевокремнистые стали и основной слой из этих сталей в двухслойной стали Ниже 0°С до -20°С сварка без подогрева При температуре ниже -20°С сварка с подогревом до 100-200°С Ниже 0°С до -20°С<*> сварка с подогревом до 100-200°С
Углеродистая сталь с содержанием углерода от 0,24 до 0,28% Ниже 0°С до - 10°С<*> сварка без подогрева Ниже 0°С до - 10°С<*> сварка с подогревом до 100-200°С
Низколегированные хромомолибденовые стали (марок 12МХ, 12ХМ, 15ХМ) и основной слой из этих сталей в двухслойной стали Ниже 0°С до -10°С<*> сварка с подогревом до 250-350°С
Стали марок 15X5, 15Х5М, 15Х5ВФ, Х8, Х9М, 12Х8ВФ и т.п. Не ниже 0°С
Высоколегированные, хромоникельмолибденовые и храмоникелевые стали аустенитного класса и коррозионностойкого слоя из этих сталей в двухслойной стали Ниже 0°С до -20°С<*> сварка без подогрева

<*> При температуре ниже указанной сварка не допускается.

При толщине листового проката более 36 мм зона, прилегающая к кромкам, дополнительно должна контролироваться ультразвуковым методом на ширине не менее 50 мм для выявления трещин, расслоений и т.д.

Не допускаются дефекты площадью более 1000 мм2 при чувствительности контроля Д5Э по ГОСТ 22727. На одном метре длины контролируемой кромки допускается не более трех зафиксированных дефектов при минимальном расстоянии между ними 100 мм.

В случае обнаружения недопустимых дефектов исправления производятся в соответствии с Инструкцией на исправление методом дуговой сварки строчечных дефектов, выявляемых в процессе изготовления толстостенной нефтехимической аппаратуры.

3.9.7. Все сварные швы подлежат клеймению, позволяющему установить сварщика, выполнявшего эти швы.

Клеймо наносится на расстоянии 20-50 мм от кромки сварного шва с наружной стороны. Если шов с наружной и внутренней сторон заваривается разными сварщиками, клейма ставятся только с наружной стороны через дробь: в числителе клеймо сварщика с наружной стороны шва, в знаменателе - с внутренней стороны. Если сварные соединения сосуда выполняются одним сварщиком, то допускается клеймо ставить около таблички или на другом открытом участке.

У продольных швов клеймо должно находиться в начале и в конце шва на расстоянии 100 мм от кольцевого шва. На обечайке с продольным швом длиной менее 400 мм допускается ставить одно клеймо. Для кольцевого шва клеймо должно выбиваться в месте пересечения кольцевого шва с продольным и далее через каждые 2 м, но при этом должно быть не менее двух клейм на каждом шве. На кольцевой шов сосуда диаметром не более 700 мм допускается ставить одно клеймо. Клеймение продольных и кольцевых швов сосудов с толщиной стенки менее 4 мм допускается производить электрографом или несмываемой краской.

Место клеймения заключается в хорошо видимую рамку, выполняемую несмываемой краской.

Примечание. Допускается вместо клеймения сварных швов прилагать к паспорту сосуда схему расположения швов с указанием фамилий сварщиков с их росписью.

3.9.8. Устранение дефектов в сварных швах должно производиться в соответствии с инструкцией или стандартом предприятия на сварку сосуда (сборочной единицы и детали) из данной марки стали.

3.10. Сварные соединения

3.10.1. При сварке обечаек и труб, приварке днищ к обечайкам должны применяться стыковые швы с полным проплавлением.

Допускается применять угловые и тавровые швы при приварке штуцеров, люков, труб, трубных решеток, плоских днищ и фланцев.

Допускается применять нахлесточные сварные швы для приварки укрепляющих колец и опорных элементов.

Не допускается применение угловых и тавровых швов для приварки штуцеров, люков, бобышек и других деталей к корпусу с неполным проплавлением (конструктивным зазором):

в сосудах 1, 2, 3-й групп при диаметре отверстия более 120 мм, в сосудах 4-й и 5а групп при диаметре отверстия более 275 мм;

в сосудах 1, 2, 3, 4-й и 5а групп из низколегированных марганцовистых и марганцевокремнистых сталей с температурой стенки ниже -30°С без термообработки и ниже -40°С с термообработкой;

в сосудах всех групп, предназначенных для работы в средах, вызывающих коррозионное растрескивание, независимо от диаметра патрубка.

Не допускается применение конструктивного зазора в соединениях фланцев с патрубками сосудов, работающих под давлением более 2,5 МПа (25 кгс/см2) и при температуре более 300°С, и фланцев с обечайками и днищами сосудов, работающих под давлением более 1,6 МПа (16 кгс/см2) и при температуре более 300°С.

3.10.2. Сварные швы сосудов должны быть расположены так, чтобы обеспечить возможность их визуального осмотра и контроля качества неразрушающим методом (ультразвуковым, радиографическим и др.), а также устранения в них дефектов.

Допускается в сосудах 1, 2, 3, 4-й и 5а групп не более одного, в сосудах 5б группы не более четырех, в теплообменниках не более двух стыковых швов, доступных для визуального осмотра только с одной стороны. Швы должны выполняться способами, обеспечивающими провар по всей толщине свариваемого металла (например, с применением аргоно-дуговой сварки корня шва, подкладного кольца, замкового соединения). Возможность применения остающегося подкладного кольца и замкового соединения в сосудах 1-й группы должна быть согласована с разработчиком сосуда или специализированной научно-исследовательской организацией.

3.10.3. Продольные сварные швы горизонтально устанавливаемых сосудов должны быть расположены вне центрального угла 140° нижней части корпуса, если нижняя часть недоступна для визуального осмотра, о чем должно быть сказано в проекте.

3.10.4. Сварные швы сосудов не должны перекрываться опорами. Допускается в горизонтальных сосудах на седловых опорах и подвесных вертикальных сосудах местное перекрытие опорами кольцевых (поперечных) сварных швов на общей длине не более 0,35 пи D_н (D_н - наружный диаметр сосуда), а при наличии подкладного листа - на общей длине не более 0,5 пи D_н при условии, что перекрываемые участки швов по всей длине проконтролированы радиографическим или ультразвуковым методом.

Перекрытие мест пересечения швов не допускается.

3.10.5. Расстояние между продольным швом корпуса горизонтального сосуда и швом приварки опоры должно приниматься:

не менее кв.корень (DS) для нетермообработанного сосуда (D - внутренний диаметр сосуда, S - толщина обечайки);

в соответствии с требованием п. 3.10.6 для термообработанного сосуда.

3.10.6. Расстояние между краем шва приварки внутренних и внешних устройств и деталей и краем ближайшего шва корпуса должно быть не менее толщины стенки корпуса, но не менее 20 мм. Для сосудов из углеродистых и низколегированных марганцовистых и марганцевокремнистых сталей, подвергаемых после сварки термообработке, расстояние между краем шва приварки деталей и краем ближайшего шва корпуса должно быть не менее 20 мм независимо от толщины стенки корпуса.

Допускается пересечение стыковых швов корпуса угловыми швами приварки внутренних и внешних устройств (опорных элементов, тарелок, рубашек, перегородок и т.п.) при условии контроля перекрываемого участка шва корпуса радиографическим или ультразвуковым методом.

При приварке колец жесткости к обечайке общая длина сварного шва с каждой стороны кольца должна быть не менее половины длины окружности.

3.10.7. Продольные швы смежных обечаек и швы днищ в сосудах 1, 2, 3 и 4-й групп должны быть смещены относительно друг друга на величину трехкратной толщины наиболее толстого элемента, но не менее чем на 100 мм между осями швов.

Допускается не смещать или смещать на меньшую величину указанные швы относительно друг друга:

в сосудах, работающих под давлением не более 1,6 МПа (16 кгс/см2) и при температуре не более 400°С, с толщиной стенки не более 30 мм, если эти швы выполняются автоматической или электрошлаковой сваркой, а места пересечения швов контролируются радиографическим или ультразвуковым методом в объеме 100%;

в сосудах 5-й группы независимо от способа сварки.

3.10.8. При сварке стыковых сварных соединений элементов разной толщины необходимо предусмотреть плавный переход от одного элемента к другому постепенным утонением более толстого элемента. Угол скоса альфа элементов разной толщины (рис. 15-а, б, в, г, е) должен быть не более 20° (уклон 1:3).

Сварку патрубков разной толщины допускается выполнять в соответствии с рис. 15-д, е. При этом расстояние l должно быть не менее толщины S, но не менее 20 мм, а радиус r >= S_2-S.

Допускается выполнять сварку стыковых швов без предварительного утонения более толстого элемента, если разность в толщинах соединяемых элементов не превышает 30% от толщины более тонкого элемента, но не более 5 мм; при этом форма шва должна обеспечивать плавный переход от толстого элемента к тонкому.

Конструктивные элементы стыковых соединений литых деталей с трубами, листами и поковками разной толщины должны приниматься в соответствии с проектом или техническими условиями на сосуд (сборочную единицу, деталь).

Рис. 15. Стыковка элементов разной толщины

Примечание. В сосудах, выполняемых из двухслойной стали, скос осуществляется со стороны основного слоя.

3.10.9. Смещение кромок В листов (рис. 16), измеряемое по срединной поверхности, в стыковых соединениях, определяющих прочность сосуда, не должно превышать B=0,l S, но не более 3 мм (S - наименьшая толщина свариваемых листов).

Рис. 16. Смещение кромок

Примечания.

1. К стыковым соединениям, определяющим прочность сосуда, следует относить продольные швы обечаек и патрубков, хордовые и меридиональные швы выпуклых днищ.

2. При измерении смещения В кромок листов толщиной S и S_1 в стыковых соединениях следует учитывать, что:

В_1 <= 0,5 (S_1 - S) + B
 
В_2 <= 0,5 (S_1 - S) - B

где B_1 и В_2 - расстояния между кромками листов.

Смещение кромок в кольцевых швах, выполняемых электрошлаковой сваркой, не должно превышать 5 мм. Смещение кромок в кольцевых швах монометаллических сосудов, а также в кольцевых и продольных швах биметаллических сосудов со стороны коррозионностойкого слоя не должно превышать величин, указанных в табл. 14.

Таблица 14

Смещение кромок в кольцевых швах сосудов, выполняемых всеми видами сварки, за исключением электрошлаковой

Толщина свариваемых листов, S, мм Максимально допустимое смещение стыкуемых кромок, мм
в кольцевых швах на монометаллических сосудах в кольцевых и продольных швах на биметаллических сосудах со стороны коррозионностойкого слоя
До 20 10%S+1 50% от толщины плакирующего слоя
Свыше 20 до 50 15% S, но не более 5 50% от толщины плакирующего слоя
Свыше 50 до 100 0,04S + 3,5<*> 0,04S + 3,0, но не более толщины плакирующего слоя
Свыше 100 0,025S + 5,0<*>, но не более 10 0,025S+5,0, но не более 8 и не более толщины плакирующего слоя

<*> При условии наплавки с уклоном 1:3 на стыкуемые поверхности для сварных соединений, имеющих смещение кромок более 5 мм.

3.10.10. Увод (угловатость) f кромок (рис. 17) в стыковых сварных соединениях не должен превышать f = 0,1 S+3 мм, но не более соответствующих значений для элементов, указанных в табл. 15, в зависимости от внутреннего диаметра D обечаек и днищ (S - толщина обечайки или днища).

Рис. 17. Контроль увода кромок продольных и кольцевых сварных соединений

Таблица 15

Максимально допустимый увод кромок в стыковых сварных соединениях обечаек и днищ

Максимальный увод (угловатость) f кромок в стыковых сварных соединениях, мм
обечаек днищ из лепестков конических днищ
Независимо от D D < 5000 мм D>5000 мм D < 2000 мм D > 2000 мм
5 6 8 5 7

Увод (угловатость) кромок в продольных сварных соединениях обечаек и конических днищ, стыковых сварных соединениях днищ из лепестков определяется шаблоном длиной 1/6 D (рис. 17-а, б), а в кольцевых сварных соединениях обечаек и конических днищ - линейкой длиной 200 мм (рис. 17-в, г). Увод (угловатость) кромок определяется без учета усиления шва.

3.10.11. Форма и размеры швов должны соответствовать требованиям стандартов на швы сварных соединений или чертежа. При выполнении стыковых соединений допускается не исправлять сварные швы, если отклонение размеров валика (ширина и высота) составляет не более 30% от предусмотренных стандартом размеров на данный вид сварки.

3.10.12. При защите от коррозии элементов сосудов способом наплавки толщина наплавленного слоя после механической обработки должна быть указана в проекте.

Для внутренних уплотнительных поверхностей фланцев, патрубков штуцеров толщина наплавленного слоя должна соответствовать толщине, указанной в п. 3.6.1.

3.10.13. У сосудов, изготовленных из коррозионностойких сталей, снятие усиления сварных швов, соприкасающихся при эксплуатации со средой, допускается при наличии указаний об этом в проекте и рабочей документации.

3.10.14. Сварные соединения перлитных сталей со сталями аустенитного класса могут быть предусмотрены в проекте с соблюдением следующих условий:

толщина материала в местах сварки соединения не должна превышать 36 мм для углеродистых сталей и 30 мм для марганцевокремнистых сталей (марок 16ГС, 17ГС, 09Г2С и др.);

среда не должна вызывать коррозионное растрескивание.

3.10.15. Технология сварки, качество и контроль сварных соединений из разнородных сталей должны соответствовать требованиям РТМ 26-298 и РТМ 26-378.

3.11. Требования к качеству сварных соединений

3.11.1. Механические свойства сварных соединений должны быть не ниже норм, указанных в табл. 16.

Таблица 16

Минимальные нормы механических свойств сварных соединений

Механические свойства Для углеродистых сталей Для низколегированных марганцовистых и марганцевокремнистых сталей Для хромистых, хромомолибденовых и хромованадиево - вольфрамовых сталей Для аустенитно -ферритных сталей Для аустенитных сталей
Временное сопротивление разрыву при температуре +20°С Не ниже нижнего значения временного сопротивления разрыву основного металла по стандарту или техническим условиям для данной марки стали
Минимальное значение ударной вязкости, КСU, Дж/ см2 (кгс х м/см2):          
при температуре + 20°С; 50(5) 50(5) 50(5) 40(4) 70(7)
при температуре ниже -20°С 30(3) 30(3)   30(3)  
Минимальное значение угла изгиба, град:          
при толщине не более 20 мм; 100 80 50 80 100
при толщине более 20 мм 100 60 40 60 100
Твердость металла шва сварных соединений, НВ, не более     240 220 200
Просвет между сжимаемыми поверхностями при сплющивании стыковых соединений труб Не ниже норм, установленных нормативно-технической документацией на трубы

Примечания.

1. Твердость металла шва в коррозионностойком слое сварных соединений сосудов из двухслойных сталей не должна превышать НВ 220.

2. Показатели механических свойств сварных соединений по временному сопротивлению разрыву и углу изгиба определяются как среднеарифметическое от результатов испытаний отдельных образцов. Общий результат считается неудовлетворительным, если хотя бы один из образцов показал значение временного сопротивления разрыву более чем на 7% и угла изгиба более чем на 10% ниже норм, указанных в табл. 16. При испытании на ударный изгиб результат считается неудовлетворительным, если хотя бы один из образцов показал значение ниже норм, указанных в табл. 16.

Допускается на одном образце при температурах -40°С и ниже получение значения ударной вязкости не менее 25 Дж/см2 (2,6 кгс х м/см2).

3. Виды испытаний и гарантированные нормы механических свойств по временному сопротивлению разрыву и ударной вязкости стыковых сварных соединений типа "лист+поковка", "лист+литье", "поковка+поковка", "поковка+труба", "поковка+сортовой прокат" должны соответствовать требованиям, предъявляемым к материалу с более низкими показателями механических свойств.

Контроль механических свойств, а также металлографическое исследование или испытание на стойкость против межкристаллитной коррозии образцов этих соединений предусматриваются разработчиком технической документации.

Для сварных соединений типа "лист+поковка", "лист+литье", "поковка+поковка", "поковка+труба", "поковка+сортовой прокат" значение угла изгиба должно быть не менее:

70° для углеродистых сталей и сталей аустенитного класса;

50° для низколегированных марганцовистых и марганцевокремнистых сталей, высоколегированных сталей аустенитно-ферритного класса;

30° для низколегированных и среднелегированных (хромистых и хромомолибденовых) сталей и высоколегированных сталей ферритного класса.

4. Твердость металла шва сварных соединений из стали марки 12ХМ, выполненных ручной электродуговой сваркой ванадийсодержащими электродами, должна быть не более 260 НВ при условии, что относительное удлинение металла шва будет не менее 18%.

Твердость металла шва сварных соединений из стали марки 15Х5МУ должна быть не более 270 НВ.

Твердость переходного слоя в сварных соединениях двухслойных сталей должна быть не более 220 НВ при измерении на контрольных образцах.

3.11.2. Коррозионная стойкость сварных соединений должна соответствовать требованиям проекта или технических условий на сосуд (сборочную единицу, детали).

3.11.3. В сварных соединениях не допускаются следующие наружные дефекты:

трещины всех видов и направлений;

свищи и пористость наружной поверхности шва;

подрезы;

наплывы, прожоги и незаплавленные кратеры;

смещение и совместный увод кромок свариваемых элементов свыше норм, предусмотренных настоящим стандартом;

несоответствие формы и размеров требованиям стандартов, технических условий или проекта;

чешуйчатость поверхности и глубина впадин между валиками шва, превышающие допуск на усиление шва по высоте.

Допускаются местные подрезы в сосудах 3, 4 и 5-й групп, предназначенных для работы при температуре выше 0°С. При этом их глубина не должна превышать 5% толщины стенки, но не более 0,5 мм, а протяженность - 10% длины шва.

Допускаются в сварных соединениях из сталей марок 03X21Н21М4ГБ, 03ХН28МДТ, 06Х28МДТ отдельные микронадрывы протяженностью не более 2 мм (по согласованию со специализированной научно-исследовательской организацией).

3.11.4. В сварных соединениях не допускаются следующие внутренние дефекты:

трещины всех видов и направлений, в том числе микротрещины, выявленные при микроисследовании;

свищи;

смещение основного и плакирующего слоев в сварных соединениях двухслойных сталей выше норм, предусмотренных настоящим стандартом;

непровары (несплавления), расположенные в сечении сварного соединения;

усиление Т переходного шва (рис. 18) в сварных соединениях двухслойных сталей выше линии раздела слоев на величину более 0,3 S (S - толщина плакирующего слоя, S_1 - толщина листа);

Рис. 18. Усиление переходного слоя в сварных соединениях двухслойных сталей

поры, шлаковые и вольфрамовые включения, выявленные радиографическим методом, выходящие за пределы норм, установленных допустимым классом дефектности сварного соединения по ГОСТ 23055 в соответствии с табл. 17, или выявленные ультразвуковым методом по ОСТ 26-2044.

Таблица 17

Классы дефектности сварного соединения

Вид сварного соединения Группы сосудов
1, 2, 3 4
классы дефектности по ГОСТ 23055
Стыковые 3 4 5 6
Угловые, тавровые 4 5 5 6
Нахлесточные 5 6 6 7

Примечание. Оценку единичных дефектов (пор и включений) по ширине (диаметру) при толщине свариваемых элементов до 45 мм, а также цепочек независимо от толщины свариваемых элементов допускается производить по нормам класса 4 вместо класса 3, класса 5 вместо класса 4, класса 6 вместо класса 5, класса 7 вместо класса 6. Оценку единичных пор и включений для кольцевых сварных соединений толщиной не более 10 мм, выполняемых ручной электродуговой сваркой, допускается производить по классу 5.

Допускается местный внутренний непровар, расположенный в области смыкания корневых швов, глубиной не более 10% от толщины стенки корпуса, но не более 2 мм, и суммарной протяженностью не более 5% длины шва:

в двусторонних угловых и тавровых сварных соединениях с полным проплавлением патрубков внутренним диаметром не более 250 мм;

в сварных швах сосудов 2, 3, 4, 5-й групп, предназначенных для работы в средах, не вызывающих водородную и сероводородную коррозию.

Допускается непровар в корне шва глубиной (высотой) не более 10% от номинальной толщины свариваемых элементов, но не более 2 мм, и суммарной протяженностью не более 20% от длины шва:

в кольцевых стыковых сварных соединениях, доступных для сварки только с одной стороны и выполненных без подкладного кольца, сосудов 4-й и 5б групп, предназначенных для работы при температуре выше 0°С, а также в змеевиках;

в угловых сварных соединениях сосудов 4-й и 5б групп, предназначенных для работы при температуре выше 0°С.

3.12. Термическая обработка

3.12.1. Сосуды (сборочные единицы, детали) из углеродистых и низколегированных сталей (за исключением сталей, перечисленных в п. 3.12.3), изготовленные с применением сварки, штамповки или вальцовки, подлежат обязательной термической обработке, если:

а) толщина стенки цилиндрического или конического элемента, днища, фланца или патрубка сосуда в месте их сварного соединения более 36 мм для углеродистых сталей и более 30 мм для низколегированных марганцовистых и марганцевокремнистых сталей (марок 16ГС, 09Г2С, 17Г1С, 10Г2 и др.);

б) номинальная толщина стенки S цилиндрических или конических элементов сосуда (патрубка), изготовленных из листовой стали вальцовкой (штамповкой), превышает величину, вычисленную по формуле:

S = 0,009 (D+1200),

где D - минимальный внутренний диаметр элемента, мм

Данное требование не распространяется на отбортованные рубашки;

в) подпункт исключен. (в ред. Изменения N 1)

г) сосуды (сборочные единицы, детали) предназначены для эксплуатации в средах, вызывающих коррозионное растрескивание (жидкий аммиак, аммиачная вода, растворы едкого натрия и калия, азотнокислого натрия, калия, аммония, кальция, этаноламина и др.), и об этом есть указание в проекте;

д) днища сосудов и их элементов независимо от толщины изготовлены холодной штамповкой или холодным фланжированием;

е) необходимость термической обработки обусловлена условиями изготовления и эксплуатации сосуда, что оговаривается в проекте.

Примечание. Для снятия остаточных напряжений в соответствии с требованиями подпунктов а, б, в допускается вместо термической обработки применять другие методы, предусмотренные нормативно-технической документацией, согласованной с Госгортехнадзором России (например, метод пластического деформирования).

3.12.2. Сварные соединения из углеродистых, низколегированных марганцовистых, марганцевокремнистых и хромомолибденовых сталей, выполненные электрошлаковой сваркой, подлежат нормализации и высокому отпуску, за исключением случаев, оговоренных в примечании к обязательному приложению 15.

При электрошлаковой сварке заготовок штампуемых и вальцуемых элементов из сталей марок 16ГС, 09Г2С и 10Г2С1, предназначенных для работы при температуре не ниже -40°С, нормализация может быть совмещена с нагревом под штамповку с окончанием штамповки при температуре не ниже 700°С.

3.12.3. Сосуды (сборочные единицы, детали) из сталей марок 12МХ, 12ХМ, 15ХМ, 12Х1МФ, 10Х2М1А-А, 10Х2ГНМ, 15Х2МФА-А, 1Х2М1, 15X5, Х8, 15Х5М, 15Х5ВФ, 12Х8ВФ, Х9М и из двухслойных сталей с основным слоем из сталей марок 12МХ, 12ХМ, 20Х2М подвергнутые сварке должны быть термообработаны независимо от диаметра и толщины стенки.

3.12.4. Сосуды (сборочные единицы, детали) из сталей марок 08Х18Н10Т, 08Х18Н12Б и других аустенитных сталей, стабилизированных титаном или ниобием, предназначенные для работы в средах, вызывающих коррозионное растрескивание, а также при температурах выше 350°С в средах, вызывающих межкристаллитную коррозию, должны подвергаться термической обработке по требованию, оговоренному в проекте. Режим термической обработки должен быть согласован со специализированной научно-исследовательской организацией.

3.12.5. Необходимость и вид термической обработки сосудов (сборочных единиц, деталей) из двухслойной стали должны определяться в соответствии с требованиями пп. 3.12.1-3.12.3.

При определении толщины свариваемого элемента принимается вся толщина двухслойной стали.

При наличии в проекте требования на стойкость против межкристаллитной коррозии технология сварки и режим термообработки сварных соединений двухслойных сталей должны обеспечивать стойкость сварных соединений коррозионностойкого слоя против межкристаллитной коррозии.

3.12.6. Для днищ и деталей из углеродистых и низколегированных марганцевокремнистых сталей, штампуемых (вальцуемых) вгорячую с окончанием штамповки (вальцовки) при температуре не ниже 700°С, и для днищ и деталей из аустенитных хромоникелевых сталей, штампуемых (вальцуемых) при температуре не ниже 850°С, термическая обработка не требуется, если для указанных материалов нет других требований в обязательном приложении 2.

Днища и другие элементы из низколегированных сталей марок 12ХМ и 12МХ, штампуемых (вальцуемых) вгорячую с окончанием штамповки (вальцовки) при температуре не ниже 800°С, допускается подвергать только отпуску (без нормализации).

Днища и другие штампуемые (вальцуемые) вгорячую элементы, изготовляемые из сталей марок 09Г2С, 10Г2С1, работающие при температуре от -41 до -70°С, должны подвергаться термической обработке - нормализации или закалке и высокому отпуску.

Технология изготовления днищ и других штампуемых элементов должна обеспечивать необходимые механические свойства, указанные в настоящем стандарте, а при наличии требования в проекте и стойкость против межкристаллитной коррозии.

Примечания.

1. Возможность совмещения нормализации с нагревом под горячую штамповку днищ из сталей, работающих при температуре от -41 до -70°С, определяется в каждом конкретном случае по согласованию со специализированной научно-исследовательской организацией.

2. Допускается не подвергать термической обработке горячештампованные днища из аустенитных сталей с отношением внутреннего диаметра к толщине стенки более 28, если они не предназначены для работы в средах, вызывающих коррозионное растрескивание.

3.12.7. Гнутые участки труб из углеродистых и низколегированных сталей подлежат термообработке, если отношение среднего радиуса гиба к номинальному наружному диаметру трубы составляет менее 3,5, а отношение номинальной толщины стенки трубы к ее номинальному диаметру превышает 0,05.

3.12.8. Днища сосудов и их элементов, выполненные из коррозионностойких сталей аустенитного класса методом холодной штамповки или холодным фланжированием, должны подвергаться термической обработке (аустенизации или стабилизирующему отжигу), если они предназначены для работы в средах, вызывающих коррозионное растрескивание. В остальных случаях термообработку допускается не проводить, если относительное удлинение при растяжении в исходном состоянии металла не менее 30% при степени деформации в холодном состоянии не более 15%.

3.12.9. Приварка внутренних и наружных устройств к сосудам, подвергаемым термической обработке, должна проводиться до термической обработки сосуда.

Допускается приварка внутренних и наружных устройств без последующей термической обработки к термообработанным в соответствии с требованиями п. 3.12.1 (а, б) сосудам при условии, что величина катета сварного шва не более 8 мм.

Допускается приварка наружных устройств на монтажной площадке к специальным накладкам, приваренным к корпусу сосуда и прошедшим вместе с ним термическую обработку на предприятии-изготовителе, без последующей термической обработки монтажных сварных швов.

3.12.10. Допускается местная термическая обработка сварных соединений сосудов, при проведении которой должны обеспечиваться равномерный нагрев и охлаждение по всей длине шва и прилегающих к нему зон основного металла. Ширина зоны нагрева определяется по РТМ 26-44.

3.12.11. Объемная термическая обработка производится в печах или путем нагрева сосуда (сборочной единицы, детали) вводом во внутреннюю полость среды (теплоносителя).

При этом должны быть проведены мероприятия, предохраняющие сосуд (сборочную единицу, деталь) от деформаций, вызванных местным перегревом, неправильной установкой сосуда, действием собственного веса.

3.12.12. Свойства металла обечаек, днищ, патрубков, решеток после всех циклов термической обработки должны соответствовать требованиям настоящего стандарта.

Контроль механических свойств основного металла можно не проводить в том случае, если температура отпуска металла не превышает:

650°С для сталей марок Ст3, 20К, 16ГС, 09Г2С;

710°С для сталей марок 12ХМ, 12МХ.

Если элементы сосудов из углеродистых и низколегированных сталей подвергаются нормализации или нормализации и последующему отпуску, или закалке и последующему отпуску, то проводится только испытание на ударную вязкость при рабочей температуре сосуда ниже 0°С.

4. Правила приемки

4.1. Сосуды (сборочные единицы и детали), материалы и комплектующие изделия должны быть приняты отделом технического контроля предприятия-изготовителя и проверены на соответствие требованиям настоящего стандарта, технических условий.

4.2. Каждое изделие (сосуд) на предприятии-изготовителе должно подвергаться приемо-сдаточному испытанию, которое включает проверку:

габаритных и присоединительных размеров;

прочности и герметичности;

качества сварных швов;

качества поверхности;

качества покрытия;

комплектности изделия (сосуда);

комплектности сопроводительной документации;

маркировки;

консервации;

упаковки.

5. Методы контроля

5.1. Общие требования

5.1.1. Геометрические размеры и форма поверхностей должны измеряться с помощью средств, обеспечивающих погрешность не более 30% от установленного допуска на изготовление.

Габаритные размеры сосудов следует определять путем суммирования размеров входящих в них сборочных единиц и деталей.

5.1.2. Контроль качества поверхностей на отсутствие плен, закатов, расслоений, грубых рисок, трещин, снижающих качество и ухудшающих товарный вид, должен проводиться путем визуального осмотра.

5.1.3. Обязательная проверка наличия, содержания, мест расположения клейм на сварных швах и маркировки на готовом сосуде (самостоятельно поставляемых сборочных единицах и деталях) должна осуществляться визуальным осмотром.

5.1.4. Контроль качества сварных соединений следует проводить следующими методами:

а) визуальным осмотром и измерением;

б) механическими испытаниями:

в) испытанием на стойкость против межкристаллитной коррозии;

г) металлографическими исследованиями;

д) стилоскопированием;

е) ультразвуковой дефектоскопией;

ж) радиографией;

з) цветной или магнитопорошковой дефектоскопией;

и) другими методами (акустической эмиссией, люминесцентным контролем, определением содержания ферритной фазы и др.), предусмотренными в проекте.

5.1.5. Окончательный контроль качества сварных соединений сосудов, подвергающихся термической обработке, должен проводиться после термической обработки.

Для сварных соединений сосуда из низколегированных марганцовистых, марганцевокремнистых сталей или двухслойных сталей с основным слоем из этих сталей, подвергаемых в процессе изготовления нормализации или закалке с отпуском, механические испытания и металлографические исследования допускается проводить до окончательной термической обработки (высокого отпуска). При этом полученные положительные результаты механических испытаний следует считать окончательными.

5.1.6. Контроль комплектности, консервации, окраски, упаковки необходимо проводить путем сопоставления объема и качества выполненных работ с требованиями настоящего стандарта и технических условий.

5.1.7. Предприятие-изготовитель негабаритных сосудов, транспортируемых частями, должен провести контрольную сборку.

Допускается вместо сборки проводить контрольную проверку размеров стыкуемых частей при условии, что предприятие-изготовитель гарантирует собираемость сосуда.

5.1.8. В процессе изготовления сборочных единиц и деталей необходимо проверять:

соответствие состояния и качества свариваемых сборочных единиц и деталей и сварочных материалов требованиям стандартов (технических условий) и проекта;

соответствие качества подготовки кромок и сборки под сварку требованиям стандартов и проекта;

соблюдение технологического процесса сварки и термической обработки, разработанных в соответствии с требованиями стандартов и проекта.

5.2. Визуальный контроль и измерение сварных швов

5.2.1. Визуальный контроль и измерение сварных швов необходимо проводить после очистки швов и прилегающих к ним поверхностей основного металла от шлака, брызг и других загрязнений.

5.2.2. Обязательному визуальному контролю и измерению подлежат все сварные швы в соответствии с ГОСТ 3242 для выявления наружных дефектов, не допустимых в соответствии с требованиями настоящего стандарта.

Визуальный контроль и измерение следует проводить в доступных местах с двух сторон по всей протяженности шва.

5.3. Механические испытания

5.3.1. Механическим испытаниям должны подвергаться стыковые сварные соединения. Механические испытания необходимо проводить на контрольных стыковых сварных соединениях в объеме, указанном в табл. 18.

Таблица 18

Количество образцов из каждого контрольного стыкового сварного соединения

Вид испытания Группы сосудов Количество образцов Примечание
Растяжение при +20°С 1-5 Два образца типа XII, XIII, XIV или XV по ГОСТ 6996 Испытание на растяжение отдельных образцов из сварных трубных стыков можно заменить испытанием на растяжение целых стыков со снятым усилием
Изгиб при + 20°С 1-5 Два образца типа XXVII, XXVIII по ГОСТ 6996 Испытание сварных образцов труб с внутренним диаметром до 100 мм и толщиной стенки до 12 мм может быть заменено испытанием на сплющивание по ГОСТ 6996 (образцы типа XXIX, XXX)
Ударная вязкость КСU (толщина металла 12 мм и более) при +20°С 1-5 из сталей, склонных к термическому воздействию (12МХ, 12ХМ, 15Х5М, 10Х2М1А-А и др.) Три образца типа VI по ГОСТ 6996 с надрезом по оси шва Испытание на ударный изгиб околошовной зоны проводится на сварных соединениях, выполненных электрошлаковой сваркой без последующей нормализации, а также при наличии требований в технических условиях или проекте
1-3 при давлении более 5 МПа (50 кгс /см2) 1-2 при температуре выше 450°С
Ударная вязкость КСU (толщина металла 12 мм и более) при рабочей температуре ниже -20°С, равной минимальной отрицательной рабочей температуре сосуда 1-3, 5 при рабочей температуре ниже -20°С Три образца типа VI по ГОСТ 6996 с надрезом по оси шва Испытание при рабочей температуре. Испытание на ударный изгиб околошовной зоны проводится на сварных соединениях, выполненных электрошлаковой сваркой без последующей нормализации, а также при наличии требований в технических условиях или проекте
Измерение твердости металла шва при температуре +20°С 1-4 в соответствии с требованием п. 5.3.2. Не менее чем в трех точках по длине каждого участка сварного соединения по ГОСТ 9012, ГОСТ 9013, ГОСТ 18661 ГОСТ 6996  

Примечания.

1. За длину контролируемого участка следует принимать длину сварного соединения, выполненного одним сварщиком по технологии, предусмотренной технической документацией на данный вид сборочной единицы или детали.

2. Допускается не проводить механические испытания сварных образцов для сосудов 5б группы, если предприятие-изготовитель гарантирует качество сварных швов.

3. Испытание на ударный изгиб сварных соединений сосудов, работающих при температуре не ниже -20°С, следует проводить при комнатной температуре.

4. Допускается при испытаниях на изгиб образцов толщиной более 50 мм доводить толщину образцов до 50 мм строжкой или фрезерованием контрольных пластин. Образцы из двухслойных сталей следует фрезеровать или строгать со стороны основного слоя и изгибать основным слоем наружу. Тип образца XXVII по ГОСТ 6996, диаметр оправки - две толщины образца.

Допускается проводить испытание на изгиб образцов с предварительным их утонением до толщины не менее 30 мм.

5. Испытание на ударный изгиб сварных соединений из двухслойных сталей следует проводить на образцах, изготовленных по рис. 19.

Рис. 19. Образец для испытания на изгиб сварных соединений из двухслойных сталей

6. Испытания на растяжение, изгиб, ударный изгиб из сварного соединения толщиной 50 мм и более должны проводиться согласно требованиям РД 26-11-08.

7. Допускается не испытывать на ударный изгиб при отрицательных температурах сварные соединения из сталей аустенитного и аустенитно-ферритного классов, выполненные сварочными материалами, указанными в обязательных приложениях 12, 14, 15, 16.

5.3.2. Измерению твердости должны подвергаться металл шва сварных соединений сосудов (работающих под давлением деталей) из сталей марок 12МХ, 12ХМ, 15ХМ, 20Х2М, 1Х2М1, 10Х2ГНМ, 10Х2МФА-А, 10Х2М1А-А, 15Х5М и металл шва коррозионностойкого слоя в сварных соединениях из двухслойных сталей # металл шва коррозионностойкого слоя вышеуказанных марок в сварных соединениях из двухслойных сталей. Твердость должна проверяться не менее чем в трех точках поперек сварного соединения по РД 26-11-08.

Допускается измерение твердости металла шва проводить на контрольных образцах, если невозможно его осуществить на готовом сосуде (детали).

5.3.3. При получении неудовлетворительных результатов по какому-либо виду механических испытаний допускается проведение повторного испытания на удвоенном количестве образцов, вырезанных из того же контрольного сварного соединения, по тому виду механических испытаний, которые дали неудовлетворительные результаты.

Если при повторном испытании получены неудовлетворительные результаты хотя бы на одном образце, сварное соединение считается непригодным.

5.4. Испытание на стойкость против межкристаллитной коррозии

5.4.1. Испытание сварного соединения на стойкость против межкристаллитной коррозии должно проводиться для сосудов (сборочных единиц, деталей), изготовленных из сталей аустенитного, ферритного, аустенитно-ферритного классов и двухслойной стали с коррозионностойким слоем из аустенитных и ферритных сталей при наличии такого требования в технических условиях или проекте.

Необходимость испытания на стойкость против межкристаллитной коррозии сварных соединений внутренних устройств, работающих без давления, должна быть указана в проекте.

5.4.2. Форма, размеры и количество образцов должны соответствовать ГОСТ 6032.

5.4.3. Испытание на стойкость против межкристаллитной коррозии следует проводить по ГОСТ 6032 или соответствующей нормативно-технической документации. Метод испытания должен быть указан в проекте.

Металл шва и зона термического влияния должны быть стойкими против межкристаллитной коррозии.

5.4.4. При получении неудовлетворительных результатов допускается проведение повторного испытания на удвоенном количестве образцов, вырезанных из того же контрольного сварного соединения.

Если при повторном испытании получены неудовлетворительные результаты хотя бы на одном образце, сварное соединение считается непригодным.

5.5. Металлографические исследования

5.5.1. Металлографическим исследованиям должны подвергаться стыковые сварные соединения, определяющие прочность сосудов:

1, 2, 3-й групп, работающих под давлением более 5 МПа (50 кгс/см2) или при температуре ниже -40°С;.

1, 2-й групп, работающих при температуре выше 450°С;

из сталей, склонных к термическому воздействию (марок 12МХ, 12ХМ, 15Х5М и др.), из сталей аустенитного класса без ферритной фазы (марок 06ХН28МДТ, 08Х17Н16МЗТ и др.) и из двухслойных сталей.

Допускается не проводить металлографические исследования стыковых сварных швов сборочных единиц и деталей, работающих при температуре ниже -40°С, толщиной не более 20 мм из сталей марок 12Х18Н10Т и 08Х18Н10Т.

5.5.2. Металлографические макро- и микроисследования должны проводиться в соответствии с РД 24.200.04 на одном образце от каждого контрольного сварного соединения.

5.5.3. Качество контрольного сварного соединения при металлографических исследованиях должно соответствовать требованиям пп. 3.11.3 и 3.11.4.

5.5.4. Если при металлографическом исследовании в контрольном сварном соединении будут обнаружены недопустимые внутренние дефекты, которые должны быть выявлены радиографическим или ультразвуковым контролем согласно п. 5.10.13, все производственные сварные соединения, контролируемые данным сварным соединением, подлежат повторному испытанию тем же методом неразрушающего контроля в объеме 100% другим, более опытным и квалифицированным дефектоскопистом. В случае получения удовлетворительных результатов повторного контроля этим дефектоскопистом сварные швы считаются годными.

5.5.5. При получении неудовлетворительных результатов допускается повторное испытание на удвоенном количестве образцов, вырезанных из того же контрольного сварного соединения.

Если при повторном испытании получены неудовлетворительные результаты хотя бы на одном образце, сварное соединение считается непригодным.

5.6. Стилоскопирование сварных соединений

5.6.1. Стилоскопирование сварных швов должно проводиться для установления марочного соответствия примененных сварочных материалов требованиям проекта и инструкций по сварке или настоящего стандарта.

При стилоскопировании следует руководствоваться Инструкцией по стилоскопированию основных и сварочных материалов и готовой продукции.

5.6.2. Стилоскопированию должны подвергаться сварные швы работающих под давлением деталей из сталей марок 12ХМ, 12МХ, 15ХМ, 10Х2М1А-А, 20Х2М, 1Х2М1, 15Х2МФА-А, 10Х2ГНМ, 15Х5М, 15X5, 08X13, 08Х17Н13М2Т, 10X17H13М2Т, 10Х17Н13М3Т, 08Х17Н-15М3Т, 03Х16Н15М3Т, 08Х21Н6М2Т, 06ХН28МДТ, 12Х18Н10Т, 08Х18Н10Т, 08Х22Н6Т и металл коррозионностойкой наплавки в объеме не менее указанного в табл. 19.

5.6.3. В процессе стилоскопирования следует определять в металле шва наличие хрома, молибдена.

Таблица 19

Объем контроля стилоскопированием

Группы сосудов Количество контролируемых сварных швов и металла коррозионностойкой наплавки от общего количества, %
1, 2 100
3, 4 50
5 25

5.6.4. Должны контролироваться:

каждый сварной шов в одной точке через каждые 2 м;

места исправления каждого сварного шва;

наплавка не менее чем в одной точке.

5.6.5. Контроль стилоскопированием допускается не проводить:

при невозможности осуществления контроля из-за недоступности сварных швов (ввиду конструктивных особенностей сосуда, по условиям техники безопасности);

из-за малых размеров шва (например, швы обварки теплообменных труб).

5.6.6. При получении неудовлетворительных результатов допускается повторное стилоскопирование того же сварного соединения на удвоенном количестве точек.

При неудовлетворительных результатах повторного контроля должен проводиться спектральный или химический анализ сварного соединения, результаты которого считаются окончательными.

5.6.7. При выявлении несоответствия марки непользованных присадочных материалов хотя бы на одном из сварных соединений сосудов 3, 4 и 5-й групп стилоскопирование металла шва должно быть проведено на всех сварных соединениях, выполненных данным сварщиком или данным механизированным способом сварки.

5.6.8. Дефектные сварные швы, выявленные при контроле, должны быть удалены, швы вновь сварены и подвергнуты стилоскопированию.

5.7. Радиографический и ультразвуковой контроль сварных соединений

5.7.1. Для выявления внутренних дефектов сварных соединений должны применяться проникающие методы неразрушающего контроля: радиографический, ультразвуковой.

Ультразвуковая дефектоскопия сварных соединений должна проводиться в соответствии с ГОСТ 14782, ОСТ 26-2044.

Радиографический контроль сварных соединений должен проводиться в соответствии с ГОСТ 7512, ОСТ 26-11-03, ОСТ 26-11-10.

5.7.2. Метод контроля (ультразвуковой, радиографический или их сочетание) должен выбираться исходя из возможностей более полного и точного выявления недопустимых дефектов с учетом особенностей физических свойств металла, а также особенностей методики контроля для данного вида сварных соединений сосуда (сборочных единиц, деталей).

Метод контроля качества стыковых и угловых сварных соединений должен определяться согласно ОСТ 26-2079.

5.7.3. Обязательному контролю радиографическим или ультразвуковым методом подлежат:

а) стыковые, угловые, тавровые сварные соединения, доступные для этого контроля в объеме не менее указанного в табл. 20.

Таблица 20

Объем контроля радиографическим или ультразвуковым методом

Группы сосудов Длина контролируемых сварных соединений<*> от общей длины, %
1, 2 100
3 50
4, 5а 25
10

<*> Требование относится к каждому сварному соединению.

б) места сопряжения (пересечений) сварных соединений;

в) сварные соединения внутренних и наружных устройств по указанию в проекте или технических условиях на сосуд (сборочную единицу, деталь);

г) сварные соединения элементов из стали перлитного класса с элементами из сталей аустенитного класса в объеме 100%;

д) сварные стыковые соединения "поковка+лист", "лист+литье", "поковка+поковка", "поковка+труба", "поковка+сортовой прокат", доступные для этого контроля, в объеме 100%;

е) перекрываемые укрепляющими кольцами участки сварных швов корпуса, предварительно зачищенные заподлицо с наружной поверхностью корпуса;

ж) прилегающие к отверстию участки сварных швов корпуса, на которых устанавливаются люки и штуцера, на длине, равной кв.корень (DS) (D - внутренний диаметр корпуса, S - толщина стенки корпуса в месте расположения отверстия).

Примечания.

1. Контроль сварных соединений, в том числе и мест сопряжений сварных соединений, сосудов 5б группы, работающих под давлением не более 0,03 МПа (0,3 кгс/см2) или без давления (под налив), радиографическим или ультразвуковым методом допускается не проводить по усмотрению предприятия-изготовителя, если нет других указаний в проекте.

2. Контроль сварных швов опор радиографическим или ультразвуковым методом должен проводиться при наличии указания в проекте.

5.7.4. Места контроля сварных соединений сосудов 3, 4, 5-й групп радиографическим или ультразвуковым методом должны указываться в технической документации на сосуд.

5.7.5. Перед контролем соответствующие участки сварных соединений должны быть так замаркированы, чтобы их можно было легко обнаружить на картах контроля и радиографических снимках.

5.7.6. При выявлении недопустимых дефектов в сварном соединении сосудов 3, 4, 5-й групп обязательному контролю тем же методом подлежат все однотипные сварные соединения, выполненные данным сварщиком (оператором), по всей длине соединения.

Примечание. Определение понятия однотипных сварных соединений дано в приложении 26.

5.7.7. При невозможности осуществления контроля сварных соединений радиографическим или ультразвуковым методом из-за их недоступности (ввиду конструктивных особенностей сосуда, ограниченности технических возможностей этих методов или по условиям техники безопасности) или неэффективности (в частности, при наличии конструктивного зазора) контроль качества этих сварных соединений должен проводиться по РД 26-11-01 в объеме 100%.

5.8. Цветная и магнитопорошковая дефектоскопия

5.8.1. Цветной или магнитопорошковой дефектоскопии следует подвергать сварные швы, не доступные для осуществления контроля радиографическим или ультразвуковым методом, а также сварные швы сталей, склонных к образованию трещин при сварке.

Примечание. Марки сталей, склонных к образованию горячих и холодных трещин при сварке, определяются по РД 26-11-01.

5.8.2. Магнитопорошковая и цветная дефектоскопия сварных соединений должна проводиться в соответствии с ОСТ 26-01-84, ОСТ 26-5.

5.8.3. Объем контроля определяется в соответствии с требованиями РД 26-11-01 или технической документации на сосуд (сборочную единицу).

5.9. Определение содержания альфа-фазы

5.9.1. Содержание альфа-фазы в металле шва или наплавленном металле аустенитной стали следует определять при наличии указаний в проекте или технических условиях на сосуд (сборочную единицу).

5.9.2. Предельное допустимое содержание альфа-фазы для сосудов, работающих при температурах более 350°С, должно соответствовать требованиям ОСТ 26-3, а для других сосудов - указаниям проекта.

5.9.3. Определение содержания ферритной фазы в металле шва или в металле, наплавленном аустенитными электродами, должно проводиться объемным магнитным методом согласно ГОСТ 9466. Содержание феррита определяется ферритометром, удовлетворяющим требованиям ГОСТ 26 364.

Допускается определять количество феррита альфа-фазометром пондеромоторного действия (магнитоотрывной метод), а при содержании его более 5% - металлографическим методом.

5.10. Контрольные сварные соединения

5.10.1. Для механических и коррозионных испытаний, а также металлографических исследований должна производиться вырезка образцов из контрольных сварных соединений.

5.10.2. Контрольное сварное соединение должно воспроизводить одно из стыковых сварных соединений сосуда (сборочной единицы, детали), определяющих его прочность, и выполняться одновременно с контролируемым сосудом (сборочной единицей, деталью) с применением одинаковых исходных материалов, формы разделки кромок, сборочных размеров, методов и режимов сварки, режима термообработки.

Примечание. К стыковым соединениям, определяющим прочность сосуда, следует относить продольные швы обечаек и патрубков, хордовые и меридиональные швы выпуклых днищ.

5.10.3. При автоматической, полуавтоматической или электрошлаковой сварке сосудов (сборочных единиц, деталей) на каждый сосуд (сборочную единицу, деталь) необходимо сваривать одно контрольное сварное соединение (на каждый вид применяемого процесса) с использованием одинаковых присадочных материалов и режима термообработки.

5.10.4. Контрольные сварные соединения для проверки качества продольных швов сосудов (сборочных единиц, деталей) следует изготавливать таким образом, чтобы их швы являлись продолжением производственного продольного шва.

После сварки контрольное сварное соединение должно быть отделено от сосуда (сборочной единицы, детали) любым методом, за исключением отламывания.

5.10.5. При ручной сварке сосуда (сборочной единицы, детали) несколькими сварщиками каждый из сварщиков должен выполнить отдельное контрольное сварное соединение.

5.10.6. Если многопроходной шов выполняется несколькими сварщиками, то на данный шов должно свариваться одно контрольное сварное соединение. При этом проходы следует выполнять теми же сварщиками и в аналогичном порядке. В противном случае каждый из сварщиков должен выполнить отдельное контрольное сварное соединение.

5.10.7. При изготовлении однотипных сосудов допускается на каждый вид сварки выполнять по одному контрольному сварному соединению на всю партию сосудов (сборочных единиц, деталей) при условии контроля стыковых сварных соединений, определяющих прочность сосуда, радиографическим или ультразвуковым методом в объеме 100%. В одну партию сосудов (сборочных единиц, деталей) следует объединять сосуды (сборочные единицы, детали) одного вида, из листового материала одного класса сталей, имеющие одинаковые формы разделки кромок, выполненные по единому (типовому) технологическому процессу и подлежащие термообработке по одному режиму, если цикл их изготовления по сборочно-сварочным работам, термообработке и контрольным операциям не превышает 3 месяцев.

Примечание. Подразделение сталей на классы приведено в приложении 27.

5.10.8. Для контроля качества сварных соединений в трубчатых элементах сосудов необходимо выполнить контрольные сварные соединения. Эти контрольные сварные соединения должны быть идентичны производственным контролируемым сварным соединениям: по марке стали, размерам труб, конструкции и виду соединения, форме разделки кромок, сборочным размерам, пространственному положению сварки и технологическому процессу.

Количество контрольных сварных соединений труб должно составлять 1% от общего числа сваренных каждым сварщиком однотипных сварных соединений труб данного сосуда, но не менее одного контрольного сварного соединения.

5.10.9. При невозможности изготовить плоские образцы из сварного стыка трубчатого элемента допускается производить испытание образцов, вырезанных из контрольных сварных соединений, сваренных по указанию отдела технического контроля в наиболее трудном для сварки положении.

5.10.10. Термообработка контрольных сварных соединений должна выполняться одновременно с сосудом (сборочной единицей, деталью). Допускается термообработку контрольных сварных соединений производить отдельно от сосуда (сборочной единицы, детали) при условии применения одинаковых метода и режима термообработки.

5.10.11. Размеры контрольных сварных соединений должны быть выбраны так, чтобы из них возможно было вырезать необходимое количество образцов для металлографических исследований, для всех видов механических испытаний и испытаний на стойкость против межкристаллитной коррозии, включая повторные.

5.10.12. Предусмотренный настоящим стандартом объем механических испытаний и металлографического исследования сварных соединений может быть изменен по согласованию с местными органами госгортехнадзора в случае серийного изготовления предприятием однотипных сосудов при неизменном технологическом процессе, специализации сварщиков на определенных видах работ и высоком качестве сварных соединений, подтвержденном результатами контроля за период не менее 6 месяцев.

Допускается по решению главного инженера предприятия-изготовителя уменьшать количество контрольных сварных соединений сосудов, не регистрируемых в органах госгортехнадзора.

5.10.13. Контрольные сварные соединения должны подвергаться радиографическому или ультразвуковому контролю по всей длине сварных соединений.

Если в контрольном сварном соединении будут обнаружены недопустимые дефекты, все производственные сварные соединения, представленные данным соединением и не подвергнутые ранее радиографическому или ультразвуковому контролю, подлежат проверке тем же методом неразрушающего контроля по всей длине.

5.10.14. Контрольным сварным соединениям и вырезаемым из них образцам следует присваивать регистрационные номера согласно учетной документации предприятия-изготовителя, в которой должны отражаться необходимые сведения по изготавливаемому производственному сварному соединению.

5.11. Гидравлическое испытание на прочность и герметичность

5.11.1. Гидравлическому испытанию подлежат сосуды после их изготовления.

Гидравлическое испытание должно проводиться на предприятии-изготовителе.

Гидравлическое испытание сосудов, транспортируемых частями и собираемых на месте монтажа, допускается проводить после их изготовления на месте установки.

5.11.2. Гидравлическое испытание сосудов должно проводиться с крепежом и прокладками, предусмотренными в технической документации.

5.11.3. Пробное давление Р_пр при гидравлическом испытании сосудов определяется по формуле:

    [сигма]    
Р   = 1,25Р 20 ,
пр [сигма]  
      Т  

где Р - расчетное давление, МПа (кгс/см2); [сигма]_20,.

[сигма]_Т - допускаемые напряжения для материала соответственно при +20°С и расчетной температуре Т, МПа (кгс/см2).

Примечания.

1. Пробное давление гидравлического испытания сосуда должно определяться с учетом минимальных значений расчетного давления и отношения допускаемых напряжений материала сборочных единиц (деталей).

2. Пробное давление при гидравлическом испытании сосуда, рассчитанного по зонам, должно определяться с учетом той зоны, расчетное давление или расчетная температура которой имеет меньшее значение.

3. Если рассчитанное пробное давление (по формуле, приведенной в п. 5.11.3) при гидравлическом испытании сосуда, работающего под наружным давлением, вызывает необходимость утолщения стенки сосуда, то допускается пробное давление определять по формуле:

    Е  
Р   = 1,25Р 20
пр Е  
      Т

где Е_20 и E_Т - модули упругости материала соответственно при +20°С и расчетной температуре Т, МПа (кгс/см2).

4. Пробное давление для гидравлического испытания сосуда (реактора и др.), предназначенного для работы в условиях нескольких режимов с различными расчетными параметрами (давлениями и температурами), следует принимать равным максимальному из определенных значений пробных давлений для каждого режима.

5. Для сосудов, работающих под вакуумом, расчетное давление принимается равным 0,1 МПа (1 кгс/см2).

5.11.4. Гидравлическое испытание сосудов, устанавливаемых вертикально, допускается проводить в горизонтальном положении при условии обеспечения прочности корпуса сосуда. При этом разработчик сосуда должен выполнить расчет на прочность с учетом принятого способа опирания для проведения гидравлического испытания.

Пробное давление следует принимать с учетом гидростатического давления, действующего на сосуд в процессе его эксплуатации.

5.11.5. Для гидравлического испытания сосуда должна использоваться вода. Допускается по согласованию с разработчиком сосуда использование другой жидкости.

Температура воды должна приниматься не ниже критической температуры хрупкости материала сосуда и указываться разработчиком сосуда в технической документации. При отсутствии указаний температура воды должна быть в пределах от +5 до +40°С.

Разность температур стенки сосуда и окружающего воздуха во время испытания не должна вызывать конденсацию влаги на поверхности стенки сосуда.

5.11.6. При заполнении сосуда водой должен быть удален воздух из внутренних полостей. Давление следует поднимать равномерно до достижения пробного. Скорость подъема давления не должна превышать 0,5 МПа (5 кгс/см2) в минуту, если нет других указаний разработчика сосуда в технической документации.

Время выдержки под пробным давлением должно быть не менее значений, указанных в табл. 21.

После выдержки под пробным давлением давление снижают до расчетного, при котором производят визуальный осмотр наружной поверхности, разъемных и сварных соединений. Не допускается обстукивание сосуда во время испытаний.

Таблица 21

Время выдержки сосуда под пробным давлением при гидравлическом испытании

Толщина стенки, мм Время выдержки, ч (мин)
До 50 0,15(10)
Свыше 50 до 100 0,35(20)
Свыше 100 0,5(30)

Примечание. Визуальный осмотр сосудов, работающих под вакуумом, производится при пробном давлении.

5.11.7. Пробное давление при гидравлическом испытании должно контролироваться двумя манометрами. Манометры выбираются одного типа, предела измерения, класса точности, одинаковой цены деления. Манометры должны иметь класс точности не ниже 2,5.

5.11.8. После проведения гидравлического испытания вода должна быть полностью удалена.

5.11.9. Гидравлическое испытание допускается по согласованию с разработчиком сосуда на месте монтажа заменять пневматическим (сжатым воздухом, инертным газом или смесью воздуха с инертным газом), если проведение гидравлического испытания невозможно вследствие следующих причин: большие напряжения от массы воды в сосуде или фундаменте, трудно удалить из изделия воду, возможно нарушение внутренних покрытий сосуда, температура окружающего воздуха ниже 0°С, несущие конструкции и фундаменты испытательных стендов могут не выдержать нагрузки, создаваемой при заполнении сосуда водой и др.

Перед проведением пневматического испытания сосуд должен быть подвергнут внутреннему и наружному осмотру, а сварные швы проконтролированы радиографическим или ультразвуковым методом в объеме 100%. Для обеспечения безопасности во время проведения пневматического испытания должен проводиться контроль методом акустической эмиссии.

Пробное давление следует определять согласно п. 5.11.3.

Время выдержки сосуда под пробным давлением должно быть не менее 0,08 ч (5 мин) и указываться в технической документации.

После выдержки под пробным давлением давление снижают до расчетного, при котором производят визуальный осмотр наружной поверхности и проверку герметичности сварных и разъемных соединений мыльным раствором или другим способом.

5.11.10. Результаты испытаний считаются удовлетворительными, если во время их проведения отсутствуют:

падение давления по манометру;

пропуски испытательной среды (течь, потение, пузырьки воздуха или газа) в сварных соединениях и на основном металле;

признаки разрыва;

течи в разъемных соединениях;

остаточные деформации.

Примечание. Допускается не считать течью пропуски испытательной среды через неплотности арматуры, если они не мешают сохранению пробного давления.

5.11.11. Испытание сосудов, работающих без давления (под налив), проводится смачиванием сварных швов керосином или наливом воды до верхней кромки сосуда.

Время выдержки сосуда при испытании наливом воды должно быть не менее 4 ч, а при испытании смачиванием керосином не менее указанного в табл. 22.

Таблица 22

Время выдержки сосуда и сварных швов при испытании смачиванием керосином

Толщина шва, мм Время выдержки, ч (мин)
в нижнем положении шва в потолочном вертикальном положении шва
До 4 0,35(20) 0,50 (30)
Свыше 4 до 10 0,45(25) 0,60 (35)
Свыше 10 0,50(30) 0,70 (40)

5.11.12. Значение пробного давления и результаты испытания должны быть занесены в паспорт.

5.12. Контроль на герметичность

5.12.1. Необходимость контроля на герметичность, степень герметичности и выбор методов и способов испытаний должны быть оговорены в технической документации.

Контроль на герметичность следует проводить согласно требованиям ОСТ 26-11-14.

Контроль на герметичность способами гидравлическим с люминесцентным индикаторным покрытием или люминесцентно-гидравлическим допускается совмещать с гидравлическим испытанием.

5.12.2. Контроль на герметичность крепления труб для трубных систем, соединений типа труба - решетка, где не допускается смешение сред (переток жидкости), следует проводить гелиевым (галогенным) течеискателем или люминесцентно-гидравлическим методом.

5.12.3. Контроль сварных швов на герметичность допускается проводить капиллярным методом: смачиванием керосином. При этом поверхность контролируемого шва с наружной стороны следует покрыть мелом, а с внутренней - обильно смачивать керосином в течение всего периода испытания.

Время выдержки сварных швов при испытании смачиванием керосином должно быть не менее указанного в табл. 22.

5.12.4. Контроль на герметичность швов приварки укрепляющих колец и сварных соединений облицовки патрубков и фланцев следует проводить пневматическим испытанием.

Пробное давление пневматического испытания должно быть:

0,4-0,6 МПа (4-6 кгс/см2), но не более расчетного давления сосуда для швов приварки укрепляющих колец;

0,05 МПа (0,5 кгс/см2) для сварных соединений облицовки.

Контроль необходимо осуществлять обмазкой мыльной эмульсией.

5.12.5. Качество сварного соединения следует считать удовлетворительным, если в результате применения любого соответствующего заданному классу герметичности метода не будет обнаружено течи (утечек).

6. Комплектность и документация

6.1. Комплектность

6.1.1. В комплект сосуда должны входить:

сосуд в собранном виде или отдельные транспортируемые части с ответными фланцами, рабочими прокладками и крепежными деталями, не требующими замены при монтаже;

запасные части (согласно указаниям в технической документации);

фундаментные болты для крепления сосуда в проектном положении (по указанию в технической документации).

Примечание. Детали и сборочные единицы, которые при отправке в сборе с сосудом могут быть повреждены, допускается снять и отправить в отдельном упаковке. Тип и вид тары и упаковки этих деталей и сборочных единиц, а также покупных деталей должны соответствовать требованиям технических условий на конкретный сосуд.

6.1.2. Сосуд в собранном виде должен поставляться с внутренним защитным покрытием согласно требованиям технической документации.

Торкретирование, футеровка штучными материалами, теплоизоляция осуществляются заказчиком на монтажной площадке. Материалы для торкретирования, футеровки штучными материалами, теплоизоляции, а также неметаллические (керамические и др.) элементы для защиты внутренней футеровки в поставку предприятия-изготовителя не входят. Металлические элементы для защиты внутренней футеровки, предусмотренные технической документацией, должны поставляться предприятием-изготовителем.

6.1.3. Транспортируемые части негабаритных сосудов должны поставляться с приваренными приспособлениями для сборки монтажного соединения под сварку.

Примечание. Допускается приспособления после использования срезать. Удалять их следует на расстоянии не менее 20 мм от стенок корпуса методами, не повреждающими стенки.

6.1.4. В поставку негабаритных сосудов, свариваемых на монтажной площадке из транспортируемых частей, должны входить сварочные материалы и пластины металла для проведения контрольных испытаний сварных швов. При этом сварочные материалы и пластины должны отвечать требованиям разд. 2 и 5.

6.1.5. Сосуды в собранном виде или транспортируемые части негабаритных сосудов должны поставляться с приваренными деталями для крепления изоляции, футеровки, обслуживающих площадок, металлоконструкций и др., предусмотренными техническим проектом. Приварные детали для крепления изоляции следует применять по ГОСТ 17314. Выбор типа приварной детали производится предприятием-изготовителем.

6.1.6. В поставку тяжеловесного или негабаритного сосуда должны входить специальные траверсы, опорные устройства (цапфы), тележки или салазки для опоры нижней части сосуда, монтажные хомуты, съемные грузозахватные устройства, специальные строповые устройства, приспособления для выверки и устройства для перевода сосуда из горизонтального положения в вертикальное, если они предусмотрены в технической документации.

6.1.7. Изготовленные из труб детали (змеевики, секции, коллекторы, трубные пучки и др.), если они составляют части негабаритных сосудов или заказываются отдельно от сосудов, должны поставляться собранными на предусмотренных технической документацией прокладках.

6.1.8. В комплект сосудов с механизмами и внутренними устройствами (реакторы, кристаллизаторы, емкости с погружными насосами и др.) должны входить электродвигатели, редукторы, насосы и др., предусмотренные технической документацией.

6.1.9. В комплект запасных частей должен входить комплект рабочих прокладок для фланцев. Если по условиям эксплуатации сосуда требуется большее количество запасных прокладок в течение предусмотренного срока службы, то поставка их осуществляется согласно требованиям технических условий на сосуд.

Запасной комплект прокладок для экспортируемых сосудов поставляется по требованию заказа-наряда.

6.2. Документация

6.2.1. К сосудам должна прилагаться следующая документация:

паспорт и приложения согласно требованиям Правил;

инструкция по монтажу и эксплуатации;

ведомость запасных частей;

приложения согласно требованиям настоящего стандарта;

чертежи быстроизнашивающихся деталей (по требованию заказчика);

акт о проведении контрольной сборки или контрольной проверки размеров, схема монтажной маркировки, сборочные чертежи в трех экземплярах (для сосудов, транспортируемых частями);

эксплуатационная документация;

техническая и сопроводительная документация на комплектующие изделия (электродвигатели, редукторы, насосы и др.).

Примечания.

1. К сосудам, на которые Правила не распространяются, допускается прилагать паспорт по форме согласно требованиям обязательного приложения 28.

2. Инструкция по монтажу и эксплуатации должна быть составлена разработчиком сосуда.

3. К деталям и сборочным единицам, поставляемым по кооперации, следует прилагать удостоверение о качестве.

6.2.2. Сопроводительная документация на сосуды для экспорта должна соответствовать ГОСТ 2.601, Положению о порядке составления, оформления и рассылки технической и товаросопроводительной документации на товары, поставляемые для экспорта" МВЭС СССР, ГОСТ 2.901.

6.2.3. На чертеже, поставляемом с паспортом сосуда, предприятие-изготовитель должно указать перечень транспортных блоков (частей).

7. Маркировка, консервация и окраска. Упаковка, транспортирование и хранение

7.1. Маркировка

7.1.1. Сосуды должны иметь табличку, соответствующую требованиям ГОСТ 12971.

На сосудах наружным диаметром не более 325 мм табличку допускается не устанавливать. В этом случае необходимые данные наносятся на корпус сосуда.

7.1.2. Табличка размещается на видном месте. Табличка крепится на приварном подкладном листе, приварной скобе, приварных планках или приварном кронштейне.

7.1.3. На табличку должны быть нанесены:

наименование или товарный знак предприятия-изготовителя;

наименование или обозначение (шифр заказа) сосуда;

порядковый номер сосуда по системе нумерации предприятия-изготовителя;

расчетное давление, МПа;

рабочее или условное избыточное давление, МПа;

пробное давление, МПа;

допустимая максимальная и (или) минимальная рабочая температура стенки, °С;

масса сосуда, кг;

год изготовления;

клеймо технического контроля.

Примечание. Для теплообменных аппаратов и сосудов с несколькими полостями следует расчетное, рабочее и пробное давления и допустимую рабочую температуру стенки указывать для каждой полости.

7.1.4. На наружной поверхности стенки сосуда должна быть нанесена маркировка:

наименование или товарный знак предприятия-изготовителя;

порядковый номер по системе нумерации предприятия-изготовителя;

год изготовления;

клеймо технического контроля.

Маркировка сосудов с толщиной стенки корпуса 4 мм и более наносится клеймением или гравировкой, а с толщиной стенки менее 4 мм - гравировкой или несмываемой краской. Маркировка заключается в рамку, выполненную атмосферостойкой краской, и защищается бесцветным лаком (тонким слоем смазки). Глубина маркировки клеймением или гравировкой должна быть в пределах 0,2-0,3 мм.

Качество и цвет маркировки должны соответствовать ГОСТ 26828.

Примечание. Допускается наносить маркировку на пластину, приваренную к корпусу сосуда рядом с табличкой.

7.1.5. Шрифт маркировки должен соответствовать ГОСТ 26.020 для плоской печати и ГОСТ 26.008 для ударного способа.

7.1.6. Кроме основной маркировки, следует:

а) выполнить по две контрольные метки вверху и внизу обечайки под углом 90° на неизолируемых вертикальных сосудах, не имеющих специальных приспособлений для выверки вертикальности их на фундаменте;

б) нанести монтажные метки (риски), фиксирующие в плане главные оси сосуда, для выверки проектного положения его на фундаменте;

в) нанести несмываемой краской отличительную окраску на строповые устройства;

г) прикрепить (или отлить) стрелку, указывающую направление вращения механизмов, при этом стрелку необходимо окрасить в красный цвет несмываемой краской;

д) нанести монтажную маркировку (для негабаритных сосудов, транспортируемых частями);

е) нанести отметки, указывающие положение центра масс на обечайке сосудов, при этом отметки расположить на двух противоположных сторонах сосуда;

ж) указать диаметр отверстий под регулировочные болты несмываемой краской вблизи от одного из отверстий (при наличии регулировочных болтов в опорной конструкции сосуда).

Примечание. Отметки центра масс выполняются по черт. 12 ГОСТ 14192. Причем, когда координаты центра тяжести изделия и груза, отправляемого без упаковки в тару совпадают, то Знак нанести один раз с 2-х сторон, а когда не совпадают, Знак нанести дважды с 2-х сторон. При этом, к Знаку, определяющему координаты "Центра масс", дополнительно нанести буквы "ЦМ".

7.1.7. Маркировка отгрузочных мест должна наноситься по ГОСТ 14192.

7.1.8. На транспортируемых частях негабаритных сосудов должно быть указано:

обозначение сосуда;

порядковый номер по системе нумерации предприятия-изготовителя;

обозначение транспортируемой части.

7.1.9. На каждом сосуде, поставочном блоке, негабаритных частях сосуда должны быть указаны места крепления стропов, положение центра тяжести. Должны быть предусмотрены и поставлены предприятием-изготовителем устройства в соответствии с технической документацией, обеспечивающие установку в проектное положение сосуда в собранном виде или поставочного блока.

7.2. Консервация и окраска

7.2.1. Консервации и окраске подлежат сосуды, принятые отделом технического контроля.

7.2.2. Консервация металлических неокрашенных поверхностей сосудов, поставляемых в полностью собранном виде, а также негабаритных поставочных частей, комплектующих деталей и сборочных единиц, входящих в объем поставки, должна проводиться в соответствии с требованиями ГОСТ 9.014 и обеспечивать защиту от коррозии при транспортировании, хранении и монтаже в течение не менее 24 месяцев со дня отгрузки с предприятия-изготовителя.

7.2.3. Консервация сосудов должна проводиться по технологии предприятия-изготовителя с учетом условий транспортирования и хранения по ГОСТ 9.014.

7.2.4. Методы консервации и применяемые для этого материалы должны обеспечивать возможность расконсервации сосудов в сборе и транспортируемых блоков (узлов) без их разборки.

Марки консервационных материалов выбираются в каждом отдельном случае в зависимости от условий эксплуатации сосудов и должны отвечать требованиям РТМ 26-02-52, РТМ 26-02-66, ГОСТ 9.014.

Примечание. Если по условиям эксплуатации требуется обезжиривание, которое невозможно выполнить без разборки сборочных единиц, то требование о безразборной расконсервации на эти сосуды не распространяется.

7.2.5. Свидетельство о консервации должно включать следующие сведения:

дату консервации;

марку консервационного материала;

вариант внутренней упаковки;

условия хранения;

срок защиты без переконсервации;

срок консервации;

способы расконсервации.

Свидетельство прикладывается к паспорту сосуда, подвергнутого консервации. При этом должны применяться обозначения в соответствии с ГОСТ 9.014.

7.2.6. Поверхность сосуда (сборочной единицы) перед окраской должна быть подготовлена по документации предприятия-изготовителя и технологическим инструкциям специализированной научно-исследовательской организации с учетом требований ГОСТ 9.402.

7.2.7. Выбор системы покрытий и лакокрасочных материалов для защиты сосудов (сборочных единиц) проводится в зависимости от условий эксплуатации, категории размещения, транспортирования, хранения, монтажа, габаритов и других условий согласно РД 24.202.03.

Примечание. Окраска является защитной на время транспортирования, хранения и монтажа в течение не менее 24 месяцев со дня отгрузки с предприятия-изготовителя.

7.2.8. Цвет покрытия выбирается в зависимости от условий эксплуатации по ГОСТ 12.4.026 и технических условий на сосуд (сборочную единицу).

На период транспортирования, монтажа и хранения цвет покрытия не нормируется.

7.2.9. При поставке негабаритных сосудов частями или габаритными блоками защитное покрытие наносится в соответствии с требованиями пп. 7.2.6, 7.2.7.

Примечание. Кромки, подлежащие сварке на монтажной площадке, и прилегающие к ним поверхности шириной 50-60 мм должны защищаться консистентной смазкой или другими материалами. Окраска кромок не допускается.

7.3. Упаковка, транспортирование и хранение

7.3.1. Упаковка сосудов должна производиться по технической документации на конкретный сосуд.

7.3.2. При необходимости внутренние устройства и вращающиеся механизмы должны быть закреплены для предохранения от деформации под влиянием собственной массы и динамических нагрузок при транспортировании.

7.3.3. Все отверстия, штуцера, муфты должны быть закрыты пробками или заглушками для защиты от загрязнений и повреждений уплотнительных поверхностей.

7.3.4. Отдельно отправляемые сборочные единицы, детали, запасные части должны быть упакованы в ящики или собраны в пакеты (стопы).

Вид упаковки выбирается предприятием-изготовителем, если нет других указаний в технической документации.

Ящики и способы крепления должны соответствовать ГОСТ 2991, ГОСТ 5959, ГОСТ 10198, ГОСТ 21650.

Ящики для запасных частей сосудов, предназначенных на экспорт, должны соответствовать ГОСТ 24634 или требованиям заказа-наряда.

7.3.5. Крепежные детали при отправке их в ящиках должны быть законсервированы согласно инструкции предприятия-изготовителя, а шпильки (болты) фланцевых соединений дополнительно упакованы в оберточную или парафинированную бумагу.

7.3.6. Техническая и товаросопроводительная документация, прилагаемая к сосудам, должна быть завернута в водонепроницаемую бумагу или бумагу с полиэтиленовым покрытием и вложена в пакет, изготовленный из полиэтиленовой пленки толщиной не менее 150 мк. Швы пакета свариваются (заклеиваются).

Для дополнительной защиты от механических повреждений пакет должен быть обернут водонепроницаемой бумагой или полиэтиленовой пленкой. Края бумаги или пленки должны быть склеены синтетическим клеем.

7.3.7. Если сосуд поставляется в виде нескольких грузовых мест, техническая документация должна упаковываться в грузовое место N 1.

7.3.8. При отгрузке сосудов без тары техническая документация должна крепиться внутри сосуда или на сосуде. При этом на сосуд наносится надпись: "Документация находится здесь".

7.3.9. Каждое грузовое место должно иметь свой упаковочный лист, который вкладывается в пакет из водонепроницаемой бумаги или бумаги с полиэтиленовым покрытием. Пакет дополнительно завертывается в водонепроницаемую бумагу и размещается в специальном кармане, изготовленном в соответствии с документацией, применяемой на предприятии-изготовителе. Карман крепится около маркировки груза.

К ярлыку грузов, отправляемых в пакетах и связках, должен крепиться футляр для упаковочного листа в соответствии с документацией, используемой на предприятии-изготовителе.

Второй экземпляр упаковочного листа или комплектовочной ведомости вместе с технической документацией упаковывается в грузовое место N 1.

7.3.10. Техническую документацию и второй экземпляр упаковочного листа допускается отправлять почтой. Отправка технической документации должна быть произведена в течение одного месяца после отгрузки сосуда.

7.3.11. Сосуды должны транспортироваться железнодорожным транспортом в соответствии с требованиями Министерства путей сообщения.

Допускается транспортирование автомобильным и водным транспортом.

Крепление сосудов следует производить по документации предприятия-изготовителя.

7.3.12. Транспортирование и погрузочно-разгрузочные работы должны проводиться без резких толчков и ударов в целях обеспечения сохранности оборудования и его упаковки.

7.3.13. Условия транспортирования и хранения сосудов на предприятии-изготовителе и монтажной площадке должны обеспечивать сохранность качества сосудов, предохранять их от коррозии, эрозии, загрязнения, механических повреждений и деформации.

7.3.14. Категорию и условия транспортирования и хранения сосудов в части воздействия климатических факторов внешней среды по ГОСТ 15150 следует указывать в технических условиях на конкретные сосуды. При назначении категории и условий хранения должна быть учтена сохраняемость комплектующих деталей.

8. Гарантии изготовителя

8.1. Предприятие-изготовитель гарантирует соответствие сосудов требованиям настоящего стандарта при соблюдении условий транспортирования, хранения, монтажа и эксплуатации.

8.2. Гарантийный срок эксплуатации - не менее 18 мес со дня ввода сосуда в эксплуатацию, по не более 24 мес после отгрузки с предприятия-изготовителя.

9. Специальные требования к колонным аппаратам

9.1. Требования к изготовлению колонных аппаратов

9.1.1. Относительная овальность корпуса колонных аппаратов должна соответствовать требованиям п. 3.3.2, если в технической документации не указаны более жесткие требования.

9.1.2. Отклонение от параллельности уплотнительных поверхностей фланцев царг после механической обработки не должно превышать 0,4 мм на 1 м диаметра (рис. 20), но не более 1 мм на диаметр D.

Рис. 20. Царга с фланцами

Отклонение от перпендикулярности уплотнительных поверхностей фланцев царг к образующей обечайки не должно превышать 0,6 мм на 1 м высоты царги (рис. 20), но не более 2 мм на всю высоту царги.

9.1.3. Отклонение от высоты царги с фланцами не должно превышать ±2 мм на 1 м номинального размера, но не более ±5 мм на всю высоту царги.

9.1.4. Допуск на расстояние от оси сварного шва приварки нижнего днища к обечайке до:

оси штуцера - ±10 мм;

оси люка - ±20 мм; основания опоры - ±20 мм;

Допуск на расстояние между осями парных штуцеров для присоединения контрольных и регулировочных приборов - ±3 мм.

9.1.5. Крепежные детали внутренних устройств колонных аппаратов из углеродистых сталей должны изготавливаться из коррозионностойких материалов.

9.2. Ректификационные тарелки

9.2.1. Тарелки должны изготавливаться в соответствии с требованиями стандартов и проекта.

9.2.2. При изготовлении деталей и сборочных единиц тарелок одноименные детали и сборочные единицы определенного типоразмера должны быть взаимозаменяемыми.

9.2.3. Штампованные детали тарелок должны быть чистыми, без трещин, надрывов и заусенцев.

9.2.4. Сварные швы, которые перекрываются съемными деталями тарелок, в опорных деталях должны быть зачищены заподлицо с основным металлом.

9.2.5. Отклонение от перпендикулярности опорной детали тарелки, привариваемой к корпусу колонного аппарата, к оси корпуса, относительно которой установлены устройства (риски) для выверки вертикальности его на монтажной площадке, не должно превышать значений, указанных в табл. 23.

Таблица 23

Отклонение от перпендикулярности опорной детали тарелки

Тип тарелок Внутренний диаметр колонного аппарата, мм Отклонение перпендикулярности, мм
Тарелки провальные
Решетчатые и др. До 2000 ±2
От 2000 до 3000 ±3
Тарелки с переливами
Клапанные, клапанные балластные, S-образно-клапанные, ситчатые с отбойными элементами, центробежные До 3000 ±3
От 3000 до 6000 ±4
От 6000 и более ±5
Колпачковые, ситчатые, ситчато-клапанные, жалюзийно-клапанные, с двумя зонами контакта фаз До 3000 ±3
От 3000 до 4000 ±4
От 4000 и более ±5

Результаты замеров фактических отклонений от перпендикулярности опорных деталей тарелок заносятся в формуляр, заверяемый отделом технического контроля. Формуляр прилагается к паспорту колонного аппарата.

9.2.6. Отклонение по шагу между соседними тарелками не должно превышать ±3 мм.

Отклонение по высоте нижней тарелки не должно превышать:

±3 мм от кромки нижней обечайки корпуса;

±15 мм от кромки верхней тарелки, при этом для промежуточных тарелок оно пропорционально изменяется.

9.2.7. Допуск на минимальное расстояние от сливной перегородки до вертикальной поверхности уголка приемного кармана (успокаивающей планки) - +10 мм и -5 мм.

Допуск на расстояние от нижней кромки сливной перегородки до поверхности нижележащей тарелки при заглубленном приемном кармане - ±5 мм на 1 м длины перегородки, но не более ±15 мм на всю длину, а при отсутствии заглубленного кармана и наличии успокаивающей планки - ±5 мм.

9.2.8. Уплотнения цельнособранных тарелок и отдельных секций следует выполнять из сальниковой набивки, которая должна состоять из отдельных колец. Стык каждого отдельного кольца следует выполнять с косым срезом. Места стыков в соседних кольцах должны быть смещены по диаметру. Уплотнение секций разборных тарелок к опорной раме, если это предусмотрено стандартом или технической документацией на тарелки, должно выполняться из асбестовой ткани марки АТ-2 по ГОСТ 6102 или паронита по ГОСТ 481.

9.2.9. Попадание щелей решетчатых тарелок на опорные части не допускается.

9.2.10. Качество сборки и правильность установки каждой тарелки должны контролироваться отделом технического контроля.

9.2.11. Прогиб секции (полотна) тарелки после их установки не должен превышать 3 мм, а высота отдельных выпучин - 2 мм.

Секции (полотна) тарелки допускается изготавливать сварными, при этом швы должны быть зачищены с двух сторон заподлицо с основным металлом.

9.3. Тарелки решетчатые

9.3.1. Прогиб секций после их установки не должен превышать 2 мм на 1 м длины, но не более 3 мм на длину секции. Допускаются отдельные выпучины высотой до 6 мм и площадью не более 300X300 мм.

9.3.2. Предельные отклонения размеров щелей (рис. 21) должны быть:

Рис. 21. Размеры щелей в решетчатых тарелках

для расстояния Т между щелями - IТ15/2 по ГОСТ 25347;

для длины l и ширины b щели - Н15 по ГОСТ 25347.

9.3.3. Расположение щелей должно соответствовать требованиям стандартов и проекта.

9.3.4. Смежные тарелки по высоте колонного аппарата должны быть повернуты в горизонтальной плоскости на 90° относительно друг друга.

9.3.5. На тарелке по кроликам щелей допускается не более 10 несквозных трещин длиной до 5 мм каждая, расположенных в разных местах секций.

9.4. Тарелки клапанные

9.4.1. Допуск на расстояние между отверстиями под клапаны на секциях тарелки - ±1 мм.

Допускается до 10% отверстий под клапаны выполнять с допуском на межцентровое расстояние - ±3 мм. При этом допуск на расстояние между первым и последним рядами отверстий под клапаны на секциях тарелки - ±2 мм при расстоянии до 1000 мм и ±6 мм при расстоянии свыше 1000 мм до 2700 мм.

9.4.2. Клапаны после их установки в отверстия секций должны свободно (без заеданий) перемещаться до упора.

9.4.3. Общий прогиб установленной тарелки не должен превышать значений, указанных в табл. 24.

Таблица 24

Прогиб установленной тарелки

Внутренний диаметр колонного аппарата, мм До 0000 От 3000 до 4000 От 4000 и более
Прогиб тарелки, мм 3 4 5

9.4.4. Предельное отклонение массы клапана - ±0,002 кг.

9.5. Тарелки клапанные балластные

9.5.1. Клапаны после их установки в отверстия секций должны свободно (без заеданий) перемещаться до улора.

9.5.2. Балласты на тарелке должны свободно (без заеданий) перемещаться по направляющим до упора.

9.5.3. Допускается местное неприлегание балласта к клапанам до 5 мм.

9.6. Тарелки S-образно-клапанные

9.6.1. Кромки зубцов S-образного элемента и колпачка должны быть ровными и не иметь заусенцев. Предельное отклонение по высоте зубца - ±1 мм.

9.6.2. Прогиб S-образного элемента, колпачка и желоба не должен превышать 1 мм на 1 м длины, но не более 3 мм на всю длину.

9.6.3. Предельные отклонения размеров профиля S-образного элемента, колпачка, желоба должны быть согласованы со специализированной научно-исследовательской организацией.

Нижняя (опорная) кромка паровой заглушки S-образного элемента и колпачка должна быть в одной плоскости Д с опорной поверхностью (рис. 22-а, б).

Рис. 22. а - S-образный элемент; б - колпачок; в - желоб

9.6.4. Концы вертикальных полок S-образного элемента при сборке тарелок должны находиться в прорезях паровых заглушек соседних элементов.

9.7. Тарелки ситчатые с отбойными элементами

9.7.1. Прогиб секций (полотен) после их установки не должен превышать 5 мм.

9.7.2. Предельные отклонения размеров щелей секций тарелки и отбойников должны быть Н16 по ГОСТ 25347.

9.7.3. Торцы секций и отбойников должны быть без заусенцев и острых кромок.

9.8. Тарелки колпачковые

9.8.1. Местные выпучины и кривизна поверхности секций (полотен) тарелок не должны превышать 4 мм по всему сечению тарелки, а для тарелок с цельным полотном - 5 мм.

9.8.2. Полотна тарелок могут изготавливаться из сварных листов, при этом сварные швы должны быть зачищены заподлицо с основным металлом с двух сторон.

Кромки отверстий лазов в тарелках должны быть зачищены.

9.8.3. Отклонение по шагу между соседними отверстиями под паровые патрубки не должно превышать ±2 мм, отклонение между крайними отверстиями под шаровые патрубки тарелки (в пределах одного полотна) не должно превышать ±4 мм.

9.8.4. Колпачки должны изготавливаться по ГОСТ 9634.

9.8.5. Верхние торцы шаровых патрубков тарелок в сборе должны быть в одной горизонтальной плоскости. Отклонение от плоскостности не должно превышать ±3 мм.

9.8.6. Отклонение уровня верхних торцов сливных труб относительно поверхности тарелок не должно превышать ±3 мм. Базой, от которой ведется измерение, служит горизонтальная плоскость, проведенная через верхние торцы сливных труб.

9.8.7. Перекос колпачков относительно плоскости тарелки, замеряемый от верха прорезей, не должен превышать ±2 мм.

9.8.8. Тарелки колпачковые должны соответствовать следующим требованиям:

трещины на поверхности среза и кромок не допускаются;

отклонение от параллельности поверхностей А и Б (рис. 23) не должно превышать на весь диаметр отверстия 0,5 мм при S = 2,5 мм и 0,3 мм при S = 1,6 мм (S - толщина полотна тарелки);

отклонение от плоскостности основания тарелки после штамповки и приварки паровых патрубков не должно превышать ±3 мм на 1 м диаметра.

Рис. 23. Часть полотна тарелки в месте крепления патрубка

9.9. Тарелки ситчатые

9.9.1. Прогиб секций (полотен) после перфорации в зажатом состоянии не должен превышать 2 мм на 1 м длины, но не более 5 мм на всю длину.

Допускаются отдельные выпучины высотой до 8 мм на площади до 15% для приварных секций (полотен).

9.9.2. Предельное отклонение диаметра отверстий перфорации должно быть Н15 по ГОСТ 25347.

9.9.3. Отклонение количества отверстий от заданного в перфорированном полотне допускается от +3% до -5%.

9.9.4. Сегменты и карманы должны иметь взаимно перпендикулярные стороны. Отклонение от перпендикулярности сторон не должно превышать 2 мм по наибольшей стороне.

9.9.5. В секциях (полотнах) тарелок, изготовленных из нескольких частей, сварные швы должны быть зачищены заподлицо с основным металлом.

9.10. Тарелки ситчато-клапанные

9.10.1. Отклонение от плоскостности основания тарелки после ее сборки не должно превышать 2 мм на 1 м диаметра, но не более 5 мм на весь диаметр.

9.10.2. Допуск на расстояние между отверстиями под клапаны на секциях тарелки - ±3 мм, а между крайними в ряду отверстиями - ±5 мм.

9.10.3. Клапаны после их установки в отверстиях секций должны свободно (без заеданий) перемещаться до упора.

9.10.4. Предельное отклонение диаметра отверстий перфораций должно быть Н15 по ГОСТ 25347.

9.10.5. Отклонение количества отверстий от заданного в перфорированном полотне допускается от +3% до -5%.

9.11. Решетки опорные под насадку

9.11.1. Местные выпучины и кривизна полос для решеток опорных не должны превышать 2 мм на 1 м длины.

9.12. Тарелки распределительные

9.12.1. Местные выпучины и кривизна секций (полотен), подготовленных под установку патрубков, не должны превышать 5 мм.

9.12.2. Отклонение оси отверстий под патрубки от номинального положения не должно превышать ±1 мм.

9.12.3. В собранных и установленных тарелках верхние торцы патрубков должны быть в одной плоскости. Отклонение от плоскостности не должно превышать 3 мм.

9.12.4. Регулируемые тарелки должны быть установлены в колоннам аппарате горизонтально при помощи регулировочных болтов. Отклонение от горизонтальности плоскости тарелки не должно превышать 3 мм на 1 м диаметра, но не более 4 мм на весь диаметр.

Регулирование тарелок производится после закрепления аппарата на фундаменте.

9.13. Тарелки жалюзийно-клапанные

9.13.1. Отклонение от плоскостности основания тарелки после ее сборки не должно превышать 2 мм на 1 м диаметра, но не более 5 мм на весь диаметр.

9.13.2. Допуск на расстояние между отверстиями под жалюзийные элементы - ±3 мм, а между крайними в ряду отверстиями - ±5 мм.

9.13.3. Жалюзи после оборки элемента должны свободно (без заеданий) поворачиваться до упора.

9.14. Тарелки желобчатые, изготовляемые для ремонтных целей

9.14.1. Сегменты глухие левые и правые, карманы сегментные, а также карманы гидравлических затворов многопоточных тарелок должны иметь взаимно перпендикулярные стороны. Отклонение от перпендикулярности не должно превышать 2 мм для наиболее длинной детали.

9.14.2. Зазор между стенкой колпачка и шаблоном при проверке внутреннего профиля колпачка не должен превышать 2 мм. Кромки зубцов колпачка должны быть ровными.

Допускается при проверке на плите для 15% общего количества зубцов:

отклонение высоты зубца не более 3 мм;

зазор между отдельными зубцами и плитой (из-за неточности изготовления зубцов или прогиба колпачка) не более 5 мм.

9.14.3. Смещение оси отверстия размером 18X25 мм относительно оси симметрии колпачка допускается не более 3 мм.

9.14.4. Донышки следует приваривать перпендикулярно к поверхности колпачка. Отклонение от перпендикулярности не должно превышать 2 мм.

9.14.5. Зазор между кромками желоба (полужелоба) и плитой при проверке на плите не должен превышать 3 мм на 1 м длины, но не более 5 мм на всю длину.

9.14.6. Отклонение диаметра желоба с двух концов на длине 50 мм от торцов не должно превышать - 1 мм.

9.14.7. Гребенки (сливные планки) должны иметь визуально гладкую поверхность.

9.14.8. Местная кривизна полок штампованных угольников при проверке на плите не должна превышать 4 мм, отклонение по высоте широкой полки угольника - ±3 мм, отклонение от перпендикулярности полок угольников после штамповки - ±3 мм по высокой полке угольника.

Допускаются опорные угольники изготавливать с одним сварным швом, выполненным двусторонней сваркой со сплошным проваром. Швы следует располагать в промежутках между вырезами под желоба.

9.14.9. Приварные шпильки должны быть перпендикулярны к полке угольника. Отклонение от перпендикулярности не должно превышать 1 мм на длину шпильки.

9.14.10. Глухие левые и правые сегменты, а также сегментные карманы своими горизонтальными полками устанавливаются перпендикулярно к продольной оси аппарата. Отклонение от перпендикулярности не должно превышать 1 мм на 1 м диаметра, но не более 3 мм на диаметр.

Вертикальные полки должны быть параллельны образующей корпуса колонного аппарата. Отклонение от параллельности не должно превышать 3 мм на всю длину полки L (рис. 24).

Рис. 24. Основание тарелок желобчатых

9.14.11. Глухие сегменты и сегментные карманы (в плане) должны устанавливаться под углом 90° друг к другу.

Размеры (в плане) прямоугольного колодца и их отклонения должны соответствовать указанным в проекте.

9.14.12. Скошенные угольники (левый и правый) и угольники прямые должны привариваться так, чтобы опорные полки всех четырех угольников одного пояса находились в одной плоскости.

Отклонение от горизонтальности плоскости не должно превышать 0,001 внутреннего диаметра колонного аппарата, но не более 3 мм.

10. Специальные требования к кожухо-трубчатым теплообменным аппаратам

10.1. Конструкция теплообменных аппаратов <9>

<9> Теплообменные аппараты далее по тексту - аппараты.

10.1.1. Типы и параметры аппаратов должны устанавливаться по ГОСТ 27601 или технической документации.

Изготавливаются аппараты следующих типов:

Н - с неподвижными трубными решетками;

К - с температурным компенсатором на кожухе;

П - с плавающей головкой;

У - с U-образными трубами.

10.1.2. Толщины стенок кожуха длиной до 6 м, распределительной камеры, обечайки и днища крышки должны быть не меньше значений, указанных в табл. 25.

Таблица 25

Минимальные толщины стенок обечаек и днищ

Тип аппарата Материал Толщины стенок при диаметре аппарата, мм
до 500 (530) 600 (630) 800 1000 1200 1400 и более
Н и К Сталь углеродистая и низколегированная 5 6 6 6 6 6
Сталь высоколегированная хромоникелевая 3 4 4 6 6 6
П и У Сталь углеродистая и низколегированная 5 6 8 10 12 14
Сталь высоколегированная хромоникелевая 3 4 6 8 10 12

10.1.3. Толщины перегородок в распределительных камерах и крышках должны быть не меньше значений, указанных в табл. 26.

Таблица 26

Минимальные толщины перегородок в распределительных камерах и крышках

Диаметр аппарата, мм Толщина перегородок, мм
325, 400, 426 5
500(530), 600(630) 8
800, 1000 10
1200 и более 12

В продольной перегородке распределительной камеры и крышки аппарата многоходового по трубному пространству следует выполнять дренажное отверстие диаметрам не менее 6 мм.

10.1.4. Толщина продольной перегородки трубного пучка должна быть не менее 5 мм. Толщины поперечных перегородок трубного пучка должны быть не меньше значений, указанных в табл. 27.

Таблица 27

Минимальные толщины поперечных перегородок трубного пучка

Диаметр аппарата, мм Толщина перегородок при расстоянии между перегородками, мм
до 300 301-450 451-600 601-860 851 и более
До 325 3 5 6 8 10
От 426 до 600 5 6 8 8 10
800, 1000 6 8 8 10(8) 12(10)
1200 и более 6 8 10(8) 10(8) 12(10)

Примечание. Значения в скобках допускаются для аппаратов типов Н и К.

10.1.5. Диаметры поперечных перегородок трубного пучка должны соответствовать значениям, приведенным в табл. 28.

Таблица 28

Диаметры поперечных перегородок трубного пучка

Диаметры поперечных перегородок, мм
при наружном диаметре аппарата, мм при внутреннем диаметре аппарата, мм
до 825 426(630) 400 600 600 800 1000 1200 1400
D- 2S-3<*> 397 497 597 796 995 1195 1395

<*> S - толщина стенки аппарата, мм; D - наружный диаметр аппарата, мм.

10.1.6. При отсутствии указаний в нормативно-технической документации расстояние между поперечными перегородками трубного пучка следует устанавливать в соответствии с результатами теплотехнического, гидравлического и прочностного расчетов с учетом следующих требований:

минимальное расстояние должно составлять 0,2 внутреннего диаметра кожуха, но не менее 50 мм;

максимальное расстояние для испарителей с паровым пространством независимо от их диаметра должно составлять 1200 мм, для остальных аппаратов должно соответствовать значениям, указанным в табл. 29.

Таблица 29

Максимальное расстояние между перегородками

Наружный диаметр труб, мм Материал труб
сталь латунь, алюминиевый сплав
расстояние между перегородками, мм
в теплообменниках и испарителях в холодильниках и конденсаторах в теплообменниках и испарителях в конденсаторах и холодильниках
16, 20 700 1000 600(630) 900
25 800 1200 700 1000
38 1000 1300 800 1200

10.1.7. Диаметры стяжек и их количество (при отсутствии противобайпасных полос) должны соответствовать значениям и количеству, указанным в табл. 30.

Таблица 30

Диаметры и количество стяжек

Диаметр аппарата, мм Диаметр стяжек, мм Минимальное количество стяжек, шт.
До 325 12 4
От 426 до 600(630) 12 6
От 800 до 1000 16(12) 8(6)
От 1200 и более 16 10

Примечания.

1. Значения в скобках допускаются для аппаратов типов Н и К.

2. Для аппаратов типа П допускаются стяжки диаметром 12 мм в количестве 8 шт.

10.1.8. Противобайпасные устройства могут изготавливаться в виде полос, ложных труб и др.

Рекомендуемые размеры и расположение противобайпасных устройств приведены на рис. 25.

Рис. 25. Противобайпасные устройства

Количество противобайпасных устройств рекомендуется принимать согласно табл. 31.

10.1.9. Проходное сечение в штуцерах распределительных камер не должно превышать проходное сечение по трубам одного хода.

10.1.10. В межтрубном пространстве аппарата под штуцером ввода продукта должен устанавливаться отбойник, если нет других указаний в технической документации.

Таблица 31

Рекомендуемое количество противобайпасных устройств

Диаметр аппарата, мм Количество противобайпасных устройств
До 325 От 2 до 4
От 400(426) до 800 От 4 до 6
От 1000 и более От 6 до 8

10.1.11. Фланцы корпусов распределительных камер, крышек на Ру 1 МПа (10 кгс/см2) и более, а также фланцы аппаратов, одна или две полости которых работают при температуре 300°С и более, должны быть выполнены приварными встык.

Фланцы с гладкой уплотнительной поверхностью не допускаются.

10.1.12. Конструкция сборочной единицы крепления трубной решетки аппаратов типов Н и К должна соответствовать рис. 26, если нет других указаний в технической документации.

Рис. 26. Конструкция сборочной единицы крепления трубной решетки аппаратов типов Н и К.

Следует учитывать, что конструкция сборочной единицы крепления решетки допускается:

по рис. 26-а для решеток из листовой стали, при этом допускается применение двух подкладных колец;

по рис. 26-б для решеток из паковок, при этом поковки должны быть проконтролированы ультразвуком в объеме 100% и испытаны их механические свойства; размеры решеток должны соответствовать соотношениям: h примерно= 0,8-S_Р; h >=S_1, S_1>=S; R>=S_1 (где h - толщина фланца; SР - толщина решетки, S - толщина концевой обечайки, h_1 - высота отбортовки; S_1 - толщина отбортовки, R - радиус),

по рис. 26-в для решеток из листовой углеродистой стали, при этом решетка в месте присоединения к концевой обечайке "а длине А должна быть проконтролирована ультразвуком в объеме 100% (исправление дефектов не допускается) и наплавлена до сварки с обечайкой; сварной шов приварки решетки к обечайке должен иметь размеры: (A+B)>=2S и К>=0,7 x S (где А - длина, В - глубина, К - катет);

по рис. 26-г для решеток из листовой стали, при этом концевая обечайка должна быть толщиной S>=2S_2 и длиной l>=2 кв.корень (DS)+S_Р+2l_1 (где D - внутренний диаметр аппарата, l_1 - длина переходной части);

по рис. 26-д для решеток из листовой стали аустенитного класса, при этом концевая обечайка должна быть толщиной S >= 1,5 x S_2, но не менее 12 мм и длиной l >= кв.корень (D x S) + l_1; сварной шов приварки решетки к обечайке должен иметь размеры А >= 3 x S и K >= 0,8 x S; допускается применение двух подкладных колец.

Сварной шов приварки решетки к фланцу или концевой обечайке (кожуху) должен быть проконтролирован радиографическим или ультразвуковым методом по всей длине. При недоступности шва (отдельных его участков) для проверки ультразвуком или радиографией метод контроля должен быть выбран в соответствии с требованиями РД26-11-01.

10.1.13. Способ крепления труб к трубным решеткам должен соответствовать требованиям ОСТ 26-02-1015.

10.1.14. Расположение (шаг) труб в трубных решетках принимается: по вершинам равносторонних треугольников - для типов Н и К; по вершинам квадратов или равносторонних треугольников - для типов П и У.

Шаг отверстий для труб, мм:

21 - для труб диаметром 16,

26 - для труб диаметром 20,

32 - для труб диаметром 25,

48 - для труб диаметром 38,

70 - для труб диаметром 57.

10.1.15. Аппараты типов П и У, внутренний диаметр кожуха которых 800 мм и более, и испарители с асимметричным коническим переходом, внутренний диаметр горловины которого 900 мм и более, должны быть снабжены устройством, облегчающим монтаж - демонтаж трубного пучка.

В трубных решетках аппаратов типов П и У следует предусмотреть рым-болты для вытягивания трубного пучка, а на неподвижной трубной решетке этих аппаратов по наружной кольцевой поверхности должна быть выполнена проточка для крепления приспособлений к пучку при его извлечении из корпуса.

10.1.16. В вертикальном аппарате типа П должен быть предусмотрен дренаж жидкости из труб и межтрубного пространства.

10.1.17. У трубчатки вертикального аппарата с трубной (решеткой, привариваемой непосредственно к кожуху, спуск воздуха и дренаж должны производиться через отверстия диаметром не менее 10 мм в трубной решетке.

10.1.18. Трубные пучки из U-образных труб вертикальных аппаратов рекомендуется располагать трубной решеткой вниз.

10.1.19. Высота крышки плавающей головки аппарата одноходового по трубам должна быть не менее 1/3 внутреннего диаметра штуцера на крышке.

Высота крышки плавающей головки аппарата двухходового по трубам должна быть такой, чтобы площадь ее центрального сечения превышала площадь проходного сечения труб одного хода в 1,3 или более раз.

10.2. Допустимые отклонения размеров аппаратов, сборочных единиц и деталей

10.2.1. Предельные отклонения габаритных и присоединительных размеров аппаратов и их сборочных единиц от номинальных должны соответствовать приведенным на рис. 27, при этом К=5 мм, если длина труб не более 3000 мм, и К=10 мм, если длина труб более 3000 мм.

Неперпендикулярность М торца фланца штуцера относительно оси штуцера не должна превышать значений, указанных в табл. 32.

Рис. 27. Предельные отклонения габаритных и присоединительных размеров

10.2.2. Предельное отклонение внутреннего диаметра кожуха теплообменников, холодильников и испарителей с жидкостным теплоносителем (подаваемым в межтрубное пространство) должно соответствовать Н14 по ГОСТ 25347.

Таблица 32

Неперпендикулярность торца фланца штуцера

Условный диаметр штуцера, мм Неперпендикулярность, М, мм
От 80 до 100 2
От 150 до 300 3
От 350 до 800 5

Предельное отклонение внутреннего диаметра кожуха аппаратов типов Н и К с толщиной кожуха меньше, чем указано для аппаратов типов П и У в табл. 25, должно соответствовать Н14 по ГОСТ 25347 и определяться путем измерения длины окружности по наружной поверхности корпуса.

Предельное отклонение внутреннего диаметра аппарата с кожухом из двухслойной стали или изготовленного вгорячую устанавливается по согласованию со специализированной научно-исследовательской организацией.

Предельное отклонение внутреннего диаметра корпуса конденсаторов и испарителей с паровым теплоносителем (пары поступают в межтрубное пространство), а также испарителей с паровым пространством должно соответствовать Н16 по ГОСТ 25347.

10.2.3. Предельное отклонение наружного диаметра поперечных перегородок должно соответствовать h13 по ГОСТ 25347.

10.2.4. Максимально допускаемая разность между внутренним диаметром кожуха и наружным диаметром перегородок должна соответствовать величине, рассчитанной с учетом предельных отклонений, указанных в пп. 10.2.2 и 10.2.3.

Для аппаратов типов Н и К, диаметр корпуса которых более 1400 мм, допускается зазор между перегородками и корпусом не более 10 мм.

10.2.5. Для конструкции плавающей головки согласно рис. 28 допуски на высоту h накладки, наружный диаметр подвижной трубной решетки D_3, внутренний диаметр полукольца D_3, диаметр выточки полукольца (D_3+2 мм), на расстояние между фланцем и полукольцом, на угол должны соответствовать размерам, указанным на этом рисунке.

Рис. 28. Отклонения размеров деталей плавающей головки

Примечания.

1. Отклонение внутреннего диаметра полукольца - Н11 по ГОСТ 25347 должно быть обеспечено для обработанного кольца до разрезки на два полукольца.

2. Каждая накладка I (2 шт.) согласно рис. 28 должна крепиться четырьмя шпильками для аппаратов диаметром 400 мм и более и двумя шпильками для аппаратов диаметром 325 мм и 426 мм.

10.2.6. Предельное отклонение диаметров D_1 и D_2 трубной решетки (рис. 29) должно соответствовать h13 по ГОСТ 25347.

Рис. 29. Узлы соединения решеток и фланцев

10.2.7. Отклонение от перпендикулярности торцовой поверхности трубы к образующей ее цилиндрической (поверхности теплообменной не должно превышать 1 мм.

10.2.8. Предельное отклонение диаметра отверстий в поперечной перегородке под трубы должно соответствовать Н12 по ГОСТ 25347.

10.2.9. Несовпадение плоскостей под прокладку у перегородки и фланца распределительной камеры, а также несовпадение плоскости в выточке трубной решетки относительно кольцевой привалочной поверхности под прокладку не должны превышать:

0,3 мм для аппаратов диаметром до 1200 мм;

0,4 мм для аппаратов диаметром от 1200 до 1400 мм;

0,5 мм для аппаратов диаметром от 1400 мм и более.

Отклонение от плоскостности поверхностей, между которыми размещается прокладка, не должно превышать ±0,8 мм. При этом отклонение от плоскостности каждой отдельной кольцевой уплотнительной поверхности не должно превышать ±0,8 мм.

Предельные отклонения толщин S_п' и S_п перегородки, ширины S_в выточки трубной решетки и расположения выточки должны соответствовать указанным на рис. 30.

10.2.10. Допуск на расстояние (шаг) между центрами двух соседних отверстий в трубных решетках и перегородках составляет ±0,5 мм, а допуск на любую сумму шагов - ±1,0 мм.

Рис. 30. Узел соединения перегородки с решеткой

10.3. Требования к поверхности

10.3.1. Внутренняя поверхность кожуха и штуцеров до сборки должна быть очищена от отслаивающейся окалины и грязи.

10.3.2. Сварные швы корпуса должны быть зачищены заподлицо с его внутренней поверхностью.

В аппаратах типов Н и К допускается не производить зачистку заподлицо швов, если швы не затрудняют сборку.

Допускается усиление обработанных швов корпусов на величину не более:

0,5 мм для монометаллических сосудов;

1,5 мм для двухслойных сосудов с учетом требований п. 3.3.1, в.

10.3.3. Технология приварки штуцеров к кожуху должна обеспечивать беспрепятственный монтаж (демонтаж) трубного пучка.

10.3.4. Трубные решетки должны иметь уплотнительные поверхности под прокладки без поперечных рисок, забоин, пор и раковин.

Шероховатость поверхностей под прокладку должна соответствовать требованиям ГОСТ 28759.2 = ГОСТ 28759.4.

10.3.5. Шероховатость поверхностей отверстий под трубы в трубных решетках должна соответствовать требованиям ОСТ 26-02-1015.

10.3.6. Наружная поверхность концов прямых теплообменных труб, за исключением труб из коррозионно-стойких сталей и цветных металлов (сплавов), должна быть зачищена до чистого металла на длине, равной удвоенной толщине трубной решетки плюс 20 мм, а наружная поверхность концов U-образных труб - на длине, равной толщине решетки плюс 20 мм.

Концы теплообменных труб перед закреплением их в трубных решетках не должны иметь по внутреннему диаметру заусенцев, наплывов и грата.

10.4. Трубчатка и трубный пучок

10.4.1. Крышки плавающей головки после сварки и исправления дефектов сварки подлежат термической обработке независимо от материалов и размеров деталей крышек независимо от материалов, кроме сталей аустенитного класса, с учетом требований п. 3.12.4, и размеров деталей.

10.4.2. Допускается изготовление трубных решеток сварными из частей, если размеры листовой стали или поковок, предусмотренные соответствующими стандартами или техническими условиями, не позволяют изготовить трубную решетку без сварных швов. При этом решетки диаметром до 1600 мм могут изготавливаться не более чем из трех частей, а диаметром свыше 1600 мм - не более чем из четырех частей. Вставки допускаются не менее 400 мм.

Расположение сварных швов определяется проектом. Пересечение сварных швов не допускается.

При изготовлении трубных решеток сварными следует соблюдать требования подразд. 3.12 и разд. 5.

Допускается на сварных швах решеток располагать отверстия при условии контроля качества сварных швов радиографическим или ультразвуковым методом.

10.4.3. Плакирование трубных решеток должно производиться по технологии предприятия-изготовителя.

Отслоения наплавленной поверхности от основного металла решетки и раковины глубиной более 1 мм или общей площадью более 5% от наплавленной поверхности не допускаются.

Толщина наплавленной поверхности из латуни должна быть не менее 10 мм.

10.4.4. Острые кромки отверстий в трубных решетках и перегородках должны быть притуплены фаской размером от 0,5 до 3 мм.

10.4.5. Прямые трубы не должны иметь поперечных швов.

10.4.6. U-образные трубы должны изготавливаться без поперечных сварных швов.

Допускается изготавливать U-образные трубы с поперечными швами при соблюдении следующих требований:

швы должны располагаться на расстоянии от начала гиба не менее наружного диаметра трубы;

швы должны быть проконтролированы радиографическим методом в объеме 100% с последующим гидравлическим испытанием каждой трубы перед набивкой трубного пучка пробным давлением не менее 10 МПа (100 кгс/см2).

После приварки колен должен быть обеспечен свободный проход внутри трубы, что проверяется пропуском через каждую трубу контрольного шара диаметром, равным 0,8 внутреннего диаметра трубы.

10.4.7. U-образные трубы (колена) из стали типа 15Х5М, имеющие радиус гиба менее пяти наружных диаметров трубы, должны быть подвергнуты термической обработке.

10.4.8. Поперечные перегородки в трубном пучке должны устанавливаться с помощью распорных трубок, стяжек и гаек к ним.

Не допускается приварка перегородок к трубам трубного пучка.

10.4.9. Острые кромки цилиндрической поверхности перегородок трубных пучков должны быть притуплены фаской от 1 до 2 мм.

10.5. Требования к сборке

10.5.1. При сборке аппарата трубный пучок должен беспрепятственно входить в кожух.

10.5.2. Не допускается отслаивание металла на внутренней поверхности трубы после развальцовки.

10.5.3. Аргонодуговая сварка стыков труб из сталей марок 15Х5М, Х8, Х5, Х9М и приварка их к трубным решеткам аустенитными сварочными материалами допускаются по согласованию со специализированной научно-исследовательской организацией.

10.5.4. На предприятии-изготовителе допускается заглушать количество труб, не превышающее указанное в табл. 33.

Таблица 33

Максимальное количество заглушаемых труб

Диаметр аппарата, мм До 426 500(530) 600(630) 800 1000 1200 1400 1600 2000 3000 4000
Количество труб, шт. 2 3 4 5 6 8 10 12 18 20

Таблица 34

Порядок гидравлического испытания

Этап Тип аппарата
Н в К У П
для расчетных давлений
кожуха<труб кожуха >=труб кожуха<=труб кожуха>=труб
1 Испытание межтрубного пространства без распределительной камеры Испытание трубного пространства с испытательным кольцом без кожуха Испытание межтрубного пространства с испытательным кольцом без распределительной камеры Испытание межтрубного пространства с испытательными кольцами без распределительной камеры, крышки плавающей головки и крышки кожуха Испытание межтрубного пространства с испытательными кольцами без распределительной камеры, крышки плавающей головки и крышки кожуха
2 Испытание аппарата в сборе (трубного пространства) Испытание межтрубного пространства с испытательным кольцом без распределительной камеры Испытание аппарата в сборе (трубного и межтрубного пространств) Испытание прочности узла плавающей головки давлением трубного пространства в сборе с распределительной камерой и крышкой плавающей головки без крышки кожуха Испытание прочности узла плавающей головки давлением трубного пространства в сборе с распределительной камерой и крышкой плавающей головки без крышки кожуха
3   Испытание аппарата в сборе (трубного и межтрубного пространств)   Испытание аппарата в сборе (межтрубное пространство) Испытание аппарата в сборе (межтрубное пространство)

10.6. Испытания

10.6.1. Порядок гидравлического испытания на прочность и герметичность аппаратов типов Н, П, У и К должен отвечать указанному в табл. 34.

Примечание. Разрешается проводить гидравлическое испытание по технологии завода-изготовителя, не ухудшающей качество.

10.6.2. Если расчетное давление кожуха меньше расчетного давления для распределительных камер, испытание на герметичность крепления труб в трубной решетке может проводиться воздухом, керосином, галоидами, гелием, хладоном или аммиаком.

10.6.3. Если толщина трубных решеток рассчитана на перепад давления между трубным и межтрубным пространствами, условия гидравлического испытания и испытания на герметичность крепления труб в трубных решетках должны указываться в проекте в соответствии с требованиями ОСТ 26-11-14.

Приложение 1
(обязательное)

СПЕЦИАЛИЗИРОВАННЫЕ НАУЧНО-ИССЛЕДОВАТЕЛЬСКИЕ ОРГАНИЗАЦИИ - АВТОРЫ НАСТОЯЩЕГО СТАНДАРТА

(в ред. Изменения N 1)

N п/п Организация Адрес, телефон
1 Акционерное общество "ВНИИНЕФТЕМАШ" 113191, г. Москва, 4-й Рощинский проезд, 19/21;
тел. 952-16-63
тел. 954-33-64
тел. 952-09-06
2 Акционерное общество "НИИХИММАШ" 125015, г. Москва, Б. Новодмитровская улица, 14;
тел. 285-56-74
тел. 285-93-02
3 Акционерное общество "ПЕТРОХИМ ИНЖИНИРИНГ" 129869, Москва, Протопоповский пер., д. 25, корп. "Б"
тел. 288-62-81
тел. 288-55-74
тел. 288-16-90
4 Акционерное общество "ВНИИПТХИМНЕФТЕАППАРАТУРЫ" 400078, Волгоград, пр. Ленина, 90 тел. 34-21-17

Приложение 2
(обязательное)

ЛИСТОВАЯ СТАЛЬ

(в ред. Изменения N 2)

Марка стали, обозначение стандарта или технических условий Технические требования Рабочие условия Виды испытаний и дополнительные требования Примечания (ссылки на пункты примечаний к прил. 2)
температура стенки, °С давление среды, МПа (кгс/см2), не более
Ст3кп2, Ст3пс2, Ст3сп2 ГОСТ 14637 От + 10 до +200 1,6(16) ГОСТ 14637 п. 2
ГОСТ 380, ГОСТ 14637 От -15 до +350 0,07(0,7)
Ст3кп2, Ст3пс2, Ст3сп2 ГОСТ 380, ГОСТ 14637 От -30 до +550 - п. 3
Ст3сп4, Ст3пс4, Ст3Гпс4 ГОСТ 380, ГОСТ 14637 От -20 до +200 5(50) пп. 4, 13,
Ст3пс3, Ст3сп3, Ст3Гпс3 ГОСТ 380, ГОСТ 14637 Св. 0 до +200
Ст3сп5, Ст3пс5, Ст3Гпс5 ГОСТ 380, ГОСТ 14637 От -20 до +425 ГОСТ 14637 и полистно при температуре стенки выше 200°С пп. 4, 11, 13,
Ст4сп3 ГОСТ 380, ГОСТ 14637 Св. 0 до +200 Не ограничено ГОСТ 14637 пп. 6
Ст3сп, Ст3пс, Ст3Гпс категорий 3, 4, 5 в зависимости от температуры стенки ГОСТ 380, ГОСТ 14637 Группы 1 и 2 по ТУ 14-1-3023 От -20 до +425 5(50) ТУ 14-1-3023 пп. 4, 11, 13
08кп ГОСТ 9045 От -40 до +475 Не ограничено ГОСТ 9045 п. 7
ГОСТ 1050 ГОСТ 1577 Категория 2 по ГОСТ 1577 п. 7
20К ТУ 14-1-4088 ТУ 14-1-4088 От -20 до +425 ТУ 14-1-4088 , полистно при температуре стенки выше 200°С и п. 2.2.7 настоящего стандарта п. 11
16К, 18К, 20К, 22К категорий 5 ГОСТ 5520 ГОСТ 5520 От -20 до +200 Не ограничено ГОСТ 5520 пп. 1, 5, 12, 18, 19
16К, 18К, 20К, 22К категории 3 ГОСТ 5520 Св. 0 до +200
16К, 18К, 20К, 22К категории 18 ГОСТ 5520 ГОСТ 5520 От +200 до +475 ГОСТ 5520 пп. 1, 5, 11, 12, 18, 19
16К, 18К, 20К, 22К категории 11 ГОСТ 5520 От -20 до +475
22К ТУ 108.11-543 ТУ 108.11-543 От -20 до +350 ТУ 108.11-543
09Г2С, 10Г2С1 категорий 7, 8, 9 в зависимости от температуры стенки ГОСТ 5520 ГОСТ 5520 От -70 до +200 ГОСТ 5520 пп. 5, 8, 10, 18
17ГС, 17Г1С, 16ГС, 09Г2С, 10Г2С1 категории 6 ГОСТ 5520 От -40 до + 200
17ГС, 17Г1С, 16ГС, 09Г2С, 10Г2С1 категории 3 ГОСТ 5520 ГОСТ 5520 От -30 до + 200 ГОСТ 5520 пп. 5, 11, 18
17ГС, 17Г1С категории 12 16ГС, 09Г2С, 10Г2С1 категорий 11, 12, 17 ГОСТ 5520 От -40 до +475 пп. 5, 9, 11, 18, 19
09Г2С, 09Г2СА ТУ 302.02.122-91 ТУ 302.02.122 От -70 до +475 ТУ 302.02.122 п. 11
17ГС, 17Г1С, 16ГС, 14Г2, 09Г2, 09Г2С категории 3 ГОСТ 19281 ГОСТ 19281 От -30 до +200 ГОСТ 19281 пп. 14, 15, 16, 18, 26, 27
17ГС, 17Г1С, 16ГС, 14Г2, 09Г2, 09Г2С категории 4 ГОСТ 19281 От -40 до + 200
17ГС, 17Г1С, 16ГС, 14Г2, 09Г2, 09-Г2С категории 12 ГОСТ 19281 ГОСТ 19281 От - 40 до +475 Не ограничено ГОСТ 19281 пп. 11, 14, 15, 16, 18, 26, 27
09Г2С-ш ТУ 14-1-2072 ТУ 14-1-2072 От -60 до +450 ТУ 14-1-2072 п. 11
09Г2СЮЧ, 09ХГ2СЮЧ ТУ 14-1-5065 ТУ 14-1-5065 От -70 до +475 ТУ 14-1-5065 п. 11
12МХ ГОСТ 20072 ТУ 14-1-5093 От -40 до + 540 ТУ 14-1-5093 -
12МХ ГОСТ 20072 ТУ ТУ 14-1-5093; От -40 до + 540 ТУ ТУ 14-1-5093; -
ТУ 24-10-003   ТУ 24-10-003
12ХМ ТУ 14-1-642, ТУ 24-10-005 От -40 до + 560
12ХМ категории 3 ГОСТ 5520 ГОСТ 5520 От -40 до + 560   ГОСТ 5520  
12ХМ ТУ 14-1-2304 ТУ 14-1-2304 От - 40 до +560 ТУ 14-1-2304
12ХМ ТУ 302.02.031 ТУ 302.02.031 От -40 до +550 ТУ 302.02.031
10Х2М1А-А, 10Х2М1А (10Х2М1А-ВД, 10Х2М1А-ш) ТУ 302.02.121 ТУ 302.02.121 От -40 до +550 ТУ 302.02.121
10Х2ША-А ТУ 302.02.128
15X5М. ГОСТ 20072 Группа М2б по ГОСТ 7350; ТУ 14-1-2657 От -40 до +650 Группа М2б по ГОСТ 7350 пп. 21, 25
10Х2ГНМ ТУ 108.11.928, ТУ 14-1-5117 ТУ 108.11.928 От -40 до + 550 ТУ 108.11.928; -
ТУ 14-1-5117
20ЮЧ ТУ 14-1-4853 ТУ 14-1-4853 От -40 до + 475 Не ограничено ТУ 14-1-4853 -
09ХГ2НАБЧ ТУ 14-1-3333 ТУ 14-1-3333 ТУ 14-1-3333 -
16ГМЮЧ ТУ 14-1-4826 ТУ 14-1-4826 От -40 до + 520 ТУ 14-1-4826 -
15Х2МФА-А ТУ 302.02-014 ТУ 302.02-014 От -40 до + 510 ТУ 302.02-014 -
Св. +510 до + 560 10(100)
12Х2МФА ТУ 108.131 ТУ 108.131 От -40 до + 500 Не ограничено ТУ 108.131 -
15Г2СФ категорий 12, 13, 14 в зависимости от температуры стенки ГОСТ 19281 ГОСТ 19281 От -60 до + 350 ГОСТ 19281 пп. 14, 15, 16, 18, 26, 27
15Г2СФ ТУ 14-1-4502 ТУ 14-1-4502 От -60 до + 350 ТУ 14-1-4502 -
09Г2ФБ, 10Г2ФБ ТУ 14-1-4083 ТУ 14-1-4083 От -60 до + 420 10(100) ТУ 14-1-4083 -
09Г2БТ, 10Г2БТ, 07ГФБ-У ТУ 14-1-4083 ТУ 14-1-4083 От -70 до + 200 Не ограничено ТУ 14-1-4083 -
10ХСНД, 15ХСНД категории 3 ГОСТ 19281 ГОСТ 19281 От -30 до + 200 16(160) ГОСТ 19281 пп. 14, 15, 16, 18, 26, 27
10ХСНД, 15ХСНД категории 4 ГОСТ 19281 От -40 до + 200
10ХСНД, 15ХСНД категорий 11, 12 ГОСТ 19281 От -40 до + 475
Д40, Е40 ГОСТ 5521 ГОСТ 5521 От -40 до + 200 ГОСТ 5521 -
В ГОСТ 5521 ГОСТ 5521 От 0 до +200 Не ограничено ГОСТ 5521 -
Е32, Д32 ГОСТ 5521 От -20 до + 200
10Х14Г14Н4Т ГОСТ 5632 Группа М2б по ГОСТ 7350; От -196 до + 500 Группа М2б по ГОСТ 7350; па. 21, 25
группы М2а и М3а
по ГОСТ 5582 группы М2а и М3а по ГОСТ 5582
08Х22Н6Т, 08Х21Н6М2Т ГОСТ 5632 Группа М2б по ГОСТ 7350; От -40 до + 300 Не ограничено Группа М2б по ГОСТ 7350 пп. 21, 25
группы М2а и М3а по ГОСТ 5582  
группы М2а и М3а по ГОСТ 5582
02Х8Н22С6, ТУ 14-1-3802; От -40 до + 120 -   -
02Х8Н22С6-ПД, ТУ 14-1-3801; ТУ 14-1-5076
02Х8Н22С6-ш ТУ 14-1-6075 ТУ 14-1-5075;
ТУ 14-1-5076
ТУ 14-1-5075
03Х19АГ3Н10 ТУ 14-1-2261 ТУ 14-1-2261 От -196 до +450 Не ограничено ТУ 14-1-2261 -
03Х21Н21М4ГБ ГОСТ 5632 Группа М2б по ГОСТ 7350 От -70 до +450 Группа М2б по ГОСТ 7350 пп. 21, 25
08Х18Г8Н2Т ГОСТ 5632 Группа М2б по ГОСТ 7350 От -20 до + 300 5(50) Группа М2б по ГОСТ 7350 пп. 21, 25
07Х13АГ20 ТУ 14-1-3342 ТУ 14-1-3342 От -70 до +300 ТУ 14-1-3342 -
08Х18Н10Т ГОСТ 5632 Группа М2б по ГОСТ 7350; группы М2а и М3а От -253 до + 610 Не ограничено Группа М2б по ГОСТ 7350; пп. 21, 25
по ГОСТ 5582; группы М2а и М3а
ТУ 14-1-3199; по ГОСТ 5582;
ТУ 14-1-4780 ТУ 14-1-3199;
ТУ 14-1-4780
08Х18Н10Т ГОСТ 5632 ТУ 14-1-2542; От -253 до + 610 ТУ 14-1-2542;  
ТУ 108-930; 5(50) ТУ 14-1-394;
ТУ 108-1151; От +610 до + 700 ТУ 108-930;
ТУ 14-1-394 ТУ 108-1151;
08Х18Н10Т, 08Х18Н12Б ГОСТ 5632 Группа М2б по ГОСТ 7350 От +610 до + 700 5(50) Группа М2б по ГОСТ 7350 пп. 21, 25
08Х18Н12Б ГОСТ 5632 Группа М2б по ГОСТ 7350 От -196 до +610   Группа М2б по ГОСТ 7350 пп. 21, 25
03Х18Н11 ГОСТ 5632 ТУ 14-1-5142, От -253 до +450 ТУ 14-1-5142;  
ТУ 14-1-5073, ТУ 14-1-5073;
группы М2а и М3а по ГОСТ 5582 группы М2а и М3а по ГОСТ 5582
10Х17Н13М2Т ГОСТ 5632 Группа М2б по ГОСТ 7350; От -253 до + 350 Не ограничено Группа М2б по ГОСТ 7350; группы М2а и М3а по ГОСТ 5582 пп. 21, 25
группы М2а и М3а по ГОСТ 5582 Св. +350 до + 700 пп. 21, 22,25
08Х17Н13М2Т ГОСТ 5632 Группа А по ТУ 14-1-394 От -253 до +700 ТУ 14-1-394 -
10Х17Н13М3Т ГОСТ 5632 Группа М2б по ГОСТ 7350; группа А по ТУ От +196 до +350 Не ограничено Группа М2б по ГОСТ 7350; пп. 21, 25
14-1-394; группы М2а и М3а по ГОСТ 5582 группа А по ТУ 14-1-394 группы М2а и М3а по ГОСТ 5582
02Х18Н11 ТУ 14-1-3071 ТУ 14-1-3071 От -253 до + 450 5(50) ТУ 14-1-3071 -
10Х17Н13М3Т ГОСТ 5632 Группа М2б по ГОСТ 7350 Св. +350 до + 600 Не ограничено Группа М2б по ГОСТ 7350 пп. 21, 22, 25
08Х17Н15М3Т ГОСТ 5632 От -196 до + 600
03ХН28МДТ, 06ХН28МДТ ГОСТ 5632 Группа М2б по ГОСТ 7350; группы М2а и М3а по ГОСТ 5582 От -196 до +400 Не ограничено Группы М2а и М3а по ГОСТ 7350 пп. 21, 25
группы М2а и М3а по ГОСТ 5582
03Х17Н14М3 ГОСТ 5632 ТУ 14-1-5071; От -196 до +450 ТУ 14-1-5071; -
ТУ 14-1-5056; ТУ 14-1-5056;
ТУ 14-1-5073; ТУ 14-1-5073;
ТУ 14-1-5054 ТУ 14-1-5054
08Х18Н10 ГОСТ 5632 Группы М2а и М3а по ГОСТ 5582; От -253 до + 600 Группы М2а и М3а по ГОСТ 5582; -
ТУ 14-1-3199 ТУ 14-1-3199
08Х18Н10Т, 08Х17Н13М2Т ГОСТ 5632 Группа М2б по ГОСТ 7350 ГОСТ 7350 пп. 21, 25
15Х18Н12С4ТЮ ГОСТ 5632 ГОСТ 7350; ТУ 14-1-3669 От -20 до +200 2,5(25) ГОСТ 7350; ТУ 14-1-3669 -
12Х18Н9Т, 12Х18Н10Т ГОСТ 5632 Группа М2б по ГОСТ 7350 От -253 до +350 Не ограничено Группа М2б по ГОСТ 7350 пп. 21, 25
От -253 до + 610 пп.21, 22, 25
12Х18Н10Т ГОСТ 5632 От +610 до +700 5(50)
12Х18Н10Т ГОСТ 5632 Группы М2а и М3а по ГОСТ 5582 ТУ 14-1-31 От -253 до + 350 Не ограничено Группы М2а и М3а по ГОСТ 5582, ТУ 14-1-31  
12Х18Н10Т ГОСТ 5632 ТУ 14-1-2542; ТУ 14-1-2542;  
ТУ 108-1151; ТУ 108-1151;
ТУ 108-930 ТУ 108-930
12Х18Н10Т ГОСТ 5632 ТУ 14-1-394 От -253 до + 610 Не ограничено ТУ 14-1-394 п. 22
От +610 до + 700 5(50)
08X13 ГОСТ 5632 Группа М2б по ГОСТ 7350 От -40 до + 550 До 0,07(0,7) Группа М2б по ГОСТ 7350 пп. 21, 23, 25, 28
Группа М2а и М3а по ГОСТ 5582 От -40 до + 550 До 0,07(0,7) Группы М2а и М3а по ГОСТ 5582 -
08X13, 12X13, 20X13 ГОСТ 5632   От -40 до +550 Не ограничено Группа М2б по ГОСТ 7350 пп. 3, 21, 25, 28
п. 24 (для сталей марок 12X13, 20X13)
08X17,Т ГОСТ 5632 Группа М2б по ГОСТ 7350 От +20 до +700 - Группа М2б по ГОСТ 7350 пп. 3, 21, 25
15Х25Т ГОСТ 5632 От +20 до + 1000
07Х16Н6 ТУ 14-1-2375, ТУ 14-1-763 ТУ 14-1-2375 ТУ 14-1-763 от -40 до +350 не ограничено ТУ 14-1-2375 -
ТУ 14-1-763

Примечания.

1. Допускается применять сталь марок 15 и 20 по ГОСТ 1577 при тех же условиях, что сталь марок 16К, 18К и 20К, при этом объем и виды испытаний этих сталей на предприятии-изготовителе сосудов должны быть проведены по ГОСТ 5520 в том же объеме, что и для сталей марок 15К, 16K, 18K и 20К соответствующих категорий.

2. Толщина листа не более 16 мм.

3. Для трубных решеток, а также ненагруженных деталей внутренних устройств в других неответственных конструкций.

4. Ограничения по толщине: для сталей марок Ст3сп и Ст3пс кат. 3 - не более 40 мм; для сталей марок Ст3сп и Ст3пс кат. 4, 5 - не более 25 мм; для стали марки Ст3Гпс - не более 30 мм.

5. Механические свойства листов по ГОСТ 5520 толщиной менее 12 мм проверяются на листах, взятых от партии.

6. Допускается применять сталь марок Ст5пс2 и Ст5сп2 для деталей, не подлежащих сварке, при тех же параметрах, что и сталь марки Ст4сп3 с испытанием на ударный изгиб на предприятии-изготовителе сосудов или их отдельных деталей.

7. Для прокладок. Прокладки толщиной не более 2 мм могут применяться при температуре среды до минус 70°С.

8. Для сосудов из стали марки 10Г2С1, работающих под давлением, температура стенки должна быть не ниже -60°С.

9. При толщине листов более 60 мм и менее 12 мм применяется сталь категории 12.

10. Допускается применение стали марки 10Г2 по ГОСТ 1577 при температурах стенок от -70 до -41°С с техническими требованиями для стали марки 09Г2С в этом температурном интервале.

11. Испытание на механическое старение производится в том случае, если при изготовлении сосудов, имеющих температуру стенки выше 200°С, сталь подвергается холодной деформации (вальцовка, гибка, отбортовка и др.).

12 Для сталей марок 16К, 18К, 20К испытание при -20°С производится на металлургическом предприятии. Значение ударной вязкости должно быть не менее 30 Дж/см2 (3 кгс х м/см2).

13. При толщине листов менее 5 мм допускается применение сталей по ГОСТ 14637 категории 2 вместо сталей категорий 3 и 4. При толщине листов менее 7 мм допускается применение сталей по ГОСТ 14637 категорий 3 и 4 вместо категорий 6 и 5 соответственно.

14. Листы по ГОСТ 19281 должны поставляться с обязательным выполнением пунктов 2.2.1, 2.2.2, 2.2.3, 2.2.7, 2.2.9, 2.2.12 ГОСТ 19281, а также должен проводиться контроль макроструктуры по ГОСТ 5520 от партии листов.

15. Листы, поставляемые по ГОСТ 19281, должны быть испытаны полистно при температуре стенки ниже -30°С, выше 200°С или давлении более 5 МПа (50 кгс/см2) при толщине листа 12 мм и более.

16. Для нетермообработанных сосудов.

17. Пункт исключен. (в ред. Изменения N 1)

18. При толщине листов менее 5 мм допускается применение сталей по ГОСТ 5520 категории 2 вместо сталей категорий 3-17. При толщине листов менее 7 мм допускается применение сталей по ГОСТ 5520 категории 3 вместо категории 18, категории 6 вместо категорий 12 и 17.

19. По согласованию со специализированной научно-исследовательской организацией допускается применение сталей марок 16К, 18К, 20К по ГОСТ 5520 категорий 10 вместо категорий 18; стали 16ГС, 09Г2С по ГОСТ 5520 категорий 12, 13, 14 и 15 (в зависимости от температуры стенки, если она ниже 0°С) вместо стали категории 17.

20. Пункт исключен. (в ред. Изменения N 1)

21. Допускается применение стали по ГОСТ 7350 группы поверхности М3б и М4б при условии, что в расчете на прочность должны быть учтены глубина залегания дефектов в минусовые отклонения.

22. Для сред, не вызывающих межкристаллитную коррозию.

23. Для изделий толщиной до 12 мм.

24. Для изготовления деталей, не подлежащих сварке.

25. Сталь должна быть заказана в соответствии с требованиями п. 2.2.2 настоящего стандарта.

26. При заказе проката толщиной до 32 мм включительно класс прочности должен быть 325, 345; при толщине более 32 мм класс прочности - 265, 295.

27. ГОСТ 19281 распространяется на прокат из сталей повышенной прочности, применяемых для сосудов, не подвергаемых термической обработке. Возможность применения проката из сталей по ГОСТ 19281 для сосудов, подвергаемых термической обработке, должна согласовываться со специализированной научно-исследовательской организацией.

28. Для внутренних не подлежащих сварке деталей сосудов допускается применение стали марки 08X13 при температуре стенки от -60°С до +550°С.

Приложение 3
(обязательное)

ЛИСТОВАЯ ДВУХСЛОЙНАЯ СТАЛЬ

(в ред. Изменения N 2)

Марка стали, обозначение стандарта или технических условий Технические требования Рабочие условия Виды испытаний в требования Примечания (ссылки на пункты примечаний к прил. 3)
температура стенки, °С давление среды. МПа (кгс/см2). не более
Ст3сп4+08Х13 ГОСТ 10885 ГОСТ 10885 От -20 до +200 5.(50) ГОСТ 10885 пп. 1, 3
Ст3сп3+08Х13 ГОСТ 10885 Св. 0 до +200
Ст3сп5+08Х13 ГОСТ 10885 От -20 до +425 пп. 1, 3, 5
Ст3сп4 с плакирующим слоем из сталей марок 12Х18Н10Т, 08Х18Н10Т, 10Х17Н13М3Т, 10Х17Н13М2Т, 08Х17Н15М3Т, 06Х28МДТ ГОСТ 10885 От -20 до +200 пп. 1, 3
Ст3сп3 с плакирующим слоем из сталей марок 12Х18Н10Т, 08Х18Н10Т, 10Х17Н13М3Т, 10Х17Н13М2Т, 08Х17Н15М3Т, 06ХН28МДТ ГОСТ 10885 Св. 0 до +200
Ст3сп5 с плакирующим слоем из сталей марок 12Х18Н10Т, 08Х18Н10Т, 10Х17Н13М3Т, 10Х17Н13М2Т, 08Х17Н15М3Т, 06ХН28МДТ ГОСТ 10885 ГОСТ 10885 От -20 до +425 5(50) ГОСТ 10885 пп. 1, 3, 5
20К-5+08Х13 ГОСТ 10885 От -20 до +200 Не ограничено
20К-3+08Х13 ГОСТ 10885 От 0 до +200
20К-10+08Х13 ГОСТ 10885 Св. 0 до +475 пп. 1, 3
20К-11+08X13 ГОСТ 10885   От -20 до +475   ГОСТ 10885 п.п. 1, 3
20К-5 с плакирующим слоем из сталей марок 12Х18Н10Т, 08Х18Н10Т, 10Х1ТН13МЗТ, 10Х17Н13М2Т, 08Х17Н15МЗТ, 06ХН28МДТ ГОСТ 10885 От -20 до +200
20К-3 с плакирующим слоем из сталей марок 12Х18Н10Т, 08Х18Н10Т, 10Х17Н13МЗТ, 10Х17Н13М2Т, 08Х17Н15М3Т, 06ХН28МДТ ГОСТ 10885 От 0 до +200
20К-10 с плакирующим слоем из сталей марок 12Х18Н10Т, 08Х18Н10Т, 10X17H13М3Т, 10Х17Н13М2Т, 08Х17Н15М3Т, 06ХН28МДТ ГОСТ 10885 Св. 0 до +425 пп. 1, 2, 3, 5
20К-11 с плакирующим слоем из сталей марок 12Х18Н10Т, 08Х18Н10Т, 10Х17Н13МЗТ, 10Х17Н13М2Т, 08Х17Н15МЗТ, 06ХН28МДТ ГОСТ 10885 От -20 до +425
16ГС-6+08Х13, 09Г2С-6+08Х13 ГОСТ 10885 ГОСТ 10885 От - 40 до +1200 Не ограничено
16ГС-3+ 08X13, 09Г2С-3+08Х13 ГОСТ 10885 От -30 до + 200
16ГС-17+08Х13, 09Г2С-17+08Х13 ГОСТ 10885   От -40 до +475   пп. 1, 4, 5
09Г2С категорий 7, 8, 9 в зависимости от температуры стенки с плакирующим слоем из сталей марок 12Х18Н10Т, 08Х18Н10Т, 10Х17Н13М3Т, 10Х17Н13М2Г, 08Х17Н15М3Т, 06ХН28МДТ ГОСТ 10885 От -70 до + 200
16ГС-6, 09Г2С-6 с плакирующим слоем из сталей марок 12Х18Н10Т, 08Х18Н10Т, 10Х17Н13М3Т, 10X17H13М2Т, 08Х17Н15М3Т, 06ХН28МДТ ГОСТ 10885 От -40 до +200 к п. 1, 3, 5
16ГС-3, 09Г2С-3 с плакирующим слоем из сталей марок 12Х18Н10Т, 08Х18Н10Т, 10Х17Н13М3Т, 10Х17Н13М2Т, 08Х17Н15М3Т, 06ХН28МДТ ГОСТ 10885 От -30 до +200
16ГС-17, 09Г2С-17 с плакирующим слоем из сталей марок 12Х18Н10Т, 08Х18Н10Т, 10Х17Н13М3Т, 10Х17Н13М2Т, 08Х17Н15М3Т, 06ХН28МДТ ГОСТ 10885 От -40 до + 425 пп. 1, 2, 4, 5
12МХ+08Х13 ГОСТ 10885 От -40 до +540 ГОСТ 10885 и п. 2.2.6 настоящего стандарта п. 1
12ХМ+08Х13 ГОСТ 10885 От -40 до +560
15Г2СФ с плакирующим слоем из сталей марок 08Х18Н10Т, 12X18H10Т, 10Х17Н13М2Т, 08Х17Н15М3Т ТУ 14-1-4688; ТУ 14-1-4212 ТУ 14-1-4212; ТУ 14-1-4688 От -40 до +425 Не ограничено ГОСТ 5520  
20К+НМжМд 28-2,5-1,5 ТУ 14-1-1034; ГОСТ 10885 ТУ 14-1-1034; ГОСТ 10885 От -20 до +425 5(50) ТУ 14-1-1034  
12ХМ+08Х18Н10Т ГОСТ 10885; ТУ 14-1-2726 (изм. 1) ГОСТ 10885; ТУ 14-1-2726 От -40 до +560 Не ограничено ГОСТ 10885; ТУ 14-1-2726 п. 1

Примечания.

1. При заказе двухслойной стали по ГОСТ 10885 необходимо требовать проведение неразрушающего метода контроля двухслойных листов при условиях, оговоренных в п. 2.2.5 настоящего стандарта.

2. Допускается применять двухслойные стали с коррозионностойким слоем из сталей марок 08Х18Н10Т, 10Х17Н13М3Т, 10Х17Н13М2Т, 08Х17Н15М3Т при температуре стенки, не превышающей максимально допустимую для стали основного слоя, при толщине плакирующего слоя не более 15% от общей толщины, но не более 8 мм.

3. При толщине двухслойных листов менее 10 мм допускается применение основного слоя сталей по ГОСТ 14637 и ГОСТ 5520 категории 2 вместо сталей категорий 3, 4, 5, 6. При толщине двухслойных листов менее 12 мм допускается применение сталей основного слоя категорий 3 и 4 вместо категорий 6 и 5 соответственно.

4. По согласованию со специализированной научно-исследовательской организацией допускается применение двухслойных сталей с основным слоем из сталей марок 16ГС, 09Г2С по ГОСТ 5520 и ГОСТ 19281 категорий 12, 13, 14 и 15 (в зависимости от температуры стенки, если она ниже 0°С) вместо стали категории 17.

5. Испытания проводятся полистно на предприятии - поставщике металла при температуре стенки ниже -30°С, выше 200°С при давлении более 5 МПа (50 кгс/см2) при толщине листа 12 мм и более.

Приложение 4
(обязательное)

СТАЛЬНЫЕ ТРУБЫ

(в ред. Изменения N 2)

Марка стали, обозначение стандарта или технических условий Технические требования Рабочие условия Виды испытаний и требования Примечания (ссылки на пункты примечаний к прил. 4)
температура стенки,°С давление среды. МПа (кгс/см2), не более
Ст3сп3, Ст3пс3 ГОСТ 380, ГОСТ 14637 Трубы водогазопроводные (усиленные) ГОСТ 3262 От 0 до +200 1,6(16) ГОСТ 3262  
Ст3кп2 ГОСТ 38088, ГОСТ 14637 Трубы электросварные Группа В по ГОСТ 10706 От +10 до + 200 Группа В по ГОСТ 10706 и п. 2.3.2 настоящего стандарта. Гидравлическое испытание каждой трубы пробным давлением, равным 1,5 рабочего. Проверка механических свойств сварного соединения у каждой десятой трубы одной партии, контроль радиографическим или ультразвуковым методом сварного шва каждого корпуса, изготовленного из труб в соответствии с требованиями настоящего стандарта п. 8
От -15 до +350 0,07(0,7)
Ст3сп4, Ст3пс4 ГОСТ 380, ГОСТ 14637 Трубы электросварные ГОСТ 10706 От -20 до +200 5(50) Группа В по ГОСТ 10706 с учетом изменения 2 в части труб для магистральных тепловых сетей. Контроль радиографическим или ультразвуковым методом сварного шва каждого корпуса, изготовленного из труб в соответствии с требованиями настоящего стандарта п. 8
Ст3сп5, Ст3пс5 ГОСТ 380, ГОСТ 14637 От -20 до +400
10, 20 ГОСТ 1050 Трубы электросварные ТУ 14-3-624 От -30 до + 400 4(40) ТУ 14-3-624 п. 8
Группы А, Б по ГОСТ 550; группа В по ГОСТ 8733; группа В по ГОСТ 8731 От -30 до +475 5(50) Группы А. Б по ГОСТ 550; группа В по ГОСТ 8731; группа В по ГОСТ 8733 и пп. 2.3.3, 2.3.4 настоящего стандарта пп. 2, 3, 4, 7
Группы А, Б по ГОСТ 550 От -30 до +475 16(160) Группы А, Б по ГОСТ 550, группа В по ГОСТ 8733. Испытание на сплющивание
Группа В по ГОСТ 8733
10, 20 ГОСТ 3050 Группы А, Б по ГОСТ 550; группа В по ГОСТ 8731 От -30 до + 475 16(160) Группы А, Б по ГОСТ 550, группа В по ГОСТ 8731 и пп. 2.3.3, 2.3.4 настоящего стандарта. Испытание на сплющивание и проверка макроструктуры пп. 2, 3, 4, 7
ТУ 14-3-190 От -30 до +425 6,4(64) ТУ 14-3-190
20 ТУ 14-3-460 ТУ 14-3-460 От -30 до + 475 Не ограничено ТУ 14-3-460 пп. 3, 7
20ЮЧ ТУ 14-3-1600; ТУ 14-3-1652; ТУ 14-3-1745 ТУ 14-3-1600 ТУ 14-3-1652 ТУ 14-3-1745 От - 40 до +475 ТУ 14-3-1600 ТУ 14-3-1652 ТУ 14-3-1745  
15ГС ТУ 14-3-460 ТУ 14-3-460 От -40 до +400 Не ограничено ТУ 14-3-460 п. 11
09Г2С ГОСТ 19281 ТУ 14-3-1128 От -60 до +475 ТУ 14-3-1128  
10Г2 по ГОСТ 4543 Группы А, Б по ГОСТ 550; группа В по ГОСТ 8733; группа В по ГОСТ 8731 От -70 до -31 Группы А, Б по ГОСТ 550. Испытание на ударный изгиб при температуре стенки для толщин более 12 мм пп. 2, 3, 4
От -30 до + 475 Группы А, Б по ГОСТ 550, группа В по ГОСТ 8731, группа В по ГОСТ 8733
10Г2ФБ ТУ 14-3-1464 ТУ 14-3-1464 трубы электросварные - ТУ 14-3-1464 От -60 до +420 10(100) ТУ 14-3-1464 п. 8
13Г1С-У ТУ 14-3-1464 ТУ 14-3-1464 трубы электросварные - ТУ 14-3-1464 От -40 до + 320 5,5(55)
15ХМ ТУ 14-3-460 ТУ 14-3-460 От -40 до +560 Не ограничено ТУ 14-3-460  
12Х1МФ ГОСТ 20072 От -20 до + 560
1Х2М1 ГОСТ 550 ГОСТ 550 От -40 до + 650 Не ограничено ГОСТ 550  
15X5 ГОСТ 20072 Группы А, Б по ГОСТ 550 От -40 до +425 Группы А, Б по ГОСТ 550 и п. 2.3.5 настоящего стандарта  
15Х5М, 15Х5М-У, 15Х5ВФ ГОСТ 20072 От - 40 до +650
15Х5М ГОСТ 20072 ТУ 14-3-1080 ТУ 14-3-1080  
12Х8ВФ ГОСТ 20072 ГОСТ 550 От -40 до + 650 ГОСТ 550 п. 4
Х9М ТУ 14-3-457 ТУ 14-3-457 ТУ 14-3-457  
Х8 ГОСТ 550 ГОСТ 550 От -40 до + 475 ГОСТ 550 п. 4
10Х14Г4Н4Т ТУ 14-3-1905 ТУ 14-3-1905 От -196 до +500   ТУ 14-3-1905  
08Х22Н6Т ГОСТ 5632 ГОСТ 9940; ГОСТ 9941; ТУ 14-3-1905 От -40 до + 300 ГОСТ 9940; ГОСТ 9941; ТУ 14-3-1905  
07Х13АГ20 ТУ 14-3-1322 ТУ 14-3-1323 ТУ 14-3-1322; ТУ 14-3-1323 От -70 до +300 5(50) ТУ 14-3-1322; ТУ 14-3-1323  
08Х21Н6М2Т ГОСТ 5632 ТУ 14-3-1905 От -40 до + 300 Не ограничено ТУ 14-3-1905  
08Х18Г8Н2Т ГОСТ 5632 ГОСТ 5632 От -20 до + 300 5(50) ГОСТ 5632  
03Х19АГЗН10 ТУ 14-3-415 ТУ 14-3-415 От -196 до +450 Не ограничено ТУ 14-3-415  
03Х17Н14М3 ТУ 14-3-396 ТУ 14-3-396; ТУ 14-3-1348; ТУ 14-3-1357 ТУ 14-3-396; ТУ 14-3-1357; ТУ 14-3-1348  
02Х8Н22С6 ТУ 14-3-1024 ТУ 14-3-1024 От -40 до + 120   ТУ 14-3-1024  
08Х18Н10Т, 10Х18Н10Т ГОСТ 5632 Трубы электросварные ТУ 14-3-1391 От -273 до +610 5(50) ТУ 14-3-1391 и п. 3.12.4 настоящего стандарта  
12Х18Н10Т ГОСТ 5632 ГОСТ 9940 ГОСТ 9941 От -253 до +350 Не ограничено ГОСТ 9940, ГОСТ 9941 и пп. 2.3.5, 2.3.8 настоящего стандарта  
12Х18Н10Т ГОСТ 5632 Св. +350 до +610 п. 6
12Х18Н12Т ТУ 14-3-460 ТУ 14-3-460 От -253 до + 610 ТУ 14-3-460
08Х18Н10Т ГОСТ 5632 ГОСТ 9940; ГОСТ 9941 ГОСТ 9940, ГОСТ 9941 и пп. 2.3.5, 2.3.8 настоящего стандарта  
12XI8H10Т, 08Х18Н10Т ГОСТ 5632 ГОСТ 9940; ГОСТ 9941 От +610 до +700 5(50)
12Х18Н12Т ТУ 14-3-460 ТУ 14-3-460 ТУ 14-3-460  
08Х18Н12Б ГОСТ 5632 ГОСТ 9940; ГОСТ 9941 От -196 до +610 Не ограничено ГОСТ 9940, ГОСТ 9941 и п. 2.3.8 настоящего стандарта  
10Х17Н13М2Т ГОСТ 5632 От -196 до +350  
Св. +350 до + 700
08Х17Н15М3Т ГОСТ 5632 От -196 до +600  
03Х18Н11 ГОСТ 5632 ТУ 14-3-1401 От -196 до +450 Не ограничено ТУ 14-3-1401  
02Х18Н11 ТУ 14-3-1401 ТУ 14-3-1401; ТУ 14-3-1339 От -196 до +450 ТУ 14-3-1401; ТУ 14-3-1339
03Х21Н21М4ГБ ГОСТ 5632 ТУ 14-3-751; ТУ 14-3-694; ТУ 14-3-696 От -70 до +400 ТУ 14-3-751; ТУ 14-3-694; ТУ 14-3-696  
03ХН28МДТ ГОСТ 5632 ТУ 14-3-694; ТУ 14-3-751; ТУ 14-3-1201 От -196 до +400 ТУ 14-3-694; ТУ 14-3-751; ТУ 14-3-1201  
06ХН28МДТ ГОСТ 5632 ТУ 14-3-318; ТУ 14-3-763; ТУ 14-3-822 От -196 до +400 Не ограничено ТУ 14-3-318; ТУ 14-3-763, ТУ 14-3-822  
15X25 ГОСТ 5632 ТУ 14-3-949 От 0 до +300 ТУ 14-3-949 п. 9
08Х17Т ГОСТ 5632 ГОСТ 9940; ГОСТ 9941 От 0 до +700   ГОСТ 9940; ГОСТ 9941 и пп. 2.3.5, 2.3.8 настоящего стандарта п. 5
15Х25Т ГОСТ 5632 От 0 до +900
15X28 ГОСТ 5632 ГОСТ 9940; ГОСТ 9941   ГОСТ 9940; ГОСТ 9941 п. 5
08X13, 12X13 ГОСТ 5632 От -40 до +600
08X13, 12X13 ГОСТ 5632 ГОСТ 9941 От -40 до + 550 Не ограничено ГОСТ 9941 и пп. 2.3.5, 2.3.8 настоящего стандарта  
15Х18Н12С4ТЮ ГОСТ 5632 ТУ 14-3-310 От -20 до + 200 2,5(25) ТУ 14-3-310; ГОСТ 9941  
ХН32Т ТУ 14-3-489 ТУ 14-3-489 До +900 Не ограничено ТУ 14-3-489  

Примечания.

1. Пункт исключен. (в ред. Изменения N 1)

2. Трубы с толщиной 12 мм и более по ГОСТ 8731 должны быть испытаны на ударный изгиб при температуре +20°С на предприятии - изготовителе труб. Значение ударной вязкости и объем испытаний должны соответствовать ГОСТ 550.

3. Трубы из сталей марок 10, 20, изготовленные по ГОСТ 8733, ГОСТ 550 и ТУ 14-3-460 диаметрами 20 и 25 мм толщиной не более 2,5 мм, допускается применять при температурах стенки от -60°С до +475°С.

4. При заказе труб по ГОСТ 550, предназначенных для изготовления теплообменных аппаратов, необходимо оговаривать группу А.

5. Для деталей внутренних устройств, не подлежащих ведению Госгортехнадзором России.

6. Для сред, не вызывающих межкристаллитную коррозию.

7. Допускается применять трубы толщиной не более 12 мм из сталей марок 10 и 20 по ГОСТ 550, ГОСТ 8733, ГОСТ 8731, ТУ 14-3-460, ТУ 14-3-190 при температуре стенки от-40°С и выше.

8. Контроль неразрушающими физическими методами продольных сварных швов.

9. Для трубных пучков, не подлежащих сварке.

10. Значение ударной вязкости КСU при температуре минус 70°С должно быть не менее 25 Дж/см2 (2,5 кгс х м/см2).

11. Трубы из стали марки 15ГС при температуре стенки ниже минус 30°С должны испытываться на ударный изгиб при температуре минус 40°С. Значение ударной вязкости должно быть не менее 30 Дж/см2 (3,0 кгс х м/см2).

Приложение 5
(обязательное)

ПОКОВКИ

(в ред. Изменения N 2)

Марка стали, обозначение стандарта или технических условий Технические требования Рабочие условия Виды испытаний и требования Примечания (ссылки на пункты примечаний к прил. 5)
температура стенки, °С давление среды, МПа (кгс/см2), не более
Ст5сп ГОСТ 380 Группа IV-Кп. 245 (КП.25) по ГОСТ 8479 От -20 до + 400 5(50) Группа IV по ГОСТ 8479 пп. 1, 7
Ст3сп ГОСТ 380 Группа 1У-КП.195 (КП.20) по ГОСТ 8479 От -20 до + 450 пп. 1
20 ГОСТ 1050 Группы IV-КП. 195 (КП.20) и IV-КП. 215 (КП. 22) по ГОСТ 8479 От -30 до + 475 Не ограничено пп. 1, 2, 3, 6, 9
20К ГОСТ 5520 Группы IV-КП. 195 (КП.20) по ГОСТ 8479 п. 1, 9
20, 22К ОСТ 108.030.113 ОСТ 108.030.113 От -30 до +450 ОСТ 108.030.113 пп. 2, 6, 9
22К, 22К-1П, 22К-ВД, 22К-ВРВ ТУ 108.11-543 ТУ 108.11-543 От -30 до + 475 ТУ 108.11-543 п. 9
20ЮЧ ТУ 26-0303-1532 ТУ 26-0303-1532 От -40 до +475 ТУ 26-0303-1532  
16ГС ГОСТ 19281 Группа IV-КП. 245 (КП.25) по ГОСТ 8479 Группа IV по ГОСТ 8479 пп. 1, 4, 9
15ГС, 16ГС ОСТ 108.030.113 ОСТ 108.030.113 От -40 до + 450 Не ограничено ОСТ 108.030.113 пп. 4, 9
15ГС ОСТ 108.030.113 ОСТ 26-01-135 От -40 до + 400 ОСТ 26-01-135
14ХГС ГОСТ 19281 ОСТ 26-01-135 От -50 до + 380 ОСТ 26-01-135
10Г2 ГОСТ - 4543 Группа IV-КП. 215 (КП. 22) по ГОСТ 8479 От -70 до -30 Группа IV по ГОСТ 8479 пп. 1, 2, 3, 4, 5, 9
От -30 до +475
09Г2С ГОСТ 19281 Группа IV-КП. 245 (КП.25) по ГОСТ 8479 От -70 до -30 пп. 1, 4, 9
От -30 до +475
20Х ГОСТ 4543 Группа IV-КП. 395 (КП.40) по ГОСТ 8479 От -40 до + 450 Не ограничено Группа IV по ГОСТ 8479 пп. 1
15ХМ ГОСТ 4543 Группа IV-КП. 275 (КП. 28) по ГОСТ 8479 От - 10 до + 560
15Х5ВФ, 15Х5М ГОСТ 20072 Группа IV-КП.395 (КП. 40) по ГОСТ 8479: дельта >= 13%, пси >= 35%; КСU >= 50 Дж/см2 От - 40 до + 650 пп. 1, 2
12Х1МФ ОСТ 108.030.113 ОСТ 108.030.113 От -20 до +450 ОСТ 108.030.113  
12МХ ГОСТ 20072 Группа IV-КП. 235 (КП. 24) по ГОСТ 8479 От -40 до + 450 Группа IV по ГОСТ 8479 пп. 1
12ХМ, 15ХМ ТУ 302.02.031 ТУ 302.02.031 От -40 до + 560 ТУ 302.02.031  
10Х2М1А-А ТУ 108.13.39 ТУ 108.13.39 От -40 до + 560 ТУ 108.13.39  
10Х2М1А-А, 10Х2М1А-ВД, 10Х2М1А-Ш ТУ 302.02.121 ТУ 302.02.121 От - 40 до + 560 ТУ 302.02.121  
20Х2МА ОСТ 26-01-135 ОСТ 26-01-135 От -40 до + 475 ОСТ 26-01-135  
15Х2МФА-А ТУ 302.02.014 ТУ 302.02.014 От -40 до 510 Группа II по ТУ 302.02.014  
Св. +510 до 560 10(100)
08Х22Н6Т, 08Х21Н6М2Т ГОСТ 5632 Группа IV по ГОСТ 25054 От -40 до + 300 Не ограничено Группа IV по ГОСТ 25054 пп. 1
12Х18Н9Т, 12Х18Н10Т ГОСТ 5632 От -253 до + 610 пп. 1, 2, 8
08Х18Н10Т ГОСТ 5632 От -253 до + 610 пп. 1,. 10
12Х18Н10Т, 08Х18Н10Т ГОСТ 5632 Группа IV по ГОСТ 25054 От +610 до + 700 5(50) Группа IV по ГОСТ 25054 пп. 1, 2, 8
10Х17Н132Т ГОСТ 5632 От -253 до +600 Не ограничено пп. 1
03Х18Н11 ГОСТ 5632 От -253 до +450 пп. 1
03Х17Н14М3 ГОСТ 5632 От -196 до +450 пп. 1
10Х17Н13М3Т ГОСТ 5632 От -196 до + 600 пп. 1
08Х17Н15М3Т ГОСТ 5632 От -196 до +600 пп. 1
06ХН28МДТ ГОСТ 5632 От -196 до + 400 5(50)
08X13, 12X13 ГОСТ 5632 Группа IV по ГОСТ 25054 От -40 до +650 6,4(64) Группа IV по ГОСТ 25054 пп. 1, 7

Примечания.

1. Допускается применять поковки группы II для невзрывоопасных сред при давлении менее 0,07 МПа (0,7 кгс/см2).

2. Допускается наравне с поковками применять стальные горячекатаные кольца для изготовления фланцев из сталей марки 20 по ТУ 14-1-1431 и марок 20, 10Г2, 15Х5М, 12Х18Н10Т по ТУ 14-3-375.

3. Допускается применять фланцы приварные встык из поковок группы 1У-КП.215 (КП.22) по ГОСТ 8479 и горячекатаных колец из стали марки 20 по ГОСТ 1050 для температуры стенки от -31 до -40°С при условии проведения термообработки-закалки и последующего высокого отпуска или нормализации после приварки фланца к корпусу или патрубку. При этом патрубок, привариваемый к корпусу, должен быть изготовлен из стали марки 16ГС (09Г2С, 10Г2). Значение ударной вязкости основного металла должно быть не менее 30 Дж/см2 (3 кгс х м/см2). Допускается применение ответных фланцев штуцеров из стали марки 20 в термообработанном состоянии при температуре стенки от -30 до -40°С.

4. Поковки из сталей марок 15ГС, 16ГС, 09Г2С, 10Г2, 14ХГС должны испытываться на ударный изгиб при температуре стенки ниже -30°С. Значение ударной вязкости должно быть не менее 30 Дж/см2 (3 кгс х м/см2).

5. Допускается применение заготовок, полученных методом электрошлакового переплава из сталей марок 20Ш, 10Г2Ш по ТУ 0251-16, на параметры, аналогичные сталям 20 и 10Г2.

6. Допускается применять поковки из стали марки 20 с толщиной в месте сварки не более 12 мм при температуре стенки не ниже -40°С без проведения термической обработки сварного соединения.

7. Для изготовления деталей, не подлежащих сварке.

8. Для сред, не вызывающих межкристаллитную коррозию.

9. Контроль ультразвуковым методом при условиях, оговоренных в пп. 2.4.4, 2.4.5 настоящего стандарта.

10. Термическая обработка по режиму стабилизирующего отжига гари условиях, оговоренных в п. 3.12.4 настоящего стандарта.

11. Для сред, вызывающих межкристаллитную коррозию (МКК), применять поковки группы IV К

Приложение 6
(обязательное)

СОРТОВАЯ СТАЛЬ (КРУГЛАЯ, ПОЛОСОВАЯ И ФАСОННЫХ ПРОФИЛЕЙ)

(в ред. Изменения N 2)

Марка стали, обозначение стандарта или технических условий Технические требования Рабочие условия Виды испытаний в требования Примечания (ссылки на пункты примечаний к прил. 6)
температура стенки, °С давление среды, МПа (кгс/см2), не более
Ст3кп2 ГОСТ 535 ГОСТ 535 От +10 до +200 1,6(16) ГОСТ 535 пп. 7, 8
Ст3пс4, Ст3сп4 ГОСТ 535 От -20 до +425 5(50) пп. 7, 8
Ст3сп3, Ст3пс3 ГОСТ 535 От 0 до +425  
Ст5пс2 ГОСТ 535 От -30 до +425   п. 3
Ст5сп2 ГОСТ 535 От -20 до +425 5(50) п. 3, 9
10, 15, 20 ГОСТ 1050 ГОСТ 1050 От -20 до +475 Не ограничено ГОСТ 1050  
20ЮЧ ТУ 14-1-3332 ТУ 14-1-3332 От -40 до +475 ТУ 14-1-3332  
09Г2С-7, 09Г2-7 ГОСТ 19281 ГОСТ 19281 От -70 до -41   ГОСТ 19281 п. 2
09Г2С-4, 09Г2-4 ГОСТ 19281 ГОСТ 19281 От -40 до +200 Не ограничено ГОСТ 19281 п. 2
09Г2С-12, 09Г2-12 ГОСТ 19281 От -40 до +475
10Г2 ГОСТ 4543 ГОСТ 4543 От -70 до +475 ГОСТ 4543 п. 5
15Х5М ГОСТ 20072 ГОСТ 20072 От -40 до +650 ГОСТ 20072  
10895 ГОСТ 11036 ГОСТ 11036 От -60 до +475 ГОСТ 11036 п. 10
10Х14Г14Н4Т ГОСТ 5632 ГОСТ 5949 От -196 до +500 ГОСТ 5949 п. 1
08Х22Н6Т, 08Х21Н6М2Т ГОСТ 5632 ГОСТ 5949 От -40 до +300 ГОСТ 5949 п. 1
12Х18Н10Т ГОСТ 5632 От -253 до +610 п. 4
08Х18Н10Т, 08Х18Н12Б ГОСТ 5632 ГОСТ 5949 От -253 до +610 Не ограничено ГОСТ 5949 п. 1
08Х18Н10Т ГОСТ 5632 От +610 до +700 5(50) п. 4
15Х18Н12С4ТЮ ГОСТ 5632 ТУ 14-1-915 От -20 до +120 2,5(25) ТУ 14-1-915 ГОСТ 5949  
02Х8Н22С6 ТУ14-1-3812 ТУ 14-1-3812 От -40 до +120   ТУ 14-1-3812  
10Х17Н13М2Т, 10Х17Н13М3Т ГОСТ 5632 ГОСТ 5949 От -253 до +350 Не ограничено ГОСТ 5949 п. 1
10Х17Н13М2Т, 10Х17Н13М3Т ГОСТ 5632 Св. +350 до +600 пп. 1, 4
08Х17Н15М3Т ГОСТ 5632 От -196 до +600 п. 1
06ХН28МДТ ГОСТ 5632 От -196 до 4-400    
07Х16Н6-III ТУ 14-1-1660 ТУ 14-1-1660 От -60 до +350 ТУ 14-1-1660  
08X13 ГОСТ 5632 ГОСТ 5949 От -40 до +550 ГОСТ 5949 п. 6
12X13 ГОСТ 5632        
03Х18Н11 ГОСТ 5632 ТУ 14-1-1160 От -196 до +450 ТУ 14-1-1160; ГОСТ 5949  
03Х17Н14М3 ГОСТ 5632 ТУ 14-1-3303 ТУ 14-1-3303  
08X17Т ГОСТ 5632 ГОСТ 5949 От 0 до +700   ГОСТ 5949 п. 3
15Х25Т, 15X28 ГОСТ 5632 От 0 до +900
ХН32Т ТУ 14-1-284 ТУ 14-1-284 от -70 до 4-900 Не ограничено ТУ 14-1-284  
15Х18Н12С4ТЮ ГОСТ 5949 ГОСТ 5949 ТУ 14-1-561 от -20 до +200 2,5 (25) ТУ 14-1-561  

Примечания.

1. Испытываются на стойкость против межкристаллитной коррозии по ГОСТ 6032 при условиях, оговоренных в п. 2.6.2 настоящего стандарта.

2. При толщине проката менее 5 мм допускается применение сталей по ГОСТ 19281 категории 2 вместо категорий 4, 7, 12.

3. Для изделий, не подлежащих сварке.

4. Для сред, не вызывающих межкристаллитную коррозию.

5. Сортовой прокат испытывается на ударный изгиб при температуре стенки ниже -30°С. Значение ударной вязкости должно быть не менее 30 Дж/см2 (3 кгс х м/см2).

6. Для внутренних не подлежащих сварке деталей сосудов, работающих без давления, допускается применение сталей марок 08X13, 12X13 при температуре стенки от -60 до +550°С.

7. Ограничения по толщине: для сталей кат. 3 - не более 40 мм; кат. 4, 5 - не более 25 мм.

8. Для сталей, подвергаемых холодной деформации, применять сталь кат. 5.

9. Дополнительное испытание на ударный изгиб при температуре +20°С на заводе - изготовителе сосудов или их отдельных деталей.

10. Для прокладок

Приложение 7
(обязательное)

СТАЛЬНЫЕ ОТЛИВКИ

(в ред. Изменения N 2)

Марка стали, обозначение стандарта или технических условий Технические требования Рабочие условия Виды испытаний и требования Примечания (ссылки на пункты примечаний к прил. 7)
температура стенки, °С давление среды. МПа (кгс/см2), не более
20Л, 25Л ГОСТ 977 Группа 3 по ГОСТ 977 От -30 до +450 Не ограничено Группа 3 по ГОСТ 977; ТУ 26-02-19 пп. 2, 3
35Л, 45Л, ГОСТ 977  
20ГМЛ ОСТ 26-07-402 ОСТ 26-07-402 От -40 до +450 ОСТ 26-07-402  
20ХМЛ ГОСТ 977 Группа 3 по ГОСТ 977 От -40 до +540 Группа 3 по ГОСТ 977  
20Х5МЛ ГОСТ 977 От -40 до +600 Группа 3 по ГОСТ 977; ТУ 26-02-19  
20Х5ТЛ ТУ 26-02-19 ТУ 26-02-19 От -40 до +425 Не ограничено ТУ 26-02-19  
20Х5ВЛ ТУ 26-02-19 От - 40 до +550
20Х8ВЛ ГОСТ 977 Группа 3 по ГОСТ 977 От -40 до +600 Группа 3 по ГОСТ 977; ТУ 26-02-19  
20ХНЗЛ ТУ 26-02-19 ТУ 26-02-19 От -70 до +450 ТУ 26-02-19 и ударная вязкость при -70°С, если температура стенки ниже -30°С  
10Х18Н9Л, 20Х18Н9ТЛ ГОСТ 977 Группа 3 по ГОСТ 977 От -253 до +600 Группа 3 по ГОСТ 977; ТУ 26-02-19  
12Х18Н12МЗТЛ ГОСТ 977
10Х21Н6М2Л ТУ 26-02-19 ТУ 26-02-19 От - 40 до +300 ТУ 26-02-19
40Х24Н12СЛ ГОСТ 977 Группа 3 по ГОСТ 977 От 0 до +1200   Группа 3 по ГОСТ 977  
35Х23Н7СЛ ГОСТ 977 От 0 до +1000  

Примечания.

1. Пункт исключен. (в ред. Изменения N 1)

2. При содержании углерода более 0,25% сварка должна производиться с предварительным подогревам и последующей термической обработкой.

3. Допускается применять отливки из углеродистых сталей марок 20Л, 25Л до температуры стенки -40°С при условии проведения термической обработки в режиме нормализации плюс отпуск или закалка плюс отпуск.

Приложение 8
(обязательное)

ЛИСТЫ, ПЛИТЫ ИЗ ЦВЕТНЫХ МЕТАЛЛОВ И СПЛАВОВ

(в ред. Изменения N 2)

Марка материала, обозначение стандарта или технических условий Технические требования Рабочие условия Виды испытаний и требования Примечания (ссылки на пункты примечаний к прил. 8)
температура стенки, °С давление среды, МПа (кгс/см2), не более
Л63, Л68, ЛС59-1, Л062-1 ГОСТ 15527 ГОСТ 931 От -270 до +250 Не ограничено ГОСТ 931 п. 2
ЛЖМц 59-1-1 ГОСТ 15527 ТУ 28-21-897 ТУ 28-21-897  
НМЖМц 28-2, 5-1,5 ГОСТ 492 ГОСТ 5063 От -70 до + 360 2,5(25) ГОСТ 5063 п. 1
А5, А6, АД0, АД1, АМц, АМг3, АМг5 ГОСТ 4784 ГОСТ 21631Е От -270 до 1-150 6(60) ГОСТ 21631Е пп. 1, 5
АД0, АД1, A5, A6, АМц ГОСТ 4784 ГОСТ 17232 От -70 до + 150 6(60) ГОСТ 17232 п. 6
АМг3, АМг6, АМг6 ГОСТ 4784 От -210 до + 150

Примечания.

1. Испытания на растяжение проводить в мягком состоянии.

2. Испытания на растяжение проводить в мягком состоянии марок Л63, Л68, ЛС59-1, а марки ЛО62-1 - в горячекатаном.

3. По требованию потребителя проводят испытания на глубину выдавливания мягких полос толщиной 1 и 1,2 мм.

4. По требованию потребителя проводят испытания на изгиб.

5. Механические свойства листов без термической обработки и отожженных (кроме сплавов марок АМг3, АМг6, АМг6) обеспечиваются технологией изготовления (п. 4.6 ГОСТ 21631).

6. Механические свойства обеспечиваются технологией изготовления и проверяются по требованию потребителя (п. 4.4 ГОСТ 17232).

Приложение 9
(обязательное)

ТРУБЫ ИЗ ЦВЕТНЫХ МЕТАЛЛОВ И СПЛАВОВ

Марка материала, обозначение стандарта или технических условий Технические требования Рабочие условия Виды испытаний и требования Примечания (ссылки на пункты примечаний к прил. 9)
температура стенки, °С давление среды, МПа (кгс/см2), не более
Л68, Л070-1, ЛОМш 70-1-0,05, ЛАМш 77-2-0,05 ГОСТ 15527 ГОСТ 21646 От -196 до + 250 Не ограничено ГОСТ 21646 п. 2
Л63, Л68, ЛС59-1, ЛЖМц 59-1-1 ГОСТ 15527 ГОСТ 494 От -253 до + 250 ГОСТ 494 пп. 3, 4, 5
МНЖ 5-1 ГОСТ 492 ГОСТ 17217 От -196 до +200 ГОСТ 17217 п. 6
МНЖМц 30-1-1 ГОСТ 492 ГОСТ 10092 От 0 до +250 ГОСТ 10092 п. 1
АД0, АД1, АМц ГОСТ 4784 ГОСТ 18475Е От -270 до + 150 6(60) ГОСТ 18475Е п. 7
АМг2, АМг3, АМг5 ГОСТ 4784 ГОСТ 18482Е ГОСТ 18482Е  

Примечания.

1. Испытания на растяжение проводить в мягком состоянии.

2. Испытания на растяжение латуни марки Л68 проводить в мягком состоянии.

3. Испытания на растяжение латунных труб марок Л63, Л68 проводить в мягком состоянии, трубы марок ЛС69-1, ЛЖМц 59-1-1 испытываются прессованными.

4. По требованию потребителя тянутые и холоднокатаные трубы с толщиной 3 мм и менее подвергаются испытанию на сплющивание.

5. По соглашению сторон трубы марок Л63, Л68 изготавливают с повышенной пластичностью.

6. Испытания на растяжение проводить в отожженном состоянии.

7. Механические свойства отожженных труб предприятие - изготовитель труб не контролирует.

Приложение 10
(обязательное)

ПРУТКИ И ЛИТЬЕ ИЗ ЦВЕТНЫХ МЕТАЛЛОВ И СПЛАВОВ

Марка материала, обозначение стандарта или технических условий Технические требования Рабочие условия Виды испытаний и требования Примечание (пункты примечания к прил. 10)
температура стенки, °С давление среды, МПа (кгс/см2), не более
НМЖМц 28-2,5-1,5 ГОСТ 492 ГОСТ 1525 От -70 до + 250 2,5(25) ГОСТ 1525 п. 1
ЛЦ23А6ЖЗМц2 (ЛАЖМц 66-6-3-2) ГОСТ 17711 ГОСТ 17711 Не ограничено ГОСТ 17711  
АД0, АМг2, АМц ГОСТ 4784 ГОСТ 21488Е От -70 до + 150 6(60) ГОСТ 21488Е  

Примечание. 1. Испытания на растяжение проводить в мягком состоянии.

Приложение 11
(обязательное)

РУЧНАЯ ЭЛЕКТРОДУГОВАЯ СВАРКА. 1

(в ред. Изменения N 2)

Марка стали Тип электрода по ГОСТ 9467 Минимальная температура стенки сосуда под давлением (см. п. 2.8.1 настоящего стандарта)
Ст3кп; Ст3пс; Ст3сп; Ст3Гпс; 18Гпс; 10; 15; 20; 15К; 16К; 18К; 20К; 20Л; А; В и марки Ст3сп и 20К основного слоя двухслойной стали Э 42 Э 46 Не ниже -15°С
Э 42А; Э 46А; Э 50А Не ниже -30°С; не ниже -40°С по табл. 3 настоящего стандарта
22К; 25Л Э 46А; Э 50А  
16ГС; 17ГС; 17Г1С; 20ЮЧ; 09ХГ2НАБЧ; 10ХСНД; Д40; Д32; Е40; Е32; трубы толщиной менее 12 мм из сталей марок 10 и 20 и марка 16ГС основного слоя двухслойной стали Э 50А Не ниже - 40°С
16ГМЮЧ Э-09МХ; Э-09Х1М; Э-05Х2М Не ниже 0°С
15Г2lФ Э 50А; Э 55; Э 60 Не ниже -40°С
10Х2ГНМ 09Х2М Не ниже 0°С
09Г2С; 10Г2; 09Г2СЮЧ; 10Г2С1 и марка 09Г2С основного слоя двухслойной стали Э 50А Не ниже -60°С, от -61 до -70°С после нормализации
09Г2С; 10Г2; 10Г2С1; 09Г2СЮЧ 10ГН; 10ГНМ До -70°С
12МХ и марка 12МХ основного слоя двухслойной стали Э-09МХ; Э-09Х1М Не ниже 0°С
I2XМ; 15ХМ и марка 12ХМ основного слоя двухслойной стали Э-09Х1М; Э-09ХМФ
12Х1МФ Э-09Х1МФ
10Х2М1А-Л Э-09Х1М
10Х2М1А-А; 20Х2МА и марка 20Х2МА основного слоя двухслойной стали Э-05Х2М
15Х2МФА-А Н-3А
1Х2М1 10Х2М1 Э-10Х5МФ
15X5; 15Х5М, 15Х5МУ, 15Х5ВФ 20Х5МЛ, 20Х5ВЛ
12Х8ВФ 09Х8ВФ
Х9М 09Х9М1

Примечания.

1. Без индекса "Э" условно указаны типы электродов, не предусмотренные ГОСТ 9467. Марки электродов типов без индекса "Э" принимаются по рекомендациям специализированной научно-исследовательской организации. Марка электрода типа Н-ЗА принимается по ТУ 5. 965-11313.

2. Электроды типа Э 42 и Э 46 для сварки сосудов, предназначенных для работы в средах, вызывающих коррозионное растрескивание, применяются по согласованию со специализированной научно-исследовательской организацией.

3. Необходимость подогрева для предотвращения трещин при сварке малоуглеродистых, низколегированных марганцовистых и марганцевокремнистых сталей в зависимости от толщины свариваемых элементов, содержания углерода в стали и других факторов определяется технологией предприятия - изготовителя сосуда.

4. При сварке хромомолибденовых, хромомолибденованадиевых и хромомолибденованадиевовольфрамовых сталей требуются специальные меры (подогрев, термообработка и др.).

Приложение 12
(обязательное)

РУЧНАЯ ЭЛЕКТРОДУГОВАЯ СВАРКА. 2

(в ред. Изменения N 2)

Марка стали Требования по стойкости против межкристаллитной коррозии
нет есть
тип электрода по ГОСТ 10052 температура стенки тип электрода по ГОСТ 10052 (марка, ТУ) температура стенки
08X13 и марка 08X13 коррозионностойкого слоя двухслойной стали Э-10Х25Н13Г2 По обязательным приложениям 2-7 настоящего стандарта    
08X17Т 15Х25Т Э-10Х25Н13Г2Б  
08Х22Н6Т 08Х18Г8Н2Т Э-04Х20Н9 Э-07Х20Н9 Э-08Х20Н9Г2Б Э-08Х19Н10Г2Б 08Х22Н7Г2Б (ОЗЛ-40 ТУ-14-168-43) До +350°С
08Х21Н6М2Т Э-02Х20Н14Г2М2 Э-09Х19Н10Г2М2Б Э-07Х19Н11М3Г2Ф 08Х20Н7Г2М2Б (ОЗЛ-41 ТУ 14-168-43)
07Х13АГ20 Э-07Х20Н9 Э-04Х20Н9 Э-08Х20Н9Г2Б По обязательным приложениям 2-7 настоящего стандарта    
03Х19АГ3Н10 Э-02Х21Н10Г2 До +450°С Э-02Х21Н10Г2 До +350°С
Э-02Х19ШБ По обязательным приложениям 2 - 7 настоящего стандарта, при этом от +350°С и выше после стабилизирующего отжига
12X18Н9Т 12Х18Н10Т 08Х18Н10Т 12Х18Н9ТЛ 08Х18Н12Б 12Х18Н12Т Э-04Х20Н9 До +450°С Э-08Х20Н9Г2Б До +450°С, при этом от +350°С до +450°С после стабилизирующего отжига
Э-07Х20Н9 По обязательным приложениям 2-7 настоящего стандарта Э-08Х19Н10Г2Б По обязательным приложениям 2 - 7 настоящего стандарта, при этом от +350°С и выше после стабилизирующего отжига
10Х17Н13М2Т; 10Х17Н13М3Т; 12Х18Н12М3ТЛ; 08Х17Н13М2Т Э-07Х19Н11М3Г2Ф До +450°С Э-07Х19Н11М3Г2Ф; Э-09Х19Н10Г2М2Б До +350°С
Э-02Х20ННГ2М2; Э-09Х19Н11Г3М2Ф; Э-02Х1Ш18Г5АМ3 По обязательным приложениям 2-7 настоящего стандарта
08Х17Н15М3Т     Э-02Х19Н18Г5АМ3
10Х14Г14Н4Т Э-10Х20Н9Г6С; Э-03Х15Н9АГ4; Э-04Х19Н9 По обязательным приложениям 2-7 настоящего стандарта    
03Х18Н11; 02Х18Н11 Э-02Х21Н10Г2 До +450°С Э-02Х21Н10Г2 До +350°С
Э-02Х19Н9Б По обязательным приложениям 2-7 настоящего стандарта Э-02Х19Н9Б По обязательным приложениям 2-7 настоящего стандарта, при этом от +350°С и выше после стабилизирующего отжига
12Х18Н10Т и 08Х18Н10Т коррозионностойкого слоя двухслойной стали Э-10Х25Н13Г2 для переходного и коррозионностойкого слоев; Э-04Х20Н9 и Э-07Х20Н9 для коррозионностойкого слоя По обязательному приложению 3 настоящего стандарта Э-10Х25Н13Г2 для переходного слоя; Э-08Х20Н9Г2Б и Э-08Х19Н10Г2Б для коррозионностойкого слоя По обязательным приложениям 2-7 настоящего стандарта, при этом от +350°С и выше после стабилизирующего отжига
10Х17Н13М2Т и 08Х17Н15М3Т коррозионностойкого слоя двухслойной стали Э-10Х25Н13Г2 для переходного слоя; Э-07Х19Н11М3Г2Ф для коррозионно-стойкого слоя Э-10Х25Н13Г2 для переходного слоя; Э-09Х19Н10Г2М2Б для коррозионно-стойкого слоя До +350°С
08Х17Н15М3Т коррозионностойкого слоя двухслойной стали     Э-10Х25Н13Г2 для переходного слоя Э-02Х19Н18Г5АМ3 До +350°С
03Х17Н14М3 Э-02Х19Н18Г5АМ3 Э-02Х20Н14Г2М2 По обязательным приложениям 2-7 настоящего стандарта Э-02Х19Н18Г5АМ3; Э-02Х20Н14Г2М2 До +350°С
15Х18Н12С4ТЮ     Э-10Х17Н1ЭС4 До +200°С
02Х8Н22С6 02X17H14С5     ОЗЛ-24 ТУ 14-4-579 До +120°С
03Х21Н21М4ГБ     03Х24Н25М3АГ3 (АНВ-38 ТУ ИЭС 376); 04Х23Н27М3Д3Г2Б (ОЗЛ-17У ТУ 14-4-715); 04Х21Н21М4Г2Б (ОЗЛ-26А ТУ 14-4-316) До +350°С
06ХН28МДТ 03ХН28МДТ     03Х24Н25М3АГ3Д (АНВ-37 ТУ ИЭС 375); 04Х23Н27М3Д3Г2Б (ОЗЛ-17У ТУ 14-4-715); 04Х23Н26М3Д3Г2Б (ОЗЛ-37-2 ТУ 14-4-1276) До +350°С
ХН32Т Э-27Х15Н35В3Г2Б2Т По обязательным приложениям 2-7 настоящего стандарта    
НМЖМц28-2,5-1,5 коррозионностойкого слоя двухслойной стали В-56у    

Примечания.

1. Без индекса "Э" условно указаны типы электродов, не предусмотренные ГОСТ 10052. Марка электрода типа В-56у принимается по ТУ 14-4-807 (изм. 1).

2. Возможность проведения стабилизирующего отжига для сварных соединений из сталей марок 10Х17Н13М2Т, 10Х17Н13М3Т, 12Х18Н12М3ТЛ, 08Х17Н13М2Т должна быть согласована со специализированной научно-исследовательской организацией по технологии.

3. Применение сварных соединений при температуре выше +600°С должно быть согласовано со специализированной научно-исследовательской организацией.

4. Электроды типов Э-02Х20Н14Г2М2 и Э-09Х19Н11Г3М2Ф применяются при условии содержания в металле шва ферритной фазы не более 6%.

5. Возможность применения электрода типа Э-04Х19Н9 должна быть согласована со специализированной научно-исследовательской организацией.

Приложение 13
(обязательное)

АВТОМАТИЧЕСКАЯ СВАРКА. 1

Марка стали Марка проволоки по ГОСТ 2246 Марка флюса по ГОСТ 9087 Минимальная температура стенки сосуда под давлением (см. п. 2.8.1 настоящего стандарта)
Ст3кп; Ст3пс; Ст3сп; Ст3Гпс; 18Гпс; 10; 16 К; 18К; 15; 20; 20К; А; В и марки Ст3сп и 20К двухслойной стали Св-08; Св-08А АН-348А; ОСЦ-45; ОСЦ-45М; АНЦ-1 Не ниже -20°С
Св-08ГА; Св-10ГА Не ниже -30°С; не ниже - 40°С по табл. 3 настоящего стандарта
22К; 25Л Св-08ГА; Св-10ГА
20ЮЧ Св-10НЮ АН-22; АН-47 Не ниже -40°С
16ГС; 17ГС; 17Г1С; 09Г2С; 10Г2; 10Г201; 10ХСНД; Д40; Д32; Е40; Е32 в марки 16ГС и 09Г2С основного слоя двухслойной стали Св-08ГА; Св-10ГА АН-22; АН-348А; АН-47; ОСЦ-45; ОСЦ-45М; АНЦ-1 Не ниже -30°С при любой толщине; не ниже -40°С при толщине металла не более 24 мм
16ГС; 17ГС; 17Г1С; 10ХСНД; Д40; Д32; Е40; Е32 и марка 16ГС основного слоя двухслойной стали Не ниже -40°С при любой толщине металла при условии выполнения многослойной сварки или в сочетании с проволоками Св-10НМА; Св-10НЮ
Св-10НЮ   Не ниже -40°С
16ГМЮЧ Св-08ХМ; Св-04Х2МА; Св-10Х2М АН-22; ФЦ-11; АН-17М Не ниже 0°С
15Г2СФ Св-10Г2; Св-10НМА АН-22; АН-348А; АН-47; ОСЦ-45; ОСЦ-45М; АНЦ-1 Не ниже -40°С
09Г2СЮЧ Св-10ГА; Св-10НМА; Св-03ГСМТ; Св-10НЮ АН-348А; АН-43; АН-22; АН-47 Не ниже -70°С
09ХГ2НАБ Св-08ГСМТ ФП-33 Не ниже -40°С
15Х2МФА-А Св-10X3М1A; Св-10Х3ГМФТА; Св-10ХМФТУ ФП-33; ФП-ЗЗМ Не ниже 0°С
10Х2ГНМ Св-04Х2МА; Св-10Х3ГМ ТУ 14-1-4181 АН-47 Не ниже 0°С
10Х2М1А-А и марка 10Х2М1А-А основного слоя двухслойной стали СВ-04Х2МА; Св-10ХЗГМ1А-А ФЦ-16А; ФЦ-16 Не ниже 0°С
09Г2С, 10Г2С1, 10Г2 и марка 09Г2С основного слоя двухслойной стали Св-08ГА АН-47; АН-348А; ОСЦ-45; ОСЦ-45М Не ниже -60°С при любой толщине металла при условии выполнения многослойной сварки или в сочетании с проволоками Св-10НМА, Св-10НЮ; Св-08МХ
Св-08ГА; Св-08ГС Не ниже - 70°С при любой толщине металла при условии нормализации сварных соединений
Св-10НЮ Св-10НМА Не ниже -60°С
09Г2С1, 10Г2, 10Г2С1 и марка 09Г2С основного слоя двухслойной стали Св-10НЮ АН-22 Не ниже -70°С без нормализации сварных соединений при условии сварки по технологии, согласованной со специализированной научно-исследовательской организацией
12МХ и та же марка основного слоя двухслойной стали Св-08МХ; С8-04Х2МА АН-43; АН-22; АН-348А Не ниже 0°С
12ХМ и та же марка основного слоя двухслойной стали Св-08ХМ; СВ-10Х2М
20Х2МА СВ-04Х2МА АН-22; АН-43
15Х5М Св-10Х5М АН-22; АН-43

Примечания.

1. Условия выполнения сварных соединений с различным сочетанием сварочных проволок определяется технологией, согласованной со специализированной научно-исследовательской организацией.

2. Необходимость подогрева для предотвращения трещин при сварке малоуглеродистых и низколегированных марганцовистых и марганцевокремнистых сталей в зависимости от толщины свариваемых элементов, содержания углерода и других факторов определяется технологией предприятия - изготовителя сосудов.

3. Марки проволоки типов Св-10НЮ и Св-10Х2М принимаются по ТУ 14-1-2219, типа Св-10ХМФТУ - по ТУ 14-1-4355, типов Св-10Х3М1А и Св-10Х3ГМФТА - по ТУ 14-1-49-1414 Марки флюсов типов ФП-33 и ФП-33М принимаются по ТУ 5.965-11238, типов ФЦ-16 и ФЦ-16А - по ТУ 108.948.02, типа АНЦ-1-по ТУ 108.1424.

4. При сварке хромомолибденовых сталей требуются специальные меры (подогрев, термическая обработка и др.).

Приложение 14
(обязательное)

АВТОМАТИЧЕСКАЯ СВАРКА. 2

(в ред. Изменения N 2)

Марка стали Наличие требований по стойкости против межкристаллитной коррозии
нет есть
марка проволоки, обозначение стандарта или технических условий марка флюса, обозначение стандарта или технических условий условия применения (см. п. 2.8.1 настоящего стандарта) марка проволоки, обозначение стандарта или технических условий марка флюса, обозначение стандарта или технических условий условия применения (см. п. 2.8.1 настоящего стандарта)
08X13 коррозионностойкого слоя стали Св-06Х25Н12ТЮ; Св-07Х25Н12Г2Т ГОСТ 2246 АН-26С ГОСТ 9087 По обязательному приложению 3 настоящего стандарта      
08Х22Н6Т; 08Х18Г8Н2Т Св-04Х19Н9; Св-06Х19Н9Т ГОСТ 2246 АН-26С ГОСТ 9087 По обязательным приложениям 2-4 настоящего стандарта Св-06Х21Н7БТ (ЭП-500) ТУ 14-1-4981; Св-07Х18Н9ТЮ; Св-05Х20Н9ФБС ГОСТ 2246 Св-08Х20Н9С2БТЮ ТУ 14-1-4981 АН-26С ГОСТ 9087; 48-ОФ-6 По обязательным приложениям 2 -4 настоящего стандарта
08Х21Н6М2Т Св-04Х19Н11М3; Св-06Х19Н101М3Т ГОСТ 2246 АН-26С ГОСТ 9087; 48-ОФ-6   Св-08Х19Н10М3Б; Св-06Х20Н11М3ТБ ГОСТ 2246 Св-03Х24Н6АМ3 ТУ 14-1-4372    
03Х18Н11 02Х18Н11       Св-01X18Н10 ТУ 14-1-2795 Св-01Х19Н9 ГОСТ 2246 АН- 18 ГОСТ 9087 До + 3503С
03Х17Н14М3     Св-01Х17Н14М2 ТУ 14-1-2795; Св-01Х19Н18Г10АМ4 ТУ 14-1-4981 АН-18 ГОСТ 9087 До +350°С
03Х21Н21М4ГБ       Св-01Х23Н28М3Д3Т ГОСТ 2246; Св- 03Х23Н25М3Д3Т ТУ 14-1-2571; Св-02Х21Н21М4Г2Б ТУ 14-1-3262
07Х13АГ20 Св-05Х15Н9Г6АМ ТУ 14-1-1595; Св-07Х19Н10Б; Св-05Х20Н9ФБС ГОСТ 2246 АН-26С ГОСТ 9087 По обязательным приложениям 2-4      
12Х18Н9Т; 12Х18Н10Т; 08Х18Н10Т СВ-06Х19Н9Т; Св-04Х19Н9 ГОСТ 2246 АН-26С ГОСТ 9087 До +600°С Св-07Х18Н9ТЮ; Св-05Х20Н9ФБС ГОСТ 2246 АН-26С ГОСТ 9087 До +600°С, при этом от +350°С до +600°С после стабилизирующего отжига
Св-08Х20Н9С2БТЮ ТУ 14-1-4981 До +350°С
12Х18Н10Т и 08Х18Н10Т коррозионностойкого слоя двухслойной стали Св-06Х25Н12ТЮ Св-07Х25Н12Г2Т ГОСТ 2246 АН-26С ГОСТ 9087 По обязательному приложению 3 настоящего стандарта Св-06Х25Н12ТЮ; Св-07Х25Н12Г2Т ГОСТ 2246 АН-26С ГОСТ 9087 До +350°С для сварки переходного слоя
Св-05Х20Н9ФБС ГОСТ 2246 До +350°С для сварки коррозионностойкого слоя
Св-08Х25Н13БТЮ; ГОСТ 2246 До +350°С для сварки переходного и коррозионностойкого слоев
06ХН28МДТ; 03ХН28МДТ       Св-01Х24Н25АГ7Д ТУ 14-1-368 Св-01Х23Н28М3Д3Т Св-03Х23Н28М3Д3Т ТУ 14-1-2571 АН-18 ГОСТ 9087 До +350°С
Сплав НМЖМц-28-2,5-1 ,5 коррозионностойкого слоя двухслойной стали НЖМдТА (сварочный монель) ТУ 48-21-284 АН-26С ГОСТ 9087 По обязательному приложению 3 настоящего стандарта      

Примечания.

1. Возможность применения стабилизирующего отжига для сварных соединений из сталей марок 10Х17Н13М2Т, 10Х17Н13М3Т, 08Х17Н13М2Т должна быть согласована со специализированной научно-исследовательской организацией.

2. Применение сварных соединений из сталей марок 10Х17Н13М2Т, 10Х17Н13М3Т, 08Х17Н15М2Т при температуре выше +600°С должно быть согласовано со специализированной научно-исследовательской организацией.

Приложение 15
(обязательное)

ЭЛЕКТРОШЛАКОВАЯ СВАРКА

(в ред. Изменения N 2)

Марка стали Марка проволоки, обозначение стандарта или технических условий Марка флюса, обозначение стандарта или технических условий Условия применения (см. п. 2.8.1 настоящего стандарта)
Ст2сп; Ст3пс 20; 16К Св-08ГА ГОСТ 2246 АН-8; АН-22 ГОСТ 9087; АН-9; АН-9У ТУ ИЭС 291 По обязательному приложению 2 настоящего стандарта при условии нормализации и высокого отпуска сварных соединений
18К; 20К; 22К; 20ЮЧ Св-10НЮ ТУ 14-1-2219; Св-10Г2; Св-08ГС ГОСТ 2246
16ГС; 09.Г2С; 09Г2СЮЧ СВ-08ГС; СВ-08Г2С; Св-08ГСМТ ГОСТ 2246; Св-10НЮ ТУ 14-1-2219
12МХ; 12ХМ СВ-10ХГ2СМА; Св-08ХМ ГОСТ 2246; 10Х2М ТУ 14-1-2219; Св-04Х2МА ГОСТ 2246 Не ниже 0°С при условии нормализации и высокого отпуска сварных соединений
16ГМЮЧ Св-08XМ; Св-10ХМ; Св-10HМА; Св-04Х2МА ТУ 14-1-2219 АН-22; АН-8; ФЦ-11 ГОСТ 9087 Не ниже 0°С при условии высокого отпуска сварных соединений
15Г2СФ СВ-10Г2 АН-8 Не ниже - 40°С после нормализации и высокого отпуска сварных соединений
10Х2ГНМ Св-10Х3ГМ ТУ14-1-4181 АН-8 ГОСТ 9087-81; АН-9У ТУ ИЭС 291 Не ниже 0°С при условии высокого отпуска
12Х18Н9Т; 08Х18Н10Т; 12Х18Н10Т СВ-04Х19Н9; Св-01Х19Н9; Св-06Х19Н9Т ГОСТ 2246 АН-26П; АН-26С ГОСТ 9087 48-ОФ-6 До +600°С при отсутствии требований по стойкости металла против межкристаллитной коррозии
Св-07Х19Н10Б; Св-05Х20Н9ФБС ГОСТ 2246 АН-45 ГОСТ 9087 До +350°С при наличии требований по стойкости металла шва против межкристаллитной коррозии
10Х17Н13М2Т; 10Х17Н13М3Т Св-01Х19Н18Г10АМ4 ТУ 14-1-4981; Св-08Х19Н10М3Б; Св-06Х20Н11М3ТБ ГОСТ 2246; Св-03Х19Н15Г6М2АВ2 ТУ 14-1-1595 АН-22; АН-26; АН-26П ГОСТ 9087; АН-45 ТУ 14-1-2372 До +350°С при условии подтверждения стойкости против межкристаллитной коррозии по предварительным испытаниям

Примечания.

1. Применение проволоки марки Св-08ХМ допускается только с содержанием хрома не менее 1% и молибдена не менее 0,5%.

2. Для сварки основного слоя двухслойной стали применяются сварочные материалы для соответствующей марки стали по приложению 15 настоящего стандарта.

3. При выполнении электрошлаковой сварки допускается применение пластинчатых электродов и других технологических приемов по документации, согласованной со специализированной научно-исследовательской организацией.

4. Для кольцевых швов сосудов из стали марки 12ХМ допускается производить только высокий отпуск без нормализации при условии выполнения многослойной электрошлаковой сварки по документации, согласованной со специализированной научно-исследовательской организацией.

5. Для кольцевых швов сосудов с толщиной до 100 мм, предназначенных для работы при температуре стенки не ниже -20°С для стали марки 20К, не ниже-40°С для сталей марок 16ГС, 20ЮЧ, не ниже -55°С для стали марки 09Г2С, и толщиной до 60 мм, предназначенных для работы при температуре стенки не ниже -60°С для стали 09Г2С, допускается производить только высокий отпуск без нормализации при условии комбинированного способа - автоматической сварки под флюсом и электрошлаковой сварки с регулированием термического цикла.

Приложение 16
(обязательное)

ДУГОВАЯ СВАРКА В ЗАЩИТНОМ ГАЗЕ

(в ред. Изменения N 2)

Марка стали Марка проволоки, обозначение стандарта или технических условий Защитный газ и обозначение стандарта Условия применения (см. п. 2.8.1 настоящего стандарта)
Ст3сп; Ст3пс; Ст3кп; 10; 20; 20Л Св-08Г2С ГОСТ 2246 Углекислый газ ГОСТ 8050; смесь углекислого газа с кислородом ГОСТ 5583 Не ниже -30°С; не ниже - 40°С по табл. 3 настоящего стандарта
17ГС; 17ПС; 16ГС; 09Г2С; 10Г2; 10Г2С1; 09Г2СЮЧ и трубы из стали 10 и 20 толщиной не более 12 мм Не ниже - 40°С
09Г2С; 10Г2С1; 10Г2; 09Г2СЮЧ От -41°С до -70°С при условии нормализации сварных соединений
09Г2С; 10Г2С1; 10Г2; 09Г2СЮЧ Св-08Г2СНТЮР ТУ 14-1-3648 Углекислый газ ГОСТ 8050 Не ниже -70°С
12МХ; 12ХМ Св-10ХГ2СМА ГОСТ 2246 Углекислый газ ГОСТ 8050; аргон ГОСТ 10157 Не ниже 0°С
Св-08ХМ ГОСТ 2246 Аргон ГОСТ 10157
15Г2СФ Св-08Г2С ГОСТ 2246 Углекислый газ ГОСТ 8050 Не ниже -40°С
10Х2ГНМ Св-08Х3Г2СМ ГОСТ 2246 Углекислый газ ГОСТ 8050 Не ниже 0°С
1Х2М1 Св-06Х3Г2СМФТЮЧ ТУ 14-1-2338 Углекислый газ ГОСТ 8050; аргон ГОСТ 10157 Не ниже 0°С
15Х5М; 15Х5МУ Св-06Х8Г2СМФТЮЧ ТУ 14-1-2338
15Х5М; 15Х5МУ Св-10Х5М ГОСТ 2246 Аргон ГОСТ 10157 Не ниже 0°С. Для сварки теплообменных труб диаметром до 38 мм и корневого слоя шва труб диаметром более 38 мм
12Х8ВФ; Х9М; Х8 Св-06Х8Г2СМФТЮЧ ТУ 14-1-2338 Углекислый газ ГОСТ 8050 Не ниже 0°С
08X13 и марка 08X13 коррозионностойкого слоя двухслойной стали Св-08Х20Н9Г7Т; Св-10Х16Н25АМ6; Св-07Х25Н!2Г2Т; Св-08Х25Н13БТЮ ГОСТ 2246 Углекислый газ ГОСТ 8050; аргон ГОСТ 10157; смесь углекислого газа с аргоном
08Х22Н6Т; 08Х18Г8Н2Т Св-06Х21Н7БТ ТУ 14-1-1389; Св-07Х19Н10Б; Св-07Х18Н9ТЮ ГОСТ 2246 Аргон ГОСТ 10157 До +300°С гори наличии требований стойкости против межкристаллитной коррозии
Св-04Х19Н9; Св-06Х19Н9Т ГОСТ 2246 До +300°С при отсутствии требований стойкости против межкристаллитной коррозии
Св-08Х20Н9С2БТЮ ТУ ТУ 14-1-4981 Углекислый газ ГОСТ 8050 До +300°С при наличии требований стойкости против межкристаллитной коррозии
15Х18Н12С4ТЮ СВ-15Х18Н12С4ТЮ ТУ 14-1-2795 Аргон ГОСТ 10157 По обязательным приложениям 2-7 настоящего стандарта
02Х8Н22С6 Св-02Х8Н22С6 ТУ 14-1-3233; Св-01Х12Н10С6Ц ТУ 14-1-3952
12X18H9Т, 12X18H10Т, 08X18H10Т и 12X18H10Т, 08X18H10Т коррозионностойкого слоя двухслойной стали Св-08Х20Н9Г7Т; Св-10Х16Н25АМ6 ГОСТ 2246 Аргон ГОСТ 10157; смесь аргона с углекислым газом ГОСТ 8050 Для сварки коррозионностойкого слоя и деталей внутренних устройств
Св-01Х19Н9; Св-04Х19Н9 ГОСТ 2246 При отсутствии требований по стойкости против межкристаллитной коррозии
Св-06Х19Н9Т; Св-07Х19Н10Б; Св-07Х18Н9ТЮ; Св-05Х20Н9ФБС ГОСТ 2246 До +350°С при наличии требований стойкости против межкристаллитной коррозии
Св-08Х20Н9С2БТЮ ТУ 14-1-4981 Углекислый газ ГОСТ 8050
03Х18Н11; 02Х18Н11 Св-01Х18Н10 ТУ 14-1-973 Аргон ГОСТ 10157
08Х21Н6М2Т; 10Х17Н13М2Т; 10Х17Н13М3Т; 08Х17Н13М2Т Св-04Х19Н11М3 ГОСТ 2246 Аргон ГОСТ 10157; Смесь аргона с углекислым газом ГОСТ 8050 По обязательным Приложениям 2-4 настоящего стандарта при отсутствии требования по стойкости против межкристаллитной коррозии
Св-06Х19Н10М3Т; Св-06Х20Н11М3ТБ; Св-08Х19Н10М3Б ГОСТ 2246 Св-01Х19Н18Г10АМ4 ТУ 14-1-4981 До +350°С при наличии требований по стойкости против межкристаллитной коррозии
08Х18Н12Б Св-06Х19Н9Т; Св-07Х19Н10Б; Св-07Х18Н9ТЮ; Св-05Х20Н9ФБС ГОСТ 2246   До +350°С при наличии требования стойкости против межкристаллитной коррозии
03Х19АГ3Н10 С8-01Х18Н10 ТУ 14-1-973 Аргон ГОСТ 10157 До +350°С при наличии требования стойкости против межкристаллитной коррозии без требования равнопрочности сварных соединений основному металлу
10Х14Г14Н4Т Св-05Х15Н9Г6АМ ТУ 14-1-1595  
03Х21Н21М4ГБ Св-02Х21Н2М4Б ТУ 14-1-3262 До +350°С при наличии требований по стойкости против межкристаллитной коррозии
08Х17Н15М3Т 03Х17Н14М3 Св-01Х17Н14М2 ТУ 14-1-973; Св-01Х19Н18Г10АМ4 ТУ 14-1-4981
06ХН28МДТ 03ХН28МДТ Св-01Х23Н28М3Д3Т ГОСТ 2246; Св-03ХН25МДТБ ТУ 14-1-2571
НМЖМц 28-2,5-1,5 НММцТА (сварочный монель) ТУ 48-21-234 По обязательному приложению 3 настоящего стандарта

Примечания.

1. Допускается применение аргонодуговой сварки неплавящимся электродом проволокой Св-08Г2С стали марок Ст3сп, 10, 20, 20Л, 17ГС, 17Г1С, 16ГС, 09Г2С, 10Г2, 10Г2С1.

2. При сварке основного и каррозионностойкого слоев двухслойной стали применяются сварочные материалы, приведенные в приложении 16 настоящего стандарта для соответствующей марки стали.

3. При необходимости выполнения переходного слоя шва двухслойной стали аргонодуговой сваркой рекомендуется применение сварочной проволоки марок Св-08Х20Н9Г7Т, Св-10Х16Н25АМ6, Св-07Х25Н13, Св-06Х25Н12ТЮ, Св-07Х25Н12Г2Т.

Приложение 17
(обязательное)

РЕГЛАМЕНТ ПРОВЕДЕНИЯ В ЗИМНЕЕ ВРЕМЯ ПУСКА (ОСТАНОВКИ) ИЛИ ИСПЫТАНИЯ НА ГЕРМЕТИЧНОСТЬ СОСУДОВ

1. Настоящий регламент распространяется на сосуды химических, нефтеперерабатывающих и нефтехимических заводов, газовых промыслов и газобензиновых заводов, изготовленные в соответствии с требованиями настоящего стандарта и эксплуатируемые под давлением на открытом воздухе или в неотапливаемом помещении.

2. Пуск (остановка) или испытание на герметичность в зимнее время, т. е. повышение (снижение) давления в сосуде при повышении (снижении) температуры стенки, должны осуществляться в соответствии с графиком:

Рис. "График повышения (снижения) давления в сосуде"

где Р_1 - давление пуска, Р_2 - рабочее давление, Т_1 - наинизшая температура воздуха, при которой допускается пуск сосуда под давлением Р_1, Т_2 - минимальная температура, при которой сталь и ее сварные соединения допускаются для работы под давлением в соответствии с требованиями обязательных приложений 2-6 и 11 -14 настоящего стандарта.

3. Величина давления Р_1 принимается согласно табл. 1 прил. 17 в зависимости от рабочего давления Р_2.

Таблица 1 прил. 17

Р_2, МПа (кгс/см2) Менее 0,1 (1) От 0,1 (1) до 0,3 (3) Более 0,3 (3)
Р_1, МПа (кгс/см2) Р_2 0,1(1) 0,35 Р_2

Примечание. При температуре Т_2 ниже или равной Т_1 давление пуска Р_1 принимается равным рабочему давлению Р_2.

Достижение давлений Р_1 и Р_2 рекомендуется осуществлять постепенно по 0,25 Р_1 или 0,25 Р_2 в течение часа с 15-минутными выдержками давлений на ступенях 0,25 Р_1 (0,25 Р_2); 0,5 Р_1 (0,5 Р_2); 0,75 Р_1 (0,75 Р_2).

4. Величины температур Т_1 и Т_2 принимаются по табл. 2 прил. 17 в зависимости от типа сталей.

Скорость подъема (снижения) температуры должна быть не более 30°С в час, если нет других указаний в технической документации.

Таблица 2 прил. 17

Стали типа Т_1,°С Т_2,°С Допускаемая средняя температура наиболее холодной пятидневки в районе установки сосуда
Ст3кп2 -20 +10 -30°С при объеме менее 100 м3
Ст3сп3; Ст3пс3; Ст3сп6; Ст3пс6; 20К-3; 20К-10 0 Не ниже -40°С (п. 2.1.4, табл. 3 настоящего стандарта)
Ст3сп4; Ст3пс4; Ст3Гпс4; Ст3сп5; 20K-5; 20К-11 -40 -20
16ГС-3; 09Г2С-3; 17ГС-3; 17Г1С-3 -40 -30
16ГС-6; 16ГС-17; 09Г2С-6; 09Г2С-17; 17ГС-6; 17ГС-12; 1ТГ1С-6; 17Г1С-12; 20ЮЧ; 08Х22Н6Т; 08X21 Н6М2Т -40
12ХМ; 12МХ; 10Х2ГНМ 0
09F2С-7; 09Г2С-8; 12Х18Н10Т; 10Х17Н13М2Т Согласно обязательным прил. 2-6, 11-14 настоящего стандарта Ниже -40 Не регламентируется

Примечания.

1. Для материалов, не приведенных в табл. 2 прил. 17, температура Т_2 определяется по обязательным приложениям 2-6 и 11-14 настоящего стандарта.

2. В табл. 2 прил. 17 приведены температуры Т_1 и Т_2 для сосудов из сталей 12ХМ и 12МХ со сроком службы не более 100 тыс.час.

Приложение 18
(справочное)

СТАЛЬ ЛИСТОВАЯ МЕХАНИЧЕСКИЕ СВОЙСТВА И ВИДЫ ИСПЫТАНИЙ

(в ред. Изменения N 2)

Марка стали, обозначение стандарта или технических условий Технические требования Состояние материала Толщина S, мм Предел текучести сигма_Т, МПа (кгс/мм2), не менее Временное сопротивление разрыву сигма_в, М Па (кгс/мм2), не менее Относительное удлинение сигма_в , %, не менее Ударная вязкость КСU, Дж/см2 (кгс х м/см2), не менее Изгиб в холодном состоянии на 180° мм (d - диаметр оправки, а - толщина образца) Примечание
при температуре, °С после механического старения
+20 -20 -40 -70
Ст3кп2 ГОСТ 380; ГОСТ 14637 ГОСТ 14637 Горячекатаное До 20 235 (24) 360-460 27              
Св. 20 до 40 225 (23)   26              
Св. 40 до 100 215 (22) (37-47) 24              
Св. 100 195 (20)   24              
Ст3пс2; Ст3сп2 ГОСТ 380; ГОСТ 14637 До 20 245 (25) 370-480 26              
Св. 20 до 40 233 (24)   25              
Св. 40 до 100 225 (23) (38-49) 23              
Св. 100 205(21)   23              
Ст3сп4; Ст3пс4 ГОСТ380; ГОСТ 14637 До 20 245 (25) 370-480 26   39(4) при S= 5-9 мм;          
Св. 20 до 40 235 (24)   25   29(3) при S=10-30 мм          
Св. 40 до 100 225 (23) (38-49) 23              
Св. 100 205 (21)   23              
Ст3Гпс4 ГОСТ 380; ГОСТ 14637 До 20 245 (25) 370-490 26 39(4) при S=5-9 мм;         d= 0,5 а при  
Св. 20 до 40 235(24)   25 29(3) при S=10-30 м м         S<20 мм; d=1,5 a при  
Св. 40 до 100 225 (23) (38-50) 23           S>20 мм  
Св. 100 205 (21)   23              
Ст3пс3; Ст3сп3 ГОСТ 380; ГОСТ 14637 До 20 245 (25) 370-480 20 78(8) при S=5-9 мм;            
Св. 20 до 40 235 (24)   25 69(7) при S=10-25 м м;            
Св. 40 до 100 225 (23) (38-49) 23              
Св. 100 205 (21)   23              
Ст3Гпс3 ГОСТ 380; ГОСТ 14637 ГОСТ 14637 Горячекатаное До 20 245 (25) 370-490 26 49(5) при S=26-40 м            
      Св. 20 до 40 235 (24)   25 м            
      Св. 40 до 100 225 (23) (38-50) 23              
      Св. 100 205(21)   23              
Ст3сп5; Ст3пс5 ГОСТ 380; ГОСТ 14637     До 20 245 (25) 370-480 26   39(4) при S=5-9 мм;     39(4) при 5-5-9 мм; d=0,5 а при  
      Св. 20 до 40 235 (24)   26   29(3) при S=10-25 мм     29(3) при 5-10-25 м м S<=20 мм  
      Св. 40 до 100 225 (23) (38-49) 23              
      Св. 100 205 (21)   23              
Ст3Гпс3 ГОСТ 380; ГОСТ 14637     До 20 245 (25) 370-490 26   39(4) при S=5-9 мм;     39(4) при S=5-9 мм; d=1,5 а при  
      Св. 20 до 40 235 (24)   25   (2)(3) при S=10-30 мм     29(3) при S=10-30 м м S>20 мм  
      Св. 40 до 100 225 (23) (38-50) 23              
      Св. 100 205 (21)   23              
Ст4сп3 ГОСТ 380; ГОСТ 14637-89 Горячекатаное До 20 265 (27) 410-530 24 69(7) при S=5-9 мм;            
ГОСТ 14637     Св. 20 до 40 255 (26)   23 59(6) при S=10-25 м м: 39(4)            
      Св. 40 до 100 245 (25) (42-54) 21 при S=26-40 м м            
      Св. 100 235 (24)   21              
08кп ГОСТ 1050 В. Г., группа Холоднокатаное 0,5-1,5   255-363 26              
  III по ГОСТ 9045 термически обработанное 1,5-2,0     28              
      2,0-3,0   (26-37) 30              
20ЮЧ ТУ 14-1-4853 ТУ 14-1-4853 Горячекатаное 10-160 235 (24) 410 (42) 23     49(5)   29(3) d=1,5a при S<30 мм; d=2a при S>30 мм  
Ст3пс ГОСТ 380 Группа 1 по ТУ 14-1-3023   До 10   360 (37) 24              
    Св. 10 до 20 235 (24) 350 (36) 23              
  Группа 2 по ТУ 14-1-3023   До 10 275 (28) 370 (38) 24              
    Св. 10 до 20 265 (27) 380 (36) 23              
Ст3сп; Ст3Гпс ГОСТ 380 Группа 1 по ТУ   До 10 245 (25) 370 (38) 24              
14-1-3023 гр. 1   Св. 10 до 20 235 (24) 360 (37) 23              
Группа 1   До 10 275 (28) 385 (39) 24              
по ТУ 14-1-3023   Св. 10 до 20 265 (27) 370 (38) 23              
16Г2СФ ГОСТ 19281 ГОСТ 19281 Горячекатаное или термически обработанное До 10 390 (40) 510 (52) 19     44(4,5) 34(3,5) 29(3) d=2а  
    Св. 10 до 40           39(4) 29(3)      
15Г2СФ ТУ 14-1-4502 ТУ 14-1-4502 Термически обработанное 34-501 392 (40) 548 (55) 18 69(6)   34(3,6) 29(3) при -60 С      
10Х2ГНМА-А; ТУ 108.11. 928 ТУ 108.11. 928 Термически обработанное 20-50 461 (47) 608 (62)   98(10)   39(4) 39(4)   d=2a  
        78(8)     29(3)   d=2,5a  
                  d=3a  
51-80 441 (45) 568 (58) 18              
    81-100 412 (42) 140 (56)                
    111-240 353 (36) 490 (50)                
10Х2ГНМ ТУ 14-1-5117 ТУ 14-1-5117 Нормализация + отпуск 10-20 630(54) 640(65)   98(10)   39(4)     d=2a  
21-50 460 (47) 590 (60)   98(10)   39(4) 39(4)   d=2a  
51-80 430 (44) 570 (58) 18 78(8)   39(4)     d=2,5а  
    81-110 410 (42) 550 (56)   78(8)   39(4)     d=3а  
    111-200 335 (34) 490 (50)   78(8)   39(4) 29(3)   d=3a  
10Х2ГНМ ТУ 14-1-5117 ТУ 14-1-5117 Закалка + отпуск 10-20 590 (60) 740 (75)   98(10)   39(4) 78(8)   d=2a  
    21-50 540(55) 685 (70)   93(10)     78(8)   d=2a  
    51-80 510 (52) 645(66) 18 78(8)     39(4)   d=2,5a  
    81-110 490 (60) 630(64)   78(8)     39(4)   d=3a  
    111-200 440 (45) 570 (58)   78(8)     29(3)   d=3a  
16ГМЮЧ ТУ 14-1-4826 18К-3 ГОСТ 5520 ТУ 14-1-4826 Термически обработанное   275 (28) 460 (46) 20 59(6)   29(3) при -50°С        
До 20 275 (28)                  
От 21 до 40 265 (27)     59(6)            
От 41 до 60 255 (26) 431-519                
18K-5 ГОСТ 5520 Нормализованное До 20 275 (28)                  
  От 21 до 40 265 (27) (44-53)     29(3)          
  От 41 до 60 255 (26)   20           d=2,5a  
18К-11 ГОСТ 5520 ГОСТ 5520 До 20 275 (28)                  
  От 21 до 40 265 (27)       29(3)     29(3)    
  От 41 до 60 255 (26)                  
20К-3 ГОСТ 5520 ГОСТ 5520 Без нормализации До 20 245 (25)   25 59(6)            
  От 21 до 40 235 (24)   24 54(5,5)            
    От 40 до 60 225 (23) 402-509 23 43(5)            
20К-5 ГОСТ 5520 Без нормализации До 20 245 (25) (41-52) 25           d=1,5а при  
  От 21 до 40 235 (24)   24   29(3)       S<=30 мм  
  От 41 до 60 225 (23)   23              
20К-11 ГОСТ 5520 До 20 245 (26)   25         29(3) d=2,5а при  
От 21 до 40 235 (24)   24   29(3)     24(2.5) S>30 мм  
  От 41 до 60 225 (23)   23         24(2,5)    
20К ТУ 14-1-3922, ТУ 14-1-4088 ТУ 14-1-3922 Горячекатаное 60-160 205 (21) 392 (40) 20 49(5)       29(3) d=2a  
ТУ 14-1-4088 4-20 246 (25) 410-520 25   29(3)          
21-40 230(23.5)   24              
41-60 225 (23) (41-52) 23              
22К ГОСТ 5520, ТУ 108.11.543 ГОСТ 5520 При толщине до 35 мм термически обработанное или без термической обработки ; при толщине более 35 мм - без термической обработки До 60 265(27) 431-590 22 58(6)       29(3) d=2а при S<=70 мм  
  Св.60 255 (26) (44-60)                
16К-3 ГОСТ 5520 Нормализованное До 20 255 (26)     69(7)            
    21-40 245 (25)                  
    41-60 235 (24)                  
16K-5 ГОСТ 5520   До 20 255 (26) 402-490 22   29(3)          
    21-40 245 (25) (41-50)                
    41-60 235 (24)               d=2а  
16К-11 ГОСТ 8520 Нормализованное До 20 255 (26)       29(3)     34(3,5)    
    21-40 245 (25)                  
    41-60 235 (24)                  
16ГС-3 ГОСТ 6520 ГОСТ 5520 Горячекатаное или термически обработанное До 5 325 (33) 490 (50)                
    5-9 325 (33) 490 (50)   59(6)            
    10-20 315 (32) 480 (49)                
      21-32 295(30) 470 (48) 21              
      33-60 285 (29) 460 (47)                
      61-100 275 (28) 450 (46)                
16ГС-6 ГОСТ 5520     До 5 325 (33) 490(50)                
      5-9 325 (33) 490(50)       39(4)        
      10-20 315 (32) 480 (49) 21     29(3)        
      21-32 295(30) 470 (48)       29(3)        
      33-60 285(29) 460 (47)       29(3)        
      61-100 275 (28) 450 (46)       29(3)        
Марка стали, обозначение стандарта или технических условий Технические требования Состояние материала Толщина S, мм Предел текучести сигма_Т, МПа (кгс/мм2), не менее Временное сопротивление разрыву сигма_в, М Па (кгс/мм2), не менее Относительное удлинение сигма_в , %, не менее Ударная вязкость КСU, Дж/см2 (кгс х м/см2), не менее Изгиб в холодном состоянии на 180° мм (d - диаметр оправки, а - толщина образца) Примечание
при температуре, °С после механического старения
+20 -20 -40 -70
16ГС-17 ГОСТ 5520   Термически обработанное До 5 325(33) 490 (55)               Предел текучести
    5-9 325(33) 490(60)       39(4)       не менее: 230 МПа
      10-20 315 (32) 480 (49) 21     29(3)     d=2а при 250° С.
      21-32 295(30) 470 (48)       29(3)       200 МП а при 800°
      33-60 285(29) 460 (47)       29(3)       С. 180 МПа
      61-100 275 (28) 450 (46)       29(3)       при 360° С. 160 МПа при 400° С
09Г2С-3 ГОСТ 5520 ГОСТ 5520 Горячекатаное или термически обработанное До 5 345 (35) 490 (50)                
    5-9 345 (35) 490(60)   64(6,5)            
    10-20 325 (33) 470 (48)   59(6)            
    21-32 305(31) 460 (47) 21 59(6)            
      33-60 285 (29) 450 (46)   59(6)            
      61-80 275 (28) 440 (46)   59(6)            
      81-160 265 (27) 430 (44)   59(6)            
09Г2С-6 ГОСТ 5520   Горячекатаное или термически обработанное До 5 345 (35) 490 (50)                
    5-9 345 (35) 490 (60)       39(4)        
    10-20 32Б (33) 470 (48)       34(3,5)        
      21-32 305(31) 460 (47) 21     34(3,5)        
      33-60 285(29) 450 (46)       34(3,5)        
      61-80 275 (28) 440 (45)       34(3,5)        
      81 - 160 265(27) 430 (44)       34(3,5)        
09Г2С-7, 8, 9 ГОСТ 6520     До 5 345 (35) 490 (50)               Значения ударной вязкости для стали марки 09Г2С-7 при -50° С и стали марки 09Г2С-8 при -60° С не ниже значений при -70° С
      5- 9 345 (35) 490 (60)         34(3,5)    
      10-20 325 (33) 470 (48) 21       29(3)    
      21-32 305 (31) 460 (47)         29(3)    
      33-60 285(29) 450 (46)         29(3)    
      61-80 275 (28) 440 (45)         29(3)    
      81-160 265 (27) 430 (44)         29(3)    
09Г2С-17 ГОСТ 5520     До 5 345 (35) 490(50)               Предел текучести не менее: 230 МПа при 250° С. 200 МПа при 300° С, 180 (МПа при 350° С. 160 МПа при 400° С
      5-9 345 (35) 490 (60)       39(4)      
      10-20 325 (33) 470 (48) 21     34(3,5)      
      21-32 305(81) 460(47)       34(3.5)   29(3)  
      33-60 285 (29) 450 (46)       34(3.5)      
      61-80 275 (28) 440 (45)       34(3.6)      
      81-160 265 (27) 430 (44)       34(3,5)      
09Г2С ТУ 14-1-3832 ТУ 14-1-3832 Термообработанное 12-20 325 (33) 470 (48)                
    21-32 305 (31) 460 (47)         39(4)      
      33-60 285 (29) 450 (46)                
      61-80 275 (28) 440 (45)   78(8)   59(6)   39(4)    
      81- 20 265 (27) 430(44) 21              
16ГС ТУ 14-1-3832 ТУ 14-1-3832 Термообработанное 12-20 315 (32) 480 (49)                
    21-32 295 (30) 470 (48)                
      33-60 286 (29) 460 (47)                
      61-120 275 (28) 450 (46)                
10Г2С1-3 ГОСТ 6520 ГОСТ 5520 Горячекатаное До 5 355 (36) 490 (50)                
      5-9 345 (35) 490 (50)   64(6,5)            
      10-20 335 (34) 480 (49)   59(6)            
      21-32 325 (33) 470 (48) 21 59(6)            
      33-60 325 (33) 450 (46)   59(6)            
      61-80 2Р5 (30) 430 (44)   59(6)            
      81-100 295 (30) 430 (44)   59(6)            
10Г2С1-7, 8, 9 ГОСТ 5520     До 5 355 (36) 490 (50)               Значение ударной вязкости для стали марке 10Г2С1-7 при -50° С и стали парки 10Г2С1-8 при -60° С не ниже значений при -70° С
5-9 345 (35) 490 (50)         29(3)    
10-20 335 (34) 480 (49) 21       24(2,5)    
21-32 325 (33) 470 (48)         24(2,5)    
33-60 325 (33) 450 (46)         24(2,6)    
61-80 295 (30) 430 (44)         24(2,5)    
81-100 295 (30) 430 (44)         24(2,5)    
10Г2С1-17 ГОСТ 5520     До 5 355 (36) 490 (50)               Предел текучести
      5-9 345 (35) 490(50)       39(4)       не менее 260 МПа
      10-20 335 (34) 480 (49)       29(3)       при 250° С
      21-32 325 (33) 470 (48) 21     29(3)   29(3)   230 МПа при 100°
      33-60 325 (33) 450 (46)       29(3)       С, 210 МПа
      61-80 295 (30) 430(44)       29(3)       при 360° С,
      81-100 295(30) 430(44)       29(3)       180 МПа при 400°С
17ГС ГОСТ 5520 ГОСТ 5520 Термически обработанное До 5 345 (35) 510 (51) 23         29(3)    
    5-9 345 (35) 510 (52)       44(4,5)        
      10-20 335 (34) 490 (50)       34(3,5)        
17Г1С ГОСТ 5520     До 5 355 (36)   23         29(3)    
      5-9 355 (36) 510 (52)       44(4,5)        
      10-20 345 (35)         39(4)        
14Г2 ГОСТ 19281 ГОСТ 19281 Термически обработанное или горячекатаное До 5       59(6)   39(4)   29(3)    
    5-9           39(4) 29(3)      
    10-20 325 (33) 450 (46) 21     34(3,5)        
      21-32           29(3) 24(2,5)      
      33-60           29(3)        
12МХ ГОСТ 20072 ТУ 14-1-5093 Термически обработанное 4-60 235 (24) 440 (45) 24 59(6)         d=2a  
12XМ ТУ 14-1-5093 22
12ХМ-3 ГОСТ 5520 ГОСТ 5520   4-50 245 (25) 440-560 (44-56) 22 50(6)         d=2а  
      51-100 235 (24) 430 (44) 20 43(5)         d=2,5a  
      101-160 225 (23) 420 (43) 18 39(4)         d=3a  
12ХМ ТУ 14-1-2304 ТУ 14-1-2304   10-50 245 (25) 440 (45) 22 59(6)         d=2a  
      51-100 235 (24) 430 (44) 20 49(5)         d=2a  
      101-160 225 (23) 420 (43) 18 39(4)         d=3a  
12ХМ ТУ 302.02. 031; ГОСТ 5520 ТУ 302.02.03 1 Термически обработанное 20-50 245 (25) 440 (45) 22 34(3,5)         d=2a для термичес  
51-100 235 (24) 430 (44) 20 34(3,5)         ки обработа  
      101-160 225 (23) 420 (43) 18 34(3,5)         нных листов  
15X5М ГОСТ 20072 Группа М2б по ГОСТ 7350 Термически обработанное 50 236 (24) 470 (48) 18              
10Х2М1А-ВД-Ш ТУ 302.02.121 ТУ 302.02.12 1   30-150 310(31,5) 490 (50) 18 49(5)   29(3)     d=2a, на изгиб в холодном состоянии угол 90°  
10Х2М1А-А ТУ 302.02.128 ТУ 302.02.12 8   20-80 390(39,7) 490 (50) 18 64(6,5)   49(5)        
09Х2НАБЧ ТУ 14-1-3333 ТУ 14-1-3333 Нормализованное 7-100 314 (32) 490 (60) 22     49(5) 34(3,5) при -60°С 29(3) d=2а при S>30 мм  
15Х2МФА-А ТУ 302.02.014 ТУ 302.02.01 4 Термически обработанное 30-160 390 (40) 490-735 (50-75) 14 49(5)           Т_к0<=0°С
12Х2МФА ТУ 108.131 ТУ 108.131   60-300 431 (44) 539-735 (55-75)                
14Г2 ГОСТ 19281 ГОСТ 19281 Горячекатаное или термически обработанное До 5 325 (33) 450(46) 2 59(6)   39(4) 29(3) 29(3) d=2а  
    6-10           39(4) 29(3)      
    11-20           34(3,5) 29(3)      
      21-32           29(3) 24(2,5)      
      33-60           29(3) 24(2,5)      
10ХСНД ГОСТ 19281 ГОСТ 19281 Горячекатаное или термически обработанное До 5 390 (40) 510 (51) 19     44(4,5) 34(3.5)   d=2a  
    5-10           44(4,5) 34(3,5)      
10ХСНД ГОСТ 19281 ГОСТ 19281 Горячекатаное или термически обработанное 10-15 390 (40) 510 (51) 19     39(4) 29(3) 29    
    15-32           39(4) 29(3)      
    32-40           39(4) 29(3)      
15ХСНД ГОСТ 19281     До 5 345 (35) 490 (50) 21 64(6,5)   39(4) 29(3) 29 d=2a  
      6-10           34(4) 29(3)      
      11-20           29(3) 29(3)      
      21-32           29(3) 29(3)      
09Г2ФБ, 10Г2ФБ ТУ 14-1-4083 ТУ 14-1-4083 Контролируемая прокатка 4-9 450 (46) 550 (56) 22       59(6) при -60°С      
      10-28 430 (44) 520 (53) 17       39(4) при -60°С     Ударная вязкость КСV 59 Дж/см2 (6 кгс х м/см2) при -15° С
09Г2БТ, 10Г2БТ ТУ 14-1-4083     10-28 430 (44) 520(53) 17       39(4)     Ударная вязкость КСV 59 Дж/см2 (6 кгс х м/см2) при - 15° С
07ГФБ-У ТУ 14-1-4083     10-28 340 (35) 470 (48) 16             Ударная вязкость ЉСV 59 Дж/см3 (6 кгс х м/см2) при -15° С
Марка стали, обозначение стандарта или технических условий Технические требования Состояние материала Толщина S, мм Предел текучести сигма_Т, МПа (кгс/мм2), не менее Временное сопротивление разрыву сигма_в, М Па (кгс/мм2), не менее Относительное удлинение сигма_в , %, не менее Ударная вязкость КСU, Дж/см2 (кгс х м/см2), не менее Изгиб в холодном состоянии на 180° мм (d - диаметр оправки, а - толщина образца) Примечание
при температуре, °С после механического старения
+20 -20 -40 -70
16ГС-17 ГОСТ 5520   Термически обработанное До 5 325(33) 490 (55)               Предел текучести
    5-9 325(33) 490(60)       39(4)       не менее: 230 МПа
      10-20 315 (32) 480 (49) 21     29(3)     d=2а при 250° С.
      21-32 295(30) 470 (48)       29(3)       200 МП а при 800°
      33-60 285(29) 460 (47)       29(3)       С. 180 МПа
      61-100 275 (28) 450 (46)       29(3)       при 360° С. 160 МПа при 400° С
09Г2С-3 ГОСТ 5520 ГОСТ 5520 Горячекатаное или термически обработанное До 5 345 (35) 490 (50)                
    5-9 345 (35) 490(60)   64(6,5)            
    10-20 325 (33) 470 (48)   59(6)            
    21-32 305(31) 460 (47) 21 59(6)            
      33-60 285 (29) 450 (46)   59(6)            
      61-80 275 (28) 440 (46)   59(6)            
      81-160 265 (27) 430 (44)   59(6)            
09Г2С-6 ГОСТ 5520   Горячекатаное или термически обработанное До 5 345 (35) 490 (50)                
    5-9 345 (35) 490 (60)       39(4)        
    10-20 32Б (33) 470 (48)       34(3,5)        
      21-32 305(31) 460 (47) 21     34(3,5)        
      33-60 285(29) 450 (46)       34(3,5)        
      61-80 275 (28) 440 (45)       34(3,5)        
      81 - 160 265(27) 430 (44)       34(3,5)        
09Г2С-7, 8, 9 ГОСТ 6520     До 5 345 (35) 490 (50)         _     Значения ударной вязкости для стали марки 09Г2С-7 при -50° С и стали марки 09Г2С-8 при -60° С не ниже значений при -70° С
      5- 9 345 (35) 490 (60)         34(3,5)    
      10-20 325 (33) 470 (48) 21       29(3)    
      21-32 305 (31) 460 (47)         29(3)    
      33-60 285(29) 450 (46)         29(3)    
      61-80 275 (28) 440 (45)         29(3)    
      81-160 265 (27) 430 (44)         29(3)    
09Г2С-17 ГОСТ 5520     До 5 345 (35) 490(50)               Предел текучести не менее: 230 МПа при 250° С. 200 МПа при 300° С, 180 (МПа при 350° С. 160 МПа при 400° С
      5-9 345 (35) 490 (60)       39(4)      
      10-20 325 (33) 470 (48) 21     34(3,5)      
      21-32 305(81) 460(47)       34(3.5)   29(3)  
      33-60 285 (29) 450 (46)       34(3.5)      
      61-80 275 (28) 440 (45)       34(3.6)      
      81-160 265 (27) 430 (44)       34(3,5)      
09Г2С ТУ 14-1-3832 ТУ 14-1-3832 Термообработанное 12-20 325 (33) 470 (48)                
    21-32 305 (31) 460 (47)         39(4)      
      33-60 285 (29) 450 (46)                
      61-80 275 (28) 440 (45)   78(8)   59(6)   39(4)    
      81- 20 265 (27) 430(44) 21              
16ГС ТУ 14-1-3832 ТУ 14-1-3832 Термообработанное 12-20 315 (32) 480 (49)                
21-32 295 (30) 470 (48)                
      33-60 286 (29) 460 (47)                
      61-120 275 (28) 450 (46)                
10Г2С1-3 ГОСТ 6520 ГОСТ 5520 Горячекатаное До 5 355 (36) 490 (50)                
    5-9 345 (35) 490 (50)   64(6,5)            
      10-20 335 (34) 480 (49)   59(6)            
      21-32 325 (33) 470 (48) 21 59(6)            
      33-60 325 (33) 450 (46)   59(6)            
      61-80 2Р5 (30) 430 (44)   59(6)            
      81-100 295 (30) 430 (44)   59(6)            
10Г2С1-7, 8, 9 ГОСТ 5520     До 5 355 (36) 490 (50)               Значение ударной вязкости для стали марке 10Г2С1-7 при -50° С и стали парки 10Г2С1-8 при -60° С не ниже значений при -70° С
    5-9 345 (35) 490 (50)         29(3)    
      10-20 335 (34) 480 (49) 21       24(2,5)    
      21-32 325 (33) 470 (48)         24(2,5)    
      33-60 325 (33) 450 (46)         24(2,6)    
      61-80 295 (30) 430 (44)         24(2,5)    
      81-100 295 (30) 430 (44)         24(2,5)    
10Г2С1-17 ГОСТ 5520     До 5 355 (36) 490 (50)               Предел текучести не менее 260 МПа при 250° С 230 МПа при 100° С, 210 МПа при 360° С, 180 МПа при 400°С
      5-9 345 (35) 490(50)       39(4)      
      10-20 335 (34) 480 (49)       29(3)      
      21-32 325 (33) 470 (48) 21     29(3)   29(3)  
      33-60 325 (33) 450 (46)       29(3)      
      61-80 295 (30) 430(44)       29(3)      
      81-100 295(30) 430(44)       29(3)      
17ГС ГОСТ 5520 ГОСТ 5520 Термически обработанное До 5 345 (35) 510 (51) 23         29(3)    
  5-9 345 (35) 510 (52)       44(4,5)        
  10-20 335 (34) 490 (50)       34(3,5)        
17Г1С ГОСТ 5520 До 5 355 (36)   23         29(3)    
  5-9 355 (36) 510 (52)       44(4,5)        
  10-20 345 (35)         39(4)        
14Г2 ГОСТ 19281 ГОСТ 19281 Термически обработанное или горячекатаное До 5       59(6)   39(4)   29(3)    
    5-9           39(4) 29(3)      
    10-20 325 (33) 450 (46) 21     34(3,5)        
      21-32           29(3) 24(2,5)      
      33-60           29(3)        
12МХ ГОСТ 20072 ТУ 14-1-5093 Термически обработанное 4-60 235 (24) 440 (45) 24 59(6)         d=2a  
12XМ ТУ 14-1-5093         22              
12ХМ-3 ГОСТ 5520 ГОСТ 5520   4-50 245 (25) 440-560 (44-56) 22 50(6)         d=2а  
      51-100 235 (24) 430 (44) 20 43(5)         d=2,5a  
      101-160 225 (23) 420 (43) 18 39(4)         d=3a  
12ХМ ТУ 14-1-2304 ТУ 14-1-2304   10-50 245 (25) 440 (45) 22 59(6)         d=2a  
      51-100 235 (24) 430 (44) 20 49(5)         d=2a  
      101-160 225 (23) 420 (43) 18 39(4)         d=3a  
12ХМ ТУ 302.02. 031; ГОСТ 5520 ТУ 302.02.03 Термически обработанное 20-50 245 (25) 440 (45) 22 34(3,5)         d=2a для термичес  
1 51-100 235 (24) 430 (44) 20 34(3,5)         ки обработа  
    101-160 225 (23) 420 (43) 18 34(3,5)         нных листов  
15X5М ГОСТ 20072 Группа М2б по ГОСТ 7350 Термически обработанное 50 236 (24) 470 (48) 18              
10Х2М1А-ВД-Ш ТУ 302.02.121 ТУ 302.02.12 1   30-150 310(31,5) 490 (50) 18 49(5)   29(3)     d=2a, на изгиб в холодном состоянии угол 90°  
10Х2М1А-А ТУ 302.02.128 ТУ 302.02.12 8   20-80 390(39,7) 490 (50) 18 64(6,5)   49(5)        
09Х2НАБЧ ТУ 14-1-3333 ТУ 14-1-3333 Нормализованное 7-100 314 (32) 490 (60) 22     49(5) 34(3,5) при -60°С 29(3) d=2а при S>30 мм  
15Х2МФА-А ТУ 302.02.014 ТУ 302.02.01 4 Термически обработанное 30-160 390 (40) 490-735 (50-75) 14 49(5)           Т_к0<=0°С
12Х2МФА ТУ 108.131 ТУ 108.131   60-300 431 (44) 539-735 (55-75)                
14Г2 ГОСТ 19281 ГОСТ 19281 Горячекатаное или термически обработанное До 5 325 (33) 450(46) 2 59(6)   39(4) 29(3) 29(3) d=2а  
    6-10           39(4) 29(3)      
    11-20           34(3,5) 29(3)      
      21-32           29(3) 24(2,5)      
      33-60           29(3) 24(2,5)      
10ХСНД ГОСТ 19281 ГОСТ 19281 Горячекатаное или термически обработанное До 5 390 (40) 510 (51) 19     44(4,5) 34(3.5)   d=2a  
  5-10           44(4,5) 34(3,5)      
10ХСНД ГОСТ 19281 ГОСТ 19281 Горячекатаное или термически обработанное 10-15 390 (40) 510 (51) 19     39(4) 29(3) 29    
  15-32           39(4) 29(3)      
    32-40           39(4) 29(3)      
15ХСНД ГОСТ 19281     До 5 345 (35) 490 (50) 21 64(6,5)   39(4) 29(3) 29 d=2a  
    6-10           34(4) 29(3)      
      11-20           29(3) 29(3)      
      21-32           29(3) 29(3)      
09Г2ФБ, 10Г2ФБ ТУ 14-1-4083 ТУ 14-1-4083 Контролируемая прокатка 4-9 450 (46) 550 (56) 22       59(6) при -60°С      
      10-28 430 (44) 520 (53) 17       39(4) при -60°С     Ударная вязкость КСV 59 Дж/см2 (6 кгс х м/см2) при -15° С
09Г2БТ, 10Г2БТ ТУ 14-1-4083     10-28 430 (44) 520(53) 17       39(4)     Ударная вязкость КСV 59 Дж/см2 (6 кгс х м/см2) при - 15° С
07ГФБ-У ТУ 14-1-4083     10-28 340 (35) 470 (48) 16             Ударная вязкость ЉСV 59 Дж/см3 (6 кгс х м/см2) при -15° С
Марка стали, обозначение стандарта или технических условий Технические требования Состояние материала Толщина S, мм Предел текучести сигма_Т, МПа (кгс/мм2), не менее Временное сопротивление разрыву сигма_в, М Па (кгс/мм2), не менее Относительное удлинение сигма_в , %, не менее Ударная вязкость КСU, Дж/см2 (кгс х м/см2), не менее Изгиб в холодном состоянии на 180° мм (d - диаметр оправки, а - толщина образца) Примечание
при температуре, °С после механического старения
+20 -20 -40 -70
Д-40 ГОСТ 5521 ГОСТ 5521 Термически обработанное или без термической обработки 5-7 7,5-9,5 10-32 390 (40) 530-690 (54-70) 19             Работа удара KV при температурах 0, -20, -40° С 25 Дж (2,5 кгс х м) для S=5-7 мм, 30 Дж (3,1 кгс x м) для S=7,5-9,5 мм, 36 Дж (3,7 кгс x м) для S = 10 и более мм
Е-40 ГОСТ 5521 ГОСТ 5521 Термически обработанное или без термической обработки 10-32 390(40) 530-690 (64-70) 19             Работа удара KV при температурах 0, -20, -40° С 25 Дж (2,5 кгс х м) для S = 5-7 мм, 30 Дж (3,1 кгс x м) для S = 7,5-9,5 м м, 36 Дж (3,7 кгс x м) для S = 10 и более мм
А ГОСТ 5521     4-60 235 (24) 400-490 (41-50) 22              
В ГОСТ 5521     5-7 7,5-9,5 10-40                   Ударная вязкость КСU при +20° С 19 Дж/см2 (1,9 кгс х м/см2) при S=5-7 мм; 24 Дж/см2 (2,4 кгс х м/см2) для S = 7,5,5 мм: 27 Дж/см2 (2,8 кгс х м/см2) при S=10-40 м м
Е-32 ГОСТ 5521     5-7 7,5-9,5 10-40 315 (32) 470-690 (48-60) 22             Работа удара KV при температурах 0, -20, -40° С 22 Дж (2,2 кгс x м) для S=5-7 мм, 26 Дж (2,7 кгс x м) для S=7,5-9,5 мм. 31 Дж (3,2 кгс x м) для S=10 мм и более
Д-32 ГОСТ 5521   Термически или без термической обработки 5-7 7,5-9,5 10-40 315(32) 470-590 (48-60) 22             Работа удара KV при температурах 0, -20, - 40°С 22 Дж (2,2 кгс x м) для S=5-7мм, 26 Дж (2,7 кгс x м) для S=7,5-9,5 мм, 31 Дж (3,2 кгс x м) для S=10 мм и более
10Х14Г-14Н4Т ГОСТ 5632 Группа М26 по ГОСТ 7350 Термически обработанное 6-50 245 (25) 590 (60) 40              
08Х22Н6Т ГОСТ 7350   4-25 345(35) 440 (45) 18 59(6)            
ГОСТ 5632       345 (35) 590 (60) 13              
02Х8Н22С6 ТУ 14-1-5076; ТУ 14-1-5076 Термически обработанное 1,5-3,9 195 (20) 540 (55) 40              
ТУ 14-1-5075 ТУ 14-1-5075 4-11                    
08X18Н10Т ГОСТ 5632 ГОСТ 5582   1,5-3,9   509(52) 45              
12Х18Н9Т ГОСТ 5632 Группа М2б по ГОСТ 7350   4-50 220 (22) 530 (54) 43              
12Х18Н10Т ГОСТ 5632 Группа 1 по ТУ 14-1-394   4-50 216 (22)   38              
12X18Н10Т ГОСТ 5632 ГОСТ 5582   0,7-3,9 205(21) 530(54) 40              
12Х18Н10Т ТУ 108-1151, ТУ ТУ 108.1151   40-160 236(24) 530(64) 38              
14-1-2542, ТУ 108-930 ТУ 14-1-2542   4-120                    
  ТУ 108-930   51-160 196 (20) 490 (50) 35-38              
08X13 ГОСТ 5632 ГОСТ 6582   1,5-3,9   40 21              
20X13 ГОСТ 5632 Группа М2б по Термически обработанное 4-50 372 (38) 509 (52) 20              
08X17Т ГОСТ Б632 ГОСТ 7350 4-50   431 (44) 18              
15Х25Т ГОСТ 5632 Группа М2б по ГОСТ 7360 Термически обработанное 4-50   440 (45) 14 20(2)            
ХН32Т ТУ 14-1-625 ТУ 14-1-625 Термически обработанное и травленое 5-20 176 (18) 490 (50) 30              
12X13 ГОСТ 5632 Группа М2б по Термически обработанное 4-50 335 (34)   21              
08Х18Н12Б ГОСТ 5632 ГОСТ 7350 4-50 206 (21) 509 (52) 40              
10Х17Н13-М2Т ГОСТ 5632   4-50 236 (24) 530 (54) 37              
08Х17Н13-М2Т ГОСТ 5632 ТУ 14-1-394 50-75 196 (20) 509 (52) 40              
10X17H13-М3Т ГОСТ 5632   Термически обработанное 4-50 236 (24) 530 (54) 37              
08X17H15-М3Т ГОСТ 5632 Группа М2б по 4-50 196 (20) 509 (52) 40              
03ХН28-МДТ ГОСТ 5632 ГОСТ 7350 4-50 220 (22) 550 (55) 35              
03Х17Н14М3 ТУ 14-1-5071; ТУ 14-1-5071 8-20                   альфа-фаза - 0,5 балла
ТУ 14-1-5056; ТУ 14-1-5073; ТУ 14-1-5056 0,8-3,9                    
ТУ 14-1-5054 ТУ 14-1-5073 20-50 196 (20) 490 (50) 40              
  ТУ 14-1-5054 5-20                    
15Х18Н12-С4ТЮ ГОСТ 5632 ГОСТ 7350 Термически обработанное 5-25 340 (35) 688-931 (70-95) 30             альфа-фаза - 0,5 балла
  ГОСТ 7350   5-25 340 (35) 688-931 (70-95) 30              
08X21H6-М2Т ГОСТ 5632 ГОСТ 7350 Термически обработанное 4-50 360 (40) 688 (70) 14 69(6)           При S>25 ми механические свойства не нормируются, но проверяются
03Х19АГЗ-Н10 ТУ 14-1-2261 ТУ 14-1-2261   6-20   637 (65) 45              
03Х21Н21-М4ГБ ГОСТ 5632 ГОСТ 7350   10-20 294 (30) 588 (00) 30              
08Х18Г8Н2Т ГОСТ 5632     5-20 313 (65) 588 (60) 20 59(6)            
07Х13АГ20 ТУ 14-1-3342   5-20 343 (35) 657 (67) 40             Ударная вязкость КСU
ТУ 14-1-3342                         98 Дж/см2 (10 кгс х м/см2) при -196° С
08X18H10Т ГОСТ 5632 Группа М2б по ГОСТ 7350   4-50 206(21) 509 (52) 43              
  Группа А по ТУ 14-1-394   50-75                    
08X18H10Т ГОСТ 5582 ГОСТ 5582   0,7-3,9   510(52) 45              
08X18Н10Т ТУ 14-1-3199; ТУ 14-1-3199   0,5-3,0 270 (27,5) 519 (53) 40              
ТУ 14-1-4780;                          
ТУ 14-1-2542; ТУ 108-930; ТУ 14-1-4780   0,5; 3,0; 3,8-4,2   500 (51) 40              
ТУ 108-1151 ТУ 14-1-2542   4-12 206 (21) 509 (52) 43              
  ТУ 108-930   50-160 196 (20) 490 (50) 35-38              
  ТУ 108-1151   40-160 206 (21) 509 (52) 43              
03Х18Н11 ТУ 14-1-3071; ТУ 14-1-5073 ТУ 14-1-3071   6-20 196 (20) 609 (52) 45              
  ТУ 14-1-5073   20-50 192(19,6) 480 (49) 40              
02X18H11 ТУ 14-1-5142 ТУ 14-1-5142   6-20 196 (20) 509 (52) 45              
07Х16Н6 ТУ 14-1-2375, ТУ 14-1-2375 Термически обработанное 1-4 850 (85) 1100 (110) 12              
ТУ 14-1-763 ТУ 14-1-763 6-20 850 (85) 1100 (110) 10              

Приложение 19
(справочное)

СТАЛЬ ЛИСТОВАЯ ДВУХСЛОЙНАЯ. МЕХАНИЧЕСКИЕ СВОЙСТВА И ВИДЫ ИСПЫТАНИЙ

Марка стали, обозначение стандарта или технических условий Обозначение стандарта на марку стали Состояние материала Толщина S, мм Предел текучести, сигма_Т, МП а (кгс/мм2), не менее Временное сопротивление разрыву сигма_в МПа (кгс/мм2) не менее Относительное удлинение, дельта_5% не менее Ударная вязкость КСU, Дж/см2 (кгс х м/см2), не менее Изгиб в холодном состоянии на 180°, мм (d - диаметр оправки, а-толщина образца)
основного слоя коррозионностойкого слоя при 20°С после механического старения при нижнем пределе применения
Ст3пс3Н+08X13, Ст3пс3+12Х18Н10Т, Ст3пс3+08Х18Н10Т, Ст3пс3+10Х17Н13М2Т, Ст3пс3+08Х17Н15М3Т, Ст3пс3+06ХН28МДТ, Ст3сп4+08Х13, Ст3сп4+10Х17Н13М3Т, Ст3сп4+10Х17Н13М2Т, Ст3сп4+08Х17Н15М3Т, Ст3сп4+06ХН28МДТ, Ст3сп5+12Х18Н10Т, Ст3сп5+10Х17Н13М3Т ГОСТ 10885 ГОСТ ГОСТ Термически 4-120 По ГОСТ 14637 для стали Ст3сп (см. приложение 18 настоящего стандарта)
14637 5632 обработанное                
Ст3сп5+10Х17Н13М2Т, Ст3сп5+08Х17Н15М3Т, Ст3сп5+08Х18Н10Т, Ст3сп5+06ХН28МДТ, Ст3сп6+12Х18Н10Т, Ст3сп6+08Х18Н10Т, Ст3сп6+10Х17Н13М3Т, Ст3сп6+10Х17Н13М2Т, Ст3сп6+08Х17Н15М3Т, Ст3сп6+06ХН28МДТ, ГОСТ 10885 ГОСТ 14637 ГОСТ 5632 Термически обработанное 4-120 По ГОСТ 14637 для стали Ст3сп (см. приложение 18 настоящего стандарта)
             
20К-3+08Х13, 20К-3+12Х18Н10Т, 20К-3+08Х18Н10Т, 20К-3+10Х17Н13М3Т, 20К-3+10Х17Н13М2Т, 20К-3+08Х17Н15М3Т, 20К-3+06ХН28МДТ, 20K-5+08X13, 20K-5+12X18H10Т, 20К-5+08Х18Н10Т, 20К-5+10Х17Н13М3Т ГОСТ 10885 ГОСТ 5520 ГОСТ 5632 Термически обработанное 4-120 По ГОСТ 5520 для стали 20К (см. приложение 18 настоящего стандарта)
             
20К-5+10Х17Н13М2Т, 20К-5+08Х17Н15М3Т, 20К-5 + 06ХН28МДТ, 20К-10+12Х18Н10Т, 20К-10+08Х18Н10Т, 20К-10+10Х17Н13М3Т, 20К-10+10Х17Н13М2Т, 20К-10+08Х17Н15М3Т, 20К-10+06ХН28МДТ, 20К-11 + 12Х18Н10Т, 20К-11+08Х18Н10Т, 20К-11+10Х17Н13М3Т, 20К-11+1-Х17Н13М2Т, 20К-11+08Х17Н15М3Т, 20К-11+06ХН28МДТ ГОСТ 10885 ГОСТ 5520 ГОСТ 5632 Термически обработанное 4-120 По ГОСТ 5520 для стали 20К (см. приложение 18 настоящего стандарта)
             
16ГС-3 + 08Х13, 16ГС-3+12Х18Н10Т, 16ГС-3+08Х18Н10Т, 16ГС-3+10Х17Н13М3Т, 16ГС-3+10Х17Н13М2Т, 16ГС-3+08Х17Н15М3Т, 16ГС-3 + 06ХН28МДТ, ГОСТ 10885 ГОСТ 5520 ГОСТ 5632   4-120 По ГОСТ 5520 для стали 16ГС (см. приложение 18 настоящего стандарта)
             
16ГС-6+08Х13, 16ГС-6+12Х18Н10Т, 16ГС-6+08Х18Н10Т, 16ГС-6+10Х17Н13М3Т, 16ГС-6+10Х17Н13М2Т, 16ГС-6+08Х17Н15М3Т, 16ГС-6+06ХН28МДТ, 16ГС-17+08Х13, 16ГС-17+12Х18Н10Т, 16ГС-17+08Х18Н10Т, 16ГС-17+10Х17Н13М3Т, 16ГС-17+10Х17Н13М2Т, 16ГС-17+08Х17Н15М3Т, 16ГС-17+06ХН28МДТ ГОСТ 10885 ГОСТ 5520 ГОСТ 5632 Термически обработанное 4-120 По ГОСТ 5520 для стали 16ГС (см. приложение 18 настоящего стандарта)
             
09Г2С-3-Н2Х18Н10Т, 09Г2С-3+08Х18Н10Т, 09Г2С-3+10Х17Н13М3Т, 09Г2С-3+10Х17Н13М2Т, 09Г2С-3+08Х17Н15М3Т, 09Г2С-3+06ХН28МДТ, 09Г2С-6 + 08X13, 09Г2С-6+12Х18Н10Т, ГОСТ 10885 ГОСТ 5520 ГОСТ 5632 Термически обработанное 4-120 по ГОСТ 5520 для стали 09Г2С (см. приложение 18 настоящего стандарта)
             
09Г2С-6+08Х18Н10Т, 09Г2С-6+10Х17Н13М3Т, 09Г2С-6-МОХ17Н13М2Т. 09Г2С-6+08Х17Н15М3Т, 09Г2С-6 + 06ХН28МДТ, 09Г2С-7+08Х13, 09Г2С-7+12Х18Н10Т, 09Г2С-7 + 08XI8H10Т, 09Г2С-7+10Х17Н13М3Т, 09Г2С-7+10Х17Н13М2Т, 09Г2С-7 + 08Х17Н15М3Т, 09Г2С-7+06ХН28МДТ, 09Г2С-8+12Х18П10Т, 09Г2С-8+08Х18М10Т, 09Г2С-8+10Х17Н13М3Т, 09Г2С-8+10Х17Н13М2Т, ГОСТ 10885 ГОСТ 5520 ГОСТ 5632 Термически обработанное 4-120 По ГОСТ 5520 для стали 09Г2С (см. приложение 18 настоящего стандарта)
             
09Г2С-8+08Х17Н15М3Т, 09Г2С-8+06ХН28МДТ, 09Г2С-9+08Х13, 09Г2С-9+12Х18Н10Т, 09Г2С-9+08Х18Н10Т, 09Г2С-9+10Х17Н13М3Т, ГОСТ 10885 ГОСТ 5520 ГОСТ 5632 Термически обработанное 4-120 По ГОСТ 5520 для стали 09Г2С (см. приложение 18 настоящего стандарта)
             
09Г2С-9Ч-10Х17Н13М2Т, 09Г2С-9 + 08Х17Н15М3Т, 09Г2С-9 + 06ХН28МДТ ГОСТ 5520 ГОСТ 5632 Термически обработанное 4-120 По ГОСТ 5520 для стали 09Г2С (см. приложение 18 настоящего стандарта)
             
09Г2С-17+12Х18Н10Т, 09Г2С-17+08Х18Н10Т, 09Г2С-17+10Х17Н13МЗТ, 09Г2С-17+10Х17Н13М2Т, 09Г2С-17+08Х17М15М3Т, 09Г2С-17+06ХН28МДТ, ГОСТ 10885 ГОСТ 5520 ГОСТ 5632 Термически обработанное 4-120 По ГОСТ 5520 для стали 09Г2С (см. приложение 18 настоящего стандарта)
             
12МХ+08Х13 ГОСТ 10885 ГОСТ 20072 ГОСТ 5632 Термически обработанное 4-120 225(22,5) 430(43) 24 60(6)     d=2a
12ХМ+08Х13, 12ХМ+08Х18Н10Т ГОСТ 10885 ГОСТ 5520     4-120 По (ГОСТ 5520 для стали 12ХМ (см. приложение 18 настоящего стандарта)
             
12ХМ+08Х18Н10Т ТУ 14-1-2726       65- 120 По (ГОСТ 5520 для стали 12ХМ (см. приложение 18 настоящего стандарта)
20К+НМЖМц28-2,5-1,5 ТУ 14-1-1034 ГОСТ 5520 ГОСТ 492 Термически обработанное 4-120 По ГОСТ 5520 для стали 20К (см. приложение 18 настоящего стандарта)
20К+НМЖМц28-2,5-1,5 ГОСТ 10885                      
15Г2СФ+08Х18Н10Т, 15Г2СФ+12Х18Н10Т, 15Г2СФ+10Х17Н13М2Т, 15Г2СФ + 08Х17Н15М3Т, ТУ 14-1-4175 ГОСТ 19281 ГОСТ 5632 Термически обработанное 22-50 390(40) 550 (56) 18 49(5)   29 (3) при -40° С ГОСТ 10885
15Г2СФ+12Х18Н10Т, 15Г2СФ+10Х17Н13М2Т,       8-21 По ГОСТ 19281 для стали 15Г2СФ (см. приложение 18 настоящего стандарта)
15Г2СФ+08Х17Н15М3Т, ТУ 14-1-4212                      

Примечания.

1. Ударная вязкость основного слоя при нормальной и пониженной температурах нормируется для стали листовой двухслойной толщиной 10 мм и более, а после механического старения - толщиной 12 мм и более.

2. Сопротивление срезу при определении прочности соединения слоев должно быть не менее 150 МПа (15 кгс/мм2).

Приложение 20
(справочное)

ТРУБЫ. МЕХАНИЧЕСКИЕ СВОЙСТВА И ВИДЫ ИСПЫТАНИЯ

(в ред. Изменения N 2)

Марка стали, обозначение стандарта или технических условий Технические требования Состояние материала Передел текучести сигма_Т, МПа (кгс/мм3), не менее Временное сопротивление разрыву сигма_В, МПа (кгс/мм2), не менее Относительное удлинение дельта_ 5, %, не менее Относительное сужение пси, %, не менее Ударная вязкость КСU, Дж/см2 (кгс х м/см2), не менее Твердость по Бриннелю, НВ, не более Сплющивание Раздача, % Примечание
при 20° С при нижнем пределе применения
10,20 ГОСТ 380, ГОСТ 14637 ГОСТ 3262                 ГОСТ 3262 Загиб по ГОСТ 3262
Ст3кп2 ГОСТ 380, ГОСТ 14637 Группа В по ГОСТ 10706 Термически обработанное 235 (24) 363 (37) 20              
Ст3сп4 ГОСТ 380, ГОСТ 14637 245 (25) 372 (38) 23     29 (3) при -20°С       Стали применяются толщиной не более 9 мм; для стали Ст3сп5 ударная вязкость КСU после механического старения не менее 30 Дж/см3 (3 кгс м/см2)
Ст3сп5 ГОСТ 380 ГОСТ 14637 246 (25) 372 (38) 23     29 (3) при -20 "С      
Ст10 ГОСТ 1050 ТУ 14-3-624 Термически обработанное   333 (34) 25              
Ст20 ГОСТ 1050-86   412 (42) 22              
          Горячедеформированные            
10 ГОСТ 1050 Группа А по ГОСТ 550 С прокатного нагрева или термически обработанное 216 (22) 353 (36) 26 50 78   137      
    Термически обработанное 206 (21) 333 (34) 26       137 ГОСТ 550-75  
      Холоднодеформированные и теплодеформированные          
20 ГОСТ 1050 Группа А по ГОСТ 560       Горячедеформированные          
    С прокатного нагрева или термически обработанное 255 (26) 431 (44) 22 50 73   156 ГОСТ 550  
      Холоднодеформированные и теплодеформированные          
20 ГОСТ 1050 Группы А, Б по ГОСТ 550 Термически обработанное 245 (25) 412 (42) 23       156 ГОСТ 550  
10 ГОСТ 1050, ТУ 14-3-190 Группа В по ГОСТ 8733 Термически обработанное 206 (21) 343 (35) 24       137 ГОСТ 8731, ГОСТ 8733 Загиб по ГОСТ 8733. ГОСТ 8731
Группа В по ГОСТ 8731 Горячекатаное 216 (22) 353 (36)          
20 ГОСТ 1050, ТУ 14-3-190 Группа В по ГОСТ 8733 Термически обработанное 245 (25) 412 (42) 21 -     156 ГОСТ 8731, ГОСТ 8733 Загиб по ГОСТ 8733, ГОСТ 8731
Группа В по ГОСТ 8731 Горячекатаное 245 (25) 412 (42) 21 -      
          Продольные образцы       ТУ 14-3-460  
20 ГОСТ 1050 ТУ 14-3-460 Термически обработанное или с прокатного нагрева 216 (22) 412-550 (42-56) 24 40 49 (5)        
        441 (45) Поперечные 22 40 39 (4)      
20ЮЧ ТУ 14-3-1600, ТУ 14-3-1652 ТУ 14-3-1600   245 (25) 412 (42) 23     49 (5) при -40°С 190 ТУ 14-3-1600  
ТУ 14-3-1652   382 (39) ТУ 14-3-1652
09Г2С ГОСТ 19281; ТУ 14-3-1128 ТУ 14-3-1128 Термически обработанное 265 (27) 472 (48) 22     34 (3,5) при -60°С для S<10 мм 29 (3) при -60°С для S>10мм       Ударная вязкость КСU определяется при -30° С
09Г2С ГОСТ 19281 ТУ 14-3-1128 Термически обработанное 265 (27) 472 (48) 22     39 (4) при -70°С   ТУ 14-3-500   Ударная вязкость КС U не менее 50 Дж/см2 (5 кгс х м/см2) для труб 219X8 мм
10Г2 ГОСТ 4543 Группа В по ГОСТ 8733 235 (25) 421 (43) 22       197 ГОСТ 8733 Загиб и бортованне по ГОСТ 8733
Группа В по ГОСТ 8731 С прокатного нагрева или термически обработанное 265 (27) 421 (43) 21       197 ГОСТ 8731 Загиб и бортование по ГОСТ 8731
Группы А, Б по ГОСТ 550 с прокатного нагрева или термически обработанное 265 (27) 421 (43) 21 50 118 (12) 24 (2,5) при -40°С 197 ГОСТ 650 Ударная вязкость определяется для толщин более 12 мм
15ГС ТУ 14-3-460 ТУ 4-3-460 Термически обработанное или с прокатного нагрева 294 (30) Поперечные образцы 40 49 (5)     ТУ 14-3-460  
491 (50) 16
294 (30) Продольные образцы 45 59 (6)    
491 (50) 18
10Г2ФБ ТУ 14-3-1464 ТУ 14-3-1464 Контролируемая прокатка 441 (45) 588 (60) 20     49 (5) при -60 "С       Ударная вязкость КСV 78,4 Дж/см 2 (8 кгс х м/см2) пра -15° С
13ГС-У ТУ 14-3-1464 363 (37) 510 (52) 20     39 (4) при - 60°С       Ударная вязкость КСV 39,2 Дж/см 2 (45 кгс х м/см2) при -15° С
13Г1С-У ТУ 14-3-1464 402 (41) 539 (55) 20     39 (4) при -60°С       Ударная вязкость КСV при -15° С 39,2 Дж/см 2 (45 кгс. х м/см2) и для толщин 14 мм 58,8 Дж/см 2 (65 кгс.м/ см2)
        Продольные образцы         ТУ 14-3-460  
15ХМ ТУ 14-3-460 ТУ 14-3-460 С прокатного нагрева или термически обработанное 235 (24) 441-638 (45-65) 21 50 59 (6)      
        Поперечные образцы         ТУ 14-3-460  
15ХМ ТУ 14-3-460 ТУ 14-3-460 С прокатного нагрева или термически обработанное 226 (23) 441 (45) 20 45 49 (5)      
    Продольные образцы          
12Х1МФ ГОСТ 20072 275 (28) 441-638 (45-65) 21 55 59 (6)      
    Поперечные образцы         ГОСТ 550  
      275 (28) 441 (45) 19 50 49 (5)      
1Х2М1 ГОСТ 650 ГОСТ 550 Термически обработанное 265 (27) 411 (45) 20 45 98 (10)   227  
    Горячедеформированные       ГОСТ 550  
15X5 ГОСТ 20072 Группы А, Б по ГОСТ 550   216 (22) 392 (40) 24 50 98 (10)        
    Горячедеформированные          
15Х5М ГОСТ 20072     216 (22) 392 (40) 22 50 118 (12)   170    
Холодно-и теплодеформированные       170  
216 (22) 392 (40) 22
    Горячедеформированные        
15Х5М-У ГОСТ 20072 Нормализация+отпуск 412 (42) 588 (60) 16 65 98 (10)   235  
  Группы А,     Горячедеформированные 118 (12)   170 ГОСТ 550  
15Х5ВФ ГОСТ 20072 Б по ГОСТ 550 Термически обработанное 216 (22) 392 (40) 22 50          
Х9М ТУ 14-3-457 ТУ 14-3-457 216 (22) 470 (48) 22 50 98 (10)   170 ТУ 14-3-457  
12X8 ГОСТ 550 ГОСТ 550 216 (22) 392 (40) 22       ГОСТ 550
Х8 ТУ 14 -3457 ТУ 14-3-457 Термически обработанное 196 (20) 392 (40) 22 50 78 (8)   170 ТУ 14-3-457  
12Х8ВФ ГОСТ 20072 ГОСТ 550 167 (17) 392 (40) 22 50 98 (10)   ГОСТ 550  
15Х5М ТУ 14-3-1080, ГОСТ 20072 ТУ 14-3-1080 412 (42) 569 (58) 16 65 98 (10)     ТУ 14-3-1080  
10Х14Г14Н4Т ТУ 14-3-1905 ТУ 14-3-1905   588 (60) 35              
08Х22Н6Т ГОСТ 5632 ГОСТ 9940, ГОСТ 9941   588 (60) 20         ГОСТ 9940, ГОСТ 9941    
ТУ 14-3-1905    
08X21Н6М2Т ГОСТ 5632 ТУ 14-3-1905 Термически обработанное   588 (60) 20         ГОСТ 9940, ГОСТ 9941    
08Х18Г8Н2Т ТУ 14-3-1596 ТУ 14-3-1596 295 (30) 588 (60) 18
07Х13АГ20 ТУ 14-3-1322, ТУ 14-3-1323 ТУ 14-3-1322, ТУ 14-3-1323   344 (35) 638 (65) 40             Растяжение по ГОСТ 10006
03X17H14HМ3 ТУ 14-3-396, ТУ 14-3-1357, ТУ 14-3-1348 ТУ 14-3-396, ТУ 14-3-1357.   196 (20) 490 (50) 30           ТУ 14-3-396, ТУ 14-3-1357  
ТУ 14-3-1348 40
03Х19АГ3Н10 ТУ 14-3-415 ТУ 14-3-415   344 (35) 638 (65) 45           ТУ ТУ 14-3 Бортование по ТУ 14-3-415
02Х8Н22С6 ТУ 14-3-1024 ТУ 14-3-1024   196 (20) 588 (60) 35              
08Х18Н10Т ГОСТ 5632 Трубы электросварные по ТУ 14-3-1391     530 (54) 37              
10Х18Н10Т ГОСТ 5632 550 (56) 35
02К18Н11 ТУ 14-3-1401 ТУ 14-3-1339 ТУ 14-3-1401 Термически обработанное 186 (18,6) 452 (46) 45              
ТУ 14-3-1339 185 (18,5) 472 (48) 45              
12Х18H10Т ГОСТ 5632 ГОСТ 9940 216 (22) 530 (54) 40              
ГОСТ 9941 550 (56) 35
        Продольные образцы            
12Х18Н12Т ГОСТ 5632 ТУ 14-3-460 Термически обработанное 216 (22) 530 (54) 35 55     200 ТУ 14-3-460  
08X18H10Т ГОСТ 5632 ГОСТ 9940   510 (52) 40              
ГОСТ 9941 550 (56) 37
08Х18Н12Б ГОСТ 5632 ГОСТ 9940   510 (52) 38              
ГОСТ 9941   530 (54) 37              
10Х17Н13М2Т ГОСТ 5632 ГОСТ 9940   530 (54) 35              
ГОСТ 9941
08XI7H15М3Т ГОСТ 5632 ГОСТ 9940   510 (52) 35              
ГОСТ 9941   550 (56) 35              
03X18H11 ГОСТ 5632 ТУ 14-3-1401 196 (20) 510 (52) 45           ТУ 14-3-1401 Бортование по ТУ 14-3-681
03Х21Н21МЧГБ ГОСТ 5632 ТУ 14-3-694, ТУ 14-3-696, ТУ 14-3-751 216 (22) 490 (50) 30              
03ХН28МДТ ГОСТ 5632 ТУ 14-3-694, ТУ 14-3-751, ТУ 14-3-1201 Термически обработанное 216 (22) 490 (50) 35           ТУ 14-3-694, ТУ 14-3-751, ТУ 14-3-1201  
06ХН28МДТ ГОСТ 5632 ТУ 14-3-318,   520 (53) 35           ТУ 14-318 ТУ 14-3-763, ТУ 14-3-822  
ТУ 14-3-763, ТУ 14-3-822 490 (50) 30
08X17Т ГОСТ 5632 ГОСТ 9940, ГОСТ 9941,   372 (38) 17              
15Х25Т ГОСТ 5632 ГОСТ 9940,   441 (45)                
ГОСТ 9941 461 (47)
08X13 ГОСТ 5632 ГОСТ 9940, ГОСТ 9941   372 (38) 22              
12X13 ГОСТ 5632 ГОСТ 9940, Термически обработанное   392 (40) 21              
ГОСТ 9941 22
    Горячекатаные       ТУ 14-3-489    
ХН32Т ТУ 14-3-489 ТУ 14-3-489 176 (18) 477 (48) 35 60 при толщине не более 10 мм            
15Х18Н12С4ТЮ ГОСТ 5632 ТУ 14-3-310 Термически обработанное   716 (73) 25         ТУ 14-3-310    

Приложение 21
(справочное)

ПОКОВКИ. МЕХАНИЧЕСКИЕ СВОЙСТВА И ВИДЫ ИСПЫТАНИЙ

(в ред. Изменения N 2)

Таблица 1

Марка стали, обозначение стандарта или технических условий Технические требования Состояние материала Размер поковки (толщина или диаметр), мм Предел текучести сигма_Т, МП а (кгс/мм2) не менее Временное сопротивление разрыву сигма_в, МПа (кгс/мм2), не менее Относительное удлинение дельта_5 %, не менее Относительное сужение пси, %, не менее Ударная вязкость КСU, Дж/см2 (кгс х м/см2), не менее Твердость по Бринеллю, НВ, не более
при 20° С при нижнем пределе применения
Ст5сп, Ст3сп
ГОСТ 380
Группа IV-КП.245 (КП.25) по ГОСТ 8479 Термически обработанное До 100 245(25) 470(48) 22 48 49(5,0)   143-179
Св. 100 до 300     19 42 31(4,0)    
Св. 300 до 500     17 35 34(3,5)    
Св. 500 до 800     15 30 34(3,5)    
20
ГОСТ 1050
Группа IV-КП.215 (КП.22) по ГОСТ 8479 До 100 215(22) 430(40) 24 53 54(5,5)   123-167
Св 100 до 300     20 48 49(5,0)    
Св. 300 до 600     18 40 44(4,5)    
Св. 500 до 800     16 35 3d(4,0)    
Группа IV-КП.195 (КП.20) по ГОСТ 8479 До 100 195(20) 390(40) 26 55 39(6,0)   111-156
Св. 100 до 300     23 50 54(5,5)    
Св. 300 до 600     20 45 49(5,0)    
Св. 500 до 800     18 38 44(4,5)    
16ГС
ГОСТ 19281
Группа IV-КП.245 (КП.25) по ГОСТ 8479 До 100 245(25) 470(48) 22 48 49(5,0)   143-179
Св. 100 до 300     19 42 39(4,0)    
Св. 300 до 500     17 35 34(3,5)    
Св. 500 до 800     15 30 34(3,5)    
10Г2
ГОСТ 4543
Группа IV-КП.215 (КП.22) по ГОСТ 8479 До 100 215(22) 430(44) 24 53 54(5,6) 30(3) при ниже -30°С 123-167
Св. 100 до 300     20 43 49(5,0)  
Св. 300 до 500     18 40 44(4,5)  
Св. 500 до 800     16 35 39(4,0)  
09Г2С
ГОСТ 19281
Группа IV-КП.245 (КП.25) по ГОСТ 8479 Термически обработанное До 100 245(25) 470 (48) 22 48 49(5,0) 25 (2,5) при ниже -30°С 120-179
Св. 100 до 300     19 42 39(4,0)  
Св. 300 до 500     17 35 34(3,5)  
Св. 500 до 800     15 30 34(3,5)  
20 К
ГОСТ 5520
Группа IV-КП. 215 (КП. 22) по ГОСТ 8479 Термически обработанное До 100 215(22) 430(44) 24 53 54(5,5)   123-187
Св. 100 до 300     20 48 49(5,0)    
Св. 300 до 500     18 40 44(4,5)    
Св. 500 до 800     16 35 39(4,0)    
20ЮЧ ТУ 26-0303-1532 ТУ 26-0303-1532 До 100 240(24) 420(42) 22     40(4) 190
20Х
ГОСТ 4543
Группа IV-КП. 395 (КП. 40) До 100 400(40) 630(63) 17 45 6,0   187-229
Св. 100 до 300     15 40 5,5    
по ГОСТ 8479 Св. 300 до 500     13 35 5,0    
Св. 500 до 800     11 30 4,0    
15XМ
ГОСТ 4643
Группа IV-КП. 275 (КП. 28) До 100 280(28) 450(45) 20 40 4,5   156-197
Св. 100 до 300     17 38 3,5    
по ГОСТ 8479 Св. 300 до 500     15 32 3.0    
Св. 500 до 800     13 30 3,0    
15Х5ВФ, 15X5М
ГОСТ 5632
Группа IV-КП .395 (КП.40) До 800 420(42) 600(60) 13 35 50(5)   190-240
по ГОСТ 8479                
12ХМ ТУ 302.02.031 До 100 245(25) 470(48) 22 48 34(3,5)   143-179
ТУ 302.02.031, Св. 100 до 300     19 42      
ГОСТ 5520          
15ХМ ТУ 302.02.031, До 100 275(28) 530(54) 20 17 40 38 34(3,5)   156-197
ГОСТ 4543 Св. 100 до 300              
10Х2М1А-А, 10Х2М1А-ВД, 10Х2М1А ТУ 302.02.121 ТУ 302.02.121 До 200 310(31,5) 490(50) 18 45 49(5,0) 29(3)  
10X2М1A-A ТУ 108.13.39 ТУ 108.13.39 Термически обработанное   332(40) 490(50) 18 45   49  
15ГС
ОСТ 108.030.113
ОСТ 26-01-135 До 350 294(30) 490(50) 18   60(6)   149-207
14ХГС
ГОСТ 19281
До 550 314(32) 490(50) 17   60(6)   149-207
20Х2МА
ОСТ 26-01-135
ОСТ 26-01 135 До 550 312(40) 539(55) 16   60(6)   197-235
12МХ
ГОСТ 20072
Группа IV-КП. 235 (КП.24.) Нормализованное До 100 250(25) 480(48) 22 48 50(5)   143-179
Св. 100 до 300     19 42 40(4)    
по ГОСТ 8479 Св. 300 до 500     17 35 35(3,5)    
Св. 500 до 800     15 30 35(3,5)    
08Х22Н6Т ГОСТ 6632 Группа IV по ГОС 25064 Термически обработанное До 800 343(35) 539(55) 18 35 80(8)   140-200
08X21H6М2Т ГОСТ 5632
12Х18Н9Т ГОСТ 5632 196(20) 510(52) 35 40     170
12Х18Н10Т ГОСТ 5632 179
08Х18Н10Т ГОСТ 5632 490(50)          
10Х17Н13М2Т ГОСТ 5632 510(52)         200
03Х18Н11 ГОСТ 5632 176(18) 441(45) 40 35     179
03Х17Н14М3 ГОСТ 5632 ГОСТ 25054 Термически обработанное До 800 176(18) 470(48) 40 45     179
10X17H13М3Т ГОСТ 5632 196(20) 510(52) 35 40     200
08Х17Н15М3Т ГОСТ 5632 490(50) 45    
06ХН28МДТ ГОСТ 5632 216(22) 510(52) 30 30    
08X13 ГОСТ 5632 392(40) 539(55) 14 35 50   187-229
12Х13 ГОСТ 5632 392(40) 539(55)

Примечание. Значения механических свойств относятся к испытанию на продольных образцах. Допускается проверка механических свойств на поперечных, тангенциальных или радиальных образцах; при этом нормы, указанные в табл. 1 настоящего приложения, снижаются на величины, указанные в табл. 2 настоящего приложения.

Таблица 2

Механические свойства Допускаемое снижение норм механических свойств, %
для поперечных образцов для радиальных образцов для тангенциальных образцов
поковок диаметром до 300 мм поковок диаметром св. 300 мм
Относительное удлинение 50 35 25 30
Относительное сужение 40 35 20 25
Ударная вязкость 50 40 25 30
Предел текучести 10 10 5 5
Временное сопротивление разрыву 10 10 5 5

Приложение 22
(справочное)

СТАЛЬ СОРТОВАЯ. МЕХАНИЧЕСКИЕ СВОЙСТВА И ВИДЫ ИСПЫТАНИЙ

(в ред. Изменения N 2)

Марка стали, обозначение стандарта или технических условий Технические требования Состояние материала Толщина проката, мм Предел текучести сигма_Т, М Па (кгс/мм2) не менее Временное сопротивление разрыву сигма_в, М Па (кгс/мм2), не менее Относительное удлинение дельта_5 %, не менее Относительное сужение пси, %, не менее Ударная вязкость КСU, Дж/см2 (кгс х м/см2), не менее Твердость по Бринеллю, НВ, не более Примечание
при 20° С при нижнем пределе применения
Ст3кп
ГОСТ 535
ГОСТ 535 Горячекатаное До 10 235(24)   27          
Св. 10 до 20 235(24) 360-460 27          
Св. 20 до 40 225(23) (37-47) 26          
Св. 40 до 100 215(22)   24          
Св. 100 185(20)   21          
Ст3сп
ГОСТ 535
До 10 255(26)   26   108(11) для толщин 49(5) для толщин 5-9 мм   Ударная вязкость КСU
  Св. 10 до 30 245(25)   26   5-9 мм; 98(10) для толщин при -20° С, 29(3) для толщин   после механического старения
  Св. 20 до 40 235(24) 380- 490 25   10-25 мм; 88(9) для толщин 10-25 мм при -20° С   49 Дж/см2 (5 кгс х м/см2) для толщин
  Св. 40 до 100 225(23) (39-50) 23   26-40 мм     5-9 мм и 29 Дж/см2 (3 кгс х м/см2)
  Св. 100 205(21)   23         для толщин 10-40 мм
Ст3пс
ГОСТ 535
До 10 245(25)   26   108(11) для толщин 49(5) для толщин 5-9 мм   Ударная вязкость КСU
  Св. 10 до 20 245(25) 370-480 26   5-9 мм; 98(10) для толщин при -20° С, 29(3) для толщин 10-25   после механического старения
  Св. 20 до 40 235(24)   25   10-25 мм; 88(9) для толщин мм при -20° С   49 Дж/см2 (5 кгс х м/см2) для толщин
      (38-49) 23   26-40 мм     5-9 мм и 29 Дж/см2 (3 кгс х м/см2)
  Св. 100 205(21)   23         для толщин 10-40 мм
Ст5сп
ГОСТ 536
ГОСТ 535 Горячекатаное До 10 295(30)   20          
Св. 10 до 20 285(29) 490-630 20          
Св. 20 до 40 275(28)   19          
Св. 40 до 100 265(27) (50-64) 17          
Св. 100 255(26)   17          
Ст5пс
ГОСТ 535
До 10 285(29)   20          
Св. 10 до 20 285(29) 490-630 20          
Св. 20 до 40 275(28)   19          
Св. 40 до 100 265(27) (50-64) 17          
Св. 100 255(26)   17          
20 ГОСТ 1050 ГОСТ 1050 Нормализованное До 250 245(25) 410(42) 25 55     163 Твердость указана в горячекатаном состоянии
20ЮЧ ТУ 14-1-3332 ТУ 14-1-3332   До 180 240(24) 420(42)   23   49(5)    
10 ГОСТ 1050 ГОСТ 1050   До 260 205(21) 330(34) 31 55        
15 ГОСТ 1050 До 260 225(23) 370(38) 27 55        
09Г2С
ГОСТ 19281
ГОСТ 19281   Св. 20 до 32 От 32 до 100 265(27) 430(44) 21   59(6) 29(3) при -40°С    
Св. 20 до 32 295(30) 430(44) 21        
099Г2С
ГОСТ 19281
ГОСТ 19281   До 10 325(33) 450(46) 21   64(6,5) 34(3,5) при -40° С и -70° С   Ударная вязкость КСV 34 Дж/см2 (3,5 кгс х м/см2) при 0° С и -20° С
Св. 10 до 20         59 (6) 29(3) при -40° С и - 70° С  
09Г2С
ГОСТ 19281
  До 5 345(35) 480(49)       39(4) при -40° С; 29(3)   Ударная вязкость КСV 40 Дж/см2 (4,1 кгс х м/см2) при 0° С и - 20° С
От 5 до 10         64(6,5) при - 70°С  
09Г2
ГОСТ 19281
  До 20 295(30) 430(44)     38(10)      
  Св. 20 до 32           29(3) при -40° С    
12X13
ГОСТ 5632
ГОСТ 5949 ГОСТ 5949 До 200 410(42) 535(60) 20 60 89(9)   187-121 Твердость указана в отожженном или отпущенном состоянии
08Х17Т ГОСТ 5632 По согласованию с потребителем
15X25Т, 15X28 ГОСТ 5633 33(30) 440(45) 20 45        
06ХН28МДТ ГОСТ 5632 По согласованию с потребителем
15Х5М ГОСТ 5632 ГОСТ 20072 214(22) 380(40) 22 50 118(12)      
07Х16Н6 ТУ 14-1-1660 ТУ 14-1-1660 Термообработанная 20-180 1000 (100) 1200(120) 13 55 100 (10)      
ХН32Т ТУ 14-1-284 ТУ 14-1-284 Горячекатаное без термической обработки   175(18) 970(48) 40 60        
10Г2 ГОСТ 4543 ГОСТ 4543 Горячекатаное термически обработанное До 250 245(25) 420(43) 22 50     197  
15Х18Н12С4ТЮ ГОСТ 5949 ТУ 14-1-561 ГОСТ 5949 ТУ 14-1-561 Кованое или горячекатаное Диаметр 10-180 375(38) 720(73) 25 40 78(8)     Образец вырезан в продольном направлении
35(3,5)     Образец вырезан в поперечном направлении
10Х14Г14Н4Т ГОСТ 5632 ГОСТ 5949 Горячекатаное, термически обработанное До 200 245(25) 635(65) 35 50        
08Х22Н6Т ГОСТ 5632 340(35) 585(60) 20 45        
12Х18Н10Т ГОСТ 5632 195(20) 510(52) 40 55        
08X21Н6М2Т ГОСТ 5632 340(35) 585(60) 25 45        
08Х18Н10Т ГОСТ 5632 195(20) 488(50)            
08Х18Н12Б ГОСТ 5632 175(18)            
10Х17Н13М2Т ГОСТ 5632 ГОСТ 5949 Горячекатаное, термически обработанное До 200 215(22) 508(52) 40 55        
10X17H13М3Т ГОСТ 5632 195(20) 527(54)            
08Х17Н15М3Т ГОСТ 5632 488(50) 35 45        
08X13 ГОСТ 5632 410(42) 585(60) 20 60 98(10)   179-116 Твердость указана в отожженном или отпущенном состоянии
02Х8Н22С6 ТУ 14-1-3812 ТУ 14-1-3812 Кованое, термически обработанное Диаметр 55-100; квадрат 75, 85, 100, 125 175(18) 518(53) 60   69(7)      
Горячекатаное, термически обработанное Диаметр 12-70
03Х18Н11 ГОСТ 5949 ГОСТ 5949 До 200 156(16) 440(45) 55 40        
03X18H11 ТУ 14-1-1160 ТУ 14-1-1160 Термически обработанное 190(19,6) 480(49) 40          
03Х17Н14М3 ТУ 14-1-3303 ТУ 14-1-3303 Диаметр 5-200 195(20) 488(50) 40          

Приложение 23
(справочное)

ОТЛИВКИ СТАЛЬНЫЕ. МЕХАНИЧЕСКИЕ СВОЙСТВА И ВИДЫ ИСПЫТАНИЙ

Марка стали, обозначение стандарта или технических условий Состояние материала Предел текучести сигма_Т, МПа (кгс/мм2), не менее Временное сопротивление разрыву сигма_в, МПа (кгс/мм2), не менее Относительное удлинение дельта_5, %, не менее Относительное сужение пси, %, не менее Ударная вязкость КСU, Дж/см2 (кгс х м/см2), не менее Твердость по Бринеллю, НВ. не более
при 20° С при нижнем пределе применения
20Л ГОСТ 977   Нормализация с отпуском или нормализация        
  Термически обработанное 216(22) 412(42) 22 35 49,1(5)    
25Л ГОСТ 977 Нормализация с отпуском или нормализация        
    235(24) 441(45) 19 30 39(4)    
    Закалка и отпуск        
    294(30) 491(50) 22 33 34(3,5)    
35Л ГОСТ 977 Нормализация с отпуском или нормализация        
    275(28) 491(50) 15 25 34(3,5)    
    Закалка и отпуск        
    343(35) 540(55) 16 20 29(3)    
45Л ГОСТ 977 Нормализация с отпуском или нормализация        
    314(32) 540(55) 12 20 29(3)    
45Л   Закалка и отпуск        
ГОСТ 977   392(40) 589(60) 10 20 24,5(2,5)    
20ХМЛ ГОСТ 977 245(25) 441(45) 18 30 29(3) 20(2) при -40°С  
20Х5МЛ ГОСТ 977 392(40) 589(60) 16 30 39(4)    
20Х5ТЛ ТУ 26-02-19
20Х8ВЛ ГОСТ 977
20Х5ВЛ ТУ 26-02-19 392(40) 589(60) 16 30 39(4)   190-240
20ХНЗЛ ТУ 26-02-19 588(60) 392(40) 12 20 49(5) 25(2) при -70° С  
20ГМЛ ОСТ 26-07-402 274(28) 441(45) 28 50 120(12) 29(3) при -60° С  
12Х18Н9ТЛ ГОСТ 977 196(20) 25 32 59(6)    
10Х18Н9Л ГОСТ 977 177(18) 35 98(10)    
12Х18Н12МЗТЛ ГОСТ 977 216(22) 30 59(6)    
10Х21Н6М2Л ТУ 26-02-19 294(30) 589(60) 30 30 59(6)    
40Х24Н12СЛ ГОСТ 977   491(50) 20 28      
35Х23Н7СЛ ГОСТ 977 Без термической обработки 245(25) 540(55) 12        

Приложение 24
(справочное)

МАТЕРИАЛЫ. ХИМИЧЕСКИЙ СОСТАВ

(в ред. Изменения N 2)

Марка материала Обозначение стандарта или технических условий Содержание элементов, %, не более
углерод марганец кремний хром никель молибден медь титан ванадий сера фосфор прочие элементы
Ст3кп ГОСТ 380 0,14-0,22 0,30-0,60 0,07 0,30 0,30   0,30     0,050 0,040 Мышьяк 0,08
Ст3пс   0,14-0,22 0,40-0,65 0,05-0,17 0,30 0,30   0,30     0,050 0,040 Мышьяк 0,08
Ст3сп   0,14-0,22 0,40-0,65 0,12-0,30 0,30 0,30   0,30     0,050 0,040 Мышьяк 0,08
Ст3Гпс   0,14-0,22 0,80-1,10 0,15 0,30 0,30   0,30     0,050 0,040 Мышьяк 0,08
Ст4сп   0,18-0,27 0,40-0,70 0,12-0,30 0,30 0,30   0,30     0,050 0,040 Мышьяк 0,08
Ст5пс   0,28- 0,37 0,50-0,80 0,05-0,17 0,30 0,30   0,30     0,050 0,040 Мышьяк 0,08
Ст5сп   0,28-0,37 0,50-0,80 0,15-0,35   0,30   0,30     0,050 0,040 Мышьяк 0,08
08КП ГОСТ 9045 0,01 0,25-0,45 0,03 0,10 0,10   0,15     0,030 0,025  
10895 ГОСТ 11036 0,035 0,3 0,3       0,3     0,030 0,020  
10 ГОСТ 1050 0,07-0,14 0,35-0,65 0,17-0,37 0,15 0,25   0,25     0,040 0,035  
15   0,12-0,19 0,35-0,65 0,17-0,37 0,25           0,040 0,035  
20   0,17-0,24 0,35-0,65 0,17-0,37 0,25 0,25   0,30     0,025 0,030  
20ЮЧ ТУ 14-1-4853 0,16-0,22 0,5-0,8 0,1-0,3 0,30           0,005 0,020 Алюминий 0,03-0,1; церий 0,015-0,030
ТУ 14-3-1652; ТУ 14-3-1600; ТУ 14-1-3332; ТУ 260303-153 2 0,16-0,22 0,5-0,8 0,1-0,3 0,30           0,012 0,020
16К ГОСТ 0,12-0,20 0,45-0,75 0,17-0,37 0,30 0,30   0,30     0,040 0,040 Мышьяк 0,08
18К 5520 0,14-0,22 0,55-0,85 0,17-0,37 0,30 0,30   0,30     0,040 0,040 Мышьяк 0,08
20К   0,16-0,24 0,35-0,65 0,15-0,30 0,30 0,30   0,30     0,040 0,040 Мышьяк 0,08
16ГС ГОСТ 19281 0,12-0,18 0,90-1,20 0,40-0,70 0,30 0,30   0,30     0,040 0,035 Мышьяк 0,08
09Г2С ГОСТ 19281 0,12 1,30-1,7 0,50-0,8 0,30 0,30   0,30     0,040 0,035 Мышьяк 0,08
09Г2С ТУ 0,12 1,30-1,7 0,50-0,80 0,30 0,30   0,30     0,010 0,020 Мышьяк 0,08
16ГС 14-1-3832 0,12-0,18 0,9-1,2 0,40-0,70 0,30 0,30   0,30     0,010 0,020 Мышьяк 0,08
16ГМЮЧ ТУ 14-1-4826 0,12-0,18 0,9-1,3 0,17-0,37 0,30 0,30 0,35-0,5 0,30     0,035 0,035 Алюминий 0,02; РМЗ 0,02-0,10
17ГС ГОСТ 0,14-0,20 0,4-0,6 1,0-1,4 0,30 0 30   0 30     0 040 0 035 Мышьяк 0,08
17Г1С 19281 0,15-0,20 0,4-0,6 1,15-1,6 0,30 0,30   0,30     0,040 0,035 Мышьяк 0,08
10Г2С1   0,12 1,3-1,65 0,8-1,1 0,30 0,30   0,30     0,040 0,035 Мышьяк 0,08
15Г2СФ   0,12-0,18 1,3-1,7 0,4-0,7 0,30 0,30   0,30   0,05 0,040 0,035 Мышьяк 0,08
10Г2С1   0,12 1,30-1,65 0,80-1,10 0,30 0,30   0,30     0,040 0,035  
09Г2   0,12 1,40-1,80 0,17-0,37 0,30 0,30   0,30     0,040 0,035  
10Г2 ГОСТ 0,07-0,15 1,20-1,60 0,17-0,37 0,30 0,30   0,30     0,035 0,035  
20Х 4543 0,17-0,23 0,50-0,80 0,17-0,37 0,70-1,00 0,30   0,30     0,035 0,035  
15XМ БСТ 0,11-0,18 0,40-0,70 0,17-0,37 0,80-1,10 0,30 0,40-0,55 0,30     0,035 0,035  
  4543 ТУ 14-3-460 0,10-0,15 0,40-0,70 0,17-0,37 0,80-1,10 0,25 0,40-0,55 0,30     0,025 0,035  
12МХ ТУ 24-10-003 0,09-0,16 0,40-0,70 0,17-0,38 0,40-0,60 0,30 0,40-0,55       0,030 0,030  
  ГОСТ 20072 0,09-0,16 0,40-0,70 0,17-0,37 0,40-0,70 0,30 0,40-0,60 0,20     0,025 0,030  
12XМ ТУ 24-10-003 0,16 0,40-0,70 0,17-0,35 0,80-1,10 0,30 0,40-0,55       0,030 0,030  
  ТУ 14-1-5093 0,16 0,40-0,70 0,17-0,37 0,80-1,10 0,30 0,40-0,55       0,040 0,040  
  ТУ 14-1-2304 0,16 0,40-0,70 0,17-0,37 0,80-1,10 0,30 0,40-0,55       0,040 0,040  
  ГОСТ 5520 0,16 0,40-0,70 0,17-0,37 0,80-1,10 0,30 0,40-0,55       0,040 0,040  
12Х1МФ ГОСТ 20072 0,08-0,15 0,40-0,70 0,17-0,37 0,90-1,20 0,30 0,25-0,35 0,20   0,15-0,30 0,025 0,030  
  ТУ 14-3-460 0,08-0,15 0,40-0,70 0,17-0,37 0,90-1,20 0,25 0,25-0,35 0,20   0,15-0,30 0,025 0,025  
15X5 ГОСТ 0,15 0,50 0,50 4,5-6,0 0,6 0,45-0,60 0,20 0,20 0,05 0,025 0,030  
15Х5М 20072 0,15 0,50 0,50 4,5-6,0 0,6 0,45-0,60 0,20 0,20 0,05 0,025 0,030  
15Х5ВФ   0,15 0,50 0,30-0,60 4,5-6,0 0,5   0,20   0,4-0,6 0,025 0,030 Вольфрам 0,4-0,7
1Х2М1 ТУ 14 3-517 0,08-0,13 0,30-0,60   2,0-2,5 0,50 0,90-1,10 0,30     0,035 0,035  
22К ГОСТ 5520 0,19-0,26 0,7-1,0 0,17-0,40 0,30 0,30   0,30     0,035 0,040  
12ХМ ТУ 302.02.031 0,16 0,4-0,7 0,17-0,37 0,8-1,1 0,30 0,40-0,55       0,020 0,025  
15ХМ ТУ 302.02.031 0,11-0,18 0,40-0,70 0,17-0,37 0,8-1,1   0,40-0,55       0,020 0,025  
10X2М1A ТУ 302.02.128 0,10-0,15 0,30-0,60 0,17-0,40 2,0-2,5 0,40 0,9-1,1 0,3     0,020 0,020 Мышьяк 0,04
10X2М1A-A ТУ 302.02.121 ТУ 108.13.39 0,10-0,15 0,30-0,60 0,17-0,40 2,0-2,5 0,30 0,9-1,1 0,1     0,015 0,012 Мышьяк 0,01; олово и сурьма 0,005
10X2ГНМ ТУ 108.11-928 0,08-0,12 0,9-1,3 0,17-0,37 1,9-2,3 0,15-0,65 0,45-0,65       0,010 0,012  
  ТУ 14-5117 0,08-0,11 0,9-1,3 0,17-0,37 1,9-2,3 0,15-0,65 0,45-0,65       0,008 0,015  
09ХГ2НАБЧ ТУ 14-1-3333 0,12 1,3-1,7 0,15-0,35 0,3-0,65 0,8-1,2         0,012 0,020 Алюминий 0,05-0,1; ниобий 0,03-0,08; азот 0,01-0,05
15Х2МФА-А ТУ 302.02-014 0,13-0,16 0,3-0,6 0,17-0,37 2,75-3,0 0,40 0,6-0,8 0,1   0,25-0,30 0,015 0,012 Кобальт 0,025; мышьяк
12Х2МФА ТУ 108.131 0,4-0,16 0,3-0,6 0,17-0,37 2,0-2,5 0,40 0,6-0,8 0,30   0,25-0,35 0,020 0,020 0,010
14Г2 ГОСТ 19281 0,12-0,18 1,2-1,6 0,17-0,37 0,40 0,30   0,30     0,040 0,035  
09Г2СЮЧ ТУ 0,08-0,11 1,9-2,2 0,3-0,6 0,30 0,30   0,30     0,030 0,030 Алюминий 0,04-0,08;
09ХГ2СЮЧ 14-1-5065 0,08-0,11 1,9-2,2 0,3-0,6 1,0-1,3 0,30   0,30     0,030 0,030 церий 0,002-0,05
07Х16Н6-Ш ТУ 14-1-22 0,05-0,09 1,0 0,70 15,5-17,5 5,0-3,0         0,020 0,035  
07Х16Н6 ТУ 14-1-205 0,09 1,0 0,70 15,5-17,5 5,0-8,0         0,020 0,035  
ХН32Т ГОСТ 5632 0,05 0,70 0,70 19,0-22,0 30,0-34,0   0,25 0,250,60     0,030  
  ТУ 14-1-625; 0,05 0,70 0,70 19,0-23,0 30,0-34,0   0,25 0,250,60     0,030 Алюминий 0,50
  ТУ 14-3-489; 0,05 0,70 0,70 19,0-22,0 30,0-34,0   0,30 0,250,60     0,030  
 
  ТУ 14-1-284 0,05 0,70 0,70 10,0-22,0 30,0-34,0   0,30 0,250,60     0,030  
08Х9Н23С6 ТУ 14-1-3801; 0,02 0,6 5,4-6,7 7,5-10,0 21,0-23,0         0,020 0,030  
  ТУ 14-1-3802                        
08X18Н10 ГОСТ 0,08 2,0 0,80 17,0-19,0 9,0-11,0 0,30   0,60   0,020 0,035  
08Х18Н10Т 5632 0,08 2,0 0,80 17,0-19,0 9,0-11,0     5С-0,7   0,020 0,035  
08Х17Н15МЗТ ГОСТ 5632 0,08 2,0 0,80 16,0-18,0 14,0-16,0 3,0-4,0   0,30,6   0,020 0,035  
      5,5-1,0 3,8-4,5 17,0-19,0 11,0-13,0     0,40,7   0,030 0,035 Алюминий 0,13-0,35
09Г2ФБ ТУ 14-1-4083 0,08-0,13 1,5-1,7 0,15-0,35           0,05-0,09 0,01 0,02 Ниобий
10Г2ФБ   0,09-0,12 1,55-1,75 0,15-0,35           0,09-0,12 0,006 0,02 0,02-0,05
10ХСНД ГОСТ 0,12 0,5-0,8 0,8-1,1 0,6-0,9 0,5-0,8   0,4-0,6     0,04 0,035  
15ХСНД 19281 0,12-0,18 0,4-0,7 0,4-0,7 0,6-0,9 0,3-0,6   0,2-0,4     0,04 0,035  
09Г2БТ ТУ 14-1-4083 0,08-0,13 1,5-1,7 0,15-0,35       0,050,09   0,010 0,02 Ниобий
10Г2БТ   0,09-0,12 1,55-1,75 0,16-0,35         0,070,09   0,005 0,02 0,02-0,05
07ГФБ-У   0,05-0,10 1,20-1,80 0,10-0,50         0,035 0,04-0,08 0,006 0,025 Ниобий 0,01-0,06
Д-40 ГОСТ 0,12 0,5-0,8 0,8-1,1 0,6-0,9 0,5-0,8   0,4-0,6     0,035 0,035 Алюминий
Е-40 5521 0,12 0,5-0,8 0,8-1,1 0,6-0,9 0,5-0,8   0,4-0,6     0,035 0,035 0,015-0,06
А   0,22 0,4-1,0 0,15-0,37             0,04 0,04  
В   0,21 0,4-1,1 0,15-0,37             0,04 0,04 Алюминий 0,06
Е-32   0,18 0,9-1,6 0,15-0,50 0,2 0,40 0,08 0,35     0,035 0,035 Алюминий 0,015-0,06
Д-32   0,18 0,9-1,6 0,15-0,50 0,2 0,40 0,08 0,35     0,035 0,035 Алюминий до 0,06
10Г2ФБ ТУ 14-3-1464 0,04-0,12 1,55-1,75 0,15-0,35           0,09-0,12 0,006 0,020 Ниобий 0,02-0,04
13ГС   0,11-0,15 1,15-1,45 0,4-0,6         0,0150,035   0,008 0,025  
13Г1С   0,11-0,15 1,15-1,60 0,40-0,60         0,0150,035   0,007 0,025  
15ГС ТУ 14-3-460 0,12-0,18 0,9-1,3 0,7-1,0 0,30 0,30   0,30     0,025 0,030  
14ХГС ГОСТ 19281 0,11-0,16 0,9-1,3 0,4-0,7 0,5-0,8 0,30   0,30     0,040 0,035  
12МХ ГОСТ 20072 0,09-0,16 0,4-0,7 0,17-0,37 0,4-0,7 0,30 0,4-0,6       0,025 0,030  
12Х8ВФ ГОСТ 20072 0,08-0,15 0,50 0,60 7,0-8,6 0,06   0,30   0,3-0,5 0,025 0,030 Вольфрам 0,6-1,0
X9М ТУ 14-3-457 0,09-0,15 0,50 0,50 7,5-9,5 0,50 0,9-1,1 0,25     0,025 0,030  
Х8 ГОСТ 550-716 0,12 0,3-0,6 0,17-0,37 7,5-9,0 0,40   0,25     0,020 0,035  
08X13 ГОСТ 0,08 0,80 0,80 12,0-14,0 0,60   0,30     0,025 0,030  
12X13 5632 0,09-0,15 0,80 0,80 12,0-14,0 0,60   0,30     0,025 0,030  
20X13   0,16-0,25 0,80 0,80 12,0-14,0 0,50   0,30     0,025 0,030  
08X17Т   0,08 0,80 0,80 16,0-18,0 0,60   0,30 5С-0,8 0   0,025 0,035  
15Х25Т   0,15 0,80 1,0 24,0-27,0 0,60   0,30 5С-0,9 0   0,025 0,035  
15X28   0,15 0,80 1,0 27,0-30,0 0,60   0,30 0,20   0,025 0,035  
12Х18Н9Т   0,12 2,0 0,80 17,0-19,0 8,0-9,6   0,30 5С-0,8   0,020 0,035  
12Х18Н10Т   0,12 2,0 0,80 17,0-19,0 9,0-11,0   0,30 5С-0,8   0,020 0,035  
121Х18Н12Т ТУ 14-3-460 0,12 1,0-2,0 0,80 17,0-19,0 11,0-13,0   0,30     0,020 0,035  
03Х18Н11 ГОСТ 0,03 2,0 0,80 17,0-19,0 10,5-12,5 0,10   0,20 0,20 0,020 0,035  
08Х18Н12Б 5632 0,08 2,0 0,80 17,0-19,0 11,0-13,0 0,10 0,30 0,20   0,020 0,035 Ниобий 10С-1,1
08X21Н6М2Т   0,08 0,80 0,80 20,0-22,0 5,5-6,5 1,8-2,5 0,30 0,200,4   0,025 0,035  
08Х22Н6Т   0,08 0,80 0,80 21,0-23,0 5,3-6,3   0,30 5С-0,6 5 0,20 0,025 0,035  
10Х14Г14Н4Т   0,10 13,0-15,0 0,80 13,0-15,0 2,8-4,5   0,30 5С-0,7   0,025 0,035  
  ТУ 14-1-69 0,10 13,0-15,0 0,80 13,0-15,0 3,8-4,5   0,30 5С-0,7   0,025 0,035  
  ТУ 14-3-59 0,10 13,0-15,0 0,80 13,0-15,0 3,8-4,5   0,30 0,30,6   0,025 0,035  
03Х17Н14М3 ГОСТ 5632 0,03 1,0-2,0 0,40 16,0-18,0 13,0-15,0 2,5-3,1       0,020 0,035  
08Х17Н13М2Т ГОСТ 0,08 2,0 0,80 16,0-18,0 12,0-14,0 2,0-3,0 0,30 5С-0,7 0,20 0,020 0,035  
10Х17Н13М2Т 5632 0,10 2,0 0,80 16,0-18,0 12,0-14,0 2,0-3,0 0,30 5С-0,7 0,20 0,020 0,035  
02Х8Н22С6 ТУ 14-1-3802; 0,02 0,6 5,4-6,7 7,5-10,0 21,0-23,0         0,020 0,030 Ниобий 10С1,1
  ТУ 14-1-3812                        
02Х18Н11 ТУ 14-1-3071; 0,025 0,20 0,20 17,0-19,0 10,5-12,5         0,020 0,030 Ниобий 10С-1,1
  ТУ 14-3-1339;                        
  ТУ 14-3-1401                        
03Х19АГЗН10 ТУ 14-1-2261; 0,03 2,0-4,0 0,8 18,5-20,5 9,0-11,0         0,020 0,035  
  ТУ 14-3-415                        
08Х17Н15МЗТ ГОСТ 5632 0,08 2,0 0,80 16,0-18,0 14,0-16,0 3,0-4,0 0,30 0,30,6   0,020 0,035  
10Х17Н13МЗТ   0,10 2,0 0,80 16,0-18,0 12,0-14,0 3,0-4,0 0,30 5С-0,7   0,020 0,035  
03ХН28МДТ   0,03 0,80 0,80 22,0-25,0 26,0-29,0 2,5-3,0 2,5-3,0 0,50,9   0,020 0,035  
06ХН28МДТ   0,06 0,80 0,80 22,0-25,0 26,0-29,0 2,5-3,0 2,5-3,5 0,50,9   0,020 0,035  
03Х19АГЗН10 ТУ 14-1-2261 0,03 2,0-4,0 0,80 18,5-20,5 9,0-11,0         0,020 0,035 Азот 0,2-0,3
03Х13АГ19 ТУ 14-3 303; 0,03 18,0-21,0 0,80 12,0-15,0 1,0 0,6       0,025 0,050 Кальций 0,10;
  ТУ 14-1-743                       Бор 0,007; Азот 0,10-0,18
07Х13АГ20 ТУ 14-1-2640; 0,07 19,0-20,0 0,60 12,0-15,0 1,0 0,6       0,025 0,040 Кальций 0,10; церий 0,10;
  ТУ 14-1-3342;                       бор 0,03; азот 0,06-0,018
  ТУ 14-3-1322                        
  ТУ 14-3-1323                        
03Х21Н21М4Г Б ГОСТ 56321 0,03 1,8-2,5 0,60 20,0-22,0 20,0-22,0 3,4-3,7 0,3     0,020 0,030 Ниобий
08Х18Г8Н2Т   0,08 7,0-9,0 0,80 17,0-19,0 1,8-2,8     0,20,5   0,025 0,035 С15-0,8
Ст3сп+08Х13 , Ст3сп+12X18 H10Т, Ст3сп+08Х18 Н10Т, Ст3сп+10Х17 Н13М2Т, Ст3сп+10X17 H13М3Т, Ст3сп+08Х17 Н16М3Т, Ст3сп+06ХН2 8МДТ ГОСТ 380 Основной слой по ГОСТ 380, плакирующий слой по ГОСТ 6532
20К+08Х13, 20К+12X18H1 0Т, 20К+08Х18Н1 0Т, 20К+10Х17Н1 3М2Т, 20К+10Х17Н1 3М3Т, 20К+06ХН28М ДТ, 20К+08X17H1 5М3Т ГОСТ 10885 Основной слой по ГОСТ 5520, плакирующий слой по ГОСТ 5632
16ГС + 08Х13, 16ГС+12X18Н 10Т, 16ГС+08X18H 10Т, 16ГС+10X17H 13М2Т, 16ГС +10X17H13М3 Т, 16ГС+08X17H 16М3Т, 16ГС+06ХН28 МДТ ГОСТ 10885 Основной слой по ГОСТ 19281, плакирующий слой по ГОСТ 5632
09Г2С+08Х13 , 09Г2С+12X18 H10Т, 09Г2С+08X18 H10Т, 09Г2С+10X17 H13М2Т, 09Г2С+10X17 H13М3Т, 09Г2С+08X17 H15М3Т, 09Г2С+06ХН2 8МДТ ГОСТ 10885 Основной слой по ГОСТ 19281, плакирующий слой по ГОСТ 5632
15Г2СФ+08X1 7H15М3Т, 15Г2СФ+10X1 7H13М2Т, 15ГХФ+12X18 H10Т ТУ 14-1-4688, ТУ 14-1-4212 Основной слой по ГОСТ 19281, плакирующий слой по ГОСТ 5632
12МХ+08X13   Основной слой по ГОСТ 20072, плакирующий слой по ГОСТ 5632
12ХМ+08Х13 ГОСТ Основной слой по ГОСТ 6520, плакирующий слой по ГОСТ 5632
20К+НМЖМЦ 2,8-2,5-1,5 10885 Основной слой по ГОСТ 5620, плакирующий слой по ГОСТ 492
20Л ГОСТ 977 0,17-0,25 0,45-0,90 0,20-0,52             0,0450,06 0,040,08  
25Л   0,22-0,30 0,45-0,90 0,20-0,52             0,0450,06 0,040,08  
35Л   0,32-0,40 0,45-0,90 0,20-0,52             0,0450,06 0,040,08  
45Л ГОСТ 977 0,42-0,50 0,45-0,90 0,20-0,52             0,0450,06 0,040,08  
20ХМЛ   0,15-0,25 0,40-0,60 0,20-0,42 0,4-0,7   0,40-0,60       0,040 0,040  
20Х5МЛ   0,15-0,25 0,40-0,60 0,35-0,70 4,0-6,5   0,40- 0,65       0,040 0,040  
20Х5ТЛ ТУ 26-02-19 0,15-0,25 0,30-0,60 0,30-0,60 4,5-6,0 0,50   0,30 0,10   0,035 0,040  
20Х5ВЛ   0,15-0,25 0,30-0,60 0,30-0,60 4,5-6,0       0,10   0,035 0,040 Вольфрам 1,25-1,75
20Х8ВЛ ГОСТ 977 0,15-0,25 0,30-0,50 0,30-0,60 7,5-9,0           0,035 0,040 Вольфрам 1,25-1,75
20ХНЗЛ ТУ 26-02-19   0,30-0,60 0,20-0,50 0,6-0,9 2,75-3,75         0,035 0,040  
12Х18Н9ТЛ ГОСТ 977 0,12 1,00-2,00 0,20-1,00 17,0-20,0 8,0-11,0     5С-0,7 0   0,03 0,035  
10Х18Н9Л   0,14 1,00-2,00 0,20-1,00 17,0-20,0 8,0-11,0         0,03 0,035  
12Х18Н12МЗТ Л   0,12 1,00-2,00 0,20-1,00 16,0-19,0 11,0-13,0 3,00-4,00   5С-0,7 0   0,03 0,035  
10X21Н6М2Л ТУ 26-02-19 0,12 0,80 0,80 20,0-22,0 5,0-6,5 1,8-2,5 0,30     0,035 0,040  
40X24Н12СЛ ГОСТ 977 0,40 0,30-0,80 0,50-1,50 22,0-26,0 11,0-13,0         0,030 0,035  
35Х23Н7СЛ   0,35 0,50-0,85 0,50-1,20 21,0-25,0 6,0-8,0         0,035 0,035  
20ГМЛ ОСТ 26-07-402 0,12-0,20 0,80-1,20 0,20-0,40 0,50 0,50 0,25-0,35       0,030 0,030 Алюминий 0,08; церий 0,05-0,10; кальций 0,05-0,15

Приложение 25
(справочное)

СВАРОЧНАЯ ПРОВОЛОКА. ХИМИЧЕСКИЙ СОСТАВ

Марка материала Обозначение стандарта или технических условий Содержание элементов, %, не более
углерод марганец кремний хром никель молибден медь титан ванадий сера фосфор прочие элементы
Св-08   0,10 0,35-0,60 0,03 0,15 0,30         0,040 0,040  
Св-08А   0,10 0,35-0,6 0,03 0,12 0,25         0,030 0,030  
Св-08ГА   0,10 0,80-1,1 0,03 0,10 0,25         0,025 0,030  
Св-10ГА ГОСТ 0,12 1,10-1,4 0,03 0,20 0,30       _ 0,025 0,030  
Св-10Г2 22-16 0,12 1,50-1,90 0,03 0,20 0,30       _ 0,030 0,030  
Св-08ГС   0,10 1,40-1,7 0,60-0,85 0,20 0,25         0,025 0,030  
Св-08Г2С   0,05-0,1 1,80-2,1 0,70-095 0,20 0,25 _       0,025 0,030  
Св-08ГСМТ   0,06-0,1 1,00-1,3 0,40-0,70 0,30 0,30 0,20-0,40   0,05-0,12   0,025 0,030  
Св-10НЮ ТУ 14-1-2219 0,10 0,40-0,70 0,30 0,25 1,50 - 1,90   0,025 0,10   0,030 0,030 Алюминий 0,10-0,25
Св-10НМА   0,07-0,12 0,40-0,70 0,12-0,35 0,20 1,00-1,50 0,40-0,55       0,025 0,020  
Св-08МХ ГОСТ 2246 0,06-0,10 0,35-0,60 0,12-0,30 0,45-0,65 0,30 0,40-0,60       0,025 0,030  
Св-08ХМ   0,06-0,10 0,35-0,60 0,12-0,30 0,90-1,20 0,30 0,50-0,70       0,025 0,030  
Св-10ХГ2СМА   0,07-0,12 1,70-2,10 0,60-0,90 0,80-1,10 0,30 0,40-0,60       0,025 0,025  
Св-04Х2МА   0,06 0,40-0,70 0,12-0,35 1,80-2,20 0,25 0,50-0,70       0,020 0,025  
Св-10Х2М ТУ 14-1-2219 0-08-0,13 0,40-0,70 0,12-0,37 1,80-2,20 0,25 0,40-0,60       0,020 0,025  
Св 10ХМФТУ ТУ 14-1-4355 0,05-0,13 0,50-1,00 0,15-0,50 1,30-1,80   0,35-0,60       0,035 0,040  
Св-10ХЗГМ ТУ 14-1-4181 0,08-0,13 0,60-1,10 0,17-0,37 2,20-2,80 0,30 0,40-0,60       0,030 0,030  
Св-08Г2СНТЮ Р ТУ 14-1-3648 0,06-0,11 1,70-2,20 0,35-0,60 0,30 1,00-1,40   0,025 0,15-0,40   0,030 0,030 Алюминий 0,2-0,6: Бор 0,005
Св-08Х3Г2СМ ГОСТ 2246 0,10 2,00-2,50 0,45-0,75 2,00-3,00 0,30 0,30-0,50       0,030 0,030  
Св-06Х3Г2СМ ФТЮЧ ТУ 14-1-2338 0,09 1,80-2,20 1,60-0,85 1,00-4,50   0,90-1,20 0,025 0,05-0,12 0,10-0,30 0,030 0,030 РМЗ 0,01-0,06; алюминий 0,20-0,40
Св-10Х5М ГОСТ 2246 0,12 0,40-0,70 0,12-0,35 4,00-5,50 0,30 0,40-0,60       0,025 0,030  
Св-06Х8Г2СМ ФТЮЧ ТУ 14-1-2338 0,09 1,80-2,20 0,60-0,85 7,50-9,00 0,30 0,70-0,90 0,25 0,10-0,40 0,10-0,30 0,030 0,030 РЗМ 0,02-0,06; алюминий 0,20-0,40
Св-10ХЗГМФТ А ТУ 14-1-4914 0,07-0,12 0,60-0,90 0,20-0,35 2,10-2,50 0,20 0,60-0,80 0,06 0,05-0,15 0,15-0,25 0,006 0,006 Алюминий 0,05; кобальт 0,02; азот 0,012
Св-10ХЗМ1А ТУ 14-1-4914 0,07-0,12 0,60-0,90 0,20-0,35 2,10-2,50 0,20 0,90-1,10 0,06 0,05-0,15 0,03 0,006 0,003 Алюминий 0,05; кобальт 0,02; азот 0,012
Св-07Х19Н10 Б ГОСТ 2246 0,06-0,09 1,50-2,00 0,70 18,5-10,5 9,0-10,5         0,018 0,025 Ниобий 1,20-1,50
Св-01Х18Н10 ТУ 14-1-2795 0,02 1,00-2,00 0,40 17,0-19,0 9,5-11,0         0,020 0,020 Азот 0,07
Св-01Х19Н9   0,03 1,00-2,00 0,50-1,00 18,0-20,0 8,0-10,0         0,015 0,025  
Св-04X19H9   0,06 1,00-2,00 0,50-1,00 18,0-20,0 8,0-10,0         0,018 0,025  
Св-06Х19Н9Т   0,08 1,00-2,00 0,40-1,00 18,0-20,0 8,0-10,0     0,50-1,00 _ 0,015 0,030  
Св-07Х18Н9Т Ю   0,09 2,00 0,80 17,0-19,0 8,0-10,0     1,00-1,40   0,015 0,030 Алюминий
Св-06Х19Н10 МЗТ 2246 0,08 1,00-2,00 0,30-0,80 18,0-20,0 9,0-11,0 2,00-3,00   0,50-0,80   0,018 0,025 0,60-0,95
Св-08Х19Н10 МЗБ   0,10 1,00-2,00 0,60 18,0-20,0 9,0-11,0 2,00-3,00       0,018 0,025 Ниобий
Св-04Х19Н11 ПМЗ   0,06 1,00-2,00 0,60 18,0-20,0 10,0-12,0 2,00-3,00       0,018 0,025 0,90-1,3
Св-03Х19Н15 Г6М2АВ2 ТУ 14-1-1595 0,03 6,00-7,50 0,20 18,0-20,0 15,0-16,5 2,50-3,20       0,010 0,010 Вольфрам 1,80-2,30: азот 0,15-0,22
Св-05Х20Н9Ф БС ГОСТ 2246 0,07 1,00-2,00 0,90-1,50 19,0-21,0 8,0-10,0       0,90-1,30 0,020 0,030 Ниобий 1,0-1,4
Св-08Х20Н9С 2БТЮ ТУ 14-1-1140 0,10 1,00-2,00 2,00-2,50 19,0-21,0 8,0-10,0     0,60-1,00   0,090 0,035 Алюминий 0,3-0,7; ниобий 0,6-1,0
Св-06Х20Н11 МЗТБ ГОСТ 2246 0,08 0,80 0,50-1,00 19,0-21,0 10,0-12,0 2,50-3,00   0,60-1,00   0,018 0,030 Ниобий 0,6-0,9
Св-06Х21Н7Б Т ТУ 14-1-1383 0,08 1,00-2,00 0,80 20,0-22,0 6,8-7,8     0,30-0,60   0,025 0,035 Ниобий 0,6-1,0
Св-06Х25Н12 ТЮ   0,08 0,80 0,60-1,00 24,0-26,5 11,5-13,5     0,60-1,00   0,020 0,030 Алюминий
Св-07Х25Н13 ГОСТ 2246 0,09 1,00-2,00 0,50-1,00 23, 0-26,0 12,0-14,0         0,018 0,025 0,4-0,8
Св-08Х25Н13 БТЮ   0,10 0,55     12,0-14,0     0,50-0,00   0,020 0,030 Ниобий 0,7-1,1; алюминий 0,4-0,9
Св-15Х18Н12 СЧТЮ ТУ-14-1-27 95 0,12-0,17 0,50-1,00 3,80-4,50 17,0-19,0 11,0-13,0     0,40-0,70   0,030 0,035 Алюминий 0,13-0,36
Св-02X8H22С 6 ТУ-14-1-32 33 0,020 0,60 5,40-6,70 7,5-10,0 21,0-23,0         0,020 0,030  
Св-01Х21Н10 С6Ц ТУ-14-1-39 52 0,025 0,40 5,00-6,00 20,0-23,0 9,0-11,0         0,020 0,020 Цирконий 0,15-0,40
Св-02Х21Н21 М4БГ2 ТУ-14-1-32 62 0,03 1,80-2,50 0,40 20,0-22,0 20,0-22,0 3,40-3,70       0,020 0,030 Ниобий 0,3-0,5
Св-08Х20Н9Г 7Т ГОСТ 2246 0,10 5,00-8,00 0,50-1,00 18,5-22,0 8,0-10,0         0,018 0,035  
Св-10Х16Н25 АМ6 ГОСТ 3246 0,08-0,12 1,00-2,00 0,60 15,0-17,0 24,0-27,0 5,50-7,00       0,018 0,025 Азот 0,1-0,2
Св-07Х25Н12 Г2Т   0,09 1,50-2,50 0,30-1,00 24,0-26,5 11,0-13,0     0,60-1,00   0,020 0,035  
Св-01Х17Н14 М2 ТУ-14-1-27 95 0,02 0,80 0,40 17,0-19,0 13,5-16,0 2,00-3,00       0,020 0,020 Азот 0,07
Св-01Х19Н18 Г10АМЧ ТУ-14-1-18 92 0,03 8,5-10,5 0,60 18,0-20,0 17,0-19,0 3,20-4,20       0,020 0,025 Азот 0,15-0,25
Св-01Х23Н28 МЗДЗТ ГОСТ 2246 0,03 0,55 0,55 22,0-25,0 26,0-29,0 2,50-3,00 92,50-3, 50 0,50-0,90   0,018 0,030  
Св-06Х15Н9Г 6АМ ТУ-14-1-15 95 0,05 5,50-7,00 0,40 14,5-15,5 9,0-10,0 1,40-1,80       0,020 0,020 азот 0,12-0,28
Св-03Х23Н28 МЗДЗТ ТУ-14-1-25 71 0,025 1,50-2,50 0,25 27,0-25,0 24,5-27,0 2,50-3,00 2,50-3,5 0 0,10   0,018 0,020 Ниобий 0,6-0,9
НЖМцТА 28-1, 5-1, 1-0,5 ТУ 48-21-284 0,05 1,20-1,80 0,30   68,0-73,0   Остальное 0,80-1,40   0,005 0,05 Церий 0,05; алюминий 0,3-0,8; железо 0,1; магний 0,1

Приложение 26
(обязательное)

ОПРЕДЕЛЕНИЕ ПОНЯТИЯ ОДНОТИПНЫХ СВАРНЫХ СОЕДИНЕНИЙ

Однотипными сварными соединениями является группа сварных соединений, имеющих следующие общие признаки:

а) способ сварки;

б) марка (сочетание марок) основного металла. В одну группу допускается объединять сварные соединения деталей из сталей различных марок, для сварки которых согласно технологии предусмотрено применение сварочных материалов одних и тех же марок (сочетаний марок);

в) марка (сочетание марок) сварочных материалов. В одну группу допускается объединять сварные соединения, выполненные с применением различных сварочных материалов, марки (сочетание марок) которых согласно технологии могут использоваться для сварки деталей из одной и той же стали; электроды должны иметь одинаковый вид покрытия по ГОСТ 9466 (основной, рутиловый, целлюлозный, кислый);

г) номинальная толщина свариваемых деталей в зоне сварки. В одну группу допускается объединять соединения с номинальной толщиной деталей в зоне сварки в пределах одного из следующих диапазонов:

до 3 мм включительно;

свыше 3 до 10 мм включительно;

свыше 10 до 50 мм включительно;

свыше 50 мм.

Для угловых, тавровых и нахлесточных соединений указанные диапазоны относятся к привариваемым деталям; толщину основных деталей разрешается не учитывать;

д) радиус кривизны деталей в зоне сварки. В одну группу допускается объединять сварные соединения деталей с радиусом кривизны в зоне сварки (для труб - с половиной наружного номинального диаметра) в пределах одного из следующих диапазонов:

до 12,5 мм включительно;

свыше 12,5 до 50 мм включительно;

свыше 50 до 250 мм включительно;

свыше 250 мм (включая плоские детали).

Для угловых, тавровых и нахлесточных сварных соединений указанные диапазоны относятся к привариваемым деталям; радиусы кривизны основных деталей разрешается не учитывать;

е) вид сварного соединения (стыковое, угловое, тавровое, нахлесточное). В одну группу могут быть объединены угловые, тавровые и нахлесточные соединения, кроме угловых сварных соединений приварки штуцеров (труб) к элементам сосудов;

ж) форма подготовки кромок. В одну группу допускается объединять сварные соединения с одной из следующих форм подготовки кромок:

с односторонней разделкой кромок и углом их скоса более 8°; с односторонней разделкой кромок и углом их скоса до 8° включительно (узкая разделка);

с двусторонней разделкой кромок;

без разделки кромок;

з) способ сварки корневого слоя: на остающейся подкладке (подкладном кольце), на расплавляемой подкладке, без подкладки (свободное формирование обратного валика), с подваркой корня шва;

и) термический режим сварки: с предварительным и сопутствующим подогревом, без подогрева, с послойным охлаждением;

к) режим термической обработки сварного соединения.

Приложение 27
(рекомендуемое)

ПОДРАЗДЕЛЕНИЕ СТАЛЕЙ НА КЛАССЫ

(в ред. Изменения N 2)

Класс стали Марка стали
Углеродистый Ст3, 10, 20, 15К, 16К, 18К, 20К, 20ЮЧ
Низколегированный марганцовистый, марганцево-кремнистый 16ГС, 17ГС, 17Г1С, 09Г2С, 10Г2СФ, 10Г2С1, 10Г2, 10Г2С1Д, 09Г2, 09Г2СЮЧ, 16ГМЮЧ, 09Г2СФБ
Низколегированный хромомолибденовый, хромомолибденованадиевый 12МХ, 12ХМ, 12Х1МФ, 15Х1М, 10Х2ГНМ, 1Х2М1, 20Х2МА, 15Х2МФА
Мартенситный 15X5, 15Х5М, 15Х5ВФ, 12Х8ВФ, 20X13, Х9М, 12X13
Ферритный 08X13, 08Х17Т, 15Х25Т
Аустенитный 10Х14Г14Н4Т, 08Х18Н10Т, 08Х18Н12Б, 10Х17Н13М2Т, 08X17Н15М3Т, 03X17H14М3, 12Х18Н12Т, 02Х18Н11, 02Х8Н22С6, 03Х19АГ3Н10Т, 07ХГЗАГ20, 12Х18Н10Т, 12Х18Н9Т, 03Х21Н21М4ГБ
Сплавы на железоникелевой и никелевой основе 06Х28МДТ, 03Х28МДТ, ХН32Т
Аустенитно-ферритный 08Х22Н6Т, 08Х21Н6М2Т, 08Х18Г8Н2Т, 15Х18Н12С4ТЮ

Приложение 28
(обязательное)

ПАСПОРТ СОСУДА, РАБОТАЮЩЕГО ПОД ДАВЛЕНИЕМ НЕ СВЫШЕ 0,07 МПА (0,7 КГС/СМ2), БЕЗ ДАВЛЕНИЯ (ПОД НАЛИВ) ИЛИ ПОД ВАКУУМОМ.

Заводской номер        
         
1. Общие данные        
         
Наименование и адрес владельца сосуда        
Наименование и адрес предприятия-изготовителя        
Наименование и назначение сосуда        
         
2. Характеристика сосуда        
         
Наименование рабочего пространства. Характеристика Корпус Рубашка Трубное пространство
Рабочее или условное давление, МПа (кгс/см2)      
Расчетное давление, МПа (кгс/см2)      
Пробное давление, МПа (кгс/см2) гидравлическое      
пневматическое      
Испытательная среда      
Температура испытательной среды, °С      
Внутренний диаметр, мм      
Длина (высота), мм      
Наименование рабочей среды      
Внутренний объем, м3      
Масса пустого сосуда, кг      
Перемешивающее устройство число оборотов      
мощность двигателя      

3. Материал основных деталей

Наименование детали (обечайка, днище, патрубки, фланцы, крепеж и др.) Материал, ГОСТ., ТУ
   

4. Комплектующие изделия (основные)

Наименование и характеристика ГОСТ, ТУ Предприятие-изготовитель
     

5. Сведения по испытаниям на предприятии-изготовителе

6. Отклонения от чертежа при изготовлении

7. Перечень прилагаемой технической документации

Наименование документа Обозначение Заводской номер Количество экз.
       

8. Удостоверение о качестве

М. П. Главный инженер предприятия
  Начальник ОТК

Приложения:

чертеж общего вида,

расчет на прочность,

инструкция по монтажу и эксплуатации (при необходимости).

Приложение 29
к ОСТ 26 291-94
(Справочное)

НОРМАТИВНЫЕ ССЫЛКИ

(в ред. Изменения N 2)

В настоящем стандарте использованы ссылки на следующие стандарты, правила, нормы, руководящие документы, технические условия:

ГОСТ 2.601 ЕСКД. Эксплуатационные документы

ГОСТ 2.901 ЕСКД. Требования к документам, отправляемым за границу

ГОСТ 9.014 ЕСЗКС. Временная противокоррозионная защита изделий. Общие требования

ГОСТ 9.402 ЕСЗКС. Покрытия лакокрасочные. Подготовка металлических поверхностей перед окрашиванием

ГОСТ 12.1.005 ССБТ. Общие санитарно-гигиенические требования к воздуху рабочей зоны

ГОСТ 12.1.007 ССБТ. Вредные вещества. Классификация и общие требования безопасности

ГОСТ 12.4.026 ССБТ. Цвета сигнальные и знаки безопасности

ГОСТ 26.008 Шрифты для надписей, наносимых методом гравирования. Исполнительные размеры

ГОСТ 26.020 Шрифты для средств измерений и автоматизации. Начертания и основные размеры

ГОСТ 356 Арматура и детали трубопроводов. Давления условные, пробные и рабочие. Ряды

ГОСТ 380 Сталь углеродистая обыкновенного качества. Марки

ГОСТ 427 Линейки измерительные металлические. Технические условия

ГОСТ 481 Паронит и прокладки из него. Технические условия

ГОСТ 492 Никель, сплавы никелевые и медно-никелевые, обрабатываемые давлением. Марки

ГОСТ 494 Трубы латунные. Технические условия

ГОСТ 535 Прокат сортовой и фасонный из стали углеродистой обыкновенного качества. Общие технические условия

ГОСТ 550 Трубы стальные бесшовные для нефтеперерабатывающей и нефтехимической промышленности. Технические условия

ГОСТ 931 Листы и полосы латунные. Технические условия

ГОСТ 977 Отливки стальные. Общие технические условия

ГОСТ 1050 Прокат сортовой, калиброванный со специальной отделкой поверхности из углеродистой качественной конструкционной стали. Общие технические условия

ГОСТ 1525 Прутки медные. Технические условия

ГОСТ 1577 Прокат листовой и широкополосный универсальный из конструкционной качественной стали. Технические условия

ГОСТ 2246 Проволока стальная сварочная. Технические условия

ГОСТ 2991 Ящики дощатые неразборные для грузов массой до 500 кг. Общие технические условия

ГОСТ 3242 Соединения сварные. Методы контроля качества

ГОСТ 3262 Трубы стальные водогазопроводные. Технические условия

ГОСТ 4543 Прокат из легированной конструкционной стали. Технические условия

ГОСТ 4784 Алюминий и сплавы алюминиевые деформируемые. Марки

ГОСТ 5063 Полосы из медно-никелевых сплавов. Технические условия

ГОСТ 5520 Сталь листовая углеродистая низколегированная для котлов и сосудов, работающих под давлением. Технические условия

ГОСТ 5521 Прокат стальной для судостроения. Технические условия

ГОСТ 5582 Прокат тонколистовой коррозионно-стойкий, жаростойкий и жаропрочный. Технические условия

ГОСТ 5583 Кислород газообразный технический и медицинский. Технические условия

ГОСТ 5632 Стали высоколегированные и сплавы коррозионностойкие, жаростойкие и жаропрочные. Марки

ГОСТ 5949 Сталь сортовая и калиброванная коррозионностойкая, жаростойкая и жаропрочная. Технические требования

ГОСТ 5959 Ящики из листовых древесных материалов неразборные для грузов массой до 200 кг. Общие технические условия

ГОСТ 6032 Стали и сплавы коррозионностойкие. Методы испытаний на стойкость против межкристаллитной коррозии

ГОСТ 6102 Ткани асбестовые. Технические условия

ГОСТ 6533 Днища эллиптические отбортованные стальные для сосудов и аппаратов. Основные размеры

ГОСТ 6996 Сварные соединения. Методы определения механических свойств

ГОСТ 7062 Поковки из углеродистой и легированной стали, изготовляемые ковкой на прессах. Припуски и допуски

ГОСТ 7350 Сталь толстолистовая коррозионностойкая, жаростойкая и жаропрочная. Технические условия

ГОСТ 7505 Поковки стальные штампованные. Допуски, припуски и кузнечные напуски

ГОСТ 7512 Контроль неразрушающий. Соединения сварные. Радиографический метод

ГОСТ 7829 Поковки из углеродистой и легированной стали, изготовляемые ковкой на молотах. Припуски и допуски

ГОСТ 8050 Двуокись углерода газообразная и жидкая. Технические условия

ГОСТ 8479 Поковки из конструкционной углеродистой и легированной стали. Общие технические условия

ГОСТ 8724 Основные нормы взаимозаменяемости. Резьба метрическая. Диаметры и шаги

ГОСТ 8731 Трубы стальные бесшовные горячедеформированные. Технические условия

ГОСТ 8733 Трубы стальные бесшовные холоднодеформированные. Технические условия

ГОСТ 9012 Металлы. Метод измерения твердости по Бринеллю

ГОСТ 9013 Металлы. Метод измерения твердости по Роквеллу

ГОСТ 9045 Прокат тонколистовой холоднокатаный из низкоуглеродистой качественной стали для холодной штамповки. Технические условия

ГОСТ 9087 Флюсы сварочные плавленные. Технические условия

ГОСТ 9454 Металлы. Метод испытания на ударный изгиб при пониженных, комнатной и повышенных температурах

ГОСТ 9466 Электроды покрытые металлические для ручной дуговой сварки сталей и наплавки. Классификация и общие технические требования

ГОСТ 9467 Электроды покрытые металлические для ручной дуговой сварки конструкционных и теплоустойчивых сталей. Типы

ГОСТ 9617 Сосуды и аппараты. Ряды диаметров

ГОСТ 9634 Колпачки капсульные стальные колонных аппаратов. Конструкция и размеры. Технические требования

ГОСТ 9940 Трубы бесшовные горячедеформированные из коррозионностойкой стали. Технические условия

ГОСТ 9941 Трубы бесшовные холодно- и теплодеформированные из коррозионностойкой стали. Технические условия

ГОСТ 10006 Трубы металлические. Метод испытания на растяжение

ГОСТ 10052 Электроды покрытые металлические для ручной дуговой сварки высоколегированных сталей с особыми свойствами. Типы

ГОСТ 10092 Трубы мельхиоровые для теплообменных аппаратов. Технические условия

ГОСТ 10157 Аргон газообразный и жидкий. Технические условия

ГОСТ 10198 Ящики деревянные для грузов массой св. 200 до 20000 кг. Общие технические условия

ГОСТ 10706 Трубы стальные электросварные прямошовные. Технические требования

ГОСТ 10885 Сталь листовая горячекатаная двухслойная коррозионностойкая. Технические условия

ГОСТ 11036 Сталь сортовая электротехническая нелегированная. Технические условия

ГОСТ 12619 Днища конические отбортованные с углами при вершине 60 и 90°. Основные размеры

ГОСТ 12620 Днища конические неотбортованные с углами при вершине 60, 90 и 120°. Основные размеры

ГОСТ 12621 Днища конические неотбортованные с углом при вершине 140°. Основные размеры

ГОСТ 12622 Днища плоские отбортованные. Основные размеры

ГОСТ 12623 Днища плоские неотбортованные. Основные размеры

ГОСТ 12815 Фланцы арматуры, соединительных частей и трубопроводов на Ру от 0,1 до 20,0 МПа (от 1 до 200 кгс/см2). Типы. Присоединительные размеры и размеры уплотнительных поверхностей

ГОСТ 12816 Фланцы арматуры, соединительных частей и трубопроводов на Ру от 0,1 до 20,0 МПа (от 1 до 200 кгс/см2). Общие технические требования

ГОСТ 12817 Фланцы литые из серого чугуна на Ру от 0,1 до 1,6 МПа (от 1 до 16 кгс/см2). Конструкция и размеры

ГОСТ 12818 Фланцы литые из ковкого чугуна на Ру от 1,6 до 4,0 МПа (от 16 до 40 кгс/см2). Конструкция и размеры

ГОСТ 12819 Фланцы литые стальные на Ру от 1,6 до 20,0 МПа (от 16 до 200 кгс/см2). Конструкция и размеры

ГОСТ 12820 Фланцы стальные плоские приварные на Ру от 0,1 до 2,5 МПа (от 1 до 25 кгс/см2). Конструкция и размеры

ГОСТ 12821 Фланцы стальные приварные встык на Ру от 0,1 до 20,0 МПа (от 1 до 200 кгс/см2). Конструкция и размеры

ГОСТ 12822 Фланцы стальные свободные на приварном кольце на Ру от 0,1 до 2,5 МПа (от 1 до 25 кгс/см2). Конструкция и размеры

ГОСТ 12971 Таблички прямоугольные для машин и приборов. Размеры

ГОСТ 14192 Маркировка грузов

ГОСТ 14637 Прокат толстолистовой из углеродистой стали обыкновенного качества. Технические условия

ГОСТ 14782 Контроль неразрушающий. Соединения сварные. Методы ультразвуковые

ГОСТ 15150 Машины, приборы и другие технические изделия. Исполнения для различных климатических районов. Категории, условия эксплуатации, хранения и транспортирования в части воздействия климатических факторов внешней среды

ГОСТ 15527 Сплавы медно-цинковые (латуни), обрабатываемые давлением. Марки

ГОСТ 17217 Трубы из медно-никелевого сплава марки МНЖ-5-1. Технические условия

ГОСТ 17232 Плиты из алюминия и алюминиевых сплавов. Технические требования

ГОСТ 17314 Устройства для крепления тепловой изоляции стальных сосудов и аппаратов. Конструкция и размеры. Технические требования

ГОСТ 17375 Детали трубопроводов стальные бесшовные приварные на Ру<=10 МПа (<=100 кгс/см2). Отводы крутоизогнутые. Конструкция и размеры.

ГОСТ 17380 Детали трубопроводов стальные бесшовные приварные на Ру<=10 МПа (<=100 кгс/см2). Технические условия

ГОСТ 17711 Сплавы медно-цинковые (латуни) литейные. Марки

ГОСТ 18475 Трубы холоднодеформированные из алюминия и алюминиевых сплавов. Технические условия

ГОСТ 18482 Трубы прессованные из алюминия и алюминиевых сплавов. Технические условия

ГОСТ 18661 Сталь. Измерение твердости методом ударного отпечатка

ГОСТ 19281 Прокат из стали повышенной прочности. Общие технические условия

ГОСТ 19903 Прокат листовой горячекатаный. Сортамент

ГОСТ 20072 Сталь теплоустойчивая. Технические условия

ГОСТ 20700 Болты, шпильки, гайки и шайбы для фланцевых и анкерных соединений, пробки и хомуты с температурой среды от 0 до 650°С. Технические условия

ГОСТ 21488 Прутки прессованные из алюминия и алюминиевых сплавов. Технические условия

ГОСТ 21631 Листы из алюминия и алюминиевых сплавов. Технические условия

ГОСТ 21646 Трубы латунные для теплообменных аппаратов. Технические условия

ГОСТ 21650 Средства скрепления тарно-штучных грузов в транспортных пакетах

ГОСТ 22727 Прокат листовой. Методы ультразвукового контроля

ГОСТ 23055 Контроль неразрушающий. Сварка металлов плавлением. Классификация сварных соединений по результатам радиографического контроля

ГОСТ 24379.0 Болты фундаментные. Общие технические условия

ГОСТ 24634 Ящики деревянные для продукции, поставляемой для экспорта. Общие технические условия

ГОСТ 24643 Основные нормы взаимозаменяемости. Допуски формы и расположения поверхностей. Числовые значения

ГОСТ 25054 Поковки из коррозионностойких сталей и сплавов. Общие технические условия

ГОСТ 25347 Основные нормы взаимозаменяемости. ЕСДП. Поля допусков и рекомендуемые посадки

ГОСТ 26159 Сосуды и аппараты чугунные. Нормы и методы расчета на прочность. Общие требования

ГОСТ 26179 Основные нормы взаимозаменяемости. Допуски размеров свыше 10000 до 40000 мм

ГОСТ 26296 Лапы опорные подвесных вертикальных сосудов и аппаратов. Основные размеры

ГОСТ 26364 Ферритометры для сталей аустенитного класса. Общие технические условия

ГОСТ 26645 Отливки из металлов и сплавов. Допуски размеров, массы и припуски на механическую обработку

ГОСТ 26828 Изделия машиностроения и приборостроения. Маркировка

ГОСТ 27601 Аппараты теплообменные кожухотрубчатые. Общие технические требования

ГОСТ 28759.2 Фланцы сосудов и аппаратов стальные плоские приварные. Конструкция и размеры

ГОСТ 28759.3 Фланцы сосудов и аппаратов стальные приварные встык. Конструкция и размеры

ГОСТ 28759.4 Фланцы сосудов и аппаратов стальные приварные встык под прокладку восьмиугольного сечения. Конструкция и размеры

ГОСТ 28759.5 Фланцы сосудов и аппаратов. Технические требования

ГОСТ Р 50460 Знак соответствия при обязательной сертификации. Форма, размеры и технические требования

ОСТ 26-3 Сварка в химическом машиностроении. Основные положения

ОСТ 26-5 Контроль неразрушающий. Цветной метод контроля сварных соединений, направленного и основного металла

ОСТ 26-2043 Болты, шпильки, гайки и шайбы для фланцевых соединений. Технические требования

ОСТ 26-2044 Швы стыковых и угловых сварных соединений сосудов и аппаратов, работающих под давлением. Методы ультразвукового контроля

ОСТ 26-2079 Швы сварных соединений сосудов и аппаратов, работающих под давлением. Выбор методов неразрушающего контроля

ОСТ 26-2091 Опоры горизонтальных сосудов и аппаратов. Конструкция

ОСТ 26-01-84 Швы сварных соединений стальных сосудов и аппаратов, работающих под давлением. Методика магнитопорошкового метода контроля

ОСТ 26-01-135 Поковки деталей сосудов, аппаратов и деталей трубопроводов высокого давления. Общие технические требования, правила приемки, методы испытаний

ОСТ 26-02-1015 Крепление труб в трубных решетках

ОСТ 26-07-402 Отливки стальные для трубопроводной арматуры и приводных устройств к ней. Общие технические условия

ОСТ 26-11-03 Швы сварных соединений сосудов и аппаратов, работающих под давлением. Радиографический метод контроля

ОСТ 26-11-09 Поковки и штамповки сосудов и аппаратов, работающих под давлением. Методика ультразвукового контроля

ОСТ 26-11-10 Швы сварных соединений сосудов и аппаратов, работающих под давлением. Рентгенотелевизионный метод контроля

ОСТ 26-11-14 Сосуды и аппараты, работающие под давлением. Газовые и жидкостные методы контроля герметичности

ОСТ 36-18 Приспособления для выверки аппаратов колонного и башенного типов. Конструкция, размеры и технические требования

ОСТ 108.030.113 Поковки из углеродистой, легированной и высоколегированной сталей для котлов, сосудов и стационарных трубопроводов. Общие технические условия

СНиП 2.01.01-82 Строительная климатология и геофизика

Правила устройства и безопасной эксплуатации сосудов, работающих под давлением, утвержденные Госгортехнадзором России

МВЭС СССР. Объединение информационного обеспечения и автоматизированной обработки данных. Положение о порядке составления, оформления и рассылки технической и товаросопроводительной документации на товары, поставляемые для экспорта

АТК 24.200.03-90 Опоры-стойки вертикальных аппаратов. Типы, конструкция и размеры

АТК 24.200.04-90 Опоры цилиндрические и конические вертикальных аппаратов. Типы и основные размеры

РД 24.200.04-90 Швы сварных соединений. Металлографический метод контроля основного металла и сварных соединений нефтехимической аппаратуры

РТМ 26-44-82 Термическая обработка нефтехимической аппаратуры и ее элементов

РТМ 26-298-78 Сосуды и аппараты стальные сварные. Соединения из разнородных сталей

РТМ 26-378-81 Сварка в защитных газах нефтехимической аппаратуры из разнородных сталей

РД 24.202.03-90 Покрытия лакокрасочные атмосферостойкие для нефтегазоперерабатывающего оборудования. Технические требования

РТМ 26-02-52-80 Методы консервации. Химпром

РТМ 26-02-66-83 Методы консервации оборудования, выпускаемого заводами НПО Союзнефтехиммаш

РД 26-11-01-85 Инструкция по контролю сварных соединений, недоступных для проведения радиографического и ультразвукового контроля

РД 26-11-08-86 Соединения сварные. Механические испытания

ТУ ИЭС 291 Флюс АН-9У

ТУ ИЭС 375 Электроды марки АНВ-37

ТУ ИЭС 376 Электроды марки АНВ-38

ТУ ИЭС 519 Флюс АНК-61

ТУ 0251-16 Отливки ЦЭШЛ

ТУ 5.965-11238 Флюсы марки ФП-33 и ФП-33М

ТУ 5.965-11313 Электроды типа Н-3А

ТУ 14-1-49-1414 Проволока сварочная типов Св-10ХЗМ1А и Св-10ХЗГМФТА

ТУ 14-1-284 Прутки горячекатаные и кованые из стали марки Х20Н32Т (ЭП 670)

ТУ 14-1-368 Проволока сварочная марки Св-01Х24Н25АГ7Д

ТУ 14-1-394 Сталь толстолистовая высоколегированная коррозионностойкая 2X13, Х18Н10Т, 08Х18Н10Т, Х17Н13М2Т, 0Х17Н13М2Т, Х17Н13М3Т

ТУ 14-1-561 Прутки кованые (горячекатаные) из стали марки 15Х18Н12С4ТЮ

ТУ 14-1-625 Лист толстый из сплава марки ХН32Т (ЭП 670)

ТУ 14-1-743 Листы горячекатаные из стали марки 03Х13АГ19

ТУ 14-1-763 Прокат толстолистовой из стали марки 07Х16Н6

ТУ 14-1-915 Прутки из коррозионностойкой стали марки 15Х18Н12С4ТЮ-Ш (ЭИ 654-Ш)

ТУ 14-1-973 Проволока стальная сварочная из коррозионностойких аустенитных марок: Св-01Х18Н10 (ЭП 550) и СВ-01Х17Н14М2 (ЭП 551)

ТУ 14-1-1034 Листовой прокат двухслойный 20К+НМжМц28-2,5-1,5

ТУ 14-1-1160 Сталь сортовая коррозионностойкая марки 03Х18Н11

ТУ 14-1-1337 Листы из коррозионностойкой стали марки 15Х18Н12С4ТЮ (ЭИ 654)

ТУ 14-1-1431 Кольца горячекатаные для фланцев из стали марки 30

ТУ 14-1-1595 Проволока высоколегированная из стали марок Св-03Х18Н15Г6М2АВ2, Св-05Х15Н9Г6АМ

ТУ 14-1-1660 Прутки из стали марки 07X16Н6

ТУ 14-1-2072 Сталь толстолистовая низколегированная марки 09Г2С-Ш электрошлакового переплава для сосудов, работающих под давлением

ТУ 14-1-2219 Проволока стальная сварочная марок Св-10НЮ и Св-10Х2М

ТУ 14-1-2261 Сталь горячекатаная листовая коррозионностойкая марки 03Х19АГ3Н10

ТУ 14-1-2304 Прокат листовой стали марки 12ХМ

ТУ 14-1-2338 Проволока сварочная из стали марок Св-06Х8Г2СМФТЮч и Св-06Х3Г2СМФТЮч

ТУ 14-1-2372 Флюс сварочный плавильный марки АН-45

ТУ 14-1-2375 Прокат тонколистовой из стали марки 07Х16Н6

ТУ 14-1-2542 Сталь толстолистовая высоколегированная коррозионностойкая марок 08Х18Н10Т, 12Х18Н10Т

ТУ 14-1-2571 Проволока сварочная из стали марок Св-01Х23Н28М3Д3Т и Св-03Х23Н28М3Д3Т

ТУ 14-1-2657 Прокат листовой стали марки 15Х5М

ТУ 14-1-2726 Сталь листовая горячекатаная двухслойная коррозионностойкая толщиной 65-120 мм

ТУ 14-1-2795 Проволока стальная сварочная из коррозионностойких аустенитных марок Св-01Х18Н10 (ЭП 550) и Св-01Х17Н14М2 (ЭП 551)

ТУ 14-1-3023 Прокат листовой широкополосный универсальный и фасонный из углеродистой и низколегированной стали с гарантированным уровнем механических свойств, дифференцированным по группам прочности

ТУ 14-1-3199 Сталь тонколистовая коррозионностойкая марок 08Х18Н10, 08Х18Н10Т, 12Х18Н9, 12Х18Н10Т

ТУ 14-1-3233 Проволока стальная сварочная марки Св-02Х8Н22 (ЭИ 794)

ТУ 14-1-3262 Проволока сварочная марки Св-02Х21Н21М4Г2Б (ЭИ 69)

ТУ 14-1-3303 Сталь сортовая коррозионностойкая низкоуглеродистая марки 03Х17Н14М3 (ЭИ 66)

ТУ 14-1-3332 Прокат листовой стали марки 20ЮЧ

ТУ 14-1-3333 Прокат толстолистовой стойкий к коррозионному растрескиванию

ТУ 14-1-3342 Сталь толстолистовая коррозионностойкая марки 07Х13АГ20 (ЧС 46)

ТУ 14-1-3648 Проволока сварочная из стали марки Св-08Г2СНТЮР

ТУ 14-1-3669 Прокат тонколистовой из стали марки 15Х18Н12С4ТЮ

ТУ 14-1-3812 Прутки из коррозионностойкой стали марок 02Х8Н22С6 (ЭП 794), 02Х8Н22С6-ПД (ЭП 794-ПД), 02Х8Н22С6-Ш (ЭП 794-Ш), 02Х8Н22С6-ИД (ЭП 794-ИД)

ТУ 14-1-3832 Прокат листовой из низколегированных сталей 09Г2С и 16ГС

ТУ 14-1-3922 Прокат толстолистовой горячекатаный из стали марки 20К

ТУ 14-1-3952 Проволока сварочная марки Св-01Х21Н10С6Ц

ТУ 14-1-4083 Сталь листовая марки 09Г2ФБ и 10Г2ФБ улучшенной свариваемости и хладостойкости

ТУ 14-1-4088 Прокат толстолистовой из углеродистой стали марки 20К

ТУ 14-1-4175 Сталь листовая двухслойная коррозионностойкая марок 15Г2СФ+12Х18Н10Т, 15Г2СФ+10Х17Н13М3Г2 и 15Г2СФ+08Х17Н15М3Т

ТУ 14-1-4181 Проволока сварочная и катанка из стали марки Св-10Х3ГМ ускоренно-охлажденной с прокатного нагрева

ТУ 14-1-4212 Сталь листовая двухслойная коррозионностойкая марок 15Г2СФ+12Х18Н10Т, 15Г2СФ+10Х17Н13М3Т и 15Г2СФ+08Х17Н15М3Т

ТУ 14-1-4355 Проволока стальная сварочная из стали марок Св-08АА-ВИ, Св-08ХМАА-ВИ, Св-08ГТАА-ВИ, СВ-10Х2ГМФТАА-ВИ

ТУ 14-1-4372 Проволока стальная сварочная из стали марки Св-03Х24Н6АМ3

ТУ 14-1-4502 Прокат листовой низколегированный стали марки 15Г2СФ

ТУ 14-1-4688 Прокат листовой двухслойный коррозионностойкий с основным слоем из стали марки 15Г2СФ

ТУ 14-1-4780 Прокат листовой коррозионностойкий в рулонах

ТУ 14-1-4826 Прокат листовой низколегированный марки 16ГМЮЧ

ТУ 14-1-4853 Прокат толстолистовой стойкий к коррозионному растрескиванию

ТУ 14-1-4914 Проволока стальная сварочная марок Св-10Х3ГМФТА и Св-10Х3М1А

ТУ 14-1-4981 Проволока стальная сварочная марок Св-06Х21Н7БТ (ЭП 500), Св-08Х25Н20С3Р1 (ЭП 532), Св-08Х15Н23В7Г7М2 (ЭП 88), Св-08Х20Н9С2БТЮ (ЭП 156), Св-01Х19Н18Г10АМЧ (ЭП 690)

ТУ 14-1-5054 Сталь горячекатаная толстолистовая коррозионностойкая вакуумно-обезуглероженная марок 02Х17Н14М3-ВО, 03Х17Н14М3-ВО

ТУ 14-1-5056 Сталь тонколистовая коррозионностойкая марки 03Х17Н14М3

ТУ 14-1-5065 Сталь тонколистовая низколегированная марок 09Г2СЮЧ, 09ХГ2СЮЧ

ТУ 14-1-5071 Прокат толстолистовой из коррозионностойкой стали марок 02Х17Н14М3-ВИ, 03Х17Н14М3-ВИ

ТУ 14-1-5073 Прокат горячекатаный толстолистовой коррозионностойкий марок 03Х18Н11 и 03Х17Н14М3

ТУ 14-1-5075 Сталь толстолистовая горячекатаная марок 02Х8Н22С6-ПД (ЭП 794-ПД) и 02Х8Н22С6-Ш (ЭП 794-Ш)

ТУ 14-1-5076 Сталь тонколистовая холоднокатаная марок 02Х8Н22С6-ПД (ЭП 794-ПД) и 02Х8Н22С6-Ш (ЭП 794-Ш)

ТУ 14-1-5093 Сталь толстолистовая теплоустойчивая марок 12МХ и 12ХМ

ТУ 14-1-5117 Сталь толстолистовая легированная марки 10Х2ГНМ для сосудов, работающих под давлением

ТУ 14-1-5142 Сталь горячекатаная толстолистовая коррозионностойкая вакуумно-обезуглероженная марок 02Х18Н11, 03Х18Н11

ТУ 14-3-190 Трубы стальные бесшовные для котельных установок и трубопроводов

ТУ 14-3-303 Трубы бесшовные горячекатаные из стали 03Х13АГ19 (ЧС 36)

ТУ 14-3-310 Трубы бесшовные холоднодеформированные из стали 14Х18Н12С4ТЮ (ЭИ 654)

ТУ 14-3-318 Трубы бесшовные горячепрессованные из стали марки 0Х23Н28М3Д3Т (ЭИ 943)

ТУ 14-3-375 Кольца для фланцев стальные горячекатаные

ТУ 14-3-396 Трубы бесшовные горячекатаные и холоднодеформированные из коррозионностойкой стали марки 03Х17Н14М3 (ЭИ 66)

ТУ 14-3-415 Трубы бесшовные из стали 03Х19АГЗН10

ТУ 14-3-457 Трубы печные и коммуникационные для нефтеперерабатывающей промышленности

ТУ 14-3-460 Трубы стальные бесшовные для паровых котлов и трубопроводов

ТУ 14-3-489 Трубы горячекатаные и холоднодеформированные из жаропрочного сплава ХН32Т (Х20Н32Т, ЭП 670)

ТУ 14-3-624 Трубы электросварные из углеродистой стали 10 и 20 для химического и нефтяного машиностроения

ТУ 14-3-694 Трубы бесшовные холоднодеформированные из стали марки 03Х21Н21М4ГБ (ЭИ 35) и сплава 03ХН28МДТ (ЭП 516)

ТУ 14-3-696 Трубы горячепрессованные из сплава 03ХН28МДТ (ЭП 516) и стали 03Х21Н21М4ГБ (ЭИ 35)

ТУ 14-3-751 Трубы бесшовные холоднодеформированные из сплава ЭП 516 и стали марки ЭИ 35

ТУ 14-3-763 Трубы бесшовные холоднодеформированные из стали марки 06ХН28МДТ (ЭИ 943)

ТУ 14-3-822 Трубы бесшовные из коррозионно-стойкой стали марки 06ХН28МДТ (ЭИ 943)

ТУ 14-3-949 Трубы бесшовные теплодеформированные из стали марки 15Х25Т

ТУ 14-3-1024 Трубы бесшовные холодно- и теплодеформированные из стали 02Х8Н22С6 (ЭИ 794)

ТУ 14-3-1080 Трубы бесшовные горячекатаные из стали марки 15Х5М для нефтедобывающей промышленности

ТУ 14-3-1128 Трубы стальные бесшовные горячедеформированные для газопроводов газлифтных систем и обустройства газовых месторождений

ТУ 14-3-1201 Трубы бесшовные из стали марки 03ХН28МДТ (ЭП 516)

ТУ 14-3-1322 Трубы бесшовные из стали марки 07Х13АГ20

ТУ 14-3-1323 Трубы бесшовные из стали марки 07Х13АГ20

ТУ 14-3-1339 Трубы бесшовные горячедеформированные из стали марки 02Х18Н11

ТУ 14-3-1348 Трубы бесшовные тепло- и холоднодеформированные из стали марки 03Х17Н14М3

ТУ 14-3-1357 Трубы бесшовные горячедеформированные из стали марки 03Х17Н14М3

ТУ 14-3-1391 Трубы стальные электросварные холоднодеформированные из коррозионностойкой стали

ТУ 14-3-1401 Трубы бесшовные холоднодеформированные из стали марки 02Х18Н11

ТУ 14-3-1464 Трубы стальные электросварные прямошовные экспандированные диаметром 1420 мм из стали марки 10Г2ФБ

ТУ 14-3-1596 Трубы бесшовные холодно- и теплодеформированные из коррозионностойкой стали

ТУ 14-3-1600 Трубы бесшовные из стали марки 20ЮЧ

ТУ 14-3-1652 Трубы холоднодеформированные из стали 20ЮЧ

ТУ 14-3-1745 Трубы бесшовные горячедеформированные из стали марки 20ЮЧ

ТУ 14-3-1905 Трубы бесшовные горяче- и холоднодеформированные из коррозионностойкой стали марок 08Х22Н6Т (ЭП 53), 08Х21Н6М2Т (ЭП 54) и 10Х14Г14Н4Т (ЭП 711)

ТУ 14-4-316 Электроды марки ОЗЛ-26А

ТУ 14-4-579 Электроды марки ОЗЛ-24

ТУ 14-4-715 Электроды марки ОЗЛ-17У

ТУ 14-4-807 Электроды марки В-56У

ТУ 14-4-1276 Электроды марки ОЗЛ-37-2

ТУ 14-168-43 Электроды марки ОЗЛ-40 и ОЗЛ-41

ТУ 24-10-003 Листы из стали марок 12ХМ и 12ХМ# толщиной от 20 до 130 мм

ТУ 26-02-19 Отливки стальные для оборудования нефтеперерабатывающих и нефтехимических заводов

ТУ 26-0303-1532 Поковки из стали марки 20ЮЧ

ТУ 48-21-234 Ленты из кремнистомарганцевой бронзы марки КМЦ 3-1

ТУ 48-21-284 Проволока сварочная для автоматической сварки коррозионностойкого слоя сплава НМЖНц-28-2,5-1,5

ТУ 48-21-897 Листы и плиты латунные

ТУ 108-11-543 Прокат толстолистовой котельной стали марки 22К

ТУ 108-11-928 Листы из стали марки 10Х2ГНМА-А

ТУ 108-13-39 Поковки из легированной стали марки 10Х2М1А-А

ТУ 108.131 Заготовки из теплоустойчивой стали

ТУ 108.930 Листы (плиты) из стали марок 12Х18Н10Т и 08Х18Н10Т

ТУ 108.948.02 Флюсы сварочные типов ФЦ-16 и ФЦ-16А

ТУ 108.1151 Листы из стали марок 12Х18Н10Т, 08Х18Н10Т, 12Х18Н10ГТ, 08Х18Н10ГТ

ТУ 108.1424 Флюс сварочный плавленный общего назначения марки АНЦ-1

ТУ 302-02-014 Заготовки из стали марки 15Х2МФА-А

ТУ 302-02-031 Заготовки из стали марок 12ХМ и 15ХМ

ТУ 302-02-121 Заготовки из стали марок 10Х2М1А-А и 10Х2М1А (10Х2М1А-ВД, 10Х2М1А-Ш)

ТУ 302-02-122 Заготовки из стали марок 09Г2С (09Г2С-Ш), 09Г2СА

ТУ 302-02-128 Заготовки из стали марки 10Х2М1А-А.