Технические условия размещения и крепления грузов в вагонах и контейнерах

(утв. МПС РФ от 27.05.2003 N ЦМ-943)
Редакция от 27.05.2003 — Действует с 01.07.2004

Утверждены
МПС России
27 мая 2003 г. N ЦМ-943

ТЕХНИЧЕСКИЕ УСЛОВИЯ РАЗМЕЩЕНИЯ И КРЕПЛЕНИЯ ГРУЗОВ В ВАГОНАХ И КОНТЕЙНЕРАХ

Глава 1. ТРЕБОВАНИЯ К РАЗМЕЩЕНИЮ И КРЕПЛЕНИЮ ГРУЗОВ В ВАГОНАХ И КОНТЕЙНЕРАХ

1. Общие положения

1.1. Настоящие Технические условия размещения и крепления грузов в вагонах и контейнерах (далее - ТУ) устанавливают порядок и условия размещения и крепления грузов в универсальных четырехосных вагонах (полувагоны, платформы) и в контейнерах при железнодорожных перевозках по территории Российской Федерации по железнодорожным путям, имеющим ширину колеи 1520 мм, со скоростью движения до 100 км/ч включительно.

1.2. Размещение и крепление грузов способами, которые не предусмотрены настоящими ТУ, должны выполняться в соответствии со способами, установленными местными техническими условиями размещения и крепления грузов (далее - МТУ) согласно положениям, предусмотренным в пунктах 7.1, 7.2 настоящей главы.

Размещение и крепление грузов способами, не разработанными ТУ и МТУ, должны выполняться в соответствии со способами, установленными непредусмотренными техническими условиями (далее - НТУ) согласно положениям пункта 7.3 настоящей главы.

1.3. При наличии в настоящих ТУ особых требований в отношении отдельных грузов либо их типоразмеров, отличных от общих требований настоящей главы, необходимо руководствоваться положениями соответствующих глав настоящих ТУ.

1.4. Разработка и экспериментальная проверка способов размещения и крепления опасных грузов должны выполняться с учетом требований разделов 7 и 12 настоящей главы. При этом экспериментальная проверка способов размещения и крепления опасных грузов должна проводиться на макетах или натурных образцах с безопасными (инертными) заменителями при условии соответствия (равенства) их массы и габаритных размеров.

1.5. Размещение и крепление грузов, масса и габаритные размеры которых превышают нормы, установленные настоящей главой, следует осуществлять в соответствии с Инструкцией по перевозке негабаритных и тяжеловесных грузов на железных дорогах государств - участников СНГ, Латвийской Республики, Литовской Республики, Эстонской Республики (далее - Инструкция).

1.6. Размещение и крепление съемного навесного оборудования, закрепление поворотных выдвигающихся частей новых кранов на железнодорожном ходу, перевозимых от заводов-изготовителей, а также кранов такого типа, не бывших в употреблении, осуществляются в соответствии с Инструкцией о порядке подготовки кранов в составе поездов, утвержденной производителем таких кранов по согласованию с МПС России.

Размещение и крепление съемного навесного оборудования бывших в употреблении кранов такого типа, а также закрепление поворотных выдвигающихся частей кранов, предъявляемых к перевозке без съемного навесного оборудования, осуществляются в соответствии с НТУ, утвержденными в установленном разделом 7 настоящей главы порядке.

1.7. Размещение и крепление грузов, поступающих от железнодорожных администраций других государств, должны соответствовать действующим на железнодорожном транспорте в Российской Федерации требованиям, если иное не установлено международными соглашениями, участником которых является Российская Федерация.

2. Габариты погрузки

2.1. Размещение на открытом железнодорожном подвижном составе грузов в зависимости от их размеров и крепления должно осуществляться в пределах габаритов погрузки. Виды габаритов погрузки и регионы их применения приведены в таблице 1 настоящей главы.

Таблица 1

Вид габарита погрузкиНомер рисунка, таблицыРаспространяется на грузыПрименение
ОсновнойРисунок 1, таблица 2Все грузыЖелезнодорожный транспорт
ЛьготныйРисунок 2, таблица 3Грузы, размещаемые в пределах погрузочной длины платформы, полувагонаЖелезнодорожный транспорт, за исключением участков: Хабаровск-1 - Амур; Кимкан - Богучан
ЗональныйРисунок 3, таблица 4Лесные грузы, погруженные по ТУ, МТУ. Грузы, размещаемые на основании разрешения МПС РоссииЖелезнодорожный транспорт, за исключением участков: Белореченская - Туапсе - Веселое; Крымская - Новороссийск; Чук - Лабытнанги; Пукса - Наволок; Тигей - Ачинск

Примечание. Зональный габарит погрузки не применяется при перевозке грузов назначением на железные дороги Азербайджана, Грузии, Армении, Украины (Львовская железная дорога).

Очертания габаритов погрузки приведены на рисунках 1 - 4 настоящей главы. Значения расстояния B от точек очертания габаритов до вертикальной плоскости, проходящей через ось железнодорожного пути, в зависимости от высоты H точки от уровня головки рельса (УГР) приведены в таблицах 2 - 4 настоящей главы.

Технические характеристики полувагонов и платформ приведены в приложении N 1 к настоящей главе.

Рис. 1. Очертание основного габарита погрузки

Рис. 2. Очертание льготного габарита погрузки

Рис. 3. Очертание зонального габарита погрузки

Рис.4. Соотношение очертаний габаритов погрузки:

1 - основной габарит погрузки; 2 - льготный габарит погрузки; 3 - зональный габарит погрузки


Таблица 2

Размеры основного габарита погрузка (в миллиметрах)

HBHBHB
380 - 39991625443012924870951
40001625444012844880944
40101617445012764890937
40201609446012684900930
40301601447012604910922
40401593448012524920915
40501585449012454930908
40601577450012384940901
40701569451012304950893
40801561452012224960885
40901554453012144970877
41001548454012064980869
41101540455011984990861
41201532456011905000853
41301524457011835010845
41401516458011765020837
41501509459011695030829
41601502460011625040821
41701495461011545050813
41801487462011465060805
41901479463011385070797
42001471464011305080789
42101463465011225090782
42201455466011145100775
42301447467011065110767
42401439468010985120759
42501431469010915130751
42601423470010845140743
42701415471010765150735
42801407472010685160727
42901400473010605170719
43001392474010525180711
43101385475010445190704
43201378476010365200697
43301371477010285210689
43401363478010215220681
43501355479010145230673
43601347480010075240665
4370133948109995250657
4380133148209915260649
4390132348309835270641
4400131648409755280634
4410130848509675290627
4420130048609595300620

Таблица 3

Размеры льготного габарита погрузки (в миллиметрах)

HBHBHBHB
380 - 1299162537401655441013324860982
1300 - 1400170037901654442013244870975
1452169938441653443013164880967
1504169838961652444013084890959
1556169739481651445013004900951
1608169640001650446012934910943
1660169540101642447012854920936
1712169440201634448012774930928
1764169340301627449012704940920
1816169240401619450012624950912
1868169140501611451012544960905
1920169040601603452012464970897
1972168940701596453012394980889
2024168840801588454012314990882
2076168740901580455012235000873
2128168641001572456012155010866
2180168541101564457012085020858
2232168441201557458012005030850
2284168341301549459011925040842
2336168241401541460011845050835
2388168141501533461011765060827
2440168041601526462011685070819
2492167941701518463011605080811
2544167841801510464011535090803
2596167741901502465011465100795
2648167642001495466011375110787
2700167542101487467011295120779
2752167442201479468011225130772
2804167342301472469011145140764
2856167242401464470011065150756
2908167142501456471010985160748
2960167042601448472010905170741
3012166942701441473010835180733
3064166842801433474010755190725
3116166742901425475010675200717
3168166643001417476010605210709
3220166543101409477010525220702
3272166443201402478010445230694
3324166343301394479010365240686
3376166243401386480010295250678
3428166143501378481010215260671
3480166043601371482010135270663
3532165943701363483010065280655
358416584380135548409985290647
363616574390134848509905300640
3688165644001339    

Таблица 4

Размеры зонального габарита погрузки (в миллиметрах)

HBHBHB
380 - 400016254440153448801343
401016234450153248901336
402016214460153049001328
403016194470152849101320
404016174480152649201313
405016154490152449301305
406016134500152149401298
407016114510151949501290
408016084520151749601282
409016064530151549701275
410016044540151349801267
411016024550151149901260
412016004560150950001252
413015984570150750101244
414015964580150550201237
415015944590150350301229
416015924600150150401222
417015904610149950501214
418015884620149750601206
419015864630149550701199
420015844640149250801191
421015824650149050901184
422015794660148851001176
423015774670148651101168
424015754680148451201161
425015734690148251301153
426015714700148051401146
427015694710147251501138
428015674720146551601130
429015654730145751701123
430015634740145051801115
431015614750144251901108
432015594760143452001100
433015574770142752101052
434015554780141952201004
43501553479014125230956
43601550480014045240908
43701548481013965250860
43801546482013895260812
43901544483013815270764
44001542484013745280716
44101540485013665290668
44201538486013585300620
4430153648701370  

2.2. В перевозочных документах на груз, погруженный в пределах льготного или зонального габарита погрузки, должны быть сделаны отметки соответственно "Льготный габарит" или "Зональный габарит":

- в оригинале транспортной железнодорожной накладной (далее - накладная) в графе "Место для особых отметок и штемпелей" - грузоотправителем;

- в вагонном листе в графе "Место для отметок" - уполномоченным перевозчиком лицом (в случае, когда перевозчик является одновременно владельцем инфраструктуры, - уполномоченным работником железнодорожной станции отправления).

2.3. Груз, погруженный на одиночный универсальный вагон либо на сцеп из двух универсальных вагонов, является габаритным, если он ни одной своей частью, включая упаковку и крепление, не выходит за пределы основного габарита погрузки и расстояние от поперечной плоскости симметрии вагона (либо сцепа) до конца груза (с одной либо с обеих сторон), включая упаковку и крепление, не превышает значений, указанных в таблице 5 настоящей главы. Проверка габаритности груза должна производиться при условии нахождения вагона на прямом горизонтальном участке пути и совмещения продольной вертикальной плоскости симметрии вагона с осью железнодорожного пути. Для грузов, длина либо размещение которых не соответствует установленным в таблице 5 настоящей главы ограничениям, допускаемая ширина по условию вписывания в основной габарит погрузки при прохождении кривых участков пути определяется по методике, приведенной в разделе 11 настоящей главы.

Таблица 5

в миллиметрах

Тип вагона или сцепаБаза <*>Наибольшее расстояние от середины вагона или сцепа до конца груза
вагонасцепа
Платформа9 720-8 810
14 720-11 200
Сцеп из 2 платформ9 72014 62011 100
Полувагон8 650-8 225

<*> Базой вагона (или сцепа) называется расстояние между направляющими сечениями, за которые принимаются:

- у одиночного вагона - расстояние между вертикальными осями подпятников тележек;

- у сцепа вагонов при размещении груза с опиранием на два вагона - расстояние между серединами опор, на которые опирается груз.

3. Подготовка вагонов, контейнеров к погрузке

3.1. Перед погрузкой пол вагона, опорные поверхности груза, подкладок, прокладок, упорных и распорных брусков, а также поверхности груза в местах контакта с обвязками и растяжками должны быть дополнительно очищены отправителем от снега, льда и грязи. В зимнее время грузоотправитель должен посыпать пол вагона и поверхности подкладок в местах опирания груза тонким слоем (1 - 2 мм) чистого сухого песка.

3.2. Разгрузочные люки полувагонов должны быть закрыты и заперты на запоры. Если размещение груза производится в пределах погрузочной длины и ширины кузова, торцовые борта платформ, торцовые двери полувагонов должны быть закрыты и заперты на запоры, клиновые запоры бортов платформ осажены вниз до упора, за исключением случаев, когда технология погрузки предполагает использование открытых бортов, дверей.

3.3. Перед погрузкой грузов, длина которых превышает длину пола платформы, полувагона, торцовые борта платформы должны быть откинуты на кронштейны, а двери полувагона - открыты и закреплены.

3.4. С целью исключения опирания груза на откинутые торцовые борта платформы груз должен быть размещен на подкладках.

3.5. Перед погрузкой грузов, ширина которых превышает ширину пола платформы, все секции продольных бортов платформы или некоторые из них должны быть грузоотправителем открыты и закреплены за кольца, имеющиеся на продольных балках рамы платформы. В случае отсутствия колец противоположные секции бортов должны быть грузоотправителем скреплены увязкой из проволоки диаметром не менее 4 мм в две нити, которая пропускается под боковыми и хребтовыми балками. В случаях, когда опущенные борта закрывают трафаретный номер платформы, он должен быть нанесен несмываемой белой краской на левых крайних секциях опущенных продольных бортов. Секции продольных бортов платформ сцепа также должны быть открыты, если они препятствуют естественному поперечному смещению груза при движении вагонов в криволинейных участках пути.

3.6. Для погрузки длинномерного груза формируется сцеп из двух и более вагонов в соответствии с требованиями раздела 11 настоящей главы.

3.7. Для предотвращения разъединения вагонов сцепа при маневровых работах в пути следования рукоятки расцепных рычагов долины быть закреплены к кронштейнам проволокой, а на боковых бортах вагонов с обеих сторон должна быть нанесена несмываемой краской надпись "Сцеп не разъединять".

3.8. Подготовка контейнеров к погрузке осуществляется в соответствии с требованиями главы 12 настоящих ТУ.

4. Средства крепления грузов в вагонах

Для крепления грузов в вагонах применяются растяжки, обвязки, стяжки (в том числе многозвенные), увязки, деревянные стойки, бруски и щиты, упорные башмаки, "шпоры", каркасы, кассеты, пирамиды, ложементы, турникетные устройства. Средства крепления могут быть одноразового и многоразового использования (многооборотные).

Общие технические требования к многооборотным средствам крепления и порядку их эксплуатации приведены в приложении N 2 к настоящей главе. Качество и надежность многооборотных средств крепления обеспечивается стороной, осуществляющей отправку груза (грузоотправителем). При оформлении перевозочных документов железнодорожная станция может запросить у грузоотправителя акт периодического освидетельствования многооборотного крепежного устройства, подтверждающий его пригодность к использованию.

При установке элементов крепления и крепежных устройств используются стандартные крепежные изделия, например болты, шпильки, гвозди, строительные скобы.

4.1. Растяжка - средство крепления, закрепляемое одним концом за увязочное устройство на грузе, другим - за специально предназначенное для этого увязочное устройство на кузове вагона. Обвязка - средство крепления, охватывающее груз и закрепляемое обоими концами за увязочные устройства на кузове вагона. Стяжка - средство крепления, предназначенное для соединения между собой и натяжения других средств крепления (как правило, растяжек, обвязок, стоек). Увязка - средство крепления, предназначенное для объединения отдельных единиц груза в одно грузовое место.

4.2. Для изготовления растяжек, обвязок, стяжек, увязок используют следующие материалы:

- стальную проволоку по ГОСТ 3282 в термообработанном (отжиг) состоянии, круглого сечения (ГОСТ 2590), квадратного сечения (ГОСТ 2591);

- прокат или полосу стали (ГОСТ 103);

- стальные цепи, тросы.

4.3. Использование для изготовления растяжек, обвязок, стяжек, увязок иных материалов допускается по согласованию с МПС России при условии подтверждения их надежности в порядке, предусмотренном для разработки ТУ и МТУ (раздел 7 настоящей главы).

Диаметр сечения круглого проката должен быть не менее 5 мм; площадь поперечного сечения некруглого проката должна быть не менее 20 мм2. На поверхности проката не должно быть механических повреждений, трещин, перекруток, расслоений, задиров.

4.4. Для крепления растяжек и обвязок в вагонах используются:

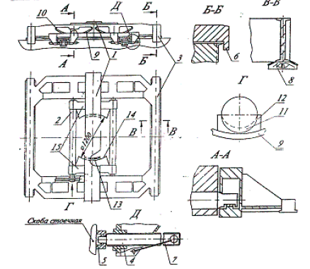
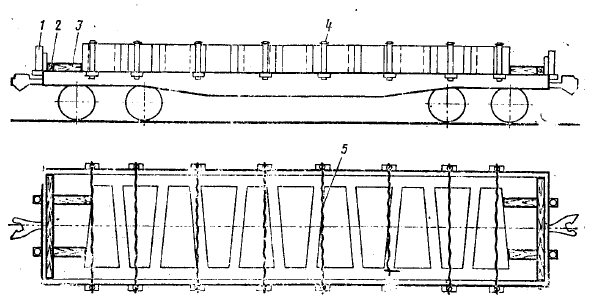
- на платформах (рис. 5 настоящей главы): боковые и торцовые стоечные скобы; опорные кронштейны на концевой балке; напольные увязочные устройства (при наличии); боковые скобы на платформах для крупнотоннажных контейнеров и колесной техники;

Рис. 5. Увязочные устройства универсальной платформы <*>

- в полувагонах (рис. 6 настоящей главы): нижние увязочные устройства (косынки); средние увязочные устройства, находящиеся на стойках боковых стен на высоте 1100 - 1200 мм от пола; верхние увязочные устройства в виде скоб внутри и снаружи верхней обвязки кузова.

Рис.6. Увязочные устройства универсального полувагона:

а - с торцовыми дверями; б - с торцовыми стенами

4.4.1. Не допускается крепление растяжек и обвязок к другим деталям кузова вагона, в том числе к скобам, предназначенным для крепления стоек внутри кузова вагона, к увязочным кольцам, расположенным на верхней обвязке полувагона, а также к кольцам на наружной поверхности секций бортов платформ.

4.4.2. Допускается использовать составные (из нескольких составных частей) проволочные, полосовые или комбинированные растяжки и обвязки. Прочность соединительных элементов таких растяжек и обвязок должна быть не ниже прочности составных частей растяжки, обвязки.

4.4.3. Допускается концы растяжек, выполненных из цельного стального стержня и полосы, крепить к грузу при помощи сварки или болтовых соединений. Надежность таких соединений обеспечивается грузоотправителем.

4.4.4. Обвязки на платформах закрепляют за две противоположные стоечные скобы.

4.5. Растяжки, обвязки формируют на вагоне следующими способами.

4.5.1. Способ 1. Растяжка, обвязка выполняется из одной непрерывной нити проволоки. Один конец проволоки (рис. 7 настоящей главы) обводят два раза вокруг увязочного устройства вагона (груза) и закручивают не менее двух раз вокруг нити. Другой конец проволоки пропускают через увязочные устройства последовательно на грузе и вагоне, формируя растяжку, обвязку с необходимым числом нитей. Конец проволоки заделывают на увязочном устройстве вагона (или груза) порядком, указанным выше, обводя его вокруг половинного количества нитей растяжки, обвязки. Концы проволоки для заделки должны быть длиной не менее 500 мм. Направление обвода концов нитей при заделке должно быть таким, чтобы при последующем скручивании растяжки их заделка не ослаблялась. Нити растяжки, обвязки скручивают ломиком или другим приспособлением до натяжения.

Рис.7. Установка растяжек по способу 1

4.5.2. Способ 2. Растяжка, обвязка изготавливается из одной непрерывной нити проволоки. Нить пропускают через увязочное устройство вагона (груза) и перегибают на нем, образовывая прядь из двух равных по длине нитей (рис. 8 настоящей главы). Далее прядь заводят в увязочные устройства последовательно груза и вагона, формируя растяжку, обвязку с необходимым числом нитей. Конец пряди обводят два раза вокруг увязочного устройства вагона (груза), затем концы проволоки - по отдельности вокруг половинного количества нитей растяжки, обвязки. Требования к заделке концов и скручиванию растяжки, обвязки аналогичны способу 1.

Рис.8. Установка растяжек, обвязок по способу 2

4.5.3. Способ 3. Растяжку, обвязку формируют из пряди, состоящей из двух непрерывных нитей проволоки (рис. 9 настоящей главы). Прядь пропускают через увязочное устройство вагона (груза) и перегибают, оставляя концы для заделки длиной не менее 500 мм, один из которых закручивают не менее двух раз вокруг пряди. После формирования растяжки каждый конец пряди по отдельности закручивают аналогичным порядком вокруг разных прядей.

Рис.9. Установка растяжек, обвязок по способу 3

4.5.4. Установка проволочных растяжек, обвязок способами, отличными от описанных в подпунктах 4.5.1 - 4.5.3 настоящей главы, допускается по согласованию с МПС России при условии подтверждения их надежности в порядке, предусмотренном для разработки МТУ в разделе 7 настоящей главы.

4.6. Скручивание растяжки, стяжки, обвязки между грузом и увязочным устройством вагона должно быть равномерным по всей длине.

Допускается при длине растяжки, стяжки, ветвей обвязки более 1,5 м скручивать ее в двух местах, не допуская раскручивания скрученного ранее участка.

Обвязки необходимо скручивать не менее чем в двух местах - на противоположных ветвях.

В растяжках, обвязках, имеющих перегибы ветвей на грузе, необходимо дополнительно скручивать участки между перегибами длиной более 300 мм (рис. 10настоящей главы).

Рис.10

При скручивании приспособление для скручивания должно устанавливаться в середине скручиваемого участка (между увязочным устройством вагона и груза, между увязочным устройством вагона и перегибом на грузе, местами перегиба на грузе).

4.7. При расчете растяжек, обвязок, стяжек, увязок число нитей проволоки и, соответственно, рабочее сечение и несущая способность определяются без учета концов заделки (рис. 11 настоящей главы). Число нитей в этих средствах крепления должно быть четным.

Рис.11. Определение количества нитей проволоки в растяжках, обвязках, стяжках

4.8. Не допускается формировать на вагоне растяжки, обвязки, увязки, стяжки числом нитей более 8 при диаметре проволоки >=6 мм.

4.9. Не допускается касание между собой растяжек, обвязок при закреплении груза, имеющего возможность упругих колебаний относительно вагона, например обрессоренного.

4.10. Растяжки, обвязки, выполненные из прутка или из полосовой стали с натяжными устройствами, не должны касаться закрытого борта платформы. Если при закрытом борте этого избежать невозможно, борт должен быть опущен.

4.11. Не допускается опирание растяжек, обвязок из проволоки на борт платформы, если угол между растяжкой и вертикальной плоскостью в точке касания с бортом платформы составляет более 15° (рис. 12а настоящей главы). При невозможности выполнить это условие растяжки и обвязки пропускают под боковыми бортами (рис. 12б настоящей главы) или борта платформы должны быть опущены (рис. 12в настоящей главы).

Рис.12. Допускаемые положения проволочных растяжек, обвязок относительно бортов платформы

4.12. Растяжки следует располагать таким образом, чтобы угол между растяжкой и полом и угол между проекцией растяжки на пол вагона и продольной осью вагона составляли не более 45° (рис. 13 настоящей главы).

Рис.13

В случаях, когда из-за конструктивных особенностей груза либо условий его размещения такая установка растяжек невозможна, допускается увеличение углов наклона растяжек с одновременным увеличением числа нитей проволоки в растяжках в соответствии с таблицей 6 настоящей главы.

4.13. Допускается применение проволочных средств крепления с заменой проволоки предусмотренного диаметра проволокой другого диаметра при условии обеспечения равнопрочности элемента крепления. В таких случаях параметры средства крепления должны определяться в соответствии с таблицами 6 и 21 настоящей главы, с учетом требований пунктов 4.7 и 4.8 настоящей главы.

Таблица 6

Увеличение числа нитей в растяжках из проволоки диаметром 6 мм и 7 мм при увеличении угла наклона растяжек

Величина угла между проекцией растяжки на пол вагона и продольной осью вагона <*>Число нитей расписки
Угол между проекцией растяжки на пол вагона и растяжкой <*>
<= 4546 - 5051 - 5556 - 6061 - 6566 - 7071 - 7576 - 80
<= 452/24/24/24/44/46/46/68/6
46 - 504/24/24/24/44/46/46/6-/8
51 - 554/24/24/44/46/46/48/6-/8
56 - 604/44/44/44/46/46/68/6-
61 - 654/44/46/46/46/48/6-/8-
66 - 706/46/46/46/68/6-/8--
71 - 756/66/68/68/6-/8---
76 - 808/6-/8-/8-----

Примечания.

1. Дробные значения угла округляются до ближайшего большего целого значения.

2. В числителе - число нитей проволоки диаметром 6 мм, в знаменателе - диаметром 7 мм.

4.14. Стяжку (рис. 14 настоящей главы) формируют из непрерывной нити проволоки. Прочность стяжки должна быть не менее прочности соединяемых составных частей элемента крепления.

Рис.14. Способ заделки концов проволоки в стяжке

4.15. Увязку формируют из непрерывной нити проволоки. Количество нитей проволоки в увязке определяют расчетным или экспериментальным путем. Скручивание нитей проволоки в увязке производят не менее чем в двух местах до натяжения, не допуская раскручивания скрученного ранее участка. Способ заделки концов проволоки в увязках аналогичен способу заделки концов проволоки в стяжках.

4.16. Подкладки и прокладки изготавливаются из пиломатериалов не ниже третьего сорта в соответствии с ГОСТ 8486 и ГОСТ 2695. Применение березы, осины, липы и ольхи допускается только для изготовления подкладок и прокладок, работающих только на сжатие, к которым не крепятся упорные, распорные бруски и другие элементы крепления. Не допускается применение этих пород древесины, а также сухостойной древесины всех пород для изготовления упорных и распорных брусков.

Допускается изготовление подкладок и прокладок из металла различных профилей, железобетона и других материалов, если это не приводит к повреждению груза.

Подкладки и прокладки применяют для увеличения площади опирания груза на пол вагона, предохранения штабеля груза от развала, обеспечения возможности механизированной погрузки и выгрузки грузов, предохранения опорной поверхности груза и (или) вагона от повреждения, а также для крепления распорных и упорных брусков. В случаях, когда указанные условия обеспечиваются без применения прокладок, их установка не обязательна.

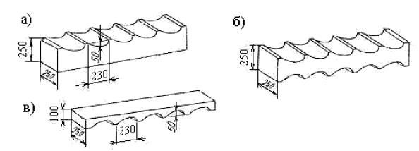
Высота подкладок, прокладок должна быть не менее 25 мм. Ширина подкладок, прокладок должна быть не менее 80 мм (если иное не оговорено конкретными техническими условиями размещения и крепления груза), при этом отношение ширины к высоте должно быть не менее 1,5. Длина подкладок, укладываемых поперек вагона, должна быть равна ширине кузова, а прокладок - не менее ширины груза. Поперечные прокладки, применяемые для разделения штабелей груза, укладывают одна над другой на расстоянии не менее 500 мм от концов груза и не менее 300 мм от боковых стоек.

Допускается подкладки и прокладки изготавливать составными: по высоте, ширине - из двух частей, по длине - из нескольких частей (рис. 15 настоящей главы). Стыкование подкладок по длине допускается только на хребтовой балке (для поперечных подкладок) либо на поперечных балках (для продольных подкладок). Толщина составных частей подкладок, прокладок в месте соединения должна быть не менее 35 мм. Размеры общего поперечного сечения составных подкладок, прокладок должны удовлетворять требованиям для монолитных подкладок и прокладок.

Рис.15. Способы изготовления составных подкладок, прокладок

Высота составных частей подкладок и прокладок, составных по ширине и по длине, должна быть одинаковой по всей длине.

В случаях, когда способ размещения и крепления груза предусматривает крепление подкладок к полу вагона, крепление частей подкладок должно производиться в следующем порядке:

Подкладки, составные по высоте. Нижнюю часть подкладки прибивают к полу необходимым количеством гвоздей, аналогичным образом прибивают верхнюю часть к нижней. Допускается части подкладки прибивать к полу необходимым количеством гвоздей, проходящих через обе части подкладки.

Подкладки, составные по ширине и составные по длине. Составные части соединяют между собой гвоздями, болтами, скобами в количестве, обеспечивающем их неподвижность друг относительно друга при укладке на вагоне. Каждую часть подкладки прибивают к полу гвоздями, количество которых должно составлять не менее 75% количества, необходимого для крепления подкладки.

4.17. Стойки деревянные окоренные и неокоренные, применяемые для бокового и торцового ограждений штабельных грузов, изготавливают из круглых лесоматериалов либо из пиломатериалов с прямыми волокнами в соответствии с ГОСТ 8486 и ГОСТ 2695. Толщина стоек из круглого лесоматериала должна быть 120 - 140 мм в нижнем отрубе и не менее 90 мм в верхнем. Сечение стоек из пиломатериалов должно быть не менее 90 x 120 мм.

Толщина стоек, устанавливаемых в полувагон, должна быть не менее 100 мм на уровне верхнего обвязочного пояса полувагона. Боковые стойки должны устанавливаться следующими способами:

Способ 1. Стойку устанавливают на пол полувагона, пропуская ее через лесную скобу, и крепят к нижнему увязочному устройству увязкой из проволоки диаметром не менее 5 мм в две нити (рис. 16а настоящей главы).

Рис.16. Установка боковых стоек в полувагоне

Способ 2. Стойку устанавливают на пол полувагона вплотную к лесной скобе и нижнему увязочному устройству и крепят к ним увязками из проволоки диаметром не менее 5 мм в две нити (рис. 16б настоящей главы).

Способ 3. В полувагонах, оборудованных лесными скобами, развернутыми под углом 30°, стойку в наклонном положении вставляют в лесную скобу и устанавливают вертикально; нижний конец стойки устанавливают вплотную к нижнему увязочному устройству и крепят к нему увязкой из проволоки диаметром не менее 5 мм в две нити (рис. 16в настоящей главы).

Высота боковых стоек над уровнем верхнего обвязочного бруса полувагона должна быть не более:

а) при погрузке в пределах основного габарита погрузки:

- 900 мм - при высоте бортов 1880 мм;

- 700 мм - при высоте бортов 2060 мм;

б) при погрузке в пределах зонального габарита погрузки:

- 1466 мм - при высоте бортов 1880 мм;

- 1266 мм - при высоте бортов 2060 мм.

На железнодорожных платформах стойки устанавливают в предназначенные для этого боковые и торцовые стоечные скобы. Стойки из круглых лесоматериалов устанавливают комлем вниз. Нижний конец стойки должен быть затесан по внутренним размерам скобы. Стойка должна выступать за нижнюю кромку скобы на 100 - 200 мм. Зазор между стойкой и скобой допускается только со стороны боковой балки платформы не более 15 мм на уровне нижней кромки скобы. В этом случае стойка должна быть дополнительно закреплена клином (рис. 17 настоящей главы). Клин должен быть плотно забит снизу и закреплен к стойке двумя гвоздями длиной 80 - 90 мм.

Рис.17. Крепление стойки в стоечной скобе платформы

Короткие стойки устанавливают для увеличения несущей способности бортов платформы. Высота коротких стоек от уровня пола платформы должна быть больше высоты подкрепляемого борта не менее чем на 100 мм. Высокие стойки применяют для ограждения груза, имеющего высоту погрузки, значительно превышающую высоту бортов платформы.

Для увеличения несущей способности крепления противоположные стойки соединяют стяжками в верхней, а при необходимости - в верхней и средней по высоте частях (рис. 18 настоящей главы).

Рис.18. Скрепление стоек на платформе

Скрепление коротких стоек и верхнее скрепление высоких стоек должно быть выполнено таким образом, чтобы расстояние от стяжки до поверхности груза составляло 50 - 100 мм, расстояние от стяжки до верхнего обреза стоек - не менее 100 мм. Среднее крепление высоких стоек должно быть выполнено так, чтобы стяжка не касалась груза.

4.18. Упорные и распорные бруски, распорные рамы применяют для закрепления грузов от поступательных перемещений вдоль и поперек вагона, а также для передачи инерционных усилий от груза на элементы кузова вагона (боковые и торцовые борта платформ, торцовый порожек, угловые стойки, нижние обвязки кузова полувагона).

Бруски должны быть изготовлены из пиломатериалов хвойных пород не ниже третьего сорта в соответствии с ГОСТ 8486. Допускается использование в качестве упорных и распорных брусков и рам изделий из других материалов, прочность которых подтверждена соответствующими нормативными документами (ГОСТ, ТУ). Параметры деревянных брусков и рам принимаются в соответствии с нормативами настоящей главы; параметры брусков и рам из других материалов должны определяться расчетным путем с последующей экспериментальной проверкой.

Деревянные элементы распорных рам соединяют гвоздями, строительными скобами, накладками, другими крепежными изделиями.

Высота упорных и распорных брусков должна быть не менее 50 мм. Типовые схемы установки упорных и распорных брусков показаны на рисунке 19 настоящей главы.

Рис.19. Типовые схемы установки распорных и упорных брусков:

1 - распорный брусок; 2 - упорный брусок

4.19. Для крепления деревянных подкладок, упорных, распорных брусков и рам к деревянному настилу пола вагона, к закрепляемому грузу, а также для соединения между собой деревянных элементов крепления применяют гвозди по ГОСТ 283, размеры которых приведены в таблице 7 настоящей главы.

Таблица 7

Допускаемые размеры применяемых гвоздей

Диаметр гвоздя, ммДлина гвоздя, ммДиаметр шляпки гвоздя, мм
4,0100...1207,5
5,0120...1509,0
6,0150...20011,0
8,025014,0

Допускается замена гвоздей одного диаметра соответствующим количеством гвоздей другого диаметра (таблица 8 настоящей главы) при условии соблюдения требований к их длине.

Таблица 8

Взаимозаменяемость гвоздей различных диаметров

Эквивалентное количество гвоздей в зависимости от их диаметраДиаметр гвоздя, мм
6,04,05,08,0
2532
3752
4963
51283
61494
716104
818125
920135
1023156

Схемы размещения гвоздей при креплении деревянных элементов крепления к полу вагона приведены на рисунке 20 настоящей главы.

Рис.20. Схемы размещения гвоздей

Минимально допускаемые расстояния между гвоздями, а также между гвоздями и кромками элементов в зависимости от толщины элементов приведены в таблице 9 настоящей главы.

Таблица 9

Обозначение расстояния (рис. 20 настоящей главы)Минимальные допускаемые расстояния в зависимости от толщины элемента, мм
<= 50>50
S_112590
S_23030
S_33030
S_49090

Общее количество гвоздей для крепления средств крепления (либо их частей) к полу вагона определяется в соответствии с разделом 10 настоящей главы.

При закреплении средств крепления (либо их частей) к полу вагона гвозди должны быть забиты перпендикулярно полу вагона. Изгиб стержня гвоздя не допускается. Длина гвоздей должна быть на 50 - 60 мм больше высоты деталей крепления.

Не допускается образование трещин в элементах крепления при прибивании их гвоздями. В необходимых случаях перед забивкой гвоздей под них должны быть просверлены отверстия.

Гвозди, забитые в щели между досками пола платформы, не учитываются в общем количестве используемых для крепления гвоздей.

4.20. Допускается использование металлических скоб и костылей для крепления груза к деревянным элементам крепления и соединения этих элементов между собой, если это не приводит к образованию в них трещин.

4.21. Усилия затяжки болтов, шпилек, винтов, используемых для крепления грузов, должны рассчитываться с учетом возможности одновременного приложения растягивающих и изгибающих нагрузок.

Для предотвращения ослабления резьбовых соединений должны применяться стопорные шайбы, контргайки, шплинты, сварка или расклепка резьбы.

4.22. Допускается для соединения деталей крепления между собой и с грузом применять электросварку. Надежность сварных соединений обеспечивается грузоотправителем. При выполнении сварочных работ должны быть обеспечены меры безопасности, предусмотренные соответствующими правилами и инструкциями. Средство крепления (груз), на котором выполняется сварка, должно быть заземлено отдельным проводом. При этом не допускается использовать элементы конструкции вагона в качестве заземляющего устройства.

5. Подготовка грузов к перевозке, требования к погрузке и выгрузке

5.1. Предъявляемый к перевозке груз должен быть подготовлен таким образом, чтобы в процессе перевозки были обеспечены безопасность движения поездов, сохранность груза, вагонов и контейнеров. С этой целью грузоотправителем должны быть обеспечены:

- прочность узлов и деталей груза, предназначенных для установки средств крепления. При необходимости груз должен быть оборудован приспособлениями для его крепления;

- надежное закрепление груза внутри упаковки;

- подготовка автотракторной техники и сельскохозяйственных машин к перевозке в порядке, установленном соответствующими правилами перевозок железнодорожным транспортом;

- перед погрузкой грузов, содержащих мелкие фракции, дополнительные меры по уплотнению зазоров кузова вагона; поверхность груза после погрузки на открытый подвижной состав должна быть разровнена, а при необходимости и уплотнена.

5.2. В целях обеспечения сохранности вагонного парка грузоотправители и грузополучатели должны соблюдать требования ГОСТ 22235, в том числе:

- навалочные грузы, разгрузка которых предусматривается через разгрузочные люки полувагона, должны иметь размер отдельных кусков в любом измерении не более 400 мм;

- перед погрузкой или выгрузкой путем бокового заезда или съезда груза борта платформы должны быть опущены, а после окончания погрузки или выгрузки - подняты и закреплены клиновыми запорами;

- при погрузке и выгрузке автомобилей, тракторов и других колесных и тяжеловесных грузов должны применяться переходные мостики и другие приспособления, предохраняющие от повреждения борта платформ;

- при погрузке или выгрузке груза накатом с использованием слег они должны опираться на пол платформы или верхнюю обвязку кузова полувагона.

5.3. При погрузочно-выгрузочных операциях не допускается:

- открывать и закрывать разгрузочные люки полувагонов с использованием тракторов, погрузчиков, лебедок, кранов и другой техники, не согласованной федеральным органом исполнительной власти на железнодорожном транспорте для выполнения данных операций;

- выполнять на полу платформ разворот самоходом технических средств на гусеничном ходу без предварительной защиты пола от повреждения;

- опускать грейферы с ударом о пол вагонов;

- производить погрузку металлопродукции кранами, оборудованными магнитными шайбами, путем сбрасывания груза;

- производить выгрузку грузов из вагонов грейферами, имеющими зубья;

- использовать боковые борта платформ для погрузки и выгрузки грузов;

- задевать грейфером борта платформ, стены и двери полувагонов;

- при выгрузке с помощью лебедки опирать трос на борта платформ и верхнюю обвязку полувагона;

- производить выгрузку смерзшихся грузов путем проталкивания их в проемы люков грейферами, другими грузозахватными устройствами, применять для рыхления груза металлические болванки, взрывные устройства, а также применять для оттаивания груза открытое пламя при возможности касания деталей вагона;

- производить погрузку грузов, имеющих температуру выше +100 °C;

- производить погрузку и выгрузку сыпучих грузов гидравлическим способом;

- производить погрузку железобетонных плит ранее технологического срока выдержки их после изготовления;

- размещать железобетонные плиты, конструкции и другие подобные грузы в наклонном положении с опорой на боковые стены кузова полувагона либо борта платформы, кроме случаев, предусмотренных настоящими ТУ;

- производить крепление грузов к металлическим частям вагона с помощью сварки и сверления;

- демонтировать детали вагонов, в том числе борта платформ и двери полувагонов;

- производить выгрузку с платформ навалочных грузов машинами на гусеничном ходу с заездом на настил ее пола, сгребать ковшом экскаватора, а также волочить тяжеловесный груз по полу платформы.

5.4. При погрузке навалочных грузов массой отдельных кусков не более 100 кг общая масса груза, падающая на пол полувагона, должна быть не более 5 т, высота падения - не более 3 м. При погрузке навалочных грузов массой отдельных кусков от 100 до 500 кг на дно кузова должен быть насыпан слой из мелких кусков толщиной не менее 300 мм; общая масса груза, падающая на пол полувагона, должна быть не более 7 т, высота падения - не более 3 м. Навалочные грузы в виде отдельных кусков массой более 500 кг, а также штучные грузы (слитки, болванки, балки) и контейнеры следует грузить без сбрасывания.

5.5. После выгрузки грузов вагоны, контейнеры должны быть очищены внутри и снаружи, с них должны быть сняты элементы крепления грузов, за исключением несъемных. В случаях необходимости должна быть снята проволока с рукояток расцепных рычагов автосцепки, с запоров крышек разгрузочных люков, торцовых дверей полувагонов и бортовых запоров платформ; борта платформ, двери и крышки люков полувагонов - закрыты. Многооборотные инвентарные приспособления для крепления, в том числе турникеты, должны быть подготовлены к погрузке в соответствии с требованиями, предъявляемыми к подготовке грузов к перевозке.

6. Размещение грузов в вагонах

6.1. Масса размещаемого в вагоне груза с учетом массы элементов его крепления не должна превышать трафаретной грузоподъемности вагона.

6.2. Выход в продольном направлении крайней точки груза за пределы концевой балки кузова вагона должен быть не более 400 мм.

6.3. При размещении грузов общий центр тяжести грузов (ЦТ(о)_гр) должен располагаться на линии пересечения продольной и поперечной плоскостей симметрии вагона. В исключительных случаях, когда данное требование невыполнимо по объективным причинам (геометрические параметры груза, условия крепления), допускается смещение (ЦТ(о)_гр) относительно плоскостей симметрии.

6.3.1. Допускаемая величина смещения (ЦТ(о)_гр) в продольном направлении l_с (относительно поперечной плоскости симметрии вагона) в зависимости от общей массы груза в вагоне определяется в соответствии с таблицей 10 настоящей главы.

Таблица 10

Допускаемое продольное смещение общего центра тяжести груза в вагоне (в миллиметрах)

Масса груза, тl_с, ммМасса груза, тl_с, мм
<= 103000501700
152480551330
20223060860
25207062690
30197067300
35189070110
401840>70100
451800  

Примечание. Для промежуточных значений массы груза допускаемое продольное смещение следует определять методом линейной интерполяции (подпункт 6.3.4 настоящей главы).

6.3.2. Допускаемая величина смещения (ЦТ(о)_гр) в поперечном направлении b _с относительно продольной плоскости симметрии вагона) в зависимости от общей массы груза в вагоне и высоты общего центра тяжести вагона с грузом ЦТ_о над уровнем головок рельсов определяется в соответствии с таблицей 11 настоящей главы.

Таблица 11

Допускаемое поперечное смещение общего центра тяжести груза в вагоне (в миллиметрах)

Масса груза, тВысота общего центра тяжести вагона с грузом над УГР, ммb_с, ммМасса груза, тВысота общего центра тяжести вагона с грузом над УГР, ммb_с, мм
<= 10<= 120062055<= 1500220
1500550 2000170
2000410 2300150
30<= 120055067<= 1500180
1500450 2000140
2000350 2300120
2300290   
50<= 1200350>67<= 2300100
1500280   
2000250   
2300200   

Примечание. Для промежуточных значений массы груза допускаемое поперечное смещение следует определять методом линейной интерполяции (подпункт 6.3.4 настоящей главы).

6.3.3. Контроль положения (ЦТ(о)_гр) (рис. 21 настоящей главы) должен выполняться путем расчета величин l_с и b_с по формулам:

l_с = 0,5L - Q_гр1 x I_1 + Q_гр2 x I_2 + ... + Q_гр n x I_n,(1)
Q_гр1 + Q_гр2 + ... + Q_гр n

b_с = 0,5B - Q_гр1 x b_1 + Q_гр2 x b_2 + ... + Q_гр n x b_n,(2)
Q_гр1 + Q_гр2 + ... + Q_гр n

где: Q_гр1, Q_гр2 ... Q_гр n - массы грузов, т;

L и B - длина и ширина кузова вагона, мм;

l_1, l_2 ... l_n, b_1, b_2 ... b_n - координаты центров тяжести грузов относительно соответственно торцового и продольного бортов, мм.

Рис.21. Расчетная схема определения продольного и поперечного смещений общего центра тяжести грузов в вагоне

6.3.4. Пример применения метода линейной интерполяции.

Определить допускаемые значения продольного и поперечного смещений общего центра тяжести груза массой Q_гр = 33 т при высоте общего центра тяжести вагона с грузом над УГР, равной 1400 мм.

Определение допускаемого значения продольного смещения

I_c-33 = I_c-30 -I_c-30 - I_c-35x (33 - 30) = 1970 - 1970 - 1890x 3 = 1970 - 48 = 1922 мм,
35 - 305

где I_c-30, l_c-35 - табличные значения допускаемого продольного смещения для соответствующих значений массы груза.

Определение допускаемого значения поперечного смещения

Определяем значение поперечного смещения при Н(о)_цт = 1200 мм.

b_c-33/1200 = b_c-30/1200 -b_c-30/1200 - b_c-50/1200x (33 - 30) = 550 - 550 - 350x (33 - 30) = 520 мм.
50 - 3050 - 30

Определяем значение поперечного смещения при Н(о)_цт = 1500 мм.

b_c-33/1500 = b_c-30/1500 -b_c-30/1500 - b_c-50/1500x (33 - 30) = 450 - 450 - 280x (33 - 30) = 424,5 мм.
50 - 3050 - 30

Определяем значение поперечного смещения при Н(о)_цт = 1400 мм.

b_c-33/1400 = b_c-30/1200 -b_c-30/1200 - b_c-33/1500x (1400 - 1200) = 520 - 520 - 424,5x 200 = 456,3 мм,
1550 - 1200300

где b_с-30/1200, b_с-50/1200, b_с-30/1500, b_с-50/1500 - табличные значения допускаемого поперечного смещения для соответствующих значений  массы груза при соответствующих табличных значениях высоты расположения центра тяжести.

6.3.5. Допускается с целью соблюдения требований о положении общего центра тяжести грузов балластировка вагона. Расчет потребной массы и расположения балластирующего груза выполняется на основе формул (1) и (2) настоящей главы.

6.3.6. При кососимметричном расположении двух мест груза (рис. 22 настоящей главы) должны быть выполнены следующие условия:

- массы обоих мест груза должны быть равны;

- высота общего центра тяжести вагона с грузом ЦТ_о над УГР должна быть не более 2300 мм;

- расстояния между центрами тяжести мест груза ЦТ_гр1 и ЦТ_гр2 в продольном и поперечном направлениях должны быть не более допускаемых величин, которые рассчитываются по таблице 12 настоящей главы в зависимости от общей массы грузов;

- ЦТ_о должен находиться на пересечении продольной и поперечной плоскостей симметрии вагона.

Для промежуточных значений общей массы груза допускаемые расстояния определяют методом линейной интерполяции.

Рис.22. Кососимметричное размещение грузов в вагоне: ЦТгр1 , ЦТгр2 - центры тяжести грузов;  ЦТо - общий центр тяжести вагона с грузом

Таблица 12

Максимальные допускаемые расстояния между центрами тяжести грузов с кососимметричным размещением их в вагоне

Общая масса двух грузов, тl, ммb, мм
<= 2080001250
307000900
406000750
506000600
556000500
675000400
724500350

Примечание. Для промежуточных значений общей массы груза допускаемые расстояния определяются методом линейной интерполяции.

6.4. При размещении на платформе груза на двух подкладках, уложенных поперек ее рамы симметрично относительно поперечной плоскости симметрии платформы, расположение подкладок определяется в зависимости от нагрузки на подкладку и ширины B_н распределения нагрузки.

Ширина B_н распределения нагрузки на раму платформы:

B_н = b_гр + 1,35h_о,

где: b_гр - ширина груза в месте опирания, мм;

h_о - высота подкладки, мм.

6.4.1. Если подкладки расположены в пределах базы платформы (рис. 23 настоящей главы), минимальное допускаемое расстояние a между продольной осью подкладки и поперечной плоскостью симметрии платформы определяется в соответствии с таблицей 13 настоящей главы.

Рис.23. Размещение груза на двух подкладках в пределах базы платформы

Таблица 13

Расположение подкладок, находящихся в пределах базы платформы

Нагрузка на одну подкладку, тсМинимальное допускаемое расстояние a (мм) при ширине B_н (мм) распределения нагрузки
88017802700
205503250
22950750500
2512001100900
27142513501200
30167516001450
33207518851850
36310029002400

6.4.2. Если подкладки расположены за пределами базы платформы (рис. 24 настоящей главы), максимальное допускаемое расстояние a между продольной осью подкладки и поперечной плоскостью симметрии платформы определяется в соответствии с таблицей 14 настоящей главы.

Рис.24. Размещение груза на двух подкладках за пределами базы платформы

Таблица 14

Размещение подкладок, находящихся за пределами базы платформы

Нагрузка на одну подкладку, тсМаксимальное допускаемое расстояние a (мм) при ширине B_н (мм) распределения нагрузки
88017802700
12,5625063506400
15,0600060506150
20,0560056505750
25,0540054505550
30,0537054205520
33,0535054005500
36,0533053805500

Для промежуточных значений нагрузки на одну подкладку максимальные расстояния определяют методом линейной интерполяции.

6.5. При несимметричном расположении центра тяжести груза либо подкладок относительно поперечной плоскости симметрии платформы, а также при опирании груза на три и более подкладки должен быть выполнен поверочный расчет изгибающего момента в раме платформы. Схемы нагружения рам вагонов и формулы для определения максимальных изгибающих моментов (М_max) приведены на рисунке 25 настоящей главы.

Рис.25 
Mmax - наибольшее значение изгибающего момента, возникающего в раме, тс/м; P - сосредоточенная нагрузка, тс; q - распределенная нагрузка, тс/м;  lгр - длина распределения нагрузки, м; lв - база вагона, м

Максимальные допускаемые значения изгибающего момента [М]_и в рамах четырехосных полувагонов и платформ приведены в таблице 15 настоящей главы.

Таблица 15

B_и, мм[М]_и <*>, тс/м
платформполувагонов в зависимости от года постройки
до 1 января 1974 г.после 1 января 1974 г.
880914046
1780994450,6
27001105057,5

<*> Значения [М]_и в рамах полувагонов применимы только при передаче нагрузки через поперечные балки.

Максимальные допускаемые нагрузки на поперечные балки четырехосных полувагонов приведены в таблице 16 настоящей главы.

Таблица 16

Период постройки полувагонаДопускаемая нагрузка на одну поперечную балку полувагона, тс
среднююпромежуточнуюшкворневуюконцевую
при ширине распределения нагрузки, мм
140021002700140021002700140021002700140021002700
До 1 января 1974 г.14,315,016,123,525,729,00,5Q <*>0,5Q0,5Q11,413,214,0
После 1 января 1974 г.17,518,720,724,327,331,00,5Q0,5Q0,5Q22,024,126,3

<*> Q - грузоподъемность полувагона, т.

6.6. При размещении груза в полувагоне допускаются следующие схемы приложения нагрузки и соответствующие величины нагрузки на поверхность крышки люка.

Местное приложение нагрузки: удельная нагрузка на участок поверхности люка размером до 25 x 25 см2 должна быть не более 3,68 кгс/см2.

Нагрузка, равномерно распределенная по всей поверхности люка: суммарная нагрузка на люк должна быть не более 6 тс.

Нагрузка, передаваемая через подкладки: при размещении груза на двух подкладках длиной не менее 1250 мм, уложенных поперек гофров на расстоянии не менее 700 мм друг от друга и на равных расстояниях от хребтовой балки и боковой стены вагона (рис. 26 настоящей главы), суммарная нагрузка на люк должна быть не более 6 тс.

Рис.26. Размещение подкладок на одном люке полувагона

При размещении груза на подкладках, расположенных поперек рамы вагона на двух люках между гофрами с одновременным опиранием на хребтовую балку и на полки продольных угольников нижней обвязки полувагона (рис. 27 настоящей главы), суммарная нагрузка, передаваемая через одну подкладку на пару люков, не должна превышать 8,3 тс. Допускается на одной паре люков устанавливать несколько таких подкладок, при этом суммарная нагрузка на подкладки не должна превышать 12 тс.

Рис.27. Размещение подкладок на паре люков полувагона

7. Порядок разработки, утверждения и внесения изменений в ТУ МТУ, НТУ

7.1. Разработка, утверждение ТУ и внесение в них изменений осуществляется МПС России.

7.1.1. Проект ТУ должен содержать описательную часть, схемы размещения и крепления груза, а также расчетно-пояснительную записку.

7.1.1.1. Описательная часть проекта ТУ должна содержать:

- характеристику груза (наименование, массогабаритные параметры, упаковка);

- порядок подготовки груза к перевозке;

- сведения о подвижном составе (тип подвижного состава и требования к нему);

- порядок размещения груза на железнодорожном подвижном составе;

- описание способа крепления груза с указанием всех элементов крепления и их расположения относительно груза и вагона;

- адаптированную схему (иллюстрацию) размещения и крепления груза в вагоне, поясняющую описание.

7.1.1.2. Расчетно-пояснительная записка проекта ТУ должна содержать:

- расчеты, обосновывающие предлагаемый способ размещения и крепления груза и отдельных его частей (грузовых единиц), особенно передвижных и поворотных;

- выбор типа и количества элементов крепления (растяжки, обвязки, бруски и др.);

- выбор допускаемых усилий на элементы вагона и груза, с которыми соединяются элементы крепления.

Расчеты должны выполняться в соответствии с требованиями раздела 10 настоящей главы. В расчетной части должны быть приведены необходимые рисунки и расчетные схемы.

7.1.1.3. В случае использования в предлагаемом способе погрузки многооборотных или инвентарных средств крепления к комплекту документов должна прилагаться утвержденная грузоотправителем конструкторская и эксплуатационная (паспорт, инструкция по эксплуатации) документация на них.

В комплект проекта ТУ должна входить схема размещения и крепления многооборотных или инвентарных средств крепления при их возврате в порожнем состоянии.

7.1.1.4. Проект ТУ рассматривается в МПС России. При положительных результатах рассмотрения проекта на основании указания МПС России осуществляется в соответствии с требованиями раздела 12 настоящей главы экспериментальная проверка предусмотренного проектом способа размещения и крепления груза.

Откорректированные по результатам проведенной проверки ТУ согласовываются с причастными подразделениями МПС России. ТУ могут иметь ограниченный МПС России либо неограниченный период действия.

Утвержденные ТУ регистрируются, объявляются для пользования и хранятся в МПС России.

7.1.1.5. В случае, когда способ размещения и крепления какого-либо наименования груза предусмотрен настоящими ТУ, но схема конкретного типоразмера такого груза отсутствует, грузоотправитель должен представить уполномоченному перевозчиком лицу (в случае, когда перевозчик является одновременно владельцем инфраструктуры, - на железнодорожную станцию отправления) эскиз размещения и крепления груза по настоящим ТУ. Эскиз разрабатывается в соответствии с требованиями приложения N 3 к настоящей главе в двух экземплярах. Эскиз должен быть утвержден грузоотправителем и согласован с перевозчиком. Один экземпляр эскиза настоящих ТУ хранится у перевозчика, второй - у грузоотправителя.

7.2. Разработка и утверждение МТУ.

Местные технические условия размещения и крепления грузов разрабатываются грузоотправителем в отношении груза, способы размещения и крепления которого не предусмотрены настоящими ТУ, и утверждаются перевозчиком.

Комплект документов МТУ должен содержать описательную часть с титульным листом, схемами размещения и крепления груза, схемами размещения и крепления используемых многооборотных или инвентарных средств крепления при их возврате в порожнем состоянии и расчетно-пояснительную записку.

7.2.1. Требования к содержанию описательной части и расчетно-пояснительной записке МТУ аналогичны требованиям, указанным в пункте 7.1 настоящей главы.

7.2.2. На схеме должно быть приведено упрощенное изображение подвижного состава с размещенным на нем грузом и элементами крепления. Обозначения на схемах должны соответствовать описанию способа размещения и крепления груза.

7.2.3. Утвержденный грузоотправителем проект МТУ представляется для рассмотрения уполномоченному перевозчиком лицу. Экспериментальная проверка проводится на основании указания перевозчика в соответствии с требованиями раздела 12 настоящей главы.

Откорректированный на основании результатов экспериментальной проверки проект МТУ, утвержденный руководством предприятия-грузоотправителя, согласовывается и утверждается перевозчиком. Согласующие и утверждающие подписи проставляются на титульном листе МТУ (приложение N 4 к настоящей главе, рис. П4.1).

7.2.4. Утвержденные МТУ должны быть зарегистрированы в журнале регистрации МТУ (приложение N 5 к настоящей главе, рис. П5.1) с присвоением номера, который проставляется на титульном листе. Штамп регистрации МТУ (приложение N 4 к настоящей главе, рис. П4.2) проставляется на каждой странице МТУ, включая схемы.

МТУ доводятся перевозчиком до сведения обслуживаемых им отправителей соответствующего груза.

Копия МТУ направляется в МПС России.

7.2.5. МТУ могут использоваться всеми отправителями, обслуживаемыми перевозчиком, утвердившим МТУ.

7.2.6. Порядок внесения изменений в МТУ аналогичен порядку их разработки и утверждения. При этом необходимость проведения повторной экспериментальной проверки определяется перевозчиком, утвердившим МТУ.

7.2.7. Срок действия утвержденных МТУ - 7 лет. При выявлении недостатков в действующих МТУ они подлежат немедленной отмене перевозчиком. При отсутствии в течение этого срока замечаний по безопасности перевозок и сохранности грузов, погруженных по указанным МТУ, срок их действия по просьбе грузоотправителя может быть продлен перевозчиком на последующие 7 лет. Просьба грузоотправителя о продлении срока действия МТУ рассматривается уполномоченным перевозчиком лицом и при отсутствии противопоказаний. Продление срока действия МТУ оформляется приказом перевозчика без проведения экспериментальной проверки.

7.3. Разработка и утверждение НТУ, не предусмотренные настоящими ТУ и МТУ способы размещения и крепления грузов разрабатываются грузоотправителем для разовых либо нерегулярных перевозок грузов.

Комплект документов НТУ должен содержать схему размещения и крепления груза, схему размещения и крепления используемого многооборотного или инвентарного средства крепления при его возврате в порожнем состоянии и расчетно-пояснительную записку.

7.3.1. Схема должна разрабатываться в соответствии с требованиями приложения N 3 к настоящей главе.

7.3.2. Требования к разработке расчетно-пояснительной записки НТУ аналогичны требованиям, предусмотренным в подпункте 7.1.1.2 настоящей главы.

В случаях использования многооборотных или инвентарных средств крепления до согласования и утверждения НТУ должна быть проведена экспериментальная проверка предложенного способа размещения и крепления груза в соответствии с требованиями раздела 12 настоящей главы.

7.3.3. Утвержденный грузоотправителем проект НТУ в четырех экземплярах представляется перевозчику для согласования и последующего утверждения.

Согласование и утверждение НТУ, при положительном рассмотрении проекта, должно быть оформлено актом (приложение N 6 к настоящей главе, рис. П6.1), который подписывают лица, участвовавшие в рассмотрении. Акт утверждается перевозчиком.

Фамилии согласовавших и утвердивших НТУ лиц и их подписи вносятся также в штамп утверждения (приложение N 6 к настоящей главе, рис. П6.2), проставляемый непосредственно на схеме НТУ.

7.3.4. При перевозках грузов в прямом смешанном водно-железнодорожном сообщении грузоотправитель до представления проекта НТУ для согласования по месту отправления (подпункт 7.3.3 настоящей главы) представляет НТУ для согласования перевозчиком с перевозчиком водного вида транспорта.

7.3.5. НТУ должны быть зарегистрированы в журнале регистрации НТУ (приложение N 5 к настоящей главе, рис. П5.2) с присвоением обозначения (номера) и направлены на станцию погрузки и грузоотправителю. Номер НТУ проставляется на схеме в штампе согласования и утверждения.

Пример обозначения НТУ: НТУ-17-001-17.04.03, где:

17 - присвоенный условный номер перевозчика;

001 - регистрационный номер акта согласования НТУ;

17.04.03 - число, месяц, год утверждения акта согласования НТУ.

Контрольный экземпляр НТУ, включая акты о результатах экспериментальной проверки (в случае ее выполнения), должен храниться у перевозчика, утвердившего НТУ. Один экземпляр НТУ направляется в МПС России.

7.3.6. Порядок внесения изменений в НТУ аналогичен порядку разработки и утверждения НТУ. При этом необходимость проведения экспериментальной проверки определяется подразделением перевозчика, утвердившего НТУ.

НТУ могут использоваться только тем грузоотправителем, для которого они разработаны.

7.3.7. Срок действия НТУ - 5 лет. Срок действия должен быть проставлен на схеме НТУ. При отсутствии замечаний по безопасности перевозок и сохранности грузов, перевозимых по данным НТУ, срок действия НТУ продлевается на последующие 5 лет по просьбе грузоотправителей.

Продление срока действия НТУ с использованием многооборотных и инвентарных средств крепления производится без проведения экспериментальной проверки.

Продление срока действия НТУ оформляется актом, аналогичным акту утверждения НТУ, и фиксируется на схеме НТУ в виде надписи (штампа) "Срок действия продлен до..." и подписью утвердившего акт согласования НТУ лица, заверенной печатью перевозчика. Экземпляры акта о продлении срока действия НТУ направляются перевозчиком причастным лицам и грузоотправителю. При выявлении недостатков в действующих НТУ сторона, обнаружившая недостатки, направляет грузоотправителю и согласовавшему НТУ лицу письменное уведомление об этом.

8. Осуществление контроля за соблюдением технических условий размещения и крепления груза

8.1. Обеспечение соблюдения условий размещения и крепления груза грузоотправитель удостоверяет записью на оборотной стороне накладной в графе 1. При размещении и креплении груза по настоящим ТУ запись в накладной должна содержать номера соответствующих главы, раздела и рисунка настоящих ТУ. В случае размещения и крепления груза по МТУ, НТУ запись должна содержать номер и дату утверждения соответственно МТУ, НТУ. Во всех случаях запись в накладной должна содержать перечень примененных средств крепления (наименование и количество) и подпись грузоотправителя (с указанием должности и фамилии), заверенную печатью грузоотправителя.

При отправке кранов, экскаваторов и других машин на колесном или гусеничном ходу, с навесным оборудованием и поворотными частями грузоотправитель на оборотной стороне накладной делает отметку о закреплении навесного оборудования и поворотных частей, например: "От разворота стрелы применены четыре растяжки из проволоки диаметром 6 мм в четыре нити".

При отправке груза с использованием многооборотных средств крепления грузоотправитель на оборотной стороне накладной в графе 4 делает отметку о наименовании, количестве, заводских номерах многооборотных средств крепления.

При отправлении грузов, перевозка которых оформляется перевозочными документами, предусмотренными Соглашениемо международном грузовом сообщении (СМГС), сведения о размещении и креплении груза заносятся соответственно в графы 33 - 44 накладной и заверяются подписью и печатью грузоотправителя.

8.2. Проверку соблюдения грузоотправителем условий размещения и крепления груза выполняет уполномоченное перевозчиком лицо (в случае, когда перевозчик является одновременно владельцем инфраструктуры, - уполномоченный работник железнодорожной станции).

Проверку правильности размещения и крепления кранов, экскаваторов и других технических средств на колесном или гусеничном ходу, с навесным оборудованием и поворотными частями, а также погруженных в соответствии с ТУ и МТУ грузов, крепление которых произведено с использованием многооборотных средств крепления, проводит уполномоченное перевозчиком лицо (в случае, когда перевозчик является одновременно владельцем инфраструктуры, - начальник железнодорожной станции или его заместитель).

Подтверждением правильности размещения и крепления груза являются: подпись проверяющего лица и штемпель железнодорожной станции в графе 1 накладной; отметка "Груз погружен и закреплен правильно. Наличие растяжек от разворота проверил", внесенная в вагонный лист проверяющим лицом, заверенная подписью с указанием должности и фамилии проверившего лица.

8.3. При использовании грузоотправителем многооборотных средств крепления грузоотправитель должен приложить к перевозочным документам на каждый такой вагон схему размещения и крепления многооборотных средств при возврате в порожнем состоянии. О приложении указанных документов грузоотправитель должен сделать соответствующую отметку в графе 4 на оборотной стороне накладной.

При неоднократном направлении грузов с использованием инвентарного несъемного оборудования в адрес одного и того же грузополучателя допускается при повторных отправках не прикладывать схему закрепления несъемного инвентарного оборудования при его возврате. При каждой отправке с использованием такого оборудования грузоотправитель помимо отметки о закреплении груза обязан сделать соответствующую отметку в графе 4 на оборотной стороне накладной отметку следующего содержания: "Схемы закрепления инвентарного несъемного оборудования для крепления груза с пояснительной запиской направлены ______________ (число) _____________ (месяц) ________ (год) _______ с накладной N _______". Отметка заверяется подписью работника грузоотправителя, ответственного за погрузку груза, с указанием его должности и фамилии.

Грузополучатель после выгрузки груза должен выполнить подготовку многооборотных средств крепления к возврату в соответствии с приложенной схемой. При их возврате на оборотной стороне накладной в графе 1 грузоотправителем должна быть сделана отметка "Многооборотное средство крепления размещено и закреплено согласно схеме (или МТУ) N ____ от _______, утвержденной (утвержденным) _______________. Для крепления применены следующие реквизиты (перечислить наименование и количество)". Отметка заверяется подписью ответственного за погрузку работника отправителя многооборотных средств крепления с указанием должности и фамилии.

8.4. Проверку правильности закрепления многооборотного средства крепления осуществляет уполномоченное перевозчиком лицо (в случае, когда перевозчик является одновременно владельцем инфраструктуры, - уполномоченный работник железнодорожной станции).

Правильность закрепления в вагоне инвентарного несъемного оборудования подтверждается отметкой в вагонном листе. Отметка заверяется подписью лица, осуществлявшего проверку, с указанием его должности и фамилии.

8.5. При отправлении груза с железнодорожных станций железнодорожного транспорта колеи 1435 мм на железнодорожный транспорт колеи 1520 мм грузоотправитель в случае, если способ размещения и крепления груза в вагоны колеи 1520 мм не определен настоящими ТУ или МТУ, должен разработать НТУ в порядке, предусмотренном настоящей главой. Документацию НТУ грузоотправитель прикладывает к перевозочным документам.

9. Проверка знаний технических условий размещения и крепления грузов работниками, ответственными за размещение и крепление грузов в вагонах и контейнерах

Работники, ответственные и непосредственно обеспечивающие погрузку, размещение, крепление и выгрузку грузов, должны проходить проверку знаний технических условий размещения и крепления грузов в вагонах и контейнерах.

Грузоотправители (грузополучатели) представляют уполномоченному перевозчиком лицу (в случае, когда перевозчик является одновременно владельцем инфраструктуры, - в товарные конторы железнодорожных станций отправления (назначения) копии своих приказов (распоряжений) о назначении ответственных за погрузку, выгрузку работников (с приложением паспортных данных и образцов подписей работников).

Пункт 9 признан не действующим (Решение Верховного Суда РФ от 23.10.2017 N АКПИ17-799).

9.1. Представители грузоотправителей, ответственные за погрузку, размещение, крепление и выгрузку грузов, должны знать требования настоящей главы, а также используемых грузоотправителем МТУ, НТУ.

Пункт 9.1 признан не действующим (Решение Верховного Суда РФ от 23.10.2017 N АКПИ17-799).

9.2. Представители грузоотправителей (грузополучателей), ответственные за выгрузку, обеспечивают сохранность вагонов при погрузке и выгрузке грузов.

9.3. Порядок и сроки проведения проверки знаний устанавливаются МПС России.

За допущенное нарушение технических условий размещения и крепления грузов в вагонах и контейнерах ответственные за это лица отстраняются перевозчиком (в случае, когда перевозчик является одновременно владельцем инфраструктуры, - работниками ревизорского аппарата филиала, начальником железнодорожной станции отправления, иными уполномоченными перевозчиком лицами) от связанной с этим работы.

Грузоотправители (грузополучатели) в случаях отстранения своих работников от работы, связанной с размещением и креплением грузов и выгрузкой, обязаны немедленно представить уполномоченному перевозчиком лицу (в случае, когда перевозчик является одновременно владельцем инфраструктуры, - в товарные конторы железнодорожных станций отправления) соответствующие приказы (распоряжения).

Пункт 9.3 признан не действующим (Решение Верховного Суда РФ от 23.10.2017 N АКПИ17-799).

10. Методика расчета способа размещения и крепления грузов в вагонах

10.1. При определении способов размещения и крепления груза должны наряду с его массой учитываться следующие силы и нагрузки:

- продольная инерционная сила, возникающая при движении в процессе разгона и торможения поезда, при соударении вагонов во время маневров и роспуске с сортировочных горок;

- поперечная инерционная сила, возникающая при движении вагона и при вписывании его в кривые и переходные участки пути;

- вертикальная инерционная сила, вызывающаяся ускорением при колебаниях движущегося вагона;

- ветровая нагрузка;

- сила трения.

Точкой приложения инерционных сил является центр тяжести груза (ЦТ_гр).

Точкой приложения ветровой нагрузки принимается геометрический центр наветренной поверхности груза. Направление действия ветровой нагрузки принимается перпендикулярным продольной плоскости симметрии вагона.

10.2. Определение инерционных сил и ветровой нагрузки, действующих на груз.

10.2.1. Продольная инерционная сила F_пр определяется по следующей формуле:

F_пр = a_пр Q_гр, тс, (3)

где: a_пр - удельная продольная инерционная сила на 1 т массы груза, тс/т;

Q_гр - масса груза, т.

Значения a_пр для конкретной массы груза определяются по формулам:

- при погрузке на одиночный вагон:

a_пр = а_22 - Q(о)_гр (а_22 - а_94), тс/т;(4)
72

- при погрузке на сцеп из двух грузонесущих вагонов:

a_пр = а_44 - Q(с)_гр (а_44 - а_188), тс/т;(5)
144

где: Q(о)_гр- общая масса груза в вагоне, т;

Q(с)_гр- общая масса груза на сцепе, т;

a_22, a_94, a_44, a_188 - значения удельной продольной инерционной силы в зависимости от типа крепления и условий размещения груза (с опорой на один вагон, с опорой на два вагона) при массе брутто соответственно: одиночного вагона - 22 т и 94 т; сцепа двух грузонесущих вагонов - 44 т и 188 т (таблица 17 настоящей главы).

Таблица 17

Значения удельной продольной инерционной силы

Тип крепленияЗначении a_пр, (тс/г) при опирании груза на
один вагондва вагона
a_22a_94a_44a_188
Упругое (например, крепление растяжками и обвязками, деревянными упорными, распорными брусками)1,20,971,20,86
Жесткое (например, крепление груза к вагону болтами, шпильками, а также в случаях размещения груза с непосредственным упором в элементы конструкции вагона)1,91,671,91,56

10.2.2. Поперечная инерционная сила F_п с учетом действия центробежной силы определяется по формуле:

F_п = a_п Q_гр, тс, (6)

где a_п - удельная поперечная инерционная сила на 1 т массы груза, тс/т.

Для грузов с опорой на один вагон a_п определяется по формуле:

a_п = 0,33 + 0,44I_гр, тс/т,(7)
I_в

где: I_в - база вагона, мм;

I_гр - расстояние от ЦТ_р до вертикальной плоскости, проходящей через поперечную ось вагона, мм.

Поперечная инерционная сила F_п рассчитывается для каждого отдельно расположенного по длине вагона грузового места (укрупненного грузового места, перемещение отдельных частей которого друг относительно друга исключено применением специальных средств).

Для длинномерных грузов, перевозимых на сцепах с опорой на два вагона, принимается a_п = 0,40 тс/т.

10.2.3. Вертикальная инерционная сила F_в определяется по формуле:

F_в = a_в Q_гр, тс, (8)

где a_в - удельная вертикальная сила на 1 т массы груза, кгс/т, которая определяется по формуле:

a_в = 0,25 + kl_гр + 2,14, тс/т.(9)
Q(о)_гр

При погрузке с опорой на один вагон принимают k = 5 x 10(-6), с опорой на два вагона - k = 20 x 10(-6). В случаях загрузки вагона грузом массой менее 10 т принимают Q(о)_гр = 10 т.

10.2.4. Ветровая нагрузка W_n определяется по формуле:

W_n = 50S_n, тс, (10)

где S_n - площадь наветренной поверхности груза (проекции поверхности груза, выступающей за пределы продольных бортов платформы либо боковых стен полувагона, на продольную плоскость симметрии вагона), м2. Для грузов с цилиндрической поверхностью, ось которой расположена вдоль вагона, S_n принимается равной половине упомянутой площади.

10.3. Определение силы трения.

10.3.1. Сила трения, действующая на груз, размещенный на однородной поверхности пола вагона, определяется по формулам:

- в продольном направлении:

F(пр)_тр = Q_гр мю, тс; (11)

- в поперечном направлении:

F(пр)_тр = Q_гр мю (l - a_в), тс, (12)

где мю - коэффициент трения между контактирующими поверхностями груза и вагона (или подкладок, прокладок).

Значения коэффициента трения между поверхностями, очищенными от грязи, снега, льда, а в зимний период - посыпанными тонким слоем песка, принимаются равными:

- дерево по дереву - 0,45;

- сталь по дереву - 0,40;

- сталь по стали - 0,30;

- пакеты чушек свинца, цинка по дереву - 0,37;

- пакеты отливок алюминия по дереву - 0,38;

- железобетон по дереву - 0,55;

- вертикально устанавливаемые рулоны листовой стали (штрипсы) с неупакованными (открытыми) торцами по дереву - 0,61;

- пачки промасленной листовой стали по дереву - 0,21.

В случае применения прокладок из шлифовальной шкурки на тканевой основе с зерном N 20 - 200, сложенной вдвое абразивным слоем наружу, значение коэффициента трения для дерева по дереву или стали по дереву принимается равным 0,6.

Применение в расчетах иных значений коэффициента трения (для других контактирующих материалов или при особых условиях контактирования) должно быть обосновано в соответствии с требованиями, изложенными в приложении N 7 к настоящей главе.

Особенности определения силы трения, действующей на длинномерный груз при его размещении с применением турникетных опор, рассмотрены в разделе 11 настоящей главы.

10.3.2. Сила трения, действующая на груз, размещенный на платформе с деревометаллическим полом (рис. 28 настоящей главы), определяется по формулам:

- в продольном направлении:

F(пр)_тр = F(пр)_тр1 + F(пр)_тр2, + ... + F(пр)_трn, тс, (13)

где F(пр)_тр1, F(пр)_тр2 ... F(пр)_трn - силы трения, действующие на участках опирания груза на поверхность пола. Их значения определяются по формулам:

F(пр)_тр1 = Q_грaмю_1, тс; (13а)
d

F(пр)_тр2 = Q_грbмю_2, тс; (13б)
d

F(пр)_трn = Q_грcмю_n, тс; (13в)
d

где: мю_1, мю_2 ... мю_n - коэффициенты трения части груза о соответствующие участки поверхности пола;

a/d, b/d, c/d - доли массы груза, которые приходятся на соответствующие участки поверхности пола;

- в поперечном направлении:

F(пр)_трn = Q_гр(aмю_1 + bмю_2 + ... + cмю_n) (l - a_в), тс, (14)
ddd

где a_в - удельная вертикальная инерционная сила, определяемая по формуле (9) настоящей главы.

Рис.28. Силы трения, действующие на участках опирания груза на поверхность деревометаллического пола платформы

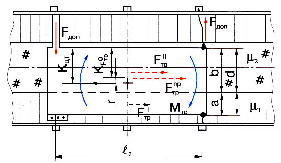
Груз, расположенный несимметрично относительно продольной плоскости симметрии платформы (рис. 29 настоящей главы), может испытывать дополнительное воздействие момента вращения М_тр в горизонтальной плоскости относительно вертикальной оси, проходящей через его центр тяжести.

Рис.29. Схема для расчета дополнительного крепления груза от разворота

Момент вращения М_тр определяется по формуле:

М_тр = F(пр)_тр x r x 10(-3), тс/м, (15)

где r - плечо силы трения F(пр)_тр, определяемое как абсолютная величина разности:

r = |K_цт - K_Fтр|, мм, (16)

где K_цт, K_Fтр - координаты в поперечном направлении соответственно центра тяжести груза и силы трения F(пр)_тр относительно края поверхности опирания груза на пол, мм.

K_Fтр = F_тр x (b + a/2) + F(")_тр x b/2, мм.(17)
F'_тр + F'_тр

При r = 0 момент вращения груза отсутствует, и расчет проводят только для плоскопараллельного движения.

Дополнительные усилия F_доп, которые должны создаваться элементами крепления для предотвращения разворота груза, определяют по формуле:

F_доп = 1000М_тр / l_a, тс, (18)

где l_a - расстояние между двумя растяжками или упорными брусками, мм.

10.4. Проверка устойчивости вагона с грузом и груза в вагоне.

10.4.1. Поперечная устойчивость груженого вагона проверяется в случаях, когда высота центра тяжести вагона (сцепа) с грузом от УГР превышает 2300 мм либо наветренная поверхность вагона (сцепа) с грузом превышает: при опирании груза на один вагон - 50 м2, при опирании груза на два вагона - 100 м2.

Высота общего центра тяжести вагона с грузом (рис. 30 настоящей главы) определяется по следующей формуле:

Н(о)_цт = Q_гр1 h_цт1 + Q_гр2 h_цт2 + ... + Q_грn h_цтn + Q_т Н(в)_цт, мм, (19)
Q(о)_гр + Q_т

где: Q_т - масса тары вагона, т;

h_цт1, h_цт2 ... h_цтn - высоты ЦТ единиц груза от уровня головок рельсов (далее - УГР), мм;

H(в)_цт - высота ЦТ порожнего вагона от УГР, мм (таблица 18 настоящей главы).

Рис.30. Определение высоты центра тяжести вагона с грузом относительно уровня головки рельса

Таблица 18

Значения площади наветренной поверхности, высоты центра тяжести, коэффициента p для универсальных полувагонов и платформ

Тип вагонаПлощадь наветренной поверхности, м2Высота ЦТ порожнего вагона над уровнем головки рельса, ммЗначение коэффициента p
Полувагон:   
- с объемом кузова до 76 м334  
- с объемом кузова до 83 м33711305,61
Платформа:   
- с закрытыми бортами12  
- с открытыми бортами78003,34

Поперечная устойчивость вагона с грузом обеспечивается, если удовлетворяется условие:

P_ц + P_в<= 0,55, (20)
Р_ст

где: (P_ц + P_в) - дополнительная вертикальная нагрузка на колесо от действия центробежных сил и ветровой нагрузки, тс;

Р_ст - статическая нагрузка от колеса на рельс, тс.

Статическая нагрузка Р_ст определяется по следующим формулам:

- при расположении центра тяжести груза на пересечении продольной и поперечной плоскостей симметрии вагона:

Р_ст = Q_т + Q(о)_гр, тс; (21)
n_к

- при смещении центра тяжести груза только поперек вагона:

Р_ст = 1[Q_т + Q(о)_гр (1,0 - b_c)], тс; (22)
n_кS

- при смещении центра тяжести груза только вдоль вагона - для менее нагруженной тележки:

Р_ст = 2[Q_т+ Q(о)_гр (0,5 - I_с)], тс; (23)
n_к2I_в

- при одновременном смещении центра тяжести груза вдоль и поперек вагона - для менее нагруженной тележки:

Р_ст = 2[Q_т+ Q(о)_гр] (0,5 - I_с) (1,0 - b_c)], тс; (24)
n_к2I_вS

где: n_к - число колес грузонесущего вагона;

S = 790 мм - половина расстояния между кругами катания колесной пары вагона колеи 1520 мм.

Дополнительная вертикальная нагрузка на колесо от действия центробежных сил и ветровой нагрузки определяется по формуле:

Р_ц + Р_в = I[0,075 (Q_т + Q(о)_гр) Н(о)_цт + W_n x h + 1000р], тс, (25)
n_к S

где: W_n - ветровая нагрузка, действующая на части груза, выступающие за пределы кузова вагона, тс (рассчитывается по

формуле (10) настоящей главы);

p - коэффициент, учитывающий ветровую нагрузку на кузов и тележки грузонесущих вагонов и поперечное смещение ЦТ груза за счет деформации рессор (таблица 18 настоящей главы);

h - высота над уровнем головки рельса точки приложения ветровой нагрузки, мм. Точка приложения ветровой нагрузки определяется как геометрический центр наветренной поверхности груза, выступающей за пределы продольных бортов либо боковых стен вагона.

Особенности проверки устойчивости сцепа вагонов с размещенным на нем длинномерным грузом рассматриваются в разделе 11 настоящей главы.

10.4.2. Устойчивость груза в вагоне проверяется по величине коэффициента запаса устойчивости, который определяется по формулам:

- в направлении вдоль вагона (рис. 31 настоящей главы):

эта_пр = I(о)_пр; (26)
(h_цт - h(пр)_у)

Рис.31. Варианты расположения упоров от опрокидывания груза в продольном направлении

- в направлении поперек вагона (рис. 32 настоящей главы):

эта_пр = Q_гр b(о)_п, (27)
F_п (h_цт - h(п)_у) + W_n (h(п)_нп - h(п)_у)

где: I(о)_пр, b(о)_п - кратчайшие расстояния от проекции ЦТ_гр на горизонтальную плоскость до ребра опрокидывания соответственно вдоль и поперек вагона, мм;

h_цт - высота ЦТ груза над полом вагона или плоскостью подкладок, мм;

h(пр)_у, h(п)_у - высота соответственно продольного и поперечного упора от пола вагона или плоскости подкладок, мм;

h(п)_нп - высота центра проекции боковой поверхности груза от пола вагона или плоскости подкладок, мм;

W_n - ветровая нагрузка, тс (рассчитывается по формуле (10) настоящей главы).

Рис.32. Варианты расположения упоров от опрокидывания груза в поперечном направлении

Груз является устойчивым и не требует дополнительного закрепления от опрокидывания, если значения ню_пр и ню_п не менее соответственно: при упругом креплении груза - 1,25, при жестком креплении - 2,0.

Если при упругом креплении груза значение ню_пр либо ню_п составляет менее 1,25, устойчивость груза должна быть обеспечена соответствующим креплением:

- грузы, значение ню_пр либо ню_п которых менее 0,8, а также грузы, для которых одновременно ню_пр и ню_п менее 1,25, следует перевозить с использованием специальных устройств (металлических кассет, каркасов и пирамид), конструкция и параметры которых должны быть обоснованы грузоотправителем расчетами;

- если значение ню_пр либо ню_п находится в пределах от 0,8 до 1,0 включительно, то закрепление груза от поступательных перемещений и от опрокидывания рекомендуется выполнять раздельно, независимыми средствами крепления. При закреплении груза от опрокидывания в поперечном направлении растяжками следует стремиться к их установке таким образом, чтобы проекция растяжки на пол вагона была перпендикулярна к продольной оси вагона, а место закрепления растяжки на грузе находилось на максимальной высоте от уровня пола;

- если значение ню_пр либо ню_п находится в пределах от 1,01 до 1,25 включительно, допускается закреплять груз от опрокидывания и от поступательных перемещений едиными средствами крепления, воспринимающими как продольные, так и поперечные инерционные силы.

Если при жестком креплении груза значение ню_пр либо ню_п составляет менее 2,0, устройства жесткого крепления должны быть рассчитаны с учетом дополнительных нагрузок от некомпенсированного опрокидывающего момента.

10.4.3. При закреплении груза растяжками усилие в растяжках от опрокидывания определяется по формулам:

- в продольном направлении (рис. 33 настоящей главы):

Рис.33. Углы наклона растяжки для крепления от опрокидывания груза в продольном направлении

R(о)_пр = nF_пр (h_цт - h(пр)_у) - Q_гр l(о)_пр, тс; (28)
n(пр)_р (h_р cos альфа cos бета_пр + l(р)_пр sin альфа)

- в поперечном направлении (рис. 34 настоящей главы):

Рис.34. Углы наклона растяжки для крепления от опрокидывания груза в поперечном направлении

R(о)_п = n[F_п (h_цт - h(п)_у) + W_n (h(п)_нп - h(п)_у)] - Q_гр b(о)_п, тс, (29)
n(пр)_р (h_р cos альфа cos бета_п + b(р)_п sin альфа)

где: альфа - угол наклона растяжки к полу вагона;

бета_пр, бета_п - углы между проекцией растяжки на горизонтальную плоскость и соответственно продольной, поперечной осями вагона;

n(пр)_п, n(п)_р - число растяжек, работающих в одном направлении;

l_пр, b_п - расстояния от точки закрепления растяжки на грузе до вертикальных плоскостей, проходящих через ребро опрокидывания соответственно в продольном, поперечном направлениях, мм;

h_р - высота точки закрепления растяжки на грузе относительно уровня пола вагона (подкладок), мм;

n - коэффициент запаса, величина которого принимается:

n = 1,0 при ню_пр (ню_п) = 1,0 - 1,25; n = 1,25 при ню_п (ню_пр) < 1,0.

10.5. Выбор и расчет элементов крепления.

10.5.1. В зависимости от конфигурации, параметров груза, характера возможных его перемещений и других факторов крепление груза осуществляется растяжками, обвязками, упорными и распорными брусками, ложементами и другими средствами крепления (таблица 19 настоящей главы).

Таблица 19

Рекомендации по выбору элементов средств крепления различных грузов

ГрузыВозможные перемещения грузаРекомендуемые элементы и средства крепления
Штучные с плоскими опорамиПоступательные продольные и поперечные перемещенияУпорные, распорные бруски; растяжки, обвязки
Опрокидывание продольное, поперечноеРастяжки, обвязки; упорные бруски; кассеты, каркасы, пирамиды и др.
С плоскими опорами, размещаемые штабелямиПокупательные продольные и поперечные перемещения всего штабеля или отдельных единицУпорные, распорные бруски; увязки, растяжки, обвязки; щиты ограждения; стойки; кассеты
ДлинномерныеПродольные и поперечные поступательные перемещенияРастяжки, обвязки; турникетные опоры, стойки
Поперечное опрокидываниеОбвязки, растяжки; подкосы, упорные бруски; ложементы
Цилиндрической формы, размещаемые на образующуюПродольное (поперечное) поступательное перемещениеУпорные, распорные бруски; растяжки, обвязки
Перекатывание поперек (вдоль) вагонаУпорные бруски, ложементы; обвязки, растяжки
На колесном ходуПерекатывание вдоль (поперек) вагонаУпорные бруски; растяжки; многооборотные колесные упоры (башмаки)
Продольное, поперечное поступательное перемещениеУпорные, распорные бруски; растяжки

10.5.2. Продольное F_пр и поперечное F_п усилия, которые должны воспринимать средства крепления, определяют по формулам:

F_пр = F_пр - F(пр)_тр, тс; (30)

F_п = n(F_п + W_п) - F(п)_тр, тс, (31)

где: n - коэффициент, значения которого принимаются:

n = 1,0 при разработке СТУ и МТУ;

n = 1,25 при разработке НТУ;

W_n - рассчитывается по формуле (10) настоящей главы;

F(пр)_тр и F(п)_тр - в соответствии с пунктом 10.3 настоящей главы.

Эти усилия могут восприниматься как одним, так и несколькими видами крепления:

F_пр = F(р)_пр + F(б)_пр + F(об)_пр, (32)

F_п = F(р)_п + F(б)_п + F(об)_п, (33)

где F(р)_пр, F(р)_n, F(б)_пр, F(б)_n, F(об)_пр, F(об)_n - части продольного или поперечного усилия, воспринимаемые соответственно растяжками, брусками, обвязками и др.

Для крепления грузов от продольного смещения предпочтительно применять средства крепления одного типа.

10.5.3. При закреплении груза растяжками (рис. 35 настоящей главы) величину возникающих в растяжках усилий (с учетом увеличения сил трения от вертикальных составляющих) определяют по формулам:

Рис.35. Расчетная схема продольных и поперечных усилий в растяжке

- от сил, действующих в продольном направлении:

R(пр)_р = F_пр, тс; (34)
SUM(n(пр)_рi (мю sin альфа_i + cos альфа_i cos бета_прi)

- от сил, действующих в поперечном направлении:

R(п)_р = F_п, тс; (35)
SUM(n(п)_рi (мю sin альфа_i + cos альфа_i cos бета_пi)

где: R(пр)_р, R(n)_р, - усилия в растяжке;

n(пр)_рi, n(n)_рi - количество растяжек, работающих одновременно в одном направлении и расположенных под одинаковыми углами альфа_i, бета_прi, бета_пi;

альфа_i - угол наклона i-той растяжки к полу вагона;

бета_прi, бета_пi - углы между проекцией i-той растяжки на пол вагона и соответственно продольной, поперечной плоскостями симметрии вагона;

мю - коэффициент трения между контактирующими поверхностями груза и вагона (подкладок).

В случае, когда растяжки используются для закрепления груза одновременно от смещения и опрокидывания, растяжки должны рассчитываться по суммарным усилиям (R(пр)_р + R(о)_пр) и (R(п)_р + R(о)_п).

Количество нитей в растяжке или ее сечение определяется по большему усилию (R(пр)_р + R(о)_пр) или (R(п)_р + R(о)_п) в соответствии с таблицами 20 и 21 настоящей главы.

Таблица 20

Допускаемые растягивающие нагрузки на проволочные элементы крепления в зависимости от диаметра проволоки и числа нитей (кгс)

Число нитей в растяжке (обвязке)Диаметр проволоки, мм
4,04,55,05,56,06,36,57,07,58,0
2270
---
440
350
----
560
430
----
680
530
----
840
620
----
980
680
----
1080
730
----
1150
850
---
1350
970
----
1550
1100
----
1750
          
3405
---
660
525
----
840
645
----
1020
795
----
1260
930
----
1460
1020
----
1620
1095
----
1725
1275
---
2025
1455
----
2325
1650
----
2625
          
4540
---
880
700
----
1120
860
----
1360
1060
----
1680
1240
----
1960
1360
----
2160
1460
----
2300
1700
---
2700
1940
----
3100
2200
----
3500
          
5675
---
1100
875
----
1400
1075
----
1700
1325
----
2100
1550
----
2450
1700
----
2700
1825
----
2875
2125
---
3375
2425
----
3875
2750
----
4375
          
6810
---
1320
1050
----
1680
1290
----
2040
1590
----
2520
1860
----
2940
2040
----
3240
2190
----
3450
2550
---
4050
2910
----
4650
3300
----
5250
          
7945
---
1540
1225
----
1960
1505
----
2380
1855
----
2940
2170
----
3430
2480
----
3780
2555
----
4025
2975
---
4725
3395
----
5425
3850
----
6125
          
81080
---
1760
1400
----
2240
1720
----
2720
2120
----
3360
2480
----
3920
2720
----
4320
2920
----
4600
3400
---
5400
3880
----
6200
4400
----
7000

Примечание. В числителе приведены значения для способов крепления по НТУ, в знаменателе - для способов крепления по настоящим ТУ и МТУ.

В случае, когда для крепления груза в каком-либо направлении используются проволочные растяжки, отличающиеся по длине более чем в два раза, расчет параметров растяжек следует производить по уточненной методике (приложение N 8 к настоящей главе).

10.5.4. Площадь сечения растяжек и обвязок, за исключением проволочных, определяют по формуле:

S = R, см2, (36)
[сигма]

где: R - нагрузка на растяжку, обвязку, кгс;

[сигма] - допускаемое напряжение при растяжении, значение которого принимают в зависимости от марки стали по таблице 21 настоящей главы.

Таблица 21

Допускаемые напряжения стальных элементов крепления по видам деформации

Виды деформацииМарш стали (ГОСТ 380-71, ГОСТ 1050-74, ГОСТ 6713-75)Допускаемые напряжения, кгс/см2
РастяжениеСт. 3 и сталь 201650
Сталь 301850
ИзгибСт. 3 и сталь 201650
Ст. 5 и сталь 301850
СрезСт. 3 и сталь 201200
СмятиеСт. 3 и сталь 202500
Растяжение для болтовСт. 3 и сталь 201400

10.5.5. При закреплении груза (за исключением грузов цилиндрической формы) от смещения деревянными брусками количество гвоздей для крепления каждого бруска к полу вагона определяют по формулам:

- от продольного смещения:

n_гв = F_пр; (37)
n(пр)_б R_гв

- от поперечного смещения:

n_гв = F_п; (38)
n(п)_б R_гв

где: n(пр)_б, n(п)_б - количество упорных брусков, одновременно работающих в одном направлении;

R_гв - допускаемое усилие на один гвоздь, кгс (принимается по таблице 22 настоящей главы).

Таблица 22

Допускаемые усилия на гвозди

Диаметр гвоздя, ммДлина гвоздя, ммДопускаемое усилие, кгс
5,0120 - 15075
6,0150 - 200108
8,0250192

10.5.6. При закреплении груза от продольного и поперечного смещения обвязками усилие в одной обвязке определяют по формулам:

- от продольного смещения:

R(пр)_об = F_пр, тс; (39)
2n_об мю sin альфа

- от поперечного смещения:

R(п)_об = F_п, тс; (40)
2n_об мю sin альфа

где n_об - количество обвязок.

10.5.7. При закреплении груза цилиндрической формы и грузов на колесном ходу от перекатывания только упорными брусками (рис. 36 настоящей главы) необходимая высота упорных брусков определяется по формулам:

- от перекатывания вдоль вагона:

- от перекатывания поперек вагона:

эпсилон = а_п + W/Q_гр, (43)
0,8 - a_в

где: D - диаметр круга катания груза, мм;

1,25 - коэффициент запаса устойчивости при перекатывании груза.

Рисунок 36- Крепление груза от перекатывания упорными брусками

Число гвоздей для крепления одного упорного бруска определяют по формулам:

- от перекатывания вдоль вагона:

n(пр)_гв = F_пр (1 - мю_1 tg альфа), шт.; (44)
n(пр)_б R_гв

- от перекатывания поперек вагона:

n(п)_гв = (F_п + W) (1 - мю_1 tg альфа), шт.; (45)
n(п)_б R_гв

где мю_1 - коэффициент трения скольжения между упорным бруском и опорной поверхностью (полом вагона или подкладкой), к которой он прикреплен.

Округление значений n(пр)_гв и n(п)_гв производят до ближайшего целого большего числа.

10.5.8. В случае, когда крепление цилиндрического груза от перекатывания только упорными брусками невозможно либо нецелесообразно по технологическим причинам, допускается наряду с брусками применение обвязок или растяжек (рис. 37 настоящей главы).

Рисунок 37- Крепление цилиндрического груза от перекатывания упорными брусками и проволочными обвязками

В этом случае высота упорных брусков должна составлять:

- для крепления от перекатывания в продольном направлении - не менее 0,1 D;

- для крепления от перекатывания в поперечном направлении - не менее 0,05 D.

Число гвоздей для закрепления одного упорного бруска определяют по формулам (44) и (45) настоящей главы.

Усилие в обвязке (растяжке) определяют по формулам:

- для крепления в продольном направлении:

R(об)_пр = 1,25F_пр (D/2 - h(п)_у) - Q_гр b(о)_п, тс; (46)
n(п)_об b_пер

- для крепления в поперечном направлении:

R(об)_п = 1,25[F_п (D/2 - h(п)_у) + W(п) (h(п)_нц - h(п)_у)] - Q_гр b(о)_п, тс; (47)
n(п)_об b_пер

где: n(пр)_об, n(п)_об - число обвязок;

D - диаметр круга катания груза, мм.

10.5.9. Расчет на изгиб, сжатие и смятие деревянных элементов крепления производят по формулам:

- напряжения изгиба:

сигма_и = M, кгс/см2; (48)
W

- напряжения смятия:

сигма_с = F, кгс/см2; (49)
S

где: М - изгибающий момент, кгс/см2;

W = bh(2)/6 - момент сопротивления изгибу бруска прямоугольного сечения, см3;

b - ширина бруска, см;

h - высота бруска, см;

F - нагрузка сжатия (смятия), действующая на деталь крепления, кгс;

S_о - суммарная площадь деталей, см2, на которую действует нагрузка F. Нагрузка F определяется для упорных и распорных брусков по формулам (30) и (31) настоящей главы, а для подкладок и прокладок - по формуле:

F = (Q_гр + F_в + 2nR_пр sin альфа), (50)

где n - количество обвязок или пар растяжек, удерживающих груз от смещения и перекатывания и одновременно работающих в одном направлении.

Напряжения изгиба и смятия, рассчитанные по формулам (48) и (49) настоящей главы, не должны превышать допускаемых напряжений для ели, сосны (за исключением указанных в таблице 24 настоящей главы), которые приведены в таблице 23 настоящей главы.

При использовании древесины пород, отличающихся от указанных в таблице 23 настоящей главы, допускаемые значения напряжений, приведенные в данной таблице, необходимо умножить на соответствующий поправочный коэффициент (таблица 24 настоящей главы).

10.6. Допускаемые нагрузки на элементы конструкции вагонов, используемые для крепления грузов.

10.6.1. Максимальные допускаемые нагрузки на детали и узлы платформ, используемые для крепления грузов, приведены в таблице 25 настоящей главы.

10.6.2. При креплении грузов на платформах распорными брусками, передающими нагрузки на борта платформы, расположение брусков должно соответствовать схемам, приведенным на рисунке 38 настоящей главы. Количество брусков должно быть: установленных напротив стоечных скоб - не более двух, напротив клиновых запоров - не более трех на каждую секцию борта. Высота брусков должна составлять от 50 до 100 мм включительно. Максимальные допускаемые нагрузки на борта платформ приведены в таблице 26 настоящей главы. При подкреплении секций боковых бортов двумя стойками, верхние концы которых увязаны с противоположных сторон проволокой диаметром не менее чем 6 мм в четыре нити, допускаемая нагрузка на борта может быть увеличена в два раза по сравнению с нагрузкой, указанной в таблице 26 настоящей главы.

Таблица 23

Максимальные допускаемые напряжения для ели, сосны

Вид нагруженияДопускаемые значения напряжений, кгс/см2
съемные детали креплениядетали вагонов
Изгиб12085
Растяжение вдоль волокон8560
Сжатие и смятие вдоль волокон12085
Сжатие и смятие поперек волокон1812
Смятие поперек волокон местное (на участке поверхности детали) на расстоянии не менее 100 мм от торца3020
Смятие местное под шайбами поперек волокон40-
Срез поперек волокон5540
Скалывание в лобовых врубках:  
вдоль волокон12-
поперек волокон6-
Скалывание вдоль волокон в щековых врубках в сопряжениях деталей под углом:  
менее 30°6-
30° и более4-

Примечания:

1. Сжимающие нагрузки на элементы крепления должны быть приложены под углом не менее 60° к поверхности.

2. В лобовых врубках длина скалывания должна быть не более двух полных толщин вставляемой детали или десяти глубин врубки.

3. В щековых врубках длина скалывания должна быть не более пяти полных толщин детали.

Таблица 24

Поправочные коэффициенты для различных пород древесины

Порода древесиныПоправочный коэффициент для видов нагрузки
растяжение, изгиб, сжатие, смятие вдоль волоконсжатие и смятие поперек волоконскалывание
Лиственница1,21,21,0
Сосна якутская, пихта кавказская, кедр0,90,90,9
Сосна и ель Кольского полуострова, пихта0,80,80,8
Дуб, ясень, граб, клен, акация белая1,32,01,6
Береза, бук, ясень дальневосточный1,11,61,3

Таблица 25

Максимальные допускаемые нагрузки на детали и узлы платформ

Детали и узлы платформДопускаемые нагрузки, тс
Стоечная скоба: 
- приклепанная2,5
- приварная литая5,0
Опорный кронштейн с торца платформы при передаче нагрузки от растяжки под углом: 
- литой: 
90°6,5
45°9,1
- сварной: 
90°10,0
45°14,2
Увязочное устройство внутри платформы7,5

10.6.2 При креплении грузов на платформах распорными брусками, передающими нагрузки на борта платформы, расположение брусков должно соответствовать схемам, приведенным на рисунке 38. Количество брусков должно быть: установленных напротив стоечных скоб - не более двух, напротив клиновых запоров – не более трех на каждую секцию борта. Высота брусков должна составлять от 50 до 100 мм включительно. Максимальные допускаемые нагрузки на борта платформ приведены в таблице 26. При подкреплении секций боковых бортов двумя стойками, верхние концы которых увязаны с противоположных сторон проволокой диаметром не менее чем 6 мм в четыре нити, допускаемая нагрузка на борта может быть увеличена в два раза по сравнению с указанной в таблице 26.

Рисунок 38- Схемы нагружения бортов платформ 1 – упорный брусок; 2 – короткая стойка из дерева или металла; 3 – клиновой запор; 4 –стоечная скоба

Таблица 26

Максимальные допускаемые нагрузки на борта платформ

Конструкция бортов платформыДопускаемая нагрузка, тс
равномерно распределенная по длине секции борта, не подкрепленного стойками
(рис. 39а настоящей главы)
от одного бруска высотой 50...100 мм, установленного напротив
клинового запора секции борта, не подкрепленного стойками
(рис. 39б настоящей главы)
стоечной скобы борта
не подкрепленной стойками
(рис. 39б настоящей главы)
подкрепленной деревянными стойками
(рис. 39в настоящей главы)
подкрепленной металлическими стойками
(рис. 39в настоящей главы)
Боковой с продольными гофрами и клиновыми запорами4,01,52,03,04,0
Торцовый с клиновыми запорами2,0-1,02,53,5
Боковой с вертикальными гофрами и закидками (постройки до 1964 г.)1,0-0,50,751,75
Торцовый с закидками (постройки до 1964 г.)2,0-1,02,153,0

10.6.3. Максимальные допускаемые нагрузки на элементы кузова и увязочные устройства полувагонов приведены в таблицах 27 и 28 настоящей главы.

Таблица 27

Максимальные допускаемые нагрузки на элементы кузова полувагонов

Вид нагрузки на элемент вагонаВеличина нагрузки для полувагонов постройки, тс
до 1974 годапосле 1974 года
1. Торцовые двери.  
Равномерно распределенная по всей ширине кузова до высоты от уровня пола (суммарная):  
- 650 мм-44,7
- 1200 мм-29,9
- по всей высоте-14,2
2. Торцовая стена.  
Равномерно распределенная по всей ширине кузова до высоты от уровня пола (суммарная):  
- 650 мм-57,8
- 1200 мм-43,9
- по всей высоте-40
3. Торцовый порожек.  
Распределенная по всей ширине кузова41,843,7
4. Угловая стойка.  
Сосредоточенное продольное усилие на высоте от уровня пола:  
- до 100 мм2223
- 650 мм18,218,9
- 1200 мм-9,5
- на уровне верхней обвязки16,517,2
5. Сосредоточенные поперечные усилия распора:  
а) только на угловые стойки (на каждую) на высоте от уровня пола:  
- 150 мм-63,5
- 1200 мм-7,9
- на уровне верхней обвязки-4,6
б) на каждую промежуточную боковую стойку при одновременном нагружении на высоте от уровня пола:  
- 150 мм-16,2
- 1200 мм-2,0
- на уровне верхней обвязки-1,2
6. Изгибающий момент в основании стоек кузова от воздействия поперечных нагрузок, тс/м:  
- угловые стойки-9,5
- шкворневые стойки-2,4
- промежуточные стойки-2,4

Таблица 28

Допускаемые нагрузки на увязочные устройства полувагонов

Увязочное устройство (рис. 6 настоящей главы)Величина нагрузки для полувагонов постройки, тс
до 1974 годапосле 1974 года
Верхнее (наружное, внутреннее)1,52,5
Среднее2,53,0
Нижнее (наружное, внутреннее)5,07,0

Примечание. Одновременная нагрузка на верхнее и среднее устройства одной стойки не допускается.

10.6.4. Допускаемые напряжения в сварном шве, выполненном ручной электросваркой с применением электродов Э42 и при автоматической сварке, принимают равными: при растяжении, сжатии и изгибе - 1550 кгс/см2, при срезе - 950 кгс/см2.

11. Особенности размещения и крепления длинномерных грузов в вагонах

К длинномерным относят грузы, которые при размещении на одном вагоне выходят за пределы одной или обеих концевых балок его рамы более чем на 400 мм.

11.1. Максимальная длина длинномерного груза, размещенного на одном вагоне при условиях, что груз имеет по всей длине одинаковое поперечное сечение и равномерно распределенную массу, его ЦТ(о)_гр расположен в поперечной плоскости симметрии вагона, определяется в зависимости от массы груза по таблицам 29 и 30 настоящей главы.

Таблица 29

Максимальная допускаемая длина длинномерного груза на платформе

Масса груза, тДлина груза, ммМасса груза, тДлина груза, мм
2030 0004520 000
2527 0005019 000
3024 0005518 500
3522 5006018 000
4021 000>= 6514 300

Таблица 30

Максимальная допускаемая длина длинномерного груза в полувагоне

Масса груза, тДлина груза, ммМасса груза, тДлина груза, мм
2028 3004518 900
2525 5005017 900
3022 6005517 400
3521 2006017 000
4019 800>= 6513 500

11.2. Центр тяжести длинномерного груза, погруженного на сцеп из нескольких вагонов, должен располагаться на пересечении продольной и поперечной плоскостей симметрии сцепа.

11.3. Длинномерные грузы в зависимости от их длины и массы размещают с отпиранием на один или два вагона, с использованием в необходимых случаях платформ прикрытия. Платформы, используемые в качестве прикрытия, могут загружаться грузом, следующим в адрес получателя или на железнодорожную станцию назначения длинномерного груза.

11.4. Размещение длинномерных грузов на сцепе с опорой на один вагон производится без применения турникетов.

При выходе груза за пределы концевой балки рамы с одной стороны вагона более чем на 400 мм используется одна платформа прикрытия (рис. 39а настоящей главы).

При выходе груза за пределы концевых балок рам с обеих сторон вагона более чем на 400 мм используются две платформы прикрытия (рис. 39б настоящей главы).

Рисунок 39

В этом случае наименьшее расстояние между длинномерным грузом, закрепленным на грузонесущей платформе, и грузом, размещенным на платформе прикрытия, должно быть не менее 270 мм.

В случае размещения длинномерных грузов по схеме, приведенной на рисунке 40 настоящей главы, наименьшее расстояние между длинномерными грузами над платформой, используемой в качестве прикрытия для обоих грузов, должно быть не менее 490 мм.

Рисунок 40

11.5. Размещение длинномерных грузов на сцепе с опорой на два вагона производится как с применением турникетов, так и без них (рис. 41 - 45 настоящей главы). Необходимость использования платформ прикрытия определяется аналогично случаям, оговоренным в пункте 11.4 настоящей главы.

Рисунок 41

Турникет - это комплект опорно-крепежных устройств (турникетных опор), предназначенный для компенсации всех видов усилий, действующих на груз в процессе перевозки, а также для обеспечения безопасного прохождения сцепа по криволинейным участкам пути и участкам с переломным профилем при различных режимах движения.

Применяются турникеты двух видов:

- неподвижные, обеспечивающие неподвижное закрепление груза в продольном направлении относительно одной из грузонесущих платформ;

- подвижные, обеспечивающие закрепление груза с возможностью ограниченного продольного перемещения груза относительно обеих грузонесущих платформ.

11.5.1. В случае, когда груз закреплен неподвижно относительно одного из грузонесущих вагонов (с использованием неподвижного турникета), расстояние между торцом длинномерного груза и грузом на платформе прикрытия должно быть:

- со стороны платформы, оборудованной неподвижной турникетной опорой, - не менее 270 мм (рис. 42 и 43 настоящей главы);

Рисунок 42

1 – неподвижная турникетная опора; 2 – подвижная турникетная опора

Рисунок 43

1- неподвижная турникетная опора; 2 - подвижная турникетная опора

- со стороны платформы, оборудованной подвижной турникетной опорой, - не менее 490 мм для сцепов без промежуточной платформы (рис. 42 настоящей главы); для сцепа с использованием промежуточной платформы - не менее 710 мм (рис. 43 настоящей главы).

11.5.2. В случае, когда груз закреплен подвижно относительно обоих грузонесущих вагонов (с использованием подвижного турникета), расстояние между торцом длинномерного груза и грузом на платформе прикрытия должно быть:

- для сцепа без промежуточной платформы - не менее (270 + l(т)_пр) мм (рис. 44 настоящей главы); l(т)_пр - суммарная величина свободного и рабочего ходов турникета в одну сторону, мм, принимается по конструкторской документации на турникет;

Рисунок 44

1 – подвижная турникетная опора

- для сцепа с промежуточной платформой - не менее (490 + l(т)_пр) мм (рис. 45 настоящей главы).

Рисунок 45

1- подвижная турникетная опора

11.6. Требования к размещению длинномерных грузов на сцепе вагонов.

Сцеп для перевозки длинномерного груза должен быть сформирован таким образом, чтобы в порожнем состоянии высота продольных осей автосцепок грузонесущих вагонов от уровня верха головок рельсов была больше высоты осей автосцепок вагонов прикрытия на 50 - 100 мм.

В целях предотвращения разъединения сцепа в пути следования на боковых бортах состоящих в нем вагонов с обеих сторон грузоотправителем должна быть сделана надпись: "Сцеп не разъединять". Рукоятки расцепных рычагов автосцепок, соединяющих вагоны сцепа, должны быть прочно зафиксированы к кронштейнам увязками из проволоки.

Проверка правильности в техническом отношении формирования сцепа при подаче сцепа под погрузку и при предъявлении погруженного груза к перевозке осуществляется перевозчиком.

11.6.1. Размещение длинномерного груза на сцепе с опорой на один вагон с различным выходом концов груза за пределы концевых балок (рис. 39 настоящей главы) допускается при соблюдении следующих условий:

- груз имеет по всей длине одинаковое поперечное сечение и равномерно распределенную массу;

- один конец груза выступает за пределы концевой балки вагона не более чем на 400 мм;

Таблица 31

Максимальные допускаемые значения длины и продольного смещения центра тяжести длинномерного груза, размещенного на платформе базой 9720 мм

Масса груза, тДлина груза, ммПродольное смещение ЦТ(о)_гр, мм
при выходе одного конца груза за пределы концевой балки платформы на 400 ммпри размещении одного конца груза вплотную к торцовому борту
< 10<= 17 200<= 16 4003000
1516 70015 9002480
2016 43015 6302230
2516 30015 5002070
3016 20015 4001970
3516 10015 3001890
4016 40015 2401840
4516 00015 2001800
5015 96015 1601760
5515 10014 300850
6014 72013 920420
6214 59013 790390
6414 33013 530130
6714 29013 49090
7214 29013 4900

Примечание. Для промежуточных значений массы груза допускаемые длину груза и смещение центра тяжести груза определяют линейной интерполяцией (в соответствии с подпунктом 6.3.4 настоящей главы).

Таблица 32

Максимальные допускаемые значения длины продольного смещения центра тяжести длинномерного груза, размещенного в полувагоне базой 8650 мм

Масса груза, тДлина груза, ммПродольное смещение ЦТ(о)_гр, мм
при выходе одного конца груза за пределы концевой балки полувагона на 400 ммпри размещении одного конца груза вплотную к торцовому порожку
< 10<= 16 500<= 15 7003000
1516 00015 2002480
2015 73014 9302230
2515 57014 7702070
3015 47014 6701970
3515 38014 5801890
4015 34014 5401840
4515 30014 5001800
5015 26014 4601760
5514 35013 550850
6013 96013 160460
6213 84013 040340
6413 61012 810110
6613 57012 77070
7213 17012 3700

Примечание. Для промежуточных значений массы груза допускаемые длину груза и смещение центра тяжести определяют линейной интерполяцией (в соответствии с подпунктом 6.3.4 настоящей главы).

11.6.2. При размещении на сцепе с опорой на один вагон длинномерного груза, имеющего неодинаковое по длине поперечное сечение (рис. 46 настоящей главы) (не приводится), с расположением ЦТ(о)_гр в поперечной плоскости симметрии вагона, расстояние от середины вагона до любого конца груза должно быть не более половины длины, указанной соответственно в таблицах 31, 32 настоящей главы.

Рисунок 46

11.6.3. При размещении длинномерного груза, имеющего по всей длине одинаковое поперечное сечение, на сцепе платформ длиной базы 9720 мм с использованием турникетов (рис. 43 - 45 настоящей главы) максимальная допускаемая длина груза в зависимости от схемы размещения и типа турникетов определяется по таблице 33 настоящей главы. При этом величина l(т)_пр должна быть не менее величины суммарного хода поглощающих аппаратов автосцепок, расположенных между турникетными опорами, входящими в состав турникета.

Таблица 33

Максимальная допускаемая длина груза, погруженного на сцепы платформ с использованием турникетов

При использовании неподвижного турникетаПри использовании подвижного турникета
номер рисункадлина груза, ммномер рисункадлина груза, мм
4128 6004128 820 - 2 x l(т)_пр
4257 4004457 620 - 2 x l(т)_пр
4371 2804572 240 - 2 x l(т)_пр

Примечание. Максимальная длина груза реализуется при отсутствии на платформах прикрытия попутного груза.

11.6.4. При размещении длинномерного груза с использованием турникетов отдельные грузовые единицы должны быть объединены в монолитный пакет.

11.6.5. Поперечные подкладки, применяемые при перевозке длинномерных грузов, должны удовлетворять требованиям пункта 4.16 настоящей главы. При этом высота подкладок определяется в соответствии с требованиями пункта 11.11 настоящей главы.

11.6.6. Размещение подкладок и турникетных опор, используемых для крепления длинномерных грузов, должно удовлетворять требованиям подпунктов 6.5.1 и 6.5.2 настоящей главы.

11.7. Расчет допускаемой ширины длинномерного груза.

Расчет допускаемой ширины длинномерного груза по условию вписывания в основной габарит погрузки выполняется для грузов, длина либо размещение которых не соответствует ограничениям таблицы 5 раздела 2 настоящей главы. Расчет проводится отдельно для внутренних и наружных сечений груза с учетом геометрических выносов груза в условной расчетной кривой радиусом 350 м, не имеющей возвышения наружного рельса.

Внутренними (наружными) сечениями груза называются все его поперечные сечения, расположенные соответственно в пределах (за пределами) базы вагона либо сцепа вагонов (рис. 47 настоящей главы).

Рисунок 47 – Расчетные сечения длинномерного груза, размещенного а – на одиночном вагоне; б – на сцепе вагонов:

1 – направляющее сечение вагона (сцепа); 2 – внутреннее сечение груза; 3 – наружное сечение груза; 4 – среднее сечение груза; 5 – концевое сечение груза; 6 – опора (турникетная опора)

Направляющие сечения вагона (сцепа) - это поперечные сечения, ограничивающие базу вагона (сцепа).

11.7.1. Максимально допускаемая ширина в конкретном поперечном сечении длинномерного груза, размещенного на сцепе платформ с опиранием на одиночную платформу, рассчитывается по формулам:

- для внутренних сечений груза:

B(в)_в = 2 x (B - f_в); (51)

- для наружных сечений груза:

B(в)_н = 2 x (B - f_н), (52)

где: B - расстояние от оси пути до очертания основного габарита погрузки (таблица 2 настоящей главы), соответствующее высоте (H) рассматриваемой точки груза от уровня головки рельса, мм;

f_в, f_н- разности геометрических выносов соответственно внутреннего и наружного сечений груза. Значения f_в, f_н в зависимости от базы платформы l_в и расстояний n_в, n_н от рассматриваемого сечения до ближайшего направляющего (пятникового) сечения платформы могут быть определены двумя способами: по таблицам П2.2 и П2.3 Инструкции, либо расчетом по формулам:

f_в = 1,43(l_в - n_в)n_в - 105, мм; (53)

f_н = 1,43(l_н + n_н)n_н + K - 105, мм, (54)

где K - дополнительное смещение концевых сечений груза вследствие перекоса платформы в рельсовой колее с учетом содержания пути и подвижного состава, мм.

Для платформ на тележках ЦНИИ-Х3 значение K рассчитывается по формуле:

K = 70(L / l_в - 1,41), мм, (55)

где L - длина груза. Если по формулам (53) и (54) получены отрицательные величины f_в или (и) f_н, при расчете B(в)_в и B(в)_н по формулам (51) и (52) принимается f_в = 0 или (и) f_н = 0, и груз в рассматриваемых поперечных сечениях может иметь ширину основного габарита погрузки.

Для груза, имеющего по всей длине одинаковые размеры поперечного сечения, расчет ширины груза проводится только для среднего и концевых сечений; максимальная допускаемая ширина принимается равной меньшему из значений, полученных по формулам (51) и (52). В этом случае принимают:

n_в = 0,51l_в. (56)

Значение n_н принимают равным наибольшему из значений для концевых сечений. Если груз размещен симметрично относительно поперечной плоскости симметрии платформы, значение n_н может быть рассчитано по формуле:

n_н = 0,5(L - l_в). (57)

В этом случае формулы (53) и (54) могут быть записаны в виде:

f_в = 0,358l(2)_в - 105, мм; (58)

f_н = 0,358(L(2) + l(2)_в) + K - 105, мм. (59)

11.7.2. Максимально допускаемая ширина в конкретном поперечном сечении длинномерного груза, размещенного на сцепе платформ с опиранием на две платформы, рассчитывается по формулам:

- для внутренних сечений груза:

В(сц)_в = 2 x (B - f(сц)_в); (60)

- для наружных сечений груза:

B(сц)_н = 2 x (B - f(сц)_н) мм. (61)

Величины f(сч)_в и f(сч)_н могут быть определены:

- если f_в > 0 и (или) f_н > 0 - при помощи таблиц П2.2 и П2.3

Инструкции (в соответствии с подпунктом 11.7.1 настоящей главы) с использованием соотношений (62) и (63), либо по формулам (64) и (65):

f(сц)_в = f_в + f_0, (62)

f(сц)_н = f_н - f_0; (63)

- если по таблицам П2.2 и П2.3 Инструкции f_в = 0 и (или) f_н = 0, значения f(сц)_в и (или) f(сц)_н могут быть рассчитаны только по формулам (64) и (65) настоящей главы:

f(сц)_в = 1,43(l_сц - n_в)n_в + 0,36l(2)_0 - 105, мм; (64)

f(сц)_н = 1,43(l_сц + n_н)n_н - 0,36l(2)_0 + K - 105, мм. (65)

В формулах (62)- (65):

f_0 - геометрический вынос направляющих сечений грузонесущих платформ сцепа, определяемый в зависимости от их базы l_0 аналогично f_в по таблице П2.2 Инструкции. В случаях, когда базы грузонесущих платформ сцепа различны, в формулу (60) подставляют значение f_0, определенное для большего значения базы, в формулу (61) - значение f_0, определенное для меньшего значения базы;

l_сц - база сцепа, мм.

При расчете допускаемой ширины груза, размещенного с использованием двух подвижных турникетных опор, величина B в формулах (60) и (61) настоящей главы определяется по таблице 2 настоящей главы для значения высоты:

H' = H + h_т,

где: Н - высота рассматриваемой точки груза от уровня головки рельса;

h_т - высота подъема опорной площадки турникетной опоры при ее горизонтальном смещении, мм, принимаемая по конструкторской документации на турникетную опору.

Расчет ширины груза, имеющего по всей длине одинаковые размеры поперечного сечения, проводится аналогично подпункту 11.7.1 настоящей главы. В этом случае принимают:

n_в = 0,5l_сц. (66)

Значение n_н принимают равным наибольшему из значений для концевых сечений. Если груз размещен симметрично относительно поперечной плоскости симметрии платформы, значение n_н может быть рассчитано по формуле:

n_н = 0,5(L' - l_сц), (67)

где L' = L + L - расчетная длина груза; L - условное увеличение длины груза, обусловленное смещением его относительно грузонесущих платформ при использовании турникетных опор. Значение L в зависимости от количества платформ сцепа и типа турникетных опор (рис. 41 - 45) определяется по таблице 34 настоящей главы.

Если по формулам (64)и (65) получены отрицательные величины f(сц)_в или (и) f(сц)_н, при расчете B(сц)_в и B(сц)_н по формулам (60) и (61) принимается f(сц)_в = 0 или (и) f(сц)_н = 0, и груз в рассматриваемых поперечных сечениях может иметь ширину основного габарита погрузки.

Таблица 34

Условное увеличение длины груза, размещенного с использованием турникетных опор

Номер рисункаЗначение ДельтаL, мм
41220
42440
43660
44220 + l_пр
45220 + l_пр

При несимметричном расположении груза относительно продольной плоскости симметрии платформы расстояние от этой плоскости до любой точки груза должно быть не более 0,5B_в и 0,5B_н.

11.7.3. Максимально допускаемая ширина длинномерного груза, погруженного на сцеп полувагонов с опиранием на два полувагона, определяется расчетом для среднего и концевых сечений груза по формулам:

- для среднего сечения груза:

B_вн = B_дп - 2_дп; (68)

- для концевых сечений груза:

B_н = B_пв - 2(_нв + K), (69)

где: B_дп - ширина дверного проема, мм;

B_пв - внутренняя ширина кузова полувагона прикрытия в концевом сечении груза, мм;

_дп - смещение средней части груза в плоскости дверного проема, мм, определяемое по формуле:

_дп = I(2)_сц - I(2)_мс, (70)
8R

дельта_нв - смещение конца груза, мм, определяемое по формуле:

_нв = L(2) - I(2)_сц, (71)
8R

где l_мв = 1750 мм - расстояние между наружными плоскостями торцовых дверей сцепленных полувагонов.

Остальные требования аналогичны требованиям, изложенным в подпункте 11.7.2 настоящей главы.

11.8. Определение частоты собственных колебаний длинномерного груза.

Частота собственных колебаний длинномерного груза определяется в случаях, когда жесткость груза при продольном изгибе не превышает 9000 тс/м2.

Частота собственных колебаний Омега длинномерного груза, размещенного на двух опорах (подкладки, турникетные опоры), определяется по формуле:

I_в = I_о n, (73)

где: E - модуль упругости материала груза, тс/м2;

I_в - момент инерции, поперечного (вертикального) сечения груза, м(4);

I_о - момент инерции, поперечного сечения единицы груза относительно горизонтальной оси, м(4);

n - количество единиц груза;

Q_гр - масса груза, т;

К_р - коэффициент, значение которого зависит от длины груза и расстояния между турникетными опорами (таблица 35 настоящей главы). Если частота собственных колебаний груза, определенная по формуле (72), не соответствует диапазонам частот, указанным в таблице 36 настоящей главы, то следует изменить расстояние между подкладками или турникетными опорами.

Таблица 35

Длина груза, мЗначения коэффициента К_р при расстоянии между турникетными опорами, м
8910111213141516171819
143,913,412,832,141,20-------
154,163,673,112,461,64-------
164,423,933,392,782,041,14------
174,684,203,683,092,401,60------
184,964,483,963,412,742,011,14-----
195,234,764,243,713,082,391,60-----
205,485,044,544,013,402,752,011,13----
215,785,314,824,313,723,092,401,59----
226,045,595,134,604,033,432,772,011,17---
236,325,865,404,904,323,753,122,401,61---
246,596,165,685,184,644,083,462,772,031,21--
256,866,445,955,484,944,393,793,142,431,65--
267,166,726,255,775,254,704,123,472,802,061,25-
277,466,996,536,075,555,004,453,823,172,461,69-
287,707,296,816,345,835,314,764,163,682,852,111,29
297,987,557,126,626,145,635,084,473,863,212,511,74
308,277,847,396,946,415,925,564,804,203,572,892,14
318,548,137,697,226,736,205,695,124,533,913,252,54
328,828,427,997,537,026,536,015,434,864,143,622,93

Таблица 36

Допускаемые диапазоны частот собственных колебаний груза

Тип четырехосного вагонаДопускаемые диапазоны частот собственных колебаний груза, Гц
Полувагон грузоподъемностью 63 - 65 т0 - 1,6; 3,4 - 4,7; 17,2 - 21,7; 54,3 - бесконечность
Платформа грузоподъемностью 62 - 65 т0 - 1,6; 3,4 - 9,7; 18,7 - 26,6; 55,2 - бесконечность

11.9. Определение высоты и ширины опор длинномерного груза.

11.9.1. Высота подкладок или турникетных опор при перевозке длинномерных грузов определяется по следующим формулам:

- при размещении груза на сцепе с опиранием на два вагона без промежуточной платформы либо с опиранием на один вагон (рис. 48 и 49 настоящей главы):

h_о = a_n tg гамма + h_п + v_гр + h_з + h_б + h_ч; (74)

Рисунок 48

Рисунок 49

- при размещении груза на сцепе с опиранием на два вагона с промежуточной платформой (рис. 50 настоящей главы):

h_о = 228 + 27 (l_сц - 14,6)+ v_гр + h_ч, (75)
2

где: а_n (а_1, а_2, а_3) - расстояние от возможной точки касания груза с полом вагона до середины опоры (рис. 48 настоящей главы) или до оси крайней колесной пары грузонесущего вагона, мм (рис. 49 настоящей главы). При использовании обеих подвижных опор турникетов расстояние а_n увеличивают на размер, указанный в таблице 34 настоящей главы;

гамма - угол в вертикальной плоскости между продольными осями груза и соответствующего вагона сцепа, тангенс которого принимают по таблице 37 настоящей главы;

h_n - разность в уровнях полов смежных вагонов сцепа, допускается не более 100 мм;

h_з = 25 мм - предохранительный зазор;

v_гр - упругий прогиб груза, мм;

h_б = 90 мм - высота торцового порога полувагона, учитывается для сцепов полувагонов;

l_сц - база сцепа, м;

h_ч - высота выступа груза ниже уровня подкладки в месте проверки касания грузом пола вагона, мм.

Рисунок 50

Таблица 37

Значения тангенса угла гамма и зависимости от способа размещения груза на сцепе

Способ размещения груза на сцепеЗначения tg угла гамма для сечений груза
среднегоконцевого
С опорой на два смежных вагона (в том числе с прикрытием)0,0360,017
С опорой на один вагон-0,025

11.9.2. Ширина подкладок и турникетных опор (b_о) при перевозке длинномерных грузов определяется по формуле:

b_о >= 2(1,25N_о мюh_о - P_у h_у), (76)
N_о

где: N_о - нагрузка на опору от веса груза и вертикальной составляющей усилия в креплении, тс;

P_у - удерживающее усилие от упоров, тс;

h_у - высота, мм, приложения усилия P_у.

11.10. Определение устойчивости сцепа с опиранием длинномерного груза на два вагона.

Поперечную устойчивость проверяют в случае, когда общий центр тяжести грузонесущих вагонов сцепа с грузом находится на высоте от уровня головки рельса более 2300 мм или площадь наветренной поверхности этих вагонов с грузом превышает 80 м2.

Высоту H(о)_цт общего центра (рис. 51 настоящей главы) определяют по формуле:

H(о)_цт = Q_гр h_цт + 2(Q H(в)_цт + Q_тур h(тур)_цт), (77)
Q_гр + 2(Q_т + Q_тур)

где: Q_гр- масса груза, тс;

Q_т - тара вагона, т;

Q_тур - масса комплекта турникетных опор, т;

h_цт, H(в)_цт, h(тур)_цт - высота центра тяжести над уровнем верха головки рельсов соответственно груза, порожнего вагона и турникетов, мм.

Рисунок 51

Значения высоты центра тяжести порожних вагонов (H(в)_цт) приведены в таблице 18 настоящей главы.

Поперечная устойчивость груженого сцепа обеспечивается, если удовлетворяется неравенство:

P_ц + P_в<= 0,55, (78)
Р_ст

где: P_ц и P_в - дополнительная вертикальная нагрузка на колесо от действия соответственно центробежных сил и ветровой нагрузки, тс;

P_ст - статическая нагрузка от колеса на рельс, тс.

Дополнительную вертикальную нагрузку на колесо от действия центробежной силы и ветровой нагрузки определяют по формуле:

Р_ц + Р_в = 2[0,075(n_в Q_т + Q_тур + Q_гр)H_цт + Wh + 1000(n_в p - q)], (79)
n_к (2S + f_ок)

где: q - коэффициент, учитывающий увеличение ширины опорного контура вагонов сцепа и смещение ЦТ длинномерного груза при прохождении кривых участков пути. Для полувагонов q = 0,11, для платформ q = 0,1;

2S = 1580 мм - расстояние между кругами катания колесной пары;

f_ок - увеличение ширины опорного контура вагонов сцепа при прохождении кривых расчетного радиуса, определяется по формуле:

f_ок = l(2)_нш - l(2)_вш, (80)
R_р

где: l_нш- расстояние между осями шкворней наружных тележек сцепов, мм;

l_вш - расстояние между осями шкворней внутренних тележек сцепа, мм;

R_р = 10(6) мм - расчетный радиус кривой при максимальной скорости движения 100 км/ч.

Статическую нагрузку от колеса на рельс определяют по формулам:

- при отсутствии продольного смещения ЦТ_гр:

Р_ст = 1[n_в Q_т + (Q(о)_гр + Q_тур)(1 -b_с - b_о)], (81)
n_кS + 0,5f_ок

где: n_к - число колес грузонесущих вагонов;

n_в - количество грузонесущих вагонов;

b_с - поперечное смещение ЦТ_гр, мм, которое определяется по формуле (2);

b_о - дополнительное поперечное смещение центра тяжести длинномерного груза на сцепе при прохождении кривых, мм:

b_о = (l_ср +/- 2l_о)(2) - l(2)_ср, (82)
R_р

где: l_ср - расстояние между серединами грузонесущих вагонов сцепа, мм;

l_о - расстояние от опоры до середины грузонесущего вагона, мм.

Знак (+) принимается при смещении опор наружу сцепа от середины грузонесущих вагонов, знак (-) - при смещении опор внутрь;

- при смещении груза только вдоль вагона (для менее нагруженной тележки):

Р_ст = 1[0,5Q_т + (Q(о)_гр + Q_тур)(0,5 - l_с)]; (83)
n(т)_кl_в

- при одновременном смещении груза вдоль и поперек вагона (для менее нагруженной тележки):

Р_ст = 1[0,5Q_т + (Q(о)_гр + Q_тур)(0,5 - l_с(1 - b - b_о)]; (84)
n(т)_кl_вS + 0,5f_ок

где: n(т)_к - число колес тележки вагона;

l_с - продольное смещение центра тяжести груза, мм, которое определяется по формуле (1), предусмотренной в настоящей главе.

11.11. Конструктивные особенности турникетов различных типов.

11.11.1. В комплект неподвижного турникета входят две шкворневые турникетные опоры, каждая из которых состоит из основания и грузовой площадки, соединенных между собой с помощью шкворня, пятника или того и другого вместе. Одна из опор - подвижная, другая - неподвижная. У неподвижной опоры (рис. 52 настоящей главы) (не приводится) грузовая площадка имеет только возможность поворота вокруг вертикальной оси (шкворня). У подвижной опоры шкворень вместе с грузовой площадкой может кроме поворота также перемещаться вдоль продольной оси платформы, компенсируя взаимные перемещения платформ сцепа. Комплекты шкворневых турникетов могут быть использованы для крепления длинномерных грузов массой до 60 т.

11.11.2. В комплект подвижного турникета входят две подвижные турникетные опоры, грузовые площадки которых имеют возможность продольного смещения с закрепленным на них грузом при соударениях вагонов, а также при проходе сцепа по кривым участкам пути и участкам с переломами профиля пути. По своему конструктивному исполнению турникетные опоры подвижного турникета можно разделить на три типа:

- одноопорные с размещением опорных элементов (катков, шаров, скользунов) в одной плоскости (рис. 53 настоящей главы) (не приводится);

- двухопорные с размещением опорных элементов в двух плоскостях (рис. 54 настоящей главы) (не приводится);

- маятникового типа (рис. 55 настоящей главы) (не приводится), грузовая площадка которых может перемещаться в продольном направлении за счет отклонения маятниковых подвесок, верхние концы которых шарнирно связаны со стойками основания, а нижние - с грузовой площадкой.

11.11.2.1. Одноопорные подвижные турникеты изготавливают в трех вариантах:

- катковые, у которых грузовая площадка опирается на основание посредством цилиндрических или шаровых катков, перекатывающихся по профильным направляющим основания;

- клиновые, у которых продольное перемещение груза осуществляется скольжением наклонных опорных плоскостей грузовой площадки, жестко связанной с грузом, по клиновым опорам, закрепленным на основании турникета;

- фрикционные, у которых опорные элементы грузовой площадки выполнены в виде фрикционного сектора, а на основании имеются соответствующие профильные направляющие поверхности.

11.11.2.2. Двухопорные подвижные турникеты известны в двух конструктивных исполнениях: катковые и фрикционные, принципы действия которых аналогичны соответствующим конструкциям одноопорных турникетов.

11.11.2.3. Турникеты маятникового типа известны в двух модификациях: с верхним и нижним расположением опорных шарниров. На практике нашли применение турникеты с верхним расположением шарниров. Тяги, соединяющие концы стоек с грузовой площадкой, располагаются под углом 13 - 15 град. к вертикали и имеют вверху продольные прорези. При смещении груза вдоль оси платформы грузовая площадка оказывается подвешенной только на одной паре тяг, а вторая пара тяг за счет имеющихся пазов скользит относительно опорных шарниров.

11.12. Особенности расчета сил, действующих на длинномерный груз и турникетные опоры, при размещении груза с опорой на два вагона.

При расчете сил должны учитываться особенности конкретного способа размещения груза и типа турникетных опор (в соответствии с пунктом 11.11 настоящей главы). В необходимых случаях должен быть также выполнен расчет на прочность крепления грузов к грузовым площадкам турникетных опор.

При разработке новых конструкций турникетов должны также рассчитываться собственно турникетные опоры и устройства их крепления к вагонам. Расчеты выполняются с учетом продольных, поперечных и вертикальных инерционных сил, а также сил трения и ветровой нагрузки.

В формулах для определения сил приняты следующие обозначения:

Массы:

Q_тур - масса турникетной опоры;

Q_тур.н - масса неподвижных частей турникетной опоры;

Q_тур.п - масса подвижных частей турникетной опоры.

Силы трения в продольном направлении:

F(пр)_тр.оп - между турникетной опорой и платформой;

F(пр)_тр.пн - между подвижными и неподвижными частями турникета;

F(пр)_тр.гп - между грузом и грузовой площадкой.

Силы трения в поперечном направлении:

F(п)_тр.оп - между турникетной опорой и платформой;

F(п)_тр.пн - между подвижными и неподвижными частями турникета;

F(п)_тр.гп - между грузом и грузовой площадкой.

Точкой приложения продольных инерционных сил принимается центр тяжести груза (ЦТ_гр). Точками приложения поперечных и вертикальных инерционных сил принимаются центры тяжести поперечных сечений груза, расположенные в вертикальных плоскостях, проходящих через середину опор. Точкой приложения равнодействующей ветровой нагрузки принимается геометрический центр тяжести общей наветренной поверхности груза и турникетных опор.

11.12.1. Продольная инерционная сила рассчитывается по формулам:

11.12.1.1. Продольная инерционная сила, действующая на груз вместе с жестко связанными с ним подвижными частями турникетных опор:

F(т)_пр = a_пр (Q_гр + n_п Q_тур.п). (85)

11.12.1.2. Продольная инерционная сила, действующая на крепление турникетных опор к вагону:

- неподвижной опоры шкворневого турникета:

F(т)_пр = a_пр (Q_гр + Q_тур + Q_тур.п); (86)

- подвижной опоры шкворневого турникета:

F_пр = 1,25(0,5Q_гр + Q_тур.п)мю_ск + Q_тур.н a(т)_пр; (87)

- турникетных опор подвижного турникета:

F_пр = a(т)_пр (0,5Q_гр + Q_тур), (88)

где: a(т)_пр - удельная продольная инерционная сила;

мю_ск = 0,1 - коэффициент трения скольжения между подвижной грузовой площадкой и основанием шкворневого турникета;

n_п - количество подвижных опор в комплекте турникетов (для шкворневых турникетов n_п = 1, для подвижных турникетов n_п = 2).

Величина удельной продольной инерционной силы a(т)_пр определяется в зависимости от вида, конструкции турникета и способа его крепления на вагоне:

- для несъемных турникетов (например, закрепленных на вагоне при помощи сварки) a(т)_пр определяют по формуле:

a(т)_пр = 3,0 - (Q_гр + 2Q_тур.п); (89)
144

- для съемных турникетов a(т)_пр188 = 0,86 тс/т; a(т)_пр44 = 1,2 тс/т:

a(т)_пр = 1,2 - 0,34(Q_гр + 2Q_тур.п); (89а)
144

- для подвижных турникетов со стальными фрикционными элементами при массе груза вместе с подвижными частями турникета свыше 65 т a(т)_пр в зависимости от угла наклона клиновой поверхности или криволинейных направляющих в точке, находящейся на расстоянии 400 мм от нейтрального положения подвижной части турникета, определяется в соответствии с данными таблицы 38 настоящей главы.

Таблица 38

Угол наклона, град.14151719
Значение a(т)_пр, тс/т0,480,530,580,7

11.12.2. Поперечная инерционная сила рассчитывается по формулам:

11.12.2.1. Сила, действующая на груз:

F_п = a(т)_п (Q_гр + n_п Q_тур.п) / 1000, тс, (90)

где a(т)_п = 450 кгс/т - удельная поперечная инерционная сила при размещении груза с опорой на два вагона.

11.12.2.2. Силы, действующие на крепление турникетных опор к вагону:

- каждой опоры шкворневого турникета:

F(т)_п = a(т)_п [0,5(Q_гр + Q_тур.п) + Q_тур] / 1000, тс; (91)

- каждой опоры подвижного турникета:

F(т)_п = a(т)_п (0,5Q_гр + Q_тур) / 1000, тс. (92)

11.12.3. Вертикальные инерционные силы определяются по формулам:

- сила, действующая на груз:

F_в = a_в Q_гр / 1000, тс; (93)

- сила, действующая на крепление турникетной опоры к вагону:

F(т)_в = a_в (0,5Q_гр + Q_тур) / 1000, тс; (94)

где a_в - удельная вертикальная сила, которая определяется по формуле:

a_в = 250 + 20l_гр + 2140, кгс/т, (95)
Q_гр + 2Q_тур

где l_гр - расстояние от поперечной плоскости, проходящей через середину платформы, до поперечной оси турникетной опоры, м.

В случаях, когда масса груза составляет менее 10 т, в расчетах принимают Q_гр = 10 т.

11.12.4. Ветровую нагрузку на груз и турникетные опоры принимают нормальной к вертикальной плоскости, проходящей через продольную ось сцепа, и определяют по формуле:

W_п = 50(S_гр + S_тур), (96)

где S_гр, S_тур - площадь проекции наветренной поверхности груза и турникетных опор, подверженных действию ветра, на вертикальную плоскость, проходящую через продольную ось сцепа, м2.

Для цилиндрической поверхности S_гр принимают равной половине площади наветренной поверхности.

11.12.5. Силы трения, действующие на груз и турникетные опоры, определяют по следующим формулам:

11.12.5.1. В продольном направлении:

- сила, действующая на груз, закрепленный на неподвижном турникете:

F(пр)_тур = 0,5(Q_гр + Q_тур.п)мю_гт + 0,5(Q_гр + Q_тур.п)мю_ск; (97)

- сила, действующая на турникетную опору неподвижного турникета:

F(пр)_тур = [0,5(Q_гр + Q_тур.п) + Q_тур]мю, (98)

где: мю_гт - коэффициент трения груза по поворотной грузовой площадке турникета;

мю_ск - коэффициент трения поворотно-подвижной турникетной опоры по ее основанию;

мю - коэффициент трения основания турникетной опоры по полу платформы;

- сила, действующая на груз, закрепленный на подвижном турникете:

F(пр)_тр = (0,5Q_гр + Q_тур.п)мю_п, (99)

где мю_п - коэффициент трения грузовой площадки по основанию турникета;

- сила, действующая на турникетную опору подвижного турникета:

F(пр)_тр = [0,5(Q_гр + 2Q_тур.п) + Q_тур]мю. (100)

11.12.5.2. В поперечном направлении (для подвижных и неподвижных турникетов):

- сила, действующая на груз со стороны турникетной опоры:

F(пр)_тр = 0,5Q_гр мю_ст (1000 - a_в) / 1000; (101)

- сила, действующая на турникетную опору:

F(пр)_тр = (0,5Q_гр + Q_тур)мю(1000 - a_в) / 1000. (102)

Расчеты средств крепления груза к турникетам и турникетов к вагонам производят в соответствии с нормативами раздела 10 настоящей главы.

11.13. Основные технические и эксплуатационные требования к турникетам.

Конструкция турникетов должна соответствовать ГОСТ 15.001 "Продукция производственно-технического назначения" и отвечать требованиям, предъявляемым к изделиям машиностроения в части их работоспособности, надежности и технико-экономических характеристик.

Турникеты для крепления грузов (с учетом сферы их применения) должны, как правило, изготавливаться в исполнении ХЛ по ГОСТ 15150.

Съемные турникеты должны обеспечивать установку и снятие их с платформы грузоподъемными механизмами с минимальными трудозатратами и без каких-либо нарушений конструкции платформы.

Конструкция турникетов должна обеспечивать доступ к узлам, требующим регулировки и технического обслуживания.

Турникеты должны сохранять работоспособность и не иметь повреждений при скоростях соударения сцепов до 9 км/ч.

Конструкция турникетов должна обеспечивать:

- сохранность груза и подвижного состава;

- безопасное движение в составе грузового поезда со скоростью до 100 км/ч;

- проход криволинейных участков пути малого радиуса (таблица 2.3.1 настоящей главы ГОСТ 22235);

- прохождение сцепа вагонов через горб сортировочной горки, для чего подвижная часть турникета должна иметь возможность поворота в вертикальной плоскости на угол не менее 5 град.;

- исключение скручивания груза при проходе сцепа вагонов по криволинейному участку пути с максимальным возвышением наружного рельса при максимальном расчетном угле поворота груза относительно продольной оси пути при входе на кривую не более 0,5 град.

После прекращения действия продольной инерционной силы, а также при снятии вертикальных нагрузок на опоры их подвижные части должны возвращаться в исходное (среднее) положение.

В конструкции турникетной опоры должны быть предусмотрены блокирующие устройства, исключающие возможность схода подвижных грузовых площадок с основания опоры при соударениях в процессе роспуска с горки, маневровых работах, в экстренных режимах движения поезда.

Для закрепления груза на турникетах рекомендуется использовать стандартные крепежные изделия (например, болты, винты, шпильки).

Размещение турникетов на платформе не должно приводить к возникновению в раме платформы при самых неблагоприятных сочетаниях внешних нагрузок и взаимном расположении деталей турникетов изгибающих моментов, превышающих приведенные в разделе 2 настоящей главы.

Расчет максимальных изгибающих моментов в раме платформы производится в зависимости от схем нагружения по формулам, которые представлены на рисунках 56 - 62  настоящей главы.

Схемы нагружения рамы вагона и формулы для расчета максимального изгибающего момента M_max.

где: l в -база платформы, м;

a, b - расстояния между вертикальными осями шкворней тележек и вертикальной плоскостью приложения нагрузки на турникет (рисунок 56) и вертикальными плоскостями, проходящими через концы турникетов (рисунки 57-62), м;

aт, bт - расстояния между вертикальными плоскостями, проходящими через концы турникета и вертикальной плоскостью приложения нагрузки на турникет (рисунки 57, 58, 61, 62), м;

qт - величина равномерного распределения нагрузки на турникетную опору, т/м;

lт - длина опорной части турникета, м;

lр - ширина равномерно распределенной нагрузки, м;

hо - высота продольных балок турникетов, контактирующих с полом платформы, м;

Более точно характер силового воздействия на раму платформы может быть установлен с учетом соотношения жесткости на изгиб основания турникетной опоры EJ_т и рамы платформы EJ.

На каждый турникет и комплект крепления должны быть паспорт (формуляр) и руководство по их эксплуатации.

Руководство по эксплуатации турникетов и комплектов крепления, в котором должны быть изложены требования по техническому обслуживанию, осмотру, периодичности ремонтов, разрабатывает и утверждает грузоотправитель.

На видном месте каждого турникета (боковой балке основания) должен быть нанесен трафарет, на котором указывают: завод-изготовитель, пункт приписки (возврата), грузоподъемность турникета, инвентарный номер, дату изготовления и дату очередного освидетельствования.

Грузоотправитель обязан:

- проверить комплектность турникетных опор и устройств крепления;

- трущиеся поверхности пятника, подпятника промежуточной рамы в местах ее контакта с нижней и верхней рамами каждой турникетной опоры после удаления грязи смазать тонким слоем универсальной смазки УС-2 (ГОСТ 1033);

- сделать записи о результатах осмотра в документации в соответствии с руководством по эксплуатации.

Способ размещения и закрепления на железнодорожном подвижном составе возвращаемых без груза турникетных устройств устанавливается МТУ или НТУ, которые должны быть приложены к перевозочным документам при отправлении груза с использованием турникетных устройств.

В случае отсутствия чертежей на возврат турникетов грузополучатель обязан сам разработать чертежи и расчеты на размещение и крепление возвращаемых турникетов и утвердить их в установленном порядке.

12. Методика проведения экспериментальной проверки проектов технических условий размещения и крепления грузов

12.1. Общие положения.

12.1.1. Экспериментальная проверка включает три этапа:

- испытания на соударения (обязательный этап);

- поездные испытания. Проведение поездных испытаний способов размещения и крепления грузов с использованием многооборотных и инвентарных средств крепления является обязательным, в остальных случаях необходимость их проведения определяется комиссией;

- опытные перевозки (обязательный этап).

12.1.2. Основанием для проведения экспериментальной проверки проектов условий размещения и крепления грузов (ТУ, МТУ), а в случае использования многооборотных или инвентарных средств крепления - НТУ, является решение (указание) органов, в компетенцию которых входит утверждение ТУ, МТУ, НТУ (раздел 7 настоящей главы).

Этими органами устанавливаются состав комиссии, сроки и место (пути общего, необщего пользования) проведения экспериментальной проверки, порядок выделения и подачи предназначенных для проверки вагонов, контейнеров; определяется полигон (маршрут) для поездных испытаний, порядок сопровождения вагонов при поездных испытаниях.

Решение о проведении экспериментальной проверки проекта ТУ, МТУ, НТУ принимается не позднее 30 суток со дня получения указанным органом проекта ТУ, МТУ, НТУ.

12.1.3. В состав комиссии наряду со специалистами подразделений органов, утверждающих ТУ, МТУ, НТУ, включаются представители подразделений, контролирующих обеспечение безопасности движения поездов, представители разработчика ТУ, МТУ, НТУ, грузоотправителя и владельца инфраструктуры, на территории которого проводится экспериментальная проверка. Комиссию возглавляет представитель МПС России, ведающий вопросами грузовой и коммерческой работы.

Комиссия обеспечивает:

- контроль соответствия состояния груза, его размещения и крепления требованиям проекта ТУ, МТУ, НТУ;

- соблюдение порядка и условий проведения экспериментальной проверки;

- оформление актов о проведении соответствующих этапов экспериментальной проверки и заключения о надежности испытываемого способа размещения и крепления груза по проекту;

- разработку предложений по корректировке ТУ, МТУ, НТУ.

Срок реализации замечаний и предложений комиссии устанавливается по согласованию с лицом, представившим проект ТУ, МТУ, НТУ на рассмотрение.

Этапность проведения экспериментальной проверки после реализации замечаний и предложений по корректировке ТУ, МТУ, НТУ определяется комиссией.

12.1.4. Экспериментальной проверке подвергаются от трех до пяти вагонов (либо сцепов, либо контейнеров), загруженных по проекту ТУ.

Экспериментальная проверка ТУ, МТУ, НТУ с применением многооборотных крепежных устройств должна проводиться по программам-методикам, разработанным для конкретного устройства и согласованным с органом, утверждающим соответственно ТУ, МТУ, НТУ.

12.1.5. Результаты этапов экспериментальной проверки отражаются в соответствующих актах. Рекомендуемые формы актов приведены в приложениях N 9- 11 к настоящей главе.

12.2. Проведение испытаний на соударение.

Подготовка к испытаниям включает в себя:

- размещение и крепление груза в вагоне, контейнере в соответствии с проектом ТУ, МТУ, НТУ (опытная погрузка);

- нанесение на груз и на вагон (контейнер) контрольных меток, фиксирующих начальное положение груза относительно вагона (контейнера). Контрольные метки должны быть нанесены в местах и способом, обеспечивающим их отчетливую различимость в процессе испытаний.

Испытания на соударения одиночных вагонов или сцепов с опорой груза на один вагон проводятся на прямом участке пути.

Испытания на соударения сцепов с опорой на два вагона проводятся на прямом, а затем - на кривом участке пути радиусом кривой 300 - 400 м.

Соударения испытуемых вагонов производятся с группой неподвижно стоящих на пути загруженных до полной грузоподъемности инертным грузом (например, песок, щебень) полувагонов ("стенкой"). "Стенка" должна состоять не менее чем из трех полувагонов. Вагоны "стенки" устанавливаются в конце контрольного участка пути в сцепленном состоянии, затормаживаются пневматическим тормозом. Первый полувагон со стороны соударения дополнительно затормаживается двумя тормозными башмаками. Контрольный участок предназначен для определения скорости соударения испытуемого вагона со "стенкой" и должен представлять собой прямолинейный горизонтальный отрезок пути длиной 10 м. Длина расчетного участка отсчитывается от оси автосцепки первого полувагона "стенки".

На прямом участке пути проводят 12 соударений в следующей последовательности:

- 4 соударения со скоростью от 4 до 5 км/ч;

- 3 соударения со скоростью от 5 до 6 км/ч;

- 2 соударения со скоростью от 6 до 7 км/ч;

- 1 соударение со скоростью от 7 до 8 км/ч;

- 2 соударения со скоростью от 8 до 9 км/ч.

На кривом участке проводится 10 соударений со скоростью от 4 до 8 км/ч.

При испытаниях сцепов с грузом, закрепленным неподвижно относительно одной из грузонесущих платформ, соударения проводят в обоих направлениях.

Соударениям подвергается каждый вагон или сцеп, погруженный по проекту ТУ, МТУ, НТУ. Испытуемый вагон или сцеп на достаточной длине пути перед контрольным участком разгоняется локомотивом до необходимой скорости и после расцепки накатывается на вагоны "стенки". В случаях использования локомотива без устройства саморасцепа автосцепка разъединяется перед началом разгона. Для проведения данного вида испытаний допускается использование специальных стендов горочного типа.

Скорость вагона перед соударением рассчитывается по формуле:

v = 36 / t, (103)

где t - время прохождения контрольного участка свободно движущимся вагоном, сек. Время (t) замеряется секундомером.

Допускается по решению комиссии использование других способов определения скорости вагонов перед соударением (в том числе с использованием специального оборудования).

После каждого соударения вагон (сцеп, контейнер), груз и все элементы крепления осматриваются членами комиссии.

Все замеченные дефекты в конструкции вагона (вагонов сцепа, контейнера), изменения положения груза, состояния элементов крепления фиксируются в акте. Сдвиг груза определяется по положению меток до и после соударения.

Если во время испытаний сдвиг груза или повреждение элементов крепления угрожает безопасности движения или сохранности груза и подвижного состава, испытания должны быть немедленно прекращены, о чем делается соответствующая запись в акте. Способ размещения и крепления груза считается выдержавшим испытания, если в результате 10 соударений (со скоростью до 8 км/ч) на прямом, а для сцепов - на прямом и кривом участках пути, реквизиты крепления груза не имели существенных дефектов, груз находился в закрепленном состоянии, пригодном для транспортирования, а после соударений со скоростью от 8 до 9 км/ч не зафиксировано повреждений вагона.

По результатам испытаний на соударения комиссия принимает решение о проведении последующих этапов экспериментальной проверки, при этом испытуемые вагоны могут быть полностью или частично перегружены, заменены все или некоторые элементы крепления. Результаты испытаний и выводы комиссии оформляются актом испытаний на соударение (приложение N 9 к настоящей главе).

12.3. Проведение поездных испытаний.

Поездные испытания проводятся с целью определения в реальных условиях движения поезда надежности предусмотренного проектом ТУ, МТУ, НТУ способа размещения и крепления груза.

На выбранном для проведения поездных испытаний полигоне должно быть несколько кривых участков пути радиусом 350 м, а также должны отсутствовать ограничения скорости движения для грузовых поездов.

Поездные испытания проводятся в светлое время суток отдельным поездом, состоящим из локомотива, испытуемых вагонов, а также вагона, предназначенного для размещения комиссии, который располагается непосредственно за локомотивом. При наличии возможности и соответствующего разрешения члены комиссии могут располагаться в задней кабине локомотива.

Поездные испытания должны включать в себя несколько поездок, в том числе со скоростью до 90 км/ч и со скоростью 110 км/ч. Дальность опытной перевозки вагонов со скоростью до 90 км/ч должна составлять не менее 100 км, со скоростью 110 км/ч - не менее 60 км. Количество поездок, суммарный пробег при поездных испытаниях определяются решением комиссии.

В пути следования на железнодорожных станциях остановки поезда и - в случае необходимости - на перегонах проводится осмотр состояния груза и его крепления. При обнаружении повреждений крепления груза, его смещения, угрожающих безопасности движения, сохранности груза и подвижного состава, испытания должны быть немедленно прекращены. По результатам поездных испытаний комиссия принимает решение о проведении опытных перевозок. Результаты испытаний и выводы комиссии оформляются актом поездных испытаний (приложение N 10 к настоящей главе).

Локомотивное депо, к которому приписан задействованный в испытаниях локомотив, по запросу комиссии предоставляет заверенную в установленном порядке расшифровку скоростемерной ленты, которая приобщается к акту.

12.4. Проведение опытных перевозок.

Опытные перевозки проводятся с целью проверки в реальных условиях перевозок надежности предусмотренного проектом ТУ, МТУ, НТУ способа размещения и крепления груза. Опытные вагоны включают в поезда на общих основаниях. Опытные перевозки могут быть как однократные, так и многократные - назначаемые на определенный период. Многократные опытные перевозки назначаются по усмотрению комиссии, например, в случаях недостаточной для проверки надежности способа крепления груза в зимних и летних условиях дальности однократной перевозки.

Общий пробег вагонов в процессе опытных перевозок должен составлять не менее 1500 км.

В правой верхней части лицевой стороны накладной на груз, отправляемый в опытную перевозку, делают отметки "Опытная перевозка". К накладной прикладывают акт опытной перевозки (приложение N 11 к настоящей главе). Левая часть акта заполняется и подписывается членами комиссии на железнодорожной станции отправления.

Необходимость сопровождения опытных вагонов, в том числе вагонов, загруженных опытными контейнерами, в процессе опытных перевозок определяется комиссией.

Если опытная перевозка осуществляется с сопровождением, члены комиссии систематически осматривают состояние груза и его крепление в пути следования. Результаты осмотров заносят в журнал опытной перевозки. Состояние груза и обнаруженные отклонения от первоначального состояния, в том числе элементов крепления, вагона, характеризуются краткими четкими записями, например:

- "Частично выдернуты гвозди крепления бруска 1, брусок смещен на 10 мм в направлении...";

- "Ослабла растяжка 4";

- "Трещина в бруске 3 по линии забивки гвоздей".

Величина смещения груза при каждом осмотре измеряется от точки первоначального положения.

При обнаружении повреждения элементов крепления сопровождающие члены комиссии оценивают возможность дальнейшего следования вагона в составе поезда. Запись о пригодности вагона, контейнера с грузом заносится в графу 6 журнала.

При необходимости роспуска состава с опытными вагонами с сортировочных горок груз, крепление и вагоны осматривают в обязательном порядке перед роспуском и после него.

При опытных перевозках без сопровождения начальник железнодорожной станции отправления обязан дать телеграмму на станцию назначения о проведении комиссионной выгрузки.

На железнодорожной станции назначения производится выгрузка опытных вагонов под наблюдением перевозчика и представителя грузополучателя. Перед выгрузкой осматриваются груз и видимые элементы крепления груза в вагонах, а после выгрузки производится окончательная оценка состояния груза, вагона и элементов крепления. Перевозчик и представитель грузополучателя заполняют и подписывают правую часть акта опытной перевозки. Акт опытной перевозки заполняется и подписывается в течение 3 суток со дня выгрузки и направляется в адрес органа, принявшего решение о проведении экспериментальной проверки ТУ, МТУ, НТУ.

12.5. Результаты экспериментальной проверки.

На основании анализа материалов экспериментальной проверки (актов) комиссия не позднее 30 суток со дня получения последнего акта опытных перевозок принимает решение о пригодности проверяемого способа размещения и крепления груза, формулирует замечания по проекту ТУ, МТУ, НТУ и срок их реализации. Решение комиссии оформляется в виде заключения и доводится до сведения грузоотправителя и (или) разработчика ТУ, МТУ, НТУ. На основании этого решения грузоотправитель либо разработчик выполняет корректировку проекта ТУ, МТУ, НТУ и представляет его для согласования и утверждения в порядке, установленном решением комиссии, если иное не установлено решениями органа, уполномоченного согласно разделу 7 настоящей главы утверждать такие нормативные акты.

Глава 2. РАЗМЕЩЕНИЕ И КРЕПЛЕНИЕ ЛЕСОМАТЕРИАЛОВ

1. Общие положения

1.1. В настоящей главе предусмотрены способы размещения и крепления непакетированных и пакетированных лесоматериалов (круглых лесоматериалов и пиломатериалов) в пределах основного и зонального габаритов погрузки.

1.2. Лесоматериалы размещают в полувагоне, на платформе одним либо несколькими штабелями по длине.

Допускается размещение лесоматериалов в полувагоне с открытыми дверями с одной либо с обеих его сторон при соблюдении требований конкретного способа размещения и крепления. При этом выход лесоматериалов за наружную поверхность концевой балки с каждой стороны полувагона должен быть не более 400 мм.

Допускается совместная погрузка в один вагон штабелей различной длины. При этом штабеля большей длины размещают в торцовых частях полувагона.

1.3. Штабель, сформированный из непакетированных и пакетированных лесоматериалов, должен иметь в пределах высоты стоек прямоугольное поперечное сечение. Расположенная выше стоек часть штабеля ("шапка") должна иметь поперечное сечение, имеющее форму равносторонней трапеции, размеры которой ограничены очертанием верхней (суженной) части соответствующего габарита погрузки.

Не допускается использование суженной части габарита погрузки для размещения непакетированных лесоматериалов длиной менее 1,6 м, а также лесоматериалов с невысохшим покрытием (пропиткой), за исключением пропитанных шпал.

Формируемые в штабель круглые лесоматериалы должны быть одинаковой длины в пределах допусков, установленных нормативными документами на соответствующую продукцию. В прямоугольной части штабеля допускается размещение круглых лесоматериалов, отличающихся толщиной не более чем на величину разности четырех смежных размеров в пределах допусков, установленных нормативными документами на соответствующую продукцию. В "шапке" штабеля допускается различие толщины круглых лесоматериалов не более чем на величину разности двух смежных размеров. Разность двух смежных размеров (градация) лесоматериалов составляет: при толщине до 140 мм включительно - 10 мм, при толщине свыше 140 мм - 20 мм.

Формируемые в штабель непакетированные пиломатериалы должны быть одной толщины в пределах допусков, установленных нормативными документами на пиломатериал. Ширина штабеля должна быть равна расстоянию между противоположными стойками при условии плотной укладки пиломатериала. В случаях, когда расстояние между стойками не кратно ширине пиломатериала, зазоры между штабелем и стойками заполняют таким же пиломатериалом, установленным на ребро. Не допускается укладывать пиломатериал внахлест. Допускается формирование ярусов штабеля из пиломатериалов различной длины, за исключением двух верхних ярусов штабеля, а также двух ярусов, расположенных непосредственно под прокладками, разделяющими штабель по высоте, и двух ярусов, расположенных непосредственно на прокладках. При этом пиломатериалы должны быть уложены встык (без зазора по длине). Торцы штабеля должны быть выровнены. Каждый такой штабель должен быть огражден не менее чем двумя парами боковых стоек и обрешеткой. Обрешетку выполняют от верхней кромки боковых стен полувагона (бортов платформы) до верхнего обреза стоек из досок толщиной не менее 25 мм либо горбыля толщиной не менее 30 мм, длиной не менее 3000 мм, которые закрепляют к стойкам со стороны штабеля вплотную друг к другу гвоздями длиной не менее 70 мм.

1.4. Штабеля, сформированные из непакетированных и пакетированных лесоматериалов, за исключением особо оговоренных в настоящей главе случаев, размещают на подкладках и разделяют по высоте на части прокладками. Для создания уклона крайних штабелей либо их частей к середине вагона применяют утолщенные подкладки или (и) прокладки, которые располагают со стороны наружных торцов крайних штабелей. Утолщенные прокладки располагают между нижней и второй снизу частями штабелей. "Шапку" штабеля формируют на удлиненных прокладках.

Допускается в полувагонах штабеля не разделять на части по высоте.

Каждый штабель из круглых лесоматериалов размещают на двух подкладках. Подкладки располагают:

- при длине лесоматериалов от 1,6 до 3,0 м включительно - на расстоянии от концов штабеля от 300 до 500 мм включительно;

- при длине лесоматериалов более 3,0 м - от 500 до 800 мм включительно.

Каждый штабель из пиломатериалов размещают:

- длиной до 3,0 м включительно - на двух подкладках;

- длиной более 3,0 м - на трех подкладках.

Крайние подкладки должны быть расположены на расстоянии от 300 до 800 мм от торцов штабеля.

Прокладки должны располагаться горизонтально в одной вертикальной плоскости с подкладками, перпендикулярно продольной плоскости симметрии полувагона.

Подкладки и прокладки изготавливают из обрезного либо необрезного пиломатериала сечением не менее: подкладки и прокладки - 50 x 150 мм; утолщенные подкладки и прокладки - 130 x 150 мм, удлиненные прокладки - 75 x 150 мм. Длина подкладок должна быть равна внутренней ширине вагона. Длина прокладок должна быть не менее ширины штабеля. Длина удлиненных прокладок должна превышать ширину штабеля на величину от 150 до 200 мм включительно. При погрузке лесоматериалов с разделением штабеля по высоте на три части и более прокладки под верхней частью должны быть изготовлены из обрезного пиломатериала. Допускается, за исключением особо оговоренных далее случаев, использовать для изготовления подкладок и прокладок деловой горбыль; при этом их минимальные по длине толщина и ширина должны быть не менее, соответственно, 50 мм и 150 мм.

1.5. Каждый штабель, сформированный из непакетированных и пакетированных лесоматериалов, должен быть огражден стойками, изготовленными и установленными в соответствии с требованиями главы 1 настоящих ТУ. Применение стоек, изготовленных из пиломатериалов, не допускается. Стойки, ограждающие штабеля из лесоматериалов, устанавливают таким образом, чтобы расстояние от крайних стоек до конца штабеля составляло:

- для штабелей длиной до 3,0 м включительно - не менее 180 мм;

- для штабелей длиной более 3,0 м - не менее 250 мм.Высота стоек над уровнем головки рельса должна быть не более:

- в полувагоне при размещении в пределах основного габарита погрузки - 4180 мм;

- в полувагоне при размещении в пределах зонального габарита погрузки - 4680 мм;

- на платформе при размещении в пределах основного габарита погрузки - 4100 мм.

Каждый штабель из лесоматериалов должен быть огражден не менее чем двумя парами стоек.

При размещении в полувагоне четырех и более штабелей допускается устанавливать стойки в стороне от лесных скоб. Такие стойки закрепляют на высоте расположения верхних лесных скоб и средних увязочных устройств (нижних лесных скоб) при помощи двух досок толщиной от 25 до 30 мм, шириной не менее 120 мм, закрепленных к лесным скобам проволокой диаметром не менее 3 мм в две нити либо к соседним стойкам, установленным в лесные скобы, гвоздями длиной не менее 120 мм (рис. 1 настоящей главы). В полувагонах, оборудованных только верхними лесными скобами, все стойки на высоте от 300 до 400 мм от пола вагона должны быть скреплены досками толщиной от 25 до 30 мм включительно и шириной не менее 120 мм.

Рисунок 1 – Установка стоек в полувагоне при количестве штабелей 4 и более

а – шесть штабелей; б – пять продольных штабелей и один поперечный штабель; в – пять штабелей; г – четыре штабеля

1 – стойка; 2 – скрепляющая доска; 3 – проволочная увязка; 4- лесная скоба

В полувагонах с открытыми дверями крайние пары стоек устанавливают в промежуток между торцами створок дверей и гранями угловых стоек кузова полувагона и увязывают в двух местах за петли дверных навесов.

Противоположные боковые стойки должны во всех случаях иметь верхнее скрепление, а при погрузке круглых или полукруглых лесоматериалов на платформы - дополнительно среднее скрепление. Среднее скрепление должно устанавливаться:

- при разделении штабеля на две части по высоте - между частями;

- при разделении штабеля на три и более частей - между второй и третьей (снизу) частями.

Скрепление противоположных стоек выполняют с помощью многооборотных четырехзвенных и шестизвенных стяжек (рис. 2 настоящей главы).

Рисунок 2

а – четырехзвенная стяжка; б – шестизвенная стяжка

Большое ушко стяжки надевают на стойку и фиксируют его от смещения вдоль стойки двумя гвоздями длиной от 70 до 80 мм включительно. Малое ушко крепят к противоположной стойке стяжкой из проволоки диаметром не менее 5 мм в четыре нити. Проволочную стяжку скручивают ломиком усилием одной руки (25 кгс) на плече 500 мм.

Допускается для скрепления противоположных стоек взамен четырехзвенных стяжек применять стяжки из проволоки диаметром 6 мм (рис. 3 настоящей главы).

Рисунок 3 – Скрепление стоек

а – из двух нитей проволоки; б – из четырех нитей проволоки.

В этом случае число нитей проволоки в скреплении определяется по таблице 1 настоящей главы.


Таблица 1

СтяжкаЧисло нитей в стяжке при погрузке
на платформев полувагоне
Средняя4/4-
Верхняя2/42/4

Примечание. Числитель - при погрузке без "шапки"; знаменатель - при погрузке с "шапкой".

Шестизвенные стяжки (рис. 2 настоящей главы) применяют как средство крепления лесоматериалов в вагоне.

1.6. Перевозка лесоматериалов с обледенением допускается исключительно в полувагонах. При этом высота погрузки должна быть меньше высоты боковых стен полувагона не менее чем на 100 мм.

1.7. Способы размещения лесоматериалов в полувагонах с глухим полом должны обеспечивать возможность механизированной выгрузки лесоматериалов грузополучателем.

2. Размещение и крепление круглых лесоматериалов

2.1. Размещение и крепление непакетированных круглых лесоматериалов длиной более 3,0 м.

2.1.1. Формирование штабелей из таких лесоматериалов, применение и установка подкладок, прокладок и ограждающих стоек осуществляются в соответствии с требованиями раздела 1 настоящей главы. Круглые лесоматериалы в штабеле располагают комлями в противоположные стороны приблизительно в равных количествах. Удлиненные прокладки должны опираться на два-три круглых лесоматериала, расположенные в средней части яруса, и на круглые лесоматериалы, прилегающие к ограждающим стойкам. Крайние круглые лесоматериалы в ярусе, размещенном на прокладках, должны прилегать к стойкам. При размещении лесоматериалов в полувагоне с выходом за пределы концевых балок наружные концы крайних штабелей укладывают на торцовые порожки полувагона; в этом случае утолщенные подкладки и прокладки не применяют.

2.1.2. Количество штабелей из лесоматериалов в полувагоне в зависимости от их длины, а также соответствующее количество пар стоек, ограждающих каждый штабель, приведено в таблице 2 настоящей главы.

Таблица 2

Длина лесоматериала, мКоличество штабелейКоличество пар стаекНомер рисунка
До 3,5 включительно424 <*>
35 <*>
Свыше 3,5 до 4,25 включительно3Крайние штабеля - 36 <*>
Средний штабель - 2
Свыше 4,25 до 5,5 включительно237 <*>
Свыше 5,5248 <*>

Рисунок 4

1 – шестизвенная стяжка; 2 – удлиненная прокладка; 3 – стойка; 4 – скрепление стоек; 5 – подкладка; 6 – средняя увязка "шапки"

Рисунок 5

1 – шестизвенная стяжка; 2 – удлиненная прокладка; 3 – стойка; 4 – скрепление стоек; 5 – утолщенная подкладка; 6 – средняя увязка "шапки"

Рисунок 6

1 – шестизвенная стяжка; 2 – удлиненная прокладка; 3 – стойка; 4 – скрепление стоек; 5 – утолщенная подкладка; 6 – средняя увязка "шапки"

Рисунок 7

1 – шестизвенная стяжка; 2 – удлиненная прокладка; 3 – стойка; 4 – скрепление стоек; 5 – утолщенная подкладка; 6 – средняя увязка "шапки"

Рисунок 8

1 – шестизвенная стяжка; 2 – удлиненная прокладка; 3 – стойка; 4 – скрепление стоек; 5 – подкладка; 6 – средняя увязка «шапки»

При ограждении каждого штабеля тремя парами стоек две из них устанавливают по концам штабеля, а третью - в одну из лесных скоб в середине штабеля.

2.1.3. Формирование прямоугольной части штабеля производят до уровня ниже верхнего обреза стоек на величину средней толщины круглых лесоматериалов в штабеле.

Формирование "шапки" производят следующим образом. На круглые лесоматериалы верхнего яруса прямоугольной части штабеля на расстоянии от 0,3 до 0,5 м включительно от его концов располагают две удлиненные прокладки так, чтобы концы их выступали с обеих сторон на величину от 75 до 100 мм (рис. 9 настоящей главы).

Рисунок 9

1 – стойка; 2 – удлиненная прокладка; 3 – многооборотная шестизвенная стяжка

На удлиненных прокладках на расстоянии не менее 50 мм от их торцов должны быть выполнены зарубки глубиной от 10 до 15 мм. Увязку лесоматериалов в "шапке" выполняют с использованием многооборотных шестизвенных стяжек (рис. 2 настоящей главы) следующим образом. Большое ушко стяжки заводят на зарубки удлиненной прокладки и фиксируют на ней двумя гвоздями длиной от 70 до 80 мм включительно либо проволокой диаметром не менее 3 мм. Малое ушко закрепляют к другому концу прокладки стяжкой из проволоки диаметром 6 мм в две нити, при этом должны быть выполнены два оборота проволоки вокруг прокладки.

Вместо многооборотных шестизвенных стяжек допускается для скрепления "шапки" устанавливать поперечные увязки из проволоки диаметром 6 мм в две нити. Увязки закрепляют за выступающие концы удлиненных прокладок, при этом должны быть выполнены два оборота проволоки вокруг прокладки по зарубкам.

В середине штабеля между удлиненными прокладками поперек штабеля укладывают две скрученные между собой нити проволоки диаметром 6 мм средней увязки, длиной, достаточной для последующего формирования средней увязки "шапки" (рис. 4 - 8 настоящей главы).

При формировании "шапки" должны соблюдаться требования пункта 1.3 настоящей главы, а также следующие дополнительные условия:

- толщина круглых лесоматериалов в "шапке" должна быть не более 300 мм;

- укладка круглых лесоматериалов в первом ярусе "шапки" между стойками должна быть без зазоров между бревнами и стойками. Возвышение примыкающих к стойкам круглых лесоматериалов над стойками не должно превышать 1/4 толщины этих круглых лесоматериалов;

- круглые лесоматериалы каждого яруса размещают во впадинах между соседними круглыми лесоматериалами нижележащего яруса;

- крайние круглые лесоматериалы ярусов "шапки" подбирают таким образом, чтобы толщина вышележащих круглых лесоматериалов не превышала толщины нижележащих круглых лесоматериалов;

- при размещении в пределах основного габарита погрузки угол откосов "шапки" (угол наклона к горизонту общей касательной к любым двум из крайних круглых лесоматериалов) должен быть не более 50 град.

2.1.4. При погрузке круглых лесоматериалов в полувагоны допускается формировать прямоугольную часть штабелей без применения прокладок (рис. 10 настоящей главы) при наличии согласия грузополучателя на такую отгрузку. В накладной в графе "Особые заявления и отметки отправителя" грузоотправитель должен сделать отметку с указанием вида и номера документа о согласии.

Рисунок 10

1- боковая стойка; 2- скрепление стоек; 3- увязки "шапки"

При формировании прямоугольной части штабеля без удлиненных прокладок скрепление боковых стоек многооборотными четырех- и шестизвенными стяжками не допускается. Скрепление должно производиться исключительно проволочными стяжками. Скрепление "шапки" производится тремя проволочными увязками в порядке, аналогичном изложенному в подпункте 2.1.3 настоящей главы, при этом две крайние увязки располагают на расстоянии от 500 до 800 мм от концов штабеля, третью увязку - посередине его длины.

2.1.5. Свежеокоренные лесоматериалы, а также лесоматериалы с невысохшим покрытием (пропиткой) формируют в штабеля только в пределах прямоугольной части габаритов погрузки (до высоты 4000 мм от УГР) и перевозят в полувагонах с закрытыми дверями.

Для ограждения прямоугольных частей штабелей применяют торцовые щиты (рис. 11 настоящей главы).

Рисунок 11 – Торцовый щит:

а) на двух стойках; б) на трех стойках

1 – стойка; 2 – доска; 3 – перекладина; 4 – связь

Щит изготавливают из стоек, аналогичных боковым стойкам, и досок сечением не менее 40 x 150 мм или горбылей сечением не менее 50 x 200 мм и длиной, равной внутренней ширине полувагона.

Доски 2 закрепляют к стойкам 1 гвоздями длиной не менее 120 мм. Допускается взамен досок использовать жерди толщиной от 60 до 80 мм, затесанные в местах соприкосновения со стойками. Зазоры между досками (жердями) должны быть не более половины их ширины (толщины). Высота h (рис. 11 настоящей главы) до нижней доски щита должна быть меньше высоты верхней обвязки полувагона на величину от 350 до 400 мм. На расстоянии от 100 до 150 мм от верха стоек к ним со стороны, противоположной доскам, закрепляют перекладину 3 из круглого подтоварника (бревно толщиной 130 мм и менее) толщиной не менее 100 мм и длиной, равной длине досок. Перекладину закрепляют гвоздями длиной не менее 150 мм, по два в каждое соединение, и увязками из проволоки диаметром не менее 6 мм в две нити. На перекладине на расстоянии от 80 до 100 мм включительно от ее концов выполняют зарубки глубиной от 15 до 20 мм включительно для закрепления растяжек. В нижней части стойки скрепляют связью 4 из доски, аналогичной доскам щита.

Собранный щит закрепляют двумя растяжками 2 из проволоки диаметром 6 мм в две нити за концы перекладины и за вторые от щита верхние увязочные устройства полувагона (рис. 12а настоящей главы) либо двумя досками сечением не менее 30 x 100 мм, которые закрепляют к крайним стойкам щита и соседним стойкам вагона гвоздями длиной не менее 100 мм, по три штуки в каждое соединение (рис. 12б настоящей главы).

Рисунок 12 –Установка торцовых щитов в полувагоне:

а) крепление щита растяжками; б) крепление щита досками; в) установка щита при наличии зазора

1 – щит; 2 – растяжка; 3 – скрепляющие доски

В случаях, когда суммарная длина штабелей меньше внутренней длины полувагона более чем на 500 мм, один из торцовых щитов устанавливают вплотную к дверям, второй - вплотную к торцу последнего штабеля; зазор между этим щитом и дверями полувагона заполняют лесоматериалом, располагаемым горизонтально поперек полувагона до уровня ниже верхней обвязки полувагона на величину от 100 до 150 мм (рис. 12в настоящей главы).

2.2. Размещение и крепление непакетированных круглых лесоматериалов длиной до 3,0 м включительно.

Непакетированные круглые лесоматериалы длиной до 3,0 м включительно размещают в полувагонах только в пределах основного габарита погрузки.

2.2.1. Размещение круглых лесоматериалов длиной от 1,8 до 3,0 м включительно производят с применением торцовых щитов (рис. 13 настоящей главы).

Рисунок 13

1 – стойка; 2 – доска; 3 – перекладина; 4 – связь

Торцовый щит изготавливают с использованием четырех стоек. Длина средних стоек должна быть не более 3700 мм. Другие требования к изготовлению и установке торцовых щитов аналогичны требованиям, изложенным в подпункте 2.1.5 настоящей главы.

Формирование и крепление штабелей выполняются в соответствии с требованиями пункта 2.1 настоящей главы. При этом должны соблюдаться следующие особенности (рис. 14 настоящей главы) (не приводится):

- "шапки" крайних штабелей должны быть расположены таким образом, чтобы удлиненные прокладки находились по отношению к ближайшим боковым стойкам со стороны середины полувагона;

- при погрузке круглых лесоматериалов длиной от 1,8 до 2,5 м включительно соседние удлиненные прокладки двух крайних штабелей с каждой стороны вагона должны быть скреплены между собой увязкой из проволоки диаметром 6 мм в четыре нити.

Рисунок 14

1 – торцовый щит; 2 – удлиненная прокладка; 3 – стойка; 4 – скрепление стоек; 5 – увязка удлиненных прокладок

Допускается штабеля лесоматериалов длиной свыше 2,5 м до 3 м включительно формировать без укладки удлиненных прокладок под "шапку" при соблюдении условий и требований подпункта 2.1.4 настоящей главы.

Допускается размещение лесоматериалов длиной свыше 1,6 м до 1,8 м с применением торцовых щитов и устройством ограждения боковых стен полувагона (рис. 15 настоящей главы) в следующем порядке.

Рисунок 15

1 – круглый лесоматериал ограждения стен; 2 – прокладка; 3 – удлиненная прокладка; 4 – утолщенная прокладка; 5 – торцовый щит; 6 – лесоматериал

Двери полувагона ограждают торцовыми щитами (рис. 13 настоящей главы). Ограждение боковых стен выполняют из круглых лесоматериалов 1, которые устанавливают вертикально в один ряд вплотную друг к другу. Круглые лесоматериалы, установленные у лесных скоб, закрепляют к ним увязками из проволоки диаметром 6 мм в две нити. В местах предполагаемого размещения удлиненных прокладок 3 круглые лесоматериалы ограждения не устанавливают. Прямоугольную часть штабеля формируют таким образом, чтобы ее высота была меньше высоты ограждения на величину от 250 до 300 мм, и разделяют по высоте на две-три части прокладками 2, 4. Зазор между щитами и дверями полувагона заполняют лесоматериалом, располагаемым горизонтально поперек полувагона до уровня ниже верхней обвязки полувагона на величину от 100 до 150 мм.

2.2.2. Размещение лесоматериалов длиной до 1,6 м включительно производят с установкой по всему периметру полувагона ограждения, выполняемого из круглого лесоматериала (рис. 16 настоящей главы).

Рисунок 16

1 – круглый лесоматериал ограждения; 2 – скрепляющая доска; L – длина круглых лесоматериалов

Высота ограждения от уровня боковых стен полувагона должна быть не более 0,4 длины круглых лесоматериалов. Ограждение устанавливают после размещения лесоматериалов до высоты от уровня пола полувагона не более 0,4L. Круглые лесоматериалы ограждения 1 дверей скрепляют друг с другом доской (горбылем) 2 толщиной не менее 30 мм и длиной от 2,9 до 3,0 м включительно. Доску (горбыль) укладывают с внутренней стороны ограждения с опорой на верхнюю обвязку полувагона и закрепляют к двум крайним и двум средним круглым лесоматериалам гвоздями длиной не менее 70 мм. Лесоматериалы укладывают горизонтально до уровня ниже верхнего уровня ограждения не менее чем на 50 мм. Зазор между торцовым ограждением и погруженными лесоматериалами заполняют круглыми лесоматериалами, располагаемыми горизонтально до уровня ниже верхней обвязки полувагона на величину от 100 до 150 мм.

Допускается выполнять ограждение из досок (горбылей) толщиной не менее 30 мм. При этом груз ограждают восемью парами боковых стоек и шестью торцовыми стойками (рис. 17 настоящей главы).

Рисунок 17

1 – стойка; 2 – доска ограждения; 3 –увязка

Доски (горбыли) ограждения закрепляют гвоздями длиной не менее 70 мм с внутренней стороны стоек. Длина досок (горбылей), прибиваемых к торцовым стойкам, должна быть не менее ширины полувагона. Крайние торцовые и боковые стойки скрепляют между собой проволокой диаметром 6 мм в две нити.

Допускается, с согласия грузополучателя, взамен досок использовать тонкомерные круглые лесоматериалы (подтоварник) толщиной от 100 до 130 мм включительно (рис. 18 настоящей главы), о чем грузоотправитель делает отметку в накладной в порядке, указанном в подпункте 2.1.4 настоящей главы.

Рисунок 18

1 - торцовые стойки; 2 - крепление щита к стойкам; 3 – торцовые щиты; 4 – крепление бокового щита к боковым стойкам; 5 – увязка щита; 6 – боковые стойки; 7 – боковые щиты; 8 – верхнее поперечное скрепление стоек.

Тонкомерные круглые лесоматериалы (подтоварник) объединяют в щиты 3, 7 с помощью увязок 5 из проволоки диаметром 6 мм в одну нить. Торцовые щиты дополнительно укрепляют двумя досками или горбылями толщиной не менее 25 мм, шириной не менее 100 мм и длиной, равной ширине щита. Длина торцового щита должна быть равна внутренней ширине полувагона. Боковое ограждение должно состоять из двух щитов либо трех щитов встык. При установке боковые щиты упираются в торцовые щиты. Каждый щит закрепляют в четырех местах к стойкам увязками из проволоки диаметром не менее 3 мм в одну нить. В местах верхнего крепления щита к стойке на ней выполняют зарубку для фиксации в ней проволоки. Противоположные боковые стойки должны быть скреплены в соответствии с требованиями пункта 1.5 настоящей главы.

2.2.3. При размещении непакетированных лесоматериалов длиной 1,0 м устанавливают несколько рядов ограждений груза по всему периметру полувагона (рис. 19 настоящей главы).

Рисунок 19

1 – скрепляющие доски; 2 – второй ряд ограждения; 3 – первый ряд ограждения

Перед установкой первого ограждения лесоматериалы размещают штабелями вдоль полувагона до высоты на 0,6 м ниже уровня верхней обвязки вагона. Затем на размещенные горизонтально круглые лесоматериалы устанавливают по периметру полувагона вплотную к стенам и дверям сплошной ряд 3 из круглых лесоматериалов одинаковой толщины. При этом лесоматериалы, используемые в качестве ограждения, не должны превышать верхней обвязки полувагона более чем на 400 мм. После установки первого ряда ограждения размещаемые в полувагоне круглые лесоматериалы укладывают горизонтально вплотную в пределах ограждения высотой 400 мм. Затем на размещенные горизонтально круглые лесоматериалы вплотную к первому ряду ограждения устанавливают второй сплошной вертикальный ряд 2 ограждения, который должен возвышаться над первым не более чем на 400 мм. После установки второго ряда ограждения размещаемые в полувагоне круглые лесоматериалы укладывают горизонтально вплотную по высоте ниже верхнего уровня второго ряда ограждения не менее чем на 50 мм.

Круглые лесоматериалы, установленные вертикально в качестве ограждения, должны быть скреплены между собой доской (горбылем) в порядке, указанном в подпункте 2.2.2 настоящей главы, плотно прижаты к боковым стенам и дверям полувагона горизонтально размещенными круглыми лесоматериалами.

2.3. При перевозке в одном полувагоне круглых лесоматериалов длиной 3,0 м и более совместно с лесоматериалами длиной менее 3,0 м штабеля длиной менее 3,0 м размещают в средней части полувагона, а штабеля длиной 3,0 м и более - в концевых частях. В этом случае "шапки" штабелей должны быть сформированы из круглых лесоматериалов длиной 3,0 м и более и размещены таким образом, чтобы они перекрывали стыки прямоугольных частей штабелей.

2.4. Размещение и крепление пакетированных круглых лесоматериалов длиной до 8,0 м включительно.

2.4.1. Пакеты из круглых лесоматериалов формируются с использованием многооборотных полужестких строп типа ПС-04 грузоподъемностью 3000 кг и типа ПС-05 грузоподъемностью 7500 кг.

2.4.2. Пакеты из круглых лесоматериалов, предназначенные для размещения в полувагонах, должны иметь параметры, приведенные в таблице 3 настоящей главы.

Таблица 3

Вид пакетируемой продукцииДлина пакета, мТип строповРазмеры пакета, ммМасса пакета, не более, т
ширинавысота
Короткомерные круглые и колотые лесоматериалы (рудничная стойка, пропсы, балансы, дрова и др.)1,0 - 3,0ПС-04280017506
Круглые лесоматериалы (пиловочник и др.)3,0 - 8,0ПС-052500175020
2800

Примечания:

1. Значения ширины и высоты приведены для пакетов, находящихся в пакетоформирующем устройстве.

2. Пакеты шириной 2500 мм предназначены для размещения в дверном проеме полувагонов.

Пакеты из круглых лесоматериалов, предназначенные для размещения на платформах, должны иметь ширину 2700 мм и высоту 1750 мм.

Форма поперечного сечения пакетов лесоматериалов прямоугольной части штабеля и пакетов из круглых лесоматериалов "шапки" должна соответствовать рисункам 20 и 21 настоящей главы.

Рисунок 20 – Пакет из круглых лесоматериалов прямоугольной части штабеляРисунок 21 – Пакет из круглых лесоматериалов "шапки"

Пакеты из круглых лесоматериалов, размещаемые в "шапке", формируются исходя из размеров очертания соответствующего габарита погрузки.

2.4.3. Пакеты из круглых лесоматериалов длиной от 1 до 6,5 м включительно и массой не более 15 т увязывают двумя стропами ПС-05. Стропы размещают на равном удалении от торцов пакета на расстоянии друг от друга не менее половины длины пакета.

Пакеты лесоматериалов длиной свыше 6,5 м и (или) массой более 15 т увязывают четырьмя стропами ПС-05. Стропы размещают парами на равном удалении от торцов пакета. Расстояние между стропами в паре - от 250 до 300 мм включительно; расстояние между внутренними стропами пар - от 3,0 до 3,5 м включительно (рис. 22 настоящей главы).

Рисунок 22

Замыкание стропа осуществляется пропуском свободного конца цепи в петлевой замок с последующей фиксацией конца цепи закруткой из проволоки диаметром 2 мм (рис. 23 настоящей главы).

Рисунок 23

1 – замок с переменным зевом; 2 – цепной замок; 3 – проволочная закрутка

Стропы на пакете должны быть плотно затянуты.

2.4.4. Пакеты лесоматериалов размещают в полувагоне без применения подкладок и прокладок несколькими штабелями по его длине. Штабель формируется из двух пакетов по высоте.

2.4.5. Допускается формирование пакетов из круглых лесоматериалов длиной менее 1 м стыкованием по длине. В таких пакетах из круглых лесоматериалов по периметру поперечного сечения должны быть уложены круглые лесоматериалы длиной, равной суммарной длине пакета. Выход отдельных круглых лесоматериалов за торцы пакета не допускается.

2.4.6. Пакеты из круглых лесоматериалов длиной от 3,0 до 8,0 м включительно на платформе (рис. 24 настоящей главы) размещают в два яруса по высоте без подкладок и прокладок.

Рисунок 24

Каждый штабель ограждают стойками в соответствии с требованиями подпункта 2.1.2 настоящей главы. После размещения пакетов первого яруса на платформу каждую пару противоположных боковых стоек скрепляют многооборотной четырехзвенной стяжкой.

Допускается размещение на одной платформе пакетов из круглых лесоматериалов различной длины при условии, что суммарная длина пакетов не превышает 12,0 м. В этом случае пакеты из круглых лесоматериалов размещают по длине вагона таким образом, чтобы стык нижних пакетов из круглых лесоматериалов перекрывался одним из верхних пакетов круглых лесоматериалов. Суммарная длина верхних пакетов из круглых лесоматериалов должна быть не более суммарной длины нижних пакетов из круглых лесоматериалов.

2.4.7. Пакеты из неокоренных лесоматериалов длиной до 3 м включительно размещают в полувагонах с закрытыми дверями несколькими штабелями по его длине с установкой торцовых щитов (рис. 25 - 27 настоящей главы) (не приводятся).

Рисунок 25

Рисунок 26

Рисунок 27

Щиты изготавливают в соответствии с требованиями подпункта 2.2.1 настоящей главы. Крайние стойки щита должны иметь длину не более 3280 мм, средние - не более 3700 мм. Щиты устанавливают и закрепляют в полувагоне в соответствии с требованиями подпункта 2.1.5 настоящей главы.

В случаях, когда суммарная длина штабелей меньше внутренней длины полувагона более чем на 500 мм, один из торцовых щитов устанавливают вплотную к дверям, второй - вплотную к торцу последнего штабеля; зазор между этим щитом и дверями полувагона заполняют лесоматериалом, располагаемым горизонтально до уровня, ниже верхней обвязки полувагона на величину от 100 до 150 мм (рис. 26 настоящей главы), либо пакетом соответствующих размеров.

Допускается размещать в полувагоне один штабель, имеющий длину, меньшую, чем остальные, но не менее 1,5 м. Такой штабель должен быть размещен в средней части полувагона между более длинными штабелями (рис. 27 настоящей главы).

2.4.8. Пакеты из неокоренных лесоматериалов длиной свыше 3 м размещают в полувагонах без установки ограждающих торцовых щитов (рис. 28 настоящей главы).

Рисунок 28

Зазоры между штабелями, а также между штабелями и дверями (торцовыми стенами) полувагона должны быть не более 200 мм.

2.4.8.1. Допускается, с целью максимального использования вместимости полувагона, размещать один штабель меньшей, чем остальные штабеля, длины.

2.4.8.2. В случаях, когда суммарная длина штабелей меньше внутренней длины полувагона более чем на 500 мм, штабеля размещают вплотную друг к другу, зазор между крайним штабелем и дверями (торцовой стеной) заполняют лесоматериалом, располагаемым горизонтально до уровня на 150 - 200 мм ниже верхней обвязки полувагона (рис. 29 настоящей главы) (не приводится).

2.4.9. Пакеты из свежеокоренных либо с невысохшим покрытием (пропиткой) лесоматериалов независимо от длины размещают в полувагонах в соответствии с подпунктом 2.4.7 настоящей главы.

Рисунок 29

3. Размещение и крепление непакетированных и пакетированных пиломатериалов в полувагонах и на платформах

3.1. Непакетированные деревянные шпалы (ГОСТ 78) размещают в полувагоне и на платформе в пределах основного габарита погрузки.

3.1.1. Непропитанные шпалы на платформе размещаются в следующем порядке (рис. 30 настоящей главы).

Рисунок 30 – Непропитанные шпалы на платформе

1 – обвязка "шапки"; 2 – удлиненная прокладка; 3 – ограждение "шапки"; 4 – стяжка стоек; 5 – прокладка; 6 – утолщенная подкладка; 7 – стойка; 8 – подкладка; 9 –ограждение центрального штабеля; 10 – подкладка центрального штабеля.

Боковые борта платформы должны быть открыты и закреплены в соответствии с требованиями главы 1 настоящих ТУ. В лесные скобы платформы устанавливают боковые стойки в соответствии с пунктом 1.6 настоящей главы. В торцовых частях платформы размещают вплотную друг к другу по два штабеля, сформированных из шпал, расположенных вдоль платформы, в середине платформы формируют штабель из шпал, расположенных поперек платформы. Штабеля формируют до высоты на 150 - 200 мм ниже верхнего обреза стоек, разделяя на две части по высоте прокладками 5.

Нижние штабеля из шпал размещают на двух подкладках 8 (6 и 8), обеспечивая уклон крайних штабелей из шпал к середине платформы. В зоне размещения среднего штабеля из шпал устанавливают ограждение 9 высотой, равной высоте среднего штабеля. Ограждение выполняют из досок толщиной не менее 35 мм, которые прибивают к двум центральным стойкам с внутренней стороны, начиная от уровня закрытых бортов, вплотную друг к другу гвоздями длиной не менее 70 мм, по одному в каждое соединение. Концы досок должны выступать за стойки не менее чем на 250 мм. Боковые стойки должны иметь верхнее и среднее поперечное крепления в соответствии с пунктом 1.6 настоящей главы.

На штабеля, погруженные в пределах прямоугольной части, размещают вплотную друг к другу четыре штабеля "шапок" симметрично относительно плоскостей симметрии полувагона. Каждый штабель "шапки" размещают на двух удлиненных прокладках 2, которые располагают на расстоянии 500 мм от концов шпал. По концам удлиненных прокладок на расстоянии не менее 50 мм от их торцов делают зарубки глубиной 10 - 15 мм. В "шапке" шпалы размещают семью ярусами по высоте. На удлиненные прокладки вплотную к боковым стойкам с обеих сторон платформы устанавливают ограждение "шапки" 3 из двух досок сечением толщиной 25 - 30 мм, шириной 250 мм, длиной 6 м, установленных на ребро. Вплотную к доскам ограждения укладывают на боковую сторону по одной шпале, остальные шпалы первого яруса размещают между ними на нижнюю часть вплотную друг к другу. Аналогичным образом укладывают шпалы в остальных ярусах, при этом крайние, установленные на боковую сторону, шпалы располагают вплотную к аналогичным шпалам нижележащего яруса. В седьмом ряду шпалы укладывают на нижнюю пласть между выступами крайних шпал шестого яруса. Имеющиеся зазоры между шпалами в каждом ярусе заполняют деревянными распорками по всей длине каждого штабеля "шапки". Шпалы "шапки" скрепляют двумя многооборотными шестизвенными стяжками в порядке, аналогичном изложенному в подпункте 2.1.3 настоящей главы. Изготовление и расположение подкладок 6, 8, прокладок 2, 5, ограждающих стоек 7 производятся в соответствии с требованиями раздела 1 настоящей главы. Допускается в качестве утолщенных подкладок использовать шпалы.

3.1.2. Непропитанные шпалы в полувагоне размещают в следующем порядке (рис. 31 настоящей главы).

Рисунок 31 – Непропитанные шпалы в полувагоне

1 – обвязка "шапки"; 2 – удлиненная прокладка; 3 – ограждение штабеля; 4 – ограждение дверей; 5 – прокладка

Закрытые торцовые двери полувагона ограждают шпалами 4, которые укладывают нижней пластью друг на друга поперек вагона. К стоечным скобам устанавливают вертикально и закрепляют к ним увязкой из проволоки диаметром не менее 3 мм в две нити, по одной шпале нижней пластью к стене полувагона. Шпалы размещают четырьмя штабелями по длине полувагона. Каждый штабель формируют на двух подкладках 6. Крайние штабеля располагают на расстоянии от ограждения дверей, достаточном для установки ограждения штабеля 3. После укладки шпал до высоты от пола 1,0 м устанавливают вертикально вплотную друг к другу шпалы ограждения штабеля. Допускается использовать для ограждения штабеля шпальной вырезки толщиной не менее 40 мм. У боковых стен в местах расположения удлиненных прокладок шпалы ограждения штабеля не устанавливают. Прямоугольную часть штабелей формируют до уровня ниже верхнего торца ограждения на величину от 120 до 150 мм. Для обеспечения механизированной выгрузки каждый штабель разделяют по высоте на две-три части прокладками 5. Вблизи этих прокладок в один из крайних штабелей пропускают проволоку диаметром не менее 5 мм, концы которой выводят выше бортов и закрепляют вокруг шпал, расположенных вертикально. Проволока предназначена для заведения стропов при выгрузке. В "шапке" шпалы размещают шестью ярусами по высоте порядком, аналогичным порядку формирования и крепления "шапки" на платформе.

3.1.3. Пропитанные шпалы перевозят только в полувагонах. Порядок размещения и крепления шпал аналогичен порядку, предусмотренному для непропитанных шпал. Для ограждения применяют шпалы только 1-го и 2-го типов. Шпалы, установленные вертикально у боковых стен полувагона, должны быть одного типа.

3.2. Непакетированные пиломатериалы длиной до 3 м включительно.

3.2.1. Пиломатериалы длиной от 2,7 до 2,8 м включительно, за исключением шпал, на платформе размещают в пределах основного габарита погрузки порядком, предусмотренным подпунктом 3.1.1 настоящей главы. При этом при формировании штабелей "шапки" по краям каждого яруса пиломатериалы устанавливают на узкую сторону по несколько штук пластью друг к другу. Количество этих единиц пиломатериала должно обеспечивать форму поперечного сечения "шапки", соответствующую габариту погрузки. Каждый штабель "шапки" скрепляют дополнительно средней увязкой из проволоки диаметром 6 мм в две нити, которую устанавливают в соответствии с требованиями подпунктов 2.1.3 и 2.1.4 настоящей главы.

3.2.2. Пиломатериалы длиной от 2,7 до 3,0 м включительно в полувагонах размещают в пределах основного габарита погрузки аналогично изложенному в подпункте 3.1.2 настоящей главы. При этом ограждение дверей выполняют с использованием пиломатериала, уложенного пластью друг на друга, либо пачек пиломатериала; ограждение прямоугольной части штабелей выполняют с использованием пиломатериала, установленного вертикально. Штабеля "шапки" формируют и скрепляют аналогично изложенному в подпункте 3.2.1 настоящей главы.

3.2.3. Допускается погрузка пиломатериалов длиной менее 3,0 м, а также шпальной вырезки и отходов деревообработки (опилок, стружки, щепы) в полувагонах с нарощенными стенами до высоты от уровня головок рельсов 4680 мм (рис. 32 настоящей главы).

Рисунок 32

1 – подкладка; 2 – боковая стойка; 3 – торцовая стойка; 4 – соединительная доска; 5 – поперечная жердь; 6 – увязка; 7 – растяжка; 8 – доски обрешечивания; 9 – прокладка; 10 – поперечное скрепление боковых стоек; 11 – доски торцового ограждения

Наращивание стен производится следующим порядком. В полувагон устанавливают восемь пар боковых 2 и шесть торцовых 3 стоек высотой от уровня головок рельсов 4680 мм. Стойки должны быть изготовлены в соответствии с требованиями главы 1 настоящих ТУ. Боковые стойки устанавливают и закрепляют в соответствии с требованиями пункта 1.6 настоящей главы. Каждую угловую торцовую стойку закрепляют к боковому верхнему увязочному устройству полувагона растяжкой 7 из проволоки диаметром 6 мм в две нити, а также скрепляют с соседней боковой стойкой увязкой 6 из проволоки диаметром 6 мм в две нити. Среднюю торцовую стойку скрепляют с каждой угловой стойкой на высоте от 300 до 400 мм от пола доской 4 толщиной от 25 до 30 мм. В верхней части торцовые стойки укрепляются перекладиной 5 (сортиментом толщиной не менее 100 мм и длиной, равной ширине полувагона между бортами). Сортимент крепят к каждой торцовой стойке двумя гвоздями длиной от 150 до 200 мм и проволокой диаметром 6 мм в две нити. Наращивание стен (обрешечивание) выполняют пиломатериалом толщиной от 25 до 30 мм после погрузки груза до уровня ниже верхней обвязки полувагона на величину от 150 до 200 мм. Доски прибивают к стойкам гвоздями длиной не менее 70 мм, изнутри вагона, без зазоров по высоте, начиная и заканчивая на расстоянии от 80 до 90 мм ниже соответственно верхней обвязки кузова полувагона и верха стоек. Наращивание стен над дверями должно выполняться только обрезным пиломатериалом длиной не менее ширины кузова.

Размещение пиломатериалов производят штабелями прямоугольного сечения до уровня ниже нарощенных бортов не менее чем на 50 мм.

Допускается размещение пиломатериалов длиной менее 1,6 м без применения подкладок и прокладок.

После погрузки каждую пару противоположных боковых стоек скрепляют между собой четырехзвенными стяжками или проволокой диаметром 6 мм в две нити.

3.3. Непакетированные пиломатериалы длиной более 3 м.

3.3.1. Пиломатериалы в пределах основного габарита погрузки размещают в полувагонах и на платформах. Использование зонального габарита допускается только при размещении пиломатериалов в полувагонах. Каждый штабель пиломатериалов размещают (рис. 33 и 34 настоящей главы) на три поперечные подкладки. Формирование штабелей производят в соответствии с требованиями пункта 1.3 настоящей главы.

Рисунок 33 – Непакетированные пиломатериалы на платформе

1 – стойка; 2 – прокладка; 3 – прокладка «шапки»; 4 – скрепление стоек; 5 – удлиненная прокладка; 6 – верхний поперечный брусок; 7 – увязка "шапки"; 8 – утолщенная прокладка; 9 – подкладка

Рисунок 34 – Непакетированные пиломатериалы в полувагоне

1 – подкладка; 2 – утолщенная подкладка; 3 – стойка; 4 – скрепление стоек; 5 – удлиненная прокладка 6 – прокладка "шапки"; 7 – верхний поперечный брусок; 8 – увязка "шапки"

Крайние подкладки должны быть расположены на расстоянии от 300 до 800 мм от торцов штабеля. Прямоугольную часть штабеля разделяют по высоте поперечными прокладками. При этом в крайних штабелях со стороны торцов вагона располагают утолщенные прокладки, обеспечивающие уклон верхних частей штабелей к середине вагона.

Каждый штабель пиломатериалов ограждают стойками:

- штабель длиной от 3000 до 4900 мм - двумя парами стоек;

- штабель длиной от 5000 до 7900 мм - тремя парами стоек;

- штабель длиной от 8000 до 12 000 мм - четырьмя парами стоек.

Высота стоек от уровня верха головок рельсов должна соответствовать требованиям пункта 1.5 настоящей главы. Высота прямоугольной части штабеля должна быть меньше высоты стоек на величину не менее чем на 100 мм для основного габарита погрузки, на 150 мм - для зонального габарита.

Концы штабеля должны выходить за стойки не менее чем на 400 мм.

Размещение штабелей, сформированных из состыкованных по длине пиломатериалов, допускается только в полувагонах с обрешечиванием боковых стен, выполненным в соответствии с требованиями подпункта 3.2.3 настоящей главы.

3.3.2. Формирование "шапки" производят следующим порядком (рис. 35 настоящей главы).

Рисунок 35 Формирование "шапки" непакетированных пиломатериалов

1 – поперечный брусок; 2 – верхнее скрепление стоек, 3 – удлиненная прокладка; 4 – стойка; 5 – прокладка; 6 – увязка

На прямоугольную часть штабеля укладывают три удлиненные прокладки 3, на которые размещают пиломатериалы в пределах верхней части габарита погрузки. При погрузке в основном габарите погрузки "шапку" разделяют на две части равной высоты посредством трех прокладок 5 сечением не менее 25 x 100 мм. На верхнюю плоскость "шапки" размещают поперечные бруски 1 сечением не менее 50 x 150 мм. Ширина "шапки" поверху должна определяться исходя из максимально допустимой длины поперечных брусков, которая должна быть не менее чем на 100 мм меньше ширины очертания соответствующего габарита погрузки. Удлиненные прокладки, прокладки "шапки" и поперечные бруски должны располагаться в вертикальных плоскостях, проходящих через прокладки прямоугольной части штабеля; их концы должны выступать за пределы штабеля с обеих сторон на величину от 75 до 100 мм на высоте их расположения. По концам удлиненных прокладок, прокладок и поперечных брусков на расстоянии не менее 50 мм от их торцов делают зарубки глубиной от 10 до 15 мм для закрепления проволочных обвязок. Каждый поперечный брусок прибивают к крайним единицам пиломатериала верхнего яруса двумя гвоздями длиной не менее 100 мм. Пиломатериалы в "шапке" скрепляют увязками из проволоки диаметром 6 мм в две нити с каждой стороны. Нити увязки помещают в зарубки удлиненных прокладок 3, прокладок 5 и поперечного бруска 1 и скручивают на участках между ними.

Максимально допускаемые размеры "шапки" приведены на рисунке 36 настоящей главы. Размер в скобках - для платформ.

Рисунок 36 – Максимальные допускаемые размеры "шапки":

а) – в основном габарите погрузки; б) – в зональном габарите

1 – стойка; 2 – верхнее скрепление стоек; 3 – увязка шапки; 4 – поперечный брусок; 5 – удлиненная прокладка; 6 –прокладка шапки

Допускается формирование "шапки" из пиломатериалов различной длины с соблюдением требований пункта 1.3 настоящей главы; кроме того, все единицы пиломатериала, расположенные по периметру "шапки", должны иметь длину, равную длине штабеля.

3.4. Размещение и крепление пакетированных пиломатериалов.

Для формирования пакетов пиломатериалов применяют многооборотные стропы ПС-01, ПС-02, ПС-04, ПС-05 (ГОСТ 14110) или (и) одноразовые средства пакетирования (брусково-проволочную увязку, увязку из стальной ленты). Ответственность за надежность применяемых средств пакетирования несет грузоотправитель. При формировании пакетов должны соблюдаться общие требования ГОСТ 19041 и ГОСТ 21100, а также особые требования соответствующих пунктов настоящего раздела.

3.4.1. Пакеты, сформированные с применением стропов типа ПС.

3.4.1.1. Размеры и масса пакетов, марка применяемых для их формирования стропов должны соответствовать данным, приведенным в таблице 4 настоящей главы.

Таблица 4

Вид пакетируемой продукции, форма пакетаМарка стропаРазмеры пакетаМасса пакета, не более, т
длина, мширина, ммвысота, мм
Пиломатериалы в пакетах прямоугольной формы (рис. 37 настоящей главы)ПС-041,0 - 3,0280016006
1,0 - 3,028001350
ПС-011,0 - 6,5135013006
ПС-052,6 - 6,52800160015
Пиломатериалы в пакетах трапециевидной формы (рис. 38 настоящей главы)ПС-023,0 - 6,52700 понизу12006
1250 поверху

Рисунок 37 – пакет прямоугольной формы

1 – цепь; 2 – проволочная закрутка; 3 – петлевой замок; 4 – прокладка; 5 – строповочная проушина

Рисунок 38 – Формирование пакета трапециевидной формы из досок

1 – прокладка; 2 – цепь; 3 – проволочная закрутка; 4 – петлевой замок; 5 – скрепляющая доска; 6 – строповочная проушина

Допускаются минусовые отклонения размеров пакетов по ширине и высоте, не превышающие, соответственно, ширины и толщины пиломатериала, из которого сформирован пакет.

Формирование пакетов со стыкованием единиц пиломатериала по длине производится в соответствии с требованиями ГОСТ 19041 либо ГОСТ 21100. При этом в двух нижних, двух верхних ярусах, в двух ярусах, расположенных непосредственно под разделительными прокладками, двух ярусах, расположенных непосредственно на прокладках, а также в крайних стопах пакета должны быть расположены единицы пиломатериала длиной, равной длине пакета. Торцы пакета должны быть выровнены.

При формировании пакета "шапки" из досок (рис. 38 настоящей главы) вниз укладывают не менее двух ярусов досок общей высотой от 100 до 130 мм и общей шириной 2,6 м, поверх них размещают две поперечные прокладки, затем формируют трапециевидную часть пакета. Поперечные прокладки располагают в местах установки стропов. Пиломатериалы верхнего яруса пакета "шапки" возле стропов скрепляют двумя досками длиной от 1,2 до 1,25 м, прибиваемыми пятью гвоздями длиной не менее 100 мм.

3.4.1.2. Пакеты размещают в полувагонах, без установки стоек и подкладок, несколькими штабелями по его длине. Пакеты крайних штабелей не должны иметь уклона в направлении торцов полувагона. Штабель из пакетов шириной 2700 (2800) мм формируется из двух пакетов по высоте. При размещении пакетов размером 1350 x 1300 мм прямоугольную часть штабеля формируют из четырех пакетов, укладываемых двумя ярусами по два пакета по ширине полувагона. В "шапке" штабеля размещают пакет трапециевидной формы. Пиломатериалы, кроме пропитанных, а также с невысохшим покрытием, допускается размещать в полувагонах с открытыми торцовыми дверями; при этом крайние пакеты должны иметь длину не менее 1,5 м.

3.4.2. Размещение и крепление пакетов из непропитанных пиломатериалов длиной менее 1,5 м, а также пакетов пропитанных пиломатериалов (кроме шпал) независимо от длины производят в полувагонах с установкой торцовых щитов (рис. 39 настоящей главы) (не приводится) аналогично пакетам лесоматериалов длиной до 2,0 м (подпункт 2.4.7 настоящей главы) с соблюдением следующих дополнительных требований:

- пакеты должны плотно примыкать друг к другу;

- под наружные концы крайних верхних пакетов на расстоянии 300 - 400 мм от их торцов укладывают утолщенные прокладки 2 в соответствии с требованиями пункта 1.14 настоящей главы;

- наружные концы пиломатериала в крайних верхних пакетах скрепляют поверху поперечными досками (горбылями) 4 длиной, равной ширине пакета, которые крепят к пиломатериалу шестью гвоздями длиной не менее 100 мм;

- зазор между торцовым щитом и дверями полувагона заполняют узкими пакетами 1 или несвязанными пиломатериалами, уложенными поперек полувагона.

Рисунок 39

1 – поперечные пакеты пиломатериала; 2 – утолщенная прокладка; 3 – торцовый щит; 4 – скрепляющая доска

3.4.3. Пакеты длиной свыше 1,5 м, сформированные из пиломатериалов размером 1350 x 1300 мм, размещают в полувагоны несколькими штабелями по длине вагона (рис. 40 настоящей главы).

Рисунок 40

1 – проушина грузовой тяги; 2 – цепь; 3 – закрутка

Пакеты "шапки" скрепляют с пакетами верхнего яруса прямоугольной части штабеля с помощью концов цепей стропа пакета "шапки", который пропускают через верхнюю проушину грузовой тяги нижележащего пакета и фиксируют закруткой 3 из проволоки диаметром не менее 4 мм. Концы проволоки должны быть скручены не менее трех раз.

3.4.4. На четырехосных платформах попускается перевозить пакеты пиломатериалов длиной 3 м и более. Платформу оборудуют боковыми стойками в соответствии с требованиями пунктов 1.4 и 1.5 настоящей главы. Пакеты размещают без подкладок и прокладок до высоты боковых стоек и закрепляют порядком, предусмотренным для непакетированных пиломатериалов (рис. 41 настоящей главы). Пакеты "шапок" размещают и закрепляют тем же способом, как и в полувагонах.

Рисунок 41

3.4.5. Размещение и крепление пакетов деревянных пропитанных (непропитанных) шпал длиной 2,75 м (ГОСТ 78).

Для формирования пакетов шпал используют стропы ПС-04 и ПС-05. Пакеты формируют в карманах-накопителях. Стропы на пакетах должны быть плотно затянуты. Пакеты должны быть сформированы только из пропитанных или только из непропитанных шпал. В исключительных случаях допускается формирование пакетов нижнего яруса штабеля непосредственно в полувагоне. Каждый пакет обвязывают двумя стропами одного типа, которые размещают на расстояниях от торцов, равных 0,6 - 0,7 м.

3.4.6. Размещение пакетов деревянных шпал в пределах зонального габарита погрузки производят только в полувагонах.

Количество шпал в пакете, сформированном с использованием стропов ПС-05 из подсортированных по типам шпал, за исключением шпал из лиственницы, не должно превышать указанного в таблице 5 настоящей главы.

Таблица 5

Тип шпалЧисло шпал в ярусе пакета, шт.Число ярусов пакета, шт.
I109
II1110
III1110

Шпалы из лиственницы независимо от их типа укладывают в пакет в количестве, не превышающем 90 штук (девять ярусов по 10 шпал).

Количество шпал в пакете, сформированном без подсортировки по типам независимо от породы древесины, не должно превышать 90 штук (девять ярусов по 10 шпал).

Количество шпал в пакетах, размещенных в одном вагоне, должно быть одинаковым.

Формирование пакетов шпал с использованием стропов типа ПС-04 осуществляют с учетом породы древесины, из которой они изготовлены.

Количество шпал в пакете не должно превышать указанного в таблице 6 настоящей главы.

Таблица 6

Порода древесиныЧисло шпал в ярусе пакета, шт.Число ярусов пакета, шт.
Береза108
Ель, сосна109
Совместно ель, сосна, береза108

Запрещается использование стропов типа ПС-04 для пакетирования шпал из лиственницы.

При формировании пакетов шпал с использованием стропов ПС-04 масса пакета не должна превышать 6 т.

Шпалы в пакетах размещают на нижнюю пласть.

Пакеты шпал размещают в полувагоне четырьмя штабелями по длине, двумя ярусами по высоте. Торцовые двери (стены) полувагона ограждают щитами.

Щит (рис. 42 настоящей главы) формируют из 10 - 12 вертикально установленных шпал 1, скрепленных тремя досками 2, имеющих сечение 40 x 150 - 200 мм. Доски крепят к шпалам гвоздями диаметром 5 - 6 мм и длиной 150 мм.

Рисунок 42

1 – шпала; 2 – доска; 3 – увязка

Нижней доской шпалы щита скрепляют со стороны пакетов. Верхние доски скрепляют между собой увязками 3, пропущенными между шпалами. Увязка состоит из проволоки диаметром не менее 4 мм в один оборот, с закруткой ее концов в три витка.

В полувагон с внутренней длиной кузова 12 088 мм (рис. 43 настоящей главы) у торцовых дверей (стен) вагона укладывают друг на друга по 6 - 8 шпал 3, каждая на боковую сторону нижней пластью к пакетам. Вплотную к ним на пол вагона укладывают друг на друга три шпалы 4 типа I и (или) II нижней пластью вниз для установки щита. Вплотную к этим шпалам ставят пакеты нижнего яруса и щиты 2. На пакеты нижнего яруса устанавливают четыре пакета верхнего яруса.

Рисунок 43

1 – пакет; 2 - щит; 3, 4 – шпалы;

В полувагоне с внутренней длиной кузова 12 700 мм (рис. 44 настоящей главы) размещение пакетов шпал производят в аналогичном порядке.

Рисунок 44

1 – пакет; 2 - щит; 3, 4, 5 – шпалы

При этом после установки пакетов нижних ярусов вплотную к ним укладывают три шпалы 4 нижней пластью вниз, на которые устанавливают второй щит 2. Пространство между этим щитом и торцовой стеной заполняют шпалами 5, уложенными друг на друга нижней пластью вниз до высоты на 200 - 250 мм ниже верхней обвязки кузова вагона.

3.4.7. При размещении пакетов шпал в пределах основного габарита погрузки количество шпал в пакетах не должно превышать:

- для пакетов, сформированных с использованием стропов ПС-05, - количества, указанного в таблице 7 настоящей главы;

- для пакетов, сформированных с использованием стропов ПС-04, - 70 штук (7 ярусов по 10 шпал).

Таблица 7

Тип шпалЧисло шпал в ярусе пакета, шт.Число ярусов пакета, шт.
I107
II118
III119

Размещение пакетов шпал в полувагоне осуществляется порядком, аналогичным изложенному в подпункте 3.4.4 настоящей главы без установки шпал 4.

3.4.8. Пиломатериалы в пакетах, сформированных с использованием брусково-проволочной обвязки.

3.4.8.1. Обвязка состоит из верхнего и нижнего деревянных брусков 1 сечением не менее 50 x 100 мм и двух стяжек 2 из проволоки диаметром 6 мм в две нити, скрепляющих эти бруски по концам (рис. 45 настоящей главы) .

Рисунок 45

Бруски укладывают поперек пакета пиломатериалов таким образом, чтобы их концы выступали на 50 мм за боковые поверхности пакета. По концам брусков на расстоянии не менее 25 мм от торцов делают зарубки глубиной от 10 - 12 мм для закрепления проволочных увязок.

3.4.8.2. Пакеты из пиломатериалов формируют в соответствии с требованиями ГОСТ 19041 и ГОСТ 21100, а также подпункта 3.4.1.1 настоящей главы. Скрепление единиц пиломатериала верхнего яруса пакета "шапки" досками не производят. Пакеты пиломатериалов длиной до 4 м включительно скрепляют двумя обвязками; пакеты длиной от 4 до 6,5 м включительно - тремя обвязками. Две крайние обвязки размещают на расстоянии от 300 до 900 мм от концов пакета, а третью - посередине пакета.

Пакеты из пиломатериалов размещают несколькими штабелями по длине вагона вплотную друг к другу (рис. 46 настоящей главы).

Рисунок 46

1 – верхнее скрепление стоек; 2 – стойка; 3 – доска; 4 – соединительная доска; 5 – удлиненная прокладка; 6 – упорный брусок

При размещении пакетов на платформе устанавливают стойки в соответствии с требованиями пунктов 1.4 и 1.5 настоящей главы. Стойки 2 должны иметь верхнее поперечное скрепление 1 многооборотными четырехзвенными стяжками, выполняемое после формирования прямоугольной части штабеля.

В каждом ярусе штабеля размещают пакеты одной длины и высоты. Пакеты размещают несколькими ярусами по высоте со смещением в продольном направлении одного пакета относительно другого на 100 мм с тем чтобы бруски обвязок располагались вплотную друг к другу. Пакеты "шапки" каждого штабеля размещают на удлиненные прокладки 5 размером 50 x 150 x 2800 мм, располагаемые в непосредственной близости от брусков обвязок. Количество удлиненных прокладок должно быть равно количеству обвязок пакета. На удлиненные прокладки вплотную к стойкам укладывают продольные доски 3 сечением не менее 40 x 100 мм, которые закрепляют к удлиненным прокладкам и брускам обвязок верхних пакетов прямоугольной части штабеля гвоздями длиной не менее 100 мм, по два гвоздя в каждое соединение. Длина досок 3 должна быть достаточной для того, чтобы ими были скреплены каждые две соседние удлиненные прокладки. Пакеты "шапки" закрепляют от поперечного смещения упорными брусками 6 размером не менее 50 x 150 x 300 мм, которые укладывают на удлиненные прокладки и закрепляют к ним двумя гвоздями длиной не менее 100 мм, по два гвоздя в каждый брусок. Если в "шапке" размещены несколько пакетов по ширине вагона, соседние пакеты скрепляют между собой соединительными досками (горбылем) 4 сечением не менее 25 x 100 мм и длиной, равной ширине "шапки", которые укладывают на бруски обвязок и прибивают к этим брускам гвоздями длиной не менее 70 мм.

3.4.9. Пиломатериалы в пакетах, сформированных с использованием стальной ленты.

3.4.9.1. Пакеты формируют в соответствии с требованиями ГОСТ 19041 и ГОСТ 21100. Размеры пакетов, размещаемых в прямоугольной части штабеля, не должны превышать величин, приведенных в таблице 8 настоящей главы.

Таблица 8

Размещение пакетовРазмеры пакетов, мм
ширинавысота
В полувагоневнутри кузова13001200
1300600
в дверном проеме12501200
1250600
На платформе13501200
1350600

Размеры пакетов, размещаемых в "шапке" штабеля, не должны превышать:

- при размещении пакетов в пределах очертания основного габарита погрузки: ширина - 1100 мм, высота - 575 мм;

- при размещении пакетов в пределах очертания зонального габарита погрузки - величин, приведенных в таблице 9 настоящей главы.

Таблица 9

Вариант формирования "шапки"Число ярусов в "шапке"Номер ярусаПоперечные размеры пакетов в "шапке", мм
в полувагонена платформе
ширинавысоташиринавысота
1111000 x 210501000 x 21150
2211250 x 25001350 x 2550
21000 x 25001000 x 2550
3211250 x 25001350 x 2550
212505001350550

Примечание. Множитель "2" означает, что пакеты указанной ширины размещают в два ряда по ширине вагона.

3.4.9.2. Для формирования пакетов пиломатериалов должны применяться обвязки с пломбовым соединением по ГОСТ 21214 (тип 1) из стальной холоднокатаной низкоуглеродистой нагартованной ленты нормальной точности изготовления по ГОСТ 3560, сечением не менее 0,5 x 20 мм, с временным сопротивлением разрыву не менее 600 Н/мм2 (60 кгс/см2). Обвязка должна иметь одно пломбовое соединение. Допускается для изготовления обвязок использование ленты, имеющей аналогичные физические свойства, иного поперечного сечения при условии обеспечения несущей способности обвязки, включая пломбовое соединение, не менее 6000 Н (600 кгс). В этом случае грузоотправитель представляет перевозчику сертификат на упаковочную ленту и нормативные документы, подтверждающие прочность ленты и обвязки в целом. Реквизиты указанных документов и размеры сечения ленты должны быть занесены грузоотправителем в накладную на груз. Усилие натяжения обвязки на пакете должно составлять не менее 2000 Н (200 кгс). Контроль усилия натяжения производится в соответствии с ГОСТ 19041 прибором ИН-400 либо по величине прогиба ленты под действием усилия 100 Н (10 кгс), приложенного в середине бокового (вертикального) участка обвязки перпендикулярно боковой грани пакета. Прогиб ленты не должен превышать 0,1 высоты пакета.

В пакетах, сформированных без стыковки пиломатериала по длине, число обвязок пакета должно быть равно количеству разделительных прокладок по длине:

- в пакетах длиной до 4 м включительно - 2 штуки;

- в пакетах длиной более 4 м до 5,5 м включительно - 3 штуки;

- в пакетах длиной более 5,5 м - 4 штуки.

Обвязки должны располагаться в плоскостях размещения прокладок либо в непосредственной близости от них.

Расстояния между прокладками по длине пакета должны быть равны.

В пакетах по ГОСТ 19041 крайние прокладки должны быть расположены на расстоянии: в пакетах из пиломатериала одной длины - от 300 до 900 мм от торцов пакета; в пакетах из пиломатериала различной длины - не более 300 мм от торцов наиболее коротких пиломатериалов.

В пакетах по ГОСТ 21100 крайние прокладки должны быть расположены следующим образом:

- в пакетах из пиломатериала одной длины: длиной до 3,0 м включительно - на расстоянии от торцов пакета, равном 1/4 его длины; длиной от 3,0 до 5,5 м включительно - на расстоянии 1/5 его длины; в пакетах длиной более 5,5 м - на расстоянии 1/6 его длины;

- в пакетах из деталей длиной менее 1 м, сформированных путем стыкования по длине, прокладки должны располагаться на расстоянии, равном 1/4 длины деталей.

3.4.9.3. Допускается применять укрытие пакетов от атмосферного воздействия и загрязнения в пути следования полиэтиленовой пленкой либо крафт-бумагой с армирующей стекловолокнистой сеткой, выполняемое перед установкой обвязок. В пакетах, размещаемых в "шапке" штабелей со стороны торцов вагона, укрывающий материал должен быть закреплен двумя вертикальными планками сечением не менее 15 x 60 мм, длиной, равной высоте пакета, расположенными на расстоянии 200 - 300 мм от боковых граней пакета. Каждая планка должна быть закреплена не менее чем тремя гвоздями длиной не менее 45 мм. Допускается закреплять укрывающий материал на торцах пакета металлическими скобками из проволоки диаметром 1 мм, шириной не менее 10 мм, высотой не менее 19 мм, в количестве не менее 20 штук на каждый торец. Скобки должны располагаться рядами: один ряд из пяти-шести скобок - горизонтально, на высоте, равной 2/3 высоты пакета, и три ряда по пять скобок - вертикально, на равных расстояниях друг от друга и от боковых граней пакета.

3.4.9.4. Каждая обвязка пакетов, размещаемых в "шапке" штабеля, должна быть закреплена на верхней плоскости пакета деревянной доской толщиной от 22 до 25 мм, шириной от 90 до 100 мм, длиной, превышающей ширину пакета на 100 мм, располагаемой симметрично оси ленты с выступанием концов за боковые грани пакета на 50 мм. Доска должна быть закреплена к пакету не менее чем шестью гвоздями длиной не менее 50 мм, расположенными на равных расстояниях друг от друга в шахматном порядке.

3.4.9.5. Размещение и крепление пакетов в пределах очертания основного габарита погрузки производятся в следующем порядке.

Ограждение штабелей пакетов в полувагонах и на платформах выполняется при помощи боковых стоек, в соответствии с требованиями пункта 1.5 настоящей главы.

Каждый штабель размещают (рис. 47 и 48 настоящей главы) на две подкладки 1, со стороны торцов вагона под крайние штабеля во всех случаях укладывают по одной утолщенной подкладке 2.

Рисунок 47 – Размещение пакетов пиломатериалов в полувагоне

1 – подкладка; 2 – утолщенная подкладка; 3 – торцовый упор; 4 – прокладка; 5, 6 – удлиненная прокладка; 7 – прижимной брусок; 8 – упорная доска; 9– увязка "шапки"; 10 – верхнее скрепление стоек

Рисунок 48 – Размещение пакетов пиломатериалов на платформе

1 – подкладка; 2 – утолщенная подкладка; 3 – торцовый упор; 4 – прокладка; 5, 6 – удлиненная прокладка; 7 – прижимной брусок; 8 – упорная доска; 9– увязка "шапки"; 10 – скрепление стоек

Между ярусами штабеля размещают прокладки 4. Требования к подкладкам и прокладкам - в соответствии с пунктом 1.4 настоящей главы. Между утолщенными подкладками и торцовым порожком полувагона (торцовым бортом платформы) устанавливают упоры 3 из пиломатериала сечением не менее 75 x 150 мм. Упоры устанавливают на расстоянии от 500 до 800 мм от боковых стен полувагона (бортов платформы). Каждый торцовый упор в полувагоне крепят к утолщенным подкладкам двумя гвоздями диаметром 5 мм и длиной не менее 150 мм, на платформе - прибивают к полу платформы двумя такими же гвоздями.

В прямоугольной части штабеля пакеты размещают несколькими ярусами по два пакета по ширине вагона в каждом ярусе. В каждом ярусе должны быть размещены пакеты одинаковой высоты.

Общая высота прямоугольной части штабеля не должна превышать: в полувагоне - 4100 мм; на платформе - 4000 мм.

Пакеты размещают вплотную к боковым стойкам. Зазоры между пакетами в середине вагона не должны превышать 300 мм. Зазор величиной до 150 мм должен быть плотно заполнен пиломатериалом длиной, равной длине пакета; зазор величиной от 150 до 300 мм - пакетами (пачками) таких же пиломатериалов соответствующих размеров.

Штабеля должны размещаться вплотную друг к другу по длине вагона.

Каждая пара противоположных боковых стоек в полувагоне должна иметь верхнее поперечное крепление; на платформе стойки должны иметь верхнее и среднее поперечные скрепления. Скрепления стоек должны быть выполнены в соответствии с требованиями пункта 1.5 настоящей главы.

"Шапку" формируют (рис. 49 настоящей главы) из пакетов длиной не менее 4,0 м, имеющих размеры поперечного сечения, указанные в подпункте 3.4.9.1настоящей главы, сформированные из пиломатериала длиной, равной длине пакета. Общая длина пакетов "шапки" не должна превышать длину прямоугольной части штабеля.

Рисунок 49 – формирование «шапки» из пакетов пиломатериалов

5, 6 – удлиненная прокладка; 7 – прижимной брусок; 8 – упорная доска; 9– увязка "шапки"

Пакеты первого яруса "шапки" размещают на удлиненные прокладки 5, пакеты второго яруса - на удлиненные прокладки 6. Размеры прокладок и расположение зарубок должны соответствовать требованиям подпункта 2.1.3 настоящей главы.

На пакеты второго яруса "шапки" в одной вертикальной плоскости с удлиненными прокладками размещают прижимные бруски 7 сечением не менее 50 x 150 мм. Концы прижимных брусков должны выступать с обеих сторон пакета на 75 мм и иметь зарубки, аналогичные зарубкам на удлиненных прокладках. Каждый брусок прибивают по концам к пакету двумя гвоздями длиной от 100 до 125 мм.

"Шапка" должна быть расположена симметрично относительно продольной оси вагона.

Пакеты пиломатериалов закрепляют с каждой стороны тремя увязками 9 из проволоки диаметром 6 мм в две нити, закрепляемыми за удлиненные прокладки 5 и 6 и прижимной брусок 7. Нити увязок помещают в зарубки каждой прокладки и бруска и туго скручивают между смежными по высоте прокладками и прокладкой и бруском. На удлиненные прокладки 5 с обеих сторон пакетов укладывают упорные доски 8 толщиной не менее 50 мм и такой ширины, чтобы они одной стороной упирались в боковые стойки, а другой - в пакеты. Длина распорных досок должна быть равна длине пакета. На удлиненные прокладки 6 вплотную к пакету укладывают аналогичные упорные доски шириной от 100 до 150 мм.

Упорные доски крепят к каждой прокладке с обеих сторон двумя гвоздями длиной от 100 до 120 мм.

3.4.9.6. Размещение и крепление пакетов в пределах очертания зонального габарита погрузки производятся в следующем порядке. Для ограждения и крепления штабелей пакетов пиломатериалов в полувагонах и на платформах устанавливают восемь пар стоек в соответствии с требованиями пункта 1.5 настоящей главы.

Размещение пакетов в пределах прямоугольной части штабеля аналогично их размещению по подпункту 3.4.9.5 настоящей главы. При этом расстояние от верха прямоугольной части штабеля до верхнего обреза стоек должно быть не менее 200 мм.

Пакеты "шапки" размещают на удлиненные прокладки длиной 3000 мм, толщиной от 50 до 100 мм, шириной 150 мм. Прокладки изготавливают в соответствии с требованиями пункта 1.5 настоящей главы.

Формирование "шапки" в зависимости от размеров поперечного сечения пакетов (таблица 9 настоящей главы) допускается производить способами, приведенными на рисунках 50 - 55 настоящей главы.

Рисунок 50 – формирование «шапки» по варианту 1 в полувагоне

1 – полувагон; 2 – утолщенная подкладка; 3 – торцовый упор; 4 – пакет прямоугольной части штабеля; 5 – стойка; 6 – скрепление стоек; 7 – удлиненная прокладка; 8 – увязка пакет "шапки"; 9 – распорная доска; 10 – упорный брусок

Рисунок 51 – формирование "шапки" по варианту 1 на платформе

1 – платформа; 2 – пакет прямоугольной части штабеля; 3 – стойка; 4 – среднее скрепление стоек; 5 – верхнее скрепление стоек; 6 – удлиненная прокладка; 7 – распорная доска; 8 – упорный брусок

Рисунок 52 – формирование "шапки" по варианту 2 в полувагоне

1 – полувагон; 2 – стойка; 3 – скрепление стоек; 4– удлиненная прокладка; 5 – увязка; 6 – распорная доска; 7 – прижимной брусок

Рисунок 53 – формирование "шапки" по варианту 2 на платформе

1 – платформа; 2 – пакет прямоугольной части штабеля; 3 – стойка; 4– среднее скрепление стоек; 5 – верхнее скрепление стоек; 6 – прижимной брусок; 7 – увязка;8 – упорная доска; 9 – распорная доска; 10 – межпакетное заполнение

Рисунок 54 – формирование "шапки" по варианту 3 в полувагоне

1 – полувагон; 2 – торцовый упор; 3 – подкладка;; 4– пакет прямоугольной части штабеля; 5 – прокладка; 6 – стойка; 7 – скрепление стоек; 8 – удлиненная прокладка; 9 – промежуточная удлиненная прокладка; 10 – увязка; 11 – упорная доска; 12 – прижимной брусок

Рисунок 55 – формирование "шапки" по варианту 3 на платформе

1 – платформа; 2 – подкладка; 3 – торцовый упор; 4– пакет прямоугольной части штабеля; 5 – прокладка; 6 – среднее скрепление стоек; 7 – межпакетное заполнение; 8 – верхнее скрепление стоек; 9 – удлиненная прокладка; 10 – распорная доска; 11 – промежуточная удлиненная прокладка; 12 – увязка; 13 – упорная доска; 14 – прижимной брусок


В "шапке" размещают от двух до четырех пакетов. Продольные оси всех пакетов "шапки" и вагона должны совпадать.

По варианту 1 в "шапке" размещают два пакета по ширине вагона.

По варианту 2 пакеты в "шапке" размещают двумя ярусами по высоте по два пакета в каждом ярусе.

По варианту 3 пакеты в "шапке" размещают двумя ярусами по высоте: в первом ярусе - два пакета, во втором ярусе - один пакет.

Порядок формирования и скрепления "шапки" аналогичен порядку по подпункту 3.4.9.5 настоящей главы, при этом длина удлиненных прокладок между ярусами "шапки" должна составлять: в полувагонах - 2650 - 2700 мм, на платформах - 2850 - 2900 мм. Общая высота "шапки", измеренная от нижней поверхности нижних удлиненных прокладок до верха прижимного бруска, должна составлять: в полувагонах - не более 1200 мм, на платформах - не более 1300 мм.

При формировании "шапки" по варианту 1 (рис. 50, 51 настоящей главы) на удлиненные прокладки с обеих сторон укладывают распорные доски толщиной не менее 50 мм таким образом, чтобы они одной стороной упирались в боковые стойки. Между пакетом и распорной доской вставляют упорные бруски из обрезков досок такой же толщины.

Нижние пакеты "шапки" по вариантам 2 и 3 (рис. 52 - 55 настоящей главы) должны плотно прилегать с обеих сторон к боковым стойкам. В случае образования зазоров в них должны быть вставлены распорные доски соответствующей ширины толщиной 50 мм или доски, установленные ребром на удлиненные прокладки.

Упорные доски для "шапки" по вариантам 2 и 3 размещают вплотную к верхнему пакету на промежуточных прокладках.

Распорные и упорные доски и бруски закрепляют к каждой удлиненной прокладке двумя гвоздями длиной от 100 до 120 мм.

4. Размещение и крепление древесностружечных плит в полувагонах

4.1. Древесностружечные плиты (далее - плита) размером 2750 x 1830 мм перед погрузкой формируют в пакеты с применением брусково-проволочной обвязки. Характеристики и количество размещаемых в полувагоне пакетов приведены в таблице 10 настоящей главы.

Таблица 10

Место расположении пакетовКоличество плит в пакетеМасса пакета, тКоличество пакетов в полувагоне
В пределах высоты кузова1553,328
2492,964
3301,811
"Шапка"4805,004

Размещение и крепление пакетов плит производят в следующем порядке (рис. 56 настоящей главы).

Рисунок 56

1 – боковая стойка; 2, 3 – торцовые стойки; 4 – доски щита; 5 – перекладина; 6 – распорный брусок; 7 – упорный брусок; 8 – подкладка; 9, 10 – прокладки; 11 – брусок упорный; 12-доска; 13-брус распорный; 14- увязка проволочная; 15-ДСП; 16-пергамин; 17-растяжка проволочная; 18-подкладка

В стоечные скобы полувагона устанавливают шесть пар боковых стоек 1 высотой, равной высоте боковых стен полувагона. Стойки должны быть изготовлены и закреплены в соответствии с требованиями главы 1 настоящих ТУ. Вплотную к торцовым дверям полувагона устанавливают щиты, сформированные из двух крайних стоек 2 высотой 2650 мм, трех средних стоек 3 высотой 3320 мм, двух досок 4 сечением не менее 50 x 150 мм и длиной, равной внутренней ширине полувагона, которые прибивают к стойкам, плиты размером 2750 x 1830 мм, которую прибивают к доскам, и плиты размером 1350 x 1830 мм, которую прибивают к средним стойкам от высоты борта полувагона до верха стоек. С наружной стороны щита к стойкам прибивают перекладину 6 из круглого лесоматериала толщиной не менее 140 мм. Щит закрепляют двумя растяжками 17 из проволоки диаметром 6 мм в две нити за ближайшие верхние увязочные устройства полувагона.

Нижний ярус пакетов размещают на подкладки 18 размером не менее 50 x 150 x 2800 мм, каждый пакет на две подкладки. Между пакетами N 1, расположенными плашмя, укладывают прокладки 10 размером не менее 50 x 150 x 1830 мм. В центральной части размещают пакет N 3 на двух подкладках сечением не менее 50 x 150 мм, длиной по месту. Пакеты "шапки" размещают на прокладки 10 вплотную к торцовым щитам.

Крепление пакетов "шапки" от продольного смещения производят вертикальными упорными брусками 7 сечением не менее 50 x 150 мм и распорными брусками 6 такого же сечения, длиной по месту, которые прибивают к брускам 7. Распорные бруски прибивают к упорным брускам двумя гвоздями диаметром 5 мм и длиной не менее 120 мм.

От поперечного смещения пакеты "шапки" с обеих сторон полувагона закрепляют упорными брусками 11 сечением не менее 50 x 150 мм и распорными брусками 13 такого же сечения. Упорные бруски укладывают по всей длине пакетов "шапки" на прокладки вплотную к боковым стойкам и прибивают к ним гвоздями диаметром 5 мм и длиной не менее 120 мм. Распорные бруски длиной по месту устанавливают между упорными брусками и пакетами "шапки" на прокладки и прибивают к каждой прокладке двумя гвоздями диаметром 5 мм и длиной не менее 120 мм.

От атмосферных воздействий верхние пакеты плит, расположенные в пределах кузова, защищают укрытием 15 из плит размером 500 x 2750 мм, которые укладывают вплотную к пакетам "шапки". Край плиты, расположенный у пакета "шапки", прибивают к доскам, а противоположный край - к боковым стойкам, по два гвоздя в каждую. Для крепления плит используют гвозди диаметром 5 мм и длиной не менее 120 мм. В середине полувагона зазор между пакетами "шапки" сверху и с боков защищают плитами ДСП размерами по месту, под которую подкладывают пергамин.

4.2. Плиты размером 3500 x 1750 мм перед погрузкой формируют в пакеты с применением брусково-проволочной обвязки. Характеристики и количество размещаемых в полувагоне пакетов приведены в таблице 11 настоящей главы.

Таблица 11

Место расположения пакетовКоличество плит в пакетеМасса пакета, тКоличество пакетов в полувагоне
В пределах высоты кузова1543,979
235 2
"Шка4 903

Размещение и крепление пакетов плит производят в следующем порядке (рис. 57 настоящей главы).

Рисунок 57

1 – боковая стойка; 2, 3 – торцовые стойки; 4 – доски щита; 5 – перекладина; 6, 9, 19 – прокладки; 7 – брус увязочный; 8 – брус упорный; 10, 11 – подкладки; 12 – доска; 13, 18 – ДСП; 14 – пергамин; 15 – обвязка проволочная; 16 – увязка проволочная; 17 – растяжка проволочная

Ограждение боковых стен и дверей полувагона производится аналогично пункту 4.2 настоящей главы.

На пол полувагона равномерно под крайние штабеля укладывают по три подкладки размером не менее 50 x 100 x 2800 мм, на которые вплотную к торцовым щитам и боковым стенам полувагона загружают по три пакета ДСП, состоящих из 54 плит каждый. Два пакета размещают на пласть с установкой между ними двух прокладок размером не менее 25 x 100 x 1750 мм и один пакет на ребро. После этого с наружной стороны щита к четырем стойкам на высоте 2600 мм прибивают поперечную жердь и закрепляют проволокой диаметром 6 мм в две нити, а к средним стойкам щита с внутренней стороны прибивают лист ДСП размером 1750 x 1500 мм. Щиты за средние стойки обвязывают растяжками из проволоки диаметром 6 мм в четыре нити, концы которых закрепляют за верхние увязочные устройства полувагона с наружной стороны без затяжки. Затем вплотную к торцовым щитам устанавливают по два пакета "шапки", и после этого растяжки закручивают.

Вплотную к нижним пакетам и пакетам "шапки" с двух сторон на подкладки ставят пакеты ДСП на торце и закрепляют проволокой диаметром 6 мм в две нити за внутренние верхние увязочные устройства полувагона и верхний брусок "шапки". Между установленными на торце пакетами загружают три пакета ДСП по 54 плиты в каждой, из них два "на пласть" с установкой между ними двух прокладок размером не менее 50 x 100 x 1750 мм и один пакет на ребро. Затем укладывают пакет "шапки".

Пакеты "шапки" от возможных смешений с обеих сторон полувагона закрепляют упорными брусками, которые укладывают вплотную к боковым стойкам на прокладки и прибивают к ним гвоздями диаметром 5 мм и длиной не менее 120 мм.

От атмосферных осадков пакеты ДСП, расположенные внутри полувагона, укрывают некондиционными плитами размером 3500 x 580 мм, которые укладывают вплотную к пакетам "шапки" на предварительно установленные доски и на борт полувагона. Край плиты, расположенный у пакета "шапки", прибивают к доскам, а противоположный край - к боковым стойкам гвоздями диаметром 5 мм и длиной не менее 120 мм, по два на каждую. Пакеты, установленные на торце, закрывают пергамином или водоотталкивающей бумагой и закрепляют рейками.

5. Размещение и крепление лесоматериалов на оборудованных устройствами ВО-162 и ВО-118 платформах

5.1. На платформах, оборудованных с учетом зонального габарита погрузки торцовыми металлическими стенками типа ВО-162, металлическими боковыми стойками типа ВО-118 без увязочных цепей в верхней части перевозятся круглые лесоматериалы длиной от 3,0 до 13,5 м и пиломатериалы длиной от 3,0 до 6,5 м.

Адрес калькодержателя технической документации на изготовление и крепление к платформам стенок ВО-162 и стоек ВО-118: 620219, Свердловский научно-исследовательский институт лесной промышленности, г. Свердловск.

5.2. Оборудование ВО-162 и ВО-118 устанавливается на собственные или арендованные платформы. Перед установкой на платформы указанных стенок и стоек с платформ снимаются торцовые и боковые борта. Использование устройств ВО-162 и ВО-118 допускается только при наличии их технического паспорта и согласованных с МПС России их рабочих чертежей, руководства по эксплуатации.

Устройства ВО-162 и ВО-118 должны соответствовать рабочим проектам.

На оборудовании ВО-162 и ВО-118 должна быть установлена табличка (с каждой боковой стороны ВО-162 с учетом возможности чтения с двух боковых сторон платформы), предусмотренная инструкцией на эксплуатацию устройств.

5.3. Каждая торцовая стенка 1 (рис. 58 настоящей главы) устанавливается на раму платформы симметрично ее продольной плоскости симметрии вплотную к концевому листу 2 (верхняя обвязка концевой балки) или с выходом за концевую балку не более чем на 250 мм. При выходе стенки за концевую балку должна быть обеспечена сохранность ее верхней обвязки. Запрещается опирание стенки на верхнюю обвязку концевой балки.

Рисунок 58

1 – торцовая стенка ВО-162; 2 – верхняя обвязка концевой балки (концевой лист); 3, 7 - металлическая плита; 4,8 – болт; 5 – стойка; 6 – поперечная подкладка (гребенка); 9 – удлинитель (наконечник)

При условии выхода за концевую балку платформы конструкция торцовой стенки должна обеспечивать ее упор в концевой лист.

Каждая стенка прикрепляется к платформе при помощи двух металлических плит 3 и восьми болтов 4, по одной плите и четыре болта с каждой стороны.

Между торцовыми стенками на раму платформы симметрично ее продольной плоскости симметрии устанавливаются шесть металлических рам, состоящих из двух стоек 5 и поперечной подкладки (гребенки) 6. Стойки и подкладка представляют собой единую металлическую монолитную конструкцию (ВО-118). Каждая стойка закрепляется в стоечной скобе платформы при помощи двух металлических плит 7 и четырех болтов 8. В верхней части каждая стойка имеет удлинитель (наконечник) 9 без каких-либо увязочных элементов (цепей, проволоки, троса и т.п.).

Высота торцовых стенок и стоек от УГР не должна превышать 4750 мм. Конфигурация стенок и стоек по внешнему очертанию должна обеспечивать вписывание в установленный зональный габарит для данной высоты по всему его периметру.

5.4. Перед погрузкой лесоматериалов на оборудованные платформы грузоотправитель обязан проверить исправность стоек и стенок, комплектов их крепления (болтов, гаек, металлических плит), сделать записи в своем журнале о результатах осмотра.

Лесоматериалы грузят штабелями вдоль платформы без прокладок.

Допускается разделение штабелей деревянными или тросовыми прокладками на 2 - 4 пачки. Число пачек в штабеле устанавливается грузоотправителями по согласованию с получателями.

5.5. Круглые лесоматериалы длиной 3,0 - 13,5 м, кроме неровных кряжей, размещают в 1 - 4 пачки общей высотой, не превышающей 4650 мм от УГР, на 100 мм ниже от верха стоек и стенок.

Нижние пачки бревен в каждом крайнем штабеле должны укладываться вершинами к торцовым стенкам платформы, во всех промежуточных штабелях нижние пачки укладываются вершинами к середине платформы. Комли и вершины бревен последующих пачек каждого штабеля должны чередоваться поштучно или целыми пачками так, чтобы половина бревен в штабеле была комлями в одну сторону, а половина - в другую.

Размещение груза начинают с укладки крайних штабелей у торцовых стенок платформы, затем последовательно укладывают остальные штабеля (рис. 59 настоящей главы). Разность высоты обращенных друг к другу концов двух соседних штабелей допускается не более 2/3 диаметра бревен, уложенных в верхнем ярусе погрузки. Бревна в верхнем ярусе каждого штабеля должны быть уложены плотно друг к другу и выровнены. Запрещается укладка в этом ярусе свободно лежащих одиночных бревен.

Рисунок 59

1 – штабель круглых лесоматериалов; 2 – стойка ВО-118; 3 – торцовая стенка ВО-162; 4 – верхняя обвязка концевой балки; 5 - прокладка

Каждый штабель может быть разделен на 2 - 4 пачки деревянными прокладками из досок толщиной не менее 25 мм, шириной 150 - 200 мм и длиной, равной ширине штабеля (рис. 59 настоящей главы). Под пачки второго и третьего ярусов погрузки допускается использование нетесаного горбыля. Под пачки верхнего яруса прокладки должны укладываться только из досок или тесаного горбыля. Под каждую пачку укладываются две прокладки, каждая на расстоянии 0,3 - 0,5 м от концов пачки при ее длине 3 м, и на расстоянии 0,5 - 0,8 м - при длине пачки более 3 м.

Вместо деревянных прокладок допускается использование тросовых диаметром 19 - 22 мм. Прочность двух таких прокладок для одной пачки длиной 3 м и массой не более 6 т должна соответствовать двум стропам типа ПС-4, а для одной пачки длиной 3 - 13,5 м и массой до 15 т - двум стропам типа ПС-0,5. Под каждую пачку длиной свыше 6,5 м с массой более 15 т укладывают четыре тросовые прокладки, соответствующие четырем стропам типа ПС-0,5. В этом случае на вышеуказанном расстоянии от концов пачки укладываются по два троса рядом друг с другом.

Запрещается использование на одной платформе прокладок разных видов.

Каждый штабель круглых лесоматериалов должен быть расположен в пределах не менее чем двух пар стоек. Крайние от концов платформ пары стоек, соединенные с рамой и опорной площадкой (гребенкой) монолитно посредством поперечной прокладки, входят в конструкцию торцовых стенок. Концы штабеля должны выходить за стойки не менее чем на 250 мм.

5.6. Общая длина погруженных штабелей должна быть равна внутренней длине платформы.

Если общая длина штабелей меньше внутренней длины платформы, то они могут быть размещены с раздвижкой друг от друга на расстоянии не более 200 мм.

Масса нетто погруженного круглого леса на одну платформу с учетом массы установленных торцовых стенок и боковых стоек с элементами крепления не должна превышать 61 т.

Допускается совместная погрузка на одну платформу штабелей различной длины. При этом в каждом штабеле лес должен быть одной длины.

5.7. Пиломатериалы (обрезные и необрезные) длиной 3 - 6,5 м, кроме пропитанных шпальных брусьев, размещают в 2 - 4 штабеля высотой на 100 мм ниже верхнего уровня стоек (рис. 60 настоящей главы). Высота всех размещенных на платформе штабелей не должна превышать 4650 мм.

Рисунок 60

1 – штабель пиломатериалов; 2 – стойка ВО-118; 3 – прокладка; 4 – верхний прижимной брусок; 5 – торцовая стенка ВО-162; 6 – верхняя обвязка концевой балки

Разность высоты двух соседних штабелей не должна превышать 100 мм. Погрузку пиломатериалов начинают от торцовых стенок к середине платформы. Затем последовательно друг за другом укладывают промежуточные штабеля.

Пиломатериалы размещают в штабеле так, чтобы они плотно прилегали друг к другу и к ограждающим стойкам. Если доски (брусья) не занимают всей полезной ширины погрузки и остается промежуток менее ширины доски (бруса), то этот промежуток заполняется досками (брусом), поставленными на ребро. Толщина досок или брусьев в каждом ярусе штабеля должна быть одинаковой (допускается разница, предусмотренная соответствующими ГОСТами).

Допускается внутри штабеля по его длине стыковая укладка пиломатериалов разной длины с ограждением их по всему периметру штабеля (снизу, с боковых сторон, сверху) пиломатериалами длиной, равной длине штабеля. Стыковка должна быть плотной, а торцы штабеля выровнены. Не допускается стыковка укладываемых в штабель пиломатериалов под прокладками и над ними. Под прокладками и над ними должны быть уложены два ряда пиломатериалов длиной, равной длине штабеля. В двух ярусах верхней части каждого штабеля стыковка загружаемых пиломатериалов не допускается. Пиломатериалы в этих ярусах штабеля должны быть выровнены, уложены вплотную друг к другу. Запрещается укладка в верхние ряды штабеля деформированных (кривых, изогнутых и т.п.) досок.

При укладке в штабель обрезных пиломатериалов толщиной менее 30 мм на верхнюю его часть укладывают один - два яруса необрезных пиломатериалов толщиной не менее 30 мм.

Допускается разделение каждого штабеля на 2 - 4 пачки деревянными или тросовыми прокладками. Требования к ним и порядок их размещения изложены в пункте 5.4 настоящей главы. При этом под каждую пачку второго, третьего и четвертого ярусов погрузки между крайними прокладками под серединой пачки укладывают третью аналогичную прокладку (рис. 60 настоящей главы) (не приводится).

Верхний ярус пиломатериалов досок каждого штабеля должен быть скреплен прижимными поперечными брусками сечением 50 (толщина) x 150 (ширина) мм, длиной не более 2960 мм. Прижимные бруски располагают от концов штабеля аналогично прокладкам. Каждый брусок прибивается к пиломатериалам в штабеле шестью гвоздями длиной 100 - 125 мм равномерно по всей длине бруска.

Высота всех погруженных на одну платформу пиломатериалов с учетом прижимных брусков не должна превышать 4700 мм от УГР.

Каждый штабель пиломатериалов должен быть расположен в пределах двух пар стоек. Концы штабеля должны выходить за стойки не менее чем на 250 мм.

Общая длина штабелей должна максимально использовать внутреннюю длину платформы. С этой целью допускается совместная погрузка на платформу штабелей различной длины.

Масса нетто погруженных пиломатериалов на одну платформу с учетом массы установленных торцовых стенок и боковых стоек с элементами крепления не должна превышать 61 т.

5.8. Грузоотправитель при погрузке, а грузополучатель при выгрузке лесоматериалов обязаны не допускать ударов погрузочно-разгрузочными механизмами, лесоматериалами по раме платформы, торцовым стенкам и стойкам, элементам их крепления к платформе. Запрещается резкое опускание (без торможения) при погрузке лесоматериалов на платформу с высоты более 0,5 м.

5.9. Запрещается использование под погрузку неисправных устройств ВО-162, ВО-118 и элементов их крепления.

5.10. После выгрузки груза платформы, оборудованные торцовыми стенками ВО-162 и боковыми стойками ВО-118, направляются под очередную погрузку по полным грузовым документам.

Размещение и закрепление указанного оборудования при возврате порожних платформ должно соответствовать отправлению их в груженом состоянии. Порожние платформы с неисправными торцовыми стенками, стойками, элементами их закрепления к платформам к перевозке не принимаются.

6. Размещение и крепление непакетированных неокоренных круглых лесоматериалов на платформе модели 23-4000

В целях обеспечения сохранности платформы грузоотправители обязаны при погрузке и выгрузке не допускать ударов пачками лесоматериалов по стойкам, торцовым стенкам и раме платформы. Запрещается резкое опускание без торможения пачек лесоматериалов на платформу с высоты более 0,5 м.

6.1. Размещение и крепление лесоматериалов длиной 4,0, 5,0, 6,5, 8,0, 10 м.

6.1.1. Платформы модели 23-4000 имеют следующие погрузочные размеры: длина - 21 170 мм, ширина - 2800 мм, высота - 2370 мм (рис. 61 <*> настоящей главы), грузоподъемность - 55 т.

Рисунок 61

1 – стойка; 2 – торцовая стенка

При размещении лесоматериалов погрузочная длина платформы должна использоваться полностью.

6.1.2. Лесоматериалы грузят штабелями вдоль платформы, укладывая нижний ярус на поперечные гребенки. Схема размещения лесоматериалов длиной 4 м дана на рисунке 62, длиной 5 м - на рисунке 63, длиной 6,5 м - на рисунке 64, длиной 10 м - на рисунке 65 настоящей главы.

Рисунок 62

Рисунок 63

Рисунок 64

Рисунок 65

Допускается размещение на одной платформе штабелей лесоматериалов различной длины по схеме 4 м - 6 м - 6 м - 4 м (рис. 66 настоящей главы) или 8 м - 4 м - 8 м (рис. 67 настоящей главы)  с учетом полного использования погрузочной длины платформы.

Рисунок 66

Рисунок 67

Каждый штабель лесоматериалов должен ограждаться не менее чем двумя парами стоек, при этом конец штабеля должен выходить за стойки не менее чем на 250 мм.

Высота погруженных на платформу лесоматериалов не должна превышать 3870 мм от уровня головки рельсов и должна быть ниже верхнего уровня стойки не менее чем на 100 мм.

Погрузку лесоматериалов начинают с укладки крайних штабелей, которые размещают вплотную к торцовым стенкам.

6.2. Размещение и крепление хлыстов длиной до 20 м.

6.2.1. Хлысты укладывают на поперечные балки (гребенки) в один штабель с разделением на 2 - 4 пачки. Штабель располагают симметрично относительно поперечной и продольной плоскостей симметрии платформы.

Хлысты длиной до 20 м на платформе размещают (рис. 68 настоящей главы) таким образом, чтобы в каждом из концов штабеля находилось одинаковое количество комлей хлыстов.

Рисунок 68

6.2.2. Допускается разделение штабелей лесоматериалов на пачки деревянными прокладками размером 50 x 150 x 2800 мм.

7. Размещение и крепление древесины в хлыстах на специальных лесовозных платформах

7.1. Погрузка и крепление древесины в хлыстах (дерево с обрубленными сучьями) длиной 10 - 24 м производятся на специальных лесовозных платформах грузоподъемностью 56 т и длиной по осям автосцепки 25 080 мм.

Для закрепления хлыстов в верхней части несъемных металлических вертикальных стоек, жестко закрепленных на раме платформы, имеются поворотные кронштейны (рис. 69 настоящей главы) (не приводится) или цепи (рис. 70 настоящей главы).

Рисунок 69

1 – вертикальные стойки; 2 – поворотные кронштейны; 3 – постоянные поперечные подкладки (гребенки); 4 – гвозди; 5 – прокладки тросовые (деревянные)

Рисунок 70

1 – вертикальные стойки; 2 – прокладки деревянные (тросовые); 3 – стягивающие цепи; 4 – постоянные поперечные подкладки (гребенки); 5 – запирающее устройство

После завершения погрузки, а также после разгрузки поворотные кронштейны должны быть установлены в среднее положение (в пределах габарита погрузки) и зафиксированы так, чтобы исключалась возможность их самопроизвольного поворота в пути следования.

Поворот и фиксирование кронштейна (рис. 71 настоящей главы) в определенном положении осуществляются с помощью воротка, вставляемого в отверстие горизонтальной оси валика механизма поворота. При повороте рычага поднимают Г-образный кронштейн и одновременно поворачивают его на 100 град.

Рисунок 71

1 – вороток; 2 – рычаги; 3 – валик; 4 - кронштейн

Цепи противоположных стоек после загрузки и разгрузки платформы должны быть соединены между собой имеющимся на их концах специальным запирающим устройством (рис. 70 настоящей главы).

Для более устойчивого размещения хлыстов между каждой парой стоек установлены поперечные несъемные подкладки в виде металлических гребенок.

7.2. Хлысты размещают на поперечные подкладки (гребенки) в один штабель с разделением на 2 - 4 пачки. Штабель располагают симметрично относительно поперечной и продольной плоскостей симметрии платформы. Выход штабеля хлыстов за концевую балку платформы допускается не более 300 мм.

Размеры штабеля приведены на рисунках 69 и 70 настоящей главы.

7.3. Хлысты на платформе располагают поштучно или пачками так, чтобы в штабеле половина комлей была в одну сторону, а половина - в другую (враскомлевку).

Разность высот погруженного штабеля, замеренная по его концам и посередине, не должна превышать 300 мм.

Возвышение хлыстов над стойками или кронштейнами не допускается. Каждый хлыст, уложенный на платформу у стоек, должен быть ограничен не менее чем тремя стойками. Выход концов этих хлыстов за стойки или поворотные кронштейны в продольном направлении должен быть не менее 1 м.

Укладка хлыстов, особенно в торцовой (комлевой) части, должна быть плотной, чтобы исключалась возможность выхода отдельных единиц хлыстов из штабеля в процессе перевозки и обеспечивалось полное использование вместимости платформы.

При размещении штабеля с выходом за концевую балку платформы смещение отдельных хлыстов относительно штабеля не допускается. Укладка в штабель хлыстов с необрубленными сучьями или хлыстов, имеющих значительную кривизну (при длине хлыста 24 м стрела прогиба более 1 м, при длине 10 - более 0,5 м), не допускается.

7.4. Для обеспечения механизированной выгрузки каждую пачку отделяют от нижележащей двумя деревянными поперечными прокладками высотой 80 - 100 мм и шириной не менее 150 мм или тросовыми прокладками диаметром 19 - 22 мм.

На одной платформе могут применяться только тросовые или только деревянные прокладки.

Деревянные прокладки должны иметь длину, равную ширине штабеля хлыстов, и укладываться на расстоянии не менее 300 мм от стоек. При этом они должны быть прижаты грузом так, чтобы исключалась возможность их выхода за пределы габарита штабеля в пути следования.

Концы тросовой прокладки должны быть прикреплены к хлыстам проволокой диаметром не менее 4 мм в одну нить. Концы этой увязки закручиваются не менее чем на три витка. Длина концов проволоки после скручивания не должна превышать 50 мм, и они должны быть повернуты в сторону хлыстов.

Прикрепление каждого конца тросовой прокладки к хлыстам производится не менее чем двумя гвоздями диаметром не менее 5 мм и длиной 120 - 150 мм. Гвозди вбивают на 1/3 длины в хлысты с размещением их внутри коуша (петли), вплотную к тросу, отгибая остальную часть гвоздя наружу (рис. 69 настоящей главы).

По согласованию грузоотправителя с грузополучателем погрузка хлыстов может быть произведена без прокладок.

7.5. На специальных лесовозных платформах, оборудованных наставками стоек, с использованием зонального габарита погрузки, древесину в хлыстах размещают согласно пунктам 7.2 - 7.4 настоящей главы до высоты 4700 мм по всей длине штабеля (рис. 72 настоящей главы) с загрузкой платформы в пределах установленной ее грузоподъемности.

Рисунок 72

1 – боковая стойка; 2 – наставка стойки; 3 – стягивающая цепь; 4 – фигурное звено; 5 – запирающее устройство

После окончания погрузки-выгрузки цепи противоположных нарощенных стоек должны быть соединены между собой имеющимся на их концах специальным запирающим устройством. Замковое кольцо рычага должно быть зафиксировано отожженной проволокой диаметром 3 - 4 мм. Выбор необходимой длины стяжки при погрузке осуществляется за счет фигурного звена.

7.6. В целях обеспечения сохранности платформы грузоотправители обязаны при погрузке и выгрузке не допускать ударов хлыстов по стойкам, поворотным кронштейнам и раме платформы. Запрещается резкое опускание без торможения пачек хлыстов на платформу с высоты более 0,5 м.

7.7. Грузоотправители обеспечивают правильность погрузки и крепления хлыстов, прокладок и техническое состояние крепежных устройств специальных платформ (стоек, кронштейнов цепей и гребенок), а грузополучатели - очистку, техническое состояние платформ после их выгрузки, а также правильную фиксацию поворотных кронштейнов и цепей в соответствии с пунктами 7.1 и 7.6 настоящей главы. Использование под погрузку, а также предъявление к перевозке порожних платформ с неисправными крепежными устройствами не допускается.

7.8. Погрузка (разгрузка) хлыстов на указанный подвижной состав осуществляется на подъездных путях грузоотправителя (грузополучателя) и его средствами.

8. Размещение и крепление лесоматериалов на четырехосной лесовозной платформе модели 23-925

8.1. Принадлежащие грузоотправителю (грузополучателю) четырехосные лесовозные платформы модели 23-925 предназначены для перевозки круглых лесоматериалов и пиломатериалов длиной от 2,0 до 22,0 м и хлыстов длиной от 6,0 до 22,0 м.

8.2. Платформы (рис. 73 настоящей главы) оборудованы несъемными торцовыми секциями 1 с установленными на них выдвижными щитами 7 и съемными передвижными секциями 2, средние вертикальные стойки 6 которых приспособлены для установки на них выдвижных щитов. В комплект оборудования каждой платформы входят два выдвижных щита массой по 0,42 т и шесть съемных передвижных секций массой по 1,03 т. Грузоподъемность платформы при наличии этого оборудования составляет 61 т. Места установки выдвижных щитов и передвижных секций на раме платформы определяют в зависимости от длины отгружаемых лесоматериалов и хлыстов и схемы погрузки. Количество установленных на платформе единиц оборудования в связи с этим может уменьшаться или увеличиваться по сравнению с входящим в комплект, при этом вес груза должен быть определен грузоотправителем в зависимости от веса фактически установленного оборудования. Установка дополнительных или снятие излишних передвижных секций и выдвижных щитов, а также, при необходимости, перестановки их на раме платформы в соответствии со схемой погрузки и длиной штабелей производятся грузоотправителем перед погрузкой, начиная с торцов платформы. Для закрепления передвижных секций вдоль платформы на опорной поверхности ее пола с шагом 239 +/- 2 мм расположены упоры 3 от продольных перемещений. Передвижные секции имеют поперечные упоры 4 и фиксаторы 5 с крюками, которые входят в зацепление с полками боковых балок рамы платформы и воспринимают поперечные и вертикальные инерционные и статические нагрузки. Эксцентрики фиксаторов после установки передвижной секции и закрепления ее на платформе увязывают с крюком фиксатора проволокой диаметром не менее 4 мм в один оборот с закруткой концов проволоки в три витка.

Рисунок 73

1 – торцовая секция; 2- передвижная секция; 3 – упоры от продольных перемещений; 4 – упоры от поперечных перемещений; 5 – фиксатор; 6 – средняя стойка секции; 7 – выдвижной щит

8.3. Погрузку лесоматериалов и хлыстов производят штабелями, расположенными вдоль платформы. Штабеля длиной до 5,2 м грузят с установленными по торцам выдвижными щитами, при этом погрузочная длина платформы составляет 21,6 м. При погрузке с торцовыми щитами крайние штабеля укладывают вплотную к выдвижным щитам, направляя к ним вершины нижних пачек; между соседними штабелями должен быть зазор не менее 100 мм. Нижние пачки внутренних штабелей укладывают комлями в разные стороны. Комли и вершины лесоматериалов и хлыстов в каждом погруженном штабеле должны чередоваться пачками или поштучно так, чтобы в штабеле половина комлей была направлена в одну сторону, а половина - в другую, и разность высот концов штабеля не превышала 200 мм для лесоматериалов и 300 мм для хлыстов.

Каждый штабель лесоматериалов длиной от 2,0 до 5,2 м ограждают двумя секциями, а длиной 5,2 м и более - двумя, тремя и большим количеством секций.

При наличии свободного пространства в центре платформы, недостаточного для размещения штабеля, на средних стойках секций, обращенных к свободному пространству, устанавливают дополнительные выдвижные щиты. В целях лучшего использования вместимости допускается размещение на одной платформе штабелей разной длины, при этом по торцам платформы размещают, как правило, более длинные штабеля или штабеля, имеющие длину не менее 3,5 м при погрузке с установленными торцовыми щитами.

Высота отгружаемых на платформе штабелей лесоматериалов и хлыстов определяется грузоотправителем в соответствии с количеством (объемом), породой и влажностью древесины с учетом максимального использования грузоподъемности платформы и допустимого перегруза. Высота всех штабелей должна быть одинаковой и не превышать верхнего уровня выдвижных щитов и секций, находящегося на расстоянии 2980 мм от пола платформы.

Выравнивание торцов, прилегание круглых лесоматериалов к стойкам секций, отклонение круглых лесоматериалов по длине и толщине в каждом штабеле, а также условия формирования штабелей из пиломатериалов должны соответствовать требованиям раздела 1 настоящей главы. Допускается разделение штабелей лесоматериалов и хлыстов на пачки деревянными прокладками. Прокладки должны укладываться со стороны обращенных внутрь штабеля вертикальных стоек ограждающих секций и должны быть прижаты грузом так, чтобы исключалась возможность их выхода за пределы габарита штабеля в пути следования.

8.4. Размещение круглых лесоматериалов и пиломатериалов длиной от 2,0 до 5,2 м (рис. 74 настоящей главы) осуществляют с размещением концов каждого штабеля на крайних поперечных балках передвижных (торцовых) секций. При этом наружные вертикальные ряды лесоматериалов должны прилегать к крайним вертикальным стойкам секций (с упором концов в выступающие внутрь средние стойки). Выход концов бревен (пиломатериалов) за стойки, к которым они прилегают, должен составлять не менее 200 мм, расстояние между средними стойками передвижных секций, ограждающих штабель, должно превышать длину штабеля на 100 - 500 мм. Не допускается прилегание крайних вертикальных рядов штабеля к средним стойкам передвижных секций, а также укладка в этих рядах более коротких бревен (пиломатериалов), чем остальные в штабеле.

Рисунок 74 – Размещение круглых лесоматериалов и пиломатериалов длиной от 2,0 до 5,2 м

8.5. Размещение круглых лесоматериалов и пиломатериалов длиной 5,2 м и более (рис. 75 настоящей главы) производят концами на поперечных балках передвижных секций с прилеганием наружных вертикальных рядов штабеля к средним вертикальным стойкам секций. Выход концов бревен (пиломатериалов) за указанные стойки должен составлять не менее 250 мм.

Рисунок 75 – Размещение круглых лесоматериалов и пиломатериалов длиной более 5,2 м

8.6. Грузоотправитель несет ответственность за правильность погрузки и крепления лесоматериалов и хлыстов, расстановку передвижных секций, выдвижных щитов, установку фиксаторов, техническое состояние крепежного оборудования, а грузополучатели - за техническое состояние оборудования после выгрузки и очистку вагонов.

8.7. Использование под погрузку, а также предъявление к перевозке платформ с неисправным оборудованием и крепежными элементами не допускается.

8.8. Погрузка хлыстов (рис. 76 настоящей главы) производится в соответствии с аналогичными требованиями, изложенными в пунктах 7.3, 7.4, 7.7 настоящей главы.

Рисунок 76

8.9. Допускается размещение и крепление круглых лесоматериалов и пиломатериалов с использованием других видов оборудования, которое предусматривает торцовое ограждение. Проекты на оборудование должны быть согласованы с МПС России в установленном порядке.

Глава 3. ТЕХНИЧЕСКИЕ УСЛОВИЯ РАЗМЕЩЕНИЯ И КРЕПЛЕНИЯ МЕТАЛЛОПРОДУКЦИИ И ЛОМА ЧЕРНЫХ МЕТАЛЛОВ НА ОТКРЫТОМ ПОДВИЖНОМ СОСТАВЕ

1. Общие положения

В настоящей главе предусмотрены способы размещения и крепления листового и сортового черного металла, металлопродукции различных видов и профилей и лома черного металла на открытом подвижном составе.

1.1. Металлопродукция предъявляется к перевозке в пачках, связках, бухтах, пакетах, штабелях и отдельными единицами.

Пачка - укрупненная грузовая единица из листового металла мерной длины, обвязанная металлической упаковочной лентой или проволокой в соответствии со стандартами.

Связка - укрупненная грузовая единица, сформированная из сортового металла (пруток, уголок, др. профили) или стальных труб диаметром до 219 мм включительно, обвязанная металлической упаковочной лентой или проволокой в соответствии со стандартами.

Бухта - грузовая единица, сформированная из проволоки, ленты, узкой полосы и пр., смотанной в моток и скрепленной с помощью металлической упаковочной ленты или проволоки от разматывания.

Пакет - укрупненная грузовая единица, сформированная из нескольких грузовых единиц, скрепленных между собой с помощью одноразовых или многооборотных средств пакетирования.

Штабель - совокупность грузовых единиц, например пачек, пакетов, связок, размещаемых одним или несколькими ярусами по высоте; каждый ярус может состоять из одной грузовой единицы либо одного ряда грузовых единиц, размещенных вплотную друг к другу по ширине вагона.

Ответственным за прочность упаковки является грузоотправитель.

1.2. Для обеспечения механизированной погрузки и выгрузки металлопродукции на платформах и в полувагонах ее размещают, как правило, с применением подкладок и прокладок (при укладке в несколько ярусов и навале их на стенки полувагона - наклонные прокладки).

Длина поперечных подкладок должна быть равна внутренней ширине полувагона.

Сдвинутая с поперечной балки при погрузке металлопродукции подкладка дефектом погрузки не является.

1.3. При размещении пачек или связок сортового металла равномерно по всей площади пола полувагона с закрытыми дверями допускается их погрузка без подкладок. При этом связки и пачки должны иметь дополнительные хомуты, обеспечивающие безопасное производство погрузочно-разгрузочных работ.

1.4. При наклоне связок или пачек металла в сторону дверей полувагона, а также при погрузке связок или пачек металла с выходом в них отдельных единиц груза двери полувагона необходимо ограждать на высоту погрузки щитами из досок или горбыля толщиной не менее 30 мм и длиной, равной внутренней ширине полувагона, и брусков толщиной не менее 20 мм и шириной не менее 70 мм, скрепляемых гвоздями длиной 100 мм (рис. 1 настоящей главы).

Рисунок 1

1-доски щита; 2-проволока; 3 - брусок; 4-гвоздь

Щиты устанавливают на пол вплотную к дверям и крепят монтажной проволокой диаметром 4 - 5 мм за верхние увязочные кольца или дверные петли. Вертикальные доски по концам щита располагают со стороны груза. Проволоку крепят к щиту гвоздями.

В остальных случаях погрузки металлопродукции вплотную к торцовым дверям у порожка концевой балки устанавливают на ребро деревянный брусок сечением не менее 60 x 100 мм и длиной, равной внутренней ширине полувагона.

1.5. В случаях, предусмотренных последующими пунктами настоящей главы, люковые закидки полувагона фиксируют запорными секторами и увязывают вместе с запорными уголками проволокой диаметром 5 мм в один оборот с закруткой концов проволоки в три оборота при помощи воротка для закрутки дверей крытых вагонов. Длина концов проволоки должна быть не более 100 мм. Концы проволоки должны быть загнуты под вагон.

1.6. Если груз размещается в пределах погрузочной длины платформы и высота погрузки металлопродукции на платформе превышает высоту торцового борта, то его наращивают до высоты, превышающей высоту погрузки на 100 мм, досками или горбылями толщиной не менее 50 мм, прибиваемыми вплотную друг к другу с внутренней стороны торцовых стоек. Доски (горбыли) по длине должны быть равны борту платформы. Каждую доску (горбыль) прибивают к торцовым стойкам четырьмя гвоздями - по 2 в каждое соединение. Длина гвоздей должна превышать толщину досок (горбылей) на 50 мм.

1.7. При погрузке металлопродукции не выше продольных бортов платформы каждую из средних секций бокового борта усиливают двумя стойками, а каждую из крайних - одной стойкой, устанавливаемой во вторую стоечную скобу, считая от торцового борта платформы. Высота боковых стоек должна быть равной или выше боковых бортов не более чем на 200 мм.

При погрузке металлопродукции выше продольных бортов платформы борта обрешечивают в соответствии с пунктом 17.2 настоящей главы.

При соответствующем обосновании допускается грузить металлопродукцию на платформы в пределах средних секций боковых бортов, оборудованных клиновыми запорами, без установки боковых стоек.

1.8. Не допускается размещение пачек и связок металлопроката на платформах и в полувагонах внахлест, если длина вагона допускает их размещение встык.

2. Размещение и крепление проката сортовой стали

2.1. Прокат сортовой стали (например, полоса, круг, квадрат, шестигранник, уголок, швеллер, зет, тавровые и двутавровые балки, трубы диаметром до 219 мм включительно, арматурно-периодический и холоднокатаный профиль, фасонная сталь) перевозят связками. В связках отдельные единицы сортовой стали размещают параллельно без перекрещивания.

Каждую связку (профиль менее 180 мм) скрепляют поперечными увязками из проволоки диаметром не менее 6 мм в две нити при длине металла до 6000 мм включительно в двух местах, а при большей длине - в трех местах. Профиль 180 мм и более скрепляют поперечными увязками из проволоки диаметром 6 мм в две нити в двух местах при длине связки до 9000 мм включительно, а при большей длине - в трех местах.

Выход отдельных единиц проката из штабеля или связки допускается не более 200 мм.

Швеллеры, балки и прокат квадратной стали длиной более 5000 мм (профиль 50 мм и более) допускается перевозить без формирования в связки.

2.2. Размещение и крепление стали профиля до 180 мм включительно на платформах.

2.2.1. Связки длиной до 6600 мм включительно размещают на платформе одним или двумя ярусами по высоте.

Боковые борта платформ подкрепляют боковыми стойками 1 (рис. 2 настоящей главы), которые попарно скрепляют между собой проволокой диаметром 6 мм в шесть нитей. В случаях, когда груз размещается в пределах погрузочной длины платформы, торцовые борта ограждают торцовыми стойками 4.

Рисунок 2

1 – боковая стойка; 2 – скрепление стоек; 3 – доски торцового ограждения; 4 – торцовая стойка

На деревометаллический пол платформы под каждый штабель связок первого яруса укладывают по 2 - 3 подкладки, а под связки второго яруса - прокладки.

Связки длиной свыше 5000 мм до 6600 мм включительно размещают (рис. 3 настоящей главы) на платформах в два яруса: в первом ярусе вплотную к торцовым бортам укладывают два штабеля связок, во втором ярусе в середине платформы - один штабель связок.

Рисунок 3

1 – боковая стойка; 2 – скрепление стоек; 3 – доски торцового ограждения; 4 – торцовая стойка

При длине связок от 5000 до 6000 мм включительно боковые стойки устанавливают во вторые, третьи и четвертые стоечные скобы от торцов платформы.

При длине связок свыше 6000 мм до 6600 мм включительно боковые стойки устанавливают в первые и третьи стоечные скобы от торцов платформы.

В зависимости от массы связок и грузоподъемности платформы связки длиной свыше 5000 мм до 6600 мм включительно размещают на платформе в два яруса следующим образом. На полу платформы вплотную к торцовым бортам укладывают два штабеля связок, на них - два штабеля связок верхнего яруса (рис. 4 настоящей главы). В нижнем ярусе размещают более длинные связки. При этом концы штабелей связок верхнего яруса должны одинаково выступать за стойки, ограждающие боковые борта. Устанавливают шесть пар стоек 1 - в первые, вторые и четвертые скобы от торцов платформы. Каждую пару противоположных стоек скрепляют проволокой диаметром 6 мм в шесть нитей.

Рисунок 4

1 – боковая стойка; 2 – скрепление стоек; 3 – доски торцового ограждения; 4 – торцовая стойка

2.2.2. Связки длиной свыше 6600 мм до 10 500 мм включительно размещают двумя ярусами: первый - вплотную к торцовым бортам, второй - внахлест посередине платформы.

При длине связки металла свыше 8000 мм до 10 500 мм включительно под наклонный ярус на расстоянии не менее 800 мм от конца нахлестной части (рис. 5 настоящей главы) размещают прокладку высотой 100 мм и длиной не менее наклонного яруса, чтобы обеспечивалось опирание на нее связок наклонного яруса.

Рисунок 5

1 – торцовая стойка; 2 – доски торцового ограждения; 3 – боковая стойка; 4 – прокладка высотой 100 мм; 5 – наклонный ярус

Связки длиной свыше 10 500 мм до 13 300 мм включительно укладывают одним штабелем.

Каждую секцию боковых бортов платформы подкрепляют одной стойкой 3. Стойки устанавливают в первые и четвертые стоечные скобы. Противоположные стойки попарно скрепляют проволокой диаметром 6 мм в шесть нитей.

2.2.3. Связки длиной свыше 13 300 мм до 13 800 мм включительно размещают на платформе с деревянным полом с откинутыми на кронштейны торцовыми бортами (рис. 6 настоящей главы). Связки укладывают в два яруса на две поперечные подкладки 5 сечением не менее 135 x 200 мм и длиной 2600 мм, которые размещают в створе первых от торцов боковых стоечных скоб. Подкладки закрепляют со стороны торцового борта тремя, а с противоположной стороны - двумя упорными брусками 4 сечением не менее 50 x 100 мм и длиной не менее 200 мм. Каждый брусок прибивают к полу платформы двумя гвоздями диаметром 6 мм и длиной 100 мм.

Рисунок 6

1 – боковая стойка; 2 – скрепление стоек; 3 – обвязка штабеля; 4 – упорный брусок; 5 – поперечная подкладка

Весь штабель обвязывают в двух местах между подкладками проволокой диаметром 6 мм в четыре нити, закрепляя ее концы за костыли, вбитые в торцы установленных подкладок. Противоположные стойки, установленные в первые боковые скобы, скрепляют проволокой диаметром 6 мм в шесть нитей.

2.2.4. Связки проката длиной свыше 13 800 мм до 15 000 мм включительно размещают на платформе с деревянным полом с откинутыми на кронштейны торцовыми бортами со свесами одинаковой длины. При этом грузоотправителем должно быть обеспечено прикрытие с двух сторон платформами с попутным грузом. Крепление связок на платформе осуществляется аналогично креплению, указанному в пункте 2.2.3 настоящей главы. При этом дополнительно в третьи стоечные скобы платформы устанавливают стойки и скрепляют их проволокой диаметром 6 мм в шесть нитей.

При длине связок свыше 13 800 мм до 14 000 мм включительно допускается погрузка со свесами разной длины. При свесе не более 400 мм платформа прикрытия с этой стороны не требуется.

2.3. Размещение и крепление стали профиля более 180 мм на платформах.

2.3.1. Связки проката длиной, превышающей длину платформы, допускается размещать с выходами за концевые балки не более чем на 400 мм (рис. 7 настоящей главы).

Рисунок 7

1 – боковая стойка; 2 – скрепление стоек; 3 –увязка штабеля; 4 – поперечная подкладка

Штабель укладывают на три поперечные подкладки 4 сечением не менее 50 x 100 мм: две подкладки укладывают над шкворневыми балками, а третью подкладку укладывают посередине и закрепляют к полу платформы каждую десятью гвоздями 5 x 100 мм. Штабель груза обвязывают в трех местах проволокой диаметром 6 мм в три оборота. Крайние увязки 3 располагают с внутренней стороны подкладок вплотную к ним.

Во все первые и вторые от торцов платформы стоечные скобы устанавливают деревянные стойки 1. Стойки скрепляют попарно между собой проволокой диаметром 6 мм в шесть нитей.

2.4. Размещение и крепление стали профиля более 180 мм в полувагонах.

2.4.1. Связки длиной от 1100 до 1400 мм включительно (профиль менее 280 мм) перевозят в полувагонах только с глухим кузовом. Связки размещают без подкладок, непосредственно на пол, от торцовых стен полувагона к середине двумя штабелями. В штабелях связки размещают вплотную к боковым стенам полувагона в два ряда по ширине и несколько ярусов по высоте симметрично относительно поперечной плоскости симметрии полувагона (рис. 8 настоящей главы). Промежуток между штабелями заполняют связками, которые размещают также в два ряда с числом ярусов на один меньше, чем в основных штабелях. Связки в промежутке размещают на деревянных продольных подкладках 2 сечением не менее 100 x 150 мм - по две подкладки под каждый ряд связок. Допускается в качестве подкладок использовать горбыль толщиной не менее 100 мм.

Рисунок 8

1 – связка; 2 – продольная подкладка

При неполном использовании грузоподъемности вагона рекомендуется промежуток между продольными рядами заполнять связками, уложенными вдоль хребтовой балки. Люковые закидки полувагонов увязывают в соответствии с пунктом 1.5 настоящей главы.

2.4.2. Связки длиной свыше 1400 мм до 2800 мм включительно (профиль менее 280 мм) размещают в полувагоне несколькими штабелями по длине от торцовых дверей, огражденных щитами 1, к середине симметрично относительно продольной и поперечной плоскостей симметрии вагона (рис. 9 настоящей главы). В каждом штабеле связки 2 укладывают непосредственно на пол полувагона вдоль по всей его ширине, вплотную к боковым стенам.

Рисунок 9

1 – торцовый щит; 2 – связка; 3 – связка, размещенная поперек вагона

В середине полувагона в свободном пространстве размещают связки 3, размещенные поперек вагона. Люковые закидки полувагонов увязывают в соответствии с пунктом 1.5 настоящей главы.

2.4.3. Связки длиной свыше 2800 мм до 5900 мм включительно (профиль менее 280 мм) размещают вдоль полувагона без подкладок в один ярус по высоте, два и более штабелей по длине от торцовых бортов, огражденных щитами 1 (рис. 10 настоящей главы).

Рисунок 10

1 – торцовый щит; 2 – связка

2.4.4. Связки длиной свыше 6000 мм до 8900 мм включительно, кроме швеллеров и балок, размещают в полувагоне без подкладок. Двери полувагона ограждают щитами. Половину связок в каждом ярусе погрузки размещают с упором в угловые стойки полувагона, а другую половину размещают с упором в порожек другого торца полувагона. Связки второго яруса укладывают в обратном порядке внахлест на связки первого яруса так, чтобы прилегающие к боковым стенкам вагона связки ложились вплотную к ним.

2.4.5. Связки длиной от 9000 до 12 000 мм включительно размещают в полувагоне в два яруса со смещением ярусов так, чтобы связки нижнего и верхнего ярусов упирались в противоположные торцовые щиты 1, ограждающие двери (рис. 11 настоящей главы). При этом связки первого яруса укладывают на четыре поперечные подкладки 2, расположенные над шкворневыми и промежуточными балками полувагона.

Рисунок 11

1 – торцовый щит; 2 – поперечная подкладка

2.5 Размещение и крепление проката стали круглого сечения диаметром от 140 до 280 мм включительно в связках.

2.5.1. Прокат длиной от 1800 до 6000 мм включительно размещают вдоль полувагона в два и более штабелей (рис. 12 настоящей главы). Штабель состоит из связок, уложенных несколькими рядами равномерно по всей ширине кузова полувагона на поперечных подкладках 2 сечением не менее 40 x 100 мм, которые устанавливают преимущественно на поперечных балках. Каждая связка должна размещаться не менее чем на двух подкладках.

Рисунок 12

1 – торцовый щит; 2 – поперечная подкладка; 3 –увязка

Торцовые двери полувагонов ограждают деревянными щитами по высоте погрузки.

2.5.2. Прокат длиной от 4000 до 6000 мм включительно допускается размещать в два штабеля, располагая их от торцовых щитов к середине полувагона. При этом свободное пространство в середине полувагона заполняют связками или отдельными единицами проката диаметром от 140 до 280 мм и длиной до 2800 мм включительно (рис. 13 настоящей главы).

Рисунок 13

1 – торцовый щит; 2 – поперечная подкладка; 3 –увязка; 4 – продольная подкладка

2.5.3. При погрузке проката различной длины в середине полувагона размещают связки длиной от 3000 до 6000 мм включительно, укладываемые на поперечные подкладки 2, а на них в наклонном положении размещают связки длиной от 4000 до 6000 мм включительно (рис. 14 настоящей главы). Под концы наклонно размещенных связок укладывают утолщенные поперечные деревянные подкладки 4 сечением не менее 50 x 150 мм и длиной, равной ширине кузова полувагона.

Рисунок 14

1 – торцовый щит; 2 – поперечная подкладка; 3 –увязка; 4 – утолщенная поперечная подкладка;

2.6. Размещение и крепление проката стали квадратного сечения в связках.

2.6.1. Связки длиной от 3000 до 3600 мм включительно размещают по длине полувагона следующим образом: в середине вагона симметрично относительно поперечной плоскости симметрии вплотную друг к другу размещают два штабеля высотой от пола полувагона не более 300 мм (рис. 15 настоящей главы). Первые связки укладывают по хребтовой балке полувагона, крайние связки - вплотную к боковым стенкам полувагона. Еще два штабеля размещают концами на поперечные подкладки 2 из горбыля толщиной не менее 50 мм у торцовых порожков с упором в щиты ограждения 1 наклонно к дверям. При неполных вторых ярусах наклонно установленных штабелей крайние связки размещают вплотную к боковым стенам полувагона с упором в торцовый щит.

Рисунок 15

1 – торцовый щит; 2 – поперечная подкладка

2.6.2. Связки длиной свыше 3600 мм до 4000 мм включительно размещают тремя штабелями по длине полувагона и несколькими ярусами по высоте (рис. 16 настоящей главы). Погрузку ведут от хребтовой балки к боковым стенкам полувагона. При этом двери полувагона ограждают деревянными щитами 1.

Рисунок 16

1 – торцовый щит

2.6.3. Связки длиной свыше 4000 мм до 5400 мм включительно размещают в полувагоне аналогично рисунку 15 настоящей главы, но в середине вагона размещают вместо двух один штабель высотой не более 300 мм. На горизонтально размещенный штабель с двух торцовых сторон наклонно размещают два штабеля концами на подкладки у торцовых порожков с упором в торцовые щиты. При неполных вторых ярусах наклонно размещенных штабелей связки размещают вплотную к боковым стенам полувагона с упором в торцовый щит.

2.6.4. Прокат стали со стороной от 60 до 150 мм включительно в связках или поштучно длиной свыше 5400 мм до 5850 мм включительно размещают в полувагоне двумя штабелями от торцовых дверей по длине вагона и несколькими ярусами по высоте аналогично рисунку 16 настоящей главы. Неполное число связок в верхнем ярусе укладывают от боковых стен полувагона. Двери полувагона ограждают торцовыми щитами.

2.6.5. Прокат стали в связках или поштучно со стороной от 60 до 150 мм включительно и длиной свыше 5850 мм до 8000 мм включительно размещают в полувагоне двумя штабелями: один - горизонтально с упором в щит ограждения 1 двери, а другой - с наклоном к противоположной двери, концами на поперечную подкладку 3 у порожка из горбыля толщиной 50 мм и с упором в торцовый щит (рис. 17 настоящей главы).

Рисунок 17

1 – торцовый щит; 2 –увязка; 3 – поперечная подкладка

2.6.6. Прокат стали в связках или поштучно длиной свыше 8000 мм до 11 800 мм включительно размещают в полувагоне со смещением связок к дверям по ярусам (рис. 18 настоящей главы). Под верхний ярус на расстоянии 1 м от конца связок укладывают прокладку 3 толщиной от 100 до 120 мм включительно из горбыля или досок. Двери полувагона ограждают торцовыми щитами 1.

Рисунок 18

1 – торцовый щит; 2–увязка; 3 – прокладка

2.6.7. Прокат стали длиной свыше 11 800 мм до 12 000 мм включительно размещают в полувагоне одним штабелем по длине, несколькими ярусами по высоте и несколькими рядами по ширине полувагона (рис. 19 настоящей главы) симметрично относительно продольной и поперечной плоскостей симметрии. Неполное количество рядов верхнего яруса размещают над хребтовой балкой. Двери полувагона ограждают торцовыми щитами. В полувагонах с длиной кузова 12 700 мм сталь длиной от 11 500 до 12 500 мм включительно размещают аналогичным образом.

Рисунок 19

1 – торцовый щит

2.7. Размещение и крепление проката сортовой стали любого профиля длиной от 12 000 до 12 500 мм включительно в связках.

2.7.1. Связки в полувагонах длиной до 12 700 мм включительно с глухими торцовыми стенами размещают без подкладок и щитов ограждения. Допускается размещение и крепление связок в два яруса на платформе согласно рисункам 2, 21 настоящей главы.

2.7.2. Допускается размещать указанные связки в полувагонах с торцовыми дверями, с выходом концов груза с одного торца полувагона (рис. 20 настоящей главы). Штабель размещают на четыре подкладки. Утолщенную подкладку 1 сечением 140 x 140 мм размещают у открытых дверей вплотную к торцовому порожку с внутренней стороны кузова полувагона. Подкладки 3 сечением 40 x 100 мм размещают на шкворневую и промежуточные балки. Закрытые торцовые двери ограждают щитом 4 в соответствии с пунктом 1.4 настоящей главы. Штабель закрепляют двумя обвязками 2 из проволоки диаметром 6 мм в четыре нити за нижние увязочные устройства полувагона.

Рисунок 20

1- утолщенная подкладка; 2 – обвязка; 3 – подкладка; 4 – торцовый щит

2.8. Размещение и крепление металлических шпунтовых свай.

2.8.1. Металлические шпунтовые сваи длиной до 13 300 мм включительно размещают на платформе (рис. 21 настоящей главы) одним штабелем по длине и в несколько ярусов по высоте. Каждый ярус формируют следующим образом: сваи первого ряда размещают по всей ширине платформы вплотную друг к другу; на сваи первого ряда укладывают "в замок" второй ряд свай. Первый ярус свай размещают на трех подкладках 8 сечением не менее 30 x 100 мм и длиной, равной ширине платформы, которые укладывают над шкворнями тележек и в середине платформы. На первый ярус над подкладками 8 размещают прокладки 7 по размерам, аналогичным подкладкам. На прокладки укладывают второй ярус и в таком порядке - последующие ярусы. Штабель свай в трех местах скрепляют увязками 6 из проволоки диаметром 6 мм в шесть нитей. Увязки располагают от прокладок на расстоянии от 100 до 150 мм включительно. Если погруженный штабель не превышает высоты боковых бортов платформы, то вместо увязок штабеля в первые и третьи от торца стоечные скобы платформы устанавливают деревянные стойки 5, которые попарно скрепляют между собой проволокой диаметром 6 мм в шесть нитей.

Рисунок 21

1 – торцовая стойка; 2 – доски торцового ограждения; 3 – растяжки торцовых стоек; 4 – скрепление стоек; 5 – боковая стойка; 6 – увязка штабеля; 7 – прокладка; 8 – подкладка

Если высота погруженного штабеля свай выше уровня торцовых бортов платформы, то последние дополнительно наращивают досками (горбылями) 2 до высоты, превышающей высоту погрузки на 100 мм, в соответствии с пунктом 1.6 настоящей главы. Торцовые стойки 1 закрепляют за вторые от торцов боковые стоечные скобы платформы растяжками 3 из проволоки диаметром 6 мм в шесть нитей.

При массе штабеля свай на платформе более 35 т его дополнительно закрепляют с каждой стороны двумя упорными брусками 100 x 100 x 2700 мм, которые размещают вплотную к торцовым бортам и закрепляют каждый к полу двадцатью гвоздями 6 x 150 мм.

3. Размещение и крепление рельсов

3.1. Размещение и крепление железнодорожных рельсов с болтовыми отверстиями.

3.1.1. На платформах рельсы длиной свыше 11 500 мм до 12 500 мм включительно с болтовыми отверстиями размещают аналогично рисунку 21 (не приводится) настоящей главы. На пол платформы размещают три поперечные подкладки из досок или горбылей сечением не менее 25 x 100 мм и длиной, равной ширине платформы. Две подкладки - над шкворнями тележек, а третью - посередине платформы.

Подошвы рельсов должны плотно прилегать друг к другу. Каждый ярус погрузки состоит из рельсов, располагаемых в нем поочередно подошвами вниз и вверх. Рельсы каждого яруса, укладываемые подошвами вверх, должны располагаться так, чтобы их головки не закрывали первых болтовых отверстий рельсов, уложенных подошвами вниз. Концы рельсов каждого яруса выравнивают по болтовым отверстиям с противоположной стороны. Рельсы в каждом последующем ярусе размещают так же, как в первом.

Между ярусами рельсов по уровню над подкладками укладывают три прокладки сечением не менее 25 x 100 мм и длиной, равной ширине погрузки.

Рельсы каждого яруса увязывают через болтовые отверстия проволокой диаметром не менее 6 мм в две нити. При этом проволоку, пропущенную в болтовые отверстия рельсов, расположенных подошвами вниз, одним концом выпускают у крайнего рельса наружу. Второй конец проволоки после выхода из болтового отверстия противоположного крайнего рельса перегибают по головкам четырех рельсов, затем пропускают в болтовые отверстия следующих рельсов и, не доходя четырех головок рельсов до конца, выпускают наверх по головкам крайнего рельса, где и увязывают с первым концом проволоки (рис. 22а настоящей главы).

Рисунок 22

Рельсы, размещаемые подошвами вверх, увязывают аналогично рельсам, размещенным подошвами вниз. Причем проволока после выхода из болтовых отверстий должна проходить по головкам рельсов внизу (рис. 22б настоящей главы). Если количество размещаемых в ярусе рельсов оказывается нечетным, рельсы указанным способом увязывают с обоих концов.

Рисунок 22 а

При погрузке рельсов на платформы устанавливают четыре пары стоек - во вторые и третьи стоечные скобы от торцов платформы. Расстояние от верхней поверхности груза до верхнего обреза стоек должно быть от 100 до 200 мм включительно. Противоположные стойки скрепляют попарно проволокой диаметром 6 мм в шесть нитей. В торцах платформы устанавливают по две короткие стойки.

Разрешается погрузка рельсов разной длины. В этом случае подошвами вниз укладывают рельсы одинаковой, наибольшей из числа предъявленных к перевозке рельсов длины. Короткие рельсы размещают в ярусе подошвами вверх. Причем рельсы, размещаемые подошвами вниз, увязывают через болтовые отверстия с обеих сторон.

При перевозке рельсов разной длины допускается их погрузка с рельсовыми накладками, прикрепленными болтами по концам. В таких случаях увязку производят через болтовые отверстия накладок.

3.1.2. Рельсы длиной до 11 500 мм включительно размещают в полувагонах аналогично прокату сортовой стали длиной до 11 500 мм включительно.

3.1.3. Рельсы длиной свыше 11 500 мм до 12 500 мм включительно размещают в полувагон с одной открытой торцовой дверью (рис. 23 настоящей главы). На шкворневые балки полувагона укладывают две подкладки длиной, равной ширине полувагона, при этом подкладка 3 со стороны закрытой торцовой двери должна иметь сечение не менее 40 x 100 мм, а со стороны открытой - 100 x 150 мм - утолщенная подкладка 4.

Рисунок 23

1 - торцовый щит; 2 – прокладка; 3 - подкладка; 4 - утолщенная подкладка; 5 - растяжка

Размещение в полувагонах рельсов, подкладок и прокладок в штабеле, увязка рельсов через болтовые отверстия по рядам аналогичны размещению рельсов на платформе в соответствии с подпунктом 3.1.1 настоящей главы.

Закрытые торцовые двери полувагонов ограждают торцовым щитом 1.

Рельсы верхнего яруса со стороны открытой торцовой двери закрепляют через болтовые отверстия двумя растяжками 5 из проволоки диаметром 6 мм в четыре нити за нижние увязочные устройства полувагона.

3.2. Размещение и крепление трамвайных рельсов с болтовыми отверстиями.

Рельсы размещают на платформах в следующем порядке (рис. 24 настоящей главы).

Рисунок 24

1 - растяжка; 2 –увязка нижних ярусов рельсов; 3 - скрепление стоек; 4 - боковая стойка; 5 - поперечная увязка штабеля; 6 - прокладка; 7 – поперечная подкладка

На пол платформы укладывают три поперечные подкладки 7 сечением не менее 40 x 100 мм и длиной, равной ширине платформы. Две подкладки укладывают над шкворневыми балками платформы, а третью - посередине между ними.

На подкладки вплотную друг к другу по всей ширине платформы укладывают рельсы первого яруса подошвами вниз. Рельсы, уложенные в каждом ярусе, выравнивают и увязывают через болтовые отверстия проволокой в порядке, предусмотренном в подпункте 3.1.1 настоящей главы.

Все последующие ярусы также состоят из рельсов, укладываемых подошвами вниз. Между ярусами рельсов над подкладками укладывают прокладки 6 сечением не менее 25 x 100 мм и длиной, равной ширине штабеля. Два нижних яруса рельсов скрепляют в трех местах увязками 2 из проволоки диаметром 6 мм в четыре нити.

Верхние ярусы рельсов, начиная с третьего, закрепляют четырьмя парами растяжек 1 из проволоки диаметром 6 мм в четыре нити, формируя штабель. Растяжки крепят за болтовые отверстия на обоих концах крайних рельсов и за боковые стоечные скобы платформы. При этом растяжки должны быть расположены под углом не более 45 - 50 град. к полу платформы.

Штабель рельсов обвязывают в трех местах поперечными увязками 5 из проволоки диаметром 6 мм в четыре нити. Во вторые и третьи от торцов боковые стоечные скобы платформы устанавливают четыре пары стоек 4, противоположные стойки скрепляют попарно проволокой диаметром 6 мм в четыре нити. В торцах платформы устанавливают две короткие стойки.

3.3. Размещение и крепление железнодорожных рельсов без болтовых отверстий.

Рельсы длиной до 12 500 мм включительно размещают на платформах и закрепляют в следующем порядке (рис. 21 настоящей главы).

На пол платформы укладывают три подкладки сечением не менее 40 x 100 мм и длиной 2700 мм. Первый ярус формируют из рельсов, укладываемых поочередно подошвами вниз и подошвами вверх.

Каждый ярус рельсов скрепляют увязками из проволоки диаметром 6 мм в две нити в трех местах. Проволочные увязки располагают на расстоянии не более 100 мм от подкладки и прокладок. Между ярусами рельсов по уровню подкладок укладывают прокладки сечением не менее 25 x 100 мм и длиной, равной ширине погрузки.

Весь погруженный штабель рельсов скрепляют тремя поперечными увязками из проволоки диаметром 6 мм в четыре нити.

На платформе устанавливают четыре пары боковых стоек. Противоположные боковые стойки скрепляют попарно проволокой диаметром 6 мм в шесть нитей.

Если высота погруженного штабеля рельсов выше уровня торцовых бортов платформы, то последние дополнительно наращивают досками (горбылями) в соответствии с пунктом 1.6 настоящей главы, до высоты, превышающей высоту погрузки на 100 мм. Торцовые стойки закрепляют за вторые от торцов боковые стоечные скобы платформы растяжками из проволоки диаметром 6 мм в шесть нитей.

3.4. Размещение и крепление остряковых рельсов длиной до 12 500 мм включительно.

Размещение рельсов на платформе осуществляется ярусами, в каждом из которых рельсы укладывают подошвами вниз. Первый ярус размещают на три подкладки 6 сечением не менее 25 x 100 мм и длиной, равной ширине платформы (рис. 25 настоящей главы). Рельсы каждого яруса размещают вплотную друг к другу без перекосов. Между соседними по высоте ярусами над подкладками укладывают поперечные прокладки 5 сечением не менее 25 x 100 мм и длиной, равной ширине погрузки. Каждые два яруса рельсов скрепляют тремя увязками 1 из проволоки диаметром 6 мм в четыре нити. Весь штабель рельсов обвязывают тремя увязками 2 из проволоки диаметром 6 мм в две нити. Крайние увязки располагают от концов штабеля на расстоянии от 1000 до 1500 мм включительно. На платформе устанавливают короткие торцовые стойки 7 и четыре пары боковых стоек 4 со скреплением противоположных стоек попарно проволокой диаметром 6 мм в шесть нитей.

Рисунок 25

1 –увязка каждых двух ярусов рельсов; 2 - увязка штабеля; 3 - скрепление стоек; 4 - боковая стойка; 5 - прокладка; 6 - подкладка; 7 - короткая торцовая стойка

Остряковые рельсы могут перевозиться на платформах связками массой до 5 т включительно.

4. Размещение и крепление листового металла

4.1. Основные требования пакетирования и размещения.

4.1.1. Листовой металл предъявляется к перевозке:

- в пачках толщиной до 4,0 мм включительно;

- в пачках по согласованию с грузополучателем толщиной более 4 мм;

- в рулонах или связках рулонов (стопой) шириной до 400 мм включительно (лента);

- в рулонах шириной более 400 мм.

В пачке допускается укладка листов только одинаковых размеров.

4.1.2. Пачки обвязывают в продольном и поперечном направлении металлическими лентами равного сечения или проволокой диаметром 6 мм не менее чем в две нити. Для обвязки применяют металлическую ленту по ГОСТ 3560-73 "Лента стальная упаковочная" шириной не менее 30 мм и толщиной: мягкую (М) - 1,5 - 2,0 мм, нагартованную (Н) - 0,8 - 2,0 мм. Количество обвязок должно быть не менее, чем указано в таблице 1 настоящей главы.

Таблица 1

Количество и расположение обвязок пачки

Длина или ширина листа (полосы), ммЧисло обвязок
непромасленный горячекатаный лист(полоса)промасленный (травленый) холоднокатаный
продольныхпоперечныхпродольныхпоперечных
До 8001111
Свыше 800 до 2000 вкл.222 
вш 000 до 4000 вк.23 4
вш 400д 00вкл.2436
вш 003548

В местах огибания обвязками кромок пачек листов под обвязки укладывают прокладки из листовой стали толщиной не менее 0,8 мм. Расстояние обвязки от края пачки должно быть от 300 до 500 мм включительно. Допускается прокладки не устанавливать при упаковке листов в пачки пакетовязальными машинами, а также пачек, упакованных в короба.

Рулоны горячей смотки ленты толщиной 4 мм при плотном прилегании наружного конца могут приниматься к перевозке без обвязок.

4.1.3. При перевозках листового металла толщиной до 10 мм каждая пачка может быть уложена на две подкладки из досок или горбылей сечением не менее 35 x 75 мм и обвязана металлической лентой. Подкладки располагают вдоль или поперек пачек.

При механизированной упаковке допускается обвязка пачек горячекатаных нетравленых листов только поперечными обвязками в количестве, равном сумме продольных и поперечных обвязок, в соответствии с ГОСТ 7566-81.

4.1.4. Для обеспечения механизации погрузочно-разгрузочных работ при размещении пачек листового металла вдоль и поперек полувагона допускается между пачками, а также между пачками и боковыми стенками полувагонов свободное расстояние до 80 мм, если иное не указано в нижеследующем описании способов размещения металла.

Под размещением пачки вдоль полувагона следует понимать размещение пачки длинной стороной вдоль полувагона, под размещением пачки поперек полувагона - размещение пачки длинной стороной поперек полувагона.

При креплении пачек проволочными растяжками (обвязками) должна применяться проволока диаметром не менее 6 мм.

Пачки размещают в верхнем ярусе только в том случае, если полностью используется площадь полувагона нижерасположенным ярусом с учетом размеров пачек и грузоподъемность полувагона позволяет дальнейшую загрузку. Если количество подлежащих размещению пачек в верхнем ярусе меньше, чем в нижерасположенном ярусе, то пачки металла верхнего яруса размещают двумя группами вплотную к торцовым дверям полувагона. Группа - это несколько пачек, расположенных вплотную друг к другу. Пачки верхнего яруса закрепляют к пачкам расположенного под ним яруса в соответствии с требованиями таблицы 1, если иное не предусмотрено конкретным способом. При общей массе пачек, расположенных в верхнем ярусе, менее 5 т крепление их к пачкам нижнего яруса не обязательно.

4.1.5. Допускается погрузка пачек разных размеров и разной массы в одном полувагоне для одного грузополучателя.

При погрузке листового металла отдельным грузополучателям для механизированной выгрузки грузоотправитель по согласованию с грузополучателем определяет необходимость применения подкладок, прокладок, а также массу отдельных мест.

4.1.6. При погрузке на платформы пачки листового металла укладывают вплотную друг к другу равномерно по площади пола платформы. Ограждение и наращивание торцовых бортов платформы должно быть в соответствии с пунктом 1.6 настоящей главы. Размещение пачек в последующие ярусы должно отвечать требованиям, указанным в пункте 4.3 настоящей главы.

4.2. Размещение и крепление листового металла в пачках в полувагонах.

4.2.1. Пачки шириной от 500 до 900 мм включительно и длиной от 500 до 1000 мм включительно промасленного и непромасленного металла на салазках и без них размещают в полувагонах начиная от торцовых дверей к середине. В продольном направлении пачки размещают вплотную. При этом если в середине полувагона возникает свободное пространство более 300 мм, то пачки закрепляют распорной клеткой (рис. 26 настоящей главы) или обвязками (рис. 27 настоящей главы).

Рисунок 26

1 - пачки листового металла; 2 - упорный брусок распорной клетки; 3 - распорный брусок распорной клетки

Рисунок 27

1 - обвязка; 2 - брусок; 3 - пачки листового металла

При использовании обвязок под проволокой пропускают два бруска 2 сечением не менее 100 x 100 мм и длиной от 300 до 350 мм включительно, проволоку закрепляют к брускам двумя гвоздями длиной от 75 до 80 мм включительно (рис. 27 настоящей главы). Люковые закидки полувагонов увязывают в соответствии с пунктом 1.5 настоящей главы.

При установке распорной клетки (рис. 28 настоящей главы) сечение продольных и поперечных брусков, которые скрепляют четырьмя или шестью скобами, гвоздями или планками, должно быть не менее 100 x 100 мм.

Рисунок 28

1 - упорные бруски; 2 - распорные бруски

4.2.2. Пачки шириной от 600 до 900 мм включительно и длиной от 1200 до 2000 мм включительно промасленного и непромасленного листового металла на салазках и без них размещают: пачки шириной от 600 до 690 мм включительно - в четыре ряда; шириной от 700 до 900 мм включительно - в три ряда по ширине полувагона. По длине полувагона пачки размещают следующим образом: при длине пачек от 1200 до 1300 мм включительно - в девять рядов; при длине 1400 мм - в восемь рядов; при длине от 1500 до 1600 мм включительно - в семь рядов; при длине от 1700 до 2000 мм включительно - в пять-шесть рядов.

Если количество рядов менее указанного, то в свободном пространстве устанавливают одну распорную клетку - при четном количестве рядов и две - при нечетном.

При размещении пачек промасленного металла во втором ярусе их закрепляют к пачкам первого яруса в соответствии с требованиями таблицы 1 настоящей главы. Если в середине вагона между пачками образуется свободное пространство более 300 мм, то их следует закреплять распорной клеткой (рис. 26, 28 настоящей главы).

Допускается одновременное расположение пачек вдоль и поперек полувагона.

При размещении пачек на салазках, расположенных поперек полувагона, на пол полувагона укладывают продольные подкладки 2 сечением не менее 25 x 100 мм (рис. 29 настоящей главы).

Рисунок 29

1 - салазки; 2 – продольные подкладки

В случае, когда салазки пачек расположены поперек полувагона, люковые закидки полувагонов увязывают в соответствии с пунктом 1.5 настоящей главы.

4.2.3. Пачки шириной от 910 до 2000 мм включительно и длиной от 1500 до 2000 мм включительно промасленного и непромасленного металла без салазок размещают поперек полувагона (рис. 30 настоящей главы) начиная от торцовых дверей со смещением относительно друг друга. По хребтовой балке укладывают подкладки 2 сечением не менее 80 x 100 мм или горбыль высотой не менее 80 мм, а на расстоянии от 200 до 250 мм включительно от боковых стен - подкладки 1 сечением не менее 40 x 100 мм или горбыль высотой не менее 40 мм. При неполном заполнении полувагона в середине между пачками устанавливают распорные бруски 3 сечением не менее 80 x 100 мм и длиной по месту. Распорные бруски закрепляют к подкладкам десятью гвоздями 4 длиной не менее 125 мм.

Рисунок 30

1, 2 - подкладка; 3 - распорный брусок; 4 - гвоздь

Пачки длиной от 1500 до 2800 мм включительно на салазках размещают поперек полувагона без продольных подкладок аналогично пачкам без салазок.

При погрузке пачек в два яруса второй ярус закрепляют к пачкам первого яруса в соответствии с требованиями таблицы 1 настоящей главы.

Люковые закидки полувагонов увязывают в соответствии с пунктом 1.5 настоящей главы.

4.2.4. Пачки шириной 1000 мм и длиной до 2000 мм включительно промасленного металла на салазках и без салазок размещают в полувагоне в три и более ярусов (рис. 31 настоящей главы) по высоте, двумя продольными рядами по ширине от торцов полувагона. В середине полувагона размещают три штабеля пачек поперек вагона. Под последний верхний ярус укладывают поперечные прокладки 3 длиной, равной ширине полувагона, к которым закрепляют каждый четырьмя гвоздями длиной 100 мм распорные бруски 4 сечением не менее 40 x 100 мм. Длина брусков выбирается по месту.

Рисунок 31

1 - пачка промасленного металла; 2 - салазки; 3 – поперечная прокладка; 4 – распорный брусок

Пачки шириной 1000 мм и длиной 2000 мм непромасленного листового металла на салазках и без салазок размещают в полувагоне двумя продольными рядами вдоль боковых стен (рис. 32 настоящей главы).

Рисунок 32

1 - пачки листового металла; 2 - салазки

Люковые закидки полувагонов увязывают в соответствии с пунктом 1.5 настоящей главы.

4.2.5. Пачки шириной от 1000 до 1350 мм включительно и длиной от 2700 до 6000 мм включительно промасленного и непромасленного листового металла без салазок размещают несколькими группами по длине полувагона и тремя продольными рядами по ширине: в середине один ряд пачек укладывают горизонтально, а два других - вдоль боковых стен наклонно (рис. 33 настоящей главы). Под пачки, размещаемые наклонно, на расстоянии от 100 до 150 мм включительно от боковых стен полувагона устанавливают продольные подкладки 1 из досок сечением не менее 40 x 100 мм или из горбыля. Подкладки могут быть составными по длине.

Рисунок 33

1 – продольная подкладка; 2 - пачки листового металла

При этом пачки длиной от 2710 до 2950 мм включительно промасленного и непромасленного листового металла без салазок размещают по длине полувагона четырьмя группами (рис. 33 настоящей главы), длиной от 3600 до 3900 мм включительно - тремя группами, длиной от 3910 до 6000 мм включительно - двумя группами. Каждая группа состоит из одной пачки, размещенной горизонтально, и двух других - вдоль боковых стен наклонно (рис. 33 настоящей главы). При размещении пачек тремя группами крепление их по длине полувагона осуществляется двумя распорными клетками, двумя или четырьмя группами - одной распорной клеткой.

Пачки могут располагаться по ширине полувагона двумя наклонными продольными рядами, уложенными вплотную к боковым стенам (рис. 34 настоящей главы). Если расстояние между рядами в середине вагона больше 200 мм, то под пачки на расстоянии от 200 до 250 мм включительно по обе стороны от хребтовой балки полувагона укладывают продольные подкладки 1 сечением не менее 100 x 100 мм или горбыль той же высоты для промасленного металла и сечением 40 x 100 мм (горбыль высотой 40 мм) - для непромасленного. Между подкладками размещают распорные бруски 3 сечением, аналогичным подкладкам. Подкладки и бруски скрепляют между собой строительными скобами.

Рисунок 34

1 – продольная подкладка; 2 - пачки листового металла; 3- распорный брусок

Пачки длиной от 2710 до 6000 мм включительно на салазках, размещенных поперек пачек, размещают в вагоне двумя рядами по ширине с установкой подкладок (рис. 34 настоящей главы). При размещении таких пачек промасленного металла в несколько ярусов их увязывают в двух местах проволокой диаметром 6 мм в две нити.

4.2.6. Пачки шириной от 1000 до 1350 мм включительно и длиной от 6001 до 8000 мм включительно непромасленного листового металла без салазок размещают в два ряда по ширине полувагона вплотную к боковым стенам и внахлест по длине полувагона (рис. 35 настоящей главы) .

Рисунок 35

1 - торцовый щит; 2 - листовой металл в пачках; 3 – продольная подкладка

При погрузке пачек внахлест торцовые двери ограждают торцовыми щитами 1.

4.2.7. Пачки шириной от 1360 до 1700 мм включительно и длиной от 1500 до 8000 мм включительно размещают несколькими группами по длине полувагона и тремя продольными рядами по ширине: первый ряд в середине полувагона - горизонтально; второй - горизонтально со смещением вплотную к одной из боковых стен; третий, вдоль противоположной стены,- наклонно (рис. 36 настоящей главы). Высота пачек, размещенных в середине полувагона, не должна превышать 250 мм.

Рисунок 36

1 - пачки, размещенные горизонтально; 2 - пачки, размещенные наклонно

При этом пачки длиной от 1500 до 2700 мм включительно без салазок размещают по длине полувагона в количестве от 4 до 7 групп включительно (рис. 36 настоящей главы). Люковые закидки полувагонов должны быть увязаны в соответствии с пунктом 1.5 настоящей главы. При наличии свободного пространства вдоль полувагона между пачками более 300 мм устанавливают одну или две распорные клетки.

Пачки длиной от 2710 до 5950 мм включительно без салазок размещают вдоль полувагона четырьмя, тремя или двумя группами (рис. 37 настоящей главы). Если возникает по длине полувагона между группами свободное расстояние более 400 мм, то в середине полувагона размещают одну или две распорные клетки.

Рисунок 37

1 - пачки, размещенные горизонтально; 2 - пачки, размещенные наклонно; 3 - распорная клетка

Пачки длиной от 5960 до 8000 мм включительно без салазок поперек полувагона размещают по одной из схем, представленных на рисунках 34, 35 настоящей главы, а вдоль полувагона - внахлест.

Если по технологическим условиям выполнить размещение пачек поперек полувагона по указанным схемам невозможно, то пачки размещают посередине полувагона двумя штабелями внахлест (рис. 38 настоящей главы). При этом под верхние ярусы пачек штабелей и в месте нахлеста укладывают поперечные прокладки 4 сечением 25 x 100 мм и длиной, равной ширине полувагона. К этим прокладкам сверху и снизу по месту между грузом и боковыми стенками закрепляют распорные бруски 2 сечением 50 x 100 мм.

Рисунок 38

1 - торцовый щит; 2 – распорный брусок; 3 – пачка металла; 4 – поперечная прокладка

Пачки длиной более 5960 мм могут быть погружены без нахлеста, если позволяет внутренняя длина полувагона.

4.2.8. Пачки шириной от 1710 до 2700 мм включительно и длиной от 4000 до 8000 мм включительно размещают по ширине полувагона двумя продольными рядами: один ряд пачек располагают к одной из стен горизонтально, второй - наклонно к противоположной стене (рис. 39 настоящей главы). Под пачки, размещенные наклонно, на расстоянии от 150 до 200 мм включительно от их края на пачки, размещенные горизонтально, укладывают вдоль полувагона бруски 4 сечением не менее 100 x 100 мм или горбыль высотой 100 мм.

Рисунок 39

1 - пачки, размещенные наклонно; 2 – распорная клетка; 3 - пачки, размещенные горизонтально; 4 –брусок

Пачки длиной от 4000 до 5950 мм включительно размещают вдоль полувагона двумя или тремя группами (рис. 39 настоящей главы). При наличии свободного пространства более 300 мм в середине полувагона между группами устанавливают одну или две распорные клетки (рис. 28 настоящей главы).

Пачки длиной от 5960 до 8000 мм включительно размещают в соответствии со схемой на рисунке 38 настоящей главы.

4.3. Размещение и крепление листового металла толщиной от 6 до 160 мм включительно в полувагонах.

4.3.1. Непромасленный металл шириной от 1000 до 2700 мм включительно и длиной от 2800 до 11 700 мм включительно размещают в полувагонах согласно схемам на рисунках, номера которых приведены в таблице 2 настоящей главы.

4.3.2. Листы шириной от 1000 до 1300 мм включительно и длиной от 2800 до 11 700 мм включительно размещают в полувагоне симметрично относительно продольной и поперечной плоскостей симметрии несколькими группами по длине. Каждая такая группа состоит из трех штабелей: одного горизонтального высотой от 100 до 200 мм включительно и двух других, расположенных вдоль боковых стен полувагона наклонно (рис. 40 настоящей главы) .

Рисунок 40

1 - листовой металл; 2 - распорная клетка

Таблица 2

Размеры листовНомера рисунков
ширина, ммдлина, мм
От 1000 до 1300 вкл.От 2800 до 3000 вкл.40, 28
" 3010 " 3900 "40, 28
" 3910 " 5950 "41, 28
" 5960 " 7000 "42
" 7100 " 11700 "42
От 1310 до 1400 вкл.От 3000 до 3600 вкл.43, 44
" 3610 " 3900 "45, 28
" 3910 " 5950 "46
" 5960 " 7000 "47, 48
" 7100 " 8500 "49
" 8510 " 11700 "50
От 1410 до 1700 вкл.От 3000 до 3900 вкл.51
" 3910 " 5950 "51а
" 5960 " 11700 "51б
От 1710 до 2700 вкл.От 3000 до 11700 вкл.52, 52а, 52б, 38

При этом листы длиной от 2800 до 3000 мм включительно размещают четырьмя группами по длине полувагона (рис. 40 настоящей главы). При наличии в середине полувагона свободного пространства более 300 мм между группами устанавливают распорную клетку (рис. 28 настоящей главы).

Листы длиной от 3010 до 3900 мм включительно размещают вдоль вагона тремя группами. При наличии в середине полувагона свободного пространства более 300 мм между группами устанавливают две распорные клетки (рис. 28 настоящей главы).

Листы длиной от 3910 до 5950 мм включительно размещают двумя группами вдоль полувагона (рис. 41 настоящей главы). При наличии в середине полувагона свободного пространства более 300 мм между группами устанавливают распорную клетку (рис. 28 настоящей главы).

Рисунок 41

1 - листовой металл; 2 - распорная клетка

Листы длиной от 5960 до 11 700 мм включительно размещают вдоль полувагона симметрично относительно продольной плоскости симметрии полувагона двумя штабелями внахлест (рис. 42 настоящей главы), а затем вдоль боковых стен двумя штабелями наклонно, также внахлест.

Рисунок 42

1 - торцовый щит; 2, 3 - листы, размещенные соответственно горизонтально, внахлестку и наклонно; 4,5 - прокладки

4.3.3. При размещении листов толщиной от 21 до 160 мм включительно и длиной от 7100 до 8500 мм включительно под свободные концы верхних ярусов каждого из штабелей на расстоянии от 900 до 1100 мм включительно от края размещают деревянные прокладки 4 толщиной от 40 до 80 мм включительно и длиной, равной ширине листов (рис. 42а настоящей главы).

При размещении листов аналогичной толщины и длиной от 8510 до 11 700 мм включительно под каждый верхний ярус каждого из штабелей размещают со стороны торцовой двери на расстоянии от 500 до 700 мм включительно от нее деревянные прокладки 4 высотой от 40 до 80 мм включительно, а с противоположной стороны - деревянные прокладки 5 высотой от 80 до 100 мм включительно (рис. 42б настоящей главы).

4.3.4. Размещение листов шириной от 1310 до 1400 мм включительно в полувагоне:

- длиной от 3000 до 11 700 мм включительно - двумя рядами по ширине и в несколько штабелей по длине (рис. 43 настоящей главы);

Рисунок 43

1 - листы металла

- длиной от 3000 до 3600 мм включительно размещают по длине полувагона вдоль каждой боковой стены четырьмя штабелями: два штабеля посередине размещают горизонтально встык, а два - наклонно к торцовым дверям (рис. 44 настоящей главы). Торцовые двери ограждают щитами 1;

Рисунок 44

1 – торцовый щит; 2, 3 – соответственно горизонтальный и наклонный штабель

- длиной от 3610 до 3900 мм включительно размещают вдоль полувагона тремя штабелями (рис. 45 настоящей главы). При наличии свободного пространства более 300 мм между штабелями устанавливают две распорные клетки (рис. 28 настоящей главы);

Рисунок 45

1 – штабель

- длиной от 3910 до 5950 мм включительно размещают вдоль полувагона тремя штабелями: один из них в середине полувагона размещают горизонтально, два других - наклонно к торцам вагона (рис. 46 настоящей главы). Торцовые двери ограждают щитами 1:

Рисунок 46

1 – торцовый щит; 2, 3 – соответственно горизонтальный и наклонный штабель

- длиной от 5960 до 7000 мм включительно размещают внахлест штабелями (рис. 47 настоящей главы) (не приводится) или внахлест через несколько листов (рис. 48 настоящей главы).

Рисунок 47

1 - торцовый щит; 2, 3 - соответственно горизонтальный и наклонный штабель

Рисунок 48

1 - торцовый щит; 2 - листы, размещенные горизонтально; 3 - листы, размещенные наклонно

При погрузке листов длиной от 7010 до 8500 мм включительно и толщиной от 21 до 160 мм включительно под свободные концы наклонных штабелей на расстоянии от 900 до 1100 мм укладывают прокладки 4 толщиной от 40 до 80 мм включительно и длиной, равной ширине листа (рис. 49 настоящей главы). Торцовые двери ограждают щитами 1.

Рисунок 49

1 - торцовый щит; 2, 3 – соответственно горизонтальный и наклонный штабель; 4 - прокладка

При погрузке листов длиной от 8510 до 11 700 мм включительно и толщиной от 21 до 160 мм включительно под каждый наклонный штабель укладывают со стороны торцовой двери на расстоянии от нее от 500 до 700 мм включительно подкладку 5 высотой от 80 до 100 мм включительно, а с противоположной стороны - прокладку 4 высотой от 40 до 80 мм включительно на расстоянии от 900 до 1100 мм включительно от торцов штабеля (рис. 50 настоящей главы) .

Рисунок 50

1 - торцовый щит; 2, 3 – соответственно горизонтальный и наклонный штабель; 4 - прокладка; 5 - подкладка

4.3.5. Листы шириной от 1410 до 1700 мм включительно и длиной от 3000 до 11 700 мм включительно размещают в полувагоне по ширине полувагона вдоль одной стены горизонтально, вдоль другой - наклонно (рис. 51 настоящей главы).

Рисунок 51

1, 2 – соответственно горизонтальный и наклонный штабель; 3 - распорная клетка; 4 - прокладка

При этом листы длиной от 3000 до 3900 мм включительно размещают тремя штабелями горизонтально вдоль одной стены, начиная от торцов равномерно по длине вагона, потом вдоль второй стены укладывают на них наклонно три штабеля. При наличии свободного пространства вдоль полувагона более 300 мм между штабелями устанавливают две распорные клетки.

Листы длиной от 3910 до 5950 мм включительно размещают горизонтально двумя штабелями вдоль одной стены полувагона, затем наклонно двумя штабелями вдоль противоположной стены (рис. 51а настоящей главы). Между штабелями в середине полувагона устанавливают распорную клетку (рис. 28 настоящей главы).

Листы длиной от 5960 до 11 700 мм включительно размещают вдоль одной стены полувагона двумя горизонтальными штабелями внахлест (рис. 51б настоящей главы), а вдоль противоположной стены - двумя наклонными штабелями внахлест.

Листы толщиной от 10 до 20 мм включительно могут размещаться внахлест через несколько листов.

4.3.6. Листы шириной от 1710 до 2700 мм включительно и длиной от 3000 до 11 700 мм включительно размещают по ширине полувагона вдоль одной стены горизонтально, вдоль другой - наклонно (рис. 52 настоящей главы). Под наклонно размещенные штабеля на расстоянии от 200 до 350 мм включительно от их края укладывают прокладки 4 сечением 100 x 100 мм.

Рисунок 52

1, 3 - соответственно наклонный и горизонтальный штабель; 2 - распорная клетка; 4 –прокладка

При этом листы длиной от 3000 до 3900 мм включительно размещают вдоль полувагона тремя группами (рис. 52а настоящей главы), длиной от 3910 до 5950 мм включительно - двумя.

Листы длиной от 5960 до 8500 мм включительно размещают вдоль полувагона внахлест (рис. 52б настоящей главы).

При размещении в полувагонах листового металла длиной от 5960 до 11 700 мм включительно на расстоянии от 3700 до 4300 мм включительно от каждой торцовой двери размещают по одной подкладке сечением не менее 40 x 100 мм и длиной, равной ширине полувагона. Лист размещается по ширине полувагона одним штабелем внахлест. Верхнюю часть листов толщиной от 100 до 120 мм включительно в трех местах по длине полувагона от поперечного смещения закрепляют аналогично схеме на рисунке 38 настоящей главы.

4.4. Размещение и крепление листового металла толщиной от 6 до 160 мм включительно на платформах.

4.4.1. Листы длиной от 11 800 до 13 000 мм включительно, шириной от 2500 до 2700 мм включительно, толщиной 30 мм и более размещают одним штабелем вдоль платформы симметрично относительно продольной и поперечной плоскостей симметрии платформы (рис. 53 настоящей главы).

Рисунок 53

1 - торцовая стойка; 2 – распорный брусок; 3 – упорный брусок; 4 - боковая стойка; 5 - скрепление стоек; 6 - распорка

Допускается совместная укладка листов разных размеров в одном штабеле при условии размещения листов меньших размеров в средней его части. Отдельные листы не должны выходить за пределы штабеля.

По торцам штабеля вплотную к нему укладывают по одному упорному бруску 3 шириной не менее 200 мм, высотой, равной высоте штабеля груза, и длиной, равной ширине платформы. Каждый упорный брусок 3 закрепляют к полу платформы четырьмя гвоздями длиной 200 мм (по два гвоздя с каждого конца бруска). Бруски 3 в местах забивания гвоздей должны иметь высоту не более 140 мм.

В распор между упорными брусками 3 и торцовыми бортами платформы напротив торцовых стоек устанавливают по два распорных бруска 2 сечением не менее 150 x 200 мм. Каждый из них закрепляют к полу платформы четырьмя гвоздями длиной 200 мм.

В торцовые стоечные скобы устанавливают короткие деревянные стойки 1. Во вторые, третьи и четвертые от торцов боковые стоечные скобы устанавливают стойки 4, которые попарно скрепляют проволокой диаметром 6 мм в четыре нити.

4.4.2. Листы длиной от 13010 до 14200 мм включительно, шириной до 2700 мм включительно и толщиной от 10 до 30 мм включительно размещают на платформе с откинутыми (при необходимости) на кронштейны торцовыми бортами (рис. 54 настоящей главы). Листы укладывают на две поперечные подкладки 1 сечением не менее 60 x 100 мм и длиной, равной ширине пола платформы. Подкладки располагают над шкворневыми балками и закрепляют каждую к полу четырьмя гвоздями длиной от 100 до 120 мм включительно.

Рисунок 54

1 – поперечная подкладка; 2 – продольный брусок; 3 – поперечный брусок; 4 - увязка; 5 - стойка; 6 - скрепление стоек

Поверх листов на расстоянии 300 мм от его боковых кромок вдоль платформы укладывают восемь продольных деревянных брусков 2 (по четыре с каждой боковой стороны штабеля) высотой 50 мм, шириной от 100 до 150 мм включительно и длиной от 1000 до 1500 мм включительно. На каждую пару продольных брусков укладывают по одному поперечному бруску 3 сечением не менее 135 x 150 мм и длиной 3150 мм, размещаемому над третьими и четвертыми от торца платформы парами боковых стоечных скоб. На поперечных брусках 3 на расстоянии от 70 до 100 мм включительно от каждого конца делают зарубки глубиной от 10 до 15 мм включительно для предотвращения соскальзывания проволочных увязок 4.

Каждый поперечный брусок 3 с обеих сторон платформы закрепляют за боковые стоечные скобы увязками 4 из проволоки диаметром 6 мм в четыре нити. До закручивания проволочных увязок сверху на листы рядом с каждым бруском крепления для уплотнения штабеля листов поочередно устанавливают груз весом от 3 до 5 т включительно, снимаемый после натяжения увязок. В местах закрутки увязок вставляют деревянные колышки, закрепляемые от выпадения.

Допускается взамен поперечных брусков использовать круглые лесоматериалы диаметром не менее 180 мм, тех же пород, у которых опорную сторону стесывают на плоскость.

В первые и вторые от торцов стоечные скобы бортов платформы устанавливают стойки 5. Каждую пару противоположных боковых стоек скрепляют попарно проволокой диаметром 6 мм в четыре нити. Против вторых, третьих и четвертых боковых стоечных скоб между бортами платформы и грузом плотно пригоняют распорки шириной не менее 200 мм и высотой, равной высоте погруженного штабеля листов. Каждую распорку закрепляют к полу платформы двумя гвоздями.

5. Размещение и крепление стальных и чугунных слитков

5.1. Слитки массой до 2,8 т включительно размещают на платформе с деревометаллическим полом симметрично относительно продольной и поперечной плоскостей симметрии платформы в количестве 26 штук (рис. 55 настоящей главы). У торцовых бортов, укрепленных короткими деревянными стойками 2, и вплотную к слиткам с обеих сторон каждой группы укладывают упорные бруски 4 размером 100 x 100 x 2750 мм. Каждый брусок закрепляют к полу десятью гвоздями 11 длиной 150 мм и диаметром 6 мм. Между упорными брусками, расположенными над шкворнями тележек и у торцовых бортов, укладывают по три распорных бруска 5 размером 100 x 100 x 140 мм. Между распорными брусками, расположенными в середине вагона, также укладывают по три бруска 7 сечением 100 x 100 мм и длиной по месту. Все крайние распорные бруски закрепляют к полу гвоздями 11 - по пять штук на каждый брусок. Все средние бруски скрепляют с упорными брусками скобой 6 из прутка диаметром 10 мм. От поперечного смещения слитки закрепляют шестью распорными брусками 8 и четырьмя упорными брусками 9 размером 70 x 80 мм и длиной по месту, которые между собой скрепляют скобами 6. От продольного смещения все слитки закрепляют четырьмя парами растяжек 3 из проволоки диаметром 6 мм в четыре нити. Кроме того, крайние слитки закрепляют обвязкой 10 из проволоки диаметром 6 мм в две нити. Все продольные борта платформы укрепляют короткими деревянными стойками 1.

Рисунок 55

1 - стойка боковая; 2 - стойка торцовая; 3 - растяжка; 4, 9 - упорный брусок; 5,7,8 - распорный брусок; 6 - скоба; 10-обвязка; 11-гвоздь

5.2. Слитки массой от 6 до 8 т включительно на платформе с деревометаллическим полом размещают в количестве 9 и 11 штук соответственно (рис. 56, 57 настоящей главы)  симметрично относительно продольной и поперечной плоскостей симметрии платформы равномерно по всей длине. У торцовых бортов, укрепленных короткими деревянными стойками 1, укладывают упорный брусок 2 размером 100 x 100 x 2750 мм. Между упорным бруском и крайним слитком укладывают по два распорных бруска 3 сечением 100 x 150 мм и длиной, равной расстоянию между упорным бруском и крайним слитком. Каждый распорный брусок 3 закрепляют к полу пятью гвоздями длиной 150 мм и диаметром 6 мм. Упорные бруски 2 скрепляют с распорными брусками 3 строительными скобами из прутка диаметром 10 мм. От поперечного смещения каждый слиток закрепляют двумя распорными брусками 4 сечением 50 x 100 мм и длиной, равной расстоянию между продольным бортом и слитком. Каждый брусок 4 закрепляют к полу четырьмя гвоздями длиной 100 мм и диаметром 6 мм. Кроме того, от продольного смещения стальные слитки закрепляют восемью парами растяжек 5 из проволоки диаметром 6 мм в шесть нитей с пропуском их через цапфы слитков и стоечные скобы платформы.

Рисунок 56

1 - торцовая стойка; 2 - упорный брусок; 3, 4 - распорный брусок; 5 - растяжка

Рисунок 57

1 - торцовая стойка; 2 - упорный брусок; 3,4 - распорный брусок; 5 - растяжка

5.3. Слитки массой до 8 т включительно и длиной не менее 2000 мм размещают в полувагоне в количестве 9 (рис. 58 настоящей главы) (не приводится) и 10 (рис. 59 настоящей главы) штук. Каждый слиток размещают на двух поперечных подкладках 2 сечением не менее 40 x 150 мм и длиной, равной ширине полувагона. У торцовых дверей размещают упорные бруски 5 сечением не менее 80 x 100 мм и длиной, равной ширине полувагона.

Рисунок 58

1, 3 - распорный брусок; 2 – поперечная подкладка; 4 - соединительная планка; 5 - упорный брусок

Рисунок 59

1,3 – распорный брусок; 2 - подкладка; 4 - соединительная планка; 5 - упорный брусок

Слитки, размещенные над хребтовой балкой, размещают вплотную друг к другу (рис. 58 настоящей главы).

От поперечных смещений слитки закрепляют распорными брусками 3 сечением не менее 50 x 150 мм и длиной по месту, которые закрепляют к подкладкам тремя гвоздями длиной не менее 100 мм.

Слитки весом 8 т на платформе с деревометаллическим полом размещают симметрично относительно продольной плоскости симметрии вагона тремя группами: по три слитка над шкворнями тележек и два - в середине платформы (рис. 60 настоящей главы). У торцовых бортов, укрепленных короткими деревянными стойками 1, укладывают упорный брусок 2 размером 100 x 100 x 2750 мм. Между упорным бруском 2 и крайним слитком устанавливают по два распорных бруска 3 сечением 100 x 100 мм и длиной, равной расстоянию между упорным бруском 2 и крайним слитком, и закрепляют к полу каждый пятью гвоздями длиной 150 мм и диаметром 6 мм. Упорные бруски 2 скрепляют с распорными брусками 3 строительными скобами из прутка диаметром 10 мм. От продольного смещения каждую группу слитков закрепляют двумя упорными брусками 4 размером 100 x 100 x 350 мм, которые закрепляют к полу тремя гвоздями длиной 150 мм и диаметром 6 мм. От поперечного смещения каждый слиток закрепляют распорными брусками 5 сечением 50 x 100 мм и длиной, равной расстоянию между бортом платформы и слитком, которые закрепляют к полу двумя гвоздями длиной 100 мм и диаметром 6 мм. Кроме того, от продольного смещения слитки закрепляют шестью парами растяжек 6 из проволоки диаметром 6 мм в четыре нити с пропуском их через цапфы слитков и стоечные скобы платформы.

Рисунок 60

1 - торцовые стойки; 2, 4 - упорные бруски; 3,5 - распорные бруски; 6 - растяжки

Размещение указанных слитков на платформе с деревянным полом осуществляют тремя группами по три слитка над шкворнями тележек и два-три - в середине платформы (рис. 61 настоящей главы). У торцовых бортов, укрепленных короткими деревянными стойками, укладывают упорный брусок 1 сечением 70 x 80 мм и длиной, равной ширине платформы. Брусок закрепляют к полу пятью гвоздями длиной 120 мм. Между упорным бруском и крайним слитком укладывают по два распорных бруска 2 сечением 70 x 80 мм и длиной по месту и закрепляют к полу пятью гвоздями длиной 120 мм. Кроме того, от продольного смещения каждую группу слитков закрепляют двумя упорными брусками 3 размером 50 x 100 x 450 мм, прибиваемыми к полу пятью гвоздями длиной 100 мм.

Рисунок 61

1, 3 - упорный брусок; 2 - распорный брусок

5.4. Слитки весом до 8 т включительно размещают поперек платформы с деревянным полом равномерно по ее длине симметрично относительно продольной и поперечной плоскостей симметрии (рис. 62, 63 настоящей главы). У торцовых бортов размещают упорные бруски 2 сечением не менее 100 x 100 мм и длиной, равной ширине платформы, которые закрепляют к полу пятью гвоздями длиной 150 мм.

Рисунок 62

1 - торцовая стойка; 2 - упорный брусок; 3 - распорный брусок; 4 - боковая стойка; 5 - скрепление стоек

Рисунок 63

1 - торцовая стойка; 2 - упорный брусок; 3, 6 - распорный брусок; 4 – боковая стойка; 5 – скрепление стоек

Между крайними слитками и упорными брусками 2 устанавливают два-три распорных бруска 3 сечением не менее 100 x 100 мм. Каждый брусок закрепляют к полу платформы четырьмя гвоздями длиной 150 мм.

Продольные борта платформы укрепляют деревянными боковыми стойками 4 (рис. 62, 63 настоящей главы), которые попарно скрепляют проволокой диаметром 6 мм в восемь нитей. Торцовые борта платформы укрепляют стойками 1.

От поперечных смещений каждый слиток закрепляют двумя распорными брусками 6 (рис. 63 настоящей главы) сечением 50 x 100 мм и длиной по месту, которые закрепляют к полу платформы четырьмя гвоздями длиной 100 мм.

5.5. Слитки массой от 8 до 9 т включительно и длиной не менее 2000 мм размещают вдоль полувагона симметрично относительно продольной и поперечной плоскостей симметрии полувагона (рис. 64, 65 настоящей главы). При недоиспользовании грузоподъемности в середине полувагона симметрично относительно продольной плоскости симметрии размещают дополнительно по одному слитку, как показано на рисунках 58 и 64 настоящей главы.

Рисунок 64

1, 3 - распорный брусок; 2 - подкладка; 5 - упорный брусок; 4 - соединительная планка

Рисунок 65

1, 3 - распорный брусок; 2 - подкладка; 5 - упорный брусок; 4 - соединительная планка

Слитки размещают на подкладках 2 сечением не менее 40 x 150 мм и длиной, равной ширине полувагона. Нижняя поверхность слитков, соприкасающаяся с подкладками, должна быть ровной, без приливов. У торцовых дверей укладывают упорные бруски 5 сечением не менее 80 x 100 мм и длиной, равной ширине полувагона. Вплотную к упорным брускам 5 и торцам слитков укладывают распорные бруски 1 сечением не менее 100 x 150 мм и длиной по месту. Допускается скрепление упорно-распорных брусков между собой скобами.

От поперечных смещений каждую группу слитков закрепляют двумя парами распорных брусков 3 сечением 50 x 150 мм и длиной по месту, которые закрепляют к подкладке 2 тремя гвоздями длиной не менее 100 мм.

5.6. Чугунные слитки весом до 70 кг включительно грузят в полувагоны и на платформы навалом с равномерным распределением груза по всей площади пола. При перевозке слитков на платформах борта последних наращивают до высоты погрузки.

6. Размещение и крепление изложниц

6.1. Размещение и крепление изложниц на платформах с деревянным полом.

6.1.1. Изложницы массой каждая до 1,5 т включительно размещают (рис. 66 настоящей главы) в шесть рядов по ширине и в восемь рядов по длине платформы. Ряды изложниц размещают с равномерными зазорами по длине платформы. Между собой все изложницы закрепляют обвязками 1 из проволоки диаметром 6 мм в две нити. Дополнительно изложницы, размещенные у торцовых бортов, закрепляют обвязками 4 из проволоки диаметром 6 мм в восемь нитей. У каждого торцового борта платформы укладывают по одному упорному бруску 3 сечением не менее 100 x 100 мм и длиной, равной ширине платформы. Каждый брусок закрепляют к полу десятью гвоздями длиной не менее 150 мм. Торцовые и боковые борта платформы подкрепляют стойками.

Рисунок 66

1, 4 - обвязка; 2 –стойка; 3 – упорный брус

6.1.2. Изложницы массой 4,6 т в количестве 15 штук размещают симметрично относительно продольной и поперечной плоскостей симметрии платформы с равномерными зазорами между ними (рис. 67 настоящей главы). Размещают изложницы длинной стороной поперек платформы в количестве 11 штук, а вдоль вагона - 4 штук. Изложницы размещают на расстоянии от 400 до 500 мм включительно от торцовых бортов платформы. Секции продольных бортов, а также торцовые борта платформы укрепляют короткими стойками 2, вдоль торцовых бортов укладывают упорные бруски 1 сечением не менее 100 x 100 мм и длиной, равной ширине платформы. Каждый брусок закрепляют к полу десятью гвоздями длиной не менее 150 мм. В зазор между упорными брусками 1 и крайними изложницами устанавливают по два распорных бруска 3 сечением 100 x 100 мм и длиной по месту, каждый из которых закрепляют к полу пятью гвоздями длиной 150 мм.

Рисунок 67

1 - упорный брусок; 2 –стойка; 3 – распорный брусок

Противоположные боковые стойки скрепляют между собой проволокой диаметром 6 мм в восемь нитей.

6.1.3. Изложницы массой свыше 4,6 т до 6,7 т включительно размещают поперек платформы вплотную друг к другу симметрично относительно продольной и поперечной плоскостей симметрии платформы на две продольные подкладки 1 сечением не менее 25 x 200 мм (рис. 68, 69 настоящей главы). Допускается применение подкладок, составных по ширине и длине. Составные части подкладок по длине должны быть не менее 2000 мм, каждую из них закрепляют к полу платформы тремя гвоздями длиной не менее 75 мм. С наружных сторон крайние изложницы закрепляют двумя упорными брусками 2 сечением не менее 150 x 200 мм и длиной от 400 до 500 мм включительно, которые затесывают на клин. Эти бруски закрепляют к подкладкам и полу каждый четырьмя гвоздями длиной не менее 150 мм. Каждую крайнюю изложницу закрепляют двумя растяжками 5 из проволоки диаметром 6 мм в шесть нитей. Растяжки закрепляют одним концом за приливы изложницы, другим - за вторые от торцов стоечные скобы платформы.

Рисунок 68

1 – продольная подкладка; 2 - клинообразный упорный брусок; 3 - стойка; 4 - увязка; 5 – растяжка; 6- скрепление стоек

Каждые первую и третью от торцов изложницы скрепляют между собой увязкой 4 из проволоки диаметром 6 мм в шесть нитей, которую пропускают через внутреннее отверстие изложниц и перекрещивают поверху над средней изложницей (рис. 68 настоящей главы).

Допускается увязывать три крайние изложницы между собой горизонтальными увязками 4 из проволоки диаметром 6 мм в шесть нитей за верхние приливы (рис. 69 настоящей главы).

Рисунок 69

1 - подкладка; 2 – клинообразный упорный брусок; 3 - стойка; 4 - горизонтальная увязка; 5 - растяжка; 6 - скрепление стоек

В стоечные скобы продольных бортов устанавливают деревянные стойки 3. Противоположные стойки скрепляют между собой проволокой диаметром 6 мм в восемь нитей.

6.1.4. Изложницы массой свыше 6,7 т до 12,5 т включительно размещают вдоль платформы вплотную друг к другу, в один ряд по ширине, симметрично относительно продольной и поперечной плоскостей симметрии платформы (рис. 70 настоящей главы).

Рисунок 70

1 – поперечная подкладка; 2 - распорный брусок; 3 - растяжка; 4 - увязка изложниц

Допускается размещать в середине платформы две изложницы (рис. 71 настоящей главы).

Рисунок 71

1 – поперечная подкладка; 2 - распорный брусок; 3 - растяжка

Каждую изложницу размещают на две поперечные подкладки 1 сечением не менее 25 x 150 мм и длиной, равной ширине платформы, каждую из которых закрепляют к полу двумя гвоздями длиной не менее 75 мм.

Каждую изложницу закрепляют четырьмя распорными брусками 2 сечением не менее 100 x 150 мм, которые закрепляют к полу платформы (через подкладку) каждый пятью гвоздями длиной не менее 175 мм.

Все изложницы скрепляют между собой с двух сторон за приливы увязкой 4 из проволоки диаметром 6 мм в четыре нити.

От продольных перемещений изложницы закрепляют четырьмя парами растяжек 3 из проволоки диаметром 6 мм в шесть нитей.

6.1.5. Изложницы, боковая поверхность которых не имеет плоской опоры, размещают по 5 - 6 штук вертикально над хребтовой балкой вплотную друг к другу симметрично относительно продольной и поперечной плоскостей симметрии платформы (рис. 72 настоящей главы).

Рисунок 72

1–упорный брусок; 2 - растяжка; 3 – увязка; 4 – распорный брусок

От продольного смещения изложницы закрепляют с каждой стороны двумя упорными брусками 1 сечением не менее 100 x 150 мм и длиной от 800 до 1000 мм включительно, каждый из которых закрепляют к полу 10 гвоздями длиной 150 мм. Кроме этого крайние изложницы закрепляют четырьмя парами растяжек 2 из проволоки диаметром 6 мм в восемь нитей за верхние боковые цапфы и стоечные скобы платформы.

Изложницы между собой по обеим сторонам скрепляют за нижние цапфы увязкой 3 из проволоки диаметром 6 мм в восемь нитей.

От поперечного смещения каждую изложницу закрепляют двумя парами распорных брусков 4 сечением не менее 50 x 100 мм и длиной по месту. Каждый брусок закрепляют к полу платформы пятью гвоздями длиной 100 мм.

6.2. Размещение и крепление изложниц на платформах с деревометаллическим полом.

6.2.1. Изложницы массой до 1,5 т включительно размещают в шесть рядов по ширине и в шесть рядов по длине платформы (рис. 73 настоящей главы). Изложницы размещают с равномерными зазорами по длине платформы. Изложницы, уложенные у торцовых бортов платформы, скрепляют между собой увязкой 3 из проволоки диаметром 6 мм в шесть нитей, остальные - из проволоки диаметром 6 мм в две нити. У торцовых бортов платформы, укрепленных короткими деревянными стойками 1, размещают по одному упорному бруску 2 размером 100 x 100 x 2750 мм.

Рисунок 73

1 - торцовая стойка; 2 - упорный брусок; 3 - увязка; 4 - растяжка; 5 - боковая стойка

От продольного смещения изложницы закрепляют восемью парами растяжек 4 из проволоки диаметром 6 мм в шесть нитей за цапфы изложниц и стоечные скобы платформы. Секции продольных бортов укрепляют деревянными стойками 5.

6.2.2. Изложницы массой свыше 1,5 т до 4,6 т включительно в количестве 15 штук размещают симметрично относительно продольной и поперечной плоскостей симметрии платформы (рис. 74 настоящей главы): поперек платформы - 11 штук, вдоль платформы - 4 штуки.

Рисунок 74

1 - торцовая стойка; 2 - упорный брусок; 3, 6 - распорный брусок; 4 - увязка; 5- растяжка; 7 - гвоздь; 8 - боковая стойка

Изложницы размещают на расстоянии от 400 до 500 мм включительно от торцовых бортов платформы. Вдоль торцовых бортов укладывают упорные бруски 2 сечением 100 x 100 мм и длиной, равной ширине платформы. Между упорными брусками 2 и крайними изложницами укладывают по два распорных бруска 3 сечением 100 x 100 мм и длиной по месту, которые закрепляют к полу пятью гвоздями длиной 150 мм и диаметром 6 мм. Упорный брусок 2 скрепляют с распорными брусками 3 строительными скобами из прутка диаметром 10 мм.

Изложницы скрепляют между собой увязками 4 из проволоки диаметром 6 мм в две нити. От продольного смещения изложницы закрепляют восемью парами растяжек 5 из проволоки диаметром 6 мм в шесть нитей за цапфы изложниц и стоечные скобы платформы.

От поперечного смещения среднюю и крайние от торцов платформы изложницы закрепляют распорными брусками 6 сечением 50 x 100 мм и длиной по месту, которые закрепляют к полу четырьмя гвоздями длиной 100 мм и диаметром 6 мм.

Торцовые борта и секции продольных бортов платформы укрепляют деревянными стойками 1 и 7 соответственно.

6.2.3. Изложницы массой свыше 4,6 т до 6,7 т включительно размещают поперек платформы вплотную друг к другу, симметрично относительно продольной и поперечной плоскостей симметрии (рис. 75 настоящей главы). Вдоль торцовых бортов укладывают упорные бруски 2 сечением 100 x 100 мм и длиной, равной ширине платформы. Между крайними изложницами и упорными брусками 2 устанавливают по два распорных бруска 3 сечением 100 x 150 мм и длиной по месту, каждый из которых закрепляют к полу пятью гвоздями длиной 150 мм и диаметром 6 мм. Упорный брусок 2 скрепляют с распорными брусками 3 строительными скобами из прутка диаметром 10 мм. Крайние и третьи от торцов изложницы скрепляют между собой за цапфы увязками 4 из проволоки диаметром 6 мм в шесть нитей. От продольного смещения изложницы закрепляют восемью парами растяжек 5 из проволоки диаметром 6 мм в шесть нитей за цапфы изложниц и стоечные скобы. От поперечного смещения каждую изложницу закрепляют двумя распорными брусками 6 сечением не менее 60 x 100 мм и длиной по месту, каждый из которых закрепляют к полу пятью гвоздями длиной 110 мм и диаметром 6 мм. Торцовые борта платформы укрепляют короткими деревянными стойками 1.

Рисунок 75

1 - торцовая стойка; 2 - упорный брусок; 3, 6 - распорный брусок; 4 - увязка; растяжка

6.2.4. Изложницы массой свыше 6,7 т до 12,5 т включительно размещают на платформе симметрично относительно продольной и поперечной плоскостей симметрии (рис. 76, 77 настоящей главы). Вдоль торцовых бортов платформы на пол укладывают упорные бруски 2 размером 100 x 100 x 2750 мм. Между упорным бруском 2 и крайней изложницей укладывают по два распорных бруска 3 сечением 100 x 100 мм. Распорные и упорные бруски скрепляют между собой скобами 8 из прутка диаметром 10 мм, а между собой распорные бруски 3 скрепляют соединительными планками 4 сечением 25 x 100 мм и длиной, равной ширине платформы, которые закрепляют двумя гвоздями длиной 80 - 100 мм и диаметром 6 мм на каждый распорный брусок. Изложницы скрепляют между собой с двух сторон за цапфы увязкой 6 из проволоки диаметром 6 мм в четыре нити. От продольного смещения изложницы закрепляют восемью парами растяжек 7 из проволоки диаметром 6 мм в шесть нитей за цапфы изложниц и боковые стоечные скобы платформы. От поперечного смещения каждую изложницу закрепляют двумя парами распорных брусков 5 сечением не менее 60 x 100 мм и длиной по месту, каждый из которых закрепляют к полу пятью гвоздями длиной 110 мм и диаметром 6 мм. Торцовые борта платформы укрепляют короткими деревянными стойками 1.

Рисунок 76

1 - торцовая стойка; 2 - упорный брусок; 3, 5 - распорный брусок; 4 - соединительная планка; 6 - увязка; 7 - растяжка; 8 - гвоздь; 9 - скоба

Рисунок 77

1 - торцовая стойка; 2 - упорный брусок; 3, 5 - распорный брусок; 4 - соединительная планка; 6 - увязка; 7 - растяжка; 8 - гвоздь; 9 - скоба

6.2.5. Изложницы, имеющие форму усеченного конуса, размещают вдоль хребтовой балки вплотную друг к другу симметрично относительно продольной и поперечной плоскостей симметрии платформы (рис. 78, 79 настоящей главы). Торцовые борта платформы укрепляют короткими деревянными торцовыми стойками 1. Вдоль торцовых бортов укладывают упорные бруски 2 размером 100 x 100 x 2750 мм. Между упорным бруском и крайней изложницей укладывают на расстоянии друг от друга от 150 до 200 мм включительно два распорных бруска 3 сечением 100 x 150 мм. Каждый распорный брусок 3 скрепляют с упорным бруском скобами 8 из прутка диаметром 10 мм, а между собой распорные бруски 3 скрепляют соединительными планками 4 сечением 25 x 100 мм и длиной, равной ширине платформы, которые закрепляют двумя гвоздями длиной от 80 до 100 мм включительно и диаметром 6 мм на каждый распорный брусок. От продольного смещения изложницы закрепляют восемью парами растяжек 7 в шесть нитей из проволоки диаметром 6 мм за верхние цапфы и боковые скобы платформы. Между собой изложницы скрепляют за нижние цапфы двумя увязками 6 из проволоки диаметром 6 мм в четыре нити. От поперечного смещения каждую изложницу закрепляют двумя парами распорных брусков 5 сечением 50 x 100 мм и длиной по месту. Каждый брусок закрепляют пятью гвоздями длиной 100 мм и диаметром 6 мм.

Рисунок 78

1 - торцовая стойка; 2 - упорный брусок; 3, 5 - распорный брусок; 4 - соединительная планка; 6 - увязка; 7 - растяжка; 8 - гвоздь; 9 - скоба

Рисунок 79

1 - торцовая стойка; 2 - упорный брусок; 3, 5 - распорный брусок; 4 - соединительная планка; 6 - увязка; 7 - растяжка; 8 - гвоздь; 9 - скоба

6.3. Размещение и крепление изложниц в полувагонах.

6.3.1. Изложницы массой 8,5 т в количестве 7 - 8 штук размещают группами (рис. 80, 81 настоящей главы) симметрично относительно продольной и поперечной плоскостей симметрии полувагона. У торцовых дверей с каждой стороны полувагона укладывают по упорному бруску 1 сечением 100 x 150 мм и длиной, равной внутренней ширине полувагона. Вплотную к этим брускам укладывают по две изложницы поперек полувагона, располагая их на трех продольных подкладках 2 сечением не менее 30 x 150 мм и длиной от 2000 до 2200 мм включительно. Среднюю подкладку 2 располагают над хребтовой балкой, а крайние - посередине крышек люков. Изложницы средней группы устанавливают вдоль полувагона на две поперечные подкладки 3 сечением не менее 30 x 150 мм и длиной, равной ширине полувагона, которые располагают на поперечных балках и между гофрами крышек люков.

Рисунок 80

1-упорный брусок;2-продольная подкладка; 3-поперечная подкладка;4-распорный брусок; 5-торцовый щит

Рисунок 81

1-упорный брусок; 2-продольная подкладка; 3-поперечная подкладка; 4-распорный брусок; 5-торцовый щит

Допускается в середине полувагона устанавливать две изложницы (рис. 81 настоящей главы).

От поперечного смещения изложницы средней группы закрепляют распорными брусками 4 сечением не менее 50 x 150 мм и длиной по месту. Распорные бруски 4 размещают на поперечных подкладках 3 и закрепляют к ним тремя гвоздями длиной 80 мм.

Торцовые двери полувагона ограждают щитами 5.

6.3.2. Изложницы массой от 14 до 16 т включительно размещают вдоль полувагона симметрично относительно продольной и поперечной плоскостей симметрии (рис. 82 настоящей главы). Изложницы устанавливают на поперечные подкладки 1 сечением не менее 50 x 150 мм и длиной, равной ширине полувагона.

Рисунок 82

1 – поперечная подкладка; 2, 3 - распорный брусок; 4 - упорный брусок

Между каждым торцовым порожком и изложницей укладывают упорный брусок 4 сечением не менее 100 x 100 мм и длиной, равной ширине полувагона.

От поперечного смещения каждую изложницу закрепляют двумя парами распорных брусков 3 сечением не менее 50 x 100 мм и длиной по месту, которые закрепляют к подкладкам 1 тремя гвоздями длиной 100 мм.

От продольного смещения изложницы закрепляют распорными брусками 2 сечением не менее 100 x 100 мм и длиной, равной зазору между средними изложницами. Распорные бруски 2 закрепляют двумя поперечными соединительными планками сечением не менее 25 x 100 мм и длиной, равной ширине полувагона, которые и закрепляют к брускам двумя гвоздями длиной от 100 до 120 мм включительно.

7. Размещение и крепление слябов

7.1. Слябы толщиной от 100 до 200 мм включительно, длиной 1700 и шириной 600 мм размещают в полувагоне в два яруса (рис. 83 настоящей главы). Каждый ярус слябов грузят симметрично относительно продольной и поперечной плоскостей симметрии полувагона.

Рисунок 83

1 – упорный брусок; 2,4 – распорный брусок; 3 – скрепляющая планка

В первом ярусе 26 слябов: по 12 вдоль боковых стен и по одному поперек полувагона с обеих сторон. Вдоль торцовых дверей укладывают упорные бруски сечением 100 x 150 мм и длиной, равной ширине кузова полувагона, на высоту погрузки слябов, и распорные бруски 2 длиной по месту. Во втором ярусе размещают 24 сляба, по 12 в каждом ряду, причем группы слябов по 6 штук размещают вплотную к упорным брускам у торцовых дверей. В середине полувагона укладывают распорные бруски 4 и закрепляют их планками 3. Если полная грузоподъемность полувагона не используется, то слябы размещают в третьем ярусе у торцовых дверей (рис. 84 настоящей главы) .

Рисунок 84

1 – упорный брусок; 2,4 – распорный брусок; 3 – скрепляющая планка

При погрузке в полувагоны слябы длиной более 3600 мм размещают на деревянных подкладках сечением 40 x 100 мм и длиной, равной ширине полувагона, правильными рядами вдоль полувагона с раздвижкой от продольной плоскости симметрии полувагона к боковым стенкам. Подкладки располагают на концевых, шкворневых, промежуточных балках полувагона.

7.2. Слябы толщиной от 100 до 200 мм включительно, шириной от 1000 до 1250 мм включительно, длиной от 2600 до 3500 мм включительно размещают на подкладках 1 двумя продольными рядами по ширине полувагона (рис. 85, 86 настоящей главы).

Рисунок 85

1 – подкладка; 2 – торцовый щит

Рисунок 86

1 – подкладка; 2 – торцовый щит

7.3. Слябы шириной от 950 до 1100 мм включительно и толщиной от 200 до 250 мм включительно размещают в полувагонах:

- длиной от 8500 до 12 000 мм включительно в количестве 4 штук (рис. 87 настоящей главы) вдоль полувагона симметрично относительно его продольной и поперечной плоскостей симметрии: два сляба - горизонтально, два вдоль боковых стен - наклонно;

Рисунок 87

1 - слябы, размещенные горизонтально; 2 - слябы, размещенные наклонно; 3 –упорный брусок; 4 – распорный брусок; 5 – соединительная планка

- длиной от 4250 до 6000 мм включительно в количестве 8 штук вдоль полувагона (рис. 88 настоящей главы) симметрично относительно его продольной и поперечной плоскостей симметрии: четыре сляба - горизонтально, четыре вдоль боковых стен - наклонно.

Рисунок 88

1 - слябы, размещенные горизонтально; 2 - слябы, размещенные наклонно; 3 –упорный брусок; 4 – распорный брусок; 5 – соединительная планка

Длина слябов, установленных горизонтально и наклонно, должна быть одинаковой. При этом наклонно устанавливают слябы равной ширины и высоты. Ширина и высота слябов, установленных наклонно и горизонтально, может быть различной.

Для предотвращения продольных смещений в торцовых частях полувагона устанавливают распорные рамы, состоящие из упорного бруска 3 размером 100 x 120 x 2850 мм и распорных брусков 4 сечением не менее 100 x 120 мм и длиной по месту. Упорный брусок 3 и распорные бруски 4 скрепляют между собой строительными скобами из прутка диаметром от 6 до 8 мм включительно или гвоздями длиной 150 мм, которые забивают под углом 45 град. Соединительные планки 5 размером 25 x 100 x 2850 мм закрепляют к распорным брускам 4 гвоздями длиной 80 мм - по два в каждое соединение. Допускается использовать распорные бруски 4, составные по высоте.

7.4. Слябы шириной от 950 до 1370 мм включительно и толщиной от 200 до 250 мм включительно в полувагонах размещают:

- длиной от 4700 до 6200 мм включительно - в количестве 5 штук;

- длиной от 6500 до 9400 мм включительно - в количестве 4 штук;

- длиной от 8500 до 12 000 мм включительно - в количестве 3 штук.

7.4.1. Слябы длиной от 4700 до 6200 мм включительно размещают в полувагонах (рис. 89 настоящей главы) симметрично относительно его продольной и поперечной плоскостей симметрии.

Рисунок 89

1 – подкладка; 2 – брусок; 3 – гвоздь

Один сляб размещают горизонтально в середине полувагона. В торцах полувагона размещают подкладки 1 размером 40 x 100 x 2850 мм, в середине которых устанавливают бруски 2 длиной 1000 мм и сечением не менее 100 x 160 мм. Бруски 2 закрепляют к подкладкам 1 четырьмя гвоздями 3. Длина гвоздей должна превышать высоту брусков 2 не менее чем на 50 мм. Четыре сляба размещают наклонно, вплотную к торцовым порожкам и боковым бортам полувагона, с опорой на сляб, установленный горизонтально, и бруски 2.

Допускается бруски 2 изготавливать составными по высоте из двух брусков сечением не менее 100 x 80 мм, которые скрепляют между собой четырьмя гвоздями длиной не менее 120 мм.

7.4.2. Слябы длиной от 6500 до 9400 мм включительно размещают в количестве 4 штук (рис. 90 настоящей главы) двумя продольными рядами по ширине в полувагоне симметрично относительно его продольной и поперечной плоскостей симметрии.

Рисунок 90

1 – упорный брусок; 2 – подкладка; 3 – прокладка составная; 4 – подкладка дополнительная; 5 – распорный брусок; 6 – гвоздь

Два сляба размещают горизонтально, каждый вплотную к противоположным торцовым порожкам, которые ограждают упорными брусками 1 размером 80 x 100 x 2850 мм, и боковым стенам полувагона. Каждый сляб устанавливают на три подкладки 2 размером 40 x 100 x 2850 мм. Затем размещают два наклонных сляба, располагая их над горизонтальными слябами. Наклонные слябы устанавливают вплотную к противоположным упорным брускам 1, на торцы горизонтальных слябов, составную прокладку 3 размером 160 x 200 x 2850 мм и дополнительную подкладку 4 сечением не менее 50 x 100 мм и длиной, равной ширине сляба. Составную прокладку 3 изготавливают из четырех брусков размером 80 x 100 x 2850 мм, которые скрепляют между собой гвоздями К6 x 120.

От поперечных смещений слябы закрепляют распорными брусками 5 сечением не менее 80 x 100 мм и длиной по месту, которые устанавливают на подкладки 2 и составную прокладку 3, в распор между слябами. Каждый распорный брусок 5 закрепляют к подкладкам 2 и составной прокладке 3 тремя гвоздями 6 К6 x 120.

7.4.3. Слябы длиной от 8500 до 12 000 мм включительно размещают в полувагонах в количестве 3 штук (рис. 91 настоящей главы) симметрично относительно его продольной и поперечной плоскостей симметрии. В полувагонах с длиной кузова 12 300 мм размещают слябы длиной не менее 8800 мм. В полувагонах с длиной кузова 12 700 мм размещают слябы длиной не менее 9200 мм.

Рисунок 91

1 - сляб, размещенный горизонтально; 2 - сляб, размещенный наклонно; 3 –упорный брусок; 4 – распорный брус; 5 – соединительная планка

Один сляб 1 устанавливают горизонтально. Его длина не должна превышать длины слябов 2, размещенных наклонно. Слябы, размещенные наклонно, должны быть равной ширины и высоты.

Для предотвращения продольных смещений в торцовых частях полувагона устанавливают распорные рамы, состоящие из упорного бруска 3 размером 100 x 120 x 2850 мм и распорных брусков 4 сечением не менее 100 x 120 мм и длиной по месту.

Упорный брусок 3 и распорные бруски 4 скрепляют между собой строительными скобами из прутка диаметром от 6 до 8 мм включительно или гвоздями длиной 150 мм, которые забивают под углом 45 град. Соединительные планки 5 размером 25 x 100 x 2850 мм закрепляют к распорным брускам 4 гвоздями длиной 80 мм - по два в каждое соединение. Допускается использовать распорные бруски 4, составные по высоте.

7.5. Слябы шириной от 1025 до 1370 мм включительно, толщиной от 200 до 250 мм включительно и длиной от 4900 до 6000 мм включительно в полувагонах размещают в количестве 6 штук.

7.5.1. Слябы длиной от 4900 до 5500 мм включительно размещают в полувагоне (рис. 92 настоящей главы) в следующем порядке.

Рисунок 92

1 – сляб, размещенный горизонтально; 2 – слябы, размещенные наклонно; 3 –упорный брусок; 4 – распорный брусок; 5 – соединительная планка

Первые два сляба размещают горизонтально вдоль хребтовой балки симметрично относительно продольной и поперечной плоскостей симметрии полувагона, остальные четыре сляба 2 - наклонно, вплотную к боковым стенам и угловым стойкам полувагона. Наклонно размещают слябы равной ширины и высоты. Ширина и высота слябов, размещенных наклонно и горизонтально, может быть различной.

Для предотвращения продольных смещений в торцовых частях полувагона устанавливают распорные рамы, состоящие из упорного бруска 3 размером 100 x 120 x 2850 мм и распорных брусков 4 сечением не менее 100 x 120 мм и длиной по месту.

Упорный брусок 3 и распорные бруски 4 скрепляют между собой строительными скобами из прутка диаметром от 6 до 8 мм включительно или гвоздями длиной 150 мм, которые забивают под углом 45 град. Соединительные планки 5 размером 25 x 100 x 2850 мм закрепляют к распорным брускам 4 гвоздями длиной 80 мм - по два в каждое соединение. Допускается использовать распорные бруски 4, составные по высоте.

7.5.2. Слябы длиной свыше 5500 мм до 6000 мм включительно размещают (рис. 93 настоящей главы) в торцовых частях полувагона симметрично относительно его продольной и поперечной плоскостей симметрии. Два сляба устанавливают горизонтально вплотную к упорным брускам 1 размером 80 x 100 x 2850 мм. С каждой стороны горизонтально установленных слябов наклонно размещают по одному слябу с опорой на боковые стены полувагона.

Рисунок 93

1 - упорный брусок; 2 - распорный брусок; 3 - соединительная планка; 4 – гвоздь

Для предотвращения продольных смещений в середине полувагона устанавливают распорную раму, состоящую из четырех распорных брусков 2 сечением не менее 80 x 100 мм и длиной по месту и четырех соединительных планок 3 размером 25 x 100 x 2850 мм.

Соединительные планки 3 закрепляют к распорным брускам 2 гвоздями 4 К5 x 80 мм - по два в каждое соединение. Допускается использовать распорные бруски 2, составные по высоте.

При погрузке слябов длиной от 5900 до 6000 мм включительно распорная рама не устанавливается.

7.6. Слябы шириной от 1250 до 1350 мм включительно, толщиной 250 мм и длиной от 5500 до 5900 мм включительно размещают в полувагоне в количестве 4 штук (рис. 94 настоящей главы) горизонтально двумя продольными рядами по ширине полувагона симметрично относительно его продольной и поперечной плоскостей.

Рисунок 94

1 – подкладка; 2, 3 - распорный брусок; 4 – соединительная планка; 5 – гвоздь

Слябы устанавливают на подкладки 1 размером 40 x 100 x 2850 мм вплотную к боковым стенам и торцам полувагона.

От поперечных смещений слябы закрепляют распорными брусками 2 сечением не менее 80 x 100 мм и длиной по месту, каждый из которых устанавливают на подкладки 1 в распор между слябами. Каждый распорный брусок 2 закрепляют к подкладкам 1 двумя гвоздями 5.

От продольного смещения каждый сляб закрепляют двумя распорными брусками 3 сечением не менее 100 x 160 мм и длиной по месту, которые скрепляют между собой соединительной планкой 4 размером 40 x 100 x 2850 мм. Соединительную планку 4 закрепляют к распорным брускам 3 гвоздями 5 К6 x 120 - по два в каждое соединение.

7.7. Слябы шириной от 1350 до 1500 мм включительно, толщиной от 200 до 250 мм включительно и длиной от 7000 до 8000 мм включительно размещают в полувагоне в количестве 3 штук (рис. 95 настоящей главы) симметрично относительно продольной плоскости симметрии полувагона. Один сляб размещают горизонтально вплотную к торцовому бруску 1 размером 100 x 150 x 2850 мм на подкладки 2 размером 25 x 100 x 2850 мм.

Рисунок 95

1, 7 –упорный брусок; 2,4 –подкладка; 3, 6 – распорный брусок; 5 – соединительная планка; 8 – гвоздь

В противоположном торце полувагона устанавливают распорную раму, состоящую из упорного бруска 7 сечением не менее 100 x 150 мм и длиной 2850 мм и двух распорных брусков 6 сечением не менее 150 x 150 мм и длиной по месту. Упорный брусок 7 и распорные бруски 6 скрепляют между собой строительными скобами из прутка диаметром от 6 до 8 мм включительно или гвоздями длиной 150 мм, которые забивают под углом 45 град. Распорные бруски 6 дополнительно скрепляют соединительными планками 5 размером 25 x 50 x 2850 мм гвоздями 8 К4 x 50 - по два в каждое соединение.

Два других сляба устанавливают вплотную к распорной раме наклонно с опорой на горизонтальный сляб, подкладку 4 размером 50 x 100 x 2850 мм и упорный брусок 3 сечением не менее 25 x 100 мм и длиной по месту.

От поперечных смещений горизонтально установленный сляб закрепляют распорными брусками 3, каждый из которых закрепляют к подкладкам 2 тремя гвоздями 8.

7.8. Слябы шириной от 1450 до 1550 мм включительно, толщиной 200 мм и длиной от 8500 до 12 000 мм включительно размещают в полувагоне в количестве 3 штук (рис. 96 настоящей главы) симметрично относительно поперечной плоскости симметрии полувагона. Первый сляб устанавливают горизонтально в середине полувагона симметрично относительно продольной и поперечной плоскостей симметрии полувагона на подкладки 4 размером 40 x 100 x 2850 мм, второй сляб устанавливают горизонтально со смещением к одной из боковых стен полувагона, третий - наклонно к противоположной боковой стене полувагона с опорой на два горизонтально размещенных сляба, вплотную к упорному бруску 5 сечением не менее 80 x 100 мм и длиной 300 мм. Упорные бруски 5 закрепляют к подкладкам 4 гвоздями 7 К6 x 110 мм - по два в каждое соединение.

Рисунок 96

1,5 – упорный брусок; 2 – распорный брусок; 3 – соединительная планка; 4 – подкладка; 6, 7 – гвоздь

Для предотвращения продольных смещений в торцовых частях полувагона устанавливают распорные рамы, состоящие из упорных брусков 1 размером 80 x 100 x 2850 мм и четырех распорных брусков 2 сечением 80 x 100 мм и длиной по месту.

Упорные бруски 1 и распорные бруски 2 скрепляют между собой строительными скобами из прутка диаметром от 6 до 8 мм включительно или гвоздями длиной 150 мм, которые забивают под углом 45 град. Соединительные планки 3 размером 25 x 100 x 2850 мм закрепляют к распорным брускам 2 гвоздями 6 К5 x 80 мм - по два в каждое соединение. Допускается использовать распорные бруски 3, составные по высоте.

При погрузке-выгрузке слябов магнитными грузозахватными устройствами допускается подкладки 4 и упорные бруски 5 не устанавливать.

При погрузке слябов длиной от 11 900 до 12 000 мм включительно бруски 2 не устанавливаются.

7.9. Слябы шириной от 1515 до 1550 мм включительно, толщиной от 200 до 250 мм включительно и длиной от 7000 до 8200 мм включительно размещают в полувагоне в количестве 3 штук (рис. 97 настоящей главы) симметрично относительно продольной плоскости симметрии полувагона. Первый сляб размещают горизонтально в середине полувагона симметрично относительно его продольной и поперечной плоскостей симметрии на две подкладки 1 размером 40 x 100 x 2850 мм, второй сляб размещают на первый сляб горизонтально со смещением к торцу полувагона вплотную к торцовому щиту 2 из брусков размером 50 x 100 x 600 мм и досок размером 40 x 200 x 2850 мм и опорой на подкладку 3 размером 160 x 300 x 2850 мм. Подкладку 3 допускается изготавливать составной по высоте и ширине. Третий сляб размещают наклонно к противоположному торцу полувагона вплотную к бруску 4 размером 80 x 100 x 2850 мм с опорой на подкладку 1, прокладку 5 размером 50 x 100 x 2850 мм и торцы горизонтально размещенных слябов. От поперечных смещений слябы закрепляют распорными брусками 6 сечением не менее 50 x 100 мм и длиной по месту, каждый из которых закрепляют тремя гвоздями 8 К4 x 90 мм к подкладкам 1, 3 и прокладке 5 с обеих сторон сляба.

Рисунок 97

1,3 – подкладка; 2 – торцовый щит; 4, 6 – брусок; 5 – прокладка; 7 – доска; 8 – гвоздь

Для предотвращения смещений прокладку 5 скрепляют с подкладкой 1 доской 7 сечением 40 x 100 мм и длиной по месту гвоздями 8 - по три в каждое соединение. Подкладки 1 и упорные бруски 6 в торцовой части наклонного сляба также скрепляют доской 7, которую закрепляют гвоздями 8 - по три в каждое соединение.

7.10. Слябы шириной от 1550 до 1850 мм включительно и толщиной от 200 до 250 мм включительно размещают в полувагонах:

- длиной от 5100 до 5900 мм включительно - в количестве 3 штук;

- длиной от 7000 до 7500 мм включительно, от 8500 до 12 000 мм включительно - в количестве 2 штук.

7.10.1. Слябы длиной от 5100 до 5900 мм включительно размещают (рис. 98 настоящей главы) вдоль хребтовой балки симметрично относительно продольной плоскости симметрии полувагона. В середине полувагона горизонтально устанавливают сляб на подкладки 2 размером 40 x 100 x 2850 мм, уложенные над промежуточными балками полувагона. В торцах полувагона размещают упорные бруски 1 размером 80 x 100 x 2850 мм. Два других сляба размещают вплотную к упорному бруску 1 наклонно, с опорой на торец горизонтального сляба и прокладки 5 размером 80 x 100 x 2850 мм.

Рисунок 98

1 –упорный брусок; 2 – подкладка; 3 – распорный брусок; 4 – гвоздь; 5 – прокладка; 6 – соединительная доска

От поперечных смещений горизонтальный сляб закрепляют распорными брусками 3 сечением не менее 40 x 100 мм и длиной по месту, каждый из которых закрепляют к подкладкам 2 тремя гвоздями 4 К5 x 80 мм. Наклонно установленные слябы закрепляют от поперечных смещений распорными брусками 3, которые закрепляют к торцовым упорным брускам 1 и прокладкам 5, каждый тремя гвоздями 4.

Для предотвращения смещения прокладок 5 к распорным брускам 3, размещенным на подкладках 2 и прокладках 5, закрепляют соединительную доску 6 сечением не менее 40 x 100 мм и длиной по месту гвоздями 4 - по три в каждое соединение. Допускается заменять соединительную доску 6 увязкой из проволоки диаметром 6 мм в две нити.

7.10.2. Слябы длиной от 7000 до 7500 мм включительно размещают (рис. 99 настоящей главы) вдоль хребтовой балки симметрично относительно продольной плоскости симметрии полувагона. Один сляб размещают горизонтально вплотную к упорному бруску 1 размером 80 x 100 x 2850 мм на подкладки 2 размером 40 x 200 x 2850 мм. Второй сляб устанавливают вплотную к противоположному упорному бруску 1, наклонно с опорой на торец горизонтального сляба, подкладку 2 и прокладку 4 размером 80 x 100 x 2850 мм.

Рисунок 99

1 –упорный брусок; 2 – подкладка; 3 – распорный брусок; 4 – прокладка; 5 – доска; 6 – гвоздь

От поперечных смещений слябы закрепляют распорными брусками 3 сечением 50 x 200 мм и длиной по месту, каждый из которых закрепляют к подкладкам 2 и прокладке 4 тремя гвоздями 6 К5 x 80.

Для предотвращения смещений прокладки 4 ее соединяют с подкладкой 2 доской 5 сечением 40 x 100 мм и длиной по месту. Доску закрепляют двумя гвоздями 6 в каждое соединение.

7.10.3. Слябы длиной от 8500 до 12 000 мм включительно размещают в полувагоне в количестве двух штук (рис. 100 настоящей главы) симметрично относительно поперечной плоскости симметрии полувагона.

Рисунок 100

1 - сляб, размещенный горизонтально; 2 - сляб, размещенный наклонно; 3 –упорный брусок; 4 – распорный брусок; 5 – соединительная планка

Первый сляб 1 размещают горизонтально со смещением к одной из боковых стен полувагона, второй сляб 2 - наклонно к противоположной боковой стене полувагона с опорой на первый сляб.

Для предотвращения продольных смещений в торцовых частях полувагона устанавливают распорные рамы, состоящие из упорных брусков 3 размером 100 x 120 x 2850 мм и четырех распорных брусков 4 сечением не менее 100 x 120 мм и длиной по месту.

Упорные и распорные бруски скрепляют между собой строительными скобами из прутка диаметром от 6 до 8 мм включительно или гвоздями длиной 150 мм, которые забивают под углом 45 град. Соединительные планки 5, имеющие размер 25 x 100 x 2850 мм, закрепляют к распорным брускам 4 гвоздями длиной 80 мм - по два в каждое соединение. Допускается использовать распорные бруски 3, составные по высоте.

При погрузке слябов длиной от 11 900 до 12 000 мм включительно бруски 2 не устанавливаются.

7.11. Слябы на платформах, переоборудованных по проекту 77308 ОАО "НЛМК", размещают симметрично относительно продольной и поперечной плоскостей симметрии платформы.

От продольного смещения слябы с обеих сторон закрепляют упорными балками, которые вставляют в специальные проемы на продольных балках оборудования платформ. Суммарные по длине зазоры между слябами и упорными балками более 200 мм заполняют брусками или обрезками досок, которые закрепляют к упорным балкам проволокой диаметром от 4 до 6 мм включительно в две нити.

7.11.1. Слябы шириной от 950 до 1290 мм, толщиной от 200 до 250 мм и длиной от 4700 до 6000 мм включительно в зависимости от массы размещают в количестве 5 либо 6 штук (соответственно рис. 101, 102 настоящей главы).

Рисунок 101

1 – упорная балка; 2 – поперечный брусок

При размещении по схеме рисунка 101 настоящей главы для обеспечения устойчивости наклонно уложенных слябов на расстоянии не более 500 мм от упорной балки 1 устанавливают поперечный брусок 2 высотой 160 мм, шириной не менее 160 мм и длиной, равной ширине горизонтально установленного сляба.

Рисунок 102

1 – упорная балка; 2 – поперечный брусок

При размещении по схеме рисунка 102 устанавливают поперечный брусок 2 сечением 100 x 80 мм и длиной, на 200 мм меньшей ширины горизонтально установленного сляба.

7.11.2. Слябы шириной от 950 до 1370 мм включительно, толщиной от 200 до 250 мм включительно и длиной от 8100 до 11 800 мм включительно размещают в количестве 3 штук (рис. 103 настоящей главы).

Рисунок 103

1 – упорная балка; 2 – поперечный брусок

При погрузке слябов шириной от 1300 до 1370 мм включительно для обеспечения устойчивости наклонно установленных слябов на сляб, установленный горизонтально, укладывают бруски 2 сечением 100 x 80 мм и длиной по месту.

7.11.3. Слябы шириной от 1440 до 1550 мм включительно, толщиной от 200 до 250 мм включительно и длиной от 4700 до 6000 мм включительно размещают в количестве 4 штук (рис. 104 настоящей главы).

Рисунок 104

1 – балка упорная

Первые два сляба размещают горизонтально со смещением к одной из боковых стен платформы, третий и четвертый - наклонно к противоположной боковой стене платформы с опорой на первых два сляба.

7.11.4. Слябы шириной от 1440 до 1550 мм включительно, толщиной от 200 до 250 мм включительно и длиной от 8100 до 11 800 мм включительно размещают в количестве 2 штук (рис. 105 настоящей главы).

Рисунок 105

1 – балка упорная

Первый сляб размещают горизонтально со смещением к одной из боковых стен платформы, второй - наклонно к противоположной боковой стене платформы с опорой на первый сляб.

Ширина слябов, размещенных наклонно и горизонтально (рис. 104, 105 настоящей главы), может быть различной. При этом наклонно размещают слябы равной ширины.

8. Размещение и крепление блюмсов

8.1. Размещение и крепление блюмсов на платформах.

8.1.1. Блюмсы длиной до 5900 мм включительно размещают на платформах с деревянным полом (рис. 106 настоящей главы). На пол платформы вплотную к обоим торцовым бортам укладывают плашмя по одному упорному бруску сечением 50 x 100 мм и длиной, равной расстоянию между боковыми бортами платформы. Каждый из этих брусков крепят к полу платформы четырьмя гвоздями длиной 100 мм. Груз укладывают правильными рядами вдоль платформы в один или два яруса.

Рисунок 106

1 - упорный брусок; 2 - торцовая стойка; 3 - боковая стойка; 4 – скрепление стоек

Блюмсы, размещенные у торцовых бортов платформы, должны прилегать вплотную к упорным брускам. Каждую секцию боковых бортов и каждый торцовый борт платформы подкрепляют двумя короткими стойками 3 и 2 соответственно. Противоположные стойки у боковых бортов попарно скрепляют проволокой диаметром 6 мм в восемь нитей. При погрузке блюмсов длиной от 3600 до 5900 мм скрепляют только стойки, вставленные в первые и третьи стоечные скобы от торцовых бортов платформы.

8.2. Размещение и крепление блюмсов в полувагонах.

8.2.1. Блюмсы длиной от 1150 до 1400 мм включительно (рис. 107 настоящей главы) размещают в два-три яруса по высоте двумя продольными рядами по ширине. Блюмсы размещают поперек полувагона вплотную к боковым бортам и торцовым дверям. В случае, если верхние ярусы будут неполными, блюмсы размещают над тележками полувагона.

Рисунок 107

1 - подкладка; 2 - прокладка; 3 - торцовый щит

Под нижний ярус вплотную к торцовым дверям размещают по четыре продольных подкладки 1 размером 25 x 100 x 2700 мм, а между ярусами размещают также по четыре прокладки 2 такого же размера.

Люковые закидки полувагонов должны быть увязаны в соответствии с пунктом 1.5 настоящей главы.

8.2.2. Блюмсы длиной 2600 мм (рис. 108 настоящей главы) размещают тремя штабелями вдоль полувагона на шести подкладках 2, размещенных на промежуточных и шкворневых балках полувагона, четыре блюмса размещают поперек полувагона по два вплотную к каждой торцовой двери. Торцовые двери ограждают щитами 1.

Рисунок 108

1 – торцовый щит; 2 – подкладка; 3 – упорный брусок

8.2.3. Блюмсы длиной от 2800 до 2900 мм включительно (рис. 109 настоящей главы) размещают вдоль полувагона четырьмя штабелями на подкладках 2. Торцовые двери полувагона по высоте погрузки ограждают щитами 1. Люковые закидки полувагонов должны быть увязаны в соответствии с пунктом 1.5 настоящей главы.

Рисунок 109

1 – торцовый щит; 2 - подкладка; 3 - упорный брусок

8.2.4. Блюмсы длиной свыше 2900 мм до 4000 мм включительно размещают вдоль полувагона тремя штабелями на подкладках 2. Две крайние подкладки размещают между гофрами крышек люков в концевой части полувагона, при этом концы их опираются на полки продольных угольников нижней обвязки полувагона (рис. 110 настоящей главы).

Рисунок 110

1 – торцовый щит; 2 - подкладка

Торцовые двери по всей высоте погрузки ограждают торцовыми щитами 1.

8.2.5. Блюмсы шириной 360 мм, высотой 300 мм, длиной свыше 4000 мм до 5900 мм включительно, массой свыше 3,4 т до 4,4 т включительно, в количестве 16 штук размещают вдоль полувагона на четыре поперечные подкладки, расположенные на шкворневых и промежуточных балках, со смещением в сторону ближайших стен или дверей, их заменяющих, в один ярус по высоте в наклонном положении (рис. 111 настоящей главы). Если крайний блюмс (один или два) не вписывается по ширине полувагона, то его размещают узкой стороной (рис. 111а настоящей главы) (не приводится) или на ребро с упором в угловую стойку полувагона (рис. 111б настоящей главы) (не приводится).

Рисунок 111

1 - подкладка размером 2870х150х40 мм; 2 - подкладка размером 2870х150х80 мм

8.2.6. Блюмсы шириной 360 мм, высотой 300 мм, длиной от 4300 до 5900 мм включительно, массой от 4,5 до 5 т включительно, в количестве 14 штук размещают вдоль полувагона на четыре поперечные подкладки, расположенные на шкворневых и промежуточных балках, со смещением в сторону ближайших стен или дверей, их заменяющих, в один ярус по высоте в наклонном положении, с боков блюмсы закрепляют брусками, которые крепятся к поперечным подкладкам гвоздями (рис. 112 настоящей главы).

Рисунок 112

1 - подкладка размером 2870х150х40 мм; 2 - подкладка размером 2870х150х80 мм; 3 – брусок; 4 - гвоздь

9. Размещение и крепление бандажей в цельнокатаных колес

9.1. Бандажи размещают на платформе следующим образом (рис. 113 настоящей главы).

При ширине бандажей не более 135 мм у торцового борта платформы в каждом ряду размещают плашмя друг на друга по три бандажа, которые в двух местах связывают проволокой диаметром 6 мм в две нити; два нижних бандажа размещают гребнями вниз, а третий (верхний) - с некоторым смещением к середине платформы; четвертый бандаж устанавливают наклонно под углом не более 45 град. к полу платформы с опорой на уложенные плашмя бандажи. Все остальные бандажи размещают также наклонно до середины платформы. Таким же способом размещают бандажи от противоположного торцового борта до середины платформы.

Рисунок 113

1 - бруски; 2 - торцовые стойки; 3 - распорные бруски; 4 – увязка бандажей; 5 - поперечный брусок; 6 - короткие стойки

Соседние ряды бандажей должны укладываться вплотную друг к другу без зазоров между ними.

При ширине бандажей более 135 мм у торцовых бортов платформы в каждом ряду размещают плашмя по два бандажа, в остальном бандажи размещают так же, как указано выше.

Наклонно бандажи размещают в несколько продольных рядов с одинаковыми промежутками между ними, а крайние ряды бандажей устанавливают к боковым бортам платформы. Между наклонными рядами бандажей на пол платформы размещают бандажи в вертикальном положении кругами катания вдоль платформы.

Каждый ряд наклонно размещенных бандажей ограждают брусками 1 сечением не менее 50 x 100 мм, которые размещают вдоль платформы вплотную к бандажам. Допускается применение брусков, составленных по длине из отдельных частей длиной не менее 2000 мм. Каждый брусок крепят к полу платформы четырьмя гвоздями длиной 100 мм.

В боковые и торцовые стоечные скобы устанавливают короткие стойки. Против стоек между бортами и продольными брусками плотно пригоняют по месту деревянные распорные бруски 3 толщиной не менее 35 мм, которые крепят гвоздями длиной не менее 85 мм.

Со стороны торцовых бортов и в середине платформы вплотную к вертикально расположенным бандажам размещают поперечные бруски 5 сечением не менее 50 x 100 мм и длиной по месту. Между поперечными брусками в середине платформы, а также между крайними брусками и торцовыми бортами (у торцовых стоек) плотно пригоняют по два деревянных распорных бруска 2 сечением не менее 50 x 100 мм (рис. 114 настоящей главы). Каждый поперечный и распорный брусок должны быть прибиты к полу двумя гвоздями длиной не менее 100 мм.

Рисунок 114

1 - поперечный брусок; 2 - распорные бруски; 3 - торцовые стойки; 4 - увязка крайних бандажей со стороны концевой балки; 5 - увязка вертикально установленных бандажей; 6 - боковые стойки

В двух крайних рядах каждый полуряд наклонно уложенных бандажей увязывают проволокой диаметром 6 мм в две нити, которую пропускают через отверстия бандажей и закрепляют за стоечные скобы. Концы одной из увязок закрепляют за стоечные скобы на одной боковой стороне платформы, концы другой увязки - на другой. Бандажи, размещенные вертикально вдоль платформы, взаимно увязывают во всех местах соприкосновения их друг с другом гребнями и поверхностями катания. Ближайшие к торцовым бортам платформы бандажи (из числа размещенных вертикально) увязывают за кронштейны на концевых балках рамы (рис. 114 настоящей главы) (не приводится).

Бандажи, размещенные вертикально, увязывают проволокой диаметром 6 мм в четыре нити. В местах перегиба проволоки во избежание перетирания ее бандажами применяют подкладки из листового металла толщиной от 1 до 2 мм включительно.

9.2. Колеса и бандажи размещают в полувагоне тремя продольными рядами (рис. 115 настоящей главы). При этом в крайних рядах колеса и бандажи размещают поперек вагона вплотную к боковым бортам, а в среднем - вдоль полувагона.

Рисунок 115

1 – торцовый щит

Средний ряд состоит из секций по четыре колеса, которые размещают вплотную к торцовым дверям полувагона, которые ограждают щитами 1. Гребни одной секции колес направлены в одну сторону, а гребни следующей секции - в противоположную.

Колеса в крайних рядах размещают наклонно, причем первые колеса размещают плашмя, а следующие - с постепенным подъемом колес до 85 град., и замыкают четырьмя-пятью колесами под углом 45 град.

В крайние секции из четырех колес среднего ряда вставляют в отверстия ступиц стойки диаметром от 150 до 160 мм включительно и длиной 1000 мм.

Люковые закидки полувагонов увязывают в соответствии с пунктом 1.5 настоящей главы.

10. Размещение крепление металлических прокатных валков

Металлические прокатные валки массой до 27 т включительно, диаметром до 1200 мм включительно, диаметром шеек валков до 800 мм включительно и длиной не менее их диаметра размещают вдоль платформы симметрично относительно ее продольной плоскости симметрии.

В зависимости от массы и размеров отдельных валков их размещают по ширине платформы по несколько штук в ряду или по одному в один или несколько рядов по длине платформы (соответственно рис. 116 и 117 настоящей главы).

Рисунок 116

1 - прокатные валки массой 22,6 т; 2 - подкладки, изготовленные из четырех брусков; 3 - прокатные валки массой 6,4 т; 4 - подкладки, изготовленные из одного бруска; 5 - продольные распорные бруски; 6 - поперечные упорные клинья; 7 - скобы; 8 - торцовые стойки

Рисунок 117

1 - прокатные валки массой 27 т; 2 - подкладки, изготовленные из четырех брусков; 3 - продольные распорные бруски; 4 - поперечные упорные клинья; 5 - скобы; 6 - торцовые стойки

Валки массой до 2 т включительно, длиной опорной поверхности каждого из них не менее 500 мм, а также валки массой свыше 2 т до 15 т включительно, длиной опорной поверхности не менее 5000 мм размещают непосредственно на пол платформы. Валки указанной массы с меньшей длиной опорной поверхности, а также валки массой более 15 т независимо от длины опорной поверхности размещают на поперечные упорные подкладки так, чтобы между нижней кромкой валков и полом платформы оставался зазор не менее 30 мм.

Допускается размещение на платформе прокатных валков с одинаковой массой и размерами вплотную друг к другу. Прокатный валок или группу прокатных валков, размещенных вдоль платформы, закрепляют с торцовых сторон платформы поперечными упорными брусками длиной от 2600 до 2700 мм включительно (рис. 116, 117 настоящей главы) (не приводится). Упорные бруски должны плотно прилегать к каждой торцовой грани валка по всей длине соприкосновения с ними. В зависимости от массы одного или нескольких валков, прилегающих к поперечным упорным брускам, сечения последних должны иметь следующие минимальные размеры: при массе валков до 8 т включительно - 75 x 100 мм; свыше 8 т до 15 т включительно - 100 x 150 мм. В местах соприкосновения упорных брусков с опорными поверхностями шеек валков делают выемки глубиной от 20 до 25 мм включительно полукруглой формы.

Во всех случаях размещения и крепления прокатных валков применяют продольные распорные бруски сечением не менее 75 x 100 мм, которые располагают параллельно продольной плоскости симметрии платформы. Со стороны торцовых бортов платформы против коротких стоек размещают по одному распорному бруску между торцовым бортом платформы и подкладками.

При размещении прокатных валков в два ряда и более вдоль платформы между каждыми двумя смежными рядами размещают по два распорных бруска на расстоянии один от другого (по ширине платформы), равном расстоянию между торцовыми стойками. Распорные бруски должны плотно прилегать концами к поперечным упорным брускам или подкладкам смежных рядов груза.

Каждый валок или несколько валков, размещенных в одном ряду вплотную один к другому, закрепляют не менее чем четырьмя поперечными упорными клиньями (по два клина с каждой стороны валка или группы валков). При размещении валков на подкладках упорные клинья укладывают на верхние бруски подкладок вплотную к шейкам каждого валка с обеих сторон и закрепляют к подкладкам скобами. Каждый такой клин должен быть прикреплен к подкладкам не менее чем двумя строительными скобами диаметром стержня не менее 10 мм. Скобы забивают с боковых сторон клина под углом 40 - 45 град. к полу платформы (рис. 116, 117 настоящей главы).

При размещении валков непосредственно на пол платформы упорные клинья укладывают вплотную к валкам поперек платформы и крепят к полу гвоздями. Клинья размещают от торцов валков на расстоянии, равном 1/4 их длины.

Валки длиной 7000 мм и более, которые размещают на пол платформы, дополнительно крепят каждый четырьмя упорными клиньями (по два с каждой стороны).

Допускаемые сечения (высота и ширина) поперечных упорных клиньев определяются в зависимости от диаметра валков:

Сечение упорных клиньев, мм75 x 100100 x 150134 x 200
Радиус валка, ммдо 300300 x 450451 x 600.

Необходимое число гвоздей для крепления одного распорного бруска, подкладки и клина определяют в зависимости от массы одного или группы валков, размещенных в ряду (таблица 3 настоящей главы).

В тех случаях, когда общая масса валков в каждом смежном ряду различна, число гвоздей, необходимых для крепления распорных брусков между этими рядами, определяется по большей общей массе валков в одном из смежных рядов.

Таблица 3

Необходимое число гвоздей для крепления распорного бруска, подкладки и клина

Масса одного или группы валков, тЧисло гвоздей диаметром 6 мм
распорный брусокупорный брусок или подкладкаупорный клин
До 5 включительно242
От 5,1 до 8 вкл.342
От 8,1 до 10 вкл.362
От 10,1 до 12 вкл.492
От 12,1 до 15 вкл.5122
От 15,1 до 18 вкл.5173
От 18,1 до 20 вкл.6193
От 20,1 до 22 вкл.6214
От 22,1 до 25 вкл.7244
От 25,1 до 27 вкл.9255

11. Размещение и крепление стрелочных переводов

Стрелочные переводы марок 1/9 и 1/11 (типы рельсов Р43, Р50, Р65, Р75) в разобранном виде, комплектами с рамными рельсами длиной 12 500 мм размещают на платформе (рис. 118 настоящей главы) следующим способом. Крестовины перевозят в собранном виде. Остряки стрелок скрепляют с рамными рельсами у пера и посередине длины обвязкой из проволоки диаметром 6 мм в один оборот. У стрелок лафетного типа рамные рельсы и остряки со всеми относящимися к ним деталями должны быть смонтированы на лафетных листах.

Рисунок 118

1 - растяжки торцовых стоек; 2 - увязка рамных рельсов; 3 - крепление переводных механизмов; 4 - крепление остряков; 5 - боковые стойки; 6 - скрепление стоек; 7 - переводные механизмы, установленные в пятом ярусе; 8 - торцовые стойки; 9 - доски торцового ограждения; 10 - предохранительный брусок; 11 - прокладки толщиной 25 мм; 12 - рамные рельсы с остряками и корневыми мостиками, уложенными в третьем, четвертом и пятом ярусах; 13 - стрелочные подушки, мостики крестовые и путевые подкладки; 14 - крестовины, уложенные в первом ярусе; 15 - контррельсы, уложенные во втором ярусе; 16 – прокладки

Стрелочные переводы размещают вплотную к торцовым бортам платформы на подкладки сечением не менее 50 x 150 мм и длиной 2700 мм или аналогичной длины горбыли толщиной не менее 50 мм. На пол платформы вплотную к доскам или горбылям размещают двумя группами в равных количествах (или с разницей на одну крестовину) крестовины головками вверх с чередованием концов.

Поверх каждой группы крестовин устанавливают по две прокладки из досок сечением не менее 25 x 150 мм и длиной 2700 мм или горбылей толщиной не менее 25 мм. На эти прокладки (во втором ярусе погрузки) вплотную к торцовым бортам платформы размещают контррельсы. Прокладки должны быть расположены на расстоянии от 800 до 1000 мм включительно от концов контррельсов.

Контррельсы грузят сболченными попарно с вкладышами и деталями, уложенными между ними, упорами с прикрепленными болтами. Допускается также грузить одиночные контррельсы с вкладышами и упорами с прикрепленными к ним болтами. В обоих случаях контррельсы необходимо укладывать на подошву.

При погрузке сболченных попарно контррельсов смежные пары контррельсов должны быть сдвинуты по длине одна относительно другой так, чтобы упоры одной пары заходили за упоры соседней пары. Одиночные контррельсы размещают таким же способом. Вкладыши или упоры соседних контррельсов должны заходить друг за друга. Стрелочные подушки, мостики крестовины, стандартные путевые подкладки в связках и другие мелкие детали стрелочных переводов размещают на пол платформы и крестовины в свободной средней части платформы после погрузки крестовин и контррельсов.

Рамные рельсы (с остряками) безлафетных стрелочных переводов можно грузить двумя способами. При применении обоих способов погрузки каждый ярус рамных рельсов укладывают на четыре подкладки.

При погрузке рамных рельсов по первому способу две прокладки толщиной не менее 25 мм устанавливают под корневыми мостиками, а две другие (средние) прокладки толщиной не менее 50 мм - под рамными рельсами у перьев остряков. Прокладки должны иметь ширину не менее 150 мм и длину 2700 мм. Прокладки размещают одну над другой.

Рамные рельсы (с остряками) в третьем, четвертом и пятом ярусах размещают головками вверх один над другим. Перья остряков у соседних рамных рельсов, находящихся в одном ярусе, должны быть направлены в противоположные стороны. Перья остряков рамных рельсов, расположенных один над другим в указанных трех ярусах погрузки, должны быть обращены в одну сторону.

В третьем ярусе на прокладке размещают восемь рамных рельсов (с остряками). При погрузке 9 - 11 комплектов безлафетных стрелочных переводов в четвертом ярусе укладывают восемь рамных рельсов аналогично третьему. Оставшиеся рамные рельсы в равных количествах располагают на боковых сторонах пятого яруса погрузки с оставлением его середины свободной.

Восемь комплектов безлафетных стрелочных переводов в четвертом и пятом ярусах размещают по четыре рамных рельса, которые должны быть размещены, как и в предыдущем случае, в равных количествах на боковых сторонах этих ярусов погрузки.

При погрузке рамных рельсов по второму способу все перья остряков, находящиеся в одном ярусе, должны быть обращены в одну сторону. В смежных ярусах погрузки перья остряков направляют в противоположные стороны. При этом в каждом ярусе погрузки под корневыми мостиками устанавливают прокладки толщиной 250 мм, а под рамными рельсами и остряками - по три прокладки толщиной 50 мм на равных расстояниях.

Каждый ярус лафетных листов (при погрузке лафетных стрелочных переводов) со смонтированными на них рамными рельсами и остряками размещают на четыре прокладки шириной не менее 150 мм и длиной 2700 мм. Две прокладки толщиной 25 мм устанавливают против вторых стоечных скоб, считая от торцовых бортов платформы. Две другие прокладки толщиной 50 мм устанавливают вплотную к торцовым кромкам лафетных листов, обращенных к торцовым бортам платформы. В третьем и четвертом ярусах погрузки укладывают по пять лафетных листов (с рамными рельсами и остряками), в пятом ярусе - четыре-пять, в шестом ярусе - два - пять лафетных листов.

Если необходимо грузить переводные механизмы, то для их размещения оставляют свободное пространство в средней части пятого и шестого ярусов.

Ручные переводные механизмы размещают в верхней части штабеля между рамными рельсами одной или двумя группами.

В торцовые скобы платформы устанавливают стойки. Расстояние от верхних рамных рельсов до верхнего обреза стоек должно быть от 100 до 200 мм включительно. Торцовые борта платформы наращивают досками сечением не менее 50 x 150 мм или горбылями толщиной не менее 50 мм и длиной 2700 мм, которые крепят со стороны груза к торцовым стойкам гвоздями длиной не менее 100 мм.

Торцовые стойки укрепляют растяжками из проволоки диаметром 6 мм в шесть нитей за первые стоечные скобы платформы от торцов. Через болтовые отверстия на обоих концах рамных рельсов, уложенных в верхнем ярусе штабеля, пропускают растяжки из проволоки диаметром 6 мм в четыре нити.

Переводные механизмы закрепляют двумя увязками из проволоки диаметром 6 мм в две нити за рамные рельсы. При этом проволоку необходимо пропускать через отверстия в рамных рельсах или в упорах, прикрепленных к ним, или в лафетных листах. Обе указанные увязки скручиваются.

В первые и третьи боковые стоечные скобы, считая от торцовых бортов платформы, устанавливают четыре пары стоек. Расстояние от верхних рамных рельсов до верхнего обреза стоек должно быть от 100 до 200 мм включительно. Противоположные боковые стойки скрепляют проволокой диаметром 6 мм в шесть нитей.

12. Размещение и крепление пикета пар

12.1. Вагонные колесные пары в количестве до 22 единиц с буксовыми узлами и без буксовых узлов размещают на платформе в один ярус (рис. 119 настоящей главы). Первую колесную пару размещают у торцового борта платформы со смещением к одному из боковых бортов и закрепляют со стороны торцовых бортов упорными брусками 2 сечением 100 x 100 мм и длиной 2000 мм. Между упорным бруском и торцовым бортом платформы напротив торцовых скоб устанавливают два распорных бруска 1 сечением 100 x 100 мм и длиной по месту исходя из имеющегося зазора. Бруски 1 и 2 скрепляют между собой строительными скобами из прутка не менее 8 мм. В торцовые скобы платформы устанавливают короткие стойки 6. Последующие колесные пары размещают вплотную друг к другу с поочередным смещением к противоположным боковым бортам симметрично относительно продольной плоскости симметрии платформы. Каждое колесо с обеих сторон укрепляют клиньями 5 высотой 50 мм, шириной 100 мм и длиной 250 мм (под колеса крайних колесных пар клинья ставят с внутренней стороны). Упорный брусок 2 закрепляют восемью гвоздями, клин 5 - двумя гвоздями диаметром 6 мм, длиной не менее 150 мм. Крайние колесные пары закрепляют с двух сторон растяжками 3 из проволоки диаметром 6 мм в четыре нити за стоечные скобы и за технологические отверстия в колесах либо за средние части оси вблизи колес. Каждые три крайние колесные пары скрепляют между собой увязкой 4 из проволоки диаметром 6 мм в две нити.

Рисунок 119

1 - распорный брусок; 2 - упорный брусок; 3 - растяжка; 4 - увязка; 5 - клин; 6 - стойка

12.2. Колесные пары думпкаров, чугуновозов и паровозов размещают на платформе в один ярус в количестве от 16 до 18 штук включительно (рис. 120 настоящей главы). Размещение и крепление их аналогично вагонным колесным парам. При погрузке колесных пар весом 1,9 т и более каждый упорный брусок 2 закрепляют десятью гвоздями, клин 5 - пятью гвоздями диаметром 6 мм и длиной 150 мм. Фигурные клинья 5 размещают вплотную друг к другу так, чтобы колесо опиралось на два клина и обеспечивалась сохранность пола платформы от повреждений гребнями колес.

Рисунок 120

1 - распорные бруски; 2 – упорные бруски; 3 - растяжки; 4 - увязка; 5 - клин; 6 - стойки.

12.3. Колесные пары электровозов и тепловозов (соответственно рис. 121а и 121б настоящей главы) размещают на платформе в один ярус на предварительно уложенные симметрично относительно продольной плоскости симметрии платформы продольные подкладки 2 сечением не менее 40 x 100 мм, которые закрепляют к полу платформы 15 гвоздями длиной 100 мм.

Рисунок 121

1 - упорный брусок; 2 - подкладка; 3 - клин; 4 - растяжка; 5 - увязка; 6 - стойка; 7 - распорный брусок

Первую колесную пару размещают на расстоянии не более 650 мм от торцового борта платформы, подкрепленного короткими деревянными стойками 6. Последующие колесные пары размещают вплотную друг к другу внакат за гребень. Крайние колесные пары укрепляют со стороны торцового борта платформы упорным бруском 1 сечением 100 x 100 мм и длиной 2000 мм. Между упорным бруском и торцовым бортом напротив скоб размещают два продольных распорных бруска 7 сечением 100 x 100 мм и длиной по месту. Бруски 1 и 7 скрепляют между собой строительными скобами из прутка не менее 8 мм.

Каждое колесо с обеих сторон укрепляют клиньями 3 размером не менее 75 x 100 x 250 мм, упорный брусок 1 закрепляют десятью гвоздями, клин - тремя или четырьмя соответственно для тепловозных или электровозных колесных пар длиной 150 мм.

Перед погрузкой колесных пар, не оборудованных буксовыми узлами, осевые шейки должны быть защищены от коррозии и повреждений.

13. Размещение и крепление тележек для изложниц

13.1. Четырехосные тележки для изложниц перевозят на платформах по 2 штуки вверх колесами. Перед погрузкой щеколды сцепов тележек должны быть сняты. Тележки размещают непосредственно на пол платформы вплотную друг к другу (рис. 122 настоящей главы).

Рисунок 122

1 - распорный брусок; 2,4 - стойка; 3 - упорный брусок

Со стороны торцовых бортов платформы вплотную к рамам тележек размещают упорные бруски 3 сечением 150 x 200 мм и длиной, равной ширине платформы. Каждый брусок закрепляют к полу платформы восемью гвоздями длиной 200 мм. Кроме упорных размещают также четыре распорных бруска 1 сечением 50 x 100 мм против каждой торцовой стойки платформы. Бруски 1 и 3 скрепляют между собой строительными скобами из прутка не менее 8 мм. Во все боковые и торцовые скобы платформы устанавливают короткие стойки 2 и 4.

13.2. Шестиосную тележку для изложниц устанавливают вверх колесами на две поперечные подкладки 2 на расстоянии 4500 мм друг от друга, симметрично относительно поперечной плоскости симметрии платформы (рис. 123 настоящей главы). Каждую подкладку, составленную из двух досок размером 40 x 150 x 2700 мм, закрепляют к полу платформы восемью гвоздями длиной 100 мм. Такую тележку закрепляют по торцам восемью упорными брусками 1 размером 100 x 150 x 1000 мм, каждый из которых закрепляют к полу платформы 12 гвоздями длиной 150 мм. Раму тележки закрепляют к стоечным скобам платформы 16 продольными и четырьмя поперечными растяжками 4 и 5 соответственно из проволоки диаметром 6 мм в восемь нитей. Растяжки закрепляют к отверстиям в раме тележки либо к специально приваренным уголкам 3 75 x 75 мм длиной 100 мм. Уголки приваривают по всей их длине к предварительно зачищенным поверхностям сварочным швом с катетом 8 мм. Крепление растяжек за боковины или колесные пары тележек не допускается.

Рисунок 123

1 - упорный брусок; 2 - подкладка; 3 - приваренный уголок; 4 - продольная растяжка; 5 - поперечная растяжка

14. Размещение и крепление стального проката в бунтах

Прокат толщиной от 5,5 до 24 мм включительно в бунтах диаметром от 1200 до 1400 мм включительно, толщиной бунта от 450 до 650 мм включительно и массой от 700 до 850 кг включительно размещают в полувагонах с глухими торцовыми стенами (рис. 124 - 126 настоящей главы) (не приводятся).

Бунты допускается грузить в бухтах - от трех до пяти бунтов в бухте.

Выступающая часть бунтов верхнего яруса над уровнем верхней обвязки полувагона не должна превышать 1/3 диаметра бунта.

В зависимости от грузоподъемности полувагона, спецификации на сталь и массы отправляемого груза размещение бунтов в полувагоне производится по одной из трех нижеприведенных схем.

14.1. Бунты размещают в полувагоне (рис. 124 настоящей главы) в два ряда по ширине и в два яруса по высоте. В нижнем ярусе, со стороны каждого торца полувагона, размещают по 12 бунтов (6 в каждом ряду), устанавливая их к противоположным боковым бортам полувагона. Затем во втором ярусе размещают равное первому ярусу количество бунтов, укладывая их к борту, противоположному нижнему ярусу. В середине полувагона в нижнем ярусе размещают 16 бунтов (по 8 в каждом ряду) с раздвижкой их поперек полувагона к боковым бортам, а во второй ярус укладывают один ряд бунтов между бунтами первого яруса, в "седло".

Рисунок 124

14.2. Бунты размещают в полувагоне в два ряда по ширине и два яруса по высоте полувагона (рис. 125 настоящей главы). В нижнем ярусе бунты размещают вплотную от торцов к середине полувагона. Верхний ярус бунтов размещают на бунты нижнего вплотную к противоположному борту полувагона.

Рисунок 125

14.3. Бунты размещают в полувагоне (рис. 126 настоящей главы) симметрично относительно его продольной и поперечной плоскостей симметрии в два яруса по высоте. В нижнем ярусе бунты устанавливают в два ряда по ширине вплотную к боковым бортам вагона. Бунты верхнего яруса устанавливают в один ряд, в "седло" между бунтами нижнего яруса.

Рисунок 126

15. Размещение и крепление рулонов листовой и полосовой стали, стальной ленты

15.1. Размещение и крепление неупакованных рулонов.

15.1.1. Рулоны полосовой стали массой до 2,5 т включительно и стальной ленты толщиной до 6 мм включительно и шириной до 700 мм включительно размещают по ширине платформы продольными рядами в следующем порядке. Рулоны с наружным диаметром от 600 до 650 мм включительно размещают в четыре ряда, диаметром свыше 650 мм до 900 мм включительно - в три ряда (рис. 127 настоящей главы), диаметром свыше 900 мм до 1300 мм включительно - в два ряда. Ряды рулонов размещают симметрично относительно продольной плоскости симметрии платформы.

Рисунок 127

1 – стойка; 2 –упорный брусок; 3 – продольная подкладка; 4 – увязка рядов рулонов; 5 – увязка рулонов, уложенных плашмя

В каждом ряду рулоны размещают наклонно или вертикально, а у торцовых бортов платформы размещают горизонтально на две продольные подкладки 3 сечением не менее 100 x 100 мм и длиной, равной длине платформы. Подкладки располагают одну от другой на расстоянии, равном половине диаметра устанавливаемого на них рулона. Подкладку закрепляют 17 гвоздями длиной не менее 150 мм. Подкладки могут быть составленными по длине из нескольких частей, укладываемых встык. Каждую составную часть подкладки независимо от ее длины закрепляют не менее чем двумя гвоздями.

На продольные подкладки вплотную к обоим торцовым бортам платформы укладывают по одному упорному бруску 2 сечением 50 x 150 мм и длиной не менее 2000 мм, прикрепляемому к каждой подкладке 3 двумя гвоздями длиной не менее 125 мм.

Оба продольных ряда рулонов, наклонно или вертикально размещенных, а также уложенных у торцового борта платформы горизонтально, скрепляют увязками 4 и 5 из проволоки диаметром 6 мм в две нити, при этом проволоку пропускают через отверстия рулонов. Если между полурядами наклонно размещенных рулонов посередине платформы остается зазор, то на каждую продольную подкладку укладывают вдоль платформы распорные бруски сечением не менее 75 x 100 мм и длиной, равной величине зазора. Каждый распорный брусок закрепляют к полу платформы тремя гвоздями длиной не менее 125 мм. Во все стоечные скобы устанавливают короткие стойки 1.

15.1.2. Рулоны массой до 2 т включительно размещают в полувагонах на четырех подкладках 1 сечением не менее 50 x 100 мм двумя продольными рядами симметрично относительно его продольной и поперечной плоскостей симметрии в два яруса. В середине полувагона размещают один рулон (рис. 128 настоящей главы). Подкладки могут быть сплошными по всей длине полувагона или составными, при этом стык должен находиться на поперечных балках полувагона. Расстояние между подкладками должно быть не менее 700 мм, а от подкладки до боковой стены и хребтовой балки полувагона - не более 400 мм.

Рисунок 128

1 – подкладка; 2 – торцовый щит

Зазоры между рулонами вдоль и поперек вагона не должны превышать 30 мм. Торцовые двери ограждают щитами 2. Люковые закидки полувагонов увязывают в соответствии с пунктом 1.5 настоящей главы.

15.1.3. Рулоны диаметром до 1400 мм включительно и массой от 3,5 до 4,5 т включительно размещают в полувагоне вертикально на подкладках 2 сечением не менее 50 x 100 мм в один ярус по высоте, в два-три ряда по ширине симметрично относительно продольной и поперечной плоскостей симметрии полувагона (рис. 129 настоящей главы). При наличии между двумя группами рулонов свободного пространства посередине полувагона на подкладки размещают распорные бруски 1. Каждый распорный брусок 1 закрепляют к подкладкам 2 не менее чем восемью гвоздями длиной 150 мм. Торцовые двери ограждают щитами 3. Люковые закидки полувагонов увязывают в соответствии с пунктом 1.5 настоящей главы.

Рисунок 129

1 – распорный брусок; 2 – подкладка; 3 – торцовый щит

15.1.4. Рулоны диаметром до 1400 мм включительно, массой от 9,0 до 11,0 т включительно размещают по длине полувагона тремя группами, расположенными в торцовых и средней частях кузова (рис. 130 настоящей главы). При перевозке рулонов в полувагонах с разгрузочными люками между поперечными балками размещают выравнивающие подкладки 1 сечением 50 x 150 мм и длиной, равной ширине кузова, опирающиеся на гофры люков, хребтовую балку и угольники нижней обвязки. Выравнивающие подкладки 1 размещают симметрично относительно плоскости симметрии рулона на расстоянии между продольными осями, равном половине наружного диаметра рулона. На выравнивающие подкладки 1 параллельно друг другу вдоль полувагона размещают пять подкладок 2 сечением 50 x 150 мм. При этом среднюю подкладку размещают над хребтовой балкой полувагона. Три средние подкладки размещают по всей длине кузова полувагона, а крайние - по длине, превышающей длину групп рулонов на величину, необходимую для установки упорных (ограждающих) брусьев. Средние подкладки должны быть составными по длине из двух частей. Расстояние между продольными осями подкладок - от 450 до 500 мм включительно. Подкладки 2 закрепляют к выравнивающим подкладкам 1 гвоздями длиной 100 мм - по два гвоздя на каждое соединение. Вплотную к торцовым порожкам полувагона на подкладки 2 размещают упорные бруски 4 сечением не менее 90 x 90 мм и длиной, равной ширине кузова полувагона, которые закрепляют к подкладкам гвоздями длиной 150 мм - по два гвоздя на каждую подкладку. Рулоны размещают, по возможности, вплотную к торцовому упорному бруску 4 и друг к другу, при этом у торцового порожка полувагона размещают один рулон. Зазоры между соседними рулонами, а также между рулоном и торцовым упорным бруском должны быть не более 30 мм. От продольных перемещений группы рулонов закрепляют упорными брусками 4, аналогичными торцовым по размерам и креплению. Упорные бруски подкрепляются продольными брусками 3 сечением не менее 50 x 150 мм, устанавливаемыми в распор между упорными брусками и прибиваемыми к каждой продольной подкладке гвоздями длиной 120 мм - по шесть на каждый брусок. Центральный рулон закрепляется упорными брусками 4 сечением не менее 90 x 90 мм и длиной не менее общей ширины расположения центральных подкладок.

Рисунок 130

1 – выравнивающая подкладка; 2 – подкладка; 3 - продольный брусок; 4 – упорный брусок

Люковые закидки полувагонов увязывают в соответствии с пунктом 1.5 настоящей главы.

15.1.5. Рулоны диаметром от 1450 до 1600 мм включительно, массой от 9,0 до 15,0 т включительно размещают по длине полувагона тремя группами, расположенными в торцовых и средней частях кузова полувагона (рис. 131 настоящей главы).

Рисунок 131

1 – выравнивающая подкладка; 2 – подкладка; 3 - продольный брусок; 4 – упорный брусок

Рулоны размещают по возможности вплотную к торцовому упорному бруску 4, бортам полувагона и друг к другу. Среднюю подкладку 2 размещают над хребтовой балкой полувагона, а остальные - параллельно средней на расстоянии от 300 до 350 мм включительно и от 650 до 700 мм включительно друг от друга. Подкладки 2 могут быть составными по длине (при стыковании их на поперечных балках). Дополнительно упорные бруски 4 центрального рулона также подкрепляются продольными брусками 3, как и упорные бруски рулонов группы.

Люковые закидки полувагонов увязывают в соответствии с пунктом 1.5 настоящей главы.

15.1.6. Размещение и крепление в полувагонах рулонов листовой стали массой от 3,0 до 10,0 т включительно, шириной полосы от 1000 до 1600 мм включительно, наружным диаметром от 860 до 1350 мм включительно может производиться с использованием комплекта из двух металлических рам, сделанных по проекту 005Д-1В АО "Северсталь" (рис. 132 настоящей главы).

Рисунок 132

Металлические рамы являются многооборотной возвратной тарой. Указанные рамы изготавливаются из сварных балок коробчатого сечения. На верхние плоскости продольных балок по длине 4200 мм приварены угольники размером 70 x 70 x 5 мм, которые образуют три ложемента (секции) для укладки рулонов на образующую. Масса рамы 1100 кг. Для погрузки рулонов рамы размещают в полувагоне вплотную к торцовым порожкам симметрично относительно продольной плоскости симметрии полувагона. Зазоры более 50 мм между торцами поперечных балок рамы и бортами полувагона должны быть заполнены брусками сечением не менее 50 x 50 мм и длиной не менее 500 мм, прикрепляемыми к раме. В свободное пространство между рамами размещают три продольных распорных бруска сечением не менее 90 x 90 мм, которые фиксируются двумя поперечными скрепляющими досками сечением 25 x 100 мм и длиной, равной ширине полувагона. Скрепляющие доски закрепляют к распорным брускам гвоздями длиной 120 мм - по два гвоздя в каждое соединение.

Рулоны размещают продольными рядами в ложементы рам симметрично относительно продольной плоскости симметрии полувагона. Размещение рулонов на рамах должно производиться в соответствии с требованиями к расположению общего центра тяжести груза в полувагоне. Варианты размещения рулонов приведены на рисунке 133 (не приводится) настоящей главы. Размещение рулонов должно производиться начиная от торцовых дверей полувагона. В крайние секции шириной 800 мм допускается размещать рулоны диаметром не менее 960 мм. Рулоны в крайних ячейках центральной секции размещают вплотную к концевым поперечным балкам. Крайние рулоны рядов, а также всей группы на раме должны быть размещены вплотную к концевым поперечным балкам соответствующей секции. Пространство величиной 50 мм и более между торцами рулонов должно быть заполнено брусками сечением (50 - 100) x 100 мм и длиной не менее 900 мм, которые укладываются на угольники ложементов.

Исправное техническое состояние металлических рам обеспечивает грузоотправитель.

Рисунок 133

1 – рама; 2 – брус сечением 50-100х100 мм; 3 – распорный брусок; 4 – скрепляющая доска

Схема погрузки металлических рам при возврате приведена на рисунке 134 настоящей главы.

Рисунок 134

15.1.7. Размещение и крепление в полувагонах рулонов листовой стали массой от 5,0 до 18,0 т включительно, шириной полосы свыше 900 мм до 1800 мм включительно, наружным диаметром свыше 1100 мм до 1600 мм включительно может производиться с использованием комплекта из двух металлических рам, сделанных по проекту 14775-1.1СБ АО "Северсталь" (рис. 135 настоящей главы).

Рисунок 135

1 – рама; 2 – передвижная балка

Металлические рамы являются многооборотной возвратной тарой. Указанные рамы изготавливаются из сварных балок коробчатого сечения, которые образуют продольный ложемент для укладки рулонов на образующую. Рамы имеют одну упорную торцовую стенку и передвижные поперечные балки, предназначенные для закрепления рулонов по торцам. Балки фиксируются на верхней плоскости рамы вертикальными фиксаторами, устанавливаемыми в отверстия рамы. Отверстия расположены с шагом 90 мм. Масса рамы 2200 кг.

Исправное техническое состояние металлических рам обеспечивает грузоотправитель.

Для погрузки рулонов рамы размещают в полувагоне вплотную к торцовым порожкам полувагона торцами с упорными стенками. В свободное пространство между рамами размещают три продольных распорных бруска сечением не менее 90 x 90 мм, которые фиксируются двумя поперечными скрепляющими досками сечением 25 x 100 мм и длиной, равной ширине полувагона.

Скрепляющие доски закрепляют к распорным брускам гвоздями длиной 120 мм - по два гвоздя в каждое соединение.

Варианты размещения рулонов приведены на рисунке 136 (не приводится) настоящей главы. Рулоны должны быть размещены симметрично относительно поперечной плоскости симметрии полувагона. Размещение рулонов на рамах должно производиться в соответствии с требованиями к расположению общего центра тяжести груза в полувагоне. Погрузка рулонов должна производиться начиная от торцовых дверей полувагона (вплотную к упорным стенкам рам). Рулоны должны размещаться по возможности вплотную друг к другу. Группы рулонов на каждой раме закрепляют от продольного смещения передвижными балками, располагаемыми по возможности вплотную к торцам рулонов. Зазоры величиной 40 мм и более между рулонами или между рулоном и балкой, образующиеся из-за дискретности расположения балок, должны быть заполнены брусками сечением (40 - 90) x 90 мм и длиной не менее 2000 мм, которые укладываются на верхнюю плоскость рамы.

Допускается с целью максимального использования грузоподъемности полувагона размещать рулоны на концах рам без упорных стенок (рис. 136а настоящей главы). В этом случае рулон ограждается дополнительной передвижной балкой, а пространство между рулонами, размещенными таким образом, должно быть заполнено поперечными брусками сечением не менее 90 x 90 мм и длиной 2800 мм, которые должны быть прибиты к продольным распорным брускам, уложенным между рамами.

Рисунок 136

1- рама; 2 – передвижная балка; 3 – продольный распорный брусок; 4 – поперечный распорный брусок; 5 – скрепляющая доска

Допускается также размещение одного рулона в центре полувагона с опорой на обе рамы (рис. 136д, е настоящей главы). В этом случае рулон ограждается двумя дополнительными передвижными балками с соблюдением вышеизложенных требований.

Схема погрузки металлических рам при возврате приведена на рисунке 137 настоящей главы.

Рисунок 137

1- рама в сборе с поперечной балкой; 2- обвязка; 3- продольный распорный брусок; 4- скрепляющая доска; 5- фиксатор; 6- увязка

Рамы размещаются в полувагоне двумя штабелями по длине, в четыре яруса по высоте, вплотную к торцовым порожкам. Передвижные поперечные балки должны быть закреплены на рамах фиксаторами на расстоянии от 700 до 1000 мм включительно от свободного торца; фиксаторы должны быть закреплены на балке увязками из проволоки диаметром 4 мм в две нити. В каждом штабеле рамы скрепляют двумя обвязками из проволоки диаметром 6 мм в две нити. В свободное пространство между штабелями на пол полувагона размещают три продольных распорных бруска сечением не менее 90 x 90 мм, которые фиксируются двумя поперечными скрепляющими досками сечением 25 x 100 мм и длиной, равной ширине полувагона. Скрепляющие доски закрепляют к распорным брускам гвоздями длиной 120 мм - по два гвоздя в каждое соединение.

15.1.8. Размещение и крепление в полувагонах рулонов листовой стали массой от 5,0 до 30,0 т включительно, шириной полосы свыше 1100 мм до 1800 мм включительно, наружным диаметром свыше 1300 мм до 2150 мм включительно может производиться с использованием комплекта из двух металлических рам, сделанных по проекту 64295-1.1СБ АО "Северсталь" (рис. 138 настоящей главы).

Рисунок 138

1 – рама; 2 – передвижная упорная балка

Металлические рамы являются многооборотной возвратной тарой. Указанные рамы изготавливаются из сварных балок коробчатого сечения и листового металла и имеют продольный ложемент для укладки рулонов на образующую. Рамы имеют одну упорную торцовую стенку и передвижные упорные балки, предназначенные для закрепления рулонов по торцам. Балки закрепляются на верхней плоскости рамы штырями-фиксаторами, вставляемыми в отверстия рамы. Отверстия расположены с шагом 80 мм. Шаг фиксации упорных балок - 40 мм. Масса рамы - 3140 кг.

Исправное техническое состояние металлических рам обеспечивает грузоотправитель.

Для погрузки рулонов рамы следует размещать в полувагоне торцами с упорными стенками вплотную к торцовым порожкам. Зазор между рамами в центре полувагона величиной менее 350 мм заполняют пакетом брусков сечением (50 - 90) x 90 мм, скрепленных между собой гвоздями длиной 120 мм непосредственно либо с помощью накладок из доски сечением 25 x 100 мм; при этом по крайней мере один брусок должен иметь длину не менее 2700 мм, остальные - не менее 1900 мм.

Варианты размещения рулонов приведены на рисунке 139 (не приводится) настоящей главы. Рулоны должны быть размещены симметрично относительно поперечной плоскости симметрии полувагона. Размещение рулонов на рамах должно производиться в соответствии с требованиями к расположению общего центра тяжести груза в полувагоне. Погрузка рулонов должна производиться начиная от торцовых дверей полувагона (вплотную к упорным стенкам рам). Рулоны следует размещать по возможности вплотную друг к другу. Группы рулонов на каждой раме закрепляют от продольного смещения передвижными упорными балками, располагаемыми по возможности вплотную к торцам рулонов. Зазоры величиной 40 мм и более между торцами рулонов или между рулоном и балкой должны быть заполнены брусками сечением 40 x 90 мм и длиной не менее 2000 мм, которые укладывают на верхнюю плоскость рамы.

При величине зазора более 350 мм в него устанавливают центральную распорную клетку из брусков сечением не менее 90 x 90 мм (рис. 139б, в, г, д настоящей главы), при этом поперечные бруски должны иметь длину, равную ширине кузова, а продольные - по месту; расстояние между крайними продольными брусками - 1800 мм. Между рамами и бортами полувагона напротив боковых стоек размещают боковые распорные клетки из брусков сечением не менее 90 x 90 мм; длина клеток (вдоль полувагона) - не менее 500 мм, ширина - по месту. Между торцами боковых упорных угольников рам и бортами полувагона устанавливают боковые распорные бруски сечением не менее 90 x 90 мм и длиной не менее 230 мм. Боковые распорные клетки и бруски должны быть закреплены от продольного смещения.

Рисунок 139

1- рама; 2- передвижная упорная балка; 3- пакет распорных брусков; 4- боковая распорная клетка; 5- боковой распорный брусок; 6- центральная распорная клетка

Допускается с целью максимального использования грузоподъемности полувагона размещение одного рулона в центре полувагона с опорой на обе рамы (рис. 139в, г, д настоящей главы). В этом случае рулон ограждается двумя дополнительными передвижными балками с соблюдением вышеизложенных требований.

Схема размещения металлических рам при возврате приведена на рисунке 140 настоящей главы. Рамы размещаются в полувагоне двумя штабелями по длине, в три яруса по высоте, вплотную к торцовым порожкам. Передвижные поперечные балки должны быть закреплены на рамах штырями-фиксаторами; штыри-фиксаторы должны быть закреплены на балке увязками из проволоки диаметром 4 мм в две нити. В каждом штабеле рамы скрепляют двумя обвязками из проволоки диаметром 6 мм в две нити. В свободное пространство между штабелями на пол полувагона размещают пакет брусков или распорную клетку так же, как и при погрузке рулонов.

Рисунок 140 – Схема погрузки рам черт. 64295-1.1СБ АО "Северсталь" при возврате 1- рама в сборе с поперечной балкой; 2- обвязка; 3- центральная распорная клетка (либо пакет брусков); 4- боковая распорная клетка; 5- увязка; 6- штырь фиксатор

15.1.9. Размещение и крепление в полувагонах рулонов листовой стали массой от 2,0 до 21 т, наружным диаметром от 1000 до 2000 мм включительно, внутренним диаметром 750 мм, высотой от 470 до 1600 мм включительно может осуществляться с использованием многооборотных металлических рам конструкции ОАО "НЛМК", г. Липецк (ТУ 14-106-586-97, проект 69581-002) (рис. 141 настоящей главы).

Рисунок 141

1 – продольная балка; 2 – торцовая упорная балка; 3 – концевая упорная балка; 4 – промежуточная поперечная балка

Металлическая рама представляет собой стальную сварную конструкцию из трубчатого профиля прямоугольного сечения. Рама состоит из четырех продольных балок 1, усиленных приваренной стальной полосой 5, торцовой 2 и концевой 3 упорных балок, промежуточных поперечных балок 4. В верхних полках балок 1, 3 и 4 выполнены отверстия для установки упоров. Масса рамы составляет 1000 кг, длина - 5950 мм, ширина - 2780 мм.

Грузоотправитель отвечает за соответствие металлических рам требованиям технической документации и их исправное техническое состояние.

Упор (рис. 142 настоящей главы) для закрепления рулонов на раме представляет собой сварную конструкцию, включающую палец 1 и направляющую втулку 2, объединенные пластиной 3 и ребрами 4 и 5. Расстояние между осями пальца и направляющей втулки равно шагу отверстий в балках рамы.

Рисунок 142

1 – палец; 2 – направляющая втулка; 3 – пластина; 4, 5 – ребра

Для погрузки рулонов рамы размещают в полувагоне симметрично относительно его продольной и поперечной плоскостей симметрии торцовыми упорными балками вплотную к торцовым порожкам (за исключением особо описанных случаев). Зазоры более 50 мм между рамами в центре полувагона должны быть заполнены брусками высотой не менее 80 мм и длиной не менее 2700 мм.

При использовании полувагона длиной кузова более 12 080 мм (за исключением особо описанных случаев) между многооборотными рамами 1 в середине полувагона должна быть размещена распорная деревянная рама (рис. 143 настоящей главы), состоящая из трех распорных брусков 3 сечением не менее 80 x 90 мм, скрепленных между собой двумя досками 2 сечением не менее 25 x 100 мм. Каждую доску закрепляют к брускам гвоздями длиной не менее 100 мм - по два в каждое соединение.

Рисунок 143

1 – многооборотная рама; 2 - скрепляющая доска; 3 – распорный брусок

С целью обеспечения возможности использования полувагонов с длиной кузова более 12 080 мм, а также исключения необходимости увязки рам в полувагонах длиной кузова 12 080 мм при длине погрузки на каждой раме менее 3000 мм целесообразно размещать в центре полувагона, с опорой на обе рамы, рулоны суммарной массой не менее 20% общей массы (рис. 144п, 144т - 144ф настоящей главы) (не приводятся). В случаях, когда длина погрузки рулонов на каждой раме составляет менее 3000 мм и отсутствует возможность выполнения вышеприведенного условия, использование полувагонов длиной кузова более 12 080 мм не допускается. Также при размещении в полувагонах с длиной кузова 12 080 мм, в случаях, когда длина погрузки рулонов на каждой раме менее 3000 мм и отсутствует возможность выполнения вышеприведенного условия, рамы размещают вплотную друг к другу. Концевые упорные балки рам в центре полувагона должны быть соединены двумя увязками из проволоки диаметром 6 мм в две нити либо стальной ленты сечением не менее 1,0 x 30 мм. Зазоры более 50 мм между рамами и торцовыми порожками полувагона должны быть заполнены брусками высотой не менее 80 мм и длиной не менее 2700 мм.

Размещение рулонов следует производить начиная от торцов полувагона вплотную к торцовым упорным балкам рам. Каждый рулон должен опираться не менее чем на две продольные балки рамы. На каждой раме рулоны размещают по возможности вплотную друг к другу симметрично относительно продольной плоскости симметрии полувагона по количеству, массе и расположению. Зазоры между соседними рулонами, а также между рулоном и упором должны быть не более 40 мм, сумма зазоров в последовательном ряду (цепочке) рулонов от торцовой балки до соответствующего упора должна быть не более 250 мм. Допускается такое размещение, при котором отдельные рулоны одной рамы расположены кососимметрично относительно рулонов другой рамы при условии обеспечения симметричности масс рулонов относительно продольной плоскости симметрии в пределах каждой рамы. Суммарные массы рулонов на каждой раме должны быть равны.

С целью наиболее полного использования грузоподъемности полувагона допускается размещение одиночного рулона в центре кузова с опорой на обе рамы.

При размещении по схемам, приведенным на рисунках 144а, б, д, е, и, л, о - х (не приводятся) настоящей главы, должна быть обеспечена устойчивость рулонов от опрокидывания в продольном направлении. С этой целью рулоны, имеющие отношение высоты к наружному диаметру H/Dн более 0,85, должны быть объединены увязками из стальной ленты сечением не менее 1 x 30 мм в количестве трех штук или проволоки диаметром 6 мм в две нити, расположенные на расстоянии 100 - 300 мм от верхнего торца рулона. Примеры установки увязок приведены на рисунках 144о, х настоящей главы.

Количество рулонов на каждой раме должно определяться исходя из грузоподъемности полувагона с учетом массы рам.

Закрепление рулонов на раме обеспечивают установкой упоров таким образом, что палец упора помещается в ближайшее к поверхности рулона отверстие, а направляющая втулка - в соседнее отверстие на той же балке. При закреплении в продольной направлении упор должен быть установлен на продольной балке, при креплении в поперечном направлении - на поперечной балке.

Комплекты рулонов диаметром от 1000 до 1300 мм включительно, а также смешанные комплекты, состоящие из рулонов диаметром от 1000 до 1300 мм включительно и рулонов диаметром от 1000 до 1650 мм включительно, размещают и закрепляют на рамах в шахматном порядке (рис. 144а - 144з настоящей главы) (не приводятся). Рулоны большего диаметра должны располагаться на продольной плоскости симметрии полувагона. При необходимости осуществления неполной загрузки полувагона рулоны диаметром от 1000 до 1300 мм включительно могут быть размещены также по схемам (рис. 144о, т, х настоящей главы). Группы рулонов на обеих рамах должны быть закреплены упорами; одиночный рулон в центре полувагона (рис. 144б настоящей главы) закрепляют при возможности установки упоров.

Рулоны диаметром свыше 1300 мм до 1430 мм включительно размещают и закрепляют в соответствии со схемами (рис. 144и - 144к настоящей главы) двумя продольными рядами вплотную к боковым стенам. Смешанные комплекты, состоящие из рулонов диаметром свыше 1300 мм до 1430 мм включительно и рулонов других диаметров, размещают и закрепляют в соответствии со схемами (рис. 144л - 144п настоящей главы). Рулоны диаметром свыше 1300 мм до 1430 мм включительно размещают двумя продольными рядами вплотную к боковым стенам, рулоны других диаметров - вплотную к ним на продольной плоскости симметрии полувагона. При необходимости осуществления неполной загрузки полувагона рулоны диаметром свыше 1300 мм до 1430 мм включительно могут быть размещены также по схемам рисунков 144т, х настоящей главы. Группы рулонов на обеих рамах должны быть закреплены упорами; одиночный рулон в центре полувагона (рис. 144б настоящей главы) закрепляют при возможности установки упоров.

Рисунок 144

1 – рама; 2 – рулон диаметром от 1000 до 1300 мм включительно; 3 – рулон диаметром от 1000 до 1650 мм включительно; 4 – упор; 5 – упорный брусок; 6 – увязка рам; 7 – распорный брусок; 8 – распорная рама; 9 – увязка рулонов

Комплекты рулонов диаметром свыше 1430 мм до 1650 мм включительно размещают и закрепляют на рамах в соответствии со схемами рисунков 144р, с настоящей главы, а при необходимости осуществления неполной загрузки полувагона - также по схемам рисунков 144т - 144х настоящей главы.

Рулоны наружным диаметром до 2000 мм включительно размещают и закрепляют в соответствии со схемами рисунков 144т - 144х настоящей главы.

Допускается размещение и крепление пакетов из двух рулонов одинакового диаметра, закрепленных на поддоне с опорой на торец. Ответственность за надежность крепления рулонов и пакетов рулонов к поддонам несет грузоотправитель.

Строповка рам при погрузке и выгрузке производится за проушины одной из продольных балок.

Размещение металлических рам в полувагоне при возврате выполняют в соответствии со схемой, приведенной на рисунке 145 настоящей главы. Высота погрузки рам не должна превышать высоты бортов полувагона.

Рисунок 145

15.1.10. Размещение и крепление рулонов листовой стали массой от 3,5 до 20 т включительно, шириной полосы от 1000 до 1800 мм включительно, наружным диаметром от 1000 до 1600 мм включительно может производиться на платформах, оборудованных специальными рамами по проектам 76329 и 76347 ОАО "НЛМК". Рамы закреплены на платформе посредством сварки. Борта платформы демонтированы. Рамы представляют собой сварную конструкцию из стальных профилей и листовой стали и имеют продольный ложемент для укладки рулонов на образующую. Рамы имеют упорные торцовые стенки и передвижные поперечные балки, предназначенные для закрепления рулонов в продольном направлении. Балки фиксируются на верхней плоскости рамы вертикальными фиксаторами, устанавливаемыми в отверстия балки и рамы. Отверстия расположены с шагом 100 мм.

Варианты размещения рулонов приведены на рисунке 146.

Рисунок 146

1 – рулон; 2- рама; 3 – поперечная балка

В зависимости от массы рулонов их размещают в количестве от 3 до 10 штук включительно. Четное число рулонов располагают на раме двумя группами (рис. 146а - 146г настоящей главы) (не приводятся); при нечетном числе рулонов один рулон размещают посередине рамы (рис. 146д - 146з настоящей главы) .

Общая масса погруженных рулонов с учетом массы оборудования и за вычетом массы демонтированных бортов не должна превышать грузоподъемности платформы.

Допускается размещение в каждой группе рулонов различной массы и размеров при условии соблюдения требований главы 1 настоящих ТУ к расположению общего центра тяжести груза.

Размещение рулонов должно производиться начиная от торцовых частей платформы (вплотную к упорным стенкам рамы). Рулоны большей массы размещают в торцовых частях платформы. Рулоны должны размещаться по возможности вплотную друг к другу. Группы рулонов 1 на раме 2 закрепляют от продольного смещения передвижными балками 3, располагаемыми по возможности вплотную к торцам рулонов. Центральный рулон закрепляют с обеих сторон двумя дополнительными балками. Фиксаторы передвижных балок должны быть зашплинтованы проволокой диаметром не менее 4 мм в один оборот с закруткой концов проволоки в три оборота. Длина скрученных концов проволоки должна быть не более 100 мм. Зазоры между балками и рулонами должны быть заполнены наборами досок длиной, равной длине балки. Доски, предохраняющие торцы рулонов от повреждений, закрепляют к вертикальной плоскости передвижных поперечных балок гвоздями.

При невозможности размещения для крепления рулонов в продольном направлении двух упорных балок между группами рулонов разрешается размещать в центре одну балку или производить погрузку по всей длине платформы без применения упорных балок. При этом имеющиеся зазоры между рулонами выбирают с помощью деревянных брусков.

Зазоры величиной 40 мм и более между рулонами или между рулоном и балкой, образующиеся из-за дискретности расположения балок, должны быть заполнены брусками сечением (20 - 80) x 100 мм, которые укладываются на верхнюю плоскость ложементов рамы.

Исправное техническое состояние рам обеспечивает грузоотправитель.

15.2. Размещение и крепление упакованных рулонов на поддонах.

15.2.1. Рулоны массой от 3,0 до 3,5 т включительно, диаметром от 780 до 1150 мм включительно, шириной полосы не более 1000 мм на деревянных поддонах размером 800 x 800 мм и 1000 x 1000 мм размещают в полувагонах. Каждый рулон защищен кожухом от атмосферных осадков и закреплен к поддону ленточной увязкой (рис. 147 настоящей главы).

Рисунок 147

1 – сталь в рулоне; 2 – кожух; 3 – поддон; 4 – ленточная увязка

Поддоны изготавливают из деревянных брусков сечением 80 x 100 мм, которые скрепляют между собой гвоздями длиной 150 мм - по два в каждый стык. Дополнительно бруски скрепляют пластинами и фигурными уголками из листа толщиной 2 мм.

Рулоны размещают начиная от торцов полувагона с соблюдением следующих требований. Полозы поддонов, размещаемых рядами, должны быть ориентированы вдоль полувагона. Зазоры между соседними рулонами (или их поддонами) должны быть не более 80 мм. Каждую группу рулонов от продольного смещения закрепляют усиленными щитами. В случаях опирания рулона на крышку люка всей площадью поддона рулон должен быть установлен на две поперечные подкладки сечением 40 x 80 м и длиной 1400 мм, опирающиеся на хребтовую балку и угольник нижней обвязки полувагона. Подкладки должны быть расположены на расстоянии от 100 до 150 мм включительно от края поддона. На поперечную балку, если расстояние от края поддона до балки не превышает 300 мм, под рулон на крышку люка должна быть уложена одна подкладка. Если расстояние составляет более 300 мм, допускается подкладку не устанавливать. При погрузке рулонов в глуходонные полувагоны подкладки не устанавливают.

Размещение и крепление рулонов массой до 3,5 т производится с использованием металлических щитов (рис. 148 настоящей главы), выполненных по проектам ОАО "НЛМК" (проекты 11.71.98 и 11.71-99-01).

Рисунок 148

15.2.2. Рулоны массой до 3,5 т включительно на поддонах размером 1000 x 1000 мм размещают и закрепляют в количестве 20 штук (рис. 149 настоящей главы). Вплотную к торцовым металлическим щитам 1 устанавливают два рулона с раздвижкой их к боковым стенам полувагона.

Рисунок 149

1 – щит металлический; 2 – щит металлический усиленный; 3, 7 –распорный брусок; 4 – планка соединительная; 5 – растяжка; 6 – подкладка

а - щит металлический; б – щит металлический усиленный 1 – швеллер №12 длиной 2800 мм; 2 – швеллер N 12 длиной 800 мм; 3 – брусок сечением 80х100 мм и длиной 2800 мм

Между ними размещают один рулон, поворачивая его так, чтобы диагональ поддона была параллельна продольной плоскости симметрии полувагона. Чередуя таким образом, размещают с каждой стороны полувагона восемь рулонов. Последние два рулона каждой группы устанавливают вплотную друг к другу в середине полувагона.

Каждую группу из десяти рулонов закрепляют от продольного смещения усиленными металлическими щитами 2, между которыми в специальные направляющие на щитах устанавливают распорные бруски 7 сечением 80 x 100 мм, и закрепляют их гвоздями длиной не менее 80 мм через отверстия в направляющих. Всего устанавливают четыре бруска - по два напротив каждой поперечной балки щита. Дополнительно щиты фиксируют растяжками 5 диаметром 6 мм в четыре нити за средние увязочные устройства полувагона.

От продольного смещения рулоны каждой группы, расположенные у боковых стен полувагона, раскрепляют между собой распорными брусками 3 сечением 80 x 100 мм и длиной по месту, предварительно прикрепленными к планке 4 сечением 25 x 100 мм двумя гвоздями. Концы планки закрепляют к поддонам - каждый двумя гвоздями.

15.2.3. Рулоны массой до 3 т включительно на поддонах размером 800 x 800 мм размещают в полувагоне в количестве 22 и 24 штук (соответственно рис. 150 и 151 настоящей главы).

Рисунок 150

1 – щит металлический; 2 – щит металлический усиленный; 3 – растяжка

Рисунок 151

1 – щит металлический; 2 – щит металлический усиленный; 3 – растяжка

После размещения первых пяти рулонов (три рулона - в один ряд поперек полувагона и два рулона - с поворотом поддонов) их ограждают металлическим щитом 1, который фиксируют растяжками 3 из проволоки диаметром 6 мм в шесть нитей за средние и нижние увязочные устройства полувагона.

После погрузки оставшихся рулонов устанавливают усиленные металлические щиты 2 для удержания группы рулонов от продольного смещения, закрепляя каждый проволочными растяжками 3 диаметром 6 мм в шесть нитей за средние и нижние увязочные устройства полувагона.

16. Размещение и крепление труб

Стальные трубы, в том числе с полиэтиленовым покрытием, диаметром до 159 мм включительно увязывают в связки в соответствии с пунктом 2.1 настоящей главы.

Допускается увязывать в связки трубы диаметром свыше 159 мм до 219 мм включительно.

При размещении в одном вагоне труб различного диаметра сначала размещают трубы меньшего диаметра, а затем на них укладывают более крупные, либо трубы меньшего диаметра размещают между трубами большего диаметра.

16.1. Размещение и крепление труб в полувагонах.

Стальные трубы длиной от 10 500 до 12 000 мм включительно диаметром от 530 до 1420 мм включительно размещают симметрично относительно продольной и поперечной плоскостей симметрии полувагона.

Погрузку первого (нижнего) яруса труб (кроме труб диаметром 720 и 1420 мм) производят на две подкладки сечением 40 x 100 мм и длиной, равной ширине кузова полувагона, которые размещают над шкворневыми балками.

16.1.1. Трубы диаметром 530 мм размещают пятью продольными рядами в количестве 27 штук (рис. 152 настоящей главы).

Рисунок 152

16.1.2. Трубы диаметром 630 мм размещают четырьмя продольными рядами в количестве 19 штук (рис. 153 настоящей главы).

Рисунок 153

16.1.3. Трубы диаметром 720 мм размещают в полувагоны с объемом кузова до 70,0 м3 включительно в количестве 15 штук и с объемом кузова более 70,0 м3 - в количестве 17 штук (соответственно рис. 154 и 155 настоящей главы).

Рисунок 155

При погрузке 15 труб на каждую шкворневую балку поперек полувагона вплотную к бортам размещают два деревянных бруска размером 150 x 180 x 450 мм.

Рисунок 156

16.1.4. Трубы диаметром 820 мм размещают тремя продольными рядами в количестве 11 штук (рис. 157 настоящей главы).

Рисунок 157

16.1.5. Трубы диаметром 1020 мм размещают в количестве 6 штук (рис. 158 настоящей главы).

Рисунок 158

Перед погрузкой шестой трубы на среднюю (третью) трубу укладывают две деревянные прокладки высотой 120 мм и шириной не менее 150 мм.

16.1.6. Трубы диаметром 1220 мм размещают в количестве 5 штук (рис. 159 настоящей главы) (не приводится).

Рисунок 159

После размещения первого яруса труб над шкворневыми балками полувагона размещают две прокладки сечением 25 x 150 мм и длиной, равной ширине кузова полувагона, на которые прибивают по четыре клина размером 150 x 150 x 300 мм тремя гвоздями длиной 175 мм.

16.1.7. Трубы диаметром 1420 мм размещают в количестве 4 штук (рис. 160 настоящей главы) (не приводится). Первый (нижний ярус) труб укладывают непосредственно на пол полувагона.

Рисунок 160

После размещения первого яруса труб над шкворневыми балками полувагона размещают две прокладки сечением не менее 25 x 150 мм и длиной, равной ширине кузова полувагона, на которые прибивают по четыре клина размером 150 x 150 x 300 мм тремя гвоздями длиной 175 мм.

16.1.8. От продольного и поперечного смещений трубы закрепляют тремя проволочными обвязками из проволоки диаметром 6 мм в четыре нити (для труб, уложенных в верхней суженной части габарита погрузки - "шапке") и двумя обвязками для труб, выступающих над уровнем бортов полувагона не более половины их диаметра.

Обвязки закрепляют за верхние или нижние увязочные устройства, расположенные на шкворневых и промежуточных стойках полувагона.

Трубы, погруженные в "шапке", закрепляют в следующем порядке (рис. 161 настоящей главы).

Рисунок 161

Перед погрузкой последнего яруса труб диаметром 720 мм (при размещении их в полувагоне в количестве 15 штук), 820, 1220 мм, а также при размещении труб диаметром 530, 620, 720 мм (при погрузке их в полувагоне в количестве 17 штук) перед погрузкой верхних двух ярусов размещают нижнюю плеть проволоки диаметром 6 мм в две нити с пропуском петли через увязочное устройство полувагона, расположенное на шкворневой стойке (рис. 160, позиция 1, настоящей главы). После погрузки верхнего яруса труб размещают верхнюю плеть проволоки диаметром 6 мм в две нити с пропуском петли через верхнее увязочное устройство полувагона, расположенное на шкворневой стойке. После погрузки верхнего яруса труб кладут верхнюю плеть проволоки диаметром 6 мм в две нити с пропуском петли через верхнее увязочное устройство полувагона, расположенное на промежуточной стойке, при этом концы верхней плети проволоки заводят в петлю нижней, а концы нижней - в петлю верхней плети проволоки крепежных узлов (рис. 160, позиция 2, настоящей главы).

Свободные концы плетей проволоки загибают и скручивают около увязочных устройств полувагона (рис. 160, позиция 3, настоящей главы) с последующим скручиванием верхних и нижних плетей проволоки в седловине между трубами до полного натяжения (рис. 160, позиция 4, настоящей главы).

16.1.9. Стальные трубы диаметром 1420 мм и длиной от 10 500 до 11 800 мм включительно с изоляционным полиэтиленовым покрытием размещают в полувагоне в количестве 4 штук.

16.1.9.1. Размещение указанных труб в полувагоне с шириной кузова 2878 мм производится в следующем порядке (рис. 162 настоящей главы).

Рисунок 162

1, 2 – бруски комбинированной подкладки; 3 – боковые вертикальные стойки; 4 – вертикальные бруски щита; 5, 6 – горизонтальные бруски щита; 7 – прокладки; 8, 11 – клинья; 9 – коврики; 10 – обвязки

Перед погрузкой на пол полувагона размещают две деревянные комбинированные подкладки. Каждая подкладка состоит из двух брусков сечением не менее 80 x 100 мм и длиной, равной внутренней ширине полувагона, которые скрепляют между собой тремя строительными скобами. При этом скобы не должны располагаться в местах опирания труб на подкладки. Бруски располагают по обе стороны шкворневых балок полувагона. На край брусков 1 устанавливают брусок 2 сечением 90 x 150 мм и длиной 1200 мм. Каждый брусок 2 закрепляют к брускам 1 четырьмя гвоздями длиной 150 мм.

На каждой из боковых стен полувагона против стоек устанавливают и закрепляют шесть боковых вертикальных брусков (стоек) 3 сечением 40 x 150 мм и высотой на 100 мм более высоты стен полувагона.

Со стороны торцовых дверей полувагона размещают деревянные щиты, каждый из которых состоит из двух вертикальных брусков 4 сечением не менее 100 x 100 мм и высотой 2060 мм и двух горизонтальных брусков 5, 6 сечением не менее 40 x 150 мм и длиной 2870 мм. Нижний горизонтальный брусок 5 соединяют с вертикальными брусками 4 на высоте 650 мм от пола полувагона, верхний горизонтальный брусок 6 соединяют с вертикальными брусками 4 на высоте 1500 мм от пола полувагона. Вертикальные бруски 4 располагают напротив угловых стоек полувагона.

Горизонтальные бруски 5, 6 закрепляют к вертикальным упорным брускам 16 гвоздями длиной 120 мм - по четыре в каждое соединение.

Боковые стойки и торцовые щиты закрепляют проволокой диаметром 4 мм в две нити или пеньковой веревкой за верхние увязочные устройства полувагона.

Нижние трубы размещают симметрично относительно плоскостей симметрий полувагона. Одну трубу верхнего ряда размещают с упором в один щит, а другую - с упором в противоположный щит.

Между трубами первого и второго ярусов над подкладками размещают две прокладки 7 с сечением 25 x 150 мм и длиной, равной внутренней ширине полувагона. К прокладкам закрепляют два клина 8 размером 150 x 150 x 300 мм и один клин 11 в середине размером 150 x 150 x 1070 мм. Каждый клин закрепляют к прокладкам четырьмя гвоздями длиной 150 мм. Гвозди должны быть забиты снизу через прокладку. К прокладкам с нижней стороны должны быть прибиты деревянные бруски 2.

Для предохранения изоляционного покрытия труб верхнего яруса под проволочные обвязки помещают два коврика 9 размером 2840 x 400 мм. Каждый коврик состоит из 20 брусков сечением 40 x 40 мм, соединенных между собой двумя металлическими или тканевыми лентами и гвоздями диаметром 1,8 мм и длиной 32 мм. Трубы закрепляют двумя обвязками 10 из проволоки диаметром 6 мм в шесть нитей. Обвязки закрепляют за верхние наружные увязочные устройства полувагона.

Бруски ковриков закрепляют к проволочной обвязке четырьмя гвоздями длиной 70 мм. При этом гвозди должны входить в брусок на глубину не более 25 мм. Головки гвоздей загибают над проволочной обвязкой.

Разрешается применять резиновые прокладки (коврики) шириной не менее 150 мм. К резиновым прокладкам закрепляют два бруска длиной 150 мм и сечением 40 x 40 мм для последующего крепления их к проволочным обвязкам гвоздями, как указано выше.

16.1.9.2. Указанные в пункте 16.1.9 настоящей главы трубы размещают в полувагоне шириной кузова 2900 мм и более следующим образом (рис. 163 настоящей главы).

Рисунок 163

1 – бруски комбинированной подкладки; 2 – боковые вертикальные стойки; 3 – вертикальные бруски щита; 4 – горизонтальные бруски щита; 5 – прокладки; 6, 9 – клинья; 7 – обвязки; 8 – коврики

Перед погрузкой на пол полувагона размещают две деревянные комбинированные подкладки 1. Подкладка состоит из двух брусков сечением не менее 80 x 100 мм и длиной, равной внутренней ширине полувагона, которые располагают по обе стороны шкворневых балок и закрепляют между собой тремя строительными скобами. При этом скобы не должны располагаться в местах опирания труб на подкладки.

На каждой из боковых стен полувагона против стоек устанавливают и закрепляют шесть боковых вертикальных брусков 2 сечением 40 x 150 мм и высотой на 100 мм более высоты стен полувагона.

Со стороны торцовых дверей полувагона размещают деревянные щиты, каждый из которых состоит из двух вертикальных брусков 3 сечением 100 x 100 мм и высотой 2150 мм и двух горизонтальных брусков 4 сечением не менее 40 x 150 мм и длиной, равной внутренней ширине кузова. Нижний горизонтальный брусок 4 соединяют с вертикальными брусками 3 на высоте 650 мм от пола полувагона, верхний горизонтальный брусок 4 соединяют с вертикальными брусками 3 на высоте 1500 мм от пола. Вертикальные бруски щита размещают на расстоянии 600 мм от боковых стен полувагона. Вертикальные и горизонтальные бруски щита закрепляют между собой 16 гвоздями длиной 120 мм - по четыре в каждое соединение.

Боковые стойки и торцовые щиты закрепляют проволокой диаметром 4 мм в две нити или пеньковой веревкой за верхние увязочные устройства полувагона.

Нижние трубы размещают на подкладки симметрично относительно плоскостей симметрии полувагона. Две верхние трубы размещают на две прокладки 5 сечением 25 x 150 мм, расположенные над подкладками, с упором одной трубы в один торцовый щит, другой - в противоположный щит. По концам прокладок прибивают два клина 6 размером 150 x 150 x 300 мм и один клин 9 размером 150 x 150 x 1070 мм - в середине. Клинья закрепляют к прокладкам четырьмя гвоздями длиной 150 мм. Гвозди должны быть забиты снизу через прокладку.

Трубы закрепляют двумя обвязками 7 из проволоки диаметром 6 мм в четыре нити. Под обвязки укладывают коврики 8 из резины или деревянных брусьев, устанавливаемых аналогично тому, как указано в пункте 16.9 настоящей главы.

16.2. Размещение и крепление труб на платформах.

Трубы диаметром 1420 мм и длиной от 10 500 до 12 000 мм включительно с изоляционным полиэтиленовым покрытием размещают в количестве 3 штук (рис. 164 настоящей главы).

Рисунок 164

1 – стойки; 2 – подкладки; 3 – упорные бруски; 4 – распорные бруски; 5 – резиновые прокладки; 6 – растяжки; 7 – прокладочный брус; 8 – поддерживающий брусок; 9 – гвозди; 10 – обвязки; 11 – коврики

Предварительно в торцовые стоечные скобы платформы устанавливают короткие деревянные стойки 1.

На пол платформы над шкворневыми балками размещают две деревянные подкладки 2 сечением 40 x 200 мм и длиной, равной ширине платформы, к которым закрепляют три деревянных клина: два крайних клина размером 100 x 100 x 500 мм и средний - размером 100 x 100 x 1070 мм.

Трубы размещают на платформе симметрично относительно ее плоскостей симметрии. С торцовых сторон платформы размещают по два упорных бруска 3 сечением 100 x 100 мм, длиной, равной ширине платформы. Между упорными брусками 3 размещают два распорных бруска 4 сечением 100 x 100 мм и длиной по месту. Каждый упорный брусок 3 закрепляют к полу платформы девятью гвоздями длиной 150 мм. Каждый распорный брусок 4 закрепляют к полу платформы десятью гвоздями длиной 150 мм.

Перед погрузкой третьей трубы на трубы нижнего яруса над подкладками размещают две резиновые прокладки 5 размером 15 x 200 x 1580 мм (или заменяющие ее материалы). Третью трубу размещают в седловину между трубами нижнего яруса. Внутрь верхней трубы устанавливают два поддерживающих бруска сечением 100 x 100 x 250 мм. К каждому такому бруску прибивают прокладочный брусок 7 гвоздями диаметром 6 мм и длиной 150 мм - по два в каждое соединение. От продольного сдвига верхнюю трубу закрепляют обвязками 6 из проволоки диаметром 6 мм в шесть нитей. Обвязку фиксируют на прокладочном бруске 7 при помощи двух гвоздей длиной 100 мм, которые располагают ниже обвязки и загибают на нее.

Все трубы закрепляют тремя поперечными обвязками 10 из проволоки диаметром 6 мм в четыре нити. Под проволочные обвязки укладывают резиновые или деревянные коврики 11.

17. Размещение и крепление лома черных металлов

17.1. Лом черных металлов (далее - лом) предъявляют к перевозке в состоянии, обеспечивающем максимальное использование грузоподъемности и вместимости вагонов. Люковые закидки полувагонов увязывают в соответствии с пунктом 1.5 настоящей главы.

При предъявлении лома к перевозке к каждой накладной в соответствии с требованиями ГОСТ 2787-75 прилагают удостоверение о приведении груза в безопасное для перевозки состояние и об обезвреживании металлолома от огневзрывоопасных материалов.

17.2. При размещении лома на платформе в пределах высоты боковых бортов торцовые борта наращивают до уровня боковых бортов досками толщиной не менее 40 мм или горбылями толщиной не менее 50 мм, шириной от 150 до 200 мм включительно и длиной, равной ширине платформы.

Доски закрепляют к торцовым стойкам со стороны груза гвоздями длиной 80 мм.

Лом размещают равномерно по всей площади пола платформы.

При размещении лома выше боковых бортов платформы борта обрешечивают следующим образом. Во все боковые и торцовые скобы платформы устанавливают стойки. Расстояние от верхней поверхности груза до верхнего обреза стоек должно быть от 100 до 150 мм включительно. К стойкам со стороны груза закрепляют доски толщиной не менее 40 мм или горбыли толщиной не менее 50 мм и шириной не менее 150 мм, образующие обрешетку вдоль бортов по всему периметру платформы. Доски (горбыли) обрешетки прибивают к каждой из стоек гвоздями длиной не менее 80 мм. При погрузке лома, содержащего мелкие предметы, обрешетка должна быть сплошной, без зазоров между досками, а при погрузке крупных предметов металлолома толщиной и шириной не менее 100 мм - с зазорами между досками, величина которых не должна превышать половины наименьшей толщины или ширины погруженных предметов.

Торцовые стойки укрепляют растяжками из проволоки диаметром 6 мм в четыре нити за вторые боковые стоечные скобы платформы от торца. Противоположные боковые стойки при высоте их от пола платформы не более 1500 мм скрепляют проволокой диаметром 6 мм в четыре нити. Стойки высотой более 1500 мм скрепляют проволокой диаметром 6 мм в четыре нити в двух местах: посередине высоты погрузки и сверху погрузки. Лом массой одной единицы более 100 кг запрещается устанавливать вплотную к доскам обрешетки. Такой лом размещают в нижней части погрузки, преимущественно на полу платформы.

17.3. При размещении лома в полувагоне выше боковых бортов производят их обрешечивание из досок или горбыля к стойкам, которые устанавливают в лесные скобы. Доски или горбыль закрепляют к стойкам способом, указанным в пункте 1.4 настоящей главы. При этом противоположные боковые стойки дополнительно скрепляют проволокой диаметром 6 мм в четыре нити.

17.4. При размещении крупных единиц лома последние в зависимости от конфигурации и массы закрепляют в соответствии с требованиями главы 1 настоящих ТУ.

Глава 4. РАЗМЕЩЕНИЕ И КРЕПЛЕНИЕ ЖЕЛЕЗОБЕТОННЫХ АСБЕСТОЦЕМЕНТНЫХ ИЗДЕЛИЙ И КОНСТРУКЦИЙ

1. Общие положения

В настоящей главе предусмотрены способы размещения и крепления в вагонах железобетонных изделий и конструкций (например, шпалы, колонны, блоки, плиты покрытий и перекрытий, изделия крупнопанельного домостроения), а также асбестоцементных труб.

В вагонах изделия размещают с закреплением либо каждого изделия, либо штабеля. В данной главе под штабелем понимается совокупность изделий, уложенных одним либо несколькими ярусами по высоте; ярус может состоять из одного изделия, либо одного ряда изделий, размещенных вплотную друг к другу по ширине вагона. Во всех ярусах штабеля, за исключением верхнего, должно размещаться одинаковое количество изделий. В верхнем ярусе допускается размещение меньшего, чем в нижележащих ярусах, количества изделий. Расположение изделий в ярусах и штабелей в целом должно обеспечивать симметричность размещения груза относительно плоскостей симметрии вагона. Каждое изделие либо штабель размещают на двух поперечных или двух продольных подкладках из досок или горбыля шириной не менее 100 мм. Толщина подкладок в наименьшем сечении должна быть не менее 25 мм. На платформах с дерево-металлическим настилом и в полувагонах должно быть обеспечено прилегание поперечных подкладок к полу по всей длине подкладки (рис. 1 настоящей главы).

Рисунок 1 Устройство поперечных подкладок

а, б – на платформах; в – в полувагоне. 1 – деревянный настил пола; 2 – металлический настил пола; 3 – подкладка; 4 – выравнивающая прокладка; 5 – гвоздь

При размещении груза на платформе допускается выполнять выборку в средней части подкладки 3 по размерам выступающей части настила 2 (рис. 1а настоящей главы) либо устанавливать в зазоры выравнивающие прокладки 4 соответствующей толщины (рис. 1б настоящей главы). Выравнивающие прокладки должны изготавливаться из пиломатериалов, фанеры или других материалов, жесткость и прочность на смятие которых должны быть не менее чем у подкладок. Подкладки вместе с выравнивающими прокладками должны быть закреплены к полу гвоздями 5. При размещении груза в полувагоне допускается выполнять выборку в средней части подкладки по размерам выступающей части хребтовой балки (рис. 1в настоящей главы). Допускается железобетонные изделия с плоской опорной поверхностью, размещаемые в пределах платформы с деревянным настилом, укладывать непосредственно на пол, если это не противоречит требованиям нормативных документов на отгружаемую продукцию.Между ярусами штабеля, как правило, должны быть размещены прокладки. Продольные оси прокладок и подкладок должны находиться в одной вертикальной плоскости. Ширина прокладок должна быть не менее 100 мм. Толщина прокладок должна быть достаточной для того, чтобы зазор между обращенными друг к другу выступающими закладными деталями и монтажными петлями составлял не менее 5 мм. Допускается по согласованию с грузополучателем размещение железобетонных плит с утопленными монтажными петлями без прокладок, если это не противоречит требованиям нормативной документации на изделие. При вертикальном или наклонном размещении изделий между офактуренными (имеющими отделку) поверхностями устанавливают прокладки. Толщина прокладок должна обеспечивать сохранность поверхности изделия и определяется грузоотправителем. Допускается размещать горизонтальные и вертикальные прокладки между штабелями или отдельными элементами груза. Прокладки должны быть закреплены от падения.

На изделиях растяжки закрепляют за монтажные петли или специальные строповочные отверстия. Допускается применять специальные закладные детали или строповочные кольца (рис. 2 настоящей главы). Прочность средств крепления и строповочных узлов должна быть не менее прочности растяжек. За выполнение данного требования ответственность несет грузоотправитель.

Рисунок 2

При размещении в ярусах штабеля нескольких изделий по ширине вагона толщина изделий должна быть одинаковой. При этом в верхнем ярусе и в ярусах, закрепленных растяжками, смежные изделия должны быть скреплены между собой проволочными увязками за монтажные петли.

Для предотвращения порчи железобетонных изделий элементами креплений (например, растяжками, обвязками, увязками) отправитель должен устанавливать между креплением и грузом прокладки и закреплять их от выпадения.

Состояние дверей полувагонов, бортов платформ после погрузки должно соответствовать требованиям раздела 3 главы 1 настоящих ТУ.

При предъявлении к перевозке груза, способ размещения и крепления которого предусмотрен пунктами настоящей главы, отмеченными звездочкой (*), перевозчик на станции отправления вправе потребовать от грузоотправителя эскиз размещения и крепления груза.

2. Железобетонные шпалы для железных дорог колеи 1520 мм

2.1. На платформе грузоподъемностью 66 т и менее шпалы размещают четырьмя одинаковыми штабелями (рис. 3 настоящей главы) симметрично относительно плоскостей симметрии платформы. Каждый штабель формируют из девяти ярусов: восьми полных ярусов по восемь шпал, уложенных вплотную друг к другу продольной осью вдоль платформы, и девятого яруса из двух шпал, уложенных поперек платформы. Шпалы 1 размещают подрельсовыми площадками вверх. Каждый штабель шпал размещают симметрично относительно стоечных скоб платформы на двух поперечных подкладках 4 сечением не менее 50 x 100 мм и длиной, равной внутренней ширине платформы. Подкладки размещают на расстоянии 1500 мм друг от друга на равном расстоянии от концов шпал и закрепляют каждую к полу восемью гвоздями размером не менее 6 x 150 мм. Между ярусами шпал на подрельсовых площадках располагают прокладки 2 сечением 40 x 100 мм и длиной 2500 мм. Восемь полных ярусов до погрузки двух верхних шпал увязывают обвязкой 5 из проволоки диаметром 6 мм в четыре нити.

Рисунок 3

1 – шпала, 2 – прокладка; 3 – растяжка; 4 – подкладка; 5 – обвязка; 6 – клин

После укладки двух верхних шпал каждый штабель закрепляют двумя парами растяжек 3 из проволоки диаметром 6 мм в шесть нитей. Растяжки закрепляют за стоечные скобы платформы и за концы верхних поперечных шпал. Нити растяжки обводят вокруг шпалы таким образом, чтобы они огибали болты с внутренней стороны. При отсутствии в шпалах болтов для предотвращения соскальзывания растяжек в отверстия подрельсовых площадок верхних шпал должны быть забиты клинья 6.

2.2. На платформе грузоподъемностью свыше 66 т средние штабеля формируют и закрепляют в порядке, предусмотренном пунктом 2.1 настоящей главы. При этом крайние штабеля формируют аналогичным порядком из десяти ярусов: девяти полных ярусов и десятого яруса, состоящего из двух поперечных шпал. Крайние штабеля закрепляют растяжками из проволоки диаметром 6 мм в восемь нитей.

2.3. В полувагоне шпалы размещают четырьмя штабелями симметрично относительно плоскостей симметрии вагона (рис. 4 настоящей главы).

Рисунок 4

1 – шпала, 2 – прокладка; 3 – обвязка; 4 – подкладка; 5 – упорный брус (рама)

В каждом ярусе размещают по 8 шпал вплотную друг к другу поперек вагона. Количество ярусов в штабеле - не более 8, общая высота штабеля должна быть не более высоты стен полувагона. Перед размещением груза вплотную к торцовым порожкам полувагона устанавливают упорные брусья 5 сечением не менее 100 x 100 мм и длиной 2800 мм либо распорные рамы:

- при длине кузова не более 12 080 мм - по одному брусу;

- при длине кузова 12 228 - 12 324 мм - по два бруса;

- при длине кузова 12 700 - 12 750 мм - распорные рамы, состоящие из двух аналогичных упорных брусьев и четырех распорных брусьев размером не менее 100 x 100 x 200 мм, располагаемых равномерно по ширине кузова. Брусья рамы скрепляют между собой строительными скобами из прутка диаметром 8 - 10 мм. Крайние штабеля размещают вплотную к упорным брусьям или распорным рамам. Средние штабеля размещают на расстоянии не менее 300 мм друг от друга симметрично относительно поперечной плоскости симметрии полувагона. Допускается размещать в верхних ярусах штабелей менее 8 шпал. Каждый штабель шпал устанавливают на две поперечные подкладки сечением не менее 50 x 100 мм и длиной, равной внутренней ширине полувагона, расположенные на расстоянии 1500 мм друг от друга на равном расстоянии от концов шпал. Между ярусами шпал на подрельсовые площадки размещают прокладки размером 40 x 100 x 2500 мм. Каждый штабель закрепляют обвязкой из проволоки диаметром 6 мм в восемь нитей за нижние увязочные устройства полувагона.

3. Железобетонные плиты, панели

3.1. Плиты и панели без арматурных выпусков (за исключением упомянутых в пункте 3.5 настоящего раздела), перевозка которых допускается в горизонтальном положении, размещают на платформе следующим порядком:

- длиной от 2,4 до 3,3 м включительно - четырьмя штабелями (рис. 5 настоящей главы) (не приводится);

- длиной от 3,3 до 4,4 м включительно - тремя штабелями (рис. 6 настоящей главы) (не приводится);

- длиной от 4,4 до 6,5 м включительно - двумя штабелями (рис. 7 настоящей главы) (не приводится);

- длиной более 6,5 м - одним штабелем (рис. 8, 9 настоящей главы) (не приводятся).

Суммарная ширина изделий в ярусе не должна превышать ширины платформы.

Максимальное количество ярусов в штабелях определяется грузоподъемностью платформы.

Рисунок 5

1 – плита (панель), 2 – прокладка; 3 – растяжка; 4 – подкладка; 5,6 – увязка

Рисунок 6

1 – плита (панель), 2 – прокладка; 3 – растяжка; 4 – подкладка; 5,6 – увязка

Рисунок 7

1 – плита (панель), 2 – прокладка; 3 – растяжка; 4 – подкладка; 5 – увязка

Рисунок 8

1 – плита (панель), 2 – прокладка; 3 – растяжка; 4 – подкладка; 5,6 - увязка

Рисунок 9

1 – плита (панель), 2 – прокладка; 3 – растяжка; 4 – подкладка; 5,6 – увязка

Допускается размещать на платформе совместно штабеля изделий различной длины и ширины при следующих условиях:

- максимальная длина любого из штабелей должна быть не более 7,2 м, а суммарная длина штабелей - не более внутренней длины платформы;

- ширина всех ярусов штабеля должна быть одинаковой;

- ширина штабеля должна быть не менее 2,2 м;

- в штабеле допускается размещение изделий только двух различных значений ширины, при этом стыки изделий каждого яруса должны перекрываться изделиями смежных ярусов;

- более короткие и (или) узкие штабеля должны быть размещены между более длинными и (или) широкими.

Первый ярус каждого штабеля плит, панелей размещают на две поперечные подкладки 4 сечением не менее 40 x 100 мм, которые закрепляют к полу платформы гвоздями размером 6 x 150 мм из расчета один гвоздь на 1 т груза, но не более 20 штук на одну подкладку. Второй и последующие ярусы размещают на прокладках 2 сечением 25 x 100 мм и длиной, равной ширине погрузки, размещаемых над подкладками. При размещении на платформе одного штабеля плит, панелей длиной более 6,5 м ширина подкладок и прокладок должна быть не менее 150 мм.

Прокладки и подкладки должны быть расположены на расстоянии 100 - 200 мм от расположенных на плитах монтажных петель в направлении их торцов.

Каждый штабель в зависимости от способа размещения закрепляют:

- по рисунку 5 настоящей главы - двумя парами проволочных растяжек;

- по рисунку 6 настоящей главы - крайние штабеля закрепляют тремя парами растяжек, средний - четырьмя;

- по рисунку 7 настоящей главы - четырьмя парами растяжек;

- по рисункам 8 и 9 настоящей главы - восемью парами растяжек. При этом крайние растяжки плит или панелей длиной более 10 м закрепляют за опорные кронштейны платформ у торцовых бортов (рис. 9 настоящей главы).

Для изготовления растяжек используют проволоку диаметром 6 мм. Число нитей проволоки в растяжках в зависимости от массы штабеля принимают по таблице 1 настоящей главы.

Таблица 1

Количество штабелей по длине платформыМасса штабеля, тЧисло нитей проволоки в растяжке
крайний штабельсредний штабель
4До 17,73 включительно88
3До 22,0 включительно66
От 22,0 до 23,7 включительно86
2До 35,5 включительно8-
1До 71 включительно8-

При размещении в ярусах нескольких изделий по ширине платформы изделия верхнего яруса, а также ярусов, закрепленных растяжками 3, скрепляют между собой за монтажные петли двумя поперечными увязками 5 из проволоки диаметром 6 мм в четыре нити.

Плиты и панели, расположенные согласно рисункам 5, 6, 8, 9 настоящей главы в верхних неполных ярусах, закрепляют за монтажные петли изделий нижележащего полного яруса четырьмя увязками 6 из проволоки диаметром 6 мм в четыре нити.

3.2*. Подфундаментные плиты шириной от 2,75 до 3,0 м включительно (включая арматурные выпуски) перевозят на четырехосных платформах с открытыми боковыми бортами (рис. 10 и 11 настоящей главы).

Рисунок 10

1 – плита; 2 – прокладка; 3 – растяжка; 4 – подкладка

Рисунок 11

1 – плита; 2 – прокладка; 3 – растяжка; 4 – подкладка

Плиты размещают двумя штабелями по длине платформы в пределах ее внутренней длины. Количество ярусов в штабелях определяется грузоподъемностью платформы. На платформах с деревометаллическим полом первые ярусы размещают на подкладки сечением не менее 50 x 100 мм и длиной, равной ширине плит. Каждую подкладку закрепляют к полу гвоздями размером не менее 6 x 150 мм: при общей массе плит до 66 т включительно - четырнадцатью гвоздями, при общей массе плит более 66 т - шестнадцатью гвоздями. На платформах с деревянным полом допускается размещение плит без подкладок.

Между ярусами размещают прокладки размером (40 - 50) x min 100 x 2750 мм. Каждый штабель в зависимости от суммарной массы плит закрепляют восемью парами растяжек из проволоки диаметром 6 мм:

- при суммарной массе плит до 63 т включительно - в шесть нитей;

- при суммарной массе плит более 63 т - в восемь нитей.

Растяжки закрепляют за монтажные петли верхних плит и стоечные скобы платформы.

При размещении согласно рисунку 10 настоящей главы в верхнем ярусе одной плиты с опиранием на оба штабеля ее закрепляют независимо от крепления штабелей двумя парами растяжек из проволоки диаметром 6 мм в шесть нитей за монтажные петли и стоечные скобы платформы.

3.3. Плиты покрытий и перекрытий длиной от 4,5 до 6,0 м и шириной от 3,0 до 3,2 м включительно перевозят на платформе с открытыми боковыми бортами. Плиты размещают двумя штабелями по длине платформы (рис. 12 и 13 настоящей главы) (не приводятся). Первый ярус штабеля размещают на двух продольных подкладках сечением не менее 40 x 100 мм и длиной, равной длине плит, располагаемых на расстоянии 300 мм от продольного края платформы. Каждую подкладку закрепляют к полу платформы пятью гвоздями размером 6 x 150 мм. Плиты последующих ярусов размещают на двух продольных прокладках длиной, равной длине плит.

Каждый штабель в зависимости от суммарной массы плит закрепляют восемью парами растяжек из проволоки диаметром 6 мм:

- при суммарной массе плит до 63 т включительно - в шесть нитей;

- при суммарной массе плит более 63 т - в восемь нитей.

Растяжки закрепляют за монтажные петли верхних плит и стоечные скобы платформы.

Рисунок 12

1 – плита; 2 – прокладка; 3 – растяжка; 4 – подкладка

Рисунок 13

1 – плита; 2 – прокладка; 3 – растяжка; 4 – подкладка

В случае размещения согласно рисунку 13 настоящей главы в верхнем ярусе одной плиты с опиранием на два штабеля ее закрепляют независимо от крепления штабелей двумя парами растяжек из проволоки диаметром 6 мм в четыре нити за монтажные петли и стоечные скобы платформы.

3.4. Корытообразные и плоские плиты размером 1,5 x 6 м и 3 x 6 м для покрытий и перекрытий перевозят на четырехосной платформе с открытыми боковыми бортами. Плиты размещают двумя штабелями по длине. Ярусы формируют из одной либо из двух плит по ширине платформы (рис. 15 настоящей главы). Суммарная масса плит на платформе не должна превышать 50 т, а высота штабелей от уровня пола должна быть не более 2630 мм.

Рисунок 14

1 – плита; 2 – прокладка; 3 – растяжка верхнего яруса; 4 – подкладка, 5 – увязка боковых стоек; 6 – боковая стойка; 7 – специальная скоба; 8 – растяжка предпоследнего яруса; 9 – поперечная растяжка верхнего яруса; 10 – распорный брусок; 11 – упорный брусок; 12 – короткая торцовая стойка

Перед погрузкой плит в крайние и средние боковые стоечные скобы платформы устанавливают и закрепляют болтами, гайками и контргайками восемь специальных съемных металлических скоб и четыре с каждой стороны (рис. 14 настоящей главы).

Рисунок 15

Корытообразные плиты размещают продольными кромками вниз. Первый ярус размещают на двух поперечных подкладках 4 длиной 3200 мм, сечением не менее 100 x 200 мм (высота x ширина) - для корытообразных плит, не менее 60 x 80 мм - для плоских плит. Подкладки располагают на расстоянии 500 - 600 мм от торцов плит и прибивают к полу платформы пятью гвоздями размером 6 x 150 мм каждую. Допускается размещать корытообразные плиты на подкладках, изготовленных составными по ширине из двух частей, скрепленных между собой скобами из прутка диаметром 10 мм, которые забивают в торцы подкладок по одной с каждой стороны. Плиты второго и последующих ярусов размещают на двух прокладках размером не менее 50 x 150 x 3200 мм. В специальные скобы устанавливают боковые стойки высотой от уровня пола платформы не более 2710 мм в соответствии с требованиями главы 1 настоящих ТУ. Противоположные боковые стойки стягивают между собой между вторым и третьим ярусами и выше верхнего яруса увязками из проволоки диаметром 6 мм в две нити.

Между закрытыми торцовыми бортами платформы и штабелями устанавливают распорные рамы, состоящие из двух упорных (поперечных) и двух распорных (продольных) брусков сечением не менее 100 x 200 мм (ширина x высота) - для корытообразных плит, не менее 100 x 120 мм - для плоских плит, которые скрепляют между собой в каждом соединении одной строительной скобой из прутка диаметром не более 8 мм. Длина упорных брусков у торцовых бортов платформы должна быть: не менее 1500 мм на платформах с деревянным полом; не менее чем на 400 мм больше ширины металлического настила при его наличии; длина упорных брусков, примыкающих к плитам, равна ширине штабеля плит. Распорные бруски располагают напротив торцовых стоечных скоб. Длину распорных брусков уточняют по месту. Каждый брусок закрепляют к полу платформы четырьмя гвоздями: размером 8 x 250 мм - для брусков сечением 100 x 200 мм, размером 6 x 150 мм - для брусков сечением 100 x 120 мм. В торцовые стоечные скобы устанавливают короткие деревянные стойки.

Плиты предпоследнего в каждом штабеле яруса скрепляют между собой за монтажные петли двумя поперечными увязками из проволоки диаметром 6 мм в четыре нити.

Каждый штабель плит закрепляют растяжками из проволоки диаметром 6 мм:

- второй сверху ярус - двумя парами продольных растяжек в четыре нити;

- верхний ярус - тремя парами продольных растяжек в шесть нитей и двумя парами поперечных растяжек в четыре нити.

3.5. Плиты типа ПК, ПДП и ПАГ длиной от 5,65 до 6,28 м и шириной от 0,9 до 2,0 м включительно.

3.5.1. На платформах плиты размещают симметрично относительно плоскостей симметрии платформы двумя штабелями по длине (рис. 16 - 18 настоящей главы) (не приводятся). В ярусах размещают одну либо две плиты в зависимости от их ширины. Первый ярус каждого штабеля размещают на двух поперечных подкладках 4 сечением не менее 50 x 100 мм и длиной, равной внутренней ширине платформы. Каждую подкладку закрепляют к полу гвоздями размером 6 x 150 мм и количеством:

- при суммарной массе плит менее 53 т - 12 штук;

- при суммарной массе плит от 53 до 63 т включительно - 14 штук;

- при суммарной массе плит от 63 т - 16 штук.

При наличии согласия в письменной форме грузополучателя допускается размещение плит без подкладок на платформах с исправным деревянным полом.

Между ярусами размещают прокладки сечением не менее 25 x 100 мм и длиной, равной ширине погрузки.

Подкладки и прокладки размещают: при погрузке плит типа ПК - на расстоянии 100 - 200 мм от монтажных петель в направлении торцов плит, при погрузке плит типа ПДП и ПАГ - на расстоянии 1000 мм от торцов.

Рисунок 16

1 – плита; 2 – прокладка; 3 – растяжка; 4 – подкладка, 5 – упорный брусок; 6 – распорный брусок; 7 – короткая торцовая стойка

Допускается согласно рисунку 17 настоящей главы размещение в ярусе двух различных по ширине плит, суммарная ширина которых не превышает ширины платформы. При этом плиты размещают кососимметрично таким образом, чтобы плиты вышележащего яруса перекрывали продольные стыки между плитами в нижележащем ярусе. Смежные плиты, за которые закрепляют растяжки, скрепляют между собой за монтажные петли увязками из проволоки диаметром 6 мм в четыре нити.

Рисунок 17

1 – плита; 2 – прокладка; 3 – растяжка; 4 – подкладка, 5 – увязка; 6 – упорный брусок; 7 – распорный брусок; 8 – короткая торцовая стойка

Допускается согласно рисунку 18 настоящей главы размещать плиты типа ПДП и ПАГ в штабелях без прокладок.

Рисунок 18

1 – плита; 2 – растяжка; 3 – подкладка; 4 – упорный брусок; 5 – распорный брусок; 6 – короткая торцовая стойка

От продольного и поперечного смещения плиты закрепляют двенадцатью растяжками из проволоки диаметром 6 мм в восемь нитей, а также распорными рамами, составленными из двух упорных брусков размером не менее 100 x 100 x 2750 мм и двух распорных брусков такого же сечения, длиной - по месту. Распорные бруски располагают напротив торцовых стоечных скоб. Каждый упорный брусок прибивают к полу шестью гвоздями, каждый распорный брусок - двумя гвоздями размером 6 x 150 мм. На платформах с металлическим настилом у торцовых бортов упорные бруски, примыкающие к борту, скрепляют с распорными брусками строительными скобами из прутка диаметром не более 8 мм по одной в каждом соединении. В торцовые стоечные скобы устанавливают короткие деревянные стойки.

3.5.2*. В полувагонах плиты размещают симметрично относительно плоскостей симметрии двумя штабелями по длине.

Рисунок 19

1 – плита; 2 – прокладка; 3 – растяжка; 4 – подкладка; 5 – упорный брусок

Рисунок 20

1 – плита; 2 – прокладка; 3 – растяжка; 4 – подкладка; 5 – упорный брусок; 6- увязка

Рисунок 21

1 – плита; 2 – растяжка; 3 – упорный брусок; 4 – подкладка

Внутренняя длина полувагона должна обеспечивать установку между грузом и порогом полувагона упорных брусков.

Первый ярус каждого штабеля (рис. 19 настоящей главы) (не приводится) размещают на двух подкладках 4 сечением не менее 50 x 150 мм и длиной, равной внутренней ширине полувагона. Плиты второго и последующих ярусов размещают на прокладках 2 сечением не менее 25 x 100 мм и длиной, равной ширине погрузки. Подкладки и прокладки размещают: для плит типа ПК - на расстоянии 100 - 200 мм от монтажных петель в сторону торцов изделий, для плит типа ПДП и ПАГ - на расстоянии 1000 мм от торцов плит.

При размещении в ярусе двух по ширине полувагона плит разных типов плиты в вышележащем ярусе располагают таким образом, чтобы перекрывался продольный стык между плитами в нижележащем ярусе. При этом в соседних штабелях изделия одного типа размещают кососимметрично (рис. 20 настоящей главы) (не приводится). Смежные плиты, расположенные в двух верхних ярусах, скрепляют между собой за монтажные петли увязками из проволоки диаметром 6 мм в четыре нити.

Допускается размещение плит без прокладок (рис. 21 настоящей главы) .

Для крепления плит применяют растяжки из проволоки диаметром 6 мм, предварительно скрученные машинным способом или вручную. Растяжки закрепляют одним концом за нижние или средние увязочные устройства полувагона, другим - за монтажные петли плит (рис. 22 настоящей главы).

Рисунок 22

1 – плита; 2 – прокладка; 3 – растяжка; 4 – подкладка, 5 – стяжка; 6 – увязочное устройство; 7 – спиральное кольцо

К увязочному устройству полувагона растяжку 3 закрепляют посредством спирального кольца 7, которое заводят в петлю растяжки после пропуска ее в отверстие увязочного устройства (рис. 23 настоящей главы). При этом все витки кольца должны быть заведены в петлю. Спиральное кольцо изготавливают из проволоки того же диаметра, что и растяжки, а количество витков спирали должно быть равно количеству нитей растяжки. К монтажной петле плиты растяжку закрепляют посредством стяжки 5.

Рисунок 23

Каждый штабель плит закрепляют: при суммарной массе плит до 60 т включительно - двумя парами растяжек в шесть нитей за нижние увязочные устройства и одной парой растяжек в четыре нити за средние увязочные устройства полувагона (рис. 19 настоящей главы); при суммарной массе плит более 60 т - дополнительно одной парой растяжек в четыре нити за средние увязочные устройства (рис. 20 настоящей главы).

В случаях, когда верхний ярус плит находится на уровне или ниже средних увязочных устройств полувагона, все растяжки закрепляют за нижние увязочные устройства (рис. 21 настоящей главы).

В распор между плитами нижнего яруса и торцовым порожком полувагона устанавливают в зависимости от длины плит и внутренней длины полувагона упорный брусок размером 60 x 100 x 2850 мм или распорную раму, составленную из двух упорных брусков такого же размера и четырех распорных брусков сечением 100 x 100 мм и длиной - по месту. Упорные и распорные бруски скрепляют между собой строительными скобами из стержня диаметром 6 мм.

3.6*. Арочные панели длиной от 5 до 6 м включительно на платформе размещают вдоль платформы двумя штабелями (рис. 24 настоящей главы). Количество ярусов в штабелях определяется грузоподъемностью платформы. В каждом ярусе штабеля размещают 1 - 3 панели по ширине. Расстояния между штабелями и между каждым штабелем и торцовым бортом платформы должны быть равны.

Рисунок 24

1 – панель; 2 –подкладка; 3 – упорный брусок; 4 – прокладка; 5 – увязка; 6 – растяжка; 7 –боковая стойка; 8 – увязка боковых стоек; 9 – торцовая стойка

Первые ярусы обоих штабелей размещают на 18 продольных подкладках сечением не менее 100 x 150 мм, располагаемых в пределах деревянного настила пола. Подкладки у торцовых бортов должны упираться в борт. Длина подкладок подбирается таким образом, чтобы их концы заходили под панель не менее чем на 200 мм. На подкладки вплотную к панелям укладывают упорные бруски сечением не менее 50 x 150 мм и длиной - по месту. Каждый упорный брусок вместе с подкладкой закрепляют к полу платформы гвоздями диаметром 6 мм и длиной не менее 200 мм в количестве:

- расположенные у торцовых бортов - 3 штуки;

- расположенные в середине платформы: при суммарной массе панелей до 63 т включительно - 3 штуки; от 63 до 66 т включительно - 4 штуки; более 66 т - 5 штук.

Между ярусами панелей размещают с упором в монтажные петли две поперечные прокладки сечением не менее 50 x 150 мм.

Панели каждого яруса скрепляют между собой за строповочные петли поперечными увязками из проволоки диаметром 6 мм в четыре нити. Каждый штабель панелей закрепляют четырьмя парами растяжек из проволоки диаметром 6 мм в восемь нитей за строповочные петли верхних панелей и стоечные скобы платформы. Если количество размещенных в верхнем ярусе панелей меньше, чем в других ярусах, и их общая ширина не превышает половины ширины погрузки, растяжки закрепляют за строповочные петли изделий второго сверху яруса. Верхний ярус в этом случае закрепляют растяжками из проволоки диаметром 6 мм в четыре нити за монтажные петли изделий нижележащего полного яруса.

Каждый штабель панелей ограждают двумя парами боковых стоек длиной 1,8 м. Противоположные стойки увязывают между собой попарно проволокой диаметром 6 мм в четыре нити. Торцовые борта платформы подкрепляют деревянными стойками.

4. Железобетонные колонны, сваи, прогоны, ригели, балки, подножники

4.1*. Колонны, прогоны, подножники, сваи длиной до 6,5 м включительно размещают на платформах и в полувагонах двумя - четырьмя штабелями по длине вагона. Штабеля меньшей высоты размещают в средней части платформы. Каждый штабель изделий размещают на поперечных подкладках 4 сечением не менее 50 x 100 мм. Между ярусами укладывают прокладки 2 сечением не менее 50 x 100 мм и длиной, равной ширине штабеля. В каждом ярусе изделия скрепляют между собой за монтажные петли двумя поперечными увязками 5 (рис. 25 - 27, 30 настоящей главы) (не приводятся), 7 (рис. 28 настоящей главы) (не приводится), 6 (рис. 29 настоящей главы) (не приводится) из проволоки диаметром 6 мм в четыре нити.

4.1.1*. На платформах груз размещают:

- длиной менее 3,3 м - четырьмя штабелями (рис. 25 настоящей главы);

- длиной от 3,3 до 4,4 м включительно - тремя штабелями (рис. 26 настоящей главы);

- длиной от 4,4 до 6,5 м включительно - двумя штабелями (рис. 27 настоящей главы).

Рисунок 25

1 – изделие; 2 – прокладка; 3 – растяжка; 4 – подкладка; 5 – увязка

Рисунок 26

1 – изделие; 2 – прокладка; 3 – растяжка; 4 – подкладка; 5,6 – увязка

Рисунок 27

1 – изделие; 2 – прокладка; 3 – растяжка; 4 – подкладка; 5,6 – увязка

Каждую подкладку закрепляют к полу платформы гвоздями диаметром 6 мм, длиной не менее 120 мм (таблица 2 настоящей главы).

Таблица 2

Масса груза на платформеКоличество штабелей по длинеКоличество гвоздей на одну подкладку
До 63 т включительно47
310
214
Более 63 т48
310
216

Таблица 3

Число штабелей по длине платформыМасса груза, тНомер рисункаПараметры крепления штабеля (количество растяжек и число нитей в растяжке)
крайний штабельсредний штабель
4До 71252 пары по 8 нитей2 пары по 8 нитей
3До 71263 пары по 8 нитей2 пары по 8 нитей
2 274 пары растяжек, из них:
До 66 вкл.крайние 3 пары - по 8 нитей; одна пара в центре платформы - 2 нити
От 664 пары по 8 нитей

Штабеля закрепляют растяжками 3 из проволоки диаметром 6 мм. Параметры крепления штабелей приведены в таблице 3.

Верхние неполные ярусы закрепляют к нижележащим увязками 6 из проволоки диаметром 6 мм в четыре нити (рис. 27 настоящей главы).

4.1.2*. В полувагоне размещают изделия длиной до 6,2 м включительно. При этом внутренняя длина полувагона должна обеспечивать установку упорных брусков 5 между грузом и торцовыми порожками. Торцовые двери полувагона должны быть закрыты.

Изделия в зависимости от их длины размещают:

- длиной до 3,1 м включительно - четырьмя штабелями;

- длиной от 3,1 до 4,1 м включительно - тремя штабелями (рис. 28 настоящей главы);

- длиной от 4,1 до 6,2 м включительно - двумя штабелями (рис. 29 настоящей главы).

Рисунок 28

1 – изделие; 2 – прокладка; 3 – растяжка; 4 – подкладка; 5 – упорный брусок; 6 – распорный брусок; 7, 8 – увязка

Рисунок 29

1 – изделие; 2 – прокладка; 3 – растяжка; 4 – подкладка; 5 – упорный брусок; 6 – увязка

У торцовых порогов полувагонов устанавливают упорные бруски 5 сечением не менее 100 x 100 мм (рис. 29 настоящей главы) или распорные рамы (рис. 28 настоящей главы). Рамы формируют из двух упорных 5 и четырех распорных 6 брусков того же сечения, которые скрепляют между собой скобами из прутка диаметром не более 8 мм.

Каждый штабель закрепляют растяжками из проволоки диаметром 6 мм в шесть нитей:

- при погрузке четырьмя штабелями - двумя парами растяжек;

- при погрузке тремя штабелями - крайние штабеля закрепляют тремя парами растяжек, средний - двумя парами;

- при погрузке двумя штабелями - четырьмя парами растяжек.

Верхние неполные ярусы закрепляют к нижележащим увязками 8 (рис. 28 настоящей главы) аналогично подпункту 4.1.1 настоящей главы.

4.1.3. Допускается размещение изделий длиной от 6,2 до 6,5 м включительно двумя штабелями в полувагоне с открытыми дверями (рис. 30 настоящей главы).

Рисунок 30

1 – изделие; 2 – прокладка; 3 – растяжка; 4 – подкладка; 5 – увязка

Каждый штабель изделий длиной от 6,2 до 6,5 м включительно закрепляют в полувагонах шестью парами растяжек из проволоки диаметром 6 мм:

- четырьмя парами в восемь нитей, закрепляемыми за нижние увязочные устройства;

- двумя парами, закрепляемыми за средние увязочные устройства: в четыре нити - при суммарной массе груза в полувагоне до 63 т включительно; в шесть нитей - при суммарной массе груза от 63 т.

Верхний неполный ярус закрепляют растяжками 3 за средние увязочные устройства полувагона, если последние расположены ниже изделий верхнего яруса.

4.2*. Колонны, сваи, ригели, балки прямоугольного сечения длиной от 6,5 до 14,2 м включительно на платформе размещают одним штабелем (рис. 31, 32 настоящей главы).

Рисунок 31

1 – изделие; 2 – прокладка; 3 – растяжка; 4 – подкладка; 5 – увязка; 6 – упорный брусок

Рисунок 32

1 – изделие; 2 – прокладка; 3 – растяжка; 4 – подкладка; 5,7 – увязка; 6 – упорный брусок

Штабель изделий располагают на двух подкладках 4 сечением не менее 50 x 150 мм и длиной, равной ширине платформы. Каждую подкладку закрепляют к полу десятью гвоздями размером 6 x 150 мм. По обе стороны от подкладок размещают вплотную к ним вдоль платформы на расстоянии 500 мм от бортов упорные бруски 6 размером не менее 40 x 100 x 400 мм, по четыре бруска на каждую подкладку. Бруски закрепляют к полу каждый шестью гвоздями размером 6 x 150 мм. Между ярусами изделий размещают прокладки 2 сечением не менее 50 x 100 мм и длиной, равной ширине штабеля. Изделия в каждом ярусе скрепляют между собой за монтажные петли двумя поперечными увязками 5 из проволоки диаметром 6 мм в четыре нити.

Штабель изделий длиной до 12 м включительно закрепляют (рис. 31 настоящей главы) к боковым лесным скобам восемью парами растяжек 3 из проволоки диаметром 6 мм:

- при суммарной массе груза до 63 т включительно - четырьмя парами растяжек в восемь нитей, закрепляемых за монтажные петли изделий второго сверху яруса, и четырьмя парами растяжек в шесть нитей, закрепляемых за монтажные петли изделий верхнего яруса;

- при суммарной массе груза от 63 до 71 т включительно - восемью парами аналогично установленных растяжек в восемь нитей.

При длине изделий более 12 м крайние растяжки закрепляют за опорные кронштейны у торцовых бортов (рис. 32 настоящей главы).

Если в верхнем ярусе размещают изделий меньше, чем в других, и их общая ширина не превышает половины ширины штабеля, то растяжки закрепляют за монтажные петли второго и третьего сверху ярусов. Верхний ярус в этом случае закрепляют за монтажные петли изделий второго сверху яруса (рис. 32 настоящей главы) четырьмя увязками 7 из проволоки диаметром 6 мм:

- при суммарной массе груза до 6 т включительно - в четыре нити;

- при суммарной массе груза от 6 до 9 т включительно - в шесть нитей;

- при суммарной массе груза от 9 до 12 т включительно - в восемь нитей.

4.3*. Колонны, сваи, ригели, балки прямоугольного сечения длиной от 6,5 до 11,5 м включительно в полувагонах размещают одним штабелем по длине. Суммарная масса груза определяется грузоподъемностью полувагона.

4.3.1. Изделия длиной до 9,5 м включительно размещают в штабеле со смещением по длине симметрично относительно продольной плоскости симметрии полувагона: изделия длиной до 8,1 м включительно - по схеме, приведенной на рисунке 33 (не приводится) настоящей главы; длиной от 8,1 до 9,5 м включительно - по схеме, приведенной на рисунке 34 настоящей главы. В этом случае количества смещенных в противоположные стороны изделий должны быть равны. Подкладки располагают вплотную к шкворневым и промежуточным балкам полувагона.

Рисунок 33

1 – изделие; 2 – прокладка; 3 – растяжка; 4 – подкладка; 5 – увязка; 6 – утолщенная подкладка

Рисунок 34

1 – изделие; 2 – прокладка; 3 – растяжка; 4 – подкладка; 5,7 – увязка; 6 – утолщенная подкладка

Изделия, размещаемые у продольных бортов, укладывают на подкладки 4 сечением не менее 50 x 150 мм, а размещаемые в средней части вагона - на составные утолщенные в месте опирания изделий подкладки 6 сечением не менее 100 x 150 мм.

Между ярусами изделий размещают прокладки 2 сечением 50 x 100 мм и длиной, равной ширине погрузки соответствующей части штабеля. В каждом ярусе изделия скрепляют между собой поперечными увязками 5 из проволоки диаметром 6 мм в четыре нити.

Изделия закрепляют растяжками 3 из проволоки диаметром 6 мм:

- при суммарной массе груза до 56 т включительно - десятью парами: восемью парами в восемь нитей за нижние увязочные устройства и двумя парами в четыре нити за средние увязочные устройства;

- при суммарной массе груза от 56 до 63 т включительно - двенадцатью парами: восемью парами в восемь нитей за нижние увязочные устройства и четырьмя парами в четыре нити за средние увязочные устройства;

- при суммарной массе груза от 63 т - четырнадцатью парами: восемью парами в восемь нитей за нижние увязочные устройства и шестью парами в четыре нити за средние увязочные устройства. Размещаемые в верхнем ярусе единичные изделия закрепляют за монтажные петли предыдущего яруса четырьмя увязками 7 из проволоки диаметром 6 мм в четыре нити.

4.3.2. Изделия длиной от 9,6 до 11,5 м включительно размещают с опорой на шкворневые балки (рис. 35 и 36 настоящей главы).

Рисунок 35

1 – изделие; 2 – прокладка; 3 – растяжка; 4 – подкладка; 5 – увязка; 6 – упорный брусок

Рисунок 36

1 – изделие; 2 – прокладка; 3 – растяжка; 4 – подкладка; 5 – увязка; 6 – упорная рама

У торцовых порогов полувагона устанавливают упорные бруски 6 сечением не менее 150 x 100 мм (рис. 35 настоящей главы) или упорные рамы, состоящие из упорных и распорных брусков того же сечения (рис. 36 настоящей главы). Бруски скрепляют скобами из прутка диаметром 8 - 10 мм. Изделия размещают на подкладках 4 сечением не менее 50 x 150 мм. Между ярусами изделий размещают прокладки 2 сечением 50 x 100 мм и длиной, равной ширине погрузки соответствующей части штабеля. В каждом ярусе изделия скрепляют между собой поперечными увязками 5 из проволоки диаметром 6 мм в четыре нити.

Изделия закрепляют растяжками из проволоки диаметром 6 мм (рис. 35 и 36 настоящей главы) за монтажные петли изделий полного верхнего яруса, четырьмя парами растяжек в шесть нитей за нижние увязочные устройства. Дополнительно изделия неполного верхнего яруса закрепляют за средние увязочные устройства:

- двумя парами в шесть нитей - при массе груза в ярусе до 5,5 т включительно;

- четырьмя парами в четыре нити - при массе груза от 5,5 до 15,8 т включительно;

- четырьмя парами в шесть нитей - при массе груза более 15,8 т.

Если верхний ярус изделий массой до 5,5 т включительно располагается по высоте ниже средних увязочных устройств полувагона, растяжки закрепляют за монтажные петли предыдущего полного яруса.

4.4. Односкатные балки длиной 12 м.

4.4.1. На платформах балки размещают одним штабелем двумя ярусами по высоте (рис. 37 настоящей главы).

Рисунок 37

1 – балка; 2 – прокладка; 3 – растяжка; 4 – подкладка; 5 – устройство для скрепления балок в монолитный блок.

В первом (нижнем) ярусе размещают семь балок по ширине вагона. Во втором ярусе укладывают: на платформах грузоподъемностью до 66 т - четыре балки, грузоподъемностью 71 т - пять балок. Балки первого яруса размещают на двух поперечных подкладках 4 сечением не менее 50 x 150 мм и длиной 2770 мм, каждую из которых закрепляют к полу платформы гвоздями размером 6 x 150 мм: при массе груза до 66 т включительно - двадцатью восемью гвоздями; при массе груза от 66 до 71 т включительно - тридцатью гвоздями. Между балками первого и второго ярусов размещают прокладки 4 сечением не менее 100 x 100 мм и длиной, равной ширине погрузки. Для предотвращения опрокидывания в поперечном направлении балки в каждом ярусе соединяют специальным устройством 5 в монолитный блок. От продольного и поперечного сдвига изделия закрепляют восемью парами растяжек из проволоки диаметром 6 мм. При общей массе изделий на платформе до 66 т первый ярус закрепляют растяжками в восемь нитей, второй ярус - растяжками в шесть нитей. При общей массе изделий от 66 до 71 т включительно все растяжки формируют в восемь нитей.

4.4.2. В полувагоне балки размещают аналогично размещению их на платформе. Внутренняя длина полувагона должна обеспечивать установку между грузом и торцовым порожком полувагона упорных брусков 6 сечением не менее 100 x 60 мм. Штабель размещают на двух подкладках 4 сечением 25 x 100 мм, которые укладывают на шкворневые балки полувагона (рис. 38 настоящей главы).

Рисунок 38

1 – балка; 2 – прокладка; 3 – растяжка; 4 – подкладка; 5 – устройство для скрепления балок в монолитный блок; 6 – упорный брусок (распорная рама)

Упорные бруски 6 должны иметь длину, равную ширине вагона. При установке у торцового порожка полувагона нескольких брусков каждые два соседних бруска скрепляют скобами из прутка диаметром 8 - 10 мм.

Для предотвращения опрокидывания в поперечном направлении балки в каждом ярусе соединяют специальным устройством 5 в монолитный блок.

Балки верхнего яруса закрепляют четырьмя парами растяжек 3 из проволоки диаметром 6 мм в шесть нитей. Растяжки закрепляют за монтажные петли изделий и нижние увязочные устройства полувагона.

5. Фундаментные блоки

5.1. Фундаментные блоки цоколя и стен подвала прямоугольного сечения размещают на платформе длинной стороной по длине платформы несколькими штабелями.

Штабель формируют при высоте блоков > 0,6 м - в один ярус (рис. 39 настоящей главы) (не приводится); при высоте <= 0,6 м - в два яруса по высоте (рис. 40 настоящей главы).

Рисунок 39

1 – блок; 2 – растяжка; 3 – увязка

Рисунок 40

1 – блок; 2 – растяжка; 3, 5 – увязка; 4 –прокладка

Изделия в нижнем ярусе размещают непосредственно на пол платформы. При двухъярусном размещении между изделиями нижнего и верхнего ярусов укладывают прокладки 4 сечением не менее 100 x 100 мм и длиной, равной ширине штабеля. Изделия каждого яруса поверху скрепляют между собой двумя поперечными увязками 3 из проволоки диаметром 6 мм в четыре нити. Ширина штабелей должна быть не более внутренней ширины платформы.

Каждый штабель закрепляют двумя парами растяжек 2 из проволоки диаметром 6 мм:

- при массе штабеля до 12 т включительно - в шесть нитей;

- при массе штабеля более 12 т - в восемь нитей.

В случаях, когда ширина верхнего яруса составляет более половины ширины нижнего (крайние штабеля на рис. 40 настоящей главы) (не приводится), растяжки закрепляют за монтажные петли крайних блоков верхнего яруса. В случаях, когда ширина верхнего яруса не превышает половины ширины нижнего (средние штабеля на рис. 40 настоящей главы), растяжки закрепляют за монтажные петли нижнего яруса. Изделия верхнего яруса закрепляют за монтажные петли блоков нижнего яруса увязками 5 в четыре нити.

Допускается размещать на платформе штабеля различной ширины и высоты в зависимости от размеров блоков.

5.2. Фундаментные блоки трапециевидного сечения и "башмаки" стаканного типа.

5.2.1. На платформе изделия размещают несколькими штабелями по длине. Ярусы формируют из одного или двух изделий по ширине платформы (рис. 41 настоящей главы).

Рисунок 41

1 – блок; 2 – прокладка; 3 – растяжка; 4, 5, 6 – увязка

Изделия в первом ярусе размещают непосредственно на пол платформы. Изделия в следующих ярусах размещают на продольные прокладки 2 сечением не менее 40 x 100 мм и длиной, равной длине яруса. Прокладки устанавливают на расстоянии 100 - 150 мм от краев изделий. Допускается формирование штабелей различной высоты. Штабеля меньшей высоты размещают в средней части платформы. При формировании ярусов из двух рядов по ширине платформы изделия в каждом ярусе скрепляют между собой поперечными увязками 4 из проволоки диаметром 6 мм в четыре нити. Каждую пару штабелей закрепляют четырьмя растяжками 3 из проволоки диаметром 6 мм в восемь нитей.

Если в верхнем ярусе размещено одно изделие, а в расположенных ниже ярусах - по два по ширине платформы, то растяжки 3 закрепляют за монтажные петли изделий второго сверху яруса; изделия в верхнем ярусе связывают попарно продольными увязками 5 из проволоки диаметром 6 мм в четыре нити; верхний ярус каждой пары штабелей закрепляют четырьмя увязками 6 из проволоки диаметром 6 мм в четыре нити за монтажные петли изделий нижележащего полного яруса.

5.2.2. В полувагоне изделия размещают штабелями, формируемыми аналогично подпункту 5.2.1 (рис. 42 настоящей главы).

Рисунок 42

1 – изделие; 2 – прокладка; 3 – растяжка; 4 – подкладка; 5 – упорный брусок; 6 – распорный брусок, подкладка

При этом изделия нижнего яруса укладывают на две подкладки 4 сечением не менее 50 x 150 мм и общей длиной, равной внутренней длине полувагона. Вплотную к торцовым порожкам полувагона на подкладки укладывают упорные бруски 5 сечением не менее 60 x 100 мм и длиной, равной ширине кузова полувагона. Размещение штабелей производят вплотную к упорным брускам в направлении от торцов вагона к середине симметрично относительно плоскостей симметрии вагона.

В распор между штабелями на подкладки 4 укладывают распорные бруски 6 сечением не менее 60 x 100 мм. Каждый распорный брусок закрепляют к подкладке тремя гвоздями длиной не менее 100 мм. Штабеля формируют таким образом, чтобы зазоры по длине между ними были не более 1,2 м. Изделия второго и последующих ярусов размещают на продольных прокладках 2 сечением не менее 40 x 100 мм и длиной, равной длине укладываемого яруса. Подкладки и прокладки располагают на расстоянии 100 - 150 мм в поперечном направлении от края изделий. При погрузке в два ряда по ширине изделия каждого яруса скрепляют между собой увязками из проволоки диаметром 6 мм в четыре нити. Каждый штабель закрепляют четырьмя растяжками 3 из проволоки диаметром 6 мм в шесть нитей. Если в верхнем ярусе размещено по одному изделию, а в остальных ярусах - по два, изделия верхних ярусов соседних штабелей скрепляют попарно увязками из проволоки диаметром 6 мм в четыре нити; растяжки закрепляют за монтажные петли изделий нижележащего полного яруса. Верхний ярус в этом случае закрепляют четырьмя растяжками из проволоки диаметром 6 мм в четыре нити за монтажные петли изделий нижележащего яруса. От поперечного смещения штабеля, за исключением расположенных в середине полувагона, закрепляют упорными брусками 5 сечением не менее 60 x 150 мм, длиной - по месту. Упорные бруски закрепляют каждый тремя гвоздями длиной не менее 100 мм к подкладкам 7 сечением не менее 40 x 150 мм и длиной, равной суммарной длине группы закрепляемых штабелей, которые укладывают вдоль бортов полувагона.

6. Лестничные марши и площадки

6.1. На платформе указанные изделия при их совместной перевозке размещают следующим порядком (рис. 43 настоящей главы).

6.1.1. Лестничные площадки размещают в средней части платформы длинной стороной вдоль платформы двумя штабелями по длине. Штабеля формируют из шести ярусов по высоте. В ярусах размещают по две площадки по ширине платформы. На платформах грузоподъемностью до 66 т включительно в верхнем ярусе каждого штабеля размещают по одной площадке.

Рисунок 43

1 – лестничный марш; 2 – лестничная площадка; 3 – прокладка; 4 – растяжка; 5 – выравнивающий брусок; 6 – подкладка; 7 – увязка; 8 – устройство для скрепления лестничных маршей

Каждый штабель размещают на двух уложенных поперек платформы подкладках 6 сечением не менее 40 x 100 мм и длиной 2750 мм, закрепляемых к полу платформы каждая десятью гвоздями размером 6 x 150 мм. Между ярусами изделий укладывают прокладки 3 сечением не менее 25 x 100 мм и длиной 2750 мм. Для выравнивания площадок к подкладкам и прокладкам в середине закрепляют выравнивающие бруски 5 размером 100 x 100 x 300 мм каждый двумя гвоздями размером 6 x 150 мм. Площадки в каждом ярусе штабеля скрепляют между собой увязками 7 из проволоки диаметром 6 мм в четыре нити.

6.1.2. Лестничные марши формируют в блоки и устанавливают вплотную к штабелям площадок с обеих сторон. Блок в данном случае формируют из установленных на ребро длинной стороной вдоль платформы маршей, объединенных специальным устройством. На платформах грузоподъемностью до 66 т включительно блок составляют из 11 маршей, на платформах грузоподъемностью 71 т - из 12 маршей. Каждый блок маршей размещают на двух подкладках 6 размером 25 x 100 x 2750 мм, каждую из которых закрепляют к полу семью гвоздями размером 6 x 150 мм.

От продольного и поперечного сдвига каждый штабель лестничных площадок закрепляют двумя парами растяжек 4 из проволоки диаметром 6 мм в шесть нитей, каждый блок лестничных маршей - в восемь нитей. При размещении в верхнем ярусе одной лестничной площадки растяжки закрепляют за монтажные петли площадок второго сверху яруса, площадки верхнего яруса закрепляют за монтажные петли площадок, размещенных в нижележащем ярусе, увязками 7 из проволоки диаметром 6 мм в четыре нити.

6.2. В полувагоне размещение лестничных маршей и площадок при их совместной перевозке аналогично размещению их на платформе. При этом от продольного смещения груз закрепляют (рис. 44 настоящей главы) двумя упорными брусками 7 сечением не менее 100 x 100 мм, уложенными к торцовым порожкам, или деревянными рамами, состоящими из двух упорных и четырех распорных брусков того же сечения. Бруски скрепляют скобами из прутка диаметром 8 - 10 мм. Штабеля лестничных площадок дополнительно закрепляют четырьмя парами растяжек 4 из проволоки диаметром 6 мм в четыре нити за монтажные петли изделий и нижние увязочные устройства полувагона. При размещении в верхнем ярусе каждого штабеля одной лестничной площадки их крепление производится аналогично креплению на платформе.

Рисунок 44

1 – лестничный марш; 2 – лестничная площадка; 3 – прокладка; 4 – растяжка; 5 – выравнивающий брусок; 6 – подкладка; 7 – упорный брусок; 8 – устройство для скрепления лестничных маршей; 9 – распорный брусок

Каждый штабель лестничных маршей от поперечного смещения закрепляют четырьмя распорными брусками 9 сечением не менее 60 x 100 мм и длиной - по месту. Бруски устанавливают на поперечные подкладки 6 к боковым стенам полувагона и закрепляют тремя гвоздями длиной 100 мм.

7. Железобетонные элеваторные элементы

7.1. Элеваторные элементы СОГ-1, СОГ-1ТА (далее - СОГ) размещают на платформе в количестве 8 штук четырьмя штабелями по длине в два яруса по высоте (рис. 45 настоящей главы). Перед погрузкой боковые борта платформы должны быть открыты и закреплены в соответствии с требованиями главы 1 настоящих ТУ. Элементы СОГ размещают утолщенными стенками в направлении середины платформы. Нижний элемент размещают на двух подкладках 7 сечением не менее 50 x 100 мм и длиной 3200 мм, располагаемых под торцовыми стенками блоков поперек платформы. Верхний элемент укладывают на четыре прокладки 2 сечением не менее 100 x 100 мм и длиной 700 мм, располагаемые под углом 45 град. к продольной плоскости симметрии вагона.

Рисунок 45

1 – элемент СОГ; 2 – прокладка; 3 – брусок-фиксатор; 4 – растяжка; 5 – стойка; 6 – упорный брусок; 7 – подкладка; 8 – увязка;

Для предотвращения выпадения прокладок 2 к каждой из них закрепляют тремя гвоздями длиной 150 мм брусок-фиксатор 3 размером 80 x 100 x 350 мм, расположенный вертикально внутри элемента СОГ.

Зазор между торцовыми бортами платформы и крайними блоками заполняют упорными брусками 6 сечением не менее 100 x 100 мм и длиной 2700 мм. Каждый брусок закрепляют к полу шестью гвоздями диаметром 6 мм и длиной 150 мм. Торцовые борта платформы подкрепляют короткими стойками вровень с бортами. Каждый штабель закрепляют растяжками из проволоки диаметром 6 мм в шесть нитей: крайний штабель - шестью растяжками за боковые стоечные скобы и за торцовые кронштейны платформы, а каждый средний штабель - четырьмя растяжками за боковые стоечные скобы. Нити растяжки пропускают снаружи через угловое нижнее отверстие элемента верхнего яруса, далее изнутри - через угловое верхнее отверстие элемента нижнего яруса. Верхние элементы СОГ скрепляют между собой за монтажные петли шестью увязками 8 из проволоки диаметром 6 мм в четыре нити.

7.2. При совместной перевозке на платформе элеваторных элементов СОГ и элементов ПСЖ-4, СПГ их размещение и крепление производят в следующем порядке. Перед погрузкой боковые борта платформы должны быть открыты и закреплены в соответствии с требованиями главы 1 настоящих ТУ. Элементы СОГ размещают на платформе четырьмя штабелями по длине в два яруса по высоте, а элементы ПСЖ-4 и СПГ - в один ярус (рис. 46 настоящей главы). Нижние элементы СОГ размещают на десяти продольных подкладках 4 размером 40 x 200 x 500 мм, уложенных под угловыми частями элементов. Каждую из подкладок закрепляют к полу платформы четырьмя гвоздями размером 6 x 150 мм. Размещение верхних элементов СОГ и крепление штабелей этих элементов производятся в соответствии с пунктом 7.1 настоящей главы. Внутри каждого нижнего элемента СОГ устанавливают на пол штабель из девяти элементов ПСЖ-4 или четырех элементов СПГ, расположенных на ребро под углом 45 град. к продольной оси платформы. Элементы ПСЖ-4 и СПГ в штабеле скрепляют между собой за монтажные петли двумя поперечными увязками 3 из проволоки диаметром 6 мм в четыре нити и закрепляют их с боковых сторон двумя упорными брусками 5 размером 50 x 100 x 1000 мм, каждый из которых закрепляют к полу платформы четырьмя гвоздями размером 6 x 150 мм.

Рисунок 46

1 – элемент СОГ; 2 – элемент ПСЖ-4 или СПГ; 3 – увязка; 4 – подкладка; 5 – упорный брусок; остальное – см. рисунок 45.

7.3. При совместной перевозке элеваторных элементов СОГ с элементами В-1 их размещают на платформе четырьмя штабелями по длине платформы (рис. 47 настоящей главы).

Рисунок 47

1 - элемент СОГ; 2 - элемент В-1; 3 - подкладка; 4 - прокладка; 5 - стойка; 6 - упорный брусок; 7 - растяжка

Каждый штабель формируют из одного элемента СОГ и трех ярусов элементов В-1. Штабель размещают на подкладках 3 аналогично пункту 7.1 настоящей главы. Элементы В-1 размещают на элементах СОГ на четырех прокладках 4 сечением 100 x 100 мм и длиной 1450 мм, располагаемых под углом 45 град. к продольной оси платформы. Между штабелями и торцовыми бортами платформы укладывают упорные бруски 6 сечением не менее 100 x 100 мм и длиной 2700 мм, каждый из которых закрепляют шестью гвоздями размером 6 x 150 мм. Каждый штабель блоков СОГ и элементов В-1 закрепляют за монтажные петли верхних элементов В-1 растяжками из проволоки диаметром 6 мм: крайний штабель - шестью растяжками в восемь нитей за торцовые и боковые скобы платформы, средний штабель - четырьмя растяжками в четыре нити за боковые скобы платформы. Торцовые борта платформы должны быть подкреплены короткими стойками 5.

7.4. При совместной перевозке элеваторных элементов СУГ (9 шт.) и СПГ (17 шт.) элементы размещают на платформе в один ярус: элементы СУГ - тремя штабелями и элементы СПГ - пятью штабелями (рис. 48 настоящей главы).

Рисунок 48

1 – штабель СУГ; 2 – штабель СПГ; 3 – увязка; 4 – увязка; 5, 6, 8 – упорные бруски; 7 – растяжка; 9 – стойка

Штабель 1 элементов СУГ формируют из трех изделий, установленных на ребро, которые скрепляют между собой за монтажные петли тремя увязками 3 из проволоки диаметром 6 мм в четыре нити. Штабеля 2 элементов СПГ формируют: три штабеля - по три элемента и два штабеля - по четыре элемента. Штабеля СПГ размещают соответственно внутри и между штабелями СУГ таким образом, чтобы они своими концами упирались в штабеля СУГ. Элементы СПГ в штабеле скрепляют между собой двумя увязками 4. Штабеля СПГ и штабеля СУГ между собой скрепляют шестью увязками 3.

Штабеля СПГ, расположенные внутри штабелей СУГ, закрепляют со стороны бокового борта платформы двумя упорными брусками 5 размером не менее 80 x 90 x 500 мм, которые закрепляют к полу гвоздями размером 6 x 150 мм по 4 штуки каждый. Каждый штабель элементов СУГ закрепляют тремя упорными брусками 6 размером не менее 50 x 100 x 1000 мм, закрепляемыми гвоздями размером 6 x 150 мм по 10 штук каждый, и четырьмя растяжками 7 из проволоки диаметром 6 мм в восемь нитей за монтажные петли элементов СУГ и боковые стоечные скобы платформы.

Зазор между торцовыми бортами платформы и торцами штабелей СУГ заполняют упорными брусками 8 толщиной не менее 50 мм, длиной 1200 мм. В случаях, когда для заполнения зазора необходимо установить несколько брусков, они должны быть объединены в монолитный пакет при помощи гвоздей диаметром не менее 5 мм. Упорный брусок (либо пакет брусков) скрепляют с прилегающим бруском 6 скобой из прутка диаметром 8 мм. В торцовые стоечные скобы устанавливают короткие стойки 9.

8. Железобетонные опоры и трубы

8.1. Конические железобетонные опоры длиной до 11,5 м включительно перевозят в полувагонах с закрытыми торцовыми дверями (рис. 49 настоящей главы).

Рисунок 49

1 - опора; 2 - прокладка; 3 - подкладка; 4 - утолщенная подкладка; 5 - обвязка; 6 – клин

По высоте опоры размещают в полувагоне несколькими ярусами. В смежных ярусах колонны располагают основаниями в противоположные стороны. Опоры длиной 11,5 м размещают по 5 штук в каждом ярусе, длиной 11,0 м - по 6 штук в каждом ярусе со смещением их между собой по длине на 700 - 800 мм. Первый ярус опор укладывают основаниями на подкладку 3 сечением 50 x 150 мм, а вершинами - на утолщенную подкладку 4 сечением 150 x 150 мм и длиной, равной внутренней ширине полувагона. Подкладки размещают вплотную к шкворневым балкам полувагона. Смежные ярусы опор разделяют прокладками 2 сечением не менее 50 x 150 мм и длиной, равной внутренней ширине полувагона.

Каждую опору двух верхних ярусов закрепляют с обеих сторон клиньями 6 толщиной не менее 25 мм и длиной 70 - 80 мм, закрепляемыми к прокладкам тремя гвоздями каждый. Опоры закрепляют шестью поперечными обвязками 5 из проволоки диаметром 6 мм в шесть нитей за нижние увязочные устройства полувагона.

8.2. Безнапорные раструбные железобетонные трубы длиной 5175 и 5100 мм, наружным диаметром безраструбной части 1620 мм (раструбной части, соответственно, 1946 и 1890 мм) размещают в полувагоне в количестве четырех штук в два яруса по высоте с укладкой труб относительно друг друга в каждом ярусе у противоположных бортов полувагона (рис. 50 настоящей главы).

Рисунок 50

1 – труба; 2 – утолщенная подкладка; 3 – подкладка; 4 – клин; 5 – центральный упорный брусок; 6 – распорный брусок; 7– торцовый упорный брусок; 8 – опорный брусок; 9 – обвязка

В первом ярусе трубы размещают с упором раструбных концов в торцовые упорные бруски 7 высотой не менее 150 мм и шириной 80 мм, которые укладывают вплотную к порожку полувагона. Раструбные концы труб укладывают на утолщенные подкладки 2, расположенные на расстоянии 400 - 500 мм от упорных брусков. Сечение утолщенных подкладок: для труб длиной 5175 мм - не менее 170 x 150 мм, длиной 5100 мм - не менее 150 x 150 мм. Под противоположные (прямые) концы труб укладывают подкладки 3 сечением не менее 80 x 150 мм, размещенные на расстоянии 4800 - 5000 мм от упорных брусков. Длина подкладок должна быть равна ширине кузова полувагона.

К каждой подкладке 2, 3 тремя гвоздями длиной 150 мм закрепляют по два клина 4 сечением 80 x 150 мм, длиной 400 и 500 мм, затесанных с одного конца по контуру трубы. Клин длиной 400 мм закрепляют на расстоянии 370 мм от торца подкладки, длиной 500 мм - на расстоянии 380 - 400 мм от заостренного конца первого клина с учетом плотного прилегания скошенных поверхностей к трубе.

В средней части вагона трубы закрепляют центральными упорными 5 и распорными 6 брусками сечением 80 x 150 мм, уложенными на пол вагона узкой гранью (на ребро). Упорные бруски длиной 1100 мм располагают вплотную к торцам труб и закрепляют распорными брусками, длиной - по месту, которые устанавливают в распор между упорным бруском и подкладкой под соседней трубой. Распорные бруски скрепляют с упорными брусками и подкладками строительными скобами из прутка диаметром 6 - 8 мм.

Во втором ярусе трубы размещают раструбами в направлении середины вагона, с опорой на трубы первого яруса и опорные бруски 8 сечением 80 x 150 мм, длиной - по месту. Бруски устанавливают по два на каждую трубу с упором нижнего конца в подклинивающий брусок на подкладке и опиранием верхнего конца на верхний обвязочный брус кузова полувагона. На верхних концах опорных брусков, предназначенных под раструбные концы труб второго яруса, тремя гвоздями длиной 150 мм закрепляют бруски размером не менее 80 x 150 x 150 мм. Каждую трубу закрепляют двумя обвязками 9 из проволоки диаметром 6 мм в шесть нитей за внутренние увязочные устройства полувагона. Допускается использовать составные по высоте подкладки в соответствии с требованиями главы 1 настоящих ТУ.

9. Асбестоцементные трубы с муфтами и уплотнительными резиновыми кольцами для напорных и безнапорных трубопроводов

Перевозку труб и комплектов труб с муфтами и кольцами (далее по тексту - комплект) производят в полувагонах.

Количество труб в полувагоне определяется его грузоподъемностью либо вместимостью; при этом возвышение труб либо муфт над уровнем верхней обвязки должно быть не более 1/2 диаметра трубы либо муфты.

9.1. Трубы диаметром от 200 до 500 мм включительно и длиной 5000 мм в комплекте с муфтами и кольцами размещают поштучно двумя штабелями (рис. 51 настоящей главы).

Рисунок 51

1 – штабель труб; 2 – подкладка; 3 – стойка; 4 – торцовый щит; 5 – упорный брусок; 6 – распорный брусок; 7 – штабель муфт

Каждый штабель 1 труб размещают на две поперечные деревянные подкладки 2 сечением не менее 25 x 100 мм и длиной, равной внутренней ширине кузова полувагона. Одну подкладку укладывают вплотную к шкворневой балке, вторую - на расстоянии 1000 - 1100 мм от противоположного торца штабеля. К бортам полувагона в непосредственной близости от подкладок устанавливают и закрепляют деревянные стойки 3 сечением 40 x 50 мм и длиной, равной высоте борта полувагона. Двери (торцовые стены) полувагона ограждают торцовыми щитами 4 (рисунок 52).

Рисунок 52

а – для труб диаметром 100...200мм; б – для труб диаметром 250...500 мм 1 – доска 16 х 110 х 2735 мм; 2 – доска 16 х 110 х 2100 мм; 3 – гвоздь К2,5 х 50

Щит изготавливают из трех горизонтальных 1 и вертикальных 2 досок, скрепленных между собой гвоздями 3 по одному в каждое соединение. К торцам штабелей в середине полувагона устанавливают такие же торцовые щиты, между которыми размещают муфты 7, укладывая их на образующую. Связки уплотнительных колец укладывают на штабель муфт. Крепление штабелей выполняют следующим порядком. К средним щитам на уровне между двумя верхними ярусами труб прибивают горизонтально расположенные упорные бруски 5 сечением 75 x 100 мм и длиной, равной ширине кузова полувагона. Бруски прибивают к каждой вертикальной доске щита гвоздями размером не менее 5 x 100 мм, по одному в каждую доску. В распор между щитами устанавливают три распорных бруска 6, которые закрепляют к упорным брускам 5 такими же гвоздями, по два в каждое соединение.

9.2. Трубы диаметром 100 и 150 мм, длиной 3950 мм должны быть сформированы в пакеты с использованием пакетирующих стропов ТУ 5254-107-51907428-02, разработанных ЗАО "НИИасбестцемент" (г. Воскресенск). Пакеты труб размещают тремя штабелями по длине полувагона (рис. 53 настоящей главы).

Рисунок 53

1, 2 – подкладки; 3 – стойка; 4 – торцовый щит; 5 – межштабельная прокладка; 6 – пакет труб; 7 – муфты

Штабеля формируют из двух ярусов, в каждом из которых размещают по три пакета по ширине полувагона. Каждый штабель размещают на две поперечные деревянные подкладки 1, 2 шириной 100 мм и длиной, равной внутренней ширине кузова полувагона. Для обеспечения выгрузки труб соседние штабеля размещают на подкладках различной высоты: соответственно, 25 и 80 мм (рис. 53 настоящей главы). К бортам полувагона в непосредственной близости от подкладок устанавливают и закрепляют деревянные стойки 3 сечением 40 x 50 мм и длиной, равной высоте борта полувагона. Двери (торцовые стены) полувагона ограждают торцовыми щитами 4 (рис. 52а настоящей главы). Между штабелями труб устанавливают межштабельные прокладки 5 (рис. 54 настоящей главы).

Рисунок 54

1 – доска 16 х 110 х 2735 мм; 2 – доска 16 х 110 х 2100 мм; 3 – лента; 4 – гвоздь К2,5 х 501

Межштабельные прокладки изготавливают из вертикальных досок 2, скрепленных в верхнем уровне горизонтальной доской 1, а в среднем и нижнем уровнях - стальной лентой 3 при помощи гвоздей 4.

Для перевозки труб без муфт и уплотнительных колец в полувагоне размещают 18 пакетов труб; для перевозки комплектов - 17 пакетов труб, взамен одного пакета размещают муфты и связки уплотнительных колец.

Глава 5. РАЗМЕЩЕНИЕ И КРЕПЛЕНИЕ ГРУЗОВ С ПЛОСКОЙ ОПОРОЙ

Общие положения

1. В настоящей главе предусмотрены условия размещения и крепления на платформах и в полувагонах (далее - вагоны) грузов, как неупакованных, так и упакованных, в деревянных, металлических ящиках различной формы, с плоской опорой.

Грузом с плоской опорой является грузовая единица, имеющая плоскую опорную поверхность (рис. 1а, д настоящей главы), опорную раму (рис. 1б настоящей главы), балки или салазки (рис. 1ж настоящей главы), ложементы (рис. 1е настоящей главы), отдельные опоры (рис. 1в, г, д настоящей главы), исключающие возможность их перекатывания.

Рисунок 1 - Виды грузов с плоскими опорами:

а) груз с плоским основанием; б) груз на плоской раме; в) груз, закрепленный на поддоне, транспортной платформе; г) груз на опорных балках; д) груз на отдельных опорах; е) груз на ложементах; ж) груз на салазках

Несколько грузов могут быть закреплены на одной плоской опоре, а единичный груз (например, цилиндрической формы) - на специальных опорах с плоским основанием - ложементах.

Способы и прочность крепления грузов на основаниях (поддонах), транспортных платформах, ложементах должны отвечать величинам допускаемых нагрузок, установленных в главе 1 настоящих ТУ.

2. Ящик может опираться на пол вагона всей плоскостью днища, продольными или поперечными салазками со скосами (рис. 2а настоящей главы) (не приводится) или с подкладной доской (рис. 2б настоящей главы), а также отдельными опорами.

Рисунок 2.

Конструкция ящика должна соответствовать нормам прочности при перевозке по железной дороге (ГОСТ 26838 "Ящики, обрешетки деревянные. Нормы механической прочности").

Груз должен быть надежно закреплен от смещений внутри ящика.

3. Такие грузы могут быть размещены в вагоны при соблюдении следующих требований:

масса одной грузовой единицы должна быть не более 25 т, а в случаях погрузки или выгрузки в местах общего пользования железнодорожных станций - не более максимальной грузоподъемности имеющегося в них перегрузочного оборудования;

величина коэффициента запаса устойчивости груза от опрокидывания вдоль и поперек вагона должна быть не менее 1,25. Оценку устойчивости груза от опрокидывания выполняют по его габаритным размерам и размерам опорной плоскости с учетом данных таблицы 1 настоящей главы;

суммарная масса такого груза на платформе должна быть не более 50 т, а в полувагоне - 60 т;

при размещении на платформе груз не должен препятствовать закрыванию боковых и торцовых бортов;

высота общего центра тяжести вагона с грузом должна быть не более 2300 мм от уровня головок рельсов;

наветренная поверхность вагона с грузом должна быть не более 50 м2.

Таблица 1

Размеры груза и ширина его опорной поверхности, обеспечивающие устойчивость груза от опрокидывания в вагоне

Высота груза, м, не более0,400,600,801,001,201,401,601,80
Длина опорной плоскости груза, м, не менее0,500,751,001,251,501,752,002,25
Ширина опорной поверхности (опоры), м, не менее0,320,480,640,800,961,121,281,44
Высота груза, м, не более2,002,202,402,602,803,003,203,40
Длина опорной плоскости груза, м, не менее2,502,753,003,253,503,754,004,25
Ширина опорной поверхности (опоры), м, не менее1,601,761,922,082,242,402,562,72

Примечания:

1. Длину и ширину опорной плоскости груза принимают вдоль соответственно продольной и поперечной плоскостей симметрии вагона; опорная плоскость груза очерчивается линиями, относительно которых груз может опрокидываться вдоль и поперек вагона.

2. Центр тяжести груза должен располагаться посередине высоты груза, длины и ширины его опорной поверхности.

4. Деревянные ящики допускается размещать в вагонах в два-три яруса. При этом более легкие ящики размещают в верхних ярусах. Ширина размещенных в верхнем ярусе ящиков должна быть не больше ширины ящиков нижерасположенного яруса. Высота части ящика, выступающей над бортом полувагона, должна быть не более половины высоты ящика.

5. После размещения и закрепления груза на платформе ее борта должны быть закрыты и заперты на клиновые запоры.

При размещении груза в полувагоне его торцовые двери должны быть закрыты и заперты.

6. При размещении грузов на платформах нагрузка от каждой опоры груза или подкладки на пол платформы должна быть не более величин, приведенных в таблице 2 настоящей главы. Зоны передачи нагрузок на пол платформы, указанные в таблице, приведены на рисунке 3 настоящей главы.

Рисунок 3 – Зоны передачи нагрузок на настил пола платформы

Если нагрузка от опор превышает допустимые значения, то каждая грузовая единица должна устанавливаться на две поперечные подкладки, изготовленные из досок сечением не менее 50 x 150 мм и длиной, равной ширине платформы. Допускается применение подкладок, составленных по высоте из двух досок толщиной не менее 35 мм, соединенных между собой и с полом платформы не менее чем четырьмя гвоздями.7. На платформах с деревометаллическим настилом пола в случае возвышения металлического листа над уровнем деревянного настила пола более 5 мм груз устанавливают на подкладки, изготовленные из досок толщиной не менее 25 мм (рис. 4а настоящей главы). Каждую подкладку крепят к полу платформы не менее чем четырьмя гвоздями диаметром 4 - 5 мм.

Рисунок 4- Установка груза на дерево-металлический пол:

а) на двух подкладках; б) без подкладки

В случае, если возвышение металлического листа над плоскостью деревянного настила пола платформы не превышает 5 мм, допускается деревянные ящики и грузы на основаниях или ложементах из дерева при расположении устанавливать без подкладок (рис. 4б настоящей главы).

Таблица 2

Допускаемые нагрузки на пол платформы от отдельных опор груза или подкладок, т

Размер опоры груза в направлении длины платформы, мм <*>Допускаемые нагрузки на пол платформы от отдельных опор груза или подкладок, т, в зависимости от расстояния от продольной оси платформы до продольной оси опоры груза, мм <**>
менее 7575 - 250251 - 350351 - 635636 - 735736 - 850851 - 950951 - 11841185 - 12841285 - 1360
150 - 3000,851,00,50,30,51,00,50,30,51,0
301 - 5001,62,00,50,30,52,00,50,30,52,0
501 - 7502,73,31,50,91,53,31,50,91,53,3
751 - 10004,05,01,50,91,55,01,50,91,55,0
1001 - 12505,36,63,11,83,16,63,11,83,16,6
1251 - 15005,38,33,11,83,18,33,11,83,18,3
1501 - 20008,010,04,72,84,710,04,72,84,710,0
2001 - 250010,610,06,33,76,310,06,33,76,310,0
2501 - 300010,610,07,84,67,810,07,84,67,810,0
Свыше 300010,610,09,45,59,410,09,45,59,410,0

<*> Ширина опоры груза поперек платформы должна быть не менее 50 мм.

<**> В указанных диапазонах допускаемые нагрузки от одной металлической опоры шириной не менее 25 мм должны быть уменьшены вдвое.

8. Грузы с плоской опорой от поступательных перемещений в продольном направлении закрепляют упорными брусками, распорными и упорными рамами, устанавливаемыми вплотную к основанию груза (рис. 5 настоящей главы), а также растяжками и обвязками.

Рисунок 5

1, 2 – упорный брусок, 3 – салазки

Допускается крепление грузов на деревянных салазках посредством установки упорных брусков под скошенную часть салазок, расположенных по продольной оси вагона (рис. 6 настоящей главы).

Рисунок 6

1 – брус упорный; 2 – обвязка

Упорный брусок должен быть затесан под углом скоса салазок и обеспечивать контакт с салазками на высоту не менее 50 мм. При угле скоса салазок менее 45 град. груз дополнительно фиксируют по месту обвязкой из проволоки диаметром 6 мм в две нити.

Если салазки грузов расположены поперек вагона или груз имеет отдельные опоры, то упорные бруски должны устанавливаться вплотную к днищу ящика или к частям груза с плоской поверхностью, обеспечивая высоту поверхности контакта не менее 50 мм (рис. 7 настоящей главы).

Рисунок 7 –Установка упорных брусков:

а – монолитных; б – составных: по высоте 1 – упорный брусок

Допускается на платформе составлять упорные бруски по высоте из двух брусков. Верхние бруски прикрепляют к нижним тем же количеством гвоздей, что и нижние бруски к полу платформы (рис. 7б настоящей главы).

При невозможности закрепить бруски к полу платформы с деревометаллическим настилом, а также в полувагонах распорные и упорные деревянные рамы собирают с помощью строительных скоб из прутка диметром 8 - 10 мм или накладных досок толщиной не менее 25 мм (рис. 8 настоящей главы).

Рисунок 8 - Установка упорных и распорных рам в полувагоне:

1 – упорный брус; 2 – распорный брус;3 – скоба строительная; 4 – доска накладная

9. В случае, когда упорные или распорные бруски воспринимают продольную нагрузку через бруски, расположенные перпендикулярно к ним (рис. 9 настоящей главы), количество упорных или распорных брусков должно быть не менее указанного в таблице 3 настоящей главы.

Рисунок 9 - Установка распорных и упорных брусков и рам для крепления грузов

в вагонах от поступательных смещений 1 – брус упорный; 2 – брус распорный


Таблица 3

Количество упорных брусков в зависимости от их сечения и массы груза

Сечение бруска, ммМасса груза или группы грузов, т
5101520253035404550
50 x 10036--------
80 x 10023568-----
100 x 1002345678---
100 x 12012345678--
100 x 150123345678-
120 x 1501223445678
150 x 1501223344556
160 x 1801122233445
200 x 2001122223333

Для других сечений брусков и массы грузов суммарная площадь контакта брусков должна быть проверена расчетом по методике, приведенной в главе 1 настоящих ТУ.

Для обеспечения необходимой площади контакта упорных и распорных брусков с грузом (рис. 10 настоящей главы) бруски затесывают по месту (рис. 10а настоящей главы). Допускается наращивание брусков по высоте установкой подкладок (рис. 10б настоящей главы) или установка промежуточных упорных брусков 3 (рис. 10в настоящей главы). Промежуточный упорный брусок прикрепляют к основному бруску не менее чем четырьмя гвоздями.

Рисунок 10 - Установка упорных брусков: а) – с подрезом бруска ,

б) - на подкладке), в) - с промежуточным упорным брусом 1 – брус упорный; 2 – доска подкладная, 3 – брус упорный промежуточный

10. Крепление грузов брусками с упором в ложемент допускается только в направлении продольной оси ложемента (рис. 11 настоящей главы). Такое крепление допускается только в поперечном направлении.

Рисунок 11 – Рекомендуемое крепление груза на ложементе упорными брусками

1 – брус упорный: 2 - обвязка

11. Для крепления грузов от продольных смещений в вагоне допускается использовать наклонные обвязки, которые концами закрепляются за увязочные устройства вагона, а средней частью охватывают торцовую часть груза (рис. 12 настоящей главы).

Рисунок 12 – Установка наклонных обвязок для крепления деревянных ящиков:

1-обвязка; 2 – брусок; 3 – скоба строительная

При использовании для крепления груза такой обвязки в каркас ящика забивают строительные скобы из прутка диаметром 8 - 10 мм. Скобу снизу подкрепляют вертикально установленным бруском сечением не менее 50 x 100 мм. Брусок устанавливают в распор между скобой и полом вагона и прибивают к ящику четырьмя гвоздями диаметром 4 x 100 мм.

Между грузами в продольном направлении должны быть установлены распорные рамы. Каждый элемент распорной рамы прибивают к полу платформы не менее чем тремя гвоздями диаметром 5 мм каждый. В полувагоне элементы распорной рамы соединяют строительными скобами из прутка диаметром 8 - 10 мм или накладными досками сечением не менее 22 x 100 мм.

Длина распорных брусков в распорных рамах от продольных смещений в полувагонах должна быть не более 1700 мм.

12. От поперечных смещений в вагоне груз должен быть закреплен распорными брусками. Бруски устанавливают в распор между боковыми бортами вагона и грузом.

Грузы, имеющие коэффициент запаса устойчивости от опрокидывания 1,1 - 1,25, закрепляют обвязками из проволоки. При этом каждый груз (группу грузов) массой до 5 т закрепляют двумя поперечными обвязками из проволоки диаметром 6 мм в две нити, массой 5 - 8 т - в четыре нити, массой 8 - 10 т - в шесть нитей каждая.

При установке грузов или упорных брусков вплотную к торцовому борту платформы в торцовые стоечные скобы должны быть установлены короткие деревянные стойки (рис. 13 настоящей главы).

Рисунок 13 – Установка груза у торцового борта платформы

1 – стойка; 2 – подкладка выравнивающая; 3 – упорный брусок; 4, 5 – распорные бруски

13. Размещаемые в вагонах грузы одной или несколькими группами размещают симметрично относительно продольной плоскости симметрии вагона (рис. 14 - 23 настоящей главы). Грузы устанавливают вплотную друг к другу.

14. Необходимое количество элементов крепления грузов (упорных и распорных брусков, проволочных растяжек и обвязок, гвоздей) определяют с учетом несущей способности отдельного элемента крепления.

Под несущей способностью элемента крепления понимается масса грузов, удерживаемых от смещения этим элементом крепления.

Нормативные значения несущей способности элементов крепления грузов, включая торцовые борта платформ, приведены в таблицах 4 - 11 настоящей главы в зависимости от суммарной массы груза в вагоне и типа крепления.

Суммарная несущая способность всех элементов крепления, закрепляющих группу грузов в вагоне, должна быть больше или равна общей массе груза в группе.

При оценке несущей способности наклонной обвязки (рис. 12 настоящей главы) она принимается за две растяжки.

Таблица 4

Масса груза, удерживаемого торцовым бортом платформы, т

Суммарная масса груза в вагоне, тСостояние торцового борта платформы
не подкреплен стойкамиподкреплен короткими деревянными стойками
До 10 вкл.2,56,2
Свыше 10 до 30 вкл.2,8,1
Свыше 30 до 40 вкл.3,38,3
Свыше 40 до 50 вкл.4,010,0
Свыше 504,011,1

Примечание. Данные таблицы допускается использовать только при размещении грузов, относящихся к настоящей главе.

Таблица 5

Масса груза, удерживаемого одним упорным бруском, прибитым к полу вагону гвоздями диаметром 6 мм, т

Суммарная масса груза в вагоне, тКоличество гвоздей на брусок
------------------------------------
Минимальная длина бруска, мм
2(4) <*>
---------
270
4(8)
---
500
(14)
---
750
10(20)
-----
1000
12(24)
-----
1250
15(30)
-----
1500
18(36)
-----
1750
20(40)
-----
2000
23(46)
-----
2500
26(52)
-----
2500
28(56)
-----
2700
До 10 вкл.0,27 <**>
---------
0,54
0,54
---
1,08
0,95
---
1,90
1,35
-----
2,70
1,62
-----
3,24
2,13
-----
4,26
2,43
-----
4,86
2,70
-----
5,40
3,10
----
6,2
3,51
----
7,02
3,78
---
7,56
Свыше 10 до 30 вкл.0,31
---
0,62
0,62
---
1,24
1,09
---
2,18
1,54
---
3,08
1,85
---
3,70
2,43
---
4,86
2,78
---
5,56
3,09
---
6,18
3,54
---
7,08
4,01
---
8,02
4,32
---
8,64
Свыше 30 до 40 вкл.0,36
---
0,72
0,72
---
1,44
1,27
---
2,54
1,80
---
3,60
2,16
---
4,32
2,84
---
5,68
3,24
---
6,48
3,60
---
7,20
4,13
---
8,26
4,68
---
9,36
5,04
---
0,08
Свыше 40 до 50 вкл.0,43
---
0,86
0,86
---
1,72
1,52
---
3,04
2,16
---
4,32
2,59
---
5,18
3,41
---
6,82
3,89
---
7,78
4,32
---
8,64
4,96
---
9,92
5,62
----
11,24
6,05
-----
12,10
Свыше 500,48
---
0,96
0,96
---
1,92
1,69
---
3,38
2,40
---
4,80
2,88
---
5,76
3,79
---
7,58
4,32
---
8,64
4,80
---
9,6
5,51
----
11,00
6,24
----
12,48
6,72
-----
13,44

Примечание. При использовании гвоздей диаметром 5 мм массу груза принимать на 25% меньше.
<*> В скобках - количество забиваемых в брусок гвоздей в два ряда.

<**> В числителе - для однорядной забивки гвоздей, в знаменателе - для двухрядной.

Таблица 6

Масса груза, т, закрепляемого одной растяжкой
(суммарная масса груза в вагоне, т, при Q(о)_гр <= 10 т)

Угол между растяжкой и полом вагона <*>, град.Угол между проекцией растяжки на пол вагона и продольной осью вагона, град.
30 <*>45 <*>60 <*>
Количество нитей в растяжке при использовании проволоки диаметром 6 мм
246824682468
151,042,083,134,160,881,752,633,500,651,301,952,6
301,052,103,154,210,901,802,703,600,701,402,102,81
450,991,982,933,960,861,732,603,480,701,412,112,83
600,861,722,593,440,781,562,343,120,661,321,982,64

<*> Для промежуточных значений углов массу груза принимать исходя из результатов линейной интерполяции.

Таблица 7

Масса груза, т, закрепляемого одной растяжкой
(суммарная масса груза в вагоне, т, 10 т <= Q(о)_гр <= 20 т)

Угол между растяжкой и полом вагона <*>, град.Угол между проекцией растяжки на пол вагона и продольной осью вагона, град.
30 <*>45 <*>60 <*>
Количество нитей в растяжке при использовании проволоки диаметром 6 мм
246824682468
151,192,373,574,761,082,003,004,000,741,492,232,97
301,202,403,604,81,032,063,094,110,801,602,403,21
451,132,233,394,530,991,982,973,970,801,612,413,23
600,991,982,973,950,891,782,663,560,761,522,273,04

<*> Для промежуточных значений углов массу груза принимать исходя из результатов линейной интерполяции.

Таблица 8

Масса груза, т, закрепляемого одной растяжкой
(суммарная масса груза в вагоне, т, 20 т <= Q(о)_гр <= 30 т)

Угол между растяжкой и полом вагона <*>, град.Угол между проекцией растяжки на пол вагона и продольной осью вагона, град.
30 <*>45 <*>60 <*>
Количество нитей в растяжке при использовании проволоки диаметром 6 мм
246824682468
151,382,774,175,551,172,333,604,670,871,732,603,47
301,402,884,205,611,202,403,604,800,931,872,803,75
451,322,633,905,281,152,303,474,630,931,882,823,77
601,152,303,454,601,032,063,104,130,881,762,653,53

<*> Для промежуточных значений углов массу груза принимать исходя из результатов линейной интерполяции.

Таблица 9

Масса груза, т, закрепляемого одной растяжкой
(суммарная масса груза в вагоне, т, 30 т <= Q(о)_гр <= 40 т)

Угол между растяжкой и полом вагона <*>, град.Угол между проекцией растяжки на пол вагона и продольной осью вагона, град.
30 <*>45 <*>60 <*>
Количество нитей в растяжке при использовании проволоки диаметром 6 мм
246824682468
151,663,325,006,661,402,804,205,601,042,083,124,16
301,683,365,046,741,442,884,325,761,122,243,364,50
451,583,164,686,341,382,764,265,561,122,263,384,52
601,382,764,145,521,242,483,724,961,062,123,184,24

<*> Для промежуточных значений углов массу груза принимать исходя из результатов линейной интерполяции.

Таблица 10

Масса груза, т, закрепляемого одной растяжкой
(суммарная масса груза в вагоне, т, 40 т <= Q(о)_гр <= 50 т)

Угол между растяжкой и полом вагона <*>, град.Угол между проекцией растяжки на пол вагона и продольной осью вагона, град.
30 <*>45 <*>60 <*>
Количество нитей в растяжке при использовании проволоки диаметром 6 мм
246824682468
152,074,146,248,281,753,495,247,001,302,603,905,20
302,094,186,278,361,803,605,407,201,412,824,235,64
451,973,945,917,881,723,445,166,881,412,824,245,64
601,723,445,166,881,553,104,656,201,322,643,965,28

<*> Для промежуточных значений углов массу груза принимать исходя из результатов линейной интерполяции.

Таблица 11

Масса груза, т, закрепляемого одной проволочной обвязкой

Количество нитей проволоки в обвязкеУгол наклона обвязки к полу вагона, град.Общая масса груза в вагоне, т <*>
менее 10от 10 до 20от 20 до 30от 30 до 40свыше 40
2450,630,710,831,001,11
600,760,871,021,221,36
750,850,971,131,361,51
900,891,021,181,421,58
4451,251,431,672,002,22
601,541,762,052,462,73
751,711,962,282,743,04
901,782,032,372,903,16
6451,882,142,503,003,33
602,302,633,073,684,09
752,562,933,424,104,56
902,653,033,534,244,71

<*> Для промежуточных значений углов массу груза принимать исходя из результатов линейной интерполяции.

15. Грузы с плоской опорой, близкие по значениям габаритных размеров и массы, могут устанавливаться в вагоне в 2 - 3 яруса (рис. 22, 23 настоящей главы).

Такие грузы размещают одной или двумя группами с передачей нагрузки на торцовый порожек через упорный брусок или распорную раму. В верхнем ярусе такие грузы размещают в один или два ряда по ширине вагона.

Каждый штабель груза крепят обвязками. Каждый отдельно стоящий груз верхнего яруса должен крепиться двумя обвязками.

16. Допускается разновысокая уплотненная погрузка из крупных, средних и грузов с передачей продольных нагрузок на торцовый порожек вагона (рис. 23 настоящей главы).

При этом у торцовых дверей размещают более высокие и тяжелые грузы. У торцового порожка укладывают упорные бруски на всю ширину вагона.

В остальной части вагона грузы размещают с заполнением всей ширины кузова вагона, чередуя более высокие грузы со штабелями из грузов меньших размеров, укладывая их вперевязку.

17. Разработка эскиза размещения и крепления грузов, погруженных в соответствии с настоящей главой.

В качестве примера такой разработки рассматривается погрузка восьми грузовых единиц, состоящих из пяти единиц груза и трех единиц оборудования на рамах (рис. 24 настоящей главы) (не приводится). Характеристика грузовых мест приведена на рисунке и в таблице 12 настоящей главы.

Сначала проверяют соответствие предъявленных грузов требованиям, изложенным в пункте 3 настоящей главы.

По устойчивости от опрокидывания этим требованиям не удовлетворяют грузы позиций 2 и 5. Для перевозки этих грузов необходимо разработать чертеж погрузки и крепления.

Общая масса оставшихся грузов составляет 15,5 т.

При погрузке грузов одной группой длина группы составит 9500 мм, поэтому длина распорных брусков, которыми группа грузов будет упираться в торцовый борт платформы, составит: (13300 - 9500) / 2, т.е. 1900 мм. Распорные бруски такой длины устанавливать нерационально, грузы необходимо разделить на две группы.

Расчетная схема варианта погрузки с разделением грузов на две группы представлена на рисунке 24 настоящей главы.

Сначала определяют положение общего центра тяжести груза ЦТ(о)_гр относительно продольной и поперечной осей платформы и сравнивают его с допустимыми значениями, приведенными в главе 1 настоящих ТУ.

Продольное смещение общего центра тяжести грузов:

X_с = 4,5 x 2100 + 2,2 x 4450 + 2,7 x 4050 + 1,5 x 8200 + 2 x 2,3 x 10100- 6650 = -912 мм
4,5 + 2,2 + 2,7 + 1,5 + 2 x 2,3

Поперечное смещение ЦТ(о)_гр определяем по формуле:

Y_с = 4,4 x 1385 + 2,2 x 685 + 2,7 x 1985 + 1,5 x 1385 + 2,3 x 735 + 2,3 x 2235- 1385 = 35 мм
4,5 + 2,2 + 2,7 + 1,5 + 2 x 2,3

Рассчитанные смещения общего центра тяжести груза находятся в пределах допустимых значений (см. главу 1 настоящих ТУ).

Таблица 12

Номер грузаТип грузового местаМасса груза, тГабаритные размеры груза, ммКоординаты центра тяжести груза, ммКоэффициент устойчивости груза в направлении
длинаширинавысотапо длине l(о)_прпо ширине b(о)_nпо высоте h_цтпродольном
l(о)_пр
--------
h_цт
поперечном
b(о)_n
--------
0,5 x h_цт
1Ящик4,5018002600150090013007501,203,40
2Ящик2,4025001000180012505009501,391,04
3Ящик2,2029001200100014506005002,902,40
4Ящик2,7021001400160010507008001,311,70
5Ящик4,8016001600200080080010000,801,60
6Оборудование на раме2,30330013001850150065010001,501,30
7Оборудование на раме2,30330013001850150065010001,501,30
8Оборудование на транспортной платформе1,501700170012008508508001,062,10

Рисунок 24

Далее определяют положение общего центра тяжести платформы с грузом ЦТ_о по высоте над уровнем верха головок рельсов (УГР):

h_цт = 4,5 x 2050 + 2,2 x 1800 + 2,7 x 2100 + 1,5 x 2100 + 2 x 2,3 x 2300 + 22 x 800= 1338 мм
4,5 + 2,2 + 2,7 + 1,5 + 2 x 2,3 + 22

Высота общего центра тяжести платформы с грузом не превышает допустимого значения 2300 мм (см. пункт 5.5 настоящей главы).

Боковая наветренная площадь грузов 1, 4, 6, 8, за вычетом высоты бокового борта платформы, составляет:

F_н = 1,8 x 1,0 + 2,1 x 1,1 + 1,7 x 0,7 + 3,3 x 1,35 + 9,9 м2

С учетом боковой наветренной площади платформы 13 м2 суммарная наветренная площадь вагона с грузом составляет 22,9 м2, что меньше допускаемой 50 м2 (см. пункт 3 настоящей главы).

Крепление грузов в продольном направлении целесообразно выполнить с использованием несущей способности торцовых бортов платформы. Согласно пункту 12 настоящей главы в этом случае в торцовые стоечные скобы устанавливают короткие деревянные стойки. Несущая способность торцового борта при общей массе груза на платформе 15,5 т принимается равной 7,1 т (см. таблицу 4 настоящей главы).

Для крепления грузов используются распорные бруски сечением 100 x 100 мм. Количество брусков для передачи продольной нагрузки на торцовый борт платформы определяется исходя из условия прочности упорных брусков, укладываемых у крайних грузов группы, на смятие. Согласно данным таблицы 3 настоящей главы для крепления группы грузов 1, 3, 4-й позиций общей массой 9,4 т с каждой стороны необходимо установить не менее трех брусков, для группы из грузов 6, 7, 8-й позиций общей массой 6,1 т - не менее двух брусков. Так как погрузка может производиться на платформы с дерево-металлическим настилом пола (металлический настил имеет ширину до 1200 мм и расположен по оси платформы), упорные бруски необходимо располагать по обе стороны металлического листа. Из условия симметричности для закрепления группы грузов 1, 3, 4-й позиций применяются четыре бруска.

Так как торцовый борт платформы удерживает только 7,1 т массы грузов, дополнительное крепление грузов осуществляют за счет забивки гвоздей в бруски упорно-распорной конструкции между торцовыми бортом и группой грузов. Необходимое количество гвоздей определяем по таблице 6 настоящей главы: на несущую способность - 9,4 - 7,1 = 2,3 т, в расчете на один распорный брусок - 2,3 / 4 = 0,575 т. Такой несущей способности отвечает брусок, прибитый к полу платформы четырьмя гвоздями (см. вторую строку, второй столбец таблицы 5 настоящей главы).

Распорные бруски в середине платформы должны обладать несущей способностью, отвечающей группе наиболее тяжелых грузов, т.е. 9,4 т. Несущая способность одного бруска должна составлять не менее 9,4 / 4 = 2,35 т. Такой несущей способности отвечает брусок, прибитый к полу платформы 20 гвоздями (см. таблицу 5 настоящей главы для случая двухрядной забивки гвоздей, четвертый столбец, вторую строку). Гвозди должны забиваться в два ряда, так как длина распорного бруска не превышает 1200 мм.

Распорная конструкция в правой стороне платформы выполняет только функцию передачи продольной нагрузки на торцовый борт платформы, так как несущая способность торцового борта 7,1 т больше суммарной массы группы из грузов 6, 7, 8-й позиций, следовательно, бруски распорной конструкции только фиксируются на полу вагона, при этом каждый брусок прибивают не менее чем четырьмя гвоздями.

В поперечном направлении закрепляем только груз 8-й позиции. Согласно общим требованиям с каждой стороны груза устанавливаем в распор по два распорных бруска, каждый брусок прибивается к полу вагона (2-я позиция) гвоздями.

Груз 8 необходимо закрепить фиксирующей обвязкой, так как его коэффициент запаса устойчивости от опрокидывания менее 1,25. Обвязка выполняется из проволоки диаметром 6 мм в две нити.

Разработанный эскиз погрузки и крепления грузов представлен на рисунке 25 настоящей главы.

Пример оформления эскиза погрузки грузов по настоящей главе в соответствии с требованиями главы 1 настоящих ТУ (приложение N 5) приведен на рисунке 26 настоящей главы.

Рисунок 25

Рисунок 26

18. Положения настоящей главы не распространяются на условия размещения и крепления в вагонах металлопродукции (например, продукции черной металлургии в виде полуфабрикатов - блюмсов, слябов, отливок, сортового и листового проката, труб, проволоки), железобетонных изделий, техники на гусеничном и колесном ходу, универсальных и специализированных контейнеров.

Глава 6. РАЗМЕЩЕНИЕ И КРЕПЛЕНИЕ ГРУЗОВ ЦИЛИНДРИЧЕСКОЙ ФОРМЫ

В настоящей главе предусмотрены способы размещения и крепления на открытом железнодорожном подвижном составе грузов цилиндрической формы.

1. Размещение и крепление грузов цилиндрической формы на железнодорожных платформах

1.1. На платформе грузы цилиндрической формы (например, котлы, баки, барабаны, колонны) диаметром 1 - 3,2 м, длиной не более 14 м и массой не более 30 т размещают симметрично относительно ее продольной плоскости симметрии.

Центр тяжести цилиндрического груза должен располагаться в вертикальной плоскости, проходящей через продольную ось цилиндра, не выше продольной оси цилиндрической части.

Наветренная поверхность вагона с грузом не должна превышать 50 м2.

1.2. Размещаемые вдоль пола платформы груза устанавливают на образующую цилиндрического груза:

- груз диаметром до 1,4 м размещают в один или два (рис. 1 настоящей главы)  ряда по ширине платформы;

Рисунок 1

1 – обвязка; 2, 4 - упорный брусок; 3 – подкладка; 5 – распорный брусок

- груз диаметром от 1,4 до 3,2 м - в один ряд (рис. 2 настоящей главы).

Рисунок 2

1, 3 –упорный брусок; 2 – подкладка; 4 – обвязки; 5 – распорный брусок

При наличии на цилиндрической форме груза выступающих частей диаметр груза определяют по наиболее удаленной его части от продольной оси груза (рис. 3 настоящей главы).

Рисунок 3

1 – подкладка; 2 –упорный брусок; 3 – обвязка

1.3. Цилиндрические грузы размещают на поперечных деревянных подкладках шириной не менее 200 мм и длиной, равной ширине платформы.

Высота подкладок для грузов массой до 5 т должна быть не менее 50 мм, массой более 5 т - не менее 100 мм.

Каждую подкладку закрепляют к полу платформы восемью гвоздями длиной, превышающей высоту подкладки не менее чем на 50 мм. Допускается закреплять подкладки с помощью упорных брусков сечением не менее 50 x 100 мм, по два упорных бруска с каждой стороны подкладки, располагаемых симметрично на расстоянии 0,7 - 1 м от продольной плоскости симметрии платформы. Каждый упорный брусок закрепляют не менее чем четырьмя гвоздями длиной, превышающей высоту упорного бруска не менее чем на 50 мм.

1.4. На каждую подкладку вплотную к грузу с обеих сторон укладывают упорные бруски шириной не менее 200 мм и длиной до конца подкладки. Высота брусков в зависимости от диаметра груза приведена в таблице 1 настоящей главы. При размещении грузов в два ряда по ширине платформы между ними на подкладку устанавливают распорные бруски. Каждый упорный или распорный брусок крепят к подкладке двумя шпильками (болтами) М14 - М20 или восемью гвоздями длиной, превышающей высоту бруска и подкладки не менее чем на 50 мм (рис. 3 настоящей главы).

Таблица 1

Диаметр груза, ммВысота брусков, ммДиаметр груза, ммВысота брусков, мм
1000 - 1600502001 - 240080
1601 - 1800602401 - 260090
1801 - 2000702601 - 3200100

Для увеличения площади контакта торцы упорных (распорных) брусков, касающиеся груза, затесывают в соответствии с очертанием поверхности груза.

1.5. Размещенные на платформах цилиндрические грузы закрепляют обвязками из проволоки диаметром 6 мм. Параметры крепления в зависимости от массы груза приведены в таблице 2 настоящей главы.

Таблица 2

Масса груза, тЧисло обвязокСечение полосовых обвязок не менее, ммЧисло нитей проволоки в обвязке
До 5 включительно34 x 304
Свыше 5 до 10 вкл.34 x 406
Свыше 10 до 15 вкл.44 x 406
Свыше 15 до 20 вкл.54 x 406
Свыше 20 до 25 вкл.56 x 608
Свыше 25 до 30 вкл.56 x 608

Для грузов диаметром не более 1,4 м, размещенных в два ряда по ширине вагона, параметры крепления определяют исходя из суммы масс двух рядов.

Грузы массой не более 1 т допускается закреплять четырьмя обвязками из проволоки диаметром 6 мм в две нити, а массой от 1 до 2 т - четырьмя обвязками из проволоки диаметром 6 мм в четыре нити.

Для крепления могут использоваться обвязки из полосовой стали с винтовыми натяжными устройствами. Прочность соединительных элементов обвязок должна быть не ниже прочности составных частей.

Расстояние от крайней обвязки до торца груза должно быть не менее половины его диаметра.

1.6. Каждый цилиндрический груз с торцовых сторон закрепляют деревянными брусками. При длине груза менее 9 м с каждой торцовой стороны его закрепляют тремя упорными брусками, при длине от 9 до 12 м включительно - двумя упорными и двумя распорными брусками (рис. 4а настоящей главы), при длине от 12 до 13 м включительно - упорными брусками, обеспечивающими заполнение зазора между грузом и торцовым бортом платформы, которые закрепляют к полу платформы гвоздями.

Рисунок 4

1 – обвязки; 2 – распорные бруски; 3, 4 –упорные бруски; 5- растяжки

Параметры крепления в зависимости от массы груза приведены в таблице 3 настоящей главы.

Таблица 3

Масса груза, тСечение брусков, ммСуммарное число гвоздей крепления, шт.Длина гвоздей, мм
До 5 включительно100 x 20016150
Свыше 5 до 20 вкл.150 x 20016200
Свыше 20 до 30 вкл.200 x 20020250

Примечание. Число гвоздей крепления распределяется по количеству используемых брусков равномерно.

Вместо упорных и распорных брусков могут быть установлены четыре растяжки (рис. 4б настоящей главы) (не приводится) из проволоки диаметром 6 мм: при массе груза до 10 т включительно - в четыре нити, при массе свыше 10 т до 20 т включительно - в шесть нитей и при массе свыше 20 т до 30 т включительно - в восемь нитей.

1.7. Обвязки и растяжки закрепляют за стоечные скобы в соответствии с требованиями главы 1 настоящих ТУ.

2. Размещение и крепление грузов цилиндрической формы в железнодорожных полувагонах

2.1. В полувагонах размещают барабаны с кабелем и без него. Кабель принимается к перевозке в исправных деревянных и металлических барабанах, изготовленных согласно действующим стандартам. Технические характеристики барабанов с кабелем приведены в таблице 4 настоящей главы.

2.2. Барабаны размещают в полувагоне: "щеками" вдоль или поперек продольной плоскости симметрии вагона; комбинированно - "щеками" вдоль и поперек вагона.

По длине вагона барабаны размещают вплотную друг к другу.

2.3. Барабаны, расположенные "щеками" вдоль полувагона (рис. 5 настоящей главы), размещают вплотную к деревянным упорным щитам, установленным у торцовых дверей полувагона. Размеры щита в зависимости от диаметра барабанов приведены в таблице 5 настоящей главы.

Рисунок 5

1 – упорный щит; 2 – специальная упорная рама

Таблица 4

Номер барабанаДиаметр щеки, ммДиаметр по обшивке, ммШирина барабана, мм
6600640370
8800840350
800840520
800840620
1010001040646
10а10001040864
1212201260560
12а12201260864
12б12201260746
1414001440875
14а14001440665
14б14001440770
14в14001440904
14г140014401065
1616001640770
16а16001640970
1717001750944
17а170017501094
18180018501120
18а180018501120
18б180018501220
18г18001850950
20200020701250
20а200020701320
20б200020701250
22220022701250
22а220022701300
22б220022701350
25250025801600
26265027301800

Таблица 5

Диаметр барабана, ммРазмеры упорного щита, ммДиаметр барабана, ммРазмеры упорного щита, мм
LRBLRB
600 - 8005003001001700 - 1800950800100
900 - 110085050010020001100900100
1200 - 1300950600100220012001000100
1400 - 1600950700100250013001200150
   260014001200150

Примечание. Рекомендуется выбирать размер R с учетом расположения бруса на уровне центра тяжести барабана.

Щит (рис. 6 настоящей главы) устанавливают вплотную к торцовой двери и закрепляют проволокой диаметром 4 - 5 мм за верхние увязочные кольца или дверные петли. К щиту проволоку закрепляют гвоздями. Упорный брусок на щите должен располагаться на уровне центра тяжести барабана.

Рисунок 6

Для рассредоточения нагрузки от барабанов на люки полувагона устанавливают подкладки сечением не менее 40 x 150 мм и длиной по месту.

Барабаны, расположенные "щеками" вдоль полувагона, крепят от перекатывания одним упорным бруском, размеры которого приведены в таблице 6 настоящей главы.

Таблица 6

Упорные брускиДиаметр барабана, мм
600 - 799800 - 10991100 - 13991400 - 15991600 и более
Высота, мм5075100135150
Ширина, мм100120160200220

Упорные бруски размещают вплотную к образующей барабана с противоположной от упорного торцового щита стороны и закрепляют к подкладкам четырьмя гвоздями. Длина гвоздей должна превышать высоту упорного бруска не менее чем на 50 мм.

2.4. При размещении всех барабанов "щеками" вдоль продольной плоскости симметрии полувагона, при наличии свободного пространства в середине полувагона размещают специальную упорную раму (рис. 7 настоящей главы).

Рисунок 7

1 –упорный брус сечением 100х200 мм и длиной, равной ширине полувагона; 2 – подкладочные бруски сечением 100х120 мм; 3,4 –упорный брус сечением 100х120 мм; 5 – гвозди длиной не менее 150 мм.

2.5. При комбинированной погрузке барабанов ("щеками" вдоль и поперек полувагона) (рис. 8, 9 настоящей главы) в средней части полувагона размещают два барабана не ниже 18-го номера "щеками" поперек вагона, которые закрепляют двумя упорными брусками 4 сечением не менее 100 x 120 мм, уложенными вплотную к "щеке" барабана.

Рисунок 8

1 – барабаны; 2 – продольные подкладки; 3,4 –упорные бруски; 5 –распорные бруски; 6 – упорный щит

Рисунок 9

1 – барабаны; 2 – продольные подкладки; 3,4 –упорные бруски; 5 –распорные бруски; 6 – упорный щит

На продольных подкладках 2 вплотную к поперечным упорным брускам 4 закрепляют распорные бруски 5 сечением не менее 100 x 120 мм. Каждый упорный и распорный брусок закрепляют четырьмя гвоздями длиной не менее 150 мм.

2.6. При размещении барабанов необходимо соблюдать требования главы 1 настоящих ТУ, касающиеся допустимых смещений общего центра тяжести груза в вагоне.

Глава 7. РАЗМЕЩЕНИЕ И КРЕПЛЕНИЕ ТЕХНИЧЕСКИХ СРЕДСТВ НА КОЛЕСНОМ ХОДУ

1. Общие положения

1.1. В настоящей главе предусмотрены способы размещения и крепления в вагонах технических средств на колесном ходу (далее - единица техники) при соблюдении следующих условий:

- масса Q каждой единицы техники не должна превышать:

- с обрезиненными колесами при наличии исправной тормозной системы - 24 т, при ее отсутствии - 7 т;

- со стальными колесами при наличии исправной тормозной системы - 15 т, при ее отсутствии - 5 т;

- наветренная поверхность каждой единицы техники, размещенной в вагоне, не должна превышать 3 м2 на 1 т ее массы;

- расстояние L_min от плоскости, проведенной через центр тяжести единицы техники параллельно поперечной плоскости симметрии вагона, до ближайшей точки опирания единицы техники должно быть не менее высоты ее центра тяжести от пола вагона h_цт, т.е. при L_2 >= L_1 и L_1 >= h_цт;

- расстояние В_min от плоскости, проведенной через центр тяжести единицы техники параллельно продольной плоскости симметрии вагона, до ближайшей точки опирания единицы техники должно быть не менее 80% высоты ее центра тяжести от пола вагона h_цт, т.е. при B_2 >= B_1 и B_1 >= 0,8h_цт (рис. 1 настоящей главы);

Рисунок 1.

- высота общего центра тяжести груза над полом платформы должна быть не более 1,7 м при суммарной массе единиц техники до 40 т включительно, не более 1,5 м при суммарной массе единиц техники более 40 т.

1.2. Единицы техники размещают как на одиночных вагонах (рис. 2 - 4, 8 настоящей главы) (не приводятся), так и на сцепах из них (рис. 5 настоящей главы).

В зависимости от массы, размеров и других конструктивных особенностей единиц техники их размещают горизонтально в один-два ряда по ширине вагона и в один-два яруса по высоте (рис. 6 настоящей главы) (не приводится), шасси грузовых автомобилей могут размещать наклонным способом (рис. 7 настоящей главы).

Если ширина единицы техники превышает ширину пола платформы, боковые борта платформы опускают и каждую опущенную секцию закрепляют в соответствии с требованиями главы 1 настоящих ТУ.

В полувагонах единицы техники размещают при условии, что ширина каждой единицы менее ширины дверного проема полувагонов при открытых дверях. В отдельных случаях по согласованию с грузополучателем допускается погрузка в полувагоны единиц техники, имеющих ширину до 2700 мм.

При установке нескольких единиц техники в наклонном или горизонтальном положении между ними должны быть оставлены зазоры не менее 270 мм со стороны единицы техники, находящейся над сцеплением и не закрепленной на вагоне от продольного перемещения, и не менее 50 мм - во всех остальных случаях (рис. 5 настоящей главы). Минимальный зазор между нижними частями единицы техники, установленной с опорой на другую единицу техники в наклонном положении, и ее рамой (полом кузова) должен быть не менее 30 мм (рис. 7 настоящей главы).

Не допускается размещение автокранов, экскаваторов, легковых автомобилей, грузовых автомобилей, укомплектованных специальным ценным оборудованием, над местом сцепления вагонов.

1.3. Единицу техники с металлическими колесами без гребней или с обрезиненными колесами при размещении на платформы устанавливают непосредственно на пол, если передаваемая ими нагрузка не превышает величин, приведенных в таблице 1 настоящей главы. Для колес с обрезиненными ободами или с пневматическими шинами учитывают ширину обода.

Ширину обода двойного (спаренного) колеса определяют как удвоенную ширину одной из его единиц. Центром опоры такого колеса считается его середина.

1.4. Если нагрузки, передаваемые отдельными колесами единицы техники на пол вагона, превышают величины, приведенные в таблице 1 настоящей главы, то под эти колеса должны быть установлены продольные деревянные подкладки (доски). Концы всех подкладок затесывают под углом 25 - 35 град. для облегчения наезда на них колес единиц техники.

Единица техники с имеющими гребни колесами при размещении на платформе устанавливается во всех случаях на продольные подкладки. Размеры подкладок в зависимости от нагрузки и расположения колес по ширине платформы приведены в таблице 2 настоящей главы. При этом каждое колесо в зависимости от ширины устанавливают:

- при ширине его обода до 250 мм включительно - на одну продольную подкладку;

- при ширине обода от 251 до 400 мм включительно - на две;

- при ширине обода более 400 мм - на три подкладки.

Допускается устанавливать на одну подкладку два колеса. При этом длина подкладки должна быть увеличена по сравнению с размерами, указанными в таблице 2 настоящей главы, не менее чем в 2 раза. Число гвоздей, которыми закрепляют каждую подкладку, принимают в зависимости от нагрузки, передаваемой обоими колесами.

Таблица 1

Ширина обода колеса, ммРасстояние от продольной плоскости симметрии платформы до центра опоры колеса на пол, ммДопускаемая нагрузка, кгс, передаваемая от одного колеса единицы техники непосредственно на пол платформы при диаметре колеса, мм
от 100 до 199 вкл.от 200 до 399 вкл.от 400 до 599 вкл.от 600 до 799 вкл.от 800 до 999 вкл.от 1000 до 1199 вкл.от 1200 до 1399 вкл.от 1400 до 1599 вкл.от 1600 и более
От 100 до 199 вкл.0 - 275; 711 - 875; 1261 - 1335265 <*>370 <*>530 <*>650 <*>750 <*>840 <*>925 <*>990 <*>1000 <*>
385 - 602; 972 - 1163; 279 - 384; 603 - 710265310310310310310310310310
876 - 971; 1164 - 1260; 0 - 325; 661 - 925265375530650730730730730730
1211 - 1285530 <*>750 <*>1060 <*>1300 <*>1505 <*>1685 <*>1850 <*>1980 <*>2125 <*>
От 200 до 299 вкл.410 - 577; 997 - 1138350350350350350350350350350
326 - 409; 578 - 660500500500500500500500500500
926 - 996; 1139 - 1210530640640640640640640640640
От 300 до 599 вкл.0 - 375; 611 - 975; 1161 - 1235795 <*>1128 <*>1595 <*>1965 <*>2360 <*>2530 <*>2775 <*>2970 <*>3185 <*>
376 - 610; 976 - 1160410410410410410410410410410
От 600 до 999 вкл.0 - 10851590 <*>2260 <*>3200 <*>3920 <*>4520 <*>5060 <*>5550 <*>5950 <*>6400 <*>
От 1000 до 1399 вкл.0 - 8852650 <*>3760 <*>5320 <*>6520 <*>7540 <*>8440 <*>9250 <*>9900 <*>10630 <*>
От 1400 и более0 - 6853720 <*>5270 <*>7460 <*>9150 <*>10560 <*>11810 <*>13000 <*>13900 <*>14900 <*>

<*> Для колес с пневматическими шинами автомобильного типа указанные значения допускаемой нагрузки могут быть увеличены в 2 раза.

Таблица 2

Расстояние от продольной плоскости симметрии платформы до центра опоры колеса на пол платформы, ммЧисло основных подкладок под одно колесо машины, шт.Наименьшие допускаемые размеры <*> продольных прокладок, мм, при нагрузке от одного колеса, тс
4 - 55 - 66 - 77 - 8
0 - 275; 711 - 875; 1261 - 13351, 2, 3-50 x 100 x 60050 x 100 x 60050 x 100 x 700
276 - 384; 603 - 710150 x 150 x 110060 x 150 x 1300100 x 150 x 1600100 x 150 x 1800
876 - 971; 1164 - 12602, 3--50 x 100 x 600-
385 - 602; 972 - 11631----
2, 3100 x 150 x 2000---

<*> Во всех случаях длина подкладок должна обеспечивать возможность постановки на них упорных брусков.

Подкладки закрепляют к полу платформы гвоздями диаметром 6 мм и длиной, превышающей высоту подкладки на 50 мм. Число гвоздей в зависимости от числа подкладок и передаваемых нагрузок определяется по таблице 3 настоящей главы.

Таблица 3

Количество размещаемых под колесо подкладокКоличество гвоздей на одну подкладку в зависимости от нагрузки, передаваемой через колесо, тс
до 1 вкл.>= 1,1 до 1,5 вкл.>= 1,6 до 3 вкл.>= 3,1 до 4 вкл.>= 4,1 до 6 вкл.>= 6,1 до 8 вкл.
1268122026
223461013
3223479

1.5. При размещении единицы техники в вагонах ее закрепляют проволочными растяжками.

При этом при размещении единицы техники на платформах производится подклинивание колес упорными брусками, расположенными с наружных сторон или с обеих сторон колес (рис. 2 настоящей главы), или только растяжками, а в полувагонах - проволочными растяжками.

Каждое колесо, имеющее гребни, должно быть подклинено упорными брусками с обеих сторон во всех случаях (рис. 9 настоящей главы). Размеры брусков, число растяжек и нитей проволоки указаны в соответствующих пунктах настоящей главы. Упорные бруски закрепляют к полу платформы гвоздями диаметром 5 - 8 мм и длиной, превышающей высоту бруска на 50 мм.

Рисунок 9

Выбор способа установки и количества упорных брусков зависит от их размеров и числа гвоздей, которые в соответствии с требованиями главы 1 настоящих ТУ могут быть забиты в один брусок.

Упорные бруски для подклинивания колес (рис. 10 настоящей главы) изготовляют в соответствии с требованиями настоящей главы.

Форма упорных брусков для случая прилегания их к колесу длинной стороной приведена на рисунке 11 настоящей главы.

Длина брусков должна быть больше ширины обода колеса, а сечение их устанавливается в зависимости от диаметра колеса по таблице 4 настоящей главы.

Таблица 4

Упорные брускиДиаметр колеса, мм
менее 500от 500 до 799 вкл.от 800 до 1099 вкл.от 1100 до 1399 вкл.от 1400 до 1599 вкл.от 1600 и более
Высота, мм405075100135150
Ширина, мм100100120160200220

1.5.1. При размещении единицы техники с имеющимися на стальных колесах гребнями в зависимости от передаваемой ими нагрузки упорные бруски располагаются:

- торцовой стороной вплотную к ободу колеса (рис. 9 настоящей главы);

- длинной стороной поперек колес с опорой на две продольные подкладки (рис. 9а, б, в настоящей главы) при величине передающей нагрузки от 2 до 4 тс: основную, размеры которой приведены в таблице 2 настоящей главы, и дополнительную - такого же сечения и длиной не более 1200 мм.

При величине передаваемой нагрузки, не превышающей 2 тс, применяется форма упорных брусков, приведенная на рисунке 12 настоящей главы.

Поверхность таких брусков должна иметь:

- наклонную кромку шириной 30 - 40 мм, расположенную по касательной к ободу колеса, или выемку, соответствующую форме обода колеса, - для колес, имеющих нагрузку на колесо не более 2 тс;

- выемку с длиной дуги 60 - 120 мм и углублением для гребня - для колес, имеющих нагрузку от колеса более 2 тс.

Количество гвоздей, необходимое для закрепления одного упорного бруска, определяют по таблице 5 настоящей главы в зависимости от массы единицы техники и способа крепления брусков.

Таблица 5

Масса единицы техники, тПри креплении гвоздямиПри креплении скобами
Число нитей проволоки диаметром 6 мм в растяжкеЧисло гвоздей на один упорный брусокЧисло нитей проволоки диаметром 6 мм в растяжке
До 3 включительно24/2 <*>2
>= 3,1 до 6,0 вкл.48/44
>= 6,1 до 9,0 вкл.416184
>= 9,1 до 12,0 вкл.6-/106
>= 12,1 до 15,0 вкл.8-/126

<*> Числитель - при четырех, знаменатель - при восьми поперечных упорных брусках на единицу техники.

В случае применения скоб для закрепления одного упорного бруска при нагрузке от колеса на платформу до 3 тс требуются две скобы (рис. 9а, б настоящей главы), а при нагрузке от 3 до 4 тс - четыре скобы (рис. 9в настоящей главы). Кроме того, при нагрузке от колеса на платформу более 2 тс упорные бруски дополнительно скрепляют между собой двумя удлиненными скобами по обе стороны колеса (рис. 9б, в настоящей главы).

При размещении единицы техники со стальными колесами проволочные растяжки устанавливают в соответствии с требованиями главы 1 настоящих ТУ.

При этом число нитей в каждой растяжке при размещении единицы техники на платформе в зависимости от массы единицы техники определяется в зависимости от принятого способа крепления упорных брусков по таблице 5 настоящей главы.

1.5.2. При размещении единицы техники с имеющимися на стальных колесах гребнями либо с обрезиненными колесами на платформе с открытыми бортами единица техники должна закрепляться от поперечного смещения четырьмя упорными брусками с наружной или внутренней стороны каждого колеса. При этом для колеса диаметром до 1200 мм применяют упорный брусок размером не менее 75 x 75 x 500 мм, а при большем диаметре - 150 x 220 x 700 мм (рис. 13, 14 настоящей главы). При массе единицы техники до 12 т каждый упорный брусок закрепляют к полу платформы четырьмя гвоздями диаметром 6 мм, при массе единицы техники свыше 12 т до 24 т - восемью гвоздями диаметром 6 мм.

1.5.3. При размещении единицы техники со стальными колесами без гребней ее должны закреплять от поперечного смещения с наружной или внутренней стороны каждого колеса (рис. 15 настоящей главы) упорными брусками. Упорный брусок сечением не менее 100 x 180 мм и длиной 500 мм закрепляют к полу платформы пятью гвоздями диаметром 6 мм.

Рисунок 15

1.5.4. У единицы техники, допускаемой к размещению над сцеплением вагонов, подклинивают с двух сторон только задние колеса (рис. 5 настоящей главы). Число гвоздей, необходимое для закрепления одного бруска, определяют по таблице 6 настоящей главы.

Параллельно передним колесам с наружной или внутренней стороны на расстоянии 20 - 30 мм от их боковой поверхности при диаметре колес до 1200 мм устанавливают продольные направляющие бруски размером не менее 75 x 75 x 500 мм, а при большем диаметре колес устанавливают бруски размером 150 x 220 x 1000 мм. Каждый упорный брусок при массе единицы техники до 12 т включительно закрепляют четырьмя гвоздями (длина гвоздей должна на 50 мм превышать высоту бруска), а при массе единицы техники свыше 12 т - восемью гвоздями.

Таблица 6

Крепежный реквизитМасса единицы техники с тормозами, т
до 2 вкл.>= 2,1 до 4,0 вкл.>= 4,1 до 6,3 вкл.>= 6,4 до 12 вкл.>= 12,1 до 18 вкл.>= 18,1 до 24 вкл.
Число нитей проволоки диаметром 6 мм в одной растяжке222468
Число гвоздей на один брусокпри четырех поперечных упорных брусках на единицу техники246121824
при восьми поперечных упорных брусках на единицу техники2236912

1.6. При размещении единицы техники с обрезиненными колесами проволочные растяжки устанавливают в соответствии с требованиями главы 1 настоящих ТУ.

Один конец растяжки закрепляют за буксирные крюки, петли, полуоси задних мостов, шасси, технологические отверстия рам, а также за другие детали машин, которые не могут быть повреждены растяжкой и одновременно не вызовут срез проволочной растяжки. Другой конец растяжки закрепляют за торцовые, боковые стоечные скобы и опорные кронштейны платформ или за нижние увязочные косынки полувагона. Во всех случаях растяжки не должны касаться резиновых покрышек колес единицы техники.

При этом число нитей в каждой растяжке при размещении единицы техники на платформе в зависимости от массы единицы техники определяется:

- при креплении имеющей тормоза единицы техники с обрезиненными колесами - по таблице 6 настоящей главы;

- при креплении не имеющей тормозов единицы техники с обрезиненными колесами - по таблице 7 настоящей главы.

Таблица 7

Крепежный реквизитМасса единицы техники, не имеющей тормозов, т
до 3,5 вкл.>= 3,6 до 7,0 вкл.
Число нитей проволоки диаметром 6 мм в одной растяжке24
Число гвоздей на один брусокпри четырех поперечных брусках на единицу техники48
при восьми поперечных брусках на единицу техники24

1.7. Единицу техники с обрезиненными колесами, установленную горизонтально на платформе, закрепляют, кроме упорных брусков, четырьмя растяжками из проволоки диаметром 6 мм (рис. 2 и таблицы 6, 7 настоящей главы), располагаемыми по две с передней и задней сторон единицы техники и направленными в противоположные стороны. При размещении единицы техники над сцеплением вагонов закрепляют растяжками только заднюю сторону единицы техники, при этом растяжки направляют в противоположные стороны (рис. 5 настоящей главы).

1.8. При размещении единиц техники в два ряда по ширине платформы каждую из них дополнительно закрепляют от поперечного перемещения упорными брусками, которые размещают с наружной или внутренней стороны к колесам и закрепляют четырьмя гвоздями длиной, превышающей толщину бруска на 50 мм.

Для предотвращения боковой качки обрессоренных единиц техники под лонжерон со стороны, обращенной к середине платформы, устанавливают деревянную подставку (рис. 16 настоящей главы), которую закрепляют к полу платформы под углом 45 град. двумя гвоздями длиной 200 мм.

1.9. Размещение и крепление единиц техники в наклонном положении в вагоне или сцепе из них производят в зависимости от конструктивных особенностей таких единиц техники (рис. 17 - 20 настоящей главы).

Задние борта единиц техники, за исключением установленных последними, должны быть открыты и закреплены имеющимися на них специальными цепями или проволокой (рис. 18 - 20 настоящей главы).

Единицы техники-шасси (рис. 17 настоящей главы), кроме первой, наклонно установленной, и единиц техники, погруженных над сцеплением вагона, должны устанавливаться передней осью на специальную облегченную деревянную подставку (рис. 21, 22 настоящей главы) (не приводятся), укладываемую и закрепляемую на раме впереди стоящей единицы техники. Передняя ось этих единиц техники-шасси связывается проволокой с рамой впереди стоящей единицы техники.

Параллельно передним колесам наклонно размещенных единиц техники на расстоянии 20 - 30 мм от боковой наружной поверхности колес устанавливают продольные направляющие бруски, скрепляющие одновременно доски разгрузочных щитков сечением не менее 50 x 75 мм и длиной не менее 400 мм. Каждый из направляющих брусков закрепляют к разгрузочным щиткам четырьмя гвоздями длиной 100 - 150 мм.

1.10. При размещении на платформе единиц техники, имеющих тормоза, у первой, установленной в горизонтальном положении и заторможенной, задние колеса подклиниваются с двух сторон, а передние - только с наружных сторон. У единиц техники, не имеющих тормозов, у первой горизонтально установленной единицы техники подклинивают колеса только с наружных сторон. У всех единиц техники, установленных в наклонном положении, подклинивают с обеих сторон только задние колеса.

Число гвоздей диаметром 6 мм и длиной, превышающей высоту бруска на 50 мм, для крепления одного упорного бруска определяют в зависимости от массы единицы техники и наличия тормозов по таблице 8 настоящей главы.

Таблица 8

Масса единицы техники, тЧисло гвоздей на упорный брусок
При наличии тормоза
До 3,9 включительно4
Свыше 3,9 до 4,2 вкл.5
>= 4,3 до 6,3 вкл.6
При отсутствии тормоза
До 2,7 вкл.3

Единицы техники, расположенные над сцеплением вагонов, закрепляют упорными брусками и двумя растяжками, направленными в сторону позади стоящей машины (рис. 18 настоящей главы). Число нитей в одной растяжке из проволоки диаметром 6 мм определяют в зависимости от массы единицы техники по таблице 9 настоящей главы.

Таблица 9

Масса единицы техники, тЧисло нитей в одной растяжке для закрепления единицы техники, установленной
горизонтальнонаклоннонад сцеплением
перваяпоследняя
До 3,9 включительно22/4 <*>4/22
Свыше 3,9 до 6,3 вкл.24/66/42

<*> В числителе указано число нитей проволоки в растяжках, направленных в сторону горизонтально установленной единицы техники, в знаменателе - в растяжках, направленных в противоположную сторону.

Горизонтально установленную единицу техники-шасси, имеющую тормоза, кроме упорных брусков, закрепляют четырьмя проволочными растяжками, наклонно установленную - закрепляют за задний мост четырьмя растяжками, из них две направлены в сторону горизонтально установленной единицы техники, а две другие - в противоположную сторону (рис. 17, 18 настоящей главы).

Передние колеса единиц техники-шасси, кроме единиц техники, погруженных над сцеплением, закрепляют двумя растяжками.

Число нитей проволоки диаметром 6 мм в одной растяжке определяют в зависимости от массы единицы техники по таблице 10 настоящей главы.

При размещении единиц техники без тормозов массой до 2,7 т, кроме упорных брусков, каждую горизонтально и наклонно установленную единицу техники закрепляют четырьмя растяжками из проволоки диаметром 6 мм в четыре нити.

1.11. При размещении единиц техники в полувагоне в горизонтальном положении каждую единицу закрепляют шестью проволочными растяжками. Кроме того, смежные единицы техники между собой закрепляют двумя горизонтальными увязками (рис. 3 настоящей главы).

Таблица 10

Масса единицы техники, тЧисло нитей проволоки диаметром 6 мм в одной растяжке
До 3,4 включительно2/2 <*>
>= 3,5 до 4,0 вкл.4/2
>= 4,1 до 6,3 вкл.4/4

<*> В числителе указано число нитей проволоки в растяжках, направленных в сторону горизонтально установленной единицы техники, в знаменателе - в растяжках, направленных в противоположную сторону.

Единицы техники массой до 3,3 т закрепляют растяжками и увязками из проволоки диаметром 6 мм в две нити, а единицы техники массой от 3,3 до 6,3 т - в четыре нити.

1.12. В наклонном положении в полувагонах единицы техники массой до 3,3 т, снабженные тормозами, размещают таким же порядком, как при размещении этих единиц техники на платформах (рис. 19, 20 настоящей главы).

Горизонтально установленную единицу техники закрепляют шестью растяжками из проволоки диаметром 6 мм в четыре нити, из них две закрепляют за буксирные крюки этой единицы и за увязочные косынки, расположенные на буферном брусе полувагона, а четыре - за полуоси заднего моста единицы техники и нижние увязочные косынки полувагона. Наклонно установленную единицу техники закрепляют четырьмя растяжками из проволоки диаметром 6 мм в четыре нити, увязываемыми за полуоси заднего моста единицы техники и нижние увязочные косынки полувагона.

При погрузке единиц техники в полувагоны не допускается соприкосновения покрышек колес с острыми кромками промежуточных, средних и шкворневых балок и металлическим порогом торцовой двери полувагона.

1.13. При размещении поперек платформы единиц техники с тормозами массой до 2,4 т их закрепляют следующим образом (рис. 23 настоящей главы). Каждую единицу техники закрепляют четырьмя растяжками из проволоки диаметром 6 мм в две нити. Кроме того, каждую единицу техники подклинивают четырьмя поперечными брусками размером не менее 75 x 130 x 500 мм и четырьмя продольными брусками, размеры которых определяют согласно требованию настоящей главы.

Каждый поперечный брусок закрепляют к полу платформы двумя гвоздями длиной 200 мм, а продольный - пятью такими же гвоздями.

1.14. При размещении на платформах автокранов их стрелы дополнительно закрепляют четырьмя растяжками из проволоки диаметром 6 мм в четыре нити, из которых две растяжки крепятся за верх стрелы и две - в средней части стрелы (рис. 24 настоящей главы).

В случае погрузки на одну платформу двух автокранов допускается замена двух растяжек в средней части обвязкой стрел между собой проволокой диаметром 6 мм в четыре нити (рис. 25 настоящей главы). В этом случае между стрелами кранов по месту устанавливается деревянная прокладка, закрепляемая к стрелам.

Стрелы и ковши экскаваторов для ограничения перемещений закрепляют четырьмя растяжками из проволоки диаметром 6 мм в четыре нити (по две с каждой стороны), направленные в противоположные стороны (рис. 26 настоящей главы).

2. Размещение и крепление тракторных прицепов марки ММЗ-771Б

2.1. Тракторные прицепы марки ММЗ-771Б размещают на платформе в следующем порядке (рис. 27 настоящей главы). На деревянные подкладки 6 сечением 100 x 125 x 500 мм, устанавливаемые согласно указанному рисунку и закрепляемые к полу платформы пятью гвоздями диаметром 6 мм и длиной 150 мм, устанавливают четыре кузова, демонтированных с двух тракторных прицепов. На эти кузова устанавливают два прицепа в сборе, которые затормаживают ручным тормозом, в третьем ярусе размещают два шасси тракторных прицепов, кузова которых ранее были размещены в первом ярусе.

Рисунок 27

1 – платформа; 2 – кузов прицепа; 3 – прицеп в сборе; 4 – шасси прицепа; 5 – растяжка; 6 – подкладка; 7 – растяжка.

Боковые борта кузовов, в которые помещены колеса вышерасположенных прицепов, приоткрывают и закрепляют с каждой стороны к торцовым бортам прицепов проволокой диаметром 6 мм в две нити за технологические отверстия в бортах в пределах габарита погрузки.

Прицепы второго яруса закрепляют шестнадцатью растяжками 5 из проволоки диаметром 6 мм в шесть нитей. Растяжки закрепляют одним концом за стоечные скобы платформы, другим - за кронштейны рам прицепов.

В местах соприкосновения растяжек с бортом кузова прицепа укладывают резиновые прокладки.

Дышла каждого прицепа-шасси третьего яруса закрепляют за сцепную петлю к заднему борту прицепа за прямоугольные технологические отверстия двумя растяжками 7 из проволоки диаметром 6 мм в две нити.

Гидроподъемники верхних шасси закрепляют проволокой диаметром 6 мм в две нити к раме прицепа.

2.2. Четыре прицепа марки ММЗ-771Б размещают на платформе в два яруса (рис. 28 настоящей главы). Первый прицеп нижнего яруса устанавливают на пол платформы в рабочем положении. Затем устанавливают второй прицеп, при этом под опорное устройство рамы подкладывают два деревянных бруска 3 размером 100 x 200 x 400 мм, которые скрепляют между собой и закрепляют к полу платформы четырьмя гвоздями диаметром 6 мм и длиной не менее 150 мм. Боковые передние борта прицепов должны быть открыты и связаны между собой проволокой диаметром не менее 4 мм. Каждый прицеп нижнего яруса закрепляется четырьмя растяжками 1 из проволоки диаметром 6 мм в шесть нитей за раму прицепа и за боковые стоечные скобы платформы.

Рисунок 28

1 – растяжка; 2 – растяжка; 3 – бруски; 4 - бруски

Каждое колесо прицепов нижнего яруса закрепляют одним продольным и одним поперечным брусками 4 размером 75 x 100 x 500 мм и закрепляют каждый к полу платформы восемью гвоздями диаметром 6 мм и длиной не менее 150 мм.

На нижний ярус прицепов размещают прицепы верхнего яруса таким образом, чтобы колеса верхних прицепов встали в кузова с открытыми бортами нижних, а прицепная часть рамы верхних прицепов при этом опиралась на торцовые борта нижних прицепов.

Каждый прицеп второго яруса закрепляют растяжками 2 из проволоки диаметром 6 мм в шесть нитей за раму прицепа и боковые стоечные скобы платформы.

Съемные деревометаллические и металлические надставные борта каждого прицепа связывают между собой проволокой диаметром 6 мм, укладывают в задний кузов и закрепляют проволокой диаметром 6 мм в две нити за технологические отверстия кузовов.

3. Размещение и крепление на платформах автомобилей массой до 3,0 т растяжками, выполненными механизированным способом, без применения упорных брусков

3.1. Автомобили длиной до 5500 мм размещают симметрично относительно плоскостей симметрии платформы и затормаживают переключением передачи на скорость с установкой ручного тормоза в стояночное положение.

Каждый автомобиль закрепляют с помощью трех или четырех пар растяжек из проволоки диаметром 6 мм в четыре нити за детали автомобиля и стоечные скобы или кронштейны платформ.

Растяжку изготавливают из двух сдвоенных нитей проволоки. Нити обводят два раза вокруг стоечной скобы (или кронштейна) платформы со свободными концами длиной не менее 300 мм, которые вплетают в растяжку с последующим механическим скручиванием ее нитей.

При закреплении автомобилей за диски колес необходимо, чтобы направления растяжек проходили через оси соответствующих колес.

Проволочные растяжки в средней их части скручивают механизированным способом специальной укруточной машинкой АС-4679 до натяжения. Калькодержателем техдокументации на укруточную машинку АС-4679 является АО "Горьковский автомобильный завод".

3.2. Два шасси автомобилей размещают горизонтально (рис. 29а настоящей главы).

Рисунок 29а

Рисунок 29б

1 – подставка; 2 – увязка

Рисунок 29в

1 – брусок; 2 – доска; 3,4 - гвозди

Три шасси автомобилей (рис. 29б настоящей главы) (не приводится) размещают: одно - горизонтально и два - наклонно, с использованием деревянных подставок (рис. 29в настоящей главы) (не приводится). Подставку изготавливают из двух брусков 1 размером 40 x 60 x 1040 мм, четырех досок 2 размером 75 x 180 x 270 мм, которые скрепляют между собой восемью гвоздями 3 диаметром 4 мм и длиной 100 мм и восемью гвоздями 4 диаметром 4 мм и длиной не менее 130 мм.

Каждую подставку закрепляют к раме впереди стоящей машины двумя обвязками из проволоки диаметром 4 мм в две нити.

Каждое шасси закрепляют четырьмя парами растяжек: спереди - за буксирные проушины и диски колес, сзади - за рым-болты или задние кронштейны рессор и диски колес.

Шасси, установленное горизонтально (рис. 29б настоящей главы), закрепляют четырьмя парами растяжек: спереди - за буксирные проушины и диски колес, сзади - за рым-болты и задние кронштейны рессор.

Шасси, установленное наклонно, закрепляют тремя парами растяжек: спереди - за диски колес, сзади - за передние и задние кронштейны рессор.

Наклонные шасси автомобилей спереди дополнительно закрепляют за передние кронштейны рессор двумя увязками из проволоки диаметром 6 мм в четыре нити к рамам впереди стоящих машин.

3.3. Два автомобиля размещают горизонтально (рис. 30, 31 настоящей главы).

Каждую машину закрепляют четырьмя парами растяжек: спереди - за буксирные проушины и диски колес, сзади - за задние кронштейны рессор и рым-болты.

4. Размещение и крепление легковых автомобилей на двухъярусных платформах, в крытых вагонах для перевозки легковых автомобилей

Двухъярусные платформы, используемые для перевозки автомобилей (рис. 32 настоящей главы), отгружаются в пункты назначения, имеющие стационарные или передвижные устройства, посредством которых можно обеспечить выгрузку автомобилей своим ходом с обоих ярусов вагонов.

О наличии у грузополучателя таких устройств грузоотправитель в транспортной железнодорожной накладной (в графе "Особые заявления и отметки отправителя") обязан сделать отметку "Средства разгрузки автомобилей у грузополучателей имеются".

4.1. Двухъярусные платформы оборудованы направляющим устройством, предназначенным для самостоятельного заезда автомобилей в вагон и фиксирования их.

4.1.1. Для закрепления автомобилей от продольных и поперечных перемещений платформы оснащены инвентарными крепежными устройствами (колесными упорами), устанавливаемыми под каждое колесо погруженного автомобиля (рис. 33, 34 настоящей главы).

Пол верхнего и нижнего ярусов платформы имеет щелевые отверстия, предназначенные для установки и фиксирования колесных упоров. Комплект колесного упора состоит из: корпуса 2 (рис. 33 настоящей главы) с двумя крючьями, входящими в прорези настила пола; рычажного поворотного прижима 1, соединенного с тягой, на которую навинчивается гайка с кольцевыми проточками 4; подпружиненной закидки 3 для фиксации упора от перемещения и выхода его из зацепления с полом.

4.1.2. На двухъярусных платформах перевозят легковые автомобили, имеющие:

- массу одной машины не более 1,65 т;

- ширину не более 1,615 м (при погрузке машин в два ряда);

- высоту центра тяжести (h_цт) над полом вагона не более 0,6 м;

- ширину колеи (расстояние между серединами шин передних или задних колес) не менее 1,2 м;

- базу автомобиля (расстояние между осями колес) не менее 2 м;

- наветренную поверхность каждой машины с любой из боковых сторон не более 3 м2 на 1 т машины.

Соответствие автомобилей указанным требованиям устанавливает грузоотправитель.

Автомобили на нижнем и верхнем ярусах в зависимости от размеров размещают в следующем порядке:

- в один ряд по ширине платформы в каждом ярусе (рис. 35 настоящей главы);

- в два ряда по ширине платформы, а между несущими стойками - по одному автомобилю. При этом на верхнем ярусе размещают десять (рис. 36а настоящей главы) (не приводится), а на нижнем - семь автомобилей (рис. 36б настоящей главы) (не приводится).

На платформах, нижний ярус которых оборудован защитными сетками, автомобили устанавливают в один ряд в количестве пяти автомобилей.

Зазор между наиболее выступающими поверхностями стоящих рядом и впереди (сзади) автомобилей должен быть не менее 50 мм (рис. 35, 36 настоящей главы).

Автомобили заезжают на верхний и нижний ярусы платформы или съезжают с них своим ходом через торцовую часть платформы по средней части предыдущей платформы.

При необходимости размещения на верхнем ярусе автомобилей в два ряда по ширине платформы первые два автомобиля должны въезжать по имеющимся в верхнем ярусе платформы направляющим устройствам (рис. 37 настоящей главы).

Автомобили, размещаемые на нижнем ярусе в два ряда по ширине, въезжают в направляющие устройства непосредственно на загружаемой платформе (рис. 38 настоящей главы).

4.1.3. Перед погрузкой автомобилей грузоотправитель обязан:

- откинуть в горизонтальное положение переездные площадки на нижнем и верхнем ярусах всех платформ, оставив в вертикальном положении только крайние переездные площадки платформы, загружаемой в первую очередь;

- убедиться в исправности и комплектности колесных упоров (при необходимости смазать винтовые соединения упоров) и разместить их на полу так, чтобы они не препятствовали свободному проезду автомобилей;

- установить в крайние щелевые отверстия пола на верхнем и нижнем ярусах первой загружаемой платформы со стороны неоткинутых переездных площадок необходимое число колесных упоров. При этом рычажные поворотные прижимы должны находиться в среднем рабочем положении (рис. 33 настоящей главы).

4.1.4. Для закрепления автомобиля необходимо в ближайшие к колесам машины щелевые отверстия установить колесные упоры, сдвинуть их по направлению от колеса и зафиксировать каждый упор подпружиненной закидкой. При этом рычажный поворотный прижим 1 должен находиться в крайнем правом или среднем рабочем положении.

Вращением гайки 4 рычажный поворотный прижим доводится вплотную к колесам автомобиля, после чего отправитель обязан проверить надежность закрепления упора, с тем чтобы исключалось его перемещение при перевозке.

4.1.5. После окончания погрузки грузоотправитель устанавливает переездные площадки в транспортное (вертикальное) положение и закрепляет их крюковыми захватами.

Передвижение вагона с откинутыми переездными площадками запрещается.

4.1.6. Перед выгрузкой автомобилей грузополучатель обязан откинуть переездные площадки в горизонтальное положение, снять колесные упоры первых выгружаемых автомобилей.

Для снятия колесного упора необходимо отвернуть гайку 4 (рис. 33 настоящей главы) с кольцевыми проточками на четыре-пять оборотов, поднять ее вверх до выхода из прорези и сдвинуть по направлению к колесу автомобиля, чтобы рычажный поворотный прижим 1 вышел из зацепления с колесом. Поднять вверх подпружиненную закидку 3, подать вперед колесный упор и вывести его крючья из щелевых прорезей в полу.

Колесные упоры при выгрузке последующих автомобилей снимают аналогично.

После выгрузки автомобилей грузополучатель устанавливает переездные площадки в транспортное (вертикальное) положение, а колесные упоры закрепляет на вагоне.

Для закрепления снятого колесного упора необходимо опустить гайку 4 в прорезь корпуса 2 и завернуть ее до отказа, поднять подпружиненную закидку 3, установить крючья в прорези пола, подвинуть колесный упор на себя, отпустить подпружиненную закидку, чтобы она зафиксировалась в прорези пола.

4.1.7. После выгрузки автомобилей уполномоченные перевозчиком лица, связанные с осмотром вагонов и приемом и сдачей груза, принимают от грузополучателя порожние платформы с проверкой исправности и комплектности колесных упоров, с закреплением переездных площадок в вертикальном положении крюковыми захватами.

4.2. В крытом вагоне для перевозки легковых автомобилей на нижнем и верхнем ярусах автомобили размещаются в один ряд вдоль вагона симметрично относительно продольной и поперечной плоскостей симметрии вагона с максимально возможным использованием длины кузова вагона на каждом ярусе.

Зазор между автомобилями должен быть не менее 50 мм.

При погрузке легковых автомобилей на верхнем ярусе допускается их смещение к одной из крайних направляющих для исключения повреждений автомобилей и крыши вагона при открытии дверей автомобилей.

Размещение и крепление автомобилей в крытом вагоне для перевозки легковых автомобилей аналогично размещению и креплению их на двухъярусной платформе (по пункту 4.1, подпунктам 4.1.1 и 4.1.2 настоящей главы).

4.2.1. После выгрузки грузополучатель обязан закрепить колесные упоры, закрепить и опломбировать вагоны, а в транспортной железнодорожной накладной в графе "Особые заявления и отметки отправителя" указать: "Двери и площадки закрыты, колесные упоры в количестве 48 штук исправны и закреплены".

Перевозить груженые и порожние вагоны для перевозки легковых автомобилей с незакрепленными колесными упорами, незакрепленными створками торцовых дверей и незакрепленными в транспортном (вертикальном) положении переездными площадками, а также вагоны, заторможенные ручными тормозами, запрещается.

5. Размещение и крепление зерноуборочных самоходных комбайнов СК-6 "Колос", СК-5 "Нива" и СК-4 на платформах

Комбайны СК-6 "Колос", СК-5 "Нива" и СК-4 размещают и закрепляют на платформах в демонтированном виде. Их молотильные агрегаты размещают таким образом, чтобы ведущие колеса агрегатов находились симметрично относительно продольной плоскости симметрии платформы. Ведущие колеса агрегатов затормаживают на стояночный тормоз, а рычаг коробки передач ставят на скорость.

Под мост ведущих колес молотильного агрегата устанавливают две подставки (рис. 39 настоящей главы), каждую из которых закрепляют к полу платформы четырьмя гвоздями диаметром 6 мм и длиной не менее 200 мм.

Рисунок 39

1 – доска размером 600х180х50 мм (1 шт.); 2 - доска размером260х120х40 мм (4 шт.); 3 – доска размером600х130х50 мм (2 шт.); 4 - доска размером 440 х 120 х 50 мм (2 шт.); 5 - доска размером 570х200х40 мм (2 шт.); 6 – гвоздь 4х100 мм (40 шт.)

Демонтированные узлы и детали комбайнов размещают и закрепляют в порядке, изложенном в настоящей главе для соответствующих марок комбайнов.

Открываемые секции продольных бортов платформы, расположенные против ведущих колес молотильных агрегатов комбайнов, открывают и закрепляют способом, установленным главой 1 настоящих ТУ.

5.1. Комбайн СК-6 "Колос" размещают на платформе в количестве двух штук (рис. 40 настоящей главы). Молотильный агрегат 1 устанавливают ведомыми колесами к торцовому борту платформы. Каждое колесо молотильного агрегата подклинивают двумя упорными брусками 4 размером (140 - 160) x 300 x 400 мм, каждый из которых закрепляют к полу платформы четырьмя гвоздями диаметром 6 мм и длиной не менее 200 мм. К ведущим колесам молотильного агрегата с внутренней стороны укладывают по одному упорному бруску 10 размером (140 - 160) x 300 x 300 мм, закрепляемому к полу платформы тремя гвоздями диаметром 6 мм и длиной не менее 200 мм.

Рисунок 40

1 – молотильный агрегат; 2 – боковины копнителя; 3 – прочие комплектующие места; 4, 10 - -упорные бруски; 5 – подставки; 6 – ферма; 7, 8 – растяжки; 9 – выгрузочное устройство; 11 – обвязки

Молотильный агрегат 1 закрепляют шестью растяжками из проволоки диаметром 6 мм, из них две растяжки 7, в восемь нитей каждая, закрепляют за мост ведущих колес молотильного агрегата и за боковые стоечные скобы платформы и третью пару растяжек 8 из четырех нитей крепят за кронштейны молотильного агрегата и за боковые стоечные скобы платформы.

На полу платформы (рис. 40 настоящей главы) размещают и закрепляют демонтированные узлы и детали комбайнов. Под один из молотильных агрегатов укладывают левые и правые боковины копнителя и ферму; под другой агрегат укладывают выгрузные устройства, шнеки бункеров и ферму. Между агрегатами укладывают связки с запасными частями, воздухозаборники, подборщики, днища, перила, лестницы и решетки.

Подборщики, днища, связки с деталями, перила лестницы, воздухозаборники, размещенные посередине платформы, закрепляют двумя обвязками из проволоки диаметром 6 мм в две нити 11 за боковые стоечные скобы. Каждое из погрузочных мест закрепляют к полу платформы двумя гвоздями диаметром 5 мм и длиной 150 мм, загибая головки на эти детали.

5.2. Комбайны СК-5 "Нива" без навесных измельчителей размещают на платформе в количестве двух штук (рис. 41 настоящей главы).

Рисунок 41

1 – молотильный агрегат; 2 – подставки; 3 – прочие комплектующие места; 4 – кабина; 5, 7, 9 – упорные бруски; 6, 8, 11 – растяжки из проволоки; 10 – подкладка.

Молотильный агрегат 1 устанавливают ведомыми колесами к торцовому борту платформы. При этом каждое ведомое колесо подклинивают двумя упорными брусками 5 размером (65 - 100) x 120 x 350 мм. Каждый из брусков закрепляют к полу платформы четырьмя гвоздями диаметром 6 мм и длиной 150 мм.

Каждое ведущее колесо комбайна закрепляют двумя упорными брусками 7 размером (125 - 150) x 200 x 550 мм, с внутренней стороны укладывают по одному продольному бруску 9 размером (125 - 150) x 200 x 550 мм. Каждый упорный брусок закрепляют к полу платформы четырьмя гвоздями диаметром 6 мм и длиной 200 мм.

Молотильный агрегат закрепляют шестью растяжками из проволоки диаметром 6 мм, из них две растяжки 6, каждая в шесть нитей, - за ведущий мост комбайна и за боковые стоечные скобы платформы, две растяжки, в шесть нитей каждая, со стороны ведомых колес - за раму молотильного агрегата и за торцовые скобы платформы и третью пару растяжек 8 в четыре нити - за раму комбайна и за боковые стоечные скобы платформы.

Кабину комбайна 4 устанавливают на молотильном агрегате. Переднюю часть кабины укладывают на деревянную подкладку 10 сечением 100 x 100 мм и закрепляют за подмоторную раму и хомут воздухоочистителя двумя растяжками из проволоки диаметром 6 мм в две нити.

Заднюю часть кабины закрепляют двумя болтами М-12 с контргайками за специальные кронштейны задней части молотильного агрегата.

На полу платформы (рис. 41 настоящей главы) размещают следующие узлы и детали комбайнов: под каждый молотильный агрегат укладывают правую и левую граблины, щиток сброса соломы, правые и левые боковины копнителя и капота, днище копнителя, палец днища (связка), вал сбрасывателя и другие детали.

Выгрузной шнек укладывают вдоль продольных бортов платформы. Между молотильными агрегатами размещают ферму в сборе, ящики с деталями, задний клапан, воздухозаборники и жалюзи.

Крепление узлов и деталей каждого комбайна к полу платформы следующее: воздухозаборник закрепляют четырьмя гвоздями диаметром 5 мм и длиной 100 мм; ферму в сборе - двумя гвоздями диаметром 5 мм и длиной 150 мм; каждую боковину копнителя и капота закрепляют одним гвоздем диаметром 6 мм и длиной 200 мм; задний клапан закрепляют двумя гвоздями диаметром 6 мм и длиной 200 мм; связки лопастей и лучей закрепляют двумя гвоздями диаметром 5 мм и длиной 150 мм и остальные погрузочные места закрепляют каждое к полу платформы двумя гвоздями диаметром 6 мм и длиной 200 мм, загибая головки на эти детали.

5.3. Комбайны СК-5 "Нива" с навесным измельчителем размещают и закрепляют на платформе (рис. 42 настоящей главы) аналогично комбайнам СК-5 с копнителем. Дополнительно ведомые колеса молотильных агрегатов с навешенными измельчителями с внешней стороны закрепляют двумя упорными брусками 10 размером (130 - 50) x 200 x 550 мм, каждый из которых закрепляют двумя гвоздями диаметром 6 мм и длиной не менее 200 мм.

Рисунок 42

1 – молотильный агрегат; 2 – прочие комплектующие места; 3, 4, 7 – растяжки; 5 – подставка; 6, 8, 9, 10 – упорные бруски; 11 – подкладка

На полу платформы размещают следующие узлы и детали комбайнов: под каждый молотильный агрегат укладывают трубу измельчителя, прицеп комбайна, щиток правый задний и другие детали.

Шнек выгрузной размещают вдоль закрытого продольного борта платформы. Между молотильными агрегатами размещают воздухозаборники, щитки (левый и правый) и жалюзи.

Крепление узлов и деталей каждого комбайна к полу платформы осуществляется в следующем порядке: трубу измельчителя закрепляют к полу платформы двумя гвоздями диаметром 5 мм и длиной 150 мм; щитки (правый и левый) закрепляют одним гвоздем диаметром 5 мм и длиной 100 мм; щиток правый задний закрепляют двумя гвоздями диаметром 5 мм и длиной 150 мм; воздухозаборник закрепляют четырьмя гвоздями диаметром 5 мм и длиной 150 мм, загибая головки на эти детали.

Шнек выгрузной закрепляют упорным бруском размером (50 - 100) x 120 x 350 мм, который закрепляют к полу платформы двумя гвоздями диаметром 5 мм и длиной 150 мм.

Жалюзи крепят к молотильному агрегату проволокой диаметром 4 мм в две нити.

Прицеп комбайна закрепляют упаковочной лентой, которую закрепляют к полу платформы двумя гвоздями диаметром 5 мм и длиной 150 мм.

5.4. Комбайны СК-4, СК-5 "Нива", СК-6 "Колос", укомплектованные жаткой шириной захвата до 5 м с наклонной камерой (рис. 43, 44 настоящей главы), размещают и закрепляют на платформах.

Рисунок 43

1 – жатка; 2 – молотильный агрегат; 3,7,9 – упорные бруски; 4 – воздухозаборник; 5 – выгрузное устройство; 6 – подставка; 8, 10 – растяжки

Рисунок 44

1 - молотильный агрегат; 2 – подставка; 3, 5, 13 – растяжки; 4 – жатка; 6, 7, 9, 11 – упорные бруски; 8 – кабина, 10 – воздухозаборник; 12 - выгрузное устройство

Жатку закрепляют четырьмя проволочными растяжками диаметром 6 мм в четыре нити за верхний вал и брус режущего аппарата, а также стоечные скобы платформы.

Нижний вал со стороны наклонной камеры подклинивают двумя упорными брусками размером (90 - 110) x 150 x 300 мм. Каждый из этих брусков закрепляют тремя гвоздями диаметром 5 мм и длиной 150 мм.

Молотильный агрегат устанавливают копнителем к одному из торцовых бортов платформы.

Выгрузное устройство размещают вдоль платформы под молотильным агрегатом или у продольного борта платформы.

Воздухозаборник (рис. 43 настоящей главы) радиатора закрепляют с четырех сторон брусками размером не менее 50 x 100 x 300 мм. Каждый брусок закрепляют тремя гвоздями диаметром 5 мм и длиной не менее 100 мм.

Кабину комбайна СК-5 "Нива" (рис. 44 настоящей главы) устанавливают на пол платформы в копнитель и закрепляют четырьмя проволочными растяжками диаметром 6 мм в две нити за верхнюю часть каркаса и стоечные скобы платформы.

Каждое ведущее колесо молотильного агрегата комбайна СК-4 (рис. 45 настоящей главы) закрепляют двумя упорными брусками 4 размером (130 - 150) x 200 x 400 мм. Каждый из этих брусков закрепляют к полу платформы четырьмя гвоздями диаметром 6 мм и длиной не менее 200 мм.

Рисунок 45

1 – молотильный агрегат; 2, 4, 7 – упорные бруски; 3, 6 – растяжки; 5 – подставка; 8 – жатка

Каждое ведомое колесо этого агрегата подклинивают двумя упорными брусками 2 размером не менее (60 - 100) x 120 x 350 мм. Каждый из этих брусков закрепляют четырьмя гвоздями диаметром 5 мм и длиной 150 мм.

Молотильный агрегат 1 закрепляют шестью растяжками из проволоки диаметром 6 мм: две растяжки 6 в четыре нити закрепляют за мост ведомых колес и боковые стоечные скобы платформы, две другие растяжки 6 в четыре нити - за мост ведущих колес и боковые стоечные скобы платформы и третью пару растяжек 3 в четыре нити - за кронштейны рамы молотильного агрегата и боковые стоечные скобы платформы.

Перила и подножки лестницы закрепляют к нижней части рамы молотильного агрегата в двух местах проволокой диаметром 6 мм в две нити.

Под наклонную камеру жаток укладывают два бруска 7 (рис. 43, 45 настоящей главы) и два бруска 9 (рис. 44 настоящей главы) размером (90 - 100) x 150 x 300 мм, каждый из которых прибивают к полу платформы тремя гвоздями диаметром 5 мм и длиной 150 мм.

Глава 8. РАЗМЕЩЕНИЕ И КРЕПЛЕНИЕ ТЕХНИЧЕСКИХ СРЕДСТВ НА ГУСЕНИЧНОМ ХОДУ

1. Общие положения

В настоящей главе предусмотрены способы размещения и крепления на платформах технических средств на гусеничном ходу (далее - машины).

1.1. Технические средства на гусеничном ходу (например, тракторы, бульдозеры, кусторезы, трубоукладчики, экскаваторы роторные и цепные траншейные, одноковшовые, грузоподъемные краны) (рис. 1 настоящей главы) размещают и крепят при соблюдении следующих условий:

- высота центра тяжести (h_цт) машины над полом платформы не должна превышать 1,5 м;

- кратчайшее расстояние от крайней точки опирания гусениц машины до направления действия центра силы тяжести машины должно находиться в соотношении L_1 >= 1,25h_цт при L_2 >= L_1;

- кратчайшее расстояние по ширине платформы от наружных кромок гусениц до направления действия центра силы тяжести машины должно находиться в соотношении B_1 >= 0,8h_цт при B_2 >= B_1.

Допускаемые значения массы машины Q и боковой наветренной поверхности машины F_бок (за исключением случаев, указанных в пункте 2.3 настоящей главы) приведены в таблице 1 настоящей главы.

Размещение и крепление машин, не отвечающих указанным в настоящем пункте условиям, осуществляются в соответствии с МТУ или НТУ. При разработке МТУ и НТУ должны учитываться требования настоящей главы.

1.2. Подготовка машин к перевозке осуществляется в соответствии с правилами перевозок автотракторной и сельскохозяйственной техники на железнодорожном транспорте и ГОСТ 26653-90 "Подготовка генеральных грузов к транспортированию".

Таблица 1

Тип машины с рабочим оборудованиемПараметры машины, не более
Q, тF_бок, м2/т
Тракторы30,02,0
Бульдозеры, кусторезы45,02,0
Трубоукладчики24,01,0
Роторные и траншейные экскаваторы52,52,0
Одноковшовые экскаваторы42,01,0
Грузоподъемные краны42,01,0

1.3. При предъявлении к перевозке предусмотренных настоящей главой машин, способы размещения и крепления которых в соответствующих пунктах отмечены звездочкой (*), грузоотправитель обязан представить эскиз их размещения и крепления в соответствии с требованиями главы 1 настоящих ТУ.

1.4. Перед погрузкой в процессе размещения машины на платформе грузоотправитель обязан выполнить работы, исключающие возможность смещения и разворота навесного оборудования, вращающихся и смещающихся узлов, деталей машины в процессе перевозки путем застопоривания их фиксаторами и крепления их растяжками или упорами.

Крепление навесного оборудования может выполняться, например, винтами-фиксаторами, проволочными растяжками, установкой соответствующих рукояток и выключателей в положение, обеспечивающее неподвижное состояние оборудования, либо закреплением отдельных деталей и узлов навесного оборудования с помощью прокладок, упоров, проволочных увязок и т.п.

1.5. Погрузка и выгрузка машин на гусеничном ходу производятся грузоподъемными устройствами или своим ходом с торцовой или боковой погрузочной эстакады, оборудованной пандусом. Не допускается осуществлять заезд на платформу и съезд с нее машин при не полностью открытых вниз бортах платформы.

Для погрузки и выгрузки машин самоходом применяются металлические или деревометаллические инвентарные переездные мостки, а в местах разворота гусениц предварительно укладывают стальные листы толщиной не менее 4 мм.

1.6. После размещения машины на платформе все ее механизмы должны быть заторможены. У машин с приводом от двигателя внутреннего сгорания необходимо рычаг коробки передач поставить на первую передачу. Тягач должен быть заторможен ручным тормозом.

Тормозные рычаги машин (тяги и другие устройства управления тормозами) должны быть увязаны мягкой проволокой диаметром 2 - 3 мм в две нити так, чтобы в пути следования не могло произойти случайного самоотпускания тормозов.

1.7. Машины устанавливают непосредственно на пол платформы симметрично продольной и поперечной плоскостям симметрии вагона; несколько машин размещают в один ряд так, чтобы более тяжелая моторная сторона машин была повернута к середине платформы. При этом выступающие детали машин и их навесного оборудования не должны выходить за пределы концевых балок платформы более чем на 400 мм.

Суммарная масса устанавливаемых на платформу машин и элементов крепления не должна превышать трафаретной грузоподъемности вагона.

1.8*. Разрешается размещать на одну платформу машины различных типов при условии выполнения требований главы 1 настоящих ТУ, касающихся допускаемых смещений общего центра тяжести грузов относительно продольной и поперечной плоскостей симметрии вагона.

1.9*. Разрешается грузить машины в пределах льготного габарита погрузки, предусмотренного в главе 1 настоящих ТУ.

2. Требования к креплению машин на платформе

Машины на платформах закрепляют проволочными растяжками и обвязками, упорными и распорными брусками. Бруски изготовляют из древесины хвойных и лиственных пород. Рекомендуемая форма упорных брусков показана на рисунке 2 настоящей главы.

Рисунок 2

Запрещается использование березы, осины, ольхи, липы и сухостойной древесины всех пород.

Крепление машин должно иметь одинаковую несущую способность в обе стороны. При разной массе установленных на платформу машин общие для соседних машин элементы крепления (например, упорные и распорные рамы) выбирают исходя из массы более тяжелой машины.

При передаче продольной нагрузки на торцовый борт платформы его необходимо подкреплять двумя короткими деревянными стойками.

Количество и длина брусков определяются в зависимости от размеров ходовых частей машины, ее массы, а также наличия на деревянном полу платформы места для их установки. Длина брусков должна обеспечивать возможность забивания необходимого количества гвоздей при соблюдении нормативных расстояний между ними в соответствии с требованиями главы 1 настоящих ТУ.

При установке упорных и распорных деревянных брусков большее количество гвоздей забивают в бруски, расположенные вдоль вагона, задействуя для крепления возможно большее число досок настила пола. Однотипные бруски прибивают одинаковым количеством гвоздей.

Распорные конструкции из брусков в виде рам устанавливают по месту, враспор между машинами или между машиной и торцовыми бортами платформы. При невозможности прибить отдельные бруски на платформах с деревометаллическим полом распорную раму собирают с помощью строительных скоб или накладных досок толщиной не менее 25 мм и гвоздей диаметром 4,5 мм, по два гвоздя в соединение. Длина продольных распорных брусков, которые невозможно прибить к полу платформы из-за металлического листа, не должна превышать 1500 мм.

Бруски, а также основания подставок под стрелу и противовес крана, одноковшового экскаватора прибивают к полу платформы гвоздями диаметром не менее 6 мм и длиной, превышающей высоту бруска не менее чем на 50 мм.

2.1. После размещения машины на вагоне каждую ее гусеницу в продольном направлении закрепляют с двух сторон упорными поперечными брусками, устанавливаемыми вплотную к тракам. Длина бруска должна быть не менее ширины гусеницы или ширины машины по тракам (соответственно рис. 3, 4 настоящей главы), где это необходимо по условиям размещения гвоздей.

Рисунок 3

а – траки гладкие; б – траки с зацепами (выступами); 1 – брусок поперечный; 2 – брусок продольный; 3 – гвоздь; 4 – скоба строительная

Рисунок 4

а) – ширина машины меньше ширины платформы; б) – ширина машины больше ширины платформы; 1 – брусок поперечный; 2 – брусок продольный

Бруски 1 должны подгоняться по месту и плотно прилегать к тракам гусениц по всей их ширине, при этом они не должны упираться в острие гребней траков. Каждый короткий брусок закрепляют к полу платформы четырьмя гвоздями 3 диаметром не менее 6 мм, а один длинный брусок - шестью гвоздями.

Напротив каждой гусеницы вплотную к упорному бруску устанавливают продольные бруски 2 сечением не менее 100 x 100 мм: при ширине гусеницы менее 400 мм устанавливают один-два продольных бруска, при большей ширине - три. Длина брусков определяется возможностью забивки расчетного количества гвоздей (таблица 2 настоящей главы), работающих в одном направлении.

Таблица 2

Масса машины (тягача), т
до 12 вкл.свыше 12,1 до 18,0 вкл.свыше 18,1 до 22,0 вкл.свыше 22,1 до 26,0 вкл.свыше 26,1 до 30,0 вкл.
Общее количество гвоздей в одном продольном направлении, шт.4486100126160

2.2. Машины, имеющие гусеницы с гладкими траками, допускается крепить в продольном направлении не менее чем двумя продольными упорными брусками (рис. 5 настоящей главы) (не приводится) сечением не менее 100 x 100 мм. Для большей устойчивости их укладывают широкой стороной на пол и затесывают с торца по площади контакта с траком гусеницы на высоту не менее 40 мм. Рекомендуемые формы торцов упорных брусков показаны на рисунке 6 настоящей главы.

2.3. Для закрепления машин от поперечного смещения на платформе с открытыми бортами вдоль каждой гусеницы, вплотную к ней, с внутренней стороны укладывают по одному упорному бруску сечением не менее 100 x 100 мм и длиной, равной опорной части гусеницы (рис. 7а, б настоящей главы). Допускается установка упорного бруска, состоящего из двух частей по длине (рис. 7в, г настоящей главы) (не приводятся). Длина продольных брусков, укладываемых напротив ведущих и направляющих звездочек вдоль внутренних сторон обеих гусениц, должна быть не менее 600 мм.

Между продольными брусками длиной до 2000 мм (рис. 7а, б настоящей главы) враспор устанавливают не менее двух, а при большей длине - не менее трех распорных брусков того же сечения, каждый из которых закрепляют к полу гвоздями диаметром 6 мм. Распорные бруски размещают не ближе 200 мм от концов продольных упорных брусков.

Допускается вместо поперечных распорных брусков устанавливать только продольные упорные бруски того же сечения (рис. 7д, е, ж настоящей главы) (не приводятся).

Общее количество гвоздей для крепления груза в поперечном направлении определяют в зависимости от массы машины по таблице 3 настоящей главы.

Для размещения расчетного количества гвоздей число распорных брусков может быть увеличено.

2.4. В случае невозможности забить гвозди в упорные бруски, непосредственно примыкающие к тракам, разрешается забивать их в бруски, укладываемые перпендикулярно к упорным. Примыкающие перпендикулярно друг к другу бруски в этом случае должны иметь одинаковое сечение и надежно скрепляться между собой строительными скобами.

Таблица 3

Масса машины (тягача), т
до 12 вкл.свыше 12,1 до 18,0 вкл.свыше 18,1 до 22,0 вкл.свыше 22,1 до 26,0 вкл.свыше 26,1 до 30,0 вкл.
Общее количество гвоздей в одном поперечном направлении, шт.1220344870

2.5. При размещении машин на платформе с закрытыми боковыми бортами для закрепления от поперечного смещения вдоль каждой гусеницы с внешней стороны, напротив клиновых запоров или стоечных скоб укладывают (рис. 8 настоящей главы) не менее двух упорных брусков 3 сечением 100 x 100 мм и длиной не менее 500 мм.

Рисунок 8

а, б – вид сверху; в – вид с торца; 1 – гусеница; 2 – боковой борт платформы; 3 – брусок продольный; 4 – брусок поперечный; 5 – пол платформы

Враспор между продольным бруском и боковым бортом платформы устанавливают по два распорных бруска 4 высотой не менее 60 мм (рис. 8а настоящей главы). При расстоянии между гусеницей машины и боковым бортом платформы менее 300 мм распорные бруски устанавливают вдоль борта враспор между упорным бруском и бортом, выбирая ими зазор (рис. 8б, в настоящей главы).

Высота продольных брусков для машин массой до 12 т с гладкими траками должна быть не менее 50 мм, а в остальных случаях для любых траков - 100 мм. Каждый брусок 3, 4 по возможности закрепляют к полу не менее чем двумя гвоздями диаметром 5 мм и длиной 150 мм. При массе машины свыше 18,1 т боковые борта платформы обязательно подкрепляют короткими деревянными стойками.

Общее количество гвоздей для крепления брусков между гусеницей и закрытым бортом платформы определяют в зависимости от массы машины по таблице 4 настоящей главы.

Таблица 4

Масса машины (тягача), т
свыше 10,1 до 12,0 вкл.свыше 12,1 до 14,0 вкл.свыше 14,1 до 16,0 вкл.свыше 16,1 до 18,0 вкл.свыше 18,1 до 20,0 вкл.свыше 20,1 до 22,0 вкл.свыше 22,1 до 24,0 вкл.свыше 24,1 до 26,0 вкл.свыше 26,1 до 28,0 вкл.свыше 28,1 до 30,0 вкл.
Общее количество гвоздей в одном поперечном направлении (стойки/без стоек), шт.-/6-/16-/22-/3014/3818/4826/5834/6442/7048/76

2.6. Для крепления машин используются растяжки и обвязки в соответствии с требованиями главы 1 настоящих ТУ. Длина растяжек не должна превышать 2,5 м.

Растяжки закрепляют одним концом за стоечные скобы и опорные кронштейны (при наличии в них отверстий) с торцовой стороны платформы, а другим, с надежной фиксацией, - за буксировочные крюки, серьги (проушины), отверстия в раме машины, звездочки или траки гусениц, диски ротора и другие детали машин и их рабочего оборудования, прочность которых должна быть не ниже прочности растяжек, а конструкция не повреждать нити растяжек.

2.7. При размещении машин с демонтированным рабочим оборудованием или при опирании его на пол платформы с противоположной стороны под корпус машины (например, раму, противовес кранов и одноковшовых экскаваторов) устанавливают высотой по месту устойчивую от опрокидывания подставку из брусьев сечением 150 x 150 мм в виде козел или из брусков сечением не менее 100 x 100 мм в виде квадратного или прямоугольного колодца со стороной не менее 400 мм (соответственно рис. 9а, 9б настоящей главы).

Рисунок 9

а – подставка в виде козел; б – подставка в виде колодца; 1 – брус; 2 – доска; 3 – скоба строительная; 4 – шпилька (болт); 5 – гвоздь.

Бруски (брусья) 1 в подставке должны быть надежно скреплены между собой шпильками, болтами 4 диаметром не менее 16 мм, по одной (единице) на один узел соединения, или строительными скобами 3, по одной или две на одно соединение двух элементов. Подставку закрепляют к полу вагона восемью гвоздями диаметром 6 - 8 мм.

В подставках, предназначенных под место соединения стрелы экскаватора с рукоятью лопаты, верхний опорный брус обшивают кровельной сталью.

2.8. Многооборотное крепление применяют при размещении и креплении на платформе машин на гусеничном ходу, имеющих:

- массу отдельных единиц в сборе без сменного оборудования и запасных частей свыше 24 т до 45 т;

- наветренную поверхность машины с боковой стороны не более 1 м2 на одну тонну массы груза;

- высоту центра тяжести от опорной поверхности не более 1,41 м.

2.8.1. Многооборотное крепление состоит из инвентарных растяжек и струбцин. Инвентарная растяжка (рис. 10 настоящей главы) включает в себя канат 1 с концевой петлей, талреп 2 и стойку 3.

Рисунок 10

1 – канат диаметром 24 мм, ГОСТ 2688, разрывное усилие не менее 19500 кгс; 2 – талреп типа 6,3 УУОС ГОСТ 9690; 3 – стойка; 4 – болт; 5 – гайка (контргайка).

Каждую машину закрепляют не менее чем восемью инвентарными растяжками. Для этого стойки 3 инвентарных растяжек устанавливают в стоечные скобы платформы и фиксируют болтами 4, а свободные концевые петли 1 закрепляют за грузовые и буксировочные приспособления машины. Необходимое натяжение растяжек достигается путем вращения муфты талрепа 2. Для предотвращения ослабления растяжки на талрепе затягивают контргайки 5.

При применении инвентарных растяжек грузоотправитель обязан руководствоваться правилами устройства и безопасной эксплуатации грузоподъемных кранов и требованиями главы 1 настоящих ТУ. Растяжки должны быть испытаны на стендах (приборах), имеющих аттестацию, снабжены клеймом или прочно прикрепленной металлической биркой с указанием номера, грузоподъемности и даты испытания.

2.8.2. Кроме крепления растяжками каждую гусеницу машины закрепляют не менее чем двумя струбцинами (рис. 11 настоящей главы).

Рисунок 11

1 – упор внутренний; 2 – упор внешний; 3 – гайка (контргайка)

Для этого струбцину укладывают средней частью между шипами гусеницы у крайних точек опирания, захватывают гусеницу с внутренней стороны упором 1, а внешний упор 2 прижимают к боковой балке платформы, после чего закручивают гайку и контргайку 3.

2.9*. Запасные гусеницы машин сворачивают, увязывают и размещают на свободной от машины площади пола платформы, по возможности симметрично продольной плоскости симметрии вагона, и закрепляют с двух сторон упорными брусками сечением 100 x 100 мм и длиной, равной диаметру рулона, каждый из которых прибивают девятью гвоздями диаметром 6 мм. Рулоны гусениц закрепляют дополнительно четырьмя растяжками из проволоки диаметром 6 мм в четыре нити за стоечные скобы платформы.

2.10. Ящики с запасными частями, инструментом и приспособлениями (далее - ЗИП), размещаемые на свободной площади пола вагона, закрепляют в порядке, предусмотренном главой 5 настоящих ТУ.

3. Размещение и крепление тракторов, бульдозеров, кусторезов

Тракторы, бульдозеры, кусторезы размещают на платформе без подкладок симметрично относительно ее продольной плоскости симметрии (рис. 12 настоящей главы).

Рисунок 12

1 – брусок для крепления от продольных смещений; 2 – брусок для крепления от поперечных смещений; 3 – растяжка

3.1. Машины массой менее 30 т закрепляют упорными брусками в продольном и поперечном направлениях в соответствии с требованиями пунктов 2.1 - 2.5 настоящей главы. Сечение брусков, непосредственно примыкающих к тракам, принимают в зависимости от массы машин (таблица 5 настоящей главы).

Таблица 5

Масса машины (тягача), тШирина, ммВысота, мм
До 12,0 включительноb >= 150h >= 75 <*>
Свыше 12,1 до 18,0 вкл.b >= 180h >= 100 <*>
Свыше 18,1b >= 200h >= 180

<*> Для машин массой менее 18 т, траки которых имеют гребни, высота брусков (h) (рис. 13 настоящей главы) должна быть увеличена на 50 мм.

Рисунок 13

1 – брусок для крепления от продольных смещений; 2 – брусок для крепления от поперечных смещений; 3 – растяжка

Каждую машину дополнительно закрепляют растяжками из проволоки диаметром 6 мм. Параметры растяжек в зависимости от массы машины приведены в таблице 6 настоящей главы.

Таблица 6

Масса машины (тягача), тКол-во растяжек/нитей в растяжке, шт.Масса машины (тягача), тКол-во растяжек/нитей в растяжке, шт.
До 6,0 включительно4/4Свыше 18,1 до 24,0 вкл.8/6
Свыше 6,1 до 12,0 вкл.4/6Свыше 24,1 до 30,0 вкл.8/8
Свыше 12,1 до 18,0 вкл.8/4  

3.2. Одиночную машину массой свыше 30 т до 45 т закрепляют (рис. 14 настоящей главы) многооборотным креплением в соответствии с требованиями пункта 2.8 настоящей главы четырьмя струбцинами 3 за гусеницы и двенадцатью растяжками 2 за грузовые и буксировочные приспособления машины.

Рисунок 14

1 – талреп; 2 – растяжка; 3 – струбцина

Рисунок 15

1 – бульдозер; 2 – ящик с ЗИП; 3 – брусок от продольных смещений; 4 – подставка; 5 – брусок от продольных смещений; 6 – брусок крепления ЗИП; 7 – растяжка

3.3. Несъемное навесное оборудование машин (отвалы кусторезов и бульдозеров и др.) опирают на специальные подставки на полу платформы (рис. 16 настоящей главы) (не приводится) или фиксируют в транспортном положении (рис. 17 настоящей главы).

Рисунок 16

1 – брусок от продольных смещений; 2 – растяжка; 3 – брусок от поперечных смещений; 4 – подставка специальная.

Рисунок 17

1 – брусок от продольных смещений; 2 – брусок от поперечных смещений; 3 – растяжка

Рисунок 18

1 – брусок от продольных смещений; 2 – брусок от поперечных смещений; 3 – растяжка, 4 - увязка

Демонтированное навесное оборудование (рис. 18 настоящей главы) (не приводится) при размещении скрепляют между собой проволокой диаметром 6 мм в две нити и закрепляют четырьмя растяжками в четыре нити за стоечные скобы платформы в соответствии с требованиями пунктов 2.6 и 2.7 настоящей главы.

4. Размещение и крепление трубоукладчиков

Тягач (рис. 19 настоящей главы) и демонтированное навесное оборудование трубоукладчика размещают на платформе таким образом, чтобы общий центр тяжести всего груза был расположен в соответствии с требованиями главы 1 настоящих ТУ.

Рисунок 19

1 – брусок от продольных смещений; 2 – растяжка; 3 – брусок от поперечных смещений.

4.1. От продольного и поперечного смещений тягач трубоукладчика закрепляют брусками и растяжками в соответствии с требованиями пунктов 2.1 - 2.6, 2.10 настоящей главы. Сечение брусков, непосредственно примыкающих к гусеницам, должно быть не менее 150 x 200 мм.

Необходимое число гвоздей для брусков, обеспечивающих крепление в одном направлении, а также количество растяжек и число нитей проволоки для крепления тягача определяют по таблице 7 настоящей главы.

Таблица 7

Масса тягача, тЧисло гвоздей для крепления брусков, обеспечивающих противодействие, шт.Кол-во растяжек, шт.Число нитей проволоки в растяжке, шт.
в продольном направлениив поперечном направлении
До 17,0 включительно802648
Свыше 17,1 до 24,0 вкл.641688

4.2. Грузовую стрелу закрепляют двумя растяжками из проволоки диаметром 6 мм в четыре нити. Стрелу контргруза закрепляют четырьмя, контргруз - шестью брусками. Сечение брусков 100 x 100 мм, длина - по месту. Бруски, работающие в одном направлении, закрепляют к полу двенадцатью гвоздями диаметром 6 мм. Контргруз массой более 17 т дополнительно закрепляют двумя растяжками из проволоки диаметром 6 мм в четыре нити.

5. Размещение в крепление многоковшовых траншейных, роторных и цепных экскаваторов

На платформе многоковшовые траншейные роторные и цепные экскаваторы в зависимости от их конструкции и габаритных размеров размещают:

- с неснимаемым рабочим оборудованием, опущенным на подкладки на полу платформы (рис. 20 настоящей главы);

Рисунок 20

1 – брусок от продольных смещений; 2 – брусок от поперечных смещений; 3 – растяжка; 4 – подкладка деревянная под ротор; 5 – брусок крепления зачистного башмака.

- с частично отсоединенным рабочим органом, размещенным на подкладках на полу платформы (рис. 21 и 22 настоящей главы);

Рисунок 21

1 – брусок от продольных смещений; 2 – брусок от поперечных смещений; 3 – растяжка; 4 – лист стальной под ротор; 5 – брусок крепления опорного колеса.

Рисунок 22

1 – брусок от продольных смещений; 2 – брусок от поперечных смещений; 3 – растяжка; 4 – лист стальной под ротор; 5 – брусок крепления опорного колеса.

- с полностью демонтированным навесным рабочим оборудованием, размещенным вслед за тягачом на подкладках на полу платформы (рис. 23 настоящей главы).

Рисунок 23

1 – брусок от продольных смещений; 2 – брусок от поперечных смещений; 3 – растяжка; 4 – лист стальной под ротор; 5 – брусок крепления опорного колеса; 6 – платформа прикрытия с попутным грузом.

Если рабочее оборудование машины выходит за пределы торцового борта платформы более чем на 400 мм, а также при невозможности размещения машины с демонтированными деталями и узлами на одной платформе груз размещают на сцепе платформ в соответствии с главой 10 настоящих ТУ.

Тягачи, размещаемые по схемам рисунков 21 - 23 настоящей главы, от продольных и поперечных смещений закрепляют брусками 1, 2 и растяжками 3 в соответствии с требованиями пунктов 2.1 - 2.6, 2.10 настоящей главы. Сечение брусков, непосредственно примыкающих к гусеницам, должно быть не менее 150 x 200 мм.

Количество гвоздей для крепления брусков, действующих в одном направлении, а также количество растяжек и число нитей проволоки в каждой растяжке для крепления машины или тягача, экскаватора определяют по таблицам 2 - 4, 6 - 9 настоящей главы.

Таблица 8

Масса тягача, тКол-во гвоздей для крепления брусков, работающих в одном направлении, шт.
продольномпоперечном
До 14,0 включительно4410
Свыше 14,1 до 20,0 вкл.8614
Свыше 20,1 до 22,0 вкл.10018
Свыше 22,1 до 28,0 вкл.12654/95 <*>

<*> Только для крепления тягача с массой 28 т.

Таблица 9

Масса тягача, тКол-во растяжек, шт.Число нитей проволоки в каждой растяжке, шт.
До 17,0 включительно84
Свыше 17,1 до 22,0 вкл.86
Свыше 22,1 до 28,0 вкл.88

Роторный экскаватор, погруженный по схеме рисунка 20 настоящей главы, закрепляют от продольного и поперечного смещений десятью растяжками 3 из проволоки диаметром 6 мм в восемь нитей и брусками 1, 2, которые закрепляют к полу гвоздями диаметром 6 мм, работающими в одном направлении:

- от продольного перемещения - 100 гвоздями;

- от поперечного перемещения - 30 гвоздями.

Зачистной башмак ротора должен опираться на пол платформы, а ротор - на подкладку 4, собранную из брусков или досок толщиной не менее 40 мм, уложенную на деревянный пол вагона и прибитую к полу тремя гвоздями диаметром 6 мм. На металлический пол подкладку 4 не укладывают.

Зачистной башмак ротора ограждают с трех сторон брусками 5 сечением не менее 100 x 100 мм, каждый из которых прибивают четырьмя гвоздями диаметром 6 мм. Длина брусков устанавливается по месту в зависимости от размеров зачистного башмака.

Под ротор экскаваторов, погруженных по схемам рисунков 23 и 24 (не приводится) настоящей главы, на платформе с деревянным полом подкладывают стальной лист 4 шириной не менее 400 мм, длиной не менее ширины ротора, толщиной 6 мм, который прибивают к полу платформы четырьмя гвоздями диаметром 6 мм.

Вплотную к ротору (рис. 21 и 22 настоящей главы), а также к установленному на пол платформы опорному колесу укладывают по два поперечных и по два продольных упорных бруска 5 сечением 150 x 150 мм, длиной по месту, которые прибивают к полу вагона гвоздями диаметром 6 мм. Число гвоздей для крепления одного бруска зависит от массы рабочего органа (таблица 10 настоящей главы).

Таблица 10

Масса рабочего органа, тЧисло гвоздей диаметром 6 мм для крепления одного бруска, шт.
ротораопорного колеса
До 4,0 включительно46
Свыше 4,1 до 12,0 вкл.108
Свыше 12,1 до 24,5 вкл.1710

От продольных смещений ротор по рисунку 23 настоящей главы закрепляют десятью упорными брусками 1 сечением 150 x 150 мм, длиной по месту, каждый из которых прибивают к полу платформы четырнадцатью гвоздями диаметром 6 мм.

От продольного и поперечного перемещений ротор, установленный рядом с тягачом и соединенный с ним (рис. 21 и 22 настоящей главы), крепят растяжками 3 из проволоки диаметром 6 мм. Число растяжек и нитей проволоки в каждой из них определяют по таблице 11 настоящей главы.

Таблица 11

Масса ротора, тКол-во растяжек, шт.Число нитей проволоки, шт.
До 6,8 включительно24
Свыше 6,9 до 9,0 вкл.24
Свыше 9,1 до 11,9 вкл.86
Свыше 12,0 до 15,0 вкл.88

Ротор массой до 28 т, установленный на платформу отдельно от тягача (рис. 23 настоящей главы), закрепляют от продольных и поперечных смещений и опрокидывания восемнадцатью растяжками 3 из проволоки диаметром 6 мм в восемь нитей.

6. Размещение и крепление одноковшовых экскаваторов и кранов

Экскаваторы одноковшовые и краны в зависимости от их конструкции и габаритных размеров размещают на платформе вместе с неснимаемым или с частично демонтированным рабочим оборудованием.

Базовые части машины в сборе с поворотной платформой и ходовым оборудованием и закрепленными на ней механизмами и системами от продольных и поперечных смещений закрепляют брусками и растяжками в соответствии с требованиями пунктов 2.1 - 2.6, 2.10 настоящей главы. Сечение брусков, непосредственно примыкающих к гусеницам, должно быть не менее 150 x 200 мм.

Количество гвоздей для крепления брусков, работающих в одном направлении, а также параметры растяжек для крепления шасси и поворотной платформы одноковшовых экскаваторов и кранов определяют по таблицам 2 - 4 и 12 настоящей главы.

Таблица 12

Масса машины, тЧисло гвоздей для крепления брусков, обеспечивающих противодействие, шт.Кол-во растяжек, шт.Число нитей проволоки в растяжке, шт.
в продольном направлениив поперечном направлении
До 25,0 включительно4012128
Свыше 25,1 до 30,0 вкл.6016166
Свыше 30,1 до 40,0 вкл.6420168
Свыше 40,1 до 42,0 вкл.10442188

6.1. При поставке машин (например, с заводов-изготовителей на экспорт) в случаях, предусматривающих полное снятие рабочего оборудования, при размещении в вагоне таких машин их поворотную платформу дополнительно закрепляют растяжками из проволоки диаметром 6 мм в восемь нитей: четырьмя - со стороны противовеса и двумя - со стороны снятой стрелы.

Под хвостовую часть поворотной платформы (под противовес, если его не демонтируют) устанавливают подставку 1 в виде козел (рис. 24, 25 и 28 настоящей главы) (не приводятся) или в виде прямоугольного колодца (рис. 26 и 27 настоящей главы).

Рисунок 24

1 – подставка под платформу поворотную; 2 – брусок от продольных смещений; 3 – брусок от поперечных смещений; 4 – растяжка; 5 – брус-прокладка; 6 – увязка; 7 – стойка стрелы

Рисунок 25

1- подставка под платформу поворотную; 2-брусок от продольных смещений; 2- брусок от поперечных смещений; 4-растяжка; 5- подставка под стрелу; 6-подкладка под ковш; 7-брус-прокладка; 8-обвязка.

Рисунок 26

1 – подставка под платформу поворотную; 2 – брусок от продольных смещений; 3 – брусок от поперечных смещений; 4 – растяжка; 5 – подставка под стрелу с рукоятью; 6 – подкладка под ковш; 7 – брус-прокладка; 8 - обвязка.

Рисунок 27

1 – подставка под платформу поворотную; 2 – брусок от продольных смещений; 3 – брусок от поперечных смещений; 4 – растяжка; 5 – подставка под стрелу; 6 – подкладка под ковш; 7 – брус-прокладка; 8 - обвязка.

Рисунок 28

1 – подставка под платформу поворотную; 2 – брусок от продольных смещений; 3 – брусок от поперечных смещений; 4 – растяжка.

Снятый противовес машины укладывают на пол платформы и закрепляют шестью упорными брусками сечением 100 x 100 мм. Каждый брусок прибивают к полу восемью гвоздями диаметром 6 мм.

Обратную лопату экскаватора демонтируют, рукоять с лопатой укладывают (рис. 24 настоящей главы) на пол под стрелой и крепят четырьмя растяжками из проволоки диаметром 6 мм в четыре нити. Между стрелой и рукоятью укладывают брус 5 размером 150 x 150 x 750 мм, который закрепляют к рукояти увязкой из проволоки диаметром 6 мм в две нити. Стрелу обратной лопаты опускают на брус 5 и закрепляют четырьмя растяжками 4 из проволоки диаметром 6 мм в восемь нитей. При этом торцовый борт должен быть откинут. Стойку стрелы 7 экскаватора опускают и закрепляют к направляющему блоку стрелы увязкой 6 из проволоки диаметром 6 мм в четыре нити.

6.2. Под ковш экскаватора с рабочим оборудованием прямая лопата (рис. 25 настоящей главы) укладывают две деревянные подкладки размером 150 x 150 x 600 мм. Каждую подкладку закрепляют к полу платформы четырьмя гвоздями диаметром 6 мм и длиной 200 мм.

Чтобы исключить в процессе перевозки смещение рукояти прямой лопаты относительно стрелы, между стрелой и рукоятью со стороны ковша устанавливают брус 7 (рис. 25 - 27 настоящей главы) размером не менее 150 x 150 x 600 мм, который крепят двумя увязками из проволоки диаметром 6 мм в две нити. Под стрелу устанавливают подставку 5 в виде козел в соответствии с требованиями пункта 2.4 настоящей главы.

Рукоять с прямой лопатой закрепляют за ковш и стоечные скобы платформы двумя растяжками 4 из проволоки диаметром 6 мм в восемь нитей. Стрелу и рукоять прямой лопаты закрепляют обвязкой 8 и за стрелу двумя растяжками 4 из проволоки диаметром 6 мм в восемь нитей.

6.3. Решетчатую (крановую) стрелу экскаватора и его рабочее оборудование (драглайн или грейфер) частично демонтируют. Вставку укладывают (рис. 28 настоящей главы) на пол платформы и закрепляют двумя растяжками 4 из проволоки диаметром 6 мм в четыре нити.

6.4. Снятое рабочее и сменное оборудование (грейфер, ковш драглайна, прямая лопата) укладывают на два бруса размером 150 x 150 x 600 мм и закрепляют четырьмя растяжками из проволоки диаметром 6 мм в четыре нити за торцовые и боковые стоечные скобы платформы. Каждый брусок закрепляют не менее чем двумя гвоздями диаметром 6 мм и длиной 200 мм.

Верхнюю часть стрелы с блоками укладывают на хвостовик стрелы или на пол платформы и закрепляют к хвостовику четырьмя растяжками из проволоки диаметром 6 мм в две нити. Стрелу закрепляют за хвостовик двумя растяжками 4 из проволоки диаметром 6 мм в восемь нитей к стоечным скобам платформы.

7. Экскаваторы и краны, независимо от вида поставки, должны иметь стопор и отрегулированные тормоза поворотной части, закрепленные в рабочем положении, и навешенное или частично демонтированное рабочее оборудование и стрелу.

Экскаваторы и краны с неисправными тормозами и стопорными устройствами поворотной части размещают в разобранном виде со снятыми поворотной частью и рабочим оборудованием.

Глава 9. РАЗМЕЩЕНИЕ И КРЕПЛЕНИЕ УНИВЕРСАЛЬНЫХ И СПЕЦИАЛИЗИРОВАННЫХ КОНТЕЙНЕРОВ

В настоящей главе предусмотрены способы размещения и крепления:

- универсальных среднетоннажных контейнеров типоразмеров УУК-3 и УУК-3(5) массой брутто 3 т, УУК-5 и УУК-5(6) массой брутто 5 т на универсальных платформах, в полувагонах и вагонах-контейнеровозах;

- крупнотоннажных контейнеров типоразмеров 1АА и 1А массой брутто 30, 48 т, 1СС и 1С массой брутто 24 и 20, 32 т на универсальных и специализированных платформах;

- специализированных контейнеров на универсальных и специализированных платформах и в полувагонах.

1. Подготовка вагонов под перевозку контейнеров

Перед погрузкой контейнеров пол универсальной платформы, а также опорные поверхности контейнеров должны быть тщательно очищены от мусора, а в зимнее время - от снега и льда.

В зимнее время перед погрузкой контейнеров пол универсальной платформы в местах соприкосновения с опорными поверхностями контейнеров должен быть посыпан тонким слоем (1 - 2 мм) чистого сухого песка.

Торцовые борта универсальных платформ при погрузке груженых контейнеров дополнительно закрепляют короткими деревянными стойками в соответствии с требованиями главы 1 настоящих ТУ.

При использовании под погрузку универсальных платформ с деревометаллическим полом, имеющих превышение более чем на 10 мм уровня металлической части над деревянным настилом, необходимо производить выравнивание опорной поверхности пола продольными деревянными подкладками шириной не менее 80 мм, каждая из которых должна крепиться к полу из расчета не менее 2 гвоздей на один погонный метр подкладки.

2. Размещение универсальных среднетоннажных контейнеров на универсальных платформах, в полувагонах и вагонах-контейнеровозах

Универсальные контейнеры УУК-3, УУК-3(5), УУК-5 и УУК-5(6) размещают на открытом подвижном составе при условии полного использования полезной площади пола подвижного состава, без наличия зазоров между контейнерами, а также между контейнерами и стенками подвижного состава полными комплектами.

При этом контейнеры устанавливают дверями друг к другу. Допускается устанавливать контейнеры дверями вплотную к боковым стенкам полувагонов или к щитам контейнеровозов. Запорно-пломбировочные устройства, установленные на контейнер, должны располагаться в пределах габарита контейнера и его запорных узлов.

2.1. Размещение контейнеров на открытом подвижном составе начинают производить от торцов вагона к центру.

2.2. При размещении в полувагонах или вагонах-контейнеровозах с обшивкой стен контейнеров типоразмеров УУК-5, УУК-5(6) длинной стороной поперек таких вагонов каждый из этих контейнеров может быть заменен двумя контейнерами типоразмеров УУК-3, УУК-3(5).

Допускается совместная погрузка контейнеров типа УУК-3 с контейнерами типа УУК-3(5). При этом последние устанавливают в середине вагона симметрично продольной и поперечной плоскостям симметрии указанного подвижного состава.

Вместе с гружеными контейнерами допускается размещать порожние при условии установки их в средней части указанного подвижного состава.

2.3. Схемы размещения среднетоннажных контейнеров приведены на рисунках 1 - 10 настоящей главы. На схемах обозначены: утолщенными линиями - двери контейнеров; пунктирной линией - возможность замены одного контейнера УУК-5 (УУК-5(6)) двумя контейнерами УУК-3 (УУК-3(5)); стрелками - направление смещения контейнеров; прямоугольниками с перекрещивающимися диагоналями - контейнеры УУК-3 и УУК-3(5).

 

3. Размещение и крепление универсальных крупнотоннажных контейнеров на универсальных специализированных платформах

3.1. На специализированной платформе, имеющей базу 9294 мм либо 9720 мм, размещают два контейнера 1CC или (и) 1C торцовыми дверями друг к другу или один контейнер типоразмеров 1AA, 1A. При установке двух груженых контейнеров типоразмеров 1CC и 1C разница их масс брутто не должна превышать 13,5 т.

Контейнеры размещают на платформе так, чтобы упорные головки, предварительно приведенные в рабочее (вертикальное) положение, вошли в отверстия фитингов, расположенные в основании контейнеров (рис. 11 настоящей главы).

Рисунок 11

1 - контейнер, 2 - фитинг, 3 - упорная головка, 4 - рама платформы (один контейнер условно не показан)

Ответственный за погрузку работник обязан после установки контейнеров на платформу проверить через боковые отверстия фитингов правильность положения ее упорных головок.

3.2. На специализированных платформах, имеющих базу 13 900 мм, 14 400 мм, 14 720 мм, крупнотоннажные контейнеры размещают следующими способами.

3.2.1. Три контейнера типоразмеров 1CC, 1C в любом сочетании размещают торцовыми дверями друг к другу (рис. 12 настоящей главы).

Рисунок 12

1- контейнер, 2 - фитинги

При погрузке трех груженых контейнеров в середине размещают контейнер с наибольшей массой брутто. При этом разница масс брутто крайних контейнеров не должна превышать 12 т. При погрузке на одну платформу порожних и груженых контейнеров их размещение на платформах допускается следующими способами:

- один порожний контейнер устанавливают между двумя гружеными контейнерами. При этом разница в массе брутто груженых контейнеров не должна превышать 11,5 т;

- один груженый контейнер устанавливают между двумя порожними контейнерами.

3.2.2. Два контейнера типоразмеров 1CC, 1C размещают в середине платформы торцовыми дверями друг к другу (рис. 13 настоящей главы).

Рисунок 13

1 – контейнер; 2 – фитинги; 3 – упорная головка

При этом разница масс брутто контейнеров не должна превышать 13,5 т.

3.2.3. Один контейнер типоразмеров 1AA, 1A и один контейнер типоразмеров 1CC, 1C размещают в соответствии со схемой (рис. 14 настоящей главы).

Рисунок 14

1 – контейнер; 2 – фитинги

При этом сочетание масс брутто контейнеров должно соответствовать данным таблицы 1 настоящей главы.

Таблица 1

Величины допускаемых масс брутто контейнеров при их совместной перевозке, т
контейнер типоразмеров 1AA, 1Aконтейнер типоразмеров 1CC, 1C
35,1 - 40,07,0 - 24,0
30,5 - 35,06,0 - 24,0
28,1 - 30,483,2 - 24,0
25,1 - 28,02,0 - 23,0
20,1 - 25,02,0 - 21,0
15,1 - 20,02,0 - 18,0
10,1 - 15,02,0 - 16,0
5,1 - 10,02,0 - 15,0
2,0 - 5,02,0 - 14,0

3.2.4. Один контейнер типоразмеров 1AA, 1A размещают в середине платформы (рис. 15 настоящей главы).

Рисунок 15

1 – контейнер; 2 – фитинги; 3 – упорная головка

3.3. Груженые контейнеры типоразмера 1CC или 1C на универсальных платформах, имеющих внутреннюю длину 13 300 мм, размещают в следующем порядке.

В поперечной плоскости симметрии на пол платформы укладывают поперечный брусок 2 длиной 2450 мм (рис. 16 настоящей главы).

Рисунок 16

1 – стойка; 2, 3 – поперечные бруски; 4, 5 – распорные бруски

Брусок крепят к полу 24 гвоздями в летний период и 32 гвоздями в зимний период. Вплотную к бруску 2 размещают дверями друг к другу два контейнера. Вплотную к торцовым бортам платформы укладывают и крепят к полу восемью гвоздями каждый поперечные бруски 3 длиной, равной внутренней ширине платформы. В распор между брусками 3 и фитингами контейнеров укладывают и крепят к полу платформы четырьмя гвоздями каждый по два распорных бруска 4. Длина распорных брусков уточняется по месту. Торцовые борта платформы подкрепляют короткими стойками в соответствии с требованиями главы 1 настоящих ТУ.

От поперечных смещений каждый контейнер закрепляют с помощью четырех распорных брусков 5 длиной не менее 400 мм. Бруски устанавливают в распор между боковыми стенками контейнера и боковыми бортами платформы, прибивая к полу платформы тремя гвоздями каждый.

Поперечное сечение брусков, применяемых для крепления контейнеров, должно быть не менее 60 x 125 мм (высота x ширина); диаметр гвоздей - 6 мм, длина гвоздей - в соответствии с требованиями главы 1 настоящих ТУ.

Допускается взамен распорных брусков 5 крепить каждый контейнер четырьмя растяжками из проволоки диаметром 6 мм: при массе брутто контейнера до 10 т - в две нити каждая; при массе брутто до 24 т - в четыре нити (рис. 17 настоящей главы).

Рисунок 17

1 – стойка; 2, 3 – поперечные бруски; 4 – распорный брусок; 5 - растяжка

Растяжки увязывают за вторые и четвертые скобы платформы и верхние фитинги контейнера.

Допускается использовать взамен проволочных растяжек многооборотные крепежные устройства, надежность которых должна быть подтверждена в порядке, предусмотренном главой 1 настоящих ТУ для разработки технических условий размещения и крепления груза. Ответственным за техническое состояние таких крепежных устройств является грузоотправитель.

4. Размещение и крепление специализированных контейнеров на универсальных платформах и в полувагонах

4.1. Контейнеры специализированные - контейнеры, предназначенные для перевозки грузов конкретных наименований, однородных по физико-химическим свойствам и условиям перевозок.

Предъявляемые к перевозке спецконтейнеры должны отвечать требованиям соответствующего стандарта либо технических условий, согласованных с МПС России в установленном порядке.

К перевозке принимаются спецконтейнеры с исправным корпусом, опорными, строповочными и запорными устройствами. На корпусе должны быть нанесены: обозначение типа спецконтейнера; наименование владельца; инвентарный номер; место, месяц и год изготовления; место, месяц и год последнего капитального ремонта; масса брутто; тара.

Загрузочные и разгрузочные люки груженых и порожних спецконтейнеров должны быть плотно закрыты крышками, исключающими высыпание, течь груза в процессе перевозки.

Перед погрузкой в вагон корпус каждого спецконтейнера и его опорные поверхности должны быть очищены от остатков груза, грязи, снега, льда и использованных ранее средств крепления (проволоки, скоб и т.д.); имеющиеся на корпусе порожнего спецконтейнера откидные или съемные стенки и крышки должны быть установлены в транспортное положение без перекосов и зазоров, зафиксированы стопорами и запорами в соответствии с его инструкцией по эксплуатации.

На универсальных платформах с деревометаллическим настилом пола в случае возможного контакта с ним спецконтейнера под опорные устройства спецконтейнера должны быть уложены подкладки из необрезных досок или горбыля толщиной не менее 25 мм, шириной 150 - 200 мм и длиной, равной ширине платформы. Каждый конец доски прибивают к полу двумя гвоздями размером 5 x 100 мм.

4.2. Размещение и крепление специализированных контейнеров для сыпучих неслеживающихся грузов.

4.2.1. Специализированный контейнер СК-1-3,4.

Контейнер (рис. 18 настоящей главы) представляет собой сварную металлическую емкость призматической формы.

Масса брутто контейнера - 3400 кг, масса тары - 300 кг. Конструкция спецконтейнера СК-1-3,4 разработана ВНИИПТМаш (г. Москва). Изготовитель - Верещагинский путевой ремонтно-механический завод.

В верхней части контейнера расположен люк для его загрузки или разгрузки. Крышка люка имеет резиновое уплотнение, два пломбируемых замка кулачкового типа и один клипсовый замок для затяжки люка.

Строповку спецконтейнера и его крепление в вагоне осуществляют за четыре рым-болта, расположенных по его углам.

4.2.1.1. На универсальной платформе груженые специализированные контейнеры СК-1-3,4 размещают в количестве 20 штук (рис. 19 настоящей главы).

Вплотную к торцовым бортам платформы укладывают упорные деревянные бруски 1 сечением не менее 100 x 100 мм, длиной 2700 мм. Каждый брусок прибивают к полу десятью гвоздями диаметром 6 мм, длиной 150 мм. В торцовые стоечные скобы устанавливают короткие деревянные стойки.

Спецконтейнеры, стоящие у торцовых бортов, увязывают между собой и со стоящими за ними спецконтейнерами за рым-болты увязками 2 из проволоки диаметром 5 мм в четыре нити. Эти спецконтейнеры дополнительно закрепляют растяжками 3 из проволоки диаметром 6 мм в шесть нитей за боковые стоечные скобы платформы.

4.2.1.2. На универсальной платформе порожние спецконтейнеры размещают комплектом из 20 штук по схеме размещения груженых спецконтейнеров (рис. 19 настоящей главы) без дополнительного крепления торцовых бортов и укладки торцовых брусьев, без проволочных растяжек.

Увязки порожних спецконтейнеров выполняют из проволоки диаметром 5 мм в две нити.

4.2.1.3. В полувагоне груженые спецконтейнеры устанавливают в один ярус комплектом из 18 штук (рис. 20 настоящей главы).

Перед погрузкой вплотную к торцовым порожкам на пол полувагона устанавливают на ребро упорные бруски 1 сечением не менее 60 x 100 мм, длиной 2850 мм.

Контейнеры устанавливают от торцовых дверей к середине в два ряда по ширине вагона. Образующееся свободное пространство в середине вагона заполняют распорной рамой 3 из брусков сечением не менее 100 x 100 мм. Упорные и распорные бруски рамы соединяют строительными скобами 4 диаметром 8 мм, длиной 200 мм.

Контейнеры, установленные у торцовых дверей полувагона, соединяют между собой и с соседними контейнерами за рым-болты увязками 2 способом, аналогичным размещению контейнеров на универсальной платформе (рис. 19 настоящей главы).

4.1.2.4. В полувагонах порожние специализированные контейнеры размещают в количестве 36 штук в два яруса (рис. 21, 22 настоящей главы). Контейнеры второго яруса должны быть установлены ножками в гнезда нижестоящих контейнеров.

Перед погрузкой у торцовых порожков на пол полувагона устанавливают на ребро упорный брусок 1 сечением не менее 60 x 100 мм, длиной 2850 мм. Контейнеры размещают от торцовых дверей к середине в два ряда по ширине вагона. Образующееся свободное пространство в середине вагона заполняют распорной рамой 3 из брусьев сечением 100 x 100 мм. Продольные и поперечные бруски рамы соединяют строительными скобами 4 диаметром 8 мм, длиной 200 мм.

Контейнеры второго яруса, стоящие у торцовых дверей, а при наличии промежутка - также стоящие в середине полувагона, увязывают между собой и с соседними контейнерами увязками 2 из проволоки диаметром 5 мм в четыре нити.

4.2.2. Специализированный контейнер СК-1-3,4 ММУ.

Контейнер (рис. 23 настоящей главы) состоит из корпуса, включающего каркас, ловители для установки спецконтейнеров несколькими ярусами, опор и откидной крышки, шарнирно соединенной корпусом.

Масса брутто спецконтейнера - 7000 кг, масса тары - 540 кг.

Загрузка производится сверху при открытой крышке; разгрузка - опрокидыванием контейнера при открытой и закрепленной на корпусе крышке.

Калькодержатель - ЗАО "ПромтрансНИИпроект".

Перевозку контейнеров осуществляют в полувагонах в один ярус в количестве 9 штук (рис. 24 настоящей главы).

Перед погрузкой у одного торцового порожка полувагона укладывают упорный брусок 1 сечением не менее 200 x 200 мм, длиной 2850 мм. Допускается упорный брусок выполнять составным по ширине из двух частей толщиной не менее 100 мм, соединенных между собой гвоздями. Контейнеры размещают вплотную к бруску симметрично относительно продольной плоскости симметрии полувагона. Зазор между спецконтейнером и противоположным торцовым порожком заполняют набором брусков сечением не менее 100 x 200 мм, длиной 2850 мм, соединенных между собой гвоздями.

Контейнеры соединяют между собой увязками 3 из проволоки диаметром 6 мм в четыре нити и крепят растяжками 2 из проволоки диаметром 6 мм в шесть нитей.

4.2.3. Специализированные контейнеры СК-1-5, СК-3-5 (рис. 25 настоящей главы).

Строповку спецконтейнеров и их крепление в вагоне осуществляют за четыре рым-болта, расположенных по углам спецконтейнера.

Параметры и конструкция контейнеров регламентируются ГОСТ 19667 и ГОСТ 19668 и соответствуют основным параметрам универсального среднетоннажного контейнера типа УУК-5У (ГОСТ 26380).

Масса брутто специализированных контейнеров - 5000 кг, масса тары - 700 кг.

Калькодержатель документации - ЗАО "ПромтрансНИИпроект".

4.2.3.1. Груженые специализированные контейнеры перевозят в полувагонах в количестве 11 штук (рис. 26 настоящей главы).

Размещение контейнеров производят длинной стороной вдоль полувагона по два по ширине в направлении от торцовых дверей к середине. В середине полувагона один контейнер размещают длинной стороной поперек вагона.

Контейнеры, стоящие у дверей полувагона, соединяют между собой с соседними контейнерами за рым-болты увязками из проволоки диаметром 5 мм в четыре нити. Контейнер, стоящий в середине полувагона, соединяют за рым-болты с соседними контейнерами увязками 2 из проволоки диаметром 5 мм в две нити.

4.2.3.2. Порожние специализированные контейнеры перевозят на платформах и в полувагонах в соответствии с требованиями раздела 2 настоящей главы без дополнительного крепления.

4.2.4. Специализированный контейнер КИУ-5М для извести.

Контейнер представляет собой жесткую сварную металлическую емкость (рис. 27 настоящей главы) (не приводится). Габаритные размеры контейнера: длина - 2110 мм, ширина - 1380 мм, высота - 1910 мм. Масса брутто - 5000 кг, масса тары - 600 кг.

В верхней части расположен загрузочный люк, на короткой торцовой стенке - разгрузочный люк. Крышки люков имеют уплотнения, пломбируемые замки кулачкового типа. Строповку контейнера и его крепление в вагоне осуществляют за четыре рым-болта.

4.2.4.1. Груженые специализированные контейнеры на универсальных платформах размещают в количестве 12 штук (рис. 28 настоящей главы).

Перед погрузкой вплотную к торцовым бортам платформы укладывают деревянные бруски 1 сечением не менее 100 x 100 мм, длиной 2700 мм. Каждый брусок крепят к полу 35 гвоздями диаметром 6 мм, длиной 150 мм. В торцовые стоечные скобы устанавливают короткие деревянные стойки 2. Погрузку производят в направлении от торцового борта к середине. Между группой контейнеров и бруском у противоположного торцового борта монтируют распорную раму, состоящую из одного упорного 1 и четырех распорных 3 брусков того же сечения. Каждый брусок крепят к полу платформы не менее чем четырьмя гвоздями диаметром 6 мм, длиной 150 мм. Контейнеры, стоящие у торцовых бортов, дополнительно закрепляют за рым-болты растяжками 4 из проволоки диаметром 6 мм в шесть нитей.

4.2.4.2. Порожние специализированные контейнеры размещают на универсальных платформах в количестве 12 штук. Контейнеры размещают симметрично относительно продольной и поперечной плоскостей симметрии платформы без дополнительного крепления торцовых бортов, укладки упорных и распорных брусьев и установки растяжек.

4.2.5. Специализированный контейнер КРЦ-2.

Габаритные размеры контейнера соответствуют типоразмеру 1C универсальных контейнеров. Масса брутто специализированного контейнера - 24 000 кг, масса тары - 4000 кг. Контейнер (рис. 29 настоящей главы) имеет универсальные фитинговые узлы, три загрузочных люка, находящихся на верхней плоскости контейнера, нижние разгрузочные люки, крышки с замками с пружинным прижимом.

Рисунок 29 – спецконтейнер КРЦ – 2

1 – верхний загрузочный люк, 2 – нижний разгрузочный люк, 3 – замок, 4 – прижим пружинный, 5 – вал аварийной разгрузки,6 – пломба

Строповку контейнера и его крепление на подвижном составе осуществляют за верхние фитинги

4.2.5.1. Размещение и крепление контейнеров на универсальной платформе производят следующим порядком (рис. 30 настоящей главы).

Рисунок 30

1 – брусок упорный; 2 – брусок распорный; 3 – стойка; 4 – брусок распорный

На середину платформы в ее поперечной плоскости симметрии укладывают упорный брусок 1 шириной 125 - 150 мм, высотой не менее 60 мм, длиной, равной ширине платформы. Брусок прибивают к полу платформы гвоздями диаметром 6 мм, длиной, превышающей высоту бруска на 50 мм: в летнее время - 24 гвоздями, в зимнее время - 32 гвоздями. Вплотную к поперечному бруску устанавливают два контейнера симметрично относительно продольной плоскости симметрии платформы. Вплотную к торцовым бортам платформы укладывают бруски 1, которые прибивают к полу платформы каждый восемью гвоздями диаметром 6 мм. В распор между этими брусками и фитингами контейнера устанавливают по два распорных бруска 2 сечением не менее 100 x 60 мм, которые прибивают к полу платформы каждый четырьмя гвоздями. Длину распорных брусков уточняют по месту. В торцовые стоечные скобы устанавливают короткие стойки 3.

От поперечных перемещений контейнер закрепляют четырьмя продольными распорными брусками высотой не менее 60 мм, длиной не менее 400 мм, которые устанавливают в зазор между фитингами контейнеров и боковыми бортами платформы. Ширину брусков уточняют по месту. Бруски прибивают к полу платформы каждый двумя гвоздями диаметром 6 мм.

Допускается крепить контейнеры взамен упорных и распорных брусков четырьмя растяжками из проволоки диаметром 6 мм в четыре нити (рис. 31 настоящей главы).

Рисунок 31

1 – брусок распорный; 2 – растяжка

Растяжки увязывают за вторые и четвертые стоечные скобы платформы и отверстия в верхних фитингах контейнера.

4.2.5.2. На специализированной платформе для перевозки крупнотоннажных контейнеров размещение специализированных контейнеров КРЦ-2 осуществляется в соответствии с общими требованиями раздела 3 настоящей главы и схемами по рисункам 11 и 12 настоящей главы. При этом на платформе должны быть размещены только груженые либо только порожние специализированные контейнеры.

Разница в массе брутто контейнеров, погруженных на платформу длиной базы 9294 или 9720 мм, должна быть не более 15 т.

4.2.6. Специализированные контейнеры СК-2-3,2, СК-2-5.

Контейнеры предназначены для перевозки концентратов руд цветных металлов (олова, цинка, меди и др.), а также других загустевающих и слеживающихся грузов. Контейнер представляет собой металлический усеченный конус со съемной крышкой, которая крепится к корпусу контейнера тремя эксцентриковыми замками (рис. 32 настоящей главы).

Для герметизации контейнера крышки снабжены уплотнительными резиновыми прокладками. Верх спецконтейнера имеет жесткий наружный обод с двумя диаметрально расположенными отверстиями, используемыми для строповки крюками. По всему периметру обода расположены отверстия, предназначенные для соединения контейнеров между собой с помощью штатных дугообразных скоб, а также для крепления на платформе.

Параметры контейнеров приведены в таблице 2 настоящей главы.

Таблица 2

СпецконтейнерМасса брутто, кгH, ммD, ммd, мм
СК-2-3,23200120014941050
СК-2-55000190515141082

Конструкция контейнера СК-2-3,2(5) разработана институтом "Гипроникель".

4.2.6.1. На универсальной платформе груженые специализированные контейнеры размещают симметрично относительно продольной и поперечной плоскостей симметрии платформы вплотную друг к другу, в два ряда по ширине платформы. При массе брутто контейнера от 4,5 до 5 т включительно на платформе размещают 12 контейнеров (рис. 33 настоящей главы) (не приводится); при массе брутто от 4,2 до 4,5 т включительно - 14 (рис. 34 настоящей главы) (не приводится); при массе брутто от 3,5 до 4,2 т включительно - 16 (рис. 35 настоящей главы) (не приводится), при массе брутто 3,5 т - 18 контейнеров (рис. 36 настоящей главы).

Груженые специализированные контейнеры закрепляют восемью инвентарными металлическими растяжками I и II типов (рис. 37, таблица 3 настоящей главы). При установке растяжки нижний ее крюк пропускают через боковую стоечную скобу платформы, а верхний - в отверстия обода контейнера.

Рисунок 37 – инвентарная растяжка

1 –стяжная муфта; 2 – крюк; 3 – тяга

Таблица 3

Тип растяжкиРазмеры, мм
AB_maxB_min
I46017301330
II102022901890

Контейнеры, закрепленные инвентарными растяжками, соединяют между собой в поперечном направлении четырьмя инвентарными металлическими стяжками (рис. 38 настоящей главы), крюки которых пропускают через отверстия в ободах контейнеров.

Рисунок 38 – инвентарная стяжка

1 – стяжная муфта; 2 – крюк

Остальные контейнеры, размещенные на платформе, должны быть соединены между собой в поперечном и продольном направлениях штатными скобами (рис. 39 настоящей главы), устанавливаемыми в процессе погрузки.

Контейнеры, размещенные у торцовых бортов платформы, дополнительно закрепляют упорными брусками сечением не менее 100 x 100 мм, длиной 2700 мм, которые укладывают на пол платформы вплотную к нижней части контейнеров и прибивают к полу каждый десятью гвоздями диаметром 6 мм, длиной 150 мм.

При размещении на платформе 18 специализированных контейнеров допускается упорные бруски укладывать в распор между контейнерами и торцовыми бортами платформы без крепления их гвоздями. При этом торцовые борта платформы, не оборудованные клиновыми запорами, должны быть подкреплены короткими деревянными стойками.

Все инвентарные растяжки и стяжки должны иметь маркировку с указанием типа и даты последнего испытания. Маркировка проставляется на стяжной муфте. Испытание растяжек и стяжек производят растягивающей нагрузкой 5 т в течение 10 минут. Нагрузку прикладывают к крюкам растяжки или стяжки. Ответственным за прочность растяжек является грузоотправитель.

4.2.6.2. В полувагоне с торцовыми дверями груженые специализированные контейнеры размещают в один ярус комплектом из 15 штук, в два ряда по ширине вагона в шахматном порядке: в одном ряду размещают восемь контейнеров, в другом - семь (рис. 40 настоящей главы).

Люки и двери полувагона должны быть закрыты на запоры, запоры люков дополнительно увязаны за кронштейны проволокой диаметром 5 - 6 мм с закруткой концов с помощью воротка не менее чем на три оборота. Контейнеры устанавливают вплотную друг к другу. Верх контейнеров выравнивают, используя подкладки из досок. Крайние спецконтейнеры у дверей упирают ободом в многооборотный инвентарный упор (рис. 41, 42 настоящей главы), навешиваемый на верхнюю обвязку боковых стен полувагона на уровне обода контейнера. При этом средние дверные петли на угловых стойках полувагона должны заходить внутрь упора.

При установке контейнеры N 1 и 2, N 13 и 14 соединяют с помощью скобы (рис. 39 настоящей главы). Контейнеры N 3 и 15 увязывают проволокой диаметром 6 мм в четыре нити через скобу и отверстие в их ободе. Взамен скобы с увязкой допускается увязка трех контейнеров в торцах полувагона проволокой диаметром 6 мм в четыре нити.

Допускается замена металлических упоров деревянными такой же длины из круглого хвойного леса толщиной в тонком конце не менее 180 - 200 мм либо бруса сечением не менее 150 x 150 мм. Упор подвешивают на торцовые двери полувагона на подвесках из проволоки диаметром от 5 до 6 мм в четыре нити на высоте от уровня пола: 900 мм - для контейнеров СК-2-3,2; 1600 мм - для контейнеров СК-2-5. Концы проволоки пропускают через лесные скобы на дверях или через отверстия в косынках угловых стоек (рис. 43 настоящей главы).

Рисунок 43 – установка упора из лесоматериалов

1 – подвеска; 2 – контейнер; 3 – упор

При отсутствии лесных скоб и косынок с отверстиями деревянный упор подвешивают аналогично металлическому с помощью подвесок (рис. 41, 42 настоящей главы).

4.2.6.3. В полувагонах с торцовыми стенами, длиной кузова 12,7 м, объемом кузова от 76 до 83 м3 размещают 16 груженых специализированных контейнеров без установки торцовых упоров (рис. 44 настоящей главы). При этом крепление трех контейнеров в торцах полувагона производят аналогично креплению в полувагонах с дверями.

Рисунок 44 – Размещение контейнеров в полувагоне объемом кузова от 76 до 83 м3

1 – увязка

4.2.6.4. В полувагонах с торцовыми стенами, длиной кузова 12,7 м, объемом кузова 85 м3 груженые спецконтейнеры размещают аналогично подпункту 4.2.6.3 настоящей главы без увязки торцовых контейнеров (рис. 45 настоящей главы).

Рисунок 45 – Размещение контейнеров в полувагоне объемом кузова 85м3

4.2.6.5. Порожние специализированные контейнеры и крышки к ним перевозят в полувагонах пакетами (рис. 46, 47 настоящей главы).

Рисунок 46

1 – пакет порожних контейнеров, 2 – пакет крышек контейнеров

Пакет контейнеров СК-2-3,2 формируют из 9 штук, пакет крышек к ним - из 8 штук. Пакет контейнеров СК-2-5 формируют из 5 штук, пакет крышек к ним - из 11 штук. Пакеты 1 контейнеров накрывают крышкой. Контейнеры и крышки в пакете соединяют между собой четырьмя резьбовыми стержнями диаметром 20 мм, пропускаемыми в отверстия ободов контейнеров и крышек. Допускается взамен стержней скреплять контейнеры увязками из проволоки диаметром 6 мм в четыре нити. Инвентарные растяжки и дугообразные скобы увязывают проволокой в отдельный пакет и укладывают на пол вагона. В полувагоне размещают 11 пакетов контейнеров СК-2-3,2 и 11 пакетов крышек к ним (рис. 46 настоящей главы) либо 13 пакетов контейнеров СК-2-5 и 6 пакетов крышек (рис. 47 настоящей главы).

Рисунок 47

1 – пакет порожних контейнеров, 2 – пакет крышек контейнеров

Торцовые двери полувагона ограждают многооборотным металлическим упором, навешиваемым на верхнюю обвязку его боковых стенок.

4.2.7. Специализированный контейнер Гипроцветмета для рудного концентрата.

Контейнер применяют для перевозки концентратов руд цветных металлов (олова, цинка, меди и др.), а также других слеживающихся грузов. Контейнер представляет собой металлический усеченный конус без крышки (рис. 48 настоящей главы).

Рисунок 48 – Спецконтейнер Гипроцветмета

Габаритные размеры контейнера: ширина - 1630 мм, высота - 1780 мм, диаметр обода - 1495 мм. Масса брутто контейнера - 5000 кг; масса тары - 540 кг.

Верх спецконтейнера имеет жесткий наружный обод с диаметрально расположенными двумя отверстиями, используемыми для строповки крюками. По всему периметру обода расположены отверстия, предназначенные для соединения контейнеров между собой с помощью штатных дугообразных скоб, а также для крепления контейнеров на платформе.

Размещение и крепление контейнеров производится аналогично размещению специализированных контейнеров СК-2-5.

4.2.8. Специализированные контейнеры СК-3-1,5 и КШМК-5 (рис. 49 настоящей главы).

Габаритные размеры контейнеров: длина - 1420 мм, ширина - 1350 мм, высота - 1183 мм. Масса брутто и масса тары соответственно: СК-3-1,5 - 3000 и 400 кг; КШМК-5 - 5000 и 425 кг.

Спецконтейнеры СК-3-1,5 и КШМК-5 имеют складной каркас и деревянную обшивку. Строповку спецконтейнера и его крепление в вагоне осуществляют за четыре грузовые серьги, расположенные в середине спецконтейнера. Спецконтейнер СК-3-1,5 является модификацией спецконтейнера КШМК-5.

Масса брутто: специализированный контейнер КШМК-5 - 5000 кг, специализированный контейнер СК-3-1,5 - 3000 кг; масса тары соответственно 425 и 400 кг.

4.2.8.1. На универсальных платформах груженые специализированные контейнеры размещают в количестве от 14 до 18 штук (рис. 50 настоящей главы) в зависимости от суммарной массы брутто контейнеров.

До погрузки вплотную к торцовым бортам платформы укладывают деревянные бруски сечением не менее 100 x 100 мм, длиной 2700 мм. Каждый брусок прибивают к полу 20 гвоздями диаметром 6 мм, длиной 150 мм. В торцовые стоечные скобы устанавливают короткие деревянные стойки.Погрузку производят симметрично относительно продольной и поперечной плоскостей симметрии платформы. В распор между группой контейнеров и упорным брусом у торцовых бортов монтируют распорную раму из упорного и распорных брусьев. Каждый брус прибивают к полу вагона не менее чем четырьмя гвоздями диаметром 6 мм, длиной 150 мм. Общее количество гвоздей для крепления распорных рам зависит от суммарной массы брутто погруженных на платформу контейнеров (таблица 4 настоящей главы).

Таблица 4

Суммарная масса брутто контейнеров на платформе, т72706560555045403530
Количество гвоздей для крепления распорной рамы, шт.68666055494438332722

Контейнеры, стоящие у торцовых бортов, соединяют между собой увязкой из проволоки диаметром 5 мм в три нити и дополнительно закрепляют за грузовые серьги растяжками из проволоки диаметром 6 мм в шесть нитей.

4.2.8.2. В полувагоне груженые специализированные контейнеры размещают в количестве 16 штук (рис. 51 настоящей главы).

Перед погрузкой у порожка торцовых дверей на пол полувагона устанавливают на ребро упорный брусок сечением не менее 60 x 100 мм, длиной 2850 мм.

Размещение контейнеров начинают от торцовых дверей в два ряда по ширине полувагона. Зазор между группами контейнеров в середине полувагона заполняют распорной рамой из брусьев сечением не менее 100 x 100 мм. Упорные и распорные брусья рам соединяют строительными скобами диаметром 8 мм, длиной 200 мм.

4.2.8.3. Порожние специализированные контейнеры перевозят в полувагонах в сложенном виде. Грузоотправитель должен надежно закрепить элементы контейнера во избежание их развала при перевозке.

Контейнеры устанавливают вертикально в два ряда по ширине и в два яруса по высоте полувагона (рис. 52 настоящей главы) в количестве 96 (СК-3-1,5) или 108 (КШМК-5) штук. Контейнеры второго яруса, расположенные у торцовых дверей полувагона, закрепляют обвязкой 1 из проволоки диаметром 6 мм в две нити за верхние увязочные устройства полувагона. Обвязки фиксируют на корпусе контейнеров, пропуская их через запирающие устройства контейнера.

4.3. Специализированный контейнер ПКС-2,85 для листового стекла.

Контейнер (рис. 53 настоящей главы) имеет жесткий металлический каркас 1 с деревянной обшивкой. Внутри контейнера установлена деревянная опора пирамидальной формы, к которой с двух сторон наклонно устанавливается листовое стекло. По бокам контейнера имеются откидные стенки 5 для загрузки и выгрузки стекла. Строповку контейнера и его крепление в вагоне осуществляют за четыре кольца 6, расположенные по углам.

Масса брутто спецконтейнера - 2850 кг, масса тары - 450 кг.

Конструкция контейнера разработана стеклозаводом "Пролетарий".

Рисунок 53 – спецконтейнер ПКС - 2,85

1 – каркас; 2 – днище; 3 – отверстие для вил погрузчика; 4 – крыша; 5 – откидная стенка; 6 – строповочные кольца

4.3.1. На универсальной платформе груженые специализированные контейнеры устанавливают в один ярус в количестве 21 штуки (рис. 54 настоящей главы).

Рисунок 54

1 – упорный брусок; 2 – растяжка; 3 – увязка; 4 – стойка

Перед погрузкой контейнеров к одному торцовому борту платформы укладывают два упорных бруска 1 сечением не менее 100 x 100 мм, длиной 2700 мм. Каждый брусок прибивают к полу 30 гвоздями диаметром 6 мм, длиной 200 мм. Торцовые и крайние секции боковых бортов платформы должны быть подкреплены короткими стойками 4.

Контейнеры размещают вплотную к брусу и друг к другу. Зазор между контейнерами и противоположным торцовым бортом заполняют брусками, аналогичными брускам 1, бруски прибивают к полу гвоздями диаметром 6 мм, длиной 200 мм, общим количеством не менее 30 штук.

Контейнеры, расположенные у торцовых бортов, увязывают между собой за строповочные кольца увязками 3 из проволоки диаметром 6 мм в две нити. Контейнеры, расположенные в углах платформы, дополнительно закрепляют растяжками 2 из проволоки диаметром 6 мм в четыре нити.

4.3.2. На универсальных платформах порожние специализированные контейнеры размещают в один ярус в количестве 21 штуки (рис. 54 настоящей главы) без дополнительного крепления торцовых и крайних секций боковых бортов и установки растяжек угловых контейнеров. Увязку спецконтейнеров, стоящих у торцовых бортов, производят проволокой диаметром 6 мм в две нити.

4.3.3. В полувагоне груженые специализированные контейнеры размещают в один ярус в количестве 18 штук (рис. 55 настоящей главы).

Рисунок 55

1 – упорный брусок; 2 – доска упорная ; 3 – брусок распорный; 4 – скрепляющая доска

Перед погрузкой к торцовым порожкам укладывают упорные бруски 1 сечением не менее 60 x 100 мм, длиной 2850 мм.

Контейнеры размещают, начиная от торцовых дверей, двумя группами в три ряда по ширине вагона. Зазор между группами контейнеров в середине вагона заполняют распорной рамой из распорных брусков 3 сечением не менее 100 x 100 мм, упорных досок 2 сечением не менее 40 x 150 мм, длиной 2850 мм, и скрепляющих досок 4 сечением не менее 25 x 150 мм, длиной 2850 мм. Скрепляющие доски на распорных брусках закрепляют гвоздями диаметром 5 мм, длиной 120 мм, по два в каждое соединение.

4.3.4. В полувагонах порожние специализированные контейнеры размещают в один ярус в количестве 19 штук без укладки брусьев у торцовых дверей и распорной рамы в середине полувагона. Контейнеры устанавливают вплотную к торцовым дверям. В середине полувагона дополнительно устанавливают один контейнер поперек вагона.

4.4. Специализированные контейнеры-цистерны 1М01, 1М05.

Контейнеры-цистерны (рис. 56 настоящей главы) предназначены для перевозки гептила и амила. Параметры контейнеров должны соответствовать стандартам ISO на крупнотоннажные контейнеры массой брутто 20 - 24 т. Внутри рамы контейнера-цистерны смонтирована емкость (цистерна). Изготовитель - фирма "Arbel" (Франция). Контейнеры-цистерны изготавливают в соответствии со схемой сертификации контейнеров Регистра Ллойда и Международной конвенцией по безопасным контейнерам.

Масса брутто контейнера-цистерны - 30 480 кг, масса тары: для типа 1М01 - 5600 кг, для типа 1М05 - 6300 кг. Максимальное рабочее давление - 6,12 кг/см2.

Рисунок 56 –Спецконтейнер-цистерна типа 1М01 (или 1М05)

Размещение и крепление груженых и порожних контейнеров-цистерн (рис. 57 настоящей главы) (не приводится) производится на специализированных платформах для перевозки крупнотоннажных контейнеров и колесной техники модели 13-9004 исполнения 10 с металлическим полом по два контейнера-цистерны на платформе в соответствии с общими требованиями раздела 3 настоящей главы.

Рисунок 57

При этом:

- на платформе должны быть размещены два груженых либо два порожних контейнера-цистерны;

- контейнеры-цистерны должны быть установлены на крайние упоры платформы.

Каждый контейнер-цистерну крепят четырьмя растяжками из проволоки диаметром 6 мм в четыре нити, закрепляемыми за верхние фитинги и увязочные скобы платформы.

4.5. Специализированный контейнер-цистерна ТКМГ-25 предназначен для перевозки и временного хранения сжиженных углеводородных газов, относящихся ко 2-му классу опасности в соответствии с ГОСТ 19433.

Эти контейнеры-цистерны соответствуют универсальным контейнерам типоразмера 1CC и имеют следующие технические характеристики:

максимальная масса брутто, кг - 25000;

масса тары контейнера, кг - 8600;

максимальная грузоподъемность, кг - 16400;

вместимость цистерны контейнера, м3 - 24,5;

температурный диапазон эксплуатации, град. C - -50...+50.

Контейнер-цистерна (рис. 58 настоящей главы) представляет собой цистерну 1 с экраном теневой защиты 2, закрепленную сваркой с торцовыми рамами 3 и 4, соединенными опорными обечайками 5. Контейнер-цистерна оборудован наливной (сливной) и предохранительной арматурой, размещенной в арматурном отсеке 6.

Рисунок 58

1 – цистерна; 2- экран теневой защиты; 3,4 – торцовые рамы; 5- опорная обечайка; 6- арматурный отсек; 7- фитинг; 8- площадка обслуживания; 9- нижняя опора

Торцовые рамы представляют собой силовые сварные конструкции, выполненные из балок коробчатого сечения, по углам которых закреплены типовые фитинги 7, обеспечивающие подъем контейнера-цистерны, крепление его на транспортном средстве и при штабелировании аналогично универсальным контейнерам соответствующего типоразмера. В верхней части контейнера-цистерны имеется площадка обслуживания 8, в нижней - опорные площадки 9 для размещения на шасси автомобиля.

Маркировка контейнера-цистерны выполнена в соответствии с требованиями Регистра и стандарта ISO 6346:1995. Маркировочные знаки и надписи нанесены на боковой поверхности и днище контейнера-цистерны, а также на пластине для крепления табличек, приваренной на задней торцовой раме. Дополнительно на боковой поверхности контейнера-цистерны наносится краской дата последнего освидетельствования.

Контейнеры-цистерны размещают на специализированных платформах с длиной базы:

- 9294 и 9720 мм - по два груженых или два порожних;

- 13 900, 14 720 и 14 400 мм - по два или три груженых в зависимости от массы груза и грузоподъемности платформы либо три порожних.

На одной платформе должны быть погружены только груженые или только порожние контейнеры-цистерны.

При погрузке двух груженых контейнеров-цистерн их устанавливают на концевые упоры платформы.

4.6. Специализированные контейнеры СК-3-30 "Д" (рис. 59 настоящей главы), принадлежащие РАО "Норильский никель", с внутренним объемом кузова 14,4 м3, массой брутто 30,48 т, соответствующие типоразмеру 1Д, изготавливаемые по ТУ 24.05.469-82 и ТУ 24.05.969-94, предназначены для перевозки слитков файнштейна.

Контейнер имеет смотровой люк на задней стенке с запорами, угловые фитинги по ГОСТ 20527-82, одну пару вилочных проемов, металлический пол, обшивку торцовых и боковых стенок из плоских панелей, скобы и две лестницы, расположенные на торцовых стенках по диагонали, вентиляционные устройства. Контейнер может иметь съемный тент или съемную часть крыши, которые оборудуются запорными устройствами, позволяющими с уровня земли проверять надежность их закрепления на контейнере. На полу контейнера имеется шесть неподвижных упоров для жесткого крепления слитка файнштейна в спецконтейнере.

На специализированных платформах размещают по два груженых спецконтейнера СК-3-30 "Д": на платформах с длиной базы 9720 мм контейнеры располагают по торцам платформ (над тележками) смотровыми люками наружу, а на платформах с длиной базы 14 720, 14 400 и 13 900 мм контейнеры размещают со смещением на один фитинговый упор к середине платформы смотровыми люками к середине.

Порожние контейнеры размещают на платформах с длиной базы 9720 мм в количестве четырех штук, с длиной базы 14 720, 14 400 и 13 900 мм - в количестве шести штук.

На одной платформе должны быть погружены только груженые или только порожние контейнеры.

4.7. Специализированные контейнеры СК-3ВМ с внутренним объемом кузова 14,8 м3, массой брутто 10,16 т, а также спецконтейнеры 1Д, 1ДД грузоподъемностью от 10 до 12 т, имеющие один типоразмер, предназначены для перевозки взрывчатых материалов в соответствующей таре или упаковке, а также различных штучных грузов без транспортной тары.

Контейнер СК-3ВМ имеет двустворчатую дверь с эластичным уплотнением и запорными устройствами на задней торцовой стенке, угловые фитинги по ГОСТ 20527, одну пару вилочных проемов в основании по ГОСТ 18477, вентиляционные устройства с заградительной системой.

Контейнеры размещают на специализированных платформах с длиной базы:

- 9294 и 9720 мм - по четыре штуки, торцовыми дверями друг к другу,

- 14 720 и 14 400 мм - по шесть штук, торцовыми дверями внутрь вагона;

- 13 900 мм - по четыре штуки, торцовыми дверями внутрь вагона.

На одной платформе должны быть погружены только груженые или только порожние контейнеры.

В полувагонах размещают по четыре контейнера дверями внутрь.

Погруженные в один вагон контейнеры могут иметь одинаковую или различную высоту.

4.8. Специализированные контейнеры типов 01636В2-00 и 001637В2-00.

Контейнеры предназначены для перевозки специзделий, имеют трапециевидную форму, герметичны.

Характеристика контейнеров приведена в таблице 5 настоящей главы.

4.8.1. Контейнеры размещают на сцепе из двух универсальных платформ (рис. 60 настоящей главы) (не приводится) с использованием устройства, состоящего из двух турникетов типа ЦНИИ МПС, рабочий проект N 1943, СКБ Главмостостроя Министерства транспортного строительства, со специальными приспособлениями (проект N ПГС506.00.00.00.000, КБ п/я Р-6478, г. Новосибирск).


Таблица 5

Характеристика контейнеровТип контейнеров
01636В2-00001637В2-00
Длина, мм18 55022 360
Ширина, мм800800
Высота, мм886886
Масса, кг5 0705 500

Турникеты устанавливают продольными упорами нижних рам в пятые от торцов сцепа пары стоечных скоб вплотную к их стенкам, обращенным к середине сцепа, при этом поперечные упоры должны находиться с внешней стороны армирующих уголков пола платформы.

Приспособление для крепления контейнеров состоит из четырех рамных балок, оборудованных винтовыми механизмами и крюками, двух коротких и четырех соединительных балок, восьми цепей.

Ответственным за техническое состояние турникетов и специальных приспособлений является грузоотправитель.

4.8.2. Перед погрузкой контейнеров с каждого турникета должны быть сняты и размещены в карманах между стойками фиксирующие пальцы верхней рамы. Верхнюю и нижнюю рамы каждого турникета с обеих сторон закрепляют фиксаторами - деревянными стойками поперечным сечением 50 x 70 мм, которые вставляют через скобы верхней рамы в поперечные упоры нижних рам. Стойки служат для того, чтобы во время погрузки контейнеров верхние рамы турникетов относительно нижних были расположены симметрично и не смещались. После окончания погрузки фиксаторы должны быть сняты.

4.8.3. На сцепе платформ размещают восемь контейнеров одного либо обоих типов в любом сочетании.

Контейнеры размещают в три яруса по высоте. При комбинированной погрузке в нижнем ярусе размещают спецконтейнеры большей длины, в верхнем - меньшей длины.

Порядок погрузки контейнеров типа 001636В2-00 и типа 001637В2-00 следующий (рис. 60, 61 настоящей главы).

На штыри верхних рам турникетов устанавливают три контейнера. На них размещают две рамные балки второго яруса 1 так, чтобы каждая балка своей средней частью опустилась на штыри 2, расположенные на опорных поверхностях между стойками 4 верхних рам. Между верхней плоскостью опорной поверхности и нижней плоскостью рамной балки должен быть зазор. На контейнеры нижнего яруса укладывают четыре рамные балки 10, соединяя каждую двумя шпильками 9, четырьмя гайками 11 и четырьмя контргайками 12 с верхними рамами турникетов. На рамные балки грузят второй ярус, состоящий из трех спецконтейнеров, размещая их так, чтобы штыри 2, расположенные на рамных балках 1, вошли в отверстия на днищах контейнеров. На три контейнера второго яруса устанавливают две рамные балки 3 так, чтобы средняя часть балок находилась между стойками 4 верхних рам.

На штыри 2 рамных балок 4 устанавливают два контейнера верхнего (третьего) яруса, на которые размещают две рамные балки 11, соединив их винтовыми механизмами 6 с рамными балками 3.

На крюки балок 3 навешивают восемь цепей. Нижние концы цепей соединяют с винтовыми механизмами 6 верхних рам. После размещения и крепления контейнеров нижние рамы каждого турникета закрепляют четырьмя растяжками 12 из проволоки диаметром 6 мм в восемь нитей.

Растяжки 12 крепят за скобы нижних рам турникетов и платформ.

4.8.4. Подготовку сцепа с оборудованием для перевозки контейнеров к отправке в порожнем состоянии производят в следующем порядке (рис. 62 настоящей главы).

На центральный штырь 8 верхней рамы турникета укладывают рамную балку 2.

По обеим сторонам рамной балки 2 вплотную к ней устанавливают две соединительные балки 5 и за отверстия в них закрепляют каждую двумя увязками 12 из проволоки диаметром 6 мм в две нити к рамной балке 2.

На штыри 9 рамной балки 2 размещают рамную балку 3, на штыри 10 рамной балки 3, предварительно откинув винтовые механизмы, устанавливают короткую балку 4.

Винтовые механизмы рамной балки 3 опускают и укладывают на короткую балку 4 и связывают между собой увязкой 12 из проволоки диаметром 6 мм в две нити.

Четыре шпильки 6 с навинченными гайками и контргайками укладывают на ребра рамной балки 3 и привязывают к ним двумя увязками 14 из проволоки диаметром 6 мм в одну нить.

Четыре цепи 13 укладывают между ребрами рамных балок 2, 3 и крепят к ним двумя увязками 14 из проволоки диаметром 6 мм в одну нить.

Винтовые механизмы турникета опускают на вертикальные стойки верхней рамы 1 и связывают между собой каждую пару механизмов одной увязкой 12 из проволоки диаметром 6 мм в две нити.

Комплект балок 2, 3, 4, 5 закрепляют от поворота относительно вертикальной оси турникета двумя увязками из проволоки диаметром 6 мм в четыре нити за отверстия в верхней раме турникета и за ребра балок.

Верхнюю раму турникета 22 с размещенными на ней балками, цепями и шпильками от продольного сдвига закрепляют двумя пальцами 21. Для этого отверстия диаметром 40 мм в верхней раме 22 совмещают с отверстиями в средней раме 23, после чего в отверстия вставляют пальцы 21 и закрепляют каждый палец одной увязкой 14 из проволоки диаметром 6 мм в одну нить за скобы.

Верхнюю раму турникета 22 закрепляют четырьмя откидными фиксаторами-стяжками 20 к нижней раме 16. Фиксаторы-стяжки крепят гайками и контргайками.

Турникет с размещенными на нем приспособлениями удерживается продольными упорами 7 и четырьмя растяжками 18 из проволоки диаметром 6 мм в восемь нитей. Растяжки 18 крепят за стоечные скобы платформы и за петли 17 нижней рамы 16 турникета.

От смещения в поперечном направлении турникет удерживается поперечными упорами 15.

После окончания погрузки и крепления контейнеров либо подготовки сторон сцепа и секции продольных бортов, расположенные над тележками, должны быть закрыты и закреплены, открытые секции продольных бортов - закреплены в соответствии с требованиями главы 1 настоящих ТУ.

4.9. Специализированные мягкие контейнеры.

4.9.1. Контейнеры МК-П (рис. 63 настоящей главы) и МК-Л (рис. 64 настоящей главы) типоразмеров от 0,5 до 3,0 предназначены для перевозки слабослеживающихся и неисслеживающихся сыпучих грузов; контейнеры МК-П типоразмеров 0,1 и 0,25 - для перевозки штучных грузов, упакованных в полиэтиленовые или бумажные мешки. Контейнеры изготавливаются из резинотканевых и полимерных материалов и имеют несущие проушины с металлическими кольцами либо со съемными штангами (контейнеры МК-П) либо грузовые элементы в виде металлических лент с грузовыми серьгами (контейнеры МК-Л).

Рисунок 63 – Специализированный контейнер МК – П

1 – корпус; 2 – проушина; 3 – загрузочный рукав; 4 – разгрузочный рукав; 5 – клапан

Рисунок 64 – Специализированный контейнер МК –Л

1 – корпус; 2 – грузовая лента; 3 – серьга; 4 – загрузочный рукав; 5 – разгрузочный рукав; 6 – клапан

Технические характеристики контейнеров типов МК-П и МК-Л приведены в таблице 6 настоящей главы.


Таблица 6

ТипоразмерМасса брутто, кг, не болееСобственная масса контейнера, кг, не болееВместимость, м3Габаритные размеры в загруженном состоянии, мм, не более
длинаширинавысота
МК-01П500100,11 +/- 0,01480330750
МК-0,25П1000180,27 +/- 0,01750480850
МК-0,5П(Л)1500200,51 +/- 0,10940940950
МК-0,7П1500250,67 +/- 0,159409401250
МК-1,0П(Л)2000350,89 +/- 0,159809801250
МК-1,5П(Л)2000501,72 +/- 0,15145014501250
МК-2,0П(Л)4000802,20 +/- 0,20145014501650
МК-2,0П(Л)4000852,60 +/- 0,20140014002000
МК-3,0П(Л)4000953,35 +/- 0,25145014502500

Груженые контейнеры размещают в полувагонах одним штабелем, который формируют по всей площади пола полувагона одним либо двумя ярусами (рис. 65, 66 настоящей главы).

Формирование штабеля начинают от дверей полувагона. Спецконтейнеры в штабеле располагают вплотную друг к другу. В случаях, когда во втором ярусе спецконтейнеры не могут заполнить всю длину кузова, их размещают двумя одинаковыми по количеству и расположению спецконтейнеров группами вплотную к дверям. Превышение общей высоты штабеля над верхней обвязкой полувагона допускается не более 400 мм, но не более 1/3 высоты контейнеров, размещенных в верхнем ярусе. Каждая пара крайних контейнеров, расположенных у торцовых дверей, вдоль вагона в верхнем ярусе должна быть связана между собой проволокой или другим видом материала, рассчитанного на усилие не менее 300 кг.

4.9.2. Контейнеры МКР-М и МКР-С (соответственно рис. 67, 68 настоящей главы) предназначены для перевозки и кратковременного хранения сыпучих продуктов.

Они представляют собой емкость в виде мешка с квадратным днищем. Контейнер МКР-М изготавливается из полиолефиновой ткани, ламинированной пленкой, контейнер МКР-С - из нетканого материала на основе синтетических волокон, ламинированного пленкой или с внутренним вкладышем из пленки. Полезный объем контейнеров - 1 м3, масса брутто - 1 т, диаметр загруженного контейнера - не более 1000 мм, высота - 1300 мм.

Грузоподъемным элементом контейнера МКР-М является канат, который стягивает горловину и завязывает ее специальным узлом, контейнера МКР-С - съемные грузовые резинокордновые ленты, образующие сетку.

При разгрузке днище контейнеров разрезают.

Контейнеры (рис. 67 настоящей главы) размещают в полувагоне в порядке, аналогичном размещению контейнеров МК-П и МК-Л (рис. 65, 66 настоящей главы).

Допускается в поперечных рядах верхнего яруса, за исключением рядов, примыкающих к дверям, размещать по два контейнера с чередованием полных и неполных рядов.

4.9.3. Специализированные мягкие контейнеры МК-14-10 (ТУ 2297-001-18858918-00) изготавливаются в химически стойком и влагозащитном исполнениях и состоят из емкости 1, силового каркаса, состоящего из продольных и поперечных лент 2 и дна 4 (рис. 70 настоящей главы).

Диаметр контейнера - 2400 +/- 50 мм; высота - не более 2800 мм.

Грузоподъемность контейнера - 14 т, масса тары - не более 0,07 т, полезный объем - 12 м3.

Контейнеры размещают в полувагоне в количестве 5 штук непосредственно на пол, симметрично относительно продольной и поперечной плоскостей симметрии полувагона (рис. 71 настоящей главы) (не приводится). Погрузку производят от торцовых дверей к середине полувагона, причем между крайними контейнерами и торцовыми стенками (дверями) зазор не должен превышать 10 см с каждой стороны, между остальными контейнерами зазоры должны быть равными. После установки в полувагон коуши 3 контейнера вручную стягивают между собой к центру контейнера.

Глава 10. РАЗМЕЩЕНИЕ И КРЕПЛЕНИЕ ДЛИННОМЕРНЫХ ГРУЗОВ

1. Общие положения

В настоящей главе предусмотрены способы размещения и крепления длинномерных грузов на сцепах, состоящих из четырехосных вагонов, с опорой на один вагон, на два вагона, в том числе с применением турникетных устройств.

Длинномерный груз и турникетные устройства размещаются таким образом, чтобы их общий центр тяжести располагался в вертикальной плоскости, проходящей через продольные плоскости симметрии вагонов сцепа.

Нагрузка на вагон от суммарной массы груза и турникетного устройства, включая комплект крепления, не должна превышать трафаретную грузоподъемность вагона.

Нагрузка на неподвижную раму турникета от суммарной массы груза и подвижных элементов турникетного устройства, включая комплект крепления, не должна превышать грузоподъемности турникета.

При применении турникетных устройств должны соблюдаться требования, изложенные в главе 1 настоящих ТУ.

2. Размещение и крепление длинномерных грузов на сцепе с опорой на один вагон

2.1. Размещение и крепление шпунтовых железобетонных свай длиной от 14 200 до 20 000 мм включительно.

Сваи грузят на платформу с базой 9720 мм. При этом выход концов груза за концевые балки платформы в пределах, допускаемых главой 1 настоящих ТУ норм, должен быть одинаковым. С обеих сторон платформы с таким грузом устанавливают по одной платформе прикрытия, составляя сцеп из трех платформ (рис. 1 настоящей главы).

Рисунок 1

1-увязка; 2- подкладки; 3- упорные бруски; 4- хомуты из швеллера; 5- стяжной болт хомута из швеллера; 6- растяжки; 7- боковые стойки; 8- скрепление боковых стоек; 9- железнодорожные костыли

2.1.1. На пол грузонесущей платформы укладывают четыре поперечные подкладки 2. При этом две крайние подкладки устанавливают на расстоянии 650 мм от торцовых бортов, а две средние - на расстоянии 2000 мм по обе стороны от середины платформы.

Поперечные подкладки 2 должны иметь высоту 220 мм, ширину опорной поверхности - не менее 250 мм и длину, равную ширине платформы. Допускается для изготовления подкладки 2 применять два бруска высотой 220 мм и шириной опорной поверхности 125 мм каждый, установленных вплотную один к другому и скрепленных четырьмя строительными скобами диаметром стержня 10 - 15 мм, по две скобы с каждой стороны.

Каждую поперечную подкладку 2 закрепляют четырьмя (по два с каждой стороны) упорными брусками 3 сечением не менее 50 x 100 мм и длиной 270 мм. Каждый брусок прибивают к полу платформы четырьмя гвоздями диаметром 5 - 6 мм, длиной не менее 100 мм.

На подкладки укладывают вплотную одна к другой шпунтовые сваи, при этом между крайними сваями и боковыми бортами платформы оставляют зазор не менее 300 мм.

2.1.2. По всей высоте штабеля сваи укладывают одна на другую без прокладок. Весь погруженный штабель свай скрепляют двумя П-образными хомутами 4 из швеллера N 20 и увязками 1 из проволоки диаметром 6 мм в четыре нити.

Количество увязок должно быть при длине свай:

до 15 000 мм включительно - 6 штук;

от 15 000 до 17 000 мм включительно - 8 штук;

от 17 000 до 20 000 мм включительно - 10 штук.

Увязки размещают симметрично относительно поперечной плоскости симметрии платформы следующими способами.

2.1.2.1. При креплении штабеля шестью увязками: увязки устанавливают на расстоянии 750 мм от поперечной плоскости симметрии платформы и на расстоянии не более 100 мм от каждой подкладки со стороны, обращенной к середине платформы.

2.1.2.2. При креплении штабеля восемью увязками: шесть из них размещают, как указано в подпункте 2.1.2.1 настоящей главы, а две - на расстоянии не менее 1350 мм от концов груза.

2.1.2.3. При креплении штабеля десятью увязками: восемь из них размещают, как указано в подпункте 2.1.2.2 настоящей главы, а две - на расстоянии 3000 мм от концов свеса груза.

П-образные хомуты из швеллера N 20 устанавливают на расстоянии 300 мм от крайних подкладок в направлении к середине платформы.

Хомут должен охватывать с трех сторон штабель свай, в верхней части хомут стягивают болтом диаметром 28 мм с шайбами, гайками и контргайками (рис. 2 настоящей главы).

Болт необходимо располагать на расстоянии не более 50 мм от груза. Допускается крепление шпунтовых свай хомутами, изготовленными из двутавровых балок, охватывающих штабель по высоте, и стягивающих болтов диаметром не менее 28 мм (с шайбами, гайками и контргайками), охватывающих штабель по ширине (сверху и снизу).

Штабель свай закрепляют четырьмя растяжками 6 из проволоки диаметром 6 мм в четыре нити и железнодорожными костылями 9 (рис. 1 настоящей главы). Каждую растяжку одним концом закрепляют за верхний болт швеллерного хомута, а другим - за боковую стоечную скобу платформы. Железнодорожные костыли прибивают на каждой подкладке по одному с обеих сторон штабеля.

2.1.3. При длине свай до 15 000 мм должны быть установлены четыре пары боковых стоек 7 (рис. 1 настоящей главы), а при длине свай от 15 000 до 20 000 мм - шесть пар, в порядке, предусмотренном главой 1 настоящих ТУ. Противоположные боковые стойки попарно скрепляют проволокой диаметром 6 мм в две нити.

2.2. Размещение и крепление металлических листов длиной от 14200 до 18000 мм включительно, шириной не более 2700 мм и толщиной 30 мм и более.

Листы размещают на платформе с базой 9720 мм поштучно или пакетами. При этом выход груза за лобовые брусья платформы в пределах допускаемой главой 1 настоящих ТУ нормы должен быть одинаковым. На одну платформу допускается погрузка длинномерных листов только одинаковых размеров. С обеих сторон платформы устанавливают платформы прикрытия, составляя сцеп из трех платформ.

2.2.1. Листы размещают на пяти поперечных подкладках 1 толщиной не менее 150 мм, шириной 200 - 250 мм и длиной, равной ширине платформы (рис. 3 настоящей главы). Две подкладки размещают над шкворневыми балками, две - на расстоянии 500 - 1000 мм от торцов платформы, а пятую - посередине платформы. Каждую подкладку прибивают к полу платформы четырьмя гвоздями диаметром 6 - 8 мм, длиной 200 - 250 мм.

Рисунок 3

1- подкладка; 2, 3 - брусок; 4- увязка; 5- боковая стойка; 6- скрепление стоек; 7- увязка

Допускается применение подкладок из круглого леса с нижними и верхними плоскими опорными поверхностями шириной 200 - 250 мм.

2.2.2. Пакеты листов закрепляются следующим образом: поверх груза на расстоянии 300 мм от его боковых кромок вдоль платформы укладывают восемь продольных брусков 2 (по четыре с каждой стороны пакета) сечением 50 x 100 - 150 мм, длиной 1000 - 1500 мм (рис. 3 настоящей главы).

На каждую пару продольных брусков 2 укладывают по одному поперечному бруску с сечением не менее 135 x 150 мм, длиной 3150 мм. Каждый поперечный брусок 3 с обеих сторон платформы прочно закрепляют за боковые стоечные скобы увязками 4 из проволоки диаметром 6 мм в четыре нити.

До закручивания увязок 4 сверху на листы рядом с каждым бруском крепления для уплотнения пакета листов поочередно устанавливают груз массой 3 - 5 т, снимаемый после натяжения увязок.

На поперечных брусках 3 на расстоянии 70 - 100 мм от каждого конца делают зарубки глубиной 10 - 15 мм для предотвращения соскальзывания проволочных увязок.

Допускается применение поперечных брусков из круглого лесоматериала диаметром не менее 180 мм, у которых нижнюю опорную сторону стесывают на плоскость.

Во вторые и четвертые стоечные скобы, считая от торцов платформы, устанавливают две пары коротких боковых стоек 5 в соответствии с главой 1 настоящих ТУ. Каждую пару противоположных боковых стоек скрепляют между собой проволокой диаметром 6 мм в две нити. Против каждой боковой стойки между бортами платформы и грузом плотно устанавливают деревянные распорки шириной не менее 200 мм, высотой, равной высоте погруженного штабеля листов. Каждую распорку закрепляют к полу платформы двумя гвоздями длиной не менее 150 мм.

Пакеты листов длиной 16 000 - 18 000 мм на расстоянии 1000 мм от торцов скрепляются двумя увязками 7 из проволоки диаметром 6 мм в четыре нити.

2.3. Размещение и крепление грузов цилиндрической формы длиной более 14000 мм.

Сцеп из одной грузонесущей платформы с платформами прикрытия.

При размещении груза на сцеп из двух грузонесущих платформ используют турникетные опоры в порядке, установленном главой 1 настоящих ТУ.

2.3.1. Размещение груза на сцеп с опорой на одну грузонесущую платформу (рис. 4 настоящей главы) осуществляется на двух поперечных подкладках 2.

Рисунок 4

1- растяжка; 2- подкладка; 3- обвязка

Допускаемые в этом случае масса и диаметр груза, а также минимальная высота подкладок в зависимости от его длины приведены в таблице 1 настоящей главы.

Таблица 1

Длина груза, ммДиаметр груза, не более, ммМасса груза, не более, ммВысота подкладок, не менее, мм
<= 15 000320030110
16 000320030125
17 000320030135
18 000316030150
19 000312030160
20 000309030175
21 000303030185
22 000299030200
23 000294030210
24 000289030225
25 000284028,3235
26 000279026,7250
27 000273025260

При наличии выступающих частей диаметр груза определяют по наиболее удаленному месту от продольной плоскости симметрии груза (рис. 5 настоящей главы).

Расстояние от середины грузонесущей платформы до конца груза с каждой стороны должно быть не более половины длины груза.

2.3.2. Применяемые поперечные деревянные подкладки должны быть шириной не менее 200 мм, длиной, равной ширине платформ между продольными бортами.

Каждую подкладку закрепляют к полу платформы восемью гвоздями длиной, превышающей высоту подкладки на 50 мм. Допускается дополнительное крепление подкладки с помощью продольных упоров сечением 50 x 100 мм, по два упора с каждой стороны подкладки, располагаемых симметрично на расстоянии 0,5 - 1,0 м относительно продольной плоскости симметрии платформы. Каждый упор закрепляют к полу платформы четырьмя гвоздями длиной, превышающей высоту упора на 50 мм.

2.3.3. На каждую подкладку вплотную к грузу с обеих сторон и к продольным бортам платформ укладывают боковые упорные бруски шириной не менее 200 мм (рис. 6 настоящей главы).

Каждый упорный брусок закрепляют к подкладке двумя шпильками (болтами) М14-20 или восемью гвоздями длиной, превышающей высоту брусков и подкладки на 50 мм. Такие бруски в местах контактирования с грузом должны иметь выемку, соответствующую очертанию поверхности груза.

Высота брусков в зависимости от диаметра груза приведена в таблице 2 настоящей главы.

Таблица 2

Диаметр груза, ммВысота брусков, ммДиаметр груза, ммВысота брусков, мм
1000 - 1600502001 - 240080
1601 - 1800602401 - 260090
1801 - 2000702601 - 3200100

2.3.4. Груз закрепляют не менее чем тремя обвязками 3 (рис. 4 настоящей главы) из полосовой стали с винтовыми натяжными устройствами, сечение каждого элемента которых должно быть не менее сечения полосы в обвязке. Обвязки располагают равномерно по длине груза.

Вместо обвязки из полосовой стали могут применяться обвязки из проволоки диаметром 6 мм. Характеристика крепления в зависимости от массы груза приведена в таблице 3 настоящей главы.

Таблица 3

Масса груза, тЧисло обвязокСечение полосовых обвязок, не менее, ммЧисло нитей проволоки в обвязке
До 534 x 304
5,0 - 10,034 x 406
10,1 - 15,044 x 406
15,1 - 20,054 x 406
20,1 - 25,056 x 608
25,1 - 30,056 x 608

Расстояние от обвязки до торца груза должно быть не менее половины диаметра груза.

Кроме обвязок груз закрепляют четырьмя растяжками 1 из проволоки диаметром 6 мм в четыре нити - при массе груза до 10 т, в шесть нитей - при массе груза от 10,1 до 20 т и в восемь нитей - при массе груза от 20,1 до 30 т (рис. 4 настоящей главы).

Обвязки, а также растяжки закрепляют только за стоечные скобы, не допуская опирания их на борт, а у платформ постройки после 1971 года - за внутренние увязочные устройства, расположенные вдоль продольных бортов. При этом должны выполняться требования обеспечения сохранности бортов платформ от повреждения, предусмотренные в главе 1 настоящих ТУ.

2.4. Размещение и крепление железобетонных двухветвевых колонн длиной до 15000 мм включительно (рис. 7 настоящей главы).

Груз размещают на сцепе из двух платформ в два ряда по ширине и до пяти ярусов по высоте погрузки в зависимости от длины и веса колонн.

Рисунок 7

1- подкладка; 2- прокладка; 3- увязка; 4, 5 - растяжка;

Высота груза над полом платформы не должна превышать 2900 и 3000 мм при суммарной ширине двух колонн соответственно 2800 и 2600 мм и совмещении в одной вертикальной плоскости внутренних кромок каждой колонны и продольной оси платформы.

Общая масса колонн должна быть не более 65 т. При этом общий центр тяжести груза должен находиться на расстоянии не более 150 мм от середины платформы в сторону свеса.

Погрузку колонн шириной до 1300 мм включительно производят на платформу с закрытыми продольными бортами. При ширине колонн 1400 мм продольные борта платформы должны быть опущены и закреплены согласно требованиям главы 1 настоящих ТУ.

Колонны нижнего яруса грузят на две поперечные подкладки 1 сечением не менее 200 x 200 мм, укладываемые над шкворневыми балками платформы. Колонны каждого следующего яруса располагают на двух поперечных прокладках 2 сечением не менее 100 x 200 мм.

В каждом ярусе колонны скрепляют между собой за монтажные петли поперечными увязками 3 из проволоки диаметром 6 мм в четыре нити.

Колонны нижнего яруса закрепляют в продольном направлении четырьмя парами продольных растяжек 4 из проволоки 6 мм в восемь нитей каждая, а верхнего и второго сверху ярусов - в каждом направлении двумя парами таких же растяжек.

Продольные растяжки, в зависимости от длины колонн и расположения на них монтажных петель, закрепляют за опорные кронштейны с торцовой стороны платформы и за боковые стоечные скобы.

Дополнительно колонны верхнего яруса закрепляют двумя парами поперечных растяжек 5 из проволоки 6 мм в четыре нити каждая за ближайшие боковые стоечные скобы.

2.5. Размещение и крепление конических опор контактной сети длиной 12 800 - 13 600 мм включительно (рис. 8 настоящей главы).

Опоры размещают на сцепе из двух полувагонов и размещенной между ними одной промежуточной платформы прикрытия.

Рисунок 8

1-прокладка; 2-боковые стойки; 3-верхнее скрепление стоек; 4- брусок; 5-подкладка, 6 - клин

2.5.1. Опоры грузят в каждый полувагон в пять ярусов по высоте и в пять рядов по ширине. В штабеле все опоры размещают основаниями в сторону закрытых торцовых дверей.

Каждый штабель ограждают четырьмя парами боковых стоек 2. Противоположные стойки скрепляют между собой проволокой диаметром 6 мм в две нити.

2.5.2. Первый ярус опор укладывают на две подкладки 5, которые размещают над шкворневыми балками полувагона. Последующие ярусы опор разделяют между собой прокладками 1.

Толщина подкладок и прокладок, на которых размещают основания опор, должна быть не менее 40 мм, а толщина подкладок и прокладок, на которые укладывают вершины опор, - не менее 250 мм.

2.5.3. Основания двух опор пятого яруса, расположенных у боковых стоек, укрепляют с наружных сторон клиньями 6 (рис. 8 настоящей главы) толщиной 40 мм, каждый из которых прибивают к прокладке тремя гвоздями длиной 100 - 120 мм.

Над прокладками со стороны вершин на опоры укладывают по одному поперечному бруску 4 (рис. 8 настоящей главы) сечением не менее 100 x 200 мм, который в четырех местах между опорами скрепляют с прокладкой проволокой диаметром 6 мм в две нити.

2.5.4. На утолщенных подкладках, прокладках и верхнем поперечном бруске в местах их соприкосновения с опорами делают выемки глубиной до 50 мм согласно рисунку 9 настоящей главы.

Рисунок 9

а- подкладка; б- прокладка; в- брусок

Подкладка и прокладка (рис. 9 а, б настоящей главы) могут быть изготовлены из бруска 1 сечением не менее 150 x 200 мм и длиной 2870 мм (в том числе с необрезными боковыми кромками) и упорных клиньев 2 сечением не менее 50 x 200 мм (рис. 10 настоящей главы).

Верхний поперечный брусок (рис. 9в настоящей главы) может быть изготовлен из бруска 3 сечением не менее 50 x 200 мм и длиной 2800 мм и упорных клиньев 2 сечением не менее 50 x 200 мм (рис. 10 настоящей главы).

Рисунок 10

а - подкладка; б - прокладка; в - поперечный брусок 1, 3 – брусок; 2 - клин

Упорные клинья 2 закрепляют к бруску 1 гвоздями длиной 120 мм и диаметром 5 мм (по четыре гвоздя в каждый клин). Гвозди следует забивать в предварительно просверленные в упорных клиньях отверстия диаметром не более 5 мм. Отверстия должны располагаться на расстоянии не менее 50 мм от краев верхней плоскости упорного клина. Допускается использование бруса 1, составного по толщине из двух частей, при этом минимальная толщина одной из частей должна быть 50 мм. Составные части бруса соединяют между собой 20 гвоздями длиной 150 мм и диаметром 6 мм. Гвозди забивают в отверстия, предварительно просверленные в составной части, имеющей меньшую толщину.

Каждый упорный клин 2 закрепляют к бруску 3 четырьмя гвоздями длиной 100 мм и диаметром 5 мм, с предварительным сверлением отверстий под гвозди.

3. Размещение и крепление длинномерных грузов на сцепах платформ с опорой на два вагона

3.1. Размещение и крепление рельсов длиной 25000 мм с болтовыми отверстиями.

Рельсы размещают на сцепы из двух платформ (рис. 11 настоящей главы) в следующем порядке.

Рисунок 11

1- подкладка; 2- утолщенная прокладка; 3,6 - увязка; 4- деревянная накладка; 5- подкладка с металлической накладкой; 7- прокладка; 8-железнодорожные костыли;9- растяжка утолщенной прокладки; 10- растяжка; 11- упорный брусок; 12- увязка первого яруса; 13- торцовая увязка

3.1.1. До погрузки рельсов на каждую платформу сцепа на расстоянии 2600 мм от поперечной плоскости симметрии платформы укладывают подкладки 1, 5.

Подкладка 1 может состоять из одного деревянного бруса размером 150 x 250 x 2700 мм или быть составной из двух брусков сечением 145 x 135 мм, уложенных в пазы из трех отрезков швеллера N 30 (рис. 12 настоящей главы), два из которых размещают по концам подкладки, а один - в середине.

Подкладка 5 может состоять из одного бруса размером 145 x 250 x 2700 мм или быть составной из двух брусков размером 140 x 135 x 2700 мм (рис. 13 настоящей главы).

Сверху на поверхность подкладки 5 прибивают 15 гвоздями длиной 100 мм металлическую накладку размером 4 x 150 x 2700 мм. Вместо деревянной подкладки 5 может применяться рельс Р50, укладываемый на четыре рельсовые подкладки КБ-50 (рис. 14 настоящей главы) (не приводится), или шахтная стойка, размещаемая на четырех рельсовых подкладках КБ-65 (рис. 15 настоящей главы).

При этом высота подкладки 5 не должна превышать высоту подкладки 1.

Рабочая поверхность подкладки 5 должна быть обильно смазана соответствующей смазкой для повышения скольжения.

Каждую подкладку 1, 5 для предотвращения продольного перемещения груза закрепляют четырьмя упорными брусками 11 сечением не менее 50 x 150 x 270 мм. Каждый брусок закрепляют к полу платформы пятью гвоздями длиной не менее 100 мм.

3.1.2. На подкладки укладывают в порядке, установленном главой 3 настоящих ТУ, первый ярус рельсов, который скрепляют посередине погрузки увязкой 12 из проволоки диаметром 6 мм в шесть нитей. Число рельсов в ярусах указано в таблице 4 настоящей главы.

В подкладки 1 с обеих сторон на расстоянии 5 - 7 мм от подошвы крайних рельсов яруса забивают по два железнодорожных костыля 8.

На рельсы первого яруса размещают на равном расстоянии от подкладок 1, 5 две утолщенные прокладки 2 размером 200 x 200 x 2700 мм. Эти прокладки могут быть составными из двух брусков сечением 200 x 100 мм каждый, при условии скрепления их между собой двумя увязками из проволоки диаметром 6 мм в две нити (рис. 16 настоящей главы). По граням брусков на расстоянии 100 - 200 мм от торцов делают зарубки глубиной 30 - 40 мм для закрепления растяжек.


Таблица 4

Порядковый номер ярусаЧисло рельсов в ярусе
Р50Р65Р75
подошвой внизподошвой вверхподошвой внизподошвой вверхподошвой внизподошвой вверх
113121110109
213121110109
3121110987
4764332
Всего454136323127

На утолщенные прокладки размещают второй, третий и четвертый ярусы рельсов. Между ярусами устанавливают прокладки 7 с сечением 25 x 100 мм в одной вертикальной плоскости с соответствующей утолщенной прокладкой 2. После размещения второго яруса рельсов его закрепляют восемью железнодорожными костылями 8 и двумя растяжками 10. Железнодорожные костыли 8 забивают в прокладки 2 по два с каждой стороны на расстоянии 5 - 7 мм от подошвы крайних рельсов яруса. Каждая растяжка 10 охватывает ярус рельсов и крепится за стоечную скобу, расположенную между подкладкой 1 и прокладкой 2. Растяжки 10 изготавливают из проволоки диаметром 6 мм в шесть нитей.

Три верхних яруса рельсов связывают между собой располагаемыми равномерно по всей длине штабеля четырьмя увязками 6 из проволоки диаметром 6 мм в шесть нитей.

3.1.3. На верхний ярус рельсов над прокладками укладывают деревянные накладки 4 сечением 50 x 150 мм с выемками по торцам для закрепления увязок 3.

Все ярусы рельсов увязывают между собой двумя увязками 3 из проволоки диаметром 6 мм в шесть нитей, которые закрепляют на выемках накладок 4 и пропускают под нижним ярусом рельсов. При этом проволочные нити увязок размещают по обеим сторонам утолщенных прокладок 2.

3.1.4. Торцы рельсов в трех верхних ярусах увязывают в порядке, предусмотренном главой 3 настоящих ТУ, увязкой 13 из проволоки диаметром 6 мм в две нити; в нижнем ярусе - увязкой 13 из проволоки диаметром 6 мм в четыре нити, пропущенной через болтовые отверстия двух крайних рельсов и скрученной посередине.

На платформе, где второй ярус рельсов не закреплен растяжками 10, утолщенную прокладку 2 закрепляют четырьмя растяжками 9 из проволоки диаметром 6 мм в восемь нитей за средние боковые стоечные скобы платформы.

Средние секции бортов платформ сцепа при отсутствии клиновых запоров закрепляют короткими деревянными стойками круглого сечения. В две пары средних боковых скоб платформы, за которые закрепляют растяжки 9, а также на платформах с металлическими бортами, оборудованными клиновыми запорами, стойки не ставить.

Применяемые подкладки и прокладки должны соответствовать требованиям, предъявляемым к пиломатериалам не ниже третьего сорта по ГОСТ 8486-86, ГОСТ 2695-83. Применять для крепления рельсов костыли, бывшие в употреблении, запрещается.

3.2. Размещение и крепление железнодорожных рельсов длиной 25 000 мм без болтовых отверстий.

Размещение и крепление рельсов производят порядком, аналогичным для рельсов, имеющих болтовые отверстия.

При этом для закрепления пакета рельсов применяют восемь рельсов с односторонними отверстиями или четыре рельса с двусторонними отверстиями. Рельсы с двусторонними болтовыми отверстиями укладывают по одному с каждой стороны второго и третьего ярусов, а рельсы с односторонними отверстиями - по два с каждой стороны яруса отверстиями в разные стороны со смещением относительно друг друга на одно отверстие. Рельсы второго и третьего ярусов увязывают по торцам проволокой диаметром 6 мм в две нити с закреплением концов за болтовые отверстия крайних рельсов.

4. Размещение и крепление длинномерных грузов, перевозимых на сцепах платформ с применением турникетов

4.1. Универсальный турникет типа Минэнерго.

Универсальный турникет (рис. 17 настоящей главы) предназначен для перевозок любых длинномерных конструкций.

Каждая турникетная опора турникета состоит из трех рам: подвижных верхней 1 и промежуточной 2 и неподвижной нижней 3.

Рисунок 17-Турникетная опора типа Минэнерго

1- рама верхняя; 2- рама промежуточная; 3- рама нижняя; 4-упор продольный винтовой; 5- упорная шайба; 6- упор жесткий поперечный; 7- увязка; 8- подкладка деревянная; 9- криволинейная направляющая; 10- амортизатор резиновый; 11- цапфа; 12- ползун; 13- элемент дугообразный; 14- элемент боковой; 15- плоские направляющие

Турникет имеет следующие характеристики (таблица 5 настоящей главы).

Таблица 5

Параметры и единицы измеренияВеличина
Грузоподъемность (включая массу подвижных элементов турникета), т72,4
Масса, кг: 
одного турникета4100
неподвижной рамы турникета2600
груза с турникетом75000
Расстояние между осями опорных поперечных балок, мм3500


4.1.1. Турникет типа Минэнерго (шифр 101.01/1 литера "А") состоит из двух турникетных опор и комплектов крепления, конструкция которых зависит от типа перевозимого длинномерного груза.

Для размещения и крепления длинномерных конструкций в зависимости от их конфигурации используют различные комплекты крепления такого турникета.

К железнодорожной платформе каждую турникетную опору закрепляют с помощью упоров (рис. 17 настоящей главы): продольных винтовых 4 с шарнирными упорными шайбами 5 и жестких поперечных 6 на нижней раме. Винтовые упоры доводят до соприкосновения упорных шайб со стоечными скобами платформы, после чего их фиксируют увязками 7 из проволоки диаметром 4 мм в один оборот. Поперечные балки нижней рамы оснащают деревянными подкладками 8, фиксируемыми гвоздями, а продольные балки - криволинейными направляющими 9 и резиновыми амортизаторами 10. Промежуточную раму 2 опирают на направляющие четырьмя цапфами 11 с ползунами 12. Во время соударений вагонов промежуточная и верхняя рамы с грузом совершают возвратно-поступательные перемещения относительно нижней рамы. При этом ползуны скользят по криволинейным направляющим. Верхняя рама соединяется с промежуточной с помощью поворотного устройства, состоящего из двух дугообразных элементов 13 на верхней раме и двух боковых элементов 14 на промежуточной. Номинальный диаметр поворотного устройства равен 1200 мм. При проходе железнодорожного состава по горизонтальным кривым участкам пути верхняя рама поворачивается относительно промежуточной, опираясь на ее плоские направляющие 15.

4.1.2. Для крепления центрифугированных стоек опор высоковольтных линий в зависимости от их типоразмеров применяют комплекты крепления (рис. 18 настоящей главы), состоящие из четырех-пяти пар сварных балок (бандажей) 1 с обрезиненными ячейками 2. С каждого торца ячейки 2 на бандаже с помощью спиральной скобы 3 закреплены цепная обвязка 4 и цепная обвязка 5 со специальным цепным замком, жестко связанным с гайкой М42, в которую ввернут винт 6 с шаровым обрезиненным упором 7. Каждую железобетонную стойку укладывают в ячейки двух бандажей, расположенных над турникетами сцепа, после чего задавливают винтами 6, которые фиксируют увязками 8. Бандажи устанавливают один на другой и фиксируют посредством зубьев 9, входящих в пазы 10. Нижний бандаж представляет собой единое целое с верхней рамой турникета. Каждый верхний (четвертый или пятый) бандаж соединен с помощью шарового шарнира с кулисами (толкателями) 12 четырьмя цепными растяжками 13, с винтами М42 и гайками 14. В свою очередь кулисы с помощью шарниров 15 и криволинейных направляющих 16 соединены соответственно с нижним бандажом и нижней рамой турникетной опоры.

Рисунок 18- Комплект крепления для ж.б. центрифугированных стоек

1 - балка (бандаж); 2- ячейка обрезиненная; 3- скоба спиральная; 4,5 - обвязка цепная; 6- винт; 7- упор шаровой обрезиненный; 8, 18- увязка; 9- зуб; 10- паз; 11- шарнир шаровой; 12- кулиса (толкатель); 13- растяжка цепная; 14- гайка; 15- шарнир; 16- криволинейная направляющая; 17- шплинт

Кулисы и цепные растяжки на бандажах фиксируют в шарнирах шплинтами 17. Каждую растяжку натягивают с помощью гайки 14 до тех пор, пока соответствующая кулиса займет по высоте среднее положение в окне поперечной балки нижней рамы турникета. Затем гайку фиксируют увязкой 18. Увязки 8, 15 изготавливают из проволоки диаметром 4 мм в один оборот.

При прохождении сцепом кривых участков пути криволинейные направляющие кулис обеспечивают постоянное натяжение растяжек.

4.1.3. Центрифугированные конические стойки длиной 22,6 и 26 м, диаметром основания 650 мм размещают на сцепе из двух платформ одним штабелем, включающим 14 или 16 стоек (соответственно рис. 19 и 20 настоящей главы) (не приводятся) в четыре яруса, или одним штабелем, включающим 18 стоек и состоящим из пяти ярусов (рис. 21 настоящей главы).

При этом в трех нижних ярусах стойки укладывают в ячейки бандажей 2 по четыре штуки, в четвертом ярусе - две или четыре, а в пятом ярусе - две. В смежных ярусах стойки располагают вершинами и основаниями в противоположные стороны. При этом бандажи пятого яруса опирают на железобетонные стойки нижележащего яруса.

В трех нижних ярусах основания железобетонных стоек 1 закрепляют двумя парами цепных обвязок 3 с винтами.

При размещении груза в четыре яруса (рис. 19, 20 настоящей главы) каждую железобетонную стойку, расположенную в четвертом ярусе, закрепляют четырьмя парами цепных обвязок с винтами: двумя парами - ближе к основанию, двумя парами - ближе к вершине.

При размещении груза в пять ярусов (рис. 21 настоящей главы) аналогичным образом закрепляют каждую из двух крайних стоек четвертого яруса и попарно внутренние стойки четвертого и пятого ярусов.

Каждый бандаж четвертого яруса соединяют с кулисами четырьмя цепными растяжками 4.

Неиспользованные цепные обвязки 5 (рис. 19 настоящей главы) укладывают в свободные крайние ячейки бандажей четвертого яруса и привязывают к ним увязками 6 из проволоки диаметром 4 мм в две нити.

4.1.4. Центрифугированные конические стойки длиной 22,6 м, диаметром основания 560 мм размещают на сцепе двух платформ (рис. 22 настоящей главы) одним штабелем, включающим 23 стойки в пять ярусов: в первых четырех ярусах - по пять стоек, в пятом - три. При этом соблюдают чередование оснований и вершин соседних стоек в каждом ярусе, а также в смежных ярусах. Основания стоек с первого по четвертый ярус закрепляют двумя парами цепных обвязок 3 с винтами. В пятом ярусе каждую стойку закрепляют четырьмя парами обвязок с винтами за основание и вершину. Каждый бандаж пятого яруса соединяют с кулисами четырьмя цепными растяжками 4.

Рисунок 22

1- стойка ж.б.; 2- балка (бандаж); 3- обвязка цепная; 4- растяжка цепная

4.1.5. Центрифугированные цилиндрические стойки длиной 22,2 и 26,4 м, диаметром 560 мм размещают на сцепе из двух платформ одним штабелем, включающим 14 (рис. 23 настоящей главы) (не приводится) или 16 (рис. 24 настоящей главы) (не приводится) стоек в четыре яруса, или одним штабелем, включающим 18 стоек в пять ярусов (рис. 25 настоящей главы).

При этом в трех нижних ярусах стойки укладывают в ячейки бандажей 2 по четыре штуки, в четвертом - две или четыре, а в пятом - две. При этом бандажи пятого яруса опирают на железобетонные стойки нижележащего яруса.

Цепными обвязками 3 с винтами закрепляют над одним турникетом каждую стойку первого, третьего и четвертого ярусов, а над другим - второго и четвертого ярусов.

При размещении груза в пять ярусов (рис. 25 настоящей главы) цепными обвязками с винтами закрепляют над одним турникетом каждую стойку первого, третьего ярусов и две крайние стойки четвертого яруса, а над другим - каждую стойку второго яруса и две крайние стойки четвертого яруса, а над другим - каждую стойку второго яруса и две крайние стойки четвертого яруса. Две внутренние стойки четвертого яруса и две крайние стойки пятого яруса закрепляют попарно над каждым турникетом.

Каждый бандаж четвертого яруса соединяют с кулисами четырьмя цепными растяжками 4.

Неиспользованные цепные обвязки 5 (рис. 23 настоящей главы) укладывают в свободные крайние ячейки бандажей четвертого яруса и привязывают к ним увязками 5 из проволоки диаметром 4 мм в две нити.

4.1.6. Вибрированные конические стойки длиной 16,4 м размещают на сцепе из трех платформ в два штабеля 1 по 25 штук (вариант 1) или в два штабеля по 27 штук (вариант 2) на четырех турникетных опорах (рис. 26 настоящей главы).

Рисунок 26

1- штабель вибростоек; 2- стойка ж.б.; 3, 4- рама сварная; 5- настил деревянный; 6, 7- балка сварная; 8, 9- стойка наклонная; 10- шарнир; 11- винт вертикальный; 12- шайба обрезиненная; 13, 14- увязка

При этом посередине крайних платформ сцепа устанавливают по одной турникетной опоре, а над тележками средней платформы устанавливают две турникетные опоры любой модификации, так как загрузка каждого из них вдвое меньше загрузки крайних турникетов сцепа.

В каждом штабеле железобетонные стойки 2 укладывают пирамидой соответственно в пять или шесть ярусов по высоте основаниями к торцам сцепа. В нижнем ярусе располагают семь стоек, в каждом последующем - на одну стойку меньше. Стойки вышележащих ярусов укладывают между строповочными петлями нижележащих ярусов.

Комплект крепления для перевозки вибростоек состоит из двух пар сварных рам 3, 4 в виде скоб с деревянным настилом 5 и двух пар сварных балок 6, 7. Рамы и балки соединены между собой наклонными стойками 8, 9 с помощью шарниров 10. Каждая рама 3, 4 представляет собой единое целое с верхней рамой турникета, а каждая балка 6, 7 оснащена тремя (вариант 1) или двумя (вариант 2) вертикальными винтами 11 с резьбой М42 и обрезиненными шайбами 12, с помощью которых штабель вибростоек 1 прижимают к деревянному настилу рам. Все шарниры фиксируют шплинтами, а вертикальные винты и боковые вибростойки штабеля - увязками 13, 14 из проволоки диаметром 4 мм в один оборот.

4.1.7. Кровельные балки длиной 18 м размещают на сцепе двух платформ одним штабелем из 10 балок в один ярус в вертикальном положении.

Комплект крепления для перевозки балок состоит из двух сварных рам 1 в виде скоб с деревянными настилами 2, двух наголовников 3 и двух пар сварных балок (прижимов) 4. Рамы и балки соединены между собой вертикальными стойками 5 с помощью шарниров 6, четырех стяжных болтов 7 с гайками 8 и двух тяг 9 с гайками 10. Каждая рама представляет собой единое целое с верхней рамой турникетной опоры, а каждая балка 4 оснащена четырьмя регулируемыми 11 и одним нерегулируемым 12 болтами, с помощью которых через резиновые прокладки 13 кровельные балки 14 прижимают к деревянному настилу каждой рамы. Все шарниры фиксируют шплинтами, а резьбовые элементы - увязками 15 из проволоки диаметром 4 мм в две нити (рис. 27 настоящей главы).

Рисунок 27

1- рама (скоба); 2- настил деревянный; 3- наголовник; 4- балка (прижим); 5- стойка вертикальная; 6- шарнир; 7- болт стяжной; 8, 10- гайка; 9- тяга; 11- болт регулируемый; 12- болт нерегулируемый; 13- прокладка резиновая; 14- ж.б. балка; 15- увязка

Груз размещают на сцеп в последовательности (рис. 27 настоящей главы), обозначенной римскими цифрами, при условии откинутых стоек 5 с прижимами 4 и обязательной фиксацией тяг 9 в вертикальном положении с помощью проволоки или специальных фиксаторов к раме 1. При погрузке каждую последующую балку закрепляют к ближайшей, ранее погруженной, двумя технологическими хомутами за строповочные петли.

4.1.8. После окончания погрузки и крепления железобетонных конструкций внешние торцовые и крайние секции боковых бортов платформ сцепа поднимают и закрепляют клиновыми запорами. Открытые секции продольных бортов каждой платформы сцепа закрепляют средствами грузоотправителя в соответствии с главой 1 настоящих ТУ.

4.1.9. Демонтаж и подготовка к возврату порожних турникетов осуществляют по схемам, изображенным на рисунках 28, 30 настоящей главы.

4.1.9.1. Две турникетные опоры 1 с комплектом крепления для центрифугированных стоек размещают на одной платформе симметрично относительно ее продольной и поперечной плоскостей симметрии (рис. 28 настоящей главы). При этом турникет закрепляют в соответствии с подпунктом 4.1.1 настоящей главы.

Рисунок 28 - Размещение и крепление порожнего турникета для ж.б. центрифугированных стоек на одной платформе

1- турникетная опора; 2- бандаж; 3, 6, 7- увязка; 4- растяжка цепная; 5- кулиса; 8, 9- растяжка

На каждой турникетной опоре оставляют по два нижних бандажа 2, верхние бандажи попарно размещают на полу платформы в ее средней части. При этом два зуба нижестоящих бандажей вводят в пазы вышестоящих бандажей (рис. 28, А, настоящей главы).

В средней части вагона смежные бандажи в каждом из двух ярусов попарно соединяют двумя увязками 3 из проволоки диаметром 4 мм в три оборота за стержни диаметром 30 мм на торцах бандажей.

Цепные растяжки 4 комплекта крепления укладывают между кулисами 5 на пол вагона.

При наличии в комплекте бандажей пятого яруса их размещают по одному на турникетных опорах между кулисами и фиксируют через окна в поперечных балках турникетных опор двумя увязками 7 из проволоки диаметром 4 мм в три оборота.

Бандажи вторых ярусов закрепляют за торцовые стержни растяжками из проволоки диаметром 6 мм в четыре нити: два бандажа на турникетных опорах - четырьмя растяжками 8 к поперечным ребрам продольных балок турникетных опор; четыре бандажа в средней части - четырьмя растяжками 9 к окнам поперечных балок турникетных опор.

4.1.9.2. Две турникетные опоры с комплектом крепления для центрифугированных стоек размещают на сцепе из двух платформ (рис. 29 настоящей главы).

Рисунок 29-Размещение и крепление порожнего турникета для ж.б. центрифугированных стоек на сцепе двух платформ

1- турникетная опора; 2- бандаж; 3, 6, 7- увязка; 4- растяжка цепная; 5- кулиса; 8, 9- растяжка

На каждой платформе турникетную опору 1 размещают симметрично относительно продольной и поперечной плоскостей симметрии вагона и закрепляют в соответствии с подпунктом 4.1.1 настоящей главы.

Остальные узлы комплекта закрепляют аналогично требованиям подпункта 4.1.9 настоящей главы.

Отличия: по два верхних бандажа размещают на полу каждой платформы около вторых стоечных скоб от торца вагона симметрично относительно его продольной плоскости симметрии. Бандажи попарно соединяют двумя увязками 3 из проволоки диаметром 4 мм в три оборота за стержни диаметром 30 мм на торцах бандажей. Каждую пару бандажей за торцовые стержни закрепляют четырьмя растяжками 9 из проволоки диаметром 6 мм в четыре нити к первым и третьим стоечным скобам вагона.

4.1.9.3. Четыре турникетные опоры 1 с двумя комплектами крепления для вибрированных стоек размещают на одной платформе симметрично относительно ее продольной и поперечной плоскостей симметрии (рис. 30 настоящей главы).

Рисунок 30-Размещение и крепление порожних турникетов для железобетонных вибрированных стоек на одной платформе

1- турникетная опора; 2- растяжка; 3- рама; 4, 5- балка; 6- увязка

Две турникетные опоры устанавливают над тележками вагона и закрепляют в соответствии с подпунктом 4.1.1 настоящей главы. Две другие турникетные опоры устанавливают с опиранием одной стороной на одну из ранее установленных турникетных опор, а другую - на пол вагона таким образом, чтобы поперечные упоры охватывали армирующие уголки платформ. Каждую из этих турникетных опор закрепляют четырьмя растяжками 2 из проволоки диаметром 6 мм в шесть нитей за наружные продольные балки турникетных опор и за вторые от середины вагона стоечные скобы.

На каждой турникетной опоре оставляют рамы 3 и балки 4, 5, которые в обязательном порядке складывают, как показано на виде с торца.

От самопроизвольного поворота рамы 3 фиксируют за их боковые стойки к наружным продольным балкам турникетных опор двумя увязками 6 из проволоки диаметром 4 мм в два оборота.

4.1.9.4. Запрещается при возврате порожних турникетов устанавливать балки (бандажи) для размещения железобетонных центрифугированных стоек более чем в два яруса.

Грузополучатель после выгрузки железобетонных конструкций производит размещение и закрепление отдельных узлов (элементов) турникетов в соответствии со схемами, предусмотренными в подпунктах 4.1.9 - 4.1.9.4 настоящей главы, предъявляет вагоны к перевозке, сделав при этом на оборотной стороне накладной в графе 1 отметку: "Турникеты ___________ (шифр) и комплект крепления _________ (шифр) размещены и закреплены согласно подпункту 4.1.9 главы 10 ТУ (или согласно чертежу (схеме) N ____________ от __________, утвержденному перевозчиком _________). Для крепления применены следующие реквизиты: _____________________".

Отметку заверяют подписью ответственного за погрузку работника грузоотправителя порожнего турникета с указанием его должности и фамилии.

4.2. Турникет типа УО ВНИИЖТ.

4.2.1. Характеристика турникета типа УО ВНИИЖТ:

грузоподъемность, т - 120;

масса одной турникетной опоры, т - 6,0;

база, мм - 3300;

ширина, мм - 3150.

Турникет типа УО ВНИИЖТ (рабочий проект ТВ66) - Уральского отделения Всероссийского научно-исследовательского института железнодорожного транспорта. Адрес калькодержателя: г. Екатеринбург.

Каждая турникетная опора (рис. 31 настоящей главы) состоит из опорной рамы (основания) 1, погрузочной балки 2 с деревянной вставкой 14, двух стоек 4 с траверсами 11, прижимной балки 3 с деревянной вставкой 14. Продольные балки опорной рамы (основания) имеют криволинейные направляющие (дорожки). Центральная дорожка 5 имеет форму желоба, а две боковые 6 - плоские, что позволяет сцепу проходить через кривые участки железнодорожного пути. Нижний уровень боковых дорожек выполнен ниже уровня желоба центральной дорожки на 4 мм.

Рисунок 31-Турникетная опора типа УО ВНИИЖТ.

1 - опорная рама (основание); 2- погрузочная балка; 3- прижимная балка; 4- стойки; 5,6- направляющие дорожки; 7- обоймы; 8- кронштейны; 9- опоры; 10- пружины; 11- траверсы; 12- винты; 13- нижняя полка; 14- деревянные вставки.

В погрузочной балке 2 имеются три шаровые обоймы 7, шары которых перемещаются по дорожкам опорной рамы и за счет подъема по криволинейной поверхности дорожек гасят инерционные усилия при соударении вагонов.

Для неразъемности погрузочной балки и опорной рамы служат кронштейны 8, которые одновременно выполняют роль механических упоров. Для удержания погрузочной балки в вертикальном положении без груза служат четыре пружинные опоры 9.

Пружины 10 стоек обеспечивают штабелю груза постоянное прижимное усилие при деформации деревянных прокладок между рядами груза. От поперечного смещения штабель груза удерживается боковыми стойками 4.

При проверке габаритности и определении степени негабаритности погрузки расчетная длина груза принимается больше фактической с каждой торцовой стороны на 500 мм, а расчетная высота - на 100 мм.

4.2.2. Железнодорожные рельсы Р50, Р65 и Р75, новые и бывшие в употреблении, длиной 25 м грузят на сцеп из двух платформ с использованием турникетов типа УО ВНИИЖТ (рабочий проект ТВ66). Разность уровней полов платформ сцепа не должна превышать 100 мм.

Средние секции продольных бортов с каждой стороны платформ сцепа опускаются и закрепляются грузоотправителем в соответствии с главой 1 настоящих ТУ.

Каждую турникетную опору размещают симметрично относительно продольной и поперечной плоскостей симметрии платформы. При этом необходимо, чтобы поперечные упоры турникетной опоры находились с внешней стороны армирующих уголков платформы.

Винтовые упоры 2 с упорными шайбами на конце должны быть завинчены до плотного соединения со стоечными скобами платформ 1 и застопорены от раскручивания контргайками 4 (рис. 32 настоящей главы).

После установки турникетных опор на платформы криволинейные направляющие (дорожки) очищают от грязи и смазывают по всей длине универсальной среднеплавкой смазкой (солидол жировой марки УС-2, ГОСТ 1033-79). Проверяют наличие и исправность деревянных вставок в погрузочных и прижимных балках.

Перед началом погрузки прижимные балки снимают с турникетных опор.

Рельсы укладывают на погрузочные балки в четыре яруса подошвами вниз (рис. 33 настоящей главы).

Основные характеристики погрузки приведены в таблице 6 настоящей главы.


Таблица 6

НаименованиеТип рельса
Р75Р65Р50
Количество рельсов в ярусе161820
Количество ярусов444
Ширина штабеля, мм246027602740
Высота штабеля, мм900840740
Количество прокладок, шт.181818
Количество обвязок, шт.333

Между нижним и последующими ярусами рельсов размещают деревянные прокладки размером не менее 40 x 100 x 2700 мм. Прокладки располагают в середине турникетных опор между стойками, на расстоянии 2500 мм от торцов штабеля и в средней части штабеля, на расстоянии 4000 мм от середины каждой турникетной опоры (рис. 34 настоящей главы).

Штабель рельсов закрепляют на погрузочных балках (рис. 31 настоящей главы) прижимными балками 3, которые с помощью траверс 11 и винтов 12 плотно прижимаются к верхней плоскости штабеля рельсов. Винты затягивают равномерно на каждой траверсе и увязывают попарно проволокой диаметром 6 мм в две нити через отверстия в головках.

Штабель рельсов закрепляют тремя увязками из проволоки диаметром 6 мм в четыре нити. Увязки размещают по краям штабеля рельсов на расстоянии 900 мм от торцов и в середине (рис. 34 настоящей главы).

4.2.2.1. При погрузке и выгрузке рельсов необходимо обеспечить сохранность турникетных опор, устройств крепления груза и подвижного состава.

Для выгрузки рельсов снятие крепежных устройств производят в обратном порядке. Удаляют проволочную увязку винтов, последние вывинчивают и снимают вместе с траверсами. Поднимают за рым-болты прижимные балки.

Выгрузку рельсов осуществляют с соблюдением действующих правил техники безопасности на погрузочно-разгрузочных работах. При повреждении турникетов, подвижного состава, утере деталей грузополучатель несет материальную ответственность.

После завершения выгрузки в стойки турникетных опор устанавливают и закрепляют винтами и траверсами прижимные балки.

От возможных перемещений в пути следования погрузочную балку закрепляют к раме турникетной опоры (основанию) штырями-фиксаторами.

4.2.2.2. Надзор, техническое обслуживание и ремонт турникетных устройств выполняет его владелец согласно правилам эксплуатации и ремонта (ТВ66 РЭ).

4.3. Турникет типа ЦНИИ МПС.

4.3.1. Характеристика турникета типа ЦНИИ МПС.

Рабочие проекты N 1797 и 1943 СКБ Главмосстроя Минтрансстроя. Калькодержатель - Московский городской центр научно-технической информации и пропаганды (г. Москва).

При проверке габаритности и определении степени негабаритности погрузки расчетная длина груза принимается больше фактической с каждой торцовой стороны на 400 мм, а расчетная высота - на 100 мм.

Каждая турникетная опора (рис. 35 настоящей главы) состоит из верхней 1, промежуточной 10 и нижней 9 рам, боковых скользунов 2, сферических подпятников 5 и пятника 6, шкворня 7, продольных 8 и поперечных 4 упоров, элементов усиления продольных упоров 11, ограничителей хода верхней рамы 12, боковых скоб 3 для установки фиксаторов - деревянных стоек. Промежуточная и верхняя рамы имеют наклонные и горизонтальные поверхности скольжения. Турникетную опору на платформе закрепляют с помощью продольных и поперечных упоров.

Рисунок 35 Турникетная опора типа ЦНИИ МПС

1- верхняя рама; 2- боковые скользуны; 3- боковые скобы; 4- поперечные упоры; 5- сферический подпятник; 6- пятник; 7- шкворень; 8- продольные упоры; 9- нижняя рама; 10- промежуточная рама; 11- элементы усиления упоров; 12- ограничитель хода

Перед погрузкой верхнюю и нижнюю рамы каждой турникетной опоры с обеих сторон закрепляют фиксаторами - деревянными стойками сечением 30 x 50 мм, которые вставляют в боковые скобы верхней и нижней рам, выполненные из швеллеров N 6, 5. Фиксаторы устанавливают для того, чтобы во время погрузки верхняя рама не смещалась относительно промежуточной. После окончания погрузки фиксаторы-стойки должны быть сняты.

4.3.2. Железобетонные балки пролетных строений автодорожных мостов длиной 24 м размещают на сцеп из двух платформ с использованием турникетов типа ЦНИИ МПС, рабочий проект N 1797 СКБ Главмостостроя Минтрансстроя (таблица 7 настоящей главы) со специальными металлическими приспособлениями, рабочий проект N 1898 ПКБ ЦНИИС Минтрансстроя.

Таблица 7

НаименованиеN рабочего проекта
17971943
Грузоподъемность, т85110
Масса одной турникетной опоры, т2,824,38
База, мм17253240
Ширина, мм27602760

Для транспортировки балок на сцепе из двух платформ применяют две одинаковые турникетные опоры со специальными приспособлениями для крепления груза. К верхним рамам турникетных опор для обеспечения поперечной устойчивости балок прикреплены кронштейны 2 и подкосы 3, 4, а также подставка 9 для размещения одной балки на более высоком уровне (рис. 36 настоящей главы).

Рисунок 36

1- упор; 2-кронштейн; 3,4- подкосы в рабочем и нерабочем положениях; 5,6- нижнее и верхнее отверстия для болта; 7- деревянный вкладыш; 8- увязка балок; 9- подставка; 10- верхняя рама турникетной опоры

Грузоотправитель обязан проверить соответствие турникетов проекту N 1797 и приспособлений - проекту N 1898. При установке турникетных опор на платформы (рис. 37 настоящей главы) необходимо, чтобы продольные упоры нижних рам вошли в третьи пары стоечных скоб (от торцов сцепа) и прилегали к их стенкам, обращенным к середине сцепа, а поперечные упоры находились с внешней стороны армирующих уголков пола платформы.

Рисунок 37

1- продольные упоры; 2- поперечные упоры; 3- фиксатор; 4- блок-противовес; 5- балка; 6- растяжка с натяжным устройством; 7,8- поперечные и продольные крепления; 9- проволочные растяжки

4.3.2.1. Железобетонные балки автодорожных мостов могут быть двух типов: крайними, имеющими выпуск арматуры с одной стороны верхней части балки, и промежуточными - с выпусками арматуры с двух сторон (рис. 36 настоящей главы). Длина балки должна быть 24 м, высота - 1200 мм, ширина нижнего пояса - 620 мм, ширина верхней части с выпусками арматуры - 1928 мм, а по бетону у крайних балок - 1740 мм, промежуточных - 1400 мм. Допускаются отклонения длины и ширины балок до 5 мм.

Масса промежуточной балки 33 - 34 т, крайней - 36 - 37 т.

На сцеп грузят две промежуточные или одну промежуточную и одну крайнюю балки (рис. 37 настоящей главы). Последняя должна размещаться только на подставке. Каждую балку устанавливают обязательно на среднюю и две крайние деревянные подкладки (рис. 38 настоящей главы) (не приводится) высотой 80 - 100 мм, уложенные в гнезда верхней рамы.

Балки на сцепе от поперечных перемещений закрепляют с помощью упоров с винтовой резьбой (рис. 36 настоящей главы). Упоры закреплены на кронштейнах и треногих подкосах.

От продольных перемещений каждую балку с обоих торцов закрепляют к верхней раме турникетной опоры с помощью приспособления, состоящего из двух растяжек с винтовым натяжным устройством (рис. 39 настоящей главы) (не приводится), уголка и подвески с запорным устройством (рис. 40 настоящей главы), а также растяжки с болтами.

Рисунок 39
1 – растяжка торцовая; 2- натяжное устройство; 3 – уголок; 4 – подвеска; 5 – запорное устройство подвески; 6 – растяжка с болтом; 7 – увязка балок; 8 – монтажная петля
Рисунок 40
1 – клин в рабочем положении; 2 – клин в нерабочем положении; 3 – валик; 4 – прижимные планки; 5- накидные уголки в рабочем положении

Для предупреждения самораскручивания все резьбовые соединения должны иметь контргайки или шплинты.

4.3.2.2. Погрузка балок осуществляется в следующем порядке. При отведенных в стороны подкосах (рис. 36 настоящей главы) балку опускают на турникетные опоры и устанавливают между основаниями кронштейна и подкоса.

Установив балку и не снимая стропов, ее закрепляют: треногий подкос переводят в рабочее положение. При этом болт подкоса переставляют из нижнего в верхнее отверстие, завинчивают гайку, шплинтуют и с помощью стопорных винтов прижимают упоры вплотную к обеим сторонам стенки балки.

Аналогично устанавливают на подставки турникетных опор вторую балку и закрепляют стопорными винтами.

Балки закрепляют деревянными вкладышами, укладываемыми в распор между балками и основаниями кронштейна и подкоса, растяжками и торцовыми приспособлениями. Каждый вкладыш закрепляют четырьмя гвоздями через отверстия в ребре основания подкоса.

При установке торцового приспособления под нижнюю грань торцовой части балки подводят угол (рис. 39 настоящей главы) и закрепляют его с помощью подвески, которую накидывают на балку и фиксируют запорным устройством (рис. 40 настоящей главы). Затем натягивают растяжки.

Погруженные и закрепленные балки увязывают между собой за монтажные петли (рис. 36, 39 настоящей главы) растяжками из проволоки диаметром 6 мм в шесть нитей.

4.3.2.3. Для равномерной загрузки платформ над их тележками, обращенными к середине сцепа, симметрично относительно продольной плоскости симметрии платформ укладывают железобетонные блоки-противовесы (рис. 37, 41 настоящей главы) массой 8 т.

Рисунок 41-Блок- противовес

1, 7- поперечная упорная балка; 2- штырь; 3- растяжка; 4- стойка; 5- распорная балка; 6- скоба

От продольного смещения блоки-противовесы закрепляют металлическими упорными балками 1 и 7 и распорными балками 5, а также проволочными растяжками 3.

Упорные балки 1 и 7 изготовляют в виде коробки из швеллера N 22 и стальной полосы шириной 210 мм, толщиной 8 мм, а распорные балки - из швеллера N 14. К упорным балкам закрепляют электросваркой штыри. Штыри упорной балки 1 входят в две торцовые скобы платформы, а штыри упорной балки 7 - в две боковые скобы платформы. Каждый блок закрепляют четырьмя растяжками 3 из проволоки диаметром 6 мм в восемь нитей, которые увязывают за монтажные петли блоков и стоечные скобы платформ. Поперечное ограждение блоков осуществляют металлическими стойками 4, установленными в боковые стоечные скобы платформ.

4.3.3. Металлические балки мостовых кранов длиной до 44 м включительно размещают на сцепах из платформ с базой 9720 мм с использованием турникета типа ЦНИИ МПС (рис. 35 настоящей главы), рабочий проект N 1797 СКБ Главмостостроя Минтрансстроя (таблица 7 настоящей главы).

Для размещения и крепления балок на сцепе платформ применяют две одинаковые турникетные опоры. Грузоотправитель обязан проверить соответствие конструкции турникетов проекту N 1797, а также соблюдать правила эксплуатации, изложенные в документации проекта.

Для крепления балок к турникету верхние рамы турникетных опор оборудуют опорными листами размером 440 x 1050 мм, толщиной 12 мм (рис. 42 настоящей главы).

Рисунок 42

1- опорные листы; 2- ребра жесткости; 3- отверстия для болтов

Каждый опорный лист имеет 18 отверстий диаметром 31 мм, расположенных в два ряда. Расстояние от боковой кромки листа до отверстия 50 - 60 мм, а между отверстиями - 120 мм. Опорные листы приваривают к верхней раме турникетной опоры по всему контуру прилегания сварным швом катетом 8 мм. Между опорными листами и верхней рамой турникетной опоры устанавливают ребра жесткости толщиной 12 мм, которые приваривают к опорному листу и к листу верхней рамы турникетной опоры.

Для перевозки балок мостовых кранов турникетную опору на грузонесущей платформе сцепа устанавливают так, чтобы ее продольные упоры входили в отверстия одной из пар стоечных скоб, расположенных в середине платформ (рис. 43а, б, 44а, б настоящей главы).

В этом случае турникетная опора будет смещена от поперечной плоскости симметрии платформы внутрь или наружу сцепа на 540 или 1080 мм, а база сцепа соответственно может составлять:

для двух платформ при смещении центра тяжести турникетной опоры на 540 мм внутрь сцепа - 13,54 м, при смещении наружу сцепа - 15,7 м;

для трех платформ при смещении центра тяжести турникетной опоры на 1080 мм внутрь сцепа - 27,08 м, при смещении на 540 мм наружу сцепа - 30,32 м.

Балки мостовых кранов могут иметь массу от 20 до 51 т, длину - от 22 до 44 м, имеют коробчатое прямоугольное сечение. На них может быть смонтировано вспомогательное оборудование (редукторы, настилы и др.).

В целях лучшего использования грузоподъемности железнодорожного подвижного состава балки длиной 16,0 - 28,0 м перевозят на сцепе из двух платформ с базой 13,54 м; длиной 28,1 - 29,92 м - на сцепе из трех платформ с базой 15,7 м; длиной 30,0 - 42,64 м - на сцепе из трех платформ с базой 27,08 м; длиной 42,7 - 44,0 м - на сцепе из четырех платформ с базой 30,32 м. Продольное смещение центра тяжести балок в сторону прикрытия составляет 0,95 м для балок длиной 28,1 - 29,92 м и 0,68 м - для балок длиной 42,7 - 44 м. Торцовый контур балок не должен выходить за пределы концевых балок крайних платформ сцепа, за исключением платформ прикрытия.

Поперечное смещение центра балок от продольной плоскости симметрии сцепа допускается не более 50 мм. При этом расстояния боковых точек груза от оси пути не должны быть больше указанных в таблице 8 настоящей главы.

Минимальная опорная ширина балок составляет не менее 1,75 размера высоты центра тяжести груза над уровнем верхней рамы турникетной опоры.

4.3.3.1. На сцепах с базой 13,54 и 27,08 м все торцовые и продольные борта платформ сцепа должны быть открыты.

На сцепах с базой 15,7 и 30,32 м также открывают торцовые и продольные борта платформ сцепа, а также торцовый и примыкающие к нему два продольных борта платформы прикрытия со стороны свесов груза.

Открытые секции боковых бортов закрепляют за кольца на продольных балках платформ, а при отсутствии колец увязывают проволокой диаметром 6 мм в соответствии с требованиями главы 1 настоящих ТУ.

4.3.3.2. При установке турникетной опоры на платформу необходимо, чтобы продольные упоры 8 (рис. 35 настоящей главы) турникетной опоры вошли в стоечные скобы платформы и плотно, без зазоров, прилегали к их внутренним поверхностям с наружной стороны сцепа, а поперечные упоры 4 находились с внешней стороны армирующих уголков платформы.

Таблица 8

Длина груза, мМаксимальное расстояние от оси пути до боковых точек груза при расположении на высоте, мм, от уровня головки рельса
до 39004000410042004300440045004600470048004900500051005200
Для сцепов с базой 13,54 м
16,0...23,6 23,7...25,0 25,1...26,5 26,6...28,01590 1556 1521 14811513 1479 1444 14041436 1402 1367 13271357 1323 1288 12481281 1247 1212 11721203 1169 1134 10941127 1093 1058 10181049 1015 980 940972 938 903 863895 861 826 786818 784 749 709740 706 671 631662 628 593 553585 551 516 476
Для сцепов с базой 15,7 м
28,1...29,0 29,1...29,921451 14241374 13471297 12701218 11911142 11151064 1037988 961910 883833 806756 729679 652601 574523 496446 419
Для сцепов с базой 27,08 м
30,0...40,7 40,8...41,7 41,8...42,641401 1362 13391324 1285 12631247 1208 11851168 1129 11061092 1053 10301014 975 952938 899 876860 821 798783 744 721706 667 644629 590 567551 512 489473 434 411396 357 334
Для сцепов с базой 30,32 м
42,7...44,013211244116710881012934858780703626549471393316

Перед размещением балок на опорные листы верхней рамы турникетной опоры укладывают металлические накладные листы (рис. 45 настоящей главы) размером 440 x 400 - 450 мм и толщиной 16 мм, имеющие по четыре отверстия диаметром 31 мм.

Каждый накладной лист закрепляют к опорному листу четырьмя болтами М30 с гайками и контргайками, которые должны быть туго затянуты. Резьба болтов должна выходить за плоскость гаек на три - шесть витков. Контргайки от самораскручивания приваривают к болтам.

Крепление балок к накладным листам осуществляют сварными соединениями. Для этого в местах контактирования боковых кромок балок и накладных листов с наружной стороны сцепа наносят сварочные швы длиной не менее 260 мм с катетом 8 мм (рис. 46 настоящей главы).

При погрузке сцепа для снятия балок болты, скрепляющие опорные и накладные листы, срезают и балки снимают вместе с накладными листами.

4.3.4. Железобетонные стропильные фермы длиной 24 м, высотой 3,3 м, массой 10,5 - 18,2 т и длиной 18 м, высотой 3,0 м, массой 7,7 - 11,7 т, шириной верхнего и нижнего поясов 240 и 280 мм размещают на сцепе из двух платформ с базой 9720 мм с использованием турникетов типа ЦНИИ МПС, проект N 1797 СКБ Главмостостроя и специальных приспособлений ЦНИИС и СКБ Главстройпрома Минтрансстроя, проекты N 1516 для ферм длиной 24 м и N 1548 для ферм длиной 18 м (г. Москва).

Турникетные опоры устанавливают так, чтобы продольные упоры 8 (рис. 35 настоящей главы) нижних рам вошли в пятые пары стоечных скоб (рис. 47 настоящей главы) (не приводится), считая от середины сцепа, при погрузке ферм длиной 24 м, и в четвертые пары стоечных скоб (рис. 48 настоящей главы) (не приводится) при погрузке ферм длиной 18 м, а поперечные упоры 4 (рис. 35 настоящей главы) охватывали с внешней стороны пол платформы. При этом торцовые борта в середине сцепа и средние секции боковых бортов платформ должны быть в установленном порядке открыты и закреплены.

Рисунок 47

1 – турникетная опора; 2- стойка; 3 – хомут; 4 – упорный винт; 5 – стяжной болт; 6 – прокладка; 7 – ригель; 8 – стержневая растяжка; 9 – стяжная муфта; 10 – блок-противовес; 11 – проволочная растяжка; 12 – распорный брусок

Рисунок 48

1 – турникетная опора; 2- стойка; 3- хомут; 4 – упорный винт; 5 – стяжной болт; 6 – прокладка; 7- ригель; 8 – стержневая растяжка; 9 – стяжная муфта

На сцепах из двух платформ грузят один пакет ферм, которые устанавливают обязательно на подкладки (рис. 49 настоящей главы) высотой 60 - 80 мм, уложенные в соответствующие гнезда верхней рамы турникетной опоры.

Рисунок 49

1- средняя подкладка; 2- крайняя подкладка

Число ферм в пакете определяется шириной поясов: при ширине пояса 240 мм в пакет устанавливают семь ферм длиной 18 м и пять - длиной 24 м, при ширине пояса 280 мм - шесть ферм длиной 18 м и четыре - длиной 24 м (рис. 47, 48 настоящей главы).

При перевозке ферм длиной 24 м для равномерной загрузки платформ над их тележками, обращенными к середине сцепа, симметрично продольной оси платформы укладывают блоки-пригрузы 10 (рис. 47 настоящей главы).

4.3.4.1. Фермы грузят в следующем порядке. На средней подкладке (рис. 48 настоящей главы) выполняют разметку мест установки ферм в зависимости от их числа в пакете и ширины пояса. В соответствии с местоположением крайней фермы устанавливают верхний и нижний винты упоров 4 (рис. 47, 48 настоящей главы). Первую (крайнюю) ферму пакета после установки ее на подкладки, не снимая стропов, временно закрепляют к стойкам 2 обоих турникетных опор с помощью инвентарных цепных или проволочных стяжек. Каждую последующую устанавливаемую ферму также временно закрепляют к ранее установленной ферме или непосредственно к стойке. Между нижними поясами ферм над средними подкладками устанавливают вертикальные деревянные прокладки 6 сечением 30 x 60 x 120 мм, длиной 360 - 400 мм.

Для обеспечения устойчивости ферм их соединяют в пакет с помощью четырех (трех) хомутов 3 (рис. 47, 48 настоящей главы) и прокладок сечением 30 x 60 x 120 мм, длиной 400 - 450 мм, при этом верхний болт 1 хомута должен проходить через прокладки 2 (рис. 50, 51 настоящей главы), для чего в последних заранее сверлят соответствующие отверстия.

Рисунок 50

а- соединение ферм длиной 24 м в пакеты с поясами шириной 240 мм; б- то же с поясами шириной 280 мм; 1 - стяжной болт (шпилька); 2- прокладка; 3- накладка (уголок); 4- контргайка; 5- шплинт

Рисунок 51

а- соединение ферм длиной 18 м в пакеты с поясами шириной 240 мм; б- то же с поясами шириной 280 мм; 1- стяжной болт (шпилька); 2- прокладка; 3- накладка (уголок); 4- контргайка; 5- шплинт

После соединения пакета его закрепляют от опрокидывания и смещения в поперечном направлении путем прижатия нижних и верхних упорных винтов 4 стоек 2 и установки двух стяжных болтов 5 и прокладок 6 сверху пакета ферм (рис. 47, 48 настоящей главы). Стяжные болты 5 так же, как и верхние болты (шпильки) хомутов, должны проходить через прокладки (рис. 50, 51 настоящей главы). При этом болты (шпильки) должны закрепляться гайками и контргайками 4 со шплинтами 5 (рис. 50, 51 настоящей главы). В продольном направлении пакет ферм закрепляют к верхним рамам турникетных опор с помощью четырех ригелей 7 и четырех пар стержневых растяжек 8 (рис. 47, 51 настоящей главы). Длина растяжек регулируется стяжными муфтами 9.

Блоки-противовесы 10 выполняют в виде двух железобетонных блоков размером 400 x 450 x 3700 мм (общая масса 3,3 т). На каждую платформу сцепа устанавливают два блока вплотную к крайним секциям боковых бортов (рис. 47 настоящей главы) и закрепляют их двумя парами растяжек 11 в четыре нити проволоки диаметром 6 мм. Между блоками-противовесами устанавливают по месту деревянные распорные бруски 12 сечением 50 x 100 мм, которые прикрепляют к полу платформы пятью гвоздями длиной не менее 100 мм.

4.3.4.2. При использовании арендованных платформ и применении противовеса, в случае перевозки ферм длиной 24 м, возврат турникетных устройств производят без их демонтажа, на том же сцепе платформ (рис. 52 настоящей главы), при этом верхнюю раму турникетной опоры закрепляют к нижней раме или платформе с помощью двух пар растяжек 7 в четыре нити проволоки диаметром 6 мм, а ригели и стержневые растяжки 3 закрепляют деревянными брусками 6, прибитыми к полу платформ десятью гвоздями длиной 125 - 150 мм.

Рисунок 52

1- турникет; 2- стойка; 3- стержневая растяжка; 4- блок-противовес; 5- проволочная растяжка; 6- брусок; 7- проволочная растяжка; 8- распорный брусок

4.3.4.3. Надзор, техническое обслуживание и ремонт турникетных устройств выполняет грузоотправитель согласно нормативно-технической документации на турникетные устройства.

4.4. Турникет типа "Гипростроймост".

4.4.1. Характеристика турникета типа "Гипростроймост":

грузоподъемность, т - 80;

масса турникета (комплект), т - 6,5;

база, мм - 3000;

ширина, мм - 3110.

Рабочий проект N 15841 института "Гипростроймост" (г. Москва).

Каждая турникетная опора состоит из нижней 1, промежуточной 2 и верхней 3 рам (рис. 53 настоящей главы).

Рисунок 53 Турникетная опора типа Гипростроймост

1,2,3- нижняя, промежуточная и верхняя рамы турникетной опоры соответственно; 4,5-продольный и поперечный упоры; 6-дугообразная поверхность скольжения; 7- скользун; 8- поперечная ось; 9-подпятник; 10- шкворень; 11-пятник

Нижняя рама имеет продольные упоры 4, которые при установке турникетной опоры вставляют в стоечные скобы платформы, и поперечные упоры 5, которые охватывают платформу снаружи. На продольных балках рамы имеется по два выреза и дугообразные поверхности скольжения 6.

Промежуточная рама имеет четыре цапфы со скользунами 7, которые могут перемещаться по поверхности скольжения 6. В средней части промежуточной рамы на горизонтальной поперечной оси 8 установлен подпятник 9 со шкворнем 10. Эта ось позволяет сцепу вписываться в вертикальные переломы профиля.

Верхняя рама опирается на промежуточную раму посредством пятника 11. Верхняя рама турникетной опоры оснащена специальными устройствами института "Гипростроймост" для размещения и крепления груза: рабочие проекты N 6651 - для балок длиной 33 м и N 6648 - для балок длиной 24 м.

При проверке габаритности и определении степени негабаритности погрузки расчетная длина груза принимается больше фактической с каждой торцовой стороны на 500 мм, а расчетная высота - на 100 мм.

Перед установкой турникетных опор пол платформы очищают от снега, льда, мусора и грязи. В зимнее время очищенное место опирания турникета посыпают сухим песком.

С целью повышения коэффициента трения между подкладками турникетных опор и полом платформы в местах опирания уложить шлифовальную шкурку на тканевой основе со шлифзерном N 20 - 200, сложенную вдвое, причем таким образом, чтобы абразивные слои находились с внешних сторон. Допускается применение вместо шлифовальной шкурки куска транспортерной ленты толщиной 6 - 8 мм.

Все борта платформ сцепа открывают и закрепляют в соответствии с главой 1 настоящих ТУ.

Перед погрузкой грузоотправитель проверяет исправность турникетов и комплектов крепления, о чем делается отметка в журнале осмотра в соответствии с руководством по эксплуатации турникетов. В исходном состоянии захваты и зажимы находятся в раскрытом положении, резиновые плиты опорных площадок и боковых упоров очищают от следов смазки.

4.4.2. Железобетонные мостовые балки длиной 33 м и балки длиной 24 м (промежуточные Пр-24Г-9ук и крайние Кр-24Г-9ук), изготовленные по типовым проектам N 384/46 и 1318 "Унифицированные сборные и пролетные строения из предварительно напряженного железобетона для мостов и путепроводов на автомобильных и городских дорогах", разработанным ГПИ "Союздорпроект", перевозят на сцепах из трех и двух платформ соответственно (рис. 54, 55 настоящей главы) с использованием турникетов типа "Гипростроймост" Минтрансстроя.

Рисунок 55

4.4.2.1. Для перевозки указанных балок длиной 33 м турникетные опоры располагают так, чтобы продольные упоры вошли в средние стоечные скобы крайних платформ, а для балок длиной 24 м - в третьи от торца сцепа стоечные скобы. Поперечные упоры должны охватывать платформы снаружи.

Балку размещают и закрепляют на верхних рамах турникетных опор с помощью специальных устройств (рис. 56, 58, 59 настоящей главы), состоящих из вертикальных направляющих 14, установленных в средней части верхней рамы.

Рисунок 56

1,2,3- нижняя, промежуточная и верхняя рамы; 4,5- продольный и поперечный упоры; 6-направляющая скользуна; 7-скользун; 14- вертикальные направляющие; 15- клещевой захват; 16- поворотный зажим

В крайних сечениях верхней рамы на горизонтальных осях смонтированы клещевые захваты 15 (рис. 58 настоящей главы) и поворотные зажимы 16 (рис. 56 настоящей главы). Захваты и зажимы имеют опорные площадки 17 и боковые упоры 18, облицованные резиновыми плитками (рис. 58 настоящей главы). При установке турникетных опор захваты 15 должны находиться с внешней стороны сцепа. При погрузке мостовую балку опускают подошвой на опорные площадки 17 захватов 15 и зажимов 16. Под действием веса мостовой балки захваты и зажимы поворачиваются, обжимая балку с боков, и развивают силы трения, достаточные для держания балки.

Разгрузка осуществляется в обратном порядке.

4.4.2.2. Для перевозки указанных балок длиной 24 м железобетонные противовесы 12 массой 6,5 т (рис. 57 настоящей главы), имеющие боковые упоры 13 для продольного и поперечного крепления, устанавливают в торцах платформ в средней части сцепа, пропуская боковые упоры в первые от торца платформы стоечные скобы.

Рисунок 57

12- железобетонный противовес; 13- боковые упоры

Балки размещают и закрепляют на турникетных опорах с помощью специальных устройств (рис. 56 настоящей главы), состоящих из вертикальных направляющих 14, установленных в средней части верхней рамы. В крайних сечениях верхней рамы на продольных горизонтальных осях смонтированы клещевые захваты 15 и поворотные зажимы 16. Причем для одной мостовой балки эти устройства смонтированы на более низком уровне, а для другой балки они приподняты и располагаются на специальных тумбах 19 (рис. 58, 59 настоящей главы). Захваты и зажимы имеют опорные площадки 17 и боковые упоры 18, облицованные резиновыми плитами. При установке турникетов захваты 15 должны находиться с внешней стороны сцепа.

Рисунок 58

1- нижняя рама; 3- верхняя рама; 4,5- продольный и поперечный упоры; 14- вертикальные направляющие; 15- клещевые захваты; 17- опорные площадки; 18- боковые упоры

Рисунок 59

1,3- нижняя и верхняя рамы; 4,5- продольный и поперечный упоры; 14 – вертикальные направляющие; 15 – клещевые захваты; 19- тумба

При погрузке мостовую балку опускают подошвой на опорные площадки 17 захватов 15 и зажимов 16 (рис. 58 настоящей главы). Под действием веса мостовой балки захваты и зажимы поворачиваются, обжимая балку с боков, и развивают силы трения, достаточные для удержания балки.

На сцепе размещают промежуточные мостовые балки Пр-24Г-9ук. Допускается размещение одной промежуточной мостовой балки Пр-24Г-9ук и одной крайней балки Кр-24Г-9ук. При этом крайнюю балку Кр-24Г-9ук устанавливают таким образом, чтобы арматурные выпуски на верхней плите были направлены наружу.

4.4.2.3. При возврате порожних турникетных опор фиксаторы 20 верхней рамы закрепляют на промежуточной раме затворами 21 (рис. 60 настоящей главы). Рукоятки затворов закрепляют проволокой диаметром 3 - 4 мм, скрученной в один оборот.

Рисунок 60

1,2,3- нижняя, промежуточная и верхняя рамы; 20- фиксатор; 21- затвор

Турникетные опоры и противовесы, установленные на не принадлежащих перевозчику платформах, после выгрузки груза могут не демонтироваться и возвращаться без снятия на этих же платформах. Турникетные опоры и противовесы, установленные на платформах перевозчика, должны быть сняты, при необходимости их возврата они могут быть перевезены на одной платформе (рис. 61 настоящей главы).

Рисунок 61

12- железобетонные противовесы

Глава 11. РАЗМЕЩЕНИЕ И КРЕПЛЕНИЕ ГРУЗОВ В КРЫТЫХ ВАГОНАХ

1. Общие положения

В настоящей главе предусмотрены способы размещения и крепления грузов в крытых вагонах (далее - вагоны) (рис. 1, 2 настоящей главы).

1.1. В целях лучшего использования грузоподъемности и вместимости вагонов, обеспечения механизации погрузочно-разгрузочных работ и сокращения времени простоя вагонов необходима соответствующая подготовка грузов к перевозке (например, пакетирование грузов на плоских, в ящичных и стоечных поддонах, формирование укрупненных грузовых единиц с помощью стяжек, обвязок, в том числе с использованием полиэтиленовой термоусадочной пленки), использование подкладок и прокладок.

При этом габаритные размеры укрупненных грузовых единиц должны быть по возможности кратными размерам кузова вагона.

1.2. Погрузка грузов в вагоны должна производиться в стандартной таре и упаковке.

В случае использования тары и упаковки, стандарты на которые не установлены, а также при отгрузке сельскохозяйственных продуктов в нестандартной таре в транспортной железнодорожной накладной (далее - накладная) в графе "Наименование груза" грузоотправитель делает дополнительную запись: "Тара нестандартная. Сохранность груза обеспечивается".

1.3. Совместная погрузка в один вагон грузов, которые по своим свойствам могут повредить или испортить другие грузы, а также опасных грузов, жидкостей, сырья животного происхождения и других грузов, не разрешаемых Правилами перевозки грузов железнодорожным транспортом к совместной перевозке с другими грузами, не допускается.

1.4. Грузы в вагоне следует размещать равномерно по длине и ширине вагона. Продольное и поперечное смещение общего центра массы груза не должно превышать норм, установленных для железнодорожного подвижного состава главой 1 настоящих ТУ.

1.5. При совместном размещении в вагоне грузов разной массы в различной упаковке грузы большей массы и грузы в жесткой упаковке должны размещаться внизу, а грузы меньшей массы, грузы в мягкой, решетчатой, фанерной, картонной и другой облегченной упаковке - наверху.

Грузы массой более 500 кг, длина которых превышает ширину дверного проема вагона, могут перевозиться в вагонах при условии, что их погрузка в вагоны и выгрузка из вагонов (в том числе с уширенными дверными проемами) может быть выполнена механизированным способом.

1.6. При размещении штучных грузов массой 500 кг и более удельная расчетная нагрузка на пол вагона не должна превышать 1,35 Н/см2 (0,138 кг/см2).

Допускаемая нагрузка на скобу несъемного оборудования крытого вагона 30 кН (326 кг) (рис. 2 настоящей главы, узел I). При этом угол между растяжкой, закрепленной на скобе, и боковой стенкой вагона не должен превышать 30 град.

1.7. Колеса погрузчика (разгрузчика), используемого для выполнения погрузочно-разгрузочных работ в вагоне, должны иметь резиновые шины. Расстояние между передними колесами должно быть не менее 750 мм.

Для проезда погрузчика с грузом по деревянному настилу пола вагона под колеса погрузчика следует укладывать листы железа толщиной 4 - 5 мм, которые убирают по мере загрузки вагона.

1.8. В целях обеспечения сохранности груза и железнодорожного подвижного состава грузы в вагонах необходимо размещать, руководствуясь положениями ГОСТ 22235-76 "Вагоны грузовые магистральных железных дорог колеи 1520 мм".

1.9. Забивать в стены, дверные коробки крытого вагона и балки несъемного оборудования гвозди, воспринимающие нагрузку от элементов крепления груза в вагоне, не допускается.

Разрешается гвоздевое крепление к дверным коробкам досок ограждения дверного проема.

Для предотвращения повреждения груза выступающими элементами вагона (например, частей несъемного оборудования кузова крытого вагона, головками болтов, накладками) в процессе перевозки грузоотправитель должен принять меры по ограждению их посредством застилки пола крытого вагона бумагой в 2 - 4 слоя и стенок вагона мешковиной или бумагой, а также оборачивания мешковиной или бумагой или обивкой выступающих частей груза. Фиксирование обивки в требуемом положении осуществляют рейками толщиной 5 - 10 мм, закрепляемыми на стенках вагона гвоздями.

1.10. Торцовые стены вагона должны ограждаться деревянными щитами на высоту размещения груза при погрузке следующих грузов:

- металл в слитках и другие грузы, имеющие небольшой коэффициент трения, скольжения или выступы, наносящие повреждения стенкам вагона;

- фанера, листовой металл, шифер, гипсокартонные плиты, ДВП, ДСП и другие подобные грузы;

- сортовой металл и металлические трубы;

- бочки, барабаны, катушки и другие цилиндрические грузы.

Щит ограждения (рис. 3 настоящей главы) изготавливают из досок длиной, равной ширине вагона.

Промежутки между досками щита должны быть меньше высоты отдельных грузовых мест. Толщина досок должна быть не менее 40 мм. Щит собирают на четырех стойках. В каждое соединение забивают два-три гвоздя размером не менее 4 x 80 мм. Допускается взамен досок использовать горбыль или другие равнопрочные материалы.

Щит ограждения устанавливают на всю ширину вагона стойками к торцовой стенке вагона.

Допускается при погрузке фанеры, гипсокартонных плит, ДВП, ДСП и других листовых грузов вместо щитов ограждать торцовые стены вагона на высоту погрузки этими же грузами, установленными вертикально.

Допускается в качестве ограждения торцовых стен вагона использовать связки и пачки из различных грузов: листового и сортового металла, труб, метизов, лесоматериалов, цилиндрических и других грузов достаточной прочности, уложенных длинной стороной поперек вагона.

1.11. При перевозке тарных штучных грузов в вагонах с сопровождением или охраной и с отоплением вагона расстояние между грузом и печью должно быть не менее 70 см, а между верхом штабеля и потолком вагона - не менее 50 см (рис. 4 настоящей главы).

Рисунок 4 – Размещение тарных штучных грузов в вагоне с сопровождением проводниками

1 –увязка из проволоки; 2 – распорка; 3 – стойка; 4 – упорная доска; 5 – печь; 6 – печные трубы

1.12. При размещении грузов в междверном пространстве вагона должно обеспечиваться свободное открывание дверей вагона для выгрузки грузов с обеих сторон. Для вагонов с уширенными дверными проемами достаточно, чтобы свободно открывалась одна половина каждой двери.

При многоярусной погрузке двери крытого вагона должны ограждаться от возможного навала на них груза. Ограждение производят досками сечением не менее 40 x 150 мм. Доски устанавливают на уровне середины верхнего яруса груза или на нескольких уровнях в зависимости от устойчивости штабеля груза (рис. 5 настоящей главы). Концы досок прибивают к дверным коробкам двумя гвоздями размером не менее 5 x 120 мм.

Рисунок 5 – Установка досок ограждения дверного проема вагона:

а – для штабеля груза устойчивого от опрокидывания, б – для штабеля груза неустойчивого от опрокидывания, в – для штабеля груза, склонного к выпучиванию

1.13. При наличии свободной зоны в междверном пространстве вагона грузы должны закрепляться от сдвига и завала в эту зону. Крепление должно производиться по ярусам или по всей высоте погрузки одновременно щитами и распорными конструкциями из брусков или круглого леса (рис. 6 настоящей главы).

Рисунок 6 – Установка распорной конструкции в междверном пространстве вагона

1 – стойка, 2 – упорная доска, 3 - распорка

Размеры брусков и щитов, количество скоб и гвоздей для их фиксации и параметры обвязок определяют исходя из требований главы 1 настоящих ТУ.

1.14. Зазоры между единицами груза, а также между грузом и стенками вагона, которые могут привести к смещениям груза в процессе перевозки, должны заполняться малоценными материалами (например, горбыль, обрезки древесины, картона, пенопласта, покрышки).

1.15. Нагрузки на тару (например, ящик, короб, бочку) при штабелированном размещении грузов в вагоне определяют по следующим формулам:

- вертикальная нагрузка, кг:

P_в = K_в (n_в - 1) x Q_гм; (1)

- продольная горизонтальная нагрузка, кг:

P_пр = K_пр (n_пр - 1) x Q_гм; (2)

- поперечная горизонтальная нагрузка, кг:

P_п = K_п (n_п - 1) x Q_гм; (3)

где: n_в, n_пр, n_п - число грузовых мест, располагаемых в вагоне соответственно по высоте в одном вертикальном ряду; между торцовой частью вагона и междверным пространством в одном продольном ряду; по ширине вагона в одном поперечном ряду;

Q_гм - масса брутто одного грузового места, кг;

K_в, K_пр,K_п - постоянные коэффициенты, учитывающие соответственно вертикальные, продольные и поперечные динамические нагрузки. Их значения соответственно равны 1,5; 2 - 3 и 0,5.

1.16. В зависимости от свойств перевозимого груза в целях его сохранности и обеспечения охраны окружающей среды необходимо заделывать конструктивные зазоры внутри кузова вагона от просыпания и подмочки груза.

1.17. При размещении и креплении скоропортящихся грузов в ящичной таре, в бочках, сформированных в транспортные пакеты, следует дополнительно руководствоваться правилами перевозок железнодорожным транспортом скоропортящихся грузов.

1.18. При проверке новых способов размещения и крепления грузов в вагонах должны быть использованы положения Методики проведения экспериментальной проверки разработанных технических условий, приведенной в главе 1 настоящих ТУ.

1.19. В целях контроля за сохранностью перевозимого груза и обеспечения безопасности перевозки по требованию перевозчика погрузка грузов в вагон может производиться по эскизам, оформление и порядок использования которых установлены главой 1 настоящих ТУ.

2. Размещение тарных штучных грузов в вагонах

2.1. Тарные штучные грузы плотно размещаются как в продольном, так и в поперечном направлении, начиная от торцов к междверному пространству вагона, чтобы исключить сдвиг, падение, навалы на двери, потертости и повреждения отдельных грузовых мест при перевозке.

Для этого следует комбинировать укладку грузовых мест таким образом, чтобы максимально уменьшить зазоры между штабелем и боковыми стенками вагона, а также в междверном пространстве.

2.2. Упаковочные материалы (например, ткань, крафтбумага, лента, проволока и веревка для обтягивания кип, тюков и рулонов), используемые грузоотправителем, должны обеспечивать полную сохранность грузов при перевозке и погрузочно-разгрузочных операциях.

2.3. Насыпные грузы в вагонах перевозятся в транспортной таре.

2.4. Перевозка опасных грузов производится в соответствии с правилами перевозок железнодорожным транспортом опасных грузов.

2.5. Бутыли с жидкостями, предъявляемые к перевозке, должны быть затаренными в ящики, короба или барабаны. При этом под дно бутылей укладывают мягкий и гигроскопичный негорючий прокладочный материал.

Ящики с бутылями при погрузке в два яруса и более устанавливают в вагоне с обязательным устройством приспособлений для такой погрузки (прокладки, стеллажи) и закрепляют в каждой половине вагона распорными брусками или щитами из досок (горбыля). Если между рядами ящиков с бутылями и стенками вагона образуются зазоры, все ярусы грузов должны быть раскреплены с помощью досок и брусьев.

2.6. Грузы цилиндрической формы (например, металлические барабаны, бидоны, рулоны металлической ленты, бочки с острой кромкой окантовки днища) размещают в вертикальном положении в один-три яруса по высоте. При этом каждая единица груза нижнего яруса должна опираться на две деревянные подкладки сечением не менее 40 x 100 мм, уложенные вдоль вагона.

2.7. Бочки с жидкостями и сухими грузами устанавливают только пробками вверх. Пробки должны быть плотно загнаны в отверстия днища и (для устойчивого штабелирования) не выступать за опорную плоскость бочки.

В каждый ряд погрузки по ярусам должны быть установлены однотипные по размерам бочки.

При размещении бочек на днищах в несколько ярусов, наверху каждого яруса укладывают по две прокладки, на которые устойчиво устанавливают бочки последующего яруса. Сечение прокладок рассчитывает грузоотправитель, исходя из размеров бочек, их веса, условий механизации погрузочно-разгрузочных работ и древесины прокладок.

2.8. Бытовые холодильники и морозильники (далее - холодильники), имеющие габаритные размеры: длина - 660 мм, ширина - 660 мм, высота - от 1330 до 1920 мм, масса - от 40 до 100 кг, объем кузова - от 120 до 138 м3, размещают в вагонах равномерно по всей площади пола в четыре ряда по ширине и в два яруса по высоте (рис. 7 настоящей главы).

В нижнем ярусе холодильники размещают в вертикальном положении, начиная от торцовых стен до дверного проема вагона. Допускается размещение в одном ярусе холодильников различной высоты, при этом каждый продольный ряд должен состоять из грузовых единиц одинаковой высоты.

Во втором ярусе холодильники размещают горизонтально вдоль вагона в четыре ряда по ширине, укладывая их на левую сторону от лицевой стороны, указанной на упаковке. Допускается формировать второй ярус из грузовых единиц различной высоты. При этом длина верхнего яруса не должна превышать длины нижнего яруса.

Рисунок 7.

Размещение и крепление холодильников:

1 – упорный брусок, 2 – распорный брусок

В дверном проеме сначала устанавливают три продольных ряда холодильников вертикально, затем на них размещают холодильники высотой 1920 мм горизонтально. После этого устанавливают четвертый продольный ряд холодильников в вертикальном положении. Высота рядов, расположенных у дверей, должна быть не менее высоты нижнего яруса средних рядов, но не более высоты дверного проема.

В случаях размещения в рядах вертикально установленных у дверей холодильников высотой более 1800 мм вместо верхнего яруса устанавливают распорные рамы. Распорные рамы изготавливают из двух упорных и двух распорных брусков сечением не менее 50 x 50 мм, соединенных между собой гвоздями длиной не менее 100 мм (по два в каждое сопряжение) или 4 строительными скобами из прутка диаметром не менее 8 мм.

При образовании зазоров между холодильниками (из-за некратности их габаритных размеров и внутренних параметров кузова вагона) до 300 мм их заполняют прокладками из вспененного полистирола, более 300 мм - распорными рамами.

2.9. Солома перед погрузкой в вагон должна быть плотно спрессована в тюки размером: длина - 1000 мм, ширина - 500 мм, высота - 360 мм. Каждый тюк должен быть надежно обвязан проволокой по длине в двух местах.

В вагоне размещают 588 тюков прессованной соломы (рис. 8 настоящей главы). Тюки соломы укладывают вплотную друг к другу в пять рядов по ширине вагона и в восемь ярусов по высоте. В девятом ярусе размещают два тюка с опорой на боковую сторону, располагая их по длине.

По длине вагона размещают 14 рядов тюков прессованной соломы.

3. Размещение и крепление в вагонах тарных штучных грузов, сформированных в транспортные пакеты

3.1. Сформированные в транспортные пакеты тарные штучные грузы размещают в вагоне, как правило, длинной стороной по ширине вагона в два-три ряда и по высоте в один - три яруса. По длине вагона пакеты устанавливают вплотную к торцовым стенкам вагона и друг к другу.

Технологические зазоры, образующиеся при установке транспортных пакетов по ширине вагона (между транспортными пакетами, а также между пакетами и боковыми стенками вагона), должны быть примерно одинаковые и в сумме не превышать 200 мм.

При большей величине зазоров (не более 400 мм в сумме) рекомендуется размещать пакеты следующим образом: в первом ряду у торцовых стенок пакеты устанавливают вплотную к боковым стенкам вагона и с зазором по оси вагона, в следующем ряду пакеты сдвигать вплотную друг к другу по оси вагона. В последующих рядах расположение пакетов чередуется с установкой их вплотную к боковым стенкам вагона и по оси вагона (рис. 9 настоящей главы).

При невозможности обеспечения указанного способа размещения транспортных пакетов тарных штучных грузов их необходимо крепить от сдвига поперек вагона установкой между грузом и стенками распорных брусков сечением не менее 50 x 100 мм с фиксацией каждого бруска к полу вагона двумя гвоздями размером не менее 4 x 100 мм (рис. 10 настоящей главы) (не приводится). Закрепление одной грузовой единицы должно производиться двумя распорными брусками.

Отмеченным порядком должны быть закреплены пачки длинномерных грузов, уложенные вдоль вагона.

3.2. Зазоры, образующиеся в междверном пространстве между группами транспортных пакетов, должны быть заполнены крепежными устройствами, препятствующими сдвигу и опрокидыванию пакетов в продольном направлении.

3.3. При размещении пакетов в один ярус их крепление производят с помощью распорной рамы из брусков сечением не менее 100 x 100 мм, закрепляемых на полу вагона гвоздями размером не менее 5 x 150 мм.

Допускается применять распорную раму без крепления ее к полу вагона. Раму собирают с помощью строительных скоб из прутка диаметром не менее 8 мм или с помощью накладных досок толщиной не менее 30 мм и гвоздей - в каждое соединение забивают по два гвоздя размером не менее 4 x 80 мм. При этом конструкция рамы должна исключать ее поперечное смещение или рама должна быть закреплена от поперечных смещений упорными брусками.

3.4. При размещении в крытом вагоне транспортных пакетов в два и более ярусов их крепление в междверном пространстве выполняют распорками и распорными конструкциями по схемам, приведенным в таблице 1 настоящей главы (ГОСТ 22477-77 "Средства крепления транспортных пакетов в крытых вагонах").

Расчет прочности распорок и распорных рам ведут по нагрузкам, приведенным в таблице 1 настоящей главы.

Таблица 1

Нагрузки на распорные и упорные элементы транспортных пакетов в крытых вагонах

Брускость установки пакетовСхема установки распорок и упоровОбозначение распорки, упораРасчетная нагрузка на распорку (упор) при общем весе груза в вагоне, т
10203040506070
ОднояруснаяР14,86,78,610,512,414,316,2
ДвухъяруснаяР12,73,54,35,15,96,87,7
Р23,64,45,26,17,08,09,0
ДвухъяруснаяР13,34,45,46,47,48,59,6
Р23,03,54,14,65,56,37,1
У3,64,45,26,17,08,09,0
ТрехъяруснаяР12,32,73,13,54,04,55,0
Р23,13,53,94,14,75,25,7
Р33,13,64,14,65,25,86,4
ТрехъяруснаяР12,93,43,94,45,05,66,3
Р25,66,47,27,88,99,910,8
У3,13,64,14,65,25,86,4

3.5. Допускается крепление транспортных пакетов в междверном пространстве с помощью пневмооболочек, предназначенных для крепления грузов в транспортных средствах.

3.6. Для вагонов с уширенными дверными проемами, позволяющими обеспечивать с помощью погрузчиков установку пакетов сплошным штабелем по всей площади пола вагона, технологические зазоры шириной 100 - 150 мм, образующиеся в междверном пространстве между поперечными рядами пакетов, допускается не раскреплять.

3.7. Транспортные пакеты из ящиков с пищевой продукцией размещают в вагоне в два ряда по ширине вагона и в два яруса по его высоте (рис. 11 настоящей главы).

Рисунок 11.

Размещение и крепление ящиков с пищевой продукцией в транспортных пакетах с обычным (а) и уширенным (б) дверным проемом:

1 – отдельные ящики, 2 – доска ограждения

Погрузку транспортных пакетов производят вплотную к торцовым стенкам и друг к другу длинной стороной поперек вагона.

По сторонам от дверного проема пакеты размещают двумя штабелями. Свободное пространство между одиночным транспортным пакетом и боковыми стенками вагона закладывают ящиками из расформированных двух транспортных пакетов.

В междверном пространстве транспортные пакеты устанавливают поочередно длинной стороной вдоль и поперек вагона.

На уровне середины транспортных пакетов второго яруса устанавливают доски ограждения дверных проемов.

3.8. Ящичные поддоны с плодоовощной продукцией размещают в вагоне в два ряда по ширине вагона и в два-три яруса по его высоте (рис. 12 настоящей главы).

Рисунок 12.

Размещение и крепление ящичных поддонов с плодоовощной продукцией:

1 – стойка, 2 – упорная доска, 3 – распорка, 4 – проволочная увязка

По сторонам от дверного проема поддоны размещают двумя штабелями. В междверном пространстве поддоны устанавливают вплотную к штабелю длинной стороной вдоль вагона в два-три ряда и не более чем в два яруса по высоте.

Поддоны верхнего яруса крайних рядов увязывают между собой проволокой диаметром 5 - 6 мм в два оборота со скруткой концов не менее чем в три оборота.

В междверном пространстве поддоны крепят распорной конструкцией. Конструкция состоит из упорных и распорных брусков, соединенных строительными скобами или гвоздями.

3.9. Огнеупорные изделия в транспортных пакетах на деревянных поддонах, без поддонов и в ящиках размещают в вагоне двумя группами в один-два яруса (рис. 13 настоящей главы).

В междверном пространстве вагона размещают более устойчивые транспортные пакеты так, чтобы они упирались в окружающие транспортные пакеты и друг в друга.

В вагонах на полу у торцовой стенки устанавливают на ребре одну доску сечением не менее 50 x 130 мм и длиной 2700 мм и фиксируют ее тремя гвоздями. Упорная доска может быть составной. При установке в торцы вагона транспортных пакетов без поддонов или изделий в ящиках торцовую стенку вагона не ограждают.

При размещении транспортных пакетов в междверном пространстве вагона в два яруса дверные проемы ограждают доской сечением не менее 40 x 130 мм или горбылем равноценного сечения, которые прибивают к дверной коробке выше центра тяжести транспортных пакетов второго яруса тремя гвоздями размером 4 x 80 мм с каждого конца.

При суммарном зазоре между транспортными пакетами и боковыми стенками вагона (балками несъемного оборудования) более 300 мм ряды транспортных пакетов располагают попеременно: в одном ряду транспортные пакеты сдвигают к продольной оси вагона, а в следующем - к боковым стенкам.

Рисунок 13.

Размещение и крепление транспортных пакетов огнеупорных изделий с обычным дверным проемом:

1 – ножка поддона, 2 – доска 50 х 150 х 2700 мм,

3 –доска 50 х (В) х 850 мм, 4 – доска 50 х 150 х 1200 мм,

5 - доска 50 х 130 х 2400 мм, 6 – доска ограждения,

7 – доска (t) х 130 х 200 мм

Транспортные пакеты в третьем и шестом поперечных рядах от торцов вагона устанавливают на подкладки из досок сечением 50 x 130 мм и длиной, равной ширине пакета. Подкладки размещают вдоль продольной оси вагона так, чтобы на них размещались крайние ножки поддонов.

Между транспортными пакетами пятого и шестого поперечных рядов, считая от торцов вагона, устанавливают упорную раму из досок сечением 50 x 130 мм и 25 x 130 мм. Раму сколачивают гвоздями размером 4 x 120 мм, в каждое соединение забивают по два гвоздя. Концы гвоздей загибают.

В междверном пространстве транспортные пакеты или ящики ограждают досками сечением не менее 40 x 130 мм. Доски прибивают к дверной коробке тремя гвоздями размером 4 x 80 мм.

В вагоне с уширенным дверным проемом размещают до 66 пакетов в два яруса и в два ряда по ширине вагона (рис. 14 настоящей главы). В междверном пространстве транспортные пакеты устанавливают в три ряда по ширине вагона и в два яруса.

Рисунок 14 – Размещение и крепление транспортных пакетов огнеупорных изделий с уширенным дверным проемом

1 – ножка поддона, 2 – доска 50 х (В) х 850 мм, 3 – доска ограждения

В междверном пространстве транспортные пакеты на поддонах второго яруса ограждают досками сечением не менее 40 x 130 мм. Доски прибивают к дверной коробке тремя гвоздями диаметром 4 мм и длиной 150 мм.

Допускается размещение транспортных пакетов в междверном пространстве в один ярус. При этом транспортные пакеты должны располагаться симметрично продольной и поперечной осям вагона.

3.10. Транспортные пакеты керамической плитки, упакованные в картонные коробки, в вагоны грузят в два яруса (рис. 15 настоящей главы). Транспортные пакеты формируются на деревянных поддонах размером 1200 x 800 мм с помощью упаковочной полиэтиленовой ленты.

Рисунок 15 – Размещение и крепление траснпортных пакетов с керамической плиткой:

1 – подкладка-упор, 2 – доска ограждения, 3 – нижняя распорная рама, 4 – накладка-распорка

Под ножки транспортных пакетов в третьем и шестом поперечных рядах от торцов вагона устанавливают подставки-упоры из досок размером 50 x (160 - 180) x 850 мм (на 50 мм больше ширины пакета). В них должны упираться ножки поддонов соседних пакетов. Каждую подставку-упор прибивают к полу шестью гвоздями диаметром 4 мм и длиной 150 мм.

В вагоне с обычным дверным проемом в междверном пространстве устанавливают в два яруса десять транспортных пакетов. Последний промежуток на два транспортных пакета раскрепляют понизу распорной рамой, а поверху - одной-двумя накладками-распорками.

В вагоне с уширенным дверным проемом в междверном пространстве транспортные пакеты устанавливают в три ряда по ширине вагона и в два яруса. Зазоры по длине и ширине вагона не раскрепляют.

По окончании погрузки дверной проем ограждают одной доской на уровне транспортных пакетов второго яруса. Для уширенного дверного проема доски ограждения могут быть составными.

3.11. Транспортные пакеты, сформированные из расфасованного в тканевые мешки груза посредством многооборотных стропов типа МСК-1,1, размещают в вагонах в два яруса (рис. 16 настоящей главы).

Рисунок 16 - Размещение транспортных пакетов, сформированных из мешков (номерами показан порядок загрузки транспортных пакетов. В кружках - с раскладкой отдельными мешками)

Загрузка междверного пространства вагона частично производится отдельными мешками, количество которых должно быть кратным количеству мешков в транспортном пакете. При этом вместе с грузом в вагоне отправляется соответствующее количество комплектов стропов.

В вагоне размещают 61 пакет, из которых четыре - в междверном пространстве в виде отдельных мешков. Общее количество мешков из расформированных транспортных пакетов составляет 84 штуки.

В вагоне размещают 1281 мешок, из которых 1197 находятся в 57 транспортных пакетах из 21-го мешка каждый. Пакеты размещают от торцовых стен к середине вагона. В междверном пространстве размещают 84 мешка из четырех расформированных пакетов.

Вместе с грузом в вагоне отправляется соответствующее количество комплектов стропов.

Порядок загрузки транспортных пакетов и мешков из расформированных транспортных пакетов показан на рисунке 16 настоящей главы.

4. Размещение и крепление в вагоне рулонов бумаги

4.1. Рулоны бумаги диаметром 800 +/- 50 и 850 +/- 50 мм, шириной от 420 до 1680 мм размещают в вагонах с установкой на торец с минимальными зазорами по длине и ширине вагона.

В одном вагоне разрешается размещать не более трех типоразмеров рулонов бумаги.

4.2. Для предотвращения повреждения рулонов бумаги в процессе перевозки при взаимодействии с выступающими элементами несъемного оборудования кузова вагона, головками болтов, накладок и т.п. грузоотправитель должен принять меры, указанные в пункте 1.9 настоящей главы.

4.3. В междверном пространстве рулоны бумаги должны быть размещены так, чтобы обеспечивалась возможность их разгрузки с обеих сторон вагона.

При размещении рулонов бумаги в междверном пространстве в три и более ярусов дверные проемы с обеих сторон вагона должны быть ограждены двумя досками сечением не менее 40 x 200 мм, обернутыми упаковочным материалом в два-три слоя. Доски устанавливают на уровне первого-второго и третьего-четвертого ярусов. Концы досок закрепляют на косяках дверных проемов двумя-тремя гвоздями размером не менее 5 x 100 мм. При этом головки гвоздей не должны выступать наружу.

4.4. Рулоны бумаги диаметром 800 +/- 50 мм, шириной 1600 мм в вагоне размещают в два яруса (рис. 17 настоящей главы) общим количеством 61 - 62 рулона. Рулоны в первом ярусе устанавливают на торец в три продольных ряда линейным порядком вплотную друг к другу от торцовых стен вагона с отступом от боковых стен вагона на 30 - 50 мм. До междверного пространства с каждой стороны вагона размещают семь рядов рулонов. В междверном пространстве размещают шесть-семь рулонов. Всего в первом ярусе размещают 48 - 49 рулонов.

Рисунок 17 - Размещение и крепление рулонов бумаги диаметром 800 мм, шириной 1600 мм:

1 – распорная рама, 2 - клин

Рулоны во втором ярусе размещают внакат вплотную друг к другу, в один ряд симметрично продольной оси вагона. Рулоны, размещенные у торцовой стены вагона, подклинивают двумя клиньями размером 120 x 200 мм, длиной не менее 250 мм. До междверного пространства с той и с другой стороны вагона размещают по шесть рулонов. Один рулон располагают по оси вагона вплотную к одной из групп рулонов.

Рулоны второго яруса от продольных смещений закрепляют распорной деревянной рамой (рис. 18 настоящей главы). Раму изготавливают из деревянных брусков сечением 90 x 90 мм и досок сечением 54 x 100 мм. Детали рамы соединяют гвоздями диаметром 4 - 5 мм и длиной не менее 150 мм (рис. 19 настоящей главы). В каждое соединение должно быть забито не менее двух гвоздей.

Рисунок 18 - Установка распорной рамы

Распорную раму в вагоне устанавливают по месту без зазоров. При этом рулон бумаги, расположенный по оси вагона, должен упираться по бокам в продольные нижние бруски 5.

Рисунок 19 - Конструкция распорной рамы:

1 – опора, 2 – треугольный пропил,.. 3 – гвоздь, 4 – верхний брусок,

5 – нижний брусок, 6 – поперечный брусок

К торцу рулона укладывают поперечный упорный брусок 6, который прибивают с обоих концов к продольным брускам. Наклонные упоры подкрепляют доской, которую устанавливают вплотную к упорам и прибивают к продольным брускам.

4.5. Рулоны бумаги диаметром 800 +/- 50 мм, шириной менее 400 - 1400 мм в вагоне размещают в два - пять ярусов (рис. 20 - 22 настоящей главы).

Рисунок 20 – Размещение и крепление рулонов бумаги диаметром 800 мм, шириной 940-1400 мм

Рулоны бумаги устанавливают на торец в три продольных ряда вплотную друг к другу с отступом от торцовых и боковых стен вагона на 30 - 50 мм.

В междверном пространстве рулоны размещают по оси или на всю ширину вагона. При размещении рулонов на всю ширину вагона дверные проемы ограждают досками, которые устанавливают на уровне первого и второго-третьего ярусов.

4.6. Рулоны бумаги диаметром 850 +/- 50 мм, шириной 1680 мм в вагоне размещают в два яруса (рис. 23 настоящей главы) общим количеством 58 рулонов.

Рисунок 23 – Размещение и крепление рулонов бумаги диаметром 850 мм, шириной 1680 мм:

1 – распорная рама, 2 - клин

Рулоны первого яруса устанавливают на торец в три продольных ряда в шахматном порядке вплотную друг к другу с отступом от торцовых и боковых стен вагона на 30 - 50 мм.

Рулоны во втором ярусе размещают внакат вплотную друг к другу в один ряд симметрично продольной оси вагона. Рулоны, размещенные у торцовой стены вагона, подклинивают двумя клиньями размером 120 x 200 мм, длиной не менее 250 мм. Один рулон располагают по оси вагона вплотную к одной из групп рулонов.

Рулоны второго яруса от продольных смещений закрепляют распорной деревянной рамой. Раму изготавливают из деревянных брусков сечением не менее 90 x 90 мм и досок сечением 54 x 100 мм. Детали рамы соединяют гвоздями диаметром 4 - 5 мм и длиной не менее 150 мм.

4.7. Рулоны бумаги диаметром 850 +/- 50 мм, шириной 1680 мм с добавлением рулонов шириной 1260 мм в вагоне размещают в два яруса комбинированным способом (рис. 24 настоящей главы) общим количеством: 48 рулонов шириной 1680 мм и 12 рулонов шириной 1260 мм.

Рисунок 24 - Размещение и крепление рулонов бумаги диаметром 850 мм, шириной 1680 мм и 1260 мм

В первом ярусе от торцовых стен вагона устанавливают на торец рулоны шириной 1680 мм, располагая их в три продольных ряда в шахматном порядке вплотную друг к другу с отступом от боковых стен вагона на 30 - 50 мм. Во втором ярусе, начиная от торцовых стен вагона, размещают внакат по оси вагона пять рулонов шириной 1680 мм с каждой стороны вагона. Вплотную к ним и к рулонам первого яруса с каждой стороны вагона устанавливают на торец в два яруса шесть рулонов шириной 1260 мм.

4.8. Рулоны бумаги диаметром 850 +/- 50 мм, шириной 420 - 1260 мм в вагоне размещают в два - шесть ярусов (рис. 25 - 28 настоящей главы).

Рисунок 25 -Размещение и крепление рулонов бумаги диаметром 850 мм, шириной 1260 мм

Рисунок 26 – Размещение и крепление рулонов бумаги диаметром 850 мм, шириной 840 мм:

1 – доска ограждения

Рисунок 27 - Размещение и крепление рулонов бумаги диаметром 850 мм, шириной 594 мм: 1 – доска ограждения

Рулоны бумаги устанавливают на торец в три продольных ряда вплотную друг к другу с отступом от торцовых и боковых стен вагона на 30 - 50 мм.

В междверном пространстве рулоны размещают по оси или на всю ширину вагона. При размещении рулонов на всю ширину вагона дверные проемы ограждают досками, которые устанавливают на уровне первого и второго-третьего ярусов.

Рисунок 28 - Размещение и крепление рулонов бумаги диаметром 850 мм, шириной 420 мм:

1 – доска ограждения

Глава 12. РАЗМЕЩЕНИЕ И КРЕПЛЕНИЕ ГРУЗОВ В УНИВЕРСАЛЬНЫХ КОНТЕЙНЕРАХ

1. Общие положения

В настоящей главе определяются условия и требования к размещению и креплению грузов в универсальных крупнотоннажных контейнерах типоразмеров 1Д номинальной массой брутто 10 т, 1СС и 1С номинальной массой брутто 20 и 24 т, 1АА и 1А номинальной массой брутто 30,5 т, а также в среднетоннажных контейнерах массой брутто 3,0 и 5,0 т.

1.1. Грузы должны предъявляться к перевозке отдельными единицами или в транспортных пакетах, сформированных на поддонах, размером 800 x 1200 или 1000 x 1200 мм и высотой при двухъярусном размещении в контейнерах 1А, 1С и 1Д не более 1060 мм и в контейнерах 1АА и 1СС - не более 1140 мм.

Транспортные пакеты должны быть прочно скреплены обвязками, термоусадочной пленкой или другими средствами, исключающими смещение единиц груза внутри пакета при перевозке, в том числе и относительно поддонов.

1.2. Размещение грузов в контейнерах необходимо производить таким образом, чтобы удельная нагрузка, приходящаяся на 1 см2 площади пола, не превышала 0,5 кгс для среднетоннажных и 1 кгс для крупнотоннажных контейнеров.

В целях снижения удельной нагрузки на пол контейнера необходимо применять подкладки.

1.3. Нагрузка на пол контейнера от колеса погрузчика с грузом не должна превышать 2785 кгс. При этом ширина колеса должна быть не менее 180 мм, расстояние между осями двух колес одного моста (если мост содержит только два колеса) не менее 760 мм и площадь контакта шины каждого колеса с полом контейнера не менее 140 см2.

Не допускается перемещение по полу контейнера любых грузов волоком или кантованием.

1.4. Размещение в контейнеры грузов, подлежащих перевозке в прямом смешанном сообщении, должно производиться с учетом правил, действующих на соответствующих видах транспорта.

2. Требования к размещению и креплению грузов в крупнотоннажных контейнерах

2.1. Груз в контейнере должен размещаться симметрично его продольной и поперечной плоскостей симметрии.

Высота общего центра тяжести груза в контейнерах типоразмеров 1А, 1С и 1Д должна быть не более 1100 мм, в контейнерах типоразмеров 1АА и 1СС - не более 1180 мм.

2.2. Масса груза должна распределяться равномерно по всей площади пола контейнера.

Смещение общего центра тяжести груза в продольном направлении в контейнерах типоразмеров 1А и 1АА должно быть не более 1200 мм, в контейнерах типоразмеров 1С и 1СС - не более 600 мм, в контейнерах типоразмера 1Д - не более 300 мм.

Смещение общего центра тяжести груза в поперечном направлении в контейнерах указанных типоразмеров должно быть не более 100 мм.

При необходимости загрузки контейнеров неоднородными грузами более тяжелые из них размещают в средней части контейнера или равномерно по всей площади пола, более легкие - в торцовых частях контейнера или поверх тяжелых грузов, если это возможно по условиям сохранности грузов и вместимости контейнера.

2.3. Во избежание повреждения внутренней обшивки контейнера или других размещенных в контейнере грузов выступающими у груза, особенно металлическими, частями, а также острыми кромками или углами необходимы соответствующая упаковка груза либо применение прокладок между грузами и стенками контейнера.

Не допускается крепление гвоздями к полу и любым другим частям конструкции контейнеров прокладочных материалов, подкладок и других элементов крепления груза.

2.4. В случаях, когда суммарная величина зазоров по длине или (и) по ширине между отдельными единицами груза и стенками контейнера, а также между единицами груза превышает 200 мм, груз должен быть закреплен соответственно от продольных или (и) поперечных перемещений.

2.5. При размещении в контейнере металла в слитках, проката сортового металла и металлических труб, листового металла; шифера, гипсокартонных плит; плит ДВП, ДСП, фанеры; цилиндрических грузов (например, барабанов, катушек) с расположением на их образующую; грузов, погруженных насыпью и навалом; а также грузов, имеющих выступающие части, могущие повредить стены и двери, торцовая стена и двери контейнера должны быть ограждены щитом на высоту погрузки в случаях, когда суммарная величина зазоров по длине или (и) по ширине контейнера между отдельными единицами груза и между ними и стенками контейнера превышает 200 мм. Щит должен состоять из двух стоек, устанавливаемых по углам контейнера, и горизонтальных досок, располагаемых вплотную друг к другу или с промежутками величиной не более ширины доски. Толщина стоек и горизонтальных досок щита должна быть не менее 40 мм. Доски к стойкам прибивают гвоздями длиной не менее 80 мм, количеством не менее двух штук в каждое соединение. Щит устанавливают перпендикулярно продольной плоскости симметрии контейнера таким образом, чтобы горизонтальные доски щита входили в выемки гофров обеих боковых стен контейнера.

2.6. Крепление груза, исключающее возможность его перемещений внутри контейнера, осуществляется заградительными щитами, которые могут выполняться в двух вариантах: с передачей продольных усилий от груза на угловые стойки дверного проема; с передачей продольных усилий на боковые стенки контейнера.

В обоих вариантах основой щита служат три поперечные доски 1 сечением 50 x 150 мм, расположенные широкой стороной в горизонтальной плоскости приблизительно на одинаковых расстояниях по высоте друг от друга. Нижняя из них укладывается на пол контейнера, вторая располагается посередине высоты штабеля и третья - на уровне середины высоты верхнего яруса груза. Длина этих досок должна быть: в первом варианте исполнения щита - от 2310 до 2320 мм включительно, во втором - от 2410 до 2420 мм включительно.

В первом варианте изготовления щита (рис. 1 настоящей главы) поперечные доски соединяют с вертикальными, расположенными со стороны груза.

Вертикальные доски 4 должны иметь толщину от 25 до 30 мм включительно, ширину от 120 до 150 мм включительно и длину, равную высоте штабеля. Вертикальные доски щита скрепляют с поперечными гвоздями длиной от 60 до 70 мм включительно, забиваемыми по две штуки в каждое сопряжение таких досок. Щит следует устанавливать вертикальными досками вплотную к грузу. Между поперечными досками щита и угловыми стойками контейнера вплотную к ним помещаются с обеих продольных сторон контейнера по три распорных бруска сечением 50 x 100 мм, которые удерживаются четырьмя вертикальными планками сечением не менее 30 x 70 мм, закрепляемыми по концам брусков гвоздями длиной 70 мм, по две штуки в каждом сопряжении. Кроме этого, две планки, расположенные со стороны щита, закрепляют к поперечным доскам в каждом месте прилегания к ним одним гвоздем.

Рисунок 1 (Вид сверху контейнера).

1- поперечные доски; 2- распорный брус; 3- вертикальные соединительные планки; 4-вертикальные доски

При изготовлении щита по второму варианту (рис. 2 настоящей главы) концы поперечных досок должны быть опилены в соответствии с формой и размерами впадин гофров боковых стенок контейнера.

Все поперечные доски скрепляют с четырьмя вертикальными толщиной от 25 до 30 мм включительно, шириной от 120 до 150 мм включительно и длиной по высоте штабеля, расположенными шириной в вертикальной плоскости по ширине контейнера, гвоздями длиной 60 мм, забиваемыми по две штуки в каждом сопряжении указанных досок.

Рисунок 2

1- поперечные доски, расположенные в горизонтальной плоскости; 2-поперечные доски, расположенные в вертикальной плоскости; 3- вертикальная доска; 4- гвозди длиной 80-90 мм; 5- гвозди длиной 50-60 мм

3. Размещение и крепление тарных штучных грузов в крупнотоннажных контейнерах

3.1. Тарные штучные грузы, сформированные в штабеля, располагают вплотную к торцовой стене контейнера с установкой в соответствии с требованиями пункта 2.6 настоящей главы заградительного щита. Со стороны двери грузовые места следует располагать длиной вдоль контейнера, за исключением особо указанных случаев.

Допускается при погрузке фанеры, гипсокартонных плит, ДВП, ДСП и других листовых грузов вместо щитов ограждать торцовую стенку этими же грузами, установленными вертикально.

Допускается в качестве ограждения использовать связки и пачки из труб, сортового металла, метизов, лесоматериалов, цилиндрических и других грузов достаточной прочности, уложенных длинной стороной поперек контейнера.

3.2. Крепление грузов в контейнерах необходимо производить с применением деревянных упорных и распорных брусков, соединительных планок и накладок растяжками из проволоки диаметром не менее 6 мм в две и более нитей за имеющиеся в контейнерах проушины, скобы и кольца. Растяжки должны располагаться под углом к полу и к боковым стенкам не более 40 град. (рис. 3 настоящей главы).

Рисунок 3

Расположенные на полу в стыке с основаниями стен контейнера устройства для крепления грузов допускают нагрузку в любом направлении усилием до 2000 кгс включительно, а устройства, расположенные на боковых стенках, - до 500 кгс включительно.

3.3. Грузы, размещаемые в несколько ярусов двумя штабелями вдоль контейнера с расстоянием между ними более 200 мм, необходимо крепить по ширине контейнера распорными рамками из досок сечением не менее 25 x 100 мм (рис. 4 настоящей главы). Каждая рамка должна состоять из двух вертикальных досок, равных по длине высоте штабеля, и двух помещаемых между ними вплотную распорок. Смежно расположенные рамки соединяются между собой попарно четырьмя продольными планками сечением не менее 22 x 50 мм, которые по концам прибивают двумя гвоздями длиной 50 мм к вертикально установленным доскам вверху и внизу. Количество рамок и установка их должны исключать возможность поперечных перемещений штабелей.

Рисунок 4

1 - вертикальная доска; 2- распорка; 3- соединительная планка; 4-гвозди; 5 – распорная рамка

4. Размещение и крепление в крупнотоннажных контейнерах грузов массой до 1,5 т включительно в упаковке

Грузы размещают вплотную друг к другу и к торцовой стенке контейнера. Металлические, в том числе ровные, без выступов поверхности груза должны быть отделены прокладками от внутренних поверхностей контейнера.

Грузы, располагаемые в контейнере симметрично относительно продольной плоскости симметрии контейнера в один ряд по ширине и в один ярус по высоте, необходимо крепить от поперечных перемещений упорными брусками 1 сечением не менее 30 x 100 мм, укладываемыми по две штуки с обеих сторон каждого грузового места вплотную к нему и к боковым стенкам контейнера (рис. 5 настоящей главы) .

Концы упорных брусков должны входить во впадины гофров и соприкасаться с обшивкой контейнера всей площадью торцов. С этой целью бруски надлежит опиливать в соответствии с размерами и формой гофров. Со стороны груза упорные бруски необходимо скреплять попарно сверху соединительной планкой 2 сечением не менее 22 x 100 мм, закрепляемой к каждому бруску двумя гвоздями 3 длиной 40 мм.

5. Размещение в крупнотоннажных контейнерах грузов длиной до 6000 мм без упаковки

5.1. Грузы длиной до 2250 мм включительно (например, металлические прутки, трубы без раструбов, пачки металла) размещают поперек контейнера (рис. 6 настоящей главы).

5.2. Грузы длиной от 2250 до 6000 мм включительно размещают вдоль контейнера (рис. 7 настоящей главы) (не приводится).

При механизированной погрузке неупакованных грузов предварительно необходимо на пол контейнера уложить деревянные подкладки 1 толщиной не менее 40 мм и шириной 150 мм.

Для грузов, размещаемых длинной стороной поперек контейнера, длина подкладок принимается равной длине контейнера. При этом под грузы длиной до 1100 мм необходимо укладывать две подкладки, длиной свыше 1100 мм до 2250 мм - три подкладки. Допускается применение подкладок, составленных из двух частей по толщине, соединенных двумя гвоздями длиной 50 мм. Выступающие наружу концы гвоздей должны быть загнуты.

Грузы должны быть отделены от боковых стенок контейнера вертикальными прокладками 3 (рис. 6 настоящей главы) из плотного картона, фанеры, обрезков досок и др.

При размещении груза вдоль контейнера длина подкладок принимается равной ширине контейнера. Под грузы длиной свыше 2250 мм до 3000 мм включительно необходимо укладывать три подкладки; длиной свыше 3000 мм до 4000 мм включительно - четыре подкладки; длиной свыше 4000 мм до 5000 мм включительно - пять подкладок; длиной свыше 5000 мм до 6000 мм включительно - шесть подкладок.

Торцовая стенка и дверь контейнера должны быть ограждены щитами 3 (рис. 7 настоящей главы) из досок толщиной 30 мм и более. Щиты следует изготовлять сплошными или с зазорами между досками. При этом величина зазоров должна быть не более 50% наименьшего размера перевозимых изделий.

6. Размещение в крупнотоннажных контейнерах грузов цилиндрической формы

Грузы цилиндрической формы (например, металлические барабаны, бидоны, рулоны металлической ленты) размещают в вертикальном положении в 1 - 3 яруса по высоте (рис. 8 настоящей главы).

Каждую единицу груза нижнего яруса располагают на двух деревянных подкладках 2 сечением не менее 40 x 100 мм, уложенных вдоль контейнера. Подкладки могут быть сплошными по всей длине контейнера или состоять из нескольких частей.

Рисунок 8

1- щит; 2- подкладка; 3- вертикальная прокладка; 4- прокладка между грузами нижнего и верхнего яруса

Торцовую стенку контейнера ограждают по высоте погрузки щитом 1 в соответствии с пунктом 2.6 настоящей главы.

6.1. Рулоны широкой металлической ленты и других грузов цилиндрической формы в металлической упаковке массой одного места до 1 т включительно грузят в один ярус по высоте с установкой каждого места на две продольные подкладки 1 указанных выше размеров (рис. 9 настоящей главы).

Вплотную к торцовой стенке сверху на концы подкладок помещают упорный брусок 2 толщиной 50 мм, шириной не менее 150 мм и длиной по ширине контейнера. Допускается использование брусков, составленных из двух частей по толщине, скрепленных между собой четырьмя гвоздями длиной от 60 до 70 мм включительно. Прошедшие насквозь концы гвоздей должны быть загнуты.

Со стороны двери укладывают таких же размеров упорный брусок 2, через который продольные усилия от груза передаются на угловые стойки контейнера. Вплотную к бруску и к крайним рулонам помещают распорные бруски 3 толщиной от 50 до 100 мм включительно и шириной не менее 150 мм. Длина последних определяется по месту. Под распорные бруски укладывают подкладки 4 такой же толщины, что и подкладки под грузом. Каждый распорный брусок прибивают к подкладке двумя гвоздями длиной от 100 до 150 мм включительно. Упорные бруски закрепляют по концам к подкладкам такими же гвоздями.

Груз во всех случаях должен быть отделен от продольных стенок контейнера прокладками из плотного картона, древесно-слоистого пластика (твердого оргалита), фанеры или досок.

6.2. Бочки с жидкостями и сухими грузами размещают в контейнерах на торец. Бочки с жидкостями устанавливают обязательно пробками вверх. Пробки должны быть плотно загнаны в отверстия и не выступать над поверхностью днища. Способ размещения бочек в контейнерах устанавливается в зависимости от их размеров и количества.

При погрузке в несколько ярусов по высоте в каждом ярусе должны быть установлены однотипные по размерам бочки. Между ярусами устанавливают деревянные прокладки таким образом, чтобы каждая бочка второго и последующих ярусов была установлена с опорой на две прокладки. Размеры прокладок устанавливает грузоотправитель исходя из размеров бочек и их массы.

7. Размещение и крепление легковых автомобилей в крупнотоннажных контейнерах

7.1. Легковые автомобили (в том числе повышенной проходимости) полной массой не более 3,5 т размещают: в контейнерах типоразмеров 1C и 1CC - один автомобиль; в контейнерах типоразмеров 1A и 1AA - один-два автомобиля.

Перед погрузкой автомобили должны быть вымыты и вытерты насухо. Протекторы шин и диски колес автомобилей должны быть очищены от грязи. Давление в шинах должно быть отрегулировано таким образом, чтобы площадь контакта шин с полом составляла от 130 до 150 мм2 включительно.

Бензин из бака автомобилей должен быть слит, аккумуляторная батарея отсоединена. Течи масла, тормозной и охлаждающей жидкостей из систем автомобилей не допускаются. В зонах расположения двигателя и мостов на пол контейнера должно быть уложено и закреплено от перемещения защитное покрытие (например, полимерная пленка). Установка автомобилей колесами на покрытие не допускается.

После размещения автомобиля в контейнере он должен быть заторможен ручным тормозом. Рукоятка выбора передач должна быть зафиксирована в положении включения первой передачи (для механической коробки передач) либо в положении "парковка" (для автоматической коробки передач).

7.2. В контейнерах типоразмеров 1Cи 1CC автомобиль закрепляют (рис. 10 настоящей главы) двумя парами растяжек 6 из проволоки диаметром 6 мм в две нити, а также двумя продольными 3, четырьмя поперечными 4 и четырьмя упорными 5 брусками сечением не менее 100 x 120 мм.

Рисунок 10

1 – автомобиль; 2 – упорный брусок размером 100 х 120 х 2400 мм; 3 –продольный брусок размером 50х120х5867 мм; 4 – поперечный упорный брусок размером 100 х 120 х 2400 мм; 5 - брусок размером 100 х 120 х 300 мм; 6 – растяжка из проволоки диаметром 6 мм в 2 нити; 7 – скоба строительная.

Растяжки 6 одним концом закрепляют за нижние увязочные устройства контейнера на боковых стенках в его торцовых частях, а другим - за силовые элементы автомобиля (например, буксировочные устройства, рессоры, оси полуосей колесных пар).

Бруски в контейнере размещают следующим образом:

- два упорных бруска 2, длиной, равной внутренней ширине контейнера, размещают у торцовой стенки и дверей контейнера;

- два продольных бруска 3, длиной, равной расстоянию между указанными поперечными брусками 2, укладывают с наружной стороны колес вплотную к ним. Допускается устанавливать между колесами и продольными брусками 3 защитные прокладки для предохранения резины от потертости;

- каждый из двух поперечных упорных брусков 4 укладывают на продольные бруски 3 вплотную к передним и задним колесам с внешней их стороны и закрепляют к каждому продольному бруску двумя гвоздями. На продольный брусок 3 вплотную к поперечному 4 укладывают и закрепляют тремя гвоздями четыре бруска 5 длиной не менее 300 мм. Продольные и поперечные бруски, уложенные у торцовой стенки и двери контейнера, скрепляют между собой строительными скобами 7, по одной в соединении. Поперечные упорные бруски 2 и 4 со стороны торцовой двери укладывают и закрепляют после закатывания автомобиля. Длина гвоздя должна быть равна толщине скрепляемых брусков, но исключать повреждение пола контейнера. Забивание гвоздей и скоб в пол контейнера не допускается.

7.3. В контейнерах типоразмеров 1A и 1AA автомобили закрепляют (рис. 11 настоящей главы) аналогично креплению в контейнерах типоразмеров 1C и 1CC.

Рисунок 11

1 – автомобиль; 2 – упорный брусок размером 100 х 120 х 2400 мм; 3 –продольный брусок размером 50 х 120 х 5867 мм; 4 – поперечный упорный брусок размером 100 х 120 х 2400 мм; 5 - брусок размером 100 х 120 х 300 мм; 6 – растяжка из проволоки диаметром 6 мм в 2 нити; 7 – скоба строительная

7.4. Бруски, применяемые для закрепления автомобилей, могут быть составными по высоте, а продольные - и по длине не более чем из двух частей. Во избежание повреждения пола контейнера скрепление продольных брусков в единое целое из нескольких частей должно выполняться вне контейнера.

7.5. В случаях обеспечения размещения и крепления автомобилей перевозчиком грузоотправитель обязан присутствовать при погрузке, для чего он должен быть заблаговременно извещен о дате и времени погрузки.

8. Размещение и крепление грузов в среднетоннажных контейнерах

8.1. Груз в контейнере должен размещаться симметрично его продольной и поперечной плоскостей симметрии.

Высота общего центра тяжести груза не должна превышать половины высоты контейнера, смещение общего центра массы груза в поперечном направлении должно быть не более 100 мм.

8.2. Между внутренней обшивкой контейнера и грузом либо между грузами с выступающими, особенно металлическими, частями, а также острыми кромками или углами необходимы соответствующая упаковка груза либо применение прокладок.

8.3. Грузы в контейнерах должны размещаться равномерно по всей площади пола. Суммарная величина зазоров по длине или ширине контейнера между отдельными единицами (местами) груза и между ними и стенками контейнера не должна превышать 200 мм.

8.4. Крепление грузов в среднетоннажных контейнерах необходимо производить с применением распорных, упорных брусков, растяжек за имеющиеся в контейнере проушины.

Проушины для крепления грузов растяжками допускается нагружать в любом направлении усилием до 300 кгс.

8.5. Порядок размещения и крепления грузов в среднетоннажных контейнерах аналогичен порядку, предусмотренному в отношении крупнотоннажных контейнеров, если иной порядок не установлен правилами перевозок для грузов железнодорожным транспортом.

Приложение N 1
к разделу 2 главы 1
Технических условий
размещения и крепления грузов
в вагонах и контейнерах

ТЕХНИЧЕСКИЕ ХАРАКТЕРИСТИКИ УНИВЕРСАЛЬНЫХ ВАГОНОВ

Таблица П1.1

Полувагоны

Технические характеристикиНомер модели
12-100012-53212-72612-11912-150512-159212-75712-12712-75312-29512-13212-141
Грузоподъемность, т696969696971757069717071
Масса тары вагона, т2222,22222,521,121,282523,922,523,024,023,0
Осевая нагрузка, тс22,022,822,7523,2522,523,252523,523,2523,523,523,5
База вагона, мм8 6508 6508 6508 6508 6508 6508 6708 6508 6508 6508 6508 650
Длина, мм:            
- по осям сцепления автосцепок13 92013 92013 92013 92013 92013 92013 92014 52013 92013 92013 92013 920
- по концевым балкам рамы12 70012 70012 70012 73212 70012 80012 80013 44012 80212 70012 78012 780
Высота от УГР , макс мм3 4843 4843 4843 4953 4823 4923 7463 4953 4843 2953 8003 495
Высота от УГР до нижней обвязки, мм1 4141 4161 4161 4151 4141 2321 4231 4151 4161 0321 4151 415
Объем кузова, м373737376768385767475,28877
Внутренние размеры кузова, мм:            
- ширина2 8782 8782 8782 8782 8782 8782 9642 8782 8782 8902 9112 878
- длина12 06812 11812 08812 70012 70012 70012 22812 70012 32412 69012 75012 700
- высота2 0602 0602 0602 0602 0602 2402 3152 0602 0602 0502 3652 060
Ширина дверного проема при открытых дверях, мм2 5302 5302 482---2 766-2 530---
Площадь пола, м235,435,535,436,5535,437,136,6336,9636,1536,6737,12536,63
Размер разгрузочных люков, мм1327 x 15401327 x 15401327 x 15401327 x 1540ГлуходонныйГлуходонный1370 x 154014 люков1327 x 1540Глуходонный14 люков14 люков
Расстояние между поперечными балками полувагона, ммМежду средними балками - 1710; между средней и промежуточной - 1710; между промежуточной и шкворневой - 1760.

Таблица П1.2

Платформы

Технические характеристикиНомер модели
13-40113-401213-401913-Н45113-49113-92613-9004 <*>13-9007 <*>
Грузоподъемность, т7071706366,5736568
Масса тары вагона, т20,9221,421,921,326,2527,02625,2
Осевая нагрузка, тс22,7323,2522,9721,123,2525,022,7523,3
База вагона, мм9 7209 7209 7209 72014 40014 40014 72013 900
Длина, мм:        
- по осям сцепления автосцепок14 62014 62014 62014 62019 62019 62019 62019 620
- по концевым балкам рамы13 40013 40013 40013 40018 40018 40018 40018 400
Высота от УГРмакс, мм1 8101 8201 8201 8101 8071 8071 7221 742
Высота от УГР до уровня пола, мм1 3101 3101 3201 3101 3101 3041 3221 395
Размеры кузова внутри, мм:        
- длина13 30013 30013 30013 30018 30018 30018 30018 300
- ширина2 7702 7702 7702 7702 7602 8302 8702 870
Размер пола с открытыми бортами, мм:        
- длина13 40013 40013 40013 40018 40018 40018 30018 300
- ширина2 8702 8702 8702 8702 8602 8602 8702 870
Высота бортов, мм:        
- продольный500500 500 500НетНет
- торцовый400400 305 400400400
Площадь пола, м236,836,836,836,850,551,852,552,5

<*> Платформа для крупнотоннажных контейнеров и колесной техники.

Приложение N 2
к подпункту 7.1.1.3 главы 1
Технических условий
размещения и крепления грузов
в вагонах и контейнерах

ОСНОВНЫЕ ТЕХНИЧЕСКИЕ ТРЕБОВАНИЯ К МНОГООБОРОТНЫМ СРЕДСТВАМ КРЕПЛЕНИЯ И ИХ ЭКСПЛУАТАЦИИ

Под многооборотными средствами крепления (далее - МС) понимаются крепежные устройства многоразового использования, предназначенные для размещения и крепления грузов в вагонах, контейнерах.

1. Разработка и изготовление МС должны выполняться в соответствии с требованиями ГОСТ 15001, при этом в состав комплекта документации МС должны входить в обязательном порядке:

- рабочие чертежи;

- паспорт;

- руководство по эксплуатации;

- сертификат соответствия;

- схемы размещения и крепления МС при их возврате в порожнем состоянии.

2. МС должны быть изготовлены в исполнении "ХЛ" категории 1 по ГОСТ 15150 и обеспечивать:

- распределение массы груза на раму и тележки вагона в соответствии с требованиями раздела 6 настоящей главы;

- возможность производства погрузочно-разгрузочных работ, в том числе с применением грузозахватных средств;

- надежное закрепление груза, исключающее его недопустимые поступательные смещения, развал, опрокидывание, а также сохранность груза и подвижного состава в процессе перевозки и при выполнении погрузочно-разгрузочных операций;

- возможность крепления МС к предусмотренным для этого элементам конструкции вагона.

3. В руководстве по эксплуатации МС должны содержаться указания по периодичности технического обслуживания (осмотр, смазка, регулировка и ремонт узлов) и освидетельствования, информация о возможных неисправностях и способах их устранения, указания по безопасности обслуживания и эксплуатации, а также правила хранения.

4. Каждый комплект МС должен иметь на видном месте маркировку с указанием:

- марки устройства;

- наименования (товарного знака) завода-изготовителя;

- наименования (обозначения) владельца;

- даты выпуска и порядкового номера;

- грузоподъемности и других необходимых технических параметров;

- даты очередного испытания (освидетельствования), ремонта.

5. За надежность МС в процессе их эксплуатации несет ответственность грузоотправитель.

6. При оформлении перевозочных документов на груз, размещение и крепление которого осуществляется с использованием МС, грузоотправитель обязан представить лицу, принимающему эти документы:

- схему размещения и крепления перевозимого груза и расчетно-пояснительную записку к ней с прочностными расчетами элементов устройств и их соединений;

- акт последнего периодического освидетельствования, предусмотренного руководством по эксплуатации МС.

При отправке груза с использованием МС масса МС включается в общую массу перевозимого груза.

7. Возврат МС осуществляется в соответствии со схемой размещения и крепления при возврате в порожнем состоянии.

Приложение N 3
к подпункту 7.1.1.5 главы 1
Технических условий
размещения и крепления грузов
в вагонах и контейнерах

ТРЕБОВАНИЯ К ОФОРМЛЕНИЮ СХЕМ И ЭСКИЗОВ РАЗМЕЩЕНИЯ И КРЕПЛЕНИЯ ГРУЗА

Схемы размещения и крепления груза (далее - схемы) являются составной частью вновь разрабатываемых МТУ и НТУ. Эскиз размещения и крепления груза по ТУ (эскиз ТУ) является графическим документом на размещение и крепление груза, поясняющим требования ТУ.

1. Схемы МТУ и НТУ должны удовлетворять следующим общим требованиям:

1.1. Схемы должны содержать следующую информацию:

- наименование и обозначение схемы;

- наименование груза;

- перечень грузовых единиц с указанием габаритных размеров и массы (в табличной форме);

- тип (при необходимости - модель) железнодорожного подвижного состава, используемого для перевозки груза;

- общая масса брутто груза с учетом массы элементов крепления;

- площадь наветренной поверхности вагона с грузом (в случае, если она превышает 50 м2);

- изображение железнодорожного подвижного состава с размещенным на нем грузом, элементов крепления и способов их соединения с крепежными устройствами вагона и груза;

- спецификация элементов крепления и используемых материалов;

- технические требования по размещению и креплению груза в продольном и поперечном направлениях, устройству крепления, проведению сварочных работ и др.;

- наименование железнодорожной станции и перевозчика;

- наименование предприятия-разработчика, фамилии и подписи лиц, разработавших схему;

- реквизиты утверждения (согласования) схемы уполномоченными перевозчиком лицами (в соответствии с подпунктом 7.2.3 главы 1 настоящих ТУ).

1.2. Схемы должны оформляться в соответствии со следующими требованиями Единой системы конструкторской документации (ЕСКД) к сборочным чертежам и монтажным схемам:

1.2.1. Изображение железнодорожного подвижного состава следует выполнять тонкими сплошными линиями, изображение груза - сплошными основными, элементы крепления - утолщенными, габариты погрузки - тонкими штрихпунктирными линиями. Надписи должны быть выполнены разборчиво одним из допускаемых способов: чертежным шрифтом, машинописью, либо с использованием компьютерных редакторов. Высота шрифта - не менее 3,5 мм для машинописных и не менее 5 мм - для рукописных надписей.

Изображение железнодорожного подвижного состава с размещенным на нем грузом выполняется, как правило, в масштабе 1:50 в трех проекциях: главный вид, вид сверху, вид с торца (как правило, слева). Допускается взамен вида слева размещать при необходимости вид справа, поперечное сечение либо разрез. Вид с торца допускается выполнять в более крупном масштабе, чем остальные виды. Допускается выполнять схему в масштабе 1:25 для большей ясности изображения грузов и средств крепления сложной конфигурации.

Железнодорожный подвижной состав изображается упрощенно. На платформах боковые борта на главном виде и торцовые борта на виде с торца, как правило, не показывают. В технических требованиях должны быть приведены указания о состоянии бортов и необходимости их закрепления. На всех видах показывают стоечные скобы (боковые и торцовые). В полувагонах на главном виде показывают расположение поперечных балок, а на виде сверху - состояние торцовых дверей (закрытое или открытое) и торцовые порожки.

1.2.2. Очертания грузовых единиц должны давать ясное представление об их конфигурации, о габаритах, базовых поверхностях (опорных и упорных), их положении относительно вагона и соседних грузовых единиц, расположении крепежных устройств.

1.2.3. Деревянные элементы крепления (подкладки, прокладки, упорные и распорные бруски) должны быть выделены штриховкой. Для пояснения устройства элементов (вырезки, врезки, крепление друг к другу) приводятся соответствующие разрезы и сечения.

1.2.4. Растяжки, обвязки, стяжки из проволоки изображают волнистой линией.

1.2.5. На схеме должны быть приведены следующие размеры:

- габаритные размеры груза;

- максимальная высота верхних поверхностей или наиболее выступающих частей груза относительно уровня головок рельсов (УГР);

- высота подкладок (площадок турникетных опор), на которые опирается груз от УГР;

- координаты расположения грузовых единиц относительно кузова вагона, площадок турникетных опор;

- минимальные допускаемые зазоры между грузом и полом вагона прикрытия;

- база сцепа вагонов;

- координаты центров тяжести грузовых единиц ЦТ_гр относительно их базовых поверхностей, продольной и поперечной

плоскостей симметрии вагона;

- координаты общего центра тяжести груза ЦТ(°)_гр относительно пола и продольной плоскости симметрии вагона (на виде

слева), поперечной плоскости симметрии (на главном виде);

- координаты общего центра тяжести вагона с грузом ЦТ_° относительно УГР, продольной и поперечной плоскостей симметрии вагона.

В спецификации должны быть указаны позиционные обозначения, наименования элементов крепления груза, их параметры (при наличии обозначения по технической документации), количество, масса, применяемые материалы с указанием стандартов и массы.

1.3. Схема НТУ должна быть утверждена грузоотправителем, содержать полное наименование грузоотправителя, должность утверждающего лица, его фамилию и инициалы, личную подпись, дату и печать. Гриф утверждения следует располагать в правом верхнем углу листа. Схема должна быть согласована и зарегистрирована в соответствии с требованиями подпункта 7.3.5 главы 1 настоящих ТУ.

2. Эскиз ТУ должен содержать:

- наименование груза;

- тип (при необходимости - модель) железнодорожного подвижного состава, используемого для перевозки груза;

- ссылку на раздел (пункт), главу ТУ (с указанием года издания), в соответствии с которыми выполняются размещение и крепление груза;

- изображение вагона с размещенным на нем грузом, средствами крепления, а также указания по устройству крепления;

- перечень грузовых единиц, их габаритные размеры и массу (в табличной форме), а также общую массу груза с учетом массы средств крепления;

- величину площади наветренной поверхности вагона с грузом, если она превышает 50 м2;

- грифы утверждения грузоотправителем и согласования уполномоченным перевозчиком лицом (в случае, когда перевозчик является одновременно владельцем инфраструктуры, - начальником железнодорожной станции отправления) с указанием должности согласующего лица, его фамилии и инициалов, личной подписи, даты и печати.

Приложение N 4
к подпункту 7.2.3 главы 1
Технических условий
размещения и крепления грузов
в вагонах и контейнерах

         ОБРАЗЦЫ ТИТУЛЬНОГО ЛИСТА И ШТАМПА РЕГИСТРАЦИИ МТУ
 
           УТВЕРЖДАЮ:                       УТВЕРЖДАЮ:          
_______________________________  _______________________________ 
          (должность)                      (должность)          
_______________________________  _______________________________ 
(наименование грузоотправителя)     (наименование перевозчика)  
_________ _____________________  _________ _____________________ 
(подпись)     (ф., и., о.)       (подпись)     (ф., и., о.)     
"__" __________________ 20__ г.  "__" __________________ 20__ г. 
                                                                
 М.П.                             М.П.                          
                                                                
             МЕСТНЫЕ ТЕХНИЧЕСКИЕ УСЛОВИЯ N ________             
                                                                
размещения и крепления _________________________________________ 
                                 (наименование груза)           
________________________________________________________________ 
в(на) __________________________________________________________ 
       (наименование железнодорожного подвижного состава, тип   
                               (модель))                        
                                                                
(Общее количество листов - _____, в том числе рисунков - ______) 
                                 Срок действия: с ______________ 
                                              до _______________ 
                                                                
             СОГЛАСОВАНО:                                       
     Уполномоченные перевозчиком                                
руководители подразделений, ведающие:                           
                                                                
грузовой и коммерческой работой __________ _____________________ 
                                (подпись)  (расшифровка подписи) 
                                                                
вагонным хозяйством             __________ _____________________ 
                                (подпись)  (расшифровка подписи) 
                                                                
"__" ___________ 20__ г.                                        
 
  Рис. П4.1. Образец титульного листа местных Технических условий
                  размещения и крепления грузов
 
________________________________________ 
       (наименование перевозчика)       
                                        
      Местные Технические условия       
      размещения и крепления грузов     
                                        
N _______________                       
от ___________________                  
 
   Рис. П4.2. Образец штампа регистрации МТУ, проставляемого на
                      титульном листе МТУ
 
 
 

Приложение N 5
к подпункту 7.2.4 главы 1
Технических условий
размещения и крепления грузов
в вагонах и контейнерах

      ОБРАЗЦЫ ТИТУЛЬНЫХ ЛИСТОВ ЖУРНАЛОВ РЕГИСТРАЦИИ МТУ И НТУ
                   РАЗМЕЩЕНИЯ И КРЕПЛЕНИЯ ГРУЗОВ
 
                       ЖУРНАЛ РЕГИСТРАЦИИ МТУ
                   РАЗМЕЩЕНИЯ И КРЕПЛЕНИЯ ГРУЗОВ
 
                   ____________________________
                    (наименование перевозчика)
 
Начат: ___________________________________________________________
Окончен: _________________________________________________________
Срок хранения: не ограничен
 
Образец последующих листов журнала регистрации МТУ
 
N МТУ, дата 
утверждения 
Наименование 
   груза 
 Грузоотправитель, его 
почтовый адрес, телефон 
Примечания
 
 
 
 
 
                            Рис. П5.1
 
     Образец формы титульного листа журнала регистрации НТУ
                  размещения и крепления грузов
 
                      ЖУРНАЛ РЕГИСТРАЦИИ НТУ
                   РАЗМЕЩЕНИЯ И КРЕПЛЕНИЯ ГРУЗОВ
 
                   ____________________________
                    (наименование перевозчика)
 
Начат: ___________________________________________________________
Окончен: _________________________________________________________
Срок хранения: не ограничен
 
Образец последующих листов журнала регистрации НТУ
 
N НТУ, дата 
утверждения 
Наименование 
   груза 
Грузоотправитель, 
  его почтовый 
 адрес, телефон 
  Станция 
отправления 
Примечания
 
 
 
 
 
 
                            Рис. П15.2
 
 
 

Приложение N 6
к подпункту 7.3.3 главы 1
Технических условий
размещения и крепления грузов
в вагонах и контейнерах

          ОБРАЗЕЦ АКТА СОГЛАСОВАНИЯ И УТВЕРЖДЕНИЯ НТУ
                 И РЕКВИЗИТЫ РЕГИСТРАЦИИ НТУ
 
                                          УТВЕРЖДАЮ:
                             _____________________________________
                             (должность руководителя подразделения
                                    перевозчика в соответствии
                              с подпунктом 7.3.3 настоящей главы)
 
                             _____________ _______________________
                               (подпись)        (ф., и., о.)
 
                             "__" _________________________ 20_ г.
 
                             М.П.
 
                            АКТ N ____
                  согласования и утверждения НТУ
 
    Настоящий акт составлен в том, что ___________________________
__________________________________________________________________
  (должности и фамилии специалистов, участвующих в рассмотрении)
рассмотрели представленные _______________________________________
                               (наименование грузоотправителя)
схему N ____ размещения и крепления ______________________________
                                     (точное наименование груза)
и расчетно-пояснительную записку, утвержденные ___________________
__________________________________________________________________
        (дата, должность и фамилия лица, утвердившего ее)
и  установили,  что  прилагаемый способ размещения   и   крепления
обеспечивает  устойчивость  груза и безопасность движения поездов.
Груз размещен в пределах ________________________________ габарита
                             (наименование габарита)
погрузки.
 
       СОГЛАСОВАНО:
Уполномоченные перевозчиком руководители
подразделений, ведающие:
грузовой и коммерческой работой           _________ ______________
                                          (подпись)  (расшифровка
                                                       подписи)
 
вагонным хозяйством                       _________ ______________
(подпункт 7.23 настоящей главы)           (подпись)  (расшифровка
                                                       подписи)
 
Должности лиц, принимавших участие        _________ ______________
в рассмотрении                            (подпись)  (расшифровка
                                                        подписи)
 
Приложение. Схема размещения и крепления -   _____ листов.
            Расчетно-пояснительная записка - _____ стр.
 
Рис. П6.1. Образец акта согласования и утверждения НТУ
 
     _____________________________________________     
        (наименование подразделения перевозчика)       
                                                       
                      УТВЕРЖДАЮ:                       
                                                       
Должность лица, утвердившего акт ________________      
                                    (подпись)          
                                                       
                     СОГЛАСОВАНО:                      
                                                       
Должности лиц в соответствии                           
с подпунктом 7.3.2 настоящей главы ____________________ 
                                        (подпись)      
                                   ____________________ 
                                        (подпись)      
                                   ____________________ 
                                        (подпись)      
 
     Рис. П6.2. Образец штампа утверждения НТУ, проставляемого
                 на схемах и пояснительной записке НТУ
 
 
 

Приложением 7
к подпункту 10.3.1 главы 1
Технических условий
размещения и крепления грузов
в вагонах и контейнерах

ОСНОВНЫЕ МЕТОДИЧЕСКИЕ ТРЕБОВАНИЯ ПРИ ОПРЕДЕЛЕНИИ КОЭФФИЦИЕНТОВ ТРЕНИЯ МЕЖДУ ОПОРНЫМИ ПОВЕРХНОСТЯМИ ГРУЗА И ВАГОНА

Определение коэффициента трения между опорными поверхностями груза и вагона, значения которых не предусмотрены разделом 10 главы 1 настоящих ТУ, производится экспериментальным путем в лабораторных условиях, а затем в условиях натурного эксперимента.

В случаях использования значения величины коэффициента трения, приведенных в иных, нежели настоящая глава, официально изданных источниках, допускается выполнять его проверку только в условиях натурного эксперимента.

1. Определение коэффициента трения в лабораторных условиях.

Лабораторная установка для определения коэффициента трения должна включать в себя:

- основание с устройствами для закрепления неподвижного образца, имитирующего поверхность, на которую опирается груз;

- подвижную (нагрузочную) плиту с устройствами для закрепления подвижного образца;

- сдвигающее устройство, обеспечивающее создание и определение необходимого сдвигающего усилия, приложенного к подвижной плите;

- нагружающее устройство для создания требуемой нагрузки на поверхности контакта образцов (при необходимости);

- контрольно-измерительные приборы.

Подвижный образец выполняется в виде плоского тела (пластина, плита) из материала, соответствующего материалу опорной поверхности груза. Размеры опорной поверхности подвижного образца и величина его необходимого вертикального догружения определяются из условия обеспечения удельного давления между поверхностями подвижного и неподвижного образцов, соответствующего реальным условиям размещения груза.

Предел измерения прибора для измерения сдвигающего усилия должен отвечать условию:

P ~ 1,25 Sмю_о q,

где: S - площадь опорной поверхности подвижного образца, см2;

мю_о - предполагаемое значение коэффициента трения, принимаемое по известным аналогам;

q - удельное давление между опорными поверхностями груза и вагона, кгс/см2.

Неподвижный образец выполняется в виде плоского тела (пластина, плита) из того же материала, из которого изготовлена поверхность, на которую опирается груз. Размеры в плане неподвижного образца должны быть: в направлении действия сдвигающего усилия (длина) - не менее двух длин подвижного образца; в перпендикулярном направлении (ширина) - не менее 1,25 ширины подвижного образца.

Шероховатость контактирующих поверхностей образцов должна соответствовать шероховатости контактирующих поверхностей груза и вагона (подкладок). При испытании гигроскопичных материалов их относительная влажность должна составлять 20 - 25%.

Для грузов, имеющих опорную поверхность из полимерных материалов, эксперименты должны проводиться при отрицательных температурах окружающей среды до минус 25 град. C.

Эксперимент заключается в многократном сдвиге подвижного образца под воздействием сдвигающего усилия и замере максимального значения усилия в момент начала сдвига.

Сдвигающее усилие должно быть приложено параллельно плоскости контакта образцов. Смещение подвижного образца должно происходить в направлении действия сдвигающего усилия и составлять не менее 0,5 его длины. Перед каждым следующим приложением сдвигающего усилия подвижный образец должен устанавливаться в исходное положение; смещение в поперечном направлении не допускается.

Перед первым приложением сдвигающей нагрузки образцы должны находиться в исходном положении не менее 5 минут.

Время наращивания усилия сдвига груза от момента приложения до начала сдвига должно составлять не более 3 секунд.

Количество повторных смещений каждой пары образцов должно быть не менее 30.

Коэффициент трения (мю) рассчитывается по формуле:

мю = F,
N

где: F - значение сдвигающего усилия, замеренное в момент начала сдвига подвижного образца, кгс;

N - сила нормального давления подвижного образца на неподвижный, кгс.

Результаты замеров обрабатываются методом вариационной статистики по ГОСТ 11484. Результаты первых 10 смещений не учитываются, так как происходит притирка поверхностей, вследствие чего получаемые значения могут быть завышены.

Результаты лабораторных исследований должны быть оформлены актом. Акт должен содержать: описание эксперимента (включая данные о физических параметрах груза и моделирующем его объекте, используемом испытательном оборудовании и средствах измерения), результаты всех измерений, методику обработки результатов измерений, результаты расчета значения коэффициента трения. Акт лабораторных исследований должен быть утвержден руководителем организации, проводившей эти исследования.

2. Экспериментальная проверка значений коэффициентов трения в натурных условиях выполняется путем проведения испытаний на соударение в соответствии с пунктами 6.1 и 6.2 главы 1 настоящих ТУ. Необходимое контрольно-измерительное оборудование и выполнение замеров обеспечивает грузоотправитель (разработчик проекта ТУ).

Экспериментальная проверка для грузов, перевозимых на открытом железнодорожном подвижном составе, должна проводиться в условиях осадков в виде дождя. Для грузов, имеющих опорную поверхность из полимерных материалов, эксперименты должны проводиться при отрицательных температурах окружающей среды до минус 25 град. C.

Груз на вагоне должен быть размещен без крепления; при этом должна быть обеспечена возможность его свободного перемещения в продольном направлении не менее 500 мм, и условия контактирования груза с вагоном на длине возможного смещения должны быть неизменными.

Соударения должны проводиться в следующей последовательности:

- 6 соударений со скоростью от 4 до 5 км/ч;

- 6 соударений со скоростью от 5 до 6 км/ч;

- 5 соударений со скоростью от 6 до 7 км/ч;

- 3 соударения со скоростью от 7 до 8 км/ч.

После каждого соударения должен быть проведен осмотр груза и зафиксировано наличие его смещения от начального положения. При отсутствии смещения груза после какого-либо из вышеуказанных режимов соударений количество соударений следующего скоростного режима увеличивается на величину, равную количеству соударений, после которых не зафиксировано смещения груза. Соударения продолжают до достижения количества смещений груза не менее двадцати.

Замеры ускорения груза производят датчиком ускорения, установленным на грузе.

Коэффициент трения (мю) рассчитывается по формуле:

мю = j,
g

где: j - ускорение груза при соударении вагона с вагонами прикрытия, м/сек2;

g = 9,81 м/сек2 - ускорение свободного падения.

В расчетах должны учитываться результаты замеров ускорения только при тех соударениях, при которых зафиксировано смещение груза. Результаты замеров обрабатываются методом вариационной статистики по ГОСТ 11484.

Результаты экспериментальной проверки должны быть оформлены актом. В акте должно быть сделано заключение комиссии о величине коэффициента трения, которая должна быть использована в расчетах при разработке проекта Технических условий размещения и крепления испытуемого груза.

Акты о лабораторных и экспериментальных исследованиях по определению коэффициента трения должны быть включены в состав комплекта документов Технических условий размещения и крепления грузов, представляемого на рассмотрение. Копии актов должны быть направлены также в подразделение МПС России, ведающее грузовой и коммерческой работой.

Приложение N 8
к подпункту 10.5.3 главы 1
Технических условий
размещения и крепления грузов
в вагонах и контейнерах

МЕТОДИКА РАСЧЕТА ПРОВОЛОЧНЫХ РАСТЯЖЕК РАЗЛИЧНОЙ ДЛИНЫ, РАСПОЛОЖЕННЫХ ПОД РАЗНЫМИ УГЛАМИ К ПОЛУ ВАГОНА

При закреплении единичного груза растяжками из проволоки одинакового диаметра, с различным количеством нитей (n_нi), различных длин (l_i) и расположения (альфа_i, бета_i, h_pi) усилие R_pi рассматриваемой i-ой растяжке определяется по формулам:

1. От продольной инерционной силы (рис. П8.1):

Рисунок П8.1

R(пр)_pi = Z(пр) (n_нi /l_i)cos альфа_i cos бета_прi, (1)

где: R(пр)_pi - усилие в i-й растяжке от продольной инерционной силы;

n(пр)_р - количество растяжек, работающих одновременно в одну сторону вдоль вагона;

n_нi - количество нитей (проволок) в i-й растяжке;

бета_прi - угол между проекцией i-й растяжки на горизонтальную плоскость и продольной осью вагона.

2. От поперечной инерционной силы (рис. П8.2):

Рисунок П8.2

R(п)_pi = Z(п) (n_нi / l_i)cos альфа_i cos бета_пi, (3)

где: R(п)_pi - усилие в i-й растяжке от поперечной инерционной силы;

n(п)_р - количество растяжек, работающих одновременно в одну сторону поперек вагона;

n_нi - количество нитей (проволок) в i-й растяжке;

бета_пi - угол между проекцией i-й растяжки на горизонтальную плоскость и поперечной осью вагона.

3. Расчет выполняется в два этапа. Сначала по методике, изложенной в разделе 10 главы 1 настоящих ТУ, - определяют усилие в проволочных растяжках и производят подбор сечения растяжек по таблице 20 настоящей главы. Затем выполняют уточненный расчет в соответствии с пунктами 1 и 2 настоящего приложения.

4. Пример расчета.

Исходные данные:

К перевозке по НТУ предъявлен груз весом 14,7 т в деревянной ящичной упаковке размером 3500 x 1600 x 2500 мм, размещенный на платформе (рис. П8.3) с деревянным полом и закрепленный четырьмя парами проволочных растяжек.

1 – груз; 2,3 - растяжка

Рисунок П8.3

В соответствии с выполненными предварительными расчетами имеем:

а_пр = 1,152 тс/т; а_п = 0,33 тс/т; а_в = 0,393 тс/т; W = 3434 кгс;

мю = 0,45;

ДельтаF_пр = 10,32 тс;

ДельтаF_п = 2,47 тс.

Расчет геометрических параметров и соотношений элементов растяжек целесообразно выполнять в табличной форме (табл. П8.1).

Таблица П8.1

Геометрические параметры растяжекРастяжка 2Растяжка 3
n_н66
l_р, м2,73,0
AO = h_р, м2,50,9
ВК = ОС, м0,5850,585
КО = ВС, м1,322,64
BO = (KO(2) + BK(2))(1 / 2), м1,4442,704
AB = 1 = (BO(2) + AO(2))(1 / 2), м2,8872,85
sin альфа = AO / AB0,8660,316
cos альфа = ВО / АВ0,50,949
cos бета_пр = KO / BO0,9140,976
cos бета_п = BK / BO0,4050,216

4.1. Расчет по методике, изложенной в разделе 10 главы 1 настоящих ТУ:

R(пр)_р = 10,32= 2,69 тс;
2(0,45 x 0,866 + 0,5 x 0,914) + 2(0,45 x 0,316 + 0,949 x 0,976)

R(п)_р = 2,47= 1,314 тс.
2(0,45 x 0,866 + 0,5 x 0,405) + 2(0,45 x 0,316 + 0,949 x 0,216)

В соответствии с таблицей 20 главы 1 настоящих ТУ для крепления груза от смещения в продольном направлении необходимы растяжки из проволоки диаметром 6 мм в шесть нитей, для крепления груза от смещения в поперечном направлении - растяжки из проволоки диаметром 6 мм в три нити.

4.2. Уточненный расчет.

Усилия от продольной инерционной силы:

- по формуле (2) и данным таблицы П8.1:

Z(пр) = 10,32= 1,8;
2(0,45 x 0,866 + 0,5 x 0,914) x 0,5 x 0,914 x 6 / 2,7 + 2(0,45 x 0,316 + 0,949 x 0,976) x 0,949 x 0,976 x 6 / 3

- по формуле (1) и данным таблицы П8.1 усилия в растяжках:

R(пр)_р2 = 1,8 x (6 / 2,7) x 0,5 x 0,914 = 1,828 тс;

R(пр)_р3 = 1,8 x (6 / 3) x 0,949 x 0,976 = 3,334 тс.

Усилия от поперечной инерционной силы:

- по формуле (4) и данным таблицы П8.1:

Z(п) = 2,4= 1,514;
2(0,45 x 0,866 + 0,5 x 0,405) x 0,5 x 0,405 x 6 / 2,7 + 2(0,45 x 0,316 + 0,949 x 0,216) x 0,949 x 0,216 x 6 / 3

- по формуле (3) и данным таблицы П8.1 усилия в растяжках:

R(п)_р2 = 1,514 x (3 / 2,7) x 0,5 x 0,405 = 0,34 тс;

R(п)_р3 = 1,514 x (3 / 3) x 0,949 x 0,216 = 0,31 тс.

Выбор количества нитей в растяжках.

Количество нитей в растяжках принимаем в соответствии с таблицей 20 главы 1 настоящих ТУ.

По максимальным усилиям от продольной инерционной силы принимаем количество нитей растяжек:

- растяжка 2 - четыре нити;

- растяжка 3 - восемь нитей.

По максимальным усилиям от поперечной инерционной силы принимаем количество нитей растяжек:

- растяжка 2 - две нити;

- растяжка 3 - две нити.

Окончательно принимаем: растяжка 2 - четыре нити; растяжка 3 - восемь нитей.

Приложение N 9
к пункту 12.2 главы 1
Технических условий
размещения и крепления грузов
в вагонах и контейнерах

             ОБРАЗЕЦ АКТА ИСПЫТАНИЙ НА СОУДАРЕНИЕ
 
Станция _____________________               "__" _________ 20__ г.
           (наименование)
 
                               АКТ
                     испытаний на соударение
 
способа размещения и крепления груза по проекту __________________
__________________________________________________________________
      (наименование груза, обозначение проекта ТУ, МТУ, НТУ)
__________________________________________________________________
          (наименование разработчика (грузоотправителя)
    Испытания  на  соударения проведены в соответствии с указанием
________________ от __________ N ____________ комиссией в составе:
Председатель комиссии: ___________________________________________
                           (фамилия, имя, отчество, занимаемая
                                        должность)
Члены комиссии: __________________________________________________
                  (фамилия, имя, отчество, занимаемая должность)
__________________________________________________________________
    1. Контроль размещения и крепления груза.
    Данные  о  загруженных полувагонах (платформах) представлены в
таблице П9.1.
 
                                                      Таблица П9.1
 
Номер 
вагона 
Грузоподъемность, 
т 
  Вес 
тары, т 
Общая масса 
 груза, т 
Краткая 
характеристика 
груза 
Количество 
и вес 
каждого 
места 
Примечание
1 
2 
3 
4  
5  
6 
7 
 
 
 
 
 
 
 
 
    Комиссия,  осмотрев  вагоны,  загруженные  в  опытном порядке,
установила:
    1.1.  Груз,  его размещение и крепление соответствуют проекту.
Проект,  схема  размещения  и  крепления  груза,  расчет прочности
крепления прилагаются.
    1.2. Отклонения от проекта: _________________________________.
                                       (не зафиксированы;
                                       в чем заключались)
    1.3. Контрольные метки на вагоны и груз нанесены.
    2. Испытания на соударение.
    2.1.  Испытания  на  соударение  с  группой неподвижно стоящих
вагонов ("стенкой")" состоящей из _____________ неподвижно стоящих
                                   (количество)
на  пути  полувагонов,  проводились  в соответствии с требованиями
раздела  12  главы  1  настоящих  ТУ.  Данные  о вагонах-"стенках"
приведены в таблице П9.2.
 
                                                      Таблица П9.2
 
Номер 
вагона 
Грузоподъемность, 
т 
Масса 
тары, т 
Масса 
груза, т 
Наименование 
груза 
Примечание
1 
2 
3  
4  
5 
6  
 
 
 
 
 
 
 
    2.2.  Результаты  испытаний  на соударение приведены в таблице
П9.3.
 
                                                      Таблица П9.3
 
N 
вагона 
N 
соударения 
Скорость 
набегающего 
вагона, 
км/ч 
Продольное 
перемещение 
груза от 
первоначального 
положения, мм 
Дефекты 
крепления, 
обнаруженные 
после 
соударения 
(указать подробно)
1 
2 
3 
4 
5 
 
 
 
 
 
 
    2.3.  На основании анализа результатов испытаний на соударение
комиссия  считает  проверяемый способ размещения и крепления груза
выдержавшим (не выдержавшим) испытания на соударение.
    2.4. Комиссия предлагает:
    -  провести  поездные испытания способа размещения и крепления
груза по проекту ________________________________________________;
                    (наименование груза, обозначение проекта
                                  ТУ, МТУ, НТУ)
    -  перед  поездными  испытаниями  заменить  следующие элементы
крепления грузов: _______________________________________________;
    - внести в способ погрузки и крепления следующие изменения: __
_________________________________________________________________.
 
Председатель комиссии: __________     ________________________
                       (подпись)        (расшифровка подписи)
 
                     "__" _______ 20__ г.
 
Члены комиссии: _________     ________________________
                (подпись)      (расшифровка подписи)
                _________     ________________________
                (подпись)      (расшифровка подписи)
 
                     "__" _______ 20__ г.
 
 
 

Приложение N 10
к пункту 12.3 главы 1
Технических условий
размещения и крепления грузов
в вагонах и контейнерах

                ОБРАЗЕЦ АКТА ИСПЫТАНИЙ НА СОУДАРЕНИЕ
 
Станция _____________________               "__" _________ 20__ г.
           (наименование)
 
                               АКТ
                     испытаний на соударение
 
способа размещения и крепления груза по проекту __________________
                                                  (ТУ, МТУ, НТУ)
размещения и крепления ___________________________________________
                        (наименование груза, обозначение проекта
__________________________________________________________________
        ТУ, (наименование разработчика (грузоотправителя))
    Испытания  на  соударения проведены в соответствии с указанием
от ___________________________ N ____________ комиссией в составе:
Председатель комиссии: ___________________________________________
                           (фамилия, имя, отчество, занимаемая
                                        должность)
Члены комиссии: __________________________________________________
                  (фамилия, имя, отчество, занимаемая должность)
__________________________________________________________________
    1. Контроль размещения и крепления груза.
    Данные  о  загруженных полувагонах (платформах) представлены в
таблице П10.1. настоящего приложения.
 
                                                     Таблица П10.1
 
Номер 
вагона 
Грузоподъемность, 
т 
Вес 
тары, т 
Общая 
масса 
груза, 
т 
Краткая 
характеристика 
груза 
Количество 
и вес 
каждого 
места 
Примечание
 
 
 
 
 
 
 
 
    Комиссия,  осмотрев  вагоны,  загруженные  в  опытном порядке,
установила:
    1.1.  Груз,  его  размещение и крепление соответствуют проекту
Технических  условий.  Проект  Технических условий, схема погрузки
груза, расчет прочности крепления прилагаются.
    1.2. Отклонения от проекта ТУ: ______________________________.
                                         (не зафиксированы;
                                         в чем заключались)
    1.3. Контрольные метки на вагоны и груз нанесены.
    2. Испытания на соударение.
    2.1.  Испытания  на  соударение  с  группой неподвижно стоящих
вагонов ("стенкой")" состоящей из _____________ неподвижно стоящих
                                   (количество)
на  пути  полувагонов,  проводились  в соответствии с требованиями
раздела  12  главы  1  настоящих  ТУ.  Данные  о вагонах-"стенках"
приведены в таблице П10.2 настоящего приложения.
 
                                                     Таблица П10.2
 
Номер 
вагона 
Грузоподъемность, т 
Масса 
тары, 
т 
Масса 
груза, 
т 
Наименование 
груза 
Примечание
1  
2 
3  
4  
5 
6  
 
 
 
 
 
 
 
    2.2.  Результаты  испытаний  на соударение приведены в таблице
П10.3 настоящего приложения.
 
                                                     Таблица П10.3
 
N 
вагона 
N 
соударения 
Скорость 
набегающего 
вагона, 
км/ч 
Продольное 
перемещение 
груза от 
первоначального 
положения, мм 
Дефекты 
крепления, 
обнаруженные 
после 
соударения 
(указать 
подробно) 
1 
2  
3  
4  
5 
 
 
 
 
 
 
    2.3.  На основании анализа результатов испытаний на соударение
комиссия  считает  проверяемый способ размещения и крепления груза
выдержавшим (не выдержавшим) испытания на соударение.
    2.4. Комиссия предлагает:
    -  провести  поездные испытания способа размещения и крепления
груза по проекту __________________________ размещения и крепления
                       (ТУ, МТУ, НТУ)
_________________________________________________________________;
           (наименование груза, обозначение проекта ТУ)
    -  перед  поездными  испытаниями  заменить  следующие элементы
крепления грузов: _______________________________________________;
    - внести в способ погрузки и крепления следующие изменения: __
_________________________________________________________________.
 
Председатель комиссии: __________     ________________________
                       (подпись)        (расшифровка подписи)
 
                     "__" _______ 20__ г.
 
Члены комиссии: _________     ________________________
                (подпись)      (расшифровка подписи)
                _________     ________________________
                (подпись)      (расшифровка подписи)
 
                     "__" _______ 20__ г.
 
 
 

Приложение N 11
к пункту 12.4 главы 1
Технических условий
размещения и крепления грузов
в вагонах и контейнерах

                    ФОРМА АКТА ОПЫТНЫХ ПЕРЕВОЗОК
 
                               АКТ
                опытных перевозок груза по проекту
 
__________________________________________________________________
      (наименование груза, обозначение проекта ТУ, МТУ, НТУ)
__________________________________________________________________
         (наименование разработчика (грузоотправителя))
 
1. Наименование                  6. Расстояние опытной
груза _________________________  перевозки, км ___________________
2. Наименование                  7. Наименование
грузоотправителя ______________  грузополучателя _________________
3. Станция                       8. Станция
отправления ___________________  назначения ______________________
4. Дата погрузки ______________  9. Дата выгрузки ________________
5. Состояние погоды              10. Состояние погоды
при погрузке: _________________  при выгрузке: ___________________
                (температура,                     (температура,
                 облачность,                       облачность,
                   осадки)                           осадки)
 
     Заполняется на станции            Заполняется на станции
          отправления                        назначения
 
N 
п/п 
Номер 
вагона 
Грузоподъемность 
вагона, т 
Общая масса 
груза, 
количество 
и масса 
грузовых 
мест 
Перечень 
элементов 
крепления, 
их количество 
Обнаруженный 
сдвиг груза 
в направлении,мм 
Обнаруженные 
дефекты 
крепления 
Заключение 
о пригодности 
способа 
размещения и 
крепления 
продольном 
поперечном 
1 
2 
3 
4 
5 
6 
7  
8  
9  
 
 
 
 
 
 
 
 
 
 
    Подписи членов комиссии            Подписи членов комиссии
     на станции отправления:            на станции назначения:
 
Предсе-                           Предсе-
датель: ____________ ____________ датель: ___________ ____________
         (должность, (расшифровка         (должность, (расшифровка
           подпись)    подписи)             подпись)    подписи)
 
Члены                             Члены
комис-                            комис-
сии:   _____________ ____________ сии:   ____________ ____________
        (должность,  (расшифровка         (должность, (расшифровка
          подпись)     подписи)             подпись)    подписи)
       _____________ ____________        ____________ ____________
        (должность,  (расшифровка         (должность, (расшифровка
          подпись)     подписи)             подпись)    подписи)