Приказ Мининформсвязи РФ от 28.11.2005 N 134

"Об утверждении Правил применения базовых станций и ретрансляторов систем подвижной радиотелефонной связи. Часть I. Правила применения подсистемы базовых станций сетей подвижной радиотелефонной связи стандарта IMT-MC-450"
Редакция от 23.04.2013 — Действует с 14.07.2013
Показать изменения

Зарегистрировано в Минюсте РФ 6 декабря 2005 г. N 7240


МИНИСТЕРСТВО ИНФОРМАЦИОННЫХ ТЕХНОЛОГИЙ И СВЯЗИ РОССИЙСКОЙ ФЕДЕРАЦИИ

ПРИКАЗ
от 28 ноября 2005 г. N 134

ОБ УТВЕРЖДЕНИИ ПРАВИЛ ПРИМЕНЕНИЯ БАЗОВЫХ СТАНЦИЙ И РЕТРАНСЛЯТОРОВ СИСТЕМ ПОДВИЖНОЙ РАДИОТЕЛЕФОННОЙ СВЯЗИ. ЧАСТЬ I. ПРАВИЛА ПРИМЕНЕНИЯ ПОДСИСТЕМЫ БАЗОВЫХ СТАНЦИЙ СЕТЕЙ ПОДВИЖНОЙ РАДИОТЕЛЕФОННОЙ СВЯЗИ СТАНДАРТА IMT-MC-450

(в ред. Приказа Минкомсвязи РФ от 23.04.2013 N 93)

В соответствии с пунктом 4 Правил организации и проведения работ по обязательному подтверждению соответствия средств связи, утвержденных Постановлением Правительства Российской Федерации от 13.04.2005 N 214 (Собрание законодательства Российской Федерации, 2005, N 16, ст. 1463), и статьями 21 и 41 Федерального закона от 07.07.2003 N 126-ФЗ "О связи" (Собрание законодательства Российской Федерации, 2003, N 28, ст. 2895) приказываю:

1. Утвердить прилагаемые Правила применения базовых станций и ретрансляторов систем подвижной радиотелефонной связи. Часть I. Правила применения подсистемы базовых станций сетей подвижной радиотелефонной связи стандарта IMT-MC-450.

2. Направить настоящий Приказ на государственную регистрацию в Министерство юстиции Российской Федерации.

3. Контроль за исполнением настоящего Приказа возложить на заместителя Министра информационных технологий и связи Российской Федерации Антонюка Б.Д.

Министр
Л.Д.РЕЙМАН

УТВЕРЖДЕНЫ
Приказом Министерства
информационных технологий и
связи Российской Федерации
от 28 ноября 2005 г. N 134

ПРАВИЛА
ПРИМЕНЕНИЯ БАЗОВЫХ СТАНЦИЙ И РЕТРАНСЛЯТОРОВ СИСТЕМ ПОДВИЖНОЙ РАДИОТЕЛЕФОННОЙ СВЯЗИ. ЧАСТЬ I. ПРАВИЛА ПРИМЕНЕНИЯ ПОДСИСТЕМЫ БАЗОВЫХ СТАНЦИЙ СЕТЕЙ ПОДВИЖНОЙ РАДИОТЕЛЕФОННОЙ СВЯЗИ СТАНДАРТА IMT-MC-450

(в ред. Приказа Минкомсвязи РФ от 23.04.2013 N 93)

I. Общие положения

1. Правила применения оборудования подсистемы базовых станций подвижной радиотелефонной связи (далее - Правила) разработаны в соответствии со статьями 21 и 41 Федерального закона от 07.07.2003 N 126-ФЗ "О связи" (Собрание законодательства Российской Федерации, 2003, N 28, ст. 2895) в целях обеспечения целостности, устойчивости функционирования и безопасности единой сети электросвязи Российской Федерации.

2. Настоящие Правила определяют порядок применения оборудования подсистемы базовых станций в сетях подвижной радиотелефонной связи стандарта IMT-MC-450 <*>, работающего в диапазоне частот 453 - 457,4 МГц/463 - 467,4 МГц, в сети связи общего пользования и устанавливают:

- требования к функциональным и электрическим параметрам;

Абзац 3 - Исключен. (в ред. Приказа Минкомсвязи РФ от 23.04.2013 N 93)

- требования по устойчивости оборудования к механическим и климатическим воздействиям;

Абзац 5 - Исключен. (в ред. Приказа Минкомсвязи РФ от 23.04.2013 N 93)

Справочно: <*> В международной практике используется аббревиатура IMT-MC (International Mobile Telecommunication - Multi-Carrier - Международная система Подвижной Связи с Несколькими Несущими).

3. Настоящие Правила распространяются на следующие средства связи:

- базовые станции;

- контроллеры базовых станций;

- ретрансляторы.

В соответствии с п. 24 "Перечня средств связи, подлежащих обязательной сертификации", утвержденного Постановлением Правительства Российской Федерации от 31.12.2004 N 896 (Собрание законодательства Российской Федерации, 2005, N 2, ст. 155), оборудование подсистемы базовых станций сетей подвижной радиотелефонной связи стандарта IMT-MC-450 должно пройти процедуру обязательной сертификации в порядке, установленном "Правилами организации и проведения работ по обязательному подтверждению соответствия средств связи", утвержденными Постановлением Правительства Российской Федерации от 13.04.2005 N 214 (Собрание законодательства Российской Федерации, 2005, N 28, ст. 2895).

В связи с утратой силы Постановления Правительства РФ от 31.12.2004 N 896, следует руководствоваться принятым взамен Постановлением Правительства РФ от 25.06.2009 N 532

4. В настоящих Правилах указаны обязательные требования к тем параметрам оборудования подсистем базовых станций, которые являются существенными для обеспечения целостности и устойчивости функционирования сетей подвижной связи.

5. Общие характеристики радиоинтерфейса системы подвижной радиотелефонной связи стандарта IMT-MC-450 приведены в приложении 1 к Правилам.

Разделы II. - III. - Исключены. (в ред. Приказа Минкомсвязи РФ от 23.04.2013 N 93)

IV. Требования по устойчивости оборудования подсистемы базовых станций к климатическим воздействиям

8. Оборудование подсистемы базовых станций, работающее на открытом воздухе или в неотапливаемых сооружениях, должно сохранять основные характеристики и параметры, а также должны отсутствовать дефекты покрытий и коррозии деталей и узлов после воздействия повышенной влажности 93% при температуре +25 град. С для исполнения по 1 степени жесткости и +40 град. С для исполнения по 2 степени жесткости.

9. Оборудование подсистемы базовых станций, работающее в отапливаемых сооружениях, должно сохранять основные характеристики и параметры при воздействии пониженной рабочей температуры среды +5 град. С и при предельных значениях напряжения источника питания. Оборудование должно сохранять основные характеристики и параметры после воздействия пониженной температуры хранения и транспортирования минус 40 град. С для исполнения по 1 степени жесткости и минус 55 град. С для исполнения по 2 степени жесткости.

10. Оборудование подсистемы базовых станций, работающее на открытом воздухе или в неотапливаемых сооружениях, должно сохранять основные характеристики и параметры при воздействии пониженной рабочей температуры среды минус 25 град. С для исполнения по 1 степени жесткости и минус 40 град. С для исполнения по 2 степени жесткости и при предельных значениях напряжения источника питания. Оборудование должно сохранять основные характеристики и параметры после воздействия пониженной температуры хранения и транспортирования минус 40 град. С для исполнения по 1 степени жесткости и минус 55 град. С для исполнения по 2 степени жесткости.

11. Оборудование подсистемы базовых станций, работающее в отапливаемых сооружениях, должно сохранять основные характеристики и параметры при воздействии повышенной рабочей температуры +40 град. С. Оборудование должно сохранять основные характеристики и параметры после воздействия повышенной температуры хранения и транспортирования +55 град. С.

12. Оборудование подсистемы базовых станций, работающее на открытом воздухе или в неотапливаемых сооружениях, должно сохранять основные характеристики и параметры при воздействии повышенной рабочей температуры +55 град. С. Оборудование должно сохранять основные характеристики и параметры после воздействия повышенной температуры хранения и транспортирования +55 град. С.

V. Требования по устойчивости оборудования подсистемы базовых станций к механическим воздействиям

13. Оборудование подсистемы базовых станций должно сохранять основные характеристики и параметры, внешний вид после транспортировки в упакованном виде, что проверяется воздействием многократных механических ударов с длительностью ударного импульса 11 мс с пиковым ударным ускорением 100 м/с2.

VI. Требования по электропитанию к оборудованию подсистемы базовых станций

14. Оборудование подсистемы базовых станций должно сохранять работоспособность при изменении номинального напряжения электрической сети переменного тока на +10/-15% и частоты на +/5%.

VII. Требования к внешней синхронизации оборудования подсистемы базовых станций

15. В качестве источника внешней синхронизации должна использоваться радионавигационная система ГЛОНАСС <*>.

Справочно: <*> В национальной практике используется аббревиатура ГЛОНАСС - Глобальная навигационная спутниковая система.

16. Допускается использование спутниковой радионавигационной системы GPS <*> в качестве резерва при условии обеспечения приоритетного использования сигналов системы ГЛОНАСС в комбинированных приемниках ГЛОНАСС/GPS. Приемники ГЛОНАСС (либо комбинированные приемники ГЛОНАСС/GPS), входящие в состав оборудования подсистемы базовых станций, должны выпускаться российской фирмой-производителем.

Справочно: <*> В международной практике используется аббревиатура GPS (Global Positioning System - Глобальная система местоопределения).

17. При наличии в оборудовании подсистемы базовых станций комбинированного приемника ГЛОНАСС/GPS по выбору оператора должна обеспечиваться работа оборудования в режиме ГЛОНАСС.

18. В оборудовании подсистемы базовых станций должна быть предусмотрена непрерывная индикация текущего режима работы (ГЛОНАСС либо ГЛОНАСС/GPS).

VIII. Требования к приемнику базовой станции

19. Частота, присвоенная приемнику базовой станции, должна находиться в строгом соответствии с частотой, присвоенной системе. Приемник базовой станции может быть настроен либо на одну фиксированную частоту, либо на произвольную частоту во всем диапазоне доступных частот. Базовая станция должна поддерживать либо первичный, либо вторичный каналы, либо оба этих канала.

20. Чувствительность приемника базовой станции должна быть не хуже 117 дБ для базовых станций большого радиуса покрытия (более 10 км) и не хуже 114 дБ для базовых станций малого радиуса покрытия (менее 10 км).

21. Динамический диапазон приемника базовой станции должен быть не менее 52 дБм.

22. Ослабление чувствительности приемника базовой станции при воздействии синусоидальной помехи должно быть не более 3 дБ при отношении мощностей синусоидальной помехи/сигнал не менее 87 дБ.

23. Ослабление чувствительности приемника базовой станции вследствие воздействия продуктов интермодуляции должно быть не более 3 дБ при отношении мощностей синусоидального сигнала/полезного сигнала для каждой из двух помех не менее 72 дБ.

24. Уровень нежелательных излучений, измеренный на антенном разъеме, не должен превышать значений, указанных в приложении 3 к Правилам.

25. Требования, относящиеся к режиму 1х.

25.1. Коэффициент искаженных кадров при демодуляции в приемнике в условиях аддитивного белого гауссовского шума не должен превышать значений, полученных путем интерполяции величин для нижнего и верхнего значений отношения сигнал/шум, указанных в приложении 4 к Правилам (таблица П.4.1).

25.2. Коэффициент искаженных кадров при демодуляции в приемнике обратного общего канала управления в условиях многолучевости для каждой скорости передачи данных при управлении мощностью абонентской радиостанцией не должен превышать с доверительной вероятностью 90% значений, полученных путем линейной интерполяции величин для нижнего и верхнего значений отношения сигнал/шум, указанных в приложении 4 к Правилам (таблица П.4.2).

25.3. Коэффициент искаженных кадров с доверительной вероятностью 90% при демодуляции обратного канала трафика в условиях аддитивного белого гауссовского шума для каждой скорости передачи данных не должен превышать значений, полученных путем линейной интерполяции величин для нижнего и верхнего значений отношения сигнал/шум, указанных в приложении 4 к Правилам (таблицы П.4.3 ... П.4.10).

26. Требования, относящиеся к режиму EVDO <*>.

Справочно: <*> В международной практике используется аббревиатура EVDO (Evolution Data Only - Эволюция CDMA, оптимизированная только под передачу данных).

26.1. Коэффициент отказа при попытках получить обслуживание с доверительной вероятностью 90% не должен превышать максимальных значений, указанных в приложении 5 к Правилам (таблица П.5.1).

26.2. Коэффициент искаженных пакетов с доверительной вероятностью 90% при демодуляции обратного канала трафика для каждой скорости передачи данных не должен превышать значений, указанных в приложении 6 к Правилам (таблица П.6.1).

IX. Требования к передатчику базовой станции

27. Частота, присвоенная передатчику базовой станции, должна находиться в строгом соответствии с частотой, присвоенной передатчику в системе. Передатчик базовой станции может быть настроен на произвольную частоту во всем диапазоне доступных частот. Базовая станция должна поддерживать либо первичный, либо вторичный каналы, либо оба этих канала.

28. Для всего диапазона рабочих температур средняя

величина расхождения между фактической частотой несущей

передатчика и ее присвоенным номинальным значением не должна быть более чем +/- 5 x 10(-8) относительно присвоенного значения.

29. Каждая базовая станция должна использовать сигнал внешнего источника синхронизации при установке всех временных соотношений в передаваемом сигнале. Каждая базовая станция должна иметь надежные внешние источники синхронизации. При отключении внешнего источника синхронизации расхождение опорного сигнала базовой станции и сигнала внешнего источника синхронизации не должно превышать +/- 10 мкс за 8 часов.

Ошибка оценки времени по пилот-сигналу не должна превышать 10 мкс.

30. Величина общей выходной мощности при всех условиях окружающей среды, приведенных в разделе 5, должна оставаться в пределах +2 дБ, минус 4 дБ от номинальной мощности, которая заявлена изготовителем.

31. Уровень побочных излучений, измеренных на антенном разъеме, должен быть ниже значений, указанных в приложении 3 к Правилам (таблица П.3.1).

32. Требования, относящиеся к режиму 1х.

32.1. Расхождение по времени между прямым пилот-каналом и другими кодовыми каналами одного прямого канала, измеренное на антенном разъеме, через который передается прямой пилот-канал, не должно быть больше +/- 50 нс.

Расхождение по времени между разнесенным на передаче пилот-каналом и другими кодовыми каналами одного прямого канала, измеренное на антенном разъеме, через который передается разнесенный на передаче пилот-канал, не должно быть больше +/- 50 нс.

Расхождение по времени между дополнительным пилот-каналом и другими кодовыми каналами одного прямого канала, измеренное на антенном разъеме, через который передается дополнительный пилот-канал, не должно быть больше +/- 50 нс.

Расхождение по времени между дополнительным разнесенным на передаче пилот-каналом и другими кодовыми каналами одного прямого канала, измеренное на антенном разъеме, через который передается дополнительный разнесенный на передаче пилот-канал, не должно быть больше +/- 50 нс.

Расхождение по времени между прямым пилот-каналом и другими кодовыми каналами одного прямого канала, измеренное на антенном разъеме, через который передается разнесенный на передаче пилот-канал, дополнительный пилот-канал или дополнительный разнесенный на передаче пилот-канал, не должно быть больше +/- 100 нс, а рекомендуемая величина - не более +/50 нс.

32.2. Расхождение по фазе между сигналом пилот-канала и сигналами любого другого кодового канала в одном и том же прямом канале не должно превышать 0,15 рад.

32.3. Коэффициент качества формы сигнала должен быть не менее 0,9 (потеря мощности < 0,4 дБ).

32.4. Параметры подканала управления мощностью должны отвечать требованиям, указанным в приложении 7 к Правилам (рис. П.7.1, П.7.2).

32.5. Параметры мощности сигнала в кодовых каналах должны отвечать требованиям, указанным в приложении 8 к Правилам.

33. Требования, относящиеся к режиму EVDO.

33.1. Коэффициент качества формы сигнала должен быть не менее 0,9 (потеря мощности < 0,18 дБ).

33.2. Мощность в пилот-канале и в канале доступа к среде должна отвечать требованиям, приведенным в приложении 9 к Правилам.

33.3. Мощность сигнала в кодовой области в каждом не активном канале должна быть на 31,5 дБ меньше общей мощности в канале доступа к среде.

33.4. Значения действительной и мнимой составляющих удельной мощности сигнала в кодовых каналах трафика и управления должны находиться в пределах от 0,02785 до 0,035.

X. Требования к ретрансляторам

34. Ретранслятор должен обеспечивать прием и передачу сигналов в пределах диапазонов частот:

- на линии "вниз" 463 - 467,4 МГц;

- на линии "вверх" 453 - 457,4 МГц.

Рабочая полоса частот ретранслятора устанавливается (программируется или обеспечивается дополнительными техническими действиями) оператором по согласованию с органами Государственной радиочастотной службы.

35. Коэффициент усиления должен устанавливаться (программироваться) оператором для обеспечения устойчивой работы ретранслятора (без самовозбуждения).

36. Уровни побочных и паразитных излучений, измеренные на антенных разъемах ретранслятора, не должны превышать величин, указанных в приложении 10 к Правилам (таблица П.10.1).

37. Требования к допустимому коэффициенту усиления внеполосных сигналов распространяются на диапазон частот 9 кГц - 12,75 ГГц, за исключением диапазонов рабочих частот ретранслятора.

Усиление внеполосных сигналов на линиях "вверх" и "вниз" при максимальном коэффициенте усиления должно быть не более:

- минус 50 дБ - на частотах 400 кГц и более от границ рабочего диапазона;

- минус 40 дБ - на частотах 600 кГц и более от границ рабочего диапазона;

- минус 35 дБ - на частотах 1 МГц и более от границ рабочего диапазона;

- минус 25 дБ - на частотах 5 МГц и более от границ рабочего диапазона.

38. Уровни продуктов интермодуляции на выходе ретранслятора не должны превышать следующих значений:

- минус 36 дБм в полосе частот 9 кГц - 1 ГГц;

- минус 30 дБм в полосе частот 1 ГГц - 12,5 ГГц.

Приложение 1
к Правилам применения базовых
станций и ретрансляторов систем
подвижной радиотелефонной связи.
Часть I. Правила применения
подсистемы базовых станций сетей
подвижной радиотелефонной связи
стандарта IMT-MC-450

П.1.1. Общие характеристики радиоинтерфейса системы подвижной радиотелефонной связи

П.1.1.1. Система подвижной радиотелефонной связи поддерживает два режима организации радиоинтерфейса:

- смешанный режим передачи речевой информации и данных (режим 1х);

- режим передачи только данных (режим EVDO).

П.1.1.2. Приведенные ниже характеристики, если специально не оговаривается, относятся к обоим режимам организации радиоинтерфейса:

П.1.1.2.1. Передача информации в радиоканалах - цифровая.

П.1.1.2.2. Дуплексный разнос частот приема и передачи - 10 МГц.

П.1.1.2.3. Канальное кодирование - сверхточное кодирование, турбо-кодирование.

П.1.1.2.4. Способы модуляции:

- в режиме 1х в зависимости от требуемой скорости передачи данных - двоичная фазовая манипуляция, квадратурная фазовая модуляция;

- в режиме EVDO (в каналах в направлении от базовой станции к абонентским радиостанциям) в зависимости от требуемой скорости передачи данных - квадратурная фазовая манипуляция, восьмипозиционная фазовая манипуляция, шестнадцатипозиционная квадратурная амплитудная манипуляция;

- в режиме EVDO (в каналах в направлении от абонентских радиостанций к базовой станции) в зависимости от требуемой скорости передачи данных - двоичная фазовая манипуляция, квадратурная фазовая манипуляция.

Приложение 2
к Правилам применения базовых
станций и ретрансляторов систем
подвижной радиотелефонной связи.
Часть I. Правила применения
подсистемы базовых станций сетей
подвижной радиотелефонной связи
стандарта IMT-MC-450
 

ПРИЛОЖЕНИЕ 2 - Исключено. (в ред. Приказа Минкомсвязи РФ от 23.04.2013 N 93)

Приложение 3
к Правилам применения базовых
станций и ретрансляторов систем
подвижной радиотелефонной связи.
Часть I. Правила применения
подсистемы базовых станций сетей
подвижной радиотелефонной связи
стандарта IMT-MC-450

Таблица П.3.1. Ограничения уровня нежелательных излучений приемника и побочных излучений передатчика, измеренных на антенном разъеме

Для |дельтаf| в диапазоне Применимость к передаче на нескольких несущих Ограничение уровня излучения
750 кГц - 1,98 МГц Нет -45 дБн/30 кГц
1,98 МГц - 4,00 МГц Нет -60 дБн/30 кГц; Вых. >= 33 дБм -27 дБм/30 кГц; 28 дБм <= Вых. >= 33 дБм -55 дБн/30 кГц; Вых. >= 28 дБм
> 4,00 МГц (только для категории А) Да -13 дБм/1 кГц; 9 кГц < f < 150 кГц -13 дБм/10 кГц; 150 кГц < f < 30 МГц -13 дБм/100 кГц; 30 МГц < f < 1 ГГц -13 дБм/1 МГц; 1 ГГц < f < 5 ГГц
> 4,00 МГц (только для категории В) Да -36 дБм/1 кГц; 9 кГц < f < 150 кГц -36 дБм/10 кГц; 150 кГц < f < 30 МГц -36 дБм/100 кГц; 30 МГц < f < 1 ГГц -36 дБм/1 МГц; 1 ГГц < f < 12,5 ГГц

Приложение 4
к Правилам применения базовых
станций и ретрансляторов систем
подвижной радиотелефонной связи.
Часть I. Правила применения
подсистемы базовых станций сетей
подвижной радиотелефонной связи
стандарта IMT-MC-450

П.4.1. Коэффициент искаженных кадров при демодуляции в приемнике

Таблица П.4.1. Максимальное значение коэффициента искаженных кадров для обратного общего канала управления в условиях воздействия аддитивного белого гауссова шума (АБГШ)

Скорость передачи данных, бит/с Длина кадра, мс Предельное значение коэффициента искаженных кадров
нижнее значение отношения сигнал/шум верхнее значение отношения сигнал/шум
9600 20 2,7% @4,0 дБ 0,3% @4,6 дБ
19200 20 2,6% @3,5 дБ 0,4% @4,1 дБ
19200 20 2,6% @3,3 дБ 0,4% @3,9 дБ
38400 10 2,6% @3,3 дБ 0,4% @3,9 дБ
38400 10 2,3% @3,2 дБ 0,4% @3,8 дБ
38400 5 2,3% @3,1 дБ 0,4% @3,7 дБ

П.4.2. Коэффициент искаженных кадров при демодуляции в приемнике обратного общего канала управления

Таблица П.4.2. Максимальное значение коэффициента искаженных кадров для обратного общего канала управления в условиях замираний, обусловленных многолучевостью

Условия тестирования Скорость передачи данных, бит/с Длина кадра, мс Предельные значения коэффициента искаженных кадров
при нижнем значении отношения сигнал/шум при верхнем значении отношения сигнал/шум
A 9600 20 9,0% @2,6 дБ 2,5% @3,2 дБ
19200 20 10,0% @2,2 ДБ 2,8% @2,8 дБ
19200 10 8,0% @2,5 дБ 3,3% @3,1 дБ
38400 20 10,0% @2,0 дБ 2,5% @2,6 дБ
38400 10 8,0% @2,3 дБ 3,0% @2,9 дБ
38400 5 8,0% @2,7 дБ 3,5% @3,3 дБ
B 9600 20 9,0% @3,1 дБ 3,0% @3,7 дБ
19200 20 9,0% @2,7 дБ 2,5% @3,3 дБ
19200 10 9,0% @3,1 дБ 3,5% @3,7 дБ
38400 20 9,0% @2,4 дБ 2,5% @3,0 дБ
38400 10 9,0% @2,8 дБ 3,0% @3,4 дБ
38400 5 8,0% @3,3 дБ 3,0% @3,9 дБ
C 9600 20 7,0% @3,6 дБ 3,5% @4,2 дБ
19200 20 7,5% @3,2 дБ 3,5% @3,8 дБ
19200 10 6,5% @3,8 дБ 4,0% @4,4 дБ
38400 20 8,0% @3,0 дБ 3,5% @3,6 дБ
38400 10 7,5% @3,6 дБ 3,8% @4,2 дБ
38400 5 7,0% @4,2 дБ 3,5% @4,8 дБ
D 9600 20 8,0% @4,0 дБ 2,5% @4,6 дБ
19200 20 8,0% @3,5 дБ 2,5% @4,1 дБ
19200 10 7,0% @4,6 дБ 3,5% @5,2 дБ
38400 20 9,0% @3,3 дБ 2,8% @3,9 дБ
38400 10 7,0% @4,4 дБ 3,5% @5,0 дБ
38400 5 6,5% @5,5 дБ 4,0% @6,1 дБ

П.4.3. Коэффициент искаженных кадров при демодуляции обратного канала трафика в условиях АБГШ

Таблица П.4.3. Максимальное значение коэффициента искаженных кадров для радиоконфигурации 1 при тестировании обратного основного канала или обратного дополнительного кодового канала в условиях аддитивного белого гауссова шума (АБГШ)

Скорость передачи информации, бит/с Предельные значения коэффициента искаженных кадров
при нижнем значении (отношения сигнал/шум) = 4,1 дБ при верхнем значении (отношения сигнал/шум) = 4,7 дБ
9600 3,0 0,2
4800 8,0 1,0
2400 23,0 5,0
1200 22,0 6,0

Таблица П.4.4. Максимальное значение коэффициента искаженных кадров для радиоконфигурации 2 при тестировании обратного основного канала или обратного дополнительного кодового канала в условиях аддитивного белого гауссова шума (АБГШ)

Скорость передачи информации, бит/с Предельные значения коэффициента искаженных кадров
при нижнем значении (отношения сигнал/шум) = 3,2 дБ при верхнем значении (отношения сигнал/шум) = 3,8 дБ
14400 5,0 0,2
7200 6,3 0,7
3600 5,8 1,0
1800 3,5 1,0

Таблица П.4.5. Максимальное значение коэффициента искаженных кадров для радиоконфигурации 3 при тестировании обратного основного канала или обратного выделенного канала управления в условиях АБГШ

Скорость передачи информации, бит/с Предельные значения коэффициента искаженных кадров
при нижнем значении отношения сигнал/шум при верхнем значении отношения сигнал/шум
9600 2,3% @2,4 дБ 0,3% @3,0 дБ
4800 2,3% @3,8 дБ 0,4% @4,4 дБ
2700 2,5% @5,0 дБ 0,5% @5,6 дБ
1500 1,7% @7,0 дБ 0,4% @7,6 дБ

Таблица П.4.6. Максимальное значение коэффициента искаженных кадров для радиоконфигурации 3 при тестировании обратного дополнительного канала в условиях АБГШ при сверточном кодировании

Скорость передачи информации, бит/с Предельные значения коэффициента искаженных кадров
при нижнем значении отношения сигнал/шум при верхнем значении отношения сигнал/шум
19200 9,0% @1,7 дБ 1,7% @2,3 дБ
38400 13,0% @1,4 дБ 2,1% @2,0 дБ
76800 14,0% @1,3 дБ 2,4% @1,9 дБ
153600 14,0% @1,3 дБ 2,4% @1,9 дБ
307200 14,0% @1,8 дБ 2,0% @2,4 дБ

Таблица П.4.7. Максимальное значение коэффициента искаженных кадров для радиоконфигурации 3 при тестировании обратного дополнительного канала управления в условиях АБГШ при турбокодировании

Скорость передачи информации, бит/с Предельные значения коэффициента искаженных кадров
при нижнем значении отношения сигнал/шум при верхнем значении отношения сигнал/шум
19200 20,0% @0,6 дБ 0,9% @1,2 дБ
38400 24,0% @-0,1 дБ 0,3% @0,5 дБ
76800 30,0% @-0,5 дБ 0,2% @0,1 дБ
153600 60,0% @-0,3 дБ 0,1% @0,3 дБ
307200 90,0% @-0,3 дБ 0,1% @0,3 дБ

Таблица П.4.8. Максимальное значение коэффициента искаженных кадров для радиоконфигурации 4 при тестировании обратного основного канала или обратного выделенного канала управления в условиях АБГШ

Скорость передачи информации, бит/с Предельные значения коэффициента искаженных кадров
при нижнем значении отношения сигнал/шум при верхнем значении отношения сигнал/шум
14400 2,4% @2,1 дБ 0,3% @2,7 дБ
7200 2,4% @3,1 дБ 0,4% @3,7 дБ
3600 1,7% @4,6 дБ 0,3% @5,2 дБ
1800 1,6% @6,6 дБ 0,5% @7,2 дБ

Таблица П.4.9. Максимальное значение коэффициента искаженных кадров для радиоконфигурации 4 при тестировании обратного дополнительного канала в условиях АБГШ при сверточном кодировании

Скорость передачи информации, бит/с Предельные значения коэффициента искаженных кадров
при нижнем значении отношения сигнал/шум при верхнем значении отношения сигнал/шум
28800 10,0% @1,7 дБ 1,9% @2,3 дБ
57600 12,0% @1,6 дБ 1,7% @2,2 дБ
115200 14,0% @1,6 дБ 2,0% @2,2 дБ
230400 12,0% @1,7 дБ 1,7% @2,3 дБ

Таблица П.4.10. Максимальное значение коэффициента искаженных кадров для радиоконфигурации 4 при тестировании обратного дополнительного канала в условиях АБГШ при турбокодировании

Скорость передачи информации, бит/с Предельные значения коэффициента искаженных кадров
при нижнем значении отношения сигнал/шум при верхнем значении отношения сигнал/шум
28800 27,0% @0,7 дБ 0,5% @1,3 дБ
57600 28,0% @0,2 дБ 0,2% @0,8 дБ
115200 60,0% @-0,2 дБ 0,1% @0,4 дБ
230400 33,0% @-0,5 дБ 0,1% @0,1 дБ

Приложение 5
к Правилам применения базовых
станций и ретрансляторов систем
подвижной радиотелефонной связи.
Часть I. Правила применения
подсистемы базовых станций сетей
подвижной радиотелефонной связи
стандарта IMT-MC-450

Таблица П.5.1. Максимально допустимый коэффициент отказа при попытках получить обслуживание

Отношение сигнал/шум на РЧ входе приемника базовой станции, дБ Максимально допустимый коэффициент отказа
5,34 0,3
6,70 0,1

Приложение 6
к Правилам применения базовых
станций и ретрансляторов систем
подвижной радиотелефонной связи.
Часть I. Правила применения
подсистемы базовых станций сетей
подвижной радиотелефонной связи
стандарта IMT-MC-450

Таблица П.6.1. Допустимые значения параметров демодуляции в канале данных

Скорость, кбит/с Отношение сигнал/шум, дБ Коэффициент искаженных пакетов
9,6 1,04 0,03
1,34 0,01
1,64 0,005
19,2 0,96 0,03
1,26 0,01
1,46 0,005
38,4 1,08 0,03
1,38 0,01
1,48 0,005
76,8 1,38 0,03
1,78 0,01
1,88 0,005
153,6 2,92 0,03
3,22 0,01
3,42 0,005

Приложение 7
к Правилам применения базовых
станций и ретрансляторов систем
подвижной радиотелефонной связи.
Часть I. Правила применения
подсистемы базовых станций сетей
подвижной радиотелефонной связи
стандарта IMT-MC-450

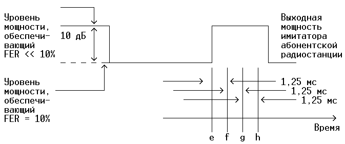
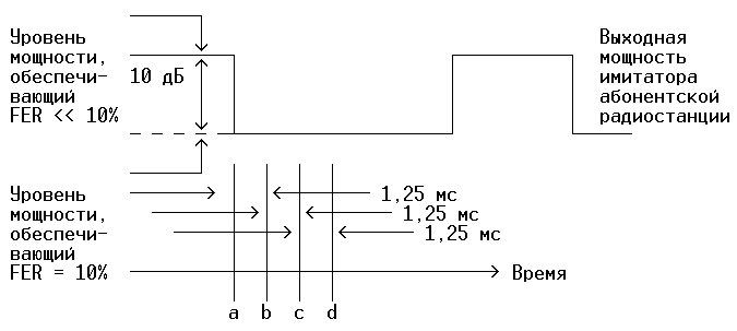
Рисунок П.7.1.1

Рисунок П.7.1.2

Рисунок П.7.2

На рисунках П.7.1 и П.7.2 показаны временные соотношения в подканале управления. Интервалы b - c и c - d - это 2-й и 3-й интервалы, которые предназначены для передачи команд управления мощностью АС после снижения мощности АС.

Интервалы f - g и g - h - это 2-й и 3-й интервалы, которые предназначены для передачи команд управления мощностью АС после возрастания мощности АС.

Из всех бит, которые передаются базовой станцией (БС) в интервалах b - c и c - d, не менее 70% должны быть битами увеличения мощности.

Из всех бит, которые передаются БС в интервалах f - g и g - h, не менее 90% должны быть битами уменьшения мощности.

Приложение 8
к Правилам применения базовых
станций и ретрансляторов систем
подвижной радиотелефонной связи.
Часть I. Правила применения
подсистемы базовых станций сетей
подвижной радиотелефонной связи
стандарта IMT-MC-450

П. 8.1. В режиме тестирования основного канала мощность сигнала каждого неактивного канала должна быть не менее чем на 27 дБ ниже общей выходной мощности.

П.8.2. В режиме тестирования основного канала либо в режиме тестирования выделенного канала управления мощность сигнала каждого неактивного канала должна быть не менее чем на 30 дБ ниже общей выходной мощности.

П.8.3. В режиме тестирования основного канала либо в режиме тестирования выделенного канала управления мощность сигнала каждого неактивного канала должна быть не менее чем на 33 дБ ниже общей выходной мощности.

Приложение 9
к Правилам применения базовых
станций и ретрансляторов систем
подвижной радиотелефонной связи.
Часть I. Правила применения
подсистемы базовых станций сетей
подвижной радиотелефонной связи
стандарта IMT-MC-450

Временная характеристика для группы из пассивных полуслотов в среднем должна лежать в пределах, изображенных на рисунке П.9.1.

Линия отсчета, изображенная на рисунке П.9.1 для усредненного значения мощности пакета в пилот-канале и мощности пакета в канале доступа к среде, устанавливается на уровне, равном значению, полученному при усреднении мощности активных слотов.

Рисунок П.9.1

Приложение 10
к Правилам применения базовых
станций и ретрансляторов систем
подвижной радиотелефонной связи.
Часть I. Правила применения
подсистемы базовых станций сетей
подвижной радиотелефонной связи
стандарта IMT-MC-450

Таблица П.10.1. Уровни побочных и паразитных излучений, измеренные на антенных разъемах ретранслятора

Диапазон частот Предельное значение Полоса измерительного фильтра
9 кГц < f < 150 кГц -36 дБм 1 кГц
150 кГц < f < 30 МГц -36 дБм 10 кГц
30 МГц < f < 1 ГГц -36 дБм 100 кГц
1 ГГц < f < 12,5 ГГц -30 дБм 1 МГц